Mantenimiento
Advertencia
Si no se mantiene debidamente la máquina, los sistemas de la máquina podrían fallar de forma prematura, con lo que podría sufrir lesiones usted o causarlas a otras personas.
Mantenga la máquina en condiciones de funcionamiento óptimas, tal y como se indica en estas instrucciones.
Note: Los lados derecho e izquierdo de la máquina se determinan desde la posición normal del operador.
Seguridad en el mantenimiento
-
Antes de abandonar el puesto del operador, haga lo siguiente:
-
Aparque la máquina en una superficie nivelada.
-
Desengrane la(s) unidad(es) de corte.
-
Asegúrese de que la tracción está en punto muerto.
-
Accione el freno de estacionamiento.
-
Apague la máquina y retire la llave (en su caso).
-
Espere a que se detenga todo movimiento.
-
-
Deje que los componentes de la máquina se enfríen antes de realizar el mantenimiento.
-
Si es posible, no realice tareas de mantenimiento con la máquina en marcha. Manténgase alejado de las piezas en movimiento.
-
Si la máquina debe estar en marcha para realizar un ajuste, mantenga las manos, los pies, la ropa y otras partes del cuerpo alejados de la unidad de corte, los accesorios y otras piezas en movimiento. Mantenga a otras personas alejadas de la máquina.
-
Limpie la hierba y los residuos de la unidad de corte, la transmisión, el motor y la batería para prevenir incendios.
-
Mantenga todas las piezas en buenas condiciones de funcionamiento. Sustituya todas las piezas y pegatinas desgastadas, deterioradas o que falten. Mantenga apretadas todas las fijaciones para asegurarse de que la máquina está en condiciones seguras de funcionamiento.
-
Compruebe con frecuencia los componentes del recogedor y sustitúyalos cuando sea necesario.
-
Para asegurar un rendimiento óptimo y seguro de la máquina, utilice solamente piezas genuinas Toro. Las piezas de repuesto de otros fabricantes podrían ser peligrosas y su uso podría invalidar la garantía del producto.
-
Si alguna vez es necesario efectuar reparaciones importantes, o si usted necesita ayuda, póngase en contacto con un distribuidor autorizado Toro.
Calendario recomendado de mantenimiento
| Intervalo de mantenimiento y servicio | Procedimiento de mantenimiento |
|---|---|
| Después de cada uso |
|
Lista de comprobación – mantenimiento diario
Important: Duplique esta página para su uso rutinario.
| Elemento a comprobar | Para la semana de: | ||||||
|---|---|---|---|---|---|---|---|
| Lun | Mar | Miér | Jue | Vie | Sáb | Dom | |
| Compruebe el funcionamiento de la palanca de bloqueo del freno. | |||||||
| Compruebe que no hay ruidos extraños de operación. | |||||||
| Compruebe el ajuste molinete-contracuchilla. | |||||||
| Compruebe el ajuste de altura de corte. | |||||||
| Retoque la pintura dañada. | |||||||
| Limpie la máquina. | |||||||
| Inspección realizada por: | ||
| Elemento | Fecha | Información |
Procedimientos previos al mantenimiento
Preparación de la máquina para el mantenimiento
Advertencia
Mientras realiza operaciones de mantenimiento o ajuste en la máquina, alguien podía arrancarla. Un arranque accidental de la máquina podría causar graves lesiones a usted o a otra persona.
Suelte la barra de tracción, accione el freno de estacionamiento, retire la llave y desconecte la batería antes de realizar cualquier tarea de mantenimiento.
Realice lo siguiente antes de realizar tareas de mantenimiento, limpieza o ajustes en la máquina:
-
Aparque la máquina en una superficie nivelada.
-
Accione el freno de estacionamiento.
-
Apague la máquina.
-
Espere a que se detengan todas las piezas en movimiento y deje que la máquina se enfríe antes de realizar tareas de mantenimiento, almacenarla o repararla.
-
Desconecte la batería tirando del conector del asa en T para sacarlo del conector de alimentación principal (Figura 34)

Mantenimiento del sistema eléctrico
Seguridad del sistema eléctrico
-
Desconecte la batería antes de reparar la máquina.
-
Cargue la batería en una zona abierta y bien ventilada, lejos de chispas y llamas. Desenchufe el cargador antes de conectar o desconectar la batería. Lleve ropa protectora y utilice herramientas aisladas.
Mantenimiento de la batería
Las únicas piezas de la batería susceptibles de mantenimiento por el usuario son las etiquetas. Si intenta abrir el compartimiento principal de la batería o del controlador maestro, invalidará la garantía. Si tiene problemas con la batería, póngase en contacto con su distribuidor autorizado Toro para solicitar ayuda.
Advertencia
La batería contiene altos voltajes que podrían causar quemaduras o electrocutarle.
-
No intente abrir la batería.
-
No coloque nada en el conector de la batería salvo el conector del arnés de cables suministrado con el producto.
-
Extreme las precauciones al manejar una batería con la carcasa agrietada.
-
Utilice únicamente el cargador diseñado para la batería
Eliminación de la batería
La batería de iones de litio debe eliminarse o reciclarse según las normativas locales y federales aplicables.
Mantenimiento del cargador de la batería
Important: Cualquier reparación eléctrica debe ser realizada únicamente por un distribuidor autorizado Toro.
Hay muy poco mantenimiento que puede ser realizado por el operador, aparte de proteger el cargador de daños y de la intemperie.
Mantenimiento de los cables del cargador de la batería
-
Limpie los cables con un trapo ligeramente humedecido después de cada uso.
-
Enrolle los cables cuando no los esté usando.
-
Examine los cables periódicamente en busca de daños, y si es necesario, cámbielos por piezas homologadas por Toro.
Limpieza de la carcasa del cargador de la batería
Limpie la carcasa con un trapo ligeramente humedecido después de cada uso.
Cambio de los fusibles
Si la máquina no se enciende, incluso después de cargar la batería, compruebe los fusibles de la máquina como se indica a continuación:
-
Apague la máquina y desconecte la batería.
-
Retire los 4 tornillos (Figura 35) que sujetan la cubierta de la batería y retire la cubierta.

-
Compruebe los fusibles del bloque de fusibles (Figura 36).

-
Si algún fusible está fundido, sustitúyalo por un fusible con la tensión y el amperaje correctos. Consulte el Manual de mantenimiento de la unidad de tracción para conocer los números de referencia específicos de los fusibles.
Important: Todos los fusibles de la máquina son de 80 voltios. No utilice fusibles para automóviles de 12 V.
Comprobación del panel de la interfaz de la batería
El panel de la interfaz de la batería emite luces que indican el estado de la batería, incluido el estado de carga, la carga restante, los fallos y actualizaciones de la batería. Consulte a su distribuidor Toro autorizado para obtener más información sobre el panel de interfaz de la batería.
Mantenimiento del sistema de transmisión
Cambio del aceite de la transmisión
| Intervalo de mantenimiento y servicio | Procedimiento de mantenimiento |
|---|
Note: Consulte la Figura 37 para conocer el procedimiento.

-
Retire el conjunto de conducto de respiradero y adaptador de la transmisión.
-
Pida a otra persona que le ayude a inclinar la máquina hacia atrás y coloque un recipiente bajo la transmisión.
Note: Utilice el recipiente para recoger el líquido de transmisión.
-
Retire el tapón de vaciado de la transmisión y deje que se vacíe el líquido.
-
Instale el tapón de vaciado.
-
Apriete el tapón de vaciado a entre 4 y 5 N∙m.
-
Añada 473 ml de líquido de transmisión sintético Dexron VI a la transmisión a través del respiradero del adaptador.
-
Instale el conjunto de conducto de respiradero y adaptador y apriételo a entre 12 y 15 N∙m.
Mantenimiento del sistema de control
Ajuste del freno de servicio/estacionamiento
Ajuste el freno de servicio/estacionamiento si patina durante el funcionamiento.
-
Quite el freno de estacionamiento.
-
Mida la holgura al final de la palanca del freno de estacionamiento (Figura 38)
La holgura debe encontrarse entre 12,7 y 25,4 mm. Si la holgura no se encuentra entre estas medidas, continúe con el paso 3 para ajustar el cable del freno.

-
Realice los pasos siguientes para ajustar la tensión del cable del freno:
-
Para aumentar la tensión del cable, afloje la contratuerca del cable delantero y apriete la contratuerca trasera (Figura 39). Repita el paso 2 y ajuste la tensión si es necesario.
-
Para reducir la tensión del cable, afloje la contratuerca trasera del cable y apriete la contratuerca del cable delantero (Figura 39). Repita el paso 2 y ajuste la tensión si es necesario.
-

Mantenimiento de la unidad de corte
Seguridad de las cuchillas
-
Tenga cuidado al revisar el molinete/la unidad de corte. Lleve guantes y extreme las precauciones al realizar tareas de mantenimiento en el molinete.
-
Una cuchilla o una contracuchilla desgastada o dañada puede romperse, y un trozo de la cuchilla podría ser arrojado hacia usted u otra persona, lo que puede provocar lesiones personales graves o la muerte.
-
Inspeccione periódicamente las cuchillas y las contracuchillas, para asegurarse de que no presentan desgaste ni daños excesivos.
-
Tenga cuidado al comprobar las cuchillas. Lleve guantes y extreme las precauciones durante su mantenimiento. Las cuchillas y las contracuchillas solo se pueden cambiar o afilar; no las enderece ni las suelde nunca.
-
Al realizar el mantenimiento de las cuchillas, sepa que las cuchillas todavía pueden moverse después de desconectarse la fuente de alimentación.
Instalación de la unidad de corte (Modelos 04835 y 04845)
-
Mueva el caballete a la posición de MANTENIMIENTO DE LA UNIDAD DE CORTE.
-
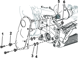
Retire las fijaciones que sujetan el conjunto de transmisión del molinete a la chapa lateral (Figura 40).

-
Retire el conjunto de transmisión del molinete, las arandelas planas, las arandelas de muelle y los espaciadores de la chapa lateral (Figura 40).
-
Alinee la unidad de corte con el bastidor.
-
Utilice 4 tornillos allen para sujetar la unidad de corte al bastidor (Figura 41).

-
Utilice los tornillos, las arandelas y los espaciadores que retiró anteriormente para sujetar el conjunto de transmisión del molinete a la chapa lateral de la unidad de corte (Figura 42).
Asegúrese de que el árbol de transmisión del molinete está instalado en el acoplamiento del árbol de transmisión (Figura 42).

Instalación de la unidad de corte (Modelo 04865)
-
Mueva el caballete a la posición de MANTENIMIENTO DE LA UNIDAD DE CORTE.
-
Alinee la unidad de corte con el bastidor.
-
Baje los cierres de la suspensión para fijar la unidad de corte a la máquina (Figura 43).

-
Saque el collarín de la ranura del eje del acoplamiento de la transmisión e inserte el tubo hexagonal en el eje del acoplamiento de la unidad de corte (Figura 43).
-
Instale el recogedor.
Retirada de la unidad de corte (Modelos 04835 y 04845)
-
Mueva el caballete a la posición de MANTENIMIENTO DE LA UNIDAD DE CORTE.
-
Retire el recogedor (si está instalado).
-
Retire el conjunto de transmisión del molinete de la unidad de corte (Figura 44) y guarde las fijaciones.

-
Retire los tornillos allen que sujetan la unidad de corte al bastidor (Figura 45).

-
Retire la unidad de corte del bastidor.
Retirada de la unidad de corte (Modelo 04865)
Note: El tubo hexagonal se desengrana si engrana la transmisión del molinete cuando la unidad de corte se ha retirado.
-
Mueva el caballete a la posición de MANTENIMIENTO DE LA UNIDAD DE CORTE.
-
Retire el recogedor (si está instalado).
-
Mueva el collarín (Figura 46) en la ranura del eje de la transmisión.
Note: Así se libera la tensión del muelle.
-
Deslice el tubo hexagonal para sacarlo del eje del acoplamiento de la unidad de corte (Figura 46).

-
Suba los cierres de la suspensión para liberar la unidad de corte de la máquina (Figura 46).
-
Retire la unidad de corte del bastidor.
Autoafilado de la unidad de corte
Para realizar el autoafilado de la unidad de corte, realice 1 de las siguientes opciones:
-
Instale el Kit de acceso de autoafilado (modelo 139-4342) y utilice una máquina de autoafilado. Póngase en contacto con su distribuidor Toro autorizado para adquirir este kit.
-
Utilice el InfoCenter para acceder al modo de autoafilado.
Para acceder al modo de autoafilado, seleccione AUTOAFILADO en el menú MANTENIMIENTO. Siga las indicaciones del InfoCenter para realizar el autoafilado de la unidad de corte.
Note: Una vez que se suelta la barra, el modo de autoafilado se desengrana. Puede utilizar la horquilla del cierre de la barra (suministrada en la bolsa de piezas sueltas) para fijar la barra en la posición de engranada.Retire la horquilla del cierre de la barra una vez que haya finalizado el autoafilado.

Limpieza
Limpieza de la máquina
| Intervalo de mantenimiento y servicio | Procedimiento de mantenimiento |
|---|---|
| Después de cada uso |
|
Después de cada uso, lave la máquina con detergente suave y agua. No lave la máquina a presión. Evite el uso excesivo de agua, especialmente cerca de la chapa de la palanca de cambios, el InfoCenter, el panel eléctrico y el conector eléctrico de la máquina. Limpie el motor para proporcionar una refrigeración correcta durante el uso. Asimismo, mantenga la batería lo más limpia posible para mantener un color blanco. Esto refleja el sol y evita que la batería se sobrecaliente al sol.
Important: No utilice agua reciclada o salada para limpiar la máquina.
Important: Siempre guarde o aparque la máquina en un lugar protegido de la luz solar directa, porque el calor del sol reduce la vida de la batería.




, que significa: Cuidado, Advertencia
o Peligro – instrucción relativa a la seguridad personal.
El incumplimiento de estas instrucciones puede dar lugar a lesiones
personales o la muerte.


























)
























(Desactivado).
(Activado), introduzca
el código PIN y gire la llave del interruptor de encendido
a la posición de DESCONECTADO y
luego a la posición de CONECTADO.

en la esquina superior derecha de la pantalla.





