| Intervalo de mantenimiento y servicio | Procedimiento de mantenimiento |
|---|---|
| Cada vez que se utilice o diariamente |
|
Esta segadora de plataforma de cuchillas rotativas está diseñada para que la utilicen operadores profesionales contratados. Está diseñada principalmente para segar césped bien mantenido en zonas verdes residenciales o comerciales. El uso de este producto para otros propósitos que los previstos podría ser peligroso para usted y para otras personas.
Lea este manual detenidamente para aprender a utilizar y mantener correctamente su producto, y para evitar lesiones y daños al producto. Usted es responsable de utilizar el producto de forma correcta y segura.
Visite www.Toro.com para obtener más información, incluidos consejos de seguridad, materiales de formación, información sobre accesorios, ayuda para encontrar a un distribuidor o para registrar su producto.
Cuando necesite asistencia técnica, piezas genuinas Toro o información adicional, póngase en contacto con un Servicio Técnico Autorizado o con Asistencia al Cliente de Toro, y tenga a mano los números de modelo y serie de su producto. Figura 1 identifica la ubicación de los números de modelo y serie en el producto. Escriba los números en el espacio provisto.
Important: Con su dispositivo móvil, puede escanear el código QR de la pegatina del número de serie (en su caso) para acceder a información sobre la garantía, las piezas, y otra información sobre el producto.

Este producto cumple todas las directivas europeas aplicables; si desea más detalles, consulte la Declaración de Conformidad (Declaration of Conformity – DOC) de cada producto.
Consulte la información del fabricante del motor incluida con la máquina.
El símbolo de alerta de seguridad (Figura 2) que aparece en este manual y en la máquina identifica mensajes de seguridad importantes que usted debe observar para evitar accidentes.

El símbolo de alerta de seguridad aparece encima de información que le alerta ante acciones o situaciones inseguras, y va seguido de la palabra PELIGRO, ADVERTENCIA, o CUIDADO.
PELIGRO: Indica una situación peligrosa inminente, que si no se evita, causará la muerte o lesiones graves.
ADVERTENCIA indica una situación potencialmente peligrosa que si no se evita, podría causar la muerte o lesiones graves.
CUIDADO: Indica una situación potencialmente peligrosa que si no se evita, podría causar lesiones menores o moderadas.
Este manual utiliza dos palabras más para resaltar información. Importante llama la atención sobre información mecánica especial, y Nota resalta información general que merece una atención especial.
Este producto es capaz de amputar manos y pies y de lanzar objetos al aire. Siga siempre todas las instrucciones de seguridad con el fin de evitar lesiones personales graves.
Lea y comprenda el contenido de este Manual del operador antes de arrancar el motor.
No coloque las manos o los pies cerca de componentes en movimiento de la máquina.
No utilice la máquina a menos que tenga instalados y estén en funcionamiento todos los protectores y otros dispositivos de seguridad.
Manténgase alejado de la apertura de descarga.
Mantenga a otras personas, especialmente a los niños, alejadas del área de operación. No permita que este vehículo sea utilizado por niños. Solo permita que utilicen la máquina personas que sean responsables, que cuenten con la formación adecuada, que estén familiarizados con las instrucciones y tengan capacidad física para usarla.
Pare la máquina, apague el motor y retire la llave de encendido antes de realizar tareas de mantenimiento, repostaje o de eliminar obstrucciones en la máquina.
![]() |
Las calcomanías e instrucciones de seguridad están a la vista del operador y están ubicadas cerca de cualquier zona de peligro potencial. Sustituya cualquier calcomanía que esté dañada o que falte. |


















Familiarícese con todos los controles antes de poner en marcha el motor y trabajar con la máquina.

El horímetro registra el número de horas de operación de la máquina. Funciona cuando el motor está en marcha. El recuento de horas se utiliza a la hora de programar el mantenimiento regular (Figura 5).

El indicador de combustible está situado en el centro de la parte superior del depósito (Figura 4).
El contador de horas contiene unos símbolos que indican con un triángulo negro si el componente de seguridad está en la posición correcta (Figura 5).
Si gira la llave a la posición de CONECTADO durante unos segundos, la tensión de la batería se muestra en el área en la que se muestran normalmente las horas.
La luz de la batería se enciende al girar la llave a la posición de CONECTADO y cuando la carga está por debajo del nivel correcto de operación (Figura 5).
El acelerador controla la velocidad del motor y tiene un ajuste variable continuo de LENTO a RáPIDO (Figura 4).
Utilice el control del estárter para poner en marcha un motor frío. Tire del control del estárter hacia arriba para activarlo. Presione el control del estárter hacia abajo para desactivarlo.
Utilice el interruptor de la toma de fuerza (TDF) para engranar y desengranar las cuchillas del cortacésped (Figura 4); consulte Uso de la TDF.
El interruptor de encendido, que se utiliza para arrancar y apagar el motor, tiene tres posiciones: DESCONECTADO, MARCHA y ARRANQUE. Consulte Uso del Interruptor de encendido.
Utilice las palancas de control de movimiento para conducir la máquina hacia adelante y hacia atrás y para girar en ambos sentidos (Figura 4).
Cierre la válvula de cierre de combustible antes de transportar o almacenar la máquina; consulte Uso de la válvula de cierre de combustible.
Note: Las especificaciones y diseños están sujetos a modificación sin previo aviso.
| Anchura de corte | 91 cm |
| Anchura | 97 cm |
| Longitud con la plataforma bajada | 188 cm |
| Longitud con la plataforma subida | 155 cm |
| Altura | 122 cm |
| Peso | 352 kg (776 lb) |
Está disponible una selección de aperos y accesorios homologados por Toro que se pueden utilizar con la máquina a fin de potenciar y aumentar sus prestaciones. Póngase en contacto con su servicio técnico autorizado o con su distribuidor Toro autorizado, o bien visite www.Toro.com para obtener una lista de todos los aperos y accesorios homologados.
Para asegurar un rendimiento óptimo y mantener la certificación de seguridad de la máquina, utilice solamente piezas y accesorios genuinos Toro. Las piezas de repuesto y accesorios de otros fabricantes podrían ser peligrosos, y su uso podría invalidar la garantía del producto.
No deje nunca que utilicen la máquina niños o personas que no hayan recibido la formación adecuada al respecto. La normativa local puede imponer límites sobre la edad del operador. El propietario es responsable de proporcionar formación a todos los operadores y mecánicos.
Familiarícese con la operación segura del equipo, los controles del operador y las señales de seguridad.
Sepa cómo parar la máquina y apagar el motor rápidamente.
Compruebe que los controles de presencia del operador, los interruptores de seguridad y los protectores están colocados y que funcionan correctamente. No utilice la máquina si no funcionan correctamente.
Antes de segar, inspeccione siempre la máquina para asegurarse de que las cuchillas, los pernos de las cuchillas y los conjuntos de corte están en buenas condiciones de funcionamiento.
Inspeccione la zona en la que va a utilizar la máquina y retire cualquier objeto que pudiera ser arrojado por la máquina.
Evalúe el terreno para determinar el equipo y los aperos o accesorios necesarios para utilizar la máquina debidamente y con seguridad.
El combustible es extremadamente inflamable y altamente explosivo. Un incendio o una explosión provocados por el combustible puede causarle quemaduras a usted y a otras personas así como daños materiales.
Para evitar que una carga estática incendie el combustible, coloque el recipiente y/o la máquina directamente sobre el suelo antes de repostar, no en un vehículo o sobre otro objeto.
Llene el depósito de combustible en el exterior, en una zona abierta y con el motor frío. Limpie cualquier combustible derramado.
No maneje combustible si está fumando, ni cerca de una llama desnuda o chispas.
No retire el tapón de combustible ni añada combustible al depósito mientras el motor está en marcha o está caliente.
Si derrama combustible, no intente arrancar el motor. Evite crear una fuente de ignición hasta que se hayan disipado los vapores del combustible.
Almacene el combustible en un recipiente homologado y manténgalo fuera del alcance de los niños.
El combustible es dañino o mortal si es ingerido. La exposición a largo plazo a los vapores puede causar lesiones y enfermedades graves.
Evite la respiración prolongada de los vapores.
Mantenga las manos y el rostro alejados de la boquilla y de la apertura del depósito de combustible.
Mantenga alejado el combustible de los ojos y la piel.
No guarde la máquina o un recipiente de combustible en un lugar donde pudiera haber una llama desnuda, chispas o una llama piloto, por ejemplo en un calentador de agua u otro electrodoméstico.
No llene los recipientes dentro de un vehículo o sobre la plataforma de un camión o remolque con forro de plástico. Coloque los recipientes siempre en el suelo, lejos del vehículo, antes de llenarlos.
Retire el equipo del camión o del remolque y repóstelo en el suelo. Si esto no es posible, añada combustible con un recipiente portátil, en vez de usar un surtidor o boquilla dosificadora de combustible.
No utilice la máquina a menos que esté instalado un sistema completo de escape en buenas condiciones de funcionamiento.
Mantenga la boquilla dosificadora de combustible en contacto con el borde del depósito de combustible o el orificio del recipiente en todo momento hasta que termine de repostar. No utilice dispositivos que mantengan abierta la boquilla.
Si se derrama combustible sobre su ropa, cámbiese de ropa inmediatamente. Limpie cualquier combustible derramado.
Nunca llene el depósito de combustible en exceso. Vuelva a colocar el tapón de combustible y apriételo firmemente.
Para obtener los mejores resultados, utilice solamente gasolina fresca (comprada hace menos de 30 días), sin plomo, de 87 o más octanos (método de cálculo (R+M)/2).
Etanol: Es aceptable el uso de gasolina con hasta el 10% de etanol (gasohol) o el 15% de MTBE (éter metil tert-butílico) por volumen. El etanol y el MTBE no son lo mismo. No está autorizado el uso de gasolina con el 15% de etanol (E15) por volumen. No utilice nunca gasolina que contenga más del 10% de etanol por volumen, como por ejemplo la E15 (contiene el 15% de etanol), la E20 (contiene el 20% de etanol) o la E85 (contiene hasta el 85% de etanol). El uso de gasolina no autorizada puede causar problemas de rendimiento o daños en el motor que pueden no estar cubiertos bajo la garantía.
No utilice gasolina que contenga metanol.
No guarde combustible en el depósito de combustible o en recipientes de combustible durante el invierno, a menos que utilice un estabilizador de combustible.
No añada aceite a la gasolina.
Utilice estabilizador/acondicionador en la máquina para mantener el combustible fresco durante más tiempo, siguiendo las indicaciones del fabricante del estabilizador de combustible.
Important: No utilice aditivos de combustible que contengan metanol o etanol.
Agregue la cantidad apropiada de estabilizador/acondicionador a combustible fresco, siguiendo las indicaciones del fabricante del estabilizador de combustible.
Aparque la máquina en una superficie nivelada, desengrane la TDF, ponga las palancas de control de movimiento en la posición de BLOQUEO/PUNTO MUERTO y ponga el freno de estacionamiento.
Apague el motor, retire la llave y espere a que se detengan todas las piezas en movimiento antes de abandonar el puesto del operador.
Limpie la zona alrededor del tapón del depósito de combustible y retire el tapón.
Llene el depósito de combustible hasta la parte inferior del cuello de llenado.
Note: No llene completamente el depósito de combustible. El espacio vacío en el depósito permite la dilatación de la gasolina.
Coloque firmemente el tapón del depósito de combustible. Limpie cualquier combustible derramado.
Antes de arrancar la máquina cada día, realice los procedimientos diarios indicados en .
Los motores nuevos necesitan tiempo para desarrollar toda su potencia. La fricción generada por las carcasas y los sistemas de propulsión de las segadoras es mayor cuando estos son nuevos, lo que supone una carga adicional para el motor. Las máquinas nuevas necesitan un periodo de rodaje de 40–50 horas para desarrollar la máxima potencia y el mejor rendimiento.
Si los interruptores de seguridad están desconectados o dañados, la máquina podría ponerse en marcha inesperadamente, causando lesiones personales.
No manipule los interruptores de seguridad.
Compruebe la operación de los interruptores de seguridad cada día, y sustituya cualquier interruptor dañado antes de utilizar la máquina.
El sistema de interruptores de seguridad está diseñado para impedir que se engrane la TDF, a menos que se realice una de las acciones siguientes:
Mueva la palanca de control de movimiento de la derecha a la posición central desbloqueada.
Tire del interruptor de la TDF a la posición de ENGRANADA.
El sistema de interruptores de seguridad está diseñado para detener las cuchillas/los accesorios si usted mueve o suelta ambas palancas de control de movimiento a la posición de BLOQUEO/PUNTO MUERTO.
El contador de horas tiene una serie de símbolos que indican si el componente de seguridad correspondiente está en la posición correcta. Cuando el componente está en la posición correcta, se encenderá un triángulo en el recuadro correspondiente (Figura 6).

| Intervalo de mantenimiento y servicio | Procedimiento de mantenimiento |
|---|---|
| Cada vez que se utilice o diariamente |
|
Compruebe el sistema de interruptores de seguridad cada vez que vaya a trabajar con la máquina.
Note: Si el sistema no funciona de la forma que se describe a continuación, póngase en contacto con un Servicio Técnico Autorizado para que lo reparen inmediatamente.
Arranque el motor; consulte Cómo arrancar el motor.
Mueva la palanca de control de movimiento de la derecha a la posición central desbloqueada.
Note: Las cuchillas/los accesorios deben detenerse y el motor debe dejar de funcionar.
Arranque el motor y quite el freno de estacionamiento.
Mueva la palanca de control de movimiento de la derecha a la posición central desbloqueada.
Siga sujetando la palanca de control de movimiento en la posición central desbloqueada, tire hacia arriba del interruptor de la TDF y suéltelo.
Note: El embrague y las cuchillas/los accesorios deben accionarse.
Mueva o suelte la palanca de control de movimiento de la derecha a la posición de BLOQUEO/PUNTO MUERTO.
Note: Las cuchillas/los accesorios deben detenerse y el motor debe seguir funcionando.
Pulse hacia abajo el interruptor de la TDF y mueva la palanca de control de movimiento de la derecha a la posición central desbloqueada.
Siga sujetando la palanca de control de movimiento en la posición central desbloqueada, tire hacia arriba del interruptor de la TDF y suéltelo.
Note: El embrague y las cuchillas/los accesorios deben accionarse.
Pulse el interruptor de la TDF a la posición de DESENGRANADA.
Note: Las cuchillas/los accesorios deben detenerse.
Con el motor en marcha, tire hacia arriba del interruptor de la TDF y suéltelo sin sujetar la palanca de control de movimiento de la derecha en la posición central desbloqueada.
Note: Las cuchillas/los accesorios no deben engranarse.
El propietario/operador puede prevenir y es responsable de cualquier accidente que pudiera provocar lesiones personales o daños materiales.
Lleve ropa adecuada, incluida protección ocular, pantalones largos, calzado resistente y antideslizante y protección auricular. Si tiene el pelo largo, recójaselo, y no lleve prendas o joyas sueltas.
Preste toda su atención al utilizar la máquina. No realice ninguna actividad que genere distracciones, de lo contrario pueden producirse lesiones o daños en la propiedad.
No utilice la máquina si está enfermo, cansado o bajo la influencia de alcohol o drogas.
No lleve nunca pasajeros en la máquina, y mantenga a otras personas y animales alejados de la máquina durante el uso.
Utilice la máquina únicamente si existen condiciones meteorológicas y de visibilidad adecuadas. No utilice la máquina cuando exista riesgo de caída de rayos.
La hierba mojada o las hojas mojadas pueden causarle graves lesiones si usted resbala y toca la cuchilla. Evite segar en condiciones húmedas.
Antes de arrancar el motor, asegúrese de que todas las transmisiones están en punto muerto, de que el freno estacionamiento está accionado y de que usted se encuentra en la posición del operador.
Asegúrese de que pisa sobre una superficie firme mientras utiliza esta máquina, especialmente al ir hacia atrás.
Mantenga las manos y los pies alejados de las unidades de corte. Manténgase alejado del conducto de descarga en todo momento.
Mire hacia atrás y hacia abajo antes de poner marcha atrás para asegurarse de que el camino está despejado.
Extreme la precaución al acercarse a esquinas ciegas, arbustos, árboles u otros objetos que puedan dificultar la visión.
Pare las cuchillas si no está segando.
Pare la máquina, retire la llave de encendido y espere a que se detengan todas las piezas en movimiento antes de inspeccionar la carcasa de corte o el accesorio después de golpear un objeto o si se produce una vibración anormal en la máquina. Realice todas las reparaciones necesarias antes de volver a utilizar la máquina.
Vaya más despacio y tenga cuidado al girar y al cruzar calles y aceras con la máquina. Ceda el paso siempre.
Desengrane la unidad de corte y apague el motor antes de ajustar la altura de corte (a menos que pueda ajustarse desde la posición del operador).
Accione el motor únicamente en áreas bien ventiladas. Los gases de escape contienen monóxido de carbono, que resulta letal si se inhala.
No deje nunca desatendida la máquina si está funcionando.
Antes de abandonar el puesto del operador (incluso para vaciar los recogedores o desatascar el conducto), haga lo siguiente:
Aparque la máquina en una superficie nivelada.
Desengrane la toma de fuerza.
Accione el freno de estacionamiento.
Apague el motor y retire la llave de contacto.
Espere a que se detengan todas las piezas en movimiento.
Pare la máquina y desengrane la transmisión de la unidad de corte en las siguientes situaciones:
Antes de repostar combustible
Antes de limpiar atascos
Antes de comprobar, limpiar o realizar tareas de mantenimiento en la unidad de corte
Después de golpear un objeto extraño o si se produce una vibración anormal. Inspeccione la unidad de corte y repare cualquier daño antes de arrancar y utilizar la máquina
Antes de abandonar la posición del operador
No utilice la máquina como un vehículo de remolcado.
Utilice solamente los accesorios y aperos aprobados por The Toro® Company.
Las pendientes son una de las principales causas de accidentes por pérdida de control y vuelcos, que pueden causar lesiones graves o la muerte. Usted es responsable de la seguridad cuando trabaja en pendientes. La conducción de la máquina en pendientes requiere extremar la precaución. Antes de usar la máquina en una pendiente, haga lo siguiente:
Lea y comprenda las instrucciones sobre pendientes del manual y las que están colocadas en la máquina.
Evalúe las condiciones del lugar de trabajo para determinar si es seguro trabajar en la pendiente con la máquina. Utilice el sentido común y el buen juicio al realizar este evaluación. Cualquier cambio que se produzca en el terreno, como por ejemplo un cambio de humedad, puede afectar rápidamente al uso de la máquina en una pendiente.
En pendientes, trabaje de lado a lado, no de arriba a bajo o viceversa. Evite utilizar la máquina sobre pendientes excesivamente pronunciadas o mojadas.
Identifique cualquier obstáculo situado en la base de la pendiente. No utilice la máquina cerca de terraplenes, fosas, taludes, agua, u otros peligros. La máquina podría volcar repentinamente si una rueda pasa por el borde de un terraplén o fosa, o si se socava un talud. Mantenga una distancia prudente (el doble de la anchura de la máquina) entre la máquina y cualquier peligro. Utilice una máquina manual o una herramienta manual para trabajar en estas áreas.
Evite arrancar, parar o girar la máquina en cuestas o pendientes. Evite hacer cambios bruscos de velocidad o de dirección; gire poco a poco, y a baja velocidad.
No utilice la máquina en condiciones en las que no esté asegurada la tracción, la dirección o la estabilidad. Tenga en cuenta que el uso de la máquina en hierba húmeda, a través de pendientes o en pendientes descendentes puede hacer que la máquina pierda tracción. La transferencia de peso a las ruedas delanteras puede hacer que patinen las ruedas, con pérdida de frenado y de control de dirección. La máquina puede deslizarse incluso con las ruedas motrices inmovilizadas.
Retire o señale cualquier obstáculo, como zanjas, baches, surcos, montículos, rocas u otros peligros ocultos. La hierba alta puede ocultar obstáculos. Un terreno irregular podría hacer volcar la máquina.
Tenga especial cuidado al utilizarla con accesorios o aperos. Estos pueden cambiar la estabilidad de la máquina y causar pérdidas de control. Siga las instrucciones sobre los contrapesos.
Si pierde el control de la máquina, desvíese de la dirección de avance de la máquina.
Accione siempre el freno de estacionamiento cuando apague la máquina o cuando la deje desatendida. Antes de cada uso, compruebe el funcionamiento del freno de estacionamiento.
Si el freno de estacionamiento no inmoviliza la máquina, ajústelo; consulte Ajuste de los frenos.
Tire hacia atrás de la palanca del freno de estacionamiento a la posición de puesto (Figura 7).
Empuje la palanca del freno de estacionamiento hacia adelante para quitarlo.

Utilice el interruptor de la toma de fuerza (TDF) junto con las palancas de control de movimiento para engranar y desengranar las cuchillas del cortacésped o los accesorios propulsados.

Puede mover el control del acelerador entre las posiciones de RáPIDO y LENTO (Figura 11).
Utilice siempre la posición de RáPIDO para engranar la TDF.

Important: No haga funcionar el motor de arranque durante más de 5 segundos seguidos. Si el motor no arranca, espere 15 segundos entre intentos. Si no se siguen estas instrucciones, puede quemarse el motor de arranque.
Note: Puede ser necesario repetir el ciclo de arranque del motor al arrancarlo por primera vez después de quedarse el sistema de combustible totalmente vacío de combustible.


Important: No haga funcionar el motor de arranque durante más de 5 segundos seguidos. Si el motor no arranca, espere 15 segundos entre intentos. Si no se siguen estas instrucciones, puede quemarse el motor de arranque.
Note: Si el motor está caliente, puede no ser necesario usar el estárter.
Note: Puede ser necesario repetir el ciclo de arranque del motor al arrancarlo por primera vez después de quedarse el sistema de combustible totalmente vacío de combustible.

Los niños u otras personas podrían resultar lesionados si mueven o intentan operar la máquina mientras está desatendida.
Retire siempre la llave y accione el freno de estacionamiento cuando deje el puesto del operador.
Deje que el motor funcione en ralentí lento (tortuga) durante 60 segundos antes de girar el interruptor de llave a la posición de DESCONECTADO.

Important: Asegúrese de que la válvula de cierre de combustible está cerrada antes de transportar o almacenar la máquina para evitar fugas de combustible. Antes de guardar la máquina, desconecte el/los cable(s) de la(s) bujía(s) para impedir un arranque accidental del motor.
La máquina puede utilizarse con la plataforma subida o bajada. El uso de una posición u otra depende de las preferencias del operador.
La plataforma del operador es pesada y puede causar lesiones si se baja o se eleva. Baje o eleve la plataforma del operador con cuidado; si se baja repentinamente podría causar lesiones.
No ponga las manos o los dedos en la zona de los pivotes de la plataforma mientras la plataforma del operador se eleva o se baja.
Asegúrese de que la plataforma está bien apoyada al tirar hacia fuera del pestillo.
Asegúrese de que el pestillo sujeta la plataforma al plegarla. Apriétela contra el cojín para que el pestillo se bloquee correctamente.
Mantenga a otras personas alejadas de la máquina al elevar o bajar la plataforma.
Utilice la máquina con la plataforma subida en los casos siguientes:
Uso de la máquina cerca de terraplenes
Uso de la máquina en áreas pequeñas en las que la máquina resulte demasiado grande
Áreas con ramas bajas u obstáculos
Al cargar la máquina en un vehículo para su transporte
Al conducir cuesta arriba
Para subir la plataforma, tire hacia arriba del borde trasera de la misma hasta que el pestillo con pomo la bloquee en su sitio. Apriétela contra el cojín para que el pestillo se bloquee correctamente.
Utilice la máquina con la plataforma bajada en los casos siguientes:
Uso de la máquina en la mayoría de áreas
Al conducir de través en pendientes
Al conducir cuesta abajo
Para bajar la plataforma, empújela hacia adelante contra el cojín para aliviar la presión sobre el pestillo del enganche, luego tire del pomo y baje la plataforma (Figura 17).

El control del acelerador regula la velocidad del motor en rpm (revoluciones por minuto). Ponga el acelerador en posición RáPIDO para conseguir el mejor rendimiento.
La máquina puede girar muy rápidamente, haciendo que pierda el control de la máquina, lo que podría causar lesiones personales o daños en la máquina.
Reduzca la velocidad de la máquina antes de hacer giros cerrados.
Quite el freno de estacionamiento; consulte Operación del freno de estacionamiento.
Mueva la palanca de control de movimiento de la derecha a la posición central desbloqueada.

Mueva la palanca de control de velocidad hasta la velocidad deseada.
Empuje lentamente las palancas de control de movimiento hacia adelante (Figura 19).
Note: El motor se apaga si mueve una palanca de control de movimiento con el freno de estacionamiento accionado.
Note: Cuanto más mueva las palancas de control de movimiento en cualquier sentido, más rápidamente se desplazará la máquina en ese sentido.
Note: Para detenerse, tire de las palancas de control de movimiento hacia atrás, a la posición de PUNTO MUERTO.

Mueva la palanca de control de movimiento de la derecha a la posición central desbloqueada.
Tire lentamente de las palancas de control de movimiento hacia atrás (Figura 20).

La altura de corte puede ajustarse de 25 a 127 mm en incrementos de 6 mm.
Mueva la palanca de altura de corte a la posición de transporte (hasta arriba del todo).
Gire el pasador 90 grados y retírelo del soporte de altura de corte.
Seleccione el taladro del soporte de altura de corte que corresponde a la altura de corte deseada, e inserte el pasador (Figura 21).
Presione el botón y baje la palanca de altura de corte hasta el pasador (Figura 21).

Instale pesos para mejorar el equilibrio. Puede añadir o quitar pesos para optimizar el rendimiento en distintas condiciones de funcionamiento y según sus preferencias personales.
Retire o añada los pesos uno por uno hasta obtener el control y el equilibrio deseados.
Consulte el Manual del operador de los accesorios para conocer los pesos recomendados.
Note: Para pedir un kit de pesos, póngase en contacto con un servicio técnico autorizado.
Un cambio excesivo de peso puede afectar al manejo y a la operación de la máquina. Esto podría provocarle graves lesiones a usted o a otras personas.
Haga cambios de peso en pequeños incrementos solamente.
Evalúe la máquina después de cada cambio de peso para comprobar que puede utilizarla con seguridad.
Apague siempre la máquina, retire la llave de encendido, espere a que se detengan todas las piezas en movimiento y deje que la máquina se enfríe antes de ajustarla, repararla, limpiarla o guardarla.
Limpie la hierba y los residuos de las unidades de corte, las transmisiones, los silenciadores y el compartimento del motor para prevenir incendios. Limpie cualquier aceite o combustible derramado.
Cierre el combustible antes de almacenar o transportar la máquina.
Desengrane la TDF siempre que esté transportando la máquina o no la esté utilizando.
No guarde nunca la máquina o un recipiente de combustible cerca de una llama desnuda, chispa o llama piloto, por ejemplo en un calentador de agua u otro electrodoméstico.
Utilice rampas de ancho completo para cargar la máquina en un remolque o un camión.
Amarre la máquina firmemente con correas, cadenas, cables o cuerdas. Tanto la correa delantera como la trasera deben orientarse hacia abajo y hacia fuera respecto a la máquina.
Cierre la válvula de cierre de combustible durante el transporte, el mantenimiento y el almacenamiento (Figura 22).
Asegúrese de que la válvula de cierre del combustible está abierta antes de arrancar el motor.


Las válvulas de desvío permiten empujar la máquina a mano con el motor parado.
Important: Empuje siempre la máquina a mano. No remolque la máquina porque podrían producirse daños en el sistema hidráulico.
Important: No arranque ni conduzca la máquina con las válvulas de desvío abiertas. Pueden producirse daños en el sistema.
Desengrane la TDF, mueva las palancas de control de movimiento a la posición de BLOQUEO/PUNTO MUERTO, y ponga el freno de estacionamiento.
Baje la carcasa de corte a la posición de altura de corte (ADC) más baja.
Note: Esto permite acceder a las válvulas de desvío.
Abra las válvulas de desvío de ambas bombas girándolas 1 a 2 vueltas en el sentido contrario a las agujas del reloj (Figura 23).
Note: Esto permite que el fluido hidráulico se desvíe alrededor de la bomba, dejando que las ruedas giren.
Note: Gire las válvulas de desvío 2 vueltas como máximo para evitar que la válvula se salga del cuerpo, dejando escapar el fluido.

Quite el freno de estacionamiento.
Empuje la máquina hasta el lugar deseado.
Accione el freno de estacionamiento.
Cierre las válvulas de desvío, pero no las apriete demasiado.
Apriete las válvulas a 12–15 N·m.
Utilice un remolque para cargas pesadas o un camión para transportar la máquina. Utilice una rampa de ancho completo. Asegúrese de que el remolque o el camión está equipado con todos los frenos, luces y señalizaciones que requiera la ley. Por favor, lea cuidadosamente todas las instrucciones de seguridad. El conocer esta información puede ayudar a evitarle lesiones a usted o a otras personas. Consulte en la normativa local los requisitos aplicables al remolque y al sistema de amarre.
Conducir en una calle o carretera sin señales de giro, luces, marcas reflectantes o un indicador de vehículo lento es peligroso y puede ser causa de accidentes que pueden provocar lesiones personales.
No conduzca la máquina en una calle o carretera pública.
El cargar la máquina en un remolque o un camión aumenta la posibilidad de un vuelco y podría causar lesiones graves o la muerte (Figura 24).
Utilice únicamente una rampa de ancho completo; no utilice rampas individuales para cada lado de la máquina.
Asegúrese de que la rampa tiene una longitud de al menos cuatro veces la altura de la plataforma del remolque o del camión sobre el suelo.

El cargar la máquina en un remolque o un camión aumenta la posibilidad de un vuelco y podría causar lesiones graves o la muerte.
Extreme las precauciones al manejar la máquina en una rampa.
Suba la máquina por la rampa en marcha atrás y baje la máquina por la rampa hacia adelante, a pie.
Evite acelerar o desacelerar bruscamente al conducir la máquina en una rampa, porque esto podría provocar un vuelco o una pérdida de control.
Si utiliza un remolque, conéctelo al vehículo que lo arrastra y conecte las cadenas de seguridad.
En su caso, conecte los frenos y las luces del remolque.
Baje la rampa (Figura 24).
Eleve la plataforma.
Important: Mantenga siempre la plataforma arriba al cargar y descargar la máquina.
Suba la máquina por la rampa en marcha atrás (Figura 25).

Apague el motor, retire la llave y ponga el freno de estacionamiento.
Amarre la máquina junto a las ruedas giratorias delanteras y el guardabarros trasero con correas, cadenas, cables o cuerdas (Figura 26). Consulte la normativa local respecto a los requisitos de amarre.

Note: Los lados derecho e izquierdo de la máquina se determinan desde la posición normal del operador.
Si deja la llave de encendido en el interruptor, alguien podría arrancar el motor accidentalmente y causar lesiones graves a usted o a otras personas.
Retire la llave de encendido del interruptor antes de realizar cualquier operación de mantenimiento.
Antes de ajustar, limpiar, reparar o dejar la máquina, siga estos pasos:
Aparque la máquina en una superficie nivelada.
Desengrane las transmisiones.
Accione el freno de estacionamiento.
Apague el motor y retire la llave de contacto.
Espere a que se detengan todas las piezas en movimiento.
Deje que los componentes de la máquina se enfríen antes de realizar el mantenimiento.
No permita que la máquina sea revisada o reparada por personal que no esté debidamente formado.
Mantenga las manos y los pies alejados de las piezas en movimiento. Si es posible, no haga ajustes mientras el motor está funcionando.
Alivie con cuidado la tensión de aquellos componentes que tengan energía almacenada.
Compruebe frecuentemente el funcionamiento del freno de estacionamiento. Ajuste y revise el freno cuando sea necesario.
No manipule nunca los dispositivos de seguridad. Compruebe regularmente que funcionan correctamente.
Limpie la hierba y los residuos de la unidad de corte, las transmisiones, los silenciadores y el motor para prevenir incendios. Limpie cualquier aceite o combustible derramado.
Compruebe con frecuencia los componentes del recogedor y sustitúyalos cuando estén desgastados o dañados.
No dependa de un sistema hidráulico para soportar la máquina: sopórtela con gatos fijos siempre que eleve la máquina.
Mantenga todas las piezas en buenas condiciones de funcionamiento y todos los acoplamientos hidráulicos apretados. Sustituya todas las piezas y pegatinas desgastadas, deterioradas o que falten. Mantenga apretadas todas las fijaciones para asegurarse de que la máquina está en condiciones seguras de funcionamiento.
Para asegurar un rendimiento óptimo y mantener la certificación de seguridad de la máquina, utilice solamente piezas y accesorios genuinos Toro. Las piezas de repuesto y accesorios de otros fabricantes podrían ser peligrosos, y su uso podría invalidar la garantía del producto.
| Intervalo de mantenimiento y servicio | Procedimiento de mantenimiento |
|---|---|
| Después de las primeras 8 horas |
|
| Cada vez que se utilice o diariamente |
|
| Cada 25 horas |
|
| Cada 50 horas |
|
| Cada 100 horas |
|
| Cada 200 horas |
|
| Cada 250 horas |
|
| Cada 300 horas |
|
| Cada 500 horas |
|
| Cada 800 horas |
|
| Antes del almacenamiento |
|
| Cada año |
|
Important: Consulte los procedimientos adicionales de mantenimiento del manual del propietario del motor.
Puede elevar la parte delantera del cortacésped y apoyarla en su parte trasera para acceder debajo de la máquina para el mantenimiento.
Aparque la máquina en una superficie nivelada, desengrane la TDF y ponga el freno de estacionamiento.
Apague el motor, retire la llave y espere a que se detengan todas las piezas en movimiento antes de abandonar el puesto del operador.
Suba la plataforma; consulte Uso de la plataforma.
Retire la batería; consulte Cómo retirar la batería.

Drene el combustible del depósito de combustible; consulte Drenaje del depósito de combustible.
Retire el tapón del depósito de aceite hidráulico, coloque un trozo de plástico sobre el orificio y vuelva a colocar el tapón (Figura 28).
Note: Esto sella el depósito hidráulico y evita fugas.

Entre 2 personas, eleve la parte delantera del cortacésped y apoye el cortacésped sobre las ruedas motrices y la plataforma en posición levantada (Figura 29).
Realice el mantenimiento en la máquina.
Entre 2 personas, baje la parte delantera del cortacésped al suelo.
Retire el trozo e plástico de debajo del tapón del depósito de aceite hidráulico (Figura 28).
Instale la batería en la máquina (Figura 27).


El cojín puede desengancharse para tener acceso a la parte trasera de la máquina para propósitos de mantenimiento o reglaje.
Baje la plataforma.
Retire las chavetas de cada lado del cojín.
Deslice hacia adentro las arandelas grandes con casquillos de plástico.
Desenganche el cojín y bájelo sobre la plataforma.
Realice el mantenimiento o los reglajes necesarios en la máquina.
Levante el cojín y deslícelo sobre los pasadores en cada lado de la máquina (Figura 30).
Introduzca las arandelas grandes con casquillos de plástico en los soportes del cojín y sujételos con chavetas (Figura 30).

Invierta el procedimiento para instalar las cubiertas.
Afloje los 2 pernos de cuello largo y el tornillo (Figura 31).

Retire la cubierta.
Invierta el procedimiento para instalar los protectores.
Retire las cubiertas de las correas; consulte Retirada de las cubiertas de la correa.
A la derecha de la máquina, retire los pernos de cabeza de arandela (¼" × ¾") y afloje el perno de cuello largo (Figura 32). Retire el protector.

A la izquierda de la máquina, retire el perno de cabeza de arandela y afloje el perno de cuello largo. Retire el protector.

| Intervalo de mantenimiento y servicio | Procedimiento de mantenimiento |
|---|---|
| Cada 50 horas |
|
Tipo de grasa: Grasa de litio o de molibdeno
Aparque la máquina en una superficie nivelada, desengrane la TDF y ponga el freno de estacionamiento.
Apague el motor, retire la llave y espere a que se detengan todas las piezas en movimiento antes de abandonar el puesto del operador.
Limpie con un trapo los puntos de engrase.
Note: Rasque cualquier pintura de la parte delantera de los engrasadores.
Conecte una pistola de engrasar al punto de engrase.
Bombee grasa hasta que empiece a rezumar grasa de los cojinetes.
Limpie cualquier exceso de grasa.
Utilice la Figura 34 y la Figura 35 para localizar los puntos de engrase.


| Intervalo de mantenimiento y servicio | Procedimiento de mantenimiento |
|---|---|
| Cada año |
|
Tipo de grasa: Grasa de litio o de molibdeno
Retire el tapón guardapolvo y ajuste los pivotes de las ruedas giratorias; consulte Ajuste del cojinete del pivote de las ruedas giratorias.
Note: No coloque el tapón guardapolvo hasta que termine de engrasar.
Retire el tapón hexagonal.
Enrosque un engrasador (¼"–28 rosca cónica) en el orificio.
Bombee grasa en el engrasador hasta que rezume por el cojinete superior.
Retire el engrasador del orificio.
Instale el tapón hexagonal y la tapa.
| Intervalo de mantenimiento y servicio | Procedimiento de mantenimiento |
|---|---|
| Cada año |
|
Tipo de grasa: Grasa de litio o de molibdeno
Aparque la máquina en una superficie nivelada, desengrane la TDF y ponga el freno de estacionamiento.
Apague el motor, retire la llave y espere a que se detengan todas las piezas en movimiento antes de abandonar el puesto del operador.
Retire la rueda giratoria de la horquilla.
Retire los protectores de los retenes del cubo de la rueda (Figura 36).

Retire una tuerca espaciadora del eje de la rueda giratoria.
Note: Las tuercas espaciadoras llevan adhesivo de roscas para pegarlas al eje. Retire el eje (con la otra tuerca espaciadora aún montada en el mismo) del conjunto de la rueda.
Retire los retenes haciendo palanca, e inspeccione los cojinetes en busca de señales de desgaste o daños; sustitúyalos si es necesario.
Llene los cojinetes con grasa de propósito general.
Introduzca un cojinete y un retén nuevo en la rueda.
Note: Es necesario sustituir los retenes.
Si se han retirado (o si se han soltado) ambas tuercas espaciadoras del conjunto del eje, aplique un adhesivo de roscas a una tuerca espaciadora y enrósquela en el eje con los segmentos planos hacia fuera.
Note: No enrosque la tuerca espaciadora completamente en el extremo del eje. Deje un espacio de 3 mm aproximadamente entre la superficie exterior de la tuerca espaciadora y el extremo del eje, dentro de la tuerca).
Introduzca el eje con la tuerca montada en él en la rueda, en el lado que contiene el retén nuevo y el cojinete.
Con la cara abierta de la rueda hacia arriba, llene el interior de la rueda alrededor del eje con grasa de propósito general.
Introduzca el segundo cojinete y un retén nuevo en la rueda.
Aplique adhesivo de roscas a la segunda tuerca espaciadora y enrósquela sobre el eje con los segmentos planos hacia fuera.
Apriete la tuerca a 8–9 N·m, aflójela, luego apriétela a 2–3 N·m.
Note: Asegúrese de que el eje no sobresale de ninguna de las tuercas.
Instale los retenes sobre el cubo de la rueda e introduzca la rueda en la horquilla.
Instale el perno de la rueda y apriete la tuerca del todo.
Important: Para evitar que se dañen el cojinete y el retén, compruebe el ajuste del cojinete a menudo girando la rueda giratoria. La rueda no debe girar libremente (más de 1–2 vueltas), ni tener holgura lateral. Si la rueda gira libremente, ajuste el apriete de la tuerca espaciadora hasta que quede ligeramente frenada, y aplique adhesivo sellador de roscas.
Apague el motor antes de comprobar el aceite o añadir aceite al cárter.
Mantenga las manos, los pies, la cara, la ropa y otras partes del cuerpo alejados del silenciador y de otras superficies calientes.
| Intervalo de mantenimiento y servicio | Procedimiento de mantenimiento |
|---|---|
| Cada 300 horas |
|
Inspeccione los elementos de gomaespuma y de papel, y cámbielos si están dañados o excesivamente sucios.
Important: No aplique aceite a los elementos de gomaespuma o de papel.
Aparque la máquina en una superficie nivelada, desengrane la TDF y ponga el freno de estacionamiento.
Apague el motor, retire la llave y espere a que se detengan todas las piezas en movimiento antes de abandonar el puesto del operador.
Limpie alrededor del limpiador de aire de forma que la suciedad no penetre en el motor y cause daños (Figura 37).
Afloje los pomos de la tapa y retire la tapa del limpiador de aire (Figura 37).
Afloje la abrazadera y retire el conjunto del limpiador de aire (Figura 37).
Retire cuidadosamente el filtro de gomaespuma del filtro de papel (Figura 37).

| Intervalo de mantenimiento y servicio | Procedimiento de mantenimiento |
|---|---|
| Cada 25 horas |
|
Lave el elemento de gomaespuma con jabón líquido y agua templada. Cuando el elemento esté limpio, enjuáguelo bien.
Seque el elemento apretándolo con un paño limpio.
Important: Sustituya el elemento de espuma si está roto o desgastado.
| Intervalo de mantenimiento y servicio | Procedimiento de mantenimiento |
|---|---|
| Cada 100 horas |
|
| Cada 200 horas |
|
Limpie el elemento de papel golpeándolo suavemente para eliminar el polvo.
Note: Si está muy sucio, cambie el elemento de papel por uno nuevo.
Inspeccione el filtro por si estuviera roto, tuviera una película aceitosa o la junta de goma estuviera dañada.
Cambie el elemento de papel si está dañado.
Important: No limpie el filtro de papel.
Important: Para evitar dañar el motor, no haga funcionar nunca el motor sin que esté instalado el conjunto completo del limpiador de aire, con elementos de gomaespuma y papel.
Deslice cuidadosamente el filtro de gomaespuma sobre el filtro de papel (Figura 37).
Coloque el conjunto del limpiador de aire sobre la base del limpiador de aire o la manguera y sujételo (Figura 37).
Coloque en su posición la cubierta del limpiador de aire y apriete el pomo de la cubierta (Figura 37).
Tipo de aceite: Aceite detergente (Servicio API, SJ o superior)
Capacidad de aceite del motor: 1,7 litros con el filtro; 1,5 litros sin el filtro
Viscosidad: Consulte la tabla siguiente:

| Intervalo de mantenimiento y servicio | Procedimiento de mantenimiento |
|---|---|
| Cada vez que se utilice o diariamente |
|
Note: Compruebe el aceite con el motor frío.
El contacto con superficies calientes puede causar lesiones personales.
Mantenga las manos, los pies, la cara, la ropa y otras partes del cuerpo alejados del silenciador y de otras superficies calientes.
Important: No llene excesivamente el cárter de aceite, ya que esto podría dañar el motor. No haga funcionar el motor si el nivel de aceite está por debajo de la marca Bajo porque podría dañar el motor.
Aparque la máquina en una superficie nivelada, desengrane la TDF y ponga el freno de estacionamiento.
Apague el motor, retire la llave y espere a que se detengan todas las piezas en movimiento antes de abandonar el puesto del operador.
Compruebe el nivel de aceite del motor, tal y como se muestra en la (Figura 39).


| Intervalo de mantenimiento y servicio | Procedimiento de mantenimiento |
|---|---|
| Después de las primeras 8 horas |
|
| Cada 100 horas |
|
Note: Elimine el aceite usado en un centro de reciclaje.
Aparque la máquina de manera que el lado de drenaje esté ligeramente más bajo que el lado opuesto para asegurar que el aceite se drene completamente.
Desengrane la TDF, mueva las palancas de control de movimiento a la posición de BLOQUEO/PUNTO MUERTO y ponga el freno de estacionamiento.
Apague el motor, retire la llave y espere a que se detengan todas las piezas en movimiento antes de abandonar el puesto del operador.
Cambie el aceite del motor, según se muestra en Figura 40.


Vierta lentamente un 80% aproximadamente del aceite especificado por el tubo de llenado, luego añada lentamente el resto del aceite hasta que llegue a la marca Lleno (Figura 41).

Arranque el motor y conduzca hasta una zona llana.
Compruebe el nivel de aceite otra vez.
| Intervalo de mantenimiento y servicio | Procedimiento de mantenimiento |
|---|---|
| Cada 200 horas |
|
Note: Cambie el filtro de aceite del motor con más frecuencia cuando se trabaja en condiciones de mucho polvo o arena.
Drene el aceite del motor; consulte Cambio del aceite del motor.
Sustituya el filtro de aceite del motor (Figura 42).


Note: Asegúrese de que la junta del filtro de aceite toca el motor, luego apriete el filtro ¾ de vuelta más.
Llene el cárter con el tipo correcto de aceite nuevo; consulte Especificaciones de aceite del motor.
| Intervalo de mantenimiento y servicio | Procedimiento de mantenimiento |
|---|---|
| Cada 100 horas |
|
Asegúrese de que la distancia entre los electrodos central y lateral es correcta antes de instalar la bujía.
Utilice una llave de bujías para desmontar e instalar la(s) bujía(s) y una galga de espesores/herramienta para electrodos para comprobar y ajustar el espacio entre los mismos. Instale una bujía nueva si es necesario.
Tipo: NGK® BPR4ES o equivalente
Distancia entre electrodos: 0,76 mm
Aparque la máquina en una superficie nivelada, desengrane la TDF y ponga el freno de estacionamiento.
Apague el motor, retire la llave y espere a que se detengan todas las piezas en movimiento antes de abandonar el puesto del operador.
Retire la bujía, según se muestra en Figura 43.


Important: No limpie la(s) bujía(s). Cambie siempre la(s) bujía(s) si tiene(n) un revestimiento negro, los electrodos desgastados, una película aceitosa o grietas.
Si se observa un color gris o marrón claro en el aislante, el motor está funcionando correctamente. Si el aislante aparece de color negro, significa que el limpiador de aire está sucio.
Ajuste la distancia a 0,76 mm.


| Intervalo de mantenimiento y servicio | Procedimiento de mantenimiento |
|---|---|
| Cada 50 horas |
|
Los componentes calientes del sistema de escape pueden incendiar los vapores del combustible, incluso después de que se apague el motor. Las partículas calientes expulsadas durante la operación del motor pueden incendiar materiales inflamables, dando lugar a lesiones personales o daños materiales.
No reposte combustible ni ponga en marcha el motor si el parachispas no está instalado.
Aparque la máquina en una superficie nivelada, desengrane la TDF y ponga el freno de estacionamiento.
Apague el motor, retire la llave y espere a que se detengan todas las piezas en movimiento antes de abandonar el puesto del operador.
Espere a que se enfríe el silenciador.
Si se observan roturas en la rejilla o en las soldaduras, sustituya el parachispas.
Si la rejilla está atascada, retire el parachispas, sacuda la rejilla para eliminar partículas sueltas, y límpiela con un cepillo de alambre (sumerja la rejilla en disolvente si es necesario).
Instale el parachispas en la salida del tubo de escape.
Note: Utilice una bomba de sifón para drenar el combustible del depósito. Puede comprar una bomba de sifón en una ferretería.
En ciertas condiciones, el combustible es extremadamente inflamable y altamente explosivo. Un incendio o una explosión provocados por el combustible puede causarle quemaduras a usted y a otras personas así como daños materiales.
Realice cualquier tipo de mantenimiento relacionado con el sistema de combustible con el motor frío. Realice esta operación en un área abierta. Limpie cualquier combustible derramado.
No fume nunca mientras drena el combustible y manténgase alejado de llamas desnudas o de lugares donde una chispa pudiera inflamar los vapores de combustible.
Aparque la máquina en una superficie nivelada, desengrane la TDF y ponga el freno de estacionamiento.
Apague el motor, retire la llave y espere a que se detengan todas las piezas en movimiento antes de abandonar el puesto del operador.
Limpie alrededor del tapón del depósito de combustible para evitar que entre suciedad en el depósito (Figura 46).
Retire el tapón del depósito de combustible.
Introduzca una bomba tipo sifón en el depósito de combustible.
Con la bomba de sifón, vacíe el combustible en un recipiente de combustible limpio (Figura 46).
Limpie cualquier combustible derramado.

| Intervalo de mantenimiento y servicio | Procedimiento de mantenimiento |
|---|---|
| Cada 800 horas |
|
No instale un filtro sucio que haya sido desmontado del tubo de combustible.
Note: Limpie cualquier combustible derramado.
Aparque la máquina en una superficie nivelada, desengrane la TDF y ponga el freno de estacionamiento.
Apague el motor, retire la llave y espere a que se detengan todas las piezas en movimiento antes de abandonar el puesto del operador.
Cierre la válvula de cierre del combustible; consulte Uso de la válvula de cierre de combustible.
Cambie el filtro de combustible según se muestra en Figura 47.

Desconecte la batería o retire el cable de la bujía antes de efectuar reparaciones. Desconecte primero el terminal negativo y luego el positivo. Conecte primero el terminal positivo y luego el negativo.
Cargue la batería en una zona abierta y bien ventilada, lejos de chispas y llamas. Desenchufe el cargador antes de conectar o desconectar la batería. Lleve ropa protectora y utilice herramientas aisladas.
| Intervalo de mantenimiento y servicio | Procedimiento de mantenimiento |
|---|---|
| Cada 100 horas |
|
Mantenga siempre la batería limpia y completamente cargada. Utilice una toalla de papel para limpiar la caja de la batería. Si los terminales de la batería están oxidados, límpielos con una disolución de cuatro partes de agua y una parte de bicarbonato sódico. Aplique una ligera capa de grasa en los terminales de la batería para evitar la corrosión.
Tensión: 12 V
Aparque la máquina en una superficie nivelada, desengrane la TDF y ponga el freno de estacionamiento.
Apague el motor, retire la llave y espere a que se detengan todas las piezas en movimiento antes de abandonar el puesto del operador.
Retire la batería según se muestra en la Figura 48.

El proceso de carga de la batería produce gases que pueden explotar.
No fume nunca cerca de la batería, y mantenga alejados de la batería chispas y llamas.
Important: Siempre mantenga la batería totalmente cargada (gravedad específica 1,265) para evitar que se dañe si la temperatura cae por debajo de los 0 °C.
Retire la batería del chasis; consulte Cómo retirar la batería.
Compruebe el nivel de electrolito.
Asegúrese de que los tapones de llenado están instalados en la batería.
Cargue la batería durante 1 hora a 25–30 amperios, o durante 6 horas a 4–6 amperios.
Cuando la batería esté completamente cargada, desconecte el cargador del suministro eléctrico, y desconecte los cables del cargador de los bornes de la batería (Figura 49).
Instale la batería en la máquina y conecte los cables de la batería; consulte Instalación de la batería.
Note: No haga funcionar la máquina con la batería desconectada; puede causar daños al sistema eléctrico.

Instale la batería, según se muestra en Figura 50.

El sistema eléctrico está protegido con fusibles. No requiere mantenimiento. Si se funde un fusible, compruebe que no hay fallo ni cortocircuito en el componente/circuito.
Aparque la máquina en una superficie nivelada, desengrane la TDF y ponga el freno de estacionamiento.
Apague el motor, retire la llave y espere a que se detengan todas las piezas en movimiento antes de abandonar el puesto del operador.
Desenganche el cojín de la parte trasera de la máquina.
Extraiga el fusible y sustitúyalo (Figura 51).
Instale el cojín del operador.

Si empuja las dos palancas de control de movimiento hacia delante la misma distancia y la máquina tira hacia un lado, ajuste la dirección tal y como se indica a continuación.
Aparque la máquina en una superficie nivelada, desengrane la TDF y ponga el freno de estacionamiento.
Apague el motor, retire la llave y espere a que se detengan todas las piezas en movimiento antes de abandonar el puesto del operador.
Desenganche el cojín de la parte trasera de la máquina.
Gire la rueda de ajuste del cable derecho hasta que la palanca de control de movimiento de la derecha quede posicionado en el centro de la ranura de bloqueo/punto muerto del panel de control (Figura 53).

Gire el ajuste del cable izquierdo hasta que la velocidad de la rueda izquierda coincida con la velocidad de la rueda derecha establecida anteriormente.
Ajuste en incrementos de 1/4 vuelta hasta que la máquina avance en línea recta.
Note: Ajuste únicamente el cable izquierdo hasta que la velocidad de la rueda izquierda coincida con la velocidad de la rueda derecha. No ajuste la velocidad de la rueda derecha, porque esto aleja la palanca de control de movimiento derecha de la ranura de bloqueo/punto muerto del panel de control.

Compruebe que la máquina avanza correctamente.
Note: Si la máquina no arranca después de ajustar el avance, asegúrese de que la diana del interruptor de proximidad está alineada con el perno conectado a la palanca de control de movimiento; consulte Ajuste del interruptor de proximidad.
Repita el ajuste del cable hasta que la máquina no se desvíe.
Compruebe que la máquina no se desplaza en punto muerto con el freno de estacionamiento quitado.
Important: No gire el acoplamiento demasiado; esto podría hacer que la máquina avanzase en punto muerto.
Utilice este procedimiento si la máquina no arranca después de ajustar el avance.
Asegúrese de que el perno que está conectado a la palanca de control de movimiento está alineado con la diana del interruptor de proximidad (Figura 54).
Si es necesario, afloje los pernos y ajuste el interruptor de proximidad hasta que la diana quede alineada con el perno que está conectado a la palanca de control de movimiento (Figura 54).
Compruebe la distancia entre el perno y el interruptor de proximidad; debe ser de 0,51 a 1,02 mm, según se muestra en Figura 54.
Si es necesario ajustarla, afloje la contratuerca y ajuste el perno a la distancia correcta.
Apriete la contratuerca después de ajustar el perno (Figura 54).
Pruebe el sistema de interruptores de seguridad antes de utilizar la máquina.

| Intervalo de mantenimiento y servicio | Procedimiento de mantenimiento |
|---|---|
| Cada 50 horas |
|
Mantenga la presión de los neumáticos traseros a 0,83–0,97 bar.
Important: Una presión desigual en los neumáticos puede hacer que el corte sea desigual.
Note: Las ruedas delanteras son semineumáticas y no requieren presión de aire.

| Intervalo de mantenimiento y servicio | Procedimiento de mantenimiento |
|---|---|
| Cada 500 horas |
|
Aparque la máquina en una superficie nivelada, desengrane la TDF y ponga el freno de estacionamiento.
Apague el motor, retire la llave y espere a que se detengan todas las piezas en movimiento antes de abandonar el puesto del operador.
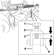
Retire el tapón guardapolvo de la rueda giratoria y apriete la contratuerca (Figura 56).
Apriete la contratuerca hasta que las arandelas de muelle estén planas, luego afloje la contratuerca ¼ de vuelta para establecer la pre-carga correcta de los cojinetes (Figura 56).
Important: Asegúrese de que las arandelas elásticas están correctamente instaladas, como se muestra en la Figura 56.
Coloque el tapón guardapolvo (Figura 56).

| Intervalo de mantenimiento y servicio | Procedimiento de mantenimiento |
|---|---|
| Cada 100 horas |
|
El embrague es ajustable con el fin de asegurar el engranado y frenado correctos.
Aparque la máquina en una superficie nivelada, desengrane la TDF y ponga el freno de estacionamiento.
Apague el motor, retire la llave y espere a que se detengan todas las piezas en movimiento antes de abandonar el puesto del operador.
Introduzca una galga de 0,4 a 0,5 mm por una de las ranuras de inspección en el lateral del conjunto.
Note: Asegúrese de que esté entre las superficies de fricción del rotor y el inducido.
Note: La distancia debe ser de al menos 0,4 mm, y de no más de 0,5 mm.
Si es necesario ajustarlo, utilice una galga de 0,4 mm para ajustar las tres posiciones de la ranura de ajuste.
Apriete las contratuercas hasta fijar ligeramente la galga pero dejando que ésta se pueda mover con facilidad en la separación (Figura 57).
Repita el procedimiento en las demás ranuras.
Vuelva a comprobar cada ranura y realice ligeros ajustes hasta que la galga pueda introducirse entre el rotor y el inducido con un contacto muy ligero entre ambos.

| Intervalo de mantenimiento y servicio | Procedimiento de mantenimiento |
|---|---|
| Cada vez que se utilice o diariamente |
|
Antes de cada uso, retire cualquier acumulación de hierba, suciedad u otro residuo del cilindro y de las aletas de refrigeración de la culata, la rejilla de entrada de aire del extremo del volante, y las palancas y acoplamientos del regulador del carburador. Esto ayuda a asegurar una refrigeración adecuada y una velocidad de motor correcta y reduce la posibilidad de sobrecalentamiento y daños mecánicos al motor.
| Intervalo de mantenimiento y servicio | Procedimiento de mantenimiento |
|---|---|
| Cada 100 horas |
|
Aparque la máquina en una superficie nivelada, desengrane la TDF y ponga el freno de estacionamiento.
Apague el motor, retire la llave y espere a que se detengan todas las piezas en movimiento antes de abandonar el puesto del operador.
Retire la rejilla de entrada de aire y la carcasa del ventilador (Figura 58).
Limpie los residuos y la hierba de los componentes del motor.
Instale la rejilla de entrada de aire y la carcasa del ventilador (Figura 58).

| Intervalo de mantenimiento y servicio | Procedimiento de mantenimiento |
|---|---|
| Cada vez que se utilice o diariamente |
|
Antes de cada uso, compruebe el freno de estacionamiento tanto en una superficie llana como en una pendiente.
Accione siempre el freno de estacionamiento cuando pare la máquina o cuando la deje desatendida. Si el freno de estacionamiento no inmoviliza la máquina, ajústelo.
Desengrane la TDF y ponga el freno de estacionamiento
Apague el motor, retire la llave y espere a que se detengan todas las piezas en movimiento antes de abandonar el puesto del operador.
Quite el freno de estacionamiento.
Accione la palanca del freno y asegúrese de que la máquina no se desplaza.
Ajuste el freno si es necesario.
| Intervalo de mantenimiento y servicio | Procedimiento de mantenimiento |
|---|---|
| Cada vez que se utilice o diariamente |
|
Important: Asegúrese de que la máquina está sobre una superficie nivelada antes de comprobar y ajustar el freno.
Aparque la máquina en una superficie nivelada, desengrane la TDF y ponga el freno de estacionamiento.
Apague el motor, retire la llave y espere a que se detengan todas las piezas en movimiento antes de abandonar el puesto del operador.
Compruebe la presión de los neumáticos; consulte Comprobación de la presión de los neumáticos.
Quite el freno de estacionamiento; consulte Operación del freno de estacionamiento.
Con el freno quitado, mida la distancia entre la barra de freno y el neumático en cada lado.
En el lado que tenga el espacio más pequeño, asegúrese de que la distancia es de 3 a 6 mm según se muestra en la Figura 59; consulte Ajuste de los frenos si es necesario ajustarla.

Aparque la máquina en una superficie nivelada, desengrane la TDF y ponga el freno de estacionamiento.
Apague el motor, retire la llave y espere a que se detengan todas las piezas en movimiento antes de abandonar el puesto del operador.
Quite el freno de estacionamiento.
Para ajustar el freno, retire el pasador y la chaveta de la palanca de freno inferior y la horquilla (Figura 60).
Ajuste la horquilla (Figura 59).
Note: La distancia entre la barra de freno y el neumático debe ser de 3 a 6 mm.
Note: Para apretar el freno, gire la horquilla hacia arriba. Para aflojar el freno, gire la horquilla hacia abajo.
Vuelva a comprobar el funcionamiento del freno; consulte Prueba del freno de estacionamiento.
Sujete la horquilla a la palanca de freno inferior con el pasador y la chaveta (Figura 60).

| Intervalo de mantenimiento y servicio | Procedimiento de mantenimiento |
|---|---|
| Cada 100 horas |
|
Compruebe que las correas no tienen grietas, bordes deshilachados, marcas de quemaduras, desgaste, señales de sobrecalentamiento u otros daños.
Las señales de una correa desgastada son chirridos cuando la correa está en movimiento, patinaje de las cuchillas durante la siega, bordes deshilachados, o marcas de quemaduras o grietas. Cambie la correa si observa cualquiera de estas condiciones.
Important: Las fijaciones de las cubiertas de esta máquina están diseñadas para que queden sujetas a la cubierta después de retirarse esta. Afloje todas las fijaciones de cada cubierta unas cuantas vueltas hasta que la cubierta esté suelta pero aún sujeta, luego vuelva a aflojarlas hasta que la cubierta quede libre. Esto evita la posibilidad de retirar accidentalmente los pernos de los retenedores.
Aparque la máquina en una superficie nivelada, desengrane la TDF y ponga el freno de estacionamiento.
Apague el motor, retire la llave y espere a que se detengan todas las piezas en movimiento antes de abandonar el puesto del operador.
Retire las cubiertas de la correa y los protectores de las carcasas; consulte Retirada de las cubiertas de la correa y Retirada de los protectores de las carcasas.
Desenganche el muelle de la clavija del brazo de la polea tensora (Figura 61).

Retire la correa usada del cortacésped (Figura 61).
Instale la correa nueva del cortacésped alrededor de la polea del embrague, las poleas de la carcasa y la polea tensora (Figura 61).
Enganche el muelle en la clavija del brazo de la polea tensora (Figura 61).
Instale los protectores y las cubiertas de la correa; consulte Retirada de los protectores de las carcasas y Retirada de las cubiertas de la correa.
| Intervalo de mantenimiento y servicio | Procedimiento de mantenimiento |
|---|---|
| Cada 100 horas |
|
Aparque la máquina en una superficie nivelada, desengrane la TDF y ponga el freno de estacionamiento.
Apague el motor, retire la llave y espere a que se detengan todas las piezas en movimiento antes de abandonar el puesto del operador.
Retire la correa de la carcasa del cortacésped; consulte Sustitución de la correa de la carcasa de corte.
Incline la máquina; consulte Cómo elevar el cortacésped para facilitar el acceso.
Retire los 2 pernos y las 2 arandelas que fijan el protector de la correa de transmisión de la bomba (Figura 62). Retire el protector.

Retire el perno de cuello largo, la tuerca y la arandela de la carcasa del motor y del muelle (Figura 63).

Retire la correa de transmisión de la bomba (Figura 63).
Instale la correa nueva alrededor de la polea del embrague y de las 2 poleas de las bombas.
Instale el muelle en el perno de cuello largo y la arandela, y conéctelo a la carcasa del motor con la tuerca (Figura 63).
Instale el protector de la correa de transmisión de la bomba con los 2 pernos y las 2 arandelas que retiró anteriormente.
Baje la máquina a la posición de uso.
Instale la correa de la carcasa del cortacésped; consulte Sustitución de la correa de la carcasa de corte.
Si las palancas de control de movimiento no queden alineadas horizontalmente, ajuste la palanca de control de movimiento de la derecha.
Note: Ajuste la alineación horizontal antes de ajustar la alineación longitudinal.
Aparque la máquina en una superficie nivelada, desengrane la TDF y ponga el freno de estacionamiento.
Apague el motor, retire la llave y espere a que se detengan todas las piezas en movimiento antes de abandonar el puesto del operador.
Empuje la palanca de control de movimiento derecha hacia abajo, sacándola de la posición de BLOQUEO/PUNTO MUERTO (Figura 64).
Compruebe que la palanca de control de movimiento de la derecha quede alineada en sentido horizontal con la palanca de control de movimiento de la izquierda (Figura 64).

Note: Para ajustar la palanca de control de movimiento derecha en sentido horizontal, ajuste la leva.
Desenganche el cojín de la parte trasera de la máquina.
Afloje la tuerca que sujeta la leva (Figura 65).

Ajuste la leva hasta que quede alineada con la palanca de control de movimiento de la izquierda, y apriete la tuerca de la leva.
Note: Mueva la leva en sentido horario (en posición vertical) para bajar la palanca, o en sentido antihorario (en posición vertical) para elevarla.
Important: Asegúrese de que la sección plana de la leva no sobrepase la posición vertical (a la derecha o a la izquierda), porque podría dañar el interruptor.
Important: Compruebe que el avance es correcto después de ajustar las palancas de control de movimiento (Figura 66).
Note: Ajuste la alineación horizontal antes de ajustar la alineación longitudinal.
Si las palancas de control de movimiento no se alinean de delante hacia atrás, o si la palanca de control de movimiento de la derecha no se mueve fácilmente a la posición BLOQUEO/PUNTO MUERTO, ajuste la posición de punto muerto de las palancas.
Cuando termine la alineación horizontal, compruebe la alineación adelante-atrás empujando ligeramente hacia adelante las palancas de control de movimiento para eliminar cualquier holgura del acoplamiento de las palancas de control (Figura 66).

Asegúrese de que la palanca de control de movimiento derecha se desplace fácilmente a la posición de BLOQUEO/PUNTO MUERTO.
Note: Gire la rueda de ajuste del cable en el sentido de las agujas del reloj para mover la palanca de control hacia adelante. Gire la rueda de ajuste del cable en el sentido contrario a las agujas del reloj para mover la palanca de control hacia atrás.
Gire la rueda de ajuste del cable del lado derecho cuando sea necesario efectuar un ajuste.
Note: Mueva la rueda de ajuste en incrementos de un cuarto de vuelta.
Una vez que la palanca de control de movimiento derecha se desplace fácilmente a la posición de BLOQUEO/PUNTO MUERTO, ajuste la palanca de control de movimiento izquierda hasta que esté alineada con la palanca de la derecha.
Compruebe que la máquina avanza correctamente; consulte Ajuste de la dirección .
Instale la pletina de bloqueo sobre las tuercas de ajuste de los cables para afianzar el ajuste (Figura 67).

Busque atención médica inmediatamente si el fluido penetra en la piel. Un médico deberá eliminar quirúrgicamente el fluido inyectado en pocas horas.
Asegúrese de que todas las mangueras y líneas de fluido hidráulicos están en buenas condiciones de uso, y que todos los acoplamientos y conexiones hidráulicos están apretados, antes de aplicar presión al sistema hidráulico.
Mantenga el cuerpo y las manos alejados de fugas pequeñas o boquillas que liberan fluido hidráulico a alta presión.
Utilice un cartón o un papel para buscar fugas hidráulicas.
Alivie de manera segura toda presión en el sistema hidráulico antes de realizar trabajo alguno en el sistema hidráulico.
Tipo de fluido hidráulico:Fluido hidráulico Toro® HYPR-OIL™ 500 o aceite sintético Mobil® 1 15W-50.
Capacidad de fluido del sistema hidráulico: 2,0 litros
Important: Utilice el fluido especificado. Otros fluidos podrían causar daños en el sistema.
| Intervalo de mantenimiento y servicio | Procedimiento de mantenimiento |
|---|---|
| Después de las primeras 8 horas |
|
| Cada 50 horas |
|
Note: El tabique que está dentro del depósito tiene dos niveles, para fluido caliente y para fluido frío.
Aparque la máquina en una superficie nivelada, desengrane la TDF y ponga el freno de estacionamiento.
Apague el motor, retire la llave y espere a que se detengan todas las piezas en movimiento antes de abandonar el puesto del operador.
Limpie alrededor del cuello de llenado y el tapón del depósito de aceite hidráulico (Figura 68).

Retire el tapón del cuello de llenado (Figura 68).
Note: Mire dentro para comprobar el nivel de fluido en el depósito.
Añada fluido al depósito hasta que llegue al nivel Frío del tabique.
Haga funcionar la máquina a ralentí bajo durante 15 minutos para purgar el aire del sistema y calentar el fluido.
Apague el motor, retire la llave y espere a que se detengan todas las piezas en movimiento antes de abandonar el puesto del operador.
Compruebe el nivel mientras el fluido está caliente. Si es necesario, añada fluido al depósito hasta que llegue entre el nivel frío y el nivel caliente.
Note: El nivel de fluido debe estar por debajo del nivel caliente del tabique cuando el fluido está caliente (Figura 68).
Coloque el tapón en el cuello de llenado.
| Intervalo de mantenimiento y servicio | Procedimiento de mantenimiento |
|---|---|
| Cada 250 horas |
|
| Cada 500 horas |
|
El fluido hidráulico caliente puede causar graves quemaduras.
Deje que se enfríe el fluido hidráulico antes de realizar cualquier tarea de mantenimiento en el sistema hidráulico.
Aparque la máquina en una superficie nivelada, desengrane la TDF y ponga el freno de estacionamiento.
Apague el motor, retire la llave y espere a que se detengan todas las piezas en movimiento antes de abandonar el puesto del operador.
Retire el tapón del depósito de aceite hidráulico.
Localice el manguito hidráulico delantero, debajo del depósito de aceite, y coloque un recipiente debajo del depósito (Figura 69).
Afloje la abrazadera y desplácela por el tubo.
Retire el manguito hidráulico delantero y deje que el fluido se drene del depósito.

Cambie el filtro hidráulico; consulte Cambio del filtro hidráulico.
Conecte el manguito hidráulico debajo del depósito.
Añada fluido al depósito hasta que llegue al tabique 'frío' del depósito.
Important: Utilice el fluido especificado o uno equivalente. Otros fluidos podrían causar daños en el sistema.
Instale el tapón del depósito hidráulico.
Arranque el motor y déjelo funcionar durante unos 2 minutos para purgar el aire del sistema.
Pare el motor y compruebe que no hay fugas.
Note: Si una o ambas ruedas no giran, consulte Purga del sistema hidráulico.
Compruebe el nivel de fluido y añada más si es necesario.
Important: No llene demasiado.
| Intervalo de mantenimiento y servicio | Procedimiento de mantenimiento |
|---|---|
| Después de las primeras 8 horas |
|
| Cada 500 horas |
|
El fluido hidráulico caliente puede causar graves quemaduras.
Deje que se enfríe el fluido hidráulico antes de realizar cualquier tarea de mantenimiento en el sistema hidráulico.
Aparque la máquina en una superficie nivelada, desengrane la TDF y ponga el freno de estacionamiento.
Apague el motor, retire la llave y espere a que se detengan todas las piezas en movimiento antes de abandonar el puesto del operador.
Localice el filtro y coloque un recipiente debajo del filtro (Figura 70).

Retire el filtro usado y limpie con un paño la superficie de la junta del adaptador del filtro (Figura 71).
Aplique una capa fina de fluido hidráulico a la junta de goma del filtro nuevo.
Instale el filtro hidráulico nuevo en el adaptador del filtro.
Gire el filtro en sentido horario hasta que la junta de goma entre en contacto con el adaptador del filtro y apriete el filtro media vuelta más (Figura 71).

Limpie cualquier fluido derramado.
Compruebe el nivel de fluido del depósito y añada fluido al depósito hasta que llegue al tabique 'frío' del depósito.
Important: Utilice el fluido especificado o uno equivalente. Otros fluidos podrían causar daños en el sistema.
Arranque el motor y déjelo funcionar durante unos 2 minutos para purgar el aire del sistema.
Pare el motor y compruebe que no hay fugas.
Note: Si una o ambas ruedas no giran, consulte Purga del sistema hidráulico.
Compruebe el nivel de fluido y añada más si es necesario.
Important: No llene demasiado.
El sistema de tracción se purga automáticamente; no obstante, puede ser necesario purgar el sistema si se cambia el fluido o después de realizar mantenimiento en el sistema.
Aparque la máquina en una superficie nivelada, desengrane la TDF y ponga el freno de estacionamiento.
Apague el motor, retire la llave y espere a que se detengan todas las piezas en movimiento antes de abandonar el puesto del operador.
Eleve la parte trasera de la máquina sobre soportes fijos, de manera que las ruedas motrices no toquen el suelo.
Arranque el motor y mueva el acelerador a la posición de ralentí.
Note: Si la rueda motriz no gira, facilite la purga del sistema girando la rueda lentamente hacia adelante.
Compruebe el nivel de aceite hidráulico mientras desciende, y añada aceite según sea necesario para mantener el nivel correcto.
Repita este procedimiento en la otra rueda.
| Intervalo de mantenimiento y servicio | Procedimiento de mantenimiento |
|---|---|
| Cada 100 horas |
|
Compruebe que las mangueras hidráulicas no tienen fugas o conexiones sueltas, que no están dobladas, que los montajes no están sueltos, y que no hay desgaste o deterioro causado por agentes ambientales o químicos. Haga cualquier reparación necesaria antes de volver a utilizar la máquina.
Note: Mantenga las zonas alrededor del sistema hidráulico limpias de acumulaciones de hierba y residuos.
Note: Un tiempo de uso prolongado a altas temperaturas en un clima cálido puede provocar el deterioro de manguitos y juntas. Inspecciónelos más a menudo en climas cálidos y cambie el fluido hidráulico y el filtro con más frecuencia.
Para garantizar una calidad de corte superior, mantenga afiladas las cuchillas. Para que el afilado y la sustitución sean más cómodos, conserve un stock de cuchillas de repuesto.
Una cuchilla desgastada o dañada puede romperse, y un trozo de la cuchilla podría ser arrojado hacia usted u otra persona, provocando lesiones personales graves o la muerte.
Inspeccione periódicamente las cuchillas, para asegurarse de que no están desgastadas ni dañadas.
Tenga cuidado al comprobar las cuchillas. Envuelva las cuchillas o lleve guantes, y extreme las precauciones al manejar las cuchillas. Las cuchillas únicamente pueden ser cambiadas o afiladas; no las enderece ni las suelde nunca.
Inspeccione siempre la máquina para asegurarse de que las cuchillas y los pernos de las cuchillas no están desgastados o dañados. Sustituya las cuchillas o los pernos gastados o dañados en conjuntos completos para no desequilibrar la máquina.
En máquinas con múltiples cuchillas, tenga cuidado puesto que girar una cuchilla puede hacer que giren otras cuchillas.
Aparque la máquina en una superficie nivelada, desengrane la TDF y ponga el freno de estacionamiento.
Pare el motor, retire la llave y desconecte los cables de las bujías.
| Intervalo de mantenimiento y servicio | Procedimiento de mantenimiento |
|---|---|
| Cada vez que se utilice o diariamente |
|
Inspeccione los filos de corte (Figura 72).
Si los filos están romos o tienen muescas, retire la cuchilla y afílela; consulte Afilado de las cuchillas.
Inspeccione las cuchillas, especialmente en la parte curva.
Si observa fisuras, desgaste o la formación de una ranura en esta zona, instale de inmediato una cuchilla nueva (Figura 72).

Gire las cuchillas hasta que los extremos estén orientados hacia adelante y hacia atrás.
Mida desde una superficie nivelada hasta el filo de corte, posición A, de las cuchillas (Figura 73).

Gire hacia adelante los otros extremos de las cuchillas.
Mida desde una superficie nivelada hasta el filo de corte de las cuchillas en la misma posición que en el paso 2 arriba.
Note: La diferencia entre las dimensiones obtenidas en los pasos 2 y 3 no debe ser superior a 3 mm.
Note: Si esta dimensión es de más de 3 mm, cambie la cuchilla.
Una cuchilla doblada o dañada podría romperse y podría causar lesiones críticas a usted o a otras personas.
Siempre sustituya una cuchilla doblada o dañada por una cuchilla nueva.
No lime ni cree muescas afiladas en los bordes o en la superficie de la cuchilla.
Cambie la cuchilla si ha golpeado un objeto sólido, si está desequilibrada o si está doblada. Para asegurar el mejor rendimiento y el cumplimiento continuo de las normas de seguridad de la máquina, utilice cuchillas de repuesto genuinas Toro. Las cuchillas de repuesto de otros fabricantes pueden hacer que se incumplan las normas de seguridad.
Sujete el extremo de la cuchilla usando un trapo o un guante grueso.
Retire del eje el perno de la cuchilla, la arandela curva y la cuchilla (Figura 74).

Utilice una lima para afilar el filo de corte en ambos extremos de la cuchilla (Figura 75).
Note: Mantenga el ángulo original.
Note: La cuchilla permanece equilibrada si se retira la misma cantidad de material de ambos filos de corte.

Verifique el equilibrio de la cuchilla colocándola sobre un equilibrador de cuchillas (Figura 76).
Note: Si la cuchilla se mantiene horizontal, está equilibrada y puede utilizarse.
Note: Si la cuchilla no está equilibrada, rebaje algo el metal en la parte de la vela solamente (Figura 75).

Repita este procedimiento hasta que la cuchilla esté equilibrada.
| Intervalo de mantenimiento y servicio | Procedimiento de mantenimiento |
|---|---|
| Cada año |
|
Inspeccione los pernos de las cuchillas por si presentan daños en las roscas. Sustituya el perno y las arandelas curvas tal y como sea necesario.
Instale la cuchilla en el eje (Figura 77).
Important: La parte curva de la cuchilla debe apuntar hacia arriba, hacia el interior de la carcasa para asegurar un corte correcto.
Instale la arandela curva y el perno de la cuchilla (Figura 77).
Note: El cono de la arandela curva debe estar orientado hacia la cabeza del perno (Figura 77).
Apriete el perno de la cuchilla a 115–150 N·m.

Compruebe que la carcasa de corte está nivelada cada vez que instale la carcasa o cuando observe un corte desigual en el césped.
Nivele la carcasa de corte lateralmente antes de ajustarla longitudinalmente.
Aparque la máquina en una superficie nivelada, desengrane la TDF y ponga el freno de estacionamiento.
Pare el motor, retire la llave y desconecte los cables de las bujías.
Compruebe la presión de los neumáticos de ambas ruedas motrices; consulte Comprobación de la presión de los neumáticos.
Compruebe que las cuchillas no están dobladas; retire y sustituya cualquier cuchilla que esté doblada; consulte Mantenimiento de las cuchillas de corte.
Ajuste la carcasa de corte a la posición de altura de corte de 76 mm.
Compruebe la distancia entre los pivotes, midiendo desde el centro de un pivote al centro del otro (distancia entre centros) en cada varilla roscada (Figura 78).
Note: La longitud debe ser de 49,5 cm para carcasas de corte de 91 cm y de 43,7 cm para carcasas de corte de 102 cm.
Afloje las contratuercas en el pivote delantero (Figura 78).
Usando las contratuercas, ajuste la longitud de la varilla roscada para obtener la distancia correcta.
Apriete las contratuercas en el pivote delantero (Figura 78).

Compruebe la distancia entre la horquilla y del brazo de suspensión de la carcasa en cada horquilla.
Note: Esta distancia debe ser de 11 mm, según se muestra en Figura 79.
Si es necesario ajustarlo, afloje el perno superior de la cadena (Figura 79).
Afloje la contratuerca y ajuste el perno de ajuste para obtener la distancia correcta, según se muestra en Figura 79.
Apriete la contratuerca y el perno superior de la cadena.

Coloque la cuchilla derecha en posición longitudinal (Figura 80).
Mida la cuchilla derecha en la posición C desde una superficie nivelada hasta el filo de corte de la punta de la cuchilla, y anote esta medida (Figura 80).
Mida la cuchilla derecha en la posición D desde una superficie nivelada hasta el filo de corte de la punta de la cuchilla, y anote esta medida (Figura 80).
Note: La cuchilla del cortacésped debe estar entre 6 y 10 mm más baja en la posición C que en la posición D (Figura 80). Si no es correcta la distancia, continúe con los pasos siguientes.
Afloje las contratuercas de los pivotes delanteros derecho e izquierdo (Figura 78).
Usando las contratuercas de la derecha, ajuste la longitud de la varilla roscada de la derecha para obtener la inclinación longitudinal de 6 a 10 mm.
Apriete las contratuercas de los pivotes delanteros derecho e izquierdo (Figura 78).

Coloque las cuchillas izquierda y derecha en posición longitudinal.
Mida la cuchilla izquierda en la posición B desde una superficie nivelada hasta el filo de corte de la punta de la cuchilla, y anote esta medida (Figura 81).
Mida la cuchilla derecha en la posición D desde una superficie nivelada hasta el filo de corte de la punta de la cuchilla, y anote esta medida (Figura 81).
Note: La medida de la posición B no debe variar en más de 3 mm de la medida de la posición D (Figura 81). Si no es correcta la distancia, continúe con los pasos siguientes.
Afloje las contratuercas en el pivote delantero izquierdo (Figura 78).
Usando las contratuercas de la izquierda, ajuste la longitud de la varilla roscada de la izquierda hasta que las posiciones B y D sean iguales.
Apriete las contratuercas del pivote delantero izquierdo (Figura 78).

Coloque las cuchillas izquierda y derecha en posición longitudinal.
Inspeccione las cadenas delanteras, y asegúrese de que cada cadena está tensada.
Note: Si alguna de las cadenas no está tensada, ajuste la varilla roscada con la cadena destensada para obtener tensión en esa cadena.
Mida la cuchilla izquierda en la posición A desde una superficie nivelada hasta el filo de corte de la punta de la cuchilla, y anote esta medida (Figura 82).
Mida la cuchilla derecha en la posición C desde una superficie nivelada hasta el filo de corte de la punta de la cuchilla, y anote esta medida (Figura 82).
Note: La diferencia entre las medidas en A y C debe ser de no más de 3 mm. Si no es correcta la distancia, continúe con los pasos siguientes.
Afloje los pernos superiores de las cadenas (Figura 78).
Afloje las contratuercas en cada horquilla (Figura 78).
Ajuste los pernos de ajuste en las horquillas, en las posiciones A y C, para obtener la altura correcta (Figura 82).
Apriete las contratuercas y los pernos superiores de las cadenas (Figura 78).

Baje el cortacésped a la altura de corte de 76 mm.
Coloque la cuchilla derecha en posición longitudinal (Figura 80).
Mida la cuchilla derecha en la posición C, desde una superficie nivelada hasta el filo de corte de la punta de la cuchilla, y anote esta medida (Figura 82).
Note: La medida de la posición C no debe variar en más de 3 mm del ajuste de altura de corte de 76 mm. Si no es correcta la distancia, continúe con los pasos siguientes.
Afloje las contratuercas en ambos extremos del tensor (Figura 83).
Note: El extremo del tensor con la muesca tiene roscas a izquierdas (Figura 83).
Ajuste el tensor para elevar o bajar la carcasa a fin de obtener una altura de 76 mm en la posición C.
Apriete las contratuercas en ambos extremos del tensor.
Asegúrese de que la palanca de elevación de la carcasa de corte se engancha en la posición de transporte.
Note: Si no se engancha en la posición de transporte, ajuste el tensor hasta que se enganche en la posición de transporte.
Apriete las contratuercas.

Note: El ajuste del muelle de compresión modifica la flotación de la carcasa y el esfuerzo necesario para elevar la carcasa usando la palanca de ajuste de la altura de corte.
Una compresión mayor del muelle reduce el esfuerzo necesario para elevar la carcasa con la palanca y proporciona más flotación.
Una compresión menor del muelle aumenta el esfuerzo necesario para elevar la carcasa con la palanca y proporciona menos flotación.
Levante la palanca de altura de corte y bloquéela en la posición de transporte.
Compruebe la longitud del muelle de compresión.
Note: La longitud nominal es de 28,2 cm para carcasas de corte de 91 cm y de 25,7 cm para carcasas de corte de 102 cm (Figura 84).
Ajuste esta distancia aflojando la contratuerca elástica y girando la tuerca que está delante de cada muelle (Figura 84).
Fije la tuerca en la posición deseada apretando la contratuerca elástica (Figura 84).

Repita este procedimiento en el otro muelle de elevación de la carcasa.
| Intervalo de mantenimiento y servicio | Procedimiento de mantenimiento |
|---|---|
| Cada vez que se utilice o diariamente |
|
Retire a diario cualquier acumulación de hierba de debajo de la segadora.
Aparque la máquina en una superficie nivelada, desengrane la TDF, ponga las palancas de control de movimiento en la posición de BLOQUEO/PUNTO MUERTO y ponga el freno de estacionamiento.
Apague el motor, retire la llave y espere a que se detengan todas las piezas en movimiento antes de abandonar el puesto del operador.
Levante la parte delantera de la máquina y apóyela sobre soportes fijos.
| Intervalo de mantenimiento y servicio | Procedimiento de mantenimiento |
|---|---|
| Cada vez que se utilice o diariamente |
|
Aparque la máquina en una superficie nivelada, desengrane la TDF, ponga las palancas de control de movimiento en la posición de BLOQUEO/PUNTO MUERTO y ponga el freno de estacionamiento.
Apague el motor, retire la llave y espere a que se detengan todas las piezas en movimiento antes de abandonar el puesto del operador.
Eleve la plataforma del operador para acceder a los motores de las ruedas traseras.
El aceite de motor, las baterías, el fluido hidráulico y el refrigerante del motor son contaminantes medioambientales. Elimínelos de acuerdo con la normativa estatal y local.
Deje que el motor se enfríe antes de almacenar la máquina.
No almacene la máquina o el combustible cerca de una llama, y no drene el combustible dentro de un edificio.
| Intervalo de mantenimiento y servicio | Procedimiento de mantenimiento |
|---|---|
| Antes del almacenamiento |
|
Desengrane la toma de fuerza (TDF), ponga el freno de estacionamiento, apague el motor y retire la llave.
Retire los recortes de hierba, la suciedad y la mugre de las piezas externas de toda la máquina, especialmente el motor.
Important: La máquina puede lavarse con un detergente suave y agua. No lave la máquina a presión. Evite el uso excesivo de agua, especialmente cerca del sistema de transmisión y el motor. El lavado a presión puede hacer penetrar la suciedad y el agua en piezas críticas, tales como los cojinetes de los ejes de las cuchillas y los interruptores eléctricos.
Limpie la suciedad y la broza de la parte exterior del alojamiento de las aletas de la culata de cilindros del motor y del soplador.
Compruebe el freno; consulte Prueba del freno de estacionamiento.
Revise el limpiador de aire; consulte Mantenimiento del limpiador de aire.
Engrase la máquina; consulte Lubricación.
Cambie el aceite del motor; consulte Mantenimiento del aceite de motor.
Compruebe la presión de los neumáticos; consulte Comprobación de la presión de los neumáticos.
Para su almacenamiento prolongado, haga lo siguiente:
Añada estabilizador/acondicionador al combustible en el depósito, tal y como indica el fabricante del estabilizador de combustible.
Ponga el motor en marcha durante 5 minutos para distribuir el combustible con acondicionador por todo el sistema de combustible.
Apague el motor, deje que se enfríe y drene el depósito de combustible; consulte Drenaje del depósito de combustible o accione el motor hasta que se apague.
Arranque el motor y hágalo funcionar hasta que se apague. Repita con el estárter accionado (si se aplica) hasta que el motor no arranque.
Deseche el combustible del modo correcto; recíclelo según las normativas locales.
Important: No guarde combustible que contenga estabilizador/acondicionador durante más tiempo que el recomendado por el fabricante del estabilizador de combustible.
Retire la(s) bujía(s) y verifique su condición; consulte Mantenimiento de la bujía.
Con las bujías retiradas del motor, vierta 15 ml o 2 cucharadas soperas de aceite de motor en el orificio de bujía y utilice el motor de arranque para hacer girar el motor y distribuir el aceite dentro del cilindro.
Instale la bujía o las bujías, pero no conecte el cable a las bujías.
Compruebe y apriete todos los cierres. Repare o sustituya cualquier pieza dañada o que falte.
Pinte cualquier superficie rayada o de metal desnudo con pintura, que puede adquirir a través de un distribuidor de servicio autorizado.
Guarde la máquina en un garaje o almacén seco y limpio. Retire la llave del interruptor y guárdela en un lugar seguro que le sea fácil de recordar. Cubra la máquina para protegerla y para conservarla limpia.
| Problem | Possible Cause | Corrective Action |
|---|---|---|
| El motor no arranca, arranca con dificultad, o no sigue funcionando. |
|
|
| El motor pierde potencia. |
|
|
| El motor se sobrecalienta. |
|
|
| No es posible conducir la máquina. |
|
|
| Hay una vibración anormal. |
|
|
| La altura de corte no es homogénea. |
|
|
| Las cuchillas no giran. |
|
|

