| Cadenza di manutenzione | Procedura di manutenzione |
|---|---|
| Prima di ogni utilizzo o quotidianamente |
|
Questo tosaerba in piedi a lame rotanti è pensato per l'utilizzo da parte di operatori professionisti del verde. Il suo scopo è quello di tagliare l'erba di prati ben tenuti di complessi residenziali o proprietà commerciali. L'utilizzo di questo prodotto per scopi non conformi alle funzioni per cui è stato concepito può essere pericoloso per voi e gli astanti.
Leggete attentamente il presente manuale al fine di utilizzare e mantenere correttamente il prodotto ed evitare infortuni e danni. Siete responsabili dell'utilizzo del prodotto in maniera corretta e sicura.
Visitate il sito www.Toro.com per maggiori informazioni, compresi suggerimenti sulla sicurezza, materiali di formazione, informazioni sugli accessori, assistenza nella localizzazione di un rivenditore o per registrare il vostro prodotto.
Per assistenza, ricambi originali Toro o ulteriori informazioni, rivolgetevi a un Distributore Toro autorizzato o ad un Centro Assistenza Toro ed abbiate sempre a portata di mano il numero del modello ed il numero di serie del prodotto. La Figura 1 indica la posizione del numero del modello e del numero di serie sul prodotto. Scrivete i numeri negli spazi previsti.
Important: Con il vostro dispositivo mobile, potete scansionare il codice QR sull'adesivo del numero di serie (se in dotazione) per accedere a informazioni su garanzia, ricambi e altre informazioni sui prodotti.

Questo prodotto è conforme a tutte le direttive europee pertinenti. Per informazioni dettagliate vedere la Dichiarazione di Conformità (DICO) specifica del prodotto, fornita a parte.
Fate riferimento alle informazioni fornite dal proprietario del motore insieme alla macchina.
Il simbolo di avviso di sicurezza (Figura 2) che compare sia in questo manuale sia sulla macchina richiama la vostra attenzione su importanti messaggi di sicurezza di cui dovrete seguire le indicazioni per evitare incidenti.

Il simbolo di avvertimento compare sopra l'informazione che vi avverte di azioni o situazioni non sicure ed è seguito dalla parola PERICOLO, AVVERTENZA o ATTENZIONE.
PERICOLO indica una situazione di pericolo imminente che, se non evitata, determina la morte o gravi infortuni.
AVVERTENZA indica una situazione di pericolo potenziale che, se non evitata, potrebbe determinare la morte o gravi infortuni.
ATTENZIONE indica una situazione di pericolo potenziale che, se non evitata, potrebbe determinare la morte o lievi infortuni.
Per evidenziare le informazioni vengono utilizzate anche altre due parole. Importante indica informazioni meccaniche di particolare importanza e Nota evidenzia informazioni generali di particolare rilevanza.
Questo prodotto è in grado di amputare mani e piedi, e di scagliare oggetti. Rispettate sempre tutte le norme di sicurezza per evitare gravi lesioni personali.
Leggete attentamente il contenuto di questo Manuale dell'operatore prima di avviare il motore.
Non infilate le mani o i piedi accanto alle parti in movimento della macchina.
Non utilizzate la macchina senza che tutti gli schermi e gli altri dispositivi di protezione siano montati e funzionanti.
Restate lontani dall'apertura di scarico.
Tenete lontani gli astanti e i bambini dall'area operativa. Non consentite ai bambini di utilizzare la macchina. Consentite l'utilizzo della macchina solo a persone responsabili, addestrate, che abbiano familiarità con le istruzioni e fisicamente capaci.
Fermate la macchina, spegnete il motore e togliete la chiave di accensione prima di effettuare interventi di assistenza, rifornimento o disintasamento della macchina.
![]() |
Gli adesivi di sicurezza e quelli con le istruzioni sono chiaramente visibili e sono affissi accanto a zone particolarmente pericolose. Sostituite eventuali adesivi danneggiati o mancanti. |


















Prima di avviare il motore e di utilizzare la macchina, familiarizzate con tutti i comandi.

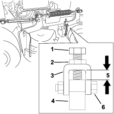
Il contaore registra il numero di ore di funzionamento del motore, e funziona quando il motore gira. Utilizzate questi tempi per la programmazione della manutenzione ordinaria (Figura 5).

L'indicatore di livello del carburante si trova sulla parte superiore centrale del serbatoio (Figura 4).
I simboli sul contaore indicano con un triangolo nero che il componente microinterruttore si trova nella giusta posizione (Figura 5).
Se girate l’interruttore a chiave in posizione ACCENSIONE per alcuni secondi, la tensione della batteria viene visualizzata nell'area in cui generalmente vengono visualizzate le ore.
La spia della batteria si accende quando inserite la chiave in posizione ACCENSIONE e quando la carica è inferiore al livello operativo corretto (Figura 5).
L’acceleratore controlla il regime motore e vanta una regolazione continua variabile dalla posizione di MINIMA a quella di MASSIMA (Figura 4).
Usate il comando dello starter per avviare il motore a freddo. Tirate verso l’alto il comando dello starter per innestare lo starter. Spingete verso il basso il comando dello starter per disinnestare lo starter.
Utilizzate l'interruttore della presa di forza (PDF) per innestare e disinnestare le lame del tosaerba (Figura 4); fate riferimento a Funzionamento della PDF.
L'interruttore a chiave, utilizzato per avviare e spegnere il motore, ha 3 posizioni: SPEGNIMENTO, FUNZIONAMENTO e AVVIAMENTO. Vedere Utilizzo dell'interruttore di accensione.
Utilizzate le leve di comando del movimento per fare marcia avanti, indietreggiare e girare la macchina nella direzione opportuna (Figura 4).
Chiudete la valvola di intercettazione del carburante durante il trasporto o il rimessaggio della macchina; fate riferimento a Utilizzo della valvola di intercettazione del carburante.
Note: Specifiche e disegno sono soggetti a variazione senza preavviso.
| Larghezza di taglio | 91 cm |
| Larghezza | 97 cm |
| Lunghezza con piattaforma abbassata | 188 cm |
| Lunghezza con piattaforma rialzata | 155 cm |
| Altezza | 122 cm |
| Peso | 352 kg |
Per ottimizzare e ampliare le applicazioni della macchina, è disponibile una gamma di attrezzi e accessori approvati da Toro per l'uso con la macchina. Richiedete la lista degli attrezzi ed accessori approvati ad un Centro Assistenza Toro o ad un Distributore autorizzati, oppure visitate www.Toro.com
Per garantire prestazioni ottimali e mantenere sempre la macchina in conformità alle norme di sicurezza, utilizzate esclusivamente ricambi e accessori originali Toro. Ricambi e accessori di altri produttori potrebbero risultare pericolosi e il loro impiego potrebbe far decadere la garanzia del prodotto.
Non permettete a bambini, ragazzi o adulti non addestrati di utilizzare la macchina. Le normative locali possono imporre limiti all'età dell'operatore. Il proprietario è responsabile dell'addestramento di tutti gli operatori e i meccanici.
Familiarizzate con il sicuro funzionamento dell'apparecchiatura, dei comandi dell'operatore e degli adesivi di sicurezza.
Imparate come arrestare la macchina e spegnere rapidamente il motore.
Verificate che comandi di presenza dell'operatore, gli interruttori di sicurezza e le protezioni siano fissati e correttamente funzionanti. Se non funzionano correttamente, non azionate la macchina.
Prima della tosatura, ispezionate sempre la macchina per garantire che lame, bulloni delle lame e gruppi di taglio siano in buone condizioni operative.
Ispezionate l'area dove utilizzerete la macchina e rimuovete tutti gli oggetti che la macchina potrebbe eventualmente scagliare.
Valutate il terreno per determinare l'attrezzatura appropriata ed eventuali attrezzi o accessori necessari per il funzionamento corretto e sicuro della macchina.
Il carburante è estremamente infiammabile ed altamente esplosivo. Un incendio o un’esplosione causati dal carburante possono ustionare voi ed altre persone e provocare danni.
Per impedire che una carica elettrostatica faccia incendiare il carburante, posate la tanica e/o la macchina direttamente a terra prima del riempimento, mai in un veicolo o su un oggetto.
Fate il pieno di carburante all'aria aperta, a motore freddo, Tergete il carburante versato.
Non maneggiate il carburante quando fumate o nelle adiacenze di una fiamma libera o di scintille.
Non rimuovete il tappo del carburante né rabboccate il carburante nel serbatoio mentre il motore è in funzione o è caldo.
Se del carburante dovesse fuoriuscire, non tentate di avviare il motore. Evitate di creare una fonte di ignizione fino a quando i vapori di carburante non saranno evaporati.
Conservate il carburante in taniche approvate, e tenetelo lontano dalla portata dei bambini.
Se ingerito, il carburante è nocivo o micidiale. L'esposizione a lungo termine ai vapori di carburante può causare gravi danni e malattie.
Evitate di respirare a lungo i vapori.
Tenete mani e viso a distanza dall'ugello e dall'apertura del serbatoio del carburante.
Tenete il carburante lontano dagli occhi e dalla pelle.
Non depositate la macchina o la tanica del carburante in presenza di fiamme libere, scintille o spie, come vicino a uno scaldabagno o altre apparecchiature.
Non riempite le taniche all'interno di un veicolo o su un autocarro o il pianale di un rimorchio con rivestimento in plastica. Prima del rabbocco, posizionate sempre le taniche di carburante sul pavimento, lontano dal veicolo.
Rimuovete l'attrezzatura dall'autocarro o rimorchio ed effettuate il rifornimento quando si trova a terra. Qualora ciò non sia possibile, fate rifornimento mediante una tanica portatile, anziché con un normale ugello erogatore del carburante.
Non utilizzate la macchina se non è montato l'impianto di scarico completo o se non è in buone condizioni di servizio.
Tenete sempre l'ugello della pompa del carburante a contatto con il bordo del serbatoio del carburante o con il foro della tanica finché non sia stato completato il rifornimento. Non utilizzate un dispositivo di apertura del blocco pompa.
Se vi siete sporcati gli indumenti con il carburante, cambiatevi immediatamente. Tergete il carburante versato.
Non riempite eccessivamente il serbatoio del carburante. Riposizionate il tappo del carburante e serrate a fondo.
Per ottenere risultati ottimali utilizzate solo benzina senza piombo fresca (con meno di 30 giorni) e pulita, di 87 o più ottani (metodo di classificazione (R+M)/2).
Etanolo: È accettabile la benzina con etanolo fino al 10% (nafta) o 15% di MTBE (metil-ter-butil-etere) per volume. L'etanolo e l'MTBE non sono la stessa cosa. Non è consentito l'utilizzo di benzina con il 15% di etanolo (E15) per volume. Non utilizzate benzina con etanolo superiore al 10% per volume, come E15 (contiene etanolo al 15%), E20 (contiene etanolo al 20%) o E85 (contiene etanolo fino all'85%). L'utilizzo di benzina non consentita può causare problemi di prestazioni e/o danni al motore non coperti dalla garanzia.
Non utilizzate benzina contenente metanolo.
Nella stagione invernale, non conservate il carburante nel serbatoio o nei contenitori senza utilizzare un apposito stabilizzatore.
Non aggiungete olio alla benzina.
Utilizzate stabilizzatore/additivo del carburante sulla macchina, per mantenere il carburante fresco più a lungo se usato come indicato dal produttore dello stabilizzatore del carburante.
Important: Non utilizzate additivi per carburante contenenti metanolo o etanolo.
Aggiungete la quantità di stabilizzatore/additivo del carburante al carburante fresco come indicato dal produttore dello stabilizzatore del carburante.
Parcheggiate la macchina su una superficie pianeggiante, disinnestate la PDF e spostate le leve di controllo del movimento, in posizione di BLOCCO IN FOLLE e inserite il freno di stazionamento.
Prima di scendere dalla postazione di guida spegnete il motore, togliete la chiave di accensione e attendete che si fermino tutte le parti in movimento.
Pulite intorno al tappo del serbatoio carburante e togliete il tappo.
Riempite il serbatoio fino alla base del bocchettone di riempimento.
Note: Non riempite completamente il serbatoio. Questo spazio consente alla benzina di espandersi.
Montate saldamente il tappo, Tergete il carburante eventualmente versato.
Ogni giorno, prima di avviare la macchina, effettuate le procedure Ogni utilizzo/Giornaliere elencate in .
I motori nuovi raggiungono la piena potenza dopo qualche tempo. I piatti di taglio e le trasmissioni, quando sono nuovi, hanno un maggiore attrito e assoggettano il motore ad un maggiore carico. Le macchine nuove hanno bisogno di un rodaggio di 40 o 50 ore prima di sviluppare la piena potenza e dare la migliore performance.
Se gli interruttori di sicurezza sono scollegati o guasti, la macchina può muoversi improvvisamente e causare incidenti.
Non manomettete i microinterruttori di sicurezza.
Controllate ogni giorno il funzionamento dei microinterruttori di sicurezza e, prima di azionare la macchina, sostituite gli interruttori guasti.
Il sistema di microinterruttori di sicurezza è progettato per evitare l'innesto della PDF a meno che non effettuiate una delle seguenti operazioni:
Spostate la leva di controllo del movimento di destra al centro, in posizione di sblocco.
Tirate l'interruttore della PDF in posizione ACCENSIONE.
Il sistema di microinterruttori di sicurezza è progettato per arrestare le lame/l'attrezzo se spostate o rilasciate entrambe le leve di controllo del movimento in posizione BLOCCO IN FOLLE.
Il contaore ha dei simboli per avvisare l'utente quando ciascun componente dei microinterruttori si trova nella giusta posizione. Quando il componente si trova nella giusta posizione, nel quadrato corrispondente si illumina un triangolo (Figura 6).

| Cadenza di manutenzione | Procedura di manutenzione |
|---|---|
| Prima di ogni utilizzo o quotidianamente |
|
Collaudate sempre il sistema di microinterruttori di sicurezza prima di utilizzare la macchina.
Note: Qualora non funzioni come descritto di seguito, fatelo riparare immediatamente da un Centro Assistenza autorizzato.
Avviate il motore; fate riferimento a Avviamento del motore.
Spostate la leva di controllo del movimento di destra al centro, in posizione di sblocco.
Note: Le lame/l'attrezzo devono arrestarsi e il motore deve smettere di funzionare.
Avviate il motore e disinserite il freno di stazionamento.
Spostate la leva di controllo del movimento di destra al centro, in posizione di sblocco.
Continuate a tenere al centro, in posizione di sblocco, la leva di controllo del movimento, tirate su l'interruttore della PDF e rilasciatelo.
Note: La frizione e le lame/l'attrezzo devono innestarsi.
Spostate o disinnestate la leva di controllo del movimento di destra in posizione di BLOCCO IN FOLLE.
Note: Le lame/l'attrezzo devono fermarsi e il motore deve continuare a funzionare.
Spingete giù l'interruttore della PDF e spostate la leva di controllo del movimento di destra al centro, in posizione di sblocco.
Continuate a tenere al centro, in posizione di sblocco, la leva di controllo del movimento, tirate su l'interruttore della PDF e rilasciatelo.
Note: La frizione e le lame/l'attrezzo devono innestarsi.
Premete l'interruttore della PDF verso il basso portandolo in posizione SPEGNIMENTO.
Note: Le lame/l'attrezzo devono fermarsi.
Con il motore in funzione, tirate su l'interruttore della PDF e rilasciatelo senza tenere la leva di controllo del movimento di destra al centro, in posizione di sblocco.
Note: Le lame/l'attrezzo non devono innestarsi.
Il proprietario/operatore è tenuto a evitare incidenti che possano causare lesioni personali o danni materiali.
Indossate un abbigliamento idoneo, inclusi occhiali di protezione, pantaloni lunghi, calzature antiscivolo robuste e protezioni per le orecchie. Legate i capelli lunghi e non indossate indumenti larghi o gioielli pendenti.
Prestate la massima attenzione mentre utilizzate la macchina. Per evitare il rischio di lesioni personali o danni materiali, non impegnatevi in attività che possano causare distrazioni.
Non utilizzate la macchina se siete malati, stanchi o se siete sotto l'effetto di alcol o droga.
Non trasportate mai passeggeri sulla macchina e tenete astanti e animali domestici a distanza dalla macchina durante l'utilizzo.
Utilizzate la macchina solo in condizioni di buona visibilità e meteo idoneo. Non utilizzate la macchina se c'è rischio di fulmini.
Erba o foglie bagnate possono causare gravi infortuni se doveste scivolare e venire a contatto con la lama. Evitate di tosare in condizioni di bagnato.
Prima di avviare il motore, assicuratevi che tutte le trasmissioni siano in posizione di folle, che il freno di stazionamento sia inserito e che vi troviate nella posizione di guida.
Accertate di avere un buon contatto dei piedi quando utilizzate la macchina, soprattutto in retromarcia.
Tenete mani e piedi a distanza dagli apparati di taglio. Restate sempre lontani dall'apertura di scarico.
Prima di fare marcia indietro, guardate indietro e in basso, assicurandovi che il percorso sia libero.
Prestate estrema cautela quando vi avvicinate a curve cieche, cespugli, alberi o altri oggetti che possano impedire la vista.
Fermate le lame ogni volta che non state effettuando la tosatura.
Spegnete la macchina, togliete la chiave dall'accensione e attendete che si fermino tutte le parti in movimento prima di ispezionare il piatto di taglio o l’attrezzo dopo avere urtato un oggetto o in caso di vibrazioni anomale della macchina. Effettuate tutte le riparazioni necessarie prima di riprendere le operazioni.
Rallentate e fate attenzione quando eseguite curve o attraversate strade e marciapiedi con la macchina. Date sempre la precedenza.
Disinnestate l'apparato di taglio e spegnete il motore prima di regolare l'altezza di taglio (a meno che non possiate regolarla dalla posizione operativa).
Azionate il motore solo in aree ben ventilate. I gas di scarico possono contenere monossido di carbonio, che è letale se inalato.
Non lasciate incustodita la macchina in funzione.
Prima di abbandonare la posizione operativa (incluso per svuotare i dispositivi di raccolta o per disintasare la guida di scarico), effettuate le seguenti operazioni:
Parcheggiate la macchina su terreno pianeggiante.
Disinnestate la presa di forza.
Inserite il freno di stazionamento.
Spegnete il motore ed estraete la chiave di accensione.
Attendete finché tutte le parti mobili si siano fermate.
Spegnete la macchina e disinnestate la trasmissione all'apparato di taglio nelle seguenti situazioni:
prima del rifornimento
prima di pulire i blocchi
prima di controllare, pulire o mantenere l'apparato di taglio
dopo avere colpito un corpo estraneo o in caso di vibrazioni anomale. Ispezionate l'apparato di taglio per escludere danni ed effettuate le riparazioni prima di avviare e utilizzare la macchina
prima di abbandonare la posizione operativa
Non usate la macchina come veicolo di traino.
Usate unicamente accessori e attrezzi approvati da The Toro® Company.
Le pendenze sono un importante fattore che influisce su incidenti causati da perdita di controllo e ribaltamento che possono provocare lesioni personali gravi o fatali. Siete responsabili del funzionamento sicuro in pendenza. L'utilizzo della macchina su qualsiasi pendenza richiede un livello superiore di attenzione. Prima di utilizzare la macchina su una pendenza, effettuate le seguenti procedure:
Rivedete e comprendete le istruzioni per le pendenze nel manuale e sulla macchina.
Valutate le condizioni del sito della giornata per determinare se la pendenza è sicura per l'utilizzo della macchina. Basatevi su buon senso e giudizio quando effettuate questa valutazione. I cambiamenti del terreno, come l'umidità, possono determinare un rapido cambiamento del funzionamento in pendenza della macchina.
Utilizzate la macchina in senso trasversale sulle pendenze, mai salendo e scendendo. Evitate l'utilizzo su pendenze eccessivamente inclinate o bagnate.
Individuate i pericoli alla base della pendenza. Non utilizzate la macchina in prossimità di scarpate, fossi, terrapieni o in presenza di acqua o altri pericoli. La macchina potrebbe ribaltarsi improvvisamente nel caso in cui una ruota ne superi il bordo o se il bordo dovesse crollare. Mantenete la distanza di sicurezza (doppia rispetto alla larghezza della macchina) tra la macchina e il pericolo. Utilizzate una macchina a spinta o uno strumento manuale per lavorare in queste zone.
Evitate di avviare, arrestare o sterzare con la macchina in pendenza. Evitate di cambiare bruscamente la velocità o la direzione; sterzate in modo lento e graduale.
Non utilizzate la macchina in presenza di condizioni che ne compromettono la trazione, il controllo della sterzata o la stabilità. Ricordate che, se la macchina viene utilizzata su erba bagnata, perpendicolarmente a una pendenza o in discesa, potrebbe perdere trazione. La perdita di trazione delle ruote motrici può comportare uno slittamento e una perdita di capacità frenante e sterzante. La macchina potrebbe slittare anche se le ruote sono ferme.
Rimuovete o segnalate gli ostacoli, come fossati, buche, solchi, dossi, rocce o altri pericoli nascosti. L'erba alta può nascondere degli ostacoli. Il terreno accidentato può ribaltare la macchina.
Prestate ulteriore attenzione durante l'utilizzo con accessori o attrezzi che possono influire sulla stabilità della macchina e farvi perdere il controllo. Seguite le istruzioni per i contrappesi.
Se doveste perdere il controllo della macchina, scendete e allontanatevi dalla direzione della macchina.
Inserite sempre il freno di stazionamento quando spegnete la macchina o quando la lasciate incustodita. Prima dell'uso verificate sempre che il freno di stazionamento funzioni correttamente.
Se il freno di stazionamento non è saldo, regolatelo; fate riferimento a Regolazione dei freni.
Tirate indietro la leva del freno di stazionamento per inserirla (Figura 7).
Spingete in avanti la leva del freno di stazionamento per disinserirla.

Utilizzate l'interruttore della presa di forza (PDF) in combinazione con le leve di controllo del movimento per innestare e disinnestare le lame del tosaerba o gli attrezzi alimentati.

Potete spostare il comando dell'acceleratore tra le posizioni MASSIMA e MINIMA (Figura 11).
Utilizzate sempre la posizione MASSIMA durante l'innesto della PDF.

Important: Non utilizzate il motorino di avviamento per più di 5 secondi alla volta. Se il motore non si avvia, attendete 15 secondi prima di riprovare. La mancata osservanza di queste istruzioni può fare bruciare il motorino di avviamento.
Note: Può essere necessario ripetere il ciclo di avviamento del motore la prima volta che lo avviate dopo avere lasciato l'impianto di alimentazione completamente vuoto di carburante.


Important: Non utilizzate il motorino di avviamento per più di 5 secondi alla volta. Se il motore non si avvia, attendete 15 secondi prima di riprovare. La mancata osservanza di queste istruzioni può fare bruciare il motorino di avviamento.
Note: Con il motore tiepido o caldo non è sempre necessario strozzare l'afflusso dell'aria.
Note: Può essere necessario ripetere il ciclo di avviamento del motore la prima volta che lo avviate dopo avere lasciato l'impianto di alimentazione completamente vuoto di carburante.

Bambini ed altre persone potrebbero ferirsi se dovessero spostare o cercare di azionare la macchina quando è incustodita.
Togliete sempre la chiave e inserite il freno di stazionamento prima di lasciare la posizione dell'operatore.
Lasciate girare il motore alla minima (tartaruga) per 60 secondi prima di postare l'interruttore a chiave in posizione di SPEGNIMENTO.

Important: Verificate che la valvola d'intercettazione del carburante sia chiusa prima di trasferire la macchina o del rimessaggio, per evitare perdite di carburante. Prima di riporre la macchina in rimessa, scollegate il cappellotto (o cappellotti) dalla candela per impedire il rischio di avviamento accidentale della macchina.
Potete utilizzare la macchina con la piattaforma in posizione rialzata o abbassata. La scelta della posizione è a vostra discrezione.
La piattaforma dell'operatore è pesante e può causare infortuni quando la sollevate o abbassate. Abbassate o sollevate attentamente la piattaforma dell'operatore, dal momento che un abbassamento improvviso potrebbe causarvi infortuni.
Non mettere le mani o le dita nell'area di articolazione della piattaforma quando viene abbassata o sollevata.
Accertatevi che la piattaforma abbia un supporto adeguato quando estraete il perno di bloccaggio.
Controllate che il perno tenga fissa la piattaforma quando viene piegata nella posizione rialzata. Spingetela stretta contro il cuscino per fissare in posizione il perno di bloccaggio.
Durante il sollevamento e l'abbassamento della piattaforma mantenete gli astanti lontani dalla macchina.
Utilizzate la macchina con la piattaforma rialzata nelle seguenti condizioni:
Utilizzo della macchina vicino a scarpate
Utilizzo della macchina in aree confinate dove la macchina è troppo grande
Aree con rami bassi od ostacoli
Carico della macchina per trasportarla
Guidate in salita
Per sollevare la piattaforma, alzate la parte posteriore della piattaforma in modo che il perno di bloccaggio e la manopola la fissino in posizione. Spingetela stretta contro il cuscino per fissare in posizione il perno di bloccaggio.
Utilizzate la macchina con la piattaforma abbassata nelle seguenti condizioni:
Utilizzo della macchina nella maggior parte delle aree
Guida sulle pendenze in senso orizzontale
Guida in discesa
Per abbassare la piattaforma, spingete in avanti la piattaforma contro il cuscino per allentare la pressione sul perno di bloccaggio, quindi estraete la manopola e abbassate la piattaforma (Figura 17).

Il comando dell'acceleratore regola la velocità del motore, misurata in giri al minuto. Posizionate il comando dell'acceleratore in posizione di MASSIMA per ottenere prestazioni ottimali.
La macchina può girare molto rapidamente e potreste perdere il controllo della macchina, causando lesioni personali a voi e danni alla macchina.
Rallentate prima di prendere curve strette.
Disinnestate il freno di stazionamento; fate riferimento a Azionamento del freno di stazionamento.
Spostate la leva di controllo del movimento di destra al centro, in posizione di sblocco.

Spostate la leva di comando della velocità alla velocità desiderata.
Spingete lentamente in avanti le leve di controllo del movimento (Figura 19).
Note: Il motore si spegne se spostate una leva di controllo del movimento con il freno di stazionamento inserito.
Note: Più spostate le leve di comando del movimento in una direzione o nell'altra, più velocemente si sposterà la macchina in tale direzione.
Note: Per fermarvi tirate indietro in FOLLE le leve di controllo del movimento.

Spostate la leva di controllo del movimento di destra al centro, in posizione di sblocco.
Tirate lentamente indietro le leve di controllo del movimento (Figura 20).

L'altezza di taglio può essere regolata da 25 a 127 mm, con incrementi di 6 mm.
Spostate la leva dell'altezza di taglio nella posizione di trasporto (completamente alzata).
Ruotate il perno di 90 gradi e toglietelo dalla staffa dell'altezza di taglio.
Nella staffa dell'altezza di taglio scegliete un foro corrispondente all'altezza richiesta, ed inserite il perno (Figura 21 ).
Premete il pulsante all'estremità della leva e abbassate la leva dell'altezza di taglio al livello del perno (Figura 21).

Montate pesi per migliorare l'equilibrio. Potete aggiungere o rimuovere i pesi per creare prestazioni ottimali secondo le diverse condizioni operative e a vostra discrezione.
Aggiungete o rimuovete un peso per volta, fino a raggiungere la movimentazione e l'equilibrio desiderati.
Fate riferimento al Manuale dell'operatore degli attrezzi per i pesi raccomandati.
Note: Contattate il Centro assistenza autorizzato per ordinare un kit zavorra.
Cambiamenti di peso eccessivi possono alterare la movimentazione e il funzionamento della macchina. Ciò può provocare gravi lesioni a voi e agli astanti.
Operate cambiamenti di peso solo a piccoli incrementi.
Valutate la macchina dopo ciascun cambio di zavorra per garantire di poter utilizzare la macchina in sicurezza.
Spegnete sempre la macchina, attendete che tutte le parti in movimento si arrestino e lasciate raffreddare la macchina prima di eseguire interventi di riparazione, manutenzione, pulizia o di rimessarla.
Pulite erba e detriti dagli apparati di taglio, marmitte e vano motore, per aiutare a evitare incendi. Tergete l'olio o il carburante versati.
Chiudete il carburante prima di effettuare il rifornimento o il trasporto della macchina.
Disinnestate la PDF ogniqualvolta trasportate o non utilizzate la macchina.
Non depositate mai la macchina o la tanica del carburante in presenza di fiamme libere, scintille o spie, come vicino a uno scaldabagno o altre apparecchiature.
Utilizzate rampe di larghezza massima per caricare la macchina su un rimorchio o un autocarro.
Fissate saldamente la macchina in basso utilizzando cinghie, catene, cavi o corde. Sia la cinghia anteriore, sia quella posteriore dovranno essere rivolte verso il basso e all'esterno rispetto alla macchina.
Prima di trasferire la macchina, eseguire operazioni di manutenzione o di riporla in rimessa, chiudete la valvola di intercettazione del carburante (Figura 22).
Quando accendete il motore, assicuratevi che la valvola di intercettazione del carburante sia aperta.


Le valvole di bypass permettono di spingere la macchina a mano senza il motore acceso.
Important: Spingete sempre la macchina a mano, non trainatela, in quanto potrebbe verificarsi un danno idraulico.
Important: Non avviate né utilizzate il tosaerba con le valvole di bypass aperte, potreste danneggiare il sistema.
Disinnestate la PDF, spostate le leve di controllo del movimento in posizione di BLOCCO IN FOLLE e inserite il freno di stazionamento.
Abbassate la scocca del tosaerba al livello dell’altezza di taglio (HOC) minima.
Note: Questa operazione permette di accedere alle valvole di bypass.
Aprite la valvola di bypass su entrambe le pompe facendole ruotare in senso antiorario di 1 o 2 giri (Figura 23).
Note: Il fluido idraulico bypassa quindi le pompe, consentendo alle ruote di girare.
Note: Girate le valvole di bypass di un massimo di due giri, in modo che la valvola non esca dal corpo ed il fluido non fuoriesca.

Disinnestate il freno di stazionamento.
Spingete la macchina a destinazione.
Inserite il freno di stazionamento.
Chiudete le valvole di bypass, senza serrarle troppo.
Serrate le valvole a un valore compreso tra 12 e 15 N∙m.
Per trasportare la macchina usate un rimorchio per servizio pesante o un autocarro. Utilizzate una rampa di larghezza massima. Controllate che il rimorchio, o l'autocarro, sia provvisto dei freni, delle luci e dei segnali richiesti per legge. Leggete attentamente tutte le istruzioni di sicurezza. La conoscenza di queste informazioni potrebbe aiutare voi e gli astanti ad evitare infortuni. Fate riferimento alle vostre ordinanze locali per i requisiti di ancoraggio e del rimorchio.
Non guidate su strade o superstrade se non avete le luci di direzione, fari, catarifrangenti o un cartello di veicolo lento; ciò è pericoloso e può causare incidenti e ferite.
Non guidate la macchina su strade pubbliche o superstrade.
Quando si carica la macchina su un trailer o un autocarro si aumenta il rischio di ribaltamento, che può causare gravi ferite ed anche la morte (Figura 24).
Usate solo una rampa di larghezza massima, non singole rampe per ciascun lato della macchina.
Assicuratevi che la lunghezza della rampa sia almeno il quadruplo dell'altezza dell'autocarro o rimorchio fino al terreno.

Quando si carica la macchina su un trailer o un autocarro si aumenta il rischio di ribaltamento, che può causare gravi ferite ed anche la morte.
Prestate la massima attenzione quando guidate la macchina su una rampa.
Risalite in retromarcia la rampa e scendete dalla rampa in marcia avanti procedendo lentamente.
Evitate accelerazioni o decelerazioni improvvise mentre guidate la macchina su una rampa, dal momento che potrebbero causare una perdita di controllo o il ribaltamento.
Se usate un rimorchio, collegatelo al veicolo trainante per mezzo di catene di sicurezza.
Se del caso, collegate i freni e le luci del rimorchio.
Abbassate la rampa (Figura 24).
Sollevate la piattaforma.
Important: Tenete sempre sollevata la piattaforma durante il carico e lo scarico della macchina.
Risalite in retromarcia la rampa (Figura 25).

Spegnete il motore, togliete la chiave e inserite il freno di stazionamento.
Ancorate la macchina accanto alle ruote orientabili anteriori e al paraurti posteriore con cinghie, catene, cavi o corde (Figura 26). Fate riferimento ai regolamenti locali per i requisiti di ancoraggio.

Note: Stabilite i lati sinistro e destro della macchina rispetto alla normale posizione di guida.
Se lasciate la chiave di accensione nell'interruttore, qualcuno potrebbe accidentalmente avviare il motore e ferire gravemente voi od altre persone.
Togliete la chiave di accensione dall'interruttore prima di eseguire qualsiasi intervento di manutenzione.
Prima di effettuare interventi di regolazione, pulizia, manutenzione o prima di abbandonare la macchina, effettuate quanto segue:
Parcheggiate la macchina su terreno pianeggiante.
Disinnestate le trasmissioni.
Inserite il freno di stazionamento.
Spegnete il motore ed estraete la chiave di accensione.
Attendete finché tutte le parti mobili si siano fermate.
Lasciate che i componenti della macchina si raffreddino prima di effettuare la manutenzione.
Non affidate la manutenzione della macchina a personale non addestrato.
Tenete mani e piedi a distanza dalle parti mobili. Se possibile, non eseguite regolazioni mentre il motore è in funzione.
Scaricate con cautela la pressione dai componenti che hanno accumulato energia.
Verificate di frequente il funzionamento del freno di stazionamento. Regolatelo e provvedete alla revisione come opportuno.
Non manomettete i dispositivi di sicurezza. Controllatene il funzionamento ad intervalli regolari.
Per prevenire un incendio, eliminate erba e detriti dall'apparato di taglio, dalle trasmissioni, dalla marmitta e dal motore. Tergete l'olio o il carburante versati.
Verificate frequentemente i componenti del sistema di raccolta e sostituiteli quando sono usurati o danneggiati.
Non affidatevi all'impianto idraulico per il supporto della macchina: supportatela con cavalletti metallici ogni volta che la sollevate.
Mantenete tutte le parti in buone condizioni operative e tutti i raccordi idraulici ben serrati. Sostituite tutti gli adesivi usurati, danneggiati o mancanti. Mantenete adeguatamente serrati tutti i dispositivi di fissaggio, per assicurarvi che la macchina funzioni nelle migliori condizioni di sicurezza.
Per garantire prestazioni ottimali e mantenere sempre la macchina in conformità alle norme di sicurezza, utilizzate esclusivamente ricambi e accessori originali Toro. Ricambi e accessori di altri produttori potrebbero risultare pericolosi e il loro impiego potrebbe far decadere la garanzia del prodotto.
| Cadenza di manutenzione | Procedura di manutenzione |
|---|---|
| Dopo le prime 8 ore |
|
| Prima di ogni utilizzo o quotidianamente |
|
| Ogni 25 ore |
|
| Ogni 50 ore |
|
| Ogni 100 ore |
|
| Ogni 200 ore |
|
| Ogni 250 ore |
|
| Ogni 300 ore |
|
| Ogni 500 ore |
|
| Ogni 800 ore |
|
| Prima del rimessaggio |
|
| Ogni anno |
|
Important: Per ulteriori interventi di manutenzione si rimanda al manuale d'uso del motore.
Potete sollevare la parte anteriore del tosaerba e sorreggerla nella parte posteriore per potervi accedere da sotto la macchina per esigenze di manutenzione.
Parcheggiate la macchina su una superficie pianeggiante, disinnestate la PDF e inserite il freno di stazionamento.
Prima di scendere dalla postazione di guida spegnete il motore, togliete la chiave di accensione e attendete che si fermino tutte le parti in movimento.
Sollevate la piattaforma; fate riferimento a Utilizzo della piattaforma.
Rimuovete la batteria; vedere Rimozione della batteria.

Spurgate il carburante dal serbatoio; fate riferimento a Spurgo del serbatoio del carburante.
Togliete il tappo del serbatoio idraulico e mettete un pezzo di plastica sull'apertura, quindi inserite il tappo idraulico (Figura 28).
Note: In tal modo il serbatoio idraulico è sigillato e non ha perdite.

In 2 persone, sollevate la parte anteriore del tosaerba in modo che poggi sulle ruote motrici e la piattaforma si trovi in posizione rialzata (Figura 29).
Eseguite le operazioni di manutenzione sulla macchina.
In 2 persone, abbassate la parte anteriore del tosaerba fino al suolo.
Togliete la plastica sotto il tappo del serbatoio idraulico (Figura 28).
Montate la batteria per la macchina (Figura 27).


Potete sganciare il cuscino per accedere posteriormente alla macchina per lavori di manutenzione o regolazione.
Abbassate la piattaforma.
Togliete le coppiglie su ogni lato del cuscino.
Fate scorrere le rondelle grandi con le boccole di plastica verso l'interno.
Staccate il cuscino e abbassatelo al livello della piattaforma.
Eseguite le operazioni di manutenzione o di regolazione sulla macchina.
Sollevate il cuscino e inseritelo nei perni su entrambi i lati della macchina (Figura 30).
Inserite le rondelle grandi con boccole di plastica nelle staffe del cuscino e fissatele con una coppiglia (Figura 30).

Per montare i copricinghia eseguite la procedura in ordine inverso.
Allentate i 2 bulloni di spallamento e la vite (Figura 31).

Togliete il coperchio.
Per montare le protezioni eseguite la procedura in ordine inverso.
Rimuovete i copricinghia; fate riferimento a Rimozione dei copricinghia.
Rimuovete i bulloni flangiati (¼" x ¾") e allentate il bullone di spallamento sul lato destro della macchina (Figura 32). Rimuovete la protezione.

Rimuovete il bullone flangiato e allentate il bullone di spallamento sul lato sinistro della macchina. Rimuovete la protezione.

| Cadenza di manutenzione | Procedura di manutenzione |
|---|---|
| Ogni 50 ore |
|
Tipo di grasso: grasso al litio o molibdeno
Parcheggiate la macchina su una superficie pianeggiante, disinnestate la PDF e inserite il freno di stazionamento.
Prima di scendere dalla postazione di guida spegnete il motore, togliete la chiave di accensione e attendete che si arrestino tutte le parti in movimento.
Pulite i raccordi d’ingrassaggio con un cencio.
Note: Raschiate via eventuale vernice dalla parte anteriore del/i raccordo/i.
Collegate al raccordo d’ingrassaggio un ingrassatore a pressione.
Pompate del grasso nel raccordo finché non inizia a fuoriuscire dai cuscinetti.
Tergete il grasso superfluo.
Fate riferimento alla Figura 34 e alla Figura 35 per individuare i punti d'ingrassaggio.


| Cadenza di manutenzione | Procedura di manutenzione |
|---|---|
| Ogni anno |
|
Tipo di grasso: grasso al litio o molibdeno
Togliete il coperchietto antipolvere e regolate i bracci orientabili, fate riferimento a Regolazione del cuscinetto del braccio orientabile della ruota.
Note: Montate il coperchietto antipolvere solo dopo aver terminato l'ingrassaggio dei perni delle ruote orientabili.
Togliete il tappo esagonale.
Inserite nel foro un raccordo d'ingrassaggio (¼" – 28, filettatura rastremata).
Pompate del grasso nel raccordo finché non fuoriesce attorno al cuscinetto superiore.
Togliete il raccordo d'ingrassaggio dal foro.
Montate il tappo esagonale e il coperchietto antipolvere.
| Cadenza di manutenzione | Procedura di manutenzione |
|---|---|
| Ogni anno |
|
Tipo di grasso: grasso al litio o molibdeno
Parcheggiate la macchina su una superficie pianeggiante, disinnestate la PDF e inserite il freno di stazionamento.
Prima di scendere dalla postazione di guida spegnete il motore, togliete la chiave di accensione e attendete che si fermino tutte le parti in movimento.
Togliete la ruota orientabile dalle forcelle orientabili.
Togliete le protezioni di tenuta dal mozzo della ruota (Figura 36).

Togliete un dado distanziale dal gruppo asse nella ruota orientabile.
Note: L'adesivo bloccafiletti è stato applicato per bloccare i dadi distanziali sull'asse. Togliete l'asse (con l'altro dado distanziale ancora collegato) dal gruppo ruota.
Rimuovete le guarnizioni, verificate che i cuscinetti non siano usurati o danneggiati e, se necessario, sostituiteli.
Tamponate i cuscinetti di grasso universale.
Inserite 1 cuscinetto e 1 nuova guarnizione nella ruota.
Note: Occorre sostituire le guarnizioni.
Se dal gruppo asse sono stati rimossi entrambi i dadi distanziali (guasti o allentati), applicate un adesivo bloccafiletti a un dado distanziale e avvitatelo all'asse con le spianature per la chiave rivolte verso l'esterno.
Note: Non avvitate completamente il dado distanziale all'estremità dell'asse. Lasciate circa 3 mm dalla superficie esterna del dado distanziale all'estremità dell'asse all'interno del dado.
Inserite nella ruota il dado e l'asse assemblati sul lato con il cuscinetto e una nuova guarnizione.
Con l'estremità aperta della ruota rivolta verso l'alto, riempite l'area della ruota attorno all'asse con grasso universale.
Inserite il secondo cuscinetto e una nuova guarnizione nella ruota.
Applicate un adesivo bloccafiletti al secondo dado distanziale e inseritelo nell'asse con le spianature per la chiave rivolte verso l'esterno.
Serrate il dado a 8–9 N∙m, allentatelo e serratelo nuovamente a 2–3 N∙m.
Note: Assicuratevi che l’asse non protenda oltre uno dei dadi.
Installate le protezioni di tenuta sui mozzi della ruota e inserite la ruota nella forcella orientabile.
Installate il bullone orientabile e serrate il dado non completamente.
Important: Per evitare danni alla guarnizione e al cuscinetto, verificate spesso la regolazione del cuscinetto ruotando la ruota orientabile. La ruota non dovrebbe ruotare liberamente (più di 1 o 2 giri) o avere gioco laterale. Se la ruota gira liberamente, regolate il movimento torcente sul dado distanziale fino ad avvertire una leggera resistenza e applicate un adesivo bloccafiletti.
Prima di controllare l'olio o di rabboccare la coppa, spegnete il motore.
Tenete mani, piedi, viso, abbigliamento e altre parti del corpo lontano dalla marmitta e altre superfici calde.
| Cadenza di manutenzione | Procedura di manutenzione |
|---|---|
| Ogni 300 ore |
|
Controllare gli elementi in schiuma sintetica e di carta e sostituiteli se sono danneggiati o eccessivamente sporchi.
Important: Non lubrificate l'elemento in schiuma sintetica o di carta.
Parcheggiate la macchina su una superficie pianeggiante, disinnestate la PDF e inserite il freno di stazionamento.
Prima di scendere dalla postazione di guida spegnete il motore, togliete la chiave di accensione e attendete che si fermino tutte le parti in movimento.
Pulite intorno al filtro dell’aria per evitare che la morchia possa penetrare nel motore provocando gravi danni (Figura 37).
Allentate le manopole del coperchio e rimuovete il coperchio del filtro dell'aria (Figura 37).
Allentate la fascetta stringitubo e rimuovete il gruppo filtro dell'aria (Figura 37).
Tirate via con cautela l'elemento in schiuma sintetica dall'elemento di carta (Figura 37).

| Cadenza di manutenzione | Procedura di manutenzione |
|---|---|
| Ogni 25 ore |
|
Lavate l'elemento in schiuma sintetica con acqua tiepida e sapone. Quando è pulito, risciacquatelo accuratamente.
Asciugate l'elemento premendolo in un panno pulito.
Important: Sostituite l'elemento in schiuma sintetica se fosse danneggiato o usurato.
| Cadenza di manutenzione | Procedura di manutenzione |
|---|---|
| Ogni 100 ore |
|
| Ogni 200 ore |
|
Pulite l'elemento di carta picchiettandolo delicatamente per rimuovere la polvere.
Note: Se è molto sporco, sostituite l'elemento di carta con un elemento nuovo.
Controllate che l'elemento non sia strappato, che non vi siano strati untuosi, e che la tenuta in gomma non sia danneggiata.
Sostituite l’elemento di carta se è danneggiato.
Important: Non pulite il filtro primario di carta.
Important: Per prevenire danni al motore, utilizzatelo sempre con gli elementi di carta e schiuma sintetica montati.
Tipo di olio: olio detergente (API service SJ o superiore)
Capacità dell'olio motore: 1,7 litri con filtro; 1,5 litri senza filtro
Viscosità: vedere la tabella sottostante:

| Cadenza di manutenzione | Procedura di manutenzione |
|---|---|
| Prima di ogni utilizzo o quotidianamente |
|
Note: Controllate l'olio a motore freddo.
Il contatto con superfici calde può causare infortuni.
Tenete mani, piedi, viso, abbigliamento e altre parti del corpo lontano dalla marmitta e altre superfici calde.
Important: Non riempite eccessivamente d'olio il carter, o potreste danneggiare il motore. Non fate funzionare il motore se l'olio non raggiunge il segno di basso livello, perché potreste danneggiare il motore.
Parcheggiate la macchina su una superficie pianeggiante, disinnestate la PDF e inserite il freno di stazionamento.
Prima di scendere dalla postazione di guida spegnete il motore, togliete la chiave di accensione e attendete che si fermino tutte le parti in movimento.
Controllate il livello dell'olio motore come mostrato nella (Figura 39).


| Cadenza di manutenzione | Procedura di manutenzione |
|---|---|
| Dopo le prime 8 ore |
|
| Ogni 100 ore |
|
Note: Consegnate l'olio usato ad un centro di raccolta.
Parcheggiate la macchina in modo che il lato di spurgo sia leggermente più basso rispetto al lato opposto, per garantire l'efflusso completo dell'olio.
Disinnestate la PDF, spostate le leve di controllo del movimento in posizione di BLOCCO IN FOLLE e inserite il freno di stazionamento.
Prima di scendere dalla postazione di guida spegnete il motore, togliete la chiave di accensione e attendete che si fermino tutte le parti in movimento.
Cambiate l'olio motore come mostrato in Figura 40.


Versate lentamente circa l'80% dell'olio indicato nel tubo di rifornimento e sempre con cautela rabboccate l'olio necessario per portarlo alla tacca di Pieno (Figura 41).

Avviate il motore e guidate verso una zona pianeggiante:
Controllate nuovamente il livello dell'olio.
| Cadenza di manutenzione | Procedura di manutenzione |
|---|---|
| Ogni 200 ore |
|
Note: Cambiate il filtro dell'olio del motore più spesso in ambienti particolarmente sporchi o polverosi).
Spurgate l'olio dal motore; vedere Cambio dell'olio motore.
Cambiate il filtro dell'olio del motore (Figura 42).


Note: Assicuratevi che la guarnizione del filtro dell'olio tocchi il motore e poi ruotate il filtro di altri 3/4 di giro.
Riempire la coppa dell'olio con olio nuovo adatto; vedere Specifiche dell'olio motore.
| Cadenza di manutenzione | Procedura di manutenzione |
|---|---|
| Ogni 100 ore |
|
Prima di montare la candela accertatevi che la distanza tra gli elettrodi centrali e laterali sia corretta.
Utilizzate una chiave per candele per la rimozione ed il montaggio della candela (o candele), ed un calibro/spessimetro per il controllo e la regolazione della distanza fra gli elettrodi. Se necessario, montate una nuova candela (o nuove candele).
Tipo: NGK® BPR4ES o equivalente
Distanza tra gli elettrodi: 0,76 mm
Parcheggiate la macchina su una superficie pianeggiante, disinnestate la PDF e inserite il freno di stazionamento.
Prima di scendere dalla postazione di guida spegnete il motore, togliete la chiave di accensione e attendete che si fermino tutte le parti in movimento.
Rimuovete la candela come illustrato nella Figura 43.


Important: Non pulite la/e candela/e. Sostituite sempre la candela (o candele) in caso di patina nera sull'isolatore, elettrodi usurati, pellicola d'olio oppure crepe.
Se l'isolatore è marrone chiaro o grigio, il motore funziona correttamente. Una patina nera sull'isolatore significa in genere che il filtro dell'aria è sporco.
Regolate la distanza a 0,76 mm.


| Cadenza di manutenzione | Procedura di manutenzione |
|---|---|
| Ogni 50 ore |
|
I componenti caldi del sistema di scarico potrebbero incendiare i vapori di carburante anche dopo lo spegnimento del motore. Particelle calde espulse durante il funzionamento del motore possono fare incendiare i materiali infiammabili, determinando lesioni personali o danni alla proprietà.
Non effettuate il rifornimento o non avviate il motore finché il parascintille non sarà installato.
Parcheggiate la macchina su una superficie pianeggiante, disinnestate la PDF e inserite il freno di stazionamento.
Prima di scendere dalla postazione di guida spegnete il motore, togliete la chiave di accensione e attendete che si fermino tutte le parti in movimento.
Aspettate che la marmitta si raffreddi.
Se rilevate rotture della griglia o delle saldature, sostituite il parascintille.
Se la griglia è intasata, rimuovete il parascintille, scuotete le particelle sciolte per eliminarle e pulite la griglia con una spazzola metallica (se necessario immergete la griglia nel solvente).
Installate il parascintille sull'uscita di scarico.
Note: Utilizzate una pompa a mano per spurgare il carburante dal serbatoio. Potete acquistare una pompa a mano presso un negozio di ferramenta.
In talune condizioni, il carburante è estremamente infiammabile ed altamente esplosivo. Un incendio o un'esplosione causati dal carburante possono ustionare voi e terzi, oltre a danneggiare la proprietà.
Eseguite qualsiasi intervento di manutenzione connesso al carburante quando il motore è freddo. Eseguite questa operazione all'aperto, e tergete il carburante versato.
Non fumate mai quando spurgate il carburante, e state lontani da fiamme vive o dove una scintilla possa accendere i fumi di carburante.
Parcheggiate la macchina su una superficie pianeggiante, disinnestate la PDF e inserite il freno di stazionamento.
Prima di scendere dalla postazione di guida spegnete il motore, togliete la chiave di accensione e attendete che si fermino tutte le parti in movimento.
Pulite attorno al tappo del carburante per evitare che i detriti finiscano nel serbatoio del carburante (Figura 46).
Togliete il tappo del carburante.
Inserite una pompa a mano nel serbatoio del carburante.
Servendovi della pompa a mano, travasate il carburante in una tanica pulita adatta (Figura 46).
Tergete il carburante eventualmente versato.

| Cadenza di manutenzione | Procedura di manutenzione |
|---|---|
| Ogni 800 ore |
|
Non montate un filtro sporco qualora sia stato staccato dal tubo del carburante.
Note: Tergete il carburante eventualmente versato.
Parcheggiate la macchina su una superficie pianeggiante, disinnestate la PDF e inserite il freno di stazionamento.
Prima di scendere dalla postazione di guida spegnete il motore, togliete la chiave di accensione e attendete che si fermino tutte le parti in movimento.
Chiudete la valvola di intercettazione del carburante; fate riferimento a Utilizzo della valvola di intercettazione del carburante.
Riposizionate il filtro del carburante come mostrato nella Figura 47.

Prima di eseguire qualsiasi riparazione, scollegate la batteria o rimuovete i cappellotti dalla candela. Scollegate prima il morsetto negativo, per ultimo quello positivo. Collegate prima il morsetto positivo, per ultimo quello negativo.
Caricate la batteria in un'area aperta e ben ventilata, lontano da fiamme e scintille. Togliete la spina del caricabatterie prima di collegare o scollegare la batteria. Indossate indumenti di protezione e adoperare utensili isolati.
| Cadenza di manutenzione | Procedura di manutenzione |
|---|---|
| Ogni 100 ore |
|
Tenete sempre la batteria carica e pulita. Pulite la cassetta della batteria con una salvietta di carta. Se i morsetti delle batterie presentano segni di corrosione, puliteli con una soluzione di quattro parti di acqua ed una di bicarbonato di sodio. Lubrificate leggermente i morsetti della batteria con del grasso per prevenirne la corrosione.
Tensione: 12 V
Parcheggiate la macchina su una superficie pianeggiante, disinnestate la PDF e inserite il freno di stazionamento.
Prima di scendere dalla postazione di guida spegnete il motore, togliete la chiave di accensione e attendete che si arrestino tutte le parti in movimento.
Rimuovete la batteria come illustrato nella Figura 48.

Durante la ricarica della batteria si sviluppano gas esplosivi.
Non fumate mai nelle adiacenze della batteria e tenetela lontano da scintille e fiamme.
Important: Per prevenire danni, tenete sempre la batteria completamente carica (gravità specifica 1,265) quando la temperatura è inferiore a 0° C.
Togliete la batteria dal telaio; vedere Rimozione della batteria.
Controllate il livello dell'elettrolito.
Verificate che i tappi di riempimento siano montati sulla batteria.
Caricate la batteria per un’ora a 25 - 30 A o per 6 ore a 4–6 A.
Quando le batterie sono completamente cariche, staccate il caricabatterie dalla presa elettrica e scollegate i cavi di ricarica dai poli delle batterie (Figura 49).
Montate la batteria nella macchina e collegate i cavi; vedere Montaggio della batteria.
Note: Non usate la macchina se la batteria è scollegata, o danneggerete l’impianto elettrico.

Montate la batteria come illustrato nella Figura 50.

L'impianto elettrico è protetto da fusibili. che non richiede manutenzione. se dovesse saltare un fusibile, controllate che il componente ed il circuito non siano guasti o in cortocircuito.
Parcheggiate la macchina su una superficie pianeggiante, disinnestate la PDF e inserite il freno di stazionamento.
Prima di scendere dalla postazione di guida spegnete il motore, togliete la chiave di accensione e attendete che si fermino tutte le parti in movimento.
Sganciate il cuscino dell'operatore dalla parte posteriore della macchina.
Estraete il fusibile e sostituitelo (Figura 51).
Montate il cuscino dell'operatore.

Se spingete entrambe le leve di controllo del movimento in avanti della stessa distanza e la macchina tende verso un lato, regolate l'allineamento come segue.
Parcheggiate la macchina su una superficie pianeggiante, disinnestate la PDF e inserite il freno di stazionamento.
Prima di scendere dalla postazione di guida spegnete il motore, togliete la chiave di accensione e attendete che si fermino tutte le parti in movimento.
Sganciate il cuscino dalla parte posteriore della macchina.
Ruotate il dispositivo di regolazione del cavo destro in modo da posizionare la leva di controllo del movimento destra al centro della fessura di blocco in folle del pannello di controllo (Figura 53).

Ruotate il dispositivo di regolazione del cavo sinistro per impostare la velocità della ruota sinistra alla velocità della ruota destra precedentemente impostata.
Regolate a incrementi di un quarto di giro finché la macchina non procede in linea retta.
Note: Regolate soltanto il cavo di sinistra per impostare la velocità della ruota sinistra alla velocità della ruota destra. Non regolate la velocità della ruota destra poiché questa operazione sposterebbe la leva di controllo del movimento destra decentrata rispetto alla fessura di blocco in folle del pannello di controllo.

Verificate il corretto allineamento.
Note: Se la macchina non si avvia dopo la regolazione dell'allineamento, verificate che l'indicazione sull'interruttore di prossimità sia allineata con il bullone fissato alla leva di controllo del movimento; fate riferimento a Regolazione dell'interruttore di prossimità.
Ripetete la regolazione del cavo finché l'allineamento non è corretto.
Controllate che la macchina non si sposti dalla posizione di folle con il freno di stazionamento disinserito.
Important: Non girate troppo la tiranteria, altrimenti la macchina potrebbe spostarsi in folle.
Seguite questa procedura se la macchina non si avvia dopo la regolazione dell'allineamento.
Accertate che il bullone fissato alla leva di controllo del movimento sia allineato con l'indicazione sull'interruttore di prossimità (Figura 54).
Allentate eventualmente i bulloni e regolate l'interruttore di prossimità in modo che l'indicazione sia allineata con il bullone fissato alla leva di controllo del movimento (Figura 54).
Verificate che la distanza del bullone dall'interruttore di prossimità sia compresa tra 0,51 e 1,02 mm come mostrato in (Figura 54).
All’occorrenza, allentate il controdado e regolate il bullone alla distanza corretta.
Serrate il controdado dopo avere regolato il bullone (Figura 54).
Testate il sistema di microinterruttori di sicurezza prima di utilizzare la macchina.

| Cadenza di manutenzione | Procedura di manutenzione |
|---|---|
| Ogni 50 ore |
|
Mantenete la pressione dell'aria negli pneumatici posteriori tra 0,83 e 0,97 bar.
Important: La pressione irregolare degli pneumatici può causare un taglio irregolare.
Note: Le ruote anteriori sono semi-pneumatiche e non necessitano di alcun controllo della pressione.

| Cadenza di manutenzione | Procedura di manutenzione |
|---|---|
| Ogni 500 ore |
|
Parcheggiate la macchina su una superficie pianeggiante, disinnestate la PDF e inserite il freno di stazionamento.
Prima di scendere dalla postazione di guida spegnete il motore, togliete la chiave di accensione e attendete che si fermino tutte le parti in movimento.
Togliete il coperchietto antipolvere dalla ruota orientabile e serrate il dado di bloccaggio (Figura 56).
Serrate il dado di bloccaggio finché le rondelle elastiche non sono piatte, quindi allentate di un quarto di giro per mettere punto il precarico sui cuscinetti (Figura 56).
Important: Verificate che le rondelle elastiche siano correttamente montate, come riportato nella Figura 56.
Montate il coperchietto antipolvere (Figura 56).

| Cadenza di manutenzione | Procedura di manutenzione |
|---|---|
| Ogni 100 ore |
|
È possibile regolare la frizione per garantire il corretto funzionamento delle operazioni di innesto e frenatura.
Parcheggiate la macchina su una superficie pianeggiante, disinnestate la PDF e inserite il freno di stazionamento.
Prima di scendere dalla postazione di guida spegnete il motore, togliete la chiave di accensione e attendete che si fermino tutte le parti in movimento.
Inserite uno spessimetro di 0,4–0,5 mm attraverso una fessura d'ispezione sul lato del gruppo.
Note: Assicuratevi che si trovi tra le superfici di frizione dell'indotto e del rotore.
Note: Lo spazio deve essere di almeno 0,4 mm e non più di 0,5 mm.
Se è necessaria una regolazione, utilizzate uno spessimetro da 0,4 mm per impostare ognuna delle 3 posizioni della fessura di regolazione.
Stringete i dadi di bloccaggio fino a fissare leggermente lo spessimetro facendo però in modo di poterlo muovere facilmente all'interno del traferro (Figura 57).
Ripetete l'operazione sulle altre fessure.
Controllate ancora tutte le fessure ed eseguite piccole regolazioni con lo spessimetro tra il rotore e l'indotto finché questi non si toccano leggermente.

| Cadenza di manutenzione | Procedura di manutenzione |
|---|---|
| Prima di ogni utilizzo o quotidianamente |
|
Prima di ogni utilizzo rimuovete ogni accumulo di erba, sporcizia o altri rifiuti dal cilindro e dalle alette di raffreddamento della testata, dalla grigia della presa d’aria sull’estremità del volano, nonché dalle leve del carburatore/regolatore e dalle connessioni. In questo modo garantirete un'adeguata ventilazione del motore e una corretta velocità del motore e ridurrete la possibilità di surriscaldamento o danni meccanici al motore.
| Cadenza di manutenzione | Procedura di manutenzione |
|---|---|
| Ogni 100 ore |
|
Parcheggiate la macchina su una superficie pianeggiante, disinnestate la PDF e inserite il freno di stazionamento.
Prima di scendere dalla postazione di guida spegnete il motore, togliete la chiave di accensione e attendete che si fermino tutte le parti in movimento.
Togliete la griglia della presa d'aria e la sede della ventola (Figura 58).
Rimuovete sporcizia ed erba dalle parti del motore.
Installate la griglia della presa d'aria e la sede della ventola (Figura 58).

| Cadenza di manutenzione | Procedura di manutenzione |
|---|---|
| Prima di ogni utilizzo o quotidianamente |
|
Prima di ogni utilizzo, testate il freno di stazionamento su una superficie pianeggiante e in pendenza.
Innestate sempre il freno di stazionamento quando spegnete o lasciate incustodita la macchina. Se il freno di stazionamento non è saldo, mettetelo a punto.
Disinnestate la PDF e inserite il freno di stazionamento
Prima di scendere dalla postazione di guida spegnete il motore, togliete la chiave di accensione e attendete che si fermino tutte le parti in movimento.
Disinnestate il freno di stazionamento.
Inserite la leva del freno e assicuratevi che la macchina non si muova.
Regolate il freno, se necessario.
| Cadenza di manutenzione | Procedura di manutenzione |
|---|---|
| Prima di ogni utilizzo o quotidianamente |
|
Important: Quando controllate e regolate il freno, accertatevi che la macchina si trovi su un terreno pianeggiante.
Parcheggiate la macchina su una superficie pianeggiante, disinnestate la PDF e inserite il freno di stazionamento.
Prima di scendere dalla postazione di guida spegnete il motore, togliete la chiave di accensione e attendete che si fermino tutte le parti in movimento.
Controllate la pressione degli pneumatici; vedere Controllo della pressione degli pneumatici.
Disinnestate il freno di stazionamento; fate riferimento a Azionamento del freno di stazionamento.
Con il freno disinserito, misurate la distanza tra la barra del freno e lo pneumatico su ciascun lato.
Utilizzando il lato con il gioco minore, verificate che la distanza sia compresa tra 3 e 6 mm come mostrato in Figura 59); fate riferimento a Regolazione dei freni se la distanza non è corretta.

Parcheggiate la macchina su una superficie pianeggiante, disinnestate la PDF e inserite il freno di stazionamento.
Prima di scendere dalla postazione di guida spegnete il motore, togliete la chiave di accensione e attendete che si fermino tutte le parti in movimento.
Disinnestate il freno di stazionamento.
Per regolare il freno, staccate il perno con testa e la coppiglia dalla leva del freno inferiore e dalla forcella (Figura 60).
Regolate la forcella (Figura 59).
Note: La distanza tra la barra del freno e lo pneumatico deve essere compresa tra 3 e 6 mm.
Note: Per serrare il freno, ruotate verso l'alto la forcella. Per allentare il freno, ruotate verso il basso la forcella.
Controllate nuovamente il funzionamento del freno; vedere Test del freno di stazionamento.
Fissate la forcella alla leva del freno inferiore con il perno con testa e con la coppiglia (Figura 60).

| Cadenza di manutenzione | Procedura di manutenzione |
|---|---|
| Ogni 100 ore |
|
Verificate che le cinghie non presentino fenditure, bordi usurati per sfregamento, segni di bruciature, usura, segni di surriscaldamento o altri danni.
I segnali indicanti che la cinghia del tosaerba è consumata sono: lo stridolio mentre la cinghia gira, lo slittamento delle lame mentre tagliate l’erba, i bordi usurati per sfregamento, i segni di bruciato e le incrinature. Sostituite la cinghia del tosaerba se notate uno di questi segnali.
Important: Gli elementi di fissaggio presenti sui coperchi di questa macchina sono progettati in modo tale che rimangano agganciati ai coperchi dopo la loro rimozione. Allentate di alcuni giri tutti gli elementi di fissaggio su ogni coperchio, così che il coperchio risulti mobile ma ancora agganciato, quindi allentate completamente gli elementi di fissaggio fino a liberare del tutto il coperchio. Questa procedura vi impedisce di staccare accidentalmente del tutto i bulloni dagli elementi di fissaggio.
Parcheggiate la macchina su una superficie pianeggiante, disinnestate la PDF e inserite il freno di stazionamento.
Prima di scendere dalla postazione di guida spegnete il motore, togliete la chiave di accensione e attendete che si fermino tutte le parti in movimento.
Rimuovete i copricinghia e le protezioni del piatto; fate riferimento aRimozione dei copricinghia e Rimozione delle protezioni del piatto.
Sganciate la molla dal perno di ancoraggio sul braccio della puleggia tendicinghia (Figura 61).

Togliete la cinghia del tosaerba usurata (Figura 61).
Montate la nuova cinghia del tosaerba attorno alla puleggia della frizione, alle pulegge del piatto di taglio e alla puleggia tendicinghia (Figura 61).
Agganciate la molla al perno di ancoraggio sul braccio della puleggia tendicinghia (Figura 61).
Montate le protezioni e i copricinghia; fate riferimento a Rimozione delle protezioni del piatto e Rimozione dei copricinghia.
| Cadenza di manutenzione | Procedura di manutenzione |
|---|---|
| Ogni 100 ore |
|
Parcheggiate la macchina su una superficie pianeggiante, disinnestate la PDF e inserite il freno di stazionamento.
Prima di scendere dalla postazione di guida spegnete il motore, togliete la chiave di accensione e attendete che si fermino tutte le parti in movimento.
Rimuovete la cinghia del piatto di taglio; fate riferimento a Sostituzione della cinghia del tosaerba.
Inclinate la macchina; vedere Sollevamento del tosaerba per l'accesso.
Togliete i 2 bulloni e le 2 rondelle che fissano lo schermo della cinghia di trasmissione della pompa (Figura 62). Rimuovete lo schermo.

Rimuovete bullone di spallamento, dado e rondella dalla scocca del motore e dalla molla collegata (Figura 63).

Togliete la cinghia di trasmissione della pompa (Figura 63).
Montate la nuova cinghia attorno alla frizione e alle 2 pulegge della pompa.
Installate la molla su bullone a perno e rondella e collegate al piatto del motore con il dado (Figura 63).
Montate lo schermo della cinghia della trasmissione della pompa con i 2 bulloni e le 2 rondelle rimossi in precedenza.
Abbassate il tosaerba nella posizione di servizio.
Montate la cinghia del piatto di taglio; fate riferimento a Sostituzione della cinghia del tosaerba.
Se le leve di controllo del movimento non sono allineate orizzontalmente, regolate la leva di controllo del movimento di destra.
Note: Regolate l'allineamento orizzontale prima della regolazione longitudinale.
Parcheggiate la macchina su una superficie pianeggiante, disinnestate la PDF e inserite il freno di stazionamento.
Prima di scendere dalla postazione di guida spegnete il motore, togliete la chiave di accensione e attendete che si fermino tutte le parti in movimento.
Spingete in giù la leva di controllo del movimento destra per toglierla dalla posizione di BLOCCO IN FOLLE (Figura 64).
Controllate se la leva di controllo del movimento destra è allineata orizzontalmente con la leva di controllo del movimento sinistra (Figura 64).

Note: Per regolare la leva di controllo del movimento di destra orizzontalmente, regolate la camma.
Sganciate il cuscino dalla parte posteriore della macchina.
Allentate il dado che regge la camma (Figura 65).

Regolate la camma finché non è allineata con la leva di controllo del movimento sinistra e serrate il dado per la camma.
Note: Spostate la camma in senso orario (in posizione verticale) per abbassare la stegola e spostatela in senso antiorario (in posizione verticale) per sollevarla.
Important: Accertate che la sezione piatta della gamma non superi la posizione verticale (destra o sinistra) in quanto potreste danneggiare l'interruttore.
Important: Controllate che l'allineamento sia giusto dopo aver regolato le leve di controllo del movimento (Figura 66).
Note: Regolate l'allineamento orizzontale prima della regolazione longitudinale.
Se le leve di controllo del movimento non si allineano in senso longitudinale o la leva di controllo di destra non si sposta facilmente in posizione di BLOCCO IN FOLLE, regolate la posizione di folle per le leve.
Una volta completato l'allineamento orizzontale, verificate l'allineamento longitudinale spingendo leggermente le leve di controllo del movimento in avanti per correggere l'eventuale gioco a livello della tiranteria delle leve di controllo (Figura 66).

Accertatevi che la leva di controllo del movimento destra si collochi senza difficoltà nella posizione di BLOCCO IN FOLLE.
Note: Ruotate il dispositivo di regolazione del cavo in senso orario per spostare la leva di controllo del movimento in avanti. Ruotate il dispositivo di regolazione del cavo in senso antiorario per spostare la leva di controllo del movimento indietro.
Ruotate il dispositivo di regolazione del cavo sulla destra quando occorre eseguire una regolazione.
Note: Regolate il dispositivo di regolazione del cavo con incrementi di un quarto di giro.
Una volta che la leva di controllo del movimento destra si colloca senza difficoltà nella posizione di BLOCCO IN FOLLE, regolate la leva di controllo del movimento sinistra per allinearla alla leva destra.
Verificate il corretto allineamento; fate riferimento a Messa a punto dell'allineamento .
Montate il blocco del cavo sui dadi di regolazione del cavo per fissare la regolazione (Figura 67).

Se il fluido penetra nella pelle, rivolgetevi immediatamente a un medico. Il fluido idraulico penetrato sotto la pelle deve essere asportato da un medico entro poche ore.
Prima di mettere l'impianto sotto pressione, accertatevi che tutti i circuiti e i tubi dell'olio idraulico siano in buone condizioni e che tutte le connessioni e i raccordi idraulici siano serrati saldamente.
Tenete corpo e mani lontano da perdite filiformi o da ugelli che emettono fluido idraulico pressurizzato.
Usate carta o cartone per individuare eventuali perdite di fluido idraulico.
Rilasciate in maniera sicura la pressione dall'impianto idraulico prima di eseguire qualunque intervento sull'impianto.
Tipo di fluido idraulico: Fluido idraulico Toro® HYPR-OIL™ 500 od olio motore sintetico Mobil® 1 15W-50.
Capacità del fluido dell'impianto idraulico: 2,0 litri
Important: Usate il fluido indicato. Altri fluidi potrebbero danneggiare l'impianto.
| Cadenza di manutenzione | Procedura di manutenzione |
|---|---|
| Dopo le prime 8 ore |
|
| Ogni 50 ore |
|
Note: Il deflettore nel serbatoio ha 2 livelli a seconda se il fluido sia caldo o freddo.
Parcheggiate la macchina su una superficie pianeggiante, disinnestate la PDF e inserite il freno di stazionamento.
Prima di scendere dalla postazione di guida spegnete il motore, togliete la chiave di accensione e attendete che si fermino tutte le parti in movimento.
Pulite la zona attorno al tappo e al collo del bocchettone del serbatoio idraulico (Figura 68).

Togliete il tappo dal collo del bocchettone (Figura 68).
Note: Guardate all'interno per controllare il livello del fluido nel serbatoio.
Rabboccate finché il fluido non raggiunge il livello freddo sul diaframma.
Fate funzionare la macchina alla minima inferiore per 15 minuti, per lasciare spurgare dall'impianto l'aria e riscaldare il fluido.
Prima di scendere dalla postazione di guida spegnete il motore, togliete la chiave di accensione e attendete che si fermino tutte le parti in movimento.
Verificate il livello mentre il fluido è caldo. All'occorrenza rabboccate finché il fluido non raggiunge il livello caldo (Hot) e freddo (Cold).
Note: Il livello del fluido (caldo) deve essere inferiore al segno di livello 'caldo' del deflettore (Figura 68).
Montate il tappo sul collo del bocchettone.
| Cadenza di manutenzione | Procedura di manutenzione |
|---|---|
| Ogni 250 ore |
|
| Ogni 500 ore |
|
Il fluido idraulico caldo può causare gravi ustioni.
Prima di qualsiasi intervento di manutenzione dell'impianto idraulico lasciate raffreddare il fluido idraulico.
Parcheggiate la macchina su una superficie pianeggiante, disinnestate la PDF e inserite il freno di stazionamento.
Prima di scendere dalla postazione di guida spegnete il motore, togliete la chiave di accensione e attendete che si fermino tutte le parti in movimento.
Rimuovete il tappo del serbatoio idraulico.
Individuate il flessibile idraulico anteriore sotto il serbatoio idraulico e collocate una bacinella di spurgo sotto il serbatoio (Figura 69).
Allentate la fascetta stringitubo e spostatela lungo il flessibile.
Staccate il flessibile idraulico anteriore e lasciate che il fluido fuoriesca dal serbatoio.

Cambiate il filtro idraulico; vedere Sostituzione dei filtri idraulici.
Collegate il flessibile idraulico sotto il serbatoio.
Rabboccate finché il fluido non raggiunge il livello freddo sul diaframma del serbatoio.
Important: Usate il fluido indicato o un fluido equivalente. Altri fluidi possono danneggiare l'impianto.
Montate il tappo sul serbatoio idraulico.
Avviate il motore e lasciatelo funzionare per 2 minuti circa, per spurgare l'aria dall'impianto.
Spegnete il motore e verificate che non ci siano fuoriuscite.
Note: Se una ruota o entrambe non dovessero girare, vedere Spurgo dell'impianto idraulico.
Verificate il livello del fluido e, se necessario, rabboccate.
Important: Non riempite troppo.
| Cadenza di manutenzione | Procedura di manutenzione |
|---|---|
| Dopo le prime 8 ore |
|
| Ogni 500 ore |
|
Il fluido idraulico caldo può causare gravi ustioni.
Prima di qualsiasi intervento di manutenzione dell'impianto idraulico lasciate raffreddare il fluido idraulico.
Parcheggiate la macchina su una superficie pianeggiante, disinnestate la PDF e inserite il freno di stazionamento.
Prima di scendere dalla postazione di guida spegnete il motore, togliete la chiave di accensione e attendete che si fermino tutte le parti in movimento.
Individuate il filtro e collocate una bacinella di spurgo sotto il filtro stesso (Figura 70).

Togliete il filtro usato e tergete la superficie della guarnizione dell'adattatore del filtro (Figura 71).
Spalmate uno strato sottile di fluido idraulico sulla guarnizione di gomma del filtro di ricambio.
Montate il filtro di ricambio sul riduttore.
Girate il filtro in senso orario finché la guarnizione di gomma non tocca l'adattatore, quindi serrate il filtro di un altro mezzo giro (Figura 71).

Tergete il fluido versato.
Controllate il fluido nel serbatoio, aggiungete fluido al serbatoio finché non raggiunge il livello freddo sul diaframma del serbatoio.
Important: Usate il fluido indicato o un fluido equivalente. Altri fluidi possono danneggiare l'impianto.
Avviate il motore e lasciatelo funzionare per 2 minuti circa, per spurgare l’aria dall’impianto.
Spegnete il motore e verificate che non ci siano fuoriuscite.
Note: Se una ruota o entrambe non dovessero girare, vedere Spurgo dell'impianto idraulico.
Verificate il livello del fluido e, se necessario, rabboccate.
Important: Non riempite troppo.
L'impianto della trazione è autospurgante; tuttavia, in seguito al cambio del fluido o in seguito ad interventi è talvolta necessario spurgarlo.
Parcheggiate la macchina su una superficie pianeggiante, disinnestate la PDF e inserite il freno di stazionamento.
Prima di scendere dalla postazione di guida spegnete il motore, togliete la chiave di accensione e attendete che si fermino tutte le parti in movimento.
Sollevate la parte posteriore della macchina su cavalletti metallici quanto basta per staccare le ruote motrici dal suolo.
Avviate il motore e portate la leva dell'acceleratore alla minima.
Note: Se la ruota motrice non gira, intervenite spurgando il sistema ruotando con cautela lo pneumatico in avanti.
Controllate il livello del fluido idraulico che scende e rabboccate per mantenere il livello opportuno.
Ripetete l'operazione per l'altra ruota.
| Cadenza di manutenzione | Procedura di manutenzione |
|---|---|
| Ogni 100 ore |
|
Controllate i flessibili idraulici per verificare che non ci siano perdite, connessioni allentate, aggrovigliamenti, supporti di fissaggio allentati, usura o deterioramento generale causato dalle condizioni atmosferiche o da agenti chimici. Effettuate le riparazioni necessarie prima di usare la macchina.
Note: Eliminate i depositi di sfalcio e detriti dalle parti adiacenti l’impianto idraulico.
Note: Tempi di lavoro prolungati a temperature elevate in climi caldi possono provocare il deterioramento di flessibili e guarnizioni. Eseguite controlli più frequenti in climi caldi e sostituite più spesso fluido idraulico e filtro.
Per garantire una qualità del taglio superiore, mantenete le lame affilate. Per agevolare l'affilatura e la sostituzione tenete una scorta di lame di ricambio.
Le lame consumate o danneggiate possono spezzarsi e scagliare frammenti verso di voi o gli astanti, causando gravi ferite o anche la morte.
Controllate le lame ad intervalli regolari, per accertare che non siano consumate o danneggiate.
Prestate la massima attenzione quando controllate le lame. Durante gli interventi di manutenzione, avvolgete le lame o indossate guanti adatti allo scopo, prestando molta attenzione. Le lame possono essere solo affilate o sostituite, ma non raddrizzate né saldate.
Controllate sempre la macchina per assicurarvi che le lame e i bulloni delle lame non siano usurati o danneggiati. Sostituite in serie lame e bulloni usurati o danneggiati, per mantenere il bilanciamento.
Su macchine multilama, ricordate che la rotazione di 1 lama può provocare la rotazione anche di altre lame.
Parcheggiate la macchina su una superficie pianeggiante, disinnestate la PDF e inserite il freno di stazionamento.
Spegnete il motore, togliete la chiave e scollegate i cappellotti dalle candele.
| Cadenza di manutenzione | Procedura di manutenzione |
|---|---|
| Prima di ogni utilizzo o quotidianamente |
|
Controllate i taglienti (Figura 72).
Se i taglienti non sono affilati o presentano intaccature, togliete la lama ed affilatela; vedere Affilatura delle lame.
Controllate le lame, in particolare l'area curva.
Se notate incrinature, usura o scanalature in questa zona, montate immediatamente una nuova lama (Figura 72).

Girate le lame fino a disporle in parallelo con la lunghezza della macchina.
Misurate da un piano orizzontale fino al tagliente delle lame, posizione A, (Figura 73).

Girate in avanti le estremità opposte delle lame.
Misurate da un piano orizzontale fino al tagliente delle lame, nella medesima posizione riportata alla precedente voce 2.
Note: La differenza tra le misure rilevate alle voci 2 e 3 non deve superare i 3 mm.
Note: Se questa differenza supera i 3 mm, sostituite la lama.
Una lama curva o danneggiata può spezzarsi e ferire gravemente voi o gli astanti.
Sostituite sempre con una lama nuova le lame curve o danneggiate.
Non limate la lama e non create intaccature aguzze sul tagliente o sulla superficie della lama.
Sostituite la lama se colpisce un corpo solido, se è sbilanciata o curva. Per ottenere prestazioni ottimali e mantenere la macchina in conformità alle norme di sicurezza, utilizzate lame di ricambio originali Toro. Le lame di ricambio di altre marche possono annullare la conformità alle norme di sicurezza.
Tenete l'estremità della lama con un cencio o un guanto bene imbottito.
Togliete il bullone, la rondella curva e la lama dall'asse del fusello (Figura 74).

Affilate i taglienti da entrambe le estremità della lama con una lima (Figura 75).
Note: Rispettate l’angolazione originale.
Note: La lama conserva il proprio equilibrio soltanto se viene rimossa una quantità uguale di materiale da entrambi i taglienti.

Controllate l’equilibrio della lama posizionandola su un bilanciatore (Figura 76).
Note: Se la lama rimane in posizione orizzontale, è bilanciata e può essere utilizzata.
Note: Se la lama non è bilanciata, limate del metallo soltanto dalla costa (Figura 75).

Ripetete la procedura finché la lama non è perfettamente bilanciata.
| Cadenza di manutenzione | Procedura di manutenzione |
|---|---|
| Ogni anno |
|
Ispezionate il bullone della lama per escludere filetti danneggiati. Sostituite il bullone e la rondella curva, se necessario.
Montate la lama sull'asse del mandrino (Figura 77).
Important: Perché tagli correttamente, il lato curvo della lama deve essere rivolto in alto, verso l'interno del piatto di taglio.
Montate la rondella curva e il bullone della lama (Figura 77).
Note: La parte sporgente della rondella curva deve essere rivolta in verso la testa del bullone (Figura 77).
Serrate il bullone della lama tra 115 e 150 N∙m.

Assicuratevi che il piatto di taglio sia livellato ogni volta che mettete in opera il tosaerba oppure quando il taglio è irregolare.
Livellate il piatto di taglio in senso laterale prima di regolare l'inclinazione in senso longitudinale.
Parcheggiate la macchina su una superficie pianeggiante, disinnestate la PDF e inserite il freno di stazionamento.
Spegnete il motore, togliete la chiave e scollegate i cappellotti dalle candele.
Controllate la pressione degli pneumatici di entrambe le ruote motrici; fate riferimento a Controllo della pressione degli pneumatici.
Verificate il piatto di taglio per escludere lame piegate; rimuovete e sostituite eventuali lame piegate; fate riferimento a Revisione delle lame di taglio.
Abbassate il piatto di taglio all’altezza di taglio minima di 76 mm.
Verificate la distanza tra le parti girevoli, prendendo come riferimento per la misurazione il centro delle parti girevoli (distanza da centro a centro) su ogni asta filettata (Figura 78).
Note: Accertate che la lunghezza sia 49,5 cm per piatti di taglio da 91 cm e di 43,7 cm per piatti di taglio da 102 cm.
Allentate i controdadi nella parte girevole anteriore (Figura 78).
Con i controdati, regolate la lunghezza dell'asta filettata per ottenere la distanza corretta.
Serrate i controdadi sulla parte girevole anteriore (Figura 78).

Su ogni forcella, controllate la distanza tra la forcella stessa e il braccio di sollevamento del piatto.
Note: Questa distanza deve essere di 11 mm, come mostrato in Figura 79.
Se occorre regolare, allentate il bullone superiore della catena (Figura 79).
Allentate il controdado e regolate il bullone per ottenere la distanza corretta mostrata in Figura 79.
Serrate il controdado e il bullone superiore della catena.

Disponete la lama destra in posizione longitudinale rispetto alla macchina (Figura 80).
Misurate la lama destra al punto C da una superficie piana fino al tagliente della punta della lama e annotate la misura rilevata (Figura 80).
Misurate la lama destra al punto D da una superficie piana fino al tagliente della punta della lama e annotate la misura rilevata (Figura 80).
Note: La lama del tosaerba deve essere da 6 10 mm più bassa al punto C rispetto al punto D (Figura 80). In caso contrario eseguite la seguente operazione.
Allentate i controdadi sulla parte girevole anteriore destra e sinistra (Figura 78).
Con i controdadi a destra, regolate la lunghezza dell'asta filettata destra per ottenere l'inclinazione longitudinale tra 6 e 10 mm.
Serrate i controdadi sulla parte girevole anteriore destra e sinistra (Figura 78).

Disponete la lama destra e sinistra in posizione longitudinale.
Misurate la lama sinistra al punto B da una superficie piana fino al tagliente della punta della lama e annotate la misura rilevata (Figura 81).
Misurate la lama destra al punto D da una superficie piana fino al tagliente della punta della lama e annotate la misura rilevata (Figura 81).
Note: La differenza tra la misurazione eseguita al punto B non deve superare la misurazione al punto D di oltre 3 mm (Figura 81). In caso contrario eseguite la seguente operazione.
Allentate i controdadi sulla parte girevole anteriore sinistra (Figura 78).
Con i controdadi a sinistra, regolate la lunghezza dell'asta filettata sinistra in modo che la posizione B corrisponda al punto D.
Serrate i controdadi sulla parte girevole anteriore sinistra (Figura 78).

Disponete la lama destra e sinistra in posizione longitudinale.
Controllate le catene anteriori e verificate le singole tensioni.
Note: Se una catena risulta allentata, regolata l'asta filettata con la catena allentata in modo da tenderla.
Misurate la lama sinistra al punto A da una superficie piana fino al tagliente della punta della lama e annotate la misura rilevata (Figura 82).
Misurate la lama destra al punto C da una superficie piana fino al tagliente della punta della lama e annotate la misura rilevata (Figura 82).
Note: La differenza tra le misurazioni eseguite ai punti A e C non deve superare i 3 mm. In caso contrario eseguite la seguente operazione.
Allentate i bulloni superiori della catena(Figura 78).
Allentate i controdadi su ciascuna forcella (Figura 78).
Regolate i dadi di regolazione nelle forcelle, nei punti A e C per ottenere l'altezza corretta (Figura 82).
Serrati i controdadi e i bulloni superiori della catena (Figura 78).

Abbassate il tosaerba all’altezza di taglio di 76 mm.
Disponete la lama destra in posizione longitudinale rispetto alla macchina (Figura 80).
Misurate la lama destra al punto C da una superficie piana fino al tagliente della punta della lama e annotate la misura rilevata (Figura 82).
Note: La differenza tra le misurazioni al punto C non deve superare i 3 mm dell'altezza di taglio impostata a 76 mm. In caso contrario eseguite la seguente operazione.
Allentate i controdadi a entrambe le estremità del tenditore (Figura 83).
Note: L'estremità del tenditore con una scanalatura ha filetti sinistrorsi (Figura 83).
Regolate il tenditore per alzare o abbassare l'altezza del piatto e ottenere una misura di 7,6 cm al punto C.
Serrate i controdadi a entrambe le estremità del tenditore.
Verificate che la leva di sollevamento del piatto del tosaerba sia bloccata in posizione di trasferimento.
Note: In caso contrario, regolate il tornichetto in modo che si blocchi in posizione di trasporto.
Serrate i controdadi.

Note: La regolazione della molla di compressione modifica la quantità di flottazione del piatto e lo sforzo necessario per sollevare il piatto quando si agisce sulla leva dell'altezza di taglio.
Una maggiore compressione della molla riduce la forza necessaria per sollevare la leva e determina una maggiore flottazione del piatto.
Una minore compressione della molla aumenta la forza necessaria per sollevare la leva e determina una minore flottazione del piatto.
Tirate verso l'alto la leva dell'altezza di taglio e bloccatela in posizione di trasferimento.
Verificate la lunghezza della molla di compressione.
Note: La lunghezza nominale è di 28,2 cm per piatti di taglio da 91 cm, e di 25,7 cm per piatti di taglio da 102 cm (Figura 84).
Regolate questa distanza allentando il controdado per molla e girando il dado davanti ad ogni molla (Figura 84).
Bloccate il dado serrando il controdado della molla (Figura 84).

Ripetete la procedura per la molla di sollevamento del piatto opposta.
| Cadenza di manutenzione | Procedura di manutenzione |
|---|---|
| Prima di ogni utilizzo o quotidianamente |
|
Togliete ogni giorno lo sfalcio accumulatosi sotto il tosaerba.
Parcheggiate la macchina su una superficie pianeggiante, disinnestate la PDF e spostate le leve di controllo del movimento, in posizione di BLOCCO IN FOLLE e inserite il freno di stazionamento.
Prima di scendere dalla postazione di guida spegnete il motore, togliete la chiave di accensione e attendete che si fermino tutte le parti in movimento.
Sollevate il davanti della macchina e utilizzate i cavalletti metallici per sostenere il tosaerba.
| Cadenza di manutenzione | Procedura di manutenzione |
|---|---|
| Prima di ogni utilizzo o quotidianamente |
|
Parcheggiate la macchina su una superficie pianeggiante, disinnestate la PDF e spostate le leve di controllo del movimento, in posizione di BLOCCO IN FOLLE e inserite il freno di stazionamento.
Prima di scendere dalla postazione di guida spegnete il motore, togliete la chiave di accensione e attendete che si fermino tutte le parti in movimento.
Sollevate la piattaforma dell'operatore per accedere ai motori delle ruote posteriori.
L'olio motore, le batterie, il fluido idraulico e il refrigerante del motore inquinano l'ambiente. Smaltiteli nel pieno rispetto dei regolamenti del vostro stato e regionali.
Fate raffreddare il motore prima del rimessaggio della macchina.
Non rimessate la macchina o il carburante accanto a fiamme e non spurgate il carburante al chiuso.
| Cadenza di manutenzione | Procedura di manutenzione |
|---|---|
| Prima del rimessaggio |
|
Disinserite la presa di forza (PDF), innestate il freno di stazionamento, spegnete il motore e rimuovete la chiave.
Eliminate residui d’erba, morchia e fanghiglia dalle parti esterne della macchina, in particolare dal motore.
Important: La macchina può essere lavata con detersivo neutro ed acqua. Non lavate a pressione la macchina. Non utilizzate una quantità d'acqua eccessiva, in particolare in prossimità del sistema di trazione e del motore. In caso contrario, acqua e sporcizia potrebbero penetrare in componenti importanti, come i cuscinetti del mandrino e gli interruttori elettrici.
Eliminate eventuale morchia e sporcizia dall’esterno del motore, dalle alette della testata e dal convogliatore.
Controllate il freno; vedere Test del freno di stazionamento.
Revisionate il filtro dell'aria; vedere Revisione del filtro dell'aria.
Ingrassate la macchina; vedere Lubrificazione.
Cambiate il filtro dell'olio del motore; fate riferimento a (Cambio dell’olio motore).
Controllate la pressione degli pneumatici; vedere Controllo della pressione degli pneumatici.
Per tempi di rimessaggio lunghi, effettuate quanto segue:
Aggiungete stabilizzatore/additivo al carburante nel relativo serbatoio come indicato nelle istruzioni del produttore dello stabilizzatore.
Lasciate in funzione il motore per distribuire il carburante condizionato attraverso l'impianto del carburante per 5 minuti.
Spegnete il motore, lasciate che si raffreddi e spurgate il serbatoio del carburante; fate riferimento a Spurgo del serbatoio del carburante, o lasciate in funzione il motore fino allo spegnimento.
Avviate il motore e lasciatelo in funzione fino allo spegnimento. Ripetete la procedura con lo starter innestato (se applicabile) fino a quando il motore non si avvia più.
Smaltite correttamente il carburante; riciclatelo in base ai codici locali.
Important: Non stoccate il carburante contenente stabilizzatore/additivo più a lungo della durata raccomandata dal produttore dello stabilizzatore.
Togliete la candela (o candele) e controllatene lo stato; vedere Manutenzione della candela.
Con la candela (o candele) rimossa dal motore, versate 15 ml (2 cucchiaiate) d'olio motore nel foro della candela e utilizzate lo starter per avviare il motore e distribuire l'olio all'interno del cilindro.
Montate la candela (o candele), ma non collegatevi il cappellotto.
Controllate e serrate tutti i dispositivi di fissaggio. Riparate o sostituite le parti danneggiate o mancanti.
Verniciate tutte le superfici graffiate e il metallo sverniciato, con vernice di un Centro Assistenza autorizzato.
Riponete la macchina in una rimessa o in un deposito pulito ed asciutto. Togliete la chiave dall'interruttore e conservatela in un luogo facile da ricordare. Coprite la macchina con un telo per proteggerla e mantenerla pulita.
| Problem | Possible Cause | Corrective Action |
|---|---|---|
| Il motore non si avvia, ha difficoltà di avviamento o perde potenza. |
|
|
| Il motore perde potenza. |
|
|
| Il motore si surriscalda. |
|
|
| La trazione non funziona. |
|
|
| Si nota una vibrazione anormale. |
|
|
| L’altezza di taglio è irregolare. |
|
|
| Le lame non girano. |
|
|

