| Wartungsintervall | Wartungsmaßnahmen |
|---|---|
| Bei jeder Verwendung oder täglich |
|
Dieser Stehrasenmäher mit Sichelmessern sollte von Landschaftsbauern und geschulten Lohnarbeitern verwendet werden. Er ist hauptsächlich für das Mähen von Gras auf gepflegten Grünflächen in Privat- oder öffentlichen Anlagen gedacht. Wenn diese Maschine für einen anderen Zweck als vorgesehen eingesetzt wird, kann das für Sie und andere Personen gefährlich sein.
Lesen Sie diese Informationen sorgfältig durch, um sich mit dem ordnungsgemäßen Einsatz und der Wartung des Geräts vertraut zu machen und Verletzungen und eine Beschädigung des Geräts zu vermeiden. Sie tragen die Verantwortung für einen ordnungsgemäßen und sicheren Einsatz des Geräts.
Besuchen Sie Toro.com für weitere Informationen, einschließlich Sicherheitstipps, Schulungsunterlagen, Zubehörinformationen, Standort eines Händlers oder Registrierung Ihres Produkts.
Wenden Sie sich an Ihren autorisierten Service-Vertragshändler oder Toro-Kundendienst, wenn Sie eine Serviceleistung, Toro Originalersatzteile oder zusätzliche Informationen benötigen. Halten Sie hierfür die Modell- und Seriennummern Ihres Produkts griffbereit. In Bild 1 ist angegeben, wo an dem Produkt die Modell- und die Seriennummer angebracht sind. Tragen Sie hier die Modell- und Seriennummern des Geräts ein.
Important: Scannen Sie mit Ihrem Mobilgerät den QR-Code auf dem Seriennummernaufkleber (falls vorhanden), um auf Garantie-, Ersatzteil- oder andere Produktinformationen zuzugreifen.

Dieses Produkt erfüllt alle relevanten europäischen Richtlinien; weitere Details finden Sie in der produktspezifischen Konformitätserklärung (DOC).
Weitere Informationen finden Sie in der Motorbedienungsanleitung des Herstellers, die mit der Maschine ausgeliefert wurde.
Dieses Sicherheitswarnsymbol (Bild 2) in diesem Handbuch und an der Maschine weißt auf wichtige Sicherheitshinweise hin, die Sie beachten müssen, um Unfälle zu vermeiden.

Das Sicherheitswarnsymbol wird über Information dargestellt, die Sie vor unsicheren Handlungen oder Situationen warnen, gefolgt von dem Wort GEFAHR, WARNUNG oder VORSICHT.
GEFAHR bezeichnet eine unmittelbar drohende Gefahr. Wenn sie nicht gemieden wird, sind Tod oder schwerste Verletzungen die Folge.
WARNUNG bezeichnet eine möglicherweise drohende Gefahr. Wenn sie nicht gemieden wird, können Tod oder schwerste Verletzungen die Folge sein.
VORSICHT bezeichnet eine möglicherweise drohende Gefahr. Wenn sie nicht gemieden wird, können leichte oder geringfügige Verletzungen die Folge sein.
In dieser Anleitung werden zwei weitere Begriffe zur Hervorhebung von Informationen verwendet. Wichtig weist auf spezielle mechanische Informationen hin, und Hinweis hebt allgemeine Informationen hervor, die Ihre besondere Beachtung verdienen.
Dieses Produkt kann Hände und Füße amputieren und Gegenstände aufschleudern. Befolgen Sie zum Vermeiden von schweren Verletzungen immer alle Sicherheitshinweise.
Lesen und verstehen Sie vor dem Anlassen des Motors den Inhalt dieser Bedienungsanleitung.
Halten Sie Hände und Füße von beweglichen Teilen fern.
Bedienen Sie die Maschine niemals, wenn nicht alle Schutzvorrichtungen und Abdeckungen angebracht und funktionstüchtig sind.
Bleiben Sie immer von der Auswurföffnung fern.
Halten Sie Unbeteiligte und Kinder vom Arbeitsbereich fern. Das Fahrzeug darf niemals von Kindern betrieben werden. Lassen Sie nur Personen zu, die verantwortungsbewusst, geschult, mit den Anweisungen vertraut, und körperlich in der Lage sind, die Maschine zu bedienen.
Halten Sie die Maschine an, stellen Sie den Motor ab, und ziehen Sie den Zündschlüssel ab, bevor Sie Wartungsarbeiten durchführen, Kraftstoff nachfüllen, oder Blockierungen beseitigen.
![]() |
Die Sicherheits- und Bedienungsaufkleber sind für den Bediener gut sichtbar und befinden sich in der Nähe der möglichen Gefahrenbereiche. Tauschen Sie beschädigte oder verloren gegangene Aufkleber aus. |









Der Aufkleber 119-0186 ist für 91-cm-Mähwerke.

Der Aufkleber 119-0187 ist für 102-cm-Mähwerke.










Machen Sie sich vor dem Start des Motors und der Verwendung der Maschine mit allen Bedienelementen vertraut.

Der Betriebsstundenzähler zeichnet die Stunden auf, die der Motor gelaufen ist. Er läuft, wenn der Motor läuft. Richten Sie Ihre regelmäßigen Wartungsmaßnahmen nach dieser Angabe (Bild 5).

Die Benzinuhr befindet sich in der Mitte oben am Tank (Bild 4).
Auf dem Betriebsstundenzähler werden Symbole angezeigt, die mit einem schwarzen Dreieck angeben, dass der Sicherheitsschalter in der richtigen Stellung ist (Bild 3).
Wenn Sie den Schlüssel für einige Sekunden in die EIN-Stellung drehen, wird die Batterieladung im Bereich angezeigt, in dem normalerweise die Betriebsstunden angezeigt werden.
Die Anzeigelampe für die Batterie leuchtet beim EINschalten der Zündung auf und wenn die Ladung unter dem richtigen Betriebsniveau ist (Bild 5).
Die Gasbedienung steuert die Motordrehzahl und hat eine fortlaufend variable Einstellung von SLOW (LANGSAM) bis FAST (SCHNELL) (Bild 4).
Lassen Sie einen kalten Motor mit dem Choke an. Ziehen Sie das Choke-Bedienelement heraus, um es zu aktivieren. Drücken Sie den Choke hinein, um ihn zu deaktivieren.
Mit dem Zapfwellenschalter kuppeln Sie die Schnittmesser ein und aus (Bild 4); siehe Bedienung der Zapfwelle.
Das Zündschloss, mit dem der Motor angelassen und abgestellt wird, hat drei Stellungen: AUS, LAUF und START. Siehe Einsetzen der Zündung.
Mit den Fahrantriebshebeln fahren Sie die Maschine vorwärts, rückwärts und wenden (Bild 4).
Schließen Sie den Kraftstoffhahn vor dem Transport oder der Einlagerung der Maschine (Verwenden des Kraftstoffhahns).
Note: Änderungen der technischen Daten und des Designs sind vorbehalten.
| 91-cm-Mähwerk | 102-cm-Mähwerk | |
| Schnittbreite | 91 cm | 102 cm |
| Breite mit abgesenktem Ablenkblech | 131 cm | 142 cm |
| Länge mit abgesenkter Plattform | 188 cm | 178 cm |
| Länge mit angehobener Plattform | 155 cm | 145 cm |
| Höhe | 122 cm | 122 cm |
| Gewicht | 343 kg | 351 kg |
Ein Sortiment an Originalanbaugeräten und -zubehör von Toro wird für diese Maschine angeboten, um den Funktionsumfang des Geräts zu erhöhen und zu erweitern. Eine Liste der zugelassenen Anbaugeräte und Zubehörteile erhalten Sie bei Ihrem offiziellen Toro-Vertragshändler oder finden Sie unter www.Toro.com.
Verwenden Sie, um die optimale Leistung und Sicherheit zu gewährleisten, nur Originalersatzteile und -zubehörteile von Toro. Ersatzteile und Zubehör anderer Hersteller können gefährlich sein und eine Verwendung könnte die Garantie ungültig machen.
Kinder oder nicht geschulte Personen dürfen die Maschine nicht verwenden. Örtliche Vorschriften bestimmen u. U. das Mindestalter von Benutzern. Der Besitzer ist für die Schulung aller Bediener und Mechaniker verantwortlich.
Machen Sie sich mit dem sicheren Betrieb der Maschine sowie den Bedienelementen und Sicherheitssymbolen vertraut.
Sie müssen wissen, wie Sie die Maschine schnell anhalten und den Motor abstellen können.
Prüfen Sie, ob alle Sitzkontaktschalter, Sicherheitsschalter, und Schutzvorrichtungen montiert und funktionsfähig sind. Nehmen Sie die Maschine nur in Betrieb, wenn diese richtig funktionieren.
Überprüfen Sie vor jedem Mähen, ob die Schnittmesser, -schrauben und die Schneideinheit funktionsfähig sind.
Prüfen Sie den Arbeitsbereich gründlich und entfernen Sie alle Objekte, die von der Maschine aufgeschleudert werden könnten.
Beurteilen Sie das Gelände, um festzulegen, welche Anbaugeräte und Zubehör erforderlich sind, um die Maschine ordnungsgemäß und sicher bedienen zu können.
Kraftstoff ist extrem leicht entflammbar und hochexplosiv. Feuer und Explosionen durch Kraftstoff können Verbrennungen und Sachschäden verursachen.
Stellen Sie den Kanister bzw. die Maschine vor dem Auftanken auf den Boden und nicht auf ein Fahrzeug oder auf ein Objekt, um eine elektrische Ladung durch das Entzünden des Kraftstoffs zu vermeiden.
Füllen Sie den Kraftstofftank im Freien auf, wenn der Motor kalt ist. Wischen Sie verschütteten Kraftstoff auf.
Rauchen Sie nicht beim Umgang mit Kraftstoff, und gehen Sie nicht in der Nähe von offenem Feuer oder Funken mit Kraftstoff um.
Entfernen Sie nie den Tankdeckel oder füllen Kraftstoff in den Tank, wenn der Motor läuft oder heiß ist.
Wenn Kraftstoff verschüttet wurde, nicht versuchen, den Motor zu starten. Vermeiden Sie, eine Zündquelle zu erzeugen, bis die Kraftstoffdämpfe verdunstet sind.
Bewahren Sie Kraftstoff in vorschriftsmäßigen Kanistern auf. Die Kanister sollten nicht für Kinder zugänglich sein.
Kraftstoff ist bei Verschlucken gesundheitsschädlich oder tödlich. Wenn eine Person langfristig Benzindünsten ausgesetzt ist, kann dies zu schweren Verletzungen und Krankheiten führen.
Vermeiden Sie das langfristige Einatmen von Benzindünsten.
Halten Sie Ihre Hände und Ihr Gesicht von der Düse und der Öffnung des Kraftstofftanks fern.
Halten Sie Kraftstoff von Augen und der Haut fern.
Lagern Sie weder die Maschine noch den Kraftstoffkanister in der Nähe von offenen Flammen, Funken oder Zündflammen wie z. B. bei einem Heizkessel oder sonstigen Geräten.
Füllen Sie Kanister nie im Fahrzeug oder auf der Ladepritsche eines Pritschenwagens oder Anhängers mit einer Verkleidung aus Kunststoff. Stellen Sie Kanister vor dem Auffüllen immer vom Fahrzeug entfernt auf den Boden.
Nehmen Sie das Gerät vom Pritschenwagen bzw. Anhänger und betanken es auf dem Boden. Falls das nicht möglich ist, betanken Sie solche Geräte mit einem tragbaren Kanister und nicht an einer Zapfsäule.
Setzen Sie die Maschine nicht ohne vollständig montierte und betriebsbereite Auspuffanlage ein.
Der Stutzen der Zapfsäule sollte den Rand des Benzinkanisters oder die Behälteröffnung beim Auftanken ständig berühren. Verwenden Sie kein Gerät mit einem entriegelt geöffneten Stutzen.
Wechseln Sie sofort Ihre Kleidung, wenn Kraftstoff darauf verschüttet wird. Wischen Sie verschütteten Kraftstoff auf.
Füllen Sie den Kraftstofftank nie zu voll. Tauschen Sie den Tankdeckel aus und ziehen ihn fest.
Die besten Ergebnisse erhalten Sie, wenn Sie sauberes, frisches (nicht älter als 30 Tage), bleifreies Benzin mit einer Mindestoktanzahl von 87 (R+M)/2 verwenden.
Ethanol: Kraftstoff, der mit 10 % Ethanol oder 15 % MTBE (Volumenanteil) angereichert ist, ist auch geeignet. Ethanol und MTBE sind nicht identisch. Benzin mit 15 % Ethanol (E15) per Volumenanteil kann nicht verwendet werden. Verwenden Sie nie Benzin, das mehr als 10 % Ethanol (Volumenanteil) enthält, z. B. E15 (enthält 15 % Ethanol), E20 (enthält 20 % Ethanol) oder E85 (enthält bis zu 85 % Ethanol). Die Verwendung von nicht zugelassenem Benzin kann zu Leistungsproblemen und/oder Motorschäden führen, die ggf. nicht von der Garantie abgedeckt sind.
Verwenden Sie kein Benzin mit Methanol.
Lagern Sie keinen Kraftstoff im Kraftstofftank oder in Kraftstoffbehältern über den Winter, wenn Sie keinen Kraftstoffstabilisator verwenden.
Vermischen Sie nie Benzin mit Öl.
Verwenden Sie einen Kraftstoffstabilisator/Konditionierer in der Maschine, um den Kraftstoff länger frisch zu halten, wenn er gemäß den Anweisungen des Kraftstoffstabilisatorherstellers verwendet wird.
Important: Verwenden Sie keine Zusätze, die Methanol oder Ethanol enthalten.
Geben Sie die Menge des Kraftstoffstabilisators bzw. -konditionierers in den frischen Kraftstoff, wie vom Hersteller des Kraftstoffstabilisators vorgeschrieben.
Stellen Sie die Maschine auf einer ebenen Fläche ab, kuppeln die Zapfwelle aus, stellen die Fahrantriebshebel in die ARRETIERTE NEUTRAL-Stellung und aktivieren die Feststellbremse.
Stellen Sie vor dem Verlassen der Bedienungsposition den Motor ab, ziehen den Schlüssel ab und warten, bis alle beweglichen Teile zum Stillstand gekommen sind.
Reinigen Sie den Bereich um den Tankdeckel und nehmen Sie den Deckel ab.
Füllen Sie den Kraftstofftank bis zur Unterseite des Einfüllstutzens.
Note: Füllen Sie den Kraftstofftank nicht ganz auf. Der Freiraum im Tank ist für die Ausdehnung des Benzins erforderlich.
Bringen Sie den Tankdeckel wieder fest an. Wischen Sie verschütteten Kraftstoff auf.
Täglich vor dem Start der Maschine die folgende tägliche Prüfroutine gemäß durchführen:
Neue Motoren brauchen etwas Zeit, bevor sie die ganze Leistung erbringen. Neue Mähwerke und Antriebssysteme haben eine höhere Reibung und belasten den Motor mehr. Die Einfahrzeit für neue Maschinen beträgt ungefähr 40 bis 50 Stunden. Danach erbringt der Motor die ganze Leistung und beste Performance.
Wenn die Sicherheitsschalter abgeklemmt oder beschädigt werden, setzt sich die Maschine möglicherweise von alleine in Bewegung, was Verletzungen verursachen kann.
An den Sicherheitsschaltern dürfen keine Veränderungen vorgenommen werden.
Prüfen Sie die Funktion der Sicherheitsschalter täglich und tauschen Sie alle defekten Schalter vor dem Verwenden der Maschine aus.
Die Sicherheitsschalter ermöglichen das Aktivieren des Zapfwellenschalters nur, wenn eine der folgenden Bedingungen auftritt:
Stellen Sie den rechten Fahrantriebshebel in die mittlere, nicht arretierte Stellung.
Stellen Sie den Zapfwellenschalter auf die EIN-Stellung.
Die Sicherheitsschalter stoppen die Schnittmesser/Anbaugeräte, wenn Sie beide Fahrantriebshebel in die ARRETIERTE NEUTRAL-Stellung bewegen oder zurückgehen lassen.
Der Betriebsstundenzähler hat Symbole, die den Bediener darauf hinweisen, dass der Sicherheitsschalter in der richtigen Stellung ist. Wenn der Schalter in der richtigen Stellung ist, leuchtet im relevanten Rechteck ein Dreieck auf (Bild 6).

| Wartungsintervall | Wartungsmaßnahmen |
|---|---|
| Bei jeder Verwendung oder täglich |
|
Überprüfen Sie die Funktion der Sicherheitsschalter vor jedem Einsatz der Maschine.
Note: Lassen Sie, wenn die Sicherheitsschalter nicht wie nachstehend beschrieben funktionieren, diese unverzüglich von einem Vertragshändler reparieren.
Prüfen Sie den Motor; siehe Anlassen des Motors.
Stellen Sie den rechten Fahrantriebshebel in die mittlere, nicht arretierte Stellung.
Note: Die Schnittmesser/Anbaugeräte sollten stoppen und der Motor sollte aufhören zu laufen.
Lassen Sie den Motor an und lösen Sie die Feststellbremse.
Stellen Sie den rechten Fahrantriebshebel in die mittlere, nicht arretierte Stellung.
Halten Sie den Fahrantriebshebel weiterhin in der mittleren, nicht arretierten Stellung, ziehen Sie den Zapfwellenschalter nach oben und lassen Sie ihn los.
Note: Die Kupplung und die Schnittmesser/Anbaugeräte sollten einkuppeln.
Schieben Sie oder lassen Sie den rechten Fahrantriebshebel in die arretierte NEUTRAL-STELLUNG gehen.
Note: Die Messer/Anbaugeräte sollten stoppen und der Motor sollte weiterhin laufen.
Drücken Sie den Zapfwellenschalter hinein und schieben Sie den rechten Fahrantriebshebel in die mittlere, nicht arretierte Stellung.
Halten Sie den Fahrantriebshebel weiterhin in der mittleren, nicht arretierten Stellung, ziehen Sie den Zapfwellenschalter nach oben und lassen Sie ihn los.
Note: Die Kupplung und die Schnittmesser/Anbaugeräte sollten einkuppeln.
Stellen Sie den Zapfwellenschalter auf die AUS-Stellung.
Note: Die Schnittmesser/Anbaugeräte sollten stoppen.
Ziehen Sie den Zapfwellenschalter bei laufendem Motor nach oben und lassen Sie ihn los, ohne den rechten Fahrantriebshebel in der mittleren, nicht arretierten Stellung zu halten.
Note: Die Schnittmesser/Anbaugeräte dürfen sich nicht zuschalten.
Der Besitzer bzw. Bediener ist für Unfälle oder Verletzungen von Dritten sowie Sachschäden verantwortlich und kann diese verhindern.
Tragen Sie geeignete Kleidung, u. a. eine Schutzbrille, lange Hosen, rutschfeste Arbeitsschuhe und einen Gehörschutz. Binden Sie lange Haare hinten zusammen und tragen Sie keinen Schmuck oder weite Kleidung.
Konzentrieren Sie sich immer bei der Verwendung der Maschine. Tun Sie nichts, was Sie ablenken könnte, sonst können Verletzungen oder Sachschäden auftreten.
Setzen Sie die Maschine nicht ein, wenn Sie müde oder krank sind oder unter Alkohol- oder Drogeneinfluss stehen.
Nehmen Sie nie Passagiere auf der Maschine mit und halten Sie alle Unbeteiligten und Haustiere von der verwendeten Maschine fern.
Setzen Sie die Maschine nur bei guten Sichtverhältnissen und geeigneten Witterungsbedingungen ein. Verwenden Sie die Maschine nie bei möglichen Gewittern.
Nasses Gras oder Blätter können schwere Verletzungen verursachen, wenn Sie darauf ausrutschen und die Klinge berühren. Vermeiden Sie das Mähen unter nassen Bedingungen.
Stellen Sie vor dem Anlassen des Motors sicher, dass alle Antriebe in der Neutral-Stellung sind, dass die Feststellbremse aktiviert ist und Sie in die Bedienungsposition sind.
Stellen Sie sicher, dass Sie beim Einsatz dieser Maschine, vor allem beim Rückwärtsfahren, einen guten Halt haben.
Berühren Sie die Schneideinheiten nicht mit Händen und Füßen. Bleiben Sie immer von der Auswurföffnung fern.
Schauen Sie hinter sich und nach unten, um vor dem Rückwärtsfahren sicherzustellen, dass der Weg frei ist.
Seien Sie extrem vorsichtig, wenn Sie sich unübersichtlichen Kurven, Sträuchern, Bäumen und anderen Objekten nähern, die Ihre Sicht behindern können.
Stellen Sie die Messer ab, wenn Sie nicht mähen.
Halten Sie die Maschine an, ziehen Sie den Zündschlüssel ab, und warten Sie, bis alle beweglichen Teile zum Stillstand gekommen sind, bevor Sie das Mähwerk bzw. Anbaugerät prüfen, wenn Sie ein Objekt berührt haben oder ungewöhnliche Vibrationen auftreten. Führen Sie alle erforderlichen Reparaturen durch, ehe Sie die Maschine wieder in Gebrauch nehmen.
Fahren Sie beim Wenden und beim Überqueren von Straßen und Gehsteigen mit der Maschine langsam und vorsichtig. Geben Sie immer Vorfahrt.
Kuppeln Sie die Schneideinheit aus und stellen Sie den Motor ab, bevor Sie die Schnitthöhe einstellen (wenn Sie sie nicht von der Bedienerposition aus einstellen können).
Betreiben Sie den Motor nur in gut belüfteten Bereichen. Die Abgase enthalten Kohlenmonoxid, das beim Einatmen tödlich ist.
Lassen Sie niemals eine laufende Maschine unbeaufsichtigt zurück.
Führen Sie folgende Schritte vor dem Verlassen der Bedienerposition (einschließlich dem Leeren des Grasfangkorbs oder Entfernen von Verstopfungen im Auswurfkanal) aus:
Parken Sie die Maschine auf einer ebenen Fläche.
Kuppeln Sie die Zapfwelle aus.
Aktivieren Sie die Feststellbremse.
Stellen Sie den Motor ab und ziehen den Zündschlüssel ab.
Warten Sie, bis alle beweglichen Teile zum Stillstand gekommen sind.
Stellen Sie in den folgenden Situationen die Maschine ab und kuppeln Sie den Antrieb zum Mähwerk aus:
Vor dem Auftanken.
Vor dem Beseitigen von Blockierungen
Vor der Kontrolle, Reinigung oder Wartung des Mähwerks
Nach dem Kontakt mit einem fremden Objekt oder beim Auftreten von abnormalen Vibrationen. Untersuchen Sie das Mähwerk auf Schäden und führen Sie die notwendigen Reparaturen durch, bevor Sie den Betrieb fortsetzen.
Vor dem Verlassen der Bedienerposition.
Verwenden Sie die Maschine nicht als Zugmaschine.
Verwenden Sie nur von The Toro® Company zugelassene(s) Zubehör und Anbaugeräte.
Hanglagen sind eine wesentliche Ursache für den Verlust der Kontrolle und Umkippunfälle, die zu schweren ggf. tödlichen Verletzungen führen können. Sie sind für den sicheren Einsatz an Hanglagen verantwortlich. Das Einsetzen der Maschine an jeder Hanglage erfordert große Vorsicht. Vor dem Einsatz der Maschine an einer Hanglage tun Sie Folgendes:
Lesen und verstehen Sie die Anweisungen zu Hanglagen in der Anleitung und auf der Maschine.
Prüfen Sie die Geländebedingungen an dem jeweiligen Tag, um zu ermitteln, ob die Maschine sicher auf der Hanglage eingesetzt werden kann. Setzen Sie immer gesunden Menschenverstand ein, wenn Sie diese Festlegung machen. Änderungen im Gelände, z. B. Feuchtigkeit, können den Betrieb der Maschine auf einer Hanglage schnell beeinträchtigen.
An Hängen immer horizontal fahren, nicht auf und ab. Vermeiden Sie einen Einsatz auf sehr steilen oder nassen Hanglagen.
Achten Sie auf Gefahren unten am Hang. Setzen Sie die Maschine nicht in der Nähe von Abhängen, Gräben, Böschungen, Gewässern oder anderen Gefahrenstellen ein. Die Maschine könnte plötzlich umkippen, wenn ein Rad über eine Kante fährt oder die Kante nachgibt. Halten Sie einen Sicherheitsabstand (zweimal die Breite der Maschine) zwischen der Maschine und jeder Gefahrenstelle ein. Verwenden Sie in solchen Bereichen einen handgeführten Rasenmäher oder ein anderes handgeführtes Werkzeug.
Vermeiden Sie das Anfahren, Anhalten oder Wenden der Maschine an Hanglagen. Vermeiden Sie plötzliche Geschwindigkeits- oder Richtungsänderungen. Fahren Sie langsam und allmählich in eine Kurve.
Setzen Sie die Maschine nicht in Bedingungen ein, in denen der Antrieb, die Lenkung oder Stabilität in Frage gestellt wird. Beim Einsatz der Maschine auf nassem Gras, beim Überqueren von Hanglagen oder beim Fahren hangabwärts kann die Maschine die Bodenhaftung verlieren. Wenn die Antriebsräder die Bodenhaftung verlieren, kann die Maschine rutschen und zu einem Verlust der Bremsleistung und Lenkung führen. Die Maschine kann weiter rutschen, auch wenn die Räder stehen.
Entfernen oder markieren Sie Hindernisse, u. a. Gräben, Löcher, Rillen, Bodenwellen, Steine oder andere verborgene Gefahren. Hohes Gras kann Hindernisse verdecken. Die Maschine könnte sich in unebenem Terrain überschlagen.
Gehen Sie bei dem Betrieb mit Zubehör oder Anbaugeräten vorsichtig vor. Diese Geräte können die Stabilität der Maschine ändern und zu einem Verlust der Fahrzeugkontrolle führen. Halten Sie die Anweisungen für Gegengewichte ein.
Wenn Sie die Kontrolle über die Maschine verlieren, steigen Sie ab und verlassen Sie den Fahrbereich.
Aktivieren Sie stets die Feststellbremse, wenn Sie die Maschine ausschalten oder unbeaufsichtigt lassen. Prüfen Sie die Feststellbremse vor jeder Inbetriebnahme auf einwandfreie Funktion.
Wenn die Feststellbremse den Traktor nicht sicher hält, muss diese eingestellt werden Betätigen der Feststellbremse.
Ziehen Sie den Feststellbremshebel nach hinten, um diese zu aktivieren (Bild 7).
Drücken Sie den Feststellbremshebel nach vorne, um die Feststellbremse zu lösen.

Verwenden Sie den Zapfwellenschalter in Verbindung mit den Fahrantriebshebeln, um die Schnittmesser oder angetriebene Anbaugeräte ein und auszukuppeln.

Bewegen Sie die Gasbedienung zwischen die SCHNELL- und LANGSAM-Stellung (Bild 11).
Benutzen Sie immer die SCHNELL-Stellung, wenn Sie die Zapfwelle einkuppeln.

Important: Lassen Sie den Anlasser niemals länger als 5 Sekunden lang ununterbrochen drehen. Wenn der Motor nicht anspringt, lassen Sie den Anlasser 15 Sekunden zwischen weiteren Versuchen abkühlen. Das Nichtbefolgen dieser Vorschrift kann zum Durchbrennen des Anlassers führen.
Note: Unter Umständen müssen Sie beim ersten Anlassen des Motors nach einem Abstellen aufgrund von Kraftstoffmangel mehrere Startversuche unternehmen.


Important: Lassen Sie den Anlasser niemals länger als 5 Sekunden lang ununterbrochen drehen. Wenn der Motor nicht anspringt, lassen Sie den Anlasser 15 Sekunden zwischen weiteren Versuchen abkühlen. Das Nichtbefolgen dieser Vorschrift kann zum Durchbrennen des Anlassers führen.
Note: Ein bereits warmer oder heiß gelaufener Motor benötigt keine oder eine nur minimale Starthilfe.
Note: Unter Umständen müssen Sie beim ersten Anlassen des Motors nach einem Abstellen aufgrund von Kraftstoffmangel mehrere Startversuche unternehmen.

Kinder und Unbeteiligte können verletzt werden, wenn Sie die unbeaufsichtigt zurückgelassene Maschine bewegen oder einsetzen.
Ziehen Sie immer den Schlüssel ab und aktivieren Sie die Feststellbremse, wenn Sie den Bedienersitz verlassen.
Lassen Sie den Motor für 60 Sekunden im langsamen Leerlauf (Schildkröte) laufen, bevor Sie den Zündschlüssel in die AUS-Stellung drehen.

Important: Stellen Sie sicher, dass der Kraftstoffhahn vor dem Transport oder Einlagern der Maschine geschlossen ist, sonst kann Kraftstoff auslaufen. Ziehen Sie vor dem Einlagern der Maschine die Kerzenstecker ab, um einem versehentlichen Anlassen des Motors vorzubeugen.
Die Maschine kann bei angehobener oder abgesenkter Plattform eingesetzt werden. Die Position der Plattform hängt vom Bediener ab.
Die Plattform ist schwer und kann beim Anheben oder Absenken Verletzungen verursachen. Heben Sie die Bedienerplattform vorsichtig an oder senken sie ab, da Sie bei einem plötzlichen Fallenlassen verletzt werden könnten.
Stecken Sie die Hände oder Finger nicht in den Plattformgelenkbereich, wenn Sie die Bedienerplattform anheben oder absenken.
Stellen Sie sicher, dass die Plattform abgestützt ist, wenn Sie den Sperrstift herausziehen.
Stellen Sie sicher, dass der Riegel die Plattform befestigt, wenn Sie sie hochklappen. Drücken Sie sie eng gegen das Kissen, damit der Sperrstift einrasten kann.
Halten Sie Unbeteiligte von der Maschine fern, wenn Sie die Plattform absenken.
Verwenden Sie die Maschine mit angehobener Plattform in folgenden Situationen:
Einsatz der Maschine in der Nähe von Abladestellen
Einsatz der Maschine in kleinen Bereichen, für welche die Maschine zu groß ist
Bereiche mit tief hängenden Ästen oder Hindernissen
Verladen der Maschine für den Transport
Hinauffahren von Hanglagen
Zum Anheben der Plattform ziehen Sie das Heck der Plattform hoch, damit der Sperrstift und das Handrad einrasten. Drücken Sie sie eng gegen das Kissen, damit der Sperrstift einrasten kann.
Verwenden Sie die Maschine mit abgesenkter Plattform in folgenden Situationen:
Einsatz der Maschine in den meisten Bereichen
Überqueren von Hanglagen
Hinunterfahren von Hanglagen
Zum Absenken der Plattform drücken Sie die Plattform nach vorne gegen das Kissen, um den Druck auf den Arretierbolzen zu lösen und ziehen dann das Handrad heraus und senken die Plattform ab (Bild 17).

Sie können die Motordrehzahl mit dem Gasbedienungshebel einstellen, die in U/min (Umdrehungen pro Minute) gemessen wird. Stellen Sie den Gasbedienungshebel für die optimale Leistung in die SCHNELL-Stellung.
Die Maschine kann sich schnell drehen und Sie verlieren ggf. die Kontrolle über die Maschine und können Verletzungen erleiden oder die Maschine beschädigen.
Reduzieren Sie vor scharfen Wendungen die Geschwindigkeit.
Lösen Sie die Feststellbremse, siehe Betätigen der Feststellbremse.
Stellen Sie den rechten Fahrantriebshebel in die mittlere, nicht arretierte Stellung.

Bringen Sie den Fahrgeschwindigkeitshebel auf die gewünschte Geschwindigkeit.
Schieben Sie die Fahrantriebshebel langsam nach vorne (Bild 19).
Note: Der Motor schaltet sich aus, wenn Sie einen Fahrantriebshebel bei aktivierter Feststellbremse bewegen.
Note: Je mehr Sie die Fahrantriebshebel in eine Richtung bewegen, desto schneller fährt die Maschine in dieser Richtung.
Note: Ziehen Sie die Fahrantriebshebel zum Anhalten auf die NEUTRAL-Stellung zurück.

Stellen Sie den rechten Fahrantriebshebel in die mittlere, nicht arretierte Stellung.
Ziehen Sie die Fahrantriebshebel langsam nach hinten (Bild 20).

Diese Maschine hat ein schwenkbares Ablenkblech, das Schnittgut zur Seite und nach unten auf den Rasen lenkt.
Wenn Ablenkblech, Auswurfkanalabdeckung oder Heckfangsystem nicht angebracht sind, sind die Bedienungsperson und umstehende Personen der Gefahr eines Kontakts mit dem Schnittmesser und ausgeschleuderten Gegenständen ausgesetzt. Kontakt mit dem drehenden Schnittmesser oder ausgeschleuderten Gegenständen führt zu Verletzung (möglicherweise tödlichen Verletzungen).
Entfernen Sie nie das Ablenkblech von der Maschine, da es Material nach unten auf die Grünfläche lenkt. Wechseln Sie das Ablenkblech sofort aus, wenn es beschädigt ist.
Stecken Sie nie Hände oder Füße unter die Maschine.
Versuchen Sie nie, den Auswurfbereich oder die Schnittmesser zu räumen, ohne den Schaltbügel zu lösen und den Zapfwellenantriebsschalter in die Aus-Stellung zu stellen. Drehen Sie den Zündschlüssel in die AUS-Stellung. Ziehen Sie außerdem den Schlüssel und das/die Kabel von den Zündkerzen ab.
Die Schnitthöhe kann in Schritten von 6 mm von 25 mm bis 127 mm eingestellt werden.
Stellen Sie den Schnitthöhenhebel in die Transportstellung (ganz nach oben).
Drehen Sie zum Einstellen den Stift um 90 Grad und nehmen ihn aus der Schnitthöhen-Halterung heraus.
Wählen Sie ein Loch in der Schnitthöhenhalterung, das der gewünschten Schnitthöhe entspricht, und stecken Sie den Lastösenbolzen wieder ein (Bild 21).
Drücken Sie die Taste oben und senken Sie die Schnitthöhe auf den Stift ab (Bild 21).

Die Auswurfrichtung des Mähwerks kann den unterschiedlichen Mähbedingungen angepasst werden. Stellen Sie die Haltenocken und das Ablenkblech auf die beste Schnittqualität ein.
Kuppeln Sie die Zapfwelle aus, stellen Sie die Fahrantriebshebel in die ARRETIERTE NEUTRAL-Stellung und aktivieren die Feststellbremse.
Stellen Sie vor dem Verlassen der Bedienungsposition den Motor ab, ziehen den Schlüssel ab und warten, bis alle beweglichen Teile zum Stillstand gekommen sind.
Lösen Sie die Mutter, um das Ablenkblech einzustellen (Bild 22).
Stellen Sie das Ablenkblech und die Mutter im Schlitz auf den gewünschten Auswurffluss ein; ziehen Sie die Mutter dann fest.

Die folgenden Abbildungen sind nur für den empfohlenen Gebrauch vorgesehen. Die Einstellungen sind je nach Grassorte, Feuchtigkeitsgehalt und Grashöhe anders.
Note: Wenn die Motorleistung abfällt, und die Fahrgeschwindigkeit konstant ist, öffnen Sie das Ablenkblech.
Dies ist die Stellung ganz nach hinten (siehe Bild 23). Verwenden Sie diese Stellung für Folgendes.
Kurzes, dünnes Gras
Trockenes Gras
Kleineres Schnittgut
Schnittgut wird weiter vom Mähwerk herausgeschleudert

Verwenden Sie diese Stellung mit dem Fangsystem (Bild 24).

Dies ist die ganz geöffnete Stellung (Bild 25). Verwenden Sie diese Stellung für Folgendes.
Hohes, dichtes Gras
Nasses Gras
Verringert die Leistungsaufnahme des Motors
Ergibt bessere Fahrgeschwindigkeiten in schwierigen Konditionen

Montieren Sie Ballast, um die Auswuchtung zu verbessern. Sie können Ballast für eine optimierte Leistung in verschiedenen Betriebsbedingungen und nach ihren Wünschen hinzufügen oder entfernen.
Fügen Sie jeweils einen Ballast hinzu oder entfernen ihn, bis Sie die gewünschte Handhabung und Auswuchtung erzielt haben.
Die empfohlenen Gewichte finden Sie in der Bedienungsanleitung der Anbaugeräte.
Note: Sie können Ballast beim offiziellen Vertragshändler bestellen.
So große Gewichtsänderungen können sich auf die Handhabung und den Betrieb der Maschine auswirken. Dies kann Sie und Unbeteiligte schwer verletzen.
Nehmen Sie immer nur geringe Gewichtsveränderungen vor.
Prüfen Sie die Maschine nach jeder Gewichtsänderung, um sicherzustellen, dass die Maschine sicher betrieben werden kann.
Stellen Sie immer den Maschine ab, ziehen Sie den Zündschlüssel ab, warten Sie, bis alle beweglichen Teile zum Stillstand gekommen sind, und lassen Sie die Maschine abkühlen, bevor Sie sie einstellen, warten, reinigen, oder einlagern.
Entfernen Sie Gras und Schmutz von den Mähwerken, den Auspuffen und dem Motorraum, um einem Brand vorzubeugen. Wischen Sie Öl- und Kraftstoffverschüttungen auf.
Schließen Sie den Kraftstoffhahn, bevor Sie die Maschine einlagern oder transportieren.
Schalten Sie den Zapfwellenschalter aus, wenn Sie die Maschine transportieren oder nicht benutzen.
Lagern Sie die Maschine oder den Benzinkanister nie an Orten mit offener Flamme, Funken oder Zündflamme, z. B. Warmwasserbereiter, oder andere Geräte.
Verwenden Sie durchgehenden Rampen für das Verladen der Maschine auf einen Anhänger oder Pritschenwagen.
Befestigen Sie die Maschine sicher mit Gurten, Ketten, Kabeln oder Seilen. Sowohl die vorderen als auch die hinteren Gurte sollten von der Maschine nach außen und unten verlegt werden.
Schließen Sie den Kraftstoffhahn vor dem Transport, der Wartung oder der Einlagerung (Bild 26).
Stellen Sie sicher, dass der Kraftstoffhahn geöffnet ist, wenn Sie den Motor anlassen.


Die Sicherheitsventile ermöglichen, dass Sie die Maschine bei abgestelltem Motor mit der Hand schieben können.
Important: Schieben Sie die Maschine immer nur mit der Hand. Schleppen Sie die Maschine nie ab, sonst kann es zu Schäden an Hydraulikteilen kommen.
Important: Die Maschine darf bei geöffneten Sicherheitsventilen nicht gestartet oder eingesetzt werden. Das System könnte beschädigt werden.
Kuppeln Sie die Zapfwelle aus, stellen die Fahrantriebshebel in die ARRETIERTE NEUTRAL-Stellung und aktivieren die Feststellbremse.
Senken Sie das Mähwerk auf die niedrigste Schnitthöhe ab.
Note: Jetzt sind die Sicherheitsventile zugänglich.
Drehen Sie das Sicherheitsventil an beiden Pumpen um eine oder zwei Umdrehungen nach rechts, um es zu öffnen (Bild 27).
Note: So kann Hydrauliköl an der Pumpe vorbei direkt zu den Rädern fließen, die sich daraufhin drehen können.
Note: Drehen Sie das Sicherheitsventil um höchstens zwei Umdrehungen, sodass sich das Ventil nicht aus dem Gehäuse herausdreht und keine Flüssigkeit ausströmen kann.

Lösen Sie die Feststellbremse.
Schieben Sie die Maschine an den gewünschten Ort.
Aktivieren Sie die Feststellbremse.
Schließen Sie die Sicherheitsventile, ziehen Sie sie nicht zu fest.
Ziehen Sie die Ventile mit 12-15 N·m an.
Verwenden Sie einen robusten Anhänger oder Pritschenwagen zum Transportieren der Maschine. Verwenden Sie eine durchgehende Rampe. Stellen Sie sicher, dass der Anhänger oder Lastwagen mit den/der gesetzlich erforderlichen Bremsen, Beleuchtung und Kennzeichnungen ausgestattet ist. Bitte lesen Sie alle Sicherheitsanweisungen sorgfältig. Durch Kenntnis dieser Informationen können Sie sich und Unbeteiligte vor Verletzungen schützen. Ziehen Sie in Bezug auf Anforderungen für Anhänger und Befestigungen geltende Vorschriften zurate.
Das Fahren auf Straßen und Wegen ohne Blinker, Lampen, Reflektoren oder einen Aufkleber für langsame Fahrzeuge ist gefährlich und kann zu Unfällen mit Verletzungsgefahr führen.
Fahren Sie die Maschine nicht auf einer öffentlichen Straße oder einem öffentlichen Fahrweg.
Das Laden einer Maschine auf einen Anhänger oder einen Lastwagen erhöht die Umkippgefahr und könnte schwere oder tödliche Verletzungen verursachen (Bild 28).
Verwenden Sie nur eine einzige Rampe über die ganze Breite, keine einzelnen Rampen für jede Maschinenseite.
Stellen Sie sicher, dass die Rampe mindestens viermal länger ist als der Abstand des Anhängers oder Pritschenwagens vom Boden.

Das Laden einer Maschine auf einen Anhänger oder einen Lastwagen erhöht die Umkippgefahr und kann schwere oder tödliche Verletzungen verursachen.
Passen Sie besonders beim Bedienen der Maschine auf einer Rampe auf.
Fahren Sie die Maschine rückwärts die Rampe hoch und vorwärts davon herunter.
Vermeiden Sie plötzliche Geschwindigkeitsänderungen beim Fahren der Maschine auf einer Rampe, da Sie dadurch die Kontrolle verlieren könnten und Umkippgefahr besteht.
Bei der Verwendung eines Anhängers diesen an das Zugfahrzeug anhängen und die Sicherheitsketten verbinden.
Falls zutreffend die Anhängerbremsen und Lichter anschließen.
Die Rampe absenken (Bild 28).
Klappen Sie die Plattform hoch.
Important: Halten Sie die Plattform beim Be- und Entladen der Maschine angehoben.
Fahren Sie die Maschine rückwärts die Rampe hoch (Bild 29).

Stellen Sie den Motor ab, ziehen den Schlüssel ab und aktivieren die Feststellbremse.
Vergurten Sie die Maschine in der Nähe der vorderen Laufräder und der hinteren Stoßstange mit Riemen, Ketten, Kabeln oder Seilen (Bild 30). Ziehen Sie in Bezug auf Anforderungen für Befestigungen geltende Vorschriften zurate.

Note: Bestimmen Sie die linke und rechte Seite der Maschine anhand der üblichen Einsatzposition.
Wenn Sie den Zündschlüssel im Zündschloss stecken lassen, könnte eine andere Person den Motor versehentlich anlassen und Sie und Unbeteiligte schwer verletzen.
Ziehen Sie vor dem Ausführen von Wartungsarbeiten den Zündschlüssel und die Kerzenstecker ab. Schieben Sie außerdem den Kerzenstecker zur Seite, damit er nicht versehentlich die Zündkerze berührt.
Führen Sie folgende Schritte vor dem Einstellen, Reinigen, Warten oder Verlassen der Maschine aus:
Parken Sie die Maschine auf einer ebenen Fläche.
Kuppeln Sie die Antriebe aus.
Aktivieren Sie die Feststellbremse.
Stellen Sie den Motor ab und ziehen den Zündschlüssel ab.
Warten Sie, bis alle beweglichen Teile zum Stillstand gekommen sind.
Lassen Sie alle Maschinenteile abkühlen, ehe Sie mit Wartungsarbeiten beginnen.
Die Maschine sollte nie von ungeschulten Personen gewartet werden.
Halten Sie Ihre Hände und Füße von den beweglichen Teilen fern. Bei laufendem Motor sollten keine Einstellungsarbeiten vorgenommen werden.
Lassen Sie den Druck aus Maschinenteilen mit gespeicherter Energie vorsichtig ab.
Prüfen Sie die Funktion der Feststellbremse häufig. Stellen Sie die Bremsen bei Bedarf ein oder warten sie diese.
Modifizieren Sie auf keinen Fall die Sicherheitsvorkehrungen. Prüfen Sie sie regelmäßig auf ihre einwandfreie Funktion.
Entfernen Sie Gras und Schmutz vom Mähwerk, Antrieben, Auspuff und Motor, um einem Brand vorzubeugen. Wischen Sie Öl- und Kraftstoffverschüttungen auf.
Überprüfen Sie die Komponenten des Fangsystems regelmäßig und tauschen Sie sie aus, wenn sie abgenutzt oder beschädigt sind.
Stützen Sie die Maschine nicht mit einem Hydrauliksystem ab, sondern verwenden Sie einen Wagenheber, wenn Sie die Maschine anheben.
Halten Sie alle Teile in gutem Betriebszustand und alle Hydraulik-Anschlussstücke fest angezogen. Ersetzen Sie alle abgenutzten oder fehlenden Teile und Aufkleber. Halten Sie alle Befestigungen fest angezogen, damit die Maschine in einem sicheren Betriebszustand bleibt.
Verwenden Sie, um die optimale Leistung und Sicherheit zu gewährleisten, nur Originalersatzteile und -zubehörteile von Toro. Ersatzteile und Zubehör anderer Hersteller können gefährlich sein und eine Verwendung könnte die Garantie ungültig machen.
| Wartungsintervall | Wartungsmaßnahmen |
|---|---|
| Nach acht Betriebsstunden |
|
| Bei jeder Verwendung oder täglich |
|
| Alle 25 Betriebsstunden |
|
| Alle 50 Betriebsstunden |
|
| Alle 100 Betriebsstunden |
|
| Alle 200 Betriebsstunden |
|
| Alle 250 Betriebsstunden |
|
| Alle 300 Betriebsstunden |
|
| Alle 500 Betriebsstunden |
|
| Alle 800 Betriebsstunden |
|
| Vor der Einlagerung |
|
| Jährlich |
|
Important: Weitere Informationen zu Wartungsarbeiten finden Sie in der Motorbedienungsanleitung.
Sie können das Mähwerk vorne anheben und hinten abstützen, um die Unterseite der Maschine für Wartungsarbeiten zugänglich zu machen.
Parken Sie die Maschine auf einer ebenen Fläche, kuppeln Sie die Zapfwelle aus und aktivieren Sie die Feststellbremse.
Stellen Sie vor dem Verlassen der Bedienungsposition den Motor ab, ziehen Sie den Schlüssel ab und warten Sie, bis alle beweglichen Teile zum Stillstand gekommen sind.
Prüfen Sie die Bremsen; siehe Einsetzen der Maschine mit angehobener Plattform.
Nehmen Sie die Batterie heraus, siehe Entfernen der Batterie.

Entleeren Sie den Kraftstofftank Entleeren des Kraftstofftanks.
Nehmen Sie den Deckel vom Hydraulikbehälter ab und decken Sie die Öffnung mit einem Stück Kunststoff ab, setzen Sie dann den Hydraulikdeckel auf.
Note: Dies dichtet den Hydraulikbehälter ab und verhindert undichte Stellen.

Heben Sie mit zwei Personen die Vorderseite des Mähwerks an, sodass es auf den Antriebsreifen und der angehobenen Plattform aufliegt.
Führen Sie die Wartungsarbeiten an der Maschine durch.
Zwei Personen sollten die Vorderseite des Mähwerks vorsichtig auf den Boden absenken.
Entfernen Sie das Stück Kunststoff unter dem Hydraulikbehälterdeckel.
Setzen Sie die Batterie in die Maschine ein.


Das Kissen kann entfernt werden, um Zugang zum Heck der Maschine für Wartungsarbeiten oder Einstellungen zu ermöglichen.
Senken Sie die Plattform ab.
Entfernen Sie die Splints an jeder Seite des Kissens.
Schieben Sie die großen Scheiben mit den Kunststoffbüchsen nach innen.
Entfernen Sie das Kissen und senken die Plattform ab.
Führen Sie die Wartungsarbeiten oder Einstellungen an der Maschine durch.
Heben Sie das Kissen an und schieben es an beiden Seiten der Maschine auf die Splints (Bild 34).
Schieben Sie die großen Scheiben mit den Kunststoffbüchsen in die Kissenhalterung und befestigen sie mit einem Splint (Bild 34).

| Wartungsintervall | Wartungsmaßnahmen |
|---|---|
| Alle 50 Betriebsstunden |
|
Schmierfettsorte: Fett auf Lithium- oder Molybdänbasis
Parken Sie die Maschine auf einer ebenen Fläche, kuppeln Sie die Zapfwelle aus und aktivieren Sie die Feststellbremse.
Stellen Sie vor dem Verlassen der Bedienungsposition den Motor ab, ziehen Sie den Schlüssel ab und warten Sie, bis alle beweglichen Teile zum Stillstand gekommen sind.
Reinigen Sie die Schmiernippel mit einem Lappen.
Note: Kratzen Sie ggf. Lack von der Vorderseite der Nippel ab.
Bringen Sie die Fettpresse am Nippel an.
Fetten Sie die Schmiernippel ein, bis das Fett beginnt, aus den Lagern auszutreten.
Wischen Sie überflüssiges Fett ab.
Mit der folgenden Abbildung ermitteln Sie die Schmierstellen.



| Wartungsintervall | Wartungsmaßnahmen |
|---|---|
| Jährlich |
|
Schmierfettsorte: Fett auf Lithium- oder Molybdänbasis
Nehmen Sie den Staubdeckel ab und stellen Sie die Laufradschwenkarme ein, siehe Anpassung des Laufradschwenkarm-Lagers.
Note: Setzen Sie den Staubdeckel erst nach dem Einfetten des Laufrad-Drehzapfens auf.
Drehen Sie die Sechskantschraube heraus.
Führen Sie einen Schmiernippel in die Öffnung ein.
Pumpen Sie Fett in den Schmiernippel, bis das Fett um das obere Lager herum austritt.
Nehmen Sie den Schmiernippel aus dem Loch.
Drehen Sie die Sechskantschraube und Staubkappe wieder ein.
| Wartungsintervall | Wartungsmaßnahmen |
|---|---|
| Jährlich |
|
Schmierfettsorte: Fett auf Lithium- oder Molybdänbasis
Parken Sie die Maschine auf einer ebenen Fläche, kuppeln Sie die Zapfwelle aus und aktivieren Sie die Feststellbremse.
Stellen Sie vor dem Verlassen der Bedienungsposition den Motor ab, ziehen Sie den Schlüssel ab und warten Sie, bis alle beweglichen Teile zum Stillstand gekommen sind.
Nehmen Sie das Laufrad von den Laufradgabeln ab.
Entfernen Sie die Dichtungsabdeckungen von der Radnabe (Bild 38).

Nehmen Sie eine Distanzstückmutter von der Achse im Laufrad ab.
Note: Die Distanzstückmuttern sind mit einem Gewindesperrmittel an der Achse befestigt. Nehmen Sie die Achse vom Rad ab (die andere Distanzstückmutter befindet sich noch auf der Achse).
Drücken Sie die Dichtungen heraus und prüfen die Lager auf Abnutzung oder Beschädigung. Tauschen Sie diese ggf. aus.
Füllen Sie die Lager mit Allzweckfett.
Setzen Sie ein Lager und eine neue Dichtung in das Rad ein.
Note: Sie müssen die Dichtungen austauschen.
Wenn beide Distanzstückmuttern von der Achse abgenommen wurden (oder abgebrochen sind), tragen Sie Gewindesperrmittel auf eine Distanzstückmutter auf und schrauben sie so auf die Achse, dass die Flachschraubenschlüssel nach außen zeigen.
Note: Schrauben Sie die Distanzstückmutter nicht ganz auf das Ende der Achse. Lassen Sie ungefähr 3 mm von der äußeren Oberfläche der Distanzstückmutter bis zum Ende der Achse in der Mutter.
Setzen Sie die montierte Mutter und Achse auf der Seite mit dem Lager und einer neuen Dichtung in das Rad ein.
Das offene Ende des Rads sollte nach oben zeigen; füllen Sie dann den Bereich im Rad um die Achse mit Allzweckschmiermittel.
Setzen Sie das zweite Lager und eine neue Dichtung in das Rad ein.
Tragen Sie Gewindesperrmittel auf die zweite Distanzstückmutter auf und schrauben sie so auf die Achse, dass die Flachschraubenschlüssel nach außen zeigen.
Ziehen Sie die Mutter bis auf 8-9 Nm an, lösen sie und ziehen sie dann erneut bis auf 2-3 N∙m an.
Note: Stellen Sie sicher, dass die Achse nicht über eine Mutter herausragt.
Setzen Sie die Dichtungsschutzvorrichtungen auf die Radnaben auf und setzen Sie das Rad in die Laufradgabel.
Setzen Sie die Laufradschraube ein und ziehen Sie die Mutter fest.
Important: Sie sollten die Lagereinstellung oft durch Drehen des Laufrads prüfen, um eine Beschädigung der Dichtung und des Lagers zu vermeiden. Der Reifen sollte sich nicht ungehindert drehen (mehr als eine oder zwei Umdrehungen) oder sich seitlich verschieben. Wenn sich das Rad ungehindert dreht, stellen Sie die Spannung der Distanzstückmutter ein, bis etwas Widerstand besteht.
Stellen Sie den Motor grundsätzlich vor dem Prüfen des Ölstands oder Auffüllen des Kurbelgehäuses mit Öl ab.
Berühren Sie den Auspuff und andere heiße Oberflächen nicht dem den Händen, Füßen, dem Gesicht und anderen Körperteile sowie mit Kleidungsstücken.
| Wartungsintervall | Wartungsmaßnahmen |
|---|---|
| Alle 300 Betriebsstunden |
|
Prüfen Sie den Schaum- und Papiereinsatz und wechseln Sie diese aus, wenn sie beschädigt oder stark verschmutzt sind.
Important: Ölen Sie den Schaumstoffeinsatz nicht ein.
Parken Sie die Maschine auf einer ebenen Fläche, kuppeln Sie die Zapfwelle aus und aktivieren Sie die Feststellbremse.
Stellen Sie vor dem Verlassen der Bedienungsposition den Motor ab, ziehen Sie den Schlüssel ab und warten Sie, bis alle beweglichen Teile zum Stillstand gekommen sind.
Reinigen Sie den Bereich um den Luftfilter herum, um zu verhindern, dass Schmutz in den Motor fällt und Schäden verursacht (Bild 39).
Lockern Sie die Handräder der Abdeckung und nehmen die Luftfilterabdeckung ab (Bild 39).
Lösen Sie die Schlauchklemme und entfernen Sie den Luftfilter (Bild 39).
Ziehen Sie den Schaumstoffeinsatz vorsichtig vom Papiereinsatz (Bild 39) ab.

| Wartungsintervall | Wartungsmaßnahmen |
|---|---|
| Alle 25 Betriebsstunden |
|
Waschen Sie den Schaumstoffeinsatz mit Flüssigseife und warmem Wasser. Spülen Sie den sauberen Einsatz gründlich.
Drücken Sie den Einsatz in einem sauberen Lappen aus, um ihn zu trocknen.
Important: Tauschen Sie den Schaumstoffeinsatz aus, wenn er beschädigt oder angerissen ist.
| Wartungsintervall | Wartungsmaßnahmen |
|---|---|
| Alle 100 Betriebsstunden |
|
| Alle 200 Betriebsstunden |
|
Reinigen Sie den Papiereinsatz durch leichtes Klopfen, um Staub herauszurütteln.
Note: Wechseln Sie den Papiereinsatz aus, wenn er sehr schmutzig ist.
Untersuchen Sie den Einsatz auf Risse, einen öligen Film und Schäden an der Gummidichtung.
Ersetzen Sie den Papiereinsatz, wenn er beschädigt ist.
Important: Reinigen Sie nicht den Papierfilter.
Important: Lassen Sie den Motor zur Vermeidung von Motorschäden nie ohne eingesetzten Schaum- und Papierluftfilter laufen.
Ölsorte: Waschaktives Öl (API SJ oder hochwertiger)
Motorölmenge: 1,7 l mit Filter; 1,5 l ohne Filter
Viskosität: Siehe nachfolgende Tabelle:

| Wartungsintervall | Wartungsmaßnahmen |
|---|---|
| Bei jeder Verwendung oder täglich |
|
Note: Prüfen Sie den Ölstand bei kaltem Motor.
Ein Berührung mit heißen Oberflächen kann Verletzungen verursachen.
Berühren Sie den Auspuff und andere heiße Oberflächen nicht dem den Händen, Füßen, dem Gesicht und anderen Körperteile sowie mit Kleidungsstücken.
Important: Füllen Sie auf keinen Fall zu viel Öl in das Kurbelgehäuse ein, da dies zu Schäden am Motor führen kann. Lassen Sie den Motor nicht laufen, wenn der Ölstand unter die untere Füllstandmarke abgefallen ist, da der Motor beschädigt werden könnte.
Parken Sie die Maschine auf einer ebenen Fläche, kuppeln Sie die Zapfwelle aus und aktivieren Sie die Feststellbremse.
Stellen Sie vor dem Verlassen der Bedienungsposition den Motor ab, ziehen Sie den Schlüssel ab und warten Sie, bis alle beweglichen Teile zum Stillstand gekommen sind.
Kontrollieren Sie den Ölstand wie in (Bild 41) gezeigt.


| Wartungsintervall | Wartungsmaßnahmen |
|---|---|
| Nach acht Betriebsstunden |
|
| Alle 100 Betriebsstunden |
|
Note: Entsorgen Sie Altöl im lokalen Recycling Center.
Stellen Sie die Maschine ab, so dass die Ablaufseite etwas tiefer liegt als die entgegengesetzte, damit sichergestellt wird, dass das Öl vollständig abläuft.
Kuppeln Sie die Zapfwelle aus, stellen Sie die Fahrantriebshebel in die ARRETIERTE NEUTRAL-Stellung und aktivieren die Feststellbremse.
Stellen Sie vor dem Verlassen der Bedienungsposition den Motor ab, ziehen den Schlüssel ab und warten, bis alle beweglichen Teile zum Stillstand gekommen sind.
Wechseln Sie das Motoröl in den folgenden Situationen Bild 42.


Gießen Sie langsam ungefähr 80 % der angegebenen Ölsorte in den Einfüllstutzen und füllen Sie dann vorsichtig mehr Öl ein, um den Ölstand an die Voll-Markierung zu bringen (Bild 43).

Lassen Sie den Motor an und fahren Sie auf eine ebene Fläche.
Prüfen Sie den Ölstand.
| Wartungsintervall | Wartungsmaßnahmen |
|---|---|
| Alle 200 Betriebsstunden |
|
Note: Wechseln Sie den Motorölfilter bei extrem staubigen oder sandigen Bedingungen häufiger.
Weitere Informationen zum Ablassen des Motoröls finden Sie unter Wechseln des Motoröls.
Wechseln Sie den Motorölfilter (Bild 44).


Note: Stellen Sie sicher, dass die Ölfilterdichtung den Motor berührt und drehen den Filter dann um eine weitere Dreivierteldrehung.
Füllen Sie das Getriebe mit der richtigen Ölsorte, siehe Motorölsorte.
| Wartungsintervall | Wartungsmaßnahmen |
|---|---|
| Alle 100 Betriebsstunden |
|
Achten Sie darauf, dass der Abstand zwischen der mittleren und der seitlichen Elektrode korrekt ist, bevor Sie die Kerze eindrehen.
Verwenden Sie zum Aus- und Einbau der Zündkerze(n) einen Zündkerzenschlüssel und für die Kontrolle und Einstellung des Elektrodenabstands eine Fühlerlehre. Setzen Sie bei Bedarf eine neue Zündkerze ein.
Typ: NGK® BPR4ES oder Äquivalent
Elektrodenabstand: 0,75 mm
Parken Sie die Maschine auf einer ebenen Fläche, kuppeln Sie die Zapfwelle aus und aktivieren Sie die Feststellbremse.
Stellen Sie vor dem Verlassen der Bedienungsposition den Motor ab, ziehen Sie den Schlüssel ab und warten Sie, bis alle beweglichen Teile zum Stillstand gekommen sind.
Ziehen Sie den Zündkerzenstecker ab, siehe Bild 45.


Important: Reinigen Sie die Zündkerze(n) nie. Wechseln Sie die Zündkerze immer aus, wenn sie schwarz überzogen ist oder abgenutzte Elektroden, einen öligen Film oder Risse aufweist.
Wenn der Kerzenstein hellbraun oder grau ist, ist der Motor richtig eingestellt. Eine schwarze Schicht am Kerzenstein weist normalerweise auf einen schmutzigen Luftfilter hin.
Stellen Sie den Abstand auf 0,75 mm ein.


| Wartungsintervall | Wartungsmaßnahmen |
|---|---|
| Alle 50 Betriebsstunden |
|
Heiße Teile des Auspuffs können Kraftstoffdämpfe entzünden, selbst nach dem Abstellen des Motors. Heiße Partikel, die vom laufenden Motor ausgestoßen werden, können brennbare Materialien entzünden und zu Verletzungen oder Sachschäden führen.
Betanken Sie die Maschine und lassen Sie den Motor nur an, wenn der Funkenfänger eingebaut ist.
Parken Sie die Maschine auf einer ebenen Fläche, kuppeln Sie die Zapfwelle aus und aktivieren Sie die Feststellbremse.
Stellen Sie vor dem Verlassen der Bedienungsposition den Motor ab, ziehen den Schlüssel ab und warten, bis alle beweglichen Teile zum Stillstand gekommen sind.
Warten Sie, bis der Auspuff kalt ist.
Tauschen Sie den Funkenfänger aus, wenn Sie Risse im Gitter oder an den Schweißnähten feststellen.
Bei Verstopfungen des Gitters nehmen Sie den Funkenfänger ab und schütteln Sie lose Partikel aus dem Funkenfänger; reinigen Sie das Gitter dann mit einer Drahtbürste (weichen Sie es ggf. in Reinigungsmittel ein).
Bauen Sie den Funkenfänger wieder am Ende des Auspuffrohrs ein.
Note: Verwenden Sie eine Saugpumpe, um den Kraftstoff aus dem Tank zu entfernen. Sie können eine Saugpumpe in einem Baumarkt erwerben.
Unter bestimmten Bedingungen ist Kraftstoff extrem leicht entflammbar und hochexplosiv. Feuer und Explosionen durch Kraftstoff können Verbrennungen für Sie und Unbeteiligte bedeuten und Sachschäden verursachen
Führen Sie Wartungsarbeiten an der Kraftstoffanlage bei kaltem Motor durch. Tun Sie das im Freien auf einem freien Platz. Wischen Sie verschütteten Kraftstoff auf.
Rauchen Sie beim Ablassen von Kraftstoff nie und halten diesen von offenen Flammen und aus Bereichen fern, in denen Benzindämpfe durch Funken entzündet werden könnten.
Parken Sie die Maschine auf einer ebenen Fläche, kuppeln Sie die Zapfwelle aus und aktivieren Sie die Feststellbremse.
Stellen Sie vor dem Verlassen der Bedienungsposition den Motor ab, ziehen Sie den Schlüssel ab und warten Sie, bis alle beweglichen Teile zum Stillstand gekommen sind.
Reinigen Sie den Bereich um den Tankdeckel, damit keine Rückstände in den Kraftstofftank gelangen (Bild 48).
Entfernen Sie den Tankdeckel.
Stecken Sie eine Saugpumpe in den Kraftstofftank.
Saugen Sie mit der Saugpumpe den Kraftstoff in einem sauberen Kraftstoffbehälter (Bild 48).
Wischen Sie verschütteten Kraftstoff auf.

| Wartungsintervall | Wartungsmaßnahmen |
|---|---|
| Alle 800 Betriebsstunden |
|
Setzen Sie keinen verschmutzten Filter ein, wenn er von der Kraftstoffleitung getrennt ist.
Note: Wischen Sie verschütteten Kraftstoff auf.
Parken Sie die Maschine auf einer ebenen Fläche, kuppeln Sie die Zapfwelle aus und aktivieren Sie die Feststellbremse.
Stellen Sie vor dem Verlassen der Bedienungsposition den Motor ab, ziehen Sie den Schlüssel ab und warten Sie, bis alle beweglichen Teile zum Stillstand gekommen sind.
Schließen Sie den Kraftstoffhahn, siehe Verwenden des Kraftstoffhahns.
Wechseln Sie den Kraftstofffilter aus, wie in Bild 49 abgebildet.

Klemmen Sie vor dem Durchführen von Reparaturen die Batterie ab und ziehen Sie den Zündkerzenstecker ab. Klemmen Sie immer zuerst den Minuspol und dann den Pluspol ab. Schließen Sie immer zuerst den Pluspol und dann den Minuspol an.
Laden Sie den Akku in offenen, gut gelüfteten Bereichen und nicht in der Nähe von Funken und offenem Feuer. Stecken Sie das Ladegerät aus, ehe Sie die Batterie anschließen oder abklemmen. Tragen Sie Schutzkleidung und verwenden Sie isoliertes Werkzeug.
| Wartungsintervall | Wartungsmaßnahmen |
|---|---|
| Alle 100 Betriebsstunden |
|
Halten Sie die Batterie immer sauber und voll aufgeladen. Reinigen Sie den Batteriekasten mit einem Papiertuch. Reinigen Sie korrodierte Batteriepole mit einer Lösung aus vier Teilen Wasser und einem Teil Natron. Tragen Sie eine dünne Fettschicht auf die Batterieklemmen/-pole auf, um Korrosion zu verhindern.
Spannung: 12 V
Parken Sie die Maschine auf einer ebenen Fläche, kuppeln Sie die Zapfwelle aus und aktivieren Sie die Feststellbremse.
Stellen Sie vor dem Verlassen der Bedienungsposition den Motor ab, ziehen Sie den Schlüssel ab und warten Sie, bis alle beweglichen Teile zum Stillstand gekommen sind.
Nehmen Sie die Batterie heraus, wie in Bild 50 abgebildet.

Beim Laden des Akkus werden Gase erzeugt, die explodieren können.
Rauchen Sie nie in der Nähe des Akkus und halten Sie Funken und offenes Feuer von des Akkus fern.
Important: Die Batterie sollte immer ganz aufgeladen sein (1,265 spezifisches Gewicht), um eine Beschädigung der Batterie bei Temperaturen unter 0 °C zu vermeiden.
Nehmen Sie die Batterie aus dem Chassis heraus, siehe Entfernen der Batterie.
Prüfen Sie den Stand der Batterieflüssigkeit.
Stellen Sie sicher, dass die Entlüftungsdeckel auf die Batterie aufgeschraubt sind.
Laden Sie die Batterie eine Stunde lang mit 25 A bis 30 A oder sechs Stunden lang mit 4 A bis 6 A auf.
Ziehen Sie, wenn die Batterie voll geladen ist, den Stecker des Ladegeräts aus der Dose. Klemmen Sie dann die Klemmen des Ladegeräts von den Batteriepolen ab (Bild 51).
Setzen Sie die Batterie in die Maschine ein und klemmen Sie die Batteriekabel an; siehe Einsetzen der Batterie.
Note: Lassen Sie die Maschine nicht ohne angeschlossenen Akku laufen; die Elektrik des Motors kann beschädigt werden.

Setzen Sie die Batterien ein, wie in Bild 52 abgebildet.

Das Elektrosystem ist mit Sicherungen gesichert. Die Sicherung muss nicht gewartet werden. Überprüfen Sie jedoch, wenn eine Sicherung gesprungen ist, das/den entsprechende(n) Bauteil/Stromkreis auf Fehlfunktion oder Kurzschluss.
Parken Sie die Maschine auf einer ebenen Fläche, kuppeln Sie die Zapfwelle aus und aktivieren Sie die Feststellbremse.
Stellen Sie vor dem Verlassen der Bedienungsposition den Motor ab, ziehen Sie den Schlüssel ab und warten Sie, bis alle beweglichen Teile zum Stillstand gekommen sind.
Lösen Sie das Bedienerkissen vom Heck der Maschine.
Ziehen Sie die Sicherung heraus und setzen Sie sie wieder ein (Bild 53).
Setzen Sie das Bedienerkissen ein.

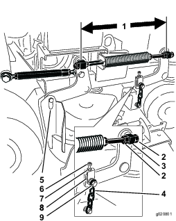
Wenn Sie beide Fahrantriebshebel um den gleichen Abstand nach vorne drücken und die Maschine auf eine Seite zieht, stellen Sie die Spurweite wie folgt ein.
Parken Sie die Maschine auf einer ebenen Fläche, kuppeln Sie die Zapfwelle aus und aktivieren Sie die Feststellbremse.
Stellen Sie vor dem Verlassen der Bedienungsposition den Motor ab, ziehen Sie den Schlüssel ab und warten Sie, bis alle beweglichen Teile zum Stillstand gekommen sind.
Lösen Sie das Kissen vom Heck der Maschine.
Drehen Sie die rechte Kabeleinstellung so, dass der rechte Fahrantriebshebel in der Mittel des Schlitzes für die arretierte Neutral-Stellung am Armaturenbrett ist (Bild 55).

Drehen Sie die linke Kabeleinstellung, bis die linke Radgeschwindigkeit der vorher eingestellten rechten Radgeschwindigkeit entspricht.
Verwenden Sie Vierteldrehungen, bis die Spur der Maschine gerade ist.
Note: Stellen Sie nur das linke Kabel ein, um die linke Radgeschwindigkeit auf die rechte Radgeschwindigkeit anzupassen. Stellen Sie die rechte Radgeschwindigkeit nicht ein, da der rechte Fahrantriebshebel sonst nicht im Schlitz für die arretierte Neutral-Stellung am Armaturenbrett zentriert ist.

Prüfen Sie, dass die Spurweite richtig ist.
Note: Wenn die Maschine nach der Einstellung der Spurweite nicht anspringt, stellen Sie sicher, dass das Messplättchen des Initiators mit der Schraube ausgefluchtet ist, die am Fahrantriebshebel angebracht ist, siehe Einstellen des Näherungsschalters.
Wiederholen Sie die Einstellung des Kabels, bis die Spurweite richtig ist.
Stellen Sie sicher, dass die Maschine nicht in der Neutral-Stellung bei aktivierter Feststellbremse kriecht.
Important: Drehen Sie das Gestänge nicht zu weit, da die Maschine sonst in der Neutral-Stellung kriechen könnte.
Verwenden Sie diese Schritte, wenn die Maschine nach dem Einstellen der Spurweite nicht anspringt.
Stellen Sie sicher, dass die am Fahrantriebshebel angebrachte Schraube mit dem Messplättchen des Initiators ausgefluchtet ist (Bild 56).
Sofern erforderlich, lösen Sie die Schrauben und stellen Sie den Näherungsschalter ein, bis das Messplättchen an der Schraube des Fahrantriebsschalters ausgerichtet ist (Bild 56).
Prüfen Sie den Abstand zwischen der Schraube und dem Näherungsschalters; er muss zwischen 0,51 mm und 1,02 mm sein (Bild 56).
Sollte eine Einstellung erforderlich sein, lockern Sie die Klemmmutter und stellen Sie die Schraube auf den richtigen Abstand ein.
Ziehen Sie die Klemmmutter nach der Einstellung der Schraube wieder an (Bild 56).
Prüfen Sie die Funktion der Sicherheitsschalter, bevor Sie die Maschine bedienen.

| Wartungsintervall | Wartungsmaßnahmen |
|---|---|
| Alle 50 Betriebsstunden |
|
Halten Sie den für die Vorder- und Hinterreifen angegebenen Reifendruck bei 83 bis 97 kPa (12 bis 14 psi) ein.
Important: Ein unterschiedlicher Reifendruck kann zu einem ungleichmäßigen Schnittbild führen.
Note: Die Vorderreifen sind halbpneumatische Reifen, deren Luftdruck nicht geprüft werden muss.

| Wartungsintervall | Wartungsmaßnahmen |
|---|---|
| Alle 500 Betriebsstunden |
|
Parken Sie die Maschine auf einer ebenen Fläche, kuppeln Sie die Zapfwelle aus und aktivieren Sie die Feststellbremse.
Stellen Sie vor dem Verlassen der Bedienungsposition den Motor ab, ziehen Sie den Schlüssel ab und warten Sie, bis alle beweglichen Teile zum Stillstand gekommen sind.
Entfernen Sie den Staubdeckel vom Laufrad und ziehen Sie die Sicherungsmutter an (Bild 58).
Ziehen Sie die Sicherungsmutter an, bis die Federscheiben flach liegen und schrauben Sie dann um Viertelumdrehung zurück, um die Lager richtig vorzuspannen (Bild 58).
Important: Achten Sie darauf, dass die Federscheiben richtig eingesetzt sind, siehe Bild 58.
Setzen Sie den Staubdeckel auf (Bild 58).

| Wartungsintervall | Wartungsmaßnahmen |
|---|---|
| Alle 100 Betriebsstunden |
|
Die Kupplung lässt sich zum Herbeiführen einer einwandfreien Aktivierung und Bremswirkung einstellen.
Parken Sie die Maschine auf einer ebenen Fläche, kuppeln Sie die Zapfwelle aus und aktivieren Sie die Feststellbremse.
Stellen Sie vor dem Verlassen der Bedienungsposition den Motor ab, ziehen Sie den Schlüssel ab und warten Sie, bis alle beweglichen Teile zum Stillstand gekommen sind.
Stecken Sie eine Fühlerlehre (0,4 mm bis 0,5 mm) durch einen Prüfschlitz in die Seite der Baugruppe.
Note: Stellen Sie sicher, dass die Lehre zwischen dem Anschlussstück und den Rotorreiboberflächen ist.
Note: Der Abstand muss mindestens 0,4 mm und nicht größer als 0,5 mm sein.
Sollte eine Einstellung erforderlich sein, verwenden Sie eine 0,4 mm starke Fühlerlehre, um jede der drei Einstellungsschlitzpositionen einzustellen.
Ziehen Sie die Sicherungsmuttern an, bis die Fühlerlehre etwas fest sitzt, jedoch leicht bewegt werden kann (Bild 59).
Wiederholen Sie diesen Vorgang für die restlichen Schlitze.
Prüfen Sie jeden Schlitz noch einmal und stellen Sie weiter ein, bis die Fühlerlehre zwischen dem Drehzylinder und dem Anschlussstück beide Teile leicht berührt.

| Wartungsintervall | Wartungsmaßnahmen |
|---|---|
| Bei jeder Verwendung oder täglich |
|
Entfernen Sie vor jedem Einsatz Schnittgut, Schmutz und andere Rückstände vom Zylinder sowie von den Kühlrippen des Zylinderkopfes, dem Ansauggitter an der Schwungradseite sowie von den Vergaserhebeln und dem -gestänge. So gewährleisten Sie eine ausreichende Kühlung des Motors sowie die korrekte Motordrehzahl und reduzieren Sie die Gefahr einer Überhitzung oder mechanischer Motorschäden.
| Wartungsintervall | Wartungsmaßnahmen |
|---|---|
| Alle 100 Betriebsstunden |
|
Parken Sie die Maschine auf einer ebenen Fläche, kuppeln Sie die Zapfwelle aus und aktivieren Sie die Feststellbremse.
Stellen Sie vor dem Verlassen der Bedienungsposition den Motor ab, ziehen Sie den Schlüssel ab und warten Sie, bis alle beweglichen Teile zum Stillstand gekommen sind.
Entfernen Sie das das Luftansauggitter und das Lüftergehäuse (Bild 60).
Entfernen Sie Schmutz- und Grasrückstände von den Motorteilen.
Setzen Sie das Luftansauggitter ein und bringen das Lüftergehäuse an (Bild 60).

| Wartungsintervall | Wartungsmaßnahmen |
|---|---|
| Bei jeder Verwendung oder täglich |
|
Prüfen Sie die Feststellbremse sowohl auf ebenem Gelände als auch an einem Hang, bevor Sie die Maschine einsetzen.
Aktivieren Sie die Feststellbremse immer, wenn Sie die Maschine anhalten oder unbeaufsichtigt lassen. Wenn die Feststellbremse den Traktor nicht sicher hält, muss diese eingestellt werden.
Kuppeln Sie die Zapfwelle aus und aktivieren die Feststellbremse
Stellen Sie vor dem Verlassen der Bedienungsposition den Motor ab, ziehen den Schlüssel ab und warten, bis alle beweglichen Teile zum Stillstand gekommen sind.
Lösen Sie die Feststellbremse.
Aktivieren Sie den Bremshebel und stellen sicher, dass sich die Maschine nicht bewegt.
Stellen Sie die Bremse ggf. ein.
| Wartungsintervall | Wartungsmaßnahmen |
|---|---|
| Bei jeder Verwendung oder täglich |
|
Important: Stellen Sie sicher, dass die Maschine auf einer ebenen Fläche steht, wenn Sie die Bremse prüfen und einstellen.
Parken Sie die Maschine auf einer ebenen Fläche, kuppeln Sie die Zapfwelle aus und aktivieren Sie die Feststellbremse.
Stellen Sie vor dem Verlassen der Bedienungsposition den Motor ab, ziehen Sie den Schlüssel ab und warten Sie, bis alle beweglichen Teile zum Stillstand gekommen sind.
Prüfen Sie den Reifendruck, siehe Prüfen des Reifendrucks.
Lösen Sie die Feststellbremse, siehe Betätigen der Feststellbremse.
Messen Sie bei gelöster Bremse den Abstand zwischen der Bremsstange und dem Reifen auf jeder Seite.
Verwenden Sie die Seite mit dem kleinsten Abstand und stellen Sie sicher, dass der Abstand zwischen 3 mm und 6 mm liegt, siehe Bild 61); wenn der Abstand abweicht, siehe Einstellen der Bremsen.

Parken Sie die Maschine auf einer ebenen Fläche, kuppeln Sie die Zapfwelle aus und aktivieren Sie die Feststellbremse.
Stellen Sie vor dem Verlassen der Bedienungsposition den Motor ab, ziehen Sie den Schlüssel ab und warten Sie, bis alle beweglichen Teile zum Stillstand gekommen sind.
Lösen Sie die Feststellbremse.
Entfernen Sie zum Einstellen der Bremse den Splint und den Lastösenbolzen vom unteren Bremshebel und dem Joch (Bild 62).
Stellen Sie das Joch ein (Bild 61).
Note: Der Abstand zwischen der Bremsstange und dem Reifen muss zwischen 3 mm und 6 mm liegen.
Note: Drehen Sie das Joch nach oben, um den Bremswiderstand zu erhöhen. Drehen Sie das Joch nach unten, um den Bremswiderstand zu verringern.
Prüfen Sie die Bremsen erneut; siehe Überprüfen der Feststellbremse.
Befestigen Sie das Joch mit dem Splint und dem Lastösenbolzen am unteren Bremshebel (Bild 62).

| Wartungsintervall | Wartungsmaßnahmen |
|---|---|
| Alle 100 Betriebsstunden |
|
Prüfen Sie die Riemen auf Risse, zerfranste Ränder, Versengungsanzeichen, Abnutzung, Überhitzungszeichen, und irgendwelche anderen Defekte.
Das Quietschen des Riemens, wenn er sich dreht, das Schlüpfen der Messer beim Mähen, zerfranste Ränder, Versengen und Risse – dies alles sind Hinweise auf einen abgenutzten Mähwerk-Treibriemen. Wechseln Sie den Mähwerkriemen aus, wenn Sie solche Anzeichen feststellen.
Important: Die Befestigungen an den Abdeckungen dieser Maschine bleiben nach dem Entfernen an der Abdeckung. Lösen Sie alle Befestigungen an jeder Abdeckung um ein paar Umdrehungen, sodass die Abdeckungen lose aber noch verbunden sind; lösen Sie dann alle Befestigungen, bis die Abdeckung nicht mehr befestigt ist. Dies verhindert, dass die Schrauben aus Versehen aus den Haltern herausgeschraubt werden.
Parken Sie die Maschine auf einer ebenen Fläche, kuppeln Sie die Zapfwelle aus und aktivieren Sie die Feststellbremse.
Stellen Sie vor dem Verlassen der Bedienungsposition den Motor ab, ziehen Sie den Schlüssel ab und warten Sie, bis alle beweglichen Teile zum Stillstand gekommen sind.
Lösen Sie die Schrauben und nehmen Sie die rechte Riemenabdeckung ab (die Schrauben sollten in der Abdeckung bleiben).
Entfernen Sie die Feder vom Ankerpfosten am Spannscheibenarm (Bild 63).
Nehmen Sie den verschlissenen Mähwerkriemen ab (Bild 63).
Verlegen Sie einen neuen Mähwerkriemen um die Kupplungsscheibe, die Riemenscheiben des Mähwerks und Spannscheibe (Bild 63).
Setzen Sie die Feder auf den Ankerpfosten am Spannscheibenarm ein (Bild 63).
Montieren Sie die Riemenabdeckung am Mähwerk und befestigen Sie die Schraube.

Parken Sie die Maschine auf einer ebenen Fläche, kuppeln Sie die Zapfwelle aus und aktivieren Sie die Feststellbremse.
Stellen Sie vor dem Verlassen der Bedienungsposition den Motor ab, ziehen Sie den Schlüssel ab und warten Sie, bis alle beweglichen Teile zum Stillstand gekommen sind.
Lösen Sie die Schrauben und nehmen Sie die Riemenabdeckungen ab (die Schrauben sollten in der Abdeckung bleiben).
Entfernen Sie die Feder vom Ankerpfosten am Spannscheibenarm (Bild 63).

Entfernen Sie den rechten Mähwerkriemen (Bild 64).
Wenn Sie den linken Mähwerkriemen entfernen, gehen Sie folgendermaßen vor; sonst weiter mit Schritt 7.
Entfernen Sie die Feder vom Ankerpfosten am Spannscheibenarm (Bild 65).
Nehmen Sie den verschlissenen Mähwerkriemen ab (Bild 65).
Verlegen Sie einen neuen Mähwerkriemen um die Riemenscheiben des Mähwerks, die Kupplungsscheibe und die Spannscheibe (Bild 65).

Bauen Sie den vorher entfernten oder einen neuen Mähwerkriemen um die rechten Riemenscheiben des Mähwerks und die Spannscheibe ein (Bild 64).
Setzen Sie die Feder auf den Ankerpfosten am Spannscheibenarm ein (Bild 63).
Montieren Sie die Riemenabdeckung am Mähwerk und befestigen Sie die Schrauben.
| Wartungsintervall | Wartungsmaßnahmen |
|---|---|
| Alle 100 Betriebsstunden |
|
Parken Sie die Maschine auf einer ebenen Fläche, kuppeln Sie die Zapfwelle aus und aktivieren Sie die Feststellbremse.
Stellen Sie vor dem Verlassen der Bedienungsposition den Motor ab, ziehen Sie den Schlüssel ab und warten Sie, bis alle beweglichen Teile zum Stillstand gekommen sind.
Entfernen Sie den Riemen des Mähwerks, siehe Austauschen des Mähwerkriemens.
Kiepen Sie die Maschine, siehe Anheben des Mähwerks für Zugänglichkeit.
Entfernen Sie die Schulterpassschraube, Mutter und Scheibe, die am Motor und an der Feder angeschlossen sind (Bild 66).

Entfernen des Pumpen-Treibriemens (Bild 66).
Verlegen Sie einen neuen Riemen um die Kupplung und die 2 Pumpenscheiben.
Montieren Sie die Feder auf die Schulterpassschraube und Scheibe und befestigen Sie sie mit der Mutter am Motor (Bild 66).
Senken Sie die Maschine in die Betriebsstellung ab.
Bauen Sie den Riemen des Mähwerks ein, siehe Austauschen des Mähwerkriemens.
Wenn die Fahrantriebshebel horizontal nicht ausgerichtet sind, stellen Sie den rechten Fahrantriebshebel ein.
Note: Stellen Sie die horizontale Ausrichtung vor der Längsausrichtung ein.
Parken Sie die Maschine auf einer ebenen Fläche, kuppeln Sie die Zapfwelle aus und aktivieren Sie die Feststellbremse.
Stellen Sie vor dem Verlassen der Bedienungsposition den Motor ab, ziehen Sie den Schlüssel ab und warten Sie, bis alle beweglichen Teile zum Stillstand gekommen sind.
Drücken Sie den rechten Fahrantriebshebel nach unten und außen aus der ARRETIERTEN NEUTRAL-Stellung (Bild 67).
Prüfen Sie, ob der rechte Fahrantriebshebel mit dem linken Fahrantriebshebel horizontal eingestellt ist (Bild 67).

Note: Zum horizontalen Einstellen des rechten Fahrantriebshebels muss die Nocke eingestellt werden.
Lösen Sie das Kissen vom Heck der Maschine.
Lockern Sie die Mutter, mit der die Nocke befestigt ist (Bild 68).

Stellen Sie die Nocke ein, bis sie mit dem linken Fahrantriebshebel ausgerichtet ist, ziehen Sie dann die Mutter für die Nocke an.
Note: Durch das Bewegen der Nocke nach rechts (in die vertikale Stellung) wird der Hebel abgesenkt und durch das Bewegen nach links (in die vertikale Stellung) wird der Hebel angehoben.
Important: Stellen Sie sicher, dass der flache Teil der Nocke nicht über die vertikale Stellung (rechts oder links) hinausgeht, sonst kann der Schalter beschädigt werden.
Important: Stellen Sie sicher, dass die Spur nach dem Einstellen der Fahrantriebshebel richtig ist (Bild 69).
Note: Stellen Sie die horizontale Ausrichtung vor der Längsausrichtung ein.
Wenn die Fahrantriebshebel längs nicht ausgerichtet sind oder der rechte Antriebshebel nicht einfach in die ARRETIERTE NEUTRAL-STELLUNG zu bringen ist, passen Sie die Neutralstellung der Hebel an.
Nach der seitlichen Ausrichtung müssen Sie die Ausrichtung in Längsrichtung prüfen; drücken Sie die Fahrantriebshebel etwas nach vorne, um das Spiel im Gestänge der Hebel zu entfernen (Bild 69).

Stellen Sie sicher, dass der rechte Fahrantriebshebel leicht in die ARRETIERTE NEUTRAL-Stellung geht.
Note: Drehen Sie die Kabeleinstellung nach rechts, um den Fahrantriebshebel nach vorne zu bewegen. Drehen Sie die Kabeleinstellung gegen den Uhrzeigersinn, um den Fahrantriebshebel nach hinten zu bewegen.
Drehen Sie die Kabeleinstellung an der rechten Seite, wenn eine Einstellung erforderlich ist.
Note: Drehen Sie das Kabel um Vierteldrehungen.
Wenn der rechte Fahrantriebshebel leicht in die ARRETIERTE NEUTRAL-Stellung geht, stellen Sie den linken Fahrantriebshebel so ein, dass er mit dem rechten ausgefluchtet ist.
Prüfen Sie, dass die Spurweite richtig ist, siehe Einstellen der Spurweite .
Setzen Sie das Kabelschloss in die Kabeleinstellmuttern ein, um die Einstellung zu arretieren (Bild 70).

Suchen Sie beim Einspritzen unter die Haut sofort einen Arzt auf. In die Haut eingedrungene Flüssigkeit muss sie innerhalb weniger Stunden von einem Arzt entfernt werden.
Stellen Sie sicher, dass alle Hydraulikschläuche und -leitungen in gutem Zustand und alle Hydraulikverbindungen und -anschlussstücke fest angezogen sind, bevor Sie die Hydraulikanlage unter Druck setzen.
Halten Sie Ihren Körper und Ihre Hände von Nadellöchern und Düsen fern, aus denen Hydrauliköl unter hohem Druck ausgestoßen wird.
Gehen Sie hydraulischen Undichtheiten nur mit Pappe oder Papier nach.
Lassen Sie den Druck in der Hydraulikanlage auf eine sichere Art und Weise ab, bevor Sie irgendwelche Arbeiten an der Hydraulikanlage durchführen.
Hydraulikölsorte: Toro® HYPR-OIL™ 500-Hydrauliköl oder Mobil® 1 15W-50 synthetisches Motoröl.
Fassungsvermögen der Hydraulikanlage: 2,0 l
Important: Verwenden Sie die angegebene Ölsorte. Andere Ölsorten können die Hydraulikanlage beschädigen.
| Wartungsintervall | Wartungsmaßnahmen |
|---|---|
| Nach acht Betriebsstunden |
|
| Alle 50 Betriebsstunden |
|
Note: Das Ablenkblech im Behälter hat zwei Niveaus, abhängig davon, ob das Öl warm oder kalt ist.
Parken Sie die Maschine auf einer ebenen Fläche, kuppeln Sie die Zapfwelle aus und aktivieren Sie die Feststellbremse.
Stellen Sie vor dem Verlassen der Bedienungsposition den Motor ab, ziehen Sie den Schlüssel ab und warten Sie, bis alle beweglichen Teile zum Stillstand gekommen sind.
Reinigen Sie den Bereich um den Deckel und den Einfüllstutzen des Hydraulikölbehälters (Bild 71).

Drehen Sie den Deckel vom Einfüllstutzen ab (Bild 71).
Note: Schauen Sie in den Stutzen, um den Flüssigkeitsstand zu prüfen.
Füllen Sie bei Bedarf Öl bis zur Einfüllmarkierung für kaltes Öl an der Zwischenplatte nach.
Lassen Sie die Maschine 15 Minuten lang mit niedriger Drehzahl laufen, um die Anlage zu entlüften und das Öl anzuwärmen.
Stellen Sie vor dem Verlassen der Bedienungsposition den Motor ab, ziehen den Schlüssel ab und warten, bis alle beweglichen Teile zum Stillstand gekommen sind.
Prüfen Sie den Füllstand bei warmem Öl. Füllen Sie bei Bedarf Öl in den Tank, bis es zwischen der Anzeige für warmes Öl und der für kaltes Öl steht.
Note: Der Füllstand sollte bei heißem Öl unterhalb der Oberkante der heißen Einfüllmarkierung der Zwischenplatte sein (Bild 71).
Bringen Sie die Kappe wieder auf dem Einfüllstutzen an.
| Wartungsintervall | Wartungsmaßnahmen |
|---|---|
| Alle 250 Betriebsstunden |
|
| Alle 500 Betriebsstunden |
|
Heiße Hydraulikflüssigkeit kann schwere Verbrennungen verursachen.
Lassen Sie das Hydrauliköl abkühlen, bevor Sie Wartungsarbeiten an der Hydraulikanlage durchführen.
Parken Sie die Maschine auf einer ebenen Fläche, kuppeln Sie die Zapfwelle aus und aktivieren Sie die Feststellbremse.
Stellen Sie vor dem Verlassen der Bedienungsposition den Motor ab, ziehen Sie den Schlüssel ab und warten Sie, bis alle beweglichen Teile zum Stillstand gekommen sind.
Nehmen Sie den Deckel des Hydraulikölbehälters ab.
Stellen Sie eine Auffangwanne am vorderen Hydraulikschlauch unter den Hydraulikbehälter (Bild 72).
Lösen Sie die Schlauchklemme und schieben Sie sie am Schlauch entlang.
Entfernen Sie den vorderen Hydraulikschlauch und lassen die Flüssigkeit aus dem Behälter ablaufen.

Wechseln Sie den Hydraulikfilter, siehe Auswechseln des Hydraulikölfilters.
Schließen Sie den Hydraulikschlauch unter dem Behälter an.
Füllen Sie bei Bedarf Öl bis zur Zwischenplatte für kaltes Öl im Behälter nach.
Important: Verwenden Sie die angegebene Flüssigkeit oder eine vergleichbare Ölsorte. Andere Ölsorten können die hydraulische Anlage beschädigen.
Befestigen Sie den Deckel vom Hydraulikbehälter.
Starten Sie den Motor und lassen ihn ca. zwei Minuten lang laufen, um die Anlage zu entlüften.
Stellen Sie den Motor ab und prüfen Sie auf Undichtigkeiten.
Note: Wenn ein Rad oder beide keinen Antrieb haben, siehe Entlüften der Hydraulikanlage.
Prüfen Sie den Ölstand und füllen Sie ggf. Öl auf.
Important: Füllen Sie nicht zu viel ein.
| Wartungsintervall | Wartungsmaßnahmen |
|---|---|
| Nach acht Betriebsstunden |
|
| Alle 500 Betriebsstunden |
|
Heiße Hydraulikflüssigkeit kann schwere Verbrennungen verursachen.
Lassen Sie das Hydrauliköl abkühlen, bevor Sie Wartungsarbeiten an der Hydraulikanlage durchführen.
Parken Sie die Maschine auf einer ebenen Fläche, kuppeln Sie die Zapfwelle aus und aktivieren Sie die Feststellbremse.
Stellen Sie vor dem Verlassen der Bedienungsposition den Motor ab, ziehen Sie den Schlüssel ab und warten Sie, bis alle beweglichen Teile zum Stillstand gekommen sind.
Stellen Sie eine Auffangwanne unter den Filter (Bild 73).

Entfernen Sie den Altfilter und wischen die Dichtfläche am Anbaustutzen (Bild 74) ab.
Ölen Sie die Gummidichtung am Ersatzfilter leicht mit Frischöl ein.
Setzen Sie den Ersatzfilter auf den Filterstutzen.
Drehen Sie den Filter nach rechts bis die Gummidichtung den Anbaustutzen berührt. Ziehen Sie ihn dann um eine weitere 1/2 Umdrehung fester (Bild 74).

Wischen Sie verschüttetes Öl auf.
Prüfen Sie das Öl im Behälter und füllen Sie Öl auf, bis der Stand bis zur Markierung für kaltes Öl reicht.
Important: Verwenden Sie die angegebene Flüssigkeit oder eine vergleichbare Ölsorte. Andere Ölsorten können die hydraulische Anlage beschädigen.
Lassen Sie den Motor an und lassen ihn ca. zwei Minuten lang laufen, um die Anlage zu entlüften.
Stellen Sie den Motor ab und prüfen Sie auf Undichtigkeiten.
Note: Wenn ein Rad oder beide keinen Antrieb haben, finden Sie weitere Informationen unter Entlüften der Hydraulikanlage.
Prüfen Sie noch einmal den Ölstand und füllen bei Bedarf Öl nach.
Important: Füllen Sie nicht zu viel ein.
Die Antriebsanlage entlüftet sich automatisch. Nach einem Ölwechsel oder Arbeiten an der Anlage kann ein manuelles Entlüften jedoch erforderlich sein.
Parken Sie die Maschine auf einer ebenen Fläche, kuppeln Sie die Zapfwelle aus und aktivieren Sie die Feststellbremse.
Stellen Sie vor dem Verlassen der Bedienungsposition den Motor ab, ziehen Sie den Schlüssel ab und warten Sie, bis alle beweglichen Teile zum Stillstand gekommen sind.
Heben Sie das Heck der Maschine auf Achsständer so weit an, dass die Antriebsräder Bodenfreiheit haben.
Lassen Sie den Motor an und stellen Sie den Gashebel auf Leerlauf.
Note: Wenn sich das Antriebsrad nicht dreht, unterstützen Sie das Entleeren der Anlage durch vorsichtiges Drehen des Reifens nach vorn.
Prüfen Sie den fallenden Hydraulikölfüllstand und füllen Sie nach Bedarf Öl auf den korrekten Füllstand nach.
Wiederholen Sie diese Schritte an der anderen Seite.
| Wartungsintervall | Wartungsmaßnahmen |
|---|---|
| Alle 100 Betriebsstunden |
|
Prüfen Sie die Hydraulikschläuche auf Dichtheit, Knicke, lockere Anschlussstücke, lose Befestigungsstützen, Abnutzung, witterungsbedingte Minderung und chemischen Zersatz. Führen Sie alle erforderlichen Reparaturen vor der Inbetriebnahme durch.
Note: Halten Sie die Bereiche um die Hydraulikanlage frei von Gras und Schmutz.
Note: Verlängerte Betriebszeiten bei hohen Temperaturen in warmen Umgebungen können Schläuche und Dichtungen abnutzen. In warmen Umgebungen sollten häufigere Kontrollen durchgeführt und das Hydrauliköl sowie der Filter öfter gewechselt werden.
Halten Sie, damit eine optimale Schnittqualität sichergestellt wird, die Schnittmesser scharf. Sie sollten immer Ersatzmesser zur Hand haben, um das Schärfen und den Ersatz der Messer komfortabler ausführen zu können.
Ein abgenutztes oder beschädigtes Messer kann zerbrechen. Herausgeschleuderte Messerstücke können Sie oder Unbeteiligte treffen und schwere oder tödliche Verletzungen verursachen.
Prüfen Sie die Messer regelmäßig auf Abnutzung oder Beschädigungen.
Prüfen Sie die Messer vorsichtig. Wickeln Sie die Messer in einen Lappen ein oder tragen Handschuhe; gehen Sie bei der Wartung der Messer mit besonderer Vorsicht vor. Wechseln oder schärfen Sie die Messer, sie dürfen keinesfalls geglättet oder geschweißt werden.
Überprüfen Sie vor jedem Einsatz, ob die Schnittmesser und -schrauben abgenutzt oder beschädigt sind. Tauschen Sie abgenutzte oder defekte Messer und -schrauben als komplette Sätze aus, um die Wucht der Messer beizubehalten.
Denken Sie bei Maschinen mit mehreren Schnittmessern daran, dass ein sich bewegendes Messer das Mitdrehen anderer Messer verursachen kann.
Parken Sie die Maschine auf einer ebenen Fläche, kuppeln Sie die Zapfwelle aus und aktivieren Sie die Feststellbremse.
Stellen Sie den Motor ab, ziehen Sie den Zündschlüssel und den Zündkerzenstecker ab.
| Wartungsintervall | Wartungsmaßnahmen |
|---|---|
| Bei jeder Verwendung oder täglich |
|
Untersuchen Sie die Schnittkanten (Bild 75).
Entfernen Sie das Messer und schärfen Sie es, wenn die Kanten nicht scharf sind oder Kerben aufweisen; siehe Schärfen der Messer.
Prüfen Sie die Schnittmesser, insbesondere im gebogenen Bereich.
Wenn Sie Risse, Verschleiß oder Rillenbildung in diesem Bereich feststellen, sollten Sie sofort ein neues Schnittmesser einbauen (Bild 75).

Drehen Sie die Schnittmesser, bis die Enden nach vorne und hinten gerichtet sind.
Messen Sie von einer ebenen Fläche bis zu den Schnittkante (Stellung A) der Messer (Bild 76).

Drehen Sie das andere Ende des Messers nach vorne.
Messen Sie von einer ebenen Oberfläche bis zur Schnittkante der Messer an der gleichen Stelle wie bei Schritt 2 oben.
Note: Der Unterschied zwischen den Werten, die Sie in den Schritten 2 und 3 erhalten haben, darf nicht über 3 mm liegen.
Note: Tauschen Sie das Messer bei einem Unterschied von mehr als 3 mm aus.
Ein verbogenes oder beschädigtes Messer kann brechen und Sie oder Unbeteiligte schwer verletzen oder töten.
Ersetzen Sie verbogene oder beschädigte Messer immer durch neue.
Feilen oder bilden Sie nie scharfe Auskerbungen an der Schnitt- oder Oberfläche des Messers.
Wechseln Sie das Messer aus, wenn es einen festen Gegenstand berührt, nicht ausgewuchtet, oder verbogen ist. Verwenden Sie Toro-Originalersatzmesser, damit eine optimale Leistung erzielt wird, und die Maschine weiterhin den Sicherheitsbestimmungen entspricht. Ersatzmesser anderer Fabrikate können die Sicherheitsbestimmungen in Frage stellen.
Halten Sie das Ende des Messers mit einem stark wattierten Handschuh oder wickeln Sie einen Lappen um es herum.
Entfernen Sie die Messerschraube, Wellenscheibe und das Messer von der Spindelwelle (Bild 77).

Schärfen Sie die Schnittkante an beiden Enden des Schnittmessers mit einer Feile (Bild 78).
Note: Behalten Sie den ursprünglichen Winkel bei.
Note: Das Mähmesser behält seine Auswuchtung bei, wenn von beiden Schnittkanten die gleiche Materialmenge entfernt wird.

Prüfen Sie die Auswuchtung des Schnittmessers auf einer Ausgleichsmaschine (Bild 79).
Note: Wenn das Schnittmesser in seiner horizontalen Position bleibt, ist es ausgewuchtet und kann wiederverwendet werden.
Note: Feilen Sie, wenn das Schnittmesser nicht ausgewuchtet ist, vom Flügelbereich des Messers etwas Metall ab (Bild 78).

Wiederholen Sie diesen Vorgang, bis das Messer ausgewuchtet ist.
| Wartungsintervall | Wartungsmaßnahmen |
|---|---|
| Jährlich |
|
Überprüfen Sie die Messerschraube auf beschädigte Gewinde. Ersetzen Sie bei Bedarf die Schraube und die gebogene Unterlegscheibe.
Setzen Sie das Messer auf die Spindelwelle (Bild 80).
Important: Der gebogene Teil des Schnittmessers muss nach oben zur Innenseite des Mähwerks zeigen, um einen guten Schnitt sicherzustellen.
Setzen Sie die Wellenscheibe und die Messerschraube ein (Bild 80).
Note: Der Konus der Wellenscheibe muss in Richtung Schraubenkopf zeigen (Bild 80).
Ziehen Sie die Messerschraube bis auf 115-150 N·m an.

Prüfen Sie die Nivellierung des Mähwerks immer, wenn Sie das Mähwerk einbauen oder wenn Sie ungleichmäßige Schnitthöhen auf dem Rasen bemerken.
Nivellieren Sie das Mähwerk seitlich, bevor Sie es in Längsrichtung nivellieren.
Parken Sie die Maschine auf einer ebenen Fläche, kuppeln Sie die Zapfwelle aus und aktivieren Sie die Feststellbremse.
Stellen Sie den Motor ab, ziehen Sie den Zündschlüssel und den Zündkerzenstecker ab.
Prüfen Sie den Reifendruck in beiden Antriebsreifen, siehe Prüfen des Reifendrucks.
Prüfen Sie das Mähwerk auf verbogene Messer; wechseln Sie verbogene Messer aus, siehe Warten der Schnittmesser.
Senken Sie das Mähwerk auf eine Schnitthöhe von 76 mm ab.
Prüfen Sie den Abstand zwischen den Drehzapfen; messen Sie in der Mitte der Drehzapfen (Länge Mitte-zu-Mitte) an jeder Gewindestange (Bild 81).
Note: Die Länge muss 49,5 cm für 91-cm-Mähwerke und 43,7 cm für 102-cm-Mähwerke sein.
Lösen Sie die Klemmmuttern am vorderen Drehzapfen (Bild 81).
Stellen Sie die Länge der Gewindestange mit den Klemmmuttern ein, um den richtigen Abstand zu erhalten.
Ziehen Sie die Klemmmuttern am vorderen Drehzapfen an (Bild 81).

Prüfen Sie den Abstand zwischen dem Joch und dem Hängeprofilarm des Mähwerks an jedem Joch.
Note: Der Abstand muss 11 mm sein, siehe Bild 82
Lösen Sie die obere Kettenschraube, wenn eine Einstellung erforderlich ist (Bild 82).
Lösen Sie die Klemmmutter und stellen Sie die Schraube ein, um den richtigen Abstand zu erhalten, der in Bild 82 dargestellt ist.
Ziehen Sie die Klemmmutter und die obere Kettenschraube an.

Stellen Sie das rechte Schnittmesser in Längsrichtung (Bild 83).
Messen Sie das rechte Messer an der Stelle C von einer ebenen Oberfläche bis zur Schnittkante der Messerspitze und notieren Sie den Wert (Bild 83).
Messen Sie das rechte Messer an der Stelle D von einer ebenen Oberfläche bis zur Schnittkante der Messerspitze und notieren Sie den Wert (Bild 83).
Note: Das Schnittmesser sollte an Stelle C 6 mm bis 10 mm niedriger sein als an Stelle D (Bild 83). Sollte die Einstellung nicht richtig sein, machen Sie mit den folgenden Schritten weiter.
Lösen Sie die Klemmmuttern an den linken und rechten vorderen Drehzapfen (Bild 81).
Stellen Sie die Länge der rechten Gewindestange mit den rechten Klemmmuttern ein, um eine Neigung in Längsrichtung von 6 mm bis 10 mm zu erhalten.
Ziehen Sie die Klemmmuttern an den linken und rechten vorderen Drehzapfen an (Bild 81).

Stellen Sie das linke und rechte Schnittmesser in Längsrichtung.
Messen Sie das linke Messer an der Stelle B von einer ebenen Oberfläche bis zur Schnittkante der Messerspitze und notieren Sie den Wert (Bild 84).
Messen Sie das rechte Messer an der Stelle D von einer ebenen Oberfläche bis zur Schnittkante der Messerspitze und notieren Sie den Wert (Bild 84).
Note: Der Wert an der Stelle B darf sich höchstens 3 mm vom Wert an Stelle D unterscheiden (Bild 84). Sollte die Einstellung nicht richtig sein, machen Sie mit den folgenden Schritten weiter.
Lösen Sie die Klemmmuttern am linken vorderen Drehzapfen (Bild 81).
Stellen Sie die Länge der linken Gewindestange mit den linken Klemmmuttern ein, bis Stelle B der Stelle D entspricht.
Ziehen Sie die Klemmmuttern am linken vorderen Drehzapfen an (Bild 81).

Stellen Sie das linke und rechte Schnittmesser in Längsrichtung.
Prüfen Sie die vorderen Ketten und stellen sicher, dass jede Kette gespannt ist.
Note: Wenn eine Kette lose ist, stellen Sie die Gewindestange mit der losen Kette ein, um die Kette zu spannen.
Messen Sie das linke Messer an der Stelle A von einer ebenen Oberfläche bis zur Schnittkante der Messerspitze und notieren Sie den Wert (Bild 85).
Messen Sie das rechte Messer an der Stelle C von einer ebenen Oberfläche bis zur Schnittkante der Messerspitze und notieren Sie den Wert (Bild 85).
Note: Der Abstand zwischen Stelle A und C muss innerhalb von 3 mm liegen. Sollte die Einstellung nicht richtig sein, machen Sie mit den folgenden Schritten weiter.
Lösen Sie die oberen Kettenschrauben (Bild 81).
Lösen Sie die Klemmmutter an jedem Joch (Bild 81).
Stellen Sie die Einstellschrauben in den Jochen an den Stellen A und C ein, um die richtige Höhe zu erhalten (Bild 85).
Ziehen Sie die Klemmmuttern und die oberen Kettenschrauben an (Bild 81).

Senken Sie das Mähwerk auf eine Schnitthöhe von 76 mm ab.
Stellen Sie das rechte Schnittmesser in Längsrichtung (Bild 83).
Messen Sie das rechte Messer an der Stelle C von einer ebenen Oberfläche bis zur Schnittkante der Messerspitze und notieren Sie den Wert (Bild 85).
Note: Der Wert an der Stelle C darf sich höchstens um 3 mm von der 76-mm-Schnitthöheneinstellung unterscheiden. Sollte die Einstellung nicht richtig sein, machen Sie mit den folgenden Schritten weiter.
Lösen Sie die Klemmmuttern an beiden Seiten der Spannschraube (Bild 86).
Note: Das Ende der Spannschraube mit der Rille hat ein Linksgewinde (Bild 86).
Stellen Sie die Spannschraube ein, um die Mähwerkhöhe zu erhöhen oder zu verringern, um 76 mm an der Stelle C zu erhalten.
Ziehen Sie die Klemmmuttern an beiden Seiten der Spannschraube fest.
Stellen Sie sicher, dass der Mähwerkhubhebel in der Transportstellung einrastet.
Note: Wenn er nicht in der Transportstellung einrastet, stellen Sie die Spannschraube ein, bis er einrastet.
Ziehen Sie die Klemmmuttern fest.

Note: Das Einstellen der Druckfeder ändert, wie sehr das Mähwerk schwebt und wie schwer sich das Mähwerk mit dem Schnitthöhenhebel anheben lässt.
Ein höherer Federdruck verringert die benötigte Hebelhubkraft, daher schwebt das Mähwerk mehr.
Ein niedrigerer Federdruck erhöht die benötigte Hebelhubkraft, daher schwebt das Mähwerk weniger.
Heben Sie den Schnitthöhenhebel an und arretieren Sie ihn in der Transportstellung.
Messen Sie die Länge der Druckfeder.
Note: Die Nennlänge beträgt 28,2 cm für 91-cm-Mähwerke und 25,7 cm für 102-cm-Mähwerke (Bild 87).
Stellen Sie den Abstand ein. Lösen Sie die Federklemmmutter und drehen Sie die Mutter vorne an jeder Feder (Bild 87).
Arretieren Sie die Mutter, indem Sie die Federklemmmutter anziehen (Bild 87).

Wiederholen Sie diese Schritte für die andere Mähwerkhubfeder.
Eine nicht abgedeckte Auswurföffnung kann zum Ausschleudern von Gegenständen auf den Bediener oder Unbeteiligte führen. Das kann schwere Verletzungen zur Folge haben. Außerdem könnte es auch zum Kontakt mit dem Messer kommen.
Setzen Sie die Maschine nur dann ein, wenn Sie eine Abdeckplatte, eine Mulchplatte, ein Ablenkblech oder ein Heckfangsystem montiert haben.
Entfernen Sie die Sicherungsmutter, Schraube, Feder und das Distanzstück, mit denen das Ablenkblech an den Drehhalterungen befestigt ist (Bild 88).

Entfernen Sie defekte oder abgenutzte Grasablenkbleche.
Legen Sie das Distanzstück und die Feder auf das Grasablenkblech.
Setzen Sie ein J-förmiges Federende hinter die Kante des Mähwerks.
Note: Achten Sie darauf, dass ein J-Hakenende der Feder hinter der Mähwerkkante befestigt ist, bevor Sie die Schraube einsetzen, wie in Bild 88 abgebildet.
Setzen Sie die Schraube und Mutter ein.
Führen Sie das J-förmige Hakenende der Feder um das Ablenkblech (Bild 88).
Important: Das Grasablenkblech muss sich drehen können. Heben Sie das Ablenkblech in die ganz geöffnete Stellung an und stellen Sie sicher, dass es sich in die ganz untere Stellung dreht.
| Wartungsintervall | Wartungsmaßnahmen |
|---|---|
| Bei jeder Verwendung oder täglich |
|
Entfernen Sie täglich Schnittgutrückstände unter dem Mähwerk.
Stellen Sie die Maschine auf einer ebenen Fläche ab, kuppeln die Zapfwelle aus, stellen die Fahrantriebshebel in die ARRETIERTE NEUTRAL-Stellung und aktivieren die Feststellbremse.
Stellen Sie vor dem Verlassen der Bedienungsposition den Motor ab, ziehen den Schlüssel ab und warten, bis alle beweglichen Teile zum Stillstand gekommen sind.
Heben Sie die Maschine vorne an und stützen Sie die Maschine auf Achsständern ab.
Motoröl, Akkus, Hydrauliköl und Motorkühlmittel belasten die Umwelt. Entsorgen Sie diese Mittel entsprechend den in Ihrem Gebiet gültigen Vorschriften.
Lassen Sie den Motor vor der Einlagerung abkühlen.
Lagern Sie die Maschine oder Kraftstoff nicht in der Nähe von offenem Feuer. Lassen Sie Kraftstoff auch nie in geschlossenen Räumen ab.
| Wartungsintervall | Wartungsmaßnahmen |
|---|---|
| Vor der Einlagerung |
|
Kuppeln Sie die Zapfwelle aus, aktivieren Sie die Feststellbremse, stellen Sie den Motor ab und ziehen Sie den Schlüssel ab.
Entfernen Sie Schnittgut und Schmutz von den äußeren Teilen der Maschine, insbesondere vom Motor.
Important: Sie können die Maschine mit einem milden Reinigungsmittel und Wasser waschen. Reinigen Sie die Maschine nicht mit einem Hochdruckreiniger. Vermeiden Sie den Einsatz von zu viel Wasser, insbesondere in der Nähe des Antriebssystems und des Motors. Beim Reinigen mit einem Hochdruckreiniger kann Schmutz und Wasser in wichtige Teile eindringen, z. B. Spindellager und elektrische Schalter.
Entfernen Sie Schmutz und Rückstände außen an den Zylinderkopfrippen des Motors und am Gebläsegehäuse.
Prüfen Sie die Bremsen; siehe Überprüfen der Feststellbremse.
Warten Sie den Luftfilter, siehe Warten des Luftfilters.
Schmieren Sie die Maschine ein, siehe Schmierung.
Wechseln Sie das Motoröl, siehe Wechseln des Motoröls.
Prüfen Sie den Reifendruck, siehe Prüfen des Reifendrucks.
Führen Sie für eine längere Einlagerung folgende Schritte aus:
Fügen Sie dem Kraftstoff im Tank Kraftstoffstabilisator/Konditionierer hinzu, wie vom Hersteller des Kraftstoffstabilisators angegeben.
Lassen Sie den Motor für fünf Minuten laufen, um den stabilisierten Kraftstoff in der Kraftstoffanlage zu verteilen.
Stellen Sie den Motor ab und lassen Sie ihn abkühlen, bevor Sie den Kraftstoff aus dem Kraftstofftank ablassen, siehe Entleeren des Kraftstofftanks, oder lassen Sie den Motor laufen, bis er sich abschaltet.
Starten Sie den Motor und lassen Sie ihn laufen, bis er sich abschaltet. Wiederholen Sie dies bei eingerücktem Choke (falls zutreffend), bis der Motor nicht mehr startet.
Entsorgen Sie den Kraftstoff ordnungsgemäß und recyceln Sie ihn gemäß den örtlichen Vorschriften.
Important: Kraftstoff, der Stabilisator/Konditionierer enthält, nicht länger als vom Hersteller des Kraftstoffstabilisators empfohlen lagern.
Entfernen und untersuchen Sie die Zündkerze(n), siehe Warten der Zündkerze.
Wenn die Zündkerze(n) vom Motor entfernt sind, geben Sie 15 ml (2 Esslöffel) Motoröl in die Zündkerzenöffnung und verwenden Sie den Anlasser, um den Motor zu starten und das Öl im Zylinder zu verteilen.
Setzen Sie die Zündkerze(n) wieder ein aber setzen Sie den/die Zündkerzenstecker nicht auf.
Überprüfen Sie alle Befestigungselemente und ziehen Sie sie fest. Reparieren oder wechseln Sie alle beschädigten und fehlenden Teile aus.
Bessern Sie Lackschäden mit Lack von Ihrem Toro Vertragshändler aus.
Lagern Sie die Maschine in einer sauberen, trockenen Garage oder an einem anderen geeigneten Ort ein. Ziehen Sie den Schlüssel ab und bewahren Sie ihn an einem Ort auf, den Sie sich gut merken können. Decken Sie die Maschine ab, damit sie geschützt ist und nicht verstaubt.
| Problem | Possible Cause | Corrective Action |
|---|---|---|
| Der Motor springt nicht an, kann nur schwer angelassen werden, oder stellt ab. |
|
|
| Der Motor verliert an Leistung. |
|
|
| Der Motor wird zu heiß. |
|
|
| Die Maschine fährt nicht. |
|
|
| Es kommt zu ungewöhnlichen Vibrationen. |
|
|
| Die Schnitthöhe ist unregelmäßig. |
|
|
| Die Schnittmesser drehen sich nicht. |
|
|

