| Périodicité d'entretien | Procédure d'entretien |
|---|---|
| À chaque utilisation ou une fois par jour |
|
Cette tondeuse autoportée à lames rotatives est destinée aux professionnels et aux utilisateurs temporaires. Elle est principalement conçue pour tondre les pelouses régulièrement entretenues des terrains privés et commerciaux. L'utilisation de ce produit à d'autres fins que celle prévue peut être dangereuse pour vous-même et toute personne à proximité.
Lisez attentivement cette notice pour apprendre comment utiliser et entretenir correctement votre produit, et éviter ainsi de l'endommager ou de vous blesser. Vous êtes responsable de l'utilisation sûre et correcte du produit.
Pour plus d’informations, y compris des conseils de sécurité, des documents de formation, des renseignements concernant un accessoire, pour obtenir l'adresse d'un concessionnaire ou pour enregistrer votre produit, rendez-vous sur www.Toro.com.
Pour obtenir des prestations de service, des pièces d'origine Toro ou des renseignements complémentaires, munissez-vous des numéros de modèle et de série du produit et contactez un concessionnaire-réparateur agréé ou le service client Toro. La Figure 1 indique l'emplacement des numéros de modèle et de série sur le produit. Inscrivez les numéros dans l'espace réservé à cet effet.
Important: Avec votre appareil mobile, vous pouvez scanner le QR code sur l'autocollant du numéro de série (le cas échéant) pour accéder aux informations sur la garantie, les pièces détachées et autres renseignements concernant le produit.

Ce produit est conforme à toutes les directives européennes pertinentes. Pour plus de renseignements, reportez-vous à la Déclaration de conformité spécifique du produit fournie séparément.
Reportez-vous aux informations du constructeur du moteur qui accompagnent la machine.
Le symbole de sécurité (Figure 2) utilisé dans ce manuel et sur la machine identifie d'importants messages de sécurité dont vous devez tenir compte pour éviter des accidents.

Le symbole de sécurité apparaît au-dessus de toute information signalant des actions ou des situations dangereuses. Il est suivi de la mention DANGER, ATTENTION ou PRUDENCE.
DANGER signale un danger immédiat qui, s'il n'est pas évité, entraînera obligatoirement des blessures graves ou mortelles.
ATTENTION signale un danger potentiel qui, s'il n'est pas évité, risque d'entraîner des blessures graves ou mortelles.
PRUDENCE signale un danger potentiel qui, s'il n'est pas évité, peut éventuellement entraîner des blessures légères ou modérées.
Ce manuel utilise également deux autres termes pour faire passer des informations essentielles : Important pour attirer l'attention sur des informations d'ordre mécanique spécifiques et Remarque pour souligner des informations d'ordre général méritant une attention particulière.
Ce produit peut sectionner les mains ou les pieds et projeter des objets. Respectez toujours toutes les consignes de sécurité pour éviter des blessures graves.
Vous devez lire et comprendre le contenu de ce Manuel de l'utilisateur avant de démarrer le moteur.
N'approchez pas les mains ou les pieds des composants mobiles de la machine.
N'utilisez pas la machine s'il manque des capots ou d'autres dispositifs de protection, ou s'ils sont défectueux.
Ne vous tenez pas devant l'ouverture d'éjection.
N'admettez personne, notamment les enfants, dans le périmètre de travail. N'autorisez pas les enfants à utiliser la machine. Seules les personnes responsables, formées à l'utilisation de la machine, ayant lu et compris les instructions et physiquement aptes sont autorisées à utiliser la machine.
Arrêtez la machine, coupez le moteur et enlevez la clé de contact avant d'effectuer un entretien, de faire le plein de carburant ou d'éliminer une obstruction sur la machine.
![]() |
Des autocollants de sécurité et des instructions bien visibles par l'utilisateur sont placés près de tous les endroits potentiellement dangereux. Remplacez tout autocollant endommagé ou manquant. |









L'autocollant 119-0186 est pour les plateaux de 91 cm.

L'autocollant 119-0187 est pour les plateaux de 102 cm.










Avant de mettre le moteur en marche et d'utiliser la machine, familiarisez-vous avec toutes les commandes.

Le compteur horaire totalise les heures de fonctionnement du moteur. Il se déclenche quand le moteur tourne. Programmez les entretiens en fonction du nombre d'heures indiqué (Figure 5).

La jauge de carburant est située en haut et au centre du réservoir (Figure 4).
Ces symboles sur le compteur horaire indiquent par un triangle noir que le composant de sécurité est à la position correcte (Figure 3).
Si vous la clé à la position CONTACT pendant quelques secondes, la tension batterie s'affiche dans la zone normalement réservée aux heures de fonctionnement.
Le témoin de batterie s'allume lorsque vous tournez la clé à la position CONTACT et que la charge est inférieure au niveau de fonctionnement correct (Figure 5).
L'accélérateur commande le régime moteur et peut se régler à l'infini entre les positions BAS RéGIME et HAUT RéGIME (Figure 4).
Utilisez le starter pour démarrer quand le moteur est froid. Tirez sur la commande de starter pour l'engager. Poussez sur la commande du starter pour le désengager.
La commande de prise de force (PDF) permet d'engager et de désengager les lames de la tondeuse (Figure 4) ; voir Utilisation de la PDF.
Le commutateur d'allumage sert à démarrer et arrêter le moteur, et comporte 3 positions : ARRêT, CONTACT et DéMARRAGE. Voir Utilisation du commutateur d'allumage.
Les leviers de commande de déplacement permettent de conduire la machine en marche avant, en marche arrière et de tourner à droite ou à gauche (Figure 4).
Fermez le robinet d'arrivée de carburant avant de transporter ou de remiser la machine ; voir Utilisation du robinet d'arrivée de carburant.
Note: Les spécifications et la conception peuvent faire l'objet de modifications sans préavis.
| Plateau de coupe de 91 cm | Plateau de coupe de 102 cm | |
| Largeur de coupe | 91 cm | 102 cm |
| Largeur avec déflecteur abaissé | 131 cm | 142 cm |
| Longueur avec plateforme abaissée | 188 cm | 178 cm |
| Longueur plateforme levée | 155 cm | 145 cm |
| Hauteur | 122 cm | 122 cm |
| Poids | 343 kg | 351 kg |
Une sélection d'outils et d'accessoires agréés par Toro est disponible pour augmenter et améliorer les capacités de la machine. Pour obtenir la liste de tous les accessoires et outils agréés, contactez votre concessionnaire-réparateur ou votre distributeur Toro agréé, ou rendez-vous sur www.Toro.com.
Pour garantir un rendement optimal et conserver la certification de sécurité de la machine, utilisez uniquement des pièces de rechange et accessoires d'origine Toro. Les pièces de rechange et outils provenant d'autres constructeurs peuvent être dangereux, et leur utilisation risque d'annuler la garantie de la machine.
Ne confiez jamais l'utilisation de la machine à des enfants ou à des personnes non qualifiées. La réglementation locale peut imposer un âge minimum pour les utilisateurs. Le propriétaire de la machine doit assurer la formation de tous les utilisateurs et mécaniciens.
Familiarisez-vous avec le maniement correct du matériel, les commandes et les symboles de sécurité.
Apprenez à arrêter la machine et le moteur rapidement.
Vérifiez toujours que les commandes de présence de l'utilisateur, les contacteurs de sécurité et les capots de protection sont en place et fonctionnent correctement. N'utilisez pas la machine s'ils ne fonctionnent pas correctement.
Avant de tondre, vérifiez toujours que les lames, les boulons de lame et les ensembles de coupe sont en bon état de marche.
Inspectez la zone de travail et débarrassez-la de tout objet pouvant être projeté par la machine.
Examinez la zone de travail pour déterminer quels accessoires et équipements vous permettront d'exécuter votre tâche correctement et sans risque.
Le carburant est extrêmement inflammable et hautement explosif. Un incendie ou une explosion causé(e) par du carburant peut vous brûler, ainsi que les personnes se tenant à proximité, et causer des dommages matériels.
Pour éviter que l'électricité statique n'enflamme le carburant, posez le récipient et/ou la machine directement sur le sol avant de faire le plein ; ne les laissez pas dans un véhicule ou sur un support quelconque.
Faites le plein du réservoir de carburant à l'extérieur, dans un endroit bien dégagé, lorsque le moteur est froid. Essuyez tout carburant répandu.
Ne fumez jamais quand vous manipulez du carburant et tenez-vous à l'écart des flammes nues ou des sources d'étincelles.
Ne retirez pas le bouchon du réservoir de carburant et n'ajoutez pas de carburant dans le réservoir lorsque le moteur tourne ou est chaud.
Ne tentez pas de démarrer le moteur si du carburant a été répandu. Évitez de créer des sources d'inflammation jusqu'à dissipation complète des vapeurs de carburant.
Conservez le carburant dans un récipient homologué et hors de la portée des enfants.
Le carburant est toxique et même mortel en cas d'ingestion. L'exposition prolongée aux vapeurs de carburant peut causer des blessures et des maladies graves.
Évitez de respirer les vapeurs de carburant de façon prolongée.
N'approchez pas les mains ni le visage du pistolet ou de l'ouverture du réservoir de carburant.
N'approchez pas le carburant des yeux et de la peau.
Ne rangez pas la machine ni les bidons de carburant à proximité d'une flamme nue, d'une source d'étincelles ou d'une veilleuse, telle celle d'un chauffe-eau ou d'autres appareils.
Ne remplissez pas les bidons de carburant à l'intérieur d'un véhicule ou sur le plateau d'une remorque ou d'un camion dont le revêtement est en plastique. Posez toujours les bidons sur le sol, à l'écart du véhicule, avant de les remplir.
Descendez la machine du véhicule ou de la remorque et posez-la à terre avant de remplir le réservoir de carburant. Si cela n'est pas possible, laissez la machine dans le véhicule ou sur la remorque, mais remplissez le réservoir à l'aide d'un bidon, et non directement à la pompe.
N'utilisez pas la machine si elle n'est pas équipée du système d'échappement complet et en bon état de marche.
Maintenez le pistolet en contact avec le bord du réservoir ou du bidon jusqu'à la fin du remplissage. N'utilisez pas de dispositif de verrouillage du pistolet en position ouverte.
Si du carburant s'est répandu sur vos vêtements, changez-vous immédiatement. Essuyez tout carburant répandu.
Ne remplissez jamais excessivement le réservoir de carburant. Remettez en place le bouchon du réservoir et serrez-le fermement.
Pour assurer le fonctionnement optimal de la machine, utilisez uniquement de l'essence sans plomb propre et fraîche (stockée depuis moins d'un mois) ayant un indice d'octane de 87 ou plus (méthode de calcul [R+M]/2).
Éthanol : De l'essence contenant jusqu'à 10 % d'éthanol (essence-alcool) ou 15 % de MTBE (éther méthyltertiobutylique) par volume peut être utilisée. L'éthanol et le MTBE sont deux produits différents. L'utilisation d'essence contenant 15 % d'éthanol (E15) par volume n'est pas agréée. N'utilisez jamais d'essence contenant plus de 10 % d'éthanol par volume, comme E15 (qui contient 15 % d'éthanol), E20 (qui contient 20 % d'éthanol) ou E85 (qui contient jusqu'à 85 % d'éthanol). L'utilisation d'essence non agréée peut entraîner des problèmes de performances et/ou des dommages au moteur qui peuvent ne pas être couverts par la garantie.
N'utilisez pas d'essence contenant du méthanol.
Ne stockez pas le carburant dans le réservoir ou dans des bidons de carburant pendant l'hiver, à moins d'utiliser un stabilisateur de carburant.
N'ajoutez pas d'huile à l'essence.
Utilisez toujours un additif stabilisateur/conditionneur dans la machine pour que le carburant reste frais plus longtemps quand il est utilisé conformément aux indications du fabricant du stabilisateur.
Important: N'utilisez pas d'additifs contenant du méthanol ou de l'éthanol.
Ajoutez au carburant frais la quantité de stabilisateur/conditionneur indiquée par le fabricant du stabilisateur.
Garez la machine sur une surface plane, désengagez la PDF, amenez les leviers de commande de déplacement en position de VERROUILLAGE AU POINT MORT et serrez le frein de stationnement.
Avant de quitter la position d'utilisation, coupez le moteur, retirez la clé de contact et attendez l'arrêt complet de toutes les pièces mobiles.
Nettoyez la surface autour du bouchon du réservoir de carburant et enlevez le bouchon.
Remplissez le réservoir de carburant jusqu'à la base du goulot de remplissage.
Note: Ne remplissez pas complètement le réservoir de carburant. L'espace au-dessus doit rester vide pour permettre à l'essence de se dilater.
Revissez solidement le bouchon du réservoir. Essuyez le carburant éventuellement répandu.
Avant de démarrer la machine chaque jour, effectuez les procédures décrites à la section .
Les moteurs neufs demandent un certain temps pour développer toute leur puissance. Les plateaux de coupe et les systèmes d'entraînement neufs présentent plus de friction, ce qui augmente la charge sur le moteur. Prévoyez 40 à 50 heures de rodage pour les machines neuves afin de leur permettre de développer toute leur puissance et d'offrir des performances optimales.
Si les contacteurs de sécurité sont déconnectés ou endommagés, la machine peut se mettre en marche inopinément et causer des blessures.
Ne modifiez pas abusivement les contacteurs de sécurité.
Vérifiez chaque jour le fonctionnement des contacteurs de sécurité et remplacez ceux qui sont endommagés avant d'utiliser la machine.
Le système de sécurité est conçu pour empêcher l'engagement de la PDF sauf si vous effectuez l'une des opérations suivantes :
Amenez le levier de commande de déplacement droit au centre, en position déverrouillée.
Poussez la commande de PDF à la position ENGAGéE.
Le système de sécurité est conçu pour arrêter les lames/l'accessoire si vous amenez ou relâchez les deux leviers de commande de déplacement à la position de VERROUILLAGE AU POINT MORT.
Le compteur horaire comporte des symboles qui avertissent l'utilisateur quand chaque composant de sécurité est à la position correcte. Lorsque le composant est à la position correcte, un triangle s'allume dans le carré correspondant (Figure 6).

| Périodicité d'entretien | Procédure d'entretien |
|---|---|
| À chaque utilisation ou une fois par jour |
|
Contrôlez le système de sécurité avant chaque utilisation de la machine.
Note: Si le système de sécurité ne fonctionne pas comme spécifié ci-dessous, faites-le immédiatement réviser par un concessionnaire-réparateur agréé.
Démarrez le moteur ; voir Démarrage du moteur.
Amenez le levier de commande de déplacement droit au centre, en position déverrouillée.
Note: Les lames/l'accessoire doivent s'arrêter et le moteur doit cesser de tourner.
Démarrez le moteur et desserrez le frein de stationnement.
Amenez le levier de commande de déplacement droit au centre, en position déverrouillée.
Maintenez le levier de commande de déplacement au centre en position déverrouillée, puis tirez et relâchez la commande de PDF.
Note: L'embrayage et les lames/l'accessoire doivent s'engager.
Amenez ou relâchez le levier de commande de déplacement droit en position de VERROUILLAGE AU POINT MORT.
Note: Les lames/l'accessoire doivent s'arrêter, et le moteur doit continuer de tourner.
Appuyez sur la commande de PDF et amenez le levier de commande de déplacement droit au centre, en position déverrouillée.
Maintenez le levier de commande de déplacement au centre en position déverrouillée, puis tirez et relâchez la commande de PDF.
Note: L'embrayage et les lames/l'accessoire doivent s'engager.
Poussez la commande de PDF à la position ARRêT.
Note: Les lames/l'accessoire doivent s'arrêter.
Moteur en marche, tirez la commande de PDF et relâchez-la sans maintenir le levier de commande de déplacement droit au centre, en position déverrouillée.
Note: Les lames/l'accessoire ne doivent pas s'engager.
Le propriétaire/l'utilisateur est responsable des accidents pouvant entraîner des dommages corporels ou matériels et peut les prévenir.
Portez une tenue adaptée, y compris une protection oculaire, un pantalon, des chaussures solides à semelle antidérapante et des protecteurs d'oreilles. Si vos cheveux sont longs, attachez-les et ne portez pas de vêtements amples ni de bijoux pendants.
Accordez toute votre attention à l'utilisation de la machine. Ne faites rien d'autre qui puisse vous distraire, au risque de causer des dommages corporels ou matériels.
N'utilisez pas la machine si vous êtes fatigué(e), malade ou sous l'emprise de l'alcool, de médicaments ou de drogues.
Ne transportez jamais de passagers sur la machine et tenez tout le monde, y compris les animaux, à l'écart de la machine pendant l'utilisation.
N'utilisez la machine que si la visibilité est suffisante et les conditions météorologiques favorables. N'utilisez pas la machine s'il y a risque d'orage.
En travaillant sur l'herbe ou les feuilles humides, vous risquez de glisser et de vous blesser gravement si vous touchez la lame en tombant. Évitez de tondre quand l'herbe est humide.
Avant de mettre le moteur en marche, assurez-vous que tous les embrayages sont au point mort, que le frein de stationnement est serré et que vous êtes au poste d'utilisation.
Veillez à ne pas perdre l'équilibre quand vous utilisez la machine, surtout en marche arrière.
N'approchez pas les pieds ni les mains des unités de coupe. Ne vous tenez jamais devant l'ouverture d'éjection.
Avant de faire marche arrière, vérifiez que la voie est libre juste derrière la machine et sur sa trajectoire.
Faites preuve de la plus grande prudence à l'approche de tournants sans visibilité, de buissons, d'arbres ou d'autres objets susceptibles de masquer la vue.
Arrêtez les lames quand vous ne tondez pas.
Arrêtez la machine, enlevez la clé de contact et attendez l'arrêt complet de toutes les pièces mobiles avant d’examiner le plateau de coupe ou l’accessoire si la machine heurte un obstacle ou vibre de manière inhabituelle. Effectuez toutes les réparations nécessaires avant de réutiliser la machine.
Ralentissez et faites preuve de prudence quand vous changez de direction, ainsi que pour traverser des routes et des trottoirs avec la machine. Cédez toujours le passage.
Débrayez l'unité de coupe et coupez le moteur avant de régler la hauteur de coupe (à moins de pouvoir le faire depuis le poste de conduite).
Ne faites tourner le moteur que dans des lieux bien aérés. Les gaz d'échappement contiennent du monoxyde de carbone, qui est mortel en cas d'inhalation.
Ne laissez jamais la machine en marche sans surveillance.
Avant de quitter le poste d'utilisation (y compris pour vider les bacs de ramassage ou pour déboucher la goulotte), effectuez la procédure suivante :
Garez la machine sur une surface plane et horizontale.
Désengagez la prise de force.
Serrez le frein de stationnement.
Coupez le moteur et enlevez la clé de contact.
Attendez l'arrêt complet de toutes les pièces en mouvement.
Coupez le moteur de la machine et débrayez l'unité de coupe dans les cas suivants :
Avant de faire le plein de carburant.
Avant de dégager des obstructions.
Avant d'inspecter, de nettoyer ou de faire l'entretien de l'unité de coupe.
Après avoir heurté un obstacle ou si des vibrations inhabituelles se produisent. Recherchez et réparez les dommages éventuels des unités de coupe avant de redémarrer et d'utiliser la machine.
Avant de quitter la position d'utilisation
N'utilisez pas la machine comme véhicule de remorquage.
Utilisez uniquement les accessoires et outils agréés par The Toro® Company.
Les pentes augmentent significativement les risques de perte de contrôle et de retournement de la machine pouvant entraîner des accidents graves, voire mortels. Vous êtes responsable de la sécurité d'utilisation de la machine sur les pentes. L'utilisation de la machine sur une pente, quelle qu'elle soit, demande une attention particulière. Avant d'utiliser la machine sur une pente, vous devez :
Lire et comprendre les instructions relatives à l'utilisation sur les pentes qui figurent dans le manuel et sur la machine.
Évaluer chaque jour l'état du terrain pour déterminer si la pente permet d'utiliser la machine sans risque. Faire preuve de bon sens et de discernement lors de cette évaluation. Les conditions changeantes du terrain, telle l'humidité, peuvent rapidement modifier le fonctionnement de la machine sur les pentes.
Travaillez toujours perpendiculairement à la pente, jamais en montant ou en descendant. Évitez d'utiliser la machine sur des pentes trop raides ou humides.
Identifiez les dangers potentiels depuis le bas de la pente. N'utilisez pas la machine près de fortes dénivellations, fossés, berges, étendues d'eau ou autres dangers. La machine pourrait se retourner brusquement si une roue passe par-dessus une dénivellation quelconque et se retrouve dans le vide, ou si un bord s'effondre. Maintenez une distance de sécurité (deux fois la largeur de la machine) entre la machine et tout danger potentiel. Utilisez une tondeuse autotractée ou un outil manuel sur ce type de terrain.
Évitez de démarrer, de vous arrêter ou de tourner sur les pentes. Ne changez pas soudainement de vitesse ou de direction ; tournez lentement et graduellement.
N'utilisez pas la machine si la motricité, la direction ou la stabilité peuvent être compromises. Tenez compte du fait qu'une perte de l'adhérence peut se produire sur l'herbe humide, en travers des pentes ou dans les descentes. La perte d'adhérence des roues motrices peut faire patiner la machine et entraîner la perte du freinage et de la direction. La machine peut glisser même si les roues motrices ne tournent plus.
Enlevez ou balisez les obstacles tels que fossés, trous, ornières, bosses, rochers ou autres dangers cachés. L'herbe haute peut masquer les accidents du terrain. Les irrégularités du terrain risquent de provoquer le retournement de la machine.
Redoublez de prudence lorsque vous utilisez la machine équipée d'outils ou d'accessoires. Ils peuvent modifier la stabilité et entraîner la perte du contrôle de la machine. Suivez les instructions d'utilisation des contrepoids.
Si vous perdez le contrôle de la machine, descendez et éloignez-vous dans la direction opposée au sens de déplacement de la machine.
Serrez toujours le frein de stationnement lorsque vous arrêtez la machine ou que vous la laissez sans surveillance. Avant chaque utilisation, vérifiez le fonctionnement du frein de stationnement.
Réglez le frein de stationnement s'il ne reste pas serré correctement ; voir Utilisation du frein de stationnement.
Tirez le levier du frein de stationnement en arrière pour serrer le frein (Figure 7).
Poussez le levier du frein de stationnement en avant pour desserrer le frein.

Utilisez la commande de la prise de force (PDF) conjointement avec les leviers de commande de déplacement pour engager ou désengager les lames du plateau de coupe ou les accessoires entraînés par PDF.

Placez la commande d'accélérateur à mi-course entre les positions HAUT RéGIME et BAS RéGIME (Figure 11).
Sélectionnez toujours la position HAUT RéGIME quand vous engagez la PDF.

Important: N'actionnez pas le démarreur plus de 5 secondes de suite. Si le moteur ne démarre pas, attendez 15 secondes avant de faire une nouvelle tentative. Le démarreur risque de griller si vous ne respectez pas ces consignes.
Note: Vous devrez peut-être vous y reprendre à plusieurs reprises pour démarrer le moteur la première fois après le remplissage du système d'alimentation si ce dernier était complètement vide.


Important: N'actionnez pas le démarreur plus de 5 secondes de suite. Si le moteur ne démarre pas, attendez 15 secondes avant de faire une nouvelle tentative. Le démarreur risque de griller si vous ne respectez pas ces consignes.
Note: L'usage du starter n'est généralement pas nécessaire si le moteur est chaud.
Note: Vous devrez peut-être vous y reprendre à plusieurs reprises pour démarrer le moteur la première fois après le remplissage du système d'alimentation si ce dernier était complètement vide.

Les enfants ou les personnes à proximité risquent de se blesser s'ils déplacent ou essayent d'utiliser la machine, lorsque celle-ci est laissée sans surveillance.
Enlevez toujours la clé et serrez le frein de stationnement avant de quitter le poste de conduite.
Laissez le moteur tourner au ralenti (position tortue) pendant 60 secondes avant de tourner le commutateur d'allumage à la position ARRêT.

Important: Pour éviter les fuites de carburant, vérifiez que le robinet d'arrivée de carburant est fermé avant de transporter ou de remiser la machine. Avant de remiser la machine, débranchez le fil de la ou des bougies pour éviter tout démarrage accidentel.
Vous pouvez utiliser la machine avec la plateforme relevée ou abaissée selon votre préférence.
La plate-forme est lourde et peut causer des blessures en s'abaissant ou se relevant. Abaissez ou levez la plateforme de l'utilisateur avec précaution, car sa chute soudaine pourrait vous blesser.
Ne placez pas les mains ni les doigts dans la zone de pivotement de la plateforme pendant qu'elle se relève ou s'abaisse.
Soutenez bien la plate-forme quand vous retirez la goupille de verrouillage.
Verrouillez toujours la plate-forme quand elle est levée. Poussez-la fermement contre le coussin pour que la goupille de verrouillage s'enclenche en place.
N'autorisez personne à s'approcher de la machine pendant que la plate-forme s'élève ou s'abaisse.
Utilisez la machine avec la plateforme levée dans les cas suivants :
Près de dénivellations
Dans des zones trop restreintes pour la machine
Dans les zones contenant des obstacles en surplomb (branches d'arbres, etc.)
Pour charger la machine sur un véhicule de transport
Pour monter des pentes
Pour relever la plateforme, tirez l'arrière vers le haut pour bloquer en place la goupille de verrouillage et le bouton. Vous devez la pousser fermement contre le coussin pour que la goupille de verrouillage s'enclenche en place.
Il est préférable d'abaisser la plateforme dans les cas suivants :
Sur la plupart des zones
Pour traverser des pentes
Pour descendre des pentes
Pour abaisser la plateforme, poussez-la contre le coussin pour délester la goupille de verrouillage, puis tirez sur le bouton et abaissez la plateforme (Figure 17).

La commande d'accélérateur agit sur le régime moteur qui se mesure en tours/minute (tr/min). Placez la commande d'accélérateur en position HAUT RéGIME pour obtenir des performances optimales.
La machine peut tourner très rapidement et vous pouvez en perdre le contrôle, vous blesser gravement et endommager la machine.
Ralentissez avant de prendre des virages serrés.
Desserrez le frein de stationnement ; voir Utilisation du frein de stationnement.
Amenez le levier de commande de déplacement droit au centre, en position déverrouillée.

Placez le levier de commande de vitesse à la vitesse voulue.
Poussez lentement les leviers de commande de déplacement lentement en avant (Figure 19).
Note: Le moteur s'arrête si vous actionnez un levier de commande de déplacement alors que le frein de stationnement est serré.
Note: La vitesse de déplacement de la machine, dans l'une ou l'autre direction, est proportionnelle au déplacement des leviers de commande.
Note: Pour arrêter la machine, ramenez les leviers de commande de déplacement en position POINT MORT.

Amenez le levier de commande de déplacement droit au centre, en position déverrouillée.
Tirez lentement les leviers de commande de déplacement en arrière (Figure 20).

Cette tondeuse est équipée d'un déflecteur d'herbe pivotant qui permet de disperser les déchets de tonte sur le côté et à la surface de la pelouse.
Si le déflecteur d'herbe, l'obturateur d'éjection ou le bac à herbe complet ne sont pas en place sur la machine, vous-même ou d'autres personnes peuvent être touchés par une lame ou des débris projetés. Le contact avec les lames en rotation et la projection de débris peuvent occasionner des blessures graves ou mortelles.
N'enlevez pas le déflecteur d'herbe de la machine, sa présence est nécessaire pour diriger l'herbe tondue sur la pelouse. Si le déflecteur d'herbe est endommagé, remplacez-le immédiatement.
Ne mettez jamais les mains ou les pieds sous la machine.
N'essayez jamais de dégager l'ouverture d'éjection ou les lames de la tondeuse sans avoir au préalable relâché la barre de commande supérieure et désengagé la PDF. Tournez la clé à la position ARRêT. Enlevez aussi la clé de contact et débranchez le fil de la ou des bougies.
Vous pouvez régler la hauteur de coupe de 25 à 127 mm par paliers de 6 mm.
Réglez la commande de hauteur de coupe à la position de transport (la plus haute).
Tournez la goupille de 90 degrés et retirez-la du support de hauteur de coupe
Placez l'axe de chape dans le trou du support correspondant à la hauteur de coupe voulue (Figure 21).
Appuyez sur le bouton situé sur le dessus et abaissez le levier de réglage de hauteur de coupe jusqu'à la goupille (Figure 21).

Vous pouvez régler le volume d'éjection de la tondeuse en fonction des conditions de tonte. Positionnez le verrou à came et le déflecteur de manière à obtenir la meilleure qualité de coupe possible.
Désengagez la PDF, amenez les leviers de commande de déplacement à la position de VERROUILLAGE AU POINT MORT et serrez le frein de stationnement.
Avant de quitter la position d'utilisation, coupez le moteur, retirez la clé de contact et attendez l'arrêt complet de toutes les pièces mobiles.
Pour régler le déflecteur, desserrez l'écrou (Figure 22).
Réglez le déflecteur et l'écrou dans la fente de manière à obtenir le volume d'éjection voulu puis resserrez l'écrou.

Les figures suivantes ne sont fournies qu'à titre indicatif. Les réglages varient selon le type, l'humidité et la hauteur de l'herbe.
Note: Si le moteur perd de la puissance et si la tondeuse continue de se déplacer à la même vitesse, ouvrez le déflecteur.
Il s'agit de la position arrière maximale (voir Figure 23). Utilisez cette position dans les cas suivants :
Quand l'herbe est courte et peu épaisse
Quand l'herbe est sèche
Pour couper l'herbe plus finement
Pour propulser l'herbe coupée plus loin.

Utilisez cette position avec le bac à herbe (Figure 24).

Il s'agit de la position ouverte maximale (Figure 25). Utilisez cette position dans les cas suivants :
Quand l'herbe est haute et drue
Quand l'herbe est humide
Pour réduire la consommation de carburant
Pour augmenter la vitesse de déplacement lorsque l'herbe est lourde

Montez des masses pour améliorer l'équilibrage. Vous pouvez ajouter ou retirer des masses pour optimiser les performances en fonction des conditions d'utilisation et de vos préférences.
Ajoutez ou retirez 1 masse à la fois jusqu'à obtention de la tenue de route et de l'équilibrage recherchés.
Reportez-vous au manuel de l'utilisateur de l'accessoire pour connaître les masses recommandées.
Note: Vous pouvez commander un kit de masses auprès d'un concessionnaire agréé.
Des changements de masses excessifs peuvent modifier le comportement et le fonctionnement de la machine. Cela expose l'utilisateur et les personnes à proximité à des blessures graves.
Ne modifiez les masses que très progressivement.
Évaluez la tondeuse après chaque changement de masse pour confirmer que vous pouvez l'utiliser en toute sécurité.
Coupez toujours le moteur, enlevez la clé de contact, attendez l'arrêt complet de toutes les pièces mobiles et laissez refroidir la machine avant de la régler, de la réparer, de la nettoyer ou de la ranger.
Pour éviter les risques d'incendie, enlevez les débris d'herbe coupée et autres agglomérés sur les unités de coupe, les silencieux et le moteur. Nettoyez les coulées éventuelles d'huile ou de carburant.
Fermez le robinet d'arrivée de carburant avant de remiser ou de transporter la machine.
Désengagez la PDF chaque fois que vous transportez la machine ou qu'elle ne sert pas.
Ne remisez jamais la machine ni les bidons de carburant à proximité d'une flamme nue, d'une source d'étincelles ou d'une veilleuse, telle celle d'un chauffe-eau ou d'autres appareils.
Utilisez des rampes pleine largeur pour charger la machine sur une remorque ou un camion.
Arrimez solidement la machine au moyen de sangles, chaînes, câbles ou cordes. Les sangles avant et arrière doivent être dirigées vers le bas et l'extérieur de la machine.
Fermez le robinet d'arrivée de carburant pour transporter, réviser ou remiser la machine (Figure 26).
Vérifiez que le robinet d'arrivée de carburant est ouvert avant de démarrer le moteur.


Les vannes de dérivation permettent de pousser la machine manuellement sans mettre le moteur en marche.
Important: Poussez toujours la machine manuellement. Ne remorquez pas la machine au risque d'endommager le système hydraulique.
Important: Ne mettez pas le moteur en marche et n'utilisez pas la machine quand les vannes de dérivation sont ouvertes. Cela risquerait d'endommager le système.
Désengagez la PDF, amenez les leviers de commande de déplacement à la position de VERROUILLAGE AU POINT MORT et serrez le frein de stationnement.
Réglez le plateau à la hauteur de coupe la plus basse.
Note: Cela permet d'accéder aux vannes de dérivation.
Ouvrez les vannes de dérivation des deux pompes en les tournant 1 à 2 fois dans le sens antihoraire (Figure 27).
Note: Cela permet au liquide hydraulique de contourner les pompes et aux roues de tourner.
Note: Ne tournez pas les vannes de dérivation de plus de 2 tours, car elles pourraient se détacher du corps et le liquide pourrait s'échapper.

Desserrez le frein de stationnement.
Poussez la machine jusqu'à l'endroit voulu.
Serrez le frein de stationnement.
Fermez les vannes de dérivation sans les serrer excessivement.
Serrez les vannes à un couple de 12 à 15 N·m.
Transportez la machine sur une remorque de poids-lourd ou un camion. Utilisez une rampe d'une seule pièce. Le camion ou la remorque doit être équipé(e) des freins, des éclairages et de la signalisation exigés par la loi. Lisez attentivement toutes les consignes de sécurité. Tenez-en compte pour éviter de vous blesser ou de blesser des personnes à proximité. Reportez-vous aux ordonnances locales concernant les exigences d'arrimage et de remorquage.
Il est dangereux de conduire sur la voie publique sans clignotants, éclairages, réflecteurs ou panneau « véhicule lent ». Vous risquez de provoquer un accident et de vous blesser.
Ne conduisez pas la machine sur la voie publique.
Le chargement d'une machine sur une remorque ou un camion augmente les risques de renversement et peut provoquer des blessures graves voire mortelles (Figure 28).
Utilisez uniquement une rampe d'une seule pièce ; n'utilisez pas de rampes individuelles de chaque côté de la machine.
La longueur de la rampe doit être au moins 4 fois supérieure à la hauteur du plateau de la remorque ou du camion par rapport au sol.

Le chargement de la machine sur une remorque ou un camion augmente le risque de basculement, et donc de blessures graves ou mortelles.
Procédez avec la plus grande prudence lorsque vous manÅ“uvrez la machine sur une rampe.
Montez la rampe en marche arrière et descendez-la en marche avant.
Évitez d'accélérer ou de décélérer brutalement lorsque vous conduisez la machine sur une rampe car vous pourriez en perdre le contrôle ou la renverser.
Si vous utilisez une remorque, attelez-la au véhicule tracteur et attachez les chaînes de sécurité.
Le cas échéant, raccordez les freins et connectez l'éclairage de la remorque.
Abaissez la rampe (Figure 28).
Relevez la plateforme.
Important: Maintenez toujours la plate-forme levée quand vous chargez ou déchargez la machine.
Montez la rampe en marche arrière (Figure 29).

Coupez le moteur, enlevez la clé et serrez le frein de stationnement.
Arrimez la machine près des roues pivotantes avant et du pare-chocs arrière à l'aide de sangles, chaînes, câbles ou cordes (Figure 30). Reportez-vous à la réglementation locale concernant les exigences en matière d'arrimage.

Note: Les côtés gauche et droit de la machine sont déterminés d'après la position d'utilisation normale.
Si vous laissez la clé dans le commutateur d'allumage, quelqu'un pourrait mettre le moteur en marche accidentellement et vous blesser gravement, ainsi que toute personne à proximité.
Avant tout entretien, enlevez la clé de contact et débranchez les fils des bougies. Éloignez les fils pour éviter tout contact accidentel avec les bougies.
Avant de régler, nettoyer, réviser ou quitter la machine, effectuez la procédure suivante :
Garez la machine sur une surface plane et horizontale.
Débrayez les systèmes d'entraînement.
Serrez le frein de stationnement.
Coupez le moteur et enlevez la clé de contact.
Attendez l'arrêt complet de toutes les pièces en mouvement.
Laissez refroidir les composants de la machine avant d'effectuer toute opération d'entretien.
Ne confiez pas l'entretien de la machine à des personnes non qualifiées.
N'approchez jamais les mains ou les pieds des pièces mobiles. Dans la mesure du possible, évitez de procéder à des réglages sur la machine quand le moteur tourne.
Libérez la pression emmagasinée dans les composants avec précaution.
Vérifiez fréquemment le fonctionnement du frein de stationnement. Faites le réglage et l'entretien du frein selon les besoins.
N'enlevez pas et ne modifiez pas les dispositifs de sécurité. Vérifiez régulièrement qu'ils fonctionnent correctement.
Pour éviter les risques d'incendie, enlevez les débris d'herbe et autres agglomérés sur l'unité de coupe, les entraînements, le silencieux et le moteur. Nettoyez les coulées éventuelles d'huile ou de carburant.
Contrôlez fréquemment l'état des composants du bac à herbe et remplacez-les s'ils sont usés ou endommagés.
Ne vous fiez pas uniquement au système hydraulique pour soutenir la machine ; soutenez-la avec des chandelles quand vous la soulevez.
Maintenez toutes les pièces en bon état de marche et tous les raccords hydrauliques bien serrés. Remplacez toutes les pièces et tous les autocollants usés, endommagés ou manquants. Gardez toutes les fixations bien serrées pour garantir le fonctionnement sûr de la machine.
Pour garantir un rendement optimal et conserver la certification de sécurité de la machine, utilisez uniquement des pièces de rechange et accessoires d'origine Toro. Les pièces de rechange et accessoires provenant d'autres constructeurs peuvent être dangereux, et leur utilisation risque d'annuler la garantie de la machine.
| Périodicité d'entretien | Procédure d'entretien |
|---|---|
| Après les 8 premières heures de fonctionnement |
|
| À chaque utilisation ou une fois par jour |
|
| Toutes les 25 heures |
|
| Toutes les 50 heures |
|
| Toutes les 100 heures |
|
| Toutes les 200 heures |
|
| Toutes les 250 heures |
|
| Toutes les 300 heures |
|
| Toutes les 500 heures |
|
| Toutes les 800 heures |
|
| Avant le remisage |
|
| Une fois par an |
|
Important: Reportez-vous au manuel du propriétaire du moteur pour toutes procédures d'entretien supplémentaires.
Vous pouvez soulever l'avant de la tondeuse et la soutenir dans cette position afin d'exposer le dessous pour les opérations d'entretien.
Garez la machine sur une surface plane et horizontale, désengagez la PDF et serrez le frein de stationnement.
Avant de quitter la position d'utilisation, coupez le moteur, retirez la clé de contact et attendez l'arrêt complet de toutes les pièces mobiles.
Soulevez la plateforme ; voir Utilisation de la machine plateforme relevée.
Déposez la batterie ; voir Retrait de la batterie.

Vidangez le réservoir de carburant ; voir Vidange du réservoir de carburant.
Enlevez le bouchon du réservoir hydraulique, placez un morceau de plastique sur l'ouverture puis remettez le bouchon en place.
Note: Cela empêchera les fuites du réservoir hydraulique.

Avec l'aide de 2 personnes, soulevez l'avant de la tondeuse pour la mettre en appui sur les roues motrices, plateforme relevée.
Effectuez les entretiens nécessaires sur la machine.
Avec l'aide de 2 personnes, abaissez doucement l'avant de la tondeuse au sol.
Enlevez le morceau de plastique placé sous le bouchon du réservoir hydraulique.
Installez la batterie sur la machine.


Vous pouvez dégager le coussin pour accéder à l'arrière de la machine aux fins de réglage ou d'entretien.
Abaissez la plateforme.
Enlevez les goupilles fendues de chaque côté du coussin.
Glissez à l'intérieur les grandes rondelles à douilles en plastique.
Retirez le coussin et abaissez-le sur la plateforme.
Effectuez les entretiens ou réglages nécessaires sur la machine.
Relevez le coussin et glissez-le sur les goupilles de chaque côté de la machine (Figure 34).
Glissez les grandes rondelles à douilles en plastique dans les supports du coussin et fixez-les en place avec une goupille fendue (Figure 34).

| Périodicité d'entretien | Procédure d'entretien |
|---|---|
| Toutes les 50 heures |
|
Type de graisse : graisse au lithium ou au molybdène.
Garez la machine sur une surface plane et horizontale, désengagez la PDF et serrez le frein de stationnement.
Avant de quitter la position d'utilisation, coupez le moteur, retirez la clé de contact et attendez l'arrêt complet de toutes les pièces mobiles.
Nettoyez les graisseurs avec un chiffon.
Note: Grattez la peinture qui pourrait se trouver sur l'avant des graisseurs.
Raccordez une pompe à graisse au graisseur.
Injectez de la graisse dans les graisseurs jusqu'à ce qu'elle commence à sortir des roulements.
Essuyez tout excès de graisse.
Localisez les points de graissage en vous reportant aux schémas suivants.



| Périodicité d'entretien | Procédure d'entretien |
|---|---|
| Une fois par an |
|
Type de graisse : graisse au lithium ou au molybdène.
Retirez les capuchons protecteurs et réglez les pivots des roues pivotantes ; voir Réglage du roulement de pivot de roue pivotante.
Note: Terminez de graisser les pivots des roues pivotantes avant de reposer les capuchons protecteurs.
Retirez le bouchon hexagonal.
Vissez un graisseur dans l'orifice.
Injectez de la graisse dans le graisseur jusqu'à ce qu'elle ressorte autour du roulement supérieur.
Sortez le graisseur de l'orifice.
Remettez le bouchon hexagonal et le capuchon protecteur en place.
| Périodicité d'entretien | Procédure d'entretien |
|---|---|
| Une fois par an |
|
Type de graisse : graisse au lithium ou au molybdène.
Garez la machine sur une surface plane et horizontale, désengagez la PDF et serrez le frein de stationnement.
Avant de quitter la position d'utilisation, coupez le moteur, retirez la clé de contact et attendez l'arrêt complet de toutes les pièces mobiles.
Déposez la roue pivotante de la fourche.
Déposez les protège-joints du moyeu de roue (Figure 38).

Retirez un écrou d'écartement de l'arbre de la roue pivotante.
Note: Du frein-filet a été appliqué pour bloquer les écrous d'écartement sur l'arbre de roue. Déposez l'arbre de la roue (en laissant l'autre écrou d'écartement en place).
Faites levier pour déposer les joints, vérifiez l'état et l'usure des roulements et remplacez-les au besoin.
Garnissez les roulements de graisse universelle.
Insérez 1 roulement et 1 joint neuf, dans la roue.
Note: Vous devez remplacer les joints.
Si les deux écrous d'écartement de l'arbre de roue ont été retirés (ou se sont détachés), appliquez du frein-filet sur l'un d'entre eux et vissez-le sur l'arbre de roue, méplats tournés vers l'extérieur.
Note: Ne vissez pas complètement l'écrou d'écartement au bout de l'arbre de roue. Laissez environ 3 mm entre la surface extérieure de l'écrou d'écartement et l'extrémité de l'arbre de roue dans l'écrou.
Montez l'ensemble écrou et arbre, assorti d'un joint neuf, dans la roue du côté roulement.
Le côté ouvert de la roue étant dirigé vers le haut, remplissez l'intérieur de la roue autour de l'arbre de graisse universelle.
Insérez le second roulement, assorti d'un joint neuf, dans la roue.
Appliquez du frein-filet sur le filetage du second écrou d'écartement et vissez-le sur l'arbre de roue, les méplats tournés vers l'extérieur.
Serrez l'écrou à un couple de 8 à 9 N·m, desserrez-le, puis resserrez-le à un couple de 2 à 3 N·m.
Note: Attention à ne pas faire dépasser l'arbre de roue de l'écrou.
Posez les protège-joints sur le moyeu, puis insérez la roue dans la fourche.
Reposez le boulon de roue et serrez l'écrou à fond.
Important: Pour ne pas endommager les joints et les roulements, vérifiez fréquemment le réglage des roulements en faisant tourner la roue pivotante. Elle ne doit pas tourner librement (plus de 1 ou 2 tours) ni présenter de jeu latéral. Si la roue tourne librement, ajustez l'écrou d'écartement jusqu'à ce que vous sentiez une légère résistance, et appliquez du frein-filet sur son filetage.
Coupez le moteur avant de contrôler le niveau d'huile ou d'ajouter de l'huile dans le carter.
Gardez les mains, les pieds, le visage et toute autre partie du corps ainsi que les vêtements à l'écart du silencieux et autres surfaces brûlantes.
| Périodicité d'entretien | Procédure d'entretien |
|---|---|
| Toutes les 300 heures |
|
Examinez les éléments en mousse et en papier ; remplacez-les s'ils sont endommagés ou très encrassés.
Important: Ne lubrifiez pas l'élément en mousse ou en papier.
Garez la machine sur une surface plane et horizontale, désengagez la PDF et serrez le frein de stationnement.
Avant de quitter la position d'utilisation, coupez le moteur, retirez la clé de contact et attendez l'arrêt complet de toutes les pièces mobiles.
Nettoyez la surface autour du filtre à air pour éviter que des impuretés n'endommagent le moteur en tombant à l'intérieur (Figure 39).
Dévissez les boutons du couvercle et déposez le couvercle du filtre à air (Figure 39).
Dévissez le collier et déposez le filtre à air (Figure 39).
Sortez délicatement l'élément en mousse de l'élément en papier (Figure 39).

| Périodicité d'entretien | Procédure d'entretien |
|---|---|
| Toutes les 25 heures |
|
Lavez l'élément en mousse dans de l'eau chaude additionnée de savon liquide. Rincez soigneusement l'élément une fois propre.
Séchez l'élément en le pressant dans un chiffon propre.
Important: Remplacez l'élément en mousse s'il est usé ou déchiré.
| Périodicité d'entretien | Procédure d'entretien |
|---|---|
| Toutes les 100 heures |
|
| Toutes les 200 heures |
|
Nettoyez l'élément en papier en le tapotant pour faire tomber la poussière.
Note: Remplacez-le par un neuf s'il est très encrassé.
Vérifiez que l'élément n'est pas déchiré ni couvert d'une pellicule grasse, et que le joint de caoutchouc n'est pas endommagé.
Remplacez l'élément en papier s'il est endommagé.
Important: Ne nettoyez pas l'élément en papier.
Important: Pour ne pas endommager le moteur, ne le faites jamais tourner sans le filtre à air complet garni des éléments en mousse et en papier.
Type d'huile : huile détergente (classe de service API SJ ou mieux)
Capacité d'huile moteur : 1,7 l avec filtre ; 1,5 l sans filtre
Viscosité : Consultez le tableau ci-dessous :

| Périodicité d'entretien | Procédure d'entretien |
|---|---|
| À chaque utilisation ou une fois par jour |
|
Note: Contrôlez le niveau d'huile quand le moteur est froid.
Les pièces brûlantes peuvent causer des blessures.
Gardez les mains, les pieds, le visage et toute autre partie du corps ainsi que les vêtements à l'écart du silencieux et autres surfaces brûlantes.
Important: Ne remplissez pas excessivement le carter au risque d'endommager le moteur. Ne faites pas tourner le moteur si le niveau d'huile est en dessous du repère minimum au risque d'endommager le moteur.
Garez la machine sur une surface plane et horizontale, désengagez la PDF et serrez le frein de stationnement.
Avant de quitter la position d'utilisation, coupez le moteur, retirez la clé de contact et attendez l'arrêt complet de toutes les pièces mobiles.
Contrôlez le niveau d'huile moteur, comme montré à la Figure 41.


| Périodicité d'entretien | Procédure d'entretien |
|---|---|
| Après les 8 premières heures de fonctionnement |
|
| Toutes les 100 heures |
|
Note: Débarrassez-vous de l'huile usagée dans un centre de recyclage.
Garez la machine avec le côté de la vidange légèrement plus bas que l'autre côté, pour pouvoir évacuer toute l'huile.
Désengagez la PDF, amenez les leviers de commande de déplacement à la position de VERROUILLAGE AU POINT MORT et serrez le frein de stationnement.
Avant de quitter la position d'utilisation, coupez le moteur, retirez la clé de contact et attendez l'arrêt complet de toutes les pièces mobiles.
Vidangez l'huile moteur, comme montré à la Figure 42.


Versez lentement environ 80 % de l'huile spécifiée dans le tube de remplissage, puis faites l'appoint lentement pour faire monter le niveau jusqu'au repère maximum (Full) (Figure 43).

Démarrez le moteur et conduisez la machine jusqu'à une surface plane et horizontale.
Vérifiez à nouveau le niveau d'huile.
| Périodicité d'entretien | Procédure d'entretien |
|---|---|
| Toutes les 200 heures |
|
Note: Remplacez le filtre à huile moteur plus souvent si vous travaillez dans des conditions très poussiéreuses ou sableuses.
Vidangez l'huile moteur ; voir Vidange de l'huile moteur.
Remplacez le filtre à huile moteur (Figure 44).


Note: Assurez-vous que le joint du filtre à huile touche le moteur puis vissez-le encore de 3/4 de tour.
Remplissez le carter moteur d'une huile neuve du type voulu ; voir Spécifications de l'huile moteur.
| Périodicité d'entretien | Procédure d'entretien |
|---|---|
| Toutes les 100 heures |
|
Avant de monter la bougie, assurez-vous que l'écartement entre l'électrode centrale et l'électrode latérale est correct.
Utilisez une clé à bougies pour déposer les bougies et les remonter, et une jauge d'épaisseur pour contrôler et régler l'écartement des électrodes. Remplacez la bougie au besoin.
Type : NGK® BPR4ES ou équivalent
Écartement des électrodes : 0,76 mm
Garez la machine sur une surface plane et horizontale, désengagez la PDF et serrez le frein de stationnement.
Avant de quitter la position d'utilisation, coupez le moteur, retirez la clé de contact et attendez l'arrêt complet de toutes les pièces mobiles.
Déposez la bougie, comme montré à la Figure 45.


Important: Ne nettoyez pas la ou les bougies. Remplacez toujours les bougies si elles sont recouvertes d'un dépôt noir ou d'une couche grasse, si elles sont fissurées ou si les électrodes sont usées.
Si l'isolateur est recouvert d'un léger dépôt gris ou brun, le moteur fonctionne correctement. S'il est couvert d'un dépôt noir, c'est généralement signe que le filtre à air est encrassé.
Réglez l'écartement des électrodes à 0,76 mm.


| Périodicité d'entretien | Procédure d'entretien |
|---|---|
| Toutes les 50 heures |
|
Les composants chauds du système d'échappement peuvent enflammer les vapeurs de carburant, même après l'arrêt du moteur. Les particules chaudes rejetées quand le moteur est en marche peuvent enflammer les matières inflammables et entraîner des dommages corporels ou matériels.
Ne faites pas le plein de carburant et ne faites pas tourner le moteur si le pare-étincelles n'est pas en place.
Garez la machine sur une surface plane et horizontale, désengagez la PDF et serrez le frein de stationnement.
Avant de quitter la position d'utilisation, coupez le moteur, retirez la clé de contact et attendez l'arrêt complet de toutes les pièces mobiles.
Attendez que le silencieux soit froid.
Si vous constatez des fissures de la grille ou des soudures, remplacez le pare-étincelles.
Si vous constatez que la grille est bouchée, déposez le pare-étincelles et agitez-le pour détacher les particules, puis nettoyez la grille avec une brosse métallique (faites-tremper dans un solvant au besoin).
Reposez le pare-étincelles sur la sortie d'échappement.
Note: Utilisez un siphon pour vidanger le réservoir de carburant. Vous pouvez vous procurer un siphon dans n'importe quelle quincaillerie.
Dans certaines circonstances, le carburant est extrêmement inflammable et hautement explosif. Un incendie ou une explosion causé(e) par du carburant peut vous brûler, ainsi que d'autres personnes à proximité, et causer des dommages matériels.
Toutes les procédures d'entretien relative au carburant doivent s'effectuer sur un moteur froid. Travaillez à l'extérieur, dans un endroit dégagé. Essuyez tout carburant répandu.
Ne fumez jamais pendant la vidange du carburant, et tenez-vous à l'écart des flammes nues et des sources d'étincelles susceptibles d'enflammer les vapeurs de carburant.
Garez la machine sur une surface plane et horizontale, désengagez la PDF et serrez le frein de stationnement.
Avant de quitter la position d'utilisation, coupez le moteur, retirez la clé de contact et attendez l'arrêt complet de toutes les pièces mobiles.
Nettoyez la surface autour du bouchon du réservoir de carburant pour éviter que des débris ne tombent à l'intérieur du réservoir (Figure 48).
Enlevez le bouchon du réservoir de carburant.
Insérez la pompe siphon dans le réservoir de carburant.
À l'aide du siphon, vidangez le carburant dans un bidon propre (Figure 48).
Essuyez le carburant éventuellement répandu.

| Périodicité d'entretien | Procédure d'entretien |
|---|---|
| Toutes les 800 heures |
|
Ne reposez jamais un filtre sale après l'avoir enlevé de la conduite d'alimentation.
Note: Essuyez le carburant éventuellement répandu.
Garez la machine sur une surface plane et horizontale, désengagez la PDF et serrez le frein de stationnement.
Avant de quitter la position d'utilisation, coupez le moteur, retirez la clé de contact et attendez l'arrêt complet de toutes les pièces mobiles.
Fermez le robinet d'arrivée de carburant ; voir Utilisation du robinet d'arrivée de carburant.
Remplacez le filtre à carburant comme montré à la Figure 49.

Débranchez la batterie ou le fil de la bougie avant d'entreprendre des réparations. Débranchez toujours la borne négative avant la borne positive. Branchez toujours la borne positive avant la borne négative.
Chargez la batterie dans un endroit dégagé et bien aéré, à l'écart des flammes ou sources d'étincelles. Débranchez le chargeur du secteur avant de brancher ou de débrancher la batterie. Portez des vêtements de protection et utilisez des outils isolés.
| Périodicité d'entretien | Procédure d'entretien |
|---|---|
| Toutes les 100 heures |
|
Maintenez toujours la batterie propre et chargée au maximum. Nettoyez le boîtier de la batterie avec de l'essuie-tout. Si les bornes de la batterie sont corrodées, nettoyez-les avec un mélange constitué de quatre volumes d'eau pour un volume de bicarbonate de soude. Enduisez les bornes de la batterie d'une mince couche de graisse pour éviter la corrosion.
Tension : 12 V
Garez la machine sur une surface plane et horizontale, désengagez la PDF et serrez le frein de stationnement.
Avant de quitter la position d'utilisation, coupez le moteur, retirez la clé de contact et attendez l'arrêt complet de toutes les pièces mobiles.
Retirez la batterie, comme montré à la Figure 50.

La batterie en charge produit des gaz qui peuvent exploser.
Ne fumez jamais à côté de la batterie et tenez-la à l'écart des flammes ou sources d'étincelles.
Important: La batterie doit toujours être chargée au maximum (densité 1,265) pour l'empêcher de se dégrader si la température tombe au-dessous 0 °C.
Retirez la batterie du châssis ; voir Retrait de la batterie.
Vérifiez le niveau d'électrolyte dans la batterie.
Vérifiez que les bouchons de remplissage sont en place sur la batterie.
Chargez la batterie pendant 1 heure entre 25 et 30 A, ou pendant 6 heures entre 4 et 6 A.
Quand la batterie est chargée au maximum, débranchez le chargeur de la prise, et débranchez les fils du chargeur des bornes de la batterie (Figure 51).
Placez la batterie sur la machine et raccordez les câbles de la batterie ; voir Mise en place de la batterie.
Note: N'utilisez pas la machine si la batterie est débranchée, au risque d'endommager le circuit électrique.

Installez la batterie comme montré à la Figure 52.

Le système électrique est protégé par des fusibles. Il ne nécessite donc pas d'entretien. Si un fusible fond, examinez la pièce ou le circuit pour vérifier son état et vous assurer qu'il n'y a pas de court-circuit.
Garez la machine sur une surface plane et horizontale, désengagez la PDF et serrez le frein de stationnement.
Avant de quitter la position d'utilisation, coupez le moteur, retirez la clé de contact et attendez l'arrêt complet de toutes les pièces mobiles.
Enlevez le coussin de l'utilisateur de l'arrière de la machine.
Sortez le fusible et remplacez-le (Figure 53).
Mettez en place le coussin de l'utilisateur.

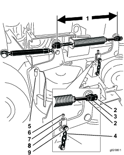
Si vous poussez les deux leviers de commande de déplacement en avant à la même position et que la machine tire d'un côté, corrigez le parallélisme comme suit.
Garez la machine sur une surface plane et horizontale, désengagez la PDF et serrez le frein de stationnement.
Avant de quitter la position d'utilisation, coupez le moteur, retirez la clé de contact et attendez l'arrêt complet de toutes les pièces mobiles.
Enlevez le coussin de l'arrière de la machine.
Tournez le dispositif de réglage du câble droit pour positionner le levier de commande de déplacement droit au centre de la fente de verrouillage au point mort du panneau de commande (Figure 55).

Tournez le dispositif de réglage du câble gauche que pour que la vitesse de la roue gauche corresponde à celle de la roue droite réglée précédemment.
Ajustez de 1/4 de tour à la fois jusqu'à ce que la machine se déplace en ligne droite.
Note: Réglez le câble gauche uniquement pour faire correspondre la vitesse de la roue gauche à celle de la roue droite. Ne réglez pas la vitesse de la roue droite, car cela décentrerait le levier de commande de déplacement droit par rapport à la fente de verrouillage au point mort du panneau de commande.

Vérifiez que l'alignement est correct.
Note: Si la machine ne démarre pas après le réglage de l'alignement, vérifiez que la cible du contacteur de proximité est bien alignée sur le boulon fixé au levier de commande de déplacement ; voir Réglage du contacteur de proximité.
Répétez la procédure de réglage du câble jusqu'à ce que l'alignement des roues soit correct.
Vérifiez que la machine ne se déplace pas du point mort quand le frein de stationnement est desserré.
Important: Ne tournez pas la timonerie excessivement car la machine pourrait se déplacer au point mort.
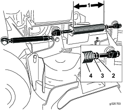
Suivez cette procédure si la machine ne démarre pas après le réglage de l'alignement des roues.
Vérifiez que le boulon fixé au levier de commande de déplacement est aligné sur la cible du contacteur de proximité (Figure 56).
Au besoin, desserrez les boulons et réglez le contacteur de proximité jusqu'à ce que la cible soit alignée sur le boulon fixé au levier de commande de déplacement (Figure 56).
Vérifiez la distance entre le boulon et le contacteur de proximité ; elle doit se situer entre 0,51 et 1,02 mm, comme montré à la Figure 56.
Si un réglage est nécessaire, desserrez l'écrou de blocage et réglez le boulon à la bonne distance.
Serrez l'écrou de blocage une fois le réglage effectué (Figure 56).
Contrôlez le système de sécurité avant d'utiliser la machine.

| Périodicité d'entretien | Procédure d'entretien |
|---|---|
| Toutes les 50 heures |
|
Les pneus arrière doivent être gonflés à une pression de 0,83 à 0,97 bar.
Important: Les pneus mal gonflés peuvent compromettre la qualité et l'uniformité de la coupe.
Note: Les pneus avant sont du type semi-pneumatique et ne nécessitent pas de contrôle de la pression.

| Périodicité d'entretien | Procédure d'entretien |
|---|---|
| Toutes les 500 heures |
|
Garez la machine sur une surface plane et horizontale, désengagez la PDF et serrez le frein de stationnement.
Avant de quitter la position d'utilisation, coupez le moteur, retirez la clé de contact et attendez l'arrêt complet de toutes les pièces mobiles.
Retirez le capuchon protecteur de la roue pivotante et serrez le contre-écrou (Figure 58).
Continuez de le serrer jusqu'à ce que les rondelles élastiques soient aplaties, puis desserrez-le de 1/4 de tour pour obtenir la précharge correcte des roulements (Figure 58).
Important: Veillez à placer les rondelles élastiques comme montré à la Figure 58.
Remettez le capuchon protecteur en place (Figure 58).

| Périodicité d'entretien | Procédure d'entretien |
|---|---|
| Toutes les 100 heures |
|
L'embrayage est réglé de sorte à garantir l'engagement et le freinage corrects.
Garez la machine sur une surface plane et horizontale, désengagez la PDF et serrez le frein de stationnement.
Avant de quitter la position d'utilisation, coupez le moteur, retirez la clé de contact et attendez l'arrêt complet de toutes les pièces mobiles.
Insérez une jauge d'épaisseur de 0,4 à 0,5 mm dans une fente d'inspection sur le côté de l'ensemble.
Note: Vérifiez qu'elle passe bien entre les surfaces de frottement de l'induit et du rotor.
Note: L'écart minimum doit être de 0,4 mm et ne pas dépasser 0,5 mm.
Si un réglage est nécessaire, utilisez une jauge d'épaisseur de 0,4 mm pour régler la position de chacune des trois fentes de réglage.
Serrez les contre-écrous jusqu'à ce la jauge d'épaisseur fléchisse légèrement mais puisse bouger facilement dans l'entrefer (Figure 59).
Répétez la procédure pour les autres fentes.
Vérifiez chaque fente une nouvelle fois et effectuez de légers réglages jusqu'à ce que la jauge d'épaisseur passe entre le rotor et l'induit en les touchant légèrement.

| Périodicité d'entretien | Procédure d'entretien |
|---|---|
| À chaque utilisation ou une fois par jour |
|
Avant chaque utilisation, enlevez l'herbe, les saletés et autres débris éventuellement accumulés sur le cylindre et les ailettes de refroidissement de la culasse, la grille d'entrée d'air côté volant, le levier du carburateur, le levier du régulateur et les tringleries. Cela permet d'assurer un refroidissement adéquat et un régime moteur correct, et réduit les risques de surchauffe ou de dommages mécaniques du moteur.
| Périodicité d'entretien | Procédure d'entretien |
|---|---|
| Toutes les 100 heures |
|
Garez la machine sur une surface plane et horizontale, désengagez la PDF et serrez le frein de stationnement.
Avant de quitter la position d'utilisation, coupez le moteur, retirez la clé de contact et attendez l'arrêt complet de toutes les pièces mobiles.
Déposez la grille d'entrée d'air et le carter du ventilateur (Figure 60).
Débarrassez les pièces du moteur de l'herbe et des débris accumulés.
Reposez la grille, la prise d'air et le carter du ventilateur (Figure 60).

| Périodicité d'entretien | Procédure d'entretien |
|---|---|
| À chaque utilisation ou une fois par jour |
|
Avant chaque utilisation, essayez le frein de stationnement sur une surface horizontale et sur une pente.
Serrez toujours le frein de stationnement lorsque vous arrêtez la machine ou que vous la laissez sans surveillance. Réglez le frein de stationnement s'il ne reste pas serré correctement.
Désengagez la PDF et serrez le frein de stationnement
Avant de quitter la position d'utilisation, coupez le moteur, retirez la clé de contact et attendez l'arrêt complet de toutes les pièces mobiles.
Desserrez le frein de stationnement.
Engagez le levier de frein et vérifiez que la machine ne se déplace pas.
Réglez le frein au besoin.
| Périodicité d'entretien | Procédure d'entretien |
|---|---|
| À chaque utilisation ou une fois par jour |
|
Important: La machine doit se trouver sur une surface plane et horizontale pour contrôler et régler le frein.
Garez la machine sur une surface plane et horizontale, désengagez la PDF et serrez le frein de stationnement.
Avant de quitter la position d'utilisation, coupez le moteur, retirez la clé de contact et attendez l'arrêt complet de toutes les pièces mobiles.
Contrôlez la pression des pneus ; voir Contrôle de la pression des pneus.
Desserrez le frein de stationnement ; voir Utilisation du frein de stationnement.
Lorsque le frein est desserré, mesurez la distance entre la barre de frein et la roue, de chaque côté.
Utilisez le côté présentant le plus petit espace, et faites en sorte que la distance se situe entre 3 et 6 mm, comme montré à la Figure 61 ; voir Réglage des freins si la distance n'est pas correcte.

Garez la machine sur une surface plane et horizontale, désengagez la PDF et serrez le frein de stationnement.
Avant de quitter la position d'utilisation, coupez le moteur, retirez la clé de contact et attendez l'arrêt complet de toutes les pièces mobiles.
Desserrez le frein de stationnement.
Pour régler le frein, retirez la goupille fendue et l'axe de chape du levier de frein inférieur et de la chape (Figure 62).
Réglez la chape (Figure 61).
Note: La distance entre la barre de frein et la roue doit se situer entre 3 et 6 mm.
Note: Pour serrer le frein, tournez la chape vers le haut. Pour desserrer le frein, tournez la chape vers le bas.
Contrôlez à nouveau le fonctionnement du frein ; voir Essai du frein de stationnement.
Fixez la chape au levier de frein inférieur avec la goupille fendue et l'axe de chape (Figure 62).

| Périodicité d'entretien | Procédure d'entretien |
|---|---|
| Toutes les 100 heures |
|
Vérifiez l'état des courroies et remplacez-les si elles sont fissurées, si les bords sont effilochés, si elles présentent des traces de brûlures, d'usure, de surchauffe ou autres dommages.
La courroie de la tondeuse peut montrer les signes d'usure suivants: grincement pendant la rotation, glissement des lames pendant la coupe, bords effilochés, traces de brûlures et fissures. Remplacez la courroie quand elle présente ce genre de problèmes.
Important: Les fixations des capots de la machine sont conçues pour rester sur le capot après son retrait. Dévissez toutes les fixations de chaque capot de quelques tours de sorte que le capot soit desserré mais reste en place. Dévissez-les ensuite jusqu'à ce que le capot se détache. Vous éviterez ainsi d'arracher les filets des boulons en les retirant des dispositifs de retenue.
Garez la machine sur une surface plane et horizontale, désengagez la PDF et serrez le frein de stationnement.
Avant de quitter la position d'utilisation, coupez le moteur, retirez la clé de contact et attendez l'arrêt complet de toutes les pièces mobiles.
Desserrez les boulons et déposez le couvercle droit de la courroie en laissant les boulons dessus.
Décrochez le ressort du tenon d'ancrage sur le bras de la poulie de tension (Figure 63).
Enlevez la courroie usée du plateau de coupe (Figure 63).
Montez la courroie neuve sur la poulie d'embrayage, les poulies du plateau de coupe et la poulie de tension (Figure 63).
Accrochez le ressort au tenon d'ancrage sur le bras de la poulie de tension (Figure 63).
Posez le protège-courroie sur le plateau de coupe et serrez le boulon.

Garez la machine sur une surface plane et horizontale, désengagez la PDF et serrez le frein de stationnement.
Avant de quitter la position d'utilisation, coupez le moteur, retirez la clé de contact et attendez l'arrêt complet de toutes les pièces mobiles.
Desserrez les boulons et déposez les couvercles de la courroie en laissant les boulons dessus.
Décrochez le ressort du tenon d'ancrage sur le bras de la poulie de tension (Figure 63).

Enlevez la courroie droite du plateau de coupe (Figure 64).
Si vous remplacez la courroie gauche du plateau de coupe, continuez comme suit, sinon passez à l'opération 7.
Décrochez le ressort du tenon d'ancrage sur le bras de la poulie de tension (Figure 65).
Enlevez la courroie usée du plateau de coupe (Figure 65).
Placez une courroie neuve sur les poulies du plateau de coupe, la poulie d'embrayage et la poulie de tension (Figure 65).

Placez la courroie retirée précédemment ou une courroie neuve sur les poulies droites du plateau de coupe et la poulie de tension (Figure 64).
Accrochez le ressort au tenon d'ancrage sur le bras de la poulie de tension (Figure 63).
Posez les couvercles de courroie sur le plateau de coupe et serrez les boulons.
| Périodicité d'entretien | Procédure d'entretien |
|---|---|
| Toutes les 100 heures |
|
Garez la machine sur une surface plane et horizontale, désengagez la PDF et serrez le frein de stationnement.
Avant de quitter la position d'utilisation, coupez le moteur, retirez la clé de contact et attendez l'arrêt complet de toutes les pièces mobiles.
Déposez la courroie du plateau de coupe ; voir Remplacement de la courroie du plateau de coupe.
Basculez la machine ; voir Soulever la tondeuse pour permettre l'accès.
Retirez du plancher moteur le boulon à épaulement, l'écrou et la rondelle et le ressort accroché (Figure 66).

Déposez la courroie d'entraînement des pompes (Figure 66).
Placez une courroie neuve autour de l'embrayage et des 2 poulies de pompes.
Montez le ressort sur le boulon à épaulement et la rondelle, et reliez-le au plancher moteur à l'aide de l'écrou (Figure 66).
Abaissez la machine en position d'utilisation.
Reposez la courroie du plateau de coupe ; voir Remplacement de la courroie du plateau de coupe.
Si les leviers de commande de déplacement ne s'alignent pas horizontalement, réglez le levier de commande de déplacement droit.
Note: Réglez l'alignement horizontal avant de régler l'alignement avant/arrière.
Garez la machine sur une surface plane et horizontale, désengagez la PDF et serrez le frein de stationnement.
Avant de quitter la position d'utilisation, coupez le moteur, retirez la clé de contact et attendez l'arrêt complet de toutes les pièces mobiles.
Abaissez le levier de commande de déplacement droit pour quitter la position de VERROUILLAGE AU POINT MORT (Figure 67).
Vérifiez que le levier de commande de déplacement droit s'aligne horizontalement sur le levier de commande de déplacement gauche (Figure 67).

Note: Ajustez la came pour effectuer le réglage horizontal du levier de commande de déplacement droit.
Enlevez le coussin de l'arrière de la machine.
Desserrez l'écrou de fixation de la came (Figure 68).

Ajustez la came jusqu'à ce qu'elle s'aligne avec le levier de commande de déplacement gauche, puis serrez l'écrou de la came.
Note: La rotation horaire de la came (à la position verticale) a pour effet d'abaisser le levier, tandis que la rotation antihoraire (à la verticale) élève le levier.
Important: Vérifiez que la partie plate de la came ne dépasse pas la position verticale (droite ou gauche), car cela pourrait endommager l'interrupteur.
Important: Vérifiez que l'alignement des roues est correct après avoir réglé les leviers de commande de déplacement.Figure 69
Note: Réglez l'alignement horizontal avant de régler l'alignement avant/arrière.
Si les leviers de commande de déplacement ne s'alignent pas en avant/arrière ou si le levier de commande de déplacement droit a des difficultés à passer à la position de VERROUILLAGE AU POINT MORT, réglez la position point mort des leviers.
Une fois le réglage horizontal terminé, contrôlez l'alignement avant/arrière en poussant légèrement les leviers de commande vers l'avant pour rattraper le mou de la timonerie des leviers de commande (Figure 69).

Vérifier que le levier de commande de déplacement droit passe facilement à la position de VERROUILLAGE AU POINT MORT.
Note: Tournez le dispositif de réglage du câble dans le sens horaire pour déplacer le levier de commande de déplacement en avant. Tournez le dispositif de réglage du câble dans le sens antihoraire pour déplacer le levier de commande de déplacement en arrière.
Tournez le dispositif de réglage du câble du côté droit lorsqu'un réglage est requis.
Note: Ajustez le dispositif de réglage du câble un quart de tour à la fois.
Lorsque le levier de commande de déplacement droit passe sans effort à la position de VERROUILLAGE AU POINT MORT, réglez le levier de commande de déplacement gauche pour l'aligner sur le droit.
Vérifiez que l'alignement est correct ; voir Réglage de l'alignement des roues .
Placez la retenue de câble sur les écrous de réglage de câble pour fixer le réglage (Figure 70).

Consultez immédiatement un médecin si du liquide est injecté sous la peau. Toute injection de liquide hydraulique sous la peau doit être éliminée dans les quelques heures qui suivent par une intervention chirurgicale réalisée par un médecin.
Vérifiez l'état de tous les flexibles et conduits de liquide hydraulique, ainsi que le serrage de tous les raccords et branchements avant de mettre le système hydraulique sous pression.
N'approchez pas les mains ni aucune autre partie du corps des fuites en trou d'épingle ou des gicleurs d'où sort du liquide hydraulique sous haute pression.
Utilisez un morceau de papier ou de carton pour détecter les fuites.
Évacuez avec précaution toute la pression du système hydraulique avant toute intervention sur le système.
Type de liquide hydraulique : liquide hydraulique Toro® HYPR-OIL™ 500 ou huile synthétique Mobil® 1 15W-50.
Capacité du système hydraulique : 2 l
Important: Utilisez le liquide spécifié. Tout autre liquide pourrait endommager le système.
| Périodicité d'entretien | Procédure d'entretien |
|---|---|
| Après les 8 premières heures de fonctionnement |
|
| Toutes les 50 heures |
|
Note: Le déflecteur à l'intérieur du réservoir a 2 niveaux différents selon que le liquide est chaud ou froid.
Garez la machine sur une surface plane et horizontale, désengagez la PDF et serrez le frein de stationnement.
Avant de quitter la position d'utilisation, coupez le moteur, retirez la clé de contact et attendez l'arrêt complet de toutes les pièces mobiles.
Nettoyez la surface autour du bouchon et du goulot de remplissage du réservoir hydraulique (Figure 71).

Enlevez le bouchon du goulot de remplissage (Figure 71).
Note: Vérifiez le niveau d'huile à l'intérieur du réservoir.
Ajoutez de l'huile dans le réservoir jusqu'à ce qu'il atteigne le repère du niveau à froid sur le déflecteur.
Laissez tourner le moteur au ralenti pendant 15 minutes pour purger l'air éventuellement présent dans le système et réchauffer l'huile.
Avant de quitter la position d'utilisation, coupez le moteur, retirez la clé de contact et attendez l'arrêt complet de toutes les pièces mobiles.
Contrôlez le niveau d'huile lorsqu'elle est chaude. Le cas échéant, ajoutez de l'huile jusqu'à ce que le niveau se situe entre le repère “à chaud” et le repère “à froid”.
Note: Lorsque l'huile est chaude, le niveau de liquide doit être en dessous du repère « à chaud » sur le déflecteur (Figure 71).
Remettez le bouchon sur le goulot de remplissage.
| Périodicité d'entretien | Procédure d'entretien |
|---|---|
| Toutes les 250 heures |
|
| Toutes les 500 heures |
|
Le liquide hydraulique chaud peut causer de graves brûlures.
Laissez refroidir l'huile hydraulique avant de procéder à un quelconque entretien du système hydraulique.
Garez la machine sur une surface plane et horizontale, désengagez la PDF et serrez le frein de stationnement.
Avant de quitter la position d'utilisation, coupez le moteur, retirez la clé de contact et attendez l'arrêt complet de toutes les pièces mobiles.
Retirez le bouchon du réservoir hydraulique.
Localisez le flexible hydraulique avant sous le réservoir hydraulique et placez le bac de vidange sous le réservoir (Figure 72).
Desserrez le collier de flexible et faites-le glisser le long du flexible.
Débranchez le flexible hydraulique avant et laissez le liquide s'écouler du réservoir.

Remplacez le filtre hydraulique ; voir Remplacement du filtre hydraulique.
Branchez le flexible hydraulique sous le réservoir.
Ajoutez de l'huile dans le réservoir jusqu'à ce qu'elle atteigne le niveau à froid sur le déflecteur du réservoir.
Important: Utilisez l'huile spécifiée ou une huile équivalente. Tout autre liquide est susceptible d'endommager le système.
Remettez le bouchon du réservoir hydraulique.
Démarrez le moteur et faites-le tourner pendant environ 2 minutes pour purger l'air présent dans le système.
Coupez le moteur et recherchez des fuites éventuelles.
Note: Si une ou les deux roues ne tournent pas, voir Purge du système hydraulique.
Contrôlez le niveau de liquide et faites l'appoint au besoin.
Important: Ne remplissez pas excessivement.
| Périodicité d'entretien | Procédure d'entretien |
|---|---|
| Après les 8 premières heures de fonctionnement |
|
| Toutes les 500 heures |
|
Le liquide hydraulique chaud peut causer de graves brûlures.
Laissez refroidir l'huile hydraulique avant de procéder à un quelconque entretien du système hydraulique.
Garez la machine sur une surface plane et horizontale, désengagez la PDF et serrez le frein de stationnement.
Avant de quitter la position d'utilisation, coupez le moteur, retirez la clé de contact et attendez l'arrêt complet de toutes les pièces mobiles.
Localisez le filtre et placez un bac de vidange au-dessous (Figure 73).

Déposez le filtre usagé et essuyez la surface du joint de l'adaptateur (Figure 74).
Appliquez une fine couche de liquide hydraulique sur le joint en caoutchouc du filtre de rechange.
Posez le filtre de rechange sur l'adaptateur.
Tournez le filtre dans le sens horaire jusqu'à ce que le joint rejoigne l'adaptateur, puis donnez 1/2 tour supplémentaire (Figure 74).

Essuyez le liquide éventuellement répandu.
Vérifiez le niveau de liquide dans le réservoir et faites l'appoint de liquide jusqu'à ce qu'il atteigne le niveau « à froid » sur le déflecteur du réservoir.
Important: Utilisez l'huile spécifiée ou une huile équivalente. Tout autre liquide est susceptible d'endommager le système.
Mettez le moteur en marche et laissez-le tourner environ 2 minutes pour purger l'air du circuit.
Coupez le moteur et recherchez des fuites éventuelles.
Note: Si une ou les deux roues ne fonctionnent pas, voir Purge du système hydraulique.
Contrôlez le niveau d'huile et faites l'appoint au besoin.
Important: Ne remplissez pas excessivement.
La purge du système de transmission s'effectue automatiquement ; cependant, il est parfois nécessaire de purger le système après une vidange ou un entretien.
Garez la machine sur une surface plane et horizontale, désengagez la PDF et serrez le frein de stationnement.
Avant de quitter la position d'utilisation, coupez le moteur, retirez la clé de contact et attendez l'arrêt complet de toutes les pièces mobiles.
Placez des chandelles suffisamment hautes sous l'arrière de la machine pour décoller les roues motrices du sol.
Mettez le moteur en marche et placez la commande d'accélérateur en position de ralenti.
Note: Si la roue motrice ne tourne pas, la purge du système peut être facilitée en tournant la roue doucement en avant.
Vérifiez le niveau de liquide hydraulique à mesure qu'il baisse et faites l'appoint pour conserver le niveau correct.
Répétez ces opérations pour l'autre roue.
| Périodicité d'entretien | Procédure d'entretien |
|---|---|
| Toutes les 100 heures |
|
Vérifiez que les flexibles hydrauliques ne présentent pas de fuites, ne sont pas pliés, usés, détériorés par les conditions atmosphériques ou les produits chimiques, et que les supports de montage et les raccords ne sont pas desserrés. Effectuez les réparations nécessaires avant d'utiliser la machine.
Note: Enlevez régulièrement l'herbe et autres débris éventuellement accumulés sur le système hydraulique.
Note: Une utilisation prolongée à hautes températures dans les régions à climat chaud peut entraîner la détérioration des flexibles et joints. Effectuez les contrôles plus fréquemment dans les régions chaudes, et remplacez le liquide hydraulique et le filtre plus fréquemment.
Pour garantir une excellente qualité de coupe, les lames doivent toujours être bien affûtées. Il est utile de prévoir des lames de rechange pour le remplacement et le réaffûtage.
Une lame usée ou endommagée peut se briser et projeter le morceau cassé dans votre direction ou celle d'autres personnes, et infliger des blessures graves ou mortelles.
Contrôlez l'état et l'usure des lames périodiquement.
Examinez toujours les lames avec prudence. Manipulez les lames avec des gants ou en les enveloppant dans un chiffon, et toujours avec prudence. Limitez-vous à remplacer ou aiguiser les lames ; n'essayez jamais de les redresser ou de les souder.
Vérifiez toujours que les lames et les boulons de lame ne sont pas usés ou endommagés. Remplacez les boulons et les lames usés ou endommagés par paires pour ne pas modifier l'équilibre.
Sur les machines à plusieurs lames, la rotation d'une lame peut entraîner celle des autres.
Garez la machine sur une surface plane et horizontale, désengagez la PDF et serrez le frein de stationnement.
Coupez le moteur, retirez la clé et débranchez le fil des bougies.
| Périodicité d'entretien | Procédure d'entretien |
|---|---|
| À chaque utilisation ou une fois par jour |
|
Examinez le tranchant des lames (Figure 75).
Si les lames ne sont pas tranchantes ou présentent des indentations, déposez-les et aiguisez-les ; voir Affûtage des lames.
Inspectez les lames, en particulier l'ailette.
Remplacez immédiatement toute lame fendue, usée ou qui présente une entaille (Figure 75).

Tournez les lames dans le sens longitudinal.
Mesurez la distance entre la surface plane et le tranchant (position A) des lames (Figure 76).

Tournez les lames pour faire passer les pointes qui sont à l'arrière à l'avant.
Mesurez la distance entre la surface plane et le tranchant des lames, au même endroit que lors de l'opération 2 ci-dessus.
Note: Les mesures obtenues aux opérations 2 et 3 ne doivent pas différer de plus de 3 mm.
Note: Si la différence est supérieure à 3 mm, remplacez la lame.
Une lame faussée ou endommagée peut se briser et projeter le morceau cassé dans votre direction ou celle de personnes à proximité, et causer des blessures graves ou mortelles.
Remplacez toujours une lame faussée ou endommagée par une neuve.
Ne créez jamais d'indentations dans les bords ou à la surface des lames, par exemple en les limant.
Remplacez toute lame si elle heurte un obstacle, si elle est déséquilibrée ou faussée. Pour garantir un rendement optimal et la sécurité continue de la machine, utilisez toujours des lames TORO d'origine. Les lames d'autres constructeurs peuvent entraîner la non conformité aux normes de sécurité.
Tenez la lame par son extrémité avec un chiffon ou un gant épais.
Enlevez de l'axe, le boulon, la rondelle bombée et la lame (Figure 77).

Au moyen d'une lime, aiguisez les tranchants aux deux extrémités de la lame (Figure 78).
Note: Veillez à conserver l'angle de coupe d'origine.
Note: Limez la même quantité de métal sur chacun des deux tranchants pour ne pas déséquilibrer la lame.

Vérifiez l'équilibre de la lame en la plaçant sur un équilibreur (Figure 79).
Note: Si la lame reste horizontale, elle est équilibrée et peut être utilisée.
Note: Si la lame est déséquilibrée, limez un peu l'extrémité de l'ailette seulement (Figure 78).

Répétez la procédure jusqu'à ce que la lame soit équilibrée.
| Périodicité d'entretien | Procédure d'entretien |
|---|---|
| Une fois par an |
|
Vérifiez si le filetage du boulon de lame est endommagé. Remplacez le boulon et la rondelle bombée selon les besoins.
Placez la lame sur l'axe (Figure 80).
Important: Pour une coupe correcte, l'ailette de la lame doit être tournée vers le haut et dirigée vers l'intérieur du plateau de coupe.
Montez la rondelle bombée et le boulon de la lame (Figure 80).
Note: Le cône de la rondelle bombée doit être dirigé vers la tête du boulon (Figure 80).
Serrez le boulon de la lame à un couple de 115 à 150 N·m.

Vérifiez que le plateau de coupe est de niveau chaque fois que vous l'installez ou si la tonte de la pelouse semble irrégulière.
Mettez le plateau de coupe de niveau, transversalement avant de le faire longitudinalement.
Garez la machine sur une surface plane et horizontale, désengagez la PDF et serrez le frein de stationnement.
Coupez le moteur, retirez la clé et débranchez le fil des bougies.
Vérifiez la pression des pneus des deux roues motrices ; voir Contrôle de la pression des pneus.
Vérifiez si des lames sont faussées ; déposez et remplacez toute lame faussée ; voir la Entretien des lames.
Abaissez le plateau de coupe à la hauteur de 76 mm.
Mesurez la distance entre les centres des pivots (entraxe) sur chaque tige filetée (Figure 81).
Note: La distance doit être de 49,5 cm pour les plateaux de coupe de 91 cm et de 43,7 cm pour les plateaux de coupe de 102 cm.
Desserrez les écrous de blocage du pivot avant (Figure 81).
À l'aide des écrous de blocage, ajustez la longueur de la tige filetée de manière à obtenir la distance correcte.
Resserrez les écrous de blocage du pivot avant (Figure 81).

Contrôlez la distance entre la chape et le bras de support du plateau sur chaque chape.
Note: L'écart doit être de 11 mm, comme montré à la Figure 82.
Si un réglage est nécessaire, desserrez le boulon de chaîne supérieur (Figure 82).
Desserrez l'écrou de blocage et ajustez le boulon de réglage de sorte à obtenir la distance correcte, indiquée à la Figure 82.
Resserrez l'écrou de blocage et le boulon de chaîne supérieur.

Tournez la lame droite dans le sens longitudinal (Figure 83).
Mesurez et notez la distance au point C entre la surface plane et le tranchant de la pointe de la lame droite (Figure 83).
Mesurez et notez la distance au point D entre la surface plane et le tranchant de la pointe de la lame droite (Figure 83).
Note: La lame doit être plus basse de 6 à 10 mm au point C qu'au point D (Figure 83). Si ce n'est pas le cas, passez aux opérations suivantes.
Desserrez les écrous de blocage sur les pivots avant gauche et droit (Figure 81).
À l'aide des écrous de blocage droits, ajustez la longueur de la tige filetée droite de manière à obtenir une inclinaison avant-arrière de 6 à 10 mm.
Serrez les écrous de blocage sur les pivots avant gauche et droit (Figure 81).

Tournez les lames gauche et droite dans le sens longitudinal
Mesurez et notez la distance au point B entre la surface plane et le tranchant de la pointe de la lame gauche (Figure 84).
Mesurez et notez la distance au point D entre la surface plane et le tranchant de la pointe de la lame droite (Figure 84).
Note: La mesure au point B doit être égale à 3 mm près à la mesure au point D (Figure 84). Si ce n'est pas le cas, passez aux opérations suivantes.
Desserrez les écrous de blocage du pivot avant gauche (Figure 81).
À l'aide des écrous de blocage gauches, ajustez la longueur de la tige filetée gauche jusqu'à ce que le point B corresponde au point D.
Resserrez les écrous de blocage du pivot avant gauche (Figure 81).

Tournez les lames gauche et droite dans le sens longitudinal
Examinez les chaînes avant et assurez-vous qu'elles sont toutes tendues.
Note: Si une chaîne est détendue, ajustez la tige filetée associée à la chaîne en question pour tendre cette dernière correctement.
Mesurez et notez la distance au point A entre la surface plane et le tranchant de la pointe de la lame gauche (Figure 85).
Mesurez et notez la distance au point C entre la surface plane et le tranchant de la pointe de la lame droite (Figure 85).
Note: L'écart entre les points A et C ne doit pas dépasser 3 mm. Si ce n'est pas le cas, passez aux opérations suivantes.
Desserrez les boulons de chaîne supérieurs (Figure 81).
Desserrez les écrous de blocage sur chaque chape (Figure 81).
Ajustez les boulons de réglage dans les chapes, aux points A et C pour obtenir la hauteur correcte (Figure 85).
Resserrez les écrous de blocage et les boulons de chaîne supérieurs (Figure 81).

Abaissez le plateau de coupe à la hauteur de 76 mm.
Tournez la lame droite dans le sens longitudinal (Figure 83).
Mesurez et notez la distance au point C entre la surface plane et le tranchant de la pointe de la lame droite (Figure 85).
Note: La mesure au point C doit être égale à 3 mm près à la la hauteur de coupe de 76 mm. Si ce n'est pas le cas, passez aux opérations suivantes.
Desserrez les écrous de blocage à chaque extrémité du tendeur (Figure 86).
Note: L'extrémité du tendeur portant la gorge est filetée à gauche (Figure 86).
Réglez le tendeur pour augmenter ou réduire la hauteur du plateau afin d'obtenir 76 mm au point C.
Resserrez les écrous de blocage à chaque extrémité du tendeur.
Vérifiez que le levier de levage du plateau de coupe se verrouille en position de transport.
Note: Dans le cas contraire, réglez le tendeur jusqu'à ce qu'il se verrouille en position de transport.
Resserrez les écrous de blocage.

Note: Le réglage du ressort de compression modifie le degré de flottement du plateau ainsi que l'effort nécessaire pour l'élever avec le levier de hauteur de coupe.
Plus la compression est importante, moins l'effort nécessaire sur le levier est important, et le flottement du plateau augmente.
Moins la compression est importante, plus l'effort nécessaire sur le levier est important, et le flottement du plateau est réduit.
Élevez le levier de levage du plateau de coupe et verrouillez-le en position de transport.
Vérifiez la longueur du ressort de compression.
Note: La longueur nominale est de 28,2 cm pour les plateaux de coupe de 91 cm et de 25,7 cm pour les plateaux de coupe de 102 cm (Figure 87).
Réglez cette distance en desserrant l'écrou de blocage du ressort et en tournant l'écrou devant chaque ressort (Figure 87).
Bloquez l'écrou en position en serrant l'écrou de blocage du ressort (Figure 87).

Répétez cette procédure pour l'autre ressort de levage du plateau.
Si l'ouverture d'éjection n'est pas fermée, la machine peut projeter des objets dans votre direction ou celles de personnes à proximité et causer des blessures graves. Un contact avec la lame est également possible.
N'utilisez pas la machine sans l'équiper d'une plaque d'obturation, d'un déflecteur de mulching, d'un déflecteur d'herbe ou d'un bac de ramassage.
Retirez le contre-écrou, le boulon, le ressort et l'entretoise qui fixent le déflecteur aux supports de pivot (Figure 88).

Déposez le déflecteur d'herbe s'il est endommagé ou usé.
Placez une entretoise et un ressort sur le déflecteur d'herbe.
Placez une extrémité en J du ressort derrière le bord du plateau.
Note: Prenez soin de placer une extrémité en J du ressort derrière le bord du plateau avant de mettre le boulon en place, comme montré à la Figure 88.
Remettez le boulon et l'écrou en place.
Accrochez 1 extrémité en J du ressort au déflecteur d'herbe (Figure 88).
Important: Le déflecteur d'herbe doit pouvoir pivoter. Ouvrez complètement le déflecteur d'herbe et vérifiez qu'il peut s'abaisser complètement.
| Périodicité d'entretien | Procédure d'entretien |
|---|---|
| À chaque utilisation ou une fois par jour |
|
Enlevez chaque jour l'herbe agglomérée sous le plateau de coupe.
Garez la machine sur une surface plane, désengagez la PDF, amenez les leviers de commande de déplacement en position de VERROUILLAGE AU POINT MORT et serrez le frein de stationnement.
Avant de quitter la position d'utilisation, coupez le moteur, retirez la clé de contact et attendez l'arrêt complet de toutes les pièces mobiles.
Soulevez l'avant de la machine sur des chandelles.
L'huile moteur, les batteries, le liquide hydraulique et le liquide de refroidissement sont polluants pour l'environnement. Débarrassez-vous en conformément à la réglementation nationale et locale en matière d'environnement.
Laissez refroidir le moteur avant de remiser la machine.
Ne rangez pas la machine ou le carburant près d'une flamme et ne vidangez pas le carburant à l'intérieur d'un local.
| Périodicité d'entretien | Procédure d'entretien |
|---|---|
| Avant le remisage |
|
Désengagez la prise de force (PDF), serrez le frein de stationnement, coupez le moteur et enlevez la clé de contact.
Débarrassez l'extérieur de la machine, et surtout le moteur, des déchets d'herbe coupée, des saletés et de la crasse.
Important: La machine peut être lavée à l'eau avec un détergent doux. N'utilisez pas de nettoyeur haute pression. N'utilisez pas trop d'eau, surtout près du système d'entraînement et du moteur. Le lavage à haute pression peut forcer des impuretés et de l'eau dans des pièces essentielles, comme les roulements d'axes et les commutateurs électriques.
Éliminez les saletés et les débris d'herbe sèche éventuellement présents sur les ailettes de la culasse et le carter du ventilateur.
Contrôlez le frein ; voir Essai du frein de stationnement.
Faites l'entretien du filtre à air ; voir Entretien du filtre à air.
Graissez la machine ; voir Lubrification.
Vidangez l'huile moteur ; voir Vidange de l'huile moteur.
Contrôlez la pression des pneus ; voir Contrôle de la pression des pneus.
Pour le remisage à long terme, procédez comme suit :
Ajoutez un stabilisateur/conditionneur dans le réservoir de carburant selon les instructions du fabricant du stabilisateur.
Faites tourner le moteur pendant 5 minutes pour faire circuler le carburant traité dans tout le circuit d'alimentation.
Coupez le moteur, laissez-le refroidir, puis vidangez le réservoir de carburant (voir Vidange du réservoir de carburant), ou laissez tourner le moteur jusqu'à ce qu'il s'arrête.
Démarrez le moteur et laissez-le tourner jusqu'à ce qu'il s'arrête. Répétez la procédure en sélectionnant le starter (le cas échéant), jusqu'à ce que le moteur ne veuille plus démarrer.
Débarrassez-vous du carburant correctement ; recyclez-le en respectant la réglementation locale.
Important: Ne conservez pas le carburant additionné de stabilisateur/conditionneur plus longtemps que recommandé par le fabricant du stabilisateur de carburant.
Déposez les bougies et vérifiez leur état ; voir Entretien de la bougie.
Versez 2 cuillerées à soupe (15 ml) d'huile moteur dans l'ouverture laissée par chaque bougie et lancez le moteur au démarreur pour répartir l'huile à l'intérieur du cylindre.
Posez la ou les bougies, mais ne branchez pas le fil.
Contrôlez et resserrez toutes les fixations. Réparez ou remplacez toute pièce endommagée ou manquante.
Peignez toutes les surfaces métalliques éraflées ou mises à nu avec de la peinture en vente chez un concessionnaire-réparateur agréé.
Rangez la machine dans un endroit propre et sec, comme un garage ou une remise. Enlevez la clé du commutateur d'allumage et rangez-la en lieu sûr. Couvrez la machine pour la protéger et la garder propre.
| Problem | Possible Cause | Corrective Action |
|---|---|---|
| Le moteur ne démarre pas, démarre difficilement ou cale. |
|
|
| Le moteur perd de la puissance. |
|
|
| Le moteur surchauffe. |
|
|
| La machine ne se déplace pas. |
|
|
| Vibrations anormales. |
|
|
| La hauteur de coupe est inégale. |
|
|
| Les lames ne tournent pas. |
|
|

