| Onderhoudsinterval | Onderhoudsprocedure |
|---|---|
| Bij elk gebruik of dagelijks |
|
Deze stand-on grasmaaier met draaiende messen is bedoeld voor professioneel gebruik. De machine is voornamelijk ontworpen voor het maaien van gras op goed onderhouden particuliere of commerciële gazons. Dit product gebruiken voor andere doeleinden dan het bedoelde gebruik kan gevaarlijk zijn voor u of voor omstanders.
Lees deze informatie zorgvuldig door, zodat u weet hoe u de machine op de juiste wijze moet gebruiken en onderhouden en om schade aan de machine en letsel te voorkomen. U bent verantwoordelijk voor het juiste en veilige gebruik van de machine.
Ga naar www.Toro.com voor meer informatie, inclusief veiligheidstips, instructiemateriaal, informatie over accessoires, hulp bij het vinden van een dealer of om uw product te registreren.
Als u service, originele Toro-onderdelen of aanvullende informatie nodig hebt, kunt u contact opnemen met een erkende servicedealer of met de klantenservice van Toro. U dient hierbij altijd het modelnummer en het serienummer van het product te vermelden. De locatie van het plaatje met het modelnummer en het serienummer van het product is aangegeven op Figuur 1. U kunt de nummers noteren in de ruimte hieronder.
Important: U kunt met uw mobiel apparaat de QR-code op het plaatje met het serienummer (indien aanwezig) scannen om toegang te krijgen tot de garantie, onderdelen en andere productinformatie.

Dit product voldoet aan alle relevante Europese richtlijnen; zie voor details de aparte productspecifieke conformiteitsverklaring.
Raadpleeg de meegeleverde documentatie van de motorfabrikant.
Het waarschuwingssymbool (Figuur 2) in deze handleiding en op de machine geeft belangrijke veiligheidsinformatie aan die u moet opvolgen om ongelukken te voorkomen.

Het waarschuwingssymbool staat boven informatie die u waarschuwt voor onveilige acties of situaties en wordt gevolgd door het woord GEVAAR, WAARSCHUWING, of VOORZICHTIG.
GEVAAR: een direct gevaarlijke situatie die, als deze niet wordt voorkomen, altijd zal leiden tot de dood of ernstig letsel.
WAARSCHUWING: een mogelijk gevaarlijke situatie die, als deze niet wordt voorkomen, kan leiden tot de dood of ernstig letsel.
VOORZICHTIG: een mogelijk gevaarlijke situatie die, als deze niet wordt voorkomen, kan leiden tot licht of middelmatig letsel.
Er worden in deze handleiding nog twee woorden gebruikt om uw aandacht op bijzondere informatie te vestigen. Belangrijk attendeert u op bijzondere technische informatie en Opmerking duidt algemene informatie aan die bijzondere aandacht verdient.
Dit product kan handen of voeten afsnijden en voorwerpen uitwerpen. Volg altijd alle veiligheidsinstructies op om ernstig letsel te voorkomen.
Lees deze Gebruikershandleiding en zorg ervoor dat u deze begrijpt voordat u de motor start.
Houd handen en voeten uit de buurt van de bewegende onderdelen van de machine.
Gebruik de machine niet als er schermen of andere beveiligingsmiddelen ontbreken of als deze niet naar behoren werken.
Blijf uit de buurt van de afvoeropening.
Hou omstanders en kinderen uit de buurt van het werkgebied. Laat kinderen nooit de machine bedienen. Laat enkel mensen die verantwoordelijk en getraind zijn en die bovendien vertrouwd zijn met de instructies en fysiek ertoe in staat zijn de machine bedienen.
Stop de machine, schakel de motor uit en verwijder het contactsleuteltje voordat u onderhoudswerkzaamheden uitvoert aan de machine, brandstof bijvult of verstoppingen verwijdert.
![]() |
Informatieve en veiligheidsstickers zijn gemakkelijk zichtbaar voor de bestuurder en bevinden zich bij plaatsen waar gevaar kan ontstaan. Vervang alle beschadigde of verdwenen stickers. |









Sticker 119-0186: voor 91 cm maaidekken.

Sticker 119-0187: voor 102 cm maaidekken.










Zorg dat u vertrouwd bent met alle bedieningsorganen voordat u de motor start en de machine gebruikt.

De urenteller registreert het aantal uren dat de motor in bedrijf is geweest. De urenteller werkt als de motor loopt. Gebruik deze tijden om regelmatig onderhoudswerkzaamheden te plannen (Figuur 5).

De brandstofmeter bevindt zich in het midden bovenop de tank (Figuur 4).
De symbolen op de urenteller geven met een zwarte driehoek aan dat het veiligheidssysteem zich in de juiste stand bevindt (Figuur 3).
Als u het sleuteltje gedurende een paar seconden in de stand AAN zet, wordt de accuspanning weergegeven in het gebied waar normaal de uren worden weergegeven.
Het acculampje wordt ingeschakeld wanneer u het sleuteltje naar de stand AAN draait en wanneer de lading zich onder het juiste bedrijfsniveau bevindt (Figuur 5).
De gashendel regelt het motortoerental en zorgt voor een continu verstelbare regeling van LANGZAAM tot SNEL (Figuur 4).
Gebruik de chokeknop om een koude motor te starten. Trek de chokeknop omhoog om deze in te schakelen. Druk de chokeknop omlaag om deze uit te schakelen.
Gebruik de aftakasschakelaar (PTO) om de maaimessen in- en uit te schakelen (Figuur 4), zie Bediening van de aftakas.
De contactschakelaar, waarmee u de motor start en afzet, heeft 3 standen: UIT, LOPEN en START. Zie De contactschakelaar bedienen.
De rijhendels worden gebruikt om de motor vooruit en achteruit te laten rijden en om bochten naar links of naar rechts te maken (Figuur 4).
Sluit de brandstofafsluitklep wanneer u de machine transporteert of stalt; zie De brandstofafsluitklep gebruiken.
Note: Specificaties en ontwerp kunnen zonder voorafgaande kennisgeving worden gewijzigd.
| Maaidek van 91 cm | Maaidek van 102 cm | |
| Maaibreedte | 91 cm | 102 cm |
| Breedte met grasgeleider omlaag | 131 cm | 142 cm |
| Lengte met platform omlaag | 188 cm | 178 cm |
| Lengte met platform omhoog | 155 cm | 145 cm |
| Hoogte | 122 cm | 122 cm |
| Gewicht | 343 kg | 351 kg |
Een selectie van door Toro goedgekeurde werktuigen en accessoires is verkrijgbaar voor gebruik met de machine om de mogelijkheden daarvan te verbeteren en uit te breiden. Neem contact op met een erkende servicedealer of een erkende Toro distributeur, of bezoek www.Toro.com voor een lijst van alle goedgekeurde werktuigen en accessoires.
Om de beste prestaties te verkrijgen en er zeker van te zijn dat de machine altijd veilig kan worden gebruikt, moet u ter vervanging uitsluitend originele Toro onderdelen en accessoires gebruiken. Gebruik ter vervanging nooit onderdelen en accessoires van andere fabrikanten, omdat dit gevaarlijk kan zijn. Dit kan ertoe leiden dat de garantie op het product komt te vervallen.
Laat kinderen of personen die geen instructie hebben ontvangen de machine nooit gebruiken. Plaatselijke voorschriften kunnen nadere eisen stellen aan de leeftijd van degene die met de machine werkt. Plaatselijke voorschriften kunnen nadere eisen stellen aan de leeftijd van degene die met de machine werkt. De eigenaar is verantwoordelijk voor de instructie van alle bestuurders en technici.
Zorg ervoor dat u vertrouwd raakt met de bedieningsorganen en de veiligheidssymbolen, en weet hoe u de machine veilig kunt gebruiken.
Zorg ervoor dat u weet hoe u de machine en de motor snel kunt stoppen.
Controleer de aanwezigheid en goede werking van de dodemansinrichtingen, veiligheidsschakelaars en afschermingen. Gebruik de machine uitsluitend als deze naar behoren werkt.
Controleer voordat u begint te maaien altijd de machine om zeker te zijn dat de messen, de mesbouten en het maaimechanisme in goede staat zijn.
Inspecteer het terrein waarop u de machine gaat gebruiken en verwijder voorwerpen die de machine kan uitwerpen.
Inspecteer het terrein om na te gaan welke accessoires en werktuigen nodig zijn om de machine veilig en goed te gebruiken.
Brandstof is uiterst ontvlambaar en zeer explosief. Brand of explosie van brandstof kan brandwonden bij u of anderen en materiële schade veroorzaken.
Om te voorkomen dat een statische lading de brandstof tot ontbranding kan brengen, moet u het benzinevat en/of de machine voordat u de tank vult op de grond plaatsen, niet op een voertuig of een ander object.
Vul de brandstoftank in de open lucht wanneer de motor koud is. Eventueel gemorste brandstof opnemen.
Rook niet als u omgaat met brandstof, en houd brandstof uit de buurt van open vuur en vonken.
Als de motor draait of heet is, mag de brandstoftankdop niet worden verwijderd en mag de tank niet met brandstof worden bijgevuld.
Probeer de motor niet te starten als u brandstof morst. Zorg ervoor dat er geen ontstekingsbronnen in de buurt zijn totdat de brandstofdampen volledig zijn verdwenen.
Brandstof in een goedgekeurd vat of blik en buiten bereik van kinderen bewaren.
Brandstof is schadelijk of dodelijk bij inname. Langdurige blootstelling aan dampen kan leiden tot ernstig letsel en ziekte.
Voorkom dat u dampen lange tijd inademt.
Houd uw handen en gezicht uit de buurt van het vulpistool en de opening van de brandstoftank.
Houd brandstof uit de buurt van ogen en huid.
Sla de machine en de brandstofhouder niet op plaatsen waar open vlammen, vonken of waakvlammen (bv. van een boiler of andere toestellen) aanwezig kunnen zijn.
Vul brandstofvaten niet in een voertuig, vrachtwagen of op een aanhanger met kunststof beplating. Plaats vaten die u wilt vullen altijd op de grond, uit de buurt van uw voertuig.
Laad de machine uit de vrachtwagen of aanhanger en vul deze bij met brandstof wanneer ze op de grond staat. Als dit niet mogelijk is, vul dan brandstof bij met een draagbaar vat in plaats van met een vulpistool van een pomp.
Gebruik de machine uitsluitend als het complete uitlaatsysteem is gemonteerd en naar behoren werkt.
Houd het vulpistool in contact met de rand van de benzinetank of het vat tot het tanken voltooid is. Gebruik geen vergrendeling voor het vulpistool.
Als u brandstof morst op uw kleding dient u zich onmiddellijk om te kleden. Eventueel gemorste brandstof opnemen.
Doe de brandstoftank nooit te vol. Plaats de brandstofdop terug en maak hem stevig vast.
Gebruik voor de beste resultaten uitsluitend schone, verse (minder dan 30 dagen oud), loodvrije benzine met een octaangetal van 87 of hoger (indelingsmethode (R+M)/2).
Ethanol: benzine met maximaal 10 vol.% ethanol of 15 vol.% MTBE (methyl tertiaire butylether) is geschikt. Ethanol en MTBE zijn verschillende stoffen. Benzine met 15% ethanol (E15) per volume is niet goedgekeurd voor gebruik. Gebruik nooit benzine die meer dan 10% ethanol per volume bevat, zoals E15 (bevat 15% ethanol), E20 (bevat 20% ethanol), of E85 (bevat tot 85% ethanol). Het gebruik van niet-goedgekeurde benzine kan leiden tot verminderde prestaties en/of motorschade die mogelijk niet gedekt wordt door de garantie.
Geen benzine gebruiken die methanol bevat.
Tijdens de winter geen brandstof bewaren in de brandstoftank of in vaten, tenzij u een brandstofstabilisator gebruikt.
Meng nooit olie door benzine.
Gebruik stabilizer/conditioner in de machine om de brandstof langer vers te houden; volg de aanbevelingen van de fabrikant van de stabilizer op.
Important: Gebruik nooit brandstofadditieven die methanol of ethanol bevatten.
Voeg de hoeveelheid stabilizer/conditioner toe aan de verse brandstof volgens de voorschriften van de fabrikant van de stabilizer.
Parkeer de machine op een horizontaal oppervlak, schakel de aftakas uit, zet de rijhendels in de VERGRENDELDE NEUTRAALSTAND en stel de parkeerrem in werking.
Zet de motor af, verwijder het contactsleuteltje en wacht totdat alle bewegende onderdelen tot stilstand zijn gekomen voordat u de bestuurderspositie verlaat.
Reinig de omgeving van de tankdop en verwijder de tankdop.
Vul de tank tot aan de onderkant van de vulbuis.
Note: Vul de brandstoftank niet helemaal. Dit geeft de benzine ruimte om uit te zetten.
Draai de tankdop stevig vast. Neem eventueel gemorste brandstof op.
Voer elke dag, voordat u de machine start, de dagelijkse procedures uit beschreven in .
Een nieuwe motor heeft tijd nodig om vol vermogen te ontwikkelen. Maai-eenheden en aandrijfsystemen hebben meer wrijving als zij nieuw zijn, waardoor de motor extra wordt belast. Houd er rekening mee dat een nieuwe machine een inrijperiode van 40 tot 50 bedrijfsuren nodig heeft om vol vermogen te ontwikkelen voor de beste prestaties.
Niet-aangesloten of beschadigde interlockschakelaars kunnen onverwachte gevolgen hebben voor de werking van de machine. Dit kan lichamelijk letsel veroorzaken.
Laat de interlockschakelaars ongemoeid.
Controleer elke dag de werking van de interlockschakelaars en vervang beschadigde schakelaars voordat u de machine weer in gebruik neemt.
Het veiligheidssysteem is bedoeld om het inschakelen van de aftakas alleen mogelijk te maken wanneer u 1 van de volgende doet:
Zet de rechter rijhendel in de middelste, onvergrendelde stand.
Trek de aftakasschakelaar in de stand AAN.
Het veiligheidssysteem zorgt ervoor dat de maaimessen/het werktuig worden uitgeschakeld als u de rijhendels beweegt of vrijzet in de VERGRENDELDE NEUTRAALSTAND.
De urenteller is voorzien van symbolen om de gebruikers op de hoogte te stellen dat de onderdelen van het veiligheidssysteem in de juiste stand staan. Als het veiligheidssysteem zich in de juiste stand bevindt, wordt er een driehoekje verlicht in het betreffende hokje (Figuur 6).

| Onderhoudsinterval | Onderhoudsprocedure |
|---|---|
| Bij elk gebruik of dagelijks |
|
Controleer de werking van het veiligheidssysteem telkens voordat u de machine gebruikt.
Note: Als het veiligheidssysteem niet werkt zoals hieronder wordt beschreven, moet u het direct laten repareren door een erkende servicedealer.
Start de motor; zie Motor starten.
Zet de rechter rijhendel in de middelste, onvergrendelde stand.
Note: De messen/het werktuig en de motor moeten tot stilstand komen.
Start de motor en zet de parkeerrem vrij.
Zet de rechter rijhendel in de middelste, onvergrendelde stand.
Hou de rijhendel in de middelste, onvergrendelde stand, trek de aftakasschakelaar omhoog en laat de schakelaar los.
Note: De koppeling en de maaimessen/het werktuig moeten ingeschakeld worden.
Zet de rechter rijhendel in de VERGRENDELDE NEUTRAALSTAND of laat deze daarin terugspringen.
Note: De messen/het werktuig moeten tot stilstand komen en de motor moet blijven draaien.
Duw de aftakasschakelaar in en zet de rechter rijhendel in de middelste, onvergrendelde stand.
Hou de rijhendel in de middelste, onvergrendelde stand, trek de aftakasschakelaar omhoog en laat de schakelaar los.
Note: De koppeling en de maaimessen/het werktuig moeten ingeschakeld worden.
Duw de aftakasschakelaar omlaag naar de stand UIT.
Note: De messen/het werktuig moeten tot stilstand komen.
Bij draaiende motor: trek de aftakasschakelaar naar boven en laat deze los, zonder de rechter rijhendel vast te houden in de middelste, onvergrendelde stand.
Note: De messen/het werktuig mogen niet ingeschakeld worden.
De eigenaar/gebruiker is verantwoordelijk voor ongelukken die persoonlijk letsel of materiële schade kunnen veroorzaken, en hij dient zulke ongelukken te voorkomen.
Draag geschikte kleding en uitrusting, zoals oogbescherming, een lange broek, stevige schoenen met een gripvaste zool en gehoorbescherming. Draag lang haar niet los en draag geen losse kleding of juwelen.
Geef uw volledige aandacht als u de machine gebruikt. Zorg ervoor dat u met niets anders bezig bent waardoor u kunt worden afgeleid, anders kunnen er letsels ontstaan of kan eigendom worden beschadigd.
Gebruik de machine niet als u ziek, moe of onder de invloed van alcohol of drugs bent.
Vervoer nooit passagiers op de machine en houd omstanders en huisdieren weg van de machine terwijl deze wordt gebruikt.
Gebruik de machine uitsluitend als het zicht goed is en bij geschikte weersomstandigheden. Gebruik de machine niet als er kans op bliksem is.
Als u nat gras en natte bladeren maait, kunt u uitglijden, in aanraking komen met het mes en ernstig letsel oplopen. Gebruik de machine niet in vochtige omstandigheden.
Voordat u de motor start: zorg dat alle aandrijvingen in de neutraalstand staan, de parkeerrem in werking is gesteld en u zich in de bestuurderspositie bevindt.
Zorg ervoor dat u stevig staat wanneer u deze machine gebruikt, in het bijzonder als u achteruitrijdt.
Houd uw handen en voeten uit de buurt van de maai-eenheden. Blijf altijd uit de buurt van de afvoeropening.
Kijk achterom en omlaag voordat u achteruitrijdt om er zeker van te zijn dat de weg vrij is.
Wees uiterst voorzichtig bij het naderen van blinde hoeken, struiken, bomen en andere objecten die het zicht kunnen belemmeren.
Stop de maaimessen als u niet daadwerkelijk maait.
Stop de machine, verwijder het contactsleuteltje en wacht totdat alle bewegende onderdelen tot stilstand zijn gekomen voordat u het maaidek of het werktuig controleert nadat u een voorwerp hebt geraakt of wanneer de machine abnormaal begint te trillen. Voer alle noodzakelijke reparaties uit voordat u de machine weer in gebruik neemt.
Verminder uw snelheid en wees voorzichtig als u een bocht maakt of wegen en voetpaden oversteekt met de machine. Verleen altijd voorrang.
Schakel de maai-eenheid uit en stop de motor voordat u de maaihoogte wijzigt (tenzij u deze kunt aanpassen vanuit de bestuurderspositie).
Laat de motor enkel draaien in goed verluchte omgevingen. Uitlaatgassen bevatten koolstofmonoxide, dat dodelijk is bij inademing.
Als u de machine verlaat, laat deze dan niet draaien.
Doe het volgende voordat u de bestuurderspositie verlaat (inclusief het legen van de grasvangers of deblokkeren van het kanaal):
Parkeer de machine op een horizontaal oppervlak.
Schakel de vermogenaftakas uit.
Haal de parkeerrem aan.
Zet de motor af en verwijder het contactsleuteltje.
Wacht totdat alle bewegende onderdelen tot stilstand zijn gekomen.
In de volgende gevallen moet u de machine en de aandrijving van de maai-eenheid uitschakelen:
voordat u brandstof gaat bijvullen
voordat u verstoppingen verwijdert
voordat u de maai-eenheid controleert, schoonmaakt of er onderhoud aan verricht
als u een vreemd voorwerp heeft geraakt of de machine abnormaal begint te trillen. Controleer de maai-eenheid op beschadiging en repareer deze indien nodig voordat u de machine start en gebruikt
Voordat u de bestuurderspositie verlaat
De machine niet gebruiken als sleepvoertuig.
Gebruik alleen door The Toro® Company goedgekeurde accessoires en werktuigen.
Het maaien op hellingen is een belangrijke factor bij ongelukken waarbij de controle over de machine wordt verloren of deze omkantelt. Dit kan ernstig of dodelijk letsel veroorzaken. U bent verantwoordelijk voor een veilig gebruik van de machine op hellingen. Gebruik van de machine op hellingen vereist altijd extra voorzichtigheid. Doe het volgende voordat u de machine op een helling gaat gebruiken:
Lees de instructies voor gebruik op een helling in de handleiding en op de machine, en zorg dat u deze instructies begrijpt.
Onderzoek de toestand van het werkgebied op die dag om te bepalen of de machine veilig kan worden gebruikt op de helling. Gebruik uw gezond verstand en uw beoordelingsvermogen wanneer u dit onderzoek uitvoert. Veranderingen in het terrein, zoals de vochtigheidsgraad, kunnen snel van invloed zijn op de manier waarop de machine reageert op een helling.
Werk zijdelings op hellingen, nooit de helling op en neer. Werk niet op te steile of natte hellingen.
Spoor gevaren onderaan de helling op. Gebruik de machine niet in de buurt van steile hellingen, greppels, oevers, water of andere gevaren. De machine kan plotseling omslaan als een wiel over de rand komt of als de rand instort. Houd een veilige afstand (tweemaal de breedte van de machine) tussen de machine en landschapselementen die gevaarlijk kunnen zijn. Gebruik op die locaties een loopmaaier of handgedragen gereedschap.
Vermijd starten, stoppen of bochten maken op hellingen. Vermijd plotse veranderingen van snelheid of richting; verander traag en geleidelijk van richting.
Gebruik een machine niet in omstandigheden waarbij u twijfelt over tractie, sturen of stabiliteit. Denk eraan dat de machine tractie kan verliezen doordat u bergafwaarts, op nat gras of dwars op een helling maait. Als de aandrijfwielen tractie verliezen, kunnen ze gaan slippen en kunt u niet meer remmen of sturen. De machine kan schuiven, zelfs als de aandrijfwielen niet draaien.
Verwijder of let op obstakels als sloten, gaten, geulen, hobbels, stenen of andere verborgen gevaren. In hoog gras zijn obstakels niet altijd zichtbaar. De machine kan omslaan op oneffenheden in het terrein.
Wees extra voorzichtig bij het gebruik van accessoires of hulpstukken. Deze kunnen de machine minder stabiel maken, waardoor u de controle over de machine kunt verliezen. Volg de instructies voor gebruik van contragewichten op.
Als u de beheersing over de machine verliest, stap er dan af en loop weg in de tegenovergestelde richting van de rijrichting van de machine.
Stel de parkeerrem altijd in werking wanneer u de machine stopt of deze onbeheerd achterlaat. Voor elke gebruik moet u de juiste werking van de parkeerrem controleren.
Als de parkeerrem niet goed werkt, moet u deze afstellen; zie Parkeerrem gebruiken.
Trek de hendel van de parkeerrem naar achteren in om deze in te schakelen (Figuur 7).
Duw de parkeerremhendel naar voren om deze uit te schakelen.

De gashendel heeft twee standen: SNEL en LANGZAAM (Figuur 11).
Gebruik altijd de stand SNEL wanneer u de aftakas inschakelt.

Important: Stel de startmotor telkens niet langer dan 5 seconden in werking. Als de motor niet wil starten, moet u na elke poging 15 seconden wachten. Indien u deze instructies niet opvolgt, kan de startmotor doorbranden.
Note: Mogelijk moet u verschillende keren proberen om de motor te starten als u de motor voor het eerst start nadat het brandstofsysteem helemaal zonder brandstof heeft gezeten.


Important: Stel de startmotor telkens niet langer dan 5 seconden in werking. Als de motor niet wil starten, moet u na elke poging 15 seconden wachten. Indien u deze instructies niet opvolgt, kan de startmotor doorbranden.
Note: Als de motor warm of heet is, hoeft u de choke niet te gebruiken.
Note: Mogelijk moet u verschillende keren proberen om de motor te starten als u de motor voor het eerst start nadat het brandstofsysteem helemaal zonder brandstof heeft gezeten.

Kinderen of omstanders kunnen letsel oplopen als zij de machine verplaatsen of proberen te bedienen terwijl deze onbeheerd staat.
Verwijder altijd het sleuteltje en stel de parkeerrem in werking wanneer u de bestuurderspositie verlaat.
Laat de motor 60 seconden stationair draaien met een lage snelheid (schildpad) voordat u de contactsleutel naar UIT draait.

Important: Zorg ervoor dat de brandstofafsluitklep is gesloten voordat u de machine transporteert of stalt om een brandstoflek te voorkomen. Voordat u de machine stalt, moet u de bougie(s) losmaken om te voorkomen dat iemand per ongeluk de machine start.
U kunt de machine gebruiken met het platform omhoog of omlaag. U kunt zelf beslissen welke stand u verkiest.
Het bestuurdersplatform is zwaar en kan letsel veroorzaken wanneer u het omhoog of omlaag brengt. Breng het bestuurdersplatform voorzichtig omhoog of omlaag: u kunt gewond raken als u het plots laat vallen.
Houd vingers en handen uit de buurt van het scharnierende gedeelte van het platform als het platform omhoog of omlaag wordt bewogen.
Zorg ervoor dat het platform wordt ondersteund als u de vergrendelpen eruit trekt.
Zorg ervoor dat de vergrendeling het platform houdt als u het inklapt. Druk het platform goed aan zodat de vergrendelpen op de juiste plaats vastklikt.
Houd omstanders op afstand van de machine als u het platform omhoog of omlaag brengt.
Gebruik de machine met het platform omhoog in de volgende gevallen:
als u de machine gebruikt in de buurt van steile randen
als u de machine gebruikt op te kleine oppervlakten
als u de machine gebruikt op plaatsen met laag overhangende takken of obstakels
als u de machine laadt voor transport
als u een helling oprijdt
Om het platform omhoog te brengen, moet u de achterzijde van het platform omhoog trekken zodat de vergrendelpen en -knop op hun plaats vastklikken. Druk het platform goed aan zodat de vergrendelpen op de juiste plaats vastklikt.
Gebruik de machine met het platform omlaag in de volgende gevallen:
Bij gebruik van de machine in de meeste omgevingen
Het maaien over de breedte van hellingen
Het afrijden van een helling
Om het platform omlaag te brengen, drukt u het platform naar voren tegen het kussen zodat de spanning op de vergrendelpen afneemt en trekt u vervolgens aan de knop om het platform omlaag te brengen (Figuur 17).

Met de gashendel regelt u de snelheid van de motor, oftewel het toerental (in omwentelingen per minuut). Zet de gashendel op SNEL om de beste prestaties te verkrijgen.
De machine kan erg snel draaien. U kunt daarbij de controle over de machine verliezen, wat kan leiden tot lichamelijk letsel en schade aan de machine.
Verminder de snelheid van de machine voordat u een scherpe bocht maakt.
Schakel de parkeerrem uit; zie Parkeerrem gebruiken.
Zet de rechter rijhendel in de middelste, onvergrendelde stand.

Zet de snelheidshendel op de gewenste snelheid.
Beweeg de rijhendels langzaam naar voren (Figuur 19).
Note: De motor wordt uitgeschakeld als u een rijhendel beweegt terwijl de parkeerrem aangetrokken is.
Note: Hoe verder u de rijhendels in een van beide richtingen beweegt, des te sneller de machine in de gewenste richting rijdt.
Note: Om te stoppen, zet u beide rijhendels terug in de NEUTRAALSTAND.

Zet de rechter rijhendel in de middelste, onvergrendelde stand.
Beweeg de rijhendels langzaam naar achteren (Figuur 20).

Deze machine is uitgerust met een scharnierende grasgeleider die het maaisel zijwaarts en omlaag naar het gazon afvoert.
Zonder aangebrachte grasgeleider, afvoerafsluiter of complete grasvanger kunnen u of anderen in aanraking met het maaimes of uitgeworpen voorwerpen komen. Contact met draaiende maaimessen en uitgeworpen voorwerpen kan lichamelijk of dodelijk letsel veroorzaken.
Verwijder de grasgeleider niet van de machine, want de grasgeleider voert het maaisel af naar het gazon. Een beschadigde grasgeleider moet direct worden vervangen.
Steek nooit handen of voeten onder de machine.
Probeer nooit de uitwerpzone of de maaibladen te reinigen zonder eerst de beugel vrij te zetten en de aftakas uit te schakelen. Draai het sleuteltje naar de stand UIT . Verwijder verder het contactsleuteltje en trek de bougiekabel(s) van de bougie(s).
U kunt de maaihoogte instellen van 25 tot 127 mm, in stappen van 6 mm.
Zet de maaihoogtehendel in de transportstand (helemaal omhoog).
Draai de pen 90 graden en verwijder ze uit de maaihoogtebeugel.
Kies de opening in de maaihoogtebeugel die overeenkomt met de gewenste maaihoogtestand, en steek daarin de pen (Figuur 21).
Druk op de knop aan de bovenzijde en breng de maaihoogtehendel omlaag tot aan de pen (Figuur 21).

U kunt de uitworp van de maaier aanpassen aan de maaiomstandigheden. Zorg ervoor dat u de sluitnok en de plaat zodanig plaatst dat u het beste maairesultaat verkrijgt.
Schakel de aftakas uit, zet de rijhendels in de VERGRENDELDE NEUTRAALSTAND en stel de parkeerrem in werking.
Zet de motor af, verwijder het contactsleuteltje en wacht totdat alle bewegende onderdelen tot stilstand zijn gekomen voordat u de bestuurderspositie verlaat.
Draai de moer los om de plaat te verstellen (Figuur 22).
Verstel de plaat en de moer in de sleuf tot de gewenste afvoerstand is bereikt.

De volgende afbeeldingen zijn slechts aanbevelingen. De instelling is afhankelijk van de grassoort, het vochtgehalte en de hoogte van het gras.
Note: Als het motorvermogen afneemt en de rijsnelheid van de maaimachine hetzelfde blijft, opent u de plaat.
Dit is de volledig achterwaartse stand (zie Figuur 23). Gebruik deze stand in de volgende gevallen:
Maaiomstandigheden met kort, licht gras
Droge omstandigheden
Kleiner maaisel
Werpt maaisel verder weg van de maaimachine

Gebruik deze stand als u het maaisel opvangt (Figuur 24).

Dit is de volledig open stand (Figuur 25). Gebruik deze stand voor de volgende omstandigheden:
Maaiomstandigheden met hoog, dicht gras
Natte omstandigheden
Vermindert het energieverbruik van de motor
Maakt hogere rijsnelheid mogelijk in zware omstandigheden

Bevestig gewichten om de balans te verbeteren. U kunt gewichten toevoegen of verwijderen naar uw voorkeur of om optimale prestaties te bereiken bij verschillende werkomstandigheden.
1 gewicht toevoegen of verwijderen tot u de gewenste hantering en balans vindt.
Raadpleeg de Gebruikershandleiding van werktuigen voor de aanbevolen gewichten.
Note: Neem contact op met een erkende Service Dealer om een set gewichten te bestellen.
Overmatige gewichtsveranderingen kunnen de hantering en de bediening van de machine beïnvloeden. Dit kan ernstig letsel bij u of omstanders tot gevolg hebben.
Voer gewichtsveranderingen slechts in kleine stappen uit.
Controleer de machine na elke gewichtsverandering om er zeker van te zijn dat u de machine veilig kan bedienen.
Schakel altijd de machine uit, verwijder het contactsleuteltje, wacht totdat alle bewegende onderdelen tot stilstand zijn gekomen en laat de machine afkoelen voordat u ze afstelt, schoonmaakt, stalt of er onderhoudswerkzaamheden aan verricht.
Verwijder gras en vuil van de maai-eenheden, de geluiddempers en het motorcompartiment om brand te voorkomen. Veeg gemorste olie en brandstof op.
Zorg ervoor dat de brandstofafsluitklep is gesloten voordat u de machine stalt of transporteert.
Schakel de aftakas uit wanneer u de machine transporteert of niet gebruikt.
Stal de machine of het brandstofvat nooit in de buurt van een open vuur, vonken of een waakvlam zoals die van een boiler of een ander apparaat.
Gebruik een oprijplaat van volledige breedte bij het laden van de machine op een aanhanger of vrachtwagen.
Zet de machine goed vast met spanbanden, kettingen, kabels of touwen. Zowel de voorste als de achterste spanband moet naar beneden en naar de buitenkant van de machine lopen.
Sluit de brandstofafsluitklep tijdens transport, onderhoud en opslag (Figuur 26).
Controleer of de brandstofafsluitklep geopend is als u de motor start.


Dankzij de omloopventielen kunt u de machine met de hand duwen zonder dat de motor loopt.
Important: U moet de machine altijd met de hand duwen. Sleep de machine niet: dit kan schade aan het hydraulische systeem veroorzaken.
Important: Start of bedien de machine niet terwijl de omloopkleppen geopend zijn. U kunt het systeem beschadigen.
Schakel de aftakas uit, zet de rijhendels in de VERGRENDELDE NEUTRAALSTAND en stel de parkeerrem in werking.
Zet het maaidek in de laagste maaistand.
Note: Hierdoor kunt u bij de omloopventielen.
Open de omloopventielen op beide pompen door deze 1 tot 2 slagen linksom te draaien (Figuur 27).
Note: Hierdoor kan de hydraulische vloeistof langs de pomp worden geleid en kunnen de wielen draaien.
Note: Draai de omloopventielen maximaal 2 slagen om te voorkomen dat deze uit de behuizing komen en er vloeistof gaat lekken.

Zet de parkeerrem vrij.
Duw de machine naar de gewenste locatie.
Stel de parkeerrem in werking.
Sluit de omloopventielen, maar draai deze niet te vast.
Draai de ventielen vast met een torsie van 12 tot 15 N·m.
Gebruik een aanhanger of vrachtwagen voor zwaar vervoer om de machine te transporteren. Gebruik altijd een oprijplaat over de volledige breedte. Zorg ervoor dat de aanhanger of vrachtwagen is voorzien van alle benodigde remmen, verlichting en aanduidingen die wettelijk vereist zijn. Lees aandachtig alle veiligheidsinstructies. Met behulp van deze informatie kunt u voorkomen dat omstanders of uzelf letsel oplopen. Raadpleeg de lokale vereisten inzake aanhangwagens en de bevestiging van machines.
Rijden op de weg zonder richtingaanwijzers, verlichting, reflectoren of een bord met de aanduiding 'Langzaam rijdend voertuig' is gevaarlijk en kan leiden tot ongelukken die lichamelijk letsel veroorzaken.
Rijd niet met de machine op de openbare weg.
Als een machine wordt geladen op een aanhanger of een vrachtwagen, wordt de kans vergroot dat de machine kantelt. Dit kan ernstig lichamelijk letsel of de dood veroorzaken (Figuur 28).
Gebruik één oprijplaat over de volledige breedte. Gebruik geen afzonderlijke oprijplaten voor elke kant van de machine.
Zorg ervoor dat de oprijplaat minstens 4 keer zo lang is als de afstand van de laadbak van de vrachtwagen of aanhanger tot de grond.

Als een machine wordt geladen op een aanhanger of een vrachtwagen, wordt de kans vergroot dat de machine kantelt. Dit kan ernstig lichamelijk letsel of de dood veroorzaken.
Ga zeer voorzichtig te werk als u een machine een hellingbaan op-/afrijdt.
Rij de machine achteruit op de oprijplaat en stap er vooruit af.
U mag niet abrupt versnellen of vertragen als u de machine een hellingbaan op- of afrijdt, omdat anders de machine kan kantelen of u de controle over de machine kunt verliezen.
Als u een aanhanger gebruikt, bevestig deze dan aan het sleepvoertuig en sluit de veiligheidskettingen aan.
Sluit indien van toepassing de remmen en verlichting van de aanhanger aan.
Breng de oprijplaat naar beneden (Figuur 28).
Breng het platform omhoog.
Important: Laat het platform altijd omhoog wanneer u de machine van of op een aanhanger rijdt.
Rij de machine achteruit op de oprijplaat (Figuur 29).

Zet de motor af, verwijder het sleuteltje en stel de parkeerrem in werking.
Zet de machine vast bij de voorste zwenkwielen en de achterbumper; gebruik hierbij spanbanden, kettingen, kabels of touwen (Figuur 30). Raadpleeg de lokale vereisten inzake de bevestiging van machines.

Note: Bepaal vanuit de normale bedieningspositie de linker- en rechterzijde van de machine.
Als u het sleuteltje in het contact laat, bestaat de kans dat iemand de motor per ongeluk start waardoor u en andere omstanders ernstig letsel kunnen oplopen.
Haal het sleuteltje uit het contact en maak de bougiekabels los van de bougies voordat u onderhoudswerkzaamheden uitvoert aan de machine. Druk de kabels opzij, zodat deze niet onbedoeld contact kunnen maken met de bougies.
Doe het volgende voordat u de machine afstelt, schoonmaakt, verlaat of er onderhoudswerkzaamheden aan verricht:
Parkeer de machine op een horizontaal oppervlak.
Schakel de aandrijvingen uit.
Haal de parkeerrem aan.
Zet de motor af en verwijder het contactsleuteltje.
Wacht totdat alle bewegende onderdelen tot stilstand zijn gekomen.
Laat de onderdelen van de machine afkoelen voordat u onderhoudswerkzaamheden uitvoert.
Laat personeel dat niet bekend is met de instructies, nooit onderhoudswerkzaamheden aan de machine uitvoeren.
Houd uw handen en voeten uit de buurt van bewegende onderdelen. Stel indien mogelijk de machine niet af terwijl de motor loopt.
Haal voorzichtig de druk van onderdelen met opgeslagen energie.
Controleer de werking van de parkeerrem regelmatig. Indien nodig moet u de rem afstellen en een onderhoudsbeurt geven.
Knoei nooit met de veiligheidsvoorzieningen. Controleer regelmatig of ze goed werken.
Verwijder gras en vuil van de maai-eenheid, de aandrijvingen, de geluiddemper en de motor om brand te voorkomen. Veeg gemorste olie en brandstof op.
Controleer regelmatig de onderdelen van de grasvanger en vervang ze wanneer ze versleten of beschadigd zijn.
Vertrouw niet op een hydraulisch systeem om de machine te ondersteunen; ondersteun de machine altijd met kriksteunen.
Zorg ervoor dat alle onderdelen in goede staat verkeren en alle hydraulische aansluitingen stevig vastzitten. Vervang versleten, beschadigde en ontbrekende onderdelen en stickers. Zorg dat alle bevestigingsmiddelen goed vastzitten om te verzekeren dat de machine veilig kan worden gebruikt.
Om de beste prestaties te verkrijgen en er zeker van te zijn dat de machine altijd veilig kan worden gebruikt, moet u ter vervanging uitsluitend originele Toro onderdelen en accessoires gebruiken. Gebruik ter vervanging nooit onderdelen en accessoires van andere fabrikanten, omdat dit gevaarlijk kan zijn. Dit kan ertoe leiden dat de garantie op het product komt te vervallen.
| Onderhoudsinterval | Onderhoudsprocedure |
|---|---|
| Na de eerste 8 bedrijfsuren |
|
| Bij elk gebruik of dagelijks |
|
| Om de 25 bedrijfsuren |
|
| Om de 50 bedrijfsuren |
|
| Om de 100 bedrijfsuren |
|
| Om de 200 bedrijfsuren |
|
| Om de 250 bedrijfsuren |
|
| Om de 300 bedrijfsuren |
|
| Om de 500 bedrijfsuren |
|
| Om de 800 bedrijfsuren |
|
| Vóór de stalling |
|
| Jaarlijks |
|
Important: Raadpleeg de gebruikershandleiding van de motor voor verdere onderhoudsprocedures.
U kunt de voorzijde van de maaier omhoog brengen en ondersteunen aan de achterzijde zodat u toegang hebt tot de onderkant van de machine om onderhoudswerkzaamheden uit te voeren.
Parkeer de maaimachine op een horizontaal oppervlak, schakel de aftakas uit en stel de parkeerrem in werking.
Zet de motor af, verwijder het contactsleuteltje en wacht totdat alle bewegende onderdelen tot stilstand zijn gekomen voordat u de bestuurderspositie verlaat.
Til het platform omhoog; raadpleeg de machine bedienen met het platform omhoog.
Verwijder de accu; zie Verwijderen van de accu .

Tap de brandstof af uit de brandstoftank; zie Brandstof aftappen uit de brandstoftank.
Verwijder de dop van de hydraulische tank, plaats een stuk plastic over de opening en plaats de dop terug.
Note: Hierdoor wordt de hydraulische tank afgedicht en wordt voorkomen dat de tank gaat lekken.

Breng met 2 personen de voorzijde van de maaier omhoog zodat deze rust op de aandrijfbanden en het platform in de omhoog gebrachte stand.
Voer de onderhoudswerkzaamheden uit op de machine.
Breng met 2 personen de voorzijde van de maaier voorzichtig omlaag tot de grond.
Verwijder het plastic onder de dop van de hydraulische tank.
Plaats de accu in de machine.


Het stootkussen kan worden losgemaakt om toegang te krijgen tot de achterzijde van de machine en onderhouds- of afstelwerkzaamheden uit te voeren.
Breng het platform omlaag.
Verwijder de R-pennen aan beide zijden van het stootkussen.
Schuif de grote ringen met plastic lagerbussen naar binnen.
Verwijder het stoorkussen en laat het zakken op het platform.
Voer de onderhoudswerkzaamheden uit op de machine of pas de instellingen aan.
Breng het kussen omhoog en schuif het op de pennen aan beide zijden van de machine (Figuur 34).
Schuif de grote ringen met plastic bussen in de kussenbeugel en bevestig deze met een R-pen (Figuur 34).

| Onderhoudsinterval | Onderhoudsprocedure |
|---|---|
| Om de 50 bedrijfsuren |
|
Type vet: vet op lithium- of molybdeenbasis
Parkeer de maaimachine op een horizontaal oppervlak, schakel de aftakas uit en stel de parkeerrem in werking.
Zet de motor af, verwijder het contactsleuteltje en wacht totdat alle bewegende onderdelen tot stilstand zijn gekomen voordat u de bestuurderspositie verlaat.
Reinig de smeernippels met een doek.
Note: Verwijder indien nodig verf van de voorkant van de fitting(s).
Zet een smeerpistool op de nippel.
Spuit vet in de nippels totdat er vet bij de lagers naar buiten komt.
Veeg overtollig vet weg.
In de onderstaande afbeeldingen worden de smeerpunten weergegeven.



| Onderhoudsinterval | Onderhoudsprocedure |
|---|---|
| Jaarlijks |
|
Type vet: vet op lithium- of molybdeenbasis
Verwijder de stofkap en stel de draaipunten van de zwenkwielen bij; zie Lager van draaipunt van zwenkwiel afstellen.
Note: Plaats de stofkap pas terug als u klaar bent met het smeren van de draaipunten van de zwenkwielen.
Verwijder de zeskantige plug.
Draai een smeernippel in de opening.
Pomp smeervet in de smeernippel totdat er vet bij het bovenste lager naar buiten komt.
Trek de smeernippel uit de opening.
Plaats de zeskantige plug en de stofkap.
| Onderhoudsinterval | Onderhoudsprocedure |
|---|---|
| Jaarlijks |
|
Type vet: vet op lithium- of molybdeenbasis
Parkeer de maaimachine op een horizontaal oppervlak, schakel de aftakas uit en stel de parkeerrem in werking.
Zet de motor af, verwijder het contactsleuteltje en wacht totdat alle bewegende onderdelen tot stilstand zijn gekomen voordat u de bestuurderspositie verlaat.
Verwijder het zwenkwiel uit de zwenkwielvorken.
Verwijder de afdichtinghouders uit de wielnaaf (Figuur 38).

Verwijder 1 afstandsmoer van de as van het zwenkwiel.
Note: Er is afdichtkit aangebracht tussen de afstandsmoeren en de as. Verwijder de as (terwijl de andere afstandsmoer er nog aan bevestigd is) van de wielconstructie.
Wrik de afdichtingen los, inspecteer de lagers op slijtage of beschadigingen en vervang deze indien nodig.
Smeer de lagers met smeervet voor algemene doeleinden.
Plaats 1 lager en 1 nieuwe afdichting in het wiel.
Note: Vervang de pakkingen.
Als beide afstandsmoeren van de as zijn verwijderd (of afgebroken), breng dan afdichtkit aan op 1 van de afstandsmoeren en draai deze op de as met de afgeplatte kanten aan de buitenzijde.
Note: Draai de afstandsmoer niet volledig tot het einde van de as. Laat een afstand van ongeveer 3 mm vrij tussen het buitenste oppervlak van de afstandsmoer en het einde van de as binnen de moer.
Plaats de as met de moer in het wiel aan de zijde van het wiel met de nieuwe afdichting en het nieuwe lager.
Laat het open uiteinde van het wiel omhoog wijzen en vul het gebied rond de as aan de binnenzijde van het wiel met smeervet voor algemene doeleinden.
Plaats het tweede lager en een nieuwe afdichting in het wiel.
Breng afdichtkit aan op de tweede afstandsmoer en draai deze op de as met de afgeplatte kanten aan de buitenzijde.
Draai de moer aan met een torsie van 8-9 N·m, draai de moer los en draai deze opnieuw vast met een torsie van 2-3 N·m.
Note: Zorg ervoor dat de as niet buiten de moeren steekt.
Plaats de afdichtinghouders op de wielnaaf en steek het wiel in de zwenkwielvork.
Monteer de zwenkwielbout en draai de moer volledig vast.
Important: Controleer de afstelling van het lager regelmatig om schade aan de afdichting en het lager te voorkomen. Laat hierbij het zwenkwiel draaien. Het wiel mag niet (meer dan 1 of 2 omwentelingen) vrij ronddraaien of zijspeling hebben. Als het wiel blijft doordraaien, moet u de torsie van de afstandsmoer afstellen totdat het wiel lichte weerstand ondervindt, en afdichtkit voor schroefdraad aanbrengen.
U moet de motor afzetten voordat u het oliepeil controleert of het carter bijvult met olie.
Houd uw kleding, gezicht, handen, voeten en andere lichaamsdelen uit de buurt van de geluiddemper en andere hete oppervlakken.
| Onderhoudsinterval | Onderhoudsprocedure |
|---|---|
| Om de 300 bedrijfsuren |
|
Controleer beide elementen en vervang ze indien ze schade hebben opgelopen of buitengewoon vuil zijn.
Important: Geen olie op het schuimelement smeren.
Parkeer de maaimachine op een horizontaal oppervlak, schakel de aftakas uit en stel de parkeerrem in werking.
Zet de motor af, verwijder het contactsleuteltje en wacht totdat alle bewegende onderdelen tot stilstand zijn gekomen voordat u de bestuurderspositie verlaat.
Maak de omgeving van het luchtfilter schoon om te voorkomen dat vuil in de motor komt en schade veroorzaakt (Figuur 39).
Maak de dekselknoppen los en verwijder het luchtfilterdeksel (Figuur 39).
Maak de slangklem los en verwijder het luchtfilter (Figuur 39).
Trek het schuimelement voorzichtig van het papierelement af (Figuur 39).

| Onderhoudsinterval | Onderhoudsprocedure |
|---|---|
| Om de 25 bedrijfsuren |
|
Was het schuimfilter in warm water met vloeibare zeep. Als het element schoon is, moet u het grondig uitspoelen.
Schuimfilter in een schone doek wikkelen en droogknijpen.
Important: Vervang het schuimelement als het gescheurd of versleten is.
| Onderhoudsinterval | Onderhoudsprocedure |
|---|---|
| Om de 100 bedrijfsuren |
|
| Om de 200 bedrijfsuren |
|
Reinig het papierelement door er voorzichtig op te kloppen en het stof te verwijderen.
Note: Als het papierelement zeer vuil is, vervang het dan door een nieuwe papierelement.
Controleer het filter op scheuren, een vettig oppervlak of beschadiging van de rubberen afdichting.
Vervang het papierelement als het is beschadigd.
Important: U mag het papierfilter niet reinigen.
Important: Motor nooit laten lopen zonder dat het complete luchtfilter gemonteerd is, daar anders de motor kan worden beschadigd.
Oliesoort: detergent-olie (API service class SJ of hoger)
Carterinhoud: 1,7 l zonder filter; 1,5 liter met filter
Viscositeit: zie onderstaande tabel:

| Onderhoudsinterval | Onderhoudsprocedure |
|---|---|
| Bij elk gebruik of dagelijks |
|
Note: Controleer het oliepeil als de motor koud is.
Contact met hete oppervlakken kan lichamelijk letsel veroorzaken.
Houd uw kleding, gezicht, handen, voeten en andere lichaamsdelen uit de buurt van de geluiddemper en andere hete oppervlakken.
Important: Het carter nooit overvullen met olie. Hierdoor kan de motor beschadigd raken. Laat de motor nooit lopen als de olie lager staat dan de onderste markering, omdat de motor daardoor beschadigd kan raken.
Parkeer de maaimachine op een horizontaal oppervlak, schakel de aftakas uit en stel de parkeerrem in werking.
Zet de motor af, verwijder het contactsleuteltje en wacht totdat alle bewegende onderdelen tot stilstand zijn gekomen voordat u de bestuurderspositie verlaat.
Controleer het oliepeil zoals wordt getoond in (Figuur 41).


| Onderhoudsinterval | Onderhoudsprocedure |
|---|---|
| Na de eerste 8 bedrijfsuren |
|
| Om de 100 bedrijfsuren |
|
Note: Geef de afgewerkte olie af bij een inzamelcentrum.
Parkeer de machine zo dat de aftapkant iets lager staat dan de andere kant zodat alle olie kan weglopen.
Schakel de aftakas uit, zet de rijhendels in de VERGRENDELDE NEUTRAALSTAND en stel de parkeerrem in werking.
Zet de motor af, verwijder het contactsleuteltje en wacht totdat alle bewegende onderdelen tot stilstand zijn gekomen voordat u de bestuurderspositie verlaat.
Ververs de motorolie zoals wordt getoond in Figuur 42.


Giet langzaam ongeveer 80% van de gespecificeerde olie in de vulbuis en voeg langzaam de rest van de olie toe tot het peil de markering Vol bereikt (Figuur 43).

Start de motor en rijd naar een vlak gebied.
Controleer het oliepeil opnieuw.
| Onderhoudsinterval | Onderhoudsprocedure |
|---|---|
| Om de 200 bedrijfsuren |
|
Note: Vervang het oliefilter van de motor vaker als de machine wordt gebruikt in zeer stoffige of zanderige omstandigheden.
Laat de olie uit de motor lopen; raadpleeg Motorolie verversen.
Vervang het motoroliefilter (Figuur 44).


Note: Controleer of de pakking van het oliefilter contact maakt met de motor en draai het filter nog ¾ slag extra vast.
Vul het carter met het juiste type nieuwe olie; zie Motorolietype.
| Onderhoudsinterval | Onderhoudsprocedure |
|---|---|
| Om de 100 bedrijfsuren |
|
Controleer of de elektrodenafstand tussen de centrale elektrode- en de massa-elektrode correct is voordat u de bougie monteert.
Gebruik een bougiesleutel voor het (de)monteren van de bougie(s) en een voelermaat voor het meten en afstellen van de elektrodenafstand. Monteer indien nodig nieuwe bougies.
Type: NGK® BPR4ES of een equivalent type
Elektrodenafstand: 0,75 mm
Parkeer de maaimachine op een horizontaal oppervlak, schakel de aftakas uit en stel de parkeerrem in werking.
Zet de motor af, verwijder het contactsleuteltje en wacht totdat alle bewegende onderdelen tot stilstand zijn gekomen voordat u de bestuurderspositie verlaat.
Verwijder de bougie zoals wordt getoond in Figuur 45.


Important: Maak de bougie(s) niet schoon. Verwijder een bougie altijd als deze een zwarte laag heeft, als de elektroden versleten zijn, als er een vettige laag op ligt of als de bougie scheuren vertoont.
Als de isolator lichtbruin of grijs is, werkt de motor naar behoren. Een zwarte laag op de isolator duidt meestal op een vuil luchtfilter.
Stel de afstand in op 0,75 mm.


| Onderhoudsinterval | Onderhoudsprocedure |
|---|---|
| Om de 50 bedrijfsuren |
|
Hete onderdelen van het uitlaatsysteem kunnen brandstofdampen ontsteken, zelfs nadat u de motor hebt afgezet. Hete deeltjes die tijdens het gebruik van de motor uit de uitlaat komen, kunnen ontvlambaar materiaal ontsteken, waardoor lichamelijk letsel of materiële schade kan ontstaan.
Vul geen brandstof bij en laat de motor niet lopen totdat de vonkenvanger is geplaatst.
Parkeer de maaimachine op een horizontaal oppervlak, schakel de aftakas uit en stel de parkeerrem in werking.
Zet de motor af, verwijder het contactsleuteltje en wacht totdat alle bewegende onderdelen tot stilstand zijn gekomen voordat u de bestuurderspositie verlaat.
Wacht tot de geluiddemper is afgekoeld.
Als u scheuren ziet in het scherm of in de lassen moet u de vonkenvanger vervangen.
Als het scherm verstopt raakt, verwijder dan de vonkenvanger en schud de deeltjes eruit. Reinig het scherm met een staalborstel (laat het scherm indien nodig weken in oplosmiddel).
Plaats de vonkenvanger terug op de uitlaat.
Note: Gebruik een hevelpomp (sifonpomp) om de brandstof uit de tank te halen. Een dergelijke pomp is bij de vakhandel verkrijgbaar.
In bepaalde omstandigheden is brandstof uiterst ontvlambaar en zeer explosief. Brand of explosie van brandstof kan brandwonden bij u of anderen en materiële schade veroorzaken.
Verricht onderhoudswerkzaamheden in verband met het brandstofsysteem als de motor koud is. Doe dit buiten op een open terrein. Eventueel gemorste brandstof opnemen.
Rook nooit als u benzine aftapt en blijf uit de buurt van open vuur of als de kans bestaat dat benzinedampen door een vonk kunnen ontbranden.
Parkeer de maaimachine op een horizontaal oppervlak, schakel de aftakas uit en stel de parkeerrem in werking.
Zet de motor af, verwijder het contactsleuteltje en wacht totdat alle bewegende onderdelen tot stilstand zijn gekomen voordat u de bestuurderspositie verlaat.
Reinig het gebied rond de dop van de brandstoftank om te voorkomen dat de brandstoftank verontreinigd raakt (Figuur 48).
Verwijder de dop van de brandstoftank.
Steek een sifonpomp in de brandstoftank.
Gebruik de pomp om de brandstof naar een schone jerrycan over te hevelen (Figuur 48).
Neem eventueel gemorste brandstof op.

| Onderhoudsinterval | Onderhoudsprocedure |
|---|---|
| Om de 800 bedrijfsuren |
|
Na verwijdering mag u een vuil filter niet opnieuw aan de brandstofslang monteren.
Note: Neem eventueel gemorste brandstof op.
Parkeer de maaimachine op een horizontaal oppervlak, schakel de aftakas uit en stel de parkeerrem in werking.
Zet de motor af, verwijder het contactsleuteltje en wacht totdat alle bewegende onderdelen tot stilstand zijn gekomen voordat u de bestuurderspositie verlaat.
Sluit de brandstofafsluitklep; zie De brandstofafsluitklep gebruiken
Vervang het brandstoffilter zoals wordt getoond in Figuur 49.

Maak de accukabel los of verwijder de bougiekabel voordat u reparatiewerkzaamheden gaat verrichten Maak eerst de minpool van de accu los en daarna de pluspool. Sluit eerst de pluspool van de accu aan en daarna de minpool.
Laad de accu op in een open, goed geventileerde ruimte, uit de buurt van vonken en open vuur. Haal de oplader uit het stopcontact voordat u de accu aan- of loskoppelt. Draag beschermende kleding en gebruik geïsoleerd gereedschap.
| Onderhoudsinterval | Onderhoudsprocedure |
|---|---|
| Om de 100 bedrijfsuren |
|
Houd de accu altijd schoon en volledig geladen. Veeg de accubehuizing schoon met een tissue. Als de accupolen zijn geoxideerd, moet u deze schoonmaken met een oplossing van vier delen water en 1 deel zuiveringszout. Breng een laagje vet op de accupolen aan om corrosie te voorkomen.
Spanning: 12 V
Parkeer de maaimachine op een horizontaal oppervlak, schakel de aftakas uit en stel de parkeerrem in werking.
Zet de motor af, verwijder het contactsleuteltje en wacht totdat alle bewegende onderdelen tot stilstand zijn gekomen voordat u de bestuurderspositie verlaat.
Verwijder de accu zoals getoond in Figuur 50.

Bij het opladen produceert de accu gassen die tot ontploffing kunnen komen.
Rook nooit in de buurt van de accu en zorg ervoor dat er geen vonken of vlammen vlakbij de accu komen.
Important: Zorg ervoor dat de accu altijd volledig geladen is (soortelijk gewicht 1,265) om te voorkomen dat de accu beschadigd wordt bij temperaturen onder 0 °C.
Verwijder de accu van het chassis; raadpleeg Verwijderen van de accu .
Zuurpeil controleren.
Zorg ervoor dat de vuldoppen op de accu zijn geplaatst.
Laad de accu één uur op bij 25–30 A of 6 uur bij 4–6 A.
Zodra de accu volledig is opgeladen, haalt u de acculader uit het stopcontact en maakt u de oplaadkabels los van de accuklemmen (Figuur 51).
Monteer de accu in de machine en sluit de accukabels aan; zie De accu plaatsen.
Note: Gebruik de machine nooit wanneer de accu is losgekoppeld; dit kan beschadigingen aan het elektrische systeem tot gevolg hebben.

Plaats de accu zoals wordt getoond in Figuur 52.

De elektrische installatie is beveiligd door middel van zekeringen. Er is geen onderhoud nodig. Als er een zekering is doorgebrand, moet u het onderdeel of circuit controleren op defecten of kortsluiting.
Parkeer de maaimachine op een horizontaal oppervlak, schakel de aftakas uit en stel de parkeerrem in werking.
Zet de motor af, verwijder het contactsleuteltje en wacht totdat alle bewegende onderdelen tot stilstand zijn gekomen voordat u de bestuurderspositie verlaat.
Maak het stootkussen voor de bestuurder los van de achterzijde van de machine.
Trek de zekering eruit en vervang deze (Figuur 53).
Plaats het stootkussen voor de bestuurder.

Als u de beide rijhendels even ver naar voren duwt en de machine trekt naar 1 kant, dan moet u de sporing als volgt afstellen.
Parkeer de maaimachine op een horizontaal oppervlak, schakel de aftakas uit en stel de parkeerrem in werking.
Zet de motor af, verwijder het contactsleuteltje en wacht totdat alle bewegende onderdelen tot stilstand zijn gekomen voordat u de bestuurderspositie verlaat.
Maak het kussen los van de achterzijde van de machine.
Draai de rechter kabelafstelling zo, dat de rechter rijhendel in het midden van de sleuf voor de neutraalstand in het bedieningspaneel staat (Figuur 55).

Draai de linkerkabelafstelling zo, dat de snelheid van het linkerwiel overeenkomt met de eerder ingestelde snelheid van het rechterwiel.
Pas de schroef aan in stappen van een kwart draai tot de machine recht spoort.
Note: Verstel alleen de linkerkabel om de snelheid van het linkerwiel gelijk te maken aan die van het rechterwiel. Stel de snelheid van het rechterwiel niet opnieuw in omdat hierdoor de rechter rijhendel niet meer in het midden van de sleuf voor de neutraalstand in het bedieningspaneel staat.

Controleer of de sporing juist is.
Note: Als de machine niet start nadat u de sporing hebt aangepast, controleer dan of het raakvlak voor de afstandschakelaar uitgelijnd is met de bout aan de rijhendel; zie Afstandschakelaar afstellen.
Stel de kabel net zo lang af totdat de sporing correct is.
Controleer of de machine niet kruipt in de neutraalstand met de parkeerrem in werking.
Important: Draai de verbindingen niet te ver, omdat de machine hierdoor kan gaan kruipen in de neutraalstand.
Voer de volgende stappen uit als de machine niet start nadat u de sporing hebt afgesteld.
Zorg dat de bout aan de rijhendel uitgelijnd is met het raakvlak van de afstandsschakelaar (Figuur 56).
Zet indien nodig de bouten los en stel de afstandsschakelaar af tot het raakvlak overeenkomt met de bout aan de rijhendel (Figuur 56).
Controleer de afstand van de bout tot de afstandsschakelaar; deze moet 0,51 tot 1,02 mm bedragen; zie Figuur 56.
Als afstelling nodig is, draai dan de contramoer los en stel de bout in op de juiste afstand.
Draai de contramoer vast als de bout afgesteld is (Figuur 56).
Beproef het veiligheidssysteem (interlock) voor gebruik van de machine.

| Onderhoudsinterval | Onderhoudsprocedure |
|---|---|
| Om de 50 bedrijfsuren |
|
De juiste bandenspanning voor de achterbanden is 0,83 tot 0,97 bar.
Important: Een ongelijke bandenspanning kan leiden tot onregelmatige maairesultaten.
Note: De voorbanden zijn semipneumatisch en hoeven niet op spanning te worden gehouden.

| Onderhoudsinterval | Onderhoudsprocedure |
|---|---|
| Om de 500 bedrijfsuren |
|
Parkeer de maaimachine op een horizontaal oppervlak, schakel de aftakas uit en stel de parkeerrem in werking.
Zet de motor af, verwijder het contactsleuteltje en wacht totdat alle bewegende onderdelen tot stilstand zijn gekomen voordat u de bestuurderspositie verlaat.
Verwijder de stofkap van het zwenkwiel en draai de borgmoer aan (Figuur 58).
Draai de borgmoer aan totdat de veerringen vlak liggen, en draai deze vervolgens een ¼ slag terug om de voorspanning op de lagers correct af te stellen (Figuur 58).
Important: Zorg ervoor dat de veerringen goed zijn geplaatst, zoals getoond in Figuur 58.
Plaats de stofkap (Figuur 58).

| Onderhoudsinterval | Onderhoudsprocedure |
|---|---|
| Om de 100 bedrijfsuren |
|
De koppeling is afstelbaar zodat er goed geschakeld en geremd kan worden.
Parkeer de maaimachine op een horizontaal oppervlak, schakel de aftakas uit en stel de parkeerrem in werking.
Zet de motor af, verwijder het contactsleuteltje en wacht totdat alle bewegende onderdelen tot stilstand zijn gekomen voordat u de bestuurderspositie verlaat.
Steek een voelermaat van 0,4 tot 0,5 mm door een inspectiesleuf in de zijkant van de eenheid.
Note: Verzeker dat de voelermaat zich tussen het armatuur en het frictie-oppervlak van de rotor bevindt.
Note: De opening moet minimaal 0,4 mm en maximaal 0,5 mm bedragen.
Als afstelling nodig is, gebruik dan een voelermaat van 0,4 mm om de 3 afstelsleuven af te stellen.
Draai de borgmoeren aan totdat de voelermaat licht is vastgeklemd maar gemakkelijk binnen de spleet kan bewegen (Figuur 59).
Herhaal deze procedure bij de overige gleuven.
Controleer nogmaals elke sleuf en stel lichtjes bij totdat de voelermaat tussen de rotor en de armatuur hiermee zeer licht contact maakt.

| Onderhoudsinterval | Onderhoudsprocedure |
|---|---|
| Bij elk gebruik of dagelijks |
|
Verwijder vóór elk gebruik aangekoekt gras, vuil of andere rommel van de cilinder en de koelribben van de cilinderkop, het luchtinlaatrooster op het uiteinde van het vliegwiel en de regelhendels en de koppeling van de carburateur. Dit draagt bij tot een adequate koeling van de motor en een correct motortoerental en verkleint de kans dat de motor oververhit raakt of mechanische schade oploopt.
| Onderhoudsinterval | Onderhoudsprocedure |
|---|---|
| Om de 100 bedrijfsuren |
|
Parkeer de maaimachine op een horizontaal oppervlak, schakel de aftakas uit en stel de parkeerrem in werking.
Zet de motor af, verwijder het contactsleuteltje en wacht totdat alle bewegende onderdelen tot stilstand zijn gekomen voordat u de bestuurderspositie verlaat.
Verwijder het luchtinlaatrooster en de ventilatorbehuizing (Figuur 60).
Verwijder vuil en gras van de machineonderdelen.
Monteer het luchtinlaatrooster en de ventilatorbehuizing (Figuur 60).

| Onderhoudsinterval | Onderhoudsprocedure |
|---|---|
| Bij elk gebruik of dagelijks |
|
Voor elk gebruik moet u de parkeerrem controleren op een horizontaal oppervlak en een helling.
Stel de parkeerrem altijd in werking wanneer u de machine stopt of deze onbeheerd achterlaat. Als de parkeerrem niet goed werkt, moet u deze afstellen.
Schakel de aftakas uit en stel de parkeerrem in werking
Zet de motor af, verwijder het contactsleuteltje en wacht totdat alle bewegende onderdelen tot stilstand zijn gekomen voordat u de bestuurderspositie verlaat.
Zet de parkeerrem vrij.
Schakel de remhendel in en controleer of de machine beweegt.
Stel de rem af indien dit nodig is.
| Onderhoudsinterval | Onderhoudsprocedure |
|---|---|
| Bij elk gebruik of dagelijks |
|
Important: Zorg dat de machine op een horizontaal oppervlak staat bij het controleren en afstellen van de rem.
Parkeer de maaimachine op een horizontaal oppervlak, schakel de aftakas uit en stel de parkeerrem in werking.
Zet de motor af, verwijder het contactsleuteltje en wacht totdat alle bewegende onderdelen tot stilstand zijn gekomen voordat u de bestuurderspositie verlaat.
Controleer de bandenspanning; zie De bandenspanning controleren.
Schakel de parkeerrem uit; zie Parkeerrem gebruiken.
Met de rem vrij: meet de afstand tussen de remstaaf en de band aan elke kant.
Gebruik de kant met de kleinste afstand als referentie, verzeker dat de afstand 3 tot 6 mm bedraagt, zoals in Figuur 61, zie Remmen afstellen als de afstand niet juist is.

Parkeer de maaimachine op een horizontaal oppervlak, schakel de aftakas uit en stel de parkeerrem in werking.
Zet de motor af, verwijder het contactsleuteltje en wacht totdat alle bewegende onderdelen tot stilstand zijn gekomen voordat u de bestuurderspositie verlaat.
Zet de parkeerrem vrij.
Om de rem af te stellen, verwijdert u de borgpen en de gaffelpen uit de onderste remhendel en de gaffel (Figuur 62).
Stel de gaffel af (Figuur 61).
Note: De afstand tussen de remstaaf en de band moet tussen 3 en 6 mm zijn.
Note: Draai de gaffel naar boven om de rem strakker af te stellen. Draai de gaffel naar onderen om de rem minder strak af te stellen.
Controleer opnieuw de werking van de rem; zie De parkeerrem testen.
Bevestig de gaffel aan de onderste remhendel met de borgpen en de gaffelpen (Figuur 62).

| Onderhoudsinterval | Onderhoudsprocedure |
|---|---|
| Om de 100 bedrijfsuren |
|
Controleer de riemen op scheuren, gerafelde randen, schroeiplekken, slijtage, tekenen van oververhitting en andere schade.
Tekenen dat een riem aan het slijten is, zijn: gieren tijdens het draaien van de riem, slippen van de messen tijdens het maaien, gerafelde randen, schroeiplekken en scheuren. Vervang de riem als u een van deze tekenen gewaar wordt.
Important: De bevestigingen op de deksels van deze machine zijn zo ontworpen dat ze op het deksel blijven zitten nadat de bevestiging is losgemaakt. Draai alle bevestigingen op een deksel een paar slagen losser zodat het deksel loszit maar nog wel bevestigd is en draai de bevestigingen daarna pas helemaal los totdat het deksel eraf komt. Hiermee voorkomt u dat u per ongeluk de bouten van de borgringen losdraait.
Parkeer de maaimachine op een horizontaal oppervlak, schakel de aftakas uit en stel de parkeerrem in werking.
Zet de motor af, verwijder het contactsleuteltje en wacht totdat alle bewegende onderdelen tot stilstand zijn gekomen voordat u de bestuurderspositie verlaat.
Draai de bouten los en verwijder de rechter riemkap samen met de bijbehorende bout.
Verwijder de veer van de ankerpost op de arm van de spanpoelie (Figuur 63).
Verwijder de versleten drijfriem (Figuur 63).
Plaats de nieuwe drijfriem rond de koppelingspoelie, de poelies van het maaidek en de spanpoelie (Figuur 63).
Monteer de veer aan de ankerpost op de arm van de spanpoelie (Figuur 63).
Bevestig de riemkap op het maaidek en draai de bout vast.

Parkeer de maaimachine op een horizontaal oppervlak, schakel de aftakas uit en stel de parkeerrem in werking.
Zet de motor af, verwijder het contactsleuteltje en wacht totdat alle bewegende onderdelen tot stilstand zijn gekomen voordat u de bestuurderspositie verlaat.
Draai de bouten los en verwijder de riemkappen samen met de bouten.
Verwijder de veer van de ankerpost op de arm van de spanpoelie (Figuur 63).

Verwijder de drijfriem van het rechter maaidek (Figuur 64).
Als u de drijfriem van het linker maaidek vervangt, ga dan door met de stappen hieronder; zo niet ga dan naar stap 7.
Verwijder de veer van de ankerpost op de arm van de spanpoelie (Figuur 65).
Verwijder de versleten drijfriem (Figuur 65).
Plaats een nieuwe drijfriem om de poelies van het maaidek, de koppelingspoelie, en de spanpoelie (Figuur 65).

Plaats de eerder verwijderde of nieuwe drijfriem om de poelies van het rechter maaidek en de spanpoelie (Figuur 64).
Monteer de veer aan de ankerpost op de arm van de spanpoelie (Figuur 63).
Bevestig de riemkappen op het maaidek en draai de bouten vast.
| Onderhoudsinterval | Onderhoudsprocedure |
|---|---|
| Om de 100 bedrijfsuren |
|
Parkeer de maaimachine op een horizontaal oppervlak, schakel de aftakas uit en stel de parkeerrem in werking.
Zet de motor af, verwijder het contactsleuteltje en wacht totdat alle bewegende onderdelen tot stilstand zijn gekomen voordat u de bestuurderspositie verlaat.
Verwijder de aandrijfriem van het maaidek; zie Drijfriem van maaidek vervangen.
Kantel de machine; raadpleeg De maaier omhoog brengen om eenvoudig toegang te krijgen.
Verwijder de borstbout, moer en ring van het motordek en de gekoppelde veer (Figuur 66).

Verwijder de aandrijfriem van de pomp (Figuur 66).
Plaats een nieuwe riem rond de koppeling en de 2 poelies van de pomp.
Monteer de veer op de borstbout en ring, en bevestig met de moer aan het maaidek (Figuur 66).
Breng de machine omlaag naar de inbedrijfpositie.
Plaats de aandrijfriem van het maaidek; zie Drijfriem van maaidek vervangen.
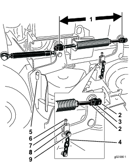
Als de rijhendels niet op één horizontale lijn staan, moet u de rechter rijhendel afstellen.
Note: Stel de horizontale uitlijning in, en dan de uitlijning voor/achter.
Parkeer de maaimachine op een horizontaal oppervlak, schakel de aftakas uit en stel de parkeerrem in werking.
Zet de motor af, verwijder het contactsleuteltje en wacht totdat alle bewegende onderdelen tot stilstand zijn gekomen voordat u de bestuurderspositie verlaat.
Duw de rechter rijhendel omlaag uit de VERGRENDELDE NEUTRAALSTAND (Figuur 67).
Controleer of de rechter rijhendel horizontaal uitgelijnd is met de linker rijhendel (Figuur 67).

Note: Om de rechter rijhendel horizontaal te verstellen, verstelt u de nok.
Maak het kussen los van de achterzijde van de machine.
Draai de moer los waarmee de nok is bevestigd (Figuur 68).

Verstel de nok totdat deze is uitgelijnd met de linker rijhendel en draai de moer van de nok vast.
Note: Beweeg de nok rechtsom (in de verticale stand) om de hendel te laten zakken, en linksom (in de verticale stand) om de hendel omhoog te brengen.
Important: Zorg ervoor dat het vlakke gedeelte van de nok niet boven een verticale stand gaat (links noch rechts); anders kunt u de schakelaar beschadigen.
Important: Verzeker na het afstellen van de rijhendels dat de sporing juist is (Figuur 69).
Note: Stel de horizontale uitlijning in, en dan de uitlijning voor/achter.
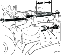
Als de rijhendels niet voor-achter zijn uitgelijnd, of de rechter rijhendel niet makkelijk in de VERGRENDELDE NEUTRAALSTAND springt, stel dan de neutraalstand van de hendels in.
Nadat u de horizontale uitlijning hebt voltooid, moet u de uitlijning voor-achter controleren door de rijhendels naar voren te duwen om eventuele speling in de overbrenging van de rijhendels te verhelpen (Figuur 69).

Controleer of de rechter rijhendel gemakkelijk in de VERGRENDELDE NEUTRAALSTAND glijdt.
Note: Draai de kabelafstelling rechtsom om de rijhendel naar voren te bewegen. Draai de kabelafstelling linksom om de rijhendel naar achteren te bewegen.
Draai de kabelafstelling aan de rechterkant als er afstelling nodig is.
Note: Stel de kabelafstelling af in stappen van een kwart draai.
Nadat de rechter rijhendel zo is afgesteld dat deze gemakkelijk in de VERGRENDELDE NEUTRAALSTAND glijdt, stelt u de linker rijhendel zo in dat deze is uitgelijnd met de rechter rijhendel.
Controleer of de sporing juist is; zie De sporing afstellen .
Plaats de kabelvergrendeling op de kabelafstellingmoeren om de afstelling te borgen (Figuur 70).

Waarschuw onmiddellijk een arts als er hydraulische vloeistof is geïnjecteerd in de huid. Geïnjecteerde vloeistof moet binnen enkele uren operatief worden verwijderd door een arts.
Controleer of alle hydraulische slangen en leidingen in goede staat verkeren en alle hydraulische aansluitingen en fittings stevig vastzitten voordat u druk zet op het hydraulische systeem.
Houd lichaam en handen uit de buurt van kleine lekgaten of spuitmonden waaruit onder hoge druk hydraulische vloeistof ontsnapt.
U kunt lekken in het hydraulische systeem opsporen met behulp van karton of papier.
Hef alle druk in het hydraulische systeem op veilige wijze op, voordat u werkzaamheden gaat verrichten aan het hydraulische systeem.
Type hydraulische vloeistof: Toro® HYPR-OIL™ 500 hydraulische vloeistof of Mobil® 1 15W-50 synthetische motorolie.
Inhoud van het hydraulische systeem: 2,0 L
Important: Gebruik de voorgeschreven vloeistof. Andere vloeistoffen kunnen het systeem beschadigen.
| Onderhoudsinterval | Onderhoudsprocedure |
|---|---|
| Na de eerste 8 bedrijfsuren |
|
| Om de 50 bedrijfsuren |
|
Note: De keerplaat in de tank geeft 2 niveaus aan, afhankelijk of de vloeistof warm of koud is.
Parkeer de maaimachine op een horizontaal oppervlak, schakel de aftakas uit en stel de parkeerrem in werking.
Zet de motor af, verwijder het contactsleuteltje en wacht totdat alle bewegende onderdelen tot stilstand zijn gekomen voordat u de bestuurderspositie verlaat.
Reinig het gebied rond de vulbuis en de dop van de hydraulische tank (Figuur 71).

Verwijder de dop van de vulbuis (Figuur 71).
Note: Kijk in de vulbuis om het vloeistofpeil in het reservoir te controleren.
Voeg vloeistof toe aan het reservoir tot het peil de markering voor koude vloeistof op de keerplaat bereikt.
Laat de machine 15 minuten langzaam stationair lopen om de lucht uit het systeem te verwijderen en de vloeistof warm te laten worden.
Zet de motor af, verwijder het contactsleuteltje en wacht totdat alle bewegende onderdelen tot stilstand zijn gekomen voordat u de bestuurderspositie verlaat.
Controleer het peil als de vloeistof warm is. Voeg indien nodig vloeistof toe aan het reservoir tot het peil zich tussen het koude en het warme peil bevindt.
Note: Het vloeistofpeil moet onder de warm-markering op de keerplaat staan als de vloeistof warm is (Figuur 71).
Plaats de dop terug op de vulbuis.
| Onderhoudsinterval | Onderhoudsprocedure |
|---|---|
| Om de 250 bedrijfsuren |
|
| Om de 500 bedrijfsuren |
|
Warme hydraulische vloeistof kan ernstige brandwonden veroorzaken.
Laat de hydraulische vloeistof afkoelen voordat u onderhoudswerkzaamheden uitvoert aan het hydraulische systeem.
Parkeer de maaimachine op een horizontaal oppervlak, schakel de aftakas uit en stel de parkeerrem in werking.
Zet de motor af, verwijder het contactsleuteltje en wacht totdat alle bewegende onderdelen tot stilstand zijn gekomen voordat u de bestuurderspositie verlaat.
Dop van hydraulisch reservoir verwijderen.
De voorste hydraulische slang bevindt zich onder de hydraulische tank. Plaats een opvangbak onder de tank (Figuur 72).
Draai de slangklem en verplaats deze omlaag langs de slang.
Verwijder de voorste hydraulische slang en laat de vloeistof uit de tank lopen.

Vervang het hydraulische filter; zie Hydraulisch filter vervangen.
Sluit de hydraulische slang aan onder de tank.
Voeg vloeistof toe aan de tank tot het peil de markering voor koude vloeistof op de tank bereikt.
Important: Gebruik de voorgeschreven vloeistof of equivalent. Andere vloeistoffen kunnen schade aan het systeem veroorzaken.
Plaats de dop op de hydraulische tank.
Start de motor en laat deze ongeveer 2 minuten lopen om lucht uit het systeem te verwijderen
Zet de motor af en controleer op lekkages.
Note: Als een of beide wielen niet willen draaien, raadpleeg dan Hydraulisch systeem ontluchten.
Controleer het vloeistofpeil en vul indien nodig vloeistof bij.
Important: Niet te vol vullen.
| Onderhoudsinterval | Onderhoudsprocedure |
|---|---|
| Na de eerste 8 bedrijfsuren |
|
| Om de 500 bedrijfsuren |
|
Warme hydraulische vloeistof kan ernstige brandwonden veroorzaken.
Laat de hydraulische vloeistof afkoelen voordat u onderhoudswerkzaamheden uitvoert aan het hydraulische systeem.
Parkeer de maaimachine op een horizontaal oppervlak, schakel de aftakas uit en stel de parkeerrem in werking.
Zet de motor af, verwijder het contactsleuteltje en wacht totdat alle bewegende onderdelen tot stilstand zijn gekomen voordat u de bestuurderspositie verlaat.
Plaats een opvangbak onder het filter (Figuur 73).

Verwijder het oude filter en veeg de pakking van de filtertussenstuk schoon (Figuur 74).
Smeer een dun laagje hydraulische vloeistof op de rubberen pakking van het nieuwe filter.
Monteer het nieuwe hydraulische filter op het filtertussenstuk.
Draai het oliefilter rechtsom totdat de rubberen pakking contact maakt met het filtertussenstuk. Draai het filter vervolgens nog eens ½ slag (Figuur 74).

Neem gemorste vloeistof op.
Controleer het vloeistofpeil in de tank en voeg vloeistof toe aan de tank tot het peil de markering voor koude vloeistof op de tank bereikt.
Important: Gebruik de voorgeschreven vloeistof of equivalent. Andere vloeistoffen kunnen schade aan het systeem veroorzaken.
Start de motor en laat deze ongeveer 2 minuten lopen om lucht uit het systeem te verwijderen.
Zet de motor af en controleer op lekkages.
Note: Als een of beide wielen niet draaien, raadpleeg dan Hydraulisch systeem ontluchten.
Controleer het vloeistofpeil en vul indien nodig vloeistof bij.
Important: Niet te vol vullen.
Het tractiesysteem ontlucht zichzelf, maar het kan noodzakelijk zijn het systeem te ontluchten als de vloeistof wordt ververst of nadat er werkzaamheden zijn verricht aan het systeem.
Parkeer de maaimachine op een horizontaal oppervlak, schakel de aftakas uit en stel de parkeerrem in werking.
Zet de motor af, verwijder het contactsleuteltje en wacht totdat alle bewegende onderdelen tot stilstand zijn gekomen voordat u de bestuurderspositie verlaat.
Breng de achterzijde van de machine omhoog op assteunen tot de aandrijfwielen van de grond komen.
Start de motor en zet de gashendel op stationair.
Note: Als het wiel niet draait, kunt u het systeem ontluchten door de band voorzichtig naar voren te draaien.
Controleer het peil van de hydraulische vloeistof en giet indien nodig vloeistof bij om het correcte peil te handhaven.
Herhaal dit bij het andere wiel.
| Onderhoudsinterval | Onderhoudsprocedure |
|---|---|
| Om de 100 bedrijfsuren |
|
Controleer de hydraulische slangen op lekkages, losgeraakte aansluitingen, kinken, loszittende steunen, slijtage, algemene beschadigingen als gevolg van weersinvloeden en de inwerking van chemicaliën. Voer alle noodzakelijke reparaties uit voordat u de machine in gebruik neemt.
Note: Houd de omgeving van het hydraulische systeem vrij van aangekoekt gras en vuil.
Note: Lange tijd met een hoge bedrijfstemperatuur werken in een erg warme omgeving kan de slangen en afdichtingen aantasten. Controleer vaker in een erg warme omgeving en vervang de hydraulische vloeistof en het filter frequenter.
Om een goed maairesultaat te verkrijgen, moet u de maaimessen scherp houden. Om het slijpen en vervangen te vergemakkelijken, is het handig extra messen in voorraad te hebben.
Een versleten of beschadigd mes kan breken en een stuk van het mes kan naar u of naar omstanders worden uitgeworpen en ernstig lichamelijk of dodelijk letsel toebrengen.
Controleer op gezette tijden de maaimessen op slijtage of beschadigingen.
Wees voorzichtig als u de messen controleert. Omwikkel de maaimessen of draag handschoenen en wees voorzichtig als u onderhoudswerkzaamheden aan de maaimessen verricht. De maaimessen mogen alleen worden vervangen of geslepen, probeer ze nooit recht te maken of er aan te lassen.
Controleer altijd de machine om zeker te zijn dat de messen en de mesbouten vrij zijn van slijtage of beschadiging. Vervang versleten of beschadigde messen en bouten altijd als complete set om een goede balans te behouden.
Let op dat bij machines met meerdere maaimessen andere messen kunnen gaan draaien doordat u 1 mes draait.
Parkeer de maaimachine op een horizontaal oppervlak, schakel de aftakas uit en stel de parkeerrem in werking.
Zet de motor af, verwijder het sleuteltje en maak de bougiekabels los.
| Onderhoudsinterval | Onderhoudsprocedure |
|---|---|
| Bij elk gebruik of dagelijks |
|
Controleer de snijranden (Figuur 75).
Als de randen niet scherp zijn of bramen vertonen, moet u het maaimes verwijderen en slijpen; zie De maaimessen slijpen.
Controleer de messen, in het bijzonder het gebogen deel.
Als u scheuren, slijtage of groefvorming in dit deel constateert, moet u direct een nieuw mes monteren (Figuur 75).

Draai de messen totdat de uiteinden in de lengterichting liggen.
Meet de afstand tussen een horizontaal oppervlak en de snijrand, stand A, van de messen (Figuur 76).

Draai de tegenovergestelde uiteinden van de messen naar voren.
Meet de afstand tussen een horizontaal oppervlak en de snijrand van de messen op dezelfde plaats als in bovengenoemde stap 2.
Note: Het verschil tussen de afstanden die zijn gemeten bij stap 2 en stap 3 mag niet meer dan 3 mm zijn.
Note: Als dit verschil meer dan 3 mm bedraagt, moet u het mes vervangen.
Een krom of beschadigd mes kan breken en u of omstanders ernstig letsel toebrengen.
Vervang altijd een krom of beschadigd mes door een nieuw mes.
Vijl de snijranden of het oppervlak van het mes niet en maak er geen scherpe inkepingen in.
Vervang een mes als het een vast voorwerp heeft geraakt, of als het uit balans of krom is. Om de beste prestaties te verkrijgen en er zeker van te zijn dat de machine altijd veilig kan worden gebruikt, moet u ter vervanging uitsluitend originele Toro-messen gebruiken. Gebruik ter vervanging nooit messen van andere fabrikanten omdat dit in strijd kan zijn met de veiligheidsnormen.
Pak het uiteinde van het mes vast met een doek of een dikke handschoen.
Verwijder de mesbout, de klemring en het mes van de spilas (Figuur 77).

Gebruik een vijl om de snijranden aan beide uiteinden van het mes te slijpen (Figuur 78).
Note: Houd daarbij de oorspronkelijke hoek in stand.
Note: Het mes blijft in balans als u van beide snijranden dezelfde hoeveelheid materiaal verwijdert.

Controleer de balans van het mes met een mesbalans (Figuur 79).
Note: Als het mes horizontaal blijft, is het in balans en geschikt voor gebruik.
Note: Als het mes niet in balans is, moet u wat metaal afvijlen van het uiteinde van de vleugel (Figuur 78).

Herhaal dit indien nodig totdat het mes in balans is.
| Onderhoudsinterval | Onderhoudsprocedure |
|---|---|
| Jaarlijks |
|
Controleer of de schroefdraad van de mesbout beschadigd is. Vervang de bout en de golfring indien nodig.
Monteer het mes op de as (Figuur 80).
Important: Het gebogen deel van het mes moet naar de binnenzijde van het maaidek wijzen om een goede maaikwaliteit te garanderen.
Monteer de klemring en de mesbout (Figuur 80).
Note: De conus van de klemring moet worden gemonteerd op de boutkop (Figuur 80).
Draai de mesbout vast met een torsie van 115 tot 150 N·m.

Controleer of het maaidek horizontaal staat telkens wanneer u het maaidek installeert of wanneer u een ongelijke maaiplek in uw gras ziet.
Stel het maaidek eerst links/rechts horizontaal, en dan voor/achter.
Parkeer de maaimachine op een horizontaal oppervlak, schakel de aftakas uit en stel de parkeerrem in werking.
Zet de motor af, verwijder het sleuteltje en maak de bougiekabels los.
Controleer de bandenspanning van beide aandrijfbanden; zie De bandenspanning controleren.
Controleer of er verbogen maaimessen zijn; verwijder en vervang eventueel verbogen maaimessen; zie Onderhoud van de maaimessen.
Laat het maaidek zakken tot een maaihoogte van 76 mm.
Controleer de afstand tussen de wartels, meet in het midden van de wartels (de lengte van midden tot midden) op elke draadstang (Figuur 81).
Note: Controleer of de lengte 49,5 cm bedraagt voor maaidekken van 91 cm en 43,7 cm voor maaidekken van 102 cm.
Zet de contramoeren aan de voorste wartel los (Figuur 81).
Gebruik de contramoeren om de lengte van de draadstang af te stellen en de juiste afstand te verkrijgen.
Zet de contramoeren aan de voorste wartel vast (Figuur 81).

Controleer voor elke gaffel de afstand tussen de gaffel en de draagarm van het maaidek.
Note: Deze afstand moet 11 mm bedragen zoals afgebeeld in Figuur 82.
Als afstelling vereist is, zet dan de bovenste kettingbout los (Figuur 82).
Zet de contramoer los en stel de bout af om de juiste afstand te verkrijgen; zie Figuur 82.
Draai de contramoer en de bovenste kettingbout vast.

Zet het rechter maaimes in de schuinstand (Figuur 83).
Meet het rechtermes bij punt C. Meet de afstand tussen een horizontaal oppervlak en de snijrand van het maaimes en noteer deze afstand (Figuur 83).
Meet het rechtermes bij punt D. Meet de afstand tussen een horizontaal oppervlak en de snijrand van het maaimes en noteer deze afstand (Figuur 83).
Note: Het maaimes moet 6 tot 10 mm lager staan bij punt C dan bij punt D (Figuur 83). Indien dit niet het geval is, gaat u als volgt te werk.
Zet de contramoeren aan de voorste wartels links en rechts los (Figuur 81).
Gebruik de rechter contramoeren om de lengte van de rechter draadstang af te stellen. Zorg voor een schuinstand van 6 tot 10 mm in de lengterichting.
Zet de contramoeren aan de voorste wartels links en rechts vast (Figuur 81).

Stel de schuinstand in de lengterichting van het linker- en rechtermaaimes in.
Meet het linkermes bij punt B. Meet de afstand tussen een horizontaal oppervlak en de snijrand van het maaimes en noteer deze afstand (Figuur 84).
Meet het rechtermes bij punt D. Meet de afstand tussen een horizontaal oppervlak en de snijrand van het maaimes en noteer deze afstand (Figuur 84).
Note: De afstand bij punt B mag niet meer dan 3 mm verschillen van die bij punt D (Figuur 84). Indien dit niet het geval is, gaat u als volgt te werk.
Maak de contramoeren van de wartel links voor los (Figuur 81).
Gebruik de linker contramoeren om de lengte van de linker draadstang af te stellen zodat punt B overeenkomt met punt D.
Zet de contramoeren aan de voorste wartel links vast (Figuur 81).

Stel de schuinstand in de lengterichting van het linker- en rechtermaaimes in.
Controleer de voorste kettingen en zorg ervoor dat ze onder spanning staan.
Note: Als er een ketting loszit, moet u de draadstang met de losse ketting afstellen om deze op te spannen.
Meet het linkermes bij punt A. Meet de afstand tussen een horizontaal oppervlak en de snijrand van het maaimes en noteer deze afstand (Figuur 85).
Meet het rechtermes bij punt C. Meet de afstand tussen een horizontaal oppervlak en de snijrand van het maaimes en noteer deze afstand (Figuur 85).
Note: De afstand tussen punt A en punt C moet minder dan 3 mm bedragen. Indien dit niet het geval is, gaat u als volgt te werk.
Draai de bovenste kettingbouten los (Figuur 81).
Draai de contramoeren op de gaffels los (Figuur 81).
Stel de stelbouten in de gaffels af bij punten A en C zodat u de gewenste hoogte verkrijgt (Figuur 85).
Draai de contramoeren en de bovenste kettingbouten vast (Figuur 81).

Laat het maaidek zakken tot een maaihoogte van 76 mm.
Zet het rechter maaimes in de schuinstand (Figuur 83).
Meet het rechtermes bij punt C. Meet de afstand tussen een horizontaal oppervlak en de snijrand van het maaimes en noteer deze afstand (Figuur 85).
Note: De afstand bij punt C mag niet meer dan 3 mm verschillen van de maaihoogte-instelling van 76 mm. Indien dit niet het geval is, gaat u als volgt te werk.
Draai de contramoeren aan beide zijden van de spanschroef los (Figuur 86).
Note: Het uiteinde van de spanmoer met de groef heeft een linkse schroefdraad (Figuur 86).
Stel de spanschroef af om de maaidekhoogte omhoog of omlaag te brengen tot 76 mm bij punt C.
Draai de contramoeren aan beide zijden van de spanschroef vast.
Controleer of de hefhendel van het maaidek vergrendeld wordt in de transportstand.
Note: Als hij niet in de transportstand wordt vergrendeld, moet u de spanschroef afstellen tot dat wel het geval is.
Draai de contramoeren vast.

Note: Afstellen van de drukveer verandert in hoeverre het maaidek zweeft en hoeveel moeite het kost om het maaidek omhoog te brengen met de maaihoogtehendel.
Als de drukveer verder wordt ingedrukt, moet u minder kracht uitoefenen op de hendel en zal het maaidek meer zweven.
Als de drukveer minder ver wordt ingedrukt, moet u meer kracht uitoefenen op de hendel en zal het maaidek minder zweven.
Breng de maaihoogtehendel omhoog en vergrendel deze in de transportstand.
Controleer de lengte van de drukveer.
Note: De nominale lengte bedraagt 28,2 cm voor maaidekken van 91 cm en 25,7 cm voor maaidekken van 102 cm (Figuur 87).
Stel deze afstand in door de contramoer van de veer los te maken en de moer aan de voorkant van elke veer te verdraaien (Figuur 87).
U borgt de moer in deze stand door de contramoer van de veer vast te draaien (Figuur 87).

Herhaal deze procedure aan de hefveer van het tegenoverliggende maaidek.
Als de uitworpopening niet afgedekt is, kan de machine voorwerpen uitwerpen naar u of naar omstanders; dit kan ernstig letsel veroorzaken. Daarnaast kunt u ook in contact komen met het mes.
Gebruik de machine niet zonder afdekplaat, mulchplaat, grasgeleider of grasvanger.
Verwijder de borgmoer, bout, veer en afstandsstuk waarmee de grasgeleider vastzit op de draaibeugels (Figuur 88).

Verwijder een beschadigde of versleten grasgeleider.
Plaats een afstandsstuk en de veer op de grasgeleider.
Plaats 1 J-vormig haakeind van de veer achter de rand van het maaidek.
Note: Zorg ervoor dat 1 J-vormig haakeind van de veer is gemonteerd achter de rand van het maaidek voordat u de bout monteert zoals wordt aangegeven in Figuur 88.
Monteer de bout en de moer.
Plaats 1 J-vormig haakuiteinde van de veer om de grasgeleider (Figuur 88).
Important: De grasgeleider moet kunnen draaien. Klap de geleider helemaal omhoog en controleer of deze volledig omlaag draait.
| Onderhoudsinterval | Onderhoudsprocedure |
|---|---|
| Bij elk gebruik of dagelijks |
|
Verwijder elke dag het aangekoekte gras aan de onderkant van het maaidek.
Parkeer de machine op een horizontaal oppervlak, schakel de aftakas uit, zet de rijhendels in de VERGRENDELDE NEUTRAALSTAND en stel de parkeerrem in werking.
Zet de motor af, verwijder het contactsleuteltje en wacht totdat alle bewegende onderdelen tot stilstand zijn gekomen voordat u de bestuurderspositie verlaat.
Breng de voorkant van de machine omhoog en plaats deze op assteunen.
Motorolie, accu's, hydraulische vloeistof en motorkoelvloeistof verontreinigen het milieu. Verwijder deze stoffen volgens de plaatselijke voorschriften.
Laat de motor afkoelen voordat u de machine opslaat.
U mag de machine of brandstof niet opslaan in de nabijheid van een open vuur of binnenshuis brandstof aftappen.
| Onderhoudsinterval | Onderhoudsprocedure |
|---|---|
| Vóór de stalling |
|
Schakel de aftakas uit, stel de parkeerrem in werking, zet de motor af en verwijder het contactsleuteltje.
Maaisel, vuil en vet van de buitenkant van de gehele machine verwijderen, met name van de motor.
Important: U kunt het voertuig met een mild reinigingsmiddel en water wassen. Maak de machine niet schoon met een hogedrukreiniger. Gebruik niet te veel water, zeker niet in de buurt van het aandrijfsysteem en de motor. Gebruik geen hogedrukreiniger. Hierdoor kunnen vuil en water essentiële onderdelen binnendringen, zoals lagers en elektrische schakelaars.
Verwijder vuil en kaf van de buitenkant van de koelribben van de cilinderkop en de ventilatorbehuizing.
Controleer de rem; zie De parkeerrem testen.
Geef het luchtfilter een onderhoudsbeurt; zie Onderhoud van het luchtfilter.
Smeer de machine; zie Smering.
Ververs de motorolie; zie Motorolie verversen.
Controleer de bandenspanning; zie De bandenspanning controleren.
Voor langere stalling dient u als volgt te werk te gaan:
Voeg stabilizer/conditioner toe aan de brandstof in de tank; volg hierbij de aanbevelingen van de fabrikant van de brandstofstabilizer.
Laat de motor 5 minuten lopen om de stabilizer/conditioner door het brandstofsysteem te verspreiden.
Zet de motor af, laat deze afkoelen, en laat de brandstoftank leeglopen; zie Brandstof aftappen uit de brandstoftank, of laat de motor lopen totdat deze afslaat.
Start de motor en laat hem lopen totdat hij afslaat. Herhaal de procedure met de choke ingeschakeld (indien van toepassing) totdat de motor niet meer start.
Voer brandstof op de juiste manier af; recyclen volgens de lokale voorschriften.
Important: Bewaar brandstof die stabilizer/conditioner bevat niet langer dan aanbevolen door de fabrikant van de stabilizer.
Verwijder de bougie(s) en controleer de toestand daarvan, zie Onderhoud van de bougie.
Laat de bougie(s) uit de motor en giet 15 ml (2 eetlepels) motorolie in het bougiegat; gebruik de startmotor om de motor te laten draaien en de olie in de cilinder te verspreiden.
Monteer de bougie(s) maar sluit de kabel niet aan op de bougie(s).
Controleer alle bevestigingen en zet ze vast. Repareer of vervang versleten of ontbrekende delen.
Werk alle krassen of afgebladderde metaaloppervlakken bij met lak van een erkende servicedealer.
Stal de machine in een schone, droge garage of opslagruimte. Verwijder het sleuteltje uit het contact en bewaar het op een plaats die u makkelijk kunt onthouden. Dek de machine af om deze te beschermen en schoon te houden.
| Problem | Possible Cause | Corrective Action |
|---|---|---|
| De motor start niet, start moeilijk of slaat af. |
|
|
| De motor verliest vermogen. |
|
|
| De motor raakt oververhit. |
|
|
| De machine drijft niet aan. |
|
|
| De machine trilt abnormaal. |
|
|
| De maaihoogte is ongelijk. |
|
|
| Messen draaien niet. |
|
|

