| Underhållsintervall | Underhållsförfarande |
|---|---|
| Varje användning eller dagligen |
|
Det här är en maskin med flera funktioner som är avsedd att användas av yrkesförare som har anlitats för kommersiellt arbete. Den är främst konstruerad för att klippa gräs på välunderhållna parkgräsmattor, golfbanor, sportanläggningar och kommersiella anläggningar. Det kan medföra fara för dig och kringstående om maskinen används i andra syften än vad som avsetts.
Läs den här informationen noga så att du lär dig att använda och underhålla produkten på rätt sätt och för att undvika person- och produktskador. Du är ansvarig för att produkten används på ett korrekt och säkert sätt.
Besök www.Toro.com om du behöver utbildningsmaterial för säkerhet och drift, information om tillbehör, hjälp med att hitta en återförsäljare eller om du vill registrera din produkt.
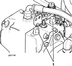
Kontakta en auktoriserad återförsäljare eller Toros kundservice och ha produktens modell- och artikelnummer till hands om du har behov av service, Toro-originaldelar eller ytterligare information. Figur 1 visar var på produkten modell- och serienumren sitter. Skriv numren i det tomma utrymmet.
Important: Skanna rutkoden på serienummerdekalen (i förekommande fall) med en mobil enhet för att få tillgång till information om garanti, reservdelar och annat.

I den här bruksanvisningen anges potentiella risker och alla säkerhetsmeddelanden har markerats med en varningssymbol (Figur 2), som anger fara som kan leda till allvarliga personskador eller dödsfall om föreskrifterna inte följs.

Två ord används också i den här bruksanvisningen för att markera information. Viktigt anger speciell teknisk information och Observera anger allmän information som bör ges särskild uppmärksamhet.
Produkten uppfyller alla relevanta europeiska direktiv. Mer information finns i produktens separata försäkran om överensstämmelse.
Det är ett brott mot avsnitt 4442 eller 4443 i Kaliforniens Public Resource Code att använda eller köra motorn på skogs-, busk- eller grästäckt mark om motorn inte är utrustad med en gnistsläckare som är i fullgott skick, vilket anges i avsnitt 4442, eller utan att motorn är konstruerad, utrustad och underhållen för att förhindra brand.
Den bifogade bruksanvisningen till motorn tillhandahålls för information om den amerikanska miljömyndigheten EPA:s (US Environmental Protection Agency) och Kaliforniens lagstiftning om utsläppskontroll för emissionssystem, underhåll och garanti. Extra bruksanvisningar kan beställas från motortillverkaren.
Om maskinen är utrustad med en telematikenhet kontaktar du en auktoriserad Toro-återförsäljare för anvisningar om hur du aktiverar enheten.
|
Certifiering av elektromagnetisk kompatibilitet |
|
Hushåll: Den här enheten uppfyller kraven i enlighet med del 15 i FCC-reglerna. Följande två villkor ställs för driften: (1) Den här enheten får inte orsaka störningar och (2) enheten måste tåla alla eventuella störningar som den kan utsättas för, inklusive störningar som kan orsaka oavsiktlig användning. |
|
FCC-ID: APV-3640LB IC: 5843C-3640LB |
|
Utrustningen har testats och befunnits överensstämma med gränserna för en digital enhet av klass B, i enlighet med del 15 i FCC-reglerna. Gränserna är utformade för att ge rimligt skydd mot skadlig störning i en bostadsinstallation. Utrustningen genererar, använder och kan utsända radiofrekvensenergi och kan, om den inte monteras och används i enlighet med instruktionerna, orsaka skadlig störning av radiokommunikation. Det ges dock ingen garanti för att vissa installationer inte kommer att medföra störningar. Du kan prova om den här utrustningen stör radio- eller tv-mottagningen genom att stänga av utrustningen och sedan starta den igen. Om den orsakar störningar kan du försöka att avhjälpa problemet genom att vidta någon eller några av följande åtgärder:
|
|
Argentina |
![]() |
|
Australien |
![]() |
|
Marocko |
|
|---|---|
|
AGREE PAR L’ANRT MAROC |
|
|
Numéro d’agrément: |
MR00004789ANRT20024 |
|
Délivre d’agrément: |
11/4/2024 |
|
Nya Zeeland |
|
|
|
Sydkorea |
![]() |
KALIFORNIEN
Proposition 65 Varning
Avgaserna från dieselmotorer och vissa avgaskomponenter innehåller ämnen som av den amerikanska delstaten Kalifornien anses orsaka cancer, fosterskador och andra fortplantningsskador.
Batteripoler och kabelanslutningar med tillbehör innehåller bly och blyföreningar, kemikalier som den amerikanska delstaten Kalifornien anser kan orsaka cancer och fortplantningsskador. Tvätta händerna efter hantering.
Användning av produkten kan orsaka kemikalieexponering som av den amerikanska delstaten Kalifornien anses orsaka cancer, fosterskador och andra fortplantningsskador.
Maskinen kan slita av händer och fötter och kasta omkring föremål. Följ alltid alla säkerhetsanvisningar för att undvika allvarliga personskador.
Läs och se till att du har förstått innehållet i den här bruksanvisningen innan du startar motorn.
Var fullt koncentrerad på maskinen när du använder den. Delta inte i aktiviteter som kan distrahera dig, eftersom personskador eller skador på egendom då kan uppstå.
Kör endast maskinen om skydd och andra säkerhetsanordningar sitter på plats och fungerar.
Håll händer och fötter borta från rörliga delar. Håll avstånd till utkastaröppningen.
Håll kringstående och barn borta från arbetsområdet. Låt aldrig barn använda maskinen.
Stäng av motorn, ta ut nyckeln och vänta tills alla rörliga delar har stannat innan du kliver ur förarsätet. Låt maskinen svalna innan du utför service, justerar, rengör eller ställer den i förvar.
Felaktigt bruk eller underhåll av maskinen kan leda till
personskador. För att minska risken för skador ska du alltid
följa säkerhetsanvisningarna och uppmärksamma varningssymbolen
. Symbolen betyder Var försiktig,
Varning eller Fara – anvisning om personsäkerhet. Underlåtenhet
att följa anvisningarna kan leda till personskador eller dödsfall.
![]() |
Säkerhetsdekalerna och anvisningarna är fullt synliga för föraren och finns nära alla potentiella farozoner. Ersätt dekaler som har skadats eller saknas. |









































Note: Vänster och höger sida på maskinen är lika med förarens vänstra respektive högra sida vid normal körning.
Parkera maskinen på ett plant underlag, koppla in parkeringsbromsen, stäng av motorn och ta ut nyckeln.
Ta bort remmarna och stagen som håller fast vingdäcken under transporten.
Delar som behövs till detta steg:
| Höger däckskydd | 1 |
| Vänster däcksskydd | 1 |
| Kilrem | 2 |
Ta bort de muttrar som håller fast de främre och bakre stoppbultarna på den högra vingfenans däckfästen (Figur 3).

Stötta den högra vingfenan och ta bort de främre och bakre stoppbultarna från däckfästena (Figur 3).
Note: Låt excenterbrickorna sitta mellan däckfästena.
Sänk ned vingfenan till arbetsläget.
För in de främre och bakre stoppbultarna genom de övre monteringshålen och excenterbrickorna (Figur 4).
Note: Kontrollera att stoppbulten greppar i fliken på gångjärnsbulten.

Montera de muttrar som håller fast stoppbultarna.
Note: Dra inte åt muttrarna ännu.
Upprepa proceduren med den vänstra vingfenan.
Montera vingfensremmarna på följande vis:
Börja med att dra remmen runt vingfenans spindelskiva och det främre däckets spindelskiva (Figur 5).

Flytta mellanremskivan bort från remskivorna med hjälp av en spärrnyckel eller liknande (Figur 5).
Dra remmen runt vingfenans spindelskiva och den övre spindelskivan på det främre däcket.
Släpp mellanremskivan så att remmen spänns.
Montera vingfenans däckskydd och fäst det med gummispärrhaken (Figur 6).
Note: Skjut in skyddet under det främre, mittersta däckskyddets flikar innan du för in det i monteringskrokarna och -stolpen.
Upprepa proceduren med den andra vingfenan.

Kontrollera däckens och svänghjulens tryck före användning. Se Kontrollera däcktrycket och Kontrollera svänghjulens däcktryck.
Important: Se till att ha rätt tryck i alla däck så att du får en bra klippkvalitet och maskinen fungerar som den ska. Däcken får inte vara för löst pumpade.
Important: Hjuldrivningens kapacitet, inklusive kontroll av däckslirning, är beroende av skillnaden i däckstorlek mellan fram- och bakdäcken. Använd endast originaldäck från Toro.
Note: Utför denna procedur på en jämn, plan yta.
Rotera kniven på alla yttre spindlar tills ändarna är riktade framåt och bakåt.
Mät från golvet till den främre knivspetsen.
Justera 3 mm-mellanläggen på den främre hjulgaffeln/de främre hjulgafflarna för att erhålla önskad klipphöjd.
Rotera knivarna 180° och mät från golvet till knivens bakre spets.
Lossa de nedre kontramuttrarna på klipphöjdskedjans U-bult.
Justera muttrarna och höj eller sänk klippdäckets bakre del så att knivspetsarna på de bakre knivarna är 6 till 10 mm högre än de främre spetsarna.
Dra åt kontramuttrarna.
Rotera kniven på varje vingfena så att den pekar från sida till sida.
Lossa de skruvar och muttrar som håller fast de två excentriska distansbrickorna på vingfenorna (Figur 7).

Rotera den främre excenterbrickan tills den är på maximalt avstånd från den inre spårytan på vingfenans tappfäste.
Rotera den bakre excenterbrickan (som sitter närmast traktorenheten) tills den yttre knivspetsen är cirka 3 mm högre än den önskade klipphöjden (Figur 7).
Note: Det finns ett spår på den excentriska sexkantsbrickan som är 180° från den excentriska kamnäsan (Figur 8). Använd spåren som referens för kammarnas placering när du justerar excenterbrickorna.

Dra åt skruven och muttern för den här excenterbrickan till 149 Nm.
Justera den främre excenterbrickan tills den precis går emot den inre spårytan på vingfenans tappfästen.
Dra åt skruven och muttern för den här excenterbrickan till 149 Nm.
Upprepa proceduren för den motsatta vingfenan.
Kontrollera oljenivån innan och efter att motorn startas. Se Kontrollera oljenivån i motorn.
Kontrollera hydraulvätskenivån innan du startar motorn. Se Kontrollera hydraulvätskan.
Kontrollera kylsystemet innan du startar motorn. Se Kontrollera motorns kylsystem.
Smörj maskinen före användning. Se Smörja lagren och bussningarna.
Important: Om du inte smörjer maskinen på rätt sätt kommer viktiga komponenter att gå sönder i förtid.
Delar som behövs till detta steg:
| Dekal med uppgift om tillverkningsår | 1 |
Montera dekalen med uppgifter om tillverkningsår som medföljer de lösa delarna och CE-satsen (säljs separat) för maskiner som kräver CE-efterlevnad (Figur 9).


Note: Vänster och höger sida på maskinen är lika med förarens vänstra respektive högra sida vid normal körning.

Med gaspedalen kan du reglera körningen framåt och bakåt. Tryck på pedalens övre del för att köra maskinen framåt och på dess nedre del för att backa. Hastigheten varierar beroende på hur långt du trampar ned pedalen. Om du vill köra i maxhastighet ska du trampa ned pedalen helt och ha gasreglaget i det HöGA TOMGåNGSLäGET (Figur 11)
Du stannar maskinen genom att försiktigt lyfta foten från gaspedalen och låta pedalen återgå till mittläget.
Parkeringsbromsens brytare kräver två åtgärder för att koppla in bromsen. Samtidigt som du håller tillbaka den lilla brytaren ska du trycka parkeringsbromsens brytare framåt för att lägga i parkeringsbromsen. Tryck parkeringsbromsens brytare bakåt för att koppla ur parkeringsbromsen (Figur 11).
Tryck omkopplaren för varningslampor framåt för att tända varningslamporna och bakåt för att släcka varningslamporna (Figur 11).
Tryck på blinkersomkopplarens vänstra sida för att aktivera blinkersen för vänstersväng och på dess högra sida för att aktivera blinkersen för högersväng (Figur 11).
Note: I mittläget är blinkersen avstängd.
Tändningslåset har tre lägen:STOPP, KöRNING/FöRVäRMNING och START (Figur 11).
Kraftuttagsbrytaren har två lägen: UTDRAGEN (start) och INTRYCKT (stopp). Dra ut kraftuttagsbrytaren för att aktivera ett redskap eller klippdäckets knivar. Tryck in knappen för att koppla ur driften av redskapet (Figur 11).
Tryck framtill på reglaget för att välja det HöGA HASTIGHETSOMRåDET. Tryck baktill på reglaget för att välja det LåGA HASTIGHETSOMRåDET. Maskinen måste stå stilla eller köras i under 1,0 km/h för att kunna växla mellan det HöGA och det LåGA läget (Figur 11).
Med omkopplaren för farthållaren ställer du in önskad hastighet för maskinen.
Flytta omkopplaren för farthållaren till mittläget för att sätta farthållaren i det PåSLAGNA läget. Tryck omkopplaren framåt för att ställa in hastigheten. Tryck omkopplaren bakåt för att koppla ur farthållaren (Figur 11).
Note: En bakåtrörelse med fotpedalen avaktiverar farthållaren.
När du aktiverat farthållaren kan du ändra farthållarens hastighet med InfoCenter.
Med brytarna för däcklyft kan du höja och sänka klippenheterna (Figur 11).
För brytarna framåt för att sänka ned klippenheten och bakåt för att höja upp den.
Note: Det går inte att sänka klippenheterna i det HöGA hastighetsintervallet, och det går varken att höja eller sänka klippenheterna om du inte sitter i sätet med motorn igång.
Note: Däcken kan bara höjas vid motorhastigheter under 2 000 varv/min. Endast ett däck åt gången höjs under 2 000 varv/min.
Gasreglaget har två positioner: LåG TOMGåNG och HöG TOMGåNG (Figur 11).
För reglaget framåt i minst två sekunder för att ställa in gasreglaget på HöG TOMGåNG. För reglaget bakåt i minst två sekunder för att ställa in gasreglaget på LåG TOMGåNG eller för tillfälligt reglaget i endera riktningen för att öka eller minska motorhastigheten i steg om 100 varv/minut.
Tryck ljusomkopplaren uppåt för att slå På lamporna (Figur 11).
Tryck ljusomkopplaren nedåt för att stänga AV lamporna.
Tryck på signalhornsknappen när du vill använda signalhornet (Figur 11).
För spaken på sidan om sätet utåt, skjut sätet till önskat läge och släpp sedan spaken för att låsa sätet i det läget (Figur 12).

Vrid på ratten för att justera armstödets vinkel (Figur 12).
Flytta spaken för att justera ryggstödets vinkel (Figur 12).
Viktmätaren anger när sätet har anpassats efter förarens vikt (Figur 12). Justera höjden genom att ställa in fjädringen i det gröna området.
Använd den här spaken för att göra justeringar efter förarens vikt (Figur 12). Dra upp spaken för att öka lufttrycket och tryck ner spaken för att minska lufttrycket. Sätet är korrekt justerat när viktmätaren är i det gröna området.
Du kan koppla in en bärbar laddare i USB-portarna och ladda enheter, t.ex. en telefon eller annan elektronisk utrustning (Figur 11).
Larmet aktiveras när ett fel känns av.
Summertonen hörs när följande inträffar:
Motorn skickar ett stoppfelmeddelande
Motorn skickar ett felmeddelande om kontroll av motorn
Bränslenivån är låg

Reglaget för luftcirkulation ställer in cirkulation av befintlig luft i hytten eller luftintag utifrån (Figur 13)
Ställ in reglaget på luftcirkulation när luftkonditioneringen används.
Ställ in reglaget på luftintag när värmaren eller fläkten används.
Vrid fläktreglaget för att reglera fläktens hastighet (Figur 13).
Vrid temperaturreglaget för att reglera lufttemperaturen i hytten (Figur 13).
Använd den här omkopplaren för att slå på och av vindrutetorkarna (Figur 13).
Använd den här brytaren för att slå på och av luftkonditioneringen (Figur 13).
Lyft upp spärrarna för att öppna vindrutan (Figur 14). Tryck in spärren så att vindrutan låses i öPPET läge. Dra spärren utåt och nedåt för att stänga och säkra vindrutan.

Lyft upp spärrarna för att öppna bakrutan. Tryck på spärren för att låsa fönstret i det öPPNA läget. Dra spärren utåt och nedåt för att stänga och säkra rutan (Figur 14).
Important: Stäng bakrutan innan du öppnar motorhuven, annars kan det bli skador på motorhuven eller fönstret.
Note: Specifikationer och utformning kan ändras utan föregående meddelande.

| Beskrivning | Figur 15referens | Mått och vikt | |
| Höjd med hytt | C | 240 cm | |
| Höjd med störtbåge | I | 216 cm | |
| Total maskinlängd | F | 442 cm | |
| Längd vid förvaring och transport | G | 434 cm | |
| Klippbredd | |||
| total | D | 488 cm | |
| främre klippenhet | 234 cm | ||
| sidoklippenhet | 145 cm | ||
| främre klippenhet och en sidoklippenhet | 361 cm | ||
| Total maskinbredd | |||
| med klippenheterna nere | E | 506 cm | |
| med upphöjda klippenheter (transportläge) | B | 251 cm | |
| Hjulbas | H | 194 cm | |
| Spårvidd (däck mitt till mitt) | |||
| fram | A | 159 cm | |
| bak | J | 142 cm | |
| Markfrigång | 25,4 cm | ||
| Nettovikt med hytt | 3 313 kg | ||
| Nettovikt med störtbåge | 3 044 kg | ||
Det finns ett urval av godkända Toro-redskap och -tillbehör som du kan använda för att förbättra och utöka maskinens kapacitet. Kontakta en auktoriserad serviceverkstad eller Toro-återförsäljare eller gå till www.Toro.com för att se en lista över alla godkända redskap och tillbehör.
Använd endast originalreservdelar och tillbehör från Toro för att garantera optimal prestanda och fortlöpande säkerhet för produkten. Det kan vara farligt att använda reservdelar och tillbehör från andra tillverkare och det kan göra produktgarantin ogiltig.
Note: Vänster och höger sida på maskinen är lika med förarens vänstra respektive högra sida vid normal körning.
Låt aldrig barn eller någon som inte har fått utbildning använda eller utföra underhåll på maskinen. Lokala föreskrifter kan begränsa förarens ålder. Det är ägaren som ansvarar för att utbilda alla förare och mekaniker.
Lär dig hur du använder utrustningen på ett säkert sätt och bekanta dig med manöverorgan och säkerhetsskyltar.
Stäng av motorn, ta ut nyckeln och vänta tills alla rörliga delar har stannat innan du kliver ur förarsätet. Låt maskinen svalna innan du utför service, justerar, rengör eller ställer den i förvar.
Lär dig att stanna maskinen och stänga av motorn snabbt.
Kontrollera att förarkontroller, säkerhetsbrytare och skydd sitter fast och fungerar som de ska. Kör inte maskinen om dessa inte fungerar som de ska.
Före klippning ska du alltid kontrollera att knivarna, knivbultarna och klippenheterna är i gott fungerande skick. Byt ut slitna eller skadade knivar och skruvar i satser så att balanseringen bibehålls.
Inspektera området där maskinen ska användas och ta bort föremål som maskinen kan slunga iväg.
Denna produkt genererar ett elektromagnetiskt fält. Om du använder en implanterbar elektronisk medicinteknisk produkt ska du kontakta din vårdgivare innan du använder den här produkten.
Var ytterst försiktig när du hanterar bränsle. Det är brandfarligt och dess ångor är explosiva.
Släck alla cigaretter, cigarrer, pipor och allt annat som brinner.
Använd endast en godkänd bränsledunk.
Ta inte bort tanklocket och fyll inte på bränsle i bränsletanken medan motorn är igång eller fortfarande är varm.
Fyll inte på eller tappa ut bränsle från maskinen i ett slutet utrymme.
Förvara inte maskinen eller bränslebehållaren i närheten av en öppen låga, gnista eller tändlåga, t.ex. nära en varmvattenberedare eller någon annan utrustning.
Om du spiller ut bränsle ska du inte försöka starta motorn. Undvik att skapa några gnistor tills bränsleångorna har skingrats.
Innan du startar motorn och använder maskinen ska du kontrollera oljenivån i motorns vevhus. Se Kontrollera oljenivån i motorn.
Innan du startar motorn och börjar använda maskinen bör du kontrollera kylsystemet; se Kontrollera kylsystemet.
Innan du startar motorn och börjar använda maskinen bör du kontrollera hydraulsystemet; se Kontrollera hydraulvätskan.
132 l
Important: Använd endast dieselbränsle med mycket låg svavelhalt. Bränsle med högre svavelhalt försämrar dieseloxideringskatalysatorn (DOC), vilket orsakar funktionsproblem och förkortar livslängden på motorkomponenterna.Underlåtenhet att följa nedanstående försiktighetsåtgärder kan skada motorn.
Använd aldrig fotogen eller bensin istället för dieselbränsle.
Blanda aldrig fotogen eller använd motorolja med dieselbränslet.
Förvara aldrig bränsle i behållare med zinkplätering på insidan.
Använd inte bränsletillsatser.
Cetantal: 45 eller högre
Svavelhalt: mycket låg svavelhalt (< 15 ppm)
| Specifikationer för dieselbränsle | Plats |
| ASTM D975 | USA |
| Nr 1-D S15 | |
| Nr 2-D S15 | |
| EN 590 | EU |
| ISO 8217 DMX | Internationell |
| JIS K2204 klass nr 2 | Japan |
| KSM-2610 | Korea |
Använd endast ren, färsk diesel eller biogasbränslen.
Köp inte mer bränsle än vad som går åt inom 180 dagar så att det garanterat är färskt.
Använd diesel för sommarbruk (nr 2-D) vid temperaturer över −7 °C och bränsle för vinterbruk (nr 1-D eller en blandning av nr 1-D/2-D) under −7 °C.
Note: Användning av bränsle för vinterbruk vid lägre temperaturer ger lägre flampunkts- och flytpunktsegenskaper, vilket gör att maskinen startar lättare och att inte bränslefiltret sätts igen i lika hög grad.Om diesel för sommarbruk används vid temperaturer över −7 °C bidrar det till att pumpen håller längre och har större effekt jämfört med bränsle för vinterbruk.
Maskinen kan också använda ett biodieselbränsle, upp till B20 (20 % biodiesel, 80 % petrodiesel).
Svavelhalt: mycket låg svavelhalt (< 15 ppm)
Specifikation för biodieselbränsle: ASTM D6751 eller SS-EN 14214
Specifikation för blandat bränsle: ASTM D975, SS-EN 590 eller JIS K2204
Important: Petroleumdieselandelens svavelhalt måste vara mycket låg.
Vidta följande säkerhetsåtgärder:
Biodieselblandningar kan skada målade ytor.
Använd B5 (andel biodiesel är 5 %) eller blandningar med mindre biodieselandel vid kallt väder.
Kontrollera tätningar, slangar och packningar som kommer i kontakt med bränsle, eftersom de kan försämras över tiden.
Vid byte till biodieselblandningar kan bränslefiltret sättas igen i början.
Kontakta en auktoriserad Toro-återförsäljare för mer information om biodieselbränsle.
Ställ maskinen på ett plant underlag (Figur 16).
Stäng av motorn, ta ut nyckeln och koppla in parkeringsbromsen.
Rengör runt tanklocket och ta bort locket.
Fyll på bränsle och montera tanklocket. Torka upp all utspilld bensin.

| Underhållsintervall | Underhållsförfarande |
|---|---|
| Varje användning eller dagligen |
|
Lufttrycket ska vara 2,2 bar i framdäcken och 2,07 bar i bakdäcken, som visas i Figur 17.
Important: Upprätthåll rätt tryck i alla däck för att säkerställa bra klippkvalitet och korrekt maskinfunktion. Däcken får inte vara för löst pumpade.Kontrollera trycket i alla däcken innan du kör maskinen.Hjuldrivningens kapacitet, inklusive kontroll av däckslirning, är beroende av skillnaden i däckstorlek mellan fram- och bakdäcken. Använd endast originaldäck från Toro.

Lufttrycket i svänghjulsdäcken ska vara 3,40 bar.
Important: Upprätthåll rätt tryck i alla däck för att säkerställa bra klippkvalitet och korrekt maskinfunktion. Däcken får inte vara för löst pumpade.Kontrollera lufttrycket i samtliga däck innan du kör maskinen.
| Underhållsintervall | Underhållsförfarande |
|---|---|
| Efter de första 10 timmarna |
|
| Var 250:e timme |
|
Om hjulmuttrarna inte dras åt ordentligt kan hjulen fungera dåligt eller falla av, vilket kan leda till personskador.
Dra åt de främre och bakre hjulmuttrarna till 135–150 Nm enligt underhållsschemat.
Klipphöjden kan justeras från 25 till 153 mm i steg om 13 mm. När du vill justera klipphöjden placerar du svänghjulsaxlarna i de övre eller nedre hålen i hjulgafflarna, lägger till eller tar bort ett jämnt antal distansbrickor från hjulgafflarna och fäster den bakre kedjan (endast på det främre däcket) i de önskade hålen.
Starta motorn och höj upp klippenheterna så att klipphöjden kan ändras.
Stäng av motorn och ta ut nyckeln när klippenheten har höjts upp.
Placera svänghjulsaxlarna i samma hål i alla hjulgafflar. Ta hjälp av tabellen (Figur 18) för att se vilka hål som är rätt för klipphöjdsinställningen.
Note: För att förhindra att gräs ansamlas mellan hjulet och hjulgaffeln ska du använda en klipphöjd på minst 76 mm och montera axelbulten i det nedre hjulgaffelhålet. När maskinen används med en klipphöjd på under 76 mm, och när du upptäcker gräsansamlingar, kör du maskinen baklänges så att gräsklippet dras bort från hjulet och gaffeln.

Lossa och ta bort spännlocket från svänghjulsspindelns axel med hjälp av den medföljande nyckeln för svänghjulslocket och skjut sedan ut svänghjulsaxeln ur svänghjulsarmen (Figur 19).

Trä på ett lämpligt antal distansbrickor på axeln så att önskad klipphöjd uppnås.
Note: Ta hjälp av tabellen ovan för att se vilken kombination av distansbrickor som är rätt för inställningen (Figur 18).
Note: Mellanläggen kan kombineras på valfritt sätt över eller under svänghjulsarmens nav (efter behov) för att få den klipphöjd eller däcknivå som önskas.
För svänghjulsaxeln genom den främre svänghjulsarmen.
Montera mellanläggen (så som de satt från början) och de återstående distansbrickorna på axeln (Figur 19).
Montera spännlocket och dra åt det med den medföljande nyckeln för svänghjulslocket för att säkra enheten (Figur 19).
Ta bort den hårnålssprint och sprintbult som håller fast klipphöjdskedjorna på klippenhetens bakre del (Figur 20).

Montera klipphöjdskedjorna i önskat klipphöjdshål med hjälp av sprintbulten och hårnålssprinten (Figur 21).
Note: Om du vill klippa med en lägre klipphöjd än 51 mm ska du flytta medarna, klipphöjdshjulen och valsarna till de översta hålen.

Starta motorn och höj upp klippenheterna så att klipphöjden kan ändras.
Stäng av motorn och ta ut nyckeln när du har höjt upp klippenheten.
Placera svänghjulsaxlarna i samma hål i alla hjulgafflar. Ta hjälp av tabellen för att se vilka hål som är rätt för klipphöjdsinställningen (Figur 22).
Note: För att förhindra att gräs ansamlas mellan hjulet och hjulgaffeln ska du använda en klipphöjd på minst 76 mm och montera axelbulten i det nedre hjulgaffelhålet. När maskinen används med en klipphöjd på under 76 mm, och när du upptäcker gräsansamlingar, kör du maskinen baklänges så att gräsklippet dras bort från hjulet och gaffeln.

Lossa och ta bort spännlocket från svänghjulsspindelns axel med hjälp av den medföljande nyckeln för svänghjulslocket och skjut sedan ut svänghjulsaxeln ur svänghjulsarmen (Figur 23).
Note: Mellanläggen kan kombineras på valfritt sätt över eller under svänghjulsarmens nav (efter behov) för att få den klipphöjd eller däcknivå som önskas.

Montera två mellanlägg på axeln så som de satt från början och trä på lämpligt antal distansbrickor på axeln så att önskad klipphöjd uppnås.
För svänghjulsaxeln genom svänghjulsarmen.
Montera mellanläggen (såsom de satt från början) och de återstående distansbrickorna på axeln.
Montera spännlocket och dra åt det med den medföljande nyckeln för svänghjulslocket för att säkra enheten.
Montera de inre medarna i det nedre läget när du använder klipphöjder över 51 mm och i det övre läget när du använder klipphöjder under 51 mm.
Justera de inre medarna (Figur 24).
Important: Dra åt skruven längst fram på varje inre med till 9–11 Nm.

Montera de yttre medarna i det nedre läget när du använder klipphöjder över 51 mm och i det övre läget när du använder klipphöjder under 51 mm.
Note: När de yttre medarna har slitits ned kan du vända på dem och sedan byta sida på dem. På så sätt kan du använda de yttre medarna längre innan du byter ut dem.
Justera de yttre medarna (Figur 25).
Important: Dra åt skruven längst fram på varje yttre med till 9–11 Nm.


Montera valsen i det nedre läget när du använder klipphöjder över 51 mm och i det övre läget när du använder klipphöjder under 51 mm.
På grund av skillnader i gräsförhållanden och traktorenhetens motviktsinställning bör du klippa lite gräs och kontrollera utseendet innan du börjar klippa hela området.
Ställ in alla klippenheter till önskad klipphöjd. Se Justera klipphöjden.
Kontrollera och justera trycket i fram- och bakdäck.
Note: Lufttrycket ska vara 2,2 bar i framdäcken och 2,07 bar i bakdäcken.
Kontrollera och justera däcktrycket i alla svänghjulen till 3,40 bar.
Kontrollera lyft- och motviktstrycket med motorn på HöG TOMGåNG med hjälp av kontrollportarna. Se Inspektera hydraulsystemets kontrollportar.
Kontrollera att knivarna inte är böjda. Se Kontrollera om någon kniv är böjd.
Klipp gräset på ett testområde och kontrollera att alla klippenheter klipper med samma höjd.
Om du behöver justera en klippenhet letar du upp ett plant underlag. Du avgör om underlaget är plant med en riktlinjal på minst 2 meter.
Öka klipphöjden till det högsta läget så blir det lättare att mäta knivplanet. Se Justera klipphöjden.
Sänk ned klippenheterna på ett plant underlag och avlägsna kåporna som sitter ovanpå klippenheterna.
Rotera kniven på varje spindel tills ändarna är riktade framåt/bakåt.
Endast för den yttre knivspindeln: Justera mellanläggen på de främre svänghjulsgafflarna lika mycket, så att de passar den önskade klipphöjden.
Mät från golvet till den främre knivspetsen.
Rotera kniven 180° och mät från golvet till knivspetsen.
Note: Knivens bakre del ska vara 7,5 mm högre än den främre.
Note: Om en justering krävs justerar du mellanläggen på de bakre hjulgafflarna.
Placera knivarna sida vid sida på den yttre spindeln på båda vingklippenheterna.
Mät från golvet till skäreggens spets på båda enheterna och jämför måtten.
Note: Måtten får inte skilja sig åt med mer än 3 mm. Gör inga inställningar just nu.
Placera knivarna sida vid sida på vingklippenhetens inre spindel och motsvarande yttre spindel på den främre klippenheten.
Mät från golvet till spetsen på skäreggen på vingklippenhetens inre egg, och till motsvarande yttre egg på den främre klippenheten, och jämför måtten.
Note: Vingklippdäckets svänghjul ska stå kvar på marken när en motvikt används.
Note: Om du behöver göra justeringar för att den främre klippenheten och vingklippenheten ska klippa lika ska du enbart justera vingklippenheterna.
Om den inre eggen på vingklippenheten är för hög i förhållande till den yttre eggen på den främre klippenheten, avlägsnar du ett mellanlägg från botten av vingklippenhetens främre inre svänghjulsarm (Figur 28 och Figur 29).
Note: Kontrollera återigen måtten mellan vingklippenheternas yttre eggar samt mellan vingklippenhetens inre egg och den främre klippenhetens yttre egg.


Om den inre eggen fortfarande är för hög tar du bort ytterligare ett mellanlägg från botten av den främre inre svänghjulsarmen på vingklippenheten och ett mellanlägg från den främre yttre svänghjulsarmen på vingklippenheten (Figur 28 och Figur 29).
Om den inre eggen på vingklippenheten är för låg i förhållande till den yttre eggen på den främre klippenheten lägger du till ett mellanlägg i botten på den främre inre svänghjulsarmen på vingklippenheten (Figur 28 och Figur 29).
Note: Kontrollera återigen måtten mellan vingklippenheternas yttre eggar samt mellan vingklippenhetens inre egg och den främre klippenhetens yttre egg.
Om den inre eggen fortfarande är för låg lägger du till ytterligare ett mellanlägg i botten av vingklippenhetens främre inre svänghjulsarm och ett mellanlägg på vingklippenhetens främre yttre svänghjulsarm.
När klipphöjden är densamma vid kanterna på den främre klippenheten och vingklippenheten ska du kontrollera att klippenhetslutningen fortfarande är 7,6 mm.
Sitt på sätet när du justerar backspegeln, så att du får så bra sikt som möjligt genom bakrutan. Dra spaken bakåt för att luta spegeln och minska ljusstyrkan och risken att bli bländad (Figur 30).

Sitt på sätet och be någon att hjälpa dig att justera sidospeglarna så att du ser sidorna av maskinen så bra som möjligt (Figur 30).
Lossa monteringsmuttrarna och rikta in strålkastarna så att de pekar rakt framåt.
Note: Dra inte åt monteringsmuttern hårdare än vad som krävs för att hålla strålkastaren i rätt position.
Lägg en platt plåt över strålkastarens framsida.
Montera en magnetisk gradskiva på plåten.
Håll enheten på plats, luta försiktigt strålkastaren nedåt med 3° och dra sedan åt muttern.
Upprepa proceduren med den andra strålkastaren.
Om säkerhetsbrytarna är frånkopplade eller skadade kan maskinen plötsligt aktiveras, vilket i sin tur kan leda till personskador.
Gör inga otillåtna ändringar på säkerhetssystemen och inaktivera dem inte.
Kontrollera säkerhetsbrytarnas funktion dagligen och byt ut eventuella skadade brytare innan maskinen körs.
Maskinens säkerhetssystem är utformat för att avaktivera hjuldrivningen om gaspedalen inte befinner sig i NEUTRALLäGET när föraren lämnar sätet. Däckdrivningen avaktiveras också under det förhållandet. Du kan dock lämna sätet medan motorn är igång om gaspedalen är i NEUTRALLäGET.
Kör maskinen sakta till ett stort och öppet område.
Sänk ned klippenheterna, stäng av motorn och koppla in parkeringsbromsen.
Flytta gaspedalen så att den inte ligger i NEUTRALLäGET och starta motorn.
Note: Motorn bör inte starta. Om den ändå startar finns det ett funktionsfel i säkerhetssystemet som ska åtgärdas innan arbetet återupptas.
Ta bort foten från gaspedalen, starta motorn och lägg i parkeringsbromsen.
Låt motorn gå och flytta gaspedalen så att den inte ligger i NEUTRALLäGET.
Note: Hjuldrivningen ska inte fungera. Om den ändå fungerar finns det ett funktionsfel i säkerhetssystemet som ska åtgärdas innan arbetet återupptas.
Starta motorn.
Låt motorn gå, res dig från sätet och koppla in kraftuttaget.
Note: Kraftuttaget ska inte starta. Om det ändå kopplas in finns det ett funktionsfel i säkerhetssystemet som ska åtgärdas innan arbetet återupptas.
Sitt på sätet och koppla ur kraftuttagsbrytaren.
Låt motorn gå, koppla in kraftuttaget och res dig från sätet.
Note: Drivremmen till kraftuttaget bör koppla ur efter en sekunds fördröjning. Om den inte stängs av finns det ett funktionsfel i säkerhetssystemet som ska åtgärdas innan arbetet återupptas.
Sitt på sätet, koppla ur kraftuttaget och starta motorn.
Låt motorn gå, koppla in kraftuttaget och höj upp klippenheterna var för sig.
Note: Den upphöjda klippenhetens knivar ska stanna. Om knivarna inte stannar finns det ett funktionsfel i säkerhetssystemet, vilket ska åtgärdas innan arbetet återupptas.
| Underhållsintervall | Underhållsförfarande |
|---|---|
| Varje användning eller dagligen |
|
Klippenhetens knivar bör ha stannat helt ca fem sekunder efter att klippdäcksbrytaren har stängts av.
Note: Säkerställ att däcken sänks ned på en ren gräsmatta eller hård yta för att undvika att damm och skräp kastas omkring. Kontrollera stopptiden genom att ta hjälp av en annan person som ska stå minst 6 m från däcket och observera knivarna på den ena klippenheten. Stäng av klippenheterna och notera hur lång tid det tar för knivarna att stanna helt. Om det tar mer än sju sekunder behöver bromsventilen justeras. Kontakta en auktoriserad Toro-återförsäljare för att få hjälp att utföra denna justering.
Ägaren/operatören kan förebygga olyckor samt ansvarar för olyckor som kan ge upphov till personskador eller skador på egendom.
Använd lämpliga kläder, inklusive ögonskydd, långbyxor, rejäla och halkfria skor samt hörselskydd. Sätt upp långt hår och använd inte hängande smycken eller löst sittande kläder. Använd munskydd vid dammiga driftförhållanden.
Kör inte maskinen om du är sjuk, trött eller påverkad av alkohol eller läkemedel.
Var fullt koncentrerad på maskinen när du använder den. Delta inte i aktiviteter som kan distrahera dig, eftersom personskador eller skador på egendom då kan uppstå.
Se till att alla drivenheter är i neutralläge, parkeringsbromsen är inkopplad och att du sitter i förarsätet innan du startar motorn.
Skjutsa inte passagerare på maskinen och håll kringstående och barn på säkert avstånd från arbetsområdet.
Använd endast maskinen om du har god sikt, så att du kan undvika gropar och dolda faror.
Undvik att klippa vått gräs. Försämrat grepp kan göra att maskinen glider.
Håll händer och fötter borta från rörliga delar. Håll avstånd till utkastaröppningen.
Titta bakåt och nedåt innan du backar för att se till att vägen är fri.
Var försiktig när du närmar dig hörn med skymd sikt, buskage, träd eller andra objekt som kan försämra sikten.
Stanna knivarna när du inte klipper gräs.
Stanna maskinen, ta ut nyckeln och vänta tills alla rörliga delar har stannat innan du undersöker redskapet om du kör på ett föremål eller om maskinen vibrerar på ett onormalt sätt. Reparera alla skador innan du börjar köra maskinen igen.
Sakta ned och var försiktig när du svänger och korsar vägar och trottoarer med maskinen. Lämna alltid företräde.
Koppla ur klippenhetens drivenhet, stäng av motorn, ta ut nyckeln och vänta tills alla rörelser har avstannat innan du justerar klipphöjden (såvida du inte kan justera den från arbetsläget).
Kör endast motorn i välventilerade utrymmen. Avgaser innehåller koloxid, vilket är dödligt om det andas in.
Lämna aldrig en maskin som är i gång utan uppsikt.
Innan du kliver ur förarsätet ska du göra följande:
Ställ maskinen på ett plant underlag.
Koppla ur kraftuttaget och sänk ner redskapen.
Koppla in parkeringsbromsen.
Stäng av motorn och ta ut nyckeln.
Vänta tills alla rörliga delar har stannat.
Använd endast maskinen när sikten är god. Använd inte maskinen när det finns risk för blixtnedslag.
Använd inte maskinen som bogserfordon.
Använd endast tillbehör, redskap och reservdelar som har godkänts av Toro.
Använd endast farthållaren (om sådan finns) när du kan köra maskinen i ett öppet och plant område som är fritt från hinder och där maskinen kan köras med en konstant hastighet utan avbrott.
Vältskyddet är en inbyggd, effektiv säkerhetsanordning.
Ta inte bort några vältskyddsdelar från maskinen.
Kontrollera att säkerhetsbältet fäster vid maskinen.
Dra bältesremmen över knät och spänn fast säkerhetsbältet i spännet på andra sidan sätet.
För att lossa säkerhetsbältet ska du hålla i bältet, trycka på knappen på spännet för att frigöra bältet och styra in det i den automatiska indragningens öppning. Säkerställ att du kan lossa säkerhetsbältet snabbt i en nödsituation.
Var mycket uppmärksam på hinder som kan finnas ovanför dig och vidrör dem inte.
Håll vältskyddet i säkert bruksskick genom att regelbundet inspektera det noga och kontrollera att det inte är skadat samt hålla alla fästelement åtdragna.
Byt ut skadade vältskyddsdelar. Reparera eller ändra dem inte.
En hytt som monteras av Toro har en störtbåge.
Använd alltid säkerhetsbältet.
Sluttningar är en betydande faktor vid olyckor som orsakas av att föraren förlorat kontrollen eller att maskinen välter, vilket kan innebära livsfara eller leda till allvarliga personskador. Du ansvarar för säker drift i sluttningar. Du måste vara extra försiktig när du kör maskinen i en sluttning.
Utvärdera förhållandena på platsen för att bedöma om sluttningen är säker för körning av maskinen, bland annat genom att undersöka hela arbetsplatsen. Använd alltid sunt förnuft och ett gott omdöme när du utför kontrollen.
Gå igenom instruktionerna för körning av maskinen i sluttningar nedan och fastställ om maskinen kan användas under de förhållanden som råder på den platsen och den dagen. Förändringar i terrängen kan leda till att maskinens manövrering i sluttningar förändras.
Undvik att starta, stänga av eller svänga med maskinen i sluttningar. Undvik att göra plötsliga ändringar i hastighet eller riktning. Sväng långsamt och successivt.
Använd inte maskinen under förhållanden där det råder tvekan om dragkraft, styrning eller stabilitet.
Avlägsna eller märk ut hinder såsom diken, hål, fåror, gupp, stenar och andra dolda faror. Det kan finnas dolda hinder i högt gräs. Ojämn terräng kan göra att maskinen välter.
Observera att maskinen kan tappa drivkraft om maskinen körs på vått gräs, tvärs över sluttningar eller nedför en sluttning. Drivhjul som tappar drivkraft kan leda till att maskinen glider och att du förlorar kontrollen över bromsning och styrning.
Var mycket försiktig när du använder maskinen nära stup, diken, flodbäddar, vattendrag eller andra faror. Maskinen kan välta plötsligt om ett hjul kör över en kant eller kanten ger med sig. Håll ett säkert avstånd mellan maskinen och riskfyllda områden.
Identifiera faror nere vid slutet av sluttningen. Klipp sluttningen med en handgräsklippare om det finns faror.
Om möjligt ska klippenheterna hållas nedsänkta mot marken när du kör maskinen i sluttningar. Om klippenheterna höjs vid körning i sluttningar kan maskinen bli ostadig.
Var mycket försiktig när du använder gräsuppsamlingssystem och andra redskap. De kan ändra maskinens stabilitet och leda till att du förlorar kontrollen.
Kontrollera att parkeringsbromsen ligger i.
Ta bort foten från gaspedalen och kontrollera att den är i NEUTRALLäGET.
Vrid tändningsnyckeln till KöRLäGET.
Vid tändningsnyckeln till STARTLäGET när glödindikatorn slocknar.
Släpp nyckeln omedelbart när motorn startar och låt den gå tillbaka till KöRLäGET.
Låt motorn bli varm genom att köra den med lågt varvtal (utan belastning) i 3–5 minuter, och aktivera sedan gasreglaget för att uppnå önskad motorhastighet.
Important: Startmotorn avaktiveras automatiskt efter 30 sekunder för att förhindra förtida fel i startmotorn. Vrid nyckeln till det AVSTäNGDA läget om motorn inte startar efter 30 sekunder. Kontrollera reglagen och procedurerna, vänta i 2 minuter och upprepa startproceduren.
Note: När hydraulvätskans temperatur är under 4 °C körs maskinen i uppvärmningsläge och begränsar motorvarvtalet till 1 650 varv/min samt förhindrar hjuldrivning i högväxelläge. När vätsketemperaturen når 4 °C avaktiveras uppvärmningsläget.
Sätt gasreglaget i läget för LåG TOMGåNG.
För kraftuttagsbrytaren till URKOPPLAT läge.
Koppla in parkeringsbromsen.
Vrid tändningsnyckeln till läget AV.
Ta ut nyckeln ur tändningslåset för att undvika oavsiktlig start.
Important: Låt motorn gå på tomgång i fem minuter innan du stänger av den efter arbete under full belastning. Om detta inte görs kan resultatet bli turboladdarproblem.
Sitt i förarsätet och starta motorn.
Note: Om du kör maskinen på under 2 000 varv/min (t.ex. när du kör motorn på tomgång eller transporterar maskinen in eller ut från en byggnad) kan du inte höja upp alla klippenheter samtidigt. Det går endast att höja en klippenhet åt gången.
För brytarna för däcklyft bakåt för att höja däcken.
Använd handtaget och haka loss hakarna som håller klippdäcken i det upphöjda läget.
Vrid tändningsnyckeln till KöRLäGET när du sitter i sätet (Figur 31).

För brytarna för däcklyft framåt för att sänka däcken.
Dieselpartikelfiltret (DPF) ingår i avgassystemet. Katalysatorn för dieseloxidering i dieselpartikelfiltret minskar mängden skadliga gaser och tar bort sot från motorns avgasrör.
Dieselpartikelfiltrets regenereringsprocess använder värme från avgasröret till att förbränna sot som ansamlats på sotfiltret, vilket omvandlar sotet till aska och rensar kanalerna i sotfiltret så att filtrerade avgaser från motorn flödar ut ur dieselpartikelfiltret.
Motorns dator övervakar mängden sot genom att mäta baktrycket i dieselpartikelfiltret. Om baktrycket är för högt kan sotet inte förbrännas i sotfiltret då motorn går normalt. Tänk på följande för att hålla dieselpartikelfiltret fritt från sot:
Passiv regenerering förekommer kontinuerligt medan motorn är igång. Kör motorn på fullt motorvarvtal när det är möjligt för att främja DPF-regenerering.
Om baktrycket i dieselpartikelfiltret är för högt eller en återställningsregenerering inte har gjorts på 100 timmar visar motorns dator när en återställningsregenerering pågår via InfoCenter.
Låt processen för återställningsregenerering slutföras innan du stänger av motorn.
Använd och underhåll maskinen med dieselpartikelfiltrets funktioner i åtanke. Motorbelastning på tomgång med högt motorvarvtal (full gas) producerar i allmänhet tillräcklig avgastemperatur för DPF-regenereringen.
Important: Minimera tiden som du låter motorn gå på tomgång eller du kör motorn på ett lägre varvtal för att minska ansamlingen av sot i sotfiltret.
Med tiden ansamlas sot i dieselpartikelfiltrets sotfilter. Motorns dator övervakar sotnivån i dieselpartikelfiltret.
När tillräckligt med sot har ansamlats meddelar datorn dig att det är dags att regenerera dieselpartikelfiltret.
DPF-regenerering är en process som värmer upp dieselpartikelfiltret, vilket omvandlar sotet till aska.
Förutom att ge varningsmeddelanden minskar datorn även motorns effekt vid olika nivåer av sotansamling.
Lättare aska töms ut genom avgassystemet. Tyngre aska ansamlas i sotfiltret.
Aska är en biprodukt av regenereringsprocessen. Med tiden ansamlas aska i dieselpartikelfiltret, som inte töms ut genom motorns avgasrör.
Motorns dator beräknar mängden aska som har ansamlats i dieselpartikelfiltret.
När tillräckligt med aska har ansamlats skickar motorns dator information till InfoCenter i form av ett motorfel för att ange att det ansamlats aska i dieselpartikelfiltret.
Felmeddelandena anger att det är dags att serva dieselpartikelfiltret.
Förutom att ge varningsmeddelanden minskar datorn även motorns effekt vid olika nivåer av askansamling.
| Indikeringsnivå | Felkod | Minskning av motorvarvtal | Motoreffekt | Rekommenderad åtgärd |
|---|---|---|---|---|
| Nivå 1: Motorvarning |
![]() | Ingen | Datorn minskar motoreffekten till 85 %. | Utför service på dieselpartikelfiltret. Se Serva dieseloxideringskatalysatorn (DOC) och sotfiltret |
| Nivå 2: Motorvarning |
![]() | Ingen | Datorn minskar motoreffekten till 50 %. | Utför service på dieselpartikelfiltret. Se Serva dieseloxideringskatalysatorn (DOC) och sotfiltret |
| Nivå 3: Motorvarning |
![]() | Motorvarvtal vid högsta moment + 200 varv/min. | Datorn minskar motoreffekten till 50 %. | Utför service på dieselpartikelfiltret. Se Serva dieseloxideringskatalysatorn (DOC) och sotfiltret |
| Typ av regenerering | Förhållanden som leder till DPF-regenerering | Beskrivning av DPF-drift |
|---|---|---|
| Passiv | Inträffar under normal användning av maskinen vid högt motorvarvtal eller hög motorbelastning | • InfoCenter visar inte en symbol som anger passiv regenerering. |
| • Under passiv regenerering bearbetar dieselpartikelfiltret mycket varma avgaser, oxiderar skadliga utsläpp och bränner sot till aska. | ||
| Se Passiv DPF-regenerering. | ||
| Stöd | Inträffar till följd av låga motorvarvtal och låg motorbelastning, eller efter det att datorn har upptäckt att dieselpartikelfiltret är tilltäppt av sot | • InfoCenter visar inte en symbol som anger stödregenerering. |
| • Under stödregenereringen justerar motorns dator motorns inställningar för att höja avgastemperaturen. | ||
| Se DPF-stödregenerering. | ||
| Återställning | Inträffar var 100:e timme | • När symbolen för hög avgastemperatur visas i InfoCenter pågår
en regenerering. |
| Inträffar även efter stödregenereringen utifall att datorn upptäcker att stödregenereringen inte minskade sotnivån tillräckligt | ||
| • Under återställningsregenerering justerar motorns dator motorns inställningar för att höja avgastemperaturen. | ||
| Se Återställningsregenerering. |
| Typ av regenerering | Förhållanden som leder till DPF-regenerering | Beskrivning av DPF-drift |
|---|---|---|
| Parkerad | Inträffar till följd av att datorn upptäcker baktryck i dieselpartikelfiltret som orsakats av att sot har ansamlats | • När en symbol för
återställning-standby/parkerad regenerering eller återhämtningsregenerering eller MEDDELANDE
NR 188 visas i InfoCenter har en regenerering begärts. |
| Inträffar även till följd av att föraren startar en parkerad regenerering | ||
| Kan inträffa till följd av att du har ställt in att återställningsregenerering ska spärras i InfoCenter och sedan har fortsatt använda maskinen, vilket har lett till att mer sot har ansamlats när dieselpartikelfiltret redan behöver en återställningsregenerering | • Genomför en parkerad regenerering så snart som möjligt så att du slipper behöva genomföra en återhämtningsregenerering. | |
| Detta kan inträffa som en följd av användning av fel bränsle eller motorolja | • En parkerad regenerering tar 30–60 minuter. | |
| • Tanken måste vara minst ¼ full. | ||
| • Du måste parkera maskinen för att kunna genomföra en parkerad regenerering. | ||
| Se Parkerad regenerering eller återhämtningsregenerering. | ||
| Återställning | Inträffar till följd av att föraren har ignorerat förfrågningarna om parkerad regenerering och fortsatt att använda maskinen, vilket har lett till att mer sot har ansamlats i dieselpartikelfiltret | • När en symbol för återställning-standby/parkerad
regenerering eller återhämtningsregenerering eller MEDDELANDE
NR 190 visas i InfoCenter har en återhämtningsregenerering
begärts. |
| • En återhämtningsregenerering tar upp till tre timmar att slutföra. | ||
| • Tanken måste vara minst halvfull. | ||
| • Du måste parkera maskinen för att kunna genomföra en återställningsregenerering. | ||
| Se Parkerad regenerering eller återhämtningsregenerering. |
Gå till DPF-regenereringsmenyn och tryck på knapp 1 eller 2 och bläddra till alternativet LAST REGEN (senaste regenerering) (Figur 36).

Välj alternativet Last Regen (senaste regenerering) genom att trycka på knapp 4 (Figur 36).
Använd fältet LAST REGEN (senaste regenerering) (Figur 37) för att fastställa hur många timmar du har kört motorn sedan senaste parkerade regenerering, återställningsregenerering eller återhämtningsregenerering.

Tryck på knapp 4 för att återgå till skärmen för DPF-regenerering eller tryck på knapp 5 för att gå ut ur servicemenyn och återgå till startskärmen.
Important: Av praktiska skäl är det möjligt att välja att utföra en parkerad regenerering innan sotnivån når 100 %, förutsatt att motorn har gått i mer än 50 timmar sedan den senaste genomförda parkerade regenereringen eller återställnings- och återhämtningsregenereringen.
Använd menyn för tekniker för att se den aktuella statusen för reglaget för motorregenerering och den angivna sotnivån.
Gå till menyn för DPF-regenerering och tryck på knapp 1 eller 2 för att bläddra ner till alternativet TECHNICIAN (Figur 38).

Tryck på knappen 4 för att välja alternativet Technician (tekniker) (Figur 38)
Status- och sotbelastningsinformation visas.
Använd tabellen över dieselpartikelfiltrets drift för att se den aktuella statusen för dieselpartikelfiltrets drift (Figur 39).

| Status | Beskrivning | |
|---|---|---|
| Normal | Dieselpartikelfiltret är i normalt driftläge – passiv regenerering. | |
| Assist Regen (stödregenerering) | Motorns dator utför en stödregenerering. | |
| Reset Stby (standby för återställning) | Motorns dator försöker att utföra en återställningsregenerering, men något av följande villkor förhindrar regenereringen: | Inställningen för att spärra regenerering är inställd på På. |
| Avgastemperaturen är för låg för regenerering. | ||
| Reset Regen (återställningsregenerering) | Motorns dator utför en återställningsregenerering. | |
| Parked Stby (standby för parkerad regenerering) | Motorns dator begär att du utför en parkerad regenerering. | |
| Parked Regen (parkerad regenerering) | Du har initierat en regenereringsbegäran och motorns dator bearbetar nu regenereringen. | |
| Recov. (återhämtning) Stby | Motorns dator begär att du utför en återhämtningsregenerering. | |
| Recov. (återhämtning) Regen | Du har initierat en begäran för återhämtningsregenerering och motorns dator bearbetar nu regenereringen. | |
Se hur hög sotnivån är, beräknat som den procentuella andelen sot i dieselpartikelfiltret (Figur 40). Se tabellen över sotnivån.
Note: Sotnivån varierar när maskinen används och DPF-regenerering utförs.

| Viktiga sotnivåvärden | Regenereringsstatus |
|---|---|
| 0 till 5 % | Minimiläge för sotnivån |
| 78 % | Motorns dator utför en stödregenerering. |
| 100 % | Motorns dator begär automatiskt en parkerad regenerering. |
| 122 % | Motorns dator begär automatiskt en återhämtningsregenerering. |
Tryck på knapp 4 för att återgå till teknikskärmen eller tryck på knapp 5 för att gå ut ur servicemenyn och återgå till startskärmen.
Passiv regenerering genomförs som en del av motorns vanliga drift.
När du använder maskinen ska du köra motorn på fullt motorvarvtal och hög belastning så ofta du kan för att främja DPF-regenerering.
Motorns dator justerar motorns inställningar för att höja avgastemperaturen.
När du använder maskinen ska du köra motorn på fullt motorvarvtal och hög belastning så ofta du kan för att främja DPF-regenerering.
Avgastemperaturen är mycket hög (ca 600 °C) under DPF-regenereringen. Heta avgaser kan skada dig eller andra människor.
Kör aldrig motorn i ett slutet utrymme.
Se till att det inte finns något brännbart material runt avgassystemet.
Rör aldrig vid en het avgassystemskomponent.
Stå aldrig vid eller i närheten av maskinens avgasrör.

Symbolen för hög avgastemperatur
visas i InfoCenter (Figur 41).
Motorns dator justerar motorns inställningar för att höja avgastemperaturen.
Important: Symbolen för hög avgastemperatur visar att maskinens avgastemperatur kan vara varmare än under regelbunden drift.
När du använder maskinen ska du köra motorn på fullt motorvarvtal och hög belastning så ofta du kan för att främja DPF-regenerering.
Symbolen visas i InfoCenter medan återställningsregenereringen pågår.
När så är möjligt bör du inte stänga av motorn eller minska motorns varvtal medan återställningsregenereringen pågår.
Important: När så är möjligt ska du låta maskinen slutföra återställningsregenereringsprocessen innan du stänger av motorn.
Om motorn inte har genomgått en parkerad regenerering eller återställnings- och återhämtningsregenerering under de senaste 100 timmarna av användning kommer motorn att försöka utföra en återställningsregenerering.
Note: Om du ställer in att regenerering ska spärras i InfoCenter visar InfoCenter MEDDELANDE NR 1215 (Figur 42) var femtonde minut medan motorn begär en återställningsregenerering.

En återställningsregenerering leder till ökade motoravgaser. Om du använder maskinen i närheten av träd, buskar, högt gräs eller andra temperaturkänsliga växter eller material kan du använda inställningen Inhibit Regen för att hindra motorns dator från att utföra en återställningsregenerering.
Important: När du stänger av motorn och startar den igen återgår inställningarna för Inhibit Regen automatiskt till AV.
Gå till DPF-regenereringsmenyn och tryck på knapp 1 eller 2 för att bläddra till alternativet INHIBIT REGEN (spärra regenerering) (Figur 43).

Tryck på knapp 4 för att välja alternativet Inhibit Regen (spärra regenerering) (Figur 43).
Tryck på knapp 4 för att ändra inställningen för Inhibit Regen (spärra regenerering) från På till Av (Figur 44) eller från Av till På.

InfoCenter visar symbolen för hög avgastemperatur
när återställningsregenereringen
pågår.
Note: Om INHIBIT REGEN (spärra regenerering) är inställd på På visas MEDDELANDE NR 1215 (Figur 45) i InfoCenter. Tryck på valfri knapp för att ställa in inställningen för Inhibit Regen (spärra regenerering) till AV och fortsätta med återställningsregenereringen.

Note: Om motorns avgastemperatur är för låg visas MEDDELANDE NR 1216 (Figur 46) i InfoCenter för att informera dig om att köra motorn på full gas (hög tomgång).

Note: När återställningsregenereringen har slutförts
försvinner symbolen för hög avgastemperatur
från InfoCenter-skärmen.
När motorns dator begär antingen en parkerad regenerering eller en återhämtningsregenerering visas symbolen för regenereringsförfrågan (Figur 47) i InfoCenter.

Maskinen utför inte en parkerad regenerering eller en återhämtningsregenerering automatiskt, utan du måste köra regenereringen via InfoCenter.
När motorns dator begär en parkerad regenerering visas följande meddelanden i InfoCenter:
Motorvarning SPN 3720, FMI 16 (Figur 48)

Parkerad regenerering begärs MEDDELANDE NR 1212 (Figur 49)
Note: Meddelande nr 1212 visas var femtonde minut.

Om du inte utför en parkerad regenerering inom två timmar visar InfoCenter meddelandet parkerad regenerering krävs – kraftuttaget inaktiverat MEDDELANDE NR 1213 (Figur 50).

Important: Utför en parkerad regenerering för att återställa kraftuttagets funktion. Se Förbereda för en parkerad regenerering eller en återställningsregenerering och Utföra en parkerad regenerering eller en återhämtningsregenerering.
Note: Startskärmen visar kraftuttaget som inaktiverat MEDDELANDE #1213 var femtonde minut tills du utför en parkerad regenerering eller tills motorns dator kräver att du utför en återhämtningsregenerering.
När motorns dator begär en återhämtningsregenerering visas följande meddelanden i InfoCenter:
Återhämtningsregenerering krävs – kraftuttaget avaktiverat MEDDELANDE NR 1214 (Figur 51)

Important: Utför en återhämtningsregenerering för att återställa kraftuttagets funktion. Se Förbereda för en parkerad regenerering eller en återställningsregenerering och Utföra en parkerad regenerering eller en återhämtningsregenerering.
Note: Startskärmen visar kraftuttaget som inaktiverat MEDDELANDE #1214 var femtonde minut tills du utför en återhämtningsregenerering.
Om motorns dator begär en återhämtningsregenerering eller behandlar en återhämtningsregenerering och du väljer alternativet PARKED REGEN (parkerad regenerering) (Figur 52) låser sig skärmen Parked Regen (parkerad regenerering) (ej tillgänglig).


Om motorns dator inte har begärt en återhämtningsregenerering och du väljer alternativet RECOVERY REGEN (återhämtningsregenerering) (Figur 53) låser sig skärmen Recovery Regen (återhämtningsregenerering) (ej tillgänglig).


Kontrollera att maskinen har tillräckligt med bränsle i tanken för den typ av regenerering du ska utföra:
Parkerad regenerering: Se till tanken är minst ¼ full.
Återställningsregenerering: Se till att tanken är minst halvfull.
Flytta maskinen utomhus till ett område utan brandfarligt material.
Ställ maskinen på ett plant underlag.
Kontrollera att gaspedalerna eller rörelsereglagespakarna är i NEUTRALLäGET.
När så är möjligt bör du stänga av kraftuttaget och sänka klippenheterna eller tillbehören.
Koppla in parkeringsbromsen.
Ställ in gasreglaget på LåG TOMGåNG.
Avgastemperaturen är mycket hög (ca 600 °C) under DPF-regenereringen. Heta avgaser kan skada dig eller andra människor.
Kör aldrig motorn i ett slutet utrymme.
Se till att det inte finns något brännbart material runt avgassystemet.
Rör aldrig vid en het avgassystemskomponent.
Stå aldrig vid eller i närheten av maskinens avgasrör.
Important: Maskinens dator avbryter DPF-regenereringen om du ökar motorvarvtalet från låg tomgång eller kopplar ur parkeringsbromsen.
Gå till DPF-regenereringsmenyn och tryck på knapp 1 eller 2 för att bläddra ner till alternativet PARKED REGEN (parkerad regenerering) eller alternativet RECOVERY REGEN (återhämtningsregenerering) (Figur 54).


Tryck på knapp 4 för att välja alternativet Parked Regen (parkerad regenerering) eller alternativetRecovery Regen (återhämtningsregenerering) (Figur 55).
Tryck på knapp 4 för att starta regenereringen på menyn Parked Regen (parkerad regenerering), eller menyn Recovery Regen (återhämtningsregenerering) (Figur 55).


På skärmen VERIFY FUEL LEVEL (kontrollera bränslenivå) kontrollerar du att minst en fjärdedel av bränsletanken är fylld om du utför en parkerad regenerering eller minst halvfull om du utför en återhämtningsregenerering. Tryck sedan på knapp 4 för att fortsätta (Figur 56).


Bekräfta att parkeringsbromsen är inkopplad och att motorvarvtalet är inställt på låg tomgång på skärmen med DPF-checklistan. Tryck sedan på knapp 4 för att fortsätta (Figur 57).


När du är på skärmen INITIATE DPF REGEN (starta DPF-regenerering) (Figur 58) trycker du på knapp 4 för att fortsätta.


Meddelandet INITIATING DPF REGEN (startar DPF-regenerering) visas i InfoCenter (Figur 59).
Note: Vid behov, tryck på knapp 4 för att avsluta regenereringsprocessen.


Ett meddelande om tidsspannet för slutföring visas i InfoCenter (Figur 60).
Note: Vid behov, tryck på knapp 4 för att avsluta regenereringsprocessen.


Motorns dator kontrollerar motorns status och felinformation. De meddelanden som anges i tabellen nedan kan komma att visas i InfoCenter:
Parked Regen (parkerad regenerering) | Recovery Regen (återhämtningsregenerering) |
| Kontrollera meddelande: Färre än 50 timmar sedan den senaste regenereringen – tryck på valfri knapp. | |
| Åtgärd: Stäng menyfältet för regenerering och kör maskinen tills det har gått mer än 50 timmar sedan den senaste regenereringen. Se Timmar sedan senaste regenereringen utfördes. | |
Parked Regen (parkerad regenerering) | Recovery Regen (återhämtningsregenerering) |
| Kontrollera meddelande: Aktiv diagnostisk felkod 1220 – tryck på valfri knapp. | |
| Åtgärd: Felsök motorfelet och prova att utföra DPF-regenereringen igen. | |
Parked Regen (parkerad regenerering) | Recovery Regen (återhämtningsregenerering) |
| Kontrollera meddelande: Starta motor 1222 – tryck på valfri knapp. | |
| Åtgärd: Starta och kör motorn. | |
Parked Regen (parkerad regenerering) | Recovery Regen (återhämtningsregenerering) |
| Kontrollera meddelande: Motorn är inte tillräckligt varm 1221 – tryck på valfri knapp. | |
| Åtgärd: Låt motorn gå tills kylmedelstemperaturen har nått 60 °C. | |
Parked Regen (parkerad regenerering) | Recovery Regen (återhämtningsregenerering) |
| Kontrollera meddelande: Lägre motorvarvtal 1223 – tryck på valfri knapp. | |
| Åtgärd: Ändra motorvarvtalet till låg tomgång. | |
Parked Regen (parkerad regenerering) | Recovery Regen (återhämtningsregenerering) |
| Kontrollera meddelande: Regenerering avvisades av motorn 1217 – tryck på valfri knapp. | |
| Åtgärd: Felsök motorns dator och prova att utföra DPF-regenereringen igen. | |
Startskärmen visas i InfoCenter och symbolen för bekräftad regenerering (Figur 61) visas i det nedre högra hörnet allt eftersom regenereringen fortlöper.

Note: Medan DPF-regenereringen pågår visas symbolen för
hög avgastemperatur
i InfoCenter.
När motorns dator har slutfört en parkerad regenerering eller återhämtningsregenerering visas MEDDELANDE NR 1224 i InfoCenter (Figur 62). Tryck på valfri knapp för att återgå till startskärmen.

Note: Om regenereringen inte slutförs visas Meddelande nr 1218 i InfoCenter (Figur 63). Tryck på valfri knapp för att återgå till startskärmen.

Använd inställningarna Parked Regen Cancel eller Recovery Regen Cancel för att avbryta en pågående parkerad regenerering eller återhämtningsregenerering.
Gå till DPF-regenereringsmenyn och tryck på knapp 1 eller 2 för att bläddra ner till alternativet PARKED REGEN (parkerad regenerering) eller alternativet RECOVERY REGEN (återhämtningsregenerering) (Figur 64).


Tryck på knapp 4 för att annullera en Parked Regen (parkerad regenerering) eller annullera en Recovery Regen (återhämtningsregenerering) (Figur 65).


Note: Tryck på knapp 5 för att gå ut ur regenereringsskärmen om du inte vill avsluta den parkerade regenereringen eller återhämtningsregenereringen.
Öva på att köra maskinen, eftersom den har en hydrostatisk transmission och dess egenskaper kan skilja sig från andra maskiner för gräsunderhåll.
Med Toro Smart Power™ behöver du inte lyssna på motorhastigheten när tung last dras. Tack vare Smart Power-drivningen kör inte maskinen fast under tunga klippförhållanden eftersom den automatiskt styr maskinhastigheten och optimerar klipprestandan.
Om Toro Smart Power™ är avaktiverat måste du hålla motorvarvtalet högt och konstant med hjälp av gaspedalen. Detta måste göras så att tillräckligt med kraftförsörjning upprätthålls för traktorenheten och arbetsredskapen under körning. Sänk körhastigheten när belastningen ökar, och öka hastigheten när belastningen minskar.
Låt gaspedalen gå bakåt när motorns varvtal minskar och tryck ned pedalen långsamt när varvtalet ökar. När du kör mellan olika arbetsplatser utan last och med klippenheten upphöjd sätter du istället gasreglaget i det högsta läget och trycker ned gaspedalen långsamt, men helt, för att erhålla högsta möjliga hastighet.
Koppla ur samtliga reglage och minska motorvarvtalet till LåG TOMGåNG (1 000 varv/min) innan du stänger av motorn. Vrid tändningsnyckeln till det AVSTäNGDA läget för att stänga av motorn.
Höj upp klippenheterna och fäst vingklippenheternas transportspärrar innan du transporterar maskinen (Figur 66).

Maskinen har konstruerats med två spänningssystem: 12 V och 24 V.
12 V-systemet driver maskinens samtliga funktioner, med undantag för motorns kylfläktar och hydraulsystemets fläktar. De två stora 12 V-batterierna i maskinens bakre högra hörn parallellkopplas för att ge nominellt 12 V. 12 V-motor-generatorn laddar dessa batterier.
24 V-systemet driver motorns kylfläktar och hydraulsystemets fläktar. De två små 12 V-batterierna i maskinens bakre vänstra hörn kopplas i serie att ge nominellt 24 V. 24 V-generatorn laddar dessa batterier.
Bortkopplingsbrytaren för batteriet sitter på maskinens bakre högra sida. Brytaren kan användas för att lossa kraftförsörjning från batterierna under service och underhåll.
Hydraulfläktens hastighet styrs av hydraulvätskans temperatur. Kylarfläktens hastighet styrs av motorkylvätskans temperatur. En omvänd cykel startar automatiskt båda fläktarna när antingen motorkylarvätskan eller hydraulvätskan når en viss temperatur. Denna omvända cykel blåser bort skräp från gallren och sänker motorkylvätskans och hydraulvätskans temperatur (Figur 67). Dessutom körs kylarfläktarna bakåt var 21:a minut oavsett kylvätskans temperatur.

Starta motorn och kör den på HALV TOMGåNG tills den är uppvärmd. Ställ motorhastighetsknappen i läget för HöG TOMGåNG, lyft upp klippenheterna, koppla ur parkeringsbromsen, tryck på gaspedalen för framåtkörning och kör försiktigt till en öppen plats.
Öva på att köra framåt och backa samt starta och stanna maskinen. Stanna maskinen genom att ta bort foten från gaspedalen och låta pedalen återgå till NEUTRALLäGE, eller trampa ned backningspedalen.
Note: När du kör nedför en sluttning med maskinen kan du behöva använda backningspedalen för att stanna.
Öva på att köra runt hinder med klippenheterna uppe respektive nere. Var försiktig när du kör i trånga utrymmen, så att du inte skadar maskinen eller klippenheterna.
Kör alltid långsamt på ojämnt underlag.
Om det finns ett hinder i vägen lyfter du klippenheterna så att du kan klippa runt hindret.
När du transporterar maskinen från ett arbetsområde till ett annat ska kraftuttaget kopplas ur, klippenheterna höjas upp helt och hållet, reglaget för klippning/transport föras till TRANSPORTLäGET, transportspärrarna aktiveras och gasreglaget föras till det SNABBA läget.
Byt klippmönster ofta för att undvika ett dåligt klippresultat till följd av upprepad klippning i en och samma riktning.
Motviktssystemet bibehåller det hydrauliska baktrycket på klippenhetens lyftcylindrar. Detta tryck förbättrar drivkraften genom att klippenhetens vikt överförs till gräsklipparens drivhjul. Motviktstrycket har ställts in på fabriken för optimal jämvikt mellan klippresultat och dragkraft vid de flesta gräsförhållanden.
Om du minskar motviktsinställningen kan du få en stabilare klippenhet, men dragkraften kan minska. Om du ökar motviktsinställningen kan dragkraften öka, men klippresultatet kan bli sämre. Mer information om hur du justerar motviktstrycket finns i servicehandboken till traktorenheten.
Se felsökningsguiden för klippresultatsproblem på www.Toro.com.
Börja klippningen genom att koppla in klippenheterna och därefter köra långsamt mot det område som ska klippas.
Om du vill klippa vissa områden i ett randigt mönster med räta linjer letar du reda på ett träd eller något annat föremål längre bort och kör rakt emot det.
Gör en droppformad sväng för att snabbt komma i läge för nästa klippsträcka så snart de främre klippenheterna når klippområdets kant.
Samlarskärmar som skruvas fast finns tillgängliga för klippenheterna. Samlarskärmarna fungerar utmärkt om du underhåller gräset regelbundet så att inte mer än 2,5 cm avlägsnas vid varje klippning. Om för mycket av gräsets längd klipps av när samlarskärmarna är monterade kan slutresultatet efter klippning försämras och behovet av större motoreffekt märkas. Samlarskärmarna fungerar även bra till att sönderdela löv på hösten.
Klipp av cirka en tredjedel av grässtrået vid gräsklippning. Vid klippning av ovanligt frodigt och tätt gräs kan det vara nödvändigt att höja klipphöjdsinställningen ytterligare ett steg (Figur 68).

Klippdäckets lutning är skillnaden i klipphöjd mellan knivplanets främre del och knivplanets bakre del. Använd en knivlutning på 7,6 mm. En lutning på mer än 7,6 mm leder till minskat effektbehov, större gräsklipp och sämre klippkvalitet. En lutning på mindre än 7,6 mm medför ökat effektbehov, mindre gräsklipp och bättre klippkvalitet.
Begränsa solens påverkan genom att parkera maskinen i skugga. Lämna dörrarna öppna i direkt solljus.
Kontrollera att luftkonditioneringsfiltret är rent.
Kontrollera att luftkonditioneringens kondensorflänsar är rena.
Kör luftkonditioneringens fläkt på halvfart.
Kontrollera att tätningen mellan taket och takklädseln är hel och åtgärda den vid behov.
Mät lufttemperaturen vid den främre mittenventilen i takklädseln. Den ska vanligtvis ligga på 10 °C eller kallare.
Se servicehandboken för mer information.
Stäng av motorn, ta ut nyckeln och vänta tills alla rörliga delar har stannat innan du kliver ur förarsätet. Låt maskinen svalna innan du utför service, justerar, rengör eller ställer den i förvar.
För att förebygga brandrisker måste du se till att alla klippenheter, drivenheter, ljuddämpare, kylskärmar och motorrum är fria från gräs och skräp. Torka upp eventuellt olje- eller bränslespill.
Om klippenheterna är i transportläget ska du använda det positiva låset (om så utrustad) innan du lämnar maskinen utan uppsikt.
Låt motorn svalna innan maskinen ställs undan i ett slutet utrymme.
Ta ut nyckeln och stäng av bränsletillförseln (i förekommande fall) vid förvaring och transport.
Förvara aldrig maskinen eller bränslebehållaren i närheten av en öppen låga, gnista eller tändlåga, t.ex. på en varmvattenberedare eller någon annan anordning.
Underhåll och rengör säkerhetsbälten vid behov
Note: Detta alarm är till för att förhindra att batteriet laddas ur.
Ett larm ljuder när följande tillstånd föreligger:
Motorn stängs av.
Nyckeln är i körläget.
Föraren sitter inte i sätet.
Important: Knuffa eller bogsera inte maskinen snabbare än 3–4,8 km/h. Om maskinen knuffas eller bogseras snabbare kan transmissionen skadas.Förbikopplingsventilen måste alltid vara öppen när maskinen knuffas eller bogseras.
Öppna motorhuven och lokalisera förbikopplingsventilerna på pumpen.

Lossa båda bogserventilerna på den hydrostatiska transmissionen.
Vrid varje ventil tre varv moturs för att öppna ventilen och låta vätskan avledas internt.
Släpp upp den automatiska parkeringsbromsen manuellt med hjälp av förbikopplingsventilen och kolven enligt Figur 70.

Knuffa eller bogsera maskinen.
Sluta knuffa eller bogsera maskinen och stäng förbikopplingsventilen. Dra åt ventilen till 70 Nm.
Note: Parkeringsbromsens manuella urkoppling återställs automatiskt när motorn startas eller handtaget för förbikopplingsventilen dras upp.

Ta ut nyckeln och stäng av bränsletillförseln (i förekommande fall) vid förvaring och transport.
Var försiktig när du lastar på eller av maskinen från en släpvagn eller lastbil.
Använd ramper i fullbredd när du lastar maskinen på en släpvagn eller lastbil.
Bind fast maskinen så att den sitter säkert.
Note: Vänster och höger sida på maskinen är lika med förarens vänstra respektive högra sida vid normal körning.
Important: Ytterligare information om underhållsrutiner finns i bruksanvisningen till motorn.
Important: Om du utför maskinunderhåll och kör motorn med ett avgasrör ska inställningen för spärrad regenerering vara På. Se Ställa in Inhibit Regen (spärra regenerering).
Innan du kliver ur förarsätet ska du göra följande:
Ställ maskinen på ett plant underlag.
Koppla ur kraftuttaget och sänk ner redskapen.
Koppla in parkeringsbromsen.
Stäng av motorn och ta ut nyckeln.
Vänta tills alla rörliga delar har stannat.
Använd lämpliga kläder, inklusive ögonskydd, långbyxor och kraftiga halkfria skor. Håll händer, fötter, kläder, smycken och långt hår borta från alla rörliga delar.
Om du lämnar nyckeln i tändningslåset kan någon råka starta motorn av misstag och skada dig eller någon annan person allvarligt. Ta ut nyckeln ur tändningslåset innan du utför något underhåll.
Låt maskinens komponenter svalna innan du utför underhåll.
Om klippenheterna är i transportläget ska du använda det positiva låset (i förekommande fall) innan du lämnar maskinen utan uppsikt.
Utför om möjligt inget underhåll på maskinen medan motorn är igång. Håll dig på avstånd från rörliga delar.
Kör endast motorn i välventilerade utrymmen. Avgaser innehåller koloxid, vilket är dödligt om det andas in.
Stötta upp maskinen med pallbockar när du arbetar under maskinen.
Lätta försiktigt på trycket i komponenter med lagrad energi.
Håll alla maskindelar i gott bruksskick och samtliga beslag åtdragna, i synnerhet knivens fästelement.
Byt ut alla slitna eller skadade dekaler.
Använd endast originalreservdelar och tillbehör från Toro för att garantera en säker, optimal prestanda för maskinen. Det kan vara farligt att använda reservdelar från andra tillverkare och det kan göra produktgarantin ogiltig.
| Underhållsintervall | Underhållsförfarande |
|---|---|
| Efter de första 10 timmarna |
|
| Efter de första 50 timmarna |
|
| Varje användning eller dagligen |
|
| Var 50:e timme |
|
| Var 100:e timme |
|
| Var 250:e timme |
|
| Var 400:e timme |
|
| Var 500:e timme |
|
| Var 800:e timme |
|
| Var 1000:e timme |
|
| Var 1500:e timme |
|
| Var 2000:e timme |
|
| Var 3000:e timme |
|
| Var 6000:e timme |
|
| Före förvaring |
|
| Vartannat år |
|
Kopiera sidan och använd den regelbundet.
| Kontrollpunkt | Vecka: | ||||||
|---|---|---|---|---|---|---|---|
| Måndag | Tisdag | Onsdag | Torsdag | Fredag | Lördag | Söndag | |
| Kontrollera att säkerhetssystemet fungerar. | |||||||
| Kontrollera bromsens funktion. | |||||||
| Kontrollera oljenivån i motorn. | |||||||
| Kontrollera vätskenivån i kylsystemet. | |||||||
| Töm vatten-/bränsleseparatorn. | |||||||
| Kontrollera luftfiltret, dammkåpan och luftningsventilen. | |||||||
| Undersök ovanliga motorljud.1 | |||||||
| Undersök om det finns skräp i kylargallret och hydrauloljekylarens galler och blås ut med komprimerad luft. | |||||||
| Kontrollera om det finns missljud vid körning/användning. | |||||||
| Kontrollera vätskenivån i hydraulsystemet. | |||||||
| Kontrollera att det inte finns skador på hydraulslangarna. | |||||||
| Kontrollera att systemet inte har några oljeläckor. | |||||||
| Kontrollera bränslenivån. | |||||||
| Kontrollera däckens och svänghjulens tryck. | |||||||
| Kontrollera instrumentfunktionen. | |||||||
| Kontrollera klipphöjdsinställningen. | |||||||
| Smörj alla smörjnipplarna.2 | |||||||
| Rengör maskinen. | |||||||
| Bättra på skadad lack. | |||||||
|
1Undersök glödstift, insprutningsmunstycken och motorluftfiltren om motorn är svårstartad, om den avger överdrivet mycket rök eller vid ojämn gång. 2 Omedelbart efter varje tvätt, oavsett intervallet i listan. |
|||||||
| Kontrollen utförd av: | ||
| Artikel | Datum | Information |
Öppna motorhuven för att komma åt bortkopplingsbrytaren för batteriet.
Vrid bortkopplingsbrytaren för batteriet till det PåSLAGNA läget eller det AVSTäNGDA läget för att göra följande:
Vrid bortkopplingsbrytaren för batteriet medurs till det PåSLAGNA läget (Figur 74) för att koppla in elektriciteten för maskinen.
Vrid bortkopplingsbrytaren för batteriet moturs till det AVSTäNGDA läget (Figur 74) för att koppla från elektriciteten för maskinen.
Important: Vrid inte bortkopplingsbrytaren för batteriet till det AVSTäNGDA läget när motorn är igång. Kontrollera att maskinen är avstängd innan du vrider bortkopplingsbrytaren för batteriet till det AVSTäNGDA läget, eftersom kan du skada motorn och/eller maskinen.

Sänk ned vingdäcken på en plan yta.
Lösgör spärrarna till skyddet.
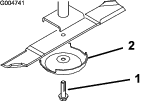
Ta bort den skruv som håller fast remkåpan (i förekommande fall).
Lyft de bakre och inre kanterna på skyddet från monteringsstolparna (Figur 77).

Skjut kåpan cirka 2,5 cm mot traktorenheten för att få loss kåpans yttre kant från klippdäcket (Figur 78).

Lyft upp framkanten och ta bort den genom att föra den mellan lyftarmen och valsen (Figur 79).

Sänk ned vingdäcken på en plan yta.
Skjut skyddet på plats genom att föra den bakre kanten mellan lyftarmen och valsen.
För ytterkanten under det främre och bakre fästet på däcket samtidigt som du skjuter skyddet bort från traktorn.
Passa in däckmonteringsstolparna med hålen på skyddet och sänk ned skyddet på plats.
Montera bulten som fäster bältskyddet (om det finns ett sådant).
Haka i spärren på däckskyddet.
| Underhållsintervall | Underhållsförfarande |
|---|---|
| Var 50:e timme |
|
Maskinen har smörjnipplar som måste smörjas regelbundet med fett nr 2 på litiumbas. Smörj även maskinen omedelbart efter varje tvätt.
Important: Låt inte motorstyrenheten (ECU) eller elkontakter komma i direkt kontakt med vatten, eftersom detta kan orsaka skador. Se Figur 87 för styrenhetens och de elektriska anslutningarnas placering.

Stäng av motorn och ta ut nyckeln innan du kontrollerar oljenivån eller fyller på olja i vevhuset.
Ändra inte varvtalshållarens inställning och övervarva inte motorn.
Undersök om luftrenarhuset har några skador som skulle kunna orsaka en luftläcka, och byt ut huset om det är skadat. Undersök hela luftintagssystemet för att se om det finns läckor, skador eller lösa slangklämmor. Kontrollera även att anslutningarna till luftintagsgummislangarna på luftrenaren och turboladdaren är hela.
Serva luftrenarfiltret endast när meddelandet ”Check Air Filter” (Kontrollera luftrenarfilter) visas på InfoCenter-displayen (Figur 88). Om du byter luftfiltret tidigare ökar det risken för att smuts kommer in i motorn när du har avlägsnat filtret.
Försäkra dig om att kåpan sitter som den ska och sluter tätt runt luftrenarhuset.

| Underhållsintervall | Underhållsförfarande |
|---|---|
| Var 50:e timme |
|
Undersök om luftrenarhuset har skador som skulle kunna orsaka en luftläcka. Ett skadat luftrenarhus måste bytas ut.
Rengör luftrenarkåpan (Figur 89).

| Underhållsintervall | Underhållsförfarande |
|---|---|
| Var 250:e timme |
|
| Var 500:e timme |
|
Maskinens luftintag övervakas kontinuerligt av en luftbegränsningssensor som visar ett meddelande när luftfiltret behöver bytas ut. Byt inte ut insatserna innan detta inträffar.
Important: Byt endast ut sekundärfiltret mot ett nytt var tredje gång som huvudfiltret servas. Ta inte bort sekundärinsatsen när du rengör eller byter ut huvudinsatsen. Den inre insatsen hindrar att damm tränger in i motorn när du servar huvudinsatsen.
Important: Kör inte motorn utan att en luftrenare har installerats, eftersom främmande material då kan komma in i motorn och skada den.
Lossa spärrhakarna som fäster luftrenarkåpan på luftrenarhuset (Figur 90).

Ta bort kåpan från luftrenaren.
Använd lågtrycksluft (2,75 bar, ren och torr) innan du tar bort filtret, för att ta bort stora ansamlingar av skräp som har packats mellan huvudfiltrets utsida och skålen.
Note: Undvik att använda högtrycksluft, eftersom den kan tvinga smutsen genom filtret och in i luftintaget. Denna rengöringsprocess förhindrar att det kommer in skräp i luftintaget när huvudfiltret tas bort.
Ta bort huvudfiltret (Figur 91).
Note: Rengör inte det använda filtret eftersom det då finns risk för att filtret skadas.
Note: Byt ut sekundärfiltret mot ett nytt var tredje gång huvudfiltret servas (Figur 92).


Undersök om det nya filtret har några transportskador genom att kontrollera filtrets förseglade ände och själva filtret.
Important: Använd inte ett skadat filter.
Sätt i det nya filtret genom att trycka på dess yttre kant för att fästa det i skålen.
Important: Tryck inte mitt på filtret där det är böjligt, eftersom filtret kan skadas då.
Rengör smutsutblåsningens öppning i den avtagbara kåpan.
Ta bort gummiutloppsventilen från kåpan, rengör håligheten och byt ut utloppsventilen.
Montera kåpan med gummiutloppsventilen i nedåtläge – någonstans mellan läget klockan 5 och klockan 7 sett från änden.
Fäst kåpans spärrhakar.
Använd högkvalitativ motorolja med låg askhalt som uppfyller eller överträffar följande specifikationer:
API-servicekategori CJ-4 eller högre
ACEA-servicekategori E6
JASO-servicekategori DH-2
Important: Om motorolja av annan typ än API CJ-4 eller högre, ACEA E6 eller JASO DH-2 används kan detta orsaka att dieselpartikelfiltret täpps igen eller att motorn skadas.
Använd motorolja med följande viskositetsgrad:
Rekommenderad olja: SAE 15W-40 (över –18 °C) F)
Alternativ olja: SAE 10W-30 eller 5W-30 (alla temperaturer)
Toro Premium-motorolja med en oljeviskositet på 15W-40 eller 10W-30 kan köpas hos auktoriserade Toro-återförsäljare. Artikelnummer hittar du i reservdelskatalogen.
| Underhållsintervall | Underhållsförfarande |
|---|---|
| Varje användning eller dagligen |
|
Motorn levereras med olja i vevhuset. Oljenivån måste dock kontrolleras innan och efter motorn startas första gången.
Important: Kontrollera motoroljan dagligen. Om oljenivån är ovanför markeringen Full på oljestickan kan motoroljan vara utspädd med bränsle.Om oljenivån är ovanför markeringen Full ska du byta motoroljan.
Det är bäst att kontrollera motoroljan när motorn är kall, innan den har startats för dagen. Om motorn redan har varit igång, ska du låta oljan rinna tillbaka ned till sumpen i minst 10 minuter innan du kontrollerar den. Fyll på olja tills nivån når upp till markeringen ”Full” på oljestickan om nivån ligger på eller under markeringen ”Add”.Fyll inte på för mycket olja i motorn.
Important: Motoroljenivån ska ligga mellan den övre och den nedre markeringen på oljestickan. Motorn kan gå sönder om du kör den med för mycket eller för lite olja.
Kontrollera motoroljenivån, se Figur 93.

Note: När du använder annan olja bör du tappa ut all gammal olja ur vevhuset innan du fyller på ny olja.
10,4 liter med filtret
| Underhållsintervall | Underhållsförfarande |
|---|---|
| Var 500:e timme |
|
Note: Byt motoroljan oljefiltret oftare när arbetsförhållandena är extremt dammiga eller sandiga.
Starta motorn och låt den gå i fem minuter så att oljan värms upp.
Ställ maskinen på ett plant underlag, lägg i parkeringsbromsen, sänk ned klippdäcket, stäng av motorn och ta ut startnyckeln.
Byt motoroljan på det sätt som visas i Figur 94.


Byt ut motoroljefiltret (Figur 95).
Note: Kontrollera att oljefilterpackningen ligger mot motorn och vrid sedan ytterligare ¾ varv.


| Underhållsintervall | Underhållsförfarande |
|---|---|
| Var 1000:e timme |
|
Läs om justeringen i bruksanvisningen till motorn.
| Underhållsintervall | Underhållsförfarande |
|---|---|
| Var 1500:e timme |
|
Se motorns bruksanvisning för information om hur du rengör motorns EGR-kylare.
| Underhållsintervall | Underhållsförfarande |
|---|---|
| Var 1500:e timme |
|
Se motorns bruksanvisning för information om hur du undersöker vevhusets ventilatorsystem.
| Underhållsintervall | Underhållsförfarande |
|---|---|
| Var 2000:e timme |
|
För information om du kontrollerar och byter bränsleslangarna och motorkylvätskans slangar, se motorns bruksanvisning.
| Underhållsintervall | Underhållsförfarande |
|---|---|
| Var 2000:e timme |
|
Se motorns bruksanvisning för information om hur du slipar eller justerar motorns insugs- och utblåsventiler.
| Underhållsintervall | Underhållsförfarande |
|---|---|
| Var 3000:e timme |
|
Se motorns bruksanvisning för information om att undersöka och rengöra de utsläppsbegränsande komponenterna.
| Underhållsintervall | Underhållsförfarande |
|---|---|
| Var 6000:e timme |
|
Om systemmeddelande visas i InfoCenter är det nästan dags för service av dieseloxideringskatalysatorn och sotfiltret i dieselpartikelfiltret.

Om motorfel (Kontrollera motor), (Kontrollera motor) eller (Kontrollera motor) visas i InfoCenter (Figur 97) ska du rengöra sotfiltret genom att följa stegen nedan:



I avsnittet om motorn i servicehandboken finns information om demontering och montering av dieseloxideringskatalysatorn och sotfiltret i dieselpartikelfiltret.
Kontakta en auktoriserad Toro-återförsäljare om du behöver reservdelar eller service av dieseloxideringskatalysatorn och sotfiltret.
Kontakta en auktoriserad Toro-återförsäljare för att låta dem återställa motorns styrenhet när du har monterat ett rent dieselpartikelfilter.
Den här bruksanvisningen innehåller mer detaljerad information om underhåll av bränsle och bränslesystemet än bruksanvisningen för Yanmar®-motorn, som är en allmän beskrivning av bränsle och bränsleunderhåll.
Observera att underhåll av bränslesystemet, underhåll, bränsleförvaring och bränslekvalitet kräver din ständiga uppmärksamhet, så att driftstopp och omfattande motorreparationer kan undvikas.
Bränslesystemet har en extremt snäv tolerans till följd av emissions- och kontrollkraven. Dieselbränslets kvalitet och renhet är mer betydande för en lång livslängd hos dagens common rail-system med högt tryck (HPCR) för bränsleinsprutning som används i dieselmotorer.
Important: Vatten eller luft i bränslesystemet skadar motorn! Utgå inte från att nytt bränsle är rent. Säkerställ att bränslet kommer från en kvalitetsleverantör, förvara bränslet korrekt och se till att allt bränsle används inom 180 dagar.
Important: Om du inte följer förfarandet för byte av bränslefilter, underhåll av bränslesystemet och bränsleförvaring kan motorns bränslesystem gå sönder i förtid. Utför allt underhåll av bränslesystemet vid angivna intervaller, när bränslet blir förorenat eller dess kvalitet börjar bli dålig.
Lämplig bränsleförvaring är avgörande för motorn. Korrekt underhåll av bränsleförvaringstankar förbises ofta och leder till kontaminering av bränslet som överförs till maskinen.
Samla endast upp bränsle av en mängd som du kommer att förbruka inom 180 dagar. Använd inte bränsle som har förvarats i mer än 180 dagar. På så sätt undviker du att det kommer in vatten och andra föroreningar i bränslet.
Om du inte tar bort vattnet från förvaringstanken eller maskinens bränsletank kan detta leda till rost eller förorening i förvaringstanken och bränslesystemets komponenter. Tankslam som uppstår till följd av mögel, bakterier eller svamp begränsar flödet och täpper till filtret och bränsleinsprutarna.
Inspektera bränsleförvaringstanken och maskinens bränsletank regelbundet för att kontrollera tankens bränslekvalitet.
Se till att bränslet kommer från en kvalitetsleverantör.
Om du upptäcker vatten eller föroreningar i förvaringstanken eller maskinens bränsletank ska du kontakta bränsleleverantören för att i samråd med dem åtgärda problemet och utföra underhåll av hela bränslesystemet.
Förvara inte dieselbränsle i tankar eller behållare tillverkade med zinkpläterade komponenter.

| Underhållsintervall | Underhållsförfarande |
|---|---|
| Varje användning eller dagligen |
|
Töm ut vatten från bränsle-/vattenseparatorn enligt Figur 99.

Flöda filtret och ledningarna till högtryckspumpen. Se Flöda bränslesystemet.
| Underhållsintervall | Underhållsförfarande |
|---|---|
| Var 400:e timme |
|
Byt ut filtret enligt Figur 100.

Flöda filtret och ledningarna till högtryckspumpen. Se Flöda bränslesystemet.
| Underhållsintervall | Underhållsförfarande |
|---|---|
| Var 500:e timme |
|
Gör rent området kring bränslefilterhuvudet (Figur 101).

Demontera filtret och rengör filterhuvudets monteringsyta (Figur 101).
Smörj filterpackningen med ren motorsmörjolja. Mer information finns i bruksanvisningen till motorn (medföljer maskinen).
Montera den torra filterskålen för hand tills packningen kommer i kontakt med filterhuvudet, och vrid den sedan ytterligare ett halvt varv.
Flöda filtret och ledningarna till högtryckspumpen. Se Flöda bränslesystemet.
Starta motorn och kontrollera om det finns bränsleläckor kring filterhuvudet.
| Underhållsintervall | Underhållsförfarande |
|---|---|
| Var 800:e timme |
|
| Före förvaring |
|
Utöver vid de angivna serviceintervallen ska tanken tömmas och rengöras om bränslesystemet förorenas eller om du ställer maskinen i förvaring under en längre period. Använd rent bränsle för att spola ur tanken.
Flöda filtret och ledningarna till högtryckspumpen. Se Flöda bränslesystemet.
| Underhållsintervall | Underhållsförfarande |
|---|---|
| Var 400:e timme |
|
Kontrollera om bränsleledningarna har skadats eller försämrats på något annat sätt, eller om det finns lösa anslutningar.
Byt ut eventuella försämrade klämmor eller slangar.
Note: Flöda bränslesystemet om du byter ut några bränsleslangar. Se Flöda bränslesystemet.
Flöda bränslesystemet efter följande scenarier:
När bränslefiltret byts ut.
När vattenseparatorn töms efter varje användning eller dagligen.
När bränslet tar slut.
När en bränsleslang byts ut eller bränslesystemet öppnas av någon anledning.
Innan du flödar bränslesystemet ska du utföra följande steg:
Important: Använd inte motorns startmotor för att starta motorn i syfte att flöda bränslesystemet.
Kontrollera att det finns bränsle i bränsletanken.
Utför följande steg för att flöda filtret och ledningarna till högtryckspumpen för att förhindra slitage och skador på pumpen:
Vrid nyckeln till läget På i 15–20 sekunder.
Vrid nyckeln till läget AV i 30–40 sekunder.
Note: Detta gör att styrenheten stängs av.
Vrid nyckeln till läget På i 15–20 sekunder.
Kontrollera om det finns några läckor runt filter och slangar.
Starta motorn och undersök om det finns läckor.
Koppla bort batteriet innan reparation utförs på maskinen. Lossa minuskabelanslutningen först och pluskabelanslutningen sist. Återanslut pluskabelanslutningen först och minuskabelanslutningen sist.
Ladda batteriet i ett öppet och välventilerat utrymme, på avstånd från gnistor och öppna lågor. Koppla ur laddaren innan batteriet ansluts eller kopplas bort. Använd skyddskläder och isolerade verktyg.
| Underhållsintervall | Underhållsförfarande |
|---|---|
| Var 50:e timme |
|
Important: Lossa minuskabeln från batteriet innan du svetsar något på maskinen, så att inte elsystemet skadas. Koppla även bort motorn, InfoCenter och maskinens styrenheter innan du svetsar på maskinen.
Note: Se till att hålla kabelanslutningarna och hela batterilådan rena, eftersom ett smutsigt batteri långsamt laddas ur. Rengör batteriet genom att tvätta hela lådan med en lösning bestående av natriumbikarbonat och vatten. Skölj med rent vatten. Fetta in batteripoler och kabelskor med smörjfett av typen Grafo 112X (skinover) (Toro artikelnr 505-47) eller vaselin för att förhindra korrosion.
Important: Om du installerar något extra tillbehör på maskinen så är de enda godkända strömkällorna traktorenhetens säkringsblock (Figur 106) och hyttens säkringsblock (Figur 108). Maximalt 10 A får tas ut från respektive källa. Kontakta en auktoriserad Toro-återförsäljare för att få hjälp.
Note: Stäng av motorn och ta ur nyckeln innan du tar bort säkringarna.
Traktorenhetens säkringar (Figur 102) sitter i elcentralkonsolen bakom sätet (Figur 103).
Ytterligare säkringar till traktorenheten (Figur 104) sitter på maskinens bakre högra sida (Figur 105).





Hyttsäkringarna (Figur 107) sitter i säkringsdosan i hyttens takklädsel (Figur 108).


När batterierna laddas bildas explosiva gaser.
Rök inte nära batteriet och håll batterierna borta från gnistor och lågor.
Note: Detta förfarande är avsett för laddning av 12 V-systemet.
Important: Håll batterierna fulladdade. Detta är särskilt viktigt för att batteriet inte ska skadas när temperaturen är under 0 °C.
Utför underhållsförberedelserna. Se Förberedelser för underhåll.
Rengör utsidan på batterilådan samt batteripolerna.
Note: Anslut batteriladdarens kablar till batteripolerna innan du ansluter laddaren till elkällan.
Ta bort skydden från startpolerna (Figur 109).

Anslut batteriladdarens pluskabel till batteriets plusstartpol (Figur 110).

Anslut batteriladdarens minuskabel till batteriets minusstartpol (Figur 110).
Anslut batteriladdaren till elkällan och ladda batteriet enligt nedanstående batteriladdningstabell.
Important: Överladda inte batteriet.
| Laddarinställning | Laddningstid |
|---|---|
| 4–6 A | 30 minuter |
| 25–30 A | 10–15 minuter |
När batterierna är fulladdade ska du först koppla bort laddaren från elkällan och sedan koppla bort laddningskablarna från startpolerna (Figur 110).
Explosiva gaser kan bildas om batteriet startas med startkablar.
Rök inte nära batteriet och håll det borta från gnistor och lågor.
Note: Det krävs två personer för att utföra den här proceduren. Personen som gör anslutningarna måste ha på sig lämpligt ansiktsskydd samt skyddshandskar och skyddskläder.
Parkera maskinen på en plan yta, lägg i parkeringsbromsen, sänk ned klippdäcket och stäng av motorn.
Sitt i förarsätet och låt den andra personen göra anslutningarna.
Note: Kontrollera att batteriet som ska startas med startkablar är ett 12 V-batteri.
Important: Om du drar ström från en annan maskin ska du se till att de två maskinerna inte rör vid varandra.
Ta bort skydden från startpolerna (Figur 109).
Anslut plusstartkabeln (+) till plusstartpolen (Figur 111).

Anslut minusstartkabeln (−) till minusstartpolen (Figur 111).
Starta motorn.
Important: Om motorn startar och sedan stannar, ska du inte använda startmotorn förrän den har stannat helt. Använd inte startmotorn längre än 30 sekunder åt gången. Vänta i 30 sekunder innan du använder startmotorn så att motorn hinner svalna.
När motorn startar ska den andra personen koppla bort minusstartkabeln (−) från minusstartpolen och sedan koppla bort plusstartkabeln (+) (Figur 111).
Öppna motorhuven och vrid bortkopplingsbrytaren för batteriet till det AVSTäNGDA läget.
Ta bort de tre flänsskruvarna från båda sidor av den bakre stötdämparen såsom visas i Figur 112.
Lossa de återstående flänsskruvarna som fäster den bakre stötfångaren på ramen och sväng stötdämparen nedåt.

Lossa vreden och ta bort båda sidohöljena (Figur 113).

Ta bort de sex flänsskruvarna som fäster det bakre höljet på ramen och ta bort det bakre höljet (Figur 114).

Ta bort fästelementen som fäster batterikåpan på maskinen och ta sedan bort skyddet (Figur 115).
Note: Notera hur och var batterikablarna är monterade.
Lossa och ta bort batterikablarna från batterierna.
Ta bort de fästelement som säkrar batteriets låsfästen.
Ta försiktigt bort batterierna från maskinen (Figur 115).

Fäst batterierna med låsfästena (Figur 115).
Montera batterikablarna.
Placera batteriskyddet på plats och säkra det med de avlägsnade fästelementen.
Montera det bakre höljet (Figur 114).
Montera sidohöljena (Figur 113).
Höj den bakre stötdämparen på plats och montera flänsskruvarna. Dra åt alla flänsskruvarna som fäster den bakre stötdämparen vid ramen (Figur 112).
Vrid bortkopplingsbrytaren för batteriet till det PåSLAGNA läget.
| Underhållsintervall | Underhållsförfarande |
|---|---|
| Var 1000:e timme |
|
Kontakta en auktoriserad Toro-återförsäljare för att få hjälp eller läs i Toros servicehandbok.
| Underhållsintervall | Underhållsförfarande |
|---|---|
| Var 1000:e timme |
|
Se till att bakdäcken står i rakt läge och mät det yttre avståndet (i axelhöjd) framtill och baktill på bakdäcken (Figur 117).
Note: Det främre måttet ska vara 0–3 mm mer än det bakre måttet.

Lossa klämmorna på dragstängernas bägge ändar för att justera skränkningen (Figur 117).
Vrid dragstången för att flytta däckets främre del inåt eller utåt.
Dra åt dragstängernas klämmor när du har åstadkommit en korrekt skränkning.
Motorns kylvätska kan orsaka förgiftning vid förtäring. Förvara den utom räckhåll för barn och husdjur.
Het kylvätska som sprutas ut under tryck kan orsaka allvarliga brännskador, och detsamma gäller om man vidrör den heta kylaren eller närliggande delar.
Låt motorn svalna i minst 15 minuter innan du öppnar kylarlocket.
Ta hjälp av en trasa för att öppna kylarlocket och öppna locket sakta så att ånga kan komma ut.
Kör inte maskinen om inte kåporna sitter på plats.
Håll fingrar, händer och kläder borta från den roterande fläkten och drivremmen.
| Underhållsintervall | Underhållsförfarande |
|---|---|
| Varje användning eller dagligen |
|
| Var 100:e timme |
|
På en maskin utan hytt rymmer systemet 10,4 liter och med hytt 17 liter.
Rekommenderad kylvätska: kylmedel med etylenglykol och vatten (50/50-blandning).
Roterande fläktar och drivremmar kan orsaka personskador.
Kör inte maskinen om inte kåporna sitter på plats.
Håll fingrar, händer och kläder borta från den roterande fläkten och drivremmen.
Stäng av motorn, ta ut nyckeln och vrid bortkopplingsbrytaren för batteriet till det AVSTäNGDA läget innan du utför underhåll.
Om motorn har varit igång kan det trycksatta, heta kylmedlet läcka ut och orsaka brännskador.
Ta inte bort kylarlocket när motorn är igång.
Ta hjälp av en trasa för att öppna kylarlocket och öppna locket sakta så att ånga kan komma ut.
Ta av kylarlocket och locket till expansionstanken försiktigt (Figur 118).

Kontrollera kylvätskenivån i kylaren (Figur 118).
Note: När kylaren svalnat ska den fyllas upp till påfyllningsrörets översta del, och expansionstanken ska fyllas upp till markeringen Full.
Om kylvätskenivån är låg, tillsätt lämplig mängd rekommenderad kylvätska till expansionstanken upp till markeringen Full.
Note: Använd inte enbart vatten och inte heller alkohol-/metanolbaserade kylvätskor.
Sätt tillbaka kylarlocket och locket till expansionstanken.
| Underhållsintervall | Underhållsförfarande |
|---|---|
| Varje användning eller dagligen |
|
Utför underhållsförberedelserna. Se Förberedelser för underhåll.
Important: Rengör inte kylarelementet eller hydraulvätskekylarelementet med vatten. Om du rengör kylarelementet eller hydraulvätskekylarelementet med vatten, kan det medföra att rost uppkommer tidigt och att delar skadas.
| Underhållsintervall | Underhållsförfarande |
|---|---|
| Var 2000:e timme |
|
På en maskin utan hytt rymmer systemet 10,4 liter och med hytt 17 liter.
Utför underhållsförberedelserna. Se Förberedelser för underhåll.
Ta bort kylarlocket.
Placera kylaravtappningsslangen i ett avtappningskärl, öppna avtappningsventilen på kylarslangen och töm ut vätskan i kärlet (Figur 123).

Stäng kylaravtappningsslangens ventil (Figur 123).
Fyll på kylaren med kylvätska tills kylvätskenivån är i jämnhöjd med påfyllningsöppningens kant (Figur 124).

Sätt tillbaka kylarlocket.
Ta bort kylvätskeslangen från motoroljekylaren (Figur 125).

Töm motorns kylvätska, stäng kylaravtappningsslangens tömningsventil och anslut sedan kylslangen.
Ta bort locket från expansionstanken och fyll den med motorkylvätska upp till lågnivåmärket. Sätt tillbaka locket.
Starta och kör motorn tills den har nått drifttemperatur.
Kontrollera motorns kylvätskenivå. Se Kontrollera motorns kylsystem.
Fyll på kylvätska i expansionstanken så att kylvätskenivån når upp till markeringen Full.
Kontrollera alla anslutningar till motorkylvätskeslangarna är täta.
| Underhållsintervall | Underhållsförfarande |
|---|---|
| Efter de första 50 timmarna |
|
| Var 250:e timme |
|
Serviceproceduren beskrivs i bruksanvisningen till motorn (medföljer maskinen).
| Underhållsintervall | Underhållsförfarande |
|---|---|
| Efter de första 10 timmarna |
|
| Var 1000:e timme |
|
Luftkonditioneringens kompressor och 24 V-generatorremmen använder en fjäderupphängd spännanordning som är inställd på fabriken. Mer information finns i Toros servicehandbok.
| Underhållsintervall | Underhållsförfarande |
|---|---|
| Var 50:e timme |
|
| Var 1000:e timme |
|
Knivdrivremmen spänns av en fjäderbelastad remskiva, och remmen är mycket hållbar. Efter många timmars användning kan dock remmen visa tecken på slitage. Tecken på remslitage är: gnissel när remmen roterar, slirande knivar vid gräsklippning, fransiga remkanter, brännmärken och sprickor. Byt ut remmen vid tecken på något av detta.
Sänk ned klippenheten till golvet.
Avlägsna remkåporna från klippenhetens ovansida och ställ dem åt sidan.
Lossa kontramuttrarna på mellanremskivans stoppskruv på det främre klippdäckets mitt, och gänga in stoppskruven i fästet (Figur 126).

Använd en spärrnyckel eller liknande verktyg för att flytta varje vingdäcksremskiva från drivremmen så att remspänningen minskar och remmen kan glida av vingdäcksremskivan (Figur 126).
Avlägsna skruvarna som fäster hydraulmotorn vid klippenheten (Figur 127).

Lyft av motorn av klippenheten och lägg den ovanpå klippenheten.
Ta bort den gamla remmen runt spindelskivorna och mellanremskivan.
Dra den nya remmen runt spindelskivorna och mellanremskiveenheten (Figur 128).

Justera mellanremskivans stoppskruv och dra åt kontramuttrarna.
Installera hydraulmotorn till klippenheten och fäst den med de borttagna skruvarna.
Dra åt skruvarna till 47,5 N.
Montera remkåporna.
Note: För att kunna avlägsna den nedre remmen måste du avlägsna den övre remmen först.
Sänk ned klippenheten till golvet.
Avlägsna remkåporna från klippenhetens ovansida och ställ dem åt sidan.
Avlägsna skruvarna som fäster hydraulmotorn vid klippenheten (Figur 127).
Lyft av motorn från klippenheten och lägg den ovanpå klippenheten.
Använd en spärrnyckel eller liknande verktyg för att flytta mellanremskivorna bort från drivremmen så att remspänningen minskar och remmen kan glida av skivorna (Figur 129).

Ta bort den gamla remmen runt spindelskivorna och mellanremskivan.
Dra den nya remmen runt spindelskivorna och mellanremskiveenheten (Figur 130 och Figur 131).


Installera hydraulmotorn till klippenheten och fäst den med de borttagna skruvarna.
Dra åt skruvarna till 47,5 N.
Montera remkåporna.
Sök omedelbart läkare om du träffas av en stråle hydraulvätska och vätskan tränger in i huden. Vätska som trängt in i huden måste opereras bort inom några få timmar av en läkare.
Se till att alla hydrauloljeslangar och -ledningar är i gott skick och att alla hydraulanslutningar och -kopplingar är ordentligt åtdragna innan hydraulsystemet trycksätts.
Håll kropp och händer borta från småläckor eller munstycken som sprutar ut hydraulvätska under högtryck.
Använd en kartong- eller pappersbit för att hitta hydraulläckor.
Lätta på allt tryck i hydraulsystemet på ett säkert sätt innan något arbete utförs i hydraulsystemet.
Tanken fylls med hydraulvätska av hög kvalitet på fabriken. Kontrollera hydraulvätskenivån innan motorn startas för första gången och därefter dagligen. Se Kontrollera hydraulvätskan.
Rekommenderad hydraulvätska: Toro PX-hydraulvätska med förlängd hållbarhet. Finns i spannar om 19 liter eller fat om 208 liter.
Note: Om den rekommenderade utbytesvätskan används behöver maskinens vätska och filter inte bytas ut lika ofta.
Alternativa hydraulvätskor: Om Toro PX-hydraulvätska med förlängd hållbarhet inte är tillgänglig kan du använda en annan vanlig, oljebaserad hydraulvätska med specifikationer som faller inom det angivna området för samtliga materialegenskaper nedan och som uppfyller branschstandarderna. Använd inte syntetisk vätska. Rådgör med din smörjmedelsdistributör för att hitta en lämplig produkt.
Note: Toro ansvarar inte för skador som uppstått till följd av att felaktiga vätskor använts. Använd därför endast produkter från ansedda tillverkare som ansvarar för sina rekommendationer.
| Materialegenskaper: | ||
| Viskositet, ASTM D445 | cSt vid 40 °C: 44 till 48 | |
| Viskositetsindex, ASTM D2270 | 140 eller högre | |
| Flytpunkt, ASTM D97 | -37 °C till -45 °C | |
| Branschspecifikationer: | Eaton Vickers 694 (I-286-S, M-2950-S/35VQ25 eller M-2952-S) | |
Note: Många hydraulvätskor är nästintill färglösa vilket gör det svårt att upptäcka läckor. Det finns en rödfärgstillsats till hydraulvätskan i flaskor om 20 ml. En flaska räcker till 15–22 liter hydraulvätska. Beställ artikelnr 44-2500 från en auktoriserad Toro-återförsäljare.
Volymen är 62,7 liter.
| Underhållsintervall | Underhållsförfarande |
|---|---|
| Varje användning eller dagligen |
|
Utför underhållsförberedelserna. Se Förberedelser för underhåll.
Höj upp åtkomstpanelen på maskinens högra sida så att hydraultanklocket syns (Figur 132).

Gör rent omkring påfyllningsröret och hydraultanklocket (Figur 132).
Skruva av tanklocket på påfyllningsröret.
Ta ut oljestickan ur påfyllningsröret och torka av den med en ren trasa. För in oljestickan i påfyllningsröret, och ta sedan ut den igen och kontrollera oljenivån (Figur 133).
Note: Vätskenivån ska ligga inom området för säker drift på oljestickan.

Fyll på lämplig vätska så att nivån når upp till den övre markeringen om nivån är låg.
Sätt tillbaka oljestickan och locket på påfyllningsröret.
Stäng panelen.
| Underhållsintervall | Underhållsförfarande |
|---|---|
| Var 800:e timme |
|
| Var 2000:e timme |
|
| Vartannat år |
|
Ställ maskinen på ett plant underlag, lägg i parkeringsbromsen, sänk ned klippdäcket, stäng av motorn och ta ut startnyckeln.
Ställ ett stort avtappningskärl under hydraulvätsketanken.
Ta bort hydraultanklocket och oljestickan.
Ta bort avtappningspluggen från tankens undersida och låt hydraulvätskan rinna ned i avtappningskärlet (Figur 134).

Sätt tillbaka pluggen när hydraulvätskan har slutat rinna.
Fyll tanken med hydraulvätska. Se Kontrollera hydraulvätskan.
Important: Använd endast specificerade hydrauloljor. Andra oljor kan orsaka skador på systemet.
Sätt tillbaka oljestickan och locket.
Starta motorn och använd samtliga hydraulreglage för att sprida hydraulvätskan i hela systemet.
Note: Kontrollera även att det inte finns några läckor och stäng sedan av motorn.
Kontrollera vätskenivån och fyll på tillräckligt så att nivån når upp till markeringen Full på oljestickan.
Note: Fyll inte på för mycket.
| Underhållsintervall | Underhållsförfarande |
|---|---|
| Var 800:e timme |
|
| Var 1000:e timme |
|
Om hydraulvätskan förorenas ska du kontakta en auktoriserad Toro-återförsäljare eftersom systemet då måste spolas. Förorenad hydraulvätska ser mjölkaktig eller svart ut jämfört med ren vätska.
Använd Toro-originalfilter med artikelnr 86-6110 på maskinens vänstra sida och 75-1310 på dess högra sida.
Important: Om något annat filter används kan garantin för några av komponenterna bli ogiltig.
Ställ maskinen på ett plant underlag, lägg i parkeringsbromsen, sänk ned klippdäcket, stäng av motorn och ta ut startnyckeln.
Gör rent kring området där filtret ska monteras.
Ställ ett avtappningskärl under filtret och ta bort filtret (Figur 134).
Smörj den nya filterpackningen och fyll filtret med hydraulolja.
Se till att samtliga områden där filtren ska monteras är rena och skruva fast varje filter tills packningen kommer i kontakt med fästplattan. Dra sedan åt filtret ytterligare ett halvt varv.
Fyll tanken med hydraulvätska. Se Kontrollera hydraulvätskan.
Important: Använd endast specificerade hydrauloljor. Andra oljor kan orsaka skador på systemet.
Sätt tillbaka oljestickan och locket.
Starta motorn och använd samtliga hydraulreglage för att sprida hydraulvätskan i hela systemet.
Note: Kontrollera även att det inte finns några läckor och stäng sedan av motorn.
Kontrollera vätskenivån och fyll på tillräckligt så att nivån når upp till markeringen Full på oljestickan.
Note: Fyll inte på för mycket.
| Underhållsintervall | Underhållsförfarande |
|---|---|
| Vartannat år |
|
Hydraulvätska som läcker ut under tryck kan tränga in i huden och orsaka skada.
Uppsök läkare omedelbart om du träffas av en stråle hydraulvätska och vätskan tränger in i huden.
Kontrollera att alla hydrauloljeslangar och -ledningar är i gott skick och att alla hydraulanslutningar och -kopplingar är ordentligt åtdragna innan hydraulsystemet trycksätts.
Håll kropp och händer borta från småläckor eller munstycken som sprutar ut hydraulvätska under högtryck.
Använd en kartong- eller pappersbit för att hitta hydraulläckor.
Lätta på allt tryck i hydraulsystemet på ett säkert sätt innan något arbete utförs i hydraulsystemet.
Undersök hydraulledningarna och slangarna dagligen och kontrollera om det finns läckor, vridna ledningar, lösa fäststöd, slitage, lösa beslag, väderslitage och kemiskt slitage. Reparera alla eventuella skador innan du använder maskinen igen.
Kontrollportarna används för att kontrollera trycket i hydraulkretsarna. Kontakta närmaste Toro-återförsäljare för att få hjälp eller läs i Toros servicehandbok.
Note: Den främre klippenheten kan vändas till ett upprätt läge. Detta är dock inte nödvändigt vid normalt underhåll.
Lyft upp den främre klippenheten en aning från golvet, koppla in parkeringsbromsen, stäng av motorn och ta ut nyckeln.
Utför underhållsförberedelserna. Se Förberedelser för underhåll.
Demontera hållarklämman och koppla bort motviktssystemet från klippenheten (Figur 135).

Ta bort den hårnålssprint och sprintbult som håller fast klipphöjdskedjorna på klippenhetens bakre del (Figur 136).

Starta motorn, höj långsamt upp den främre klippenheten, stäng av motorn och ta ut tändningsnyckeln.
Kila in en träkloss mellan däckets bakre del och maskinen (Figur 137).

Avlägsna träklossen när du får hjälp av någon annan som kan hålla i klippenhetens främre del.
Sitt i förarsätet, starta motorn och sänk klippenheten tills den lyfter något från golvet.
Fäst klipphöjdskedjorna baktill på klippenheten.
Anslut motviktssystemet och säkra det med hållarklämman.
Klippdäckets lutning är skillnaden i klipphöjd mellan knivens främre spets och den bakre spetsen. Ställ in en knivlutning på 6,3–9,7 mm, dvs. knivplanets bakkant ska vara 7,5 mm högre än dess framkant.
Ställ maskinen på ett plant underlag, lägg i parkeringsbromsen, sänk ned klippdäcket, stäng av motorn och ta ut startnyckeln.
Ställ in klippenheten på önskad klipphöjd.
Kontrollera att vingfenorna är i jämnhöjd med det främre klippdäcket och att det främre klippdäcket är i nivå i sidled.
Vrid varje kniv så att den är riktad rakt framåt (Figur 138).

Mät från golvet till spetsen på den främre kniven med en kort linjal, och notera måttet.
Mät avståndet mellan golvet och den bakre spetsen på vingfenans kniv, och notera måttet.
Subtrahera frammåtten med bakmåtten för att räkna ut varje knivs lutning.
Lossa kontramuttrarna överst eller underst på klipphöjdskedjans U-bult (Figur 139).
Note: Lossa eller spänn klipphöjdskedjans muttrar lika mycket, så att däcket förblir vågrätt i sidled.

Justera den andra mutteruppsättningen för att höja eller sänka klippenhetens bakre del för att uppnå rätt klippdäckslutning utifrån varje knivs genomsnittliga lutning.
Dra åt kontramuttrarna.
Ta bort spännlocket från svänghjulsspindelns axel och skjut ut spindeln ur svänghjulsarmen (Figur 140).

Flytta mellanläggen på lämpligt sätt för att höja eller sänka svänghjulet tills klippenhetens lutning är korrekt.
Sätt tillbaka spännlocket.
På svänghjulsarmarna har bussningar pressats in i den övre och nedre delen av röret, och efter många körtimmar slits dessa bussningar. Kontrollera bussningarna genom att flytta hjulgafflarna bakåt och framåt och från ena sidan till den andra. Om svänghjulsspindeln är lös inuti bussningarna är bussningarna slitna och måste bytas ut.
Ta bort spännlocket och hjulgaffeln (Figur 140).
Note: Notera var brickorna och distansbrickorna sitter innan du tar bort dem så att du inte behöver justera klippdäckslutningen.
| Underhållsintervall | Underhållsförfarande |
|---|---|
| Var 500:e timme |
|
Lossa låsmuttern från den skruv som håller fast svänghjulet mellan hjulgaffeln eller svänghjulsarmen (Figur 141).

Fatta tag i svänghjulet och skjut ut skruven ur gaffeln eller svängarmen (Figur 141).
Ta bort lagret från hjulnavet och låt lagerdistansbrickan ramla ut (Figur 141).
Ta bort lagret från hjulnavets motsatta sida (Figur 141).
Kontrollera om lagren, distansbrickorna eller insidan av hjulnavet är slitna.
Note: Byt ut skadade delar.
Montera ihop svänghjulet igen genom att skjuta in lagret i hjulnavet.
Note: Tryck på den yttre lagerbanan när du monterar lagren.
För in lagerdistansbrickan i hjulnavet och skjut in det andra lagret i den öppna änden på hjulnavet så att lagerdistansbrickan sitter fast inuti hjulnavet.
Sätt svänghjulet i hjulgaffeln och fäst det med skruven och låsmuttern.
Kontrollera om kniven är sliten eller skadad med jämna mellanrum.
Var försiktig när du kontrollerar knivarna. Linda in knivarna i något eller ta på dig handskar, och var försiktig när du servar knivarna. Knivarna får endast bytas ut eller slipas – de ska aldrig rätas ut eller svetsas.
Var försiktig vid hantering av maskiner med flera knivar, eftersom en roterande kniv kan få andra knivar att rotera.
Om du kör på något föremål ska nu noga kontrollera om maskinen har skadats och reparera eventuella skador innan du startar och kör maskinen igen. Dra åt samtliga muttrar på spindelskivorna till 176–203 Nm.
Höj upp klippenheten.
Utför underhållsförberedelserna. Se Förberedelser för underhåll.
Palla upp klippenheten så att den inte oavsiktligt faller ned.
Rotera kniven tills ändarna är riktade framåt och bakåt och mät från klippenhetens insida till skäreggen framtill på knivbladet (Figur 142).
Note: Anteckna detta mått.

Vrid motsatt ände på kniven framåt och mät avståndet mellan klippenheten och knivseggen vid samma position som i steg 4.
Note: Skillnaden mellan måtten i steg 4 och 5 får inte överstiga 3 mm. Om detta mått överstiger 3 mm är kniven böjd och måste bytas ut. Se Demontera och montera klippenhetsknivarna.
Byt en kniv om den har träffats av ett hårt föremål, om kniven är obalanserad eller böjd. Använd alltid originalknivar från Toro för att garantera säkerhet och optimal prestanda.
Ställ maskinen på ett plant underlag, höj upp klippenheten till transportläget, koppla in parkeringsbromsen, stäng av motorn och ta ut nyckeln.
Note: Palla upp klippenheten så att den inte kan falla av en olyckshändelse.
Fatta tag i knivens ände med en trasa eller en tjockt vadderad handske.
Ta bort knivskruven, antiskalpbehållaren och kniven från spindelaxeln (Figur 143).

Montera kniven, antiskalpbehållaren och knivskruven och dra åt knivskruven till 115–149 Nm.
Important: Knivens böjda del måste alltid vara vänd mot klippenhetens insida för att klippningen ska bli rätt.
Note: Om du har kört på något föremål ska du dra åt samtliga muttrar på spindelskivorna till 115–149 Nm.
| Underhållsintervall | Underhållsförfarande |
|---|---|
| Efter de första 10 timmarna |
|
| Varje användning eller dagligen |
|
| Var 50:e timme |
|
Både eggar och segel (den uppåtvända delen mittemot eggen) bidrar till en god klippkvalitet. Seglet lyfter gräset rakt upp och bidrar därmed till en jämn klippning. I takt med att seglet slits försämras dock klippkvaliteten något, trots att eggarna fortfarande är vassa. Knivens egg måste vara vass så att gräset klipps och inte slits av. Om grässpetsarna ser bruna och avslitna ut tyder det på att eggarna är slöa. Slipa dem i så fall för att åtgärda problemet.
Ställ maskinen på ett plant underlag, höj upp klippenheten, koppla in parkeringsbromsen, för gaspedalen till NEUTRALLäGET, kontrollera att kraftuttagsbrytaren är i det AVSTäNGDA läget, stäng av motorn och ta ut nyckeln.
Undersök knivseggarna noggrant (i synnerhet där knivens flata och böjda del möts) enligt (Figur 144).
Note: Kontrollera kniven innan du använder maskinen eftersom sand och slipande material kan slita bort metallen mellan knivens flata och böjda delar. Byt ut kniven om den är sliten (Figur 144).

Kontrollera samtliga knivseggar.
Slipa knivseggarna om de är slöa eller hackiga (Figur 145).

Note: Slipa endast knivseggens översta del och behåll den ursprungliga skärvinkeln för bästa skärpa.
Note: Kniven förblir balanserad om lika mycket metall avlägsnas från båda eggarna.
Note: Demontera knivarna och slipa dem med en slipmaskin. När du har slipat knivseggarna monterar du kniven med antiskalpbehållaren och knivskruven. Se Demontera och montera klippenhetsknivarna.
Om knivarna är felpassade på någon av klippenheterna ser gräset randigt ut efter klippningen. Du kan korrigera problemet genom att se till att knivarna är raka.
Ta hjälp av ett 1 meter långt vattenpass och hitta en jämn yta på verkstadsgolvet.
Höj upp klipphöjden till det högsta läget. Se Justera klipphöjden.
Sänk ned klippenheten på ett plant underlag och avlägsna kåporna som sitter ovanpå klippenheten.
Vrid knivarna tills ändarna vetter framåt och bakåt.
Mät från golvet till längst fram på skäreggen. Anteckna detta mått.
Rotera samma kniv så att dess motsatta ände är riktad framåt, och mät avståndet på nytt.
Note: Skillnaden mellan måtten får inte överstiga 3 mm. Om skillnaden är större än 3 mm är kniven böjd och måste bytas ut. Mät alla knivarna.
Kontrollera att däcket är vågrätt i sidled och justera det vid behov.
Montera remkåporna.
Important: Var försiktig runt hyttens tätningar och lampor (Figur 146). Om du använder en högtryckstvätt, håll spridaren på minst 60 cm avstånd från maskinen. Använd inte högtryckstvätten direkt på hyttens tätningar, lampor och på det bakre överhänget.

| Underhållsintervall | Underhållsförfarande |
|---|---|
| Var 250:e timme |
|
Ta bort de skruvar och galler som sitter över luftfiltren både i och bakom hytten (Figur 147 och Figur 148).


Rengör filtren genom att blåsa ren, oljefri tryckluft genom dem.
Important: Om något filter har ett hål, en reva eller någon annan skada ska filtret i fråga bytas ut.
Montera filtren och gallren igen med vingskruvarna.
Hyttens förfilter förhindrar att större skräp som gräs och löv kommer in i hyttens filter.
Vrid skärmskyddet nedåt.
Rengör filtret med vatten.
Important: Använd inte en högtryckstvätt.
Note: Om filtret har ett hål, en reva eller någon annan skada ska filtret i fråga bytas ut.
Låt förfiltret torka innan du monterar det i maskinen.
Vrid filterenheten runt flikarna tills spärren låser fast i spärrenheten (Figur 149).

| Underhållsintervall | Underhållsförfarande |
|---|---|
| Var 250:e timme |
|
Lossa kabeln för varje fläkt.

Avlägsna de två vreden och ta bort fläktenheten.
Öppna de fyra spärrarna på luftkonditioneringsenheten och ta bort filtret.

Ta bort luftfiltren (se Figur 148).
Rengör luftkonditioneringsenheten.
Montera luftfiltren, filtret och fläktenheten igen (Figur 148, Figur 150 och Figur 151).
Anslut kabeln för varje fläkt (Figur 150).
Stäng av motorn, ta ut nyckeln och vänta tills alla rörliga delar har stannat innan du kliver ur förarsätet. Låt maskinen svalna innan du utför service, justerar, rengör eller ställer den i förvar.
Förvara inte maskinen eller bränslebehållaren i närheten av en öppen låga, gnista eller tändlåga, t.ex. nära en varmvattenberedare eller någon annan utrustning.
Important: Använd inte bräckt eller återvunnet vatten (gråvatten) när du gör rent maskinen.
Rengör traktorenheten, klippenheterna och motorn ordentligt.
Kontrollera däcktrycket. Pumpa upp alla däck på traktorenheten till mellan 0,82 och 1,03 bar.
Kontrollera alla fästelement och dra åt dem om de är lösa.
Smörj alla smörjnipplar och böjaxlar. Torka av överflödigt fett.
Sandpappra lätt och måla i områden där färgen har skrapats av, flagat eller rostat. Reparera eventuella bucklor i metallchassit.
Serva batteriet och kablarna på följande sätt:
Ta bort batteriets kabelanslutningar från batteripolerna.
Note: Lossa alltid minuskabelanslutningen först och pluskabelanslutningen sist. Återanslut alltid pluskabelanslutningen först och minuskabelanslutningen sist.
Rengör batteriet, kabelanslutningarna och polerna med en stålborste och bakpulverlösning.
Fetta in kabelanslutningar och batteripoler med smörjfett av typen Grafo 112X (skin-over) (artikelnr 505-47) eller vaselin för att förhindra korrosion.
Ladda långsamt upp batteriet i 24 timmar var 60:e dag för att förhindra att det blysulfateras.
Töm motoroljan från kärlet och sätt tillbaka avtappningspluggen.
Ta bort och kasta oljefiltret. Montera ett nytt oljefilter.
Fyll på oljekärlet med rätt mängd motorolja.
Vrid om nyckeln i tändningslåset till läget På, starta motorn och låt den gå på tomgång i cirka två minuter.
Vrid om nyckeln i tändningslåset till läget AV.
Tappa noga ur allt bränsle ur bränsletanken, bränsleledningarna och bränslefiltret/vattenseparatorn.
Spola bränsletanken med färskt, rent dieselbränsle.
Dra åt alla anslutningar i bränslesystemet.
Rengör och serva luftrenaren ordentligt.
Täta luftrenarens inlopp och avgasutloppet med väderbeständig tejp.
Kontrollera frostskyddsmedlet och fyll på vid behov så att maskinen klarar de lägsta temperaturerna under vintern.