Manutenção
Lubrificar o conjunto do cubo
| Intervalo de assistência | Procedimento de manutenção |
|---|---|
| A cada 100 horas |
|
Utilize lubrificante n.º 2 à base de lítio para lubrificar o conjunto do cubo. Consulte a Figura 10 para obter a localização do bocal de lubrificação do conjunto do cubo.

Substituição do fluido da caixa de velocidades
| Intervalo de assistência | Procedimento de manutenção |
|---|---|
| Após as pimeiras 8 horas |
|
| A cada 800 horas |
|
Especificação do fluido: SAE 80W-90
Capacidade de fluido da caixa de velocidades: aproximadamente 1,2 litros.
Preparação da máquina
-
Estacione a máquina numa superfície nivelada.
-
Engate o travão de estacionamento.
-
Baixe as unidades de corte.
-
Desligue o motor e retire a chave da ignição.
-
Desligue os conectores da alimentação principal; consulte o Manual do utilizador da máquina.
Drenar o fluido da caixa de velocidades
-
Coloque um recipiente de escoamento debaixo do conjunto do motor da roda (Figura 11).

-
Retire o tampão da porta de drenagem (Figura 11).
Note: A porta de drenagem encontra-se na parte inferior da caixa de engrenagens.
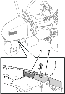
Note: Pode desapertar a união da porta de enchimento (como se mostra na Figura 12) para garantir que pode ser removida após drenar o fluido.
-
Deixe que o fluido drene completamente da caixa de velocidades.
-
Limpe o tampão.
-
Instale o tampão de drenagem na porta de drenagem (Figura 11).
Adicionar fluido à caixa de velocidades
-
Remova a união da porta de enchimento como se mostra na Figura 12.

-
Adicione o fluido especificado à caixa de velocidades até o nível do fluido alcançar a parte inferior da porta de enchimento.
A capacidade de fluido da caixa de velocidades é de aproximadamente 1,2 litros.
-
Instale a união na porta de enchimento (Figura 12).









indica que o modo de tração
às três rodas está ativado.