Onderhoud
Note: Bepaal vanuit de normale bedieningspositie de linker– en rechterzijde van de machine.
Aanbevolen onderhoudsschema
| Onderhoudsinterval | Onderhoudsprocedure |
|---|---|
| Bij elk gebruik of dagelijks |
|
| Om de 50 bedrijfsuren |
|
Controlelijst voor dagelijks onderhoud
Gelieve deze pagina te kopiëren ten behoeve van gebruik bij routinecontroles.
| Gecontroleerd item | Voor week van: | ||||||
|---|---|---|---|---|---|---|---|
| Ma. | Di. | Wo. | Do. | Vr. | Za. | Zo. | |
| Controleer de staat van de maaimessen | |||||||
| Controleer de staat van de elektrische kabels | |||||||
| Vet in alle smeernippels spuiten 1 | |||||||
| Beschadigde lak bijwerken | |||||||
| Maak de maai-eenheid schoon | |||||||
|
1. Onmiddellijk na elke wasbeurt, ongeacht de voorgeschreven interval. |
|||||||
| Aantekening voor speciale aandachtsgebieden | ||
| Controle uitgevoerd door: | ||
| Item | Datum | Informatie |
Voorzichtig
Als u het sleuteltje in het contact laat, bestaat de kans dat iemand de machine per ongeluk start, waardoor u en andere omstanders ernstig letsel kunnen oplopen.
Verwijder het sleuteltje van de contactschakelaar en draai de afkoppelschakelaar van de accu op UIT voordat u onderhoudswerkzaamheden uitvoert.
Smeren van de lagerbussen in de zwenkwielarmen
| Onderhoudsinterval | Onderhoudsprocedure |
|---|---|
| Bij elk gebruik of dagelijks |
|
| Om de 50 bedrijfsuren |
|
De machine is voorzien van smeerpunten die u regelmatig moet smeren met nr. 2 lithiumvet.
-
Parkeer de machine op een horizontaal vlak, laat de maai-eenheid neer, zet de machine uit, verwijder het sleuteltje en draai de afkoppelschakelaar van de accu op UIT.
-
Smeer de lagerbussen van de zwenkwielarmen (Figuur 17).

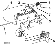
Het maaidek van de tractie-eenheid verwijderen
-
Parkeer de machine op een horizontaal oppervlak met de maai-eenheid omhooggebracht.
-
Verwijder de maaihoogtepennen (Figuur 18) uit de zijplaten van de maai-eenheid.

-
Laat de maai-eenheid neer, zet de machine uit, verwijder het sleuteltje en draai de afkoppelschakelaar van de accu op UIT.
-
Verwijder de bouten en ringen waarmee de hefarmen aan de zwenkwielarmen zijn bevestigd (Figuur 19).

-
Koppel de connector van de maai-eenheid los van de connector van de machine (Figuur 20).

-
Monteer een kap op de connector van de maai-eenheid en een kap op de connector van de machine (Figuur 21).

Onderhoud van de lagers in de zwenkwielarmen
In de boven- en onderkant van de buis in de zwenkwielarmen zitten lagerbussen gedrukt. Deze lagerbussen zullen na vele bedrijfsuren slijten.
Om de lagerbussen te controleren, moet u de zwenkwielvork naar voren en naar achteren en van links naar rechts bewegen. Als de zwenkwielas los in de lagerbussen zit, zijn de lagerbussen versleten en zijn deze aan vervanging toe.
-
Parkeer de machine op een horizontaal vlak, laat de maai-eenheid neer, zet de machine uit, verwijder het sleuteltje en draai de afkoppelschakelaar van de accu op UIT.
-
Verwijder het klemkapje, de afstandsstuk(ken) en de drukring van de bovenkant van de zwenkwielas.
-
Trek de zwenkwielas uit de buis waarin deze is bevestigd. Laat de drukring en afstandsstuk(ken) onder op de as zitten.
-
Sla een drevel in de boven- of onderkant van de bevestigingsbuis en tik de lagerbus uit de buis (Figuur 22). Tik ook de andere lagerbus uit de buis. Reinig de binnenkant van de buizen.

-
Smeer vet aan de binnen- en buitenkant van de nieuwe lagerbussen. Druk de lagerbussen voorzichtig in de bevestigingsbuis met behulp van een hamer en een vlakke plaat.
-
Controleer de zwenkwielas op slijtage en vervang deze in geval van beschadiging.
-
Duw de zwenkwielas door de lagerbussen en de bevestigingsbuis, schuif de drukring en afstandsstuk(ken) op de as, en plaats het klemkapje op de zwenkwielas.
Onderhoud van de maaimessen
Veiligheid van de messen
Een versleten of beschadigd mes kan breken en een stuk van het mes kan worden uitgeworpen in de richting van de bestuurder of omstanders en ernstig lichamelijk of dodelijk letsel toebrengen.
-
Controleer op gezette tijden het maaimes op slijtage of beschadigingen.
-
Wees voorzichtig als u de messen controleert. Omwikkel de maaimessen of draag handschoenen en wees voorzichtig als u onderhoudswerkzaamheden aan de maaimessen verricht. De maaimessen mogen alleen worden vervangen of geslepen, probeer ze nooit recht te maken of er aan te lassen.
Controleren op kromme messen
Als u een vreemd voorwerp heeft geraakt, moet u de maaimachine op beschadigingen controleren en reparaties uitvoeren voordat u de machine start en weer in gebruik neemt.
-
Parkeer de machine op een horizontaal vlak, breng de maai-eenheid omhoog in de TRANSPORTSTAND, schakel de machine uit, verwijder het sleuteltje en draai de afkoppelschakelaar van de accu op UIT.
-
Breng de maai-eenheid omhoog naar de SERVICE-stand; raadpleeg de Gebruikershandleiding van de tractie-eenheid.
-
Draai het mes tot de punten naar voren en achteren wijzen, en meet de afstand vanaf de binnenkant van de maai-eenheid tot de voorste snijrand van het mes (Figuur 23).
Note: Noteer deze afstand.

-
Draai het tegenoverliggende uiteinde van het mes naar voren en meet de afstand tussen de maai-eenheid en de snijrand van het mes in dezelfde stand als bij stap 3.
Note: Het verschil tussen de afstanden die zijn gemeten bij stap 3 en stap 4 mag niet meer dan 3 mm zijn. Als dit meer bedraagt dan 3 mm, is het mes krom en moet het worden vervangen; zie Mes(sen) van de maai-eenheden verwijderen en monteren.
Mes(sen) van de maai-eenheden verwijderen en monteren
Vervang een mes als het een vast voorwerp heeft geraakt, of als het uit balans of krom is. Gebruik ter vervanging altijd originele Toro messen zodat u zeker bent van een veilig gebruik en optimale prestaties.
-
Parkeer de machine op een horizontaal vlak, breng de maai-eenheid omhoog in de TRANSPORTSTAND, schakel de machine uit, verwijder het sleuteltje en draai de afkoppelschakelaar van de accu op UIT.
-
Breng de maai-eenheid omhoog naar de SERVICE-stand; raadpleeg de Gebruikershandleiding van de tractie-eenheid.
-
Zet een sleutel op de platte kant van de meshouder of pak het uiteinde van het mes vast met een doek of een dikke handschoen.
-
Verwijder de mesbout, onderlegring en het mes van de spilas.

-
Monteer het met op de spil.
Verzeker dat de ring is georiënteerd zoals getoond in Figuur 25, voor goed maaien.
Waarschuwing
Als een machine wordt gebruikt na onjuiste montage van de meseenheid en/of het gebruiken van niet-Toro messen en bevestigingsmiddelen zou een mes(onderdeel) uit het maaidek kunnen worden geworpen, en leiden tot ernstig letsel of de dood.
Monteer altijd originele Toro maaimessen en bevestigingsmiddelen, volgens de aanwijzingen.

-
Plaats een momentsleutel op de platte kant van de spilas en draai de mesbout vast met een torsie van 75 tot 81 N·m.
Mes(sen) van de maai-eenheid controleren en slijpen
| Onderhoudsinterval | Onderhoudsprocedure |
|---|---|
| Bij elk gebruik of dagelijks |
|
Zowel de snijranden als de vleugel – dat is het deel dat naar boven steekt tegenover de snijrand – zorgen ervoor dat het mes een goede maaikwaliteit levert.
Houd de maaimessen scherp gedurende het hele seizoen. Een scherp mes maait het gras goed af zonder het te scheuren of te rafelen.
Controleer de snijmessen op slijtage of beschadigingen. De vleugel zet het gras recht overeind en zorgt zo voor een gelijkmatig maaibeeld; door gebruik zal de vleugel evenwel slijten.
-
Parkeer de machine op een horizontaal vlak, breng de maai-eenheid omhoog in de TRANSPORTSTAND, schakel de machine uit, verwijder het sleuteltje en draai de afkoppelschakelaar van de accu op UIT.
-
Breng de maai-eenheid omhoog naar de SERVICE-stand; raadpleeg de Gebruikershandleiding van de tractie-eenheid.
-
Controleer nauwkeurig de uiteinden van het maaimes, in het bijzonder op de plaats waar het platte en het gebogen deel samenkomen (Figuur 26).
Note: Omdat het metaal dat het platte en het gebogen deel van het mes verbindt, kan wegslijten door zand en ander schurend materiaal, moet u dit steeds controleren voordat u de maaier gaat gebruiken. Als u slijtage (Figuur 26) ziet moet u het mes vervangen.

-
Inspecteer de snijranden van alle messen en slijp de snijranden als deze bot zijn of bramen vertonen (Figuur 27).
Note: Slijp alleen de bovenkant van de snijrand en behoud de oorspronkelijke snijhoek om te zorgen dat het mes scherp blijft (Figuur 27). Het mes blijft in balans als u van beide snijranden dezelfde hoeveelheid metaal verwijdert.

Note: Verwijder de messen en slijp ze op een slijpmachine. Nadat u de snijranden hebt geslepen, monteert u het mes; zie Mes(sen) van de maai-eenheden verwijderen en monteren.
Grasgeleider vervangen
Waarschuwing
Als de uitworpopening niet afgedekt is, kan de machine voorwerpen uitwerpen naar u of naar omstanders; dit kan ernstig letsel veroorzaken. U kunt ook in contact komen met het mes.
-
Gebruik de machine niet zonder afdekplaat, mulchplaat of een grasafvoer en een grasvanger.
-
Zorg ervoor dat de grasgeleider omlaag is gebracht.
-
Parkeer de machine op een horizontaal vlak, laat de maai-eenheid neer, zet de machine uit, verwijder het sleuteltje en draai de afkoppelschakelaar van de accu op UIT.
-
Verwijder de borgmoer, bout, veer en afstandsstuk waarmee de bevestigingen van de grasgeleider vastzitten op de draaibeugels (Figuur 28). Verwijder een beschadigde of versleten grasgeleider.
-
Plaats een afstandsstuk en de veer op de grasgeleider. Plaats het L-vormige uiteinde van de veer achter de rand van de maai-eenheid.
Note: Zorg ervoor dat het L-vormige eind van de veer is gemonteerd achter de rand van de maai-eenheid voordat u de bout plaatst zoals wordt aangegeven in Figuur 28.
-
Monteer de bout en de moer. Plaats het J-vormige haakuiteinde van de veer om de grasgeleider (Figuur 28).
Important: U moet de grasgeleider omlaag kunnen brengen op zijn plaats. Til de grasgeleider omhoog om te controleren of deze volledig omlaag klapt.

De elektrische kabels controleren
| Onderhoudsinterval | Onderhoudsprocedure |
|---|---|
| Bij elk gebruik of dagelijks |
|
Controleer de staat van de kabel van de connector van de maai-eenheid en de kabels van de mesmotor (Figuur 29) op schade of slijtage. Voer alle noodzakelijke reparaties uit voordat u de machine in gebruik neemt.

Schoonmaken onder de maai-eenheid
| Onderhoudsinterval | Onderhoudsprocedure |
|---|---|
| Bij elk gebruik of dagelijks |
|
Verwijder elke dag het aangekoekte gras aan de onderkant van de maai-eenheid.
Important: Gebruik geen hogedrukreiniger en spuit de elektrische onderdelen aan de bovenkant van de maai-eenheid niet rechtstreeks af met water, aangezien u de motoren en andere elektrische onderdelen kunt beschadigen.
Waarschuwing
Als u de perslucht niet juist gebruikt om de machine te reinigen, kan ernstig lichamelijk letsel worden veroorzaakt.
-
Draag goede persoonlijke beschermingsmiddelen, zoals een veiligheidsbril, gehoorbescherming en een stofmasker.
-
Richt de perslucht nooit op een lichaamsdeel of op een andere persoon.
-
Raadpleeg de bedienings- en veiligheidsaanwijzingen van de fabrikant voor de compressor.
-
Parkeer de machine op een horizontaal vlak, breng de maai-eenheid omhoog in de TRANSPORTSTAND, schakel de machine uit, verwijder het sleuteltje en draai de afkoppelschakelaar van de accu op UIT.
-
Breng de maai-eenheid omhoog naar de SERVICE-stand; raadpleeg de Gebruikershandleiding van de tractie-eenheid.
-
Verwijder vuil van onder de maai-eenheid met perslucht of water.
Important: Gebruik geen hogedrukreiniger om de maai-eenheid te reinigen.


te letten, dat betekent Voorzichtig, Waarschuwing
of Gevaar – instructie voor persoonlijke veiligheid. Niet-naleving
van deze instructies kan leiden tot lichamelijk of dodelijk letsel.
























