Manutenção
Determine os lados direito e esquerdo da máquina a partir da posição normal de utilização.
Cuidado
Se deixar a chave na ignição, alguém pode ligar acidentalmente o motor e feri-lo a si ou às pessoas que se encontrarem próximo da máquina.
Retire a chave do interruptor antes de fazer qualquer revisão.
Plano de manutenção recomendado
| Intervalo de assistência | Procedimento de manutenção |
|---|---|
| Após as pimeiras 5 horas |
|
| Após cada utilização |
|
| A cada 25 horas |
|
| A cada 200 horas |
|
| Antes do armazenamento |
|
Lubrificação do cultivador
| Intervalo de assistência | Procedimento de manutenção |
|---|---|
| A cada 25 horas |
|
| Antes do armazenamento |
|
Lubrifique os dois bocais nas extremidades do rolo e um bocal na flange de quatro parafusos do lado esquerdo da estrutura principal.
Tipo de lubrificante:Lubrificante para utilizações gerais
Important: Lubrifique imediatamente após cada lavagem
-
Estacione a máquina numa superfície plana, desça o acessório e engate o travão de estacionamento (se equipado)
-
Desligue o motor e retire a chave.
-
Limpe os bocais de lubrificação com um trapo.
-
Ligue uma pistola de lubrificação ao bocal.
-
Coloque lubrificante nos encaixes até que comece a escorrer massa lubrificante dos rolamentos.
-
Limpe qualquer massa lubrificante em excesso.
Alteração do óleo da corrente da transmissão
| Intervalo de assistência | Procedimento de manutenção |
|---|---|
| A cada 200 horas |
|
Verifique o nível do óleo de lubrificação da caixa de velocidade na caixa de velocidades a cada 25 horas de operação e mude o óleo a cada 200 horas de operação ou uma vez por ano, o que ocorrer primeiro.
Tipo de óleo: 85 W 140
-
Estacione a máquina numa superfície plana, engate o travão de estacionamento (se equipado) e certifique-se de que a cobertura da corrente da transmissão está perpendicular ao solo.
-
Levante o acessório alto o suficiente para colocar um recipiente por baixo da caixa da corrente da transmissão e apoie o acessório com cavaletes.
Aviso
Os macacos mecânicos ou hidráulicos, assim como os braços de elevação, podem falhar no apoio do cultivador e causar ferimentos graves; utilize cavaletes para apoiar o cultivador.
Não utilize apenas os braços de elevação ou macacos hidráulicos.
-
Desligue o motor e retire a chave.
-
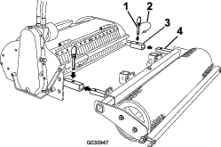
Abra o orifício de enchimento do óleo na parte superior da caixa da corrente da transmissão (Figura 11).

-
Coloque um recipiente de drenagem grande por baixo da caixa da corrente da transmissão.
-
Retire o tampão de drenagem (Figura 11).
-
Quando drenar a totalidade do óleo da caixa, substitua e aperte o tampão de drenagem.
-
Retire o tampão lateral (Figura 11).
-
Deite óleo no orifício de enchimento lentamente até o sair pelo orifício do tampão lateral.
-
Substitua o tampão lateral e o tampão do orifício de enchimento do óleo e aperte-os.
-
Limpe todo o óleo derramado.
Ajuste da tensão da correia da transmissão
| Intervalo de assistência | Procedimento de manutenção |
|---|---|
| Após as pimeiras 5 horas |
|
| A cada 25 horas |
|
-
Estacione a máquina numa superfície plana, desça o acessório e engate o travão de estacionamento (se equipado).
-
Desligue o motor e retire a chave.
-
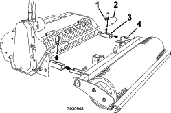
Desaperte a porca de retenção do parafuso de ajuste da correia (Figura 12).

-
Rode o parafuso à mão até sentir resistência (Figura 12).
-
Marque o parafuso com um lápis e depois desaperte-o uma volta.
-
Aperte a porca de bloqueio.
Substituição de dentes
Verifique e substitua os dentes quando ficarem gastos ou embotados. Os dentes gastos ou embotados reduzem o desempenho do cultivador
-
Estacione a máquina numa superfície plana, desça o acessório e engate o travão de estacionamento (se equipado).
-
Desligue o motor e retire a chave.
-
Retire o conjunto do rolo do cultivador.
-
Levante e liberte o trinco de mola na lateral do cultivador (Figura 13).

-
Abra a cobertura dos dentes (Figura 13).
-
Remova os dentes antigos, um de cada vez, e instale os dentes novos (Figura 14).
Note: Cada cubo central tem quatro dentes (dois direitos e dois esquerdos). Os dentes esquerdos e direitos estão dispostos de forma alternada no cubo. Certifique-se de que substitui cada dente com o mesmo tipo de dente que estava instalado anteriormente.

-
Aperte os parafusos de montagem dos dentes com 86 a 104 N∙m.
-
Feche a cobertura dos dentes e prenda-a com o trinco de mola.
-
Instale o conjunto do rolo.


, que indica: Cuidado, Aviso
ou Perigo – instruções de segurança pessoal.
O não cumprimento destas instruções pode resultar
em ferimentos pessoais ou mesmo em morte.











