| Интервал на техническо обслужване | Процедура по поддръжка |
|---|---|
| Преди всяка употреба или ежедневно |
|
Тази самоходна косачка с роторен апарат за косене е предназначена за употреба от наети професионални оператори. Косачката е предназначена основно за косене на тревата на добре поддържани тревни площи в жилищни или търговски райони. Използването на продукта за цели, различни от неговото предназначение, може да бъде опасно за Вас и за лица в близост до Вас.
Прочетете внимателно представената тук информация, за да научите как да работите и да поддържате правилно изделието и да избягвате наранявания и повреди. Отговорността за правилната и безопасна работа с изделието е изцяло Ваша.
Посетете www.Toro.com за допълнителна информация, включително съвети за безопасна работа, учебни материали, информация за аксесоари, помощ при намиране на дилър, или за регистриране на продукта.
Във всички случаи, когато се нуждаете от сервизно обслужване, от оригинални резервни части на Тoro или от допълнителна информация, свържете се с упълномощен за сервизно обслужване дилър на Тoro или с Центъра за обслужване на клиентите на Тoro, като не забравите да укажете модела и серийните номера на Вашия продукт. Фигура 1 идентифицира мястото на данните за модела и серийните номера на продукта. Запишете номерата в предвиденото за целта място.
Important: За достъп до данни за гаранцията, резервни части и друга информация за продукта може да сканирате с Вашето мобилно устройство QR кода (ако има) върху стикера със серийния номер

Предупредителният символ за опасност (Фигура 2), показан както в това ръководство, така и върху машината, идентифицира важни съобщения за безопасност, които трябва да бъдат спазени за избягване на злополуки.

Предупредителният символ за опасност се появява над информацията, която предупреждава за необезопасени действия или ситуации и е последван от думите ОПАСНОСТ, ПРЕДУПРЕЖДЕНИЕ или ВНИМАНИЕ.
ОПАСНОСТ указва непосредствена опасна ситуация, която, ако не бъде избегната, ще доведе до смърт или тежко телесно увреждане.
ПРЕДУПРЕЖДЕНИЕ указва възможна опасна ситуация, която, ако не бъде избегната, може да доведе до смърт или тежко телесно увреждане.
ВНИМАНИЕ указва възможна опасна ситуация, която, ако не бъде избегната, може да доведе до леко или средно телесно увреждане.
Това ръководство използва две други думи за привличане на вниманието към определена информация. Важно привлича вниманието върху специална техническа информация и Забележка, която набляга на общата информация, заслужаваща специално внимание.
Настоящият продукт отговаря на всички действащи европейски директиви. За подробна информация, моля, вижте Декларацията за съответствие (ДЗС) на конкретния продукт.
Общ или полезен въртящ момент: Общият или полезният въртящ момент на този двигател са определени по лабораторен път от производителя на двигателя в съответствие с Дружеството на автомобилните инженери (ДАИ) J1940 или J2723. При конфигурирането на машината в съответствие с изискванията за безопасност, емисии и експлоатация, действителният въртящ момент на двигателя за този клас косачки ще бъде значително по-малък. Моля, направете справка с информацията от производителя на двигателя, доставена с машината.
Не манипулирайте или забранявайте действието на устройствата за безопасност и проверявайте редовно правилното им функциониране. Не правете опити да регулирате или манипулирате управлението на оборотите, тъй като това може да предизвика опасни работни условия, причина за възможни наранявания.
Продуктът може да отреже крайници и да изхвърля предмети. Винаги спазвайте всички инструкции за безопасност за предотвратяване на сериозно нараняване или смърт.
Прочетете, изяснете си и спазвайте инструкциите и предупрежденията в това Ръководство за експлоатация и върху машината и приставките, преди да стартирате двигателя.
Не поставяйте ръцете или краката си в близост до движещите се части или под машината. Стойте далеч от всеки отвор за разтоварване.
Не работете с машината, без да са поставени на място всички предпазители и без другите защитни устройства за безопасност в машината да функционират правилно.
Дръжте страничните лица и децата далеч от работния участък. Не допускайте деца да работят с машината. Разрешавайте само на отговорни, обучени, запознати с инструкциите и физически способни лица да работят с машината.
Преди обслужване, зареждане с гориво или отстраняване на задръстване, спрете машината, изключете двигателя и изчакайте всички подвижни части да спрат.
Неправилната
употреба или поддръжка
на тази машина може
да доведе до наранявания.
За намаляване на
потенциалната
опасност от нараняване,
спазвайте следните
инструкции за безопасност
и винаги обръщайте
внимание на предупредителния
символ за опасност
, който
означава Внимание“, Предупреждение“
или Опасност“
– инструкции, свързани
с личната безопасност.
Неспазването на
тези инструкции
може да доведе
до нараняване или
смърт.
![]() |
Етикетите с предупреждения и инструкции за безопасност са лесно видими за оператора и са разположени в близост до всеки потенциално опасен участък. Заменяйте повредените или липсващи стикери. |





Important: Свалете и изхвърлете защитния найлонов лист, който предпазва двигателя, както и каквито и да било други пластмаси или опаковки върху машината.

Части, необходими за тази процедура:
| Сглобяване на горната ръкохватка | 1 |
| Долна ръкохватка | 2 |
| Болтове (5/16 x 1 ¾") | 4 |
| Фланцова гайка (5/16") | 4 |
| Закривена шайба | 8 |
Сглобете долната ръкохватка, както е показано на Фигура 4.

Части, необходими за тази процедура:
| Болт с фланцева глава (5/16 x 1-½ инча) | 2 |
| Фланцова гайка (5/16") | 4 |
| Болт на носача (5/16 x 1½ инча) | 2 |


Important: Ако нивото на маслото в двигателя е прекалено ниско или прекалено високо и Вие стартирате двигателя, той може да се повреди.


Important: Трябва да регулирате жилото за самоходното придвижване, преди да работите с машината за първи път. Вижте Регулиране на самоходното придвижване.



| Модел | Тегло | Дължина | Широчина | Височина |
| 22285 | 59 кг | 163 см | 56 см | 107 см |
Налични са одобрени от Toro приставки и аксесоари за използване с машината, за да се подобрят и разширят възможностите й. Свържете се с упълномощен дилър за сервизно обслужване или дистрибутор на Toro или посетете www.Toro.com за списък с всички одобрени приставки и аксесоари.
За гарантиране на оптимална работа и непрекъснато сертифициране на машината за безопасност, използвайте само оригинални резервни части и принадлежности от Toro. Резервни части и принадлежности, произведени от други производители, могат да бъдат опасни, а тяхната употреба може да анулира гаранцията на продукта.
Note: Определете лявата и дясната страни на машината спрямо нормалното работно положение.
Винаги спирайте машината, изчаквайте всички движещи се части да спрат и давайте възможност на машината да изстине, преди да я регулирате, обслужвате, почиствате или съхранявате.
Запознайте се с начините за безопасна експлоатация на оборудването, органите за управление на оператора и предупредителните обозначения за безопасност.
Проверете дали всички предпазители и устройства за безопасност, като дефлектори или кошове за трева, са на местата си и работят правилно.
Винаги инспектирайте машината, за да се уверите, че ножовете и болтовете на ножовете не са износени или повредени.
Проверете участъка, в който ще използвате машината, и отстранете всички обекти, които може да пречат на работата на машината или да бъдат изхвърлени от нея.
Контакт с задвижван режещ нож причинява тежко нараняване. На пъхайте пръстите си под корпуса.
Горивото е изключително запалимо и силно експлозивно. Пожар или експлозия на гориво може да предизвика изгаряния на Вас или други лица и да причини щети на имущество.
За да предотвратите възпламеняването на горивото от статичен заряд, преди зареждане поставете контейнера и/или машината директно върху земята, а не в превозно средство или върху някакъв друг предмет.
Зареждайте резервоара за гориво навън, на открито, когато двигателят е изключен и студен. Избършете всякакво разлято гориво.
Когато пушите или се намирате в близост до открит пламък или искри, не боравете с гориво.
Не сваляйте капачката за гориво и не доливайте гориво в резервоара, докато двигателят работи или е горещ.
Ако разлеете гориво, не опитвайте да стартирате двигателя. Избягвайте създаване на източник на запалване, докато не се разпръснат изпаренията от горивото.
Съхранявайте горивото в одобрен за целта съд за гориво и далеч от досег с деца.
Горивото е вредно за здравето и може да има фатални последствия при поглъщане. Излагане на парите му продължително време може да предизвика сериозно увреждане или заболяване.
Избягвайте да вдишвате парите дълго време.
Дръжте ръцете си далеч от дюзата и отвора на резервоара за гориво.
Дръжте горивото далеч от кожата и очите си.
| Вид | Безоловен бензин |
| Минимално октаново число | 87 (САЩ) или 91 (октаново число по метода на изследването; извън САЩ) |
| Етанол | Не повече от 10 обемни% |
| Метанол | Няма |
| MTBE (метил-третичен-бутил-етер) | По-малко от 15 обемни% |
| Масло | Не добавяйте към горивото |
Използвайте само чисто, свежо (не по-старо от 30 дни) гориво от надежден източник.
Important: За да намалите възможните проблеми, добавете необходимото количество стабилизатор/добавка за горивото съгласно насоките на производителя на стабилизатора/добавката за гориво.
Вижте ръководството за притежателя на двигателя за допълнителна информация.
Напълнете горивния резервоар, както е показано в Фигура 12.

| Интервал на техническо обслужване | Процедура по поддръжка |
|---|---|
| Преди всяка употреба или ежедневно |
|
Important: Ако нивото на маслото в картера е прекалено ниско или прекалено високо, и двигателят работи, така той може да се повреди.

Можете да вдигате или спускате ръкохватката до 1 от 3-те положения, което е най-удобното за Вас (Фигура 14).

Свалете двата болта и съответните гайки на ръкохватката.
Придвижете ръкохватката в желаното положение за височината.
Закрепете ръкохватката с болтовете и гайките, свалени преди това.
По време на регулиране на височината на косене ръцете Ви може да се окажат в контакт с движещ се нож, което да доведе до тежко нараняване.
Преди регулиране на височината на косене спрете двигателя и изчакайте спирането на всички движения.
При регулиране на височината на косене не пъхайте пръстите си под корпуса на машината.
Ако двигателят е работил, ауспухът ще е горещ и може да Ви изгори.
Не се доближавайте до горещ ауспух.
Регулирайте височината на косене до постигане на желаната от вас височина. Регулирайте всичките колела на една и съща височина (Фигура 15).

Носете подходящо облекло, включително защита за очите, дълги панталони, стабилни, устойчиви на хлъзгане обувки и защита за слуха. Вържете дългата коса отзад и не носете свободни дрехи или бижута.
Заостряйте вниманието си, когато работите с машината. Не се ангажирайте с дейности, които ще Ви разсейват, в противен случай може да възникне телесно нараняване или имуществени щети.
Не работете с машината, когато сте болни, уморени или под въздействието на алкохол или лекарства/опиати.
Ножът е остър; контактът с него може да доведе до тежки телесни наранявания. Преди да напуснете мястото на оператора, изгасете двигателя, извадете контактния ключ (ако има такъв) и изчакайте спирането на всички движещи се части.
Дръжте страничните лица извън работния участък. Дръжте малките деца извън от работния участък и под надзора на отговорен възрастен, който не е зает да работи с машината. Спирайте машината, ако някой навлезе в зоната.
Винаги поглеждайте надолу и назад, преди да се придвижите на заден ход.
Работете с машината само при добра видимост и при добри климатични условия. Не работете с машината, когато има риск от светкавици.
Ако се подхлъзнете по мокри трева и листа и се докоснете до ножа, това може да доведе до сериозни телесни наранявания. Избягвайте да косите трева при мокри условия.
Бъдете много внимателни, когато се приближавате към завои без видимост, храсти, дървета или други обекти, затрудняващи видимостта.
Не насочвайте изхвърляния материал срещу хора. Избягвайте да насочвате изхвърляния материал срещу стена или препятствия; той може да рикошира към Вас. Спирайте режещия нож(ове), когато пресичате повърхности с чакъл.
Внимавайте за дупки, коловози, издатини, камъни или други скрити опасности. При работа по неравен терен може да загубите равновесие или да политнете.
Ако машината се удари в някакъв обект или започне да вибрира, незабавно изгасете двигателя, извадете контактния ключ (ако има такъв), изчакайте спирането на всички движещи се части и откачете кабела от запалителната свещ, преди да проверите машината за повреди. Преди да възобновите работа, извършете необходимите ремонти.
Преди напускане на работното място изгасете двигателя, извадете контактния ключ (ако има такъв) и изчакайте спирането на всички движещи се части.
Ако двигателят е работил, той ще е горещ и може сериозно да Ви изгори. Не се доближавайте до горещия двигател.
Пускайте двигателя само в места с добра вентилация. Отработените газове от двигателя съдържат въглероден оксид, който е без мирис, но може да ви убие.
Проверявайте често компонентите на коша за трева и улея за изхвърляне за износване или влошаване на състоянието, и в случай на нужда ги сменяйте с оригинални части от Toro.
Косете по дължината на склоновете, никога надолу или нагоре. Бъдете много внимателни, когато променяте посоката по време на работа на склон.
Не косете по много стръмни наклони. Неравен терен може да причини злополука вследствие на подхлъзване и падане.
Косете с повишено внимание в близост до свлачища, канавки или насипи.
Свържете кабела за свещта към свещта.
Отворете кранчето за спиране на притока на гориво, като преместите лостчето му надясно (Фигура 16).

Придвижете лостчето за регулиране на газта в положение CHOKE (Дроселиране).
Note: Не използвайте дроселиране, докато двигателят е топъл.
Издърпайте леко ръкохватката за стартиране, докато усетите съпротивление, след което я дръпнете рязко.
Note: Оставете въжето да се върне бавно към носача за въжето върху ръкохватката.
След стартиране на двигателя придвижете лостчето за регулиране на газта в положение FAST (Бързо).
| Интервал на техническо обслужване | Процедура по поддръжка |
|---|---|
| След всяка употреба |
|
Освободете лостчето за управление на ножа и придвижете лостчето за регулиране на газта в положение STOP.
Note: Затворете кранчето за спиране на притока на гориво (Фигура 16), като преместите лостчето му наляво, ако не предвиждате да стартирате двигателя скоро.
Тази машина има 3 скорости за движение по терена: 1 (бавно), 2 (средно) и 3 (бързо); има и неутрално положение (N) Лостчето за самоходното придвижване се намира под и зад резервоара за гориво (Фигура 17).

Преместете лостчето за самоходното придвижване в желаното положение на скорост за движение по терена.
Стартирайте двигателя.
За да задействате самоходното придвижване, стиснете лостчето за самоходно придвижване (Фигура 18).

Note: Можете да регулирате скоростта за движение по терена като увеличавате или намалявате разстоянието между лостчето за самоходното придвижване и ръкохватката.
За да задействате режещите ножове, направете следното:
Натиснете и задръжте бутона за заключване на управлението на ножа, за да се задейства планката за управлението на ножа (A на Фигура 19).
Докато държите бутона, издърпайте планката за управление на ножа към ръкохватката; ножът трябва да се задейства (A на Фигура 19).
Освободете планката за управлението на ножа, за да освободите ножа (B на Фигура 19). Бутонът за заключване на управлението на ножа се нулира.

Проверявайте лостчето за управление на ножа всеки път, за да се гарантира, че интегрираният съединител нож-спирачка работи правилно.
Монтирайте празния кош за трева върху машината.
Стартирайте двигателя.
Задействайте ножа.
Note: Кошът трябва да започне да се раздува, което показва, че ножовете са задействани и се въртят.
Освободете лостчето за управление на ножа.
Note: Ако кошът не започне да спада веднага, ножът все още се върти. Възможно е интегрираният съединител нож-спирачка да е влошил действието си, и ако това бъде игнорирано, да се стигне до опасни работни условия. Уредете машината да бъде проверена и обслужена от упълномощен за сервизно обслужване дилър.
Спрете двигателя и изчакайте спирането на всички движещи се части.
Преместете машината на повърхност с настилка в място без вятър.
Регулирайте и 4-те колела на 76 мм височина на косене; вижте Регулиране на височината на косене.
Вземете половин лист от вестник и го смачкайте на топка, достатъчно малка, за да преминава под машината (с диаметър около 76 мм).
Поставете топката от вестник на около 13 см пред машината.
Стартирайте двигателя.
Задействайте ножа.
Освободете лостчето за управление на ножа.
Веднага насочете машината върху топката от вестник.
Спрете двигателя и изчакайте спирането на всички движещи се части.
Отидете пред машината и проверете топката от вестник.
Note: Ако топката от вестник не е под машината, повторете стъпките 4 до 10.
Note: Ако вестникът е раздърпан или нарязан, ножовете не са спрели както трябва, което може да доведе до опасна ситуация по време на работа. Обърнете се към упълномощен за сервизно обслужване дилър.
Тази машина се доставя от производителя готова за рециклиране на отпадни отрезки от трева и листа обратно в тревната площ. Подготовка на машината за рециклиране:
Ако кошът за трева е монтиран на машината, свалете го (A на Фигура 20).
Ако запушалката за задно разтоварване не е монтирана, хванете я за дръжката, вдигнете задния дефлектор и го вкарайте в улея за задно изхвърляне, докато щракне (B на Фигура 20).

Ако се работи с машината за рециклиране на отпадните отрезки без запушалката да е на мястото си, това дава възможност за изхвърляне на предмети към Вас или околните. Също така може да възникне контакт с ножовете. Изхвърляни предмети или контакт с ножовете могат да причинят тежко нараняване или смърт.
Уверете се, че запушалката за задно разтоварване е на мястото си, преди да рециклирате отпадните отрезки. Никога не задействайте ножовете, ако не е монтирана запушалката за задно разтоварване или кошът за трева.
Когато искате да съберете отпадните отрезки от трева и листа от тревната площ, използвайте коша за трева.
Един износен кош за трева може да допусне изхвърлянето на малки камъни и други подобни частици към Вас или към страничен наблюдател, в резултат на което да се получат сериозни телесни наранявания, а даже и смъртни случаи.
Проверявайте често коша за трева. Ако е повреден, монтирайте нов резервен кош от Toro.
Ножовете са остри; контактът с тях може да доведе до тежки телесни наранявания.
Преди да напуснете мястото на оператора, изгасете двигателя и изчакайте спирането на всички движещи се части.
Спрете двигателя и изчакайте спирането на всички движещи се части.
Вдигнете и задръжте задния дефлектор (A на Фигура 21).
Свалете запушалката за задно разтоварване, като натиснете ключалката с палеца си и издърпате запушалката от машината (B и C на Фигура 21).
Монтирайте прътовете за коша в прорезите при основата на ръкохватката и разклатете коша назад и напред, за да се гарантира, че прътовете са наместени в долната част на двата прореза (D на Фигура 21).
Спускайте задния дефлектор, докато се разположи върху коша за трева.

Машината може да изхвърля отрязана трева и други предмети през отвор в корпуса на машината. Предмети, изхвърлени с голяма сила, застрашават с тежко нараняване или смърт Вас или намиращите се в близост лица.
Никога не изваждайте коша за трева и след това не стартирайте двигателя, без да е поставена запушалката за разтоварване на машината.
Никога не отваряйте задния дефлектор, докато двигателят работи.
Прегледайте инструкциите за безопасна работа и прочетете внимателно този материал, преди да работите с машината.
Почиствайте участъка от пръчки, камъни, проводници и други дребни отпадъци, в които може да се удари ножът и да ги хвърли.
Дръжте всички, особено децата и домашните любимци, далече от работната зона.
Избягвайте удари в дървета, стени, тротоари или други твърди обекти. Никога не косете умишлено над който и да е обект.
Ако машината се удари в някакъв обект или започне да вибрира, незабавно изгасете двигателя, откачете кабела от свещта и проверете машината за повреди.
Поддържайте ножа остър през сезона за косене. Периодично обработвайте с пила нащърбванията по ножа.
Когато се налага, сменяйте ножа с оригинален резервен нож от Toro.
Косете само суха трева и листа. Мокрите трева и листа имат склонност да се групират по двора и могат да задръстят машината или да задавят двигателя.
Ако се подхлъзнете по мокри трева и листа и се докоснете до ножа, това може да доведе до сериозни телесни наранявания.
Косете само в сухо време.
Почиствайте под машината след всяко косене; вижте Почистване на машината отдолу.
Поддържайте двигателя в добро работно състояние.
Почиствайте въздушния филтър често. Мулчирането вдига повече отрязъци трева и прах, което води до запушване на въздушния филтър и влошава работата на двигателя.
Поставете лоста за оборотите на двигателя в положението за най-бързи обороти, за постигане на най-добри резултати.
Ако се работи с машината при обороти на двигателя, превишаващи настроените в завода, възможно е машината да изхвърли към Вас или към стоящите наоколо хора част от ножа или двигателя, което да доведе до тежко телесно нараняване или смърт.
Не променяйте настройката на регулатора на оборотите на двигателя.
Ако подозирате, че оборотите на двигателя превишават нормалните, свържете се с упълномощен дистрибутор на Toro.
Тревата расте с различна скорост през различните сезони. През топлото лятно време е най-добре тревата да се коси с настройки за височина на косене 64 мм, 76 мм или 89 мм. Косете само до една трета от ножа за трева. Не косете под настройка от 64 мм, освен ако тревата е рядка или през късна есен, когато растежът на тревата е забавен.
За да постигнете най-добър външен вид на тревната си площ, при косене на трева с височина над 15 см първо косете при настройка за най-голяма височина на косене и ходете бавно; след това косете отново на по-ниска степен на настройка. Ако тревата е твърде висока и има купчини листа върху нея, машината може да се задръсти и двигателят да се задръсти и това да предизвика спиране на двигателя.
Сменяйте посоката на косене. Това помага за разпръскването на отпадните отрезки по тревната площ за равномерното ѝ наторяване.
Ако външният вид на окосената тревна площ е незадоволителен, опитайте някой от следните подходи:
Заточете ножа.
При косене ходете бавно.
Повдигнете височината на косене на машината си.
Косете тревата по-често.
Припокривайте полосите на тревните откоси, вместо да окосявате една пълна полоса на всеки ход.
След като окосите тревната площ, се убедете, че половината от нея се показва през капака за косене на листа. Може да се наложи да направите още един преход по листата.
За по-лесно покриване на листата, регулирайте всичките колела на една и съща височина.
Забавете скоростта си на косене, ако машината не коси достатъчно прецизно листата.
Винаги спирайте машината, изчаквайте всички движещи се части да спрат и давайте възможност на машината да изстине, преди да я регулирате, обслужвате, почиствате или съхранявате.
За предотвратяване на пожар, почиствайте машината от треви и отломки. Почистете разливанията на масло или гориво.
Никога не съхранявайте машината или контейнер за гориво на места с открит пламък, искри или където има индикаторни лампи от типа на използваните в бойлери или други уреди.
Проявете внимание, когато натоварвате или разтоварвате машината.
Закрепете машината против преобръщане.
Затваряйте кранчето за спиране на притока на гориво, преди да натоварите машината за превозване.
За постигане на оптимална производителност, поддържайте долната страна на корпуса на машината чиста. Внимавайте много да поддържате изхвърлящите пластини чисти от тревни отпадъци (Фигура 22).

| Интервал на техническо обслужване | Процедура по поддръжка |
|---|---|
| След всяка употреба |
|
Машината може да изхвърля материал под себе си.
Носете предпазни очила.
Стойте на мястото на оператора (зад ръкохватката), докато машината работи.
Не допускайте странични наблюдатели в работния участък.
Паркирайте машината на равно място с настилка, близо до маркуч.
Стартирайте двигателя.
Дръжте включения маркуч на нивото на ръкохватката и насочвайте струята вода към терена непосредствено пред дясното задно колело (Фигура 23).

Note: Ножът ще загребва вода и отрезките от трева ще се отмият. Оставете водата да тече, докато престанат да се появяват отмити отрезки от трева под машината.
Спрете двигателя и изчакайте спирането на всички движещи се части.
Спрете водата.
Стартирайте машината и я оставете да работи няколко минути, за да изсъхне отдолу.
Ако при миенето не са отстранени всички остатъци под машината, почистете я като ги изстържете.
Откачете кабела от свещта (Фигура 9).
Източете горивото от резервоара за гориво.
Наклоняването на машината може да предизвика изтичане на гориво от карбуратора или резервоара за гориво. Бензинът е силно запалима и експлозивна течност, която при определени условия може да причини телесни наранявания или щети на имущество.
Избягвайте разливане, като работите с машината, докато бензинът свърши, или го източите с ръчна помпа, но никога с фуния.
Наклонете машината надясно (въздушният ѝ филтър да сочи нагоре).
Отстранете мръсотията и отрезките от трева със стъргалка от твърдо дърво. Избягвайте чаплъци и остри ръбове.
Върнете машината в работно положение.
Свържете кабела към свещта.
Note: Определете лявата и дясната страни на машината спрямо нормалното работно положение.
| Интервал на техническо обслужване | Процедура по поддръжка |
|---|---|
| След първите 8 часа |
|
| След първите 25 часа |
|
| Преди всяка употреба или ежедневно |
|
| След всяка употреба |
|
| На всеки 25 часа |
|
| На всеки 40 часа |
|
| На всеки 50 часа |
|
| На всеки 100 часа |
|
| На всеки 200 часа |
|
| На всеки 300 часа |
|
Important: Вижте ръководството за Вашия двигател за допълнителна информация относно процедурите по поддръжка.
Винаги спирайте машината, изчаквайте всички движещи се части да спрат и давайте възможност на машината да изстине, преди да я регулирате, обслужвате, почиствате или съхранявате.
Преди изпълнение на каквито и да било процедури по поддръжка на машината, първо откачете кабела на свещта.
Носете ръкавици и защита за очите при обслужването на машината.
Ножът е остър; контактът с него може да доведе до тежки телесни наранявания. При сервизното обслужване на ножа носете ръкавици. Не ремонтирайте или променяйте ножа (ножовете).
Никога не променяйте функционирането на устройствата за безопасност. Проверявайте редовно правилното им функциониране.
Наклоняването на машината може да предизвика изтичане на гориво. Горивото е лесно запалимо и експлозивно, и може да причини телесни наранявания. Работете с машината, докато бензинът свърши или го източете с ръчна помпа, но никога с фуния.
За гарантиране на оптимална работа и непрекъсната сертификация на машината за безопасност, използвайте само оригинални резервни части и принадлежности от Toro. Резервни части и принадлежности, произведени от други производители, могат да бъдат опасни, а тяхната употреба може да анулира гаранцията на продукта.
| Интервал на техническо обслужване | Процедура по поддръжка |
|---|---|
| На всеки 25 часа |
|
| На всеки 300 часа |
|
Important: Не работете с двигателя без поставен елемент на въздушния филтър на мястото му; това може да предизвика много сериозна повреда на двигателя.
Спрете двигателя и изчакайте спирането на всички движещи се части.
Откачете кабела от свещта.
Свалете капака и го почистете грижливо (Фигура 24).

Извадете също така дунапреновия предварителен филтър и хартиения елемент от основата на въздушния филтър (Фигура 24).
Измийте дунапреновия предварителен филтър от хартиения елемент на въздушния филтър и го измийте с неагресивен препарат и вода, след което го изсушете.
Извадете и проверете хартиения елемент на въздушния филтър, и ако е много замърсен, го сменете.
Important: Не се опитвайте да почиствате хартиен филтър.
Инсталирайте дунапреновия предварителен филтър в хартиения елемент на въздушния филтър.
Инсталирайте дунапреновия предварителен филтър и хартиения елемент на въздушния филтър в основата на въздушния филтър.
Сложете капака.
| Интервал на техническо обслужване | Процедура по поддръжка |
|---|---|
| След първите 8 часа |
|
| На всеки 50 часа |
|
Преди да смените маслото на двигателя, го оставете да поработи малко, за да загрее маслото. Топлото масло тече по-добре и отнася повече от замърсителите в него.
| Количество на двигателното масло | 0,65 литра* без маслен филтър; 0,85 литра* с маслен филтър |
| Вискозитет на маслото | SAE 30 или SAE 10W-30 с миеща присадка |
| API категория на обслужване | SJ или по-висока |
*Има остатъчно масло в картера, след като източите маслото. Не наливайте целия обем масло в картера. Напълнете картера с масло съгласно указанията в следните стъпки.
Спрете двигателя и изчакайте спирането на всички движещи се части.
Откачете кабела от свещта.
Източете горивото от резервоара за гориво.
Поставете подходящ съд за източване под маслоизмервателната щека/мястото за изтичане на маслото.
Почистете около маслоизмервателната щека.
Извадете маслоизмервателната щека като въртите капачето обратно на часовниковата стрелка и го издърпате навън.
Наклонете косачката надясно, така че въздушният филтър да сочи нагоре, за да източите маслото в съда за източване.
След източването на маслото върнете машината в работно положение.
Напълнете картера със свежо масло до правилното ниво по маслоизмервателната щека; вижте Доливане на масло в двигателя.
Вкарайте маслоизмервателната щека в гърловината за пълнене и завъртете капачката по посока на часовниковата стрелка, докато се затегне.
| Интервал на техническо обслужване | Процедура по поддръжка |
|---|---|
| На всеки 200 часа |
|
Стартирайте двигателя, за да се затопли маслото.
След като двигателят е работил, маслото може да е горещо, а контакт с горещо масло може да предизвиква тежки изгаряния.
Избягвайте контакт с горещото маслото на двигателя, докато го източвате.
Спрете двигателя и изчакайте спирането на всички движещи се части.
Откачете кабела от свещта.
Източете бензина от резервоара за гориво.
Източете маслото от двигателя; вижте Смяна на маслото на двигателя.
Поставете парцал под масления филтър (Фигура 25), за да поемете маслото, което може да протече по време на изваждането на филтъра.

Свалете масления филтър.
С пръст намажете гарнитурата на новия маслен филтър с масло (Фигура 26).

Монтирайте новия филтър, като го завъртите по часовниковата стрелка, докато гарнитурата влезе в контакт с корпуса на филтъра, след което затегнете филтъра на ръка с още ¾ оборота.
Напълнете картера със свежо масло до маркировката Full“ (Пълно) на маслоизмервателната щека; вижте Доливане на масло в двигателя.
Свържете кабела към свещта.
Стартирайте двигателя и го оставете да работи около 3 минути.
Спрете двигателя и изчакайте всички движещи се части да спрат, след което проверете за изтичащо масло около филтъра.
Добавете масло, което да компенсира маслото в масления филтър. Вижте Доливане на масло в двигателя.
Рециклирайте използвания маслен филтър по подходящ начин.
| Интервал на техническо обслужване | Процедура по поддръжка |
|---|---|
| На всеки 100 часа |
|
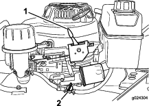
Използвайте свещ NGK BPR5ES или еквивалентен тип.
Спрете двигателя и изчакайте спирането на всички движещи се части.
Откачете кабела от свещта (Фигура 9).
Почистете участъка около свещта.
Свалете свещта от главата на цилиндъра.
Important: Ако тя е напукана или замърсена, сменете я. Не почиствайте електродите, защото попадналите в цилиндъра песъчинки могат да повредят двигателя.
Регулирайте луфта на свещта до 0,76 мм; за справка вижте Фигура 27.

Внимателно инсталирайте свещта с ръка (за да се избегне повреждане на резбата), докато тя се окаже затегната с ръка.
Притегнете свещта до 23 N∙m.
Important: Свещ, която е хлабава, може силно да се нагрее и да повреди двигателя; прекалено затягане на свещ може да повреди резбата в главата на цилиндъра.
Свържете кабела към свещта.
Ако машината е нова, не се движи на самоход или се опитва да пълзи“ напред, трябва да регулирате жилото за самоходно придвижване.
Придвижете машината на открито върху повърхност с настилка близо до стабилна стена, за да не се допуска движение на машината напред, докато двигателят работи.
Разположете машината с предните гуми към стената.
Note: Уверете се, че мястото се проветрява добре и че няма частици, които да бъдат изхвърляни от машината.
Превключете трансмисията на трета предавка.
Стартирайте двигателя; вижте Стартиране на двигателя.
Издърпайте лостчето за самоходно придвижване към ръкохватката.
Note: Колелата трябва да започнат да се въртят веднага щом лостчето за самоходно придвижване докосне ръкохватката.
Изгасете двигателя.
Ако трябва да регулирате машината, направете следното:
Ако колелата не се въртят при задействането на лостчето за самоходно придвижване, ремъкът за задвижването е прекалено хлабав. Завъртете регулатора за управление на задвижването на колелата (Фигура 28) по часовниковата стрелка 1 оборот и повторете стъпките от 4 до 6.

Ако колелата се въртят, преди да задействате напълно лостчето за самоходно придвижване, ремъкът за задвижването е прекалено стегнат. Завъртете регулатора за управление на задвижването на колелата (Фигура 28) обратно на часовниковата стрелка 1 оборот и повторете стъпките от 4 до 6.
Ако ремъкът за задвижването е нов, завъртете регулатора за управление на задвижването на колелата по часовниковата стрелка още 1 оборот, за да е възможно нормално разтягане на ремъка по време на разработването.
Note: Можете да пропуснете тази стъпка, ако регулирате използван ремък.
Винаги косете с остър нож. Острият нож реже чисто и без издърпване или накъсване на тревичките.
Спрете двигателя и изчакайте спирането на всички движещи се части.
Откачете кабела от свещта.
Затворете кранчето за спиране на притока на гориво, като преместите лостчето му наляво (Фигура 16).
Източете горивото от резервоара за гориво.
Наклонете машината надясно (въздушният ѝ филтър да сочи нагоре), както е показано на Фигура 29.

| Интервал на техническо обслужване | Процедура по поддръжка |
|---|---|
| Преди всяка употреба или ежедневно |
|
Внимателно проверявайте дали ножът е остър и не е износен, особено на мястото, където се срещат плоската и извитата част (Фигура 30A). Тъй като пясък и абразивни материали могат да предизвикат износване на метала, който свързва плоската и огънатата части на ножа, проверете ножа, преди да работите с машината. Ако откриете прорез или износване (Фигура 30B и Фигура 30C), сменете ножа; вижте Сваляне на нож.

Note: За получаване на възможно най-добри резултати, преди началото на сезона за косене монтирайте нов нож. През годината обработвайте с пила каквито и да било малки нащърбвания, за да поддържате режещия ръб.
Износен или повреден режещ нож може да се счупи и част от ножа може да бъде изхвърлена към Вас или към намиращи се наоколо хора, което да доведе до тежко телесно нараняване или смърт.
Инспектирайте периодично режещите ножове за износване или повреда.
Сменяйте износен или повреден нож.
| Интервал на техническо обслужване | Процедура по поддръжка |
|---|---|
| Преди всяка употреба или ежедневно |
|
Внимателно проверявайте ускорителя за силно износване (Фигура 31). Тъй като пясък и абразивни материали могат да предизвикат износване на метала, (особено в зоната, показана на Фигура 31 като позиция 2), проверявайте ускорителя, преди да работите с машината. Ако забележите износване на изпъкналата част на ускорителя до острия ъгъл или има пукнатина, заменете ускорителя; вижте Сваляне на нож.

Износен или повреден ускорител може да се счупи и част от ускорителя може да бъде изхвърлена към Вас или към намиращи се наоколо хора, което да доведе до тежко телесно нараняване или смърт.
Инспектирайте периодично ускорителя за износване или повреда.
Сменяйте износен или повреден ускорител.
Хващайте края на ножа с помощта на парцал или дебело подплатена ръкавица.
Свалете гайките на ножа, ускорителя и ножа (Фигура 30).
| Интервал на техническо обслужване | Процедура по поддръжка |
|---|---|
| На всеки 50 часа |
|
Обработвайте с пила горната част на ножа, за да поддържате оригиналния ъгъл на рязане (Фигура 32A) и вътрешния радиус на режещия ръб (Фигура 32B). Ножът ще остава балансиран, ако отстранявате еднакво количество материал от двата режещи ръба.

Проверявайте балансирането на ножа, като поставите централния отвор на ножа върху пирон или прът на отвертка, захванат хоризонтално в менгеме (Фигура 33).

Note: Можете също така да проверите балансирането с промишлен балансьор за ножове.
Ако някой край на нож се върти ниско, обработете го с пила (но не режещия ръб или в края до режещия ръб), докато никой от краищата на ножа не пада ниско.
Инсталирайте остър, балансиран нож от Toro, ускорителя и гайките на ножа. При правилен монтаж крилото на ножа трябва да сочи към върха на корпуса на косачката.
Note: Затегнете гайките на ножа с въртящ момент 20 до 37 N∙m.
Ако се работи с машината без поставен ускорител, възможно е ножът да се огъне, изкриви или счупи, което да доведе до тежко телесно нараняване на Вас или околните или смърт.
Не работете с машината без поставен ускорител.
Върнете машината в работно положение.
Жилото за нож-спирачка е фабрично регулирано, не е нужно да го регулирате, освен ако заменяте жилото или ремъка за нож-спирачка. Ако трябва да замените жилото, заменете едновременно жилото и ремъка.
Спрете двигателя и изчакайте спирането на всички движещи се части.
Откачете кабела от свещта.
Инсталирайте нов ремък за нож-спирачка и сглобете машината, с изключение на 2-та капака за ремъка върху горната част на корпуса на косачката.
Инсталирайте новия ремък за нож-спирачка, но не притягайте скобата за фиксиране на жилото върху горната част на корпуса на косачката (Фигура 34).

Разхлабете винта за фиксиране на жилото (Фигура 34).
Издърпайте бронята на жилото, за да премахнете хлабината (Фигура 35).
Note: Не прилагайте усилие към пружината.

Отбележете върху бронята на жилото (Фигура 36), след което регулирайте бронята до постигане на около 8 мм хлабина (Фигура 37).


Затегнете винта за фиксиране на жилото с въртящ момент от 11 до 14 N∙m, за да се фиксира направената настройка.
Монтирайте капака на ремъка с болтовете, които сте свалили, за да извадите 2-та капака на ремъка.
Свържете кабела към свещта.
| Интервал на техническо обслужване | Процедура по поддръжка |
|---|---|
| На всеки 50 часа |
|
Спрете двигателя и изчакайте спирането на всички движещи се части.
Откачете кабела от свещта.
Свалете капака на ремъка (Фигура 38) от корпуса на косачката.

Вдигнете капака и изчеткайте всички отломки от зоната на ремъка.
Монтирайте капака на ремъка.
Свържете кабела към свещта.
| Интервал на техническо обслужване | Процедура по поддръжка |
|---|---|
| На всеки 50 часа |
|
Почиствайте предпазителя на интегрирания съединител нож-спирачка, за да се постигне оптимална производителност и да се предотврати влошаването на състоянието на частите. Почиствайте предпазителя на интегрирания съединител нож-спирачка, когато заточвате ножа, защото трябва да свалите ножа, за да извадите предпазителя на интегрирания съединител.
Спрете двигателя и изчакайте спирането на всички движещи се части.
Откачете кабела от свещта.
Затворете кранчето за спиране на притока на гориво, като преместите лостчето му наляво (Фигура 16).
Източете горивото от резервоара за гориво.
Наклонете машината надясно (въздушният ѝ филтър да сочи нагоре).
Наклоняването на машината може да предизвика изтичане на гориво от карбуратора или резервоара за гориво. Бензинът е силно запалима и експлозивна течност, която при определени условия може да причини телесни наранявания или щети на имущество.
Избягвайте разливане на гориво, като източвате резервоара в съответствие с инструкциите, но никога с фуния.
Свалете 2-те гайки на ножа, ускорителя и ножа (Фигура 39).

Свалете винтовете за закрепването на предпазителя на интегрирания съединител нож-спирачка към корпуса на косачката (Фигура 39).
Свалете предпазителя на интегрирания съединител нож-спирачка и изчеткайте или издухайте отломките под предпазителя и около интегрирания съединител нож-спирачка.
Притегнете винтовете за закрепването на предпазителя на интегрирания съединител нож-спирачка към корпуса.
Инсталирайте ножа, ускорителя и 2-те гайки на ножа.
Върнете машината в работно положение.
| Интервал на техническо обслужване | Процедура по поддръжка |
|---|---|
| На всеки 40 часа |
|
Свалете задните колела и почистете отломките от областта на колелата и зъбните колела.

След почистването нанесете малко количество смес против задиране върху колелата.
Note: Ако работите с машината в екстремални условия, почиствайте колелата по-често от препоръчаното, за да се удължи експлоатационният живот на зъбните колела.
Note: За да не се повредят уплътненията на лагера, не пръскайте с вода под силно налягане върху лагерите.
За да подготвите машината са сезонно съхранение, изпълнете препоръчаните процедури за поддръжка; вижте .
Съхранявайте машината на хладно, чисто и сухо място. Покрийте машината, за да я предпазите и поддържате чиста.
Винаги спирайте машината, изчаквайте всички движещи се части да спрат и давайте възможност на машината да изстине, преди да я регулирате, обслужвате, почиствате или съхранявате.
След последното косене и преди да съхранявате машината, изпразнете горивото от резервоара за гориво.
Оставете машината да работи, докато двигателят ѝ спре поради липса на гориво.
Използвайте дроселиране на двигателя и го стартирайте отново.
Оставете двигателя да поработи, докато отново спре. Когато вече не можете да стартирате двигателя, той ще е достатъчно сух.
Докато двигателят е още топъл, сменете маслото в картера; вижте Смяна на маслото на двигателя.
Извадете свещта.
С помощта на масльонка долейте около 30 милилитра моторно масло в двигателя през отвора за свещта.
Бавно превъртете двигателя няколко пъти, като дърпате ръкохватката за ръчно пускане, за да се разнесе маслото върху коляновия вал на двигателя.
Монтирайте запалителната свещ, но не свързвайте проводника към запалителната свещ.
Почистете под машината; вижте Почистване на машината отдолу.
Почистете замърсяванията и парчетата трева от цилиндъра, ребрата на цилиндровата глава и корпуса на вентилатора.
Отстранете отрезките от трева и полепналите боклуци от външните части на двигателя, екраните и горната част на корпуса на косачката.
Проверете състоянието на ножа; вижте Инспектиране на ножа.
Проверете състоянието на ускорителя; вижте Инспектиране на ускорителя.
Само за моделите BBC: Почистете предпазителя на интегрирания съединител нож-спирачка; вижте Почистване на предпазителя на интегрирания съединител нож-спирачка.
Извършете обслужване на въздушния филтър, вижте Обслужване на въздушния филтър.
Затегнете всички гайки, болтове и винтове.
Боядисайте всички ръждясали или оголени метални повърхности с боя, предлагана от упълномощен за сервизно обслужване дилър.
Проверете и притегнете всички крепежи.
Извадете запалителната свещ и завъртете двигателя бързо с помощта на стартера, за да издухате излишното масло от цилиндъра.
Почистете запалителната свещ или я сменете, ако е спукана, счупена, или електродите ѝ са износени.
Поставете запалителната свещ; вижте Обслужване на свещта.
Изпълнете нужните процедури за обслужване; вижте .
Напълнете с ново гориво резервоара за гориво.
Проверете нивото на маслото в двигателя.
Свържете кабела към свещта.
| Problem | Possible Cause | Corrective Action |
|---|---|---|
| Двигателят не се стартира. |
|
|
| Двигателят стартира трудно или губи мощност. |
|
|
| Двигателят прекъсва. |
|
|
| Машината или двигателят вибрират прекалено. |
|
|
| Моделът на рязане е неравен. |
|
|
| Улеят за странично изхвърляне се запушва. |
|
|
| Машината не се движи на самоход. |
|
|