维护
支撑滚刀组
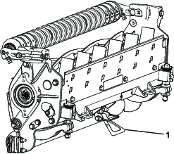
当必须翻转滚刀组露出底刀/滚刀时,应使用支架(随主机提供)支撑住滚刀组的后部,确保底刀架调节螺丝后端的螺母不会接触工作表面 (图 25)。

滚刀组润滑
定期使用 2 号锂润滑脂润滑每个滚刀组的 5 个黄油嘴(图 26)。
前滚筒和后滚筒各有 2 个润滑点,滚刀马达花键有 1 个润滑点。
Note: 03192 型没有前滚筒;后滚筒上只有 2 个润滑点,滚刀马达花键上有 1 个润滑点。
Important: 冲洗之后应立即润滑滚刀组,有助于将水从轴承清理出来,并延长轴承寿命。
-
使用干净的抹布擦拭每个黄油嘴。
-
涂抹润滑脂,直至滚筒密封件和轴承释放阀外面看得到润滑脂。
-
擦掉多余的润滑脂。

滚刀规格
铲磨滚刀
新滚刀的棱面宽度为 1.3~1.5mm,铲磨角度为 30°。
当棱面宽度大于 3mm 时,请执行以下步骤:
安装用于滚刀研磨的前轴总成
Important: 您必须订购以下部件,以便将滚刀组安装到滚刀研磨机上:
| 要求数量 | 零件 | 零件号 |
| 2 | 前剪草高度支架 | 125-2796 |
| 2 | 托架螺栓(⅜ x 1½ 英寸) | 3231-4 |
| 2 | 锁紧螺母 (⅜ 英寸) | 104-8301 |
| 2 | 六角头螺栓(5/16 x 1⅛ 英寸) | 322-16 |
| 1 | 前滚筒轴 | 117-0957 |
-
拆下车间滚筒总成(如配备);请参阅调节车间滚筒总成(仅限型号 03192)。
-
使用托架螺栓和锁紧螺母,将前剪草高度支架安装到侧板顶部的孔中(图 29)。
Important: 确保使用托架螺栓将剪草高度支架安装到槽的顶部,从而使剪草高度支架尽可能低。

-
使用 2 个六角头螺栓将轴安装到剪草高度支架的底部。
-
确保轴与滚刀组平行;如果不平行,松开低侧的托架螺栓,当轴平行时再次将其拧紧。
维护底刀
底刀使用极限列于下图中。
Important: 在使用极限以下使用带底刀的滚刀组,造成的影响可能包括导致剪后外观欠佳,并降低底刀结构的完整性。
| 底刀维修限值图(生产底刀) | ||||
| 底刀 | 零件号 | 底刀缘高度 | 维修限值* | 顶部/前部研磨角度 |
| 低 HOC | 147-1248(69cm) | 5.6mm | 4.8mm | 10/5° |
| 147-1252(81.3cm) | ||||
| EdgeMax® | 137-6095(69cm) | 6.9mm | 4.8mm | 10/5° |
| 标准型 | 147-1249(型号 03189/90,69cm) | 6.9mm | 4.8mm | 10/5° |
| 147-1253(03191 型,32 英寸) | ||||
| 重型 | 147-1250(03192 型,27 英寸) | 9.3mm | 4.8mm | 10/5° |
| 147-1254(81.3cm) | ||||

Note: 请参看底刀底部,了解所有底刀维修限值衡量参数(图 31)。

维护底刀架
拆除底刀架
安装底刀架
-
安装底刀架,将安装吊耳固定在垫圈与底刀架调节螺丝之间。
Important: 将 DPA 调节器置于底刀架吊耳的中央,如 图 37所示。如果 DPA 调节器安装在底刀架吊耳上,可能会对底刀与滚刀的接触产生不利影响。

-
使用底刀架螺栓(螺栓上带螺母)和 3 个垫圈(共 6 个)将底刀架固定在两个侧板上。
-
将尼龙垫圈放在侧板凸起的一侧。在两个尼龙垫圈的外侧各放一个钢垫圈(图 36)。
-
上紧底刀架螺栓扭矩至 37~45N·m。
-
慢慢拧紧底刀架锁紧螺母,直至刚刚可以用手旋动外部钢垫圈。
Important: 切勿过度旋紧锁紧螺母,否则会导致侧板变形。
Note: 底刀架和侧板之间的尼龙垫圈将有一个小间隙。
-
旋紧弹簧加压螺母,直到弹簧完全压紧,然后往回松开 1/2 圈(图 38)。

底刀规格
维护 HD 双点调节器 (DPA)
-
拆除所有零件(请参阅 HD DPA 套件安装说明和 图 41)。
-
将防粘剂涂抹到滚刀组中心机架(图 41)的轴套区内侧。
-
将凸缘轴套上的键与机架的槽对准,然后安装轴套(图 41)。
-
将一个波形垫圈安装到调节器轴上,然后将调节器轴滑入滚刀组机架中的凸缘轴套内(图 41)。
-
使用扁平垫圈和锁紧螺母固定调节器轴(图 41)。
-
上紧锁紧螺母扭矩至 20~27N·m。
Note: 底刀架调节器轴采用左旋螺纹。

-
将防粘剂涂抹到安装在调节器轴中的底刀架调节器螺丝的螺纹上。
-
将底刀架调节器螺丝旋入调节器轴。
-
将硬化垫圈、弹簧和弹簧加压螺母宽松地安装到调节器螺丝上。
-
安装底刀架,将安装吊耳固定在垫圈与底刀架调节器之间。
-
使用底刀架螺栓(螺栓上带有螺母)和 6 个垫圈将底刀架固定在两个侧板上。
Note: 将尼龙垫圈放在侧板凸起的一侧。
-
在两个尼龙垫圈的外侧各放一个钢垫圈(图 41)。
-
上紧底刀架螺栓扭矩至 37~45N·m。
-
拧紧锁紧螺母,直至外部钢垫圈停止旋转且两侧没有轴向游隙,但不要拧得过紧或导致侧板变形。
Note: 内侧的垫圈可能有空隙(图 41)。
-
旋紧每个底刀架调节器总成上的螺母,直到加压弹簧完全压缩,然后往回松开 ½ 圈(图 41)。
-
对滚刀组的另一端重复相同的步骤。
-
调节底刀与滚刀,请参阅 调节底刀与滚刀。
维护滚筒
维护滚筒可以使用滚筒翻新套件(零件号 114–5430)和滚筒翻新工具套件(零件号 115–0803)(图 42)。滚筒翻新套件包括翻新滚筒所需的所有轴承、轴承螺母、内密封件和外密封件。滚筒翻新工具箱包括使用滚筒翻新套件翻新滚筒所需的所有工具和安装说明。请参阅您的零件目录,或联系您的 Toro 授权经销商寻求帮助。



,即小心、警告或危险等个人安全指示。不遵循这些说明可能导致人身伤害甚至死亡事故。




























