Vedligeholdelse
Note: Maskinens venstre og højre side er som set fra den normale betjeningsposition.
Note: Download et gratis eksemplar af ledningsdiagrammet eller hydraulikskemaet ved at gå til www.Toro.com og bruge vejledningslinket på hjemmesiden til at søge efter din maskine.
Sikkerhed under vedligeholdelsesarbejde
-
Før rengøring, eftersyn eller justering af maskinen skal du gøre følgende:
-
Parker maskinen på en plan flade.
-
Sluk for motoren, tag nøglen ud, frakobl tændrørskablet, og vent, til alle bevægelige dele er standset.
-
Bloker hjulene.
-
Flyt maskinen fra traktionsenheden.
-
Vent, til maskinens komponenter er kølet ned, før du udfører vedligeholdelsesarbejde.
-
-
Udfør kun den vedligeholdelse, som er beskrevet i instruktionerne i denne vejledning. Kontakt en autoriseret Toro-forhandler, hvis det på noget tidspunkt skulle blive nødvendigt med større reparationer, eller hvis du har brug for anden hjælp.
-
Understøt maskinen med klodser eller donkrafte, når du arbejder under den.
-
Kontroller, at alle afskærmninger er forsvarligt monteret efter vedligeholdelse eller justering af maskinen.
-
Lad ikke personer, som ikke er uddannet til det, udføre service på maskinen.
-
Brug donkrafte til at understøtte maskinen eller komponenter efter behov.
-
Tag forsigtigt trykket af komponenter, hvori der er oplagret energi.
-
Oplad ikke batterierne, mens der udføres serviceeftersyn af maskinen.
-
For at reducere brandfare skal du holde motorområdet fri for overdreven fedt, græs, blade og ophobet snavs.
-
Udfør så vidt muligt ikke vedligeholdelse, mens motoren kører. Hold afstand til bevægelige dele.
-
Hvis det er nødvendigt at holde motoren kørende for at udføre en vedligeholdelsesjustering, skal du holde hænder, fødder, tøj og alle kropsdele væk fra motoren og bevægelige dele. Sørg for, at omkringstående holder afstand til maskinen.
-
Tør spildt olie og brændstof op.
-
Hold alle dele i god driftsmæssig stand og alle fastgørelsesanordninger tilspændt. Udskift alle beskadigede eller manglende mærkater.
-
Undlad at foretage noget, der forstyrrer en sikkerhedsanordnings tilsigtede funktion, eller som reducerer den beskyttelse, som sikkerhedsanordningen yder. Efterse regelmæssigt, at de fungerer korrekt.
-
Kør ikke motoren med for høj hastighed ved at ændre på regulatorindstillingerne. Få en autoriseret Toro-forhandler til at kontrollere det maksimale motoromdrejningstal med en omdrejningstæller af hensyn til sikker og nøjagtig drift.
-
Kontakt en autoriseret Toro-forhandler, hvis det nogensinde bliver nødvendigt med større reparationer, eller du har brug for anden hjælp.
-
Ændringer af denne maskine på nogen som helst måde kan påvirke maskinens drift, ydeevne, holdbarhed, eller kan bevirke at dens brug medfører personskade eller død. En sådan brug gøre produktgarantien fra The Toro Company ugyldig.
Skema over anbefalet vedligeholdelse
| Vedligeholdelsesintervaller | Vedligeholdelsesprocedure |
|---|---|
| Efter de første 8 timer |
|
| Efter de første 10 timer |
|
| Hver anvendelse eller dagligt |
|
| For hver 25 timer |
|
| For hver 50 timer |
|
| For hver 100 timer |
|
| For hver 200 timer |
|
| For hver 500 timer |
|
Important: Se betjeningsvejledningen til motoren for at få yderligere oplysninger om procedure for vedligeholdelse.
Kontrolliste for daglig vedligeholdelse
Kopier denne side til rutinemæssig brug.
|
Vedligeholdelsespunkter |
I ugen: |
||||||
|---|---|---|---|---|---|---|---|
|
Man. |
Tirs. |
Ons. |
Tors. |
Fre. |
Lør. |
Søn. |
|
|
Kontroller motoroliestanden. | |||||||
|
Rengør motorskærmen og oliekøleren. | |||||||
|
Eftersyn af luftfilterets forfilter. | |||||||
|
Kontroller dæktrykket. | |||||||
|
Kontroller tilspændingsmomentet på blæserdysens monteringsklemme | |||||||
|
Rengør dysestyrene. | |||||||
|
Kontroller for usædvanlige motorlyde. | |||||||
|
Kontroller for væskelækager. | |||||||
|
Reparation af beskadiget maling. | |||||||
|
Bemærkninger om problemområder |
||
|---|---|---|
|
Eftersyn foretaget af: |
||
|
Punkt |
Dato |
Oplysninger |
Tiltag forud for vedligeholdelse
Forsigtig
Hvis maskinen ikke vedligeholdes korrekt, kan det føre til for tidligt maskinsystemsvigt og muligvis til skade på dig eller omkringstående.
Vedligehold maskinen og hold den i god driftsmæssig stand som angivet i disse anvisninger.
Advarsel
Hvis du lader nøglen sidde i tændingen, kan andre personer utilsigtet komme til at starte motoren og forårsage alvorlig personskade på dig eller andre omkringstående personer.
Tag nøglen ud af tændingen, og tag tændrørskablet af tændrørene, før du udfører vedligeholdelsesarbejde. Flyt tændrørskablerne til side, så de ikke kommer i berøring med tændrørene ved et uheld.
Klargøring til maskinen
-
Parker maskinen på en plan overflade.
-
Sluk motoren, tag nøglen ud, og vent, til alle bevægelige dele er standset.
-
Bloker hjulene.
-
Flyt maskinen fra traktionsenheden.
-
Vent, til maskinens komponenter er kølet ned, før du udfører vedligeholdelsesarbejde.
-
Frakobl tændrørskablet.
Klargøring af maskinen til svejsereparationer
Important: Hvis batteriet ikke frakobles, kan det beskadige modulet til trådløs kontrol og TEC-styreenheden permanent.
-
Kobl batteriets minuskabel fra batteriet, før der svejses på maskinen.
-
Slut batteriets minuskabel til batteriet efter endt svejsning på maskinen.
Motorvedligeholdelse
Motorsikkerhed
-
Sluk for motoren, før du kontrollerer oliestanden eller hælder olie i krumtaphuset.
-
Lav ikke om på regulatorindstillingerne, og kør ikke motoren med for høj hastighed.
Eftersyn af luftfilteret
| Vedligeholdelsesintervaller | Vedligeholdelsesprocedure |
|---|---|
| For hver 25 timer |
|
| For hver 100 timer |
|
Kontrol af luftfilteret
-
Klargør maskinen til vedligeholdelse. Se Klargøring til maskinen.
-
Kontroller luftfilteret for skader, som kan medføre en luftlækage. Sørg for, at dækslet forsegler rundt om luftfilterelementet (Figur 24).
Note: Udskift luftfilterdækslet eller -huset, hvis det er beskadiget.

-
Åbn låsene, der fastgør luftfilterdækslet til luftfilterhuset (Figur 24).
-
Tag luftfilterdækslet af luftfilterhuset, og rengør den indvendige side af dækslet (Figur 24).
-
Skub forsigtigt luftfilterindsatsen ud af luftfilterhuset.
Note: Undgå at støde filteret mod luftfilterhuset for at mindske den mængde støv, der løsnes.
-
Efterse luftfilterindsatsen.
Note: Kontroller filterets forseglingsende.
Important: Udskift et beskadiget filter.
-
Hvis luftfilterindsatsen er rent, skal filterindsatsen monteres. Se Montering af luftfilteret.
-
Hvis luftfilterindsatsen er beskadiget, skal filterindsatsen udskiftes. Se Udskiftning af luftfilteret og Montering af luftfilteret.
-
Udskiftning af luftfilteret
-
Rengør åbningen til udblæsning af snavs i luftfilterdækslet.
-
Afmonter gummiudløbsventilen i dækslet, rengør fordybningen, og udskift udløbsventilen.
-
Åbn låsene, der fastgør luftfilterdækslet til luftfilterhuset, og fjern dækslet (Figur 25).

-
Skub forsigtigt filterindsatsen (Figur 25) ud af filterhuset.
Note: Undgå at støde filteret mod luftfilterhuset for at mindske den mængde støv, der løsnes.
-
Efterse det nye filter for forsendelsesskader.
Note: Kontroller filterets forseglingsende.
Important: Monter ikke et beskadiget filter.
Montering af luftfilteret
Important: For at undgå motorskade skal den komplette luftfiltersamling altid være monteret, når motoren betjenes.
Important: Benyt ikke en beskadiget indsats.
Note: Det anbefales ikke at rengøre den brugte filterindsats på grund af risikoen for at beskadige filtermediet.
-
Rengør åbningen til udblæsning af snavs i luftfilterdækslet.
-
Afmonter gummiudløbsventilen i dækslet, rengør fordybningen, og udskift udløbsventilen.
-
Sæt luftfilterindsatsen ind i luftfilterhuset (Figur 26).
Note: Sørg for, at filteret er forseglet korrekt ved at lægge pres på filterets yderste kant, når det monteres. Tryk ikke på den fleksible del i midten af filteret.

-
Ret luftfilterdækslet ind efter luftfilterhuset, og fastgør dækslet til huset med låsene (Figur 26).
Motoroliespecifikation
Olietype: Selvrensende olie (API-service SJ eller højere)
Olieviskositet: Se nedenstående tabel:

Kontrol af motoroliestanden
| Vedligeholdelsesintervaller | Vedligeholdelsesprocedure |
|---|---|
| Hver anvendelse eller dagligt |
|
Note: Det bedste tidspunkt at kontrollere motoroliestanden er, når motoren er kold, inden den startes for dagen. Hvis den allerede har kørt, skal maskinen slukkes, og der skal gå mindst 10 minutter, før oliestanden kontrolleres.
-
Klargør maskinen til vedligeholdelse. Se Klargøring til maskinen.
-
Rengør området omkring oliemålepinden og oliepåfyldningsdækslet på ventildækslet (Figur 28 og Figur 29).


-
Fjern målepinden, og tør pindens ende ren (Figur 28).
-
Sæt målepinden helt ind i målepindsrøret (Figur 30).
-
Træk målepinden ud, og kig på pindens metalende.
Note: Oliestanden skal være på det øverste indikatormærke på målepinden.

-
Hvis oliestanden er under det øverste indikatormærke på målepinden, skal du fjerne oliepåfyldningsdækslet, langsomt tilføje den angivne olie for at bringe oliestanden til det øverste indikatormærke og sætte oliefyldningshætten på. Se Motoroliespecifikation.
Important: Undgå at overfylde krumtaphuset og køre motoren. Det kan medføre motorskade.
-
Sæt målepinden helt ind i målepindsrøret.
Olieskift
| Vedligeholdelsesintervaller | Vedligeholdelsesprocedure |
|---|---|
| For hver 100 timer |
|
Krumtaphuskapacitet: 2 l – med filteret
-
Start motoren, og lad den køre i fem minutter.
Note: Varm olie kan bedre aftappes.
-
Parker maskinen, så dræningssiden befinder sig lidt lavere end den modsatte side, så det sikres, at alt olie aftappes.
-
Sluk for motoren, tag nøglen ud, og vent, til alle bevægelige dele er standset, før du forlader førersædet.
-
Placer en bakke under aftapningsproppen. Drej oliedræningsventilen, så olien kan løbe ud (Figur 31).
Note: Du kan føre en slange over aftapningsventilen for at hjælpe med at styre olieflowet. Slangen medfølger ikke maskinen.
-
Når olien er helt aftappet, lukkes aftapningsventilen igen.
Note: Bortskaf den brugte olie på et genbrugsanlæg.

-
Hæld langsomt ca. 80 % af den angivne olie i ventildækslets påfyldningsstuds (Figur 32). Se Motoroliespecifikation.

-
Kontroller oliestanden. Se Kontrol af motoroliestanden.
-
Tilføj langsomt den ekstra olie for at bringe oliestanden op til det øverste indikatormærke på målepinden.
Skift af oliefilteret
| Vedligeholdelsesintervaller | Vedligeholdelsesprocedure |
|---|---|
| For hver 200 timer |
|
Krumtaphuskapacitet: 2 l – med filteret
-
Dræn olie fra motoren. Se afsnit Olieskift.
-
Fjern det gamle filter, og tør filteradapterens pakningsoverflade af (Figur 33).

-
Påfør gummipakningen på det nye filter et tyndt lag ny olie (Figur 33).
-
Monter det nye oliefilter i filteradapteren, drej oliefilteret med uret, indtil gummipakningen berører filteradapteren. Spænd dernæst filteret yderligere 2/3–1 omgang (Figur 34).

-
Fjern oliepåfyldningsdækslet (Figur 33) og fyld 2 l af den angivne olie i motoren. Se Motoroliespecifikation og Olieskift.
-
Kør motoren i ca. 3 minutter, sluk for motoren, og kontroller, om der er olielækager omkring oliefilteret.
-
Kontroller motoroliestanden, og påfyld om nødvendigt den angivne olie.
Serviceeftersyn af tændrørene
Tændrørstype: Champion® RC12YC, Champion® Platinum 3071 eller tilsvarende
Gnistgab: 0,76 mm
Kontrol af tændrørene
| Vedligeholdelsesintervaller | Vedligeholdelsesprocedure |
|---|---|
| For hver 200 timer |
|
-
Klargør maskinen til vedligeholdelse. Se Klargøring til maskinen.
-
Rengør området omkring tændrørene (Figur 35).

-
Kobl tændrørskablerne fra tændrørene. (Figur 35).
-
Fjern tændrøret og pakningen ved hjælp af en tændrørstop.
-
Se på midten af tændrørene (Figur 36). Hvis der kan ses en lys brun eller grå farve på isolatoren, fungerer motoren korrekt. En sort belægning på isolatoren betyder normalt, at luftfilteret er snavset.
Note: Hvis tændrøret er beskadiget eller slidt, skal der monteres et nyt tændrør.

Important: Udskift altid et tændrør, når det har en sort belægning, slidte elektroder, oliefilm eller revner.
-
Mål gnistgabet mellem midter- og sideelektroden (Figur 36). Gnistgabet skal måle 0,76 mm.
Note: hvis gnistgabet ikke er korrekt, skal sideelektroden bøjes for at justere afstanden.
-
Før tændrøret ind i motoren, og tilspænd tændrøret med et moment på 27 Nm.
-
Gentag trinene 2 til 6 ved den anden cylinder.
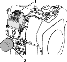
Rengøring af motorskærm og oliekøler
| Vedligeholdelsesintervaller | Vedligeholdelsesprocedure |
|---|---|
| Hver anvendelse eller dagligt |
|
Kontroller og rengør motorskærm og oliekøler før hver anvendelse. Fjern eventuel ophobning af græs, snavs eller andet materiale fra oliekøleren og motorskærmen (Figur 37).

Vedligeholdelse af brændstofsystem
Service af kulfilterbeholderen
Udskiftning af kulfilterbeholderens luftfilter
| Vedligeholdelsesintervaller | Vedligeholdelsesprocedure |
|---|---|
| For hver 200 timer |
|
-
Klargør maskinen til vedligeholdelse. Se Klargøring til maskinen.
-
Fjern og kassér kulfilterbeholderens luftfilter (Figur 38).

-
Monter det nye luftfilter.
Udskiftning af udluftningsrørets filter til kulfilterbeholderen
| Vedligeholdelsesintervaller | Vedligeholdelsesprocedure |
|---|---|
| For hver 200 timer |
|
Note: Kontroller jævnligt udluftningsrørets filter for snavs. Hvis filteret er meget snavset, skal det udskiftes.
-
Klargør maskinen til vedligeholdelse. Se Klargøring til maskinen.
-
Flyt slangeklemmerne af fjedertypen på begge sider af udluftningsrørets filter til kulfiberbeholderen væk fra filteret (Figur 39).

-
Fjern og kassér kulfilteret (Figur 39).
-
Indsæt et nyt filter i slangen med pilen på filteret pegende hen imod kontraventilen, og fastgør det med slangeklemmer (Figur 39).
Udskiftning af brændstoffiltrene
| Vedligeholdelsesintervaller | Vedligeholdelsesprocedure |
|---|---|
| For hver 500 timer |
|
Monter aldrig et snavset filter, hvis det er fjernet fra brændstofledningen.
-
Klargør maskinen til vedligeholdelse. Se Klargøring til maskinen.
-
Lad maskinen køle af.
-
Klem slangeklemmernes ender sammen, og skub dem væk fra filteret (Figur 40).

-
Fjern filteret fra brændstofrørene.
-
Monter et nyt filter, og flyt slangeklemmerne hen til filteret (Figur 40).
Serviceeftersyn af brændstoftanken
Fare
Under visse forhold er brændstof meget brandfarligt og yderst eksplosivt. En brand eller eksplosion forårsaget af brændstof kan give dig eller andre forbrændinger samt medføre tingsskade.
-
Tap brændstoffet af brændstoftanken, når motoren er kold. Dette skal gøres udendørs på en åben plads. Tør eventuelt spildt brændstof op.
-
Ryg aldrig, når du aftapper brændstof, og hold dig på afstand af åben ild eller steder, hvor brændstofdampene kan antændes af en gnist.
-
Klargør maskinen til vedligeholdelse. Se Klargøring til maskinen.
-
Sluk for motoren, tag nøglen ud, og vent, til alle bevægelige dele er standset, før du forlader betjeningspositionen.
-
Løsn slangeklemmen ved brændstoffilteret, og før den op ad brændstofrøret væk fra brændstoffilteret (Figur 40).
-
Træk brændstofrøret af brændstoffilteret (Figur 40).
Note: Lad brændstoffet løbe ud i en brændstofbeholder eller et aftapningskar (Figur 40).
Note: Dette er det bedste tidspunkt at montere et nyt brændstoffilter på, da brændstoftanken er tom.
-
Monter brændstofrøret på brændstoffilteret. Før slangeklemmen hen til brændstofventilen for at fastgøre brændstofrøret (Figur 40).
Vedligeholdelse af elektrisk system
Important: Inden der foretages svejsning på maskinen, skal styreenheden og minuskablet kobles af batteriet for at forhindre skade på det elektriske system.
Elektrisk system – Sikkerhed
-
Frakobl batteriet, før maskinen repareres. Frakobl minuspolen først og pluspolen sidst. Tilslut pluspolen først og minuspolen sidst.
-
Oplad batteriet på et åbent sted med god ventilation, væk fra gnister og åben ild. Træk stikket til opladeren ud af stikkontakten, før du slutter den til eller kobler den fra batteriet. Brug beskyttelsesdragt og isoleret værktøj.
Sikringer
Udskiftning af motorsikringen
-
Klargør maskinen til vedligeholdelse. Se Klargøring til maskinen.
-
Adskil de to dele af den indbyggede sikringsholder på motorens ledningsnet nær startmotoren (Figur 41).

-
Fjern den åbne sikring fra sikringsholderen.
-
Sæt en ny sikring (30 A) i sikringsholderen.
-
Monter de to dele af den indbyggede sikringsholder (Figur 41).
Udskiftning af maskinsikringerne
-
Fjern sikringsblokdækslet fra sikringsblokken (Figur 42) på den forreste indvendige side af styrestammen.

-
Fjern den åbne sikring fra sikringsblokken (Figur 42).
-
Sæt en ny sikring i sikringsblokkens åbning (Figur 43).

-
Monter sikringsblokkens dæksel på sikringsblokken
Sikringsblokken er en del af maskinens ledningsnet. Den sidder bag ved modtageren på højre side af styrestammen (Figur 42).
Vedligeholdelse af drivsystem
Kontrol af dæktrykket
| Vedligeholdelsesintervaller | Vedligeholdelsesprocedure |
|---|---|
| Hver anvendelse eller dagligt |
|
Kontroller dæktrykket (Figur 44).
Det korrekte dæktryk er 0,97 bar.

Tilspænding af hjullåsemøtrikkerne
| Vedligeholdelsesintervaller | Vedligeholdelsesprocedure |
|---|---|
| Efter de første 10 timer |
|
Advarsel
Hvis ikke det korrekte tilspændingsmoment opretholdes, kan det medføre svigt eller tab af hjulet, hvilket kan medføre personskade.
Tilspænd hjullåsemøtrikkerne med et moment på 95 til 122 Nm.
-
Klargør maskinen til vedligeholdelse. Se Klargøring til maskinen.
-
Tilspænd hjullåsemøtrikkerne med et moment på 95 til 122 Nm.
Eftersyn af dækkene
| Vedligeholdelsesintervaller | Vedligeholdelsesprocedure |
|---|---|
| For hver 100 timer |
|
Ulykker kan beskadige et dæk eller en fælg. Dækforholdene skal derfor efterses efter en ulykke.
Dækkets DOT-oplysninger findes på siden af hvert dæk. Disse oplysninger angiver belastnings- og hastighedsklassificeringer. Reservedæk skal have samme eller højere klassificering.
er et eksempel på dækslid forårsaget af for lavt dæktryk.

er et eksempel på dækslid forårsaget af for højt dæktryk.

Vedligeholdelse af remme
Justering af dysekontrolremmens spænding
| Vedligeholdelsesintervaller | Vedligeholdelsesprocedure |
|---|---|
| Efter de første 8 timer |
|
| For hver 50 timer |
|
Hvis dysekontrolremmen glider, mens blæserdysens retning ændres, skal remspændingen justeres.
-
Klargør maskinen til vedligeholdelse. Se Klargøring til maskinen.
-
Løsn de 2 flangehovedmaskinskruer og de 2 flangelåsemøtrikker, der fastgør motormonteringsbeslaget til maskinstellets kabinet (Figur 47).

-
Indsæt drivtappen på en momentnøgle i remskivens monteringsbeslag som vist i Figur 47.
-
Drej motormonteringsbeslaget væk fra blæserdysen (Figur 47), indtil momentnøglen viser 22,6 til 26,0 Nm.
-
Stram de 2 flangehovedmaskinskruer og 2 flangelåsemøtrikker, mens remspændingen holdes.
Vedligeholdelse af blæser
Kontrol af blæserdyseklemmen
| Vedligeholdelsesintervaller | Vedligeholdelsesprocedure |
|---|---|
| Hver anvendelse eller dagligt |
|
-
Klargør maskinen til vedligeholdelse. Se Klargøring til maskinen.
-
Kontroller blæserdyseklemmen for tegn på slitage eller beskadigelse (Figur 48).

-
Kontroller blæserdyseklemmen dagligt for at sikre, at den er stram (Figur 48).
Important: Hvis blæserdysen kommer i kontakt med en forhindring eller et lavt område i terrænet, kan blæserdyseklemmen løsne sig.
-
Hvis klemmen er løs, skal møtrikken på klemmen tilspændes med et moment på 5,1 til 5,7 Nm.
Rengøring af dysestyrene
| Vedligeholdelsesintervaller | Vedligeholdelsesprocedure |
|---|---|
| Hver anvendelse eller dagligt |
|
-
Klargør maskinen til vedligeholdelse. Se Klargøring til maskinen.
-
Fjern græs, skidt eller snavs, der sidder omkring og imellem dysestyrene. (Figur 49).
Note: Hvis dysestyrene ikke er fri for snavs, kan dysen muligvis ikke dreje frit, hvilket kan beskadige motoren.

Vedligeholdelse af den håndholdte fjernbetjening
Håndholdt fjernbetjening og modulet til trådløs kontrol
Den håndholdte fjernbetjening skal forbindes med modulet til trådløs kontrol, før du kan bruge fjernbetjeningen. Den håndholdte fjernbetjening bliver forbundet med modulet til trådløs kontrol på fabrikken. Se Forbindelse af fjernbetjeningen og kontrolmodulet, hvis du får brug for at genetablere kommunikation mellem den håndholdte fjernbetjening og modulet til trådløs kontrol (når der f.eks. introduceres en ny eller ekstra fjernbetjening til en eksisterende basisenhed, eller signalfrekvensen ændres på grund af problemer med lokal interferens).
Du kan kun forbinde håndholdte Pro Force-fjernbetjeninger til Pro Forces moduler til trådløs kontrol. Når en Pro Force-fjernbetjening forbindes til et andet Pro Force-modul til trådløs kontrol, afbryder fjernbetjeningen forbindelsen til den oprindelige Pro Force-maskine.
Note: Lokal interferens under drift kan afbryde forbindelsen mellem den håndholdte fjernbetjening og modulet til trådløs kontrol. Da modulet til trådløs kontrol vælger den bedste af adskillige signalfrekvenser under forbindelsesprocessen, skal du flytte maskinen hen til det sted, hvor der forekommer signalforstyrrelser eller -afbrydelser, og gennemføre forbindelsesproceduren der for at opnå de bedste resultater.
Forbindelse af fjernbetjeningen og kontrolmodulet
Important: Læs hele proceduren, inden du starter den.
-
Klargør maskinen til vedligeholdelse. Se Klargøring til maskinen.
-
Drej tændingsnøglen hen til positionen STOP.
-
Mens du holder den håndholdte fjernbetjening, skal du stå i nærheden af modulet til trådløs kontrol i et område, hvor du har en uhindret sigtelinje til antennen (Figur 50).

-
Tryk på og hold knapperne DREJ DYSE TIL VENSTRE, og DREJ DYSE TIL HøJRE nede (Figur 51).
Note: Lysdioden blinker en gang i sekundet.

-
Bliv ved med at holde begge knapper nede, indtil lysdioden begynder at blinke ca. to gange i sekundet.
-
Slip begge knapper.
-
Tryk på knappen DREJ DYSE TIL VENSTRE og hold den nede (Figur 51).
Note: Lysdioden blinker ca. to gange i sekundet.
-
Fortsæt med at holde knappen DREJ DYSE TIL VENSTRE nede (Figur 51) og drej tændingsnøglestarteren til positionen RUN (kør).
Note: Lysdioden lyser konstant, hvis proceduren er vellykket. Det kan tage op til 20 sekunder, før lysdioden lyser konstant.
-
Slip knappen DREJ DYSE TIL VENSTRE (Figur 51), og drej tændingsnøglen til positionen STOP.
Note: Fjernbetjeningssystemet er klar til brug sammen med den forbundne håndholdte fjernbetjening.
Udskiftning af batterier i fjernbetjeningen
Batterispecifikation: AAA (1,5 V)
Mængde: 4
-
Fjern de 6 skruer, der fastgør de to halvdele af dækslet på den håndholdte fjernbetjening, og fjern bagdækslet (Figur 52).
Note: Lad om muligt gummipakningen og stålpakningen sidde i kanalen, når dækslet og batterierne afmonteres.

-
Fjern de afladte batterier, og bortskaf dem i overensstemmelse med den lokale lovgivning.
-
Sørg for at batteriernes polaritet vender som vist i Figur 53, når nye batterier indsættes i batterirummet.
Note: For at undgå at beskadige polerne i batterirummet, når du monterer batterier, skal du indsætte batterierne i henhold til polaritetsmærkerne (Figur 53) i batterirummet. Du beskadiger ikke maskinen, hvis batterierne monteres forkert i den håndholdte fjernbetjening, men den håndholdte fjernbetjening vil ikke fungere.


-
Sørg for at stålpakningen og gummipakningen er placeret i kanalen i den relevante halvdel af dækslet, og ret bagdækslet ind efter frontdækslet (Figur 52).
-
Placer snorringen over snorstiften(Figur 52).
-
Monter bagdækslet på frontdækslet med 6 skruer (Figur 52).
-
Tilspænd skruerne med et moment på 1,5 til 1,7 Nm.
Fejlfinding af fejlkoder
Løsning af fejlkoder
Hvis fejlfindingslampen angiver en systemfejl, skal følgende procedurer udføres:
|
Fejlkode |
Fejlfindingslampens blinkmønster |
Beskrivelse af fejl |
Årsager til fejl |
|---|---|---|---|
|
11 |
Blinker en gang – pause – blinker en gang – lang pause – så gentages mønstret |
TEC-styreenheden eller modulet til trådløs kontrol kan ikke kommunikere. |
Ledningsnetstikket på TEC-styreenheden eller på modulet til trådløs kontrol er løst, rustent eller beskadiget. |
|
Ledningsnettet er beskadiget. Kontakt en autoriseret Toro-forhandler. |
|||
|
Modulet til trådløs kontrol er beskadiget. Kontakt en autoriseret Toro-forhandler. |
|||
|
12 |
Blinker en gang – pause – blinker 2 gange – lang pause – og derefter gentages mønstret |
Softwareversionen i TEC'en, modulet til trådløs kontrol eller den håndholdte fjernbetjening er inkompatibel med en af disse andre komponenter. |
Tilslut den håndholdte fjernbetjening: Se maskinens betjeningsvejledning |
|
Installer den korrekte software: Kontakt en autoriseret Toro-forhandler. |
|||
|
13 |
Blinker en gang – pause – blinker 3 gange – lang pause – og derefter gentages mønstret |
Forkert håndholdt fjernbetjening forbundet med modulet til trådløs kontrol. |
Den håndholdte fjernbetjening er forbundet med en anden Pro Force-maskine. |
|
Den håndholdte fjernbetjening er fra den forkerte type maskine, f.eks. en MH-400 med en ProPass-håndholdt. |
|||
|
14 |
Blinker en gang – pause – blinker 4 gange – lang pause – og derefter gentages mønstret |
ETR-kredsløbet (startstrøm) blev afbrudt på grund af lavt olietryk (10 sekunder eller længere). |
Kontroller motoroliestanden, og juster oliestanden efter behov. |
|
Motorens olietrykkontakt er beskadiget eller slidt. Kontakt en autoriseret Toro-forhandler. |
|||
|
Ledningsnettet er beskadiget. Kontakt en autoriseret Toro-forhandler. |
|||
|
15 |
Blinker en gang – pause – blinker 5 gange – lang pause – og derefter gentages mønstret |
ETR-kredsløbet (startstrøm) blev afbrudt på grund af lav batterispænding på maskinen (mindre end 5,5 V). |
Kontroller batterikablets tilstand. Kontroller, at kablets fastgørelsesanordning er strammet. |
|
Test batteriet, og oplad det om nødvendigt. Se servicevejledningen. Udskift om nødvendigt batteriet. |
|||
|
Test motorens generator. Se servicevejledningen. Udskift om nødvendigt generatoren. |
|||
|
Test motorspændingsregulatoren/-ensretteren. Se servicevejledningen. Udskift regulator/ensretter om nødvendigt. |
Aktivering af fejlfindingstilstand og kontrol af koderne
-
Drej tændingsnøglen til positionen STOP.
-
Fjern fastgørelseshætten fra det 1-benede stik og stikket med 1 sokkel (Figur 54A).
-
Sæt det 1-benede stik i stikket med 1 sokkel (Figur 54B).

-
Drej nøglen til positionen RUN (kør).
-
Hold øje med blinkmønstersekvensen på fejlfindingslampen for at aflæse et signal, og se derefter fejlkodetabellen:
-
Antal og rækkefølge af lysblink i hver blinkmønstersekvens.
-
Rækkefølge og tid for alle pauser i hver blinkmønstersekvens.
Note: Hvis der er flere aktive maskinfejl, vil hver fejl blinke efterfulgt af en lang pause. Når hver enkelt aktive fejl er vist, gentages fejlsekvensen. Hvis der ikke findes aktive fejl, blinker fejlfindingslampen kontinuerligt en gang pr. sekund.
-
Nulstilling af fejlkoderne
Rengøring
Vask af maskinen
Important: Brug ikke brakvand eller genanvendt vand til at rengøre maskinen.
Important: Udsæt ikke maskinen for højtryksrensning.
-
Du kan vaske maskinen med et mildt rengøringsmiddel og vand.
-
Undgå overdreven brug af vand, særligt nær kontrolkonsollen.
Bortskaffelse af affald
Motorolie samt batterier til motor og fjernbetjening forurener miljøet. Bortskaf disse i henhold til den lokale, gældende lovgivning.










, der betyder
Forsigtig, Advarsel eller Fare – personlig sikkerhedsanvisning,
for at nedsætte risikoen for personskade. Hvis disse forskrifter
ikke følges, kan det medføre personskade eller død.

























