维护
检查过滤器
检查冲洗系统是否存在泄漏和损坏情况
| 维护间隔时间 | 维护程序 |
|---|---|
| 初次使用5小时后 |
|
| 在每次使用之前或每日 |
|
| 每100个小时 |
|
联系 Toro 授权代理商,获取更换部件。
此套件专为清除打药车药缸及受影响的软管中的残留化学品而设计。它是草坪施药车辆的专用附件,需由受雇的商用机械方面的专业操作员来操作。
本手册中的信息可帮助您和其他人免受伤害或避免产品受损。
图 1 插图为产品上型号和序列号的位置。

Note: 请根据正常操作位置来判定机器的左侧和右侧。
加利福尼亚州
第65号提案中警告称:
使用此产品可能导致接触加利福尼亚州已知的能致癌、致出生缺陷或损害生殖系统的化学物质。
请阅读机器操作员手册中的安全和操作说明。
喷洒系统中使用的化学物质,可能会对您、旁观者、动物、植物、土壤或其他财产造成危害和中毒。
请仔细阅读并遵守所使用的所有化学品的警告标签和《物料安全数据表》(MSDS),按照化学品制造商的建议来保护自己。例如,使用适当的面部和眼部等个人防护装备(PPE)、手套或其他能防止化学品接触身体的装备。
请切记,使用的化学品可能不止 1 种,每种化学品的信息都应进行评估。
如果未提供此信息,请拒绝操作或使用打药车!
使用喷洒系统之前,请确保系统已经过三次冲洗且已根据化学品制造商的建议进行中和。
确认附近是否有足够的清水和肥皂,并立即冲洗掉您接触到的任何化学品。
使用或处理化学品之前,必须经过适当的培训。
使用工作所需的正确化学品。
按照化学品制造商的说明进行操作、安全施用化学品。
在通风良好的环境中处理化学品。
佩戴护目镜及化学品制造商指定的其他防护装备。确保在使用化学品时尽可能减少皮肤暴露面积。
准备好清水、特别是在填充喷洒药缸时。
处理化学品时切勿吃、喝或抽烟。
完成工作之后、尽快清洗双手及身体的其他暴露部分。
按照化学品制造商的说明及当地法规正确处置未使用的化学品及化学品容器。
药缸中的化学品及其烟气非常危险;禁止进入药缸、将头伸入药缸或将头伸到药缸上面。
喷洒化学品时请遵循所有当地、州和联邦政府的规定。
化学品很危险,可能造成人身伤害。
处理化学品之前,请先阅读化学品标签上的使用说明,并按照制造商的所有建议和预防措施进行操作。
确保化学品远离皮肤。如果发生接触,请使用肥皂和清水彻底清洗接触到的身体部分。
佩戴护目镜及化学品制造商推荐的任何其他防护装备。
将机器移至水平地面上,完全踩下刹车踏板,并设好手刹,关闭发动机,然后从点火开关上拔下钥匙。
清洁打药车;请参阅机器操作员手册中的“清洁打药车”部分。
Note: 在安装此套件的过程中,断开任何软管时都要小心,而且还要准备一个桶来盛装软管中的剩余溶液。
此程序中需要的物件:
| 软管——1.9 x 73.7cm | 1 |
| 冲洗水箱 | 1 |
| 油箱盖 | 1 |
| 隔板接头 | 1 |
| 空隙垫片 | 1 |
| 塑料凸缘螺母 | 1 |
| 90 度接头 | 1 |
| 固定叉 | 1 |
| 软管夹 | 1 |
从软管(1.9 x 73.7cm)端部起测量出 20.3cm,并标记该位置(图 4)。

使用工具刀在标记处切割软管,以获得以下长度的软管段:
20.3cm
53.3cm
此程序中需要的物件:
| 压紧装置(冲洗水箱) | 2 |
| 螺栓 (⅜ x 1½ 英寸) | 2 |
| 垫圈(⅜ 英寸) | 4 |
| 凸缘锁紧螺母(⅜ 英寸) | 2 |
如图 13 所示,将冲洗水箱组装到机器上。

将压紧装置与冲洗水箱顶部的凹槽对齐(图 14)。

将压紧装置上的槽与阀门安装架上的孔对齐(图 14)。
用 1 个螺栓(⅜ x 1½ 英寸)、2 个垫圈(⅜ 英寸)和 1 个凸缘锁紧螺母(⅜ 英寸),将压紧装置松松地组装到阀门安装架上。
对冲洗水箱中另一凹槽处的另一个压紧装置重复步骤 2 至 4(图 14)。
小心用手拧紧螺栓和凸缘螺母。
Important: 冲洗水箱必须稳固在相应的位置上,但是压紧装置不应使水箱变形或扭曲。
将供水软管重新装回药缸后部,并使用之前拆下的固定叉将它固定。
Note: 冲洗水箱首次装满后,请检查压紧装置,并检查冲洗水箱是否可用(因为水箱中水的重量会促使水箱压向机架)。如果需要,应拧紧螺栓和锁紧螺母,直到压紧装置紧贴在冲洗水箱上——不应使水箱变形;请参阅检查冲洗水箱压紧装置。
此程序中需要的物件:
| 冲洗喷嘴 | 2 |
| 隔板接头 | 2 |
| 垫片 | 1 |
| 轴肩螺栓 | 2 |
| 轴套 | 2 |
| 冲洗叶片 | 2 |
| 塑料凸缘螺母 | 2 |
| 90 度接头 | 2 |
此程序中需要的物件:
| 冲洗水箱泵 | 1 |
| 螺栓(¼ x 1¾ 英寸) | 4 |
| 垫圈 (¼ 英寸) | 4 |
| 锯齿凸缘螺母 (¼ 英寸) | 4 |
| 泵盖 | 1 |
此程序中需要的物件:
| 软管——1.9 x 61cm | 2 |
| 软管夹 | 9 |
| T 形弯头 | 1 |
| 软管——1.9 x 180cm | 1 |
| 直通宝塔接头 | 2 |
| 过滤器组件 | 1 |
| 螺旋导管 | 1 |
| 扎带 | 2 |
用户提供材料:螺纹密封胶
在两个直通宝塔接头的螺纹上涂抹 PTFE 密封剂。
将 2 个直通宝塔接头装入冲洗水箱泵的 2 个端口(图 28)。
Note: 根据需要移动泵盖,以便接触到冲洗水箱泵的端口。

将冲洗泵盖的 2 个凸耳插入水箱架鞍形板的槽中(图 33)。

此程序中需要的物件:
| 延时计时器 | 1 |
| 锁紧螺母(#10-24) | 2 |
| 保险丝(40A) | 1 |
| 继电器 | 1 |
| 电源继电器 | 1 |
| 凸缘头螺栓(#10-24 x ½ 英寸) | 2 |
| 3 位置开关(带指示灯——2015 型号及之前型号的草坪打药机) | 1 |
| 3 位置开关(不带指示灯——2016 型号及之后型号的草坪打药机) | 1 |
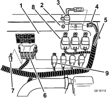
掀起操作员座椅,检查座椅底下的电子元器件。
对于2015 及之前型号的机器,执行以下操作:
Important: 2016 及之后型号的机器无需使用延时计时器。



如图 34、图 35 或图 36 所示,在保险丝盒的空槽中安上安保险丝(40A)。
Note: 如果槽中已有较低电流强度的保险丝,请用 40A 保险丝替换。
找到和同一继电器款式相同的继电器和电源继电器,并用 2 个凸缘头螺栓(#10-24 x ½ 英寸)和 2 个锁紧螺母(#10-24)将其安装到配电板上(图 34、图 35 或图 36)。
如图 34、图 35 或图 36 所示,找到主线束的 5 插槽接头和 4 插槽接头,将它们连接到继电器(4 针)和电源继电器(5 针)上。
使用冲洗套件将产生废液(即残留化学品的稀释溶液)。在许多情况下,可以将废液施用到已经喷过药的区域。但是,在这么做之前,请先与化学品制造商核实,确保向已喷过药的区域施用稀释溶液不会对产品的性能产生不利影响。
Important: 冲洗套件并非设计用于清除因错误加入主药缸而出现的大量结块的可湿性粉末或水溶性的化学品。
向上按 3 位置开关开启定时冲洗。泵运行 110 秒,可将冲洗水箱中约 1/3 的液体泵到主药缸中。此时应确保开关处于向上位置。
Note: 如果操作的是 2015 年及之前型号的机器,3 位置开关上的灯将亮起,表明泵正在运行。
110 秒钟后,泵将停止运行。
Note: 如果操作的是 2015 年及之前型号的机器,3 位置开关上的灯将关闭,表明泵的电源已关闭。
3 位置开关将保持向上位置,直至将其移到中间或空档位置。当开关处于空档位置时,泵未接通电源,冲洗套件关闭。
Note: 如果操作的是 2015 年及之前型号的机器,3 位置开关上的灯在空档位置将保持关闭。
向下按 3 位置开关开启瞬时开关。仅在开关被按下的时间段内为泵供电。
Note: 如果操作的是 2015 年及之前型号的机器,将 3 位置开关保持在向下位置时,开关亮起,泵将运行。
松开 3 位置开关,开关将移至空档位置。泵的电源关闭。
Note: 如果是 2015 年及之前型号的机器,3 位置开关上的灯将关闭。
将机器停放在水平地面上,接合手刹,关闭打药机泵,关闭发动机,然后从点火开关上拔下钥匙。
拆下冲洗水箱盖,装入大约 113L 的清水,然后盖上水箱盖。
Important: 113L 冲洗水箱内只能装入清水。在冲洗水箱内装入任何其他物质都可能危及安全,并可能损坏机器。
冲洗水箱泵将 38L 的水泵入药缸之后,用户可自由使用搅拌开关,让这些清水进入搅拌回路。完成后,废液可从喷洒臂喷嘴中喷出,也可以手动从药缸中排出。在冲洗过程中机器可以移动。
按照以下方式之一,打开冲洗水箱泵:
向上按 3 位置开关进行定时冲洗。
向下按住开关,保持所需的持续时间。
冲洗水箱泵将 38L 的水泵入药缸之后,使用搅拌开关让这些清水通过搅拌回路。
按照联邦、州及当地法规的要求,通过以下方式之一将废液排出打药车药缸:
通过喷洒臂喷出废液、直至打药车药缸被排空。
也可将打药车药缸内的药液排到适当的容器内,并按照联邦、州或当地法规的要求对这些稀释溶液进行处理。
冲洗循环可根据需要再次重复,也可再进行两次定时冲洗循环。
| 维护间隔时间 | 维护程序 |
|---|---|
| 初次使用5小时后 |
|
| 在每次使用之前或每日 |
|
| 每100个小时 |
|
联系 Toro 授权代理商,获取更换部件。
排空以下组件:
泵进水管
泵出水管
过滤器管
存放机器之前,请执行以下操作:
向冲洗水箱添加 RV 防冻剂溶液。
将防冻溶液循环穿过泵。
当机器恢复使用时,请排空以下组件:
泵进水管
泵出水管
过滤器管