Underhåll
Note: Vänster och höger sida på maskinen är lika med förarens vänstra respektive högra sida vid normal körning.
Rekommenderat underhåll
| Underhållsintervall | Underhållsförfarande |
|---|---|
| Varje användning eller dagligen |
|
| Var 50:e timme |
|
Kontrollista för dagligt underhåll
Kopiera sidan och använd den regelbundet.
| Kontrollpunkt | Vecka: | ||||||
|---|---|---|---|---|---|---|---|
| Mån. | Tis. | Ons. | Tors. | Fre. | Lör. | Sön. | |
| Kontrollera knivarnas skick | |||||||
| Kontrollera elkablarnas skick. | |||||||
| Smörj alla smörjnipplar1 | |||||||
| Bättra på skadad lack | |||||||
| Rengör klippenheten | |||||||
|
1. Omedelbart efter varje tvätt, oavsett intervallet i listan. |
|||||||
| Anteckningar om särskilda problem | ||
| Kontrollen utförd av: | ||
| Artikel | Datum | Information |
Var försiktig
Om du lämnar nyckeln i tändningslåset kan någon råka starta maskinen av misstag och skada dig eller någon annan allvarligt.
Ta ut nyckeln ur tändningslåset och vrid bortkopplingsbrytaren för batteriet till det AVSTäNGDA läget innan du utför underhåll.
Smörja svänghjulsarmarnas bussningar
| Underhållsintervall | Underhållsförfarande |
|---|---|
| Varje användning eller dagligen |
|
| Var 50:e timme |
|
Maskinen har smörjnipplar som måste smörjas regelbundet med fett nr 2 på litiumbas.
-
Parkera maskinen på ett plant underlag, sänk klippenheten, stäng av maskinen, ta ut nyckeln och vrid bortkopplingsbrytaren för batteriet till det AVSTäNGDA läget.
-
Smörj svänghjulsarmarnas bussningar (Figur 17).

Ta bort klippenheten från traktorenheten
-
Parkera maskinen på en plan yta med klippenheten upphöjd.
-
Ta bort klipphöjdssprintarna (Figur 18) från klippenhetens sidoplattor.

-
Sänk klippenheten, stäng av maskinen, ta ut nyckeln och vrid bortkopplingsbrytaren för batteriet till det AVSTäNGDA läget.
-
Ta bort skruvarna och brickorna som fäster lyftarmarna på svänghjulsarmarna (Figur 19).

-
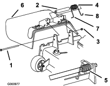
Koppla loss klippenhetens kontakt från maskinens kontakt (Figur 20).

-
Sätt tillbaka locken på klippenhetens kontakt och maskinkontakten (Figur 21).

Serva bussningarna i svänghjulsarmarna
På svänghjulsarmarna har bussningar pressats in i den övre och nedre delen av röret, och efter många körtimmar slits dessa bussningar.
Kontrollera bussningarna genom att flytta svänghjulsgaffeln fram och tillbaka och från sida till sida. Om svänghjulsspindeln är lös inuti bussningarna är bussningarna slitna och måste bytas ut.
-
Parkera maskinen på ett plant underlag, sänk klippenheten, stäng av maskinen, ta ut nyckeln och vrid bortkopplingsbrytaren för batteriet till det AVSTäNGDA läget.
-
Ta bort spännlocket, distansbrickorna och tryckbrickan från svänghjulsspindelns ovansida.
-
Dra ut svänghjulsspindeln ur monteringsröret. Låt tryckbrickan och distansbrickan/-brickorna sitta kvar längst ned på spindeln.
-
Skjut in ett pinndorn i monteringsrörets övre eller nedre del och skjut ut bussningen ur röret (Figur 22). Skjut också ut den andra bussningen ur röret. Rengör insidan på rören och ta bort all smuts.

-
Stryk på fett på insidan och utsidan av de nya bussningarna. Skjut in bussningarna i monteringsröret med en hammare och en platt skiva.
-
Kontrollera om hjulspindeln är sliten och byt ut den om den är skadad.
-
Skjut hjulspindeln genom bussningarna och monteringsröret, skjut tryckbrickan och distansbrickorna på plats på spindeln och montera spännlocket på hjulspindeln.
Utföra service på knivarna
Knivsäkerhet
En sliten eller skadad kniv kan gå sönder och en bit av kniven kan slungas ut mot dig eller någon kringstående, vilket kan leda till allvarliga personskador eller dödsfall.
-
Kontrollera om kniven är sliten eller skadad med jämna mellanrum.
-
Var försiktig när du kontrollerar knivarna. Linda in knivarna i något eller ta på dig handskar, och var försiktig när du servar knivarna. Knivarna får endast bytas ut eller slipas – de ska aldrig rätas ut eller svetsas.
Kontrollera om någon kniv är böjd
Om du kör på något föremål ska nu noga kontrollera om maskinen har skadats och reparera eventuella skador innan du startar och kör maskinen.
-
Parkera maskinen på ett plant underlag, höj klippenheten till TRANSPORTLäGET, stäng av maskinen, ta ut nyckeln och vrid bortkopplingsbrytaren för batteriet till det AVSTäNGDA läget.
-
Höj klippenheten till SERVICELäGET. Se traktorenhetens bruksanvisning.
-
Rotera kniven tills ändarna är riktade framåt och bakåt och mät från klippenhetens insida till skäreggen framtill på knivbladet (Figur 23).
Note: Notera måttet.

-
Vrid motsatt ände på kniven framåt och mät avståndet mellan klippenheten och knivseggen vid samma position som i steg 3.
Note: Skillnaden mellan måtten i steg 3 och 4 får inte överstiga 3 mm. Om detta mått överstiger 3 mm är kniven böjd och måste bytas ut. Se Demontera och montera klippenhetsknivarna.
Demontera och montera klippenhetsknivarna
Byt en kniv om den har träffats av ett hårt föremål, om kniven är obalanserad eller böjd. Använd alltid originalknivar från Toro för att garantera säkerhet och optimal prestanda.
-
Parkera maskinen på ett plant underlag, höj klippenheten till TRANSPORTLäGET, stäng av maskinen, ta ut nyckeln och vrid bortkopplingsbrytaren för batteriet till det AVSTäNGDA läget.
-
Höj klippenheten till SERVICELäGET. Se traktorenhetens bruksanvisning.
-
Sätt en skiftnyckel på knivhållarens plana yta eller håll knivänden med en trasa eller en tjockt vadderad handske.
-
Avlägsna knivskruven, brickan och kniven från spindelaxeln.

-
Montera kniven på axeln.
Se till att brickan är riktad enligt Figur 25 för att säkerställa korrekt klippning.
Varning
Om du använder maskinen efter felaktig montering av knivsatsen och/eller om du inte använder originalknivar och -fästelement från Toro kan en kniv eller en knivkomponent slungas ut från däcket, vilket kan leda till allvarliga personskador eller dödsfall.
Montera alltid originalknivar och -fästelement från Toro enligt anvisningarna.

-
Sätt en skiftnyckel på spindelaxelns plana yta och vrid åt knivskruven till 75–81 Nm.
Kontrollera och slipa klippenheternas knivar
| Underhållsintervall | Underhållsförfarande |
|---|---|
| Varje användning eller dagligen |
|
Både eggar och segel (den uppåtvända delen mittemot eggen) bidrar till en god klippkvalitet.
Håll knivarna slipade under klippsäsongen. Vassa knivar ger ett bra klippresultat utan att de sliter eller rycker av grässtråna.
Kontrollera om knivarna är slitna eller skadade. Seglet lyfter gräset rakt upp och bidrar därmed till en jämn klippning. Dock slits det under arbetet.
-
Parkera maskinen på ett plant underlag, höj klippenheten till TRANSPORTLäGET, stäng av maskinen, ta ut nyckeln och vrid bortkopplingsbrytaren för batteriet till det AVSTäNGDA läget.
-
Höj klippenheten till SERVICELäGET. Se traktorenhetens bruksanvisning.
-
Undersök knivseggarna noggrant, i synnerhet där knivens flata och böjda del möts (Figur 26).
Note: Kontrollera kniven innan du använder gräsklipparen, eftersom sand och slipande material kan slita bort metallen mellan knivens flata och böjda delar. Byt ut kniven om den är sliten (Figur 26).

-
Kontrollera samtliga knivseggar och vässa dem om de är slöa eller har fått hack (Figur 27).
Note: Slipa endast knivseggens översta del och behåll den ursprungliga skärvinkeln för bästa skärpa (Figur 27). Kniven förblir balanserad om lika mycket metall avlägsnas från båda eggarna.

Note: Demontera knivarna och slipa dem med en slipmaskin. När du har slipat eggarna monterar du kniven. Se Demontera och montera klippenhetsknivarna.
Byta ut gräsriktaren
Varning
Om utkastaröppningen inte är täckt kan maskinen slunga ut föremål i riktning mot föraren eller kringstående vilket kan leda till allvarliga skador. Kontakt med kniven kan också inträffa.
-
Kör inte maskinen utan en täckplåt, mullplåt eller gräsutkastare och gräsuppsamlare.
-
Se till att gräsriktaren är nedsänkt.
-
Parkera maskinen på ett plant underlag, sänk klippenheten, stäng av maskinen, ta ut nyckeln och vrid bortkopplingsbrytaren för batteriet till det AVSTäNGDA läget.
-
Ta bort låsmuttern, skruven, fjädern och distansbrickan som håller fast gräsriktaren på tappfästena (Figur 28). Demontera den skadade eller slitna gräsriktaren.
-
Sätt distansbrickan och fjädern på gräsriktaren. Placera fjäderns L-formade ände bakom klippenhetens kant.
Note: Se till att fjäderns L-formade ände sitter bakom klippenhetens kant innan du monterar skruven enligt Figur 28.
-
Montera bulten och muttern. Placera fjäderns J-formade ände runt gräsriktaren (Figur 28).
Important: Du måste kunna sänka ned gräsriktaren i sitt läge. Lyft upp riktaren för att kontrollera att den går ned helt.

Kontrollera elkablarna
| Underhållsintervall | Underhållsförfarande |
|---|---|
| Varje användning eller dagligen |
|
Kontrollera skicket på klippenhetens anslutningskabel och knivmotorkablarna (Figur 29) för skador eller slitage. Utför alla nödvändiga reparationer innan du använder maskinen.

Rengöra under klippenheten
| Underhållsintervall | Underhållsförfarande |
|---|---|
| Varje användning eller dagligen |
|
Avlägsna dagligen allt gräs som har ansamlats under klippenheten.
Important: Använd inte högtryckstvätt och spruta inte vatten direkt på de elektriska komponenterna ovanpå klippenheten, eftersom det kan skada motorer och andra elektriska komponenter.
Varning
Om tryckluft används på fel sätt för att rengöra maskinen kan det leda till allvarliga personskador.
-
Använd lämplig personlig skyddsutrustning, t.ex. ögonskydd, hörselskydd och dammask.
-
Rikta inte tryckluft mot någon del av kroppen eller mot någon annan.
-
Se tillverkarens anvisningar för luftkompressorn för information om drift och säkerhet.
-
Parkera maskinen på ett plant underlag, höj klippenheten till TRANSPORTLäGET, stäng av maskinen, ta ut nyckeln och vrid bortkopplingsbrytaren för batteriet till det AVSTäNGDA läget.
-
Höj klippenheten till SERVICELäGET. Se traktorenhetens bruksanvisning.
-
Ta bort skräp från klippenhetens undersida med tryckluft eller vatten.
Important: Använd inte högtryckstvätt för att rengöra klippenheten.


. Symbolen betyder Var försiktig,
Varning eller Fara – anvisning om personsäkerhet. Underlåtenhet
att följa anvisningarna kan leda till personskador eller dödsfall.
























