| Intervalo de mantenimiento y servicio | Procedimiento de mantenimiento |
|---|---|
| Cada vez que se utilice o diariamente |
|
Esta máquina es una segadora de asiento de cuchillas rotativas, diseñada para que la usen operadores profesionales contratados en aplicaciones comerciales. Está diseñada principalmente para segar césped bien mantenido en parques, campos de golf, campos deportivos, arcenes y zonas verdes comerciales. La máquina no está diseñada para cortar maleza o para aplicaciones agrícolas.
Lea este manual detenidamente para aprender a utilizar y mantener correctamente su producto, y para evitar lesiones y daños al producto. Usted es responsable de utilizar el producto de forma correcta y segura.
Visite www.Toro.com para buscar materiales de formación y seguridad o información sobre accesorios, para localizar un distribuidor o para registrar su producto.
Cuando necesite asistencia técnica, piezas genuinas Toro o más información, póngase en contacto con un Servicio Técnico Autorizado o con Asistencia al Cliente de Toro, y tenga a mano los números de modelo y serie de su producto. Figura 1 identifica la ubicación de los números de modelo y serie en el producto. Escriba los números en el espacio provisto.


Este manual identifica peligros potenciales y contiene mensajes de seguridad identificados por el símbolo de alerta de seguridad (Figura 3), que señala un peligro que puede causar lesiones graves o la muerte si usted no sigue las precauciones recomendadas.

Este manual utiliza 2 palabras más para resaltar información. Importante llama la atención sobre información mecánica especial, y Nota resalta información general que merece una atención especial.
Este producto cumple todas las directivas europeas aplicables; si desea más detalles, consulte la Declaración de Conformidad (Declaration of Conformity – DOC) de cada producto.
El uso o la operación del motor en cualquier terreno forestal, de monte o cubierto de hierba a menos que el motor esté equipado con parachispas (conforme a la definición de la sección 4442) mantenido en buenas condiciones de funcionamiento, o que el motor haya sido fabricado, equipado y mantenido para la prevención de incendios, constituye una infracción de la legislación de California (Sección 4442 o 4443 del California Public Resource Code).
El Manual del propietario del motor adjunto ofrece información sobre las normas de la U.S. Environmental Protection Agency (EPA) y de la California Emission Control Regulation sobre sistemas de emisiones, mantenimiento y garantía. Puede solicitarse un manual nuevo al fabricante del motor.
CALIFORNIA
Advertencia de la Propuesta 65
Es sabido por el Estado de California que los gases de escape de los motores diesel y algunos de sus componentes causan cáncer, defectos congénitos y otros peligros para la reproducción.
Los bornes, terminales y otros accesorios de la batería contienen plomo y compuestos de plomo, productos químicos reconocidos por el Estado de California como causantes de cáncer y daños reproductivos. Lávese las manos después de manejar el material.
El uso de este producto puede provocar la exposición a sustancias químicas que el Estado de California considera causantes de cáncer, defectos congénitos u otros trastornos del sistema reproductor.
Este producto es capaz de amputar manos y pies y de lanzar objetos al aire. Siga siempre todas las instrucciones de seguridad con el fin de evitar lesiones personales graves.
Lea y comprenda el contenido de este manual del operador antes de arrancar el motor.
Preste toda su atención al utilizar la máquina. No realice ninguna actividad que genere distracciones, de lo contrario pueden producirse lesiones o daños en la propiedad.
No utilice la máquina a menos que tenga instalados y estén en funcionamiento todos los protectores y otros dispositivos de seguridad.
Mantenga las manos y los pies alejados de las piezas en movimiento. Manténgase alejado de la apertura de descarga.
Mantenga a otras personas, especialmente a los niños, alejadas del área de operación. Nunca permita a los niños utilizar la máquina.
Apague el motor, retire la llave y espere a que se detenga todo movimiento antes de dejar el puesto del operador. Deje que la máquina se enfríe antes de realizar ajustes, tareas de mantenimiento y de limpieza o de guardarla.
El uso o mantenimiento incorrecto de esta máquina puede
causar lesiones. Para reducir el peligro de lesiones, cumpla estas
instrucciones de seguridad y preste atención siempre al símbolo
de alerta de seguridad
, que significa: Cuidado, Advertencia o Peligro
– instrucción relativa a la seguridad personal. El incumplimiento
de estas instrucciones puede dar lugar a lesiones personales o la
muerte.
![]() |
Las calcomanías e instrucciones de seguridad están a la vista del operador y están ubicadas cerca de cualquier zona de peligro potencial. Sustituya cualquier calcomanía que esté dañada o que falte. |






















Colocar para máquinas que no sean CE

Colocar para máquinas que no sean CE

Colocar sobre la pieza n.º 134-0539 para máquinas que no sean CE



Note: Los lados derecho e izquierdo de la máquina se determinan desde la posición normal del operador.
Conecte un cargador de batería de 3 a 4 amperios a los bornes de la batería. Cargue la batería a un ritmo de 3 a 4 A hasta que la gravedad específica del electrolito sea de 1,250 o más y la temperatura de la batería sea de al menos 16 °C con todas las celdas liberando gas.
Cuando la batería esté cargada, desconecte el cargador de la toma de electricidad, y luego desconecte el cargador de los bornes de la batería.
Note: Una carga incompleta puede dar lugar a la generación de gases en la batería y el derrame del ácido de la batería, con los consiguientes daños por corrosión en la máquina.
Compruebe el nivel de aceite del motor antes de arrancar el motor; consulte Comprobación del nivel de aceite del motor.
Compruebe el nivel del refrigerante antes de arrancar el motor; consulte Comprobación del sistema de refrigeración y del nivel del refrigerante.
Compruebe el nivel del fluido hidráulico antes de arrancar el motor; consulte Comprobación del nivel de fluido hidráulico.
Especificación de presión de aire de los neumáticos delanteros y traseros: 1,40 bar.
Especificación de presión de aire de los neumáticos de las ruedas giratorias: 1,45 bar.
Compruebe la presión de los neumáticos delanteros y traseros antes de arrancar el motor por primera vez.
Note: Los neumáticos se inflan por encima o por debajo de la presión recomendada para el transporte; por tanto, puede que sea necesario ajustar la presión de aire de los neumáticos.

Instale la unidad de corte en la unidad de tracción; consulte Instalación de la unidad de corte.
Retire el material de embalaje de plástico.
Retire el gancho de acero trasero.
Note: Asegúrese de retirar el gancho de acero.
Retire del palet de madera los calzos de las ruedas y la unidad de corte.
Conecte los cables de la batería.
Añada combustible a la máquina.
Gire el interruptor de encendido a la posición de precalentamiento, y una vez completado el precalentamiento, arranque el motor.
Eleve la unidad de corte para crear presión dentro de los cilindros de elevación.
Note: La unidad de corte puede elevarse, pero asegúrese de que hay presión en los cilindros de elevación.
Eleve la tolva y retire el conducto; consulte Limpieza del conducto de hierba.
Baje la tolva.
Coloque la unidad de corte en la posición de trabajo y cierre los ganchos de los brazos traseros.
Quite el freno de estacionamiento y baje la máquina del palet hacia adelante.
Note: Si es necesario, utilice rampas de la misma altura que el palet.
Eleve la tolva, instale el conducto y baje la tolva.
Eleve la barra antivuelco; consulte Elevación de la barra antivuelco.
Compruebe el par de apriete de las tuercas de las ruedas después de la primera prueba de conducción; consulte Apriete de las tuercas de las ruedas.


Note: Los lados derecho e izquierdo de la máquina se determinan desde la posición normal del operador.


El indicador de carga (Figura 8) se enciende cuando el sistema de carga eléctrico está funcionando por debajo del rango de operación normal. Compruebe y/o repare el sistema de carga eléctrica.
El indicador de las bujías (Figura 8) se enciende en rojo cuando las bujías están activadas.
El indicador de advertencia de la presión del aceite (Figura 8) se enciende si la presión del aceite del motor cae por debajo de un nivel seguro mientras el motor está en marcha. Si el indicador parpadea o permanece encendido, detenga la máquina, pare el motor y compruebe el nivel de aceite. Si el nivel de aceite se encuentra en un intervalo aceptable, pero no se apaga el indicador cuando funciona el motor, apague el motor de inmediato y póngase en contacto con su Distribuidor Toro Autorizado para obtener ayuda.
Compruebe el funcionamiento de la luz de advertencia del siguiente modo:
Accione el freno de estacionamiento.
Gire el interruptor de encendido a la posición de CONECTADO/PRECALENTAMIENTO, pero no arranque el motor.
Note: La luz de presión del aceite debe encenderse en rojo. Si la luz no funciona, es que hay un piloto quemado o una avería del sistema que debe repararse.
El indicador de temperatura del motor (Figura 8) se enciende si el sistema de refrigeración está funcionando por encima del rango de operación normal. Compruebe o repare el sistema de refrigeración.
El interruptor de la TDF (Figura 8) tiene dos posiciones: HACIA FUERA (engranada) y HACIA DENTRO (desengranada). Tire hacia fuera del interruptor de la toma de fuerza para engranar el accesorio o las cuchillas de la unidad de corte. Empuje el botón hacia dentro para detener el funcionamiento del accesorio.
Note: Si se levanta del asiento del operador con el interruptor de la TDF en la posición de ENGRANADA, el motor se apagará automáticamente tras una demora de 1 segundo; consulte Comprobación del sistema de interruptores de seguridad.
Mantenga pisado el pedal del bloqueo del diferencial (Figura 9) para accionar el bloqueo del diferencial.
Para desengranar el bloqueo del diferencial, deje de pisar el pedal.
Pise el pedal si las ruedas patinan o al cargar la máquina con rampas.
Pise el pedal de tracción (Figura 9) para desplazarse hacia adelante o hacia atrás. Pise la parte superior del pedal para mover la máquina hacia delante y la parte inferior para moverla hacia atrás. La velocidad de avance es proporcional al recorrido del pedal. Para obtener la velocidad máxima sobre el terreno, mueva la palanca del acelerador a la posición de RáPIDO y pise a fondo el pedal de tracción. La velocidad máxima de avance es de unos 13 km/h. Para obtener la máxima potencia con una carga pesada o al subir una pendiente, ponga la palanca del acelerador en la posición de RáPIDO y mantenga altas las revoluciones del motor mientras pisa gradualmente el pedal de tracción. Si la velocidad del motor empieza a decaer, suelte un poco el pedal de tracción para aumentar la velocidad del motor.

Para inclinar el volante hacia usted, presione hacia abajo la palanca de dirección inclinable (Figura 10) y tire de la columna de dirección hacia usted. Suelte la palanca cuando la columna de dirección esté en una posición que le permita manejar cómodamente el volante.

Cada vez que apague el motor, accione el freno de estacionamiento (Figura 11) para evitar que la máquina se desplace accidentalmente.
Para poner el freno de estacionamiento: Tire de la palanca hacia arriba a la posición de PUESTO.

Para quitar el freno de estacionamiento: Baje la palanca hacia abajo a la posición de DESENGRANADO.
Note: Si la palanca no está totalmente bajada, la máquina se apaga cuando se engrana el pedal de tracción.
El indicador de combustible (Figura 8) muestra el nivel de la cantidad de combustible que queda en el depósito.
Utilice el interruptor de altura de corte (Figura 8) para elevar o bajar la unidad de corte a la altura de corte que desee.
El indicador de altura de corte (Figura 12) indica la altura de corte nominal de la unidad de corte.

Utilice la palanca del acelerador (Figura 8) para controlar la velocidad del motor. Mueva la palanca del acelerador hacia adelante, hacia la posición de RáPIDO, para aumentar la velocidad del motor. Mueva la palanca del acelerador hacia atrás a la posición de LENTO para reducir la velocidad del motor. La palanca del acelerador controla la velocidad de las cuchillas y, junto con el pedal de tracción, controla la velocidad de avance de la máquina.
El horímetro (Figura 8) registra y muestra el número acumulado de horas de operación del motor.
Al pulsar el botón debajo de la pantalla una vez, se muestra el número de horas hasta el siguiente cambio del aceite del motor y del filtro.
Al pulsar de nuevo el botón debajo de la pantalla, se muestra el número de horas hasta la siguiente lubricación en los engrasadores.
Al pulsar el botón debajo de la pantalla una tercera vez, se vuelve a la pantalla de horas de funcionamiento.
Note: Cuando queden 10 horas para el cambio de aceite, el indicador parpadea automáticamente con el mensaje “OIL CHANGE” (cambio de aceite) cuando sea necesario cambiar el aceite del motor y el filtro.
Note: Cuando queden 5 horas para en el engrasado, el indicador parpadea automáticamente con el mensaje “LUBE” (lubricación) cuando es necesario lubricar la máquina.
Important: Durante las 50 primeras horas en el modo de cambio de aceite, tenga cuidado para no mantener pulsado sin darse cuenta el botón del medidor de horas durante más de 6 segundos. Si lo hace, el intervalo de cambio de aceite pasará de 50 horas a ajustarse en 250 horas.
Tras cambiar el aceite del motor y el filtro o de lubricar la máquina y la unidad de corte, realice lo siguiente:
Pulse el botón hasta llegar a la pantalla deseada.
Mantenga pulsado el botón hasta que aparezca una serie de ceros (000000).
Note: No se pueden restablecer las horas de trabajo totales de la máquina.
Mueva la palanca hacia atrás para elevar la unidad de corte (Figura 13).
Mueva la palanca hacia delante para bajar la unidad de corte y totalmente hacia delante para que flote (Figura 13).
Important: Para evitar dañar el sistema de elevación de la unidad de corte, ajuste la palanca de elevación de la unidad de corte en la posición hacia delante (FLOTACIóN) cuando conduzca la máquina con la unidad de corte en el suelo.
Note: Baje la unidad de corte y la tolva cuando no esté usando la máquina.

Mueva la palanca hacia atrás para elevar la tolva (Figura 13).
Mueva la palanca hacia delante para bajar la tolva.
Mueva la palanca hacia atrás para volcar los recortes de la tolva (Figura 13).
Mueva la palanca hacia delante para cerrar la tolva tras el volcado.
El interruptor de encendido tiene tres posiciones: DESCONECTADO, CONECTADO/PRECALENTAMIENTO y ARRANQUE.
Note: Si el motor deja de funcionar y el interruptor de encendido se encuentra en la posición de CONECTADO/PRECALENTAMIENTO y se levanta del asiento del operador, tras una breve demora sonará un zumbador para indicarle que gire la llave a la posición de APAGADO.
La unidad de corte incluye 2 ranuras que indican el ancho de corte actual de las cuchillas; consulte la Figura 14.

Note: Las especificaciones y diseños están sujetos a modificación sin previo aviso.

| Descripción | Figura 15 Referencia | Dimensión o peso |
| Altura con la barra antivuelco elevada | E | 193 cm |
| Altura con la barra antivuelco bajada | G | 151 cm |
| Longitud total | D | 271 cm |
| Anchura total | B | 121 cm |
| Distancia entre ejes | C | 110 cm |
| Ancho del dibujo de las ruedas delanteras | A | 114 cm |
| Ancho del dibujo de las ruedas traseras | F | 97 cm |
| Separación del suelo | 12 cm | |
| Peso neto (con unidad de corte) | 630 kg (1389 lb) | |
| Peso neto (sin unidad de corte) | 530 kg (1169 lb) | |
| Velocidad | 0 a 13 km/h | |
| Anchura de corte | 113 cm |
Está disponible una selección de aperos y accesorios homologados por Toro que se pueden utilizar con la máquina a fin de potenciar y aumentar sus prestaciones. Póngase en contacto con su servicio técnico autorizado o con su distribuidor Toro autorizado, o bien visite www.Toro.com para obtener una lista de todos los aperos y accesorios homologados.
Utilice solamente piezas y accesorios genuinos Toro. Las piezas de repuesto y accesorios de otros fabricantes podrían ser peligrosos, y su uso podría invalidar la garantía del producto.
No deje nunca que la máquina sea utilizada o mantenida por niños o por personas que no hayan recibido la formación adecuada al respecto. La normativa local puede imponer límites sobre la edad del operador. El propietario es responsable de proporcionar formación a todos los operadores y mecánicos.
Familiarícese con la operación segura del equipo, los controles del operador y las señales de seguridad.
Apague el motor, retire la llave y espere a que se detenga todo movimiento antes de dejar el puesto del operador. Deje que la máquina se enfríe antes de realizar ajustes, tareas de mantenimiento y de limpieza o de guardarla.
Sepa cómo parar la máquina y apagar el motor rápidamente.
Compruebe que los controles de presencia del operador, los interruptores de seguridad y los protectores están colocados y que funcionan correctamente. No utilice la máquina si no funcionan correctamente.
Antes de segar, inspeccione siempre la máquina para asegurarse de que las cuchillas, los pernos de las cuchillas y los conjuntos de corte están en buenas condiciones de funcionamiento. Sustituya las cuchillas o los pernos gastados o dañados en conjuntos completos para no desequilibrar la máquina.
Inspeccione la zona en la que va a utilizar la máquina y retire cualquier objeto que pudiera ser arrojado por la máquina.
Este producto genera un campo electromagnético. Si usted lleva un dispositivo médico electrónico implantable, consulte a su profesional sanitario antes de utilizar este producto.
Extreme las precauciones al manejar el combustible. Es inflamable y sus vapores son explosivos.
Apague cualquier cigarrillo, cigarro, pipa u otra fuente de ignición.
Utilice solamente un recipiente de combustible homologado.
No retire la tapa de combustible ni llene el depósito de combustible si el motor está en marcha o está caliente.
No añada ni drene combustible en un lugar cerrado.
No guarde la máquina o un recipiente de combustible en un lugar donde pudiera haber una llama desnuda, chispas o una llama piloto, por ejemplo en un calentador de agua u otro electrodoméstico.
Si se derrama combustible, no intente arrancar el motor; evite crear fuentes de ignición hasta que los vapores del combustible se hayan disipado.
Antes de arrancar la máquina cada día, realice los procedimientos diarios indicados en Lista de comprobación – mantenimiento diario.
| Intervalo de mantenimiento y servicio | Procedimiento de mantenimiento |
|---|---|
| Cada vez que se utilice o diariamente |
|
Especificación de presión de aire de los neumáticos delanteros y traseros: 150 kPa (21 psi).
Si la presión de los neumáticos es baja, se reduce la estabilidad en pendientes laterales. Esto podría causar un vuelco, que podría dar lugar a lesiones personales o la muerte.
No use los neumáticos con presiones menores que las recomendadas.
Compruebe la presión de los neumáticos delanteros y traseros. Añade o quite aire según sea necesario para establecer la presión correcta de aire de los neumáticos.
Important: Mantenga la presión de todos los neumáticos para asegurar una buena calidad de corte y un rendimiento correcto de la máquina.Compruebe la presión de todos los neumáticos antes de utilizar la máquina.

El propósito del sistema de interruptores de seguridad es impedir que el motor gire o arranque a menos que el pedal de tracción esté en punto muerto, el interruptor de la toma de fuerza esté en la posición de DESENGRANADA, el freno de estacionamiento esté accionado y el operador esté en el asiento.
Además, el motor debe parar si:
El operador se levanta del asiento con el interruptor de toma de fuerza en la posición de ENGRANADA;
El operador se levanta del asiento con el pedal de tracción en otra posición distinta a punto muerto;
Se pisa el pedal de tracción con el freno de estacionamiento accionado.
Si los interruptores de seguridad son desconectados o están dañados, la máquina podría ponerse en marcha inesperadamente, causando lesiones personales.
No manipule los interruptores de seguridad.
Compruebe la operación de los interruptores de seguridad cada día, y sustituya cualquier interruptor dañado antes de operar la máquina.
| Intervalo de mantenimiento y servicio | Procedimiento de mantenimiento |
|---|---|
| Cada vez que se utilice o diariamente |
|
Compruebe el funcionamiento de los interruptores de seguridad, asegurándose de lo siguiente:
| Condiciones | Resultado |
|---|---|
| Freno de estacionamiento no accionado | El motor no debe girar. |
| Pedal de tracción en punto muerto | |
| Interruptor de toma de fuerza en la posición de DESENGRANADA | |
| El operador no se encuentra en el asiento | |
| Freno de estacionamiento no accionado | El motor no debe girar. |
| Pedal de tracción en punto muerto | |
| Interruptor de toma de fuerza en la posición de DESENGRANADA | |
| El operador se encuentra en el asiento | |
| Freno de estacionamiento no accionado | El motor no debe girar. |
| Pedal de tracción pisado | |
| Interruptor de toma de fuerza en la posición de DESENGRANADA | |
| El operador se encuentra en el asiento | |
| Freno de estacionamiento accionado | El motor no debe girar. |
| Pedal de tracción pisado | |
| Interruptor de toma de fuerza en la posición de DESENGRANADA | |
| El operador se encuentra en el asiento | |
| Freno de estacionamiento accionado | El motor debe girar. |
| Pedal de tracción en punto muerto | |
| Interruptor de toma de fuerza en la posición de DESENGRANADA | |
| El operador no se encuentra en el asiento |
| Intervalo de mantenimiento y servicio | Procedimiento de mantenimiento |
|---|---|
| Cada vez que se utilice o diariamente |
|
Antes de realizar las siguientes comprobaciones, siga estos pasos:
Siéntese en el asiento del operador.
Accione el freno de estacionamiento.
Mueva el pedal de tracción a la posición de punto muerto.
Desengrane la toma de fuerza.
Arranque el motor.
Quite el freno de estacionamiento.
Compruebe el funcionamiento de los interruptores de seguridad, asegurándose de lo siguiente:
| Condiciones | Resultado |
|---|---|
| Freno de estacionamiento no accionado | El motor debe apagarse. |
| El operador se levanta ligeramente del asiento | |
| Freno de estacionamiento accionado | El motor debe seguir funcionando. |
| El operador se levanta ligeramente del asiento | |
| Freno de estacionamiento accionado | El motor debe apagarse. |
| El operador se encuentra en el asiento | |
| Pedal de tracción pisado | |
| Freno de estacionamiento no accionado | El motor debe seguir funcionando. |
| El operador se encuentra en el asiento | |
| Pedal de tracción pisado |
| Intervalo de mantenimiento y servicio | Procedimiento de mantenimiento |
|---|---|
| Cada vez que se utilice o diariamente |
|
Antes de realizar las siguientes comprobaciones, siga estos pasos:
Siéntese en el asiento del operador.
Accione el freno de estacionamiento.
Mueva el pedal de tracción a la posición de punto muerto.
Desengrane la toma de fuerza.
Arranque el motor.
Quite el freno de estacionamiento.
Compruebe el funcionamiento de los interruptores de seguridad, asegurándose de lo siguiente:
| Condiciones | Resultado |
|---|---|
| Interruptor de toma de fuerza en la posición de ENGRANADA y unidad de corte en funcionamiento | El motor y la unidad de corte deben apagarse. |
| El operador se levanta ligeramente del asiento | |
| Interruptor de toma de fuerza en la posición de ENGRANADA y unidad de corte en funcionamiento | La unidad de corte debe apagarse. |
| Elevar la tolva |
| Intervalo de mantenimiento y servicio | Procedimiento de mantenimiento |
|---|---|
| Cada vez que se utilice o diariamente |
|
Compruebe el funcionamiento de los interruptores de seguridad, asegurándose de lo siguiente:
| Condiciones | Resultado |
|---|---|
| Llave en la posición de MARCHA | La alarma de marcha atrás debe sonar. |
| Pedal de tracción en marcha atrás |
Utilice únicamente combustible diésel o combustibles biodiésel limpios y nuevos con contenido sulfúrico bajo (<500 ppm) o muy bajo (<15 ppm). El número mínimo de cetanos debe ser de 40. Compre el combustible en cantidades que puedan ser consumidas en 180 días para asegurarse de que el combustible es nuevo.
Capacidad del depósito de combustible: 22 litros
Utilice combustible diésel tipo verano (Nº 2-D) a temperaturas superiores a -7 °C y combustible tipo invierno (Nº 1-D o mezcla de Nº 1-D/2-D) a temperaturas inferiores a -7 °C. El uso de combustible tipo invierno a bajas temperaturas proporciona un punto de inflamación menor y características de flujo en frío que facilitarán el arranque y reducirán la obturación del filtro del combustible.
El uso de combustible tipo verano con temperaturas por encima de los -7 ºC contribuirá a aumentar la vida útil de la bomba para el combustible y a incrementar la potencia en comparación con el combustible tipo invierno.
Important: No utilice queroseno o gasolina en lugar de combustible diésel. El incumplimiento de esta precaución dañará el motor.
Esta máquina puede emplear también un combustible mezclado de biodiésel de hasta B20 (20 % biodiésel, 80 % petrodiésel). La parte de petrodiésel deberá ser baja o muy baja en azufre. Observe las siguientes precauciones:
La parte de biodiésel del combustible deberá cumplir con la especificación ASTM D6751 o EN 14214.
La composición del combustible mezclado deberá cumplir con ASTM D975 o EN 590.
Si se derraman mezclas de combustible de biodiésel, el combustible puede dañar las superficies pintadas.
Utilice B5 (contenido de biodiésel del 5%) o mezclas menores cuando hace frío.
Supervise los retenes, las mangueras y las juntas que estén en contacto con el combustible, ya que pueden degradarse con el tiempo.
Es normal que se atasque el filtro de combustible durante cierto tiempo después de la conversión a mezclas de biodiésel.
Póngase en contacto con su Distribuidor Toro Autorizado si desea obtener más información sobre el biodiésel.
Note: Si es posible, llene el depósito de combustible después de cada uso; de esta manera se minimiza la acumulación de condensación dentro del depósito de combustible.

Para evitar lesiones o la muerte en caso de un vuelco: mantenga la barra antivuelco en posición elevada y bloqueada y utilice el cinturón de seguridad.
Asegúrese de que el asiento está sujeto con el cierre del asiento.
No hay protección contra vuelcos cuando la barra antivuelco está bajada.
No utilice la máquina en terrenos desiguales o en pendientes con la barra antivuelco bajada.
Baje la barra antivuelco únicamente cuando sea imprescindible.
No use el cinturón de seguridad si la barra antivuelco está bajada.
Conduzca lentamente y con cuidado.
Eleve la barra antivuelco tan pronto como haya espacio suficiente.
Compruebe cuidadosamente que hay espacio suficiente antes de conducir por debajo de cualquier objeto en alto (por ejemplo, ramas, portales, cables eléctricos) y no entre en contacto con ellos.
Important: Baje la barra antivuelco únicamente cuando sea imprescindible.
Aparque la máquina en una superficie nivelada.
Desengrane la TDF, baje la unidad de corte y accione el freno de estacionamiento.
Apague el motor y retire la llave.
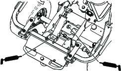
Retire las tuercas, los pernos y las arandelas (Figura 18).
Incline el asiento hacia adelante (Figura 21).
Baje la barra antivuelco y sujétela con las tuercas, los pernos y las arandelas (Figura 18).
Incline el asiento hacia atrás hasta la posición de bloqueado.

Note: Siga los pasos de la Figura 18 en sentido inverso para elevar la barra antivuelco.
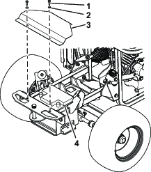
Aparque la máquina en una superficie nivelada.
Desengrane la TDF, baje la unidad de corte y accione el freno de estacionamiento.
Apague el motor y retire la llave.
Incline el asiento hacia adelante (Figura 21).
Retire las tuercas, los pernos y las arandelas de la barra antivuelco (Figura 18).
Eleve la barra antivuelco y sujétela con las tuercas, los pernos y las arandelas (Figura 18).
Incline el asiento hacia atrás hasta la posición de bloqueado.
Ajuste la columna de dirección hasta la posición que desee, tal y como se muestra en la Figura 9.
Si cuelga del respaldo del asiento del operador sus pertenencias, como prendas de ropa o una bolsa, podrían caerse y entrar en contacto con piezas de la máquina calientes o en movimiento. Esto podría provocar un incendio o hacer que los objetos le golpearan a usted o a otras personas, lo que podría causar lesiones graves.
No cuelgue sus pertenencias en el respaldo del asiento del operador.
El asiento se mueve hacia adelante y hacia atrás. Coloque el asiento en la posición que le permita controlar mejor la máquina y en la que esté más cómodo.
Para ajustarlo, tire de la palanca hacia arriba y mueva el asiento hacia adelante o hacia atrás (Figura 19).

Tire hacia arriba de la palanca (Figura 20) para inclinar la parte posterior del asiento.

Levante la palanca de inclinación del asiento (Figura 21) e incline el asiento hacia adelante.

El propietario/operador puede prevenir y es responsable de cualquier accidente que pudiera provocar lesiones personales o daños materiales.
Lleve ropa adecuada, incluida protección ocular, pantalones largos, calzado resistente y antideslizante y protección auricular. Si tiene el pelo largo, recójaselo, y no lleve prendas o joyas sueltas.
No utilice la máquina si está enfermo, cansado o bajo la influencia de alcohol o drogas.
Preste toda su atención al utilizar la máquina. No realice ninguna actividad que genere distracciones, de lo contrario pueden producirse lesiones o daños en la propiedad.
Antes de arrancar el motor, asegúrese de que todas las transmisiones están en punto muerto, de que el freno estacionamiento está accionado y de que usted se encuentra en la posición del operador.
No lleve pasajeros en la máquina y mantenga a otras personas alejadas de la zona de trabajo.
Utilice la máquina únicamente con buena visibilidad para evitar agujeros y peligros ocultos.
Evite segar la hierba mojada. La reducción de la tracción podría hacer que la máquina se resbalara.
Mantenga las manos y los pies alejados de las piezas en movimiento. Manténgase alejado de la apertura de descarga.
Mire hacia atrás y hacia abajo antes de poner marcha atrás para asegurarse de que el camino está despejado.
Tenga cuidado al acercarse a esquinas ciegas, arbustos, árboles u otros objetos que puedan dificultar la visión.
Pare las cuchillas si no está segando.
Detenga la máquina, retire la llave y espere a que todas las piezas en movimiento se detengan antes de inspeccionar el accesorio después de golpear un objeto o si se produce una vibración anormal en la máquina. Realice todas las reparaciones necesarias antes de volver a utilizar la máquina.
Vaya más despacio y tenga cuidado al girar y al cruzar calles y aceras con la máquina. Ceda el paso siempre.
Desengrane la transmisión de la unidad de corte, apague el motor, retire la llave y espere a que se detenga todo movimiento antes de ajustar la altura de corte (a menos que pueda ajustarse desde la posición del operador).
Accione el motor únicamente en áreas bien ventiladas. Los gases de escape contienen monóxido de carbono, que resulta letal si se inhala.
No deje nunca desatendida la máquina si está funcionando.
Antes de dejar el puesto del operador, realice lo siguiente:
Aparque la máquina en una superficie nivelada.
Desengrane la toma de fuerza y baje los accesorios.
Accione el freno de estacionamiento.
Apague el motor y retire la llave.
Espere a que se detenga todo movimiento.
Utilice la máquina únicamente con buena visibilidad. No utilice la máquina cuando exista riesgo de caída de rayos.
No utilice la máquina como un vehículo de remolcado.
Utilice solamente los accesorios, los aperos y las piezas de repuesto aprobados por Toro.
Utilice el control de crucero (si está instalado) únicamente cuando pueda utilizar la máquina en una zona abierta, llana y libre de obstáculos, y donde la máquina pueda desplazarse a una velocidad constante sin interrupción.
El ROPS es un dispositivo de seguridad integrado y eficaz.
No retire ninguno de los componentes del ROPS de la máquina.
Asegúrese de que el cinturón de seguridad está sujeto a la máquina.
Tire del cinturón sobre el regazo y conéctelo a la hebilla en el otro lado del asiento.
Para desabrochar el cinturón de seguridad, sujete el cinturón, pulse el botón de la hebilla para soltar el cinturón y guié el cinturón hasta el orificio de recogida automática. Asegúrese de que puede desabrochar rápidamente el cinturón de seguridad en caso de emergencia.
Compruebe detenidamente si hay obstrucciones sobre la máquina y no entre en contacto con ellas.
Mantenga el ROPS en condiciones seguras de funcionamiento, inspeccionándolo periódicamente en busca de daños y manteniendo bien apretados todas las fijaciones de montaje.
Sustituya los componentes del ROPS dañados. No los repare ni los modifique.
Si la barra antivuelco es plegable, manténgala en la posición elevada y bloqueada y lleve puesto el cinturón de seguridad mientras utilice la máquina con la barra antivuelco elevada.
Una barra antivuelco plegable puede bajarse temporalmente, pero sólo cuando sea necesario. No lleve el cinturón de seguridad cuando la barra antivuelco está bajada.
Sepa que no hay protección contra vuelcos cuando la barra antivuelco está plegada.
Inspeccione la zona de siega, y no baje nunca una barra antivuelco plegable en zonas donde existan pendientes, taludes o agua.
Las pendientes son una de las principales causas de accidentes por pérdida de control y vuelcos, que pueden causar lesiones graves o la muerte. Usted es responsable de la seguridad cuando trabaja en pendientes. La conducción de la máquina en pendientes requiere extremar la precaución.
Evalúe las condiciones del lugar de trabajo para determinar si es seguro trabajar en la pendiente con la máquina; puede ser necesario realizar un estudio detallado de la zona. Aplique siempre el sentido común y un buen criterio a la hora de realizar esta valoración.
Consulte las instrucciones sobre el uso de la máquina en pendientes indicadas a continuación para determinar si puede utilizar la máquina con las condiciones del día y del lugar concretos. Los cambios en el terreno pueden producir un cambio en el funcionamiento de la máquina en pendientes.
Evite arrancar, parar o girar la máquina en cuestas o pendientes. Evite realizar cambios bruscos de velocidad o de dirección. Realice giros de forma lenta y gradual.
No utilice la máquina en condiciones que puedan comprometer la tracción, la dirección o la estabilidad de la máquina.
Retire o señale obstrucciones como terraplenes, baches, surcos, montículos, rocas u otros peligros ocultos. La hierba alta puede ocultar obstrucciones. Un terreno irregular podría hacer volcar la máquina.
Tenga en cuenta que conducir en hierba mojada, atravesar pendientes empinadas, o bajar cuestas puede hacer que la máquina pierda tracción. La pérdida de tracción de las ruedas motrices puede hacer que la máquina patine, así como sufrir pérdida de frenado o de dirección.
Extreme las precauciones cuando utilice la máquina cerca de terraplenes, fosas, taludes, obstáculos de agua u otros obstáculos. La máquina podría volcar repentinamente si una rueda pasa por el borde de un terraplén o fosa, o si se socava un talud. Establezca un área de seguridad entre la máquina y cualquier peligro.
Identifique peligros situados en la base de la pendiente. Si hay algún peligro, siegue la pendiente con una máquina controlada por un peatón.
Si es posible, mantenga la(s) unidad(es) de corte bajada(s) hasta el suelo al utilizar la máquina en pendientes. Si la(s) unidad(es) de corte se eleva(n) en pendientes, la máquina puede desestabilizarse.
Extreme las precauciones cuando utilice sistemas de recogida de hierba u otros accesorios. Estos pueden cambiar la estabilidad de la máquina y causar pérdidas de control.
Important: Puede que tenga que purgar el sistema de combustible al arrancar una máquina nueva, si el motor ha dejado de funcionar por falta de combustible, o si ha sustituido o revisado componentes del sistema de combustible.
Eleve la barra antivuelco y fíjela en su lugar.
Siéntese en el asiento y abroche el cinturón de seguridad.
Asegúrese de que el freno de estacionamiento está puesto y que el mando de la TDF está en posición de DESENGRANADO.
Retire el pie del pedal de tracción y asegúrese de que el pedal está en la posición de punto muerto.
Gire la llave de contacto a la posición CONECTADO/PRECALENTAMIENTO .
Note: Un temporizador automático controla el precalentamiento durante unos segundos.
Después del precalentamiento, gire la llave a la posición de ARRANQUE, haga girar el motor durante no más de 15 segundos y suelte la llave cuando el motor arranque.
Note: Si se requiere un precalentamiento adicional, ponga la llave en DESCONECTADO y luego en la posición ENCENDIDO/PRECALENTAMIENTO. Repita este procedimiento tantas veces como sea necesario.
Mueva el acelerador a la posición de ralentí o velocidad baja, y deje funcionar el motor hasta que se caliente.
Important: Cuando se arranca el motor por primera vez, o después de cambiar el aceite del motor o el fluido hidráulico, realizar mantenimiento en el motor o sustituir los componentes de la tracción, haga funcionar la máquina en marcha adelante y marcha atrás durante uno o dos minutos. Accione también la palanca de elevación y el interruptor de la TDF para verificar el funcionamiento correcto de todos los elementos. Gire el volante de dirección asistida a derecha e izquierda para comprobar la respuesta de la dirección. Luego pare el motor, compruebe los niveles de fluido, y compruebe que no hay fugas de aceite, piezas sueltas u otros desperfectos.
Para evitar lesiones personales, pare el motor y espere a que se detengan todas las piezas en movimiento antes de comprobar que no hay fugas de aceite, piezas sueltas u otros desperfectos.
Mueva el control del acelerador hacia atrás a la posición de LENTO.
Mueva el interruptor de la toma de fuerza a la posición de DESENGRANADO.
Gire el interruptor de encendido a la posición de DESCONECTADO. Retire la llave de contacto para evitar un arranque accidental.
Note: Si el motor deja de funcionar y el interruptor de encendido se encuentra en la posición de CONECTADO/PRECALENTAMIENTO y se levanta del asiento del operador, tras una breve demora sonará un zumbador para indicarle que gire la llave a la posición de APAGADO.
Tire de la palanca del freno hacia arriba y a la izquierda para accionar el freno.

Tire de la palanca del freno hacia arriba y a la derecha para quitar el freno.
Al volcar la tolva, no deje que haya ninguna persona detrás de la máquina.
Asegúrese de que hay suficiente espacio por encima al elevar la tolva, de lo contrario, podría dañar la máquina.
Tenga especial cuidado al utilizar la máquina en superficies mojadas, en pendientes, a velocidades altas o con carga completa. El tiempo de parada aumenta con la carga completa.
Mantenga alejadas a otras personas. Antes de conducir en marcha atrás, mire hacia atrás y asegúrese de que no hay nadie detrás de la máquina. Avance marcha atrás lentamente.
Preste especial atención y evite mover la máquina con la tolva en la posición elevada.
Mantenga a otras personas alejadas de la máquina al bajar la tolva.
Aparque la máquina en una superficie nivelada.
Mueva la palanca de elevación de la tolva hacia atrás para elevar la tolva (Figura 23).

Aparque la máquina en una superficie nivelada.
Mueva la palanca de elevación de la tolva hacia delante para bajar la tolva (Figura 24).

Note: Puede volcar la tolva a cualquier altura.
Aparque la máquina en una superficie nivelada.
Mueva la palanca de volcado de la tolva hacia atrás para volcar los recortes de la tolva (Figura 25).
Note: La puerta de la tolva se desengancha automáticamente al volcar la tolva.

Aparque la máquina en una superficie nivelada.
Tras el volcado, mueva la palanca de volcado de la tolva hacia delante para cerrar la tolva (Figura 26).
Note: La puerta de la tolva se engancha automáticamente al cerrar la tolva.

Aparque la máquina en una superficie nivelada.
Desengrane la TDF, baje la unidad de corte y accione el freno de estacionamiento.
Eleve la tolva y fíjela; consulte Elevación de la tolva y Fijación de la tolva en la posición elevada.
Apague el motor y retire la llave.
Incline el asiento hacia adelante.
Desenganche el conducto de hierba (Figura 27).

Con el tirador en el conducto, retírelo y límpielo junto con la apertura de la unidad de corte (Figura 27).
Instale el conducto y fíjelo con los cierres (Figura 27).
Baje la tolva; consulte Bajada de la tolva.
Si el sensor de la tolva se activa y la TDF se desengrana automáticamente cuando la tolva no está llena o si el conducto se obstruye antes de que se active el sensor, debe ajustar la posición del sensor.
Ajuste el sensor del siguiente modo:
Abra la puerta de la tolva y utilice la varilla de sujeción para mantenerla abierta.
Ajuste el sensor de la tolva según lo siguiente:
Con hierba y condiciones meteorológicas normales, gire el sensor hasta la posición del punto medio (Figura 28).
Con hierba densa y condiciones húmedas, al recoger hojas o si la tolva se llena antes de que se active el sensor, gire el sensor hacia abajo (Figura 28).
Con hierba escasa y en condiciones secas, o si la unidad de corte se desengrana antes de que se llene la tolva, gire el sensor hacia arriba (Figura 28).

Puede ajustar la altura de corte continuamente de 2,5 a 9 cm mediante el interruptor de altura de corte.
Presione el interruptor de altura de corte (Figura 29) hacia delante para reducir la altura de corte. Presione el interruptor de altura de corte hacia atrás para aumentar la altura de corte.
Lea el indicador de altura de corte para asegurarse de que está ajustado a la altura deseada.
Supervise el indicador de altura de corte mientras siega y ajuste la altura si fuera necesario.

Note: Si el operador abandona el asiento con el mando de la TDF en la posición de ENGRANADO, el motor se apagará automáticamente.
Utilice el procedimiento siguiente para reiniciar la TDF:
Presione hacia dentro el mando de la TDF.
Gire la llave a la posición de DESCONECTADO.
Gire la llave a la posición de CONECTADO/PRECALENTAMIENTO y, a continuación, arranque el motor.
Tire hacia fuera del mando de la TDF.
Practique la conducción antes de utilizar la máquina, porque tiene una transmisión hidrostática y sus características son diferentes de las de otras máquinas de mantenimiento del césped.
Para mantener suficiente potencia para la máquina y la unidad de corte durante la siega, regule el pedal de tracción para mantener altas y constantes las revoluciones del motor. Reduzca la velocidad de avance a medida que aumenta la carga sobre las cuchillas y aumente la velocidad de avance a medida que la carga disminuye. Esto permite que el motor, trabajando conjuntamente con la transmisión, detecte la velocidad correcta sobre el terreno y al mismo tiempo mantenga la alta velocidad de las cuchillas necesaria para asegurar una buena calidad de corte. Por lo tanto, deje que el pedal de tracción se desplace hacia arriba a medida que disminuye la velocidad del motor, y pise el pedal lentamente a medida que aumenta la velocidad del motor. Al conducir de una zona de trabajo otra (sin carga y con la unidad de corte elevada), ponga el acelerador en la posición de RáPIDO y pise lentamente pero a fondo el pedal de tracción para alcanzar la máxima velocidad de avance.
Antes de apagar el motor, ponga todos los controles en PUNTO MUERTO y ponga el acelerador en la posición de LENTO. Gire el interruptor de encendido a la posición DESCONECTADO para apagar el motor.
El motor no arranca si el refrigerante del motor se ha sobrecalentado. Deje que el motor y el sistema de refrigeración se enfríen y compruebe el sistema de refrigeración; consulte Comprobación del sistema de refrigeración y del nivel del refrigerante.
Es importante llevar una llave de 16 mm mientras se usa la máquina. Utilice la llave para abrir la válvula de desvío si necesita empujar o remolcar la máquina (Figura 30).
Apague el motor, retire la llave y espere a que se detenga todo movimiento antes de dejar el puesto del operador. Deje que la máquina se enfríe antes de realizar ajustes, tareas de mantenimiento y de limpieza o de guardarla.
Para ayudar a prevenir incendios, asegúrese de que las unidades de corte, las transmisiones, los silenciadores, las rejillas de refrigeración y el compartimento del motor están libres de acumulaciones de hierba y residuos. Limpie cualquier aceite o combustible derramado.
Si las unidades de corte están en la posición de transporte, utilice el bloqueo mecánico positivo (si está disponible) antes de dejar la máquina desatendida.
Espere a que se enfríe el motor antes de guardar la máquina en un recinto cerrado.
Retire la llave y cierre el combustible (si está equipado) antes de guardar o transportar la máquina.
No guarde nunca la máquina o un recipiente de combustible cerca de una llama desnuda, chispa o llama piloto, por ejemplo en un calentador de agua u otro electrodoméstico.
Realice el mantenimiento de los cinturones y límpielos cuando sea necesario
Herramienta proporcionada por el operador: llave de 16 mm
En caso de emergencia, puede remolcar la máquina una distancia muy corta. Sin embargo, Toro no recomienda esto como procedimiento de serie.
Important: Si se empuja o remolca la máquina a más de 3–4 km/h, el sistema de transmisión puede sufrir daños. No empuje ni remolque la máquina más de 100 metros. Si es necesario trasladar la máquina una distancia considerable, transpórtela sobre un camión o un remolque. Si necesita empujar o remolcar la máquina, abra la válvula de desvío.
Tenga cuidado al cargar o descargar la máquina en/desde un remolque o un camión.
Utilice rampas de ancho completo para cargar la máquina en un remolque o un camión.
Antes de amarrar la máquina, baje la unidad de corte totalmente.
Amarre la máquina firmemente al vehículo de transporte con correas, cadenas, cables o cuerdas. Alinee tanto las correas delanteras como las traseras hacia abajo y hacia fuera respecto a la máquina.
Important: No pase las correas, las cadenas, los cables o las cuerdas a través de la plataforma del operador.
Inserte un perno o un pasador de barra de tracción en el enganche y utilícelo como punto de amarre trasero (Figura 33).

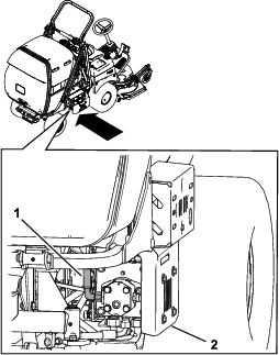
Desenganche el radiador; consulte Acceso al motor desde el lado izquierdo.
Coloque un gato bajo el tubo del bastidor (Figura 34 y Figura 35), directamente debajo del tubo del ROPS o lo más cerca posible.


Eleve con gato el lado izquierdo derecho o derecho trasero de la máquina utilizando los puntos de apoyo indicados en la Figura 36.

La máquina puede arrastrar remolques en terreno llano con un peso bruto de remolque (PBR) máximo de 200 kg. Utilice un pasador en la barra de tracción para arrastrar un remolque (Figura 33).
Important: Al transportar cargas o tirar de un remolque, no sobrecargue la máquina o el remolque. La sobrecarga puede causar un bajo rendimiento o dañar las unidades de transmisión hidráulica, los neumáticos y el bastidor.
Note: Para descargar una copia gratuita del esquema eléctrico o hidráulico, visite www.toro.com y busque su máquina en el enlace Manuales de la página de inicio.
Important: Consulte los demás procedimientos de mantenimiento del manual del propietario del motor.
Si deja la llave en el interruptor, alguien podría arrancar el motor accidentalmente y causar lesiones graves a usted o a otras personas.
Retire la llave del interruptor antes de realizar cualquier operación de mantenimiento.
| Intervalo de mantenimiento y servicio | Procedimiento de mantenimiento |
|---|---|
| Después de la primera hora |
|
| Después de las primeras 10 horas |
|
| Después de las primeras 50 horas |
|
| Después de las primeras 100 horas |
|
| Después de las primeras 500 horas |
|
| Cada vez que se utilice o diariamente |
|
| Cada 25 horas |
|
| Cada 40 horas |
|
| Cada 50 horas |
|
| Cada 75 horas |
|
| Cada 100 horas |
|
| Cada 150 horas |
|
| Cada 200 horas |
|
| Cada 300 horas |
|
| Cada 400 horas |
|
| Cada 1000 horas |
|
| Cada 1500 horas |
|
Duplique esta página para su uso rutinario.
| Elemento a comprobar | Para la semana de: | ||||||
|---|---|---|---|---|---|---|---|
| Lunes | Martes | Miércoles | Jueves | Viernes | Sábado | Domingo | |
| Compruebe el funcionamiento de los interruptores de seguridad. | |||||||
| Asegúrese de que la barra antivuelco está totalmente elevada y bloqueada. | |||||||
| Compruebe el funcionamiento de los frenos. | |||||||
| Compruebe el nivel de combustible. | |||||||
| Compruebe el nivel de aceite del motor. | |||||||
| Compruebe el nivel de fluido del sistema de refrigeración. | |||||||
| Compruebe que el radiador y la rejilla están libres de residuos. | |||||||
| Compruebe que no hay ruidos extraños en el motor.1. | |||||||
| Compruebe que no hay ruidos extraños de operación. | |||||||
| Compruebe el nivel de fluido hidráulico. | |||||||
| Compruebe que las mangueras hidráulicas no están dañadas. | |||||||
| Compruebe que no haya fugas de fluidos. | |||||||
| Compruebe la presión de los neumáticos. | |||||||
| Compruebe el funcionamiento del indicador del instrumento. | |||||||
| Compruebe la condición de las cuchillas. | |||||||
| Lubrique todos los engrasadores.2 | |||||||
| Retoque la pintura dañada. | |||||||
|
1. Compruebe la bujía y las boquillas de los inyectores si observa que es difícil arrancar el motor, si se genera un exceso de humo o si el funcionamiento es irregular. 2. Inmediatamente después de cada lavado, aunque no corresponda a uno de los intervalos citados. |
|||||||
Important: Consulte los demás procedimientos de mantenimiento del manual del propietario del motor.
| Anotación para áreas problemáticas: | ||
| Inspección realizada por: | ||
| Elemento | Fecha | Información |
Antes de dejar el puesto del operador, realice lo siguiente:
Aparque la máquina en una superficie nivelada.
Desengrane la toma de fuerza y baje los accesorios.
Accione el freno de estacionamiento.
Apague el motor y retire la llave.
Espere a que se detenga todo movimiento.
Lleve ropa adecuada, incluyendo protección ocular, pantalón largo y calzado resistente y antideslizante. Mantenga las manos, los pies, las joyas y el pelo largo alejados de las piezas en movimiento.
Si deja la llave en el interruptor, alguien podría arrancar el motor accidentalmente y causar lesiones graves a usted o a otras personas. Retire la llave del interruptor antes de realizar cualquier operación de mantenimiento.
Deje que los componentes de la máquina se enfríen antes de realizar el mantenimiento.
Si las unidades de corte están en la posición de transporte, utilice el bloqueo mecánico positivo (si está disponible) antes de dejar la máquina desatendida.
Si es posible, no realice tareas de mantenimiento con el motor en marcha. Manténgase alejado de las piezas en movimiento.
Accione el motor únicamente en áreas bien ventiladas. Los gases de escape contienen monóxido de carbono, que resulta letal si se inhala.
Apoye la máquina con caballetes siempre que trabaje debajo de la máquina.
Alivie con cuidado la tensión de aquellos componentes que tengan energía almacenada.
Mantenga todas las piezas en buen estado de funcionamiento y todos los herrajes bien apretados, sobre todo los accesorios de las cuchillas.
Sustituya cualquier calcomanía desgastada o deteriorada.
Para garantizar un rendimiento seguro y óptimo de la máquina, utilice únicamente piezas de repuesto genuinas Toro. Las piezas de repuesto de otros fabricantes podrían ser peligrosas y su uso podría invalidar la garantía del producto.
Aparque la máquina en una superficie nivelada.
Eleve la tolva a la posición más alta; consulte Elevación de la tolva.
Fije la tolva realizando lo siguiente:
Empuje hacia dentro el pasador en el bloqueo de seguridad magnético (Figura 37).
Mientras sostiene el pasador hacia dentro, baje el bloqueo de seguridad magnético sobre el cilindro hidráulico (Figura 37).
Repita los pasos 1 y 2 en el otro lado.

| Intervalo de mantenimiento y servicio | Procedimiento de mantenimiento |
|---|---|
| Cada 40 horas |
|
Especificación de la grasa: Grasa de litio Nº 2
Important: En condiciones de polvo y suciedad, podría entrar suciedad en los cojinetes y casquillos, provocando un desgaste acelerado.
Note: Lubrique los puntos de engrase inmediatamente después de cada lavado, aunque no corresponda a los intervalos citados.
Retire los pernos en la parte delantera de la cubierta y retire la cubierta de la correa.
Limpie el punto de engrase para que no penetren residuos en el cojinete o el casquillo.
Bombee grasa en el cojinete o casquillo.
Limpie cualquier exceso de grasa.
Instale la cubierta de la correa y los pernos.

| Intervalo de mantenimiento y servicio | Procedimiento de mantenimiento |
|---|---|
| Cada 40 horas |
|
Especificación de la grasa: Grasa de litio Nº 2
Important: En condiciones de polvo y suciedad, podría entrar suciedad en los cojinetes y casquillos, provocando un desgaste acelerado.
Note: Lubrique los puntos de engrase inmediatamente después de cada lavado, aunque no corresponda a los intervalos citados.
Limpie el punto de engrase para que no penetren residuos en el cojinete o el casquillo.
Bombee grasa en el cojinete o casquillo.
Limpie cualquier exceso de grasa.
Los puntos de lubricación de cojinetes y casquillos son:
Casquillo del pivote del pedal de tracción (Figura 39)

Puntos de pivote del brazo de elevación de la unidad de corte (Figura 40)

Retire la cubierta y engrase el soporte de la polea tensora de la TDF (Figura 41)

Polea tensora de la transmisión (Figura 42)

Cojinetes de las ruedas delanteras (Figura 43)

Brazos de la tolva (Figura 44)

Pivotes de la tolva y puntos de pivote de dirección (Figura 45)

Pivote de cilindro de la tolva y pivote del eje trasero (Figura 46)

| Intervalo de mantenimiento y servicio | Procedimiento de mantenimiento |
|---|---|
| Cada 200 horas |
|
Especificación de la grasa: Grasa de litio Nº 2
Important: En condiciones de polvo y suciedad, podría entrar suciedad en los cojinetes y casquillos, provocando un desgaste acelerado.
Note: Lubrique los puntos de engrase inmediatamente después de cada lavado, aunque no corresponda a los intervalos citados.
Limpie los puntos de engrase para que no penetren residuos en el cojinete o el casquillo.
Bombee grasa en el cojinete o casquillo.
Limpie cualquier exceso de grasa.
Retire el perno y abra la protección delantera.
| Intervalo de mantenimiento y servicio | Procedimiento de mantenimiento |
|---|---|
| Cada 100 horas |
|
Especificación de lubricación: compuesto antigripante
Desconecte el árbol de transmisión de la caja de engranajes de la unidad de corte; consulte Desconexión del árbol de transmisión de la caja de engranajes de la unidad de corte.
Tire de la mitad delantera del árbol de transmisión (Figura 49) hacia delante unos 25 cm.

Limpie las acanaladuras del eje de la caja de engranajes y las del árbol de transmisión (Figura 49).
Limpie la superficie deslizante del árbol de transmisión delantero (Figura 49).
Aplique compuesto antigripante a las acanaladuras del eje de la caja de engranajes y al acoplamiento de la articulación en U (Figura 49).
Aplique compuesto antigripante a la superficie deslizante del árbol de transmisión delantero (Figura 49).
Mueva la mitad delantera del árbol de transmisión hacia atrás para alinear el acoplamiento de la articulación en U con el eje de la caja de engranajes.
Retire el exceso de compuesto antigripante del eje del árbol de transmisión.
Conecte el árbol de transmisión de la caja de engranajes de la unidad de corte; consulte Conexión del árbol de transmisión a la caja de engranajes de la unidad de corte.
Apague el motor y retire la llave antes de comprobar el aceite o añadir aceite al cárter.
No cambie la velocidad del regulador ni haga funcionar el motor a una velocidad excesiva.
Important: Utilice este procedimiento para acceder al motor cuando el motor no esté en marcha.
Note: Si hay hierba en la tolva al girarla manualmente, la hierba se saldrá.
Gire manualmente la tolva para abrirla o eleve la tolva hasta la posición más alta y fíjela con los bloqueos de seguridad magnéticos; consulte Elevación de la tolva y Fijación de la tolva en la posición elevada.
Retire las fijaciones y eleve la cubierta para acceder al motor (Figura 52).

Presione hacia abajo el cierre y baje el radiador para acceder al motor (Figura 53).

Note: Sustituya el limpiador de aire con mayor frecuencia (después de pocas horas) si se trabaja en condiciones de mucho polvo o arena.
| Intervalo de mantenimiento y servicio | Procedimiento de mantenimiento |
|---|---|
| Cada 50 horas |
|
Inspeccione la carcasa del limpiador de aire en busca de daños que pudieran causar una fuga de aire. Cambie la carcasa del limpiador de aire si está dañada.
Limpie la cubierta del limpiador de aire como se muestra en la Figura 54.

| Intervalo de mantenimiento y servicio | Procedimiento de mantenimiento |
|---|---|
| Cada vez que se utilice o diariamente |
|
| Cada 100 horas |
|
Extraiga con cuidado el filtro primario de la carcasa del limpiador de aire (Figura 55).
Note: Evite golpear el filtro contra el lado de la carcasa.
Important: No intente limpiar el filtro primario.

Retire el filtro de seguridad (si dispone de ello).
Note: Retire el filtro de seguridad únicamente si piensa cambiarlo.
Important: No intente nunca limpiar el filtro de seguridad. Si el filtro de seguridad está sucio, el filtro primario está dañado y debe cambiar ambos filtros.
Inspeccione si existen daños en el filtro o los nuevos filtros mirando en el filtro mientras dirige una luz potente al exterior del filtro.
Note: Los agujeros del filtro aparecerán en forma de puntos luminosos. Inspeccione el filtro por si estuviera roto, tuviera una película aceitosa o la junta de goma estuviera dañada. Si el filtro está dañado, no lo use.
Si va a cambiar el filtro de seguridad, deslice el filtro nuevo con cuidado en el cuerpo del filtro (Figura 55).
Important: Para evitar dañar el motor, no haga funcionar nunca el motor sin que estén instalados ambos filtros de aire y la cubierta.
Deslice con cuidado el nuevo filtro primario sobre el filtro de seguridad y asegúrese de que está bien asentado empujando sobre el borde exterior del filtro mientras lo instala.
Important: No empuje sobre la zona blanda interior del filtro.
Instale la cubierta del limpiador de aire con el lado que lleva la palabra “UP” (arriba) hacia arriba y fije los cierres (Figura 55).
El motor se entrega con aceite en el cárter.
Capacidad del cárter: 3,2 litros aproximadamente con el filtro.
Especificación del aceite del motor:
Tipo de aceite del motor: nivel de clasificación API necesario: CH-4, CI-4 o superior.
Viscosidad del aceite del motor: consulte la tabla a continuación.
Aceite preferido: SAE 15W-40 (por encima de los -18 °C)
Aceite alternativo: SAE 10W-30 o 5W-30 (todas las temperaturas)
Note: Su distribuidor Toro autorizado dispone de aceite para motores Toro Premium de viscosidad 15W-40 o 10W-30. Consulte los números de pieza en el catálogo de piezas.

| Intervalo de mantenimiento y servicio | Procedimiento de mantenimiento |
|---|---|
| Cada vez que se utilice o diariamente |
|
Note: El mejor momento para comprobar el aceite del motor es cuando el motor está frío, antes de arrancarlo al principio de la jornada. Si el motor ya se ha arrancado, deje que el aceite se drene al cárter durante al menos 10 minutos antes de comprobar el nivel. Si el nivel del aceite está en la marca baja de la varilla o por debajo de ella, añada aceite hasta que el nivel llegue a la marca alta. No llene demasiado. Si el nivel del aceite está entre las marcas alta y baja, no es necesario añadir aceite.
Baje el radiador y compruebe el nivel de aceite del motor, tal y como se muestra en la Figura 53 y la Figura 57.
Si fuera necesario, eleve la tolva hasta la posición totalmente elevada, fíjela con los bloqueos de seguridad magnéticos y eleve la cubierta del motor tras retirar las fijaciones de la cubierta.

| Intervalo de mantenimiento y servicio | Procedimiento de mantenimiento |
|---|---|
| Después de las primeras 50 horas |
|
| Cada 75 horas |
|
| Cada 150 horas |
|
Note: Cambie el aceite del motor y el filtro con más frecuencia cuando se trabaja en condiciones de mucho polvo o arena.
Arranque el motor y déjelo funcionar durante unos cinco minutos para que el aceite se caliente.
Aparque la máquina en una superficie nivelada.
Desengrane la TDF, baje la unidad de corte y accione el freno de estacionamiento.
Eleve y fije la tolva y abra la cubierta de acceso al motor; consulte Acceso al motor desde la cubierta de acceso al motor.
Apague el motor y retire la llave.
Cambie el aceite de motor y el filtro de aceite del motor, tal y como se muestra en la Figura 58.
Cierre la cubierta de acceso al motor y baje la tolva; consulte Bajada de la tolva.
Note: Apriete el filtro hasta que la junta del filtro de aceite toque el motor y luego apriete ¾ de vuelta más.

Note: Consulte en Añadido de combustible las recomendaciones sobre el combustible correcto.
Bajo ciertas condiciones el combustible diésel y los vapores del combustible son extremadamente inflamables y explosivos. Un incendio o explosión de combustible puede quemarle a usted y a otras personas y causar daños materiales.
No fume nunca mientras maneja el combustible y aléjese de llamas desnudas o lugares donde los vapores del combustible puedan incendiarse con chispas.
La información sobre combustibles y sobre el mantenimiento del sistema de combustible de este Manual del operador es más detallada que la del Manual del propietario del motor, que contiene información de referencia general relacionada con el combustible y el mantenimiento del sistema de combustible.
Asegúrese de que comprende que el mantenimiento del sistema de combustible, el almacenamiento del combustible y la calidad del combustible requieren su atención para evitar tiempos de parada y complejas reparaciones del motor.
El sistema de combustible presenta márgenes de tolerancia extremadamente reducidos, debido a los requisitos de emisiones y de control. La calidad y la limpieza del diésel resultan más importantes para la longevidad del sistema actual de inyección de combustible "common rail" de alta presión (HPCR) que se utiliza en los motores diésel.
Important: La presencia de agua o aire en el sistema de combustible producirá daños en el motor. No dé por sentado que el combustible nuevo está limpio. Asegúrese de que el combustible procede de un proveedor de calidad, almacene el combustible correctamente y utilice el suministro de combustible en un plazo de 180 días.
Important: Si no sigue los procedimientos de sustitución del filtro de combustible, de mantenimiento del sistema del combustible y de almacenamiento del combustible, el sistema de combustible del motor podría fallar de forma prematura. Realice todas las tareas de mantenimiento del sistema de combustible a los intervalos especificados, o bien cuando el combustible esté contaminado o sea de calidad deficiente.
El almacenamiento adecuado del combustible es fundamental para el motor. Con frecuencia, se subestima el mantenimiento adecuado de los depósitos de almacenamiento del combustible y esto puede contaminar el combustible que se suministra a la máquina.
Adquiera únicamente el combustible suficiente que vaya a consumir en un plazo de 180 días. No utilice combustible que haya estado almacenado más de 180 días. Esto contribuye a eliminar el agua y otros contaminantes en el combustible.
Si no elimina el agua del depósito de almacenamiento o del depósito de combustible de la máquina, se puede puede generar óxido o contaminación en el depósito de combustible y en los componentes del sistema de combustible. Los lodos en los depósitos debidos a moho, bacterias u hongos restringen el flujo y atascan el filtro y los inyectores de combustible.
Inspeccione el depósito de almacenamiento de combustible y el depósito de combustible de la máquina de forma habitual para supervisar la calidad del combustible en el depósito.
Asegúrese de que el combustible procede de un proveedor de calidad.
Si encuentra agua o contaminantes en el depósito de almacenamiento o en el depósito de combustible de la máquina, trabaje con el proveedor de combustible para solucionar el problema y realice todas las tareas de mantenimiento del sistema de combustible.
No almacene el diésel en depósitos o botes fabricados con componentes galvanizados.
Aparque la máquina en una superficie nivelada.
Accione el freno de estacionamiento.
Espere a que el motor se enfríe.
Asegúrese de que el depósito de combustible está al menos medio lleno.
Desenganche el radiador; consulte Acceso al motor desde el lado izquierdo.
Coloque un recipiente de drenaje debajo de los tornillos de purga de aire.
Confirme que la palanca de filtro del combustible esté en la posición de ENCENDIDO (Figura 59).
Abra el primer tornillo de purga de aire de la bomba de inyección de combustible (Figura 59).
Deje que salga el aire y espere a que salga el combustible.
Una vez que el combustible empieza a salir, apriete el primer tornillo de purga de aire (Figura 59).
Abra el segundo tornillo de purga de aire de la bomba de inyección de combustible (Figura 59).
Deje que salga el aire y espere a que salga el combustible.
Una vez que el combustible empieza a salir, apriete el segundo tornillo de purga de aire (Figura 59).

Note: El motor debe arrancar después de realizar este procedimiento. No obstante, si el motor no arranca, es posible que haya aire atrapado entre la bomba de inyección y los inyectores. Póngase en contacto con su Distribuidor Toro Autorizado.
Limpie cualquier combustible que se haya acumulado alrededor de la bomba de inyección.
| Intervalo de mantenimiento y servicio | Procedimiento de mantenimiento |
|---|---|
| Cada 400 horas |
|
Limpie la zona alrededor del filtro de combustible (Figura 60).
Gire la palanca del filtro de combustible a la posición de APAGADO (Figura 60).
Retire el filtro y limpie la superficie de montaje del filtro (Figura 60).
Lubrique la junta del filtro con combustible limpio.
Monte el elemento del filtro en el conjunto del filtro.
Monte el cuerpo de combustible y la tuerca del cuerpo en el cabezal del filtro y apriete la tuerca a mano
Gire la palanca del filtro de combustible a la posición de ENCENDIDO (Figura 59).

Cebe el sistema de combustible; consulte Purga del sistema de combustible.
Note: Repare cualquier fuga de combustible antes de utilizar la máquina.
| Intervalo de mantenimiento y servicio | Procedimiento de mantenimiento |
|---|---|
| Cada 400 horas |
|
Si va a almacenar la máquina durante un periodo de tiempo prolongado, utilice una bomba de sifón para vaciar el depósito de combustible.
Si el sistema de combustible se contamina, utilice una bomba de sifón para vaciar el depósito de combustible, limpie el depósito y utilice diésel limpio para enjuagar el depósito.

| Intervalo de mantenimiento y servicio | Procedimiento de mantenimiento |
|---|---|
| Cada 400 horas |
|
Compruebe que los tubos de combustible no están deteriorados o dañados, y que las conexiones no están sueltas.
Desconecte la batería antes de reparar la máquina. Desconecte primero el terminal negativo y luego el positivo. Conecte primero el terminal positivo y luego el negativo.
Cargue la batería en una zona abierta y bien ventilada, lejos de chispas y llamas. Desenchufe el cargador antes de conectar o desconectar la batería. Lleve ropa protectora y utilice herramientas aisladas.
Aparque la máquina en una superficie nivelada.
Desengrane la TDF, baje la unidad de corte y accione el freno de estacionamiento.
Apague el motor y retire la llave.
Eleve y fije la tolva; consulte Fijación de la tolva en la posición elevada.
Retire los 2 pernos y las arandelas de la cubierta de la batería (Figura 62).
Retire la cubierta de la batería (Figura 62).

| Intervalo de mantenimiento y servicio | Procedimiento de mantenimiento |
|---|---|
| Cada 25 horas |
|
Important: Antes de efectuar soldaduras en la máquina, desconecte el cable negativo de la batería para evitar daños al sistema eléctrico.
Los bornes de la batería o una herramienta metálica podrían hacer cortocircuito si entran en contacto con los componentes metálicos de la máquina, causando chispas. Las chispas podrían hacer explotar los gases de la batería, causando lesiones personales.
Al retirar o colocar la batería, no deje que los bornes toquen ninguna parte metálica de la máquina.
No deje que las herramientas metálicas hagan cortocircuito entre los bornes de la batería y las partes metálicas de la máquina.
Un enrutado incorrecto de los cables de la batería podría dañar la máquina y los cables, causando chispas. Las chispas podrían hacer explotar los gases de la batería, causando lesiones personales.
Desconecte siempre el cable negativo (negro) de la batería antes de desconectar el cable positivo (rojo).
Conecte siempre el cable positivo (rojo) de la batería antes de conectar el cable negativo (negro).
Aparque la máquina en una superficie nivelada.
Desengrane la TDF, baje la unidad de corte y accione el freno de estacionamiento.
Apague el motor y retire la llave.
Acceda a las baterías; consulte Acceso a la batería.
Retire la batería según se muestra en la Figura 63.

Instale la batería, según se muestra en Figura 64.

El proceso de carga de la batería produce gases que pueden explotar.
No fume nunca cerca de la batería, y mantenga alejados de la batería chispas y llamas.
Important: Mantenga siempre la batería completamente cargada (gravedad específica de 1,265). Esto es especialmente importante para evitar daños en la batería cuando la temperatura está por debajo de los 0 °C.
Cargue la batería durante 10 a 15 minutos a 25–30 amperios, o durante 30 minutos a 10 amperios.
Cuando la batería esté completamente cargada, desconecte el cargador de la toma de electricidad, luego desconecte los cables del cargador de los bornes de la batería (Figura 65).
Instale la batería en la máquina y conecte los cables de la batería; consulte Instalación de la batería.
Note: No haga funcionar la máquina con la batería desconectada; puede causar daños al sistema eléctrico.

El sistema eléctrico está protegido con fusibles. No requiere mantenimiento; no obstante, si se funde un fusible, compruebe que no haya ninguna avería ni cortocircuito en el componente/circuito.
El bloque de fusibles y los fusibles se encuentran a la izquierda del asiento del operador (Figura 66).

Utilice la siguiente tabla al sustituir un fusible:
| Circuito | Tipo de fusible |
| Interruptores y zumbador | 3 A |
| Recogedor y embrague de TDF | 15 A |
| Unidad de control electrónica | 5 A |
| Unidad de corte | 15 A |
| Alternador y salpicadero | 5 A |
| Baliza | 3 A |
| Motor | 15 A |
| Reservado para accesorios | 15 A |

También hay 2 fusibles (40 A) que protegen el arnés de cables principal de la máquina (Figura 68).

| Intervalo de mantenimiento y servicio | Procedimiento de mantenimiento |
|---|---|
| Cada 40 horas |
|
Para evitar la corrosión de los terminales del cableado, aplique una capa de grasa Grafo 112X (Nº de Pieza Toro 505-47) al interior de todos los conectores del arnés cada vez que cambie el arnés.
Important: Siempre que vaya a trabajar con el sistema eléctrico, desconecte los cables de la batería, primero el cable negativo (-), para evitar daños en el cableado debido a cortocircuitos.
| Intervalo de mantenimiento y servicio | Procedimiento de mantenimiento |
|---|---|
| Después de la primera hora |
|
| Después de las primeras 10 horas |
|
| Cada 200 horas |
|
Especificación del par de apriete de las tuercas de las ruedas:85 a 90 N·m
Apriete las tuercas de las ruedas delanteras y traseras al par especificado, siguiendo un orden en cruz como se indica en Figura 69.

| Intervalo de mantenimiento y servicio | Procedimiento de mantenimiento |
|---|---|
| Cada 200 horas |
|
Aparque la máquina en una superficie nivelada.
Desengrane la TDF, baje la unidad de corte y accione el freno de estacionamiento.
Apague el motor y retire la llave.
Gire el volante hasta que las ruedas traseras estén rectas.
Mida la distancia entre centros a la altura del cubo de la rueda, por delante y por detrás de los neumáticos traseros.
Note: Las ruedas traseras no deben tener convergencia positiva o negativa cuando están correctamente alineadas.
Si hay convergencia o divergencia, ajuste las ruedas; consulte Ajuste de la convergencia de las ruedas traseras.
Afloje las contratuercas en ambos extremos de las barras de acoplamiento izquierda y derecha.
Ajuste ambas barras de acoplamiento hasta que la distancia de centro a centro entre las ruedas traseras, por delante y por detrás, sea la misma (Figura 70).
Cuando las ruedas traseras están correctamente ajustadas, apriete las contratuercas contra las barras de acoplamiento.

Los topes de dirección del eje trasero evitan un recorrido excesivo del cilindro de dirección en caso de impacto en las ruedas traseras. Ajuste los topes para que quede un espacio de 2,3 mm entre la cabeza del perno y el resalte del eje cuando se gira el volante completamente a la izquierda o a la derecha.
Enrosque o desenrosque los pernos hasta obtener el espacio de 2,3 mm; consulte la Figura 71.

| Intervalo de mantenimiento y servicio | Procedimiento de mantenimiento |
|---|---|
| Después de las primeras 500 horas |
|
| Cada 1000 horas |
|
Capacidad del eje delantero: 1,5 litros
Especificación del aceite del eje: ISO VG220
Aparque la máquina en una superficie nivelada.
Desengrane la TDF, baje la unidad de corte y accione el freno de estacionamiento.
Eleve y fije la tolva; consulte Elevación de la tolva.
Gire el asiento hacia adelante.
Retire el conducto de hierba; consulte Limpieza del conducto de hierba.
Apague el motor y retire la llave.
Coloque un recipiente debajo del tapón de vaciado.
Retire el tapón de vaciado y deje que se vacíe el aceite.

Instale el tapón de vaciado.
Retire el tapón de llenado.

Con un embudo, añada la cantidad correcta de aceite nuevo.
Instale el conducto de hierba.
Baje la tolva; consulte Bajada de la tolva.
La ingestión del refrigerante del motor puede causar envenenamiento; manténgalo fuera del alcance de niños y animales domésticos.
Una descarga de refrigerante caliente bajo presión, o cualquier contacto con el radiador caliente y los componentes que lo rodean, puede causar quemaduras graves.
Siempre deje que el motor se enfríe durante al menos 15 minutos antes de retirar el tapón del radiador.
Utilice un trapo al abrir el tapón del radiador y ábralo lentamente para permitir la salida del vapor.
No haga funcionar la máquina sin que las cubiertas estén colocadas.
Mantenga los dedos, las manos y las prendas de vestir alejados del ventilador y de la correa de transmisión en movimiento.
Capacidad del sistema de refrigeración: 6,4 litros
Tipo de refrigerante:
| Refrigerante recomendado |
|
Note: El refrigerante debe cumplir o superar las especificaciones de la norma ASTM 3306 |
| Refrigerante de etilenglicol pre-diluido (mezcla al 50%) |
| o |
| Refrigerante de etilenglicol mezclado con agua destilada (mezcla al 50%) |
| o |
| Refrigerante de etilenglicol mezclado con agua de buena calidad (mezcla al 50%) |
| CaCO3 + MgCO3 <170 ppm |
| Cloruro <40 ppm (CI) |
| Azufre <100 ppm (SO4) |
| Intervalo de mantenimiento y servicio | Procedimiento de mantenimiento |
|---|---|
| Cada vez que se utilice o diariamente |
|
Si el motor ha estado en funcionamiento, el radiador estará presurizado y el refrigerante del interior estará caliente. Si quita el tapón, el refrigerante puede esparcirse y provocar quemaduras graves.
No retire la tapa del depósito auxiliar para comprobar el nivel del refrigerante. En lugar de ello, mire el nivel desde del lado del depósito.
No retire la tapa del depósito auxiliar si el motor está caliente. Deje que el motor se enfríe durante al menos 15 minutos, o hasta que la tapa del radiador esté lo suficientemente fría para poder tocarla sin quemarse la mano.
Compruebe el nivel de refrigerante en el depósito de expansión (Figura 7).
Si el nivel de refrigerante es bajo, retire la tapa del depósito de expansión y añada el refrigerante recomendado según sea necesario.
No use agua sola o refrigerantes a base de alcohol.No llene demasiado.
Instale el tapón del depósito de expansión.

| Intervalo de mantenimiento y servicio | Procedimiento de mantenimiento |
|---|---|
| Cada vez que se utilice o diariamente |
|
Para evitar el sobrecalentamiento del motor, mantenga limpios la rejilla y el radiador. Compruebe la rejilla y el radiador en busca de acumulaciones de hierba, polvo y residuos y, si es necesario, elimine cualquier residuo de estos componentes (Figura 75).
| Intervalo de mantenimiento y servicio | Procedimiento de mantenimiento |
|---|---|
| Cada 200 horas |
|
| Cada 1500 horas |
|
Note: Si la TDF se para debido al sobrecalentamiento del motor, compruebe primero que no haya una acumulación excesiva de residuos en la rejilla y en el radiador. Limpie el sistema antes de utilizar la máquina. No pare el motor inmediatamente; deje que el motor se enfríe dejándolo en marcha sin carga.
Limpie el radiador de la manera siguiente:
Retire la rejilla del radiador.
Trabajando desde el lado del ventilador, limpie el radiador con aire comprimido a baja presión (1,72 bar); (no utilice agua). Repita este procedimiento desde delante del radiador, y luego de nuevo desde el lado del ventilador.
Una vez que haya limpiado a fondo el radiador, elimine cualquier acumulación de residuos del canal situado en la base del radiador.
Limpie la rejilla del radiador e instálela en la máquina.

| Intervalo de mantenimiento y servicio | Procedimiento de mantenimiento |
|---|---|
| Después de las primeras 10 horas |
|
| Después de las primeras 50 horas |
|
Después de ajustar los frenos de servicio tras las primeras 50 horas de operación, puede que tenga que ajustar los frenos de nuevo tras un periodo de tiempo considerable.
Aparque la máquina en una superficie nivelada.
Desengrane la TDF, baje la unidad de corte y accione el freno de estacionamiento.
Apague el motor y retire la llave.
Quite el freno de estacionamiento (Figura 11).
Compruebe el espacio entre el disco y las pastillas del freno (Figura 76). Asegúrese de que el espacio es de 0,4-0,6 mm.
Si es necesario realizar un ajuste, afloje la tuerca autoblocante delantera y trasera del cable del freno (Figura 76).

Apriete las tuercas autoblocantes para fijar la posición de los cables.
Compruebe el espacio con el freno quitado.
Repita los pasos 6 a 8 hasta ajustar el freno de estacionamiento a la posición que desee.
| Intervalo de mantenimiento y servicio | Procedimiento de mantenimiento |
|---|---|
| Cada 200 horas |
|
Inspeccione la correa del alternador en busca de desgaste o daños.
Note: Cambie la correa del alternador si está desgastada o dañada.
| Intervalo de mantenimiento y servicio | Procedimiento de mantenimiento |
|---|---|
| Después de las primeras 10 horas |
|
| Cada 200 horas |
|
Aparque la máquina en una superficie nivelada.
Desengrane la TDF, baje la unidad de corte y accione el freno de estacionamiento.
Apague el motor y retire la llave.
Afloje el perno de pivote del alternador y el perno de bloqueo (Figura 77).
Tense la correa del alternador hasta lograr una desviación de 10 mm de la correa a mitad del recorrido entre las poleas con una fuerza de 4,5 kg.
Apriete el perno de bloqueo del alternador (Figura 77).
Apriete el perno del pivote del alternador (Figura 77).

| Intervalo de mantenimiento y servicio | Procedimiento de mantenimiento |
|---|---|
| Después de las primeras 10 horas |
|
| Después de las primeras 50 horas |
|
| Cada 200 horas |
|
Aparque la máquina en una superficie nivelada.
Desengrane la TDF, baje la unidad de corte y accione el freno de estacionamiento.
Apague el motor y retire la llave.
Mire la flecha indicadora de tensión del tensor de la polea.
La superficie exterior de la arandela debe estar alineada con la flecha indicadora de tensión
Si fuera necesario, gire la tuerca del tensor de la polea hasta que la flecha indicadora de tensión se alinee con la superficie exterior de la arandela (Figura 78).

Important: Sustituya las correas de la toma de fuerza como un juego emparejado.
Aparque la máquina en una superficie nivelada.
Desengrane la TDF, baje la unidad de corte y accione el freno de estacionamiento.
Apague el motor y retire la llave.
Acceda al lado izquierdo y a la parte superior del motor; consulte Acceso al motor desde la cubierta de acceso al motor y Acceso al motor desde el lado izquierdo.
Desconecte el conector del cable del embrague (Figura 79).
Retire los 3 pernos y las 3 tuercas que fijan el soporte del embrague al bastidor y al embrague (Figura 79).

Afloje la tuerca del tensor de la polea tensora; consulte Comprobación de la tensión de la correa de la toma de fuerza.
Mueva la polea tensora hacia arriba y retire las correas de la máquina (Figura 78).
Alinee las correas de la toma de fuerza sobre las poleas (Figura 78).
Instale el soporte del embrague al bastidor y el embrague con los pernos y las tuercas que retiró anteriormente; consulte Retirada de las correas de la toma de fuerza.
Apriete la tuerca del tensor de la polea tensora; consulte Comprobación de la tensión de la correa de la toma de fuerza.
Cierre el radiador en la máquina; consulte Acceso al motor desde el lado izquierdo.
Puede ajustar el pedal de tracción para mejorar el confort del operador o para reducir o aumentar la velocidad máxima de avance de la máquina.
También puede ajustar el pedal de tracción para reducir o aumentar la velocidad máxima de marcha atrás de la máquina.
Pise el pedal de tracción a fondo (hacia adelante) (Figura 80).
Para la velocidad máxima, debe quedar al menos 3 mm entre el pedal de tracción y el tope del pedal de tracción.

Si desea reducir la velocidad de avance de la máquina, haga lo siguiente:
Usando una llave, sujete el tope del pedal de tracción hacia delante y afloje la contratuerca en la parte posterior del soporte (Figura 80).
Mueva el pedal de tracción a la posición que desee (Figura 80).
Ajuste la contratuerca en la parte posterior del soporte hasta que el tope del pedal de tracción entre en contacto con el pedal de tracción (Figura 80).
Note: Si se acorta la posición del tope del pedal de tracción, aumentará la velocidad de avance de la máquina.
Mientras sujeta el tope del pedal de tracción, apriete la contratuerca en la parte delantera del soporte a 37-45 N∙m.
Si es necesario hacer un ajuste mayor, ajuste la tracción del siguiente modo:
Aparque la máquina en una superficie nivelada.
Desengrane la TDF, baje la unidad de corte y accione el freno de estacionamiento.
Apague el motor y retire la llave.
Afloje la tuerca autoblocante que fija la rótula del cable de tracción al pedal (Figura 81)
Retire el perno y la tuerca que fijan la rótula del cable de tracción al pedal (Figura 81)
Gire la rótula hasta obtener la longitud deseada.
Apriete la tuerca autoblocante (Figura 81) y fije la rótula al pedal de tracción con el perno y la tuerca que retiró para bloquear el ángulo del pedal.

Busque atención médica inmediatamente si el fluido penetra en la piel. Un médico deberá eliminar quirúrgicamente el fluido inyectado en pocas horas.
Asegúrese de que todas las mangueras y líneas de fluido hidráulicos están en buenas condiciones de uso, y que todos los acoplamientos y conexiones hidráulicos están apretados, antes de aplicar presión al sistema hidráulico.
Mantenga el cuerpo y las manos alejados de fugas pequeñas o boquillas que liberan fluido hidráulico a alta presión.
Utilice un cartón o un papel para buscar fugas hidráulicas.
Alivie de manera segura toda presión en el sistema hidráulico antes de realizar trabajo alguno en el sistema hidráulico.
El depósito de fluido hidráulico se llena en fábrica con fluido hidráulico de alta calidad. Compruebe el nivel del fluido hidráulico antes de arrancar el motor por primera vez y luego a diario.
Viscosidad del fluido hidráulico:5W-50
Utilice fluidos que cumplan todas las siguientes propiedades de materiales y las especificaciones del sector: Consulte a su distribuidor de lubricantes para identificar un producto satisfactorio.
Note: Toro no asume responsabilidad alguna por daños causados por sustitutos no adecuados, por lo que debe utilizar solamente productos de fabricantes responsables que respalden sus recomendaciones.
| Propiedades de materiales: | ||
| Viscosidad, ASTM D445 | St a 40 °C 42 – 50 | |
| St a 100 °C 7,6 – 8,5 | ||
| Índice de viscosidad ASTM D2270 | 140 o más | |
| Punto de descongelación, ASTM D97 | -37°C a -45°C (-40°F a -49°F) | |
| Etapa de fallo FZG | 11 o mejor | |
| Contenido de agua (fluido nuevo) | 500 ppm (máximo) | |
| Especificaciones industriales: | Vickers I-286-S (Quality Level), Vickers M-2950-S (Quality Level), Denison HF-0 | |
Important: El aceite multigrado ISO VG 46 ofrece un rendimiento óptimo en un amplio intervalo de temperaturas. Para temperaturas ambiente habitualmente altas, de 18 °C a 49 °C, el fluido hidráulico ISO VG 68 puede ofrecer un rendimiento mejor.
Important: La mayoría de los aceites hidráulicos son casi incoloros, por lo que es difícil detectar fugas. Está disponible un aditivo de tinte rojo para el aceite del sistema hidráulico, en botellas de 20ml. Una botella es suficiente para 15 a 22 litros de fluido hidráulico. Solicite el Nº de pieza 44-2500 a su distribuidor autorizado Toro.
Aparque la máquina en una superficie nivelada.
Desengrane la TDF, baje la unidad de corte y accione el freno de estacionamiento.
Ponga todos los controles en punto muertoPUNTO MUERTO y arranque el motor.
Haga funcionar el motor a la velocidad más baja posible para purgar el aire del sistema.
Important: No engrane la TDF.
Gire el volante varias veces a tope a la izquierda y a la derecha y coloque las ruedas directrices en línea recta hacia adelante.
| Intervalo de mantenimiento y servicio | Procedimiento de mantenimiento |
|---|---|
| Cada vez que se utilice o diariamente |
|
Aparque la máquina en una superficie nivelada.
Asegúrese de que la tolva esté totalmente bajada y nivelada y de que la unidad de corte esté bajada.
Desengrane la toma de fuerza, accione el freno de estacionamiento, apague el motor y retire la llave.
Retire la varilla del depósito hidráulico y limpie la varilla con un trapo limpio (Figura 82).

Introduzca la varilla en el tubo de llenado y enrosque la tapa de la varilla en el tubo.
Retire la varilla y compruebe el nivel de fluido (Figura 83).
El nivel del fluido hidráulico es normal si este se encuentra entre las 2 marcas de la varilla.

Si el nivel de fluido está por debajo de la marca inferior de la varilla, añada el fluido hidráulico especificado por el tubo de llenado (Figura 83) hasta que vea que el nivel de fluido se encuentra entre las 2 marcas de la varilla.
Important: No llene el depósito hidráulico con fluido hidráulico por encima de la marca superior de la varilla.

Enrosque la tapa de llenado de la varilla en el tubo de llenado.
Note: No apriete la tapa con una llave.
Inspeccione todas las mangueras y acoplamientos hidráulicos en busca de fugas.
| Intervalo de mantenimiento y servicio | Procedimiento de mantenimiento |
|---|---|
| Después de las primeras 100 horas |
|
| Cada 400 horas |
|
Capacidad del depósito hidráulico: aproximadamente 6,7 litros
Aparque la máquina en una superficie nivelada.
Asegúrese de que la tolva esté totalmente bajada y nivelada y de que la unidad de corte esté elevada.
Desengrane la toma de fuerza, accione el freno de estacionamiento, apague el motor y retire la llave.
Coloque un recipiente bajo la bomba hidráulica a la derecha para recoger el fluido hidráulico.
Para vaciar el depósito hidráulico, retire la cubierta y afloje la manguera hidráulica en el lateral de la bomba hidráulica (Figura 85).

Retire el neumático derecho delantero.
Sustituya el filtro hidráulico tal y como se muestra en la Figura 86.

Añada el fluido hidráulico especificado por el tubo de llenado hasta que vea que el nivel de fluido se encuentra entre las 2 marcas de la varilla (Figura 83).
Important: No llene el depósito hidráulico con fluido hidráulico por encima de la marca superior de la varilla.
Instale el neumático derecho delantero; consulte Apriete de las tuercas de las ruedas.
Arranque el motor, accione la dirección y los cilindros del elevación de la carcasa y compruebe que no hay fugas de fluido. Haga funcionar el motor durante unos cinco minutos, luego párelo.
Después de 2 minutos, compruebe el nivel del fluido hidráulico; consulte Comprobación del nivel de fluido hidráulico.
Important: Asegúrese de retirar el conducto de hierba antes de realizar este procedimiento; de lo contrario, se pueden producir daños.
Aparque la máquina en una superficie nivelada.
Desengrane la TDF, baje la unidad de corte y accione el freno de estacionamiento.
Eleve la tolva y accione los bloqueos de seguridad magnéticos; consulte Fijación de la tolva en la posición elevada.
Desenganche y retire el conducto de hierba; consulte Limpieza del conducto de hierba.
Tire y gire de los pasadores de cierre traseros de ambos lados de la unidad de corte.

Apague el motor y retire la llave.
Levante la plataforma del operador hacia arriba y accione la palanca de bloqueo (Figura 88)
Eleve la unidad de corte tirando hacia arriba de la parte delantera de la unidad de corte hasta que se enganche en la posición ARRIBA.
Realice cualquier tarea de mantenimiento en la unidad de corte.
Mientras sostiene la unidad de corte, tire hacia arriba de la palanca de cierre de la unidad de corte y baje la unidad de corte.

Confirme y asegúrese de que los pasadores de cierre traseros estén enganchados (Figura 87).
Coloque de nuevo la plataforma del operador en la posición de trabajo.
Eleve la plataforma del operador, de modo que la palanca de bloqueo se desenganche automáticamente, bajando la plataforma del operador de nuevo a la posición de trabajo.
Inserte el conducto de hierba, gire el asiento del operador y baje la tolva.
Para garantizar una calidad de corte superior, mantenga afiladas las cuchillas. Para que el afilado y la sustitución sean más cómodos, puede desear tener un stock de cuchillas de repuesto.
Cambie las cuchillas si han golpeado un objeto sólido, si están desequilibradas o si están dobladas. Para asegurar el mejor rendimiento y el continuado cumplimiento de las normas de seguridad de la máquina, utilice cuchillas de repuesto genuinas Toro. Las cuchillas de repuesto de otros fabricantes pueden que no cumplan las normas de seguridad.
Inspeccione periódicamente las cuchillas, para asegurarse de que no están desgastadas ni dañadas.
Tenga cuidado al comprobar las cuchillas. Envuelva las cuchillas o lleve guantes, y extreme las precauciones al manejar las cuchillas. Las cuchillas únicamente pueden ser cambiadas o afiladas; no las enderece ni las suelde nunca.
En máquinas con múltiples cuchillas, tenga cuidado puesto que girar una cuchilla puede hacer que giren otras cuchillas.
Prepare la unidad de corte para el mantenimiento; consulte Elevación y bajada de la unidad de corte en la posición de mantenimiento.
| Intervalo de mantenimiento y servicio | Procedimiento de mantenimiento |
|---|---|
| Cada vez que se utilice o diariamente |
|
Eleve la unidad de corte en la posición de mantenimiento.
Si los bordes no están afilados o tienen muescas, retire la cuchilla y afílela.
Inspeccione las cuchillas, especialmente en la parte de la vela.
Si observa fisuras, desgaste o la formación de una ranura en esta zona, instale de inmediato una cuchilla nueva.
Note: Puesto que hay una cuchilla derecha y otra izquierda, anote cómo están instaladas las cuchillas.
Sujete el extremo de las cuchillas con un trapo o un guante grueso.
Retire del eje de la cuchilla el perno de la cuchilla, la arandela de freno del muelle, la arandela curvada y la cuchilla (Figura 89).

Utilice una lima u otra herramienta de afilado para afilar el filo de corte en ambos extremos de la cuchilla (Figura 90).
Note: Mantenga el ángulo original.
Note: La cuchilla se mantiene equilibrada si se retira la misma cantidad de material de ambos filos de corte.

Verifique el equilibrio de la cuchilla colocándola sobre un equilibrador de cuchillas (Figura 91).
Note: Si la cuchilla se mantiene horizontal, está equilibrada y está lista para utilizarse.
Note: Si la cuchilla no está equilibrada, rebaje algo el metal en el extremo más pesado de la vela solamente (Figura 91).

Repita este procedimiento hasta que la cuchilla esté equilibrada.
Note: Consulte Figura 89 para conocer la rotación correcta de las cuchillas y su instalación.
Note: Se utilizan roscas a izquierdas para instalar la cuchilla derecha
Sujete el extremo de la cuchilla con un trapo o un guante grueso.
Instale la cuchilla con el perno de cuchilla, la arandela de freno del muelle y la arandela curvada que retiró anteriormente (Figura 89).
Important: La vela de la cuchilla debe apuntar hacia arriba y hacia el interior de la segadora para asegurar un corte correcto.
Apriete el perno de la cuchilla a 53 N·m.
Gire la fijación de cuarto de giro y abra la cubierta de la articulación universal de la cubierta de la correa (Figura 92).

Desconecte el extremo delantero del árbol de transmisión de la caja de engranajes de la unidad de corte pulsando el pasador cargado con muelle y, a continuación, tirando del extremo del árbol de transmisión hacia atrás (Figura 92).
Alinee las acanaladuras de la articulación universal del árbol de transmisión con las acanaladuras en el acoplamiento de la caja de engranajes.
Pulse el pasador cargado con muelle y, a continuación, presione el extremo del árbol de transmisión hacia delante.
Libere el pasador cargado con muelle y compruebe que la articulación universal del árbol de transmisión está bloqueada en la caja de engranajes de unidad de corte; consulte la Figura 92.
Cierre la cubierta de la articulación universal y sujétela con la fijación.
Aparque la máquina en una superficie nivelada.
Desengrane la TDF y ponga el freno de estacionamiento.
Antes de bajar la unidad de corte, tire y gire de los pasadores de enlace traseros a ambos lados de la unidad de corte (Figura 87).
Baje la unidad de corte e incline la tolva hacia atrás.
Apague el motor y retire la llave.
Incline el asiento hacia adelante.
Retire el conducto de hierba; consulte Limpieza del conducto de hierba.
Desconecte los conectores eléctricos a la derecha la unidad de corte.
Desconecte la articulación universal del árbol de transmisión de la caja de engranajes de la unidad de corte; consulte Desconexión del árbol de transmisión de la caja de engranajes de la unidad de corte.
Retire los 2 pasadores de chaveta y los 2 pasadores de horquilla que fijan los brazos de elevación a cada lado de la unidad de corte (Figura 93).

Aleje rodando la unidad de corte de la unidad de tracción.
Aparque la máquina en una superficie nivelada.
Incline la tolva hacia atrás o eleve la tolva y fíjela con los bloqueos magnéticos en la posición elevada.
Apague el motor y retire la llave.
Retire el conducto de hierba; consulte Limpieza del conducto de hierba.
Acerque rodando hacia atrás la unidad de hasta la unidad de tracción.
Instale el pasador de chaveta y el pasador de horquilla que fijan los brazos de elevación a cada lado; consulte la Figura 93.
Conecte la articulación universal del árbol de transmisión de la caja de engranajes de la unidad de corte; consulte Conexión del árbol de transmisión a la caja de engranajes de la unidad de corte.
Instale el conducto de hierba; consulte Limpieza del conducto de hierba.
Incline el asiento hacia atrás.
Arranque el motor.
Baje la tolva.
Eleve la unidad de corte.
| Intervalo de mantenimiento y servicio | Procedimiento de mantenimiento |
|---|---|
| Después de las primeras 50 horas |
|
| Cada 300 horas |
|
Especificación del aceite de la caja de engranajes: PG2 y API GL4, GL5, o MT1
Viscosidad del aceite de la caja de engranajes: LSX 75W90
Capacidad de aceite de la caja de engranajes: 0,25 litros
Aparque la máquina en una superficie nivelada, desengrane la TDF y baje la unidad de corte.
Ponga el freno de estacionamiento, apague el motor y retire la llave.
Retire la cubierta de la correa; consulte Retirada de la cubierta de la correa.
Aparque la máquina en una superficie lisa y nivelada.
Baje la unidad de corte y ajuste la palanca de elevación de la unidad de corte en la posición de flotación.
Compruebe si las cuchillas de la segadora están dobladas o dañadas, consulte Inspección de las cuchillas.
Note: Sustituya las cuchillas y los discos que presenten daños o estén doblados antes de nivelar la unidad de corte.
Compruebe la presión de los neumáticos; consulte Comprobación de la presión de los neumáticos.
Ajuste la altura de corte a la posición de 64 mm (Figura 98).

Apague el motor y retire la llave.
Mida la distancia entre el suelo y el punto más adelantado de la unidad de corte (Figura 99).
| Regístrela aquí: | ||
Mida la distancia entre el suelo y el punto más trasero de la unidad de corte (Figura 99).
| Regístrela aquí: | ||

Para ajustar la parte trasera de la unidad de corte, haga lo siguiente:
Retire la cubierta de la correa; consulte Retirada de la cubierta de la correa.
Para elevar la parte delantera de la máquina a 64 mm, afloje la contratuerca y ajuste el perno de ajuste; consulte Figura 100.

Para elevar la parte trasera de la unidad de corte, afloje las tuercas autoblocantes de las bielas a ambos lados de la unidad de corte (Figura 100 y Figura 101).

Gire las bielas hasta que el punto más trasero de la unidad de corte sea de 5 a 10 mm más alto que el punto más delantero de la unidad de corte.
Note: Asegúrese de que ambas bielas están ajustadas a la misma longitud.
Apriete las tuercas autoblocantes de las bielas (Figura 100).
Compruebe que la unidad de corte esté nivelada de izquierda a derecha; consulte Nivelación de la unidad de corte de izquierda a derecha.
Ajuste la altura de corte a la posición de 64 mm (Figura 102).

Apague el motor y retire la llave.
Alinee una cuchilla lateral a la posición más exterior (Figura 103).

Mida la distancia entre el suelo y el punto más externo del borde de corte de la cuchilla (Figura 103).
| Registre aquí la medición: |
Alinee la cuchilla lateral en el otro lado de la unidad de corte con la posición más exterior (Figura 103).
Mida la distancia entre el suelo y el punto más externo del filo de corte de la cuchilla con un bloque indicador (Figura 103).
| Registre aquí la medición: |
Si la diferencia entre las mediciones es superior a 3,2 mm, realice lo siguiente:
Mida el punto más exterior de los filos de corte de las cuchillas (Figura 103).
Repita los ajustes de las ruedas giratorias hasta que la diferencia entre las mediciones sea de 3,2 mm o menos.
Instale la cubierta de la correa; consulte Instalación de la cubierta de la correa.
Con las cuchillas alineadas en sentido longitudinal y la parte delantera de las cuchillas ajustada a 64 mm del suelo, compruebe la posición del indicador de altura de corte.
Siéntese en el asiento del operador y observe el puntero del indicador de la altura de corte (Figura 105).

Si el puntero del indicador de altura de corte no está alineado con la marca de 64 mm, haga lo siguiente:
Afloje la tuerca autoblocante que fija el enlace de la altura de corte (Figura 106).

Gire el enlace hasta que el puntero del indicador de la altura de corte esté alineado con la marca de 64 mm cuando se ve desde el asiento del operador (Figura 105 y Figura 106).
Apriete la contratuerca (Figura 106).
Aparque la máquina en una superficie nivelada, desengrane la TDF y baje la unidad de corte.
Ponga el freno de estacionamiento, apague el motor y retire la llave.
Retire la cubierta de la correa; consulte Retirada de la cubierta de la correa.
Retire el muelle del brazo tensor del poste de la unidad de corte (Figura 107).
Retire la correa de las poleas de la unidad de corte.
Dirija la nueva correa alrededor de las poleas, tal y como se muestra en la Figura 107.

Instale el muelle del brazo tensor en el poste de la unidad de corte (Figura 107).
Instale la cubierta de la correa; consulte Instalación de la cubierta de la correa.
Asegúrese de que la tolva y el conducto de descarga se ajustan correctamente y de que no se aplasta la junta.
Afloje los 4 pernos que fijan los soportes de elevación de la tolva al bastidor bajo la tolva (Figura 108).

Si necesita obtener el movimiento deseado de la tolva, afloje la tuerca de seguridad en la parte superior de la varilla del cilindro hidráulico (Figura 109).

Deslice la tolva hacia delante o hacia atrás hasta que la entrada de la tolva se alinee con la junta del conducto de descarga (Figura 110).

Apriete los 4 pernos (Figura 108).
Compruebe el espacio entre el cierre y la puerta. Asegúrese de que sea de 2 mm.
Si fuera necesario, ajuste el cierre con el perno de cierre para obtener el espacio correcto.
Note: Si fuera necesario, utilice el perno de la puerta para cambiar el ángulo de apertura automática de la puerta.

Note: Un procedimiento de lavado inadecuado puede afectar negativamente a la vida útil de los cojinetes. No lave la máquina mientras está aún caliente, y evite dirigir chorros de agua a alta presión o en grandes volúmenes a los cojinetes.
| Intervalo de mantenimiento y servicio | Procedimiento de mantenimiento |
|---|---|
| Cada vez que se utilice o diariamente |
|
Desengrane el mando de control de las cuchillas (TDF) y accione el freno de estacionamiento.
Apague el motor, retire la llave y espere a que se detengan todas las piezas en movimiento antes de abandonar el puesto del operador.
Inserte una boquilla de aire en el espacio entre la cubierta de la correa y la parte superior de la unidad de corte. Utilice aire comprimido para limpiar cualquier resto de hierba acumulado bajo la cubierta de la correa de la unidad de corte.
| Intervalo de mantenimiento y servicio | Procedimiento de mantenimiento |
|---|---|
| Cada vez que se utilice o diariamente |
|
Desengrane el mando de control de las cuchillas (TDF) y accione el freno de estacionamiento.
Apague el motor, retire la llave y espere a que se detengan todas las piezas en movimiento antes de abandonar el puesto del operador.
Prepare la unidad de corte para el mantenimiento; consulte Elevación y bajada de la unidad de corte en la posición de mantenimiento.
Compruebe si hay hierba o residuos acumulados y límpielos si es necesario.
| Intervalo de mantenimiento y servicio | Procedimiento de mantenimiento |
|---|---|
| Cada vez que se utilice o diariamente |
|
El aceite de motor, las baterías, el fluido hidráulico y el refrigerante del motor son contaminantes medioambientales. Elimínelos de acuerdo con la normativa estatal y local.
Apague el motor, retire la llave y espere a que se detenga todo movimiento antes de dejar el puesto del operador. Deje que la máquina se enfríe antes de realizar ajustes, tareas de mantenimiento y de limpieza o de guardarla.
No guarde la máquina o un recipiente de combustible en un lugar donde pudiera haber una llama desnuda, chispas o una llama piloto, por ejemplo en un calentador de agua u otro electrodoméstico.
Preparación de la batería y los cables:
Retire los terminales de los bornes de la batería; consulte Cómo retirar la batería.
Limpie la batería, los terminales y los bornes con un cepillo de alambre y una solución de bicarbonato.
Aplique una capa de grasa Grafo 112X (No. de Pieza Toro 505-47) o de vaselina a los terminales de los cables y a los bornes de la batería para evitar la corrosión.
Si se va a almacenar la máquina durante más de 30 días, retire la batería y cárguela totalmente.
Note: Cargue la batería lentamente durante 24 horas cada 60 días para evitar el sulfatado de plomo de la batería.
Guarde la batería colocada en la máquina.
Deje los cables desconectados si guarda la batería en la máquina.
Guarde la batería en un ambiente fresco para evitar el rápido deterioro de la carga.
Para evitar que la batería se congele, asegúrese de que está totalmente cargada. La gravedad específica del electrolito de una batería totalmente cargada es de 1,265 a 1,299.
Important: No utilice agua reciclada o salada para limpiar la máquina.
Limpie a fondo la máquina, la unidad de corte y el motor, prestando atención especial a estas zonas:
Radiador y rejilla
Debajo de la unidad de corte
Debajo de las cubiertas de las correas
Conjunto del árbol de la TDF
Todos los puntos de engrase y pivote
Retire el panel de acceso a la parte posterior de la columna de dirección y limpie el interior
Debajo de la placa del asiento y la parte suprior de la transmisión
Compruebe y ajuste la presión de los neumáticos; consulte Comprobación de la presión de los neumáticos
Retire, afile y equilibre las cuchillas de la segadora.
Compruebe que no hay cierres sueltos, apretándolos si es necesario.
Lubrique todos los engrasadores y aplique aceite en los puntos de pivote y a los vástagos de las válvulas de desvío de la transmisión. Limpie cualquier exceso de lubricante.
Lije suavemente y aplique pintura de retoque a cualquier zona pintada que esté rayada, desconchada u oxidada. Repare cualquier desperfecto de la carrocería.
Cambie el aceite del motor y el filtro de aceite; consulte Cambio del aceite de motor y del filtro.
Arranque el motor y déjelo funcionar al ralentí durante 2 minutos.
Pare el motor.
Vacíe el combustible del depósito de combustible, los tubos, la bomba, el filtro y el separador de combustible.
Enjuague el depósito de combustible con combustible diésel limpio y conecte todos los tubos de combustible.
Realice una limpieza y un mantenimiento completos del conjunto del limpiador de aire; consulte Mantenimiento del limpiador de aire.
Selle la entrada del limpiador de aire y la salida del tubo de escape con cinta impermeabilizante.
Apriete todos los elementos del sistema de combustible.
Compruebe el nivel de protección del anticongelante del sistema de refrigeración y ajuste la concentración del refrigerante, si es necesario, según la temperatura mínima prevista en su región.
Compruebe que la tapa de llenado de aceite y la tapa del depósito de combustible están colocadas con firmeza.
| Problem | Possible Cause | Corrective Action |
|---|---|---|
| El interruptor de encendido está en la posición de Conectado, pero las luces del panel del salpicadero no se encienden. |
|
|
| Las luces del indicador del panel del salpicadero se encienden con el interruptor de encendido en la posición de Conectado, pero el motor de arranque no se pone en marcha. |
|
|
| El motor solo arranca de forma intermitente o funciona de forma irregular. |
|
|
| El motor de arranque funciona, pero el motor no arranca. |
|
|
| El motor se apaga mientras la TDF está aún engranada. |
|
|
| El corte es irregular y el sistema de recogida es insuficiente. |
|
|
| La máquina vibra cuando está en funcionamiento. |
|
|
| La luz de advertencia del aceite del motor se ilumina. |
|
|
| La unidad de corte no funciona cuando está accionado el interruptor de la TDF. |
|
|