| Périodicité d'entretien | Procédure d'entretien |
|---|---|
| À chaque utilisation ou une fois par jour |
|
Cette machine est une tondeuse autoportée à lame rotative prévue pour les utilisateurs professionnels employés à des applications professionnelles. Elle est principalement conçue pour tondre les pelouses régulièrement entretenues dans les parcs, les terrains de golf, les terrains de sports et les espaces verts commerciaux. Cette machine n'est pas conçue pour tondre les broussailles ni pour un usage agricole.
Lisez attentivement cette notice pour apprendre comment utiliser et entretenir correctement votre produit, et éviter ainsi de l'endommager ou de vous blesser. Vous êtes responsable de l'utilisation sûre et correcte du produit.
Rendez-vous sur www.Toro.com pour tout document de formation à la sécurité et à l'utilisation des produits, pour tout renseignement concernant un produit ou un accessoire, pour obtenir l'adresse des concessionnaires ou pour enregistrer votre produit.
Pour obtenir des prestations de service, des pièces d'origine Toro ou des renseignements complémentaires, munissez-vous des numéros de modèle et de série du produit et contactez un concessionnaire-réparateur agréé ou le service client Toro. La Figure 1 indique l'emplacement des numéros de modèle et de série sur le produit. Inscrivez les numéros dans l'espace réservé à cet effet.


Les mises en garde de ce manuel soulignent des dangers potentiels et sont signalées par le symbole de sécurité (Figure 3), qui indique un danger pouvant entraîner des blessures graves ou mortelles si les précautions recommandées ne sont pas respectées.

Ce manuel utilise deux termes pour faire passer des renseignements essentiels. Important pour attirer l'attention sur des informations d'ordre mécanique spécifiques et Remarque pour souligner des informations d'ordre général méritant une attention particulière.
Ce produit est conforme à toutes les directives européennes pertinentes. Pour plus de renseignements, reportez-vous à la Déclaration de conformité spécifique du produit fournie séparément.
Vous commettez une infraction à la section 4442 ou 4443 du Code des ressources publiques de Californie si vous utilisez cette machine dans une zone boisée, broussailleuse ou recouverte d'herbe à moins d'équiper le moteur d'un pare-étincelles, tel que défini à la section 4442, maintenu en bon état, ou à moins de construire, équiper et entretenir le moteur de manière à prévenir les incendies.
Le manuel du propriétaire du moteur ci-joint est fourni à titre informatif concernant la réglementation de l'Agence américaine pour la protection de l'environnement (EPA) et la réglementation antipollution de l'état de Californie relative aux systèmes antipollution, à leur entretien et à leur garantie. Vous pouvez vous en procurer un nouvel exemplaire en vous adressant au constructeur du moteur.
CALIFORNIE
Proposition 65 - Avertissement
L'état de Californie considère les gaz d'échappement des moteurs diesel et certains de leurs composants comme susceptibles de provoquer des cancers, des malformations congénitales et autres troubles de la reproduction.
Les bornes de la batterie et accessoires connexes contiennent du plomb et des composés de plomb. L'état de Californie considère ces substances chimiques comme susceptibles de provoquer des cancers et des troubles de la reproduction. Lavez-vous les mains après avoir manipulé la batterie.
L'utilisation de ce produit peut entraîner une exposition à des substances chimiques considérées pas l'état de Californie comme capables de provoquer des cancers, des anomalies congénitales ou d'autres troubles de la reproduction.
Ce produit peut sectionner les mains ou les pieds et projeter des objets. Respectez toujours toutes les consignes de sécurité pour éviter des blessures graves.
Vous devez lire et comprendre le contenu de ce Manuel de l'utilisateur avant de démarrer le moteur.
Accordez toute votre attention à l'utilisation de la machine. Ne faites rien d’autre qui puisse vous distraire, au risque de causer des dommages corporels ou matériels.
N'utilisez pas la machine s'il manque des capots ou d'autres dispositifs de protection, ou s'ils sont défectueux.
N'approchez jamais les mains ou les pieds des pièces rotatives. Ne vous tenez pas devant l'ouverture d'éjection.
N'admettez personne, notamment les enfants, dans le périmètre de travail. N'autorisez jamais les enfants à utiliser la machine.
Avant de quitter la position d'utilisation, coupez le moteur, enlevez la clé et attendez l'arrêt complet de tout mouvement. Laissez refroidir la machine avant de la régler, d'en faire l'entretien, de la nettoyer ou de la remiser.
L'usage ou l'entretien incorrect de cette machine
peut occasionner des accidents. Pour réduire les risques d'accidents
et de blessures, respectez les consignes de sécurité
qui suivent. Tenez toujours compte des mises en garde signalées
par le symbole de sécurité (
) et la mention Prudence,
Attention ou Danger. Le non respect de ces instructions peut entraîner
des blessures graves ou mortelles.
![]() |
Des autocollants de sécurité et des instructions bien visibles par l'utilisateur sont placés près de tous les endroits potentiellement dangereux. Remplacez tout autocollant endommagé ou manquant. |






















Collez sur les machines non CE

Collez sur les machines non CE

Collez sur le composant réf. 134-0539 pour les machines non CE



Note: Les côtés gauche et droit de la machine sont déterminés d'après la position d'utilisation normale.
Raccordez un chargeur de 3 à 4 ampères aux bornes de la batterie. Chargez la batterie au régime de 3 à 4 ampères jusqu'à ce que la densité soit égale ou supérieure à 1,250, que la température de la batterie soit égale ou supérieure à 16 °C et que tous les éléments produisent du gaz librement.
Quand la batterie est chargée, débranchez le chargeur de la prise, puis débranchez le chargeur des bornes de la batterie.
Note: La charge incomplète de la batterie peut produire un fort dégagement gazeux et faire déborder l'électrolyte, et causer ainsi des dommages par corrosion à la machine.
Contrôlez le niveau d'huile moteur avant de démarrer le moteur ; voir Contrôle du niveau d'huile moteur.
Contrôlez le niveau de liquide de refroidissement avant de démarrer le moteur ; voir Contrôle du circuit de refroidissement et du niveau de liquide de refroidissement.
Contrôlez le niveau de liquide hydraulique avant de démarrer le moteur ; voir Contrôle du niveau de liquide hydraulique.
Spécifications de gonflage des pneus avant et arrière : 1,40 bar.
Spécifications de gonflage des roues pivotantes : 1,50 bar.
Contrôlez la pression des pneus avant et arrière avant le tout premier démarrage du moteur.
Note: Les pneus peuvent être surgonflés ou sous-gonflés pour l'expédition ; vous devrez peut-être ajuster la pression de gonflage.

Montez l'unité de coupe sur le groupe de déplacement ; voir Montage de l'unité de coupe.
Retirez l'emballage en plastique.
Retirez le crochet en acier arrière.
Note: Veillez à retirer le crochet en acier.
Retirez les cales des roues et de l'unité de coupe sur la palette.
Branchez les câbles de la batterie.
Faites le plein de carburant.
Tournez la clé de contact en position préchauffage et démarrez le moteur une fois le préchauffage terminé.
Levez l'unité de coupe pour faire monter la pression dans les vérins de levage.
Note: Vous pouvez lever l'unité de coupe, mais vérifiez cependant que les vérins de levage sont sous pression.
Levez la trémie et déposez la goulotte; voir Nettoyage de la goulotte.
Abaissez la trémie.
Placez l'unité de coupe en position de fonctionnement et engagez les crochets arrière des bras.
Desserrez le frein de stationnement et descendez la machine de la palette en marche avant.
Note: Si nécessaire, utilisez des rampes de la même hauteur que la palette.
Levez la trémie, installez la goulotte et baissez la trémie.
Levez l'arceau de sécurité; voir Déploiement de l'arceau de sécurité.
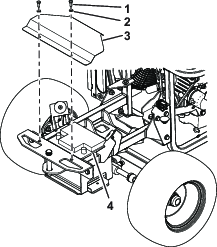
Contrôlez le couple de serrage des écrous de roues après le premier essai de conduite; voir Serrage des écrous de roues.


Note: Les côtés gauche et droit de la machine sont déterminés d'après la position d'utilisation normale.


Le témoin de charge (Figure 8) s'allume si le circuit de charge électrique fonctionne en dessous de la plage normale de fonctionnement. Contrôlez et/ou réparez le circuit de charge électrique.
Le témoin de préchauffage (Figure 8) s'allume en rouge quand les bougies de préchauffage sont activées.
Le témoin de pression d'huile (Figure 8) s'allume quand la pression de l'huile moteur descend en dessous du niveau admissible pendant que le moteur tourne. Si le témoin clignote ou reste allumé, arrêtez la machine, coupez le moteur et vérifiez le niveau d'huile. Si le niveau d'huile est dans la plage acceptable, mais que le témoin ne s'éteint pas quand le moteur tourne, coupez immédiatement le moteur et contactez un distributeur Toro agréé.
Vérifiez le fonctionnement du témoin comme suit :
Serrez le frein de stationnement.
Tournez la clé de contact en position CONTACT /PRéCHAUFFAGE, mais ne mettez pas le moteur en marche.
Note: Le témoin de pression d'huile doit s'allumer en rouge. S'il ne s'allume pas, soit une ampoule est grillée, soit le système est défectueux et doit être réparé.
L’indicateur de température du moteur (Figure 8) s'allume si le circuit de refroidissement fonctionne au-dessus de la plage normale de fonctionnement. Contrôlez et/ou réparez le circuit de refroidissement.
La commande de PDF (Figure 8) a 2 positions : SORTIE (engagée) et RENTRéE (désengagée). Tirez sur la commande de PDF pour engager l'outil ou les lames de l’unité de coupe. Poussez sur la commande pour désengager l'outil.
Note: Si vous quittez le siège de l'utilisateur alors que la commande de PDF est en position ENGAGéE, la machine coupe automatiquement le moteur après un délai de 1 seconde ; voir Contrôle du système de sécurité.
Appuyez de manière prolongée sur la pédale de blocage du différentiel (Figure 9) pour bloquer le différentiel.
Pour débloquer le différentiel, relâchez la pédale.
Engagez la pédale quand les roues patinent ou pour charger la machine sur des rampes.
Appuyez sur la pédale de déplacement (Figure 9) pour déplacer la machine en marche avant ou arrière. Appuyez sur le haut de la pédale pour avancer et sur le bas pour faire marche arrière. La vitesse de déplacement varie selon que la pédale est plus ou moins enfoncée. Pour vous déplacer à la vitesse maximale, amenez la commande d'accélérateur en positon HAUT RéGIME et enfoncez complètement la pédale de déplacement. La vitesse de pointe en marche avant est d'environ 13 km/h. Pour obtenir la puissance maximale quand la machine est chargée ou gravit une pente, placez la commande d'accélérateur en position de HAUT RéGIME et maintenez un régime moteur élevé tout en enfonçant progressivement la pédale de déplacement. Si le régime moteur commence à baisser, relâchez légèrement la pédale pour l'augmenter.

Pour incliner le volant vers vous, abaissez le levier d'inclinaison (Figure 10) et tirez le volant vers vous. Relâchez le levier quand le volant est à la position qui vous convient.

Chaque fois que vous coupez le moteur, serrez le frein de stationnement (Figure 11) pour éviter tout déplacement accidentel de la machine.
Serrez le frein de stationnement : tirez le levier vers le haut à la position SERRéE.

Desserrez le frein de stationnement : poussez le levier vers le bas à la position DESSERRéE.
Note: Si le levier n'est pas complètement baissé, la machine s'arrête quand vous appuyez sur la pédale de déplacement.
La jauge de carburant (Figure 8) indique le niveau de carburant qui reste dans le réservoir.
Utilisez la commande de hauteur de coupe (Figure 8) pour lever ou abaisser l’unité de coupe à la hauteur voulue.
Le gabarit de hauteur de coupe (Figure 12) indique la hauteur de coupe nominale de l’unité de coupe.

La commande d'accélérateur (Figure 8) permet de réguler le régime moteur. Poussez la commande en avant vers la position HAUT RéGIME pour augmenter le régime moteur. Tirez la commande en arrière vers la position BAS RéGIME pour réduire le régime moteur. La commande d'accélérateur régule la vitesse de rotation des lames et, avec la pédale de déplacement, la vitesse de déplacement de la machine.
Le compteur horaire (Figure 8) enregistre et affiche le nombre d'heures de fonctionnement du moteur.
Appuyez une fois sur le bouton situé sous l’écran pour afficher le nombre d'heures restant avant la prochaine vidange d'huile moteur et le prochain remplacement de filtre.
Appuyez à nouveau sur le bouton sous l’écran pour afficher le nombre d'heures restant avant la prochaine lubrification des graisseurs.
Appuyez une troisième fois sur le bouton sous l'écran pour revenir à l'affichage des heures de fonctionnement.
Note: Quand il reste 10 heures avant une vidange d'huile, le message « OIL CHANGE » (VIDANGE D’HUILE) clignote automatiquement sur l'indicateur pour signaler que vous devez changer l'huile moteur et le filtre.
Note: Quand il reste 5 heures avant un graissage, le message « LUBE » (LUBRIFICATION) clignote automatiquement sur l'indicateur pour signaler que vous devez lubrifier la machine.
Important: Durant les 50 premières heures en mode vidange d'huile, prenez garde à ne pas appuyer sur le bouton du compteur horaire pendant plus de 6 secondes. Si vous appuyez sur le bouton plus de 6 secondes de suite, l'intervalle entre les vidanges d'huile passe de 50 à 250 heures.
Après la vidange de l'huile moteur et le remplacement du filtre, ou le graissage de la machine et de l’unité de coupe, effectuez la procédure suivante :
Appuyez sur le bouton jusqu'à atteindre l'écran recherché.
Maintenez le bouton enfoncé jusqu'à ce qu'une suite de zéros (000000) s'affiche.
Note: Vous ne pouvez pas réinitialiser le nombre total d'heures de fonctionnement de la machine.
Tirez le levier en arrière pour lever l’unité de coupe (Figure 13).
Déplacez le levier vers l’avant pour abaisser l’unité de coupe, et poussez-le complètement en avant pour lui permettre de flotter (Figure 13).
Important: Pour éviter d'endommager le système de levage de l’unité de coupe, amenez le levier de levage à la position avant (FLOTTEMENT) chaque fois que vous conduisez la machine avec l’unité de coupe abaissée au sol.
Note: Abaissez l’unité de coupe et la trémie chaque fois que la machine ne sert pas.

Tirez le levier en arrière pour relever la trémie (Figure 13).
Poussez le levier en avant pour abaisser la trémie.
Tirez le levier en arrière pour vider la trémie (Figure 13).
Poussez le levier en avant pour fermer la trémie une fois vidée.
Le commutateur d'allumage a 3 positions : ARRêT, CONTACT/PRéCHAUFFAGE et DéMARRAGE.
Note: Si le moteur s'arrête alors que la clé est à la position CONTACT/PRéCHAUFFAGE et que vous quittez le siège, une alarme retentit après quelques secondes pour vous avertir que vous devez tourner la clé à la position ARRêT.
L’unité de coupe possède 2 fentes qui indiquent la largeur de coupe effective des lames ; voir Figure 14.

Note: Les spécifications et la conception peuvent faire l'objet de modifications sans préavis.

| Description | Figure 15 Référence | Dimensions ou poids |
| Hauteur avec arceau de sécurité relevé | E | 193 cm |
| Hauteur avec arceau de sécurité abaissé | G | 151 cm |
| Longueur hors tout | D | 271 cm |
| Largeur hors tout | B | 121 cm |
| Longueur d'empattement | C | 110 cm |
| Voie des roues avant | A | 114 cm |
| Voie des roues arrière | F | 97 cm |
| Garde au sol | 12 cm | |
| Poids net (avec unité de coupe) | 630 kg | |
| Poids net (sans unité de coupe) | 530 kg | |
| Vitesse | 0 à 13 km/h | |
| Largeur de coupe | 113 cm |
Une sélection d'outils et d'accessoires agréés par Toro est disponible pour augmenter et améliorer les capacités de la machine. Pour obtenir la liste de tous les outils et accessoires agréés, contactez votre concessionnaire-réparateur ou votre distributeur Toro agréé, ou rendez-vous sur www.Toro.com.
Utilisez exclusivement des pièces de rechange et des accessoires d'origine Toro. Les pièces de rechange et accessoires provenant d'autres constructeurs peuvent être dangereux, et leur utilisation risque d'annuler la garantie de la machine.
Ne confiez jamais l'utilisation ou l'entretien de la machine à des enfants ou à des personnes non qualifiées. La réglementation locale peut imposer un âge minimum pour les utilisateurs. Le propriétaire de la machine doit assurer la formation de tous les utilisateurs et mécaniciens.
Familiarisez-vous avec le maniement correct du matériel, les commandes et les symboles de sécurité.
Avant de quitter la position d'utilisation, coupez le moteur, enlevez la clé et attendez l'arrêt complet de tout mouvement. Laissez refroidir la machine avant de la régler, d'en faire l'entretien, de la nettoyer ou de la remiser.
Apprenez à arrêter la machine et le moteur rapidement.
Vérifiez toujours que les commandes de présence de l'utilisateur, les contacteurs de sécurité et les capots de protection sont en place et fonctionnent correctement. N'utilisez pas la machine s'ils ne fonctionnent pas correctement.
Avant de tondre, vérifiez toujours que les lames, les boulons de lame et les ensembles de coupe sont en bon état de marche. Remplacez les boulons et les lames usés ou endommagés par paires pour ne pas modifier l'équilibre.
Inspectez la zone de travail et débarrassez-la de tout objet pouvant être projeté par la machine.
Ce produit génère un champ électromagnétique. Si vous portez un dispositif médical électronique implantable, consultez votre professionnel de santé avant d'utiliser ce produit.
Faites preuve de la plus grande prudence quand vous manipulez du carburant, en raison de son inflammabilité et du risque d'explosion des vapeurs qu'il dégage.
Éteignez cigarettes, cigares, pipes et autres sources d'étincelles.
Utilisez exclusivement un bidon à carburant homologué.
N'enlevez pas le bouchon du réservoir de carburant et n'ajoutez pas de carburant pendant que le moteur tourne ou est encore chaud.
N'ajoutez pas de carburant et ne vidangez pas le réservoir dans un local fermé.
Ne rangez pas la machine ni les bidons de carburant à proximité d'une flamme nue, d'une source d'étincelles ou d'une veilleuse, telle celle d'un chauffe-eau ou autre appareil.
Si vous renversez du carburant, ne mettez pas le moteur en marche. Évitez toute source possible d'inflammation jusqu'à dissipation complète des vapeurs de carburant.
Avant de démarrer la machine chaque jour, effectuez les procédures décrites à la section Liste de contrôle pour l'entretien journalier.
| Périodicité d'entretien | Procédure d'entretien |
|---|---|
| À chaque utilisation ou une fois par jour |
|
Spécifications de gonflage des pneus avant et arrière : 1,50 bar
La stabilité de la machine sur les pentes est réduite si les pneus ne sont pas suffisamment gonflés. Celle-ci risque alors de se retourner et de vous blesser, parfois mortellement.
Veillez à toujours utiliser une pression de gonflage suffisante.
Contrôlez la pression des pneus avant et arrière. Ajoutez ou enlevez la quantité d'air nécessaire pour régler la pression de gonflage des pneus à la valeur spécifiée.
Important: Tous les pneus doivent être gonflés à la pression correcte pour garantir de bons résultats et de bonnes performances.Contrôlez la pression de tous les pneus avant d'utiliser la machine.

Le rôle du système de sécurité est d'empêcher le lancement ou le démarrage du moteur si la pédale de déplacement n'est pas en position neutre, si la commande de PDF n'est pas en position DéSENGAGéE, si le frein de stationnement est desserré ou si l'utilisateur n'est pas assis sur le siège.
En outre, le moteur devrait s'arrêter dans les cas suivants :
L'utilisateur quitte le siège en laissant la commande de PDF en position ENGAGéE.
L'utilisateur quitte le siège sans que la pédale de déplacement soit en position neutre.
la pédale de déplacement est enfoncée mais le frein de stationnement est serré
Si les contacteurs de sécurité sont déconnectés ou endommagés, la machine peut se mettre en marche inopinément et causer des blessures.
Ne modifiez pas abusivement les contacteurs de sécurité.
Vérifiez chaque jour le fonctionnement des contacteurs de sécurité et remplacez ceux qui sont endommagés avant d'utiliser la machine.
| Périodicité d'entretien | Procédure d'entretien |
|---|---|
| À chaque utilisation ou une fois par jour |
|
Contrôlez le fonctionnement des contacteurs de sécurité comme suit :
| Conditions | Résultat |
|---|---|
| Frein de stationnement desserré | Le démarreur ne doit pas fonctionner. |
| Pédale de déplacement en position neutre | |
| Commande de PDF en position DéSENGAGéE | |
| Siège inoccupé | |
| Frein de stationnement desserré | Le démarreur ne doit pas fonctionner. |
| Pédale de déplacement en position neutre | |
| Commande de PDF en position DéSENGAGéE | |
| Siège occupé | |
| Frein de stationnement desserré | Le démarreur ne doit pas fonctionner. |
| Pédale de déplacement enfoncée | |
| Commande de PDF en position DéSENGAGéE | |
| Siège occupé | |
| Frein de stationnement serré | Le démarreur ne doit pas fonctionner. |
| Pédale de déplacement enfoncée | |
| Commande de PDF en position DéSENGAGéE | |
| Siège occupé | |
| Frein de stationnement serré | Le démarreur doit fonctionner. |
| Pédale de déplacement en position neutre | |
| Commande de PDF en position DéSENGAGéE | |
| Siège inoccupé |
| Périodicité d'entretien | Procédure d'entretien |
|---|---|
| À chaque utilisation ou une fois par jour |
|
Avant de faire les contrôles suivants, procédez comme suit
Asseyez-vous sur le siège du conducteur.
Serrez le frein de stationnement.
Relâchez la pédale de déplacement en position neutre.
Désengagez la PDF.
Démarrez le moteur.
Desserrez le frein de stationnement.
Contrôlez le fonctionnement des contacteurs de sécurité comme suit :
| Conditions | Résultat |
|---|---|
| Frein de stationnement desserré | Le moteur devrait s'arrêter. |
| L'utilisateur se soulève légèrement du siège | |
| Frein de stationnement serré | Le moteur devrait rester en marche. |
| L'utilisateur se soulève légèrement du siège | |
| Frein de stationnement serré | Le moteur devrait s'arrêter. |
| Siège occupé | |
| Pédale de déplacement enfoncée | |
| Frein de stationnement desserré | Le moteur devrait rester en marche. |
| Siège occupé | |
| Pédale de déplacement enfoncée |
| Périodicité d'entretien | Procédure d'entretien |
|---|---|
| À chaque utilisation ou une fois par jour |
|
Avant de faire les contrôles suivants, procédez comme suit
Asseyez-vous sur le siège du conducteur.
Serrez le frein de stationnement.
Relâchez la pédale de déplacement en position neutre.
Désengagez la PDF.
Démarrez le moteur.
Desserrez le frein de stationnement.
Contrôlez le fonctionnement des contacteurs de sécurité comme suit :
| Conditions | Résultat |
|---|---|
| Commande de PDF en position ENGAGéE et unité de coupe en marche | Le moteur et l’unité de coupe doivent s'arrêter. |
| L'utilisateur se soulève légèrement du siège | |
| Commande de PDF en position ENGAGéE et unité de coupe en marche | L’unité de coupe doit s'arrêter. |
| Levez la trémie. |
| Périodicité d'entretien | Procédure d'entretien |
|---|---|
| À chaque utilisation ou une fois par jour |
|
Contrôlez le fonctionnement des contacteurs de sécurité comme suit :
| Conditions | Résultat |
|---|---|
| Clé en position CONTACT | L'alarme de recul doit retentir. |
| Pédale de déplacement en position marche arrière |
Utilisez uniquement du gazole propre et frais ou des carburants au biodiesel à faible (<500 ppm) ou ultra faible (<15 ppm) teneur en soufre. L'indice minimum de cétane doit être de 40. Pour garantir la fraîcheur du carburant, n'achetez pas plus que la quantité normalement consommée en 6 mois.
Capacité du réservoir de carburant : 22 L
Utilisez du gazole de qualité été (nº 2-D) si la température ambiante est supérieure à -7 °C et du gazole de qualité hiver (nº 1-D ou mélange nº 1-D/2-D) si la température ambiante est inférieure à -7 °C. L'usage de carburant de qualité hiver à basses températures réduit le point d'éclair et les caractéristiques d'écoulement à froid, ce qui facilite le démarrage et réduit le colmatage du filtre à carburant.
L'usage de carburant de qualité été au-dessus de -7 °C contribue à prolonger la vie de la pompe à carburant et augmente la puissance comparé au carburant de qualité hiver.
Important: N'utilisez pas de kérosène ou d'essence à la place du gazole, sous peine d'endommager le moteur.
Cette machine peut aussi utiliser un mélange carburant et biodiesel jusqu'à B20 (20 % biodiesel, 80 % pétrodiesel). La partie gazole doit être à faible ou à très faible teneur en soufre. Prenez les précautions suivantes :
La partie biodiesel du carburant doit être conforme à la norme ASTM D6751 ou EN 14214.
Le mélange de carburant doit être conforme à la norme ASTM D975 ou EN590.
Si vous renversez un mélange de carburant au biodiesel, vous risquez d'endommager les surfaces peintes.
Utilisez du B5 (teneur en biodiesel de 5 %) ou un mélange de plus faible teneur par temps froid.
Examinez régulièrement les joints et flexibles qui sont en contact avec le carburant, car ils peuvent se détériorer avec le temps.
Le filtre à carburant peut se colmater pendant quelque temps après l'adoption de mélanges au biodiesel.
Pour tout renseignement complémentaire sur le biodiesel, veuillez contacter votre concessionnaire Toro agréé.
Note: Dans la mesure du possible, faites le plein de carburant après chaque utilisation ; cela minimise la formation éventuelle de condensation à l'intérieur du réservoir.

Pour éviter de vous blesser, parfois mortellement, en vous retournant, gardez l'arceau de sécurité relevé et bloqué en position, et attachez votre ceinture de sécurité.
Vérifiez que le siège est bien fixé avec le verrou de siège.
La protection antiretournement est inexistante lorsque l'arceau de sécurité est abaissé.
N'utilisez pas la machine sur un terrain irrégulier ou sur une pente quand l'arceau de sécurité est abaissé.
N'abaissez l'arceau de sécurité qu'en cas d'absolue nécessité.
N'attachez pas la ceinture de sécurité lorsque l'arceau de sécurité est abaissé.
Conduisez lentement et prudemment.
Déployez l'arceau de sécurité dès que possible.
Vérifiez précisément la hauteur libre avant de passer sous un obstacle (par ex. branches, portes, câbles électriques, etc.) et évitez de le toucher.
Important: N'abaissez l'arceau de sécurité qu'en cas d'absolue nécessité.
Garez la machine sur une surface plane et horizontale.
Désengagez la PDF, abaissez l’unité de coupe et serrez le frein de stationnement.
Coupez le moteur et retirez la clé.
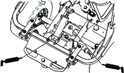
Retirez les écrous, les boulons et les rondelles (Figure 18).
Basculez le siège en avant (Figure 21).
Abaissez l'arceau de sécurité et fixez-le en position avec les écrous, les boulons et les rondelles (Figure 18).
Rabattez le siège en arrière en position verrouillée.

Note: Pour déployer l’arceau de sécurité, suivez les instructions de la Figure 18 en ordre inverse.
Garez la machine sur une surface plane et horizontale.
Désengagez la PDF, abaissez l’unité de coupe et serrez le frein de stationnement.
Coupez le moteur et retirez la clé.
Basculez le siège en avant (Figure 21).
Retirez les écrous, les boulons et les rondelles de l’arceau de sécurité (Figure 18).
Relevez l'arceau de sécurité et fixez-le en position avec les écrous, boulons et rondelles (Figure 18).
Rabattez le siège en arrière en position verrouillée.
Réglez la colonne de direction à la position voulue, comme montré à la Figure 9.
Si vous suspendez vos effets personnels (vêtements, sac, etc.) sur le dossier du siège conducteur, ils risquent de tomber et de toucher des pièces chaudes ou mobiles de la machine. Cela peut entraîner un incendie ou la projection d'objets dans votre direction ou celle de personnes à proximité, et causer de graves blessures.
Ne suspendez pas vos effets personnels sur le dossier du siège conducteur.
Vous pouvez avancer ou reculer le siège. Amenez le siège à la position la plus confortable pour vous, et offrant le meilleur contrôle de pour la conduite.
Pour le régler, tirez le levier vers le haut et avancez ou reculez le siège (Figure 19).

Tirez le levier (Figure 20) vers le haut pour incliner le dossier du siège.

Levez le levier d'inclinaison du siège (Figure 21) et inclinez le siège en avant.

Le propriétaire/l'utilisateur est responsable des accidents pouvant entraîner des dommages corporels ou matériels et peut les prévenir.
Portez une tenue adaptée, y compris une protection oculaire, un pantalon, des chaussures solides à semelle antidérapante et des protecteurs d'oreilles. Si vos cheveux sont longs, attachez-les et ne portez pas de vêtements amples ni de bijoux pendants.
N'utilisez pas la machine si vous êtes fatigué(e), malade ou sous l'emprise de l'alcool, de médicaments ou de drogues.
Accordez toute votre attention à l'utilisation de la machine. Ne faites rien d’autre qui puisse vous distraire, au risque de causer des dommages corporels ou matériels.
Avant de mettre le moteur en marche, assurez-vous que tous les embrayages sont au point mort, que le frein de stationnement est serré et que vous êtes au poste d'utilisation.
Ne transportez pas de passagers sur la machine et tenez tout le monde, y compris les enfants, à l'écart de la zone de travail.
N'utilisez la machine que si la visibilité est bonne pour éviter les trous ou autres dangers cachés.
Ne tondez pas l'herbe humide. La perte de motricité peut faire déraper la machine.
N'approchez jamais les mains ou les pieds des pièces rotatives. Ne vous tenez pas devant l'ouverture d'éjection.
Avant de faire marche arrière, vérifiez que la voie est libre juste derrière la machine et sur sa trajectoire.
Soyez prudent à l'approche de tournants sans visibilité, de buissons, d'arbres ou d'autres objets susceptibles de vous masquer la vue.
Arrêtez les lames quand vous ne tondez pas.
Arrêtez la machine, enlevez la clé et attendez l'arrêt complet de toutes les pièces mobiles avant d'examiner l'outil si vous heurtez un obstacle ou si la machine vibre de manière inhabituelle. Effectuez toutes les réparations nécessaires avant de réutiliser la machine.
Ralentissez et faites preuve de prudence quand vous changez de direction, ainsi que pour traverser des routes et des trottoirs avec la machine. Cédez toujours le passage.
Débrayez l'unité de coupe, coupez le moteur, enlevez la clé et attendez l'arrêt complet de tout mouvement avant de régler la hauteur de coupe (à moins de pouvoir le faire depuis le poste de conduite).
Ne faites tourner le moteur que dans des lieux bien aérés. Les gaz d'échappement contiennent du monoxyde de carbone, qui est mortel en cas d'inhalation.
Ne laissez jamais la machine en marche sans surveillance.
Avant de quitter la position d'utilisation, effectuez la procédure suivante :
Garez la machine sur une surface plane et horizontale.
Désengagez la prise de force et abaissez les outils.
Serrez le frein de stationnement.
Coupez le moteur et retirez la clé.
Attendez l'arrêt complet de tout mouvement.
Utilisez la machine uniquement quand la visibilité est bonne. N'utilisez pas la machine s'il y a risque d'orage.
N'utilisez pas la machine comme véhicule de remorquage.
Utilisez uniquement les accessoires, outils et pièces de rechange agréés par Toro.
Utilisez le régulateur de vitesse (selon l'équipement) uniquement sur les surfaces dégagées, planes et sans obstacles où la machine peut rouler à vitesse constante sans interruption.
Le système ROPS est un dispositif de sécurité intégré et efficace.
Ne retirez aucun des composants du système ROPS de la machine.
Vérifiez que la ceinture de sécurité est bien fixée sur la machine.
Tirez la sangle de la ceinture en travers de votre bassin et accrochez la boucle de l'autre côté du siège.
Pour détacher la ceinture de sécurité, tenez la sangle, appuyez sur le bouton de la boucle et guidez la ceinture dans l'ouverture de l'enrouleur automatique. Apprenez à détacher rapidement la ceinture de sécurité en cas d'urgence.
Vérifiez soigneusement où se trouvent les obstacles en hauteur et ne les touchez pas.
Maintenez le système ROPS en bon état en vérifiant minutieusement et régulièrement s'il est endommagé et en maintenant toutes les fixations bien serrées.
Remplacez les composants endommagés du système ROPS. Ne les réparez pas et ne les modifiez pas.
Maintenez l'arceau de sécurité relevé et bloqué dans cette position, et attachez la ceinture de sécurité quand vous conduisez la machine avec l'arceau de sécurité relevé.
N'abaissez l'arceau de sécurité que momentanément et seulement en cas d'absolue nécessité. N'attachez pas la ceinture de sécurité lorsque l'arceau de sécurité est abaissé.
N'oubliez pas que la protection antiretournement est inexistante lorsque l'arceau de sécurité est abaissé.
Examinez la zone de travail à l'avance et n'abaissez jamais l'arceau de sécurité repliable lorsque vous vous trouvez sur une pente, près de fortes dénivellations ou d'étendues d'eau.
Les pentes augmentent significativement les risques de perte de contrôle et de retournement de la machine pouvant entraîner des accidents graves, voire mortels. Vous êtes responsable de la sécurité d'utilisation de la machine sur les pentes. L'utilisation de la machine sur une pente, quelle qu'elle soit, demande une attention particulière.
Vous devez évaluer l'état du terrain, l'étudier et le baliser pour déterminer si la pente permet d'utiliser la machine sans risque. Faites toujours preuve de bon sens et de discernement quand vous réalisez cette étude.
Lisez les instructions ci-dessous relatives à l'utilisation de la machine sur les pentes et examinez votre environnement afin de déterminer si les conditions d'utilisation existantes et le site se prêtent à l'utilisation de la machine. Les variations de terrain peuvent modifier le fonctionnement de la machine sur les pentes.
Évitez de démarrer, de vous arrêter ou de tourner sur les pentes. Évitez de changer soudainement de vitesse ou de direction. Tournez lentement et graduellement.
N'utilisez pas la machine si l'adhérence, la direction ou la stabilité peuvent être compromises.
Enlevez ou balisez les obstacles tels que fossés, trous, ornières, bosses, rochers ou autres dangers cachés. L'herbe haute peut masquer les accidents du terrain. Les irrégularités du terrain peuvent provoquer le retournement de la machine.
Tenez compte du fait qu'une perte de l'adhérence peut se produire sur l'herbe humide, en travers des pentes ou dans les descentes. La perte d'adhérence des roues motrices peut faire patiner la machine et entraîner la perte du freinage et de la direction.
Faites preuve de la plus grande prudence lorsque vous utilisez la machine près de fortes dénivellations, de fossés, de berges, d'étendues d'eau ou autres dangers. La machine pourrait se retourner brusquement si une roue passe par-dessus une dénivellation quelconque et se retrouve dans le vide, ou si un bord s'effondre. Établissez une zone de sécurité entre la machine et tout danger potentiel.
Identifiez les dangers potentiels depuis le bas de la pente. Si vous constatez la présence de dangers, tondez la pente avec une machine à conducteur marchant.
Dans la mesure du possible, gardez la ou les unités de coupe abaissées au sol quand vous utilisez la machine sur des pentes. La machine peut devenir instable si vous levez la ou les unités de coupe pendant son déplacement sur une pente.
Redoublez de prudence quand la machine est équipée de systèmes de ramassage ou d'autres outils. Ils peuvent modifier la stabilité et entraîner la perte du contrôle de la machine.
Important: Il peut être nécessaire de purger le circuit d'alimentation dans les cas suivants : lors du premier démarrage du moteur d'une machine neuve, après un arrêt du moteur dû à une panne de carburant, ou après l'entretien ou le remplacement de composants du circuit d'alimentation.
Relevez l'arceau de sécurité et bloquez-le en position.
Asseyez-vous sur le siège et attachez la ceinture de sécurité.
Vérifiez que le frein de stationnement est serré et que la PDF est DéSENGAGéE.
Enlevez le pied de la pédale de déplacement et vérifiez qu'elle revient à la position neutre.
Tournez la clé en position CONTACT/PRéCHAUFFAGE.
Note: Une minuterie automatique maintient le préchauffage pendant quelques secondes.
Après le préchauffage, tournez la clé en position de DéMARRAGE, actionnez le démarreur pendant 15 secondes maximum, puis relâchez la clé dès que le moteur démarre.
Note: Si un préchauffage supplémentaire est nécessaire, tournez la clé en position ARRêT, puis de nouveau en position CONTACT/PRéCHAUFFAGE. Répétez la procédure si nécessaire.
Amenez la commande d'accélérateur en position de ralenti ou d'ouverture partielle du papillon, et laissez tourner le moteur jusqu'à ce qu'il soit chaud.
Important: Lors du premier démarrage du moteur, ou après une vidange d'huile ou une révision du moteur, ou encore après le remplacement de composants, conduisez la machine en marche avant et en marche arrière pendant 1 à 2 minutes. Actionnez aussi le levier de levage et la commande de PDF pour vérifier le bon fonctionnement de toutes les pièces. Tournez le volant à gauche et à droite pour vérifier la réponse de la direction assistée. Coupez ensuite le moteur et vérifiez les niveaux, et recherchez d'éventuelles fuites d'huile, pièces desserrées ou autres anomalies évidentes.
Pour éviter toute blessure, coupez le moteur et attendez l'arrêt de toutes les pièces mobiles avant de rechercher des fuites d'huile, des pièces desserrées ou autres anomalies.
Ramenez la commande d'accélérateur en position BAS RéGIME.
Placez la commande de PDF en position DéSENGAGéE.
Tournez la clé à la position ARRêT. Retirez la clé du commutateur pour éviter tout démarrage accidentel.
Note: Si le moteur s'arrête alors que la clé est à la position CONTACT/PRéCHAUFFAGE et que vous quittez le siège, une alarme retentit après quelques secondes pour vous avertir que vous devez tourner la clé à la position ARRêT.
Tirez le levier de frein vers le haut et la gauche pour serrer le frein.

Tirez le levier de frein vers le haut et la droite, puis abaissez-le pour desserrer le frein.
Lors du déchargement de la trémie, ne vous tenez pas derrière la machine.
Assurez-vous que l'espace est suffisant au-dessus avant de lever la trémie, sinon vous risquez d'endommager la machine.
Redoublez de prudence quand vous utilisez la machine sur une surface humide, sur une pente, à haute vitesse ou à pleine charge. Le temps d'arrêt augmente à pleine charge.
Gardez tout le monde à une distance suffisante. Avant de faire marche arrière, vérifiez que la voie est libre derrière vous. Faites marche arrière lentement.
Redoublez de prudence et évitez de déplacer la machine quand la trémie est levée.
Ne laissez personne s'approcher de la machine pendant que la trémie s'abaisse.
Garez la machine sur une surface plane et horizontale.
Tirez le levier de commande de la trémie en arrière pour lever la trémie (Figure 23).

Garez la machine sur une surface plane et horizontale.
Poussez le levier de commande de la trémie en avant pour abaisser la trémie (Figure 24).

Note: Vous pouvez décharger la trémie quelque soit sa hauteur.
Garez la machine sur une surface plane et horizontale.
Tirez le levier de décharge de la trémie en arrière pour la vider (Figure 25).
Note: La trappe de la trémie est automatiquement déverrouillée quand vous déchargez la trémie.

Garez la machine sur une surface plane et horizontale.
Une fois la trémie vidée, poussez le levier de décharge en avant pour la fermer (Figure 26).
Note: La trappe de la trémie est automatiquement verrouillée quand vous fermez la trémie.

Garez la machine sur une surface plane et horizontale.
Désengagez la PDF, abaissez l’unité de coupe et serrez le frein de stationnement.
Levez et bloquez la trémie ; voir les sections Levée de la trémie et Fixation de la trémie en position levée.
Coupez le moteur et retirez la clé.
Basculez le siège en avant.
Déverrouillage de la goulotte (Figure 27).

Déposez la goulotte en la saisissant par la poignée et nettoyez-la ainsi que l'ouverture de l’unité de coupe (Figure 27).
Reposez la goulotte et fixez-la avec les verrous (Figure 27).
Abaissez la trémie ; voir Descente de la trémie.
Si le capteur de la trémie est activé et que la PDF se désengage automatiquement alors que la trémie n'est pas pleine ou si la goulotte se bouche avant l'activation du capteur, vous devez régler la position du capteur.
Réglez le capteur comme suit :
Ouvrez la trappe de la trémie et maintenez-la ouverte à l’aide de la béquille.
Réglez le capteur de la trémie en fonction de ce qui suit :
Si les conditions météo et l'état de l'herbe sont normaux, tournez le capteur à la position intermédiaire (Figure 28).
Si l'herbe est dense et humide, pour ramasser des feuilles ou si la trémie se remplit avant que le capteur soit activé, tournez le capteur vers le bas (Figure 28).
Si l'herbe est clairsemée et sèche, ou si l’unité de coupe se désengage avant que la trémie soit pleine, tournez le capteur vers le haut (Figure 28).

Vous pouvez régler la hauteur de coupe en continu de 2,5 à 9 cm à l'aide de la commande de hauteur de coupe.
Appuyez sur l'avant de la commande de hauteur de coupe (Figure 29) pour réduire la hauteur de coupe. Appuyez sur l'arrière de la commande de hauteur de coupe pour augmenter la hauteur de coupe.
Lisez la hauteur de coupe indiquée sur le gabarit pour vérifier que vous avez sélectionnée la bonne hauteur de coupe.
Surveillez le gabarit de hauteur de coupe pendant la tonte et ajustez la hauteur de coupe au besoin.

Note: Si vous quittez le siège de l'utilisateur alors que la commande de PDF est en position ENGAGéE, la machine coupe automatiquement le moteur.
Procédez comme suit pour réinitialiser la fonction PDF :
Appuyez sur le bouton de commande de la PDF.
Tournez la clé en position ARRêT.
Tournez la clé en position CONTACT/PRéCHAUFFAGE, puis mettez le moteur en marche.
Tirez sur le bouton de commande de la PDF.
Entraînez-vous avant d'utiliser la machine, car elle est équipée d'une transmission hydrostatique et possède des caractéristiques très différentes de celles de nombreuses machines d'entretien des pelouses.
Pour maintenir une puissance suffisante pour la machine et l’unité de coupe pendant la tonte, utilisez la pédale de déplacement pour maintenir un régime moteur élevé et constant. Réduisez la vitesse de déplacement lorsque la charge sur les lames augmente, et augmentez la vitesse lorsque la charge diminue. Cela permet au moteur, conjointement avec la transmission, de détecter la vitesse de déplacement correcte tout en maintenant la vitesse de rotation élevée nécessaire à la pointe des lames pour garantir de bons résultats. Ainsi, relâchez la pédale de déplacement quand le régime moteur diminue et enfoncez-la lentement quand le régime moteur augmente. Lorsque vous vous rendez d'une zone de travail à une autre (à vide et avec l’unité de coupe relevée), placez la commande d'accélérateur en position HAUT RéGIME et appuyez lentement mais à fond sur la pédale de déplacement pour vous déplacer à la vitesse maximale.
Avant de couper le moteur, placez toutes les commandes en position POINT MORT et amenez la commande d'accélérateur en position BAS RéGIME. Tournez la clé de contact en position ARRêT pour couper le moteur.
Le moteur ne fonctionne pas si la température du liquide de refroidissement est trop élevée. Laissez le moteur et le circuit de refroidissement refroidir, puis contrôlez le système de refroidissement ; voir Contrôle du circuit de refroidissement et du niveau de liquide de refroidissement.
Il est important d’avoir une clé de 16 mm à disposition quand vous utilisez la machine. En effet, la clé vous servira à ouvrir la vanne de dérivation s'il s'avère nécessaire de pousser ou de remorquer la machine (Figure 30).
Avant de quitter la position d'utilisation, coupez le moteur, enlevez la clé et attendez l'arrêt complet de tout mouvement. Laissez refroidir la machine avant de la régler, d'en faire l'entretien, de la nettoyer ou de la remiser.
Pour éviter les risques d'incendie, enlevez les débris d'herbe coupée et autres agglomérés sur les unités de coupe, les dispositifs d'entraînement, les silencieux, les grilles de refroidissement et le compartiment moteur. Nettoyez les coulées éventuelles d'huile ou de carburant.
Si les unités de coupe sont en position de transport, utilisez le système de blocage mécanique positif (le cas échéant) avant de laisser la machine sans surveillance.
Laissez refroidir le moteur avant de ranger la machine dans un local fermé.
Enlevez la clé et fermez l'arrivée de carburant (selon l'équipement) avant de remiser ou de transporter la machine.
Ne remisez jamais la machine ou les bidons de carburant à proximité d'une flamme nue, d'une source d'étincelles ou d'une veilleuse, telle celle d'un chauffe-eau ou d'autres appareils.
Révisez et nettoyez la ou les ceintures de sécurité au besoin.
Outil à fournir par l’utilisateur : clé de 16 mm
En cas d'urgence, vous pouvez remorquer la machine sur une très courte distance. Cependant, Toro ne recommande pas de le faire régulièrement.
Important: Ne remorquez et ne poussez pas la machine à plus 3 à 5 km/h au risque d'endommager la transmission. Vous ne devez pas pousser ou remorquer la machine sur plus de 100 mètres. S'il est nécessaire de déplacer la machine sur une longue distance, faites-la transporter par camion ou chargez-la sur une remorque. Vous devez ouvrir la vanne de dérivation chaque fois que vous poussez ou remorquez la machine.
Procédez avec prudence pour charger la machine sur une remorque ou un camion, ainsi que pour la décharger.
Utilisez des rampes d'une seule pièce pour charger la machine sur une remorque ou un camion.
Avant d'arrimer la machine, abaissez complètement l’unité de coupe.
Arrimez solidement la machine sur le véhicule de transport au moyen de sangles, chaînes, câbles ou cordes. Les sangles avant et arrière doivent être dirigées vers le bas et l'extérieur de la machine.
Important: Ne faites pas passer de sangles, chaînes, câbles ou cordes d'arrimage à travers de la plate-forme de l'utilisateur.
Insérez un boulon ou une goupille d'attelage dans le dispositif d'attelage pour en faire un point d'attache arrière (Figure 33).

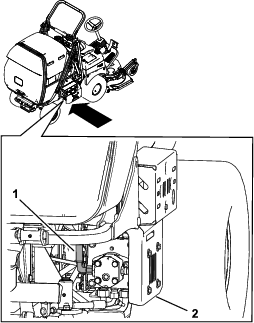
Tournez le radiateur ; voir Accès au moteur par le côté gauche.
Placez un cric sous le tube de cadre (Figure 34 et Figure 35), juste sous le tube de l'arceau de sécurité, ou aussi près que possible.


Pour lever le côté arrière gauche ou arrière droit de la machine, utilisez les points de levage indiqués à la Figure 36.

Votre machine peut tracter sur terrain plat des remorques ayant un poids brut maximum de 200 kg. Utilisez une goupille d'attelage pour tracter une remorque (Figure 33).
Important: Lorsque vous transportez une charge ou tractez une remorque, ne surchargez pas la machine ou la remorque. Cela pourrait diminuer les performances de la machine ou endommager les unités motrices hydrauliques, les pneus et le cadre.
Note: Vous pouvez télécharger un exemplaire gratuit des schémas électriques ou hydrauliques en vous rendant sur www.Toro.com et en recherchant votre machine sous le lien MANUELS sur la page d'accueil.
Important: Reportez-vous au manuel du propriétaire du moteur pour toutes procédures d'entretien supplémentaires.
Si vous laissez la clé dans le commutateur d'allumage, quelqu'un pourrait mettre le moteur en marche accidentellement et vous blesser gravement, ainsi que toute personne à proximité.
Retirez la clé du commutateur d'allumage avant tout entretien.
| Périodicité d'entretien | Procédure d'entretien |
|---|---|
| Après la 1ère heure de fonctionnement |
|
| Après les 10 premières heures de fonctionnement |
|
| Après les 50 premières heures de fonctionnement |
|
| Après les 100 premières heures de fonctionnement |
|
| Après les 500 premières heures de fonctionnement |
|
| À chaque utilisation ou une fois par jour |
|
| Toutes les 25 heures |
|
| Toutes les 40 heures |
|
| Toutes les 50 heures |
|
| Toutes les 75 heures |
|
| Toutes les 100 heures |
|
| Toutes les 150 heures |
|
| Toutes les 200 heures |
|
| Toutes les 300 heures |
|
| Toutes les 400 heures |
|
| Toutes les 1000 heures |
|
| Toutes les 1500 heures |
|
Copiez cette page pour pouvoir vous en servir régulièrement.
| Entretiens à effectuer | Pour la semaine du : | ||||||
|---|---|---|---|---|---|---|---|
| Lundi | Mardi | Mercredi | Jeudi | Vendredi | Samedi | Dimanche | |
| Vérifiez le fonctionnement du système de sécurité. | |||||||
| Vérifiez que l'arceau de sécurité est complètement relevé et verrouillé en position. | |||||||
| Vérifiez le fonctionnement des freins. | |||||||
| Contrôlez le niveau de carburant. | |||||||
| Contrôlez le niveau d'huile moteur. | |||||||
| Contrôlez le niveau du liquide de refroidissement. | |||||||
| Vérifiez la propreté du radiateur et de la grille. | |||||||
| Vérifiez les bruits anormaux en provenance du moteur.1. | |||||||
| Vérifiez les bruits de fonctionnement anormaux. | |||||||
| Contrôlez le niveau de liquide hydraulique. | |||||||
| Vérifiez l'état des flexibles hydrauliques. | |||||||
| Recherchez des fuites éventuelles. | |||||||
| Contrôlez la pression des pneus. | |||||||
| Vérifiez le fonctionnement des instruments. | |||||||
| Vérifiez l'état des lames | |||||||
| Lubrifiez tous les graisseurs.2 | |||||||
| Retouchez les peintures endommagées. | |||||||
|
1. Contrôlez la bougie de préchauffage et les injecteurs en cas de démarrage difficile, de fumée excessive ou de fonctionnement irrégulier du moteur. 2. Immédiatement après chaque lavage, quelle que soit la fréquence d'entretien indiquée. |
|||||||
Important: Reportez-vous au manuel du propriétaire du moteur pour toutes procédures d'entretien supplémentaires.
| Notes concernant les problèmes constatés | ||
| Contrôle effectué par : | ||
| Point contrôlé | Date | Information |
Avant de quitter la position d'utilisation, effectuez la procédure suivante :
Garez la machine sur une surface plane et horizontale.
Désengagez la prise de force et abaissez les outils.
Serrez le frein de stationnement.
Coupez le moteur et retirez la clé.
Attendez l'arrêt complet de tout mouvement.
Portez une tenue adaptée, notamment une protection oculaire, un pantalon et des chaussures solides à semelle antidérapante. Gardez mains, pieds, vêtements, bijoux et cheveux longs à l'écart des pièces mobiles.
Si vous laissez la clé dans le commutateur d'allumage, quelqu'un pourrait mettre le moteur en marche accidentellement et vous blesser gravement, ainsi que toute personne à proximité. Retirez la clé du commutateur d'allumage avant tout entretien.
Laissez refroidir les composants de la machine avant d'effectuer toute opération d'entretien.
Si les unités de coupe sont en position de transport, utilisez le système de blocage mécanique positif (selon l'équipement) avant de laisser la machine sans surveillance.
Si possible, n'effectuez aucun entretien quand le moteur est en marche. Ne vous approchez pas des pièces mobiles.
Ne faites tourner le moteur que dans des lieux bien aérés. Les gaz d'échappement contiennent du monoxyde de carbone, qui est mortel en cas d'inhalation.
Soutenez la machine avec des chandelles chaque fois que vous devez travailler dessous.
Libérez la pression emmagasinée dans les composants avec précaution.
Maintenez toutes les pièces de la machine en bon état de marche et toutes les fixations bien serrées, surtout celles des lames.
Remplacez tous les autocollants usés ou endommagés.
Pour garantir le fonctionnement sûr et optimal de la machine, utilisez exclusivement des pièces de rechange d'origine Toro. Les pièces de rechange provenant d'autres constructeurs peuvent être dangereuses, et leur utilisation risque d'annuler la garantie de la machine.
Garez la machine sur une surface plane et horizontale.
Levez la trémie à sa position maximale ; voir Levée de la trémie.
Fixez la trémie en procédant comme suit :
Enfoncez la goupille du verrou de sécurité magnétique (Figure 37).
Tout en maintenant la goupille enfoncée, abaissez le verrou de sécurité magnétique sur le vérin hydraulique (Figure 37).
Répétez les opérations 1 et 2 de l'autre côté.

| Périodicité d'entretien | Procédure d'entretien |
|---|---|
| Toutes les 40 heures |
|
Type de graisse : graisse au lithium nº 2
Important: La poussière et les saletés peuvent pénétrer à l'intérieur des roulements et des bagues et en accélérer usure.
Note: Lubrifiez les graisseurs immédiatement après chaque lavage, quelle que soit la fréquence d'entretien indiquée.
Retirez les boulons à l’avant du protège-courroie et déposez celui-ci.
Essuyez les graisseurs pour éviter que des débris ne pénètrent dans le roulement ou la bague.
Injectez la graisse dans le roulement ou la bague.
Essuyez tout excès de graisse.
Montez le protège-courroie et les boulons.

| Périodicité d'entretien | Procédure d'entretien |
|---|---|
| Toutes les 40 heures |
|
Type de graisse : graisse au lithium nº 2
Important: La poussière et les saletés peuvent pénétrer à l'intérieur des roulements et des bagues et en accélérer usure.
Note: Lubrifiez les graisseurs immédiatement après chaque lavage, quelle que soit la fréquence d'entretien indiquée.
Essuyez les graisseurs pour éviter que des débris ne pénètrent dans le roulement ou la bague.
Injectez la graisse dans le roulement ou la bague.
Essuyez tout excès de graisse.
Les points de graissage des roulements et des bagues sont les suivants :
Bague de pivot de pédale de déplacement (Figure 39)

Points de pivot des bras de levage de l’unité de coupe (Figure 40).

Déposez le couvercle et graissez le support de la poulie de tension de PDF (Figure 41).

Tendeur de transmission (Figure 42)

Roulements des roues avant (Figure 43)

Bras de trémie (Figure 44)

Pivots de trémie et points de pivot de direction (Figure 45)

Pivot de vérin de trémie et pivot d'essieu arrière (Figure 46)

| Périodicité d'entretien | Procédure d'entretien |
|---|---|
| Toutes les 200 heures |
|
Type de graisse : graisse au lithium nº 2
Important: La poussière et les saletés peuvent pénétrer à l'intérieur des roulements et des bagues et en accélérer usure.
Note: Lubrifiez les graisseurs immédiatement après chaque lavage, quelle que soit la fréquence d'entretien indiquée.
Essuyez les graisseurs pour éviter que des débris ne pénètrent dans le roulement ou la bague.
Injectez la graisse dans le roulement ou la bague.
Essuyez tout excès de graisse.
Retirez le boulon et ouvrez le déflecteur avant.
| Périodicité d'entretien | Procédure d'entretien |
|---|---|
| Toutes les 100 heures |
|
Spécifications de graissage : produit antigrippage
Détachez l'arbre de transmission du boîtier d'engrenages de l’unité de coupe ; voir Désaccouplement de l'arbre de transmission du boîtier d'engrenages de l’unité de coupe.
Tirez la moitié avant de l'arbre de transmission (Figure 49) d'environ 25 cm en avant.

Essuyez les cannelures de l'arbre du boîtier d'engrenages et de l'arbre de transmission (Figure 49).
Essuyez la surface coulissante de l'arbre de transmission avant (Figure 49).
Appliquez du produit antigrippage sur les cannelures de l'arbre du boitier d'engrenages et l'accouplement à cardan (Figure 49).
Appliquez du produit antigrippage sur la surface coulissante de l'arbre de transmission avant (Figure 49).
Reculez la moitié avant de l'arbre de transmission pour aligner l'accouplement à cardan et l'arbre du boîtier d'engrenages.
Essuyez l'excès de produit antigrippage sur l'arbre de transmission.
Accouplez l'arbre de transmission au boîtier d'engrenages de l’unité de coupe ; voir Accouplement de l'arbre de transmission au boîtier d'engrenages de l’unité de coupe.
Coupez le moteur et enlevez la clé avant de contrôler le niveau d'huile ou d'ajouter de l'huile dans le carter.
Ne modifiez pas le réglage du régulateur et ne faites pas tourner le moteur à un régime excessif.
Important: Utilisez cette procédure pour accéder au moteur lorsqu'il est arrêté.
Note: Si la trémie n'est pas vide quand vous la faites pivoter, l'herbe se déversera.
Basculez manuellement la trémie en position ouverte ou levez-la à sa position maximale et bloquez-la en position avec les verrous de sécurité magnétiques ; voir les sections Levée de la trémie et Fixation de la trémie en position levée.
Retirez les fixations et soulevez le couvercle pour accéder au moteur (Figure 52).

Appuyez sur le loquet et abaissez le radiateur pour accéder au moteur (Figure 53).

Note: Remplacez le filtre à air plus fréquemment (toutes les quelques heures de fonctionnement) si vous travaillez dans des conditions très poussiéreuses ou sableuses.
| Périodicité d'entretien | Procédure d'entretien |
|---|---|
| Toutes les 50 heures |
|
Vérifiez si le boîtier du filtre à air présente des dommages susceptibles d'occasionner des fuites d'air. Remplacez le boîtier du filtre s'il est endommagé.
Nettoyez le couvercle du filtre à air comme montré à la Figure 54.

| Périodicité d'entretien | Procédure d'entretien |
|---|---|
| À chaque utilisation ou une fois par jour |
|
| Toutes les 100 heures |
|
Sortez le préfiltre du boîtier du filtre avec précaution (Figure 55).
Note: Évitez de cogner l'élément à l'intérieur du boîtier.
Important: N'essayez pas de nettoyer le préfiltre.

Déposez l'élément de sécurité (selon l'équipement).
Note: Ne déposez l'élément de sécurité que si vous avez l'intention de le remplacer.
Important: N'essayez jamais de nettoyer l'élément de sécurité. S'il est encrassé, cela signifie que le préfiltre est endommagé et les deux éléments doivent alors être remplacés.
Vérifiez l'état des éléments filtrants de rechange en les plaçant devant une lumière forte.
Note: Les trous éventuels apparaîtront sous forme de points brillants. Vérifiez que l'élément n'est pas déchiré ni couvert d'une pellicule grasse, et que le joint de caoutchouc n'est pas endommagé. N'utilisez pas le filtre s'il est endommagé.
Si vous remplacez l'élément filtrant de sécurité, insérez-le avec précaution dans le boîtier du filtre (Figure 55).
Important: Pour ne pas endommager le moteur, ne le faites jamais tourner sans les deux éléments et sans le couvercle du filtre à air.
Glissez le préfiltre neuf avec précaution sur l'élément filtrant de sécurité et vérifiez qu'il est complètement engagé en appuyant sur le rebord extérieur pendant l'installation.
Important: N'appuyez pas sur la partie intérieure souple du filtre.
Reposez le couvercle du filtre à air, le côté portant l'inscription « UP » en haut, et verrouillez-le (Figure 55).
La machine est expédiée avec de l'huile dans le carter moteur.
Capacité du carter moteur : environ 3,2 litres avec le filtre.
Spécifications de l'huile moteur :
Type d'huile moteur :Classification API exigée : CH-4, CI-4 ou mieux.
Viscosité de l’huile moteur : voir tableau ci-dessous.
Huile préférée : SAE 15W-40 (au-dessus de -18 °C)
Autre huile possible : SAE 10W-30 ou 5W-30 (toutes températures)
Note: L'huile moteur Toro Premium est en vente chez votre distributeur Toro agréé avec l'indice de viscosité 15W-40 ou 10W-30. Consultez le catalogue de pièces pour les numéros de référence.

| Périodicité d'entretien | Procédure d'entretien |
|---|---|
| À chaque utilisation ou une fois par jour |
|
Note: Le meilleur moment pour vérifier le niveau d'huile moteur est en début de journée, quand le moteur est froid avant sa mise en marche. Si le moteur vient de tourner, patientez au moins 10 minutes pour donner le temps à l'huile moteur de retourner dans le carter. Si le niveau d'huile est à la même hauteur ou en dessous du repère minimum sur la jauge, faites l'appoint pour l'amener au repère maximum. Ne remplissez pas excessivement. Si le niveau d'huile se situe entre les repères minimum et maximum, il n'est pas nécessaire de faire l'appoint.
Abaissez le radiateur et contrôlez le niveau d'huile moteur comme montré à la Figure 53 et à la Figure 57.
Au besoin, levez la trémie au maximum et bloquez-la en position avec les verrous de sécurité magnétiques, puis soulevez le capot moteur après avoir déposé les fixations du capot.

| Périodicité d'entretien | Procédure d'entretien |
|---|---|
| Après les 50 premières heures de fonctionnement |
|
| Toutes les 75 heures |
|
| Toutes les 150 heures |
|
Note: Vidangez l'huile moteur et remplacez le filtre plus souvent si vous travaillez dans des conditions très poussiéreuses ou sableuses.
Mettez le moteur en marche et laissez-le tourner pendant 5 minutes pour réchauffer l’huile.
Garez la machine sur une surface plane et horizontale.
Désengagez la PDF, abaissez l’unité de coupe et serrez le frein de stationnement.
Levez et bloquez la trémie en position, puis ouvrez le couvercle d'accès au moteur ; voir Accès au moteur par le couvercle d'accès.
Coupez le moteur et retirez la clé.
Vidangez l'huile moteur et remplacez le filtre à huile moteur comme montré à la Figure 58.
Fermez le couvercle d'accès au moteur et abaissez la trémie ; voir Descente de la trémie.
Note: Assurez-vous que le joint du filtre à huile touche le moteur puis vissez-le encore de 3/4 de tour.

Note: Reportez-vous à Ajout de carburant pour tout renseignement sur le carburant à utiliser.
Dans certaines conditions, le gazole et les vapeurs qu'il dégage sont extrêmement inflammables et explosifs. Un incendie ou une explosion causé(e) par du carburant peut vous brûler, ainsi que d'autres personnes, et causer des dommages matériels.
Ne fumez jamais quand vous manipulez du carburant, et tenez-vous à l'écart des flammes nues et étincelles qui pourraient enflammer les vapeurs de carburant.
Ce Manuel de l'utilisateur contient plus de précisions sur le carburant et le système de carburant que le Manuel du propriétaire du moteur qui tient lieu de référence générale pour tout ce qui concerne le carburant et l'entretien du système de carburant.
Il est indispensable de bien comprendre que l'entretien du circuit d'alimentation, le stockage du carburant et la qualité du carburant exigent votre attention afin d'éviter les temps d'arrêt et des réparations importantes du moteur.
Le système de carburant présente des tolérances extrêmement serrées en raison des exigences en matière d'émissions et de contrôle. La qualité et la propreté du gazole sont plus importantes pour assurer la longévité du système d'injection à rampe commune haute pression (HPCR) utilisée sur les moteurs diesel.
Important: La présence d'eau ou de carburant dans le système de carburant endommagera le moteur ! Ne partez pas du principe que le nouveau carburant est propre. Assurez-vous que le carburant provient d'un fournisseur réputé, stockez le carburant correctement et utilisez votre stocke de carburant dans une délai de 180 jours.
Important: Si vous ne suivez pas les procédures de remplacement du filtre à carburant, d'entretien du système de carburant et de stockage du carburant, le système de carburant risque de tomber en panne prématurément. Effectuez tous les entretiens du système de carburant aux intervalles spécifiés ou chaque fois que le carburant est contaminé ou de mauvaise qualité.
Un stockage approprié du carburant est essentiel pour le moteur. L'entretien correct des réservoirs de stockage du carburant est souvent négligé et cela peut entraîner la contamination du carburant fourni à la machine.
Achetez uniquement la quantité de carburant que vous comptez utiliser dans un délai de 6 mois. N'utilisez pas de carburant stocké depuis plus de 6 mois. Cela contribue à éliminer l'eau et autres contaminants présents dans le carburant.
Si vous n'éliminez pas l'eau dans le réservoir de stockage ou le réservoir de carburant de la machine, cela peut entraîner la formation de rouille ou la contamination du réservoir de stockage et des composants du système de carburant. La boue dans le réservoir causée par la moisissure, les bactéries ou les champignons restreint le débris et colmate le filtre et les injecteurs de carburant.
Inspectez le réservoir de stockage de carburant et le réservoir de carburant de la machine régulièrement pour contrôler la qualité du carburant dans le réservoir.
Assurez-vous que le carburant provient d'un fournisseur réputé.
Si vous trouvez de l'eau ou des contaminants dans le réservoir de stockage ou le réservoir de carburant de la machine, travaillez avec votre fournisseur de carburant pour remédier au problème et effectuer toutes les opérations d'entretien du système de carburant.
Ne stockez pas le gazole dans des réservoirs ou des bidons fabriqués avec des composants zingués.
Garez la machine sur une surface plane et horizontale.
Serrez le frein de stationnement.
Laissez refroidir le moteur.
Vérifiez que le réservoir de carburant est au moins à moitié plein.
Déverrouillez le radiateur ; voir Accès au moteur par le côté gauche.
Placez un bac de vidange sous les vis de purge d'air.
Vérifiez que le levier du filtre à carburant est en position OUVERTE (Figure 59).
Desserrez la première vis de purge sur la pompe d'injection (Figure 59).
Laissez l'air sortir et attendez que le carburant s’écoule.
Quand le carburant commence à s’écouler, serrez la première vis de purge d'air (Figure 59).
Desserrez la deuxième vis de purge sur la pompe d'injection (Figure 59).
Laissez l'air sortir et attendez que le carburant s’écoule.
Quand le carburant commence à s’écouler, serrez la deuxième vis de purge d'air (Figure 59).

Note: Le moteur devrait démarrer durant cette procédure. Toutefois, si le moteur refuse de démarrer, il se peut qu'il reste de l'air entre la pompe d'injection et les injecteurs. Contactez un distributeur Toro agréé.
Essuyez le carburant éventuellement accumulé autour de la pompe d'injection.
| Périodicité d'entretien | Procédure d'entretien |
|---|---|
| Toutes les 400 heures |
|
Nettoyez la surface autour du filtre à carburant (Figure 60).
Tournez le levier du robinet d'arrivée de carburant à la position FERMéE (Figure 60).
Déposez le filtre et nettoyez la surface de montage du filtre (Figure 60).
Lubrifiez le joint du filtre avec du carburant propre.
Montez l'élément filtrant sur le filtre.
Montez la cuvette assortie de son écrou sur la tête du filtre et serrez l'écrou à la main.
Tournez le levier du robinet d'arrivée de carburant à la position OUVERTE (Figure 59).

Amorcez le circuit d'alimentation ; voir Purge du circuit d'alimentation.
Note: Réparez toutes les fuites de carburant avant d'utiliser la machine.
| Périodicité d'entretien | Procédure d'entretien |
|---|---|
| Toutes les 400 heures |
|
Si vous remisez la machine pendant une période prolongée, videz le réservoir de carburant à l'aide d'une pompe à siphonner.
Si le circuit d'alimentation est contaminé, videz le réservoir de carburant avec une pompe à siphonner, nettoyez le réservoir et rincez-le avec du gazole propre.

| Périodicité d'entretien | Procédure d'entretien |
|---|---|
| Toutes les 400 heures |
|
Vérifiez que les conduites et les raccords ne sont pas détériorés, endommagés ou desserrés.
Débranchez la batterie avant de réparer la machine. Débranchez toujours la borne négative avant la borne positive. Rebranchez la borne positive avant la borne négative.
Chargez la batterie dans un endroit dégagé et bien aéré, à l'écart des flammes ou sources d'étincelles. Débranchez le chargeur du secteur avant de brancher ou de débrancher la batterie. Portez des vêtements de protection et utilisez des outils isolés.
Garez la machine sur une surface plane et horizontale.
Désengagez la PDF, abaissez l’unité de coupe et serrez le frein de stationnement.
Coupez le moteur et retirez la clé.
Levez et bloquez la trémie en position ; voir Fixation de la trémie en position levée.
Retirez les 2 boulons et rondelles du couvercle de la batterie (Figure 62).
Enlevez le couvercle de la batterie (Figure 62).

| Périodicité d'entretien | Procédure d'entretien |
|---|---|
| Toutes les 25 heures |
|
Important: Avant d'effectuer des soudures sur la machine, débranchez le câble négatif de la batterie pour éviter d'endommager le système électrique.
Les bornes de la batterie ou les outils en métal peuvent causer des courts-circuits au contact des pièces métalliques de la machine et produire des étincelles. Les étincelles peuvent provoquer l'explosion des gaz de la batterie et vous blesser.
Lors du retrait ou de la mise en place de la batterie, les bornes ne doivent toucher aucune partie métallique de la machine.
Évitez de créer des courts-circuits entre les bornes de la batterie et les parties métalliques de la machine avec des outils en métal.
S'ils sont mal acheminés, les câbles de la batterie peuvent subir des dommages ou endommager la machine et produire des étincelles. Les étincelles peuvent provoquer l'explosion des gaz de la batterie et vous blesser.
Débranchez toujours le câble négatif (noir) de la batterie avant le câble positif (rouge).
Branchez toujours le câble positif (rouge) de la batterie avant le câble négatif (noir).
Garez la machine sur une surface plane et horizontale.
Désengagez la PDF, abaissez l’unité de coupe et serrez le frein de stationnement.
Coupez le moteur et retirez la clé.
Accédez à la batterie ; voir Accéder à la batterie.
Retirez la batterie, comme montré à la Figure 63.

Installez la batterie comme montré à la Figure 64.

La batterie en charge produit des gaz qui peuvent exploser.
Ne fumez jamais et gardez la batterie éloignée des flammes et sources d'étincelles.
Important: Gardez toujours la batterie chargée au maximum (densité 1,265). Cela est particulièrement important pour prévenir la dégradation de la batterie si la température tombe en dessous de 0 °C.
Chargez la batterie pendant 10 à 15 minutes entre 25 et 30 A, ou pendant 30 minutes à 10 A.
Quand la batterie est chargée au maximum, débranchez le chargeur de la prise, puis débranchez les fils du chargeur des bornes de la batterie (Figure 65).
Placez la batterie dans la machine et raccordez les câbles de la batterie ; voir Mise en place de la batterie.
Note: N'utilisez pas la machine si la batterie n'est pas branchée, au risque d'endommager le circuit électrique.

Le système électrique est protégé par des fusibles. Il ne nécessite aucun entretien ; toutefois, si un fusible grille, vérifiez l'état de la pièce ou du circuit et assurez-vous qu'il n'y a pas de court-circuit.
Le porte-fusibles et les fusibles sont situés sur la gauche du siège de l'utilisateur (Figure 66).

Servez-vous du tableau suivant pour remplacer un fusible :
| Circuit | Type de fusible |
| Commutateurs et alarme | 3 A |
| Bac à herbe et embrayage de PDF | 15 A |
| Module de commande électronique | 5 A |
| Unité de coupe | 15 A |
| Alternateur et tableau de bord | 5 A |
| Gyrophare | 3 A |
| Moteur | 15 A |
| Réservé pour les accessoires | 15 A |

Deux fusibles (40 A) protègent également le faisceau de câblage principal de la machine (Figure 68).

| Périodicité d'entretien | Procédure d'entretien |
|---|---|
| Toutes les 40 heures |
|
Pour prévenir la corrosion des bornes des câbles, appliquez de la graisse Grafo 112X (Skin-Over) (réf. 505-47) à l'intérieur de tous les connecteurs du faisceau avant de le remettre en place.
Important: Si vous devez travailler avec le circuit électrique, débranchez toujours les câbles de la batterie, en commençant par le câble négatif (-), pour éviter d'endommager le câblage en causant des courts-circuits.
| Périodicité d'entretien | Procédure d'entretien |
|---|---|
| Après la 1ère heure de fonctionnement |
|
| Après les 10 premières heures de fonctionnement |
|
| Toutes les 200 heures |
|
Couple de serrage des écrous de roues : 85 à 90 N·m
Serrez les écrous des roues avant et arrière en étoile, comme montré à la Figure 69, au couple spécifié.

| Périodicité d'entretien | Procédure d'entretien |
|---|---|
| Toutes les 200 heures |
|
Garez la machine sur une surface plane et horizontale.
Désengagez la PDF, abaissez l’unité de coupe et serrez le frein de stationnement.
Coupez le moteur et retirez la clé.
Tournez le volant pour placer les roues arrière en position ligne droite.
Mesurez l'entraxe à hauteur de moyeu devant et derrière les roues arrière.
Note: Les roues arrière ne doivent avoir ni pincement ni ouverture lorsqu'elles sont réglées correctement.
Si les roues présentent un pincement ou une ouverture, réglez-les correctement ; voir Réglage du pincement des roues arrière.
Desserrez les écrous de blocage à chaque extrémité des biellettes de direction gauche et droite.
Réglez les biellettes jusqu'à ce que l'entraxe soit identique à l'avant et à l'arrière des roues arrière (Figure 70).
Lorsque les roues arrière sont réglées correctement, serrez les écrous de blocage contre les biellettes.

Les butées de direction du pont arrière limitent la course du vérin de direction en cas d'impact sur les roues arrière. Réglez les butées jusqu'à ce qu'un écart de 2,3 mm sépare la tête de boulon et le porte-fusée quand vous tournez le volant à fond à gauche ou à droite.
Vissez ou dévissez les boulons jusqu'à ce que l'écart correct soit obtenu (2,3 mm) ; voir Figure 71.

| Périodicité d'entretien | Procédure d'entretien |
|---|---|
| Après les 500 premières heures de fonctionnement |
|
| Toutes les 1000 heures |
|
Capacité du pont avant : 1,5 l
Huile pour essieu spécifiée : ISO VG220
Garez la machine sur une surface plane et horizontale.
Désengagez la PDF, abaissez l’unité de coupe et serrez le frein de stationnement.
Levez et bloquez la trémie en position ; voir Levée de la trémie.
Pivotez le siège vers l'avant.
Déposez la goulotte d'éjection ; voir Nettoyage de la goulotte.
Coupez le moteur et retirez la clé.
Placez un bac de vidange sous le bouchon de vidange.
Enlevez le bouchon de vidange pour permettre à l'huile de s'écouler.

Remettez le bouchon de vidange en place.
Retirez le bouchon de remplissage.

À l'aide d'un entonnoir, ajoutez la quantité adéquate d'huile neuve.
Reposez la goulotte.
Abaissez la trémie ; voir Descente de la trémie.
L'ingestion de liquide de refroidissement peut être toxique ; rangez-le hors de la portée des enfants et des animaux domestiques.
Les projections de liquide de refroidissement brûlant sous pression ou le contact avec le radiateur brûlant et les pièces qui l'entourent peuvent causer des brûlures graves.
Laissez toujours refroidir le moteur pendant au moins 15 minutes avant d'enlever le bouchon du radiateur.
Servez-vous d'un chiffon pour ouvrir le bouchon du radiateur et desserrez-le lentement pour laisser la vapeur s'échapper.
N'utilisez jamais la machine sans les capots de protection.
N'approchez pas les doigts, les mains ou les vêtements du ventilateur et de la courroie d'entraînement en rotation.
Capacité du circuit de refroidissement : 6,4 litres
Type de liquide de refroidissement :
| Liquide de refroidissement recommandé |
|
Note: Le liquide de refroidissement doit être conforme ou supérieur à la norme ASTM 3306 |
| Liquide de refroidissement pré-dilué, à base de glycol (mélange 50/50) |
| ou |
| Liquide de refroidissement à base de glycol mélangé à de l'eau distillée (mélange 50/50) |
| ou |
| Liquide de refroidissement à base de glycol mélangé à de l'eau de bonne qualité (mélange 50/50) |
| CaCO3 + MgCO3 <170 ppm |
| Chlorure <40 ppm (CI) |
| Soufre <100 ppm (SO4) |
| Périodicité d'entretien | Procédure d'entretien |
|---|---|
| À chaque utilisation ou une fois par jour |
|
Si le moteur vient de tourner, le radiateur est sous pression et le liquide de refroidissement qu'il contient est brûlant. Si vous enlevez le bouchon, du liquide de refroidissement peut rejaillir et causer de graves brûlures.
N'enlevez pas le bouchon du vase d'expansion pour contrôler le niveau du liquide de refroidissement. Observez plutôt le niveau sur le côté du réservoir.
N'enlevez pas le bouchon du vase d'expansion si le moteur est chaud. Laissez refroidir le moteur pendant au moins 15 minutes ou attendez que le bouchon du radiateur ne brûle plus quand vous le touchez.
Vérifiez le niveau du liquide de refroidissement dans le vase d'expansion (Figure 7).
Si le niveau de liquide de refroidissement est trop bas, retirez le bouchon du vase d'expansion et faites l'appoint de liquide recommandé selon les besoins.
N'utilisez pas seulement de l'eau pure ni de liquides de refroidissement à base d'alcool.Ne remplissez pas excessivement.
Revissez le bouchon du vase d'expansion.

| Périodicité d'entretien | Procédure d'entretien |
|---|---|
| À chaque utilisation ou une fois par jour |
|
Nettoyez régulièrement la grille du radiateur et le radiateur pour éviter de faire surchauffer le moteur. Examinez la grille du radiateur et le radiateur, et éliminez l'herbe, les saletés et autres débris éventuellement accumulés dessus (Figure 75).
| Périodicité d'entretien | Procédure d'entretien |
|---|---|
| Toutes les 200 heures |
|
| Toutes les 1500 heures |
|
Note: Si la PDF s'arrête pour cause de surchauffe du moteur, vérifiez d'abord que des débris ne sont pas accumulés sur la grille de radiateur et le radiateur. Nettoyez le système avant d'utiliser la machine. Ne coupez pas le moteur immédiatement ; laissez-le refroidir e le faisant tourner à vide.
Nettoyez le radiateur comme suit :
Déposez la grille du radiateur.
Nettoyez le radiateur à l'air comprimé basse pression (1,72 bar) appliqué du côté ventilateur (n'utilisez pas d'eau). Répétez la procédure par l'avant du radiateur puis recommencez du côté ventilateur.
Lorsque le radiateur est parfaitement propre, enlevez les débris éventuellement accumulés dans la gouttière au bas du radiateur.
Nettoyez la grille du radiateur et reposez-la sur la machine.

| Périodicité d'entretien | Procédure d'entretien |
|---|---|
| Après les 10 premières heures de fonctionnement |
|
| Après les 50 premières heures de fonctionnement |
|
Après le réglage des freins de service après les 50 premières heures de fonctionnement, le prochain réglage des freins ne devrait être nécessaire qu'après une durée d'utilisation considérable.
Garez la machine sur une surface plane et horizontale.
Désengagez la PDF, abaissez l’unité de coupe et serrez le frein de stationnement.
Coupez le moteur et retirez la clé.
Desserrez le frein de stationnement (Figure 11).
Vérifiez l’écart entre le disque et les plaquettes de frein (Figure 76). L’écart doit être compris entre 0,4 et 0,6 mm.
Si un réglage est nécessaire, desserrez l’écrou de blocage avant et arrière sur le câble de frein (Figure 76).

Resserrez les écrous de blocage pour maintenir le câble en position.
Vérifiez l'écart quand le frein est desserré.
Répétez les opérations 6 à 8 jusqu'à ce que le frein de stationnement soit réglé à la position voulue.
| Périodicité d'entretien | Procédure d'entretien |
|---|---|
| Toutes les 200 heures |
|
Vérifiez que la courroie d'alternateur n'est pas usée ni endommagée.
Note: Remplacez la courroie d'alternateur si elle est usée ou endommagée.
| Périodicité d'entretien | Procédure d'entretien |
|---|---|
| Après les 10 premières heures de fonctionnement |
|
| Toutes les 200 heures |
|
Garez la machine sur une surface plane et horizontale.
Désengagez la PDF, abaissez l’unité de coupe et serrez le frein de stationnement.
Coupez le moteur et retirez la clé.
Desserrez le boulon de pivot et le boulon de blocage de l'alternateur (Figure 77).
Tendez la courroie d'alternateur jusqu'à obtention d'une flèche de 10 mm à mi-chemin entre les poulies quand une force de 4,5 kg est exercée.
Resserrez le boulon de blocage de l'alternateur (Figure 77).
Resserrez le boulon de pivot de l'alternateur (Figure 77).

| Périodicité d'entretien | Procédure d'entretien |
|---|---|
| Après les 10 premières heures de fonctionnement |
|
| Après les 50 premières heures de fonctionnement |
|
| Toutes les 200 heures |
|
Garez la machine sur une surface plane et horizontale.
Désengagez la PDF, abaissez l’unité de coupe et serrez le frein de stationnement.
Coupez le moteur et retirez la clé.
Observez la flèche d'indication de tension du tendeur de poulie folle.
La surface extérieure de la rondelle doit être alignée sur la flèche d'indication de tension.
Au besoin, tournez l'écrou du tendeur de la poulie de tension jusqu'à ce que la flèche d'indication de tension soit alignée sur la surface extérieure de la rondelle (Figure 78).

Important: Remplacez les courroies de PDF en tant qu'ensemble apparié.
Garez la machine sur une surface plane et horizontale.
Désengagez la PDF, abaissez l’unité de coupe et serrez le frein de stationnement.
Coupez le moteur et retirez la clé.
Accédez au côté gauche et au dessus du moteur ; voir Accès au moteur par le couvercle d'accès et Accès au moteur par le côté gauche.
Débranchez le connecteur de fil correspondant à l’embrayage (Figure 79).
Retirez les 3 boulons et les 3 écrous qui fixent le support d’embrayage au cadre et à l’embrayage (Figure 79).

Desserrez l'écrou du tendeur de la poulie de tension ; voir Contrôle de la tension de la courroie de PDF.
Amenez la poulie de tension vers le haut et retirez les courroies de la machine (Figure 78).
Placez les courroies de PDF sur les poulies (Figure 78).
Installez le support d’embrayage sur le cadre et l’embrayage à l’aide des boulons et écrous retirés précédemment ; voir Dépose des courroies de PDF.
Serrez l'écrou du tendeur de la poulie de tension ; voir Contrôle de la tension de la courroie de PDF.
Fermez le radiateur sur la machine ; voir Accès au moteur par le côté gauche.
Vous pouvez régler la pédale de déplacement à la position la plus confortable pour vous, ou pour réduire ou augmenter la vitesse maximale de la machine en marche avant.
Vous pouvez aussi régler la pédale de déplacement pour réduire la vitesse maximale de la machine en marche arrière.
Poussez complètement la pédale de déplacement en avant (Figure 80).
Pour la vitesse maximale, un espace de 3 mm doit exister entre la pédale de déplacement et sa butée.

Pour réduire la vitesse de la machine en marche avant, procédez comme suit :
Avec une clé, bloquez la butée de marche avant de la pédale de déplacement et desserrez l'écrou de blocage au dos du support (Figure 80).
Amenez la pédale de déplacement à la position voulue (Figure 80).
Ajustez l'écrou de blocage au dos du support jusqu'à ce que la butée de la pédale de déplacement touche la pédale (Figure 80).
Note: La vitesse de déplacement de la machine en marche avant augmente si vous réduisez la position de la butée de la pédale de déplacement.
Tout en maintenant la butée de la pédale de déplacement, serrez l'écrou de blocage à l'avant du support à un couple de 37 à 45 N·m.
Si un autre réglage est nécessaire, réglez la commande de déplacement comme suit :
Garez la machine sur une surface plane et horizontale.
Désengagez la PDF, abaissez l’unité de coupe et serrez le frein de stationnement.
Coupez le moteur et retirez la clé.
Desserrez l'écrou de blocage qui fixe le roulement d’extrémité de la tige du câble de commande de déplacement à la pédale (Figure 81).
Retirez le boulon et l'écrou qui fixent le roulement d'extrémité de la tige du câble de commande de déplacement à la pédale (Figure 81).
Tournez le roulement d’extrémité de la tige jusqu’à obtenir la longueur voulue.
Serrez l'écrou de blocage (Figure 81) et fixez le roulement d'extrémité de la tige à la pédale de déplacement avec le boulon et l'écrou retirés pour bloquer l'angle de la pédale.

Consultez immédiatement un médecin si du liquide est injecté sous la peau. Toute injection de liquide hydraulique sous la peau doit être éliminée dans les quelques heures qui suivent par une intervention chirurgicale réalisée par un médecin.
Vérifiez l'état de tous les flexibles et conduits de liquide hydraulique, ainsi que le serrage de tous les branchements et raccords avant de mettre le système hydraulique sous pression.
N'approchez pas les mains ni aucune autre partie du corps des fuites en trou d'épingle ou des gicleurs d'où sort du liquide hydraulique sous haute pression.
Utilisez un morceau de papier ou de carton pour détecter les fuites.
Évacuez avec précaution toute la pression du système hydraulique avant toute intervention sur le système.
Le réservoir de liquide hydraulique est rempli en usine de liquide hydraulique de haute qualité. Contrôlez le niveau de liquide hydraulique avant le tout premier démarrage du moteur, puis chaque jour.
Viscosité du liquide hydraulique : 5W-50
Utilisez des liquides respectant toutes les propriétés physiques et les spécifications de l'industrie suivantes. Consultez votre distributeur de lubrifiants pour identifier un produit qui convient.
Note: Toro décline toute responsabilité en cas de dommage causé par l'utilisation d'huiles de remplacement inadéquates. Utilisez uniquement des produits provenant de fabricants réputés qui répondent de leur recommandation.
| Propriétés physiques : | ||
| Viscosité, ASTM D445 | 42 à 50 St à 40 °C | |
| 7,6 à 8,5 St à 100 °C | ||
| Indice de viscosité, ASTM D2270 | 140 ou plus | |
| Point d'écoulement, ASTM D97 | -40° C à -45 °C | |
| FZG, étape de défaillance | 11 ou mieux | |
| Teneur en eau (liquide neuf) | 500 ppm (maximum) | |
| Spécifications de l'industrie : | Vickers I-286-S (Niveau de qualité), Vickers M-2950-S (Niveau de qualité), Denison HF-0 | |
Important: L'huile multigrade ISO VG 46 offre des performances optimales dans une large gamme de températures. Si les températures ambiantes sont toujours très élevées (18 à 49 °C), le liquide hydraulique ISO VG 68 peut améliorer les performances.
Important: De nombreuses huiles hydrauliques sont presque incolores, ce qui rend difficile la détection des fuites. Un additif colorant rouge à utiliser dans le circuit hydraulique est disponible en bouteilles de 20ml. Une bouteille suffit pour 15 à 22 litres d'huile hydraulique. Vous pouvez le commander chez les distributeurs Toro agréés (réf. 44-2500).
Garez la machine sur une surface plane et horizontale.
Désengagez la PDF, abaissez l’unité de coupe et serrez le frein de stationnement.
Placez toutes les commandes au POINT MORT et démarrez le moteur.
Faites tourner le moteur au régime le plus bas possible pour purger l'air du système.
Important: N'engagez pas la PDF.
Tournez le volant à plusieurs reprises complètement à gauche et à droite, et tournez les roues en position ligne droite.
| Périodicité d'entretien | Procédure d'entretien |
|---|---|
| À chaque utilisation ou une fois par jour |
|
Garez la machine sur une surface plane et horizontale.
Vérifiez que la trémie est complètement abaissée et de niveau, et que l’unité de coupe est abaissée.
Désengagez la prise de force (PDF), serrez le frein de stationnement, coupez le moteur et enlevez la clé.
Sortez la jauge du réservoir hydraulique et essuyez-la sur un chiffon propre (Figure 82).

Insérez la jauge dans le tube de remplissage et vissez le bouchon sur le tube.
Ressortez la jauge et vérifiez le niveau de liquide (Figure 83).
Le niveau de liquide hydraulique est normal quand il se situe entre les 2 repères sur la jauge.

Si le niveau de liquide est en dessous du repère minimum sur la jauge, versez le liquide hydraulique spécifié dans le tube de remplissage (Figure 83) jusqu'à ce que le niveau se situe entre les 2 repères sur la jauge.
Important: Ne remplissez pas le réservoir de liquide hydraulique au-dessus du repère sur la jauge.

Revissez le bouchon-jauge dans le tube de remplissage.
Note: Ne serrez pas le bouchon avec une clé.
Vérifiez que les flexibles et les raccords ne présentent pas de fuite.
| Périodicité d'entretien | Procédure d'entretien |
|---|---|
| Après les 100 premières heures de fonctionnement |
|
| Toutes les 400 heures |
|
Capacité du réservoir de liquide hydraulique : 6,7 litres environ
Garez la machine sur une surface plane et horizontale.
Vérifiez que la trémie est complètement abaissée et de niveau, et que l’unité de coupe est levée.
Désengagez la prise de force (PDF), serrez le frein de stationnement, coupez le moteur et enlevez la clé.
Placez un bac de vidange sous la pompe hydraulique du côté droit pour recueillir le liquide hydraulique.
Pour vider le réservoir hydraulique, retirez le couvercle et desserrez le flexible hydraulique sur le côté de la pompe hydraulique (Figure 85).

Déposez la roue avant droite.
Remplacez le filtre hydraulique comme montré à la Figure 86.

Versez le liquide hydraulique spécifié dans le tube de remplissage jusqu'à ce que le niveau se situe entre les 2 repères sur la jauge (Figure 83).
Important: Ne remplissez pas le réservoir de liquide hydraulique au-dessus du repère sur la jauge.
Posez la roue avant droite ; voir Serrage des écrous de roues
Mettez le moteur en marche, tournez le volant, actionnez les vérins de levage du plateau, et recherchez d'éventuelles fuites d'huile. Laissez tourner le moteur pendant environ 5 minutes, puis arrêtez-le.
Après 2 minutes, contrôlez le niveau de liquide hydraulique ; voir Contrôle du niveau de liquide hydraulique.
Important: Veillez à bien retirer la goulotte d'éjection avant d'effectuer cette procédure, sinon vous risquez d'endommager la machine.
Garez la machine sur une surface plane et horizontale.
Désengagez la PDF, abaissez l’unité de coupe et serrez le frein de stationnement.
Levez la trémie et enclenchez les verrous de sécurité magnétiques ; voir Fixation de la trémie en position levée.
Déverrouillez et déposez la goulotte d'éjection ; voir Nettoyage de la goulotte.
Tirez et tournez les goupilles de verrouillage arrière des deux côtés de l’unité de coupe.

Coupez le moteur et retirez la clé.
Relevez la plateforme de conduite et enclenchez le levier de blocage (Figure 88).
Relevez l’unité de coupe en soulevant l’avant de l’unité jusqu’à ce qu’elle s’enclenche en position LEVéE.
Effectuez les entretiens nécessaires sur l’unité de coupe.
Tenez l’unité de coupe et tirez le levier de blocage vers le haut pour pouvoir abaisser l’unité de coupe.

Vérifiez que les goupilles de verrouillage arrière sont bien enclenchées (Figure 87).
Ramenez la plateforme de conduite en position de fonctionnement.
Soulevez la plateforme de conduite et laissez le levier de blocage se relâcher automatiquement, puis abaissez la plateforme de conduite en position de fonctionnement.
Insérez la goulotte d'éjection, faites pivoter le siège de l'utilisateur et abaissez la trémie.
Pour garantir une excellente qualité de coupe, les lames doivent toujours être bien affûtées. Il est utile de prévoir une ou plusieurs lames de réserve pour le remplacement et l'affûtage.
Remplacez les lames si elles ont heurté un obstacle, si elles sont déséquilibrées ou faussées. Pour garantir un rendement optimal et la sécurité continue de la machine, utilisez toujours des lames d'origine Toro. Les lames d'autres constructeurs peuvent entraîner la non conformité aux normes de sécurité.
Contrôlez l'état et l'usure des lames périodiquement.
Examinez toujours les lames avec prudence. Manipulez les lames avec des gants ou en les enveloppant dans un chiffon, et toujours avec prudence. Limitez-vous à remplacer ou aiguiser les lames ; n'essayez jamais de les redresser ou de les souder.
Attention, sur les machines à plusieurs lames, la rotation d'une lame peut entraîner celle des autres.
Préparez l’unité de coupe pour l'entretien ; voir Montée et descente de l’unité de coupe en position d’entretien.
| Périodicité d'entretien | Procédure d'entretien |
|---|---|
| À chaque utilisation ou une fois par jour |
|
Levez l’unité de coupe en position d’entretien.
Si les lames sont émoussées ou présentent des indentations, déposez-les et affûtez-les.
Inspectez les lames, en particulier l'ailette.
Remplacez immédiatement toute lame fendue, usée ou qui présente une entaille sur cette partie.
Note: Étant donné qu'il y a une lame gauche et une lame droite, pensez à bien noter la manière dont les lames sont installées.
Tenez les lames par leur extrémité avec un chiffon ou un gant épais.
Retirez le boulon de lame, la rondelle frein élastique, la rondelle bombée et la lame de l'axe de pivot (Figure 89).

Avec une lime ou un outil d'affûtage, affûtez le tranchant aux deux extrémités de la lame (Figure 90).
Note: Veillez à conserver l'angle de coupe d'origine.
Note: Limez la même quantité de métal sur les deux tranchants pour ne pas déséquilibrer la lame.

Vérifiez l'équilibre de la lame en la plaçant sur un équilibreur (Figure 91).
Note: Si la lame reste horizontale, elle est équilibrée et peut être utilisée.
Note: Si la lame est déséquilibrée, limez un peu l'extrémité lourde de la lame au niveau de l'ailette seulement (Figure 91).

Répétez la procédure jusqu'à ce que la lame soit équilibrée.
Note: Reportez-vous à la Figure 89 pour la rotation et l’installation correctes des lames.
Note: Le filetage à gauche est utilisé pour installer la lame droite
Tenez la lame par son extrémité avec un chiffon ou un gant épais.
Montez la lame avec le boulon, la rondelle frein élastique et la rondelle bombée retirés précédemment (Figure 89).
Important: Pour obtenir une coupe correcte, l'ailette de la lame doit être tournée vers le haut et dirigée vers l'intérieur du plateau de coupe.
Serrez le boulon de la lame à 53 N·m.
Tournez la fixation quart-de-tour et ouvrez le couvercle du cardan sur le protège-courroie (Figure 92).

Détachez l'extrémité avant de l'arbre de transmission du boîtier d'engrenages de l’unité de coupe en appuyant sur la goupille rappelée par ressort, puis en tirant l'extrémité de l'arbre en arrière (Figure 92).
Alignez les cannelures du cardan de l'arbre de transmission et celles du boîtier d'engrenages.
Appuyez sur la goupille rappelée par ressort et poussez l'extrémité de l'arbre de transmission en avant.
Relâchez la goupille rappelée par ressort et vérifiez que le cardan de l'arbre de transmission est verrouillé dans le boîtier d'engrenages de l’unité de coupe ; voir Figure 92.
Refermez le couvercle du cardan et verrouillez-le à l’aide de la fixation.
Garez la machine sur une surface plane et horizontale.
Désengagez la PDF et serrez le frein de stationnement.
Avant d'abaisser l’unité de coupe, tirez et tournez les axes de liaison arrière des deux côtés de l’unité de coupe (Figure 87).
Abaissez l’unité de coupe et rabattez la trémie.
Coupez le moteur et retirez la clé.
Basculez le siège en avant.
Déposez la goulotte d'éjection ; voir Nettoyage de la goulotte.
Débranchez les connecteurs électriques du côté droit de l'unité de coupe.
Détachez le cardan de l'arbre de transmission du boîtier d'engrenages de l’unité de coupe ; voir Désaccouplement de l'arbre de transmission du boîtier d'engrenages de l’unité de coupe.
Retirez les 2 goupilles fendues et les 2 axes de chape qui fixent les bras de levage de chaque côté de l’unité de coupe (Figure 93).

Faites avancer l’unité de coupe pour l'éloigner du groupe de déplacement.
Garez la machine sur une surface plane et horizontale.
Basculez la trémie en arrière ou relevez-la et bloquez-la en position relevée à l'aide des verrous magnétiques.
Coupez le moteur et retirez la clé.
Déposez la goulotte d'éjection ; voir Nettoyage de la goulotte.
Reculez l’unité de coupe pour l’éloigner du groupe de déplacement.
Mettez en place la goupille fendue et l'axe de chape pour fixer les bras levage de chaque côté ; voir Figure 93.
Accouplez le cardan de l'arbre de transmission au boîtier d'engrenages de l’unité de coupe ; voir Accouplement de l'arbre de transmission au boîtier d'engrenages de l’unité de coupe.
Reposez la goulotte d'éjection ; voir Nettoyage de la goulotte.
Rabattez le siège en place.
Démarrez le moteur.
Abaissez la trémie.
Levez l'unité de coupe.
| Périodicité d'entretien | Procédure d'entretien |
|---|---|
| Après les 50 premières heures de fonctionnement |
|
| Toutes les 300 heures |
|
Spécifications de l'huile du boîtier d'engrenages : PG2 et API GL4, GL5 ou MT1
Viscosité de l'huile du boîtier d'engrenages : LSX 75W90
Capacité d'huile du boîtier d’engrenages : 0,25 l
Garez la machine sur une surface plane et horizontale, désengagez la PDF et abaissez l’unité de coupe.
Serrez le frein de stationnement, coupez le moteur et enlevez la clé.
Déposez le protège-courroie ; voir Dépose du protège-courroie.
Retirez le bouchon du boîtier d'engrenages de l’unité de coupe (Figure 95).
À l’aide d’un entonnoir, versez de l’huile pour boîtier d’engrenages spécifiée dans l'orifice de remplissage du boîtier d’engrenages (Figure 97).

Remettez le bouchon sur le boîtier d'engrenages de l’unité de coupe (Figure 95).
Garez la machine sur une surface plane et horizontale.
Abaissez l’unité de coupe et placez le levier de levage de l’unité de coupe à la position de flottement.
Recherchez les lames faussées ou endommagées ; voir Contrôle des lames.
Note: Remplacez les lames faussées ou endommagées avant de mettre l’unité de coupe de niveau.
Contrôlez la pression des pneus ; voir Contrôle de la pression des pneus.
Réglez la hauteur de coupe à 64 mm (Figure 98).

Coupez le moteur et retirez la clé.
Mesurez la distance entre le sol et l'extrémité avant de l’unité de coupe (Figure 99).
| Notez la distance ici : | ||
Mesurez la distance entre le sol et l'extrémité arrière de l’unité de coupe (Figure 99).
| Notez la distance ici : | ||

Procédez comme suit pour régler l'arrière de l'unité de coupe :
Déposez le protège-courroie ; voir Dépose du protège-courroie.
Pour élever l’avant de la machine à 64 mm, desserrez l'écrou de blocage et ajustez le boulon de réglage ; voir Figure 100.

Pour relever l’arrière de l’unité de coupe, desserrez les écrous de blocage des biellettes des deux côtés de l’unité de coupe (Figure 100 et Figure 101).

Tournez les biellettes jusqu'à ce que l'extrémité arrière de l’unité de coupe soit de 5 à 10 mm plus haut que l'extrémité avant.
Note: Vérifiez que les deux biellettes sont réglées à la même longueur.
Resserrez les écrous de blocage des biellettes (Figure 100).
Contrôlez la mise à niveau gauche/droite de l’unité de coupe ; voir Mise à niveau gauche/droite de l'unité de coupe.
Réglez la hauteur de coupe à 64 mm (Figure 102).

Coupez le moteur et retirez la clé.
Placez la lame latérale à la position extérieure (Figure 103).

Mesurez la distance entre le sol et l'extrémité extérieure du tranchant de la lame (Figure 103).
| Notez la mesure ici : |
Placez la lame latérale de l'autre côté de l’unité de coupe à la position extérieure (Figure 103).
Mesurez la distance entre le sol et l'extrémité extérieure du tranchant de la lame avec une cale étalon (Figure 103).
| Notez la mesure ici : |
Si la différence entre les deux mesures est supérieure à 3,2 mm, procédez comme suit :
Mesurez l'extrémité extérieure des tranchants de lame (Figure 103).
Répétez les opérations de réglage des roues pivotantes jusqu'à ce que les mesures ne diffèrent pas de plus de 3,2 mm.
Reposez le protège-courroies ; voir Pose du protège-courroie.
Les lames de la tondeuse étant dirigées vers l'avant et la pointe avant des lames étant à 64 mm du sol, contrôlez la position de l'indicateur de hauteur de coupe.
Asseyez-vous sur le siège de l'utilisateur, observez la flèche de l'indicateur de hauteur de coupe (Figure 105).

Si la flèche de l'indicateur de hauteur de coupe n'est pas en face du repère 64 mm, procédez comme suit :
Desserrez l’écrou de blocage qui fixe la biellette de hauteur de coupe (Figure 106).

Tournez la biellette jusqu'à ce que la flèche de l'indicateur de hauteur de coupe soit en face du repère 64 mm, vu depuis le siège de l'utilisateur (Figure 105 et Figure 106).
Resserrez l'écrou de blocage (Figure 106).
Garez la machine sur une surface plane et horizontale, désengagez la PDF et abaissez l’unité de coupe.
Serrez le frein de stationnement, coupez le moteur et enlevez la clé.
Déposez le protège-courroie ; voir Dépose du protège-courroie.
Retirez le ressort du bras de renvoi de l’ergot de l’unité de coupe (Figure 107).
Retirez la courroie des poulies de l’unité de coupe.
Acheminez la courroie neuve autour des poulies, comme montré à la Figure 107.

Installez le ressort du bras de renvoi sur l’ergot de l'unité de coupe (Figure 107).
Reposez le protège-courroies ; voir Pose du protège-courroie.
Vérifiez que la trémie et la goulotte ferment correctement, sans aplatir le joint.
Desserrez les 4 boulons qui fixent les supports de levage de la trémie au cadre sous la trémie (Figure 108).

Pour que la trémie bouge comme souhaité, desserrez l’écrou de sécurité en haut de la tige de vérin hydraulique (Figure 109).

Poussez la trémie en avant ou en arrière jusqu'à ce qu'elle soit en face du joint de la goulotte (Figure 110).

Serrez les 4 boulons (Figure 108).
Vérifiez l'espace entre le verrou et la trappe. Il doit mesurer 2 mm.
Au besoin, réglez le verrou à l'aide du boulon de sorte à obtenir l'écart correct.
Note: Au besoin, utilisez le boulon de la trappe pour changer l'angle d'ouverture automatique de la trappe.

Note: La durée de vie des roulements peut être réduite par de mauvaises procédures de lavage. Ne lavez pas la machine quand elle est encore chaude et évitez d'utiliser un jet d'eau puissant et une grande quantité d'eau directement sur les roulements.
| Périodicité d'entretien | Procédure d'entretien |
|---|---|
| À chaque utilisation ou une fois par jour |
|
Désengagez la commande des lames (PDF) et serrez le frein de stationnement.
Avant de quitter la position d'utilisation, coupez le moteur, retirez la clé de contact et attendez l'arrêt complet de toutes les pièces mobiles.
Insérez une buse d'air dans l'espace entre le protège-courroie et le dessus de l’unité de coupe. Utilisez de l’air comprimé pour nettoyer l'herbe éventuellement accumulée sous le protège-courroie de l’unité de coupe.
| Périodicité d'entretien | Procédure d'entretien |
|---|---|
| À chaque utilisation ou une fois par jour |
|
Désengagez la commande des lames (PDF) et serrez le frein de stationnement.
Avant de quitter la position d'utilisation, coupez le moteur, retirez la clé de contact et attendez l'arrêt complet de toutes les pièces mobiles.
Préparez l’unité de coupe pour l'entretien ; voir Montée et descente de l’unité de coupe en position d’entretien.
Enlevez l'herbe et autres débris, et nettoyez selon les besoins.
| Périodicité d'entretien | Procédure d'entretien |
|---|---|
| À chaque utilisation ou une fois par jour |
|
L'huile moteur, les batteries, le liquide hydraulique et le liquide de refroidissement sont polluants pour l'environnement. Débarrassez-vous en conformément à la réglementation nationale et locale en matière d'environnement.
Avant de quitter la position d'utilisation, coupez le moteur, enlevez la clé et attendez l'arrêt complet de tout mouvement. Laissez refroidir la machine avant de la régler, d'en faire l'entretien, de la nettoyer ou de la remiser.
Ne rangez pas la machine ni les bidons de carburant à proximité d'une flamme nue, d'une source d'étincelles ou d'une veilleuse, telle celle d'un chauffe-eau ou autre appareil.
Procédez à l'entretien de la batterie et des câbles, comme suit :
Débranchez les câbles des bornes de la batterie ; voir Retrait de la batterie.
Nettoyez la batterie, les cosses des câbles et les bornes de la batterie avec une brosse métallique et un mélange de bicarbonate de soude.
Pour prévenir la corrosion, enduisez les bornes de la batterie et les cosses des câbles de graisse Grafo 112X (Skin-Over) (réf. Toro 505-47) ou de vaseline.
Si vous prévoyez de remiser la machine pendant plus d'un mois, enlevez la batterie et chargez-la au maximum.
Note: Chargez lentement la batterie tous les deux mois pendant 24 heures pour prévenir la sulfatation.
Rangez-la batterie en place sur la machine.
Ne rebranchez pas les câbles si vous remettez la batterie sur la machine.
Rangez la batterie dans un endroit frais pour éviter qu'elle ne se décharge trop rapidement.
Pour protéger la batterie du gel, maintenez-la chargée au maximum. La densité de l'électrolyte d'une batterie chargée au maximum est comprise entre 1,265 et 1,299.
Important: Ne nettoyez pas la machine avec de l'eau saumâtre ou recyclée.
Nettoyez soigneusement la machine, l’unité de coupe et le moteur, en insistant tout particulièrement sur les zones suivantes :
Radiateur et grille
Dessous de l'unité de coupe
Sous les protège-courroies
Arbre de PDF
Tous les graisseurs et points de pivotement
Déposez le panneau d'accès arrière de la colonne de direction, et nettoyez l'intérieur.
Sous le panneau du siège et en haut de la transmission
Contrôlez et corrigez la pression des pneus ; voir Contrôle de la pression des pneus
Déposez, aiguisez et équilibrez les lames du plateau de coupe.
Contrôlez le serrage des fixations et resserrez-les au besoin.
Graissez tous les graisseurs et appliquez de l'huile sur les points de pivotement et goupilles des vannes de dérivation de la transmission. Essuyez tout excès de lubrifiant.
Poncez légèrement et retouchez la peinture rayée, écaillée ou rouillée. Réparez les déformations de la carrosserie.
Vidangez l'huile moteur et remplacez le filtre à huile ; voir Vidange de l'huile moteur et remplacement du filtre à huile.
Démarrez le moteur et faites-le tourner au ralenti pendant 2 minutes.
Coupez le moteur.
Vidangez le carburant du réservoir de carburant, des conduites d'alimentation, de la pompe, du filtre et du séparateur.
Rincez le réservoir avec du gazole propre et rebranchez toutes les conduites d'alimentation.
Effectuez un nettoyage et un entretien minutieux du filtre à air ; voir Entretien du filtre à air.
Bouchez l'entrée et l'orifice de sortie du filtre à air avec du ruban imperméable.
Branchez tous les raccords du circuit d'alimentation.
Vérifiez le niveau d'antigel dans le circuit de refroidissement et ajustez la concentration de liquide de refroidissement au besoin, selon la température minimale anticipée dans votre région.
Vérifiez que le bouchon de remplissage d'huile et le bouchon du réservoir de carburant sont bien fermés.
| Problem | Possible Cause | Corrective Action |
|---|---|---|
| La clé est à la position contact, mais les témoins ne s'allument pas au tableau de bord. |
|
|
| Les témoins du tableau de bord s'allument quand la clé est à la position contact, mais le démarreur ne tourne pas. |
|
|
| Le moteur démarre seulement par intermittence ou ne tourne pas régulièrement. |
|
|
| Le démarreur tourne mais le moteur ne démarre pas. |
|
|
| Le moteur s'arrête pendant que la PDF est engagée. |
|
|
| La coupe n'est pas régulière et le système de ramassage n'est pas efficace. |
|
|
| La machine vibre pendant qu'elle fonctionne. |
|
|
| Le témoin d'huile moteur s'allume. |
|
|
| L’unité de coupe ne fonctionne pas quand la commande de PDF est engagée. |
|
|