| Wartungsintervall | Wartungsmaßnahmen |
|---|---|
| Bei jeder Verwendung oder täglich |
|
Dieser Aufsitzsichelmäher sollte nur von geschulten Arbeitern in gewerblichen Anwendungen eingesetzt werden. Er ist hauptsächlich für das Mähen von Gras auf gepflegten Grünflächen in Parkanlagen, Golfplätzen, Sportplätzen, an Straßenrändern und in öffentlichen Anlagen gedacht. Die Maschine ist nicht für das Mähen von Büschen oder für einen landwirtschaftlichen Einsatz gedacht.
Lesen Sie diese Informationen sorgfältig durch, um sich mit dem ordnungsgemäßen Einsatz und der Wartung des Geräts vertraut zu machen und Verletzungen und eine Beschädigung des Geräts zu vermeiden. Sie tragen die Verantwortung für einen ordnungsgemäßen und sicheren Einsatz des Geräts.
Besuchen Sie Toro.com, hinsichtlich Produktsicherheit und Schulungsunterlagen, Zubehörinformationen, Standort eines Händlers, oder Registrierung des Produkts.
Wenden Sie sich an den offiziellen Vertragshändler oder den Kundendienst von Toro, wenn Sie eine Serviceleistung, Originalersatzteile von Toro oder weitere Informationen benötigen. Haben Sie dafür die Modell- und Seriennummern der Maschine griffbereit. In Bild 1 ist angegeben, wo an dem Produkt die Modell- und die Seriennummer angebracht sind. Tragen Sie hier bitte die Modell- und Seriennummern des Geräts ein.


In dieser Anleitung werden potenzielle Gefahren angeführt, und Sicherheitshinweise werden vom Sicherheitswarnsymbol (Bild 3) gekennzeichnet. Dieses Warnsymbol weist auf eine Gefahr hin, die zu schweren oder tödlichen Verletzungen führen kann, wenn Sie die empfohlenen Sicherheitsvorkehrungen nicht einhalten.

In dieser Anleitung werden zwei Begriffe zur Hervorhebung von Informationen verwendet. Wichtig weist auf spezielle mechanische Informationen hin, und Hinweis hebt allgemeine Informationen hervor, die Ihre besondere Beachtung verdienen.
Dieses Produkt erfüllt alle relevanten europäischen Richtlinien; weitere Details finden Sie in der produktspezifischen Konformitätserklärung (DOC).
Entsprechend dem California Public Resource Code Section 4442 oder 4443 ist der Einsatz des Motors in bewaldeten oder bewachsenen Gebieten ohne richtig gewarteten und funktionsfähigen Funkenfänger, wie in Section 4442 definiert, oder ohne einen Motor verboten, der nicht für die Brandvermeidung konstruiert, ausgerüstet und gewartet ist.
Die beiliegende Motoranleitung enthält Angaben zu den Emissionsbestimmungen der US Environmental Protection Agency (EPA) und den Kontrollvorschriften von Kalifornien zu Emissionsanlagen, der Wartung und Garantie. Sie können einen Ersatz beim Motorhersteller anfordern.
KALIFORNIEN
Warnung zu Proposition 65
Die Dieselauspuffgase und einige Bestandteile wirken laut den Behörden des Staates Kalifornien krebserregend, verursachen Geburtsschäden oder andere Defekte des Reproduktionssystems
Batteriepole, -klemmen und -zubehör enthalten Blei und Bleibestandteile. Dies sind Chemikalien, die laut den Behörden des Staates Kalifornien krebserregend sind und zu Erbschäden führen können. Waschen Sie sich nach dem Umgang mit diesen Materialien die Hände.
Bei Verwendung dieses Produkts sind Sie ggf. Chemikalien ausgesetzt, die laut den Behörden des Staates Kalifornien krebserregend wirken, Geburtsschäden oder andere Defekte des Reproduktionssystems verursachen.
Dieses Produkt kann Hände und Füße amputieren und Gegenstände aufschleudern. Befolgen Sie zum Vermeiden von schweren Verletzungen immer alle Sicherheitshinweise.
Lesen und verstehen Sie vor dem Anlassen des Motors den Inhalt dieser Bedienungsanleitung.
Konzentrieren Sie sich immer bei der Verwendung der Maschine. Tun Sie nichts, was Sie ablenken könnte, sonst können Verletzungen oder Sachschäden auftreten.
Bedienen Sie die Maschine niemals, wenn nicht alle Schutzvorrichtungen und Abdeckungen angebracht und funktionstüchtig sind.
Berühren Sie bewegliche Teile nicht mit den Händen oder Füßen. Bleiben Sie immer von der Auswurföffnung fern.
Halten Sie Unbeteiligte und Kinder vom Arbeitsbereich fern. Die Maschine darf niemals von Kindern betrieben werden.
Stellen Sie vor dem Verlassen des Fahrersitzes den Motor ab, ziehen Sie den Schlüssel ab und warten Sie, bis alle beweglichen Teile zum Stillstand gekommen sind. Lassen die Maschine abkühlen, bevor Sie sie einstellen, warten, reinigen, oder einlagern.
Der unsachgemäße Einsatz oder die falsche Wartung
dieser Maschine kann zu Verletzungen führen. Befolgen Sie zur
Verringerung des Verletzungsrisikos diese Sicherheitshinweise und
beachten Sie das Warnsymbol
mit der Bedeutung Achtung, Warnung oder Gefahr
– Sicherheitsrisiko. Wenn diese Hinweise nicht beachtet werden,
kann es zu schweren bis tödlichen Verletzungen kommen.
![]() |
Die Sicherheits- und Bedienungsaufkleber sind für den Bediener gut sichtbar und befinden sich in der Nähe der möglichen Gefahrenbereiche. Tauschen Sie beschädigte oder verloren gegangene Aufkleber aus. |






















Zusatz für nicht CE-konforme Maschinen

Zusatz für nicht CE-konforme Maschinen

Über Teilenummer 134-0539 für nicht CE-konforme Maschinen anbringen



Note: Bestimmen Sie die linke und rechte Seite der Maschine anhand der üblichen Einsatzposition.
Schließen Sie ein Ladegerät mit drei Ampere oder vier Ampere an die Batteriepole an. Laden Sie die Batterie mit 3 Ampere bis 4 Ampere auf, bis das spezifische Gewicht des Elektrolyts mindestens 1,250 und die Temperatur mindestens 16 °C beträgt; die Gasentwicklung sollte in allen Zellen ungehindert sein.
Ziehen Sie, wenn die Batterie ganz geladen ist, den Netzstecker des Ladegeräts und klemmen dieses von den Batteriepolen ab.
Note: Wenn Sie die Batterie nicht ganz aufladen, können sich Gase in der Batterie entwickeln, die Batteriesäure kann überlaufen und zur Korrosionsbildung an der Maschine führen.
Prüfen Sie den Motorölstand vor dem Anlassen des Motors, siehe Überprüfen des Motorölstands.
Prüfen Sie den Stand des Kühlmittels vor dem Anlassen des Motors, siehe Kühlsystem und Füllstand prüfen.
Prüfen Sie den Stand des Hydrauliköls vor dem Anlassen der Maschine, siehe Prüfen des Hydraulikölstands
Druck der Vorder- und Hinterreifen: 1,38 bar
Druck der Laufradreifen: 1,45 bar
Überprüfen Sie den Reifendruck der Vorder- und Hinterreifen vor dem ersten Anlassen des Motors.
Note: Die Reifen haben für den Versand ggf. einen zu hohen oder zu niedrigen Druck; Sie müssen den Reifendruck deshalb einstellen.

Bauen Sie die Schneideinheit an der Zugmaschine ein, siehe Einbauen des Mähwerks.
Entfernen Sie die Plastikverpackung.
Entfernen Sie den hinteren Stahlhaken.
Note: Stellen Sie sicher, dass der Stahlhaken entfernt wurde.
Entfernen Sie die Unterlegkeile auf der Holzpalette für die Räder und die Schneideinheit.
Anschließen der Akkukabel.
Betanken Sie die Maschine.
Schalten Sie den Zündschalter auf Vorheizen und starten Sie den Motor, nachdem das Vorheizen abgeschlossen ist.
Heben Sie die Schneideinheit an, um Druck in den Hubzylindern aufzubauen.
Note: Die Schneideinheit kann angehoben werden, aber stellen Sie sicher, dass in den Hubzylindern Druck vorhanden ist.
Heben Sie die Fangbox an und entfernen Sie den Auswurfkanal; siehe Entfernen von Verstopfungen aus dem Auswurfkanal.
Senken Sie die Fangbox ab.
Setzen Sie die Schneideinheit in die Arbeitsposition und rasten Sie die Haken des hinteren Arms ein.
Lösen Sie die Feststellbremse und fahren Sie die Maschine vorwärts von der Palette.
Note: Verwenden Sie bei Bedarf Rampen in Höhe der Palette.
Heben Sie die Fangbox an, bauen Sie den Auswurfkanal ein und senken Sie die Fangbox wieder.
Heben Sie den Überrollbügel an, siehe Hochklappen des Überrollbügels.
Überprüfen Sie nach der ersten Probefahrt das Drehmoment der Radmuttern; siehe Festziehen der Radmuttern.


Note: Bestimmen Sie die linke und rechte Seite der Maschine anhand der üblichen Einsatzposition.


Die Ladezustandslampe (Bild 8) leuchtet auf, wenn das elektrische Ladesystem unter dem normalen Betriebsbereich arbeitet. Prüfen bzw. reparieren Sie das elektrische Ladesystem.
Die Glühkerzenlampe (Bild 8) leuchtet rot auf, wenn die Glühkerzen aktiviert sind.
Die Öldruckwarnlampe (Bild 8) leuchtet auf, wenn der Öldruck bei laufendem Motor unter ein sicheres Niveau abfällt. Wenn die Lampe an- und ausgeht oder immer aufleuchtet, halten Sie das Fahrzeug an, stellen Sie den Motor ab und prüfen den Ölstand. Wenn der Ölstand im richtigen Bereich ist, die Lampe jedoch nicht ausgeht, wenn der Motor läuft, stellen Sie den Motor sofort ab und wenden Sie sich an den offiziellen Toro-Vertragshändler.
Prüfen Sie die Funktion der Warnlampe wie folgt:
Aktivieren Sie die Feststellbremse
Drehen Sie das Zündschloss in die EIN/GLüHKERZEN-Stellung, lassen Sie jedoch nicht den Motor an.
Note: Die Öldrucklampe sollte rot aufleuchten. Wenn die Lampe nicht aufleuchtet, ist eine Birne durchgebrannt oder das System weist einen Defekt auf, der repariert werden muss.
Die Motortemperaturanzeige (Bild 8) leuchtet auf, wenn das Kühlsystem über dem normalen Betriebsbereich arbeitet. Prüfen und/oder reparieren Sie die Kühlanlage.
Der Zapfwellenschalter (Bild 8) hat zwei Stellungen: HERAUSGEZOGEN (aktiviert) und NICHT HERAUSGEZOGEN (nicht aktiviert). Ziehen Sie den Zapfwellenschalter heraus, um das Anbaugerät oder die Messer der Schneideinheit einzukuppeln. Drücken Sie den Schalter hinein, um das Anbaugerät auszukuppeln.
Note: Wenn Sie den Bedienersitz verlassen, während der Zapfwellenschalter in der EIN-Stellung ist, wird der Motor der Maschine nach einer Sekunde abgestellt, siehe Prüfen der Sicherheitsschalter.
Drücken Sie das Pedal für die Differentialsperre (Bild 9) herunter und halten Sie es gedrückt, um die Differentialsperre zu aktivieren.
Nehmen Sie den Fuß vom Pedal, um die Differentialsperre zu deaktivieren.
Aktivieren Sie das Pedal, wenn ein Radschlupf auftritt oder wenn die Maschine über Rampen beladen wird.
Mit dem Fahrpedal (Bild 9) bewegen Sie die Maschine vorwärts oder rückwärts. Treten Sie oben auf das Pedal, um die Maschine vorwärts zu bewegen; treten Sie unten auf das Pedal, um rückwärts zu fahren. Die Fahrgeschwindigkeit hängt davon ab, wie weit Sie das Pedal durchtreten. Treten Sie für die maximale Fahrgeschwindigkeit das Fahrpedal ganz durch und stellen Sie den Gasbedienungshebel in die SCHNELL-Stellung. Die Höchstgeschwindigkeit im Vorwärtsgang beträgt ca. 13 km/h. Wenn die Maschine stark beladen ist, oder wenn Sie einen Hang hinauffahren, erhalten Sie die maximale Leistung, wenn der Gasbedienungshebel in der SCHNELL-Stellung ist und Sie das Fahrpedal etwas durchtreten, um die Motordrehzahl hoch zu halten. Wenn die Motordrehzahl abfällt, lassen Sie das Fahrpedal etwas los, damit die Drehzahl erhöht wird.

Um das Lenkrad zu Ihnen zu neigen, drücken Sie den Lenkradverstellhebel (Bild 10) nach unten und ziehen Sie die Lenksäule zu sich. Lassen Sie den Hebel los, wenn sich die Lenksäule in der gewünschten Position befindet, in der Sie das Lenkrad bequem bedienen können.

Aktivieren Sie die Feststellbremse (Bild 11), wenn Sie die Maschine anhalten, um einem versehentlichen Bewegen der Maschine vorzubeugen.
Aktivieren Sie die Feststellbremse: Ziehen Sie den Griff bis zur AKTIVIERT-Position hoch.

Lösen Sie die Feststellbremse: Ziehen Sie den Griff bis zur GELöST-Position hoch.
Note: Wenn der Griff nicht vollständig abgesenkt ist, schaltet sich die Maschine ab, wenn Sie das Fahrpedal betätigen.
Die Benzinuhr (Bild 8) zeigt die verbleibende Kraftstoffmenge im Kraftstofftank an.
Mit dem Schnitthöhenhebel (Bild 8) heben oder senken Sie die Schneideinheit auf Ihre gewünschte Höhe.
Die Messlehre für die Schnitthöhe (Bild 12) gibt die nominale Schnitthöhe der Schneideinheit an.

Der Gasbedienungshebel (Bild 8) steuert die Motordrehzahl. Wenn Sie den Gasbedienungshebel nach vorne in die SCHNELL-Stellung bewegen, wird die Motordrehzahl erhöht. Wenn Sie den Gasbedienungshebel nach hinten in die LANGSAM-Stellung bewegen, wird die Motordrehzahl abgesenkt. Mit dem Gasbedienungshebel steuern Sie die Messergeschwindigkeit und mit dem Fahrpedal die Fahrgeschwindigkeit der Maschine.
Der Betriebsstundenzähler (Bild 8) erfasst und zeigt die Betriebsstunden des Motors an.
Durch einmaliges Drücken der Taste unterhalb des Displays wird die Anzahl der Stunden bis zum nächsten Motoröl- und Filterwechsel angezeigt.
Durch erneutes Drücken der Taste unter dem Display wird die Anzahl der Stunden bis zur nächsten Schmierung an den Schmiernippeln angezeigt.
Wenn Sie ein drittes Mal auf die Taste unterhalb der Anzeige drücken, kehren Sie zum Bildschirm mit den Arbeitsstunden zurück.
Note: Wenn noch 10 Stunden bis zum Ölwechsel verbleiben, blinkt die Anzeige automatisch mit OIL CHANGE“, wenn ein Wechsel des Motoröls und des Filters erforderlich ist.
Note: Wenn noch 5 Stunden bis zur Schmierung verbleiben, blinkt die Anzeige automatisch mit LUBE“, wenn die Maschine geschmiert werden muss.
Important: Achten Sie während der ersten 50 Betriebsstunden darauf, während die Maschine im Ölwechselmodus ist, dass Sie nicht aus Versehen die Taste des Betriebsstundenzählers länger als sechs Sekunden drücken. Wenn Sie die Taste länger als sechs Sekunden gedrückt halten, wird das Ölwechselintervall von 50 Betriebsstunden auf 250 Betriebsstunden gesetzt.
Führen Sie nach dem Wechseln des Motoröls und des Filters oder nach dem Einfetten der Maschine und der Schneideinheit Folgendes aus.
Drücken Sie die Taste, bis Sie auf dem gewünschten Bildschirm sind.
Halten Sie die Taste gedrückt, bis eine Reihe von Nullen (000000) erscheint.
Note: Die Gesamtbetriebsstunden der Maschine können nicht zurückgesetzt werden.
Stellen Sie den Hebel nach hinten, um das Mähwerk anzuheben (Bild 13).
Stellen Sie den Hebel nach vorne, um die Schneideinheit abzusenken und sie schweben zu lassen (Bild 13).
Important: Stellen Sie den Mähwerkhubhebel in die Vorwärts-Stellung (SCHWEBEN), wenn Sie mit der Maschine mit abgesenktem Mähwerk fahren, um eine Beschädigung des Mähwerks zu vermeiden.
Note: Senken Sie das Mähwerk und die Fangbox ab, wenn Sie die Maschine nicht verwenden.

Stellen Sie den Hebel nach hinten, um die Fangbox anzuheben (Bild 13).
Stellen Sie den Hebel nach vorne, um die Fangbox abzusenken.
Stellen Sie den Hebel nach hinten, um das Schnittgut aus der Fangbox auszukippen (Bild 13).
Stellen Sie den Hebel nach vorne, um die Fangbox nach dem Auskippen zu schließen.
Das Zündschloss hat drei Stellungen: AUS, EIN/VORWäRMEN und START.
Note: Wenn der Motor nicht mehr läuft und das Zündschloss in der Stellung EIN/GLüHKERZEN ist und Sie den Bedienersitz verlassen, ertönt nach einer kurzen Verzögerung ein Summer, der Sie darauf hinweist, dass Sie den Schlüssel in die AUS-Stellung drehen.
Die Schneideinheit hat 2 Schlitze, die die tatsächliche Schnittbreite der Messer anzeigen; siehe Bild 14.

Note: Technische und konstruktive Änderungen vorbehalten.

| Beschreibung | Bild 15 Referenz | Abmessung oder Gewicht |
| Höhe mit hochgeklapptem Überrollbügel | E | 193 cm |
| Höhe mit abgesenktem Überrollbügel | G | 151 cm |
| Gesamtlänge | D | 271 cm |
| Gesamtbreite | B | 121 cm |
| Radstandlänge | C | 110 cm |
| Vordere Spurweite | A | 114 cm |
| Hintere Spurweite | F | 97 cm |
| Bodenfreiheit | 12 cm | |
| Nettogewicht (mit Mähwerk) | 630 kg | |
| Nettogewicht (ohne Mähwerk) | 530 kg | |
| Geschwindigkeit | 0-13 km/h | |
| Schnittbreite | 113 cm |
Ein Sortiment an Originalanbaugeräten und -zubehör von Toro wird für diese Maschine angeboten, um den Funktionsumfang des Geräts zu erhöhen und zu erweitern. Wenden Sie sich an Ihren offiziellen Toro-Vertragshändler oder navigieren Sie auf www.Toro.com für eine Liste der zugelassenen Anbaugeräte und des Zubehörs.
Verwenden Sie nur Toro Originalersatzteile und Zubehör. Ersatzteile und Zubehör anderer Hersteller können gefährlich sein und eine Verwendung könnte die Garantie ungültig machen.
Kinder oder nicht geschulte Personen dürfen die Maschine weder verwenden noch warten. Örtliche Vorschriften bestimmen u. U. das Mindestalter von Benutzern. Der Besitzer ist für die Schulung aller Bediener und Mechaniker verantwortlich.
Machen Sie sich mit dem sicheren Betrieb der Maschine sowie den Bedienelementen und Sicherheitssymbolen vertraut.
Stellen Sie vor dem Verlassen des Fahrersitzes den Motor ab, ziehen Sie den Schlüssel ab und warten Sie, bis alle beweglichen Teile zum Stillstand gekommen sind. Lassen Sie die Maschine abkühlen, bevor Sie sie einstellen, warten, reinigen, oder einlagern.
Sie müssen wissen, wie Sie die Maschine schnell anhalten und den Motor abstellen können.
Prüfen Sie, ob alle Sitzkontaktschalter, Sicherheitsschalter, und Schutzvorrichtungen montiert und funktionsfähig sind. Nehmen Sie die Maschine nur in Betrieb, wenn diese richtig funktionieren.
Überprüfen Sie vor jedem Mähen, ob die Schnittmesser, -schrauben und die Mähwerke funktionsfähig sind. Tauschen Sie abgenutzte oder defekte Messer und -schrauben als komplette Sätze aus, um die Wucht der Messer beizubehalten.
Prüfen Sie den Arbeitsbereich gründlich und entfernen Sie alle Objekte, die von der Maschine aufgeschleudert werden könnten.
Diese Maschine erzeugt ein elektromagnetisches Feld. Wenn Sie ein implantierbares elektronisches medizinisches Gerät tragen, konsultieren Sie Ihren Arzt, bevor Sie diese Maschine verwenden.
Seien Sie besonders vorsichtig beim Umgang mit Kraftstoff. Kraftstoff ist brennbar und die Dämpfe sind explosiv.
Machen Sie alle Zigaretten, Zigarren, Pfeifen und andere Zündquellen aus.
Verwenden Sie nur einen vorschriftsmäßigen Benzinkanister.
Entfernen Sie nie den Tankdeckel oder füllen den Kraftstofftank, wenn der Motor läuft oder heiß ist.
Füllen Sie Kraftstoff nicht in einem geschlossenen Raum auf oder lassen ihn ab.
Lagern Sie die Maschine oder den Benzinkanister nie an Orten mit offener Flamme, Funken oder Zündflamme, z. B. Warmwasserbereiter, oder anderen Geräten.
Versuchen Sie niemals, bei Kraftstoffverschüttungen den Motor anzulassen. Vermeiden Sie Zündquellen, bis die Verschüttung verdunstet ist.
Führen Sie vor dem täglichen Anlassen der Maschine die Schritte aus, die vor jeder Verwendung bzw. täglich fällig sind, die in Checkliste – tägliche Wartungsmaßnahmen aufgeführt sind.
| Wartungsintervall | Wartungsmaßnahmen |
|---|---|
| Bei jeder Verwendung oder täglich |
|
Druck der Vorder- und Hinterreifen: 150 kPa (21 psi)
Ein niedriger Reifendruck reduziert die Maschinenstabilität an den Seiten von Hängen. Das kann zu einem Überschlagen führen und schwere oder tödliche Körperverletzungen zur Folge haben kann.
Stellen Sie den Reifendruck nicht zu niedrig ein.
Überprüfen Sie den für die Vorder- und Hinterreifen angegebenen Reifendruck. Stellen Sie den Luftdruck in den Reifen auf den empfohlenen Wert ein.
Important: Achten Sie auf einen korrekten Reifendruck in allen Reifen, um eine gute Schnittqualität und optimale Maschinenleistung zu gewährleisten.Prüfen Sie den Reifendruck in allen Reifen, bevor Sie die Maschine verwenden.

Die Sicherheitsschalter sollen ein Anspringen oder Anlassen des Motors verhindern, wenn das Fahrpedal nicht in der Neutral-Stellung, der Zapfwellenschalter nicht in der AUS-Stellung und die Feststellbremse nicht aktiviert ist oder der Bediener nicht auf dem Sitz sitzt.
Der Motor wird außerdem in den folgenden Situationen abgestellt:
Der Bediener verlässt den Sitz und der Zapfwellenschalter ist in der EIN-Stellung.
Der Bediener verlässt den Sitz und das Fahrpedal ist nicht in der Neutral-Stellung.
Das Fahrpedal wird durchgetreten und die Feststellbremse ist aktiviert.
Wenn die Sicherheitsschalter abgeklemmt oder beschädigt werden, könnte sich die Maschine unerwartet in Betrieb setzen und jemanden verletzen.
An den Sicherheitsschaltern dürfen keine Veränderungen vorgenommen werden.
Prüfen Sie deren Funktion täglich und tauschen Sie alle defekten Schalter vor der Inbetriebnahme der Maschine aus.
| Wartungsintervall | Wartungsmaßnahmen |
|---|---|
| Bei jeder Verwendung oder täglich |
|
Prüfen Sie die Funktion der Sicherheitsschalter, indem Sie Folgendes sicherstellen:
| Bedingungen | Ergebnis |
|---|---|
| Feststellbremse ist gelöst | Der Motor sollte nicht anspringen. |
| Das Fahrpedal ist in der Neutral-Stellung. | |
| Der Zapfwellenschalter ist in der AUS-Stellung | |
| Der Bediener sitzt nicht auf dem Sitz | |
| Feststellbremse ist gelöst | Der Motor sollte nicht anspringen. |
| Das Fahrpedal ist in der Neutral-Stellung. | |
| Der Zapfwellenschalter ist in der AUS-Stellung | |
| Der Bediener sitzt auf dem Sitz | |
| Feststellbremse ist gelöst | Der Motor sollte nicht anspringen. |
| Das Fahrpedal ist durchgetreten | |
| Der Zapfwellenschalter ist in der AUS-Stellung | |
| Der Bediener sitzt auf dem Sitz | |
| Feststellbremse ist aktiviert | Der Motor sollte nicht anspringen. |
| Das Fahrpedal ist durchgetreten | |
| Der Zapfwellenschalter ist in der AUS-Stellung | |
| Der Bediener sitzt auf dem Sitz | |
| Feststellbremse ist aktiviert | Der Motor muss sich drehen lassen. |
| Das Fahrpedal ist in der Neutral-Stellung. | |
| Der Zapfwellenschalter ist in der AUS-Stellung | |
| Der Bediener sitzt nicht auf dem Sitz |
| Wartungsintervall | Wartungsmaßnahmen |
|---|---|
| Bei jeder Verwendung oder täglich |
|
Führen Sie folgende Schritte vor dem Durchführen der Prüfungen aus:
Setzen Sie sich auf den Sitz.
Aktivieren Sie die Feststellbremse
Stellen Sie das Fahrpedal auf die Neutral-Stellung.
Kuppeln Sie die Zapfwelle aus.
Lassen Sie den Motor an.
Lösen Sie die Feststellbremse.
Prüfen Sie die Funktion der Sicherheitsschalter, indem Sie Folgendes sicherstellen:
| Bedingungen | Ergebnis |
|---|---|
| Feststellbremse ist gelöst | Der Motor sollte abstellen. |
| Der Bediener erhebt sich etwas vom Sitz | |
| Feststellbremse ist aktiviert | Der Motor läuft weiter. |
| Der Bediener erhebt sich etwas vom Sitz | |
| Feststellbremse ist aktiviert | Der Motor sollte abstellen. |
| Der Bediener sitzt auf dem Sitz | |
| Das Fahrpedal ist durchgetreten | |
| Feststellbremse ist gelöst | Der Motor läuft weiter. |
| Der Bediener sitzt auf dem Sitz | |
| Das Fahrpedal ist durchgetreten |
| Wartungsintervall | Wartungsmaßnahmen |
|---|---|
| Bei jeder Verwendung oder täglich |
|
Führen Sie folgende Schritte vor dem Durchführen der Prüfungen aus:
Setzen Sie sich auf den Sitz.
Aktivieren Sie die Feststellbremse
Stellen Sie das Fahrpedal auf die Neutral-Stellung.
Kuppeln Sie die Zapfwelle aus.
Lassen Sie den Motor an.
Lösen Sie die Feststellbremse.
Prüfen Sie die Funktion der Sicherheitsschalter, indem Sie Folgendes sicherstellen:
| Bedingungen | Ergebnis |
|---|---|
| Zapfwellenschalter ist in der EIN-Stellung und Schneideinheit läuft. | Der Motor und die Schneideinheit sollten abgestellt werden. |
| Der Bediener erhebt sich etwas vom Sitz | |
| Zapfwellenschalter ist in der EIN-Stellung und Schneideinheit läuft. | Die Schneideinheit sollte abgestellt werden. |
| Anheben der Fangbox |
| Wartungsintervall | Wartungsmaßnahmen |
|---|---|
| Bei jeder Verwendung oder täglich |
|
Prüfen Sie die Funktion der Sicherheitsschalter, indem Sie Folgendes sicherstellen:
| Bedingungen | Ergebnis |
|---|---|
| Schlüssel ist in der LAUF-Stellung | Der Rückwärtsgangalarm sollte ertönen. |
| Das Fahrpedal ist in der Rückwärts-Stellung. |
Verwenden Sie nur sauberen, frischen Dieselkraftstoff mit einem niedrigen (<500 ppm) oder extrem niedrigen (<15 ppm) Schwefelgehalt. Der Cetanwert sollte mindestens 40 sein. Besorgen Sie, um immer frischen Kraftstoff sicherzustellen, nur so viel Kraftstoff, wie sie innerhalb von 180 Tagen verbrauchen können.
Fassungsvermögen des Kraftstofftanks: 22 Liter
Verwenden Sie bei Temperaturen über -7 °C Sommerdiesel (Nr. 2-D) und bei niedrigeren Temperaturen Winterdiesel (Nr. 1-D oder Nr. 1-D/2-D-Mischung). Bei Verwendung von Winterkraftstoff bei niedrigeren Temperaturen besteht ein niedrigerer Flammpunkt und Kaltflussmerkmale, die das Anlassen vereinfachen und ein Verstopfen des Kraftstofffilters vermeiden.
Die Verwendung von Sommerkraftstoff über -7 °C erhöht sich die Lebensdauer der Pumpenteile und steigert im Vergleich zum Winterkraftstoff die Kraft.
Important: Verwenden Sie nie Kerosin oder Benzin anstelle von Dieselkraftstoff. Das Nichtbefolgen dieser Vorschrift führt zu Motorschäden.
Diese Maschine kann auch mit einem Kraftstoff eingesetzt werden, der bis zu B20 mit Biodiesel vermischt ist (20 % Biodiesel, 80 % Benzindiesel). Der Benzindieselkraftstoff sollte einen niedrigen oder extrem niedrigen Schwefelgehalt aufweisen. Befolgen Sie die nachstehenden Sicherheitsvorkehrungen:
Der Biodieselanteil des Kraftstoffs muss die Spezifikationen ASTM D6751 oder EN 14214 erfüllen.
Die Zusammensetzung des gemischten Kraftstoffes sollte ASTM D975 oder EN 590 erfüllen.
Wenn Sie Biodieselkraftstoff-Mischungen verschütten, kann der Kraftstoff lackierte Oberflächen beschädigen.
Verwenden Sie B5 (Biodiesel-Inhalt von 5 %) oder geringere Mischungen in kaltem Wetter.
Prüfen Sie Dichtungen und Schläuche, die mit Kraftstoff in Kontakt kommen, da sie sich nach längerer Zeit abnutzen können.
Nach der Umstellung auf Biodieselmischungen ist ein Verstopfen der Kraftstofffilter für einige Zeit zu erwarten.
Der offizielle Toro-Vertragshändler gibt Ihnen gerne weitere Auskünfte zu Biodiesel.
Note: Füllen Sie den Kraftstofftank falls möglich nach jeder Verwendung, dadurch verringert sich eine mögliche Kondensationsablagerung im Kraftstofftank.

Lassen Sie den Überrollbügel aufgestellt und arretiert und legen Sie den Sicherheitsgurt an, um schwere oder tödliche Verletzungen aufgrund eines Überschlagens zu vermeiden.
Stellen Sie sicher, dass der Sitz durch den Sitzriegel gesichert ist.
Es besteht kein Überrollschutz, wenn der Überrollbügel abgesenkt ist.
Setzen Sie die Maschine nicht auf unebenem Terrain oder an einer Hanglage ein, wenn der Überrollschutz abgesenkt ist.
Senken Sie den Überrollbügel nur dann ab, wenn es wirklich erforderlich ist.
Legen Sie bei abgesenktem Überrollbügel keinen Sicherheitsgurt an.
Fahren Sie langsam und vorsichtig.
Richten Sie den Überrollbügel sofort wieder auf, wenn die Höhe es zulässt.
Achten Sie sorgfältig auf die lichte Höhe (wie z. B. zu Ästen, Pforten, Stromkabeln), bevor Sie unter irgendeinem Hindernis durchfahren, damit Sie diese nicht berühren.
Important: Senken Sie den Überrollbügel nur ab, wenn es wirklich erforderlich ist.
Stellen Sie die Maschine auf einer ebenen Fläche ab.
Kuppeln Sie die Zapfwelle aus, senken das Mähwerk ab und aktivieren Sie die Feststellbremse.
Stellen Sie den Motor ab und ziehen Sie den Schlüssel ab.
Entfernen Sie die Muttern, Schrauben und Scheiben (Bild 18).
Klappen Sie den Sitz hoch (Bild 21).
Senken Sie den Überrollbügel ab und befestigen Sie ihn mit den Muttern, Schrauben und Scheiben (Bild 18).
Kippen Sie den Sitz nach hinten in die arretierte Stellung.

Note: Verwenden Sie Bild 18 in umgekehrter Reihenfolge, um den Überrollbügel anzuheben.
Stellen Sie die Maschine auf einer ebenen Fläche ab.
Kuppeln Sie die Zapfwelle aus, senken das Mähwerk ab und aktivieren Sie die Feststellbremse.
Stellen Sie den Motor ab und ziehen Sie den Schlüssel ab.
Klappen Sie den Sitz hoch (Bild 21).
Nehmen Sie die Muttern, Schrauben und Scheiben vom Überrollbügel ab (Bild 18).
Heben Sie den Überrollbügel an und befestigen Sie ihn mit den Muttern, Schrauben und Scheiben (Bild 18).
Kippen Sie den Sitz nach hinten in die arretierte Stellung.
Stellen Sie die Lenksäule auf die gewünschte Stellung ein, wie in Bild 9 abgebildet.
Wenn Sie Ihre Sachen, wie Kleidungsstücke oder eine Tasche, über die Rückseite des Fahrersitzes hängen, könnten sie herunterfallen und heiße oder bewegliche Teile der Maschine berühren. Dies könnte zu einem Feuer führen oder dazu, dass Gegenstände auf Sie und/oder umstehende Personen geschleudert werden, was zu schweren Verletzungen führen könnte.
Hängen Sie Ihre Sachen nicht über die Rückseite des Fahrersitzes.
Der Sitz kann nach vorne und hinten verstellt werden. Stellen Sie den Sitz so ein, dass Sie die Maschine optimal steuern können und komfortabel sitzen.
Ziehen Sie den Hebel hoch und verstellen Sie den Sitz nach vorne oder hinten (Bild 19).

Ziehen Sie den Hebel (Bild 20) nach oben, um die Rückenlehne des Sitzes zu kippen.

Ziehen Sie den Sitzkipphebel (Bild 21) nach oben und klappen den Sitz nach vorne.

Der Besitzer bzw. Bediener ist für Unfälle oder Verletzungen von Dritten sowie Sachschäden verantwortlich und kann diese verhindern.
Tragen Sie geeignete Kleidung, u. a. eine Schutzbrille, lange Hosen, rutschfeste Arbeitsschuhe und einen Gehörschutz. Binden Sie lange Haare hinten zusammen und tragen Sie keinen Schmuck oder weite Kleidung.
Setzen Sie die Maschine nicht ein, wenn Sie müde oder krank sind oder unter Alkohol- oder Drogeneinfluss stehen.
Konzentrieren Sie sich immer bei der Verwendung der Maschine. Tun Sie nichts, was Sie ablenken könnte, sonst können Verletzungen oder Sachschäden auftreten.
Stellen Sie vor dem Anlassen des Motors sicher, dass alle Antriebe in der Neutralstellung sind, dass die Feststellbremse aktiviert ist und Sie in der Bedienungsposition sind.
Nehmen Sie nie Passagiere auf der Maschine mit und halten Sie alle unbeteiligten Personen und Haustiere aus dem Betriebsbereich der Maschine fern.
Setzen Sie die Maschine nur bei guten Sichtverhältnissen ein, um Löcher sowie andere verborgene Gefahren zu vermeiden.
Vermeiden Sie ein Mähen auf nassem Gras. Bei reduzierter Bodenhaftung kann die Maschine ins Rutschen geraten.
Berühren Sie bewegliche Teile nicht mit den Händen oder Füßen. Bleiben Sie immer von der Auswurföffnung fern.
Schauen Sie vor dem Rückwärtsfahren hinter sich und nach unten, um sicherzugehen, dass der Weg frei ist.
Seien Sie vorsichtig, wenn Sie sich unübersichtlichen Kurven, Sträuchern, Bäumen und anderen Objekten nähern, die Ihre Sicht behindern können.
Stellen Sie die Messer ab, wenn Sie nicht mähen.
Halten Sie die Maschine an, ziehen sie den Schlüssel ab und warten Sie, bis alle beweglichen Teile zum Stillstand gekommen sind, bevor Sie das Anbaugerät prüfen, wenn sie ein Objekt berührt haben oder ungewöhnliche Vibrationen auftreten. Führen Sie alle erforderlichen Reparaturen durch, ehe Sie die Maschine wieder in Gebrauch nehmen.
Fahren Sie beim Wenden und beim Überqueren von Straßen und Gehsteigen mit der Maschine langsam und vorsichtig. Geben Sie immer Vorfahrt.
Kuppeln Sie den Antrieb des Mähwerks aus, stellen Sie den Motor ab, ziehen Sie den Schlüssel ab und warten Sie, bis alle beweglichen Teile zum Stillstand gekommen sind, bevor Sie die Schnitthöhe einstellen (wenn Sie sie nicht von der Bedienerposition aus einstellen können).
Betreiben Sie den Motor nur in gut belüfteten Bereichen. Die Abgase enthalten Kohlenmonoxid, das beim Einatmen tödlich ist.
Lassen Sie niemals eine laufende Maschine unbeaufsichtigt zurück.
Bevor Sie den Fahrerstand verlassen, gehen Sie wie folgt vor:
Stellen Sie die Maschine auf einer ebenen Fläche ab.
Kuppeln Sie die Zapfwelle aus und senken Sie die Anbaugeräte ab.
Aktivieren Sie die Feststellbremse.
Stellen Sie den Motor ab und ziehen Sie den Schlüssel ab.
Warten Sie, bis alle beweglichen Teile zum Stillstand gekommen sind.
Setzen Sie die Maschine nur bei guten Sichtverhältnissen ein. Fahren Sie die Maschine nie bei Gewitter, bzw. wenn Gefahr durch Blitzschlag besteht.
Verwenden Sie die Maschine nicht als Zugmaschine.
Verwenden Sie nur von Toro® zugelassenes Zubehör, Anbaugeräte und Ersatzteile.
Verwenden Sie die Geschwindigkeitsregelung (falls vorhanden) nur, wenn Sie die Maschine in einem offenen, ebenen Bereich ohne Hindernisse betreiben können, in dem die Maschine ohne Unterbrechung mit konstanter Geschwindigkeit fahren kann.
Der Überrollschutz ist eine integrierte und leistungsfähige Sicherheitseinrichtung.
Entfernen Sie die Komponenten des Überrollschutzes nicht von der Maschine.
Stellen Sie sicher, dass der Sicherheitsgurt befestigt ist.
Ziehen Sie den Gurt über Ihren Schoß und stecken Sie ihn in das Gurtschloss auf der anderen Seite des Sitzes.
Zum Lösen des Sicherheitsgurts den Gurt festhalten, die Taste auf dem Gurtschloss drücken, um den Gurt zu lösen, und ihn durch die automatische Einzugsöffnung führen. Stellen Sie sicher, dass der Gurt in einem Notfall schnell gelöst werden kann.
Achten Sie immer auf hängende Objekte und berühren Sie sie nicht.
Halten Sie den Überrollschutz in einem sicheren Betriebszustand, überprüfen Sie ihn regelmäßig auf Beschädigungen und halten Sie alle Befestigungen angezogen.
Tauschen Sie beschädigte Teile des Überrollschutzes aus. Führen Sie keine Reparaturen oder Modifikationen daran aus.
Beim Einsatz der Maschine mit aufgeklapptem Überrollbügel sollten Sie den Überrollbügel hochklappen und arretieren sowie den Sicherheitsgurt anlegen.
Senken Sie den Überrollbügel nur vorübergehend ab, wenn es wirklich erforderlich ist. Legen Sie keinen Sicherheitsgurt an, wenn der Überrollbügel abgesenkt ist.
Es besteht kein Überrollschutz, wenn der klappbare Überrollbügel abgesenkt ist.
Prüfen Sie den Mähbereich und senken Sie den klappbaren Überrollbügel nie in Bereichen mit Gefällen, Abhängen oder Gewässern ab.
Hanglagen sind eine wesentliche Ursache für den Verlust der Kontrolle und Umkippunfälle, die zu schweren ggf. tödlichen Verletzungen führen können. Sie sind für den sicheren Einsatz an Hanglagen verantwortlich. Das Einsetzen der Maschine an jeder Hanglage erfordert große Vorsicht.
Evaluieren Sie das Gelände, einschließlich einer Ortsbegehung, um zu ermitteln, ob die Maschine sicher auf der Hanglage eingesetzt werden kann. Setzen Sie immer gesunden Menschenverstand ein, wenn Sie diese Ortsbegehung durchführen.
Prüfen Sie die unten aufgeführten Anweisungen für den Einsatz der Maschine auf Hanglagen und ermitteln Sie, ob die Maschine in den Bedingungen an diesem Tag und an diesem Ort eingesetzt werden kann. Veränderungen im Gelände können zu einer Veränderung in der Neigung für den Betrieb der Maschine führen.
Vermeiden Sie das Anfahren, Anhalten oder Wenden der Maschine an Hanglagen. Vermeiden Sie plötzliche Geschwindigkeits- oder Richtungsänderungen. Wenden Sie möglichst langsam und vorsichtig.
Benutzern Sie die Maschine niemals unter Bedingungen, bei der die Bodenhaftung, das Lenkverhalten oder die Stabilität des Fahrzeugs gefährdet werden.
Entfernen oder markieren Sie Hindernisse, u. a. Gräben, Löcher, Rillen, Bodenwellen, Steine oder andere verborgene Gefahren. Hohes Gras kann Hindernisse verdecken. Die Maschine könnte sich in unebenem Terrain überschlagen.
Beim Arbeiten auf nassem Gras, Überqueren von steilen Hanglagen oder beim Fahren hangabwärts kann die Maschine die Bodenhaftung verlieren. Wenn die Antriebsräder die Bodenhaftung verlieren, kann die Maschine rutschen und zu einem Verlust der Bremsleistung und Lenkung führen.
Gehen Sie beim Einsatz der Maschine in der Nähe von Abhängen, Gräben, Böschungen, Gewässern oder anderen Gefahrenstellen besonders vorsichtig vor. Die Maschine kann sich plötzlich überschlagen, wenn ein Rad über den Rand fährt oder die Böschung nachgibt. Halten Sie stets einen Sicherheitsabstand von der Maschine zur Gefahrenstelle ein.
Achten Sie auf Gefahren unten am Hang. Mähen Sie die Hanglage mit einer handgeführten Maschine, wenn Gefahren vorhanden sind.
Halten Sie das/die Mähwerk(e), sofern möglich, beim Einsatz der Maschine an Hanglagen abgesenkt. Das Anheben des Mähwerks beim Arbeiten an Hanglagen kann zu einer Instabilität der Maschine führen.
Passen Sie besonders mit Heckfangsystemen oder anderen Anbaugeräten auf. Diese Geräte können die Stabilität der Maschine ändern und zu einem Verlust der Fahrzeugkontrolle führen.
Important: Sie müssen die Kraftstoffanlage ggf. vor dem Anlassen einer neuen Maschine entlüften, wenn der Motor aufgrund von Kraftstoffmangel nicht mehr läuft oder Sie Wartungsarbeiten an den Teilen der Kraftstoffanlage durchgeführt haben.
Klappen Sie den Überrollschutz hoch und sichern Sie ihn.
Setzen Sie sich auf den Sitz und legen Sie den Sicherheitsgurt an.
Stellen Sie sicher, dass die Feststellbremse aktiviert und der Zapfwellenschalter in der AUS-Stellung ist.
Nehmen Sie Ihren Fuß vom Fahrpedal und stellen Sie sicher, dass es in der Neutral-Stellung ist.
Drehen Sie den Schlüsselschalter in die EIN/GLüHKERZEN-Stellung.
Note: Ein automatischer Timer steuert das Vorheizen für ein paar Sekunden.
Drehen Sie nach dem Vorheizen das Zündschloss in die START-Stellung, lassen Sie den Motor höchstens für 15 Sekunden an und lassen Sie den Schlüssel los, wenn der Motor anspringt.
Note: Wenn Sie ein weiteres Vorheizen benötigen, drehen Sie den Schlüssel in die AUS-Stellung und dann in die Stellung EIN/VORHEIZEN. Wiederholen Sie diesen Vorgang nach Bedarf.
Stellen Sie die Gasbedienung auf die Leerlaufgeschwindigkeit oder in die Mitte und lassen Sie den Motor anwärmen.
Important: Wenn Sie den Motor nach dem Wechseln des Motoröls bzw. des Hydrauliköls, dem Überholen des Motors, dem Auswechseln von Getriebeteilen zum ersten Mal anlassen, setzen Sie die Maschine für ein bis zwei Minuten im Vorwärts- und Rückwärtsgang ein. Betätigen Sie auch den Hubhebel und den Zapfwellenschalter, um den einwandfreien Betrieb aller Teile sicherzustellen. Drehen Sie das Lenkrad mit Servolenkung nach links und rechts, um die Lenkwirkung zu prüfen. Stellen Sie dann den Motor ab, überprüfen Sie die Ölstände, untersuchen Sie die Maschine auf Öllecks, lose Teile oder andere Defekte.
Stellen Sie den Motor ab und warten Sie, bis alle beweglichen Teile zum Stillstand gekommen sind, um Verletzungen zu vermeiden, bevor Sie Öllecks, losen Teilen oder anderen Störungen nachgehen.
Stellen Sie den Gasbedienungshebel nach hinten in die LANGSAM-Stellung.
Stellen Sie den Zapfwellenschalter in die AUS-Stellung.
Drehen Sie das Zündschloss in die AUS-Stellung. Ziehen Sie den Zündschlüssel ab, um einem versehentlichen Anlassen vorzubeugen.
Note: Wenn der Motor nicht mehr läuft und das Zündschloss in der Stellung EIN/GLüHKERZEN ist und Sie den Bedienersitz verlassen, ertönt nach einer kurzen Verzögerung ein Summer, der Sie darauf hinweist, dass Sie den Schlüssel in die AUS-Stellung drehen.
Ziehen Sie den Bremshebel nach oben und nach links, um die Bremse zu betätigen.

Ziehen Sie den Bremshebel nach oben und nach rechts und senken Sie den Hebel, um die Bremse zu lösen.
Beim Entleeren sollten keine Personen hinter der Maschine stehen.
Stellen Sie sicher, dass genügend lichte Höhe beim Anheben der Fangbox besteht, sonst könnten Sie die Maschine beschädigen.
Passen Sie besonders auf, wenn Sie die Maschine auf nassen Oberflächen, an Hanglagen, mit hohen Geschwindigkeiten oder mit Volllast einsetzen. Bei Volllast ist der Bremsweg verlängert.
Halten Sie Unbeteiligte von der Maschine fern. Schauen Sie vor dem Rückwärtsfahren nach hinten und stellen Sie sicher, dass sich niemand hinter der Maschine aufhält. Fahren Sie im Rückwärtsgang nur langsam.
Seien Sie besonders vorsichtig und vermeiden Sie es, die Maschine mit angehobener Fangbox zu bewegen.
Halten Sie Unbeteiligten von der Maschine fern, wenn Sie die Fangbox absenken.
Parken Sie die Maschine auf einer ebenen Fläche.
Stellen Sie den Fangbox-Hubhebel nach hinten, um die Fangbox anzuheben (Bild 23).

Parken Sie die Maschine auf einer ebenen Fläche.
Stellen Sie den Fangbox-Hubhebel nach hinten, um die Fangbox abzusenken (Bild 24).

Note: Sie können die Fangbox bei jeder Höhe entleeren.
Stellen Sie die Maschine auf einer ebenen Fläche ab.
Stellen Sie den Entleerungshebel für die Fangbox nach hinten, um das Schnittgut aus der Fangbox auszukippen (Bild 25).
Note: Die Fangboxklappe wird automatisch beim Entleeren der Fangbox entriegelt.

Parken Sie die Maschine auf einer ebenen Fläche.
Stellen Sie nach dem Entleeren den Entleerungshebel nach vorne, um die Fangbox zu schließen (Bild 26).
Note: Die Fangboxklappe wird automatisch beim Schließen der Fangbox verriegelt.

Stellen Sie die Maschine auf einer ebenen Fläche ab.
Kuppeln Sie die Zapfwelle aus, senken das Mähwerk ab und aktivieren Sie die Feststellbremse.
Heben Sie die Fangbox an und befestigen sie, siehe Anheben der Fangbox und Befestigen der Fangbox in der angehobenen Stellung.
Stellen Sie den Motor ab und ziehen Sie den Zündschlüssel ab.
Klappen Sie den Sitz hoch.
Entriegeln Sie den Auswurfkanal (Bild 27).

Nehmen Sie den Auswurfkanal mit dem Griff am Auswurfkanal ab und entfernen Sie Verstopfungen vom Auswurfkanal und der Öffnung der Schneideinheit (Bild 27).
Montieren Sie den Auswurfkanal und verriegeln ihn mit den Riegeln (Bild 27).
Senken Sie die Fangbox ab, siehe Absenken der Fangbox.
Wenn der Fangboxsensor aktiviert und die Zapfwelle automatisch ausgekuppelt wird, wenn die Fangbox nicht voll ist oder der Auswurfkanal vor der Aktivierung des Sensors verstopft, müssen Sie die Stellung des Sensors anpassen.
Stellen Sie den Sensor wie folgt ein:
Öffnen Sie die Fangboxklappe und halten Sie sie mit der Stützstange offen.
Stellen Sie den Fangboxsensor basierend auf Folgendem ein:
Drehen Sie den Sensor für normales Gras und normale Wetterbedingungen in die mittlere Stellung (Bild 28).
Drehen Sie den Sensor nach unten, wenn das Gras nass oder dicht ist, Sie Laub aufsammeln oder die Fangbox gefüllt ist, bevor der Sensor aktiviert wird (Bild 28).
Drehen Sie den Sensor nach oben, wenn das Gras trocken oder dünn ist oder die Schneideinheit ausgekuppelt wird, bevor die Fangbox voll ist (Bild 28).

Sie können die Schnitthöhe von 2,5 mm bis 9 cm mit dem Schnitthöhenschalter einstellen.
Drücken Sie den Schnitthöhenschalter (Bild 29) nach vorne, um die Schnitthöhe zu verringern. Drücken Sie den Schnitthöhenschalter nach hinten, um die Schnitthöhe zu erhöhen.
Lesen Sie die Schnitthöhe an der Schnitthöhenanzeige ab, um sicherzustellen, dass Sie mit der gewünschten Schnitthöhe mähen.
Überwachen Schnitthöhenanzeige beim Mähen und stellen Sie die Schnitthöhe bei Bedarf ein.

Note: Wenn Sie den Fahrersitz verlassen, während sich der Zapfwellenschalter in der ON-Stellung befindet, wird automatisch der Motor der Maschine abgestellt.
Führen Sie die folgenden Schritte aus, um die Zapfwellenfunktion zurückzusetzen:
Drücken Sie das Handrad des Zapfwellenschalters hinein.
Drehen Sie den Zündschlüssel in die AUS-Stellung.
Drehen Sie den Schlüssel in die EIN/GLüHKERZEN-Stellung und lassen Sie den Motor an.
Ziehen Sie das Handrad des Zapfwellenschalters heraus.
Üben Sie vor dem Einsatz das Fahren mit der Maschine, da sie ein hydrostatisches Getriebe hat, dessen Fahrverhalten sich von vielen anderen Rasenpflegemaschinen unterscheidet.
Stellen Sie das Fahrpedal so ein, dass die Motordrehzahl hoch und in etwa gleich bleibt, um beim Mähen eine ausreichende Leistung für die Maschine und die Schneideinheit zu erhalten. Verringern Sie bei zunehmender Belastung der Schnittmesser die Fahrgeschwindigkeit und erhöhen diese, wenn die Belastung der Messer abnimmt. Dann kann der Motor zusammen mit dem Getriebe die richtige Fahrgeschwindigkeit erkennen und eine hohe Geschwindigkeit der Messerspitzen für eine gute Schnittqualität erhalten. Lassen Sie deshalb das Fahrpedal bei abnehmender Motordrehzahl zurückgehen und drücken Sie es wieder herunter, wenn sich die Drehzahl erhöht. Wenn Sie jedoch ohne Belastung und mit angehobener Schneideinheit von einem Arbeitsbereich zum anderen fahren, stellen Sie die Gasbedienung in die SCHNELL-Stellung und treten das Fahrpedal langsam ganz durch, um die höchste Fahrgeschwindigkeit zu erzielen.
Kuppeln Sie vor dem Abstellen des Motors alle Bedienelemente aus (NEUTRAL-Stellung) und stellen Sie die Gasbedienung auf die LANGSAM-Stellung. Drehen Sie das Zündschloss in die AUS-Stellung, um den Motor abzustellen.
Wenn die Temperatur des Motorkühlmittels zu hoch ist, läuft der Motor nicht. Lassen Sie den Motor und das Kühlsystem abkühlen, prüfen das Kühlsystem, siehe Kühlsystem und Füllstand prüfen.
Sie sollten bei der Bedienung der Maschine einen 16-mm-Schraubenschlüssel bei sich tragen. Öffnen Sie mit dem Schlüssel das Sicherheitsventil, wenn Sie die Maschine schieben oder abschleppen müssen (Bild 30).
Stellen Sie vor dem Verlassen des Fahrersitzes den Motor ab, ziehen Sie den Schlüssel ab und warten Sie, bis alle beweglichen Teile zum Stillstand gekommen sind. Lassen Sie die Maschine abkühlen, bevor Sie diese einstellen, warten, reinigen oder einlagern.
Um Brände zu vermeiden, stellen Sie sicher, dass Mähwerke, Antriebe, Schalldämpfer, Kühlsiebe und der Motorraum frei von Gras und Schmutzablagerungen sind. Wischen Sie Öl- und Kraftstoffverschüttungen auf.
Befinden sich die Mähwerke in der Transport-Stellung, verwenden Sie die formschlüssige mechanische Sicherung (sofern vorhanden), bevor Sie die Maschine unbeaufsichtigt lassen.
Lassen Sie den Motor abkühlen, bevor Sie die Maschine in einem geschlossenen Raum abstellen.
Ziehen Sie den Schlüssel ab und schließen Sie den Kraftstoffhahn (falls vorhanden), bevor Sie die Maschine einlagern oder schleppen.
Lagern Sie die Maschine oder den Benzinkanister nie an Orten mit offener Flamme, Funken oder Zündflamme, z. B. Warmwasserbereiter, oder andere Geräte.
Den/die Sicherheitsgurt(e) bei Bedarf warten und reinigen
Vom Bediener bereitgestelltes Werkzeug: ein 16-mm-Schraubenschlüssel
Im Notfall können Sie die Maschine über eine kurze Strecke abschleppen. Das sollte jedoch wirklich nur in Notfällen gemacht werden.
Important: Schleppen Sie die Maschine nie mit einer Geschwindigkeit über 3-5 km/h ab, da sonst kann das Getriebe beschädigt werden kann. Schieben oder schleppen Sie die Maschine nicht weiter als 100 m. Verwenden Sie einen Pritschenwagen oder Anhänger, wenn Sie die Maschine über eine größere Strecke transportieren möchten. Wenn Sie die Maschine schieben oder abschleppen, muss das Sicherheitsventil immer geöffnet werden.
Gehen Sie beim Verladen und Abladen der Maschine auf einen/von einem Anhänger oder Pritschenwagen vorsichtig vor.
Verwenden Sie durchgehende Rampen für das Verladen der Maschine auf einen Anhänger oder Pritschenwagen.
Senken Sie die Schneideinheit vollständig ab, bevor Sie die Maschine vergurten.
Vergurten Sie die Maschine mit Riemen, Ketten, Kabeln oder Seilen fest am Transportfahrzeug. Fluchten Sie die vorderen und hinteren Riemen nach unten und außerhalb der Maschine aus.
Important: Führen Sie keine Spanngurte, Ketten, Kabel oder Seile über die Bedienerplattform.
Stecken Sie eine Schraube oder einen Deichselstift in die Anbauvorrichtung und verwenden dies als hintere Vergurtungsstelle (Bild 33).

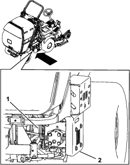
Drehen Sie den Kühler, siehe Zugang zum Motor von der linken Seite.
Stellen Sie einen Wagenheber unter das Rahmenrohr (Bild 34 und Bild 35), direkt unter das Überrollschutzrohr oder so nahe wie möglich.


Bocken Sie das Heck an der rechten oder linken Seite an den Hebestellen auf, die in Bild 36 abgebildet sind.

Ihre Maschine kann Anhänger mit einem maximalen Gesamtgewicht (zGG) auf ebenem Gelände von bis zu 200 kg ziehen. Verwenden Sie beim Ziehen eines Anhängers einen Deichselstift (Bild 33).
Important: Überladen Sie beim Transport von Gütern oder beim Ziehen eines Anhängers die Maschine oder den Anhänger nicht. Eine Überlastung kann zu Leistungseinbußen oder Schäden an den hydraulischen Antriebseinheiten, den Reifen und dem Rahmen führen.
Note: Laden Sie ein kostenfreies Exemplar des elektrischen oder hydraulischen Schaltbilds von www.Toro.com herunter und suchen Sie Ihre Maschine vom Link für die Bedienungsanleitungen auf der Homepage.
Important: Weitere Informationen zu Wartungsarbeiten finden Sie in der Motorbedienungsanleitung.
Wenn Sie den Zündschlüssel im Zündschloss stecken lassen, könnte eine andere Person den Motor versehentlich anlassen und Sie und Unbeteiligte schwer verletzen.
Ziehen Sie den Schlüssel aus dem Zündschloss, bevor Sie Wartungsarbeiten durchführen.
| Wartungsintervall | Wartungsmaßnahmen |
|---|---|
| Nach der ersten Betriebsstunde |
|
| Nach 10 Betriebsstunden |
|
| Nach 50 Betriebsstunden |
|
| Nach 100 Betriebsstunden |
|
| Nach 500 Betriebsstunden |
|
| Bei jeder Verwendung oder täglich |
|
| Alle 25 Betriebsstunden |
|
| Alle 40 Betriebsstunden |
|
| Alle 50 Betriebsstunden |
|
| Alle 75 Betriebsstunden |
|
| Alle 100 Betriebsstunden |
|
| Alle 150 Betriebsstunden |
|
| Alle 200 Betriebsstunden |
|
| Alle 300 Betriebsstunden |
|
| Alle 400 Betriebsstunden |
|
| Alle 1000 Betriebsstunden |
|
| Alle 1500 Betriebsstunden |
|
Kopieren Sie diese Seite für regelmäßige Verwendung.
| Wartungsprüfpunkt | Für KW: | ||||||
|---|---|---|---|---|---|---|---|
| Montag | Dienstag | Mittwoch | Donnerstag | Freitag | Samstag | Sonntag | |
| Prüfen Sie die Funktion der Sicherheitsschalter. | |||||||
| Stellen Sie sicher, dass der Überrollbügel hochgeklappt und arretiert ist. | |||||||
| Prüfen Sie die Funktion der Bremsen. | |||||||
| Prüfen Sie den Kraftstoffstand. | |||||||
| Prüfen Sie den Motorölstand. | |||||||
| Prüfen Sie den Stand des Kühlsystems. | |||||||
| Prüfen Sie den Kühler und das -gitter auf Sauberkeit. | |||||||
| Achten Sie auf ungewöhnliche Motorengeräusche.1. | |||||||
| Achten Sie auf ungewöhnliche Betriebsgeräusche. | |||||||
| Prüfen Sie den Stand des Hydrauliköls. | |||||||
| Prüfen Sie die Hydraulikschläuche auf Defekte. | |||||||
| Prüfen Sie die Dichtheit. | |||||||
| Prüfen Sie den Reifendruck. | |||||||
| Prüfen Sie die Funktion der Instrumentenanzeige. | |||||||
| Prüfen Sie den Messerzustand. | |||||||
| Schmieren Sie alle Schmiernippel ein.2 | |||||||
| Bessern Sie alle Lackschäden aus. | |||||||
|
1. Prüfen Sie bei schwerem Starten, zu starkem Qualmen oder unruhigem Lauf die Glühkerzen und Einspritzdüsen. 2. Unmittelbar nach jeder Wäsche, ungeachtet des aufgeführten Intervalls. |
|||||||
Important: Weitere Informationen zu Wartungsarbeiten finden Sie in der Motorbedienungsanleitung.
| Aufzeichnungen irgendwelcher Probleme | ||
| Inspiziert durch: | ||
| Punkt | Datum | Informationen |
Bevor Sie den Fahrerstand verlassen, gehen Sie wie folgt vor:
Stellen Sie die Maschine auf einer ebenen Fläche ab.
Kuppeln Sie die Zapfwelle aus und senken Sie die Anbaugeräte ab.
Aktivieren Sie die Feststellbremse.
Stellen Sie den Motor ab und ziehen Sie den Schlüssel ab.
Warten Sie, bis alle beweglichen Teile zum Stillstand gekommen sind.
Tragen Sie geeignete Kleidung, u. a. eine Schutzbrille, lange Hose und rutschfeste Arbeitsschuhe. Halten Sie Hände, Füße, Kleidung, Schmuck und lange Haare von beweglichen Teilen fern.
Wenn Sie den Schlüssel im Zündschloss lassen, könnte eine andere Person den Motor versehentlich anlassen und Sie und Unbeteiligte schwer verletzen. Ziehen Sie den Schlüssel aus dem Zündschloss, bevor Sie Wartungsarbeiten durchführen.
Lassen Sie alle Maschinenteile abkühlen, ehe Sie mit Wartungsarbeiten beginnen.
Befinden sich die Mähwerke in der Transport-Stellung, verwenden Sie die formschlüssige mechanische Sicherung (sofern vorhanden), bevor Sie die Maschine unbeaufsichtigt lassen.
Führen Sie Wartungsarbeiten möglichst nicht bei laufendem Motor durch. Fassen Sie keine beweglichen Teile an.
Betreiben Sie den Motor nur in gut belüfteten Bereichen. Die Abgase enthalten Kohlenmonoxid, das beim Einatmen tödlich ist.
Stützen Sie die Maschine mit Achsständern ab, wenn Sie Arbeiten unter der Maschine ausführen.
Lassen Sie den Druck aus Maschinenteilen mit gespeicherter Energie vorsichtig ab.
Alle Teile der Maschine müssen sich in gutem Zustand befinden, und alle Hardware – insbesondere die Messerbefestigungen – korrekt festgezogen sein.
Ersetzen Sie abgenutzte und beschädigte Aufkleber.
Verwenden Sie nur Originalersatzteile von Toro, um eine sichere und optimale Leistung zu gewährleisten. Ersatzteile anderer Hersteller können gefährlich sein und eine Verwendung könnte die Garantie ungültig machen.
Parken Sie die Maschine auf einer ebenen Fläche.
Heben Sie die Fangbox ganz an, siehe Anheben der Fangbox.
Befestigen Sie die Fangbox wie folgt:
Drücken Sie den Stift an der magnetischen Sicherheitsarretierung nach innen (Bild 37).
Halten Sie den Stift weiterhin fest und senken die magnetische Sicherheitsarretierung in den Hydraulikzylinder ab (Bild 37).
Wiederholen Sie die Schritte 1 und 2 an der anderen Seite.

| Wartungsintervall | Wartungsmaßnahmen |
|---|---|
| Alle 40 Betriebsstunden |
|
Schmierfettsorte: Nr. 2 Allzweckschmierfett auf Lithiumbasis
Important: Staubige und schmutzige Bedingungen können dazu führen, dass Schmutz in die Lager und Büchsen eindringt, was den Verschleiß beschleunigt.
Note: Fetten Sie die Schmiernippel ungeachtet des aufgeführten Intervalls unmittelbar nach jeder Reinigung ein.
Entfernen Sie die Schrauben an der Vorderseite der Abdeckung und nehmen Sie die Riemenabdeckung ab.
Wischen Sie die Schmiernippel ab, um das Eindringen von Fremdkörpern in das Lager oder die Büchse zu vermeiden.
Pressen Sie Fett in die Lager und Büchsen.
Wischen Sie überflüssiges Fett ab.
Befestigen der Riemenabdeckung und der Schrauben.

| Wartungsintervall | Wartungsmaßnahmen |
|---|---|
| Alle 40 Betriebsstunden |
|
Schmierfettsorte: Nr. 2 Allzweckschmierfett auf Lithiumbasis
Important: Staubige und schmutzige Bedingungen können dazu führen, dass Schmutz in die Lager und Büchsen eindringt, was den Verschleiß beschleunigt.
Note: Fetten Sie die Schmiernippel ungeachtet des aufgeführten Intervalls unmittelbar nach jeder Reinigung ein.
Wischen Sie die Schmiernippel ab, um das Eindringen von Fremdkörpern in das Lager oder die Büchse zu vermeiden.
Pressen Sie Fett in die Lager und Büchsen.
Wischen Sie überflüssiges Fett ab.
Die Schmierstellen für die Lager und die Büchsen sind:
Fahrpedal-Drehbüchse (Bild 39)

Schneideinheithubarm-Drehpunkte (Bild 40)

Entfernen Sie die Abdeckung und schmieren Sie die Halterung der Spannscheibe der Zapfwelle (Bild 41)

Getriebespannscheibe (Bild 42).

Vorderradlager (Bild 43)

Fangboxarme (Bild 44)

Fangbox- und Lenkungsdrehpunkte (Bild 45)

Zylinderdrehzapfen der Fangbox und Drehzapfen der Hinterachse (Bild 46)

| Wartungsintervall | Wartungsmaßnahmen |
|---|---|
| Alle 200 Betriebsstunden |
|
Schmierfettsorte: Nr. 2 Allzweckschmierfett auf Lithiumbasis
Important: Staubige und schmutzige Bedingungen können dazu führen, dass Schmutz in die Lager und Büchsen eindringt, was den Verschleiß beschleunigt.
Note: Fetten Sie die Schmiernippel ungeachtet des aufgeführten Intervalls unmittelbar nach jeder Reinigung ein.
Wischen Sie die Schmiernippel ab, um das Eindringen von Fremdkörpern in das Lager oder die Büchse zu vermeiden.
Pressen Sie Fett in die Lager und Büchsen.
Wischen Sie überflüssiges Fett ab.
Entfernen Sie die Schraube und öffnen Sie das vordere Schutzblech.
| Wartungsintervall | Wartungsmaßnahmen |
|---|---|
| Alle 100 Betriebsstunden |
|
Schmierfettsorte: Gleitmittel
Trennen Sie die Antriebswelle vom Getriebe der Schneideinheit, siehe Trennen Sie die Antriebswelle vom Mähwerkgetriebe ab..
Ziehen Sie die vordere Hälfte der Antriebswelle (Bild 49) um 25 cm nach vorne.

Reinigen Sie die Keile der Getriebewelle und die Keile der Antriebswelle (Bild 49).
Reinigen Sie die Gleitoberfläche der vorderen Antriebswelle (Bild 49).
Tragen Sie Gleitmittel auf die Keile der Getriebewelle und der Antriebsgelenkkupplung auf (Bild 49).
Tragen Sie Gleitmittel auf die Gleitoberfläche der vorderen Antriebswelle auf (Bild 49).
Schieben Sie die vordere Hälfte der Antriebswelle nach hinten, um die Antriebsgelenkkupplung mit der Getriebewelle auszufluchten.
Wischen Sie überschüssiges Gleitmittel von der Antriebswelle ab.
Schließen Sie die Antriebswelle an das Getriebe der Schneideinheit an, siehe Anschließen der Antriebswelle an das Getriebe der Schneideinheit.
Stellen Sie den Motor ab und ziehen den Schlüssel ab, bevor Sie den Ölstand prüfen oder Öl in das Kurbelgehäuse einfüllen.
Ändern Sie nicht die Geschwindigkeit des Drehzahlreglers oder überdrehen den Motor.
Important: Verwenden Sie diese Schritte, um an den Motor zu gelangen, wenn der Motor nicht läuft.
Note: Wenn Schnittgut in der Fangbox ist, wenn Sie sie manuell drehen, fällt das Schnittgut heraus.
Drehen Sie die Fangbox von Hand auf oder heben Sie diese ganz an und befestigen Sie sie mit den magnetischen Sicherheitsarretierungen, siehe Anheben der Fangbox und Befestigen der Fangbox in der angehobenen Stellung.
Entfernen Sie die Befestigungen und heben Sie die Abdeckung an, um an den Motor zu gelangen (Bild 52).

Drücken Sie die Verriegelung nach unten und senken Sie den Kühler ab, um an den Motor zu gelangen (Bild 53).

Note: Wechseln Sie den Luftfilter bei besonders viel Staub und Sand im Arbeitsbereich häufiger (sogar alle paar Stunden).
| Wartungsintervall | Wartungsmaßnahmen |
|---|---|
| Alle 50 Betriebsstunden |
|
Prüfen Sie das Luftfiltergehäuse auf Beschädigungen, die eventuell zu einem Luftaustritt führen können. Ersetzen Sie ein beschädigtes Luftfiltergehäuse.
Reinigen Sie die Luftfilterabdeckung, wie in Bild 54 abgebildet.

| Wartungsintervall | Wartungsmaßnahmen |
|---|---|
| Bei jeder Verwendung oder täglich |
|
| Alle 100 Betriebsstunden |
|
Schieben Sie den Hauptfilter vorsichtig aus dem Luftfiltergehäuse heraus (Bild 55).
Note: Vermeiden Sie ein Anstoßen des Filters an der Seite des Gehäuses.
Important: Versuchen Sie nicht, den Hauptfilter zu reinigen.

Nehmen Sie den Sicherheitsfilter ab (falls vorhanden).
Note: Nehmen Sie den Sicherheitsfilter nur heraus, wenn Sie ihn auswechseln möchten.
Important: Versuchen Sie nie, den Sicherheitsfilter zu reinigen. Wenn der Sicherheitsfilter verschmutzt ist, ist der Hauptfilter defekt. Dann müssen Sie beide Filter austauschen.
Prüfen Sie den/die neuen/neue Filter auf eventuelle Schäden, indem Sie in den Filter schauen, während Sie eine helle Lampe auf die Außenseite des Filters richten.
Note: Löcher im Filter erscheinen als helle Punkte. Untersuchen Sie den Einsatz auf Risse, einen öligen Film und Schäden an der Gummidichtung. Verwenden Sie einen beschädigten Filter nicht.
Wenn Sie den Sicherheitsfilter auswechseln, schieben Sie den neuen Filter vorsichtig in das Filtergehäuse (Bild 55).
Important: Lassen Sie den Motor immer mit beiden Luftfiltern und angebrachter Abdeckung laufen, um Motorschäden zu vermeiden.
Schieben Sie den neuen Hauptfilter auf den Sicherheitsfilter und stellen sicher, dass der Filter richtig eingesetzt ist, indem Sie beim Einbauen auf den äußeren Rand des Filters drücken.
Important: Drücken Sie nie auf die weiche Innenseite des Filters.
Bringen Sie die Luftfilterabdeckung so an, dass die Seite mit UP nach oben zeigt, und rasten Sie die Riegel ein (Bild 55).
Bei der Auslieferung der Maschine befindet sich bereits Öl im Kurbelgehäuse des Motors.
Fassungsvermögen des Kurbelgehäuses: Ca. 3,2 l mit Filter.
Empfohlenes Motoröl:
Motorölsorte: Erforderliche API-Klassifizierung: CH-4, CI-4 oder höher.
Viskosität des Motoröls: Siehe Tabelle unten.
Bevorzugte Ölsorte: SAE 15W-40 (wärmer als -18 °C)
Ersatzöl: SAE 10W-30 oder 5W-30 (alle Temperaturen)
Note: Premium Motoröl von Toro ist vom offiziellen Toro-Vertragshändler mit einer Viskosität von 15W-40 oder 10W-30 erhältlich. Die Bestellnummern finden Sie im Ersatzteilkatalog.

| Wartungsintervall | Wartungsmaßnahmen |
|---|---|
| Bei jeder Verwendung oder täglich |
|
Note: Der Stand des Motoröls sollte am besten bei kaltem Motor vor dem täglichen Anlassen geprüft werden. Wenn der Motor gelaufen ist, lassen Sie das Öl für 10 Minuten in die Wanne zurücklaufen, bevor Sie den Ölstand prüfen. Wenn der Ölstand an oder unter der unteren Markierung am Peilstab liegt, füllen Sie Öl auf, bis der Ölstand an der oberen Markierung liegt. Füllen Sie nicht zu viel ein. Wenn der Ölstand zwischen der oberen und unteren Markierung liegt, muss kein Öl nachgefüllt werden.
Senken Sie den Kühler ab und prüfen Sie den Motorölstand wie in Bild 53 und Bild 57 dargestellt.
Falls erforderlich, heben Sie den Fangbox in die vollständig angehobene Position, sichern Sie sie mit den magnetischen Sicherheitsarretierungen und heben Sie die Motorabdeckung an, nachdem Sie die Befestigungen der Abdeckung entfernt haben.

| Wartungsintervall | Wartungsmaßnahmen |
|---|---|
| Nach 50 Betriebsstunden |
|
| Alle 75 Betriebsstunden |
|
| Alle 150 Betriebsstunden |
|
Note: Wechseln Sie das Motoröl und den Motorölfilter bei extrem staubigen oder sandigen Bedingungen häufiger.
Lassen Sie den Motor an und lassen Sie ihn ca. 5 Minuten lang laufen, damit sich das Öl erwärmt.
Stellen Sie die Maschine auf einer ebenen Fläche ab.
Kuppeln Sie die Zapfwelle aus, senken das Mähwerk ab und aktivieren Sie die Feststellbremse.
Heben Sie die Fangbox an und befestigen sie und öffnen Sie die Motorabdeckplatte, siehe Zugang zum Motor von der Motorabdeckplatte.
Stellen Sie den Motor ab und ziehen Sie den Zündschlüssel ab.
Wechseln Sie das Motoröl und den -filter, wie in Bild 58 abgebildet.
Schließen Sie die Motorabdeckplatte und senken Sie die Fangbox ab; siehe Absenken der Fangbox.
Note: Ziehen Sie den Filter an, bis die Dichtung des Ölfilters den Motor berührt; drehen Sie ihn dann um eine weitere Dreivierteldrehung.

Note: Empfohlenen Kraftstoff finden Sie unter Betanken.
Unter gewissen Bedingungen sind Dieselkraftstoff und -dünste äußerst brennbar und explosiv. Feuer und Explosionen durch Kraftstoff können Sie und Unbeteiligte verletzen und Sachschäden verursachen.
Rauchen Sie nie beim Umgang mit Kraftstoff und halten einen Abstand zu offenen Flammen und Bereichen, in denen Kraftstoffdämpfe durch Funken entzündet werden könnten.
Diese Bedienungsanleitung enthält detailliertere Informationen zur Wartung des Kraftstoffs und des Kraftstoffsystems als die Bedienungsanleitung, die ein allgemeines Nachschlagewerk zum Thema Kraftstoff und Kraftstoffwartung darstellen.
Stellen Sie sicher, dass Sie wissen, dass die Wartung des Kraftstoffsystems, die Lagerung des Kraftstoffs und die Kraftstoffqualität Ihre Aufmerksamkeit erfordern, um Ausfallzeiten und umfangreiche Motorreparaturen zu vermeiden.
Für das Kraftstoffsystem gelten aufgrund der Emissions- und Kontrollanforderungen extrem enge Toleranzen. Die Qualität und Sauberkeit des Dieselkraftstoffs ist für die Langlebigkeit der heutigen Hochdruck-Common-Rail-Einspritzsysteme (HPCR) in Dieselmotoren von großer Bedeutung.
Important: Wasser oder Luft im Kraftstoffanlage beschädigt Ihren Motor! Gehen Sie nicht davon aus, dass neuer Kraftstoff sauber ist. Vergewissern Sie sich, dass Ihr Kraftstoff von einem Lieferanten stammt, der qualitativ hochwertigen Kraftstoff liefert. Lagern Sie den Kraftstoff korrekt und verbrauchen Sie Ihren Kraftstoffvorrat innerhalb von 180 Tagen.
Important: Die Nichtbeachtung der Anweisungen zum Austausch des Kraftstofffilters, zur Wartung des Kraftstoffsystems und zur Lagerung des Kraftstoffs kann zu einem vorzeitigen Ausfall des Kraftstoffsystems des Motors führen. Führen Sie alle Wartungsarbeiten am Kraftstoffsystem in den vorgeschriebenen Intervallen durch oder immer dann, wenn der Kraftstoff verunreinigt ist oder eine schlechte Qualität aufweist.
Die richtige Lagerung von Kraftstoff ist entscheidend für Ihren Motor. Die ordnungsgemäße Wartung von Kraftstofftanks wird oft vernachlässigt und führt zu einer Verunreinigung des an die Maschine gelieferten Kraftstoffs.
Beschaffen Sie nur so viel Kraftstoff, wie Sie innerhalb von 180 Tagen verbrauchen. Verwenden Sie keinen Kraftstoff, der länger als 180 Tage gelagert wurde. Dadurch werden Wasser und andere Verunreinigungen im Kraftstoff vermieden.
Wenn Sie das Wasser nicht aus dem Lagertank oder dem Kraftstofftank der Maschine entfernen, kann es zu Rost oder Verunreinigungen im Lagertank und in den Komponenten der Kraftstoffanlage führen. Durch Schimmel, Bakterien oder Pilze entstandener Tankschlamm behindert den Durchfluss und verstopft den Filter und die Kraftstoffeinspritzdüsen.
Überprüfen Sie Ihren Kraftstofftank und den Maschinentank regelmäßig zur Überwachung der Kraftstoffqualität im Tank.
Beziehen Sie ihren Kraftstoff von einem Qualitätsanbieter.
Wenn Sie Wasser oder Verunreinigungen in Ihrem Lagertank oder Maschinenkraftstofftank finden, arbeiten Sie mit Ihrem Kraftstoffanbieter zusammen, um das Problem zu beheben, und führen Sie alle Wartungsarbeiten am Kraftstoffsystem durch.
Lagern Sie Dieselkraftstoff nicht in Tanks oder Kanistern, die aus verzinkten Teilen bestehen.
Stellen Sie die Maschine auf einer ebenen Fläche ab.
Aktivieren Sie die Feststellbremse.
Warten Sie, bis der Motor vollständig abgekühlt ist.
Stellen Sie sicher, dass der Kraftstofftank mindestens halb voll ist.
Entriegeln Sie den Kühler, siehe Zugang zum Motor von der linken Seite.
Stellen Sie eine Auffangwanne unter die Entlüftungsschrauben.
Vergewissern Sie sich, dass der Hebel des Kraftstofffilters in der EIN-Stellung ist (Bild 59).
Öffnen Sie die erste Entlüftungsschraube an der Kraftstoffeinspritzpumpe (Bild 59).
Lassen Sie die Luft entweichen und warten Sie, bis der Kraftstoff austritt.
Wenn der Kraftstoff anfängt auszutreten, ziehen Sie die erste Entlüftungsschraube an (Bild 59).
Öffnen Sie die zweite Entlüftungsschraube an der Kraftstoffeinspritzpumpe (Bild 59).
Lassen Sie die Luft entweichen und warten Sie, bis der Kraftstoff austritt.
Wenn der Kraftstoff anfängt auszutreten, ziehen Sie die zweite Entlüftungsschraube an (Bild 59).

Note: Der Motor sollte nach diesen Schritten anspringen. Wenn der Motor jedoch nicht anspringt, können Luftblasen zwischen der Einspritzpumpe und den Einspritzdüsen stecken. Wenden Sie sich an den offiziellen Toro Vertragshändler.
Wischen Sie überschüssigen Kraftstoff ab, der sich um die Einspritzpumpe gesammelt hat.
| Wartungsintervall | Wartungsmaßnahmen |
|---|---|
| Alle 400 Betriebsstunden |
|
Reinigen Sie den Bereich um den Kraftstofffilter (Bild 60).
Drehen Sie den Kraftstofffilterhebel in die AUS-Stellung (Bild 60).
Entfernen Sie den Filter und reinigen Sie die Befestigungsoberfläche des Filters (Bild 60).
Fetten Sie den Filterdichtung mit sauberem Kraftstoff ein.
Setzen Sie die Filterbaugruppe in den Filterkopf ein.
Montieren Sie die Filterglocke und die Glockenmutter am Filterkopf und ziehen Sie die Mutter mit der Hand an.
Drehen Sie den Kraftstofffilterhebel in die EIN-Stellung (Bild 59).

Füllen Sie die Kraftstoffanlage vor, siehe Entlüften der Kraftstoffanlage.
Note: Reparieren Sie undichten Stellen in den Kraftstoffschläuchen, bevor Sie die Maschine verwenden.
| Wartungsintervall | Wartungsmaßnahmen |
|---|---|
| Alle 400 Betriebsstunden |
|
Leeren Sie den Kraftstofftank mit einer Absaugpumpe, wenn Sie die Maschine länger einlagern.
Wenn die Kraftstoffanlage verunreinigt ist, leeren Sie den Kraftstofftank mit einer Absaugpumpe, reinigen Sie den Tank und spülen ihn mit sauberem Dieselkraftstoff aus.

| Wartungsintervall | Wartungsmaßnahmen |
|---|---|
| Alle 400 Betriebsstunden |
|
Prüfen Sie die Kraftstoffleitungen auf Verschleiß, Defekte oder lockere Anschlüsse.
Klemmen Sie vor dem Durchführen von Reparaturen an der Maschine den Akku ab. Klemmen Sie immer zuerst die Minusklemme und dann die Plusklemme ab. Schließen Sie immer zuerst den Pluspol und dann den Minuspol an.
Laden Sie den Akku in offenen, gut gelüfteten Bereichen und nicht in der Nähe von Funken und offenem Feuer. Stecken Sie das Ladegerät aus, ehe Sie die Batterie anschließen oder abklemmen. Tragen Sie Schutzkleidung und verwenden Sie isoliertes Werkzeug.
Stellen Sie die Maschine auf einer ebenen Fläche ab.
Kuppeln Sie die Zapfwelle aus, senken das Mähwerk ab und aktivieren Sie die Feststellbremse.
Stellen Sie den Motor ab und ziehen Sie den Schlüssel ab.
Heben Sie die Fangbox an und befestigen Sie sie (Befestigen der Fangbox in der angehobenen Stellung).
Nehmen Sie die 2 Schrauben und Scheiben von der Batterieabdeckung ab (Bild 62).
Entfernen Sie die Batterieabdeckung (Bild 62).

| Wartungsintervall | Wartungsmaßnahmen |
|---|---|
| Alle 25 Betriebsstunden |
|
Important: Klemmen Sie vor Schweißarbeiten an der Maschine das negative Batteriekabel vom Batteriepol ab, um einer Beschädigung der elektrischen Anlage vorzubeugen.
Batteriepole und Metallwerkzeuge können an metallischen Teilen Kurzschlüsse verursachen, was Funken erzeugen kann. Funken können zum Explodieren der Gase in der Batterie führen und Verletzungen verursachen.
Beim Aus- und Einbau des Akkus verhindern, dass Akkupole mit Metallteilen der Maschine in Kontakt kommen.
Vermeiden Sie Kurzschlüsse zwischen metallischen Werkzeugen, den Akkupolen und metallischen Maschinenteilen.
Das unsachgemäße Verlegen der Akkukabel kann zu Schäden an der Maschine führen, und die Kabel können Funken erzeugen. Funken können zum Explodieren der Batteriegase führen, was Verletzungen zur Folge haben kann.
Trennen Sie immer das Minuskabel (Schwarz) ab, bevor Sie das Pluskabel (Rot) abtrennen.
Schließen Sie immer das Pluskabel (Rot) an, bevor Sie das Minuskabel (Schwarz) anschließen.
Stellen Sie die Maschine auf einer ebenen Fläche ab.
Kuppeln Sie die Zapfwelle aus, senken das Mähwerk ab und aktivieren Sie die Feststellbremse.
Stellen Sie den Motor ab und ziehen Sie den Schlüssel ab.
Greifen Sie auf die Batterie zu, siehe Freilegen der Batterie.
Nehmen Sie die Batterie heraus, wie in Bild 63 abgebildet.

Setzen Sie die Batterien ein, wie in Bild 64 abgebildet.

Beim Laden der Batterie werden Gase erzeugt, die explodieren können.
Rauchen Sie nie in der Nähe der Batterie und halten Sie Funken und offene Flammen von der Batterie fern.
Important: Halten Sie die Batterie immer vollständig geladen (Dichte 1.265). Dies ist besonders wichtig zum Verhüten von Batterieschäden, wenn die Temperatur unter 0 °C fällt.
Laden Sie die Batterie 10-15 Minuten lang mit 25 A bis 30 A oder 30 Minuten lang mit 10 A auf.
Wenn die Batterie ganz aufgeladen ist, ziehen Sie den Stecker des Ladegeräts aus der Dose. Klemmen Sie dann die Klemmen des Ladegeräts von den Batteriepolen ab (Bild 65).
Setzen Sie die Batterie in die Maschine ein und klemmen Sie die Batteriekabel an; siehe Einsetzen der Batterie.
Note: Lassen Sie die Maschine nie mit abgeklemmter Batterie laufen, sonst können elektrische Schäden entstehen.

Das Elektrosystem ist mit Sicherungen gesichert. Es sind keine Wartungsarbeiten erforderlich. Überprüfen Sie jedoch das/den entsprechende(n) Bauteil/Stromkreis auf Kurzschluss, wenn eine Sicherung durchbrennt.
Der Sicherungskasten und die Sicherungen befinden sich an der linken Seite des Bedienersitzes (Bild 66).

Verwenden Sie die folgende Tabelle beim Auswechseln einer Sicherung:
| Schaltkreis | Sicherungstyp |
| Schalter und Summer | 3 A |
| Heckfangsystem und Zapfwellenkupplung | 15 A |
| Elektronisches Steuergerät | 5 A |
| Schneideinheit | 15 A |
| Lichtmaschine und Armaturenbrett | 5 A |
| Rundumleuchte | 3 A |
| Motor | 15 A |
| Reserviert für Zubehör | 15 A |

Es gibt zwei Sicherungen (40 A), die den Hauptkabelbaum der Maschine schützen (Bild 68).

| Wartungsintervall | Wartungsmaßnahmen |
|---|---|
| Alle 40 Betriebsstunden |
|
Verhüten Sie eine Korrosion der Kabelklemmen, indem Sie deren Innenseite jedes Mal mit Grafo 112X-Schmierfett (Toro Bestellnummer 505-47) einfetten, wenn Sie den Kabelbaum austauschen.
Important: Wenn Sie am elektrischen System arbeiten, schließen Sie immer die Batteriekabel ab. Schließen Sie zuerst das Minuskabel (-) ab, um eine Kabelbeschädigung durch Kurzschlüsse zu vermeiden.
| Wartungsintervall | Wartungsmaßnahmen |
|---|---|
| Nach der ersten Betriebsstunde |
|
| Nach 10 Betriebsstunden |
|
| Alle 200 Betriebsstunden |
|
Drehmoment der Radmuttern: 85-90 N·m.
Ziehen Sie die Radmuttern an den Vorder- und Hinterrädern in einem kreuzförmigen Muster, wie in Bild 69 gezeigt, auf das angegebene Drehmoment an.

| Wartungsintervall | Wartungsmaßnahmen |
|---|---|
| Alle 200 Betriebsstunden |
|
Stellen Sie die Maschine auf einer ebenen Fläche ab.
Kuppeln Sie die Zapfwelle aus, senken das Mähwerk ab und aktivieren Sie die Feststellbremse.
Stellen Sie den Motor ab und ziehen Sie den Schlüssel ab.
Drehen Sie das Lenkrad so, dass die Hinterräder gerade nach vorne stehen.
Messen Sie den Abstand von Mitte zu Mitte in Höhe der Radnabe, vorne und hinten an den Hinterrädern.
Note: Die Vorspur der Hinterräder sollte bei entsprechender Einstellung korrekt ausfallen.
Wenn die Räder eine Vorspur oder Nachspur haben, stellen Sie die Räder ein, siehe Einstellen der Vorspur des Hinterrads.
Lockern Sie die Klemmmuttern an beiden Enden der linken und rechten Spurstangen.
Stellen Sie die beiden Spurstangen so ein, dass der Abstand von Mitte zu Mitte an der Vorder- und der Rückseite der Hinterräder gleich ist (Bild 70).
Nachdem Sie die Hinterräder richtig eingestellt haben, ziehen Sie die beiden Klemmmuttern wieder an den Spurstangen fest.

Die Lenkanschläge der Hinterachse verhindern eine zu große Bewegung des Lenkzylinders bei einem Druck auf die Hinterräder. Die Anschläge sollten so eingestellt sein, dass der Abstand zwischen dem Schraubenkopf und dem Gelenk an der Achse 0,23 cm beträgt, wenn das Lenkrad bis zum Anschlag nach rechts oder links gedreht ist.
Drehen Sie die Schrauben ein oder aus, bis der Abstand 2,3 mm beträgt, siehe Bild 71.

| Wartungsintervall | Wartungsmaßnahmen |
|---|---|
| Nach 500 Betriebsstunden |
|
| Alle 1000 Betriebsstunden |
|
Fassungsvermögen der Vorderachse: 1,5 l
Achsenölspezifikation: ISO VG220
Stellen Sie die Maschine auf einer ebenen Fläche ab.
Kuppeln Sie die Zapfwelle aus, senken das Mähwerk ab und aktivieren Sie die Feststellbremse.
Heben Sie die Fangbox an und befestigen Sie sie; siehe Anheben der Fangbox.
Drehen Sie den Sitz nach vorne.
Entfernen Sie den Auswurfkanal, siehe Entfernen von Verstopfungen aus dem Auswurfkanal.
Stellen Sie den Motor ab und ziehen Sie den Schlüssel ab.
Stellen Sie eine Auffangwanne unter die Ablassschraube.
Nehmen Sie die Ölablassschraube ab und lassen Sie das Öl ablaufen.

Setzen Sie die Ablassschraube wieder ein.
Drehen Sie die Füllschraube heraus.

Fügen Sie mit einem Trichter die richtige Menge Öl hinzu.
Montieren Sie den Auswurfkanal.
Senken Sie die Fangbox ab, siehe Absenken der Fangbox.
Ein Verschlucken von Motorkühlmittel kann zu Vergiftungen führen; Kinder und Haustiere sollten keinen Zugang zum Kühlmittel haben.
Ablassen von heißem, unter Druck stehendem Kühlmittel bzw. eine Berührung des heißen Kühlers und benachbarter Teile kann zu schweren Verbrennungen führen.
Lassen Sie den Motor immer für mindestens 15 Minuten abkühlen, bevor Sie den Kühlerdeckel abnehmen.
Verwenden Sie beim Öffnen des Kühlerdeckels einen Lappen und öffnen den Kühler langsam, damit Dampf ohne Gefährdung austreten kann.
Setzen Sie die Maschine nie mit abgenommenen Abdeckungen ein.
Halten Sie Finger, Hände und Kleidungsstücke vom sich drehenden Lüfter und dem Treibriemen fern.
Fassungsvermögen des Kühlsystems: 6,4 l
Empfohlene Kühlmittelart:
| Empfohlenes Kühlmittel |
|
Note: Das Kühlmittel muss dem ASTM-Standard 3306 entsprechen oder diesen übertreffen |
| Vorverdünntes Kühlmittel auf Glykolbasis (50/50-Gemisch) |
| oder |
| Kühlmittel auf Glykolbasis vermengt mit destilliertem Wasser (50/50-Gemisch) |
| oder |
| Kühlmittel auf Glykolbasis vermengt mit Wasser guter Qualität (50/50-Gemisch) |
| CaCO3 + MgCO3 <170 ppm |
| Chlorid <40 ppm (CI) |
| Schwefel < 100 ppm (SO4) |
| Wartungsintervall | Wartungsmaßnahmen |
|---|---|
| Bei jeder Verwendung oder täglich |
|
Wenn der Motor gelaufen ist, steht der Kühler unter Druck und das Kühlmittel ist heiß. Wenn Sie den Deckel abnehmen, kann das Kühlmittel herausspritzen und schwere Verbrennungen verursachen.
Entfernen Sie niemals den Deckel des Ausdehnungsgefäßes, um den Kühlmittelstand zu prüfen. Lesen Sie das Niveau an der Seite des Behälters ab.
Entfernen Sie niemals den Deckel des Ausdehnungsgefäßes, wenn der Motor heiß ist. Lassen Sie den Motor mindestens 15 Minuten lang oder so lange abkühlen, dass Sie den Kühlerdeckel berühren können, ohne Ihre Hand zu verbrennen.
Prüfen Sie den Kühlmittelstand im Ausdehnungsgefäß (Bild 7).
Wenn der Stand des Kühlmittels niedrig ist, nehmen Sie den Deckel des Ausdehnungsgefäßes ab und füllen Sie ggf. die empfohlene Kühlmittelsorte auf.
Verwenden Sie niemals pures Wasser oder Kühlmittel auf Alkoholbasis.Füllen Sie nicht zu viel ein.
Setzen Sie den Deckel des Ausdehnungsgefäßes auf.

| Wartungsintervall | Wartungsmaßnahmen |
|---|---|
| Bei jeder Verwendung oder täglich |
|
Halten Sie das Kühlergitter und den Kühler sauber, damit der Motor nicht überhitzt. Prüfen Sie das Kühlergitter und den Kühler auf Ansammlungen von Schnittgut, Staub und Rückständen, und entfernen Sie ggf. diese Rückstände (Bild 75).
| Wartungsintervall | Wartungsmaßnahmen |
|---|---|
| Alle 200 Betriebsstunden |
|
| Alle 1500 Betriebsstunden |
|
Note: Wenn die Zapfwelle aufgrund einer zu hohen Motortemperatur abgestellt wird, prüfen Sie zuerst das Kühlergitter und den Kühler auf starke Ablagerungen. Reinigen Sie das System, bevor Sie die Maschine verwenden. Stellen Sie den Motor nicht sofort ab, lassen Sie ihn ohne Last laufen, damit er abkühlt.
Reinigen Sie den Kühler wie folgt:
Entfernen Sie das Gitter.
Blasen Sie von der Lüfterseite des Kühlers Druckluft mit niedrigem Druck (1,72 bar) ein (verwenden Sie kein Wasser). Wiederholen Sie diesen Schritt von der Vorderseite des Kühlers und dann von der Lüfterseite.
Nach der gründlichen Reinigung des Kühlers beseitigen Sie Rückstände aus dem Schacht an der Unterseite des Kühlers.
Reinigen Sie das Kühlergitter und setzen Sie es in die Maschine ein.

| Wartungsintervall | Wartungsmaßnahmen |
|---|---|
| Nach 10 Betriebsstunden |
|
| Nach 50 Betriebsstunden |
|
Nach dem Einstellen der Betriebsbremsen nach den ersten 50 Betriebsstunden müssen die Bremsen ggf. nach längerer Nutzung eingestellt werden.
Stellen Sie die Maschine auf einer ebenen Fläche ab.
Kuppeln Sie die Zapfwelle aus, senken das Mähwerk ab und aktivieren Sie die Feststellbremse.
Stellen Sie den Motor ab und ziehen Sie den Schlüssel ab.
Lösen Sie die Feststellbremse (Bild 11).
Prüfen Sie den Spalt zwischen Scheibenbremsen und Bremsbelägen (Bild 76). Stellen Sie sicher, dass der Abstand zwischen 0,4 und 0,6 mm liegt.
Sollte eine Einstellung erforderlich sein, lösen Sie die vordere und hintere Klemmmutter des Bremszugs (Bild 76).

Ziehen Sie die Klemmmuttern an, um die Züge zu arretieren.
Prüfen Sie den Spalt mit gelöster Bremse.
Wiederholen Sie die Schritte 6 bis 8, bis Sie die Feststellbremse auf die gewünschte Stellung eingestellt haben.
| Wartungsintervall | Wartungsmaßnahmen |
|---|---|
| Alle 200 Betriebsstunden |
|
Prüfen Sie den Lichtmaschinenriemen auf Verschleiß oder Beschädigungen.
Note: Ersetzen Sie einen verschlissenen oder beschädigten Lichtmaschinenriemen.
| Wartungsintervall | Wartungsmaßnahmen |
|---|---|
| Nach 10 Betriebsstunden |
|
| Alle 200 Betriebsstunden |
|
Stellen Sie die Maschine auf einer ebenen Fläche ab.
Kuppeln Sie die Zapfwelle aus, senken das Mähwerk ab und aktivieren Sie die Feststellbremse.
Stellen Sie den Motor ab und ziehen Sie den Schlüssel ab.
Lösen Sie die Drehschraube der Lichtmaschine und die Arretierschraube (Bild 77).
Ziehen Sie den Lichtmaschinenriemen an, bis Sie in der Mitte zwischen den Riemenscheiben eine Durchbiegung von 10 mm erreichen, wenn Sie eine Kraft von 4,5 kg anwenden.
Ziehen Sie die Arretierschraube der Lichtmaschine an (Bild 77).
Ziehen Sie die Drehschraube der Lichtmaschine an (Bild 77).

| Wartungsintervall | Wartungsmaßnahmen |
|---|---|
| Nach 10 Betriebsstunden |
|
| Nach 50 Betriebsstunden |
|
| Alle 200 Betriebsstunden |
|
Stellen Sie die Maschine auf einer ebenen Fläche ab.
Kuppeln Sie die Zapfwelle aus, senken das Mähwerk ab und aktivieren Sie die Feststellbremse.
Stellen Sie den Motor ab und ziehen Sie den Schlüssel ab.
Schauen Sie auf den Pfeil der Spannungsanzeige an der Spannvorrichtung der Spannscheibe.
Die äußere Oberfläche der Scheibe sollte mit dem Pfeil der Spannungsanzeige ausgefluchtet sein
Drehen Sie ggf. die Mutter für die Spannscheiben-Spannvorrichtung, bis der Pfeil der Spannungsanzeige mit der äußeren Oberfläche der Scheibe ausgefluchtet ist (Bild 78).

Important: Tauschen Sie die Zapfwellenriemen als passendes Set aus.
Stellen Sie die Maschine auf einer ebenen Fläche ab.
Kuppeln Sie die Zapfwelle aus, senken das Mähwerk ab und aktivieren Sie die Feststellbremse.
Stellen Sie den Motor ab und ziehen Sie den Schlüssel ab.
Greifen Sie auf die linke und obere Seite des Motors zu, siehe Zugang zum Motor von der Motorabdeckplatte und Zugang zum Motor von der linken Seite.
Ziehen Sie den Kabelstecker für die Kupplung ab (Bild 79).
Entfernen Sie die drei Schrauben und drei Muttern, mit denen die Kupplungshalterung am Rahmen und an der Kupplung befestigt ist (Bild 79).

Lockern Sie die Mutter für die Spannscheiben-Spannvorrichtung; siehe Prüfen der Spannung des Zapfwellenriemens.
Bewegen Sie die Spannscheibe nach oben und nehmen Sie die Riemen von der Maschine ab (Bild 78).
Fluchten Sie die Zapfwellenriemen über den Riemenscheiben aus (Bild 78).
Montieren Sie den Kupplungsbügel am Rahmen und an der Kupplung mit den zuvor entfernten Schrauben und Muttern; siehe Entfernen der Zapfwellenriemen.
Ziehen Sie die Mutter für die Spannscheiben-Spannvorrichtung an, siehe Prüfen der Spannung des Zapfwellenriemens.
Schließen Sie den Kühler an der Maschine, siehe Zugang zum Motor von der linken Seite.
Sie können das Fahrpedal für den Bedienerkomfort oder zur Verringerung oder Erhöhung der maximalen Vorwärtsgeschwindigkeit der Maschine einstellen.
Sie können das Fahrpedal auch zur Verringerung oder Erhöhung der maximalen Rückwärtsfahrgeschwindigkeit der Maschine einstellen.
Drücken Sie das Fahrpedal ganz durch (Bild 80).
Für die Höchstgeschwindigkeit sollte ein 3 mm großer Abstand zwischen dem Fahrpedal und dem Fahrpedalanschlag bestehen.

Wenn Sie die Vorwärtsgeschwindigkeit der Maschine verringern möchten, führen Sie Folgendes aus:
Halten Sie den Vorwärts-Fahrpedalanschlag mit einem Schraubenschlüssel fest und lösen Sie die Klemmmutter an der Rückseite der Halterung (Bild 80).
Stellen Sie das Fahrpedal in die gewünschte Stellung (Bild 80).
Stellen Sie die Klemmmutter an der Rückseite der Halterung ein, bis der Fahrpedalanschlag das Fahrpedal berührt (Bild 80).
Note: Wenn Sie den Fahrpedalanschlag verkürzen, erhöhen Sie die Vorwärtsgeschwindigkeit der Maschine.
Halten Sie den Fahrpedalanschlag fest und ziehen Sie die Klemmmutter an der Vorderseite der Halterung mit 37-45 N·m an.
Wenn eine weitere Einstellung erforderlich ist, stellen Sie das Fahrpedal wie folgt ein:
Stellen Sie die Maschine auf einer ebenen Fläche ab.
Kuppeln Sie die Zapfwelle aus, senken das Mähwerk ab und aktivieren Sie die Feststellbremse.
Stellen Sie den Motor ab und ziehen Sie den Schlüssel ab.
Lösen Sie die Klemmmutter, die das Stangenendlager des Antriebsbowdenzugs am Pedal sichert (Bild 81).
Nehmen Sie die Schraube und die Mutter ab, mit denen das Stangenendlager des Antriebsbowdenzugs am Pedal befestigt ist (Bild 81).
Drehen Sie das Stangenendlager so lange, bis Sie die gewünschte Länge erzielt haben.
Ziehen Sie die Klemmmutter (Bild 81) fest und befestigen Sie das Stangenendlager mit der abgenommenen Schraube und Mutter am Fahrpedal, um den Winkel des Pedals zu arretieren.

Suchen Sie beim Einspritzen unter die Haut sofort einen Arzt auf. In die Haut eingedrungene Flüssigkeit muss sie innerhalb weniger Stunden von einem Arzt entfernt werden.
Stellen Sie sicher, dass alle Hydraulikschläuche und -leitungen in gutem Zustand und alle Hydraulikverbindungen und -anschlussstücke fest angezogen sind, bevor Sie die Hydraulikanlage unter Druck setzen.
Halten Sie Ihren Körper und Ihre Hände von Nadellöchern und Düsen fern, aus denen Hydrauliköl unter hohem Druck ausgestoßen wird.
Gehen Sie hydraulischen Undichtheiten nur mit Pappe oder Papier nach.
Lassen Sie den Druck im Hydrauliksystem sicher ab, bevor Sie Arbeiten am Hydrauliksystem durchführen.
Der Hydraulikölbehälter wird im Werk mit Qualitätshydrauliköl gefüllt. Prüfen Sie den Hydraulikölstand vor dem ersten Anlassen des Motors und dann täglich.
Viskosität des Hydrauliköls: 5W-50
Verwenden Sie Flüssigkeiten, die alle folgenden Materialeigenschaften und technischen Spezifikationen erfüllen. Wenden Sie sich an den Ölhändler, um einen entsprechenden Ersatz zu finden.
Note: Toro haftet nicht für Schäden, die aus einer unsachgemäßen Substitution entstehen. Verwenden Sie also nur Erzeugnisse namhafter Hersteller, die für die Qualität ihrer Produkte garantieren.
| Materialeigenschaften: | ||
| Viskosität, ASTM D445 | St @ 40 °C 42 bis 50 | |
| St @ 100 °C 7.6 bis 8,5 | ||
| Viskositätsindex ASTM D2270 | 140 oder höher | |
| Stockpunkt, ASTM D97 | -40°F bis -49°F | |
| FZG, Defektphase | 11 oder höher | |
| Wasseranteil (neue Flüssigkeit) | 500 ppm (Maximum) | |
| Industriespezifikationen: | Vickers I-286-S (Qualitätsstufe), Vickers M-2950-S (Qualitätsstufe), Denison HF-0 | |
Important: Nach unseren Erfahrungen hat sich ISO VG 46-Mehrbereichsöl bei verschiedenen Temperaturbedingungen als optimal erwiesen. Bei Einsatz der Maschine in konstant warmen Klima, 18 °C bis 49 °C, kann das Hydrauliköl ISO VG 68 die Leistung verbessern.
Important: Viele Hydraulikölsorten sind fast farblos, was das Ausfindigmachen von Undichtheiten erschwert. Als Beimischmittel für die Hydraulikanlage können Sie ein rotes Färbmittel in 20ml Flaschen beziehen. Eine Flasche reicht für 15-22 l Hydrauliköl. Erhältlich unter der Bestellnummer 44-2500 vom Toro-Vertragshändler.
Stellen Sie die Maschine auf einer ebenen Fläche ab.
Kuppeln Sie die Zapfwelle aus, senken das Mähwerk ab und aktivieren Sie die Feststellbremse.
Stellen Sie alle Bedienelemente in die NEUTRAL-Stellung und lassen Sie den Motor an.
Lassen Sie den Motor mit der niedrigsten Drehzahl laufen, um die Anlage zu entlüften.
Important: Kuppeln Sie die Zapfwelle nicht ein.
Drehen Sie das Lenkrad mehrmals ganz nach links und rechts und stellen Sie die Vorderräder dann wieder gerade.
| Wartungsintervall | Wartungsmaßnahmen |
|---|---|
| Bei jeder Verwendung oder täglich |
|
Parken Sie die Maschine auf einer ebenen Fläche.
Stellen Sie sicher, dass die Fangbox ganz abgesenkt und nivelliert ist, und dass die Schneideinheit abgesenkt ist.
Kuppeln Sie die Zapfwelle aus, aktivieren Sie die Feststellbremse, stellen Sie den Motor ab und ziehen den Schlüssel ab.
Nehmen Sie den Peilstab aus dem Hydraulikbehälter heraus und wischen Sie ihn mit einem sauberen Lappen ab (Bild 82).

Stecken Sie den Peilstab in den Einfüllstutzen und schrauben Sie den Peilstabdeckel auf den Einfüllstutzen.
Nehmen Sie den Peilstab wieder heraus und prüfen Sie den Ölstand (Bild 83).
Der Stand des Hydrauliköls ist normal, wenn der Stand zwischen den beiden Markierungen am Peilstab liegt.

Wenn der Ölstand unter der unteren Markierung am Peilstab liegt, füllen Sie die angegebene Hydraulikölsorte in den Einfüllstutzen (Bild 83), bis der Ölstand zwischen den zwei Markierung am Peilstab liegt.
Important: Füllen Sie den Hydraulikbehälter niemals mit Hydrauliköl, sodass der Stand über der oberen Markierung am Peilstab liegt.

Schrauben Sie den Peilstabdeckel auf den Füllstutzen.
Note: Ziehen Sie den Deckel nicht mit einem Schraubenschlüssel fest.
Prüfen Sie alle Schläuche und Anschlussstücke auf Dichtheit.
| Wartungsintervall | Wartungsmaßnahmen |
|---|---|
| Nach 100 Betriebsstunden |
|
| Alle 400 Betriebsstunden |
|
Fassungsvermögen des Hydraulikbehälters: ca. 6,7 l
Stellen Sie die Maschine auf einer ebenen Fläche ab.
Stellen Sie sicher, dass die Fangbox ganz abgesenkt und nivelliert ist, und dass die Schneideinheit angehoben ist.
Kuppeln Sie die Zapfwelle aus, aktivieren Sie die Feststellbremse, stellen Sie den Motor ab und ziehen den Schlüssel ab.
Stellen Sie eine Wanne unter die Hydraulikpumpe auf der rechten Seite, um das Hydrauliköl aufzufangen.
Um den Hydrauliktank zu entleeren, entfernen Sie den Deckel und lösen Sie den Hydraulikschlauch an der Seite der Hydraulikpumpe. (Bild 85).

Entfernen Sie den vorderen rechten Reifen.
Wechseln Sie den Hydraulikfilter aus, wie in Bild 86 abgebildet.

Füllen Sie die angegebene Hydraulikölsorte in den Einfüllstutzen, bis der Ölstand zwischen den zwei Markierung am Peilstab liegt (Bild 83).
Important: Füllen Sie den Hydraulikbehälter niemals mit Hydrauliköl, sodass der Stand über der oberen Markierung am Peilstab liegt.
Montieren Sie den rechten Vorderreifen, siehe Festziehen der Radmuttern
Lassen Sie den Motor an, bewegen das Lenkrad und die Mähwerk-Hubzylinder hin und her und prüfen Sie diese auf Lecks. Lassen Sie den Motor für ungefähr 5 Minuten laufen, und stellen Sie ihn dann ab.
Prüfen Sie den Stand des Hydrauliköls nach zwei Minuten, siehe Prüfen des Hydraulikölstands.
Important: Stellen Sie sicher, dass Sie den Grasauswurfkanal entfernt haben, bevor Sie diesen Schritt durchführen, sonst kann eine Beschädigung auftreten.
Stellen Sie die Maschine auf einer ebenen Fläche ab.
Kuppeln Sie die Zapfwelle aus, senken das Mähwerk ab und aktivieren Sie die Feststellbremse.
Heben Sie die Fangbox an und aktivieren Sie die magnetischen Sicherheitsarretierungen, siehe Befestigen der Fangbox in der angehobenen Stellung.
Entriegeln und entfernen Sie den Grasauswurfkanal, siehe Entfernen von Verstopfungen aus dem Auswurfkanal.
Ziehen Sie an den hinteren Verriegelungsstiften und drehen sie an beiden Seiten des Mähwerks.

Stellen Sie den Motor ab und ziehen Sie den Schlüssel ab.
Heben Sie die Bedienerplattform nach oben und rasten Sie den Verriegelungshebel ein (Bild 88).
Heben Sie das Mähwerk an, indem Sie es an der Vorderseite nach oben ziehen, bis es in der OBEREN Position einrastet.
Führen Sie die Wartung am Mähwerk durch.
Halten Sie das Mähwerk fest, ziehen Sie den Verriegelungshebel des Mähwerks nach oben und senken Sie das Mähwerk ab.

Stellen Sie sicher, dass die hinteren Verriegelungsstifte eingerastet sind (Bild 87).
Bringen Sie die Bedienerplattform wieder in die Arbeitsposition.
Heben Sie die Bedienerplattform an, sodass der Verriegelungshebel automatisch entriegelt wird und die Bedienerplattform wieder in die Arbeitsposition abgesenkt wird.
Setzen Sie den Grasauswurfkanal ein, drehen Sie den Bedienersitz und senken die Fangbox ab.
Halten Sie, damit eine optimale Schnittqualität sichergestellt wird, die Schnittmesser scharf. Halten Sie Ersatzschnittmesser zum Schärfen und Austauschen bereit.
Wechseln Sie die Messer aus, wenn sie einen festen Gegenstand berührt haben oder wenn diese nicht ausgewuchtet oder verbogen sind. Verwenden Sie nur Originalersatzmesser von Toro, damit Sie die beste Leistung erzielen und die Maschine weiterhin den Sicherheitsbestimmungen entspricht. Ersatzmesser anderer Hersteller erfüllen ggf. nicht die Sicherheitsbestimmungen.
Prüfen Sie das Messer regelmäßig auf Abnutzung und Defekte.
Kontrollieren Sie die Messer vorsichtig. Wickeln Sie die Messer in einen Lappen ein oder tragen Handschuhe; gehen Sie bei der Wartung der Messer mit besonderer Vorsicht vor. Wechseln oder schärfen Sie die Messer, sie dürfen keinesfalls geglättet oder geschweißt werden.
Denken Sie bei Maschinen mit mehreren Schnittmessern daran, dass ein rotierendes Schnittmesser das Mitdrehen anderer Schnittmesser verursachen kann.
Bereiten Sie das Mähwerk für die Wartung vor, siehe Anheben und Absenken des Mähwerks in Wartungsposition.
| Wartungsintervall | Wartungsmaßnahmen |
|---|---|
| Bei jeder Verwendung oder täglich |
|
Heben Sie das Mähwerk in die Wartungsposition.
Entfernen und schärfen Sie die Messer, wenn die Schnittkanten nicht scharf sind oder Auskerbungen aufweisen.
Prüfen Sie die Messer, insbesondere im Flügelbereich.
Wenn Sie Risse, Verschleiß oder Rillenbildung in diesem Bereich feststellen, sollten Sie sofort ein neues Schnittmesser einbauen.
Note: Da es ein linkes und ein rechtes Messer gibt, sollten Sie darauf achten, wie die Messer installiert sind.
Halten Sie das Ende des Messers mit einem Lappen oder stark wattierten Handschuh.
Entfernen Sie die Messerschraube, die gefederte Sicherungsscheibe, die Wellenscheibe und das Messer von der Spindelwelle (Bild 89).

Schärfen Sie die Schnittkante an beiden Enden des Messers mit einer Feile oder einem Werkzeug zum Schärfen (Bild 90).
Note: Behalten Sie den ursprünglichen Winkel bei.
Note: Das Messer bleibt ausgewuchtet, wenn Sie die gleiche Materialmenge von beiden Schnittkanten entfernen.

Prüfen Sie die Auswuchtung des Schnittmessers auf einer Ausgleichsmaschine (Bild 91).
Note: Wenn das Schnittmesser in der horizontalen Stellung bleibt, ist es ausgewuchtet und kann verwendet werden.
Note: Wenn das Messer nicht ausgewuchtet ist, feilen Sie etwas Metall vom schweren Ende des Messers im Flügelbereich ab (Bild 91).

Wiederholen Sie diesen Schritt, bis das Messer ausgewuchtet ist.
Note: Siehe Bild 89 für die korrekte Drehung und Installation der Messer.
Note: Für den Einbau des rechten Messers werden Linksgewinde verwendet.
Halten Sie das Ende des Messers mit einem Lappen oder stark wattierten Handschuh.
Befestigen Sie das Messer mit der vorher entfernten Messerschraube, der gefederten Sicherungsscheibe und der Wellenscheibe (Bild 89).
Important: Der Flügelbereich des Messers muss nach oben zur Innenseite des Mähwerks zeigen, um einen guten Schnitt sicherzustellen.
Ziehen Sie die Messerschraube mit 53 N·m an.
Drehen Sie die Viertelumdrehungsbefestigung und öffnen Sie die Abdeckung des Antriebsgelenks von der Riemenabdeckung (Bild 92).

Trennen Sie das vordere Ende der Antriebswelle vom Getriebe der Schneideinheit, indem Sie den Federstift drücken und dann das Ende der Antriebswelle nach hinten ziehen (Bild 92).
Fluchten Sie die Keile des Antriebsgelenks der Antriebswelle mit den Keilen in der Getriebekupplung aus.
Drücken Sie den Federstift und schieben Sie dann das Ende der Antriebswelle nach vorne.
Lassen Sie den Federstift los und prüfen Sie, ob das Antriebsgelenk der Antriebswelle im Getriebe der Schneideinheit arretiert ist, siehe Bild 92.
Schließen Sie die Abdeckung des Antriebsgelenks und sichern Sie sie mit den Befestigungen.
Parken Sie die Maschine auf einer ebenen Fläche.
Kuppeln Sie die Zapfwelle aus und aktivieren die Feststellbremse.
Ziehen Sie an den hinteren Steckstiften und drehen Sie sie an beiden Seiten der Schneideinheit, bevor Sie die Schneideinheit absenken (Bild 87).
Senken Sie das Mähwerk ab und kippen die Fangbox nach hinten.
Stellen Sie den Motor ab und ziehen Sie den Zündschlüssel ab.
Klappen Sie den Sitz hoch.
Entfernen Sie den Auswurfkanal, siehe Entfernen von Verstopfungen aus dem Auswurfkanal.
Trennen Sie die elektrischen Anschlüsse auf der rechten Seite der Schneideinheit.
Trennen Sie das Antriebsgelenk der Antriebswelle vom Getriebe der Schneideinheit ab, siehe Trennen Sie die Antriebswelle vom Mähwerkgetriebe ab..
Entfernen Sie die zwei Splinte und die zwei Lastösenbolzen, mit denen die Hubarme an jeder Seite des Mähwerks befestigt sind (Bild 93).

Rollen Sie das Mähwerk nach vorne und von der Zugmaschine weg.
Stellen Sie die Maschine auf einer ebenen Fläche ab.
Kippen Sie die Fangbox zurück oder heben Sie die Fangbox an und sichern Sie sie mit den Magnetverschlüssen in der angehobenen Position.
Stellen Sie den Motor ab und ziehen Sie den Schlüssel ab.
Entfernen Sie den Auswurfkanal, siehe Entfernen von Verstopfungen aus dem Auswurfkanal.
Rollen Sie die Schneideinheit nach hinten zur Zugmaschine hin.
Setzen Sie den Splint und den Lastösenbolzen ein, um die Hubarme an jeder Seite zu befestigen, siehe Bild 93.
Trennen Sie die Schneideinheit der Antriebswelle vom Getriebe der Scheideinheit, siehe Anschließen der Antriebswelle an das Getriebe der Schneideinheit.
Montieren Sie den Grasauswurfkanal, siehe Entfernen von Verstopfungen aus dem Auswurfkanal.
Klappen Sie den Sitz zurück.
Lassen Sie den Motor an.
Senken Sie die Fangbox ab.
Heben Sie das Mähwerk an.
| Wartungsintervall | Wartungsmaßnahmen |
|---|---|
| Nach 50 Betriebsstunden |
|
| Alle 300 Betriebsstunden |
|
Getriebeölsorte: PG2 und API GL4, GL5 oder MT1
Getriebeöl-Viskosität: LSX 75W90
Getriebeöl-Kapazität: 0,25 l
Parken Sie die Maschine auf einer ebenen Fläche, kuppeln Sie die Zapfwelle aus und senken Sie das Mähwerk ab.
Aktivieren Sie die Feststellbremse, stellen Sie den Motor ab und ziehen Sie den Zündschlüssel ab.
Entfernen Sie die Riemenabdeckung, siehe Entfernen der Riemenabdeckung.
Parken Sie die Maschine auf einer flachen ebenen Fläche.
Senken Sie die Schneideinheit ab und stellen Sie den Hubhebel der Schneideinheit in die Schwebe-Stellung.
Prüfen Sie auf verbogene oder beschädigte Schnittmesser, siehe Prüfen der Messer.
Note: Tauschen Sie verbogene oder beschädigte Messer und Scheiben vor der Nivellierung der Schneideinheit aus.
Prüfen Sie den Reifendruck, siehe Prüfen des Luftdrucks in den Reifen.
Stellen Sie die Schnitthöhe auf 64 mm ein (Bild 98).

Stellen Sie den Motor ab und ziehen Sie den Schlüssel ab.
Messen Sie den Abstand zwischen dem Boden und dem ganz vordersten Punkt der Schneideinheit (Bild 99).
| Notieren Sie hier: | ||
Messen Sie den Abstand zwischen dem Boden und dem hintersten Punkt der Schneideinheit (Bild 99).
| Notieren Sie hier: | ||

Um die Rückseite der Schneideeinheit einzustellen, gehen Sie wie folgt vor:
Entfernen Sie die Riemenabdeckung, siehe Entfernen der Riemenabdeckung.
Um die Vorderseite der Maschine auf 64 mm anzuheben, lösen Sie die Klemmmutter und stellen Sie die Einstellschraube ein, siehe Bild 100.

Lösen Sie zum Anheben der Rückseite der Schneideinheit die Klemmmuttern für die Spurstangen beidseitig der Schneideinheit (Bild 100 und Bild 101).

Drehen Sie die Spurstangen, bis der hinterste Punkt der Schneideinheit 5 bis 10 mm höher ist als der vorderste Punkt der Schneideinheit.
Note: Vergewissern Sie sich, dass beide Spurstangen auf die gleiche Länge eingestellt sind.
Ziehen Sie die Klemmmuttern für die Spurstangen an (Bild 100).
Prüfen Sie die Nivellierung der Scheideinheit in Längsrichtung, siehe Seitliches Nivellieren des Mähwerks.
Stellen Sie die Schnitthöhe auf 64 mm ein (Bild 102).

Stellen Sie den Motor ab und ziehen Sie den Schlüssel ab.
Stellen Sie ein seitliches Messer auf die äußerste Stellung (Bild 103).

Messen Sie den Abstand zwischen dem Boden und dem äußersten Punkt der Schnittkante des Messers (Bild 103).
| Notieren Sie Ihren Wert an dieser Stelle: |
Fluchten Sie das Seitenmesser an der anderen Seite des Mähwerks mit der äußersten Stellung aus (Bild 103).
Messen Sie den Abstand zwischen dem Boden und dem äußersten Punkt der Schnittkante des Messers mit einem Messklotz (Bild 103).
| Notieren Sie Ihren Wert an dieser Stelle: |
Wenn die Differenz zwischen den Werten größer als 3,2 mm ist, führen Sie Folgendes aus:
Messen Sie den äußersten Punkt der Schnittmesserkanten (Bild 103).
Wiederholen Sie die Einstellung der Laufräder, bis der Unterschied zwischen den Werten nicht größer als 3,2 mm ist.
Setzen Sie die Riemenabdeckung auf, siehe Befestigen der Riemenabdeckung.
Wenn die Schnittmesser in Längsrichtung nivelliert und die Vorderseite der Messer auf 64 mm Bodenfreiheit eingestellt sind, prüfen Sie die Stellung der Schnitthöhenanzeige.
Setzen Sie sich auf den Sitz und schauen Sie auf den Zeiger der Schnitthöhenanzeige (Bild 105).

Wenn der Zeiger der Schnitthöhenanzeige nicht auf die 64-mm-Markierung ausgerichtet ist, führen Sie Folgendes aus:
Parken Sie die Maschine auf einer ebenen Fläche, kuppeln Sie die Zapfwelle aus und senken Sie das Mähwerk ab.
Aktivieren Sie die Feststellbremse, stellen Sie den Motor ab und ziehen Sie den Zündschlüssel ab.
Entfernen Sie die Riemenabdeckung, siehe Entfernen der Riemenabdeckung.
Entfernen Sie die Feder des Spannarms von der Säule des Mähwerks (Bild 107).
Nehmen Sie den Riemen von den Riemenscheiben des Mähwerks ab.
Verlegen Sie den neuen Riemen um die Riemenscheiben, wie in Bild 107 abgebildet.

Installieren Sie die Feder des Spannarms an der Säule des Mähwerks (Bild 107).
Setzen Sie die hintere Riemenabdeckung auf, siehe Befestigen der Riemenabdeckung.
Stellen Sie sicher, dass die Fangbox und der Auswurfkanal richtig abdichten und die Dichtung nicht plattgedrückt wird.
Lockern Sie die vier Schrauben, mit denen die Hubstützen der Fangbox an dem Rahmen unter der Fangbox befestigt sind (Bild 108).

Wenn Sie die gewünschte Bewegung der Fangbox erreichen möchten, lösen Sie die Sicherungsmutter an der Oberseite der hydraulischen Zylinderstange (Bild 109).

Schieben Sie die Fangbox nach vorne oder hinten, bis der Fangboxzulauf mit der Auswurfkanaldichtung ausgefluchtet ist (Bild 110).

Ziehen Sie die vier Schrauben an (Bild 108).
Prüfen Sie den Spalt zwischen dem Riegel und der Tür. Stellen Sie sicher, dass es 2 mm sind.
Stellen Sie ggf. den Riegel mit dem Riegelbolzen ein, um den richtigen Spalt zu erhalten.
Note: Verwenden Sie bei Bedarf den Türriegel, um den automatischen Öffnungswinkel der Tür zu ändern.

Note: Eine falsche Reinigung kann die Nutzungsdauer der Lager verkürzen. Reinigen Sie die Maschine nicht, wenn sie heiß ist, und vermeiden Sie einen direkten Kontakt der Lager mit Druckluftreinigern.
| Wartungsintervall | Wartungsmaßnahmen |
|---|---|
| Bei jeder Verwendung oder täglich |
|
Kuppeln Sie den Zapfwellenantriebsschalter aus und aktivieren die Feststellbremse.
Stellen Sie vor dem Verlassen der Bedienungsposition den Motor ab, ziehen Sie den Schlüssel ab und warten Sie, bis alle beweglichen Teile zum Stillstand gekommen sind.
Setzen Sie eine Luftdüse in das Loch zwischen der Riemenabdeckung und der Oberseite des Mähwerks. Entfernen Sie Grasrückstände unter der Riemenabdeckung des Mähwerks mit Druckluft.
| Wartungsintervall | Wartungsmaßnahmen |
|---|---|
| Bei jeder Verwendung oder täglich |
|
Kuppeln Sie den Zapfwellenantriebsschalter aus und aktivieren die Feststellbremse.
Stellen Sie vor dem Verlassen der Bedienungsposition den Motor ab, ziehen Sie den Schlüssel ab und warten Sie, bis alle beweglichen Teile zum Stillstand gekommen sind.
Bereiten Sie das Mähwerk für die Wartung vor, siehe Anheben und Absenken des Mähwerks in Wartungsposition.
Entfernen Sie verklumptes Schnittgut oder Rückstände und reinigen Sie ggf.
| Wartungsintervall | Wartungsmaßnahmen |
|---|---|
| Bei jeder Verwendung oder täglich |
|
Motoröl, Akkus, Hydrauliköl und Motorkühlmittel belasten die Umwelt. Entsorgen Sie diese Mittel entsprechend den in Ihrem Gebiet gültigen Vorschriften.
Stellen Sie vor dem Verlassen des Fahrersitzes den Motor ab, ziehen Sie den Schlüssel ab und warten Sie, bis alle beweglichen Teile zum Stillstand gekommen sind. Lassen die Maschine abkühlen, bevor Sie sie einstellen, warten, reinigen, oder einlagern.
Lagern Sie die Maschine oder den Benzinkanister nie an Orten mit offener Flamme, Funken oder Zündflamme, z. B. Warmwasserbereiter, oder anderen Geräten.
Warten Sie die Batterie und -kabel wie folgt:
Nehmen Sie die die Batterieklemmen von den Batteriepolen ab, siehe Ausbau der Batterie.
Reinigen Sie den Akku, die Akkuklemmen und -pole mit einer Drahtbürste und Natronlauge.
Überziehen Sie die Kabelklemmen und Akkupole mit Grafo 112X-Fett (Toro-Bestellnummer 505-47) oder mit Vaseline, um einer Korrosion vorzubeugen.
Wenn Sie die Maschine länger als einen Monat einlagern, entfernen Sie die Batterie und laden sie vollständig auf.
Note: Laden Sie die Batterie alle 60 Tage 24 Stunden lang langsam auf, um einer Bleisulfatierung der Batterie vorzubeugen.
Lagern Sie die Batterie in der Maschine.
Wenn Sie die Batterie in der Maschine lagern, lassen Sie die Kabel abgeklemmt.
Lagern Sie die Batterie an einem kühlen Ort ein, um ein zu schnelles Entladen der Batterie zu vermeiden.
Stellen Sie sicher, dass die Batterie voll aufgeladen ist, um einem Einfrieren vorzubeugen. Das spezifische Gewicht einer mit Elektrolyt gefüllten voll geladenen Batterie liegt zwischen 1,265 und 1,299.
Important: Verwenden Sie zur Reinigung der Maschine kein salzhaltiges oder wiederaufbereitetes Wasser.
Reinigen Sie die Maschine, das Mähwerk und den Motor gründlich, achten Sie besonders auf die folgenden Bereiche:
Kühler und -gitter
Unterhalb des Mähwerks
Unter den Riemenabdeckungen
Zapfwelle
Alle Schmiernippel und Drehpunkte
Entfernen Sie die hintere Abdeckplatte der Lenksäule und reinigen Sie die Innenseite.
Unter der Sitzplatte und oben am Getriebe
Prüfen Sie den Reifendruck und stellen ihn ggf. ein, siehe Prüfen des Luftdrucks in den Reifen
Nehmen Sie die Mähwerkmesser ab, schärfen und gleichen Sie die Messer aus.
Prüfen Sie auf lockere Befestigungen und ziehen diese bei Bedarf fest.
Fetten Sie alle Schmiernippel ein und ölen Sie die Drehpunkte und die Stifte am Getriebesicherheitsventil. Wischen Sie überflüssiges Schmiermittel ab.
Schmirgeln Sie alle Lackschäden leicht und bessern Bereiche aus, die angekratzt, abgesprungen oder verrostet sind. Reparieren Sie alle Blechschäden.
Wechseln Sie das Motoröl und den -filter, siehe Wechseln des Motoröls und -filters.
Starten Sie den Motor und lassen Sie ihn für zwei Minuten im Leerlauf laufen.
Stellen Sie dann den Motor ab.
Lassen Sie den Kraftstoff aus dem Kraftstofftank, den Kraftstoffleitungen, der Pumpe, dem Filter und dem Abscheider ab.
Spülen Sie den Kraftstofftank mit frischem, sauberem Dieselkraftstoff und schließen alle Kraftstoffleitungen an.
Reinigen und warten Sie den Luftfilter gründlich, siehe Warten des Luftfilters.
Dichten Sie die Ansaugseite des Luftfilters und das Auspuffrohr mit witterungsbeständigem Klebeband ab.
Befestigen Sie alle Teile der Kraftstoffanlage.
Prüfen Sie den Frostschutz im Kühlsystem und passen Sie die Konzentration des Kühlmittels entsprechend den in Ihrem Gebiet zu erwartenden Mindesttemperaturen an.
Stellen Sie sicher, dass Ölfülldeckel und der Tankdeckel fest verschlossen sind.
| Problem | Possible Cause | Corrective Action |
|---|---|---|
| Das Zündschloss ist in der Ein-Stellung, die Anzeigelampen am Armaturenbrett leuchten jedoch nicht auf. |
|
|
| Die Anzeigelampen am Armaturenbrett leuchten auf, wenn das Zündschloss in der Ein-Stellung ist, der Anlasser dreht sich jedoch nicht. |
|
|
| Der Motor springt nur manchmal an oder der Motor läuft nicht rund. |
|
|
| Der Anlassermotor dreht sich, der Motor springt jedoch nicht an. |
|
|
| Der Motor wird abgestellt, wenn die Zapfwelle noch eingekuppelt ist. |
|
|
| Das Schnittbild ist ungleichmäßig und das Fangsystem ist unzureichend. |
|
|
| Die Maschine vibriert beim Einsatz. |
|
|
| Die Warnlampe für das Motoröl leuchtet auf. |
|
|
| Die Schneideinheit funktioniert nicht, wenn der Zapfwellenschalter eingeschaltet ist. |
|
|