| Onderhoudsinterval | Onderhoudsprocedure |
|---|---|
| Bij elk gebruik of dagelijks |
|
Deze machine is een zitmaaier met draaiende messen bedoeld voor gebruik door professionele bestuurders in commerciële toepassingen. De machine is voornamelijk ontworpen voor het maaien van gras van goed onderhouden gazons in parken, op golfbanen en sportvelden, langs wegen en op bedrijfsterreinen. De machine is niet ontworpen voor het maaien van lage struiken of voor gebruik in de landbouw.
Lees deze informatie zorgvuldig door, zodat u weet hoe u de machine op de juiste wijze moet gebruiken en onderhouden en om schade aan de machine en letsel te voorkomen. U bent verantwoordelijk voor het juiste en veilige gebruik van de machine.
Ga naar www.Toro.com voor documentatie over productveiligheid en bedieningsinstructies, informatie over accessoires, hulp bij het vinden van een dealer of om uw product te registreren.
Als u service, originele Toro onderdelen of meer informatie nodig hebt, kunt u contact opnemen met een erkende servicedealer of met de klantenservice van Toro. U dient hierbij altijd het modelnummer en het serienummer van het product te vermelden. De locatie van het plaatje met het modelnummer en het serienummer van het product is aangegeven op Figuur 1. U kunt de nummers noteren in de ruimte hieronder.


Deze handleiding wijst u op mogelijke gevaren en bevat veiligheidswaarschuwingen die u kunt herkennen aan het waarschuwingspictogram (Figuur 3), dat wijst op een gevaar dat ernstig letsel of de dood kan veroorzaken indien u nalaat de voorgeschreven maatregelen te treffen.

Er worden in deze handleiding twee woorden gebruikt om uw aandacht op bijzondere informatie te vestigen. Belangrijk attendeert u op bijzondere technische informatie en Opmerking duidt algemene informatie aan die bijzondere aandacht verdient.
Dit product voldoet aan alle relevante Europese richtlijnen; zie voor details de aparte productspecifieke conformiteitsverklaring.
Als de machine zonder goed werkende vonkenvanger of goed onderhouden brandveilige motor wordt gebruikt in een bosgebied of op een met dicht struikgewas of gras begroeid terrein, handelt de bestuurder in strijd met de bepalingen van sectie 4442 of 4443 van de Wet op de Openbare Hulpbronnen (Public Resources Code) van de Staat Californië.
De bijgevoegde gebruikershandleiding van de motor biedt informatie over het Amerikaanse Environmental Protection Agency (EPA) en het Californische controlesysteem voor emissies, onderhoud en garantie. U kunt vervangingsonderdelen bestellen via de fabrikant van de motor.
CALIFORNIË
Proposition 65 Waarschuwing
De uitlaatgassen van de dieselmotor van dit product bevatten bestanddelen waarvan bekend is dat ze kanker, geboorteafwijkingen of andere schade aan de voortplantingsorganen kunnen veroorzaken.
Accuklemmen, accupolen en dergelijke onderdelen bevatten lood en loodverbindingen. Van deze stoffen is bekend dat ze kanker en schade aan de voortplantingsorganen veroorzaken. Was altijd uw handen nadat u met deze onderdelen in aanraking bent geweest.
Gebruik van dit product kan leiden tot blootstelling aan chemische stoffen waarvan de Staat Californië weet dat ze kanker, geboorteafwijkingen en andere schade aan het voortplantingssysteem veroorzaken.
Dit product kan handen of voeten afsnijden en voorwerpen uitwerpen. Volg altijd alle veiligheidsinstructies op om ernstig letsel te voorkomen.
Lees deze Gebruikershandleiding en zorg ervoor dat u deze begrijpt voordat u de motor start.
Geef uw volledige aandacht als u de machine gebruikt. Zorg ervoor dat u met niets anders bezig bent waardoor u kunt worden afgeleid, anders kunnen er letsels ontstaan of kan eigendom worden beschadigd.
Gebruik de machine niet als er schermen of andere beveiligingsmiddelen ontbreken of als deze niet naar behoren werken.
Houd uw handen en voeten uit de buurt van draaiende onderdelen. Blijf uit de buurt van de afvoeropening.
Houd omstanders en kinderen uit de buurt van het werkgebied. Hou omstanders en kinderen uit de buurt van het werkgebied. Laat kinderen nooit de machine bedienen.
Zet de motor af, verwijder het contactsleuteltje en wacht totdat alle bewegende onderdelen tot stilstand zijn gekomen voordat u de bestuurderspositie verlaat. Laat de machine afkoelen voordat u deze afstelt, reinigt, stalt of er onderhoudswerkzaamheden aan verricht.
Onjuist gebruik of onderhoud van deze machine kan letsel tot
gevolg hebben. Om het risico op letsel te verkleinen, dient u zich
aan de volgende veiligheidsinstructies te houden en altijd op het
veiligheidssymbool
te letten, dat betekent Voorzichtig, Waarschuwing
of Gevaar – instructie voor persoonlijke veiligheid. Niet-naleving
van deze instructies kan leiden tot lichamelijk of dodelijk letsel.
![]() |
Veiligheidsstickers en veiligheidsinstructies zijn gemakkelijk zichtbaar voor de bestuurder en bevinden zich bij plaatsen waar gevaar kan ontstaan. Vervang alle beschadigde of verdwenen stickers. |






















Aanbrengen voor niet-CE-machines

Aanbrengen voor niet-CE-machines

Aanbrengen op onderdeelnr. 134-0539 voor niet-CE-machines



Note: Bepaal vanuit de normale bedieningspositie de linker- en rechterzijde van de machine.
Sluit een acculader van 3 tot 4 A aan op de accupolen. Laad de accu op met 3 tot 4 A totdat het soortelijk gewicht van het accuzuur 1,250 of hoger is en de temperatuur van de accu minstens 16 °C en alle cellen vrij gas afgeven.
Zodra de accu volledig is opgeladen, haalt u de acculader uit het stopcontact en koppelt u de lader los van de accuklemmen.
Note: Onvolledig opladen kan resulteren in het afgeven van gas door de accu en het overvloeien van accuzuur dat bijtende schade aan de machine zal veroorzaken.
Controleer het peil van de motorolie voordat u de motor start; zie Het motoroliepeil controleren.
Controleer het peil van de koelvloeistof voordat u de motor start; zieHet koelsysteem en koelvloeistofpeil controleren.
Controleer het peil van de hydraulische vloeistof voordat u de motor start; zie Het peil van de hydraulische vloeistof controleren.
Bandenspanning voor en achter: 1,38 bar.
Bandenspanning zwenkwielen: 1,45 bar.
Controleer de bandenspanning van de voor- en achterbanden voordat u de motor voor het eerst start.
Note: Vanwege de verzending is de bandenspanning mogelijk te hoog of te laag, mogelijk moet u de bandenspanning dus aanpassen.

Monteer het maaidek op de tractie-eenheid; zie Het maaidek monteren.
Verwijder de plastic verpakking.
Verwijder de achterste stalen haak.
Note: Zorg ervoor dat de stalen haak is verwijderd.
Verwijder de blokken op de houten pallet voor de wielen en de maai-eenheid.
De accukabels aansluiten.
Vul de machine met brandstof.
Draai de contactschakelaar in de voorgloeistand, en start de motor nadat het voorgloeien is voltooid.
Til de maai-eenheid op om druk op te bouwen in de hefcilinders.
Note: De maai-eenheid kan omhoog worden gezet, maar zorg ervoor dat er druk in de hefcilinders is.
Breng de hopper omhoog en verwijder het uitwerpkanaal; zie Het uitwerpkanaal leegmaken.
Breng de hopper omlaag.
Zet de maai-eenheid in de werkstand en schakel de haken van de achterarm in.
Stel de parkeerrem buiten werking en rijd de machine naar voren van de pallet af.
Note: Gebruik indien nodig oprijplaten ter hoogte van de pallet.
Breng de hopper omhoog, monteer het uitwerpkanaal en breng de hopper omlaag.
Breng de rolbeugel omhoog; zie De rolbeugel omhoogklappen.
Controleer het aanhaalmoment van de wielmoeren na de eerste testrit; zie De wielmoeren aandraaien..


Note: Bepaal vanuit de normale bedieningspositie de linker- en rechterzijde van de machine.


De indicator acculaden licht op als het elektrische laadsysteem niet goed werkt. Figuur 8 Controleer en/of repareer het elektrische laadsysteem.
De indicator van de gloeibougies (Figuur 8) licht rood op als de gloeibougies zijn ingeschakeld.
De indicator lage oliedruk (Figuur 8) licht op als de druk van de motorolie te laag is terwijl de motor loopt. Als het lampje knippert of aan blijft, stop het machine dan, zet de motor af en controleer het oliepeil. Als het oliepeil binnen het normale bereik is maar de indicator niet uitgaat als de motor loopt, zet de motor dan onmiddellijk af en neem contact op met uw erkende Toro distributeur voor hulp.
Controleer de werking van de indicator als volgt:
Haal de parkeerrem aan.
Draai het contactsleuteltje op AAN/VOORGLOEIEN, maar start de motor niet.
Note: De indicator lage oliedruk moet oplichten. Als de indicator niet oplicht, is het lampje doorgebrand of heeft het systeem een defect dat u moet repareren.
Het lapje van de motortemperatuur (Figuur 8) licht op wanneer het koelsysteem boven het normale bedrijfsbereik functioneert. Controleer en/of repareer het koelsysteem.
De maai/aftakasschakelaar (PTO) (Figuur 8) heeft 2 standen: UITGETROKKEN (ingeschakeld) en INGEDRUKT (uitgeschakeld). Trek de aftakasschakelaar naar buiten uit om het werktuig of de maaidekmessen in te schakelen. Druk de schakelaar in om het werktuig of de maaidekmessen uit te schakelen.
Note: Als u de bestuurdersstoel verlaat terwijl de maai/aftakasschakelaar nog op AAN staat zal de motor, na een vertraging van 1 seconde, automatisch worden uitgeschakeld, zie Veiligheidssysteem controleren.
Houd het vergrendelingspedaal van het differentieel ingedrukt (Figuur 9) om het differentieel te activeren.
Om het differentieel te ontgrendelen, laat u het pedaal los.
Trap het pedaal in bij wielslip of bij het laden van de machine via opritten.
Druk op het tractiepedaal (Figuur 9) om de machine vooruit of achteruit te laten rijden. Om de machine vooruit te laten rijden, moet u de bovenkant van het pedaal intrappen en om achteren te rijden de onderkant van het pedaal. De rijsnelheid hangt af van hoever het pedaal wordt ingetrapt. Voor de maximale rijsnelheid zet u de gashendel op SNEL en drukt u het tractiepedaal volledig in. De maximale rijsnelheid vooruit is ongeveer 13 km/u. Om het maximale vermogen te krijgen, bij zware belasting of het naar boven rijden op een heuvel zet u de gashendel op SNEL en laat u het motortoerental (tpm) hoog, terwijl u het tractiepedaal geleidelijk indrukt. Als het motortoerental terugvalt, laat u het tractiepedaal iets los zodat het motortoerental weer kan toenemen.

Om het stuurwiel naar u toe te kantelen, drukt u de hendel om het stuurwiel te verstellen (Figuur 10) naar beneden en trekt u de stuurkolom naar u toe. Laat de hendel los wanneer de stuurkolom zich in een stand bevindt waarin u het stuurwiel comfortabel kunt gebruiken.

Als u de motor afzet, moet u de parkeerrem in aantrekken (Figuur 11) om te voorkomen dat de machine per ongeluk in beweging komt.
De parkeerrem in werking stellen: Trek de hendel omhoog naar de INGESCHAKELDE stand.

De parkeerrem loszetten: Zet de hendel omlaag naar de UITGESCHAKELDE stand.
Note: Als de hendel niet volledig naar beneden is gebracht, wordt de machine uitgeschakeld wanneer u het tractiepedaal in werking stelt.
De brandstofmeter (Figuur 8) geeft de resterende hoeveelheid brandstof in de brandstoftank aan.
Met de schakelaar van de maaihoogte (Figuur 8) kunt u de maaihoogte hoger of lager instellen.
De indicator van de maaihoogte (Figuur 12) geeft de nominale maaihoogte van het maaidek aan.

Met de gashendel (Figuur 8) regelt u het motortoerental. U verhoogt het motortoerental door de gashendel vooruit te zetten naar de stand SNEL. Als u de gashendel naar achteren zet in de stand LANGZAAM valt de motorsnelheid terug. Met de gashendel regelt u de snelheid van de maaimessen en in combinatie met het tractiepedaal de rijsnelheid van de machine.
De urenteller (Figuur 8) geeft het totaal aantal bedrijfsuren van de motor aan.
Door eenmaal op de knop onder het display te drukken, ziet u het aantal uren totdat de olie ververst en het filter vervangen moeten worden.
Door opnieuw op de knop onder het display te drukken, ziet u het aantal uren tot de volgende smering bij de smeerfittingen.
Als u een derde keer op de knop onder het display drukt, keert u terug naar het bedrijfsurenscherm.
Note: Wanneer er nog 10 uur voor een olieverversing resteren, knippert het lichtje automatisch met ‘OIL CHANGE’ wanneer u de motorolie en het filter moet verversen.
Note: Wanneer er nog 5 uur voor een smering resteren, knippert het lichtje automatisch met ‘LUBE’ wanneer u de machine moet smeren.
Important: Let erop dat u in de eerste 50 uur in de olieverversingsmodus de knop van de urenteller niet per ongeluk langer dan 6 seconden ingedrukt houdt. Als u de knop langer dan 6 seconden ingedrukt houdt, zal het onderhoudsinterval van de olie van 50 in 250 uur veranderen.
Na het vervangen van de olie en het filter, of het smeren van de machine en het maaidek:
Druk op de knop tot u het gewenste scherm bereikt.
Houd de toets ingedrukt totdat een reeks nullen (000000) verschijnt.
Note: Het totale aantal draaiuren van de machine kan niet worden gereset.
Beweeg de hendel naar achteren om de maaiunit omhoog te zetten. (Figuur 13)
Beweeg de hendel naar voren om het maaidek te laten zakken en helemaal naar voren om het te laten zweven. (Figuur 13)
Important: Om beschadiging van het hefsysteem van het maaidek te voorkomen, moet u de hefhendel van het maaidek in de voorste stand (ZWEEFSTAND) zetten wanneer u met de machine rijdt met het maaidek op de grond.
Note: Laat het maaidek en de hopper zakken wanneer u de machine niet gebruikt.

Beweeg de hendel naar achteren om de hopper omhoog te zetten (Figuur 13).
Beweeg de hendel naar voren om de hopper omlaag te zetten.
Beweeg de hendel naar achteren om het maaisel uit de trechter te werpen (Figuur 13).
Beweeg de hendel naar voren om de hopper te sluiten na het legen.
De contactschakelaar heeft 3 standen: UIT, AAN/VOORGLOEIEN en START.
Note: Als de motor stopt met draaien en u verlaat de bestuurdersstoel terwijl de contactschakelaar in de standstand AAN/VOORGLOEIEN staat, zal na korte tijd een alarm klinken om u erop te attenderen dat u de sleutel in de stand UIT moet zetten.
Het maaidek heeft 2 sleuven die de werkelijke snijbreedte van de messen aangeven; raadpleeg Figuur 14

Note: Specificaties en ontwerp kunnen zonder voorafgaande kennisgeving worden gewijzigd.

| Beschrijving | Figuur 15 Referentie | Afmeting of gewicht |
| Hoogte met rolbeugel omhooggeklapt | E | 193 cm |
| Hoogte met rolbeugel omlaag | G | 151 cm |
| Totale lengte | D | 271 cm |
| Totale breedte | B | 121 cm |
| Lengte wielbasis | C | 110 cm |
| Breedte loopvlak voorwiel | A | 114 cm |
| Breedte loopvlak achterwiel | F | 97 cm |
| Afstand tot de grond | 12 cm | |
| Nettogewicht (met maaidek) | 630 kg | |
| Nettogewicht (zonder maaidek) | 530 kg | |
| Snelheid | 0 tot 13 km/uur | |
| Maaibreedte | 113 cm |
Een selectie van door Toro goedgekeurde werktuigen en accessoires is verkrijgbaar voor gebruik met de machine om de mogelijkheden daarvan te verbeteren en uit te breiden. Neem contact op met een erkende servicedealer of een erkende Toro distributeur, of bezoek www.Toro.com voor een lijst van alle goedgekeurde werktuigen en accessoires.
Gebruik ter vervanging uitsluitend originele onderdelen en accessoires van Toro. Gebruik ter vervanging nooit onderdelen en accessoires van andere fabrikanten, omdat dit gevaarlijk kan zijn. Dit kan ertoe leiden dat de garantie op het product komt te vervallen.
Laat kinderen of personen die geen instructie hebben ontvangen, de machine nooit gebruiken of onderhoudswerkzaamheden daaraan verrichten. Plaatselijke voorschriften kunnen nadere eisen stellen aan de leeftijd van degene die met de machine werkt. Plaatselijke voorschriften kunnen nadere eisen stellen aan de leeftijd van degene die met de machine werkt. De eigenaar is verantwoordelijk voor de instructie van alle bestuurders en technici.
Zorg ervoor dat u vertrouwd raakt met de bedieningsorganen en de veiligheidssymbolen, en weet hoe u de machine veilig kunt gebruiken.
Zet de motor af, verwijder het contactsleuteltje en wacht totdat alle bewegende onderdelen tot stilstand zijn gekomen voordat u de bestuurderspositie verlaat. Laat de machine afkoelen voordat u deze afstelt, reinigt, stalt of er onderhoudswerkzaamheden aan verricht.
Zorg ervoor dat u weet hoe u de machine en de motor snel kunt stoppen.
Controleer de aanwezigheid en goede werking van de dodemansinrichtingen, veiligheidsschakelaars en afschermingen. Gebruik de machine uitsluitend als deze naar behoren werkt.
Controleer voordat u begint te maaien altijd de machine om zeker te zijn dat de messen, de mesbouten en het maaimechanisme in goede staat zijn. Vervang versleten of beschadigde messen en bouten altijd als complete set om een goede balans te behouden.
Inspecteer het terrein waarop u de machine gaat gebruiken en verwijder voorwerpen die de machine kan uitwerpen.
Dit product produceert een elektromagnetisch veld. Als u een geïmplanteerd elektronisch medisch apparaat hebt, vraag dan advies aan een medische deskundige voordat u dit product gebruikt.
Wees uiterst voorzichtig bij het omgaan met brandstof. Brandstof is ontvlambaar en de dampen kunnen tot ontploffing komen.
Doof alle sigaretten, sigaren, pijpen en andere ontstekingsbronnen.
Gebruik uitsluitend een goedgekeurd vat of blik voor de brandstof.
Wanneer de motor loopt of heet is, mag u de brandstofdop niet verwijderen of geen brandstof toevoegen.
Geen brandstof bijvullen of aftappen in een afgesloten ruimte.
Bewaar de machine en het brandstofvat niet op plaatsen waar open vlammen, vonken of waakvlammen (bv. van een boiler of een ander toestel) aanwezig kunnen zijn.
Probeer de motor niet te starten als u brandstof hebt gemorst; voorkom elke vorm van open vuur of vonken totdat de brandstofdampen volledig zijn verdwenen.
Voer elke dag, voordat u de machine start, de dagelijkse procedures uit beschreven in Controlelijst voor dagelijks onderhoud.
| Onderhoudsinterval | Onderhoudsprocedure |
|---|---|
| Bij elk gebruik of dagelijks |
|
Bandenspanning voor en achter: 150 kPa.
Een te lage bandenspanning vermindert de zijdelingse stabiliteit van de machine op hellingen. Hierdoor kan de machine omkantelen, waardoor lichamelijk of dodelijk letsel kan ontstaan.
Pomp de banden niet te zacht op.
Controleer de spanning van de voor- en achterbanden. Pomp de banden op of laat lucht ontsnappen totdat de banden de juiste spanning hebben.
Important: Zorg ervoor dat alle banden steeds voldoende bandenspanning hebben; hierdoor kan de machine optimale maaiprestaties leveren en goed functioneren.Controleer de luchtdruk in alle banden voordat u de machine gebruikt.

Het veiligheidssysteem zorgt dat de motor alleen kan starten als het tractiepedaal op neutraal staat, de maai/aftakasschakelaar op UIT staat, de parkeerrem is ingeschakeld, of de bestuurder in de bestuurdersstoel zit.
Daarnaast zal de motor afslaan als:
De bestuurder de bestuurdersstoel verlaat met de maai/aftakasschakelaar op AAN;
De bestuurder de bestuurdersstoel verlaat met het tractiepedaal niet op neutraal;
Het tractiepedaal wordt ingetrapt terwijl de parkeerrem ingeschakeld is.
Niet-aangesloten of beschadigde interlockschakelaars kunnen onverwachte gevolgen hebben op de werking van de machine. Dit kan lichamelijk letsel veroorzaken.
Laat de interlockschakelaars ongemoeid.
Controleer elke dag de werking van de interlockschakelaars en vervang beschadigde schakelaars voordat u de machine weer in gebruik neemt.
| Onderhoudsinterval | Onderhoudsprocedure |
|---|---|
| Bij elk gebruik of dagelijks |
|
Controleer de werking van de schakelaars van het veiligheidssysteem als volgt:
| Omstandigheden | Uitkomst |
|---|---|
| Handrem vrijgesteld | De motor mag niet starten |
| Tractiepedaal op neutraal | |
| Maaischakelaar op UIT | |
| Geen bestuurder in de stoel | |
| Handrem vrijgesteld | De motor mag niet starten |
| Tractiepedaal op neutraal | |
| Maaischakelaar op UIT | |
| Bestuurder in de stoel | |
| Handrem vrijgesteld | De motor mag niet starten |
| Tractiepedaal ingedrukt | |
| Maaischakelaar op UIT | |
| Bestuurder in de stoel | |
| Handrem ingeschakeld | De motor mag niet starten |
| Tractiepedaal ingedrukt | |
| Maaischakelaar op UIT | |
| Bestuurder in de stoel | |
| Handrem ingeschakeld | De motor moet starten |
| Tractiepedaal op neutraal | |
| Maaischakelaar op UIT | |
| Geen bestuurder in de stoel |
| Onderhoudsinterval | Onderhoudsprocedure |
|---|---|
| Bij elk gebruik of dagelijks |
|
Voordat u deze controles uitvoert moet u eerst:
Op de bestuurdersstoel gaan zitten.
Haal de parkeerrem aan.
Tractiepedaal naar neutraal zetten.
Schakel de aftakas uit.
Start de motor.
Zet de parkeerrem vrij.
Controleer de werking van de schakelaars van het veiligheidssysteem als volgt:
| Omstandigheden | Uitkomst |
|---|---|
| Handrem vrijgesteld | De motor moet afslaan. |
| Bestuurder komt enigszins uit de bestuurdersstoel | |
| Handrem ingeschakeld | De motor moet blijven lopen. |
| Bestuurder komt enigszins uit de bestuurdersstoel | |
| Handrem ingeschakeld | De motor moet afslaan. |
| Bestuurder in de stoel | |
| Tractiepedaal ingedrukt | |
| Handrem vrijgesteld | De motor moet blijven lopen. |
| Bestuurder in de stoel | |
| Tractiepedaal ingedrukt |
| Onderhoudsinterval | Onderhoudsprocedure |
|---|---|
| Bij elk gebruik of dagelijks |
|
Voordat u deze controles uitvoert moet u eerst:
Op de bestuurdersstoel gaan zitten.
Haal de parkeerrem aan.
Tractiepedaal naar neutraal zetten.
Schakel de aftakas uit.
Start de motor.
Zet de parkeerrem vrij.
Controleer de werking van de schakelaars van het veiligheidssysteem als volgt:
| Omstandigheden | Uitkomst |
|---|---|
| Aftakasschakelaar op AAN en het maaidek ingeschakeld | De motor en het maaidek moeten uitschakelen. |
| Bestuurder komt enigszins uit de bestuurdersstoel | |
| Aftakasschakelaar op AAN en het maaidek ingeschakeld | Het maaidek moet uitschakelen. |
| Hef de hopper op |
| Onderhoudsinterval | Onderhoudsprocedure |
|---|---|
| Bij elk gebruik of dagelijks |
|
Controleer de werking van de schakelaars van het veiligheidssysteem als volgt:
| Omstandigheden | Uitkomst |
|---|---|
| Contactsleuteltje op LOPEN | Het achteruitrijsignaal moet klinken. |
| Tractiepedaal op achteruit |
Gebruik uitsluitend schone, verse dieselbrandstof of biodiesel met een laag (<500 ppm) of ultralaag (<15 ppm) zwavelgehalte. Het cetaangetal moet minimaal 40 zijn. Koop brandstof in hoeveelheden die binnen 180 dagen kunnen worden gebruikt zodat u altijd verse brandstof heeft.
Inhoud brandstoftank: 22 liter
Gebruik zomerdieselbrandstof (nr. 2-D) bij temperaturen boven -7 °C en winterdieselbrandstof (nr. 1-D of nr. 1-D/2-D-mengsel) bij temperaturen beneden -7 °C. Gebruik van winterdieselbrandstof bij lage temperaturen biedt een lager vlampunt en een lager stolpunt. Dit vergemakkelijkt het starten en vermindert de kans dat de filters verstopt raken.
Als u bij temperaturen boven -7 °C zomerbrandstof gebruikt, zal de pomp langer meegaan en meer vermogen leveren dan bij gebruik van winterbrandstof.
Important: Gebruik geen kerosine of benzine in plaats van dieselbrandstof. Als u deze waarschuwing niet in acht neemt, kan dit leiden tot beschadiging van de motor.
Deze machine kan ook gebruik maken van een dieselmengsel tot maximaal B20 (20% biodiesel, 80% petrodiesel). Het deel petrodiesel moet een laag of ultralaag zwavelgehalte hebben. Neem de volgende voorzorgsmaatregelen in acht:
Her deel biodiesel van de brandstof moet voldoen aan de specificatie ASTM D6751 of EN 14214.
Het dieselmengsel moet beantwoorden aan ASTM D975 of EN 590.
Gemorste mengsels van biodiesel kunnen gelakte oppervlakken beschadigen.
Gebruik B5 (biodieselinhoud 5%) of mengsels met een lager percentage in koud weer.
Controleer afdichtingen, slangen en pakkingen die in contact met brandstof komen, omdat zij na verloop van tijd kunnen worden aangetast.
Nadat u bent overgestapt op een biodieselmengsel kan het brandstoffilter een tijdlang verstopt raken.
Neem contact op met uw erkende Toro distributeur als u meer informatie over biodiesel wenst.
Note: Vul indien mogelijk de brandstoftank telkens na gebruik; zo beperkt u de mogelijkheid op opstapeling van condensatie in de brandstoftank tot een minimum.

Om verwonding of dodelijk letsel te voorkomen als de machine omkantelt: houd de rolbeugel in de omhooggeklapte en vergrendelde stand en doe de veiligheidsgordel om.
Zorg ervoor dat de stoel bevestigd is met de stoelvergrendeling.
Er is geen omkantelbeveiliging als de rolbeugel omlaag is geklapt.
Gebruik de machine niet op oneffen terrein of op een heuvel met een omlaaggeklapte rolbeugel.
Klap de rolbeugel uitsluitend omlaag als dit absoluut noodzakelijk is.
Doe de veiligheidsgordel niet om als de rolbeugel omlaag is geklapt.
Rij langzaam en voorzichtig.
Klap de rolbeugel omhoog zodra de ruimte dit toelaat.
Let goed op dat er voldoende ruimte boven de machine is (denk aan takken, deuropeningen, elektrische kabels) voordat u onder een object rijdt en zorg ervoor dat u dit niet raakt.
Important: Klap de rolbeugel uitsluitend omlaag als dit absoluut noodzakelijk is.
Parkeer de machine op een horizontaal oppervlak.
Zet de aftakas los, laat het maaidek zakken en haal de parkeerrem aan.
Zet de motor af en verwijder het sleuteltje.
Verwijder de moeren, bouten en sluitringen (Figuur 18).
Kantel de bestuurdersstoel naar voren (Figuur 21).
Laat de rolbeugel zakken en bevestig hem met de moeren, bouten en sluitringen (Figuur 18).
Kantel de bestuurdersstoel naar achteren in de vergrendelde positie.

Note: Gebruik Figuur 18 in de omgekeerde volgorde om de rolbeugel omhoog te klappen.
Parkeer de machine op een horizontaal oppervlak.
Zet de aftakas los, laat het maaidek zakken en haal de parkeerrem aan.
Zet de motor af en verwijder het sleuteltje.
Kantel de bestuurdersstoel naar voren (Figuur 21).
Verwijder de moeren, bouten en sluitringen van de rolbeugel (Figuur 18).
Zet de rolbeugel omhoog en bevestig hem met de moeren, bouten en sluitringen (Figuur 18).
Kantel de bestuurdersstoel naar achteren in de vergrendelde positie.
Stel de stuurkolom in op de gewenste stand zoals in Figuur 9.
Als u uw bezittingen, zoals kledingstukken of een tas, over de rugleuning van de bestuurdersstoel hangt, kunnen die vallen en in contact komen met hete of bewegende delen van de machine. Dit kan brand veroorzaken of er kunnen voorwerpen naar u en/of omstanders geslingerd worden, met mogelijk ernstig letsel tot gevolg.
Hang uw spullen niet over de rugleuning van de bestuurdersstoel.
De stoel kan naar voren en naar achteren verschoven worden. De stand van de stoel moet zo zijn dat u de machine het best kunt bedienen en dat u comfortabel zit.
Trek de hendel naar boven en beweeg de stoel naar voren of naar achteren (Figuur 19).

Trek de hendel (Figuur 20) naar boven om de rugleuning van de bestuurdersstoel naar achteren te bewegen.

Trek de kantelhefboom van de bestuurdersstoel (Figuur 21) naar boven en kantel de bestuurdersstoel naar voren.

De eigenaar/gebruiker is verantwoordelijk voor ongelukken die persoonlijk letsel of materiële schade kunnen veroorzaken, en hij dient zulke ongelukken te voorkomen.
Draag geschikte kleding en uitrusting, zoals oogbescherming, een lange broek, stevige schoenen met een gripvaste zool en gehoorbescherming. Draag lang haar niet los en draag geen losse kleding of juwelen.
Gebruik de machine niet als u ziek, moe of onder de invloed van alcohol of drugs bent.
Geef uw volledige aandacht als u de machine gebruikt. Zorg ervoor dat u met niets anders bezig bent waardoor u kunt worden afgeleid, anders kunnen er letsels ontstaan of kan eigendom worden beschadigd.
Voordat u de motor start: zorg dat alle aandrijvingen in de neutraalstand staan, de parkeerrem in werking is gesteld en u zich in de bestuurderspositie bevindt.
Vervoer geen passagiers op de machine en houd omstanders en kinderen weg uit het werkgebied.
Gebruik de machine uitsluitend bij een goede zichtbaarheid zodat u kuilen en verborgen gevaren kunt vermijden.
Gebruik de machine niet op nat gras. Als de wielen hun grip verliezen, kan de machine gaan glijden.
Houd uw handen en voeten uit de buurt van draaiende onderdelen. Blijf uit de buurt van de afvoeropening.
Kijk achterom en omlaag voordat u achteruitrijdt om er zeker van te zijn dat de weg vrij is.
Wees voorzichtig bij het naderen van blinde hoeken, struiken, bomen, en andere objecten die uw zicht kunnen belemmeren.
Stop de maaimessen als u niet daadwerkelijk maait.
Stop de machine, verwijder het sleuteltje en wacht totdat alle bewegende onderdelen tot stilstand zijn gekomen voordat u het werktuig controleert nadat u een voorwerp heeft geraakt of de machine abnormaal begint te trillen. Voer alle noodzakelijke reparaties uit voordat u de machine weer in gebruik neemt.
Verminder uw snelheid en wees voorzichtig als u een bocht maakt of wegen en voetpaden oversteekt met de machine. Verleen altijd voorrang.
Schakel de aandrijving van de maai-eenheid uit, schakel de motor uit, verwijder het sleuteltje en wacht totdat alle bewegende onderdelen tot stilstand zijn gekomen voordat u de maaihoogte wijzigt (tenzij u deze kunt aanpassen vanuit de bestuurderspositie).
Laat de motor enkel draaien in goed verluchte omgevingen. Uitlaatgassen bevatten koolstofmonoxide, dat dodelijk is bij inademing.
Als u de machine verlaat, laat deze dan niet draaien.
Doe het volgende voordat u de bestuurdersstoel verlaat:
Parkeer de machine op een horizontaal oppervlak.
Schakel de aftakas uit en laat de werktuigen zakken.
Haal de parkeerrem aan.
Zet de motor af en verwijder het sleuteltje.
Wacht totdat alle bewegende onderdelen tot stilstand zijn gekomen.
Bedien de machine uitsluitend wanneer de zichtbaarheid goed is. Gebruik de machine niet als er kans op bliksem is.
De machine niet gebruiken als sleepvoertuig.
Gebruik alleen door Toro goedgekeurde accessoires, werktuigen en reserveonderdelen.
Gebruik de cruisecontrol (indien aanwezig) alleen als u de machine kunt bedienen in een open, platte omgeving zonder obstakels, waar de machine zonder onderbreking met een constante snelheid kan rijden.
De rolbeugel is een volledige en doeltreffende veiligheidsvoorziening.
Verwijder geen onderdelen van de rolbeugel van de machine.
Controleer of de veiligheidsgordel is bevestigd aan de machine.
Trek de gordelband over uw schoot en steek de gordel in de gordelhouder aan de andere kant van de stoel.
Om de veiligheidsgordel los te maken, houdt u de gordel vast, duwt u op de knop van de gordelhouder om de gordel los te maken, en leid u de gordelband in de terugloopopening. Zorg ervoor dat u de veiligheidsgordel in een noodgeval snel kunt losmaken.
Controleer aandachtig of er obstakels zijn waar u onderdoor moet rijden, en zorg dat u ze niet raakt.
Houd de rolbeugel in deugdelijke staat door deze regelmatig grondig te controleren op beschadiging, en zorg dat alle bevestigingsmateriaal stevig is vastgedraaid.
Vervang beschadigde onderdelen van de rolbeugel. U mag deze niet repareren of aanpassen.
Houd een inklapbare rolbeugel in de opgeheven en vergrendelde positie en doe uw veiligheidsgordel om als u de machine gebruikt met de rolbeugel omhoog.
Klap een inklapbare rolbeugel slechts tijdelijk omlaag en alleen als dit noodzakelijk is. Doe de veiligheidsgordel niet om als de rolbeugel omlaag is geklapt.
Let op: er is geen omkantelbeveiliging als een inklapbare rolbeugel omlaag is geklapt.
Controleer het gebied dat u gaat maaien en klap de rolbeugel nooit omlaag op golvend terrein of gebieden met steile hellingen of waterkanten.
Het maaien op hellingen is een belangrijke factor bij ongelukken waarbij de controle over de machine wordt verloren of deze omkantelt. Dit kan ernstig of dodelijk letsel veroorzaken. U bent verantwoordelijk voor een veilig gebruik van de machine op hellingen. Gebruik van de machine op hellingen vereist altijd extra voorzichtigheid.
Onderzoek de toestand van het werkgebied om te bepalen of de machine veilig kan worden gebruikt op de helling. Gebruik altijd uw gezond verstand en uw beoordelingsvermogen wanneer u dit onderzoek uitvoert.
Neem de hieronder genoemde instructies voor gebruik van de machine op hellingen door en ga na of u de machine in de specifieke situatie op het betreffende terrein kunt gebruiken. Veranderingen in het terrein kunnen tot gevolg hebben dat de machine anders reageert op hellingen.
Vermijd starten, stoppen of bochten maken op hellingen. Vermijd plotse veranderingen van snelheid of richting. Draai langzaam en geleidelijk.
Gebruik een machine nooit in omstandigheden waarbij u twijfelt over tractie, sturen of stabiliteit.
Verwijder of markeer obstakels zoals greppels, putten, geulen, hobbels, stenen en andere verborgen gevaren. In hoog gras zijn obstakels niet altijd zichtbaar. De machine kan omslaan op oneffenheden in het terrein.
Denk eraan dat de machine tractie kan verliezen doordat u bergafwaarts, op nat gras of dwars op een helling maait. Als de aandrijfwielen tractie verliezen, kunnen ze gaan slippen en kunt u niet meer remmen of sturen.
Rij zeer voorzichtig als u de machine gebruikt in de buurt van steile hellingen, greppels, dijken, waterpartijen en andere gevaarlijke punten. De machine kan plotseling omslaan als een wiel over de rand komt, of als de rand instort. Zorg voor een veilige afstand tussen de machine en een gevarenzone.
Spoor gevaren onderaan de helling op. Indien er gevaren zijn, maait u de helling met een loopmaaimachine.
Laat de maai-eenheden indien mogelijk neer op de grond wanneer u de machine op een helling gebruikt. Als u de maai-eenheden omhoog brengt op hellingen, kan de machine onstabiel worden.
Wees uiterst voorzichtig met grasopvangsystemen of andere werktuigen. Deze kunnen de machine minder stabiel maken, waardoor u de controle over de machine kunt verliezen.
Important: Mogelijk moet u het brandstofsysteem ontluchten wanneer u een nieuwe machine start, wanneer de motor is afgeslagen omdat de brandstof op was, of als u onderdelen van het brandstofsysteem hebt vervangen of er onderhoud hebt aan uitgevoerd.
Klap de rolbeugel omhoog en zet hem vast.
Ga zitten op de stoel en maak de veiligheidsgordel vast.
Stel de parkeerrem in werking en schakel de aftakas UIT.
Haal uw voet van het tractiepedaal en let erop dat het pedaal in de neutraalstand staat.
Draai de contactschakelaar naar de AAN/VOORGLOEIEN-stand.
Note: Een automatische tijdschakelaar zorgt ervoor dat de motor enkele seconden wordt voorgegloeid.
Na het voorgloeien: draai de contactschakelaar naar de START-stand, laat de startmotor maximaal 15 seconden draaien en laat het contact los als de motor start.
Note: Als de motor nogmaals moet worden voorgegloeid, draait u het sleuteltje eerst op UIT en vervolgens op AAN/VOORGLOEIEN. Herhaal dit indien nodig.
Laat de motor stationair of halfgas lopen tot deze opgewarmd is.
Important: Als u de motor voor de eerste keer start, en na het verversen van de motorolie, hydraulische vloeistof, revisie van de motor, of vervangen van tractieonderdelen: rij de machine vooruit en achteruit voor 1 tot 2 minuten. Controleer ook de werking van de hefhendel en de aftakasschakelaar om er zeker van te zijn dat alle onderdelen naar behoren functioneren. Stuurwiel (bekrachtigd) naar links en naar rechts draaien om de stuurreacties te controleren. Zet vervolgens de motor af, controleer het peil van de vloeistoffen en controleer op olielekken, losse onderdelen en andere defecten.
Om lichamelijk letsel te voorkomen, dient u de motor af te zetten en te wachten totdat alle bewegende delen tot stilstand gekomen zijn voordat u controleert op olielekken, losse onderdelen of andere waarneembare defecten.
Zet de gashendel naar achteren op LANGZAAM.
Zet de aftakasschakelaar in de stand UIT.
Draai de contactschakelaar naar de stand UIT. Verwijder het sleuteltje uit het contact om te voorkomen dat de motor per ongeluk start.
Note: Als de motor stopt met draaien en u verlaat de bestuurdersstoel terwijl de contactschakelaar in de standstand AAN/VOORGLOEIEN staat, zal na korte tijd een alarm klinken om u erop te attenderen dat u de sleutel in de stand UIT moet zetten.
Trek de remhendel omhoog en naar links om de rem in te schakelen.

Trek de remhendel omhoog en naar rechts en laat de hendel zakken om de rem uit te schakelen.
Bij het legen van de hopper mag er niemand achter de machine staan.
Verzeker dat er genoeg vrije ruimte boven de machine is bij het heffen van de hopper, anders kan de machine beschadigd worden.
Wees extra voorzichtig bij het werken met de machine op natte oppervlakken, hellingen, bij hogere snelheid of met een volle lading. Bij een volle lading heeft u meer tijd nodig om te stoppen.
Houd omstanders op een afstand. Voordat u achteruitrijdt, moet u achterom kijken om er zeker van te zijn dat er zich niemand achter de machine bevindt. Rij altijd langzaam achteruit.
Wees extra voorzichtig en verplaats de machine niet als de hopper geheven is.
Houd omstanders op afstand van de machine als u de hopper laat zakken.
Parkeer de machine op een horizontaal oppervlak.
Beweeg de hefhendel van de hopper naar achteren om de hopper omhoog te zetten (Figuur 23).

Parkeer de machine op een horizontaal oppervlak.
Beweeg de hefhendel van de hopper naar voren om de hopper omlaag te zetten (Figuur 24).

Note: De hopper kan op elke hoogte worden geleegd.
Parkeer de machine op een horizontaal oppervlak.
Beweeg de leeghendel van de hopper naar achteren om het maaisel uit de hopper te laten vallen (Figuur 25).
Note: De deur van de hopper wordt automatisch ontgrendeld bij het legen van de hopper.

Parkeer de machine op een horizontaal oppervlak.
Na het legen, zet u de leeghendel van de hopper naar voren om de hopper te sluiten (Figuur 26).
Note: De deur van de hopper wordt automatisch vergrendeld bij het sluiten van de hopper.

Parkeer de machine op een horizontaal oppervlak.
Zet de aftakas los, laat het maaidek zakken en haal de parkeerrem aan.
Hef de hopper op en zet deze vast; zie Heffen van de hopper en De hopper vastzetten in de geheven stand..
Zet de motor af en verwijder het sleuteltje.
Kantel de bestuurdersstoel naar voren.
Maak het uitwerpkanaal los (Figuur 27).

Verwijder het uitwerpkanaal door het aan de handgreep op te tillen, reinig het uitwerpkanaal en de opening in het maaidek (Figuur 27).
Monteer het uitwerpkanaal en zet het vast met de vergrendelingen (Figuur 27).
Laat de hopper zakken; zie Laten zakken van de hopper.
Als de hoppersensor wordt geactiveerd en de aftakas automatisch wordt uitgeschakeld maar de hopper nog niet vol is, of als het uitwerpkanaal verstopt voordat de sensor geactiveerd wordt, dan moet u de positie van de sensor bijstellen.
Stel de sensor als volgt in:
Open de deur van de hopper en gebruik de stang om hem open te houden.
Stel de hoppersensor in op basis van de volgende omstandigheden:
Draai de sensor naar de middelste stand bij normale gras- en weersomstandigheden (Figuur 28).
Draai de sensor naar beneden bij nat, dik gras, als u bladeren verzamelt of als de hopper vol is voordat de sensor wordt geactiveerd (Figuur 28).
Draai de sensor naar boven bij droog, dun gras, of als het maaidek wordt uitgeschakeld voordat de hopper vol is (Figuur 28).

U kunt de maaihoogte traploos instellen van 2,5 tot 9 cm met de schakelaar voor de maaihoogte.
Duw de schakelaar (Figuur 29) naar voren om de maaihoogte te verlagen. Duw de schakelaar naar achteren om de maaihoogte te verhogen.
Met de indicator van de maaihoogte kunt u nagaan of deze op de gewenste hoogte maait.
Houd de maaihoogtemeter in de gaten terwijl u maait en pas de maaihoogte aan als dit nodig is.

Note: Als u de bestuurderstoel verlaat terwijl de aftakasschakelaar op AAN staat, zal de motor automatisch worden uitgeschakeld.
Doe het volgende om de aftakasaandrijving te resetten:
Druk de aftakasschakelaar in.
Draai het sleuteltje naar de stand UIT.
Draai het sleuteltje naar de stand AAN/VOORGLOEIEN, start dan de motor.
Trek de aftakasschakelaar uit.
Oefen u in het rijden met de machine voordat u ermee gaat werken, omdat deze machine een hydrostatische transmissie heeft en de eigenschappen ervan anders zijn dan die van sommige gazonmachines.
Om ervoor te zorgen dat er tijdens het gebruik steeds voldoende vermogen voor de machine en het maaidek is, moet u met behulp van het tractiepedaal het motortoerental (tpm) hoog en constant houden. Verlaag de rijsnelheid als de belasting van de maaimessen verhoogt; verhoog de rijsnelheid als de belasting van de messen verlaagt. Hierdoor kan de motor – met behulp van de transmissie – bepalen wat de juiste rijsnelheid is en de snelheid van het mes op het hoge niveau houden dat noodzakelijk is voor een goede maaikwaliteit. Daarom moet u het tractiepedaal laten opkomen als het motortoerental afneemt, en het pedaal langzaam intrappen als het toerental stijgt. Als u van het ene naar het andere werkterrein rijdt (zonder lading en met geheven maaidek), zet u de gashendel op SNEL en drukt u het tractiepedaal langzaam volledig in om de hoogste rijsnelheid te verkrijgen.
Voordat u de motor uitschakelt: zet alle bedieningsorganen in NEUTRAAL en zet de gashendel op LANGZAAM. Draai het contactsleuteltje op UIT om de motor af te zetten.
De motor loopt niet als de motorkoelvloeistof oververhit is. Laat de motor en het koelsysteem afkoelen, en controleer het koelsysteem; zie Het koelsysteem en koelvloeistofpeil controleren.
Het is belangrijk om een sleutel van 16 mm bij u te hebben wanneer u de machine bedient. Gebruik de dopsleutel om de omloopklep te openen als u de machine moet duwen of slepen (Figuur 30).
Zet de motor af, verwijder het contactsleuteltje en wacht totdat alle bewegende onderdelen tot stilstand zijn gekomen voordat u de bestuurderspositie verlaat. Laat de machine afkoelen voordat u deze afstelt, reinigt, stalt of er onderhoudswerkzaamheden aan verricht.
Om brand te voorkomen, moet u ervoor zorgen dat de maai-eenheden, aandrijvingen, dempers, koelschermen en het motorcompartiment vrij zijn van gras en vuil. Veeg gemorste olie en brandstof op.
Als de maai-eenheden in de transportstand staan, breng dan een positieve mechanische vergrendeling aan (indien voorhanden) voordat u de machine onbeheerd achterlaat.
Laat de motor afkoelen voordat u de machine in een afgesloten ruimte stalt.
Verwijder het sleuteltje en sluit de brandstofafsluitklep (indien aanwezig) voordat u de machine stalt of sleept.
Stal de machine of het brandstofvat nooit in de buurt van een open vuur, vonken of een waakvlam zoals die van een boiler of een ander apparaat.
Onderhoud en reinig de veiligheidsgordel(s) indien nodig
Door de operator geleverd gereedschap: een moersleutel van 16 mm
In een noodgeval kunt u de machine slepen over een zeer korte afstand. Toro raadt echter aan hiervan geen standaardprocedure te maken.
Important: U mag de machine niet sneller dan met 3 tot 5 km per uur duwen of slepen omdat anders het aandrijfsysteem beschadigd kan raken. Duw of sleep de machine niet verder dan 100 m. Als u de machine over een grote afstand moet verplaatsen, moet u deze vervoeren op een vrachtwagen of een aanhanger. Als u de machine moet duwen of slepen, hoort u de omloopklep te openen.
Wees voorzichtig als u de machine inlaadt op een aanhanger of een vrachtwagen of uitlaadt.
Gebruik een oprijplaat van volledige breedte bij het laden van de machine op een aanhanger of vrachtwagen.
Laat het maaidek volledig neer voordat u de machine vastmaakt.
Zet de machine goed vast op het transportvoertuig met spanbanden, kettingen, kabels of touwen. Richt de voorste en de achterste spanbanden naar beneden en naar de buitenkant van de machine.
Important: Maak geen lussen met spanbanden, kettingen, kabels of touwen over het bestuurdersplatform.
Plaats een bout of trekstangpen in de trekhaak en gebruik deze als achterste bevestigingspunt (Figuur 33).

Draai de radiateur; zie Bereiken van de motor via de linkerkant.
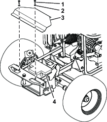
Plaats een assteun onder de framebuis (Figuur 34 en Figuur 35), rechtstreeks onder of zo dicht mogelijk bij de buis van de rolbeugel.


Krik de machine linksachter of rechtsachter op. Gebruik hierbij de krikpunten afgebeeld in Figuur 36.

Uw machine kan op effen grond trailers met een maximum brutogewicht van 200 kg slepen. Gebruik een trekstangpen wanneer u de trailer sleept (Figuur 33).
Important: Wanneer u vracht of een trailer sleept, mag u de machine en de trailer niet overbelasten. Overbelasting kan slechte prestaties of schade aan de hydraulische aandrijving, banden en het frame veroorzaken.
Note: Download het elektrische of hydraulische schema gratis op www.Toro.com; u kunt uw machine zoeken via de link HANDLEIDINGEN op de hoofdpagina.
Important: Raadpleeg de Gebruikershandleiding van de motor voor verdere onderhoudsprocedures.
Als u het sleuteltje in het contact laat, bestaat de kans dat iemand de motor per ongeluk start waardoor u en andere omstanders ernstig letsel kunnen oplopen.
Verwijder het sleuteltje uit het contact voordat u onderhoudswerkzaamheden uitvoert aan de machine.
| Onderhoudsinterval | Onderhoudsprocedure |
|---|---|
| Na het eerste bedrijfsuur |
|
| Na de eerste 10 bedrijfsuren |
|
| Na de eerste 50 bedrijfsuren |
|
| Na de eerste 100 bedrijfsuren |
|
| Na de eerste 500 bedrijfsuren |
|
| Bij elk gebruik of dagelijks |
|
| Om de 25 bedrijfsuren |
|
| Om de 40 bedrijfsuren |
|
| Om de 50 bedrijfsuren |
|
| Om de 75 bedrijfsuren |
|
| Om de 100 bedrijfsuren |
|
| Om de 150 bedrijfsuren |
|
| Om de 200 bedrijfsuren |
|
| Om de 300 bedrijfsuren |
|
| Om de 400 bedrijfsuren |
|
| Om de 1000 bedrijfsuren |
|
| Om de 1500 bedrijfsuren |
|
Gelieve deze pagina te kopiëren ten behoeve van gebruik bij routinecontroles.
| Gecontroleerd item | Voor week van: | ||||||
|---|---|---|---|---|---|---|---|
| maandag | dinsdag | woensdag | donderdag | vrijdag | zaterdag | zondag | |
| Werking van interlockschakelaars controleren. | |||||||
| Verzeker dat rolbeugel geheel is geheven en vergrendeld is. | |||||||
| Werking van de remmen controleren. | |||||||
| Brandstofpeil controleren. | |||||||
| Oliepeil controleren. | |||||||
| Peil van de koelvloeistof controleren. | |||||||
| Radiateur en scherm controleren op vuil. | |||||||
| Controleren of motor ongewone geluiden maakt.1. | |||||||
| Controleren op ongewone geluiden tijdens het gebruik. | |||||||
| Controleer het peil van de hydraulische vloeistof. | |||||||
| Hydraulische slangen en leidingen op schade controleren. | |||||||
| Controleren op lekkages. | |||||||
| Controleer de bandenspanning. | |||||||
| Controleer de werking van de instrumenten. | |||||||
| Controleer de conditie van de maaimessen. | |||||||
| Alle smeernippels smeren.2 | |||||||
| Beschadigde lak bijwerken. | |||||||
|
1. Controleer de gloeibougie en de spuitstukken van de injector als u merkt dat de motor moeilijk start, buitensporig veel rook afgeeft of ongelijkmatig loopt. 2. Onmiddellijk na elke wasbeurt, ongeacht de voorgeschreven interval. |
|||||||
Important: Raadpleeg de Gebruikershandleiding van de motor voor verdere onderhoudsprocedures.
| Aantekening voor speciale aandachtsgebieden: | ||
| Controle uitgevoerd door: | ||
| Item | Datum | Informatie |
Doe het volgende voordat u de bestuurdersstoel verlaat:
Parkeer de machine op een horizontaal oppervlak.
Schakel de aftakas uit en laat de werktuigen zakken.
Haal de parkeerrem aan.
Zet de motor af en verwijder het sleuteltje.
Wacht totdat alle bewegende onderdelen tot stilstand zijn gekomen.
Draag geschikte kleding, waaronder oogbescherming, een lange broek en stevige schoenen met een gripvaste zool. Houd handen, voeten, kleding, sieraden en lang haar uit de buurt van bewegende onderdelen.
Als u het sleuteltje in het contact laat, bestaat de kans dat iemand de motor per ongeluk start waardoor u en andere omstanders ernstig letsel kunnen oplopen. Verwijder het sleuteltje uit het contact voordat u onderhoudswerkzaamheden uitvoert aan de machine.
Laat de onderdelen van de machine afkoelen voordat u onderhoudswerkzaamheden uitvoert.
Als de maai-eenheden in de transportstand staan, breng dan een positieve mechanische vergrendeling aan (indien aanwezig) voordat u de machine onbeheerd achterlaat.
Voer indien mogelijk geen onderhoudswerkzaamheden uit als de motor draait. Blijf uit de buurt van bewegende onderdelen.
Laat de motor enkel draaien in goed verluchte omgevingen. Uitlaatgassen bevatten koolstofmonoxide, dat dodelijk is bij inademing.
Ondersteun de machine met assteunen als u onder de machine werkt.
Haal voorzichtig de druk van onderdelen met opgeslagen energie.
Zorg ervoor dat alle onderdelen van de machine in goede staat verkeren en alle bevestigingselementen stevig vastzitten, in het bijzonder de bevestigingen van maaimessen.
Vervang versleten of beschadigde stickers.
Om veilige en optimale prestaties van de machine te verkrijgen, moet u ter vervanging alleen originele Toro onderdelen gebruiken. Gebruik ter vervanging nooit onderdelen van andere fabrikanten, omdat dit gevaarlijk kan zijn en de productgarantie hierdoor kan vervallen.
Parkeer de machine op een horizontaal oppervlak.
Zet de hopper in de geheel geheven stand, zie Heffen van de hopper.
Zet de hopper vast:
Duw de pen op de magnetische veiligheidsvergrendeling naar binnen (Figuur 37).
Blijf de pen vasthouden en laat de magnetische veiligheidsvergrendeling zakken op de hydraulische cilinder (Figuur 37).
Herhaal stappen 1 en 2 aan de andere kant.

| Onderhoudsinterval | Onderhoudsprocedure |
|---|---|
| Om de 40 bedrijfsuren |
|
Te gebruiken vet: lithiumvet nr. 2
Important: Bij gebruik in deze omstandigheden kan er vuil terechtkomen in de lagers en lagerbussen, hetgeen tot snellere slijtage kan leiden.
Note: Pomp vet in de smeernippels onmiddellijk na elke wasbeurt, ongeacht het voorgeschreven interval.
Verwijder de bouten aan de voorkant van het deksel en verwijder de riemkap.
Veeg de smeernippel schoon zodat er geen vuil kan binnendringen in het lager of de lagerbus.
Pomp vet in het lager of de lagerbus.
Veeg overtollig vet weg.
Bevestig de riemkap en de bouten.

| Onderhoudsinterval | Onderhoudsprocedure |
|---|---|
| Om de 40 bedrijfsuren |
|
Te gebruiken vet: lithiumvet nr. 2
Important: Bij gebruik in deze omstandigheden kan er vuil terechtkomen in de lagers en lagerbussen, hetgeen tot snellere slijtage kan leiden.
Note: Pomp vet in de smeernippels onmiddellijk na elke wasbeurt, ongeacht het voorgeschreven interval.
Veeg de smeernippel schoon zodat er geen vuil kan binnendringen in het lager of de lagerbus.
Pomp vet in het lager of de lagerbus.
Veeg overtollig vet weg.
De smeerpunten van de lagers en lagerbussen zijn:
Lagerbus van draaipunt van tractiepedaal (Figuur 39)

Draaipunten van de hefarm van het maaidek (Figuur 40)

Verwijder het deksel en smeer de spanpoelie van de aftakas (Figuur 41).

Transmissie stationairrol (Figuur 42).

Lagers voorwiel (Figuur 43)

Hopperarmen (Figuur 44)

Draaipunten van de hopper en stuurinrichting (Figuur 45)

Draaipunt van de hoppercilinder en van de achterasFiguur 46

| Onderhoudsinterval | Onderhoudsprocedure |
|---|---|
| Om de 200 bedrijfsuren |
|
Te gebruiken vet: lithiumvet nr. 2
Important: Bij gebruik in deze omstandigheden kan er vuil terechtkomen in de lagers en lagerbussen, hetgeen tot snellere slijtage kan leiden.
Note: Pomp vet in de smeernippels onmiddellijk na elke wasbeurt, ongeacht het voorgeschreven interval.
Veeg de smeernippel schoon zodat er geen vuil kan binnendringen in het lager of de lagerbus.
Pomp vet in het lager of de lagerbus.
Veeg overtollig vet weg.
Verwijder de bout en open de voorste kap.
| Onderhoudsinterval | Onderhoudsprocedure |
|---|---|
| Om de 100 bedrijfsuren |
|
Aanbevolen smeermiddel: anti-seizepasta
Koppel de aandrijfas los van de tandwielkast van het maaidek; zie De aandrijfas loskoppelen van de versnellingsbak van het maaidek.
Trek de voorste helft van de aandrijfas (Figuur 49) ongeveer 25 cm naar voren.

Veeg de sleuven van de as van de tandwielkast en de sleuven van de aandrijfas schoon (Figuur 49).
Reinig het schuivende oppervlak van het voorste stuk van de aandrijfas (Figuur 49).
Breng anti-seizepasta aan op de sleuven van de as van de tandwielkast en de kogelverbinding (Figuur 49).
Breng anti-seize aan op het schuivende oppervlak van het voorste stuk van de aandrijfas (Figuur 49).
Beweeg de voorste helft van de aandrijfas naar achteren zodat de kogelverbinding gelijk komt met de as van de tandwielkast.
Veeg overtollige anti-seizepasta van de aandrijfas.
Koppel de aandrijfas aan op de tandwielkast van het maaidek; zie De aandrijfas loskoppelen van de versnellingsbak van het maaidek.
Zet de motor af en haal het sleuteltje uit het contact voordat u het oliepeil controleert of het carter bijvult met olie.
Verander de snelheid van de toerenregelaar niet en laat de motor het maximale toerental niet overschrijden.
Important: Ga als volgt te werk om de motor te bereiken als deze niet draait.
Note: Als u een hopper handmatig draait waar zich gras in bevindt, zal het gras eruit vallen.
Draai de hopper met de hand open of haal de hopper omhoog tot de hoogste stand en zet hem vast met de magnetische veiligheidsvergrendelingen; zie Heffen van de hopper en De hopper vastzetten in de geheven stand..
Verwijder de bevestigingen en til het deksel op om bij de motor te komen (Figuur 52).

Druk op de vergrendeling en laat de radiator zakken om bij de motor te komen (Figuur 53).

Note: Het luchtfilter moet vaker vervangen worden (om de paar uur) als de machine wordt gebruikt in buitengewoon stoffige of zanderige omstandigheden.
| Onderhoudsinterval | Onderhoudsprocedure |
|---|---|
| Om de 50 bedrijfsuren |
|
Controleer de luchtfilterbehuizing op schade die een luchtlek kan veroorzaken. Vervang een beschadigde luchtfilterbehuizing.
Reinig het luchtfilterdeksel zoals in Figuur 54.

| Onderhoudsinterval | Onderhoudsprocedure |
|---|---|
| Bij elk gebruik of dagelijks |
|
| Om de 100 bedrijfsuren |
|
Schuif het voorfilter voorzichtig uit de luchtfilterbehuizing (Figuur 55).
Note: Zorg ervoor dat u niet met het filter tegen de zijkant van de luchtfilterbehuizing stoot.
Important: Probeer het hoofdfilter niet te reinigen.

Verwijder het veiligheidsfilter (indien gemonteerd).
Note: Verwijder het veiligheidsfilter uitsluitend als u dit wilt vervangen.
Important: Probeer nooit een veiligheidsfilter te reinigen. Als het veiligheidsfilter vuil is, betekent dit dat het voorfilter is beschadigd, en moet u beide filters vervangen.
Inspecteer het nieuwe filter(s) op beschadiging door een felle lichtbron op de buitenkant van het filter te richten en er doorheen te kijken.
Note: Gaten in het filter zijn herkenbaar als lichte plekken. Controleer het filter op scheuren, een vettig oppervlak of beschadiging van de rubberen afdichting. Als het filter beschadigd is mag het niet gebruikt worden.
Als u het veiligheidsfilter vervangt, moet u dit voorzichtig in de filterbehuizing schuiven (Figuur 55).
Important: U mag de motor nooit laten lopen zonder dat beide luchtfilters zijn gemonteerd, omdat anders de motor schade kan oplopen.
Schuif nieuwe hoofdfilter voorzichtig over het veiligheidsfilter en zorg ervoor dat het filter volledig vastzit door de buitenring van het filter tijdens de montage aan te drukken.
Important: Druk niet op het zachte midden van het filter.
Monteer het luchtfilterdeksel met de kant die aangeduid is als "UP" naar boven gericht en maak de sluitingen vast (Figuur 55).
De motor wordt verzonden met olie in het carter.
Carterinhoud: ongeveer 3,2 liter met filter.
Motorolie:
Motorolietype: vereiste API-klasse: CH-4, CI-4 of hoger.
Viscositeit van de motorolie: zie onderstaande tabel.
Aanbevolen olie: SAE 15W-40 (boven -18°C)
Alternatieve olie: SAE 10W-30 of 5W-30 (voor alle temperaturen)
Note: Toro Premium motorolie is verkrijgbaar bij uw erkende Toro distributeur, met een viscositeit van 15W-40 of 10W-30. Zie de onderdelencatalogus voor de onderdeelnummers.

| Onderhoudsinterval | Onderhoudsprocedure |
|---|---|
| Bij elk gebruik of dagelijks |
|
Note: De beste tijd om de motorolie te controleren is wanneer de motor koud is voordat deze is gestart voor de dag. Als hij al heeft gedraaid, moet u de olie eerst terug laten lopen gedurende tenminste 10 minuten voordat u controleert. Als het olieniveau op of onder de lage markering op de peilstok staat, vul dan olie bij om het olieniveau tot de hoge markering te brengen. Niet te vol vullen. Als het oliepeil zich tussen de twee markeringen bevindt, hoeft er geen olie te worden bijgevuld.
Laat de radiateur zakken en controleer het motoroliepeil zoals aangegeven in Figuur 53 en Figuur 57.
Breng de hopper zo nodig helemaal omhoog, zet hem vast met de magnetische veiligheidssloten en zet het motordeksel omhoog, nadat u de bevestigingen van het deksel hebt verwijderd.

| Onderhoudsinterval | Onderhoudsprocedure |
|---|---|
| Na de eerste 50 bedrijfsuren |
|
| Om de 75 bedrijfsuren |
|
| Om de 150 bedrijfsuren |
|
Note: De motorolie en het filter vaker verversen resp. vervangen als de machine wordt gebruikt in zeer stoffige of zanderige omstandigheden.
Start de motor en laat deze 5 minuten lopen zodat de olie warm wordt.
Parkeer de machine op een horizontaal oppervlak.
Zet de aftakas los, laat het maaidek zakken en haal de parkeerrem aan.
Breng de hopper omhoog en borg hem. Open dan de kap; zie Bereiken van de motor via de kap.
Zet de motor af en verwijder het sleuteltje.
De motorolie verversen en het oliefilter vervangen. zoals in Figuur 58.
Sluit de toegangskap van de motor en laat de hopper zakken: zie Laten zakken van de hopper
Note: Draai het filter aan totdat de afdichting van het filter de motor raakt, draai het dan 3/4 slag verder.

Note: Zie Brandstof tanken voor de aanbevolen brandstof
In bepaalde omstandigheden zijn dieselbrandstof en brandstofdampen uiterst ontvlambaar en explosief. Brand of explosie van brandstof kan brandwonden of materiële schade veroorzaken.
Rook nooit als u aan het werken bent met benzine en blijf uit de buurt van open vuur of plaatsen waar de kans bestaat dat benzinedampen door een vonk kunnen ontbranden.
Deze Gebruikershandleiding bevat meer informatie over de brandstof en het onderhoud van het brandstofsysteem dan de gebruikershandleiding van de motor die algemene informatie bevat over de brandstof en het brandstofonderhoud.
Zorg ervoor dat u voldoende aandacht besteedt aan het onderhoud van het brandstofsysteem, de brandstofopslag en de brandstofkwaliteit om stilstand en grote reparaties aan de motor te voorkomen.
Het brandstofsysteem heeft zeer kleine toleranties vanwege de emissie- en controlevoorschriften. De kwaliteit en zuiverheid van de dieselbrandstof is veel belangrijker geworden voor de levensduur van moderne hogedruk common rail (HPCR) brandstofinjectiesystemen die voor dieselmotoren worden gebruikt.
Important: Water of lucht in het brandstofsysteem zal uw motor beschadigen! Ga er niet van uit dat nieuwe brandstof schoon is. Zorg ervoor dat uw brandstof van een gerenommeerde leverancier komt, sla uw brandstof correct op en gebruik uw brandstofvoorraad binnen 180 dagen.
Important: Als u de procedures voor het vervangen van het brandstoffilter, het onderhoud van het brandstofsysteem en de opslag van brandstof niet volgt, kan het brandstofsysteem van de motor voortijdig defect raken. Voer al het onderhoud aan het brandstofsysteem uit met de voorgeschreven intervallen of wanneer de brandstof vervuild is of de kwaliteit ervan slecht is.
De juiste opslag van brandstof is essentieel voor uw motor. Het goede onderhoud van de brandstofopslagtanks wordt vaak over het hoofd gezien en leidt tot vervuiling van de brandstof die aan de machine wordt geleverd.
Koop alleen de benodigde brandstof die u binnen 180 dagen zult verbruiken. Gebruik geen brandstof die langer dan 180 dagen is opgeslagen. Hierdoor zal de brandstof geen water en andere verontreinigingen bevatten.
Als u het water niet uit de opslag- of brandstoftank van de machine verwijdert, kan dat roest of verontreinigingen in de opslagtank en de onderdelen van het brandstofsysteem veroorzaken. Het door schimmel, bacteriën of schimmel ontwikkelde tankslib beperkt de doorstroming en verstopt het filter en de brandstofinjectoren.
Inspecteer uw brandstofopslagtank en de brandstoftank van uw machine regelmatig om de kwaliteit van de brandstof in de tank te controleren.
Zorg ervoor dat uw brandstof afkomstig is van een gerenommeerde leverancier.
Als u water of verontreinigingen in uw opslag- of brandstoftank aantreft, werk dan samen met uw brandstofleverancier om het probleem te verhelpen en voer al het benodigde onderhoud aan het brandstofsysteem uit.
Bewaar geen diesel in tanks of jerrycans met verzinkte onderdelen.
Parkeer de machine op een horizontaal oppervlak.
Stel de parkeerrem in werking.
Wacht tot de motor is afgekoeld.
Zorg ervoor dat de brandstoftank minstens half vol is.
Ontgrendel de radiateur; zie Bereiken van de motor via de linkerkant.
Plaats een bak onder de ontluchtschroeven.
Verzeker u ervan dat de brandstoffilterkraan op AAN staat (Figuur 59).
Open de eerste ontluchtingsschroef op de brandstofinspuitpomp (Figuur 59).
Laat de lucht ontsnappen en wacht tot er brandstof ontsnapt.
Zodra de brandstof begint te ontsnappen, draait u de eerste ontluchtingsschroef vast (Figuur 59).
Open de tweede ontluchtingsschroef op de brandstofinspuitpomp (Figuur 59).
Laat de lucht ontsnappen en wacht tot er brandstof ontsnapt.
Zodra de brandstof begint te ontsnappen, draait u de tweede ontluchtingsschroef vast (Figuur 59).

Note: De motor zou moeten starten wanneer u deze procedure uitgevoerd hebt. Indien de motor echter niet start, kan er lucht tussen de injectiepomp en de injectors zitten. Neem dan contact op met uw erkende Toro distributeur.
Verwijder brandstof die zich rond de injectiepomp heeft opgehoopt.
| Onderhoudsinterval | Onderhoudsprocedure |
|---|---|
| Om de 400 bedrijfsuren |
|
Maak de omgeving rond het brandstoffilter schoon (Figuur 60).
Draai de brandstoffilterhendel naar de stand UIT (Figuur 60).
Verwijder het filter en reinig het filterbevestigingsoppervlak (Figuur 60).
Smeer de filterpakking in met schone brandstof.
Monteer het filterelement op het filter.
Monteer de filterkom en de moer van de kom op de filterkop en draai de moer handmatig vast.
Draai de brandstoffilterhendel naar de stand AAN (Figuur 59).

Ontlucht het brandstofsysteem, zie Het Brandstofsysteem ontluchten.
Note: Repareer alle brandstoflekken voordat de machine in gebruik wordt genomen.
| Onderhoudsinterval | Onderhoudsprocedure |
|---|---|
| Om de 400 bedrijfsuren |
|
Als u de machine voor langere tijd opslaat, gebruik dan een sifonpomp om de brandstoftank te legen.
Als het brandstofsysteem verontreinigd raakt, gebruik dan een sifonpomp om de brandstoftank te legen. Reinig vervolgens de tank en gebruik schone diesel om de tank te spoelen.

| Onderhoudsinterval | Onderhoudsprocedure |
|---|---|
| Om de 400 bedrijfsuren |
|
Inspecteer de brandstofleidingen op slijtage, beschadigingen of loszittende verbindingen.
Koppel de accu af voordat u reparaties aan de machine verricht. Maak eerst de minpool van de accu los en daarna de pluspool. Bevestig eerst de pluspool van de accu en daarna de minpool.
Laad de accu op in een open, goed geventileerde ruimte, uit de buurt van vonken en open vuur. Haal de oplader uit het stopcontact voordat u de accu aan- of loskoppelt. Draag beschermende kleding en gebruik geïsoleerd gereedschap.
Parkeer de machine op een horizontaal oppervlak.
Zet de aftakas los, laat het maaidek zakken en haal de parkeerrem aan.
Zet de motor af en verwijder het sleuteltje.
Zet de hopper omhoog en zet hem vast, zie (De hopper vastzetten in de geheven stand.).
Haal de twee bouten en sluitringen uit het accudeksel (Figuur 62).
Verwijder het accudeksel (Figuur 62).

| Onderhoudsinterval | Onderhoudsprocedure |
|---|---|
| Om de 25 bedrijfsuren |
|
Important: Voordat u laswerkzaamheden aan de machine verricht, moet u de minkabel loskoppelen van de accu om beschadiging van het elektrische systeem te voorkomen.
Accupolen of metalen gereedschappen kunnen kortsluiting maken met metalen onderdelen van de machine, waardoor vonken kunnen ontstaan. Hierdoor kunnen accugassen tot ontploffing komen en lichamelijk letsel veroorzaken.
Zorg ervoor dat bij het verwijderen of installeren van de accu de accupolen niet in aanraking komen met metalen onderdelen van de machine.
Voorkom dat metalen gereedschappen kortsluiting veroorzaken tussen de accupolen en metalen onderdelen van de machine.
Als de accukabels verkeerd worden verbonden, kan dit schade aan de machine en de kabels tot gevolg hebben en vonken veroorzaken. Hierdoor kunnen accugassen tot ontploffing komen en lichamelijk letsel veroorzaken.
Maak altijd de minkabel (zwart) van de accu los voordat u de pluskabel (rood) losmaakt.
Sluit altijd de pluskabel (rood) van de accu aan voordat u de minkabel (zwart) aansluit.
Parkeer de machine op een horizontaal oppervlak.
Zet de aftakas los, laat het maaidek zakken en haal de parkeerrem aan.
Zet de motor af en verwijder het sleuteltje.
Maak de accu bereikbaar; zie Toegang tot de accu.
Verwijder de accu zoals getoond in Figuur 63.

Plaats de accu zoals wordt getoond in Figuur 64.

Bij het opladen produceert de accu gassen die tot ontploffing kunnen komen.
Rook nooit in de buurt van de accu en zorg ervoor dat er geen vonken of vlammen vlakbij de accu komen.
Important: Zorg ervoor dat de accu altijd volledig geladen is (soortelijk gewicht 1.265). Dit is vooral belangrijk om beschadiging van de accu te voorkomen bij temperaturen beneden 0 °C.
Laad de accu 10 tot 15 minuten op bij 25 tot 30 A of 30 minuten bij 10 A.
Zodra de accu volledig is opgeladen, haalt u de acculader uit het stopcontact en maakt u vervolgens de oplaadkabels los van de accuklemmen (Figuur 65).
Monteer de accu in de machine en sluit de accukabels aan; zie De accu plaatsen.
Note: Gebruik de machine nooit wanneer de accu is losgekoppeld; dit kan beschadigingen aan het elektrische systeem tot gevolg hebben.

De elektrische installatie is beveiligd door middel van zekeringen. Voor de zekeringen is geen onderhoud nodig. Als er echter een zekering doorbrandt, controleer dan het circuit op een storing of kortsluiting.
De zekeringhouder en zekeringen bevinden zich links van de bestuurdersstoel (Figuur 66).

Gebruik de volgende tabel als u een zekering vervangt:
| Circuit | Zekeringtype |
| Schakelaars en zoemers | 3 A |
| Grasvanger en koppeling van de aftakas | 15 A |
| Elektronische bedieningsmodule | 5 A |
| Maai-eenheid | 15 A |
| Dynamo en dashboard | 5 A |
| Zwaailicht | 3 A |
| Motor | 15 A |
| Gereserveerd voor accessoires | 15 A |

Er zijn ook 2 zekeringen (40 A) die de hoofdkabelboom van de machine beveiligen (Figuur 68).

| Onderhoudsinterval | Onderhoudsprocedure |
|---|---|
| Om de 40 bedrijfsuren |
|
Om corrosie van de kabelklemmen te voorkomen, moet u een laagje Grafo 112X-vet (Toro onderdeelnr. 505-47) op de binnenkant van alle kabelboomstekkers smeren wanneer u de kabelboom vervangt.
Important: Als u werkzaamheden aan het elektrische systeem verricht, moet u altijd de accukabels, de min (-) kabel eerst, loskoppelen om beschadiging van de bedrading ten gevolge van kortsluiting te voorkomen.
| Onderhoudsinterval | Onderhoudsprocedure |
|---|---|
| Na het eerste bedrijfsuur |
|
| Na de eerste 10 bedrijfsuren |
|
| Om de 200 bedrijfsuren |
|
Aantrekkoppel van de wielmoeren: 85-90 N∙m
Draai de wielmoeren van de voor- en achterwielen kruiselings aan met de aangegeven torsie, zie Figuur 69.

| Onderhoudsinterval | Onderhoudsprocedure |
|---|---|
| Om de 200 bedrijfsuren |
|
Parkeer de machine op een horizontaal oppervlak.
Zet de aftakas los, laat het maaidek zakken en haal de parkeerrem aan.
Zet de motor af en verwijder het sleuteltje.
Draai het stuurwiel zodanig dat de achterwielen recht naar voren wijzen.
Meet de afstand hart-op-hart ter hoogte van de wielnaven aan de voor- en achterzijde van de achterwielen.
Note: De achterwielen mogen geen spoorafwijking (inspoor of uitspoor) hebben als ze correct zijn uitgelijnd.
In geval van inspoor of uitspoor moeten de wielen worden afgesteld, zie Uitspoor van de achterwielen afstellen.
Maak de contramoeren aan beide uiteinden van de linker- en rechterspoorstangen los.
Stel beide spoorstangen af totdat de afstand hart-op-hart aan de voorzijde en achterzijde van de achterwielen gelijk is (Figuur 70).
Als de achterwielen correct zijn afgesteld, draait u de contramoeren vast tegen de spoorstangen.

De stops van de besturing op de achteras voorkomen mede dat de stuurcilinder te ver uitslaat als de achterwielen worden geraakt. Stel de stops zodanig af dat de afstand tussen de boutkop en het scharnierpunt op de as 2,3 mm bedraagt als het stuurwiel geheel naar links of naar rechts wordt gedraaid.
Draai de bouten in of uit totdat de afstand 2,3 mm bedraagt; zie Figuur 71.

| Onderhoudsinterval | Onderhoudsprocedure |
|---|---|
| Na de eerste 500 bedrijfsuren |
|
| Om de 1000 bedrijfsuren |
|
Capaciteit van de vooras: 1,5 l
Specificatie van de asolie: ISO VG220
Parkeer de machine op een horizontaal oppervlak.
Zet de aftakas los, laat het maaidek zakken en haal de parkeerrem aan.
Zet de hopper omhoog en zet hem vast, zie Heffen van de hopper.
Draai de bestuurdersstoel naar voren.
Verwijder het uitwerpkanaal, zie Het uitwerpkanaal leegmaken.
Zet de motor af en verwijder het sleuteltje.
Plaats een opvangbak onder de aftapplug.
Verwijder de aftapplug en laat de olie uitstromen.

Plaats de aftapplug terug.
Verwijder de vulplug.

Voeg de juiste hoeveelheid verse olie toe en gebruik daarvoor een trechter.
Monteer het uitwerpkanaal.
Laat de hopper zakken; zie Laten zakken van de hopper.
Motorkoelvloeistof inslikken kan vergiftiging veroorzaken; buiten het bereik van kinderen en huisdieren houden.
Als u hete, onder druk staande koelvloeistof over u heen krijgt of in aanraking komt met een hete radiateur of omliggende delen, kunt u ernstige brandwonden oplopen.
Laat de motor altijd minstens 15 minuten afkoelen voordat u de radiateurdop losdraait.
Gebruik een doek als u de radiateurdop verwijdert en draai de dop langzaam open om de stoom te laten ontsnappen.
Gebruik de machine nooit zonder dat de kappen zijn geplaatst.
Houd uw vingers, handen en kleding uit de buurt van de draaiende ventilator en aandrijfriem.
Inhoud koelsysteem: 6,4 liter
Koelvloeistof:
| Aanbevolen koelvloeistof |
|
Note: Koelvloeistof moet minstens voldoen aan ASTM standaard 3306 |
| Glycolgebaseerde voorverdunde koelvloeistof (mengsel 50/50) |
| of |
| Glycolgebaseerde koelvloeistof gemengd met gedistilleerd water (50/50 mengsel) |
| of |
| Glycolgebaseerde koelvloeistof gemengd met water van goede kwaliteit (50/50 mengsel) |
| CaCO3 + MgCO3 <170 ppm |
| Chloride <40 ppm (CI) |
| Sulfer <100 ppm (SO4) |
| Onderhoudsinterval | Onderhoudsprocedure |
|---|---|
| Bij elk gebruik of dagelijks |
|
Als de motor heeft gelopen, staat de radiateur onder druk en is de koelvloeistof heet. Als u de dop verwijdert, kan koelvloeistof ontsnappen, waarbij u ernstige brandwonden kunt oplopen.
Verwijder nooit de dop van het drukexpansievat om het peil van de koelvloeistof te controleren. Controleer dit door het peil via de zijkant van de tank te bepalen.
Verwijder de dop van het drukexpansievat nooit als de motor heet is. Laat de motor minstens 15 minuten afkoelen of totdat de radiateurdop zover is afgekoeld dat u deze kunt aanraken zonder uw hand te branden.
Controleer het koelvloeistofpeil in de expansietank (Figuur 7).
Als het peil van de koelvloeistof laag is, verwijder de dop van de expansietank dan en voeg de aanbevolen koelvloeistof toe.
Gebruik geen koelvloeistoffen op basis van alcohol of alleen water.Niet te vol vullen.
Plaats de dop van de expansietank terug.

| Onderhoudsinterval | Onderhoudsprocedure |
|---|---|
| Bij elk gebruik of dagelijks |
|
Om oververhitting van de motor te voorkomen moeten het radiateurscherm en de radiateur schoon worden gehouden. Controleer of er aangekoekt gras, stof of vuil op het scherm van de radiateur zit en verwijder dit indien nodig (Figuur 75).
| Onderhoudsinterval | Onderhoudsprocedure |
|---|---|
| Om de 200 bedrijfsuren |
|
| Om de 1500 bedrijfsuren |
|
Note: Als de aftakas wordt uitgeschakeld vanwege een hoge motortemperatuur controleer dan eerst of er teveel vervuiling is opgebouwd bij het radiateurscherm of de radiateur. Maak het systeem schoon voordat u de machine gebruikt. Schakel de motor niet meteen uit; laat de motor afkoelen door deze onbelast te laten draaien.
Reinig de radiateur als volgt:
Verwijder het radiateurscherm.
Reinig de radiateur vanaf de zijde van de ventilator met perslucht met lage druk (172 kPa) (geen water gebruiken). Reinig vervolgens op dezelfde manier vanaf de voorkant van de radiateur en opnieuw vanaf de ventilatorzijde.
Nadat u de radiateur grondig hebt gereinigd, moet u vuil verwijderen dat zich eventueel heeft verzameld in het kanaal op het onderste deel van de radiateur.
Maak het radiateurscherm schoon en monteer het op de machine.

| Onderhoudsinterval | Onderhoudsprocedure |
|---|---|
| Na de eerste 10 bedrijfsuren |
|
| Na de eerste 50 bedrijfsuren |
|
De bedrijfsremmen moeten worden bijgesteld na de eerste 50 bedrijfsuren, en daarna mogelijk nog eens na langdurig gebruik.
Parkeer de machine op een horizontaal oppervlak.
Zet de aftakas los, laat het maaidek zakken en haal de parkeerrem aan.
Zet de motor af en verwijder het sleuteltje.
Zet de parkeerrem vrij (Figuur 11).
Controleer de speling tussen de schijf en de remblokken (Figuur 76). Zorg ervoor dat de afstand 0,4 tot 0,6 mm bedraagt.
Als dit afgesteld moet worden, maak dan de voorste en achterste contramoeren van de remkabels aan weerszijden los (Figuur 76).

Draai de contramoeren vast om de kabel op zijn plaats te bevestigen.
Controleer de speling wanneer de rem niet is aangehaald.
Herhaal stap 6 tot 8 totdat de parkeerrem de gewenste positie bereikt.
| Onderhoudsinterval | Onderhoudsprocedure |
|---|---|
| Om de 200 bedrijfsuren |
|
Controleer de riem van de dynamo op slijtage of schade.
Note: Vervang de riem van de dynamo indien deze versleten of beschadigd is.
| Onderhoudsinterval | Onderhoudsprocedure |
|---|---|
| Na de eerste 10 bedrijfsuren |
|
| Om de 200 bedrijfsuren |
|
Parkeer de machine op een horizontaal oppervlak.
Zet de aftakas los, laat het maaidek zakken en haal de parkeerrem aan.
Zet de motor af en verwijder het sleuteltje.
Draai de scharnierbout en borgbout van de dynamo los (Figuur 77).
Span de dynamoriem zodat deze in midden tussen de poelies 10 mm ingedrukt wordt door een kracht van 4,5 kg.
Zet de borgbout van de dynamo vast (Figuur 77).
Zet de scharnierbout van de dynamo vast (Figuur 77).

| Onderhoudsinterval | Onderhoudsprocedure |
|---|---|
| Na de eerste 10 bedrijfsuren |
|
| Na de eerste 50 bedrijfsuren |
|
| Om de 200 bedrijfsuren |
|
Parkeer de machine op een horizontaal oppervlak.
Zet de aftakas los, laat het maaidek zakken en haal de parkeerrem aan.
Zet de motor af en verwijder het sleuteltje.
Controleer de punt op de spanningswijzer van de spaninrichting van de spanpoelie.
Het buitenvlak van de onderlegring moet samenvallen met de punt van de spanningswijzer.
Draai indien nodig de moer van de spaninrichting van de spanpoelie totdat de punt van de spanningswijzer samenvalt met het buitenvlak van de onderlegring (Figuur 78).

Important: Vervang alle aftakasriemen samen.
Parkeer de machine op een horizontaal oppervlak.
Zet de aftakas los, laat het maaidek zakken en haal de parkeerrem aan.
Zet de motor af en verwijder het sleuteltje.
Zorg dat u toegang hebt tot de zij- en bovenkant van de motor; zie Bereiken van de motor via de kap en Bereiken van de motor via de linkerkant.
Ontkoppel de draadconnector van de koppeling (Figuur 79).
Verwijder de 3 bouten en 3 moeren waarmee de koppelingsbeugel aan het frame en de koppeling is bevestigd (Figuur 79).

Zet de moer van de spaninrichting van de spanpoelie los; zie Spanning van aftakasriem controleren.
Zet de spanpoelie omhoog en verwijder de riemen van de machine (Figuur 78).
Breng de riemen van de aftakas aan over de poelies (Figuur 78).
Monteer de koppelingsbeugel op het frame en de koppeling met de eerder verwijderde bouten en moeren; zie De aftakasriemen verwijderen
Zet de moer van de spaninrichting van de spanpoelie vast; zie Spanning van aftakasriem controleren.
Sluit de radiateur van de machine; zie Bereiken van de motor via de linkerkant.
U kunt het tractiepedaal instellen voor meer gemak voor de gebruiker of om de maximale rijsnelheid vooruit van de machine te verlagen of verhogen.
U kunt het tractiepedaal ook instellen om de maximale rijsnelheid achteruit van de machine te verlagen of verhogen.
Beweeg het tractiepedaal volledig naar voren (Figuur 80).
Voor de maximale snelheid moet er 3 mm tussenruimte zijn tussen het tractiepedaal en de aanslag van het tractiepedaal.

Om de rijsnelheid vooruit van de machine te beperken:
Hou de tractiepedaal aanslag vooruit vast met een moersleutel, maak de contramoer aan de achterkant van de beugel los (Figuur 80).
Zet het tractiepedaal in de gewenste stand (Figuur 80).
Stel de contramoer aan de achterkant van de beugel in totdat het tractiepedaal de aanslag raakt (Figuur 80).
Note: Bij het inkorten van de aanslag wordt de rijsnelheid vooruit van de machine hoger.
Hou de aanslag van het pedaal vast en trek de contramoer aan de voorkant van de beugel aan met 37 tot 45 N·m.
U kunt de tractie als volgt afstellen:
Parkeer de machine op een horizontaal oppervlak.
Zet de aftakas los, laat het maaidek zakken en haal de parkeerrem aan.
Zet de motor af en verwijder het sleuteltje.
Draai de contramoer los waarmee het staaflager van de tractiekabel aan het pedaal is bevestigd (Figuur 81).
Verwijder de bout en de moer waarmee het staaflager van de tractiekabel aan het pedaal is bevestigd (Figuur 81).
Draai aan het staaflager tot u de gewenste lengte hebt verkregen.
Draai de contramoer (Figuur 81) vast en bevestig het staaflager aan het tractiepedaal met de bout en de moer die u eerder hebt verwijderd, om de hoek van het pedaal te borgen.

Waarschuw onmiddellijk een arts als er hydraulische vloeistof is geïnjecteerd in de huid. Geïnjecteerde vloeistof moet binnen enkele uren operatief worden verwijderd door een arts.
Controleer of alle hydraulische slangen en leidingen in goede staat verkeren en alle hydraulische aansluitingen en fittings stevig vastzitten voordat u druk zet op het hydraulische systeem.
Houd lichaam en handen uit de buurt van kleine lekgaten of spuitmonden waaruit onder hoge druk hydraulische vloeistof ontsnapt.
U kunt lekken in het hydraulische systeem opsporen met behulp van karton of papier.
Hef alle druk in het hydraulische systeem op veilige wijze op, voordat u werkzaamheden gaat verrichten aan het hydraulische systeem.
Het reservoir van de hydraulische vloeistof wordt in de fabriek gevuld met hydraulische vloeistof van hoge kwaliteit. Controleer het peil van de hydraulische vloeistof voordat u de motor voor het eerst start, en vervolgens dagelijks.
Viscositeit van de hydraulische vloeistof: 5W-50
Gebruik vloeistoffen die aan alle volgende materiaaleigenschappen en industriespecificaties voldoen. Vraag uw smeermiddelenleverancier naar een geschikt product.
Note: Toro aanvaardt geen enkele aansprakelijkheid voor schade die wordt veroorzaakt door gebruik van verkeerde vervangende vloeistoffen. Gebruik daarom uitsluitend producten van gerenommeerde fabrikanten die garant staan voor de door hen aanbevolen vloeistoffen.
| Eigenschappen: | ||
| Viscositeit, ASTM D445 | St bij 40°C 42 tot 50 | |
| St bij 100 °C 7,6 tot 8,5 | ||
| Viscositeitsindex ASTM D2270 | 140 of hoger | |
| Stolpunt, ASTM D97 | -40 °C tot -45 °C | |
| FZG, Fail stage | 11 of beter | |
| Watergehalte (nieuwe vloeistof) | 500 ppm (maximum) | |
| Industriespecificaties: | Vickers I-286-S (kwaliteitsniveau), Vickers M-2950-S (kwaliteitsniveau), Denison HF-0 | |
Important: De ISO VG 46 Multigrade vloeistof geeft een optimale werking bij een groot aantal temperatuursomstandigheden. Bij bedrijf onder structureer hoge omgevingstemperaturen van 18 °C tot 49 °C biedt ISO VG 68 hydraulische vloeistof betere prestaties.
Important: Veel hydraulische vloeistoffen zijn bijna kleurloos, zodat het moeilijk is lekkages op te sporen. Er is een rode kleurstof voor de vloeistof in het hydraulisch systeem verkrijgbaar in flesjes van 20ml. Eén flesje is voldoende voor 15 tot 22 l hydraulische olie. Bestellen bij een erkende Toro dealer, onderdeelnr. 44-2500.
Parkeer de machine op een horizontaal oppervlak.
Zet de aftakas los, laat het maaidek zakken en haal de parkeerrem aan.
Zet alle bedieningsorganen in de NEUTRAALSTAND en start de motor.
Laat de motor op het laagst mogelijke toerental draaien om het systeem te ontluchten.
Important: Stel de aftakas niet in werking.
Draai het stuur meerdere malen geheel naar rechts en links, zet de wielen dan recht naar voren.
| Onderhoudsinterval | Onderhoudsprocedure |
|---|---|
| Bij elk gebruik of dagelijks |
|
Parkeer de machine op een horizontaal oppervlak.
Zorg dat de hopper volledig vlak staat in de laagste stand en het maaidek neergelaten is.
Schakel de aftakas uit, stel de parkeerrem in werking, zet de motor af en verwijder het contactsleuteltje.
Verwijder de peilstok uit de hydraulische tank en veeg de peilstok af met een schone doek (Figuur 82).

Plaats de peilstok in de vulbuis en schroef de peilstokkap op de buis.
Verwijder de peilstok en controleer het vloeistofpeil (Figuur 83).
Het peil van de hydraulische vloeistof moet normaal tussen de 2 markeringen op de peilstok staan.

Als het vloeistofpeil lager is dan de onderste markering op de peilstok, moet u de gespecificeerde hydraulische vloeistof in de vulbuis (Figuur 83) gieten totdat u ziet dat het vloeistofpeil tussen de 2 markeringen op de peilstok komt.
Important: De hydraulische vloeistof mag niet boven de bovenste markering op de peilstok van de hydraulische tank staan.

Schroef de peilstokdop op de vulbuis.
Note: Draai de dop niet vast met een sleutel.
Controleer alle slangen en aansluitingen op lekkages.
| Onderhoudsinterval | Onderhoudsprocedure |
|---|---|
| Na de eerste 100 bedrijfsuren |
|
| Om de 400 bedrijfsuren |
|
Inhoud hydraulisch reservoir: ongeveer 6,7 liter
Parkeer de machine op een horizontaal oppervlak.
Zorg dat de hopper volledig vlak staat in de laagste stand en het maaidek omhooggebracht is.
Schakel de aftakas uit, stel de parkeerrem in werking, zet de motor af en verwijder het contactsleuteltje.
Plaats een bak onder de hydraulische pomp aan de rechterkant om de hydraulische vloeistof op te vangen.
Om de hydraulische tank te legen, verwijdert u het deksel en maakt u de hydraulische slang aan de kant van de hydraulische pomp los. (Figuur 85).

Verwijder het rechter voorwiel.
Vervang het hydraulische filter zoals in Figuur 86.

Giet de gespecificeerde hydraulische vloeistof in de vulbuis totdat u ziet dat het vloeistofpeil tussen de 2 markeringen op de peilstok komt (Figuur 83).
Important: De hydraulische vloeistof mag niet boven de bovenste markering op de peilstok van de hydraulische tank staan.
Monteer het rechter voorwiel; zie De wielmoeren aandraaien.
Start de motor, beweeg het stuur en de maaidekcilinders op en neer, controleer de machine op vloeistoflekken. Laat de motor ongeveer 5 minuten lopen en zet deze daarna af.
Controleer na 2 minuten het peil van de hydraulische vloeistof; zie Het peil van de hydraulische vloeistof controleren.
Important: Zorg ervoor dat u het uitwerpkanaal verwijdert voordat u deze procedure uitvoert omdat er anders schade kan optreden.
Parkeer de machine op een horizontaal oppervlak.
Zet de aftakas los, laat het maaidek zakken en haal de parkeerrem aan.
Breng de hopper omhoog en zet de magnetische veiligheidsvergrendelingen vast; zie De hopper vastzetten in de geheven stand..
Ontgrendel en verwijder het uitwerpkanaal, zie Het uitwerpkanaal leegmaken.
Trek en draai de achterste vergrendelpennen aan weerszijden van het maaidek.

Zet de motor af en verwijder het sleuteltje.
Zet het bestuurdersplatform omhoog en schakel de vergrendelingshendel in (Figuur 88).
Zet het maaidek omhoog door de voorkant van het maaidek omhoog te trekken, totdat die vastzit in de OMHOOG- stand.
Voer eventueel onderhoud aan het maaidek uit.
Terwijl u het maaidek vasthoudt, trekt u de vergrendelingshendel van het maaidek omhoog en laat u het maaidek zakken.

Controleer en verzeker u ervan dat de achterste vergrendelpennen vastzitten (Figuur 87).
Zet het bedieningsplatform terug in de bedrijfspositie.
Zet het bestuurdersplatform omhoog, zodat de vergrendelingshendel automatisch wordt ontgrendeld en het bestuurdersplatform weer in de bedrijfspositie wordt gebracht.
Plaats het uitwerpkanaal, draai de bestuurdersstoel en laat de hopper omlaag.
Om een goed maairesultaat te verkrijgen, moet u de maaimessen scherp houden. Om het slijpen en vervangen te vergemakkelijken, is het handig extra messen in voorraad te hebben.
Vervang de maaimessen als ze een vast voorwerp raken en als ze uit balans of krom zijn. Om de beste prestaties te verkrijgen en er zeker van te zijn dat de machine altijd veilig kan worden gebruikt, mag u ter vervanging uitsluitend originele Toro messen gebruiken. Messen van andere fabrikanten voldoen mogelijk niet aan de veiligheidsnormen.
Controleer op gezette tijden het maaimes op slijtage of beschadigingen.
Wees voorzichtig als u de messen controleert. Omwikkel de maaimessen of draag handschoenen en wees voorzichtig als u onderhoudswerkzaamheden aan de maaimessen verricht. De maaimessen mogen alleen worden vervangen of geslepen, probeer ze nooit recht te maken of er aan te lassen.
Let op dat bij machines met meerdere maaimessen andere messen kunnen gaan draaien doordat u één mes draait.
Bereid het maaidek voor op het onderhoud, zie Het maaidek in de onderhoudspositie omhoog halen en laten zakken.
| Onderhoudsinterval | Onderhoudsprocedure |
|---|---|
| Bij elk gebruik of dagelijks |
|
Breng het maaidek omhoog in de onderhoudsstand.
Als de snijranden niet scherp zijn of inkepingen vertonen, moet u het mes verwijderen en slijpen.
Controleer de messen, in het bijzonder de vleugel (het gebogen deel).
Als u scheuren, slijtage of groefvorming in dit deel constateert, moet u direct een nieuw mes monteren.
Note: Aangezien er een maaimes links en rechts is, moet u erop letten hoe de maaimessen zijn geïnstalleerd.
Pak het uiteinde van de messen vast met een doek of een dikke handschoen.
Haal de mesbout, de verende borgring, de golfring en het mes van de maaias af (Figuur 89).

Gebruik een vijl of ander geschikt gereedschap om de snijranden aan beide uiteinden van het mes te slijpen (Figuur 90).
Note: Houd daarbij de oorspronkelijke hoek in stand.
Note: Het mes blijft in balans als u evenveel materiaal weghaalt van beide snijkanten.

Controleer de balans van het mes met een mesbalans (Figuur 91).
Note: Als het mes horizontaal blijft, is het in balans en geschikt voor gebruik.
Note: Als het mes niet in balans is, moet u wat metaal afvijlen van de zware kant, alleen bij het uiteinde van de vleugel (Figuur 91).

Herhaal deze procedure totdat het mes in balans is.
Note: Zie Figuur 89 voor de juiste mesrotatie en -installatie
Note: Linkse schroefdraad wordt gebruikt bij het monteren van het rechter mes
Pak het uiteinde van het mes vast met een doek of een dikke handschoen.
Monteer het mes met de eerder verwijderde mesbout, verende borgring, en golfring (Figuur 89).
Important: De vleugel (het gebogen gedeelte) van het mes moet omhoog wijzen, naar de binnenkant van de maaimachine om een goede maaikwaliteit te garanderen.
Trek de mesbout aan met 53 N·m.
Lijn de sleuven van de kruiskoppeling van de aandrijfas uit met de sleuven in de koppeling van de tandwielkast.
Duw op de verende pen en druk vervolgens het uiteinde van de aandrijfas naar voren.
Laat de verende pen los en controleer of de kruiskoppeling van de aandrijfas geborgd is in de tandwielkast van het maaidek; zie Figuur 92.
Sluit de kap van de kruiskoppeling en zet die vast met de vergrendelingen.
Parkeer de machine op een horizontaal oppervlak.
Schakel de aftakas uit en stel de parkeerrem in werking.
Voordat u het maaidek laat zakken, moet u de achterste verbindingspennen aan weerszijden van het maaidek uittrekken en draaien (Figuur 87).
Zet het maaidek omlaag en kantel de hopper terug.
Zet de motor af en verwijder het sleuteltje.
Kantel de bestuurdersstoel naar voren.
Verwijder het uitwerpkanaal, zie Het uitwerpkanaal leegmaken.
Maak de elektrische connectors aan de rechterkant van het maaidek los.
Koppel de kruiskoppeling van de aandrijfas los van de tandwielkast van het maaidek; zie De aandrijfas loskoppelen van de versnellingsbak van het maaidek.
Verwijder de 2 haarspeld splitpennen en 2 gaffelpennen waarmee de hefarmen aan weerszijden van het maaidek bevestigd zijn (Figuur 93).

Rol het maaidek naar voren, weg van de tractie-eenheid.
Parkeer de machine op een horizontaal oppervlak.
Kantel de hopper terug of til de hopper omhoog en zet hem vast met de magnetische sloten in de opgeheven stand.
Zet de motor af en verwijder het sleuteltje.
Verwijder het uitwerpkanaal, zie Het uitwerpkanaal leegmaken.
Rol het maaidek naar achteren naar de tractie-eenheid.
Installeer de haarspeld splitpen en gaffelpen om de hefarmen aan weerszijden te bevestigen; Figuur 93.
Maak de kruiskoppeling van de aandrijfas vast aan de tandwielkast van het maaidek; zie De aandrijfas loskoppelen van de versnellingsbak van het maaidek.
Monteer het uitwerpkanaal, zie Het uitwerpkanaal leegmaken.
Kantel de bestuurdersstoel naar achteren.
Start de motor.
Breng de hopper omlaag.
Breng de maaidekken omhoog.
| Onderhoudsinterval | Onderhoudsprocedure |
|---|---|
| Na de eerste 50 bedrijfsuren |
|
| Om de 300 bedrijfsuren |
|
Aanbevolen olie voor tandwielkast: PG2 en API GL4, GL5 of MT1
Viscositeit olie voor tandwielkast: LSX 75W90
Capaciteit tandwielolie: 0,25 l
Parkeer de machine op een horizontaal oppervlak, schakel de aftakas uit en laat het maaidek zakken.
Stel de parkeerrem in werking, zet de motor af en verwijder het sleuteltje.
Verwijder de riemkap; zie De riemkap verwijderen.
Parkeer de machine op een vlak, horizontaal oppervlak.
Laat het maaidek zakken en stel de hefhendel van het maaidek in op de zweefstand.
Controleer op verbogen of beschadigde maaimessen, zie De maaimessen controleren.
Note: Vervang gebogen of beschadigde messen en schijven voordat u het maaidek horizontaal gaat stellen.
Controleer de bandenspanning; zie De bandenspanning controleren.
Stel de maaihoogte in op 64 mm (Figuur 98).

Zet de motor af en verwijder het sleuteltje.
Meet de afstand van de grond tot het voorste punt van het maaidek (Figuur 99).
| Noteer de meetwaarde hier: | ||
Meet de afstand van de grond tot het achterste punt van de het maaidek (Figuur 99).
| Noteer de meetwaarde hier: | ||

Doe het volgende om de achterkant van het maaidek aan te passen:
Verwijder de riemkap; zie De riemkap verwijderen.
Om de voorkant van de machine te verhogen tot 64 mm, draait u de borgmoer los en stelt u de stelbout af; zie Figuur 100.

Om de achterkant van het maaidek te verhogen, draait u de borgmoeren voor de trekstangen aan weerszijden van het maaidek los (Figuur 100 en Figuur 101).

Draai de trekstangen tot het achterste punt van het maaidek 5-10 mm hoger staat dan het voorste punt.
Note: Zorg ervoor dat beide trekstangen aangepast en dezelfde lengte zijn.
Draai de contramoeren van de trekstangen vast (Figuur 100).
Controleer of het maaidek in de breedterichting horizontaal is; zie Het maaidek nivelleren in de breedterichting.
Stel de maaihoogte in op 64 mm (Figuur 102).

Zet de motor af en verwijder het sleuteltje.
Lijn een zijmes uit in de buitenste stand (Figuur 103).

Meet de afstand van de grond tot het buitenste punt van de snijrand van het mes (Figuur 103).
| Noteer hier de gemeten afstand: |
Lijn het zijmes aan de andere kant van het maaidek uit in de buitenste stand (Figuur 103).
Meet de afstand van de grond tot de buitenste punt van de snijrand van het mes; gebruik hiervoor een eindmaat (Figuur 103).
| Noteer hier de gemeten afstand: |
Als het verschil tussen de beide metingen groter is dan 3,2 mm, ga dan als volgt te werk:
Meet de buitenste punt van de snijranden van het maaimes (Figuur 103).
Herhaal de afstelling van de zwenkwielen tot de metingen niet meer dan 3,2 mm van elkaar verschillen.
Monteer de riemkap; zie De riemkap monteren.
Zet de maaimessen in de lengterichting en de voorzijde van de messen op 64 mm van de grond. Controleer nu de stand van de maaihoogte-indicator.
Ga op de bestuurdersstoel zitten en kijk naar de wijzer van de maaihoogte-indicator (Figuur 105).

Als de wijzer van de maaihoogte-indicator niet op 64 mm staat, ga dan als volgt te werk:
Parkeer de machine op een horizontaal oppervlak, schakel de aftakas uit en laat het maaidek zakken.
Stel de parkeerrem in werking, zet de motor af en verwijder het sleuteltje.
Verwijder de riemkap; zie De riemkap verwijderen.
Verwijder de veer van de arm van de spanpoelie van de stijl van het maaidek (Figuur 107).
Haal de riem van de poelies van het maaidek af.
Leid de nieuwe riem rond de poelies; zie Figuur 107.

Monteer de veer van de arm van de spanpoelie op de stijl van het maaidek (Figuur 107).
Monteer de riemkap; zie De riemkap monteren.
Zorg ervoor dat de hopper en het uitwerpkanaal goed aansluiten en dat de afdichting niet platgedrukt wordt.
Draai de 4 bouten los waarmee de hefsteunen van aan het frame onder de hopper zijn bevestigd (Figuur 108).

Als u de gewenste beweging van de hopper moet krijgen, draai dan de veiligheidsmoer bovenaan de hydraulische cilinderstang los (Figuur 109).

Schuif de hopper naar voren of naar achteren zodat de inlaat van de hopper uitgelijnd is met de afdichting van het uitwerpkanaal (Figuur 110).

Draai de 4 bouten vast (Figuur 108).
Controleer de afstand tussen de vergrendeling en de deur. Zorg ervoor dat die afstand 2 mm is.
Pas de vergrendeling zo nodig aan met de vergrendelingsbout om de juiste tussenafstand te verkrijgen.
Note: Gebruik zo nodig de deurbout om de automatische openingshoek van de deur te wijzigen.

Note: Verkeerde reinigingsmethodes kunnen de levensduur van de lagers verkorten. Was de machine niet als deze nog heet is en richt een hogedruk- of hogevolumespuit nooit op de lagers.
| Onderhoudsinterval | Onderhoudsprocedure |
|---|---|
| Bij elk gebruik of dagelijks |
|
Schakel de messchakelaar (aftakas) uit en stel de parkeerrem in werking.
Zet de motor af, verwijder het contactsleuteltje en wacht totdat alle bewegende onderdelen tot stilstand zijn gekomen voordat u de bestuurderspositie verlaat.
Plaats een luchtmondstuk in de ruimte tussen de drijfriemkap en de bovenkant van het maaidek. Gebruik perslucht om aangekoekt gras van onder de riemkap van het maaidek te verwijderen.
| Onderhoudsinterval | Onderhoudsprocedure |
|---|---|
| Bij elk gebruik of dagelijks |
|
Schakel de messchakelaar (aftakas) uit en stel de parkeerrem in werking.
Zet de motor af, verwijder het contactsleuteltje en wacht totdat alle bewegende onderdelen tot stilstand zijn gekomen voordat u de bestuurderspositie verlaat.
Bereid het maaidek voor op het onderhoud, zie Het maaidek in de onderhoudspositie omhoog halen en laten zakken.
Verwijder gras of vervuiling die zich heeft opgebouwd, en reinig waar nodig.
| Onderhoudsinterval | Onderhoudsprocedure |
|---|---|
| Bij elk gebruik of dagelijks |
|
Motorolie, accu's, hydraulische vloeistof en motorkoelvloeistof verontreinigen het milieu. Verwijder deze stoffen volgens de plaatselijke voorschriften.
Zet de motor af, verwijder het contactsleuteltje en wacht totdat alle bewegende onderdelen tot stilstand zijn gekomen voordat u de bestuurderspositie verlaat. Laat de machine afkoelen voordat u deze afstelt, reinigt, stalt of er onderhoudswerkzaamheden aan verricht.
Bewaar de machine en het brandstofvat niet op plaatsen waar open vlammen, vonken of waakvlammen (bv. van een boiler of een ander toestel) aanwezig kunnen zijn.
Verricht de volgende onderhoudswerkzaamheden aan de accu en de kabels:
Maak de accuklemmen los van de accupolen; zie Verwijderen van de accu.
Reinig de accu, de klemmen en de polen met behulp van een staalborstel en een oplossing van zuiveringszout (natriumbicarbonaat).
Smeer een dun laagje Grafo 112X-vet (Toro onderdeelnr. 505-47) of vaseline (petrolatum) op de kabelklemmen en de accupolen om corrosie te voorkomen.
Als u van plan bent de machine langer dan 30 dagen te stallen, moet u de accu verwijderen en volledig opladen.
Note: Laad de accu om de 60 dagen gedurende 24 uur langzaam op om loodsulfatie van de accu te voorkomen.
Bewaar de accu gemonteerd op de machine.
De accukabels mogen niet aangesloten zijn op de accu als u deze in de machine laat zitten.
Sla de accu op in een koele omgeving om te voorkomen dat de accu snel ontlaadt.
Om te voorkomen dat de accu bevriest, moet deze volledig zijn opgeladen. Het soortelijk gewicht van het accuzuur van een volledig opgeladen accu is 1,265 en 1,299.
Important: Gebruik geen brak of teruggewonnen water om de machine schoon te maken.
Reinig de machine, het maaidek en de motor grondig en let daarbij speciaal op de volgende punten:
Radiateur en radiateurscherm
De onderkant van de maai-eenheid
Onder de drijfriemkappen
de aftakas,
alle smeernippels en draaipunten.
Verwijder het paneel aan de achterkant van de stuurkolom en reinig deze intern.
Ruimte onder de stoelplaat en de bovenkant van de transmissie
Controleer de bandenspanning en stel deze indien nodig bij, zie De bandenspanning controleren
Verwijder, slijp en balanceer de messen van het maaidek.
Controleer of alle bevestigingen vastzitten; zet deze vast indien nodig.
Smeer alle smeernippels en breng olie aan op de draaipunten en de pennen van de omloopklep van de transmissie. Veeg overtollig smeermiddel weg.
Plaatsen waar de lak is bekrast, beschadigd of geroest, moeten licht geschuurd en bijgewerkt worden. Eventuele deuken in de metalen carrosserie uitdeuken.
Ververs de motorolie en het oliefilter; zie Motorolie verversen en filter vervangen.
Start de motor en laat deze 2 minuten stationair lopen.
Zet de motor af.
Tap de brandstof af uit de brandstoftank, de brandstofleidingen, de pomp, het filter en de waterafscheider.
Spoel de brandstoftank om met schone diesel en sluit alle brandstofleidingen aan.
Zorg ervoor dat het luchtfilter grondig wordt gereinigd en een onderhoudsbeurt krijgt, zie Onderhoud van het luchtfilter.
Plak de luchtfilterinlaat en de uitlaat af met weerbestendige afplakband.
Zet alle onderdelen van het brandstofsysteem goed vast.
Controleer de antivriesbescherming van het koelsysteem en pas indien nodig de concentratie van het koelmiddel aan met het oog op de plaatselijk te verwachten minimumtemperatuur.
Controleer of de olievuldop en de dop van brandstoftank goed vastzitten.
| Problem | Possible Cause | Corrective Action |
|---|---|---|
| De contactschakelaar staat op Aan maar de indicators op het dashboard lichten niet op. |
|
|
| De indicators op het dashboard lichten op met de contactschakelaar op Aan, maar de startmotor draait niet. |
|
|
| De motor start maar af en toe of de motor loopt onregelmatig. |
|
|
| De startmotor draait maar de motor start niet. |
|
|
| De motor schakelt uit als de aftakas nog is ingeschakeld. |
|
|
| Het maairesultaat is onregelmatig en het maaisel wordt niet goed verzameld. |
|
|
| De machine trilt tijdens het gebruik. |
|
|
| De indicator lage oliedruk licht op. |
|
|
| Het maaidek werkt niet als de aftakasschakelaar ingeschakeld is. |
|
|