| Maintenance Service Interval | Maintenance Procedure |
|---|---|
| Before each use or daily |
|
This rotary-blade, riding lawn mower is intended to be used by homeowners in residential applications. It is designed primarily for cutting grass on well-maintained lawns. Using this product for purposes other than its intended use could prove dangerous to you and bystanders.
Read this information carefully to learn how to operate and maintain your product properly and to avoid injury and product damage. You are responsible for operating the product properly and safely.
Visit www.Toro.com for product safety and operation training materials, accessory information, help finding a dealer, or to register your product.
Whenever you need service, genuine Toro parts, or additional information, contact an Authorized Service Dealer or Toro Customer Service and have the model and serial numbers of your product ready. Figure 1 identifies the location of the model and serial numbers on the product. Write the numbers in the space provided.
Important: With your mobile device, you can scan the QR code on the serial number decal (if equipped) to access warranty, parts, and other product information.

Write the product model and serial numbers in the space below:
This manual uses 2 words to highlight information. Important calls attention to special mechanical information and Note emphasizes general information worthy of special attention.
The safety-alert symbol (Figure 2) appears both in this manual and on the machine to identify important safety messages that you must follow to avoid accidents. This symbol will appear with the word Danger, Warning, or Caution.
Danger indicates an imminently hazardous situation which, if not avoided, will result in death or serious injury.
Warning indicates a potentially hazardous situation which, if not avoided, could result in death or serious injury.
Caution indicates a potentially hazardous situation which, if not avoided, may result in minor or moderate injury.

It is a violation of California Public Resource Code Section 4442 or 4443 to use or operate the engine on any forest-covered, brush-covered, or grass-covered land unless the engine is equipped with a spark arrester, as defined in Section 4442, maintained in effective working order or the engine is constructed, equipped, and maintained for the prevention of fire.
Gross or Net Torque: The gross or net torque of this engine was laboratory rated by the engine manufacturer in accordance with the Society of Automotive Engineers (SAE) J1940 or J2723. As configured to meet safety, emission, and operating requirements, the actual engine torque on this class of mower will be significantly lower. Please refer to the engine manufacturer’s information included with the machine.
The enclosed engine owner's manual is supplied for information regarding the US Environmental Protection Agency (EPA) and the California Emission Control Regulation of emission systems, maintenance, and warranty. Replacements may be ordered through the engine manufacturer.
CALIFORNIA
Proposition 65 Warning
The engine exhaust from this product contains chemicals known to the State of California to cause cancer, birth defects, or other reproductive harm.
Battery posts, terminals, and related accessories contain lead and lead compounds, chemicals known to the State of California to cause cancer and reproductive harm. Wash hands after handling.
Use of this product may cause exposure to chemicals known to the State of California to cause cancer, birth defects, or other reproductive harm.
This product is capable of amputating hands and feet and of throwing objects. Always follow all safety instructions to avoid serious personal injury or death.
Read and understand the contents of this Operator’s Manual before starting the engine.
Keep bystanders and children away.
Do not allow children or untrained people to operate or service the machine. Allow only people who are responsible, trained, familiar with the instructions, and physically capable to operate or service the machine.
Do not operate the machine near drop-offs, ditches, embankments, water, or other hazards, or on slopes greater than 15°.
Do not put your hands or feet near moving components of the machine.
Do not operate the machine without all guards, safety switches, and other safety protective devices in place and functioning properly.
Shut off the engine, remove the key, and wait for all moving parts to stop before leaving the operator’s position. Allow the machine to cool before servicing, adjusting, fueling, cleaning, or storing it.

![]() |
Safety decals and instructions are easily visible to the operator and are located near any area of potential danger. Replace any decal that is damaged or missing. |







Decal 138-6074 is molded into the fuel tank.









Become familiar with all the controls before you start the engine and operate the machine.

The key switch, used to start and shut off the engine, has 3 positions: OFF, RUN, and START (Figure 5).
The throttle and choke controls are combined into 1 control lever. The throttle controls the engine speed and has a continuous-variable setting from SLOW to FAST (Figure 5).
The blade-control switch, represented by a power-takeoff (PTO) symbol, engages and disengages power to the mower blades (Figure 5).
Use the motion-control levers to drive the machine forward, reverse, and turn either direction (Figure 4).
Move the motion-control levers outward from the center to the PARK position when exiting the machine to engage the electric brake (Figure 19). Always position the motion-control levers into the PARK position when you stop the machine or leave it unattended.
The Smart Speed™ Control-System lever, located below the operating position, gives you a choice to drive the machine at 3 speed ranges— trim, tow, and mow (Figure 22).
You can use the fuel window, located on the left side of the machine, to verify the presence of fuel in the tank (Figure 6).

Use the height-of-cut lever to lower and raise the deck from the seated position. Moving the lever up (toward you) raises the deck from the ground and moving the lever down (away from you) lowers the deck toward the ground. Adjust the height-of-cut only while the machine is not moving (Figure 23).
Specifications and design are subject to change without notice.
| Cutting width | 107 cm (42 inches) |
| Width with deflector down | 135 cm (53 inches) |
| Width with deflector raised | 123 cm (48.5 inches) |
| Length | 185 cm (73 inches) |
| Height | 112 cm (44 inches) |
| Weight | 218 kg (480 lb) |
A selection of Toro approved attachments and accessories is available for use with the machine to enhance and expand its capabilities. Contact your Authorized Service Dealer or authorized Toro distributor or go to www.Toro.com for a list of all approved attachments and accessories.
To ensure optimum performance and continued safety certification of the machine, use only genuine Toro replacement parts and accessories. Replacement parts and accessories made by other manufacturers could be dangerous, and such use could void the product warranty.
Note: Determine the left and right sides of the machine from the normal operating position.
Do not allow children or untrained people to operate or service the machine. Local regulations may restrict the age of the operator. The owner is responsible for training all operators and mechanics.
Inspect the area where you will use the machine, and remove all objects that could interfere with the operation of the machine or that the machine could throw.
Become familiar with the safe operation of the equipment, operator controls, and safety signs.
Check that operator-presence controls, safety switches, and guards are attached and working properly. Do not operate the machine unless they are functioning properly.
Shut off the engine, remove the key, and wait for all moving parts to stop before leaving the operator’s position. Allow the machine to cool before servicing, adjusting, fueling, cleaning, or storing it.
Before mowing, inspect the machine to ensure that the cutting assemblies are working properly.
Evaluate the terrain to determine the appropriate equipment and any attachments or accessories required to operate the machine properly and safely.
Wear appropriate clothing, including eye protection; long pants; substantial, slip-resistant footwear; and hearing protection. Tie back long hair and do not wear loose clothing or loose jewelry.
Do not carry passengers on the machine.
Keep bystanders and pets away from the machine during operation. Shut off the machine and attachment(s) if anyone enters the area.
Do not operate the machine unless all guards and safety devices, such as the deflectors and the entire grass catcher, are in place and functioning properly. Replace worn or deteriorated parts when necessary.
Fuel is extremely flammable and highly explosive. A fire or explosion from fuel can burn you and others and can damage property.
To prevent a static charge from igniting the fuel, remove the machine from the truck or trailer and refuel it on the ground, away from all vehicles. If this is not possible, place a portable fuel container on the ground, away from all vehicles, and fill it; then refuel the machine from the fuel container rather than from a fuel-dispenser nozzle.
Fill the fuel tank outdoors on level ground, in an open area, and when the engine is cold. Wipe up any fuel that spills.
Do not handle fuel when smoking or around an open flame or sparks.
Do not remove the fuel cap or add fuel to the tank while the engine is running or hot.
If you spill fuel, do not attempt to start the engine. Avoid creating a source of ignition until the fuel vapors have dissipated.
Store fuel in an approved container and keep it out of the reach of children.
Fuel is harmful or fatal if swallowed. Long-term exposure to vapors can cause serious injury and illness.
Avoid prolonged breathing of vapors.
Keep your hands and face away from the nozzle and the fuel-tank opening.
Keep fuel away from your eyes and skin.
Do not store the machine or fuel container where there is an open flame, spark, or pilot light, such as on a water heater or on other appliances.
Do not operate the machine without the entire exhaust system in place and in proper working condition.
Keep the fuel-dispenser nozzle in contact with the rim of the fuel tank or container opening at all times until fueling is complete. Do not use a nozzle lock-open device.
If you spill fuel on your clothing, change your clothing immediately.
Do not overfill the fuel tank. Replace the fuel cap and tighten it securely.
Clean grass and debris from the cutting unit, muffler, drives, grass catcher, and engine compartment to help prevent fires. Clean up oil or fuel spills.
| Type | Unleaded gasoline |
| Minimum octane rating | 87 (US) or 91 (research octane; outside the US) |
| Ethanol | No more than 10% by volume |
| Methanol | None |
| MTBE (methyl tertiary butyl ether) | Less than 15% by volume |
| Oil | Do not add to the fuel |
Use only clean, fresh (no more than 30 days old), fuel from a reputable source.
Use fuel stabilizer/conditioner in the machine to keep the fuel fresh longer when used as directed by the fuel-stabilizer manufacturer.
Important: Do not use fuel additives containing methanol or ethanol.
Add the amount of fuel stabilizer/conditioner to fresh fuel as directed by the fuel-stabilizer manufacturer.
Park the machine on a level surface.
Move the motion-control levers outward to the PARK position.
Shut off the engine and remove the key.
Clean around the fuel-tank cap.
Fill the fuel tank to the bottom of the filler neck (Figure 7). Do not fill the fuel tank completely full.

Before starting the machine each day, perform the Each Use/Daily procedures listed in .
New engines take time to develop full power. Mower decks and drive systems have higher friction when new, placing additional load on the engine. Allow 40 to 50 hours of break-in time for new machines to develop full power and best performance.
If the safety-interlock switches are disconnected or damaged, the machine could operate unexpectedly, causing personal injury.
Do not tamper with the interlock switches.
Check the operation of the interlock switches daily and replace any damaged switches before operating the machine.
The safety-interlock system is designed to prevent the engine from starting unless:
The blade-control switch (PTO) is disengaged.
The motion-control levers are in the PARK position.
The safety-interlock system also is designed to shut off the engine whenever the control levers are out of the PARK position and you rise from the seat.
| Maintenance Service Interval | Maintenance Procedure |
|---|---|
| Before each use or daily |
|
Test the safety-interlock system before you use the machine each time. If the safety system does not operate as described below, have an Authorized Service Dealer repair the safety system immediately.
Sit on the seat, move the motion-control levers in the PARK position, and move the blade-control switch to the ON position. Try starting the engine; the engine should not crank.
Sit on the seat and move the blade-control switch to the OFF position. Move either motion-control lever to the center, unlocked position. Try starting the engine; the engine should not crank. Repeat with the other motion-control lever.
Sit on the seat, move the blade-control switch to the OFF position, and lock the motion-control levers in the PARK position. Start the engine. While the engine is running, engage the blade-control switch, and rise slightly from the seat; the engine should shut off.
Sit on the seat, move the blade-control switch to the OFF position, and lock the motion-control levers in the PARK position. Start the engine. While the engine is running, move the motion-control levers to the center, unlocked position and rise slightly from the seat; the engine should shut off.
The seat can move forward and backward. Position the seat where you have the best control of the machine and are most comfortable (Figure 8).

You can adjust the motion-control levers higher or lower for maximum comfort (Figure 9).

You can adjust the motion-control levers forward or rearward for your comfort.
Loosen the upper bolt holding the control lever to the control-arm shaft.
Loosen the lower bolt just enough to pivot the control lever forward or rearward.

Tighten both bolts to secure the control lever in the new position.
Repeat the adjustment for the other control lever.
The owner/operator can prevent and is responsible for accidents that may cause personal injury or property damage.
Use your full attention while operating the machine. Do not engage in any activity that causes distractions; otherwise, injury or property damage may occur.
Do not operate the machine while ill, tired, or under the influence of alcohol or drugs.
Contacting the blade can result in serious personal injury. Shut off the engine, remove the key, and wait for all moving parts to stop before leaving the operating position. When you turn the key to the OFF position, the engine should shut off and the blade should stop. If not, stop using your machine immediately and contact an Authorized Service Dealer.
Operate the machine only in good visibility and appropriate weather conditions. Do not operate the machine when there is the risk of lightning.
Keep your hands and feet away from the cutting units. Keep clear of the discharge opening.
Do not mow with the discharge deflector raised, removed, or altered unless there is a grass-collection system or mulch kit in place and working properly.
Do not mow in reverse unless it is absolutely necessary. Always look down and behind you before moving the machine in reverse.
Use extreme care when approaching blind corners, shrubs, trees, or other objects that may block your view.
Stop the blades whenever you are not mowing.
If the machine strikes an object or starts to vibrate, immediately shut off the engine, remove the key (if equipped), and wait for all moving parts to stop before examining the machine for damage. Make all necessary repairs before resuming operation.
Slow down and use caution when making turns and crossing roads and sidewalks with the machine. Always yield the right-of-way.
Before you leave the operating position, do the following:
Park the machine on a level surface.
Disengage the power takeoff and lower the attachments.
Engage the parking brake.
Shut off the engine and remove the key.
Wait for all moving parts to stop.
Operate the engine only in well-ventilated areas. Exhaust gases contain carbon monoxide, which is lethal if inhaled.
Never leave a running machine unattended.
Attach towed equipment to the machine only at the hitch point.
Do not operate the machine unless all guards and safety devices, such as the deflectors and the entire grass catcher, are in place and functioning properly. Replace worn or deteriorated parts when necessary.
Use only accessories and attachments approved by Toro.
This machine produces sound levels in excess of 85 dBA at the operator’s ear and can cause hearing loss through extended periods of exposure.

Clean grass and debris from the cutting unit, drives, muffler, and engine to help prevent fires.
Start the engine with your feet well away from the blades.
Be aware of the mower discharge path and direct the discharge away from others. Avoid discharging material against a wall or obstruction because the material may ricochet back toward you.
Stop the blades, slow down the machine, and use caution when crossing surfaces other than grass or when transporting the machine to and from the operating area.
Do not change the engine governor speed or overspeed the engine.
Children are often attracted to the machine and the mowing activity. Never assume that children will remain where you last saw them.
Keep children out of the operating area and under the watchful care of a responsible adult other than the operator.
Be alert and shut off the machine if children enter the operating area.
Before backing up or turning the machine, look down and all around for small children.
Do not carry children on the machine, even when the blades are not moving. Children could fall off and be seriously injured or prevent you from safely operating the machine. Children who have been given rides in the past could appear in the operating area without warning and be run over or backed over by the machine.
Slopes are a major factor related to loss of control and rollover accidents, which can result in severe injury or death. The operator is responsible for safe slope operation. Operating the machine on any slope requires extra caution. Before using the machine on a slope, do the following:
Review and understand the slope instructions in the manual and on the machine.
Use an angle indicator to determine the approximate slope angle of the area.
Never operate on slopes greater than 15°.
Evaluate the site conditions of the day to determine if the slope is safe for machine operation. Use common sense and good judgment when performing this evaluation. Changes in the terrain, such as moisture, can quickly affect the operation of the machine on a slope.
Identify hazards at the base of the slope. Do not operate the machine near drop-offs, ditches, embankments, water, or other hazards. The machine could suddenly roll over if a wheel goes over the edge or the edge collapses. Keep a safe distance (twice the width of the machine) between the machine and any hazard. Use a walk-behind machine or a hand trimmer to mow the grass in these areas.
Avoid starting, stopping, or turning the machine on slopes. Avoid making sudden changes in speed or direction; turn slowly and gradually.
Do not operate a machine under any conditions where traction, steering, or stability is in question. Be aware that operating the machine on wet grass, across slopes, or downhill may cause the machine to lose traction. Loss of traction to the drive wheels may result in sliding and a loss of braking and steering. The machine can slide even if the drive wheels are stopped.
Remove or mark obstacles such as ditches, holes, ruts, bumps, rocks, or other hidden hazards. Tall grass can hide obstacles. Uneven terrain could overturn the machine.
Use extra care while operating with accessories or attachments, such as grass-collection systems. These can change the stability of the machine and cause a loss of control. Follow directions for counterweights.
If possible, keep the deck lowered to the ground while operating on slopes. Raising the deck while operating on slopes can cause the machine to become unstable.

Do not attach towed equipment except at the hitch point.
Do not use the machine as a towing vehicle unless it has a hitch installed.
Do not exceed the weight limits for towed equipment and towing on slopes. The towed weight must not exceed the weight of the machine and operator.
Never allow children or others near the towed equipment.
On slopes, the weight of the towed equipment may cause loss of traction, increased risk of rollover, and loss of control. Reduce the towed weight and slow down.
The stopping distance may increase with the weight of a towed load. Travel slowly and allow extra distance to stop.
Make wide turns to keep the attachment clear of the machine.
The blade-control switch (PTO) starts and stops the mower blades and any powered attachments.

You can move the throttle control between the FAST and SLOW positions (Figure 16).
Always use the FAST position when engaging the PTO.

Use the choke to start a cold engine.
Push the throttle/choke control past the FAST position detent and into the CHOKE position to engage the choke before using the key switch.

Move the control out of the CHOKE position to disengage the choke after the engine has started.
Important: Do not engage the starter for more than 5 seconds at a time. Engaging the starter motor for more than 5 seconds can damage the starter motor. If the engine fails to start, wait 1 minute before operating the engine starter again.
Note: It may be necessary to hold the lever against the stop, in the choke position, while trying to start the engine (Figure 18).

Disengage the blades by moving the blade-control switch to the OFF position (Figure 18).
Move the motion-control levers outward to the PARK position.
Move the throttle control to the FAST position.
Turn the key to the OFF position and remove the key.
Children or bystanders may be injured if they move or attempt to operate the machine while it is unattended.
Always remove the key and engage the parking brake when leaving the machine unattended.

The drive wheels turn independently, powered by hydraulic motors on each axle. You can turn 1 side in reverse while you turn the other forward, causing the machine to spin rather than turn. This greatly improves the machine maneuverability but may require some time for you to adapt to how it moves.
The throttle control regulates the engine speed as measured in rpm (revolutions per minute). Place the throttle control in the FAST position for best performance. Always operate in the full throttle position when mowing.
The machine can spin very rapidly. You may lose control of the machine and cause personal injury or damage to the machine.
Use caution when making turns.
Slow the machine down before making sharp turns.
Note: Always use caution when turning.
Move the levers to the center, unlocked position.
To go forward, slowly push the motion-control levers forward (Figure 20).

Note: Always use caution when backing up and turning.
Move the levers to the center, unlocked position.
To go backward, slowly pull the motion-control levers rearward (Figure 21).

The Smart Speed TM Control-System lever, located below the operating position (Figure 22), gives the operator a choice to drive the machine at 3 ground speed ranges—trim, tow, and mow.

To change speeds, do the following:
Move the motion-control levers to neutral and outward to the PARK position.
Disengage the blade-control switch.
Adjust the lever to the desired position.
The following are only recommendations for use. Adjustments vary by grass type, moisture content, and the height of the grass.
| Suggested uses: | Trim | Tow | Mow |
| Parking | X | ||
| Heavy, wet grass | X | ||
| Training | X | ||
| Trimming grass | X | ||
| Bagging | X | ||
| Mulching | X | ||
| Towing attachments | X | ||
| Normal mowing | X | ||
| Moving the machine | X |
Trim
This is the lowest speed. The suggested uses for this speed are as follows:
Parking
Heavy, wet grass mowing conditions
Training
Trimming grass
Tow
This is the medium speed. The suggested uses for this speed are as follows:
Bagging
Mulching
Towing attachments
Mow
This is the fastest speed. The suggested uses for this speed are as follows:
Normal mowing
Moving the machine
The mower has a hinged grass deflector that disperses clippings to the side and down toward the turf.
Without a grass deflector, discharge cover, or a complete grass-catcher assembly mounted in place, you and others are exposed to blade contact and thrown debris. Contact with rotating mower blade(s) and thrown debris will cause injury or death.
Never remove the grass deflector from the mower deck because the grass deflector routes material down toward the turf. If the grass deflector is ever damaged, replace it immediately.
Never put your hands or feet under the mower deck.
Never try to clear the discharge area or mower blades unless you move the blade-control switch (PTO) to the OFF position, rotate the key switch to the OFF position, and remove the key from the key switch.
Make sure that the grass deflector is in the down position.
Note: The transport position is the highest height-of-cut position or cutting height at 114 mm (4-1/2 inches) as shown in Figure 23.
You can adjust the height of cut from 38 to 114 mm (1-1/2 to 4-1/2 inches) in 13 mm (1/2 inch) increments. The height of cut is controlled by the lever located to the right of the operating position (Figure 23).

Whenever you change the height of cut, adjust the height of the anti-scalp rollers.
Note: Adjust the anti-scalp rollers so that the rollers do not touch the ground in normal, flat mowing areas.
Park the machine on a level surface, disengage the blade-control switch, and move the motion-control levers outward to the PARK position.
Shut off the engine, remove the key, and wait for all moving parts to stop before leaving the operating position.
Adjust the anti-scalp rollers to 1 of the following positions:
Upper hole—use this position with the mower deck in the 63 mm (2-1/2 inches) and below the height-of-cut positions (Figure 24).
Lower hole—use this position with the mower deck in the 76 mm (3 inches) and above the height-of-cut positions (Figure 24).

For best mowing and maximum air circulation, operate the engine at the FAST position. Air is required to thoroughly cut grass clippings, so do not set the height-of-cut so low as to totally surround the mower deck in uncut grass. Always try to have 1 side of the mower deck free from uncut grass, which allows air to be drawn into the mower deck.
Cut grass slightly longer than normal to ensure that the cutting height of the mower deck does not scalp any uneven ground. However, the cutting height used in the past is generally the best one to use. When cutting grass longer than 15 cm (6 inches) tall, you may want to cut the lawn twice to ensure an acceptable quality of cut.
It is best to cut only about a third of the grass blade. Cutting more than that is not recommended unless grass is sparse, or it is late fall when grass grows more slowly.
Alternate the mowing direction to keep the grass standing straight. This also helps disperse clippings, which enhances decomposition and fertilization.
Grass grows at different rates at different times of the year. To maintain the same cutting height, mow more often in early spring. As the grass growth rate slows in mid summer, mow less frequently. If you cannot mow for an extended period, first mow at a high cutting height, then mow again 2 days later at a lower height setting.
In certain conditions, mowing at a slower ground speed can improve cut quality.
When mowing uneven turf, raise the cutting height to avoid scalping the turf.
If you must stop the forward motion of the machine while mowing, a clump of grass clippings may drop onto your lawn. To avoid this, move onto a previously cut area with the blades engaged or you can disengage the mower deck while moving forward.
Clean clippings and dirt from the underside of the mower deck after each use. If grass and dirt build up inside the mower deck, cutting quality will eventually become unsatisfactory.
Maintain a sharp blade throughout the cutting season because a sharp blade cuts cleanly without tearing or shredding the grass blades. Tearing and shredding turns grass brown at the edges, which slows growth and increases the chance of disease. Check the mower blades after each use for sharpness, and for any wear or damage. File down any nicks and sharpen the blades as necessary. If a blade is damaged or worn, replace it immediately with a genuine Toro replacement blade. Refer to Servicing the Cutting Blades.
Shut off the engine, remove the key, and wait for all moving parts to stop before leaving the operator’s position. Allow the machine to cool before servicing, adjusting, fueling, cleaning, or storing it.
Clean grass and debris from the cutting unit, muffler, drives, grass catcher, and engine compartment to help prevent fires. Clean up oil or fuel spills.
Remove the key before storing or transporting the machine.
| Maintenance Service Interval | Maintenance Procedure |
|---|---|
| After each use |
|
Important: You can wash the machine with a mild detergent and water. Do not pressure wash the machine. Avoid excessive use of water, especially near the control panel, under the seat, around the engine, hydraulic pumps, and motors.
Park the machine on a level surface, disengage the blade-control switch, and move the motion-control levers outward to the PARK position.
Shut off the engine and wait for all moving parts to stop before leaving the operating position.
Clean grass and debris from cutting unit, muffler, drives, grass catcher, and engine.
Note: Refer to Washing the Underside of the Mower Deck for information on using the deck-washout fitting.
This machine has an electric-brake mechanism, and to push the machine, the key must be in the RUN position. The battery needs to be charged and functioning to disengage the electric brake.
Park the machine on a level surface, disengage the blade-control switch, and move the motion-control levers outward to the PARK position.
Shut off the engine and wait for all moving parts to stop before leaving the operating position.
Locate the bypass levers on the frame on both sides of the engine.
Move both bypass levers forward through the slotted hole and down to lock them in place (Figure 25).
Contact with hot surfaces may cause personal injury.
Keep your hands, feet, face, clothing and other body parts away the engine, muffler and other hot surfaces.
The machine could unintentionally move while the bypass levers are locked forward in the slot and injure you or bystanders.
Lock the bypass levers rearward after moving the machine.

Turn the ignition key to the RUN position and disengage the parking brake by moving 1 motion-control lever out of the PARK position.
Note: Do not start the machine.
Move the machine as required.
Important: Always push the machine by hand. Do not tow the machine, because towing may damage it.
Move the motion-control levers outward to the PARK position.
Turn the key to the OFF position and remove it to avoid draining the battery charge.
Move both bypass levers rearward and down through the slotted hole to lock them in place.
Use a heavy-duty trailer or truck to transport the machine. Use a full-width ramp. Ensure that the trailer or truck has all the necessary brakes, lighting, and marking as required by law. Please carefully read all the safety instructions. Knowing this information could help you or bystanders avoid injury. Refer to your local ordinances for trailer and tie-down requirements.
Driving on the street or roadway without turn signals, lights, reflective markings, or a slow-moving-vehicle emblem is dangerous and can lead to accidents, causing personal injury.
Do not drive the machine on a public street or roadway.
Loading a machine onto a trailer or truck increases the possibility of tip-over and could cause serious injury or death (Figure 26).
Use only a full-width ramp; do not use individual ramps for each side of the machine.
Do not exceed a 15-degree angle between the ramp and the ground or between the ramp and the trailer or truck.
Ensure that the length of the ramp is at least 4 times as long as the height of the trailer or truck bed to the ground. This ensures that the ramp angle does not exceed 15 degrees on flat ground.

Loading a machine onto a trailer or truck increases the possibility of tip-over and could cause serious injury or death.
Use extreme caution when operating a machine on a ramp.
Back the machine up the ramp and drive it forward down the ramp.
Avoid sudden acceleration or deceleration while driving the machine on a ramp as this could cause a loss of control or a tip-over situation.
If you are using a trailer, connect it to the towing vehicle and connect the safety chains.
If applicable, connect the trailer brakes and lights.
Lower the ramp, ensuring that the angle between the ramp and the ground does not exceed 15 degrees (Figure 26).
Back the machine up the ramp (Figure 27).

Shut off the engine, remove the key, and move the motion-control levers outward to the PARK position.
Tie down the machine near the front caster wheels and the rear frame with straps, chains, cable, or ropes (Figure 28). Refer to local regulations for tie-down requirements.

Note: Determine the left and right sides of the machine from the normal operating position.
If you leave the key in the switch, someone could accidently start the engine and seriously injure you or other bystanders. Remove the key from the switch before you perform any maintenance.
Before you leave the operator’s position, do the following:
Park the machine on a level surface.
Disengage the drives.
Engage the parking brake.
Shut off the engine and remove the key.
Allow machine components to cool before performing maintenance.
Do not allow untrained personnel to service the machine.
Keep your hands and feet away from moving parts or hot surfaces. If possible, do not make adjustments with the engine running.
Carefully release pressure from components with stored energy.
Check the parking brake operation frequently. Adjust and service it as required.
Never tamper with safety devices. Check their proper operation regularly.
Clean grass and debris from the cutting unit, muffler, drives, grass catcher, and engine compartment to prevent fires.
Clean up oil or fuel spills and remove fuel-soaked debris.
Do not rely on hydraulic or mechanical jacks to support the machine; support the machine with jack stands whenever you raise the machine.
Keep all parts in good working condition and all hardware tightened, especially the blade-attachment hardware. Replace all worn or damaged decals.
Disconnect the cable from the negative terminal of the battery before repairing the machine.
To ensure optimum performance, use only genuine Toro replacement parts and accessories. Replacement parts and accessories made by other manufacturers could be dangerous, and such use could void the product warranty.
| Maintenance Service Interval | Maintenance Procedure |
|---|---|
| Before each use or daily |
|
| After each use |
|
| Every 25 hours |
|
| Every 100 hours or yearly, whichever comes first |
|
| Before storage |
|
| Yearly |
|
Important: Refer to your engine owner's manual for additional maintenance procedures.
If you leave the key in the switch, someone could accidently start the engine and seriously injure you or other bystanders.
Shut off the engine and remove the key from the switch before you perform any maintenance.
Use jackstands to support the machine when you raise it.
Supporting the machine on the lower muffler shield (Figure 29) may damage the shield and cause the machine to fall, injuring you or bystanders.
Do not use the lower muffler shield to lift or support the machine.

| Maintenance Service Interval | Maintenance Procedure |
|---|---|
| Every 25 hours |
|
Grease Type: No. 2 lithium grease
Park the machine on a level surface, disengage the blade-control switch, and move the motion-control levers outward to the PARK position.
Shut off the engine, remove the key, and wait for all moving parts to stop before leaving the operating position.
Clean the grease fittings (Figure 30) with a rag.
Note: Scrape any paint off the front of the fitting(s).

Connect a grease gun to each fitting (Figure 30).
Pump grease into the fittings until grease begins to ooze out of the bearings.
Wipe up any excess grease.
Keep your hands, feet, face, other body parts, and clothing away from the muffler and other hot surfaces. Allow engine components to cool before performing maintenance.
Do not change the engine governor speed or overspeed the engine.
| Maintenance Service Interval | Maintenance Procedure |
|---|---|
| Every 25 hours |
|
| Yearly |
|
Note: Service the air cleaner more frequently (every few hours) if operating conditions are extremely dusty or sandy.
Park the machine on a level surface, disengage the blade-control switch, and move the motion-control levers outward to the PARK position.
Shut off the engine, remove the key, and wait for all moving parts to stop before leaving the operating position.
Clean around the air-cleaner cover to prevent dirt from getting into the engine and causing damage.
Rotate the latches counterclockwise and remove the cover.

Lift the end of the filter and remove it from the air intake.

Separate the foam and paper elements.

Wash the foam element in liquid soap and warm water. When the element is clean, rinse it thoroughly.
Dry the element by squeezing it in a clean cloth.
Important: Replace the foam element if it is torn or worn.
Lightly oil the foam element using new engine oil and squeeze out any excess oil.
Clean the paper element by tapping it gently to remove dust.
Note: If it is very dirty, replace the paper element with a new one.
Inspect the element for tears, an oily film, or damage to the rubber seal.
Replace the paper element if it is damaged.
Important: Do not clean the paper filter.
Install the foam pre-cleaner element over the paper element.
Note: Ensure that you do not damage the elements.
Install the air-cleaner elements onto the air-cleaner base.
Install the cover and secure it with the latches (Figure 31).
Oil Type: Detergent oil (including synthetic) of API service SJ or higher
Crankcase Capacity: 1.4 L (47 fl oz) with oil filter
Viscosity: See the table below.

| Maintenance Service Interval | Maintenance Procedure |
|---|---|
| Before each use or daily |
|
Note: Check the oil when the engine is cold.
Important: If you overfill or underfill the engine crankcase with oil and run the engine, you may damage the engine.
Park the machine on a level surface, disengage the blade-control switch, and move the motion-control levers outward to the PARK position.
Shut off the engine, remove the key, and wait for all moving parts to stop before leaving the operating position.
Note: Ensure that the engine is cool so that the oil has had time to drain into the sump.
To keep dirt, grass clippings, etc., out of the engine, clean the area around the oil-fill cap and dipstick before removing it (Figure 35).

| Maintenance Service Interval | Maintenance Procedure |
|---|
Park the machine on a level surface to ensure that the oil drains completely.
Disengage the blade-control switch, and move the motion-control levers outward to the PARK position.
Shut off the engine, remove the key, and wait for all moving parts to stop before leaving the operating position.
Drain the oil from the engine (Figure 36).

Change the engine-oil filter (Figure 37).
Note: Ensure that the oil-filter gasket touches the engine and then turn the filter an extra 3/4 turn.

Slowly pour approximately 80% of the specified oil into the filler tube and slowly add the additional oil to bring it to the Full mark (Figure 38).

Dispose of the used oil at a recycling center.
| Maintenance Service Interval | Maintenance Procedure |
|---|---|
| Yearly |
|
Ensure that the air gap between the center and side electrodes is correct before installing the spark plug. Use a spark plug wrench for removing and installing the spark plug and a gapping tool or feeler gauge to check and adjust the air gap. Install a new spark plug if necessary.
Type: Briggs and Stratton® 491055 or Champion® XC92YC
Air gap: 0.76 mm (0.03 inch)
Park the machine on a level surface, disengage the blade-control switch, and move the motion-control levers outward to the PARK position.
Shut off the engine, remove the key, and wait for all moving parts to stop before leaving the operating position. Allow the engine to cool.
Clean the area around the base of the plug to keep dirt and debris out of the engine.
Remove the spark plug (Figure 39).

Important: Do not clean the spark plug(s). Always replace the spark plug(s) when it has a black coating, worn electrodes, an oily film, or cracks.
If you see light brown or gray on the insulator, the engine is operating properly. A black coating on the insulator usually means the air cleaner is dirty.
Set the gap to 0.75 mm (0.03 inch).


| Maintenance Service Interval | Maintenance Procedure |
|---|---|
| Before each use or daily |
|
Park the machine on a level surface, disengage the blade-control switch, and move the motion-control levers outward to the PARK position.
Shut off the engine, remove the key, and wait for all moving parts to stop before leaving the operating position.
Remove the air filter from the engine.
Remove the engine shroud.
To prevent debris entering the air intake, install the air filter to the filter base.
Clean debris and grass from the parts.
Remove the air filter and install the engine shroud.
Install the air filter.
In certain conditions, fuel is extremely flammable and highly explosive. A fire or explosion from fuel can burn you and others and can damage property.
Refer to Fuel Safety for a complete list of fuel related precautions.
| Maintenance Service Interval | Maintenance Procedure |
|---|---|
| Yearly |
|
Never install a dirty filter after removing it from the fuel line.
Park the machine on a level surface, disengage the blade-control switch, and move the motion-control levers outward to the PARK position.
Shut off the engine, remove the key, and wait for all moving parts to stop before leaving the operating position. Allow the engine to cool.
Replace the filter (Figure 42).
Note: Ensure that the flow-direction arrow on the replacement filter points toward the engine.


Disconnect the cable from the negative terminal of the battery before repairing the machine.
Charge the battery in an open, well-ventilated area, away from sparks and flames. Unplug the charger before connecting or disconnecting the battery. Wear protective clothing and use insulated tools.
Battery terminals or metal tools could short against metal machine components, causing sparks. Sparks can cause the battery gasses to explode, resulting in personal injury.
When removing or installing the battery, do not allow the battery terminals to touch any metal parts of the machine.
Do not allow metal tools to short between the battery terminals and metal parts of the machine.
Park the machine on a level surface, disengage the blade-control switch, and move the motion-control levers outward to the PARK position.
Shut off the engine, remove the key, and wait for all moving parts to stop before leaving the operating position.
Raise the seat to access the battery.
Disconnect the negative (black) ground cable from the battery post (Figure 43).
Note: Retain all fasteners.
Incorrectly removing the cables from battery could damage the machine and cables, causing sparks. Sparks can cause the battery gasses to explode, resulting in personal injury.
Always disconnect the negative (black) battery cable before disconnecting the positive (red) cable.
Always connect the positive (red) battery cable before connecting the negative (black) cable.
Slide the rubber cover off the positive (red) cable.
Disconnect the positive (red) cable from the battery post (Figure 43).
Note: Retain all fasteners.
Remove the battery hold-down (Figure 43), and lift the battery from the battery tray.

| Maintenance Service Interval | Maintenance Procedure |
|---|---|
| Before storage |
|
Remove the battery from the chassis; refer to Removing the Battery.
Charge the battery for a minimum of 1 hour at 6 to 10 A.
Note: Do not overcharge the battery.
When the battery is fully charged, unplug the charger from the electrical outlet, then disconnect the charger leads from the battery posts (Figure 44).

Position the battery in the tray (Figure 43).
Using the fasteners previously removed, install the positive (red) battery cable to the positive (+) battery terminal.
Using the fasteners previously removed, install the negative battery cable to the negative (-) battery terminal.
Slide the red terminal boot onto the positive (red) battery post.
Secure the battery with the hold-down (Figure 43).
Lower the seat.
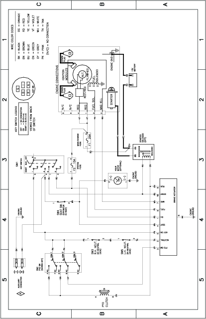
The electrical system is protected by fuses. It requires no maintenance; however, if a fuse blows, check the component/circuit for a malfunction or short.
Fuse type:
Main—F1 (25 A, blade-type)
Charge Circuit—F2 (15 A, blade-type)
Park the machine on a level surface, disengage the blade-control switch, and move the motion-control levers outward to the PARK position.
Shut off the engine, remove the key, and wait for all moving parts to stop before leaving the operating position.
Raise the seat to access the fuses.
To replace a fuse, pull out the fuse to remove it (Figure 45).

Lower the seat.
| Maintenance Service Interval | Maintenance Procedure |
|---|---|
| Every 25 hours |
|
Maintain the air pressure in the front and rear tires as specified. Uneven tire pressure can cause an uneven cut. Check the pressure at the valve stem (Figure 46). Check the tires when they are cold to get the most accurate pressure reading.
Inflate the front caster wheel tires to 206 kPa (30 psi) or the pressure indicated on the sidewall, whichever is lower.
Inflate the rear drive-wheel tires to 90 kPa (13 psi).

You can manually release the electric brake by rotating the link arms forward. Once the electric brake is energized, the brake resets.
Turn the key to the OFF position and remove the key.
Disconnect the battery.
Locate the shaft on the electric brake where the brake link arms are connected (Figure 47).
Rotate the shaft to release the brake (Figure 47).
Connect the battery after moving the machine.

When driving the machine forward full speed across a flat, level surface, if the machine pulls to 1 side, adjust the tracking.
If the machine pulls to the left, adjust the right motion-control lever; if the machine pulls to the right, adjust the left motion-control lever.
Note: You can adjust the tracking only for driving forward.
Park the machine on a level surface, disengage the blade-control switch, and move the motion-control levers outward to the PARK position.
Shut off the engine, remove the key, and wait for all moving parts to stop before leaving the operating position.
Locate the tracking-adjustment bolt near the motion-control lever on the particular side that needs adjusting (Figure 48).
Note: Raise the seat for easier access to the adjustment bolt.
Rotate the bolt to decrease the speed for that particular wheel.
Note: Rotate the bolt a small amount to make minor adjustments.

Start the machine and drive forward across a flat, level surface with the motion-control levers fully forward to check if the machine tracks straight. Repeat the procedure as needed.
| Maintenance Service Interval | Maintenance Procedure |
|---|---|
| Every 25 hours |
|
Replace the belt if it is worn. The signs of a worn belt include squealing while the belt is rotating; the blades slipping while cutting grass; and frayed edges, burn marks, and cracks on the belt.
The signs of a worn belt include squealing while the belt is rotating, blades slipping while cutting grass, and frayed edges, burn marks, and cracks on the belt. Replace the mower belt if any of these conditions are evident.
Park the machine on a level surface, disengage the blade-control switch, and move the motion-control levers outward to the PARK position.
Shut off the engine, remove the key, and wait for all moving parts to stop before leaving the operating position.
Set the height of cut at the lowest cutting position (38 mm (1-1/2 inches).
Loosen the screws and remove the pulley covers (Figure 49).

Loosen the nut securing the wire form to the idler pulley (Figure 50).

Using a spring-removal tool (Toro Part No. 92-5771), remove the idler spring from the deck hook to remove tension on the idler pulley, and roll the belt off the pulleys (Figure 51).
The spring is under tension when installed and can cause personal injury.
Be careful when removing the belt.

Route the new belt around the engine pulley and mower pulleys (Figure 51).
Using a spring-removal tool (Toro Part No. 92-5771), install the idler spring over the deck hook and place tension on the idler pulley and the mower belt (Figure 51).
Tighten the nut securing the wire form to the idler pulley.
Note: Position the wire form against the idler arm as shown in Figure 50.
Install the pulley covers.
Inspect the blades periodically for wear or damage.
Use care when checking the blades. Wrap the blades or wear gloves, and use caution when servicing the blades. Only replace or sharpen the blades; never straighten or weld them.
On multi-bladed machines, take care as rotating one blade can cause other blades to rotate.
Replace worn or damaged blades and bolts in sets to preserve balance.
To ensure a superior quality of cut, keep the blades sharp. For convenient sharpening and replacement, keep extra blades on hand.
Park the machine on a level surface, disengage the blade-control switch, and move the motion-control levers outward to the PARK position.
Shut off the engine, remove the key, and disconnect the spark-plug wires from the spark plugs.
| Maintenance Service Interval | Maintenance Procedure |
|---|---|
| Before each use or daily |
|
Inspect the cutting edges (Figure 52).
If the edges are not sharp or have nicks, remove and sharpen the blade; refer to Sharpening the Blades.
Inspect the blades, especially in the curved area.
If you notice any cracks, wear, or a slot forming in this area, immediately install a new blade (Figure 52).

Note: The machine must be on a level surface for the following procedure.
Raise the mower deck to the highest height-of-cut position.
While wearing thickly padded gloves, or other adequate hand protection, slowly rotate the blade into a position that allows you to measure the distance between the cutting edge and the level surface the machine is on (Figure 53).

Measure from the tip of the blade to the flat surface (Figure 54).

Rotate the same blade 180 degrees so that the opposing cutting edge is now in the same position (Figure 55).

Measure from the tip of the blade to the flat surface (Figure 56).
Note: The variance should be no more than 3 mm (1/8 inch).

If the difference between A and B is greater than 3 mm (1/8 inch), replace the blade with a new blade; refer to Removing the Blades and Installing the Blades.
Note: If a bent blade is replaced with a new blade, and the dimension obtained continues to exceed 3 mm (1/8 inch), the blade spindle could be bent. Contact an Authorized Service Dealer for service.
If the variance is within constraints, move to the next blade.
Repeat this procedure on each blade.
Replace the blades if they hit a solid object, or if the blade is out of balance or bent.
Hold the blade end using a rag or thickly padded glove.
Remove the blade bolt, curved washer, and blade from the spindle shaft (Figure 57).

Use a file to sharpen the cutting edge at both ends of the blade (Figure 58).
Note: Maintain the original angle.
Note: The blade retains its balance if the same amount of material is removed from both cutting edges.

Check the balance of the blade by putting it on a blade balancer (Figure 59).
Note: If the blade stays in a horizontal position, the blade is balanced and can be used.
Note: If the blade is not balanced, file some metal off the end of the sail area only (Figure 58).

Repeat this procedure until the blade is balanced.
Install the blade onto the spindle shaft (Figure 57).
Important: The curved part of the blade must be pointing upward toward the inside of the mower to ensure proper cutting.
Install the curved washer (cupped side toward the blade) and the blade bolt (Figure 57).
Torque the blade bolt to 81 to 108 N∙m (60 to 80 ft-lb).
Check to ensure that the mower deck is level any time you install the mower or when you see an uneven cut on your lawn.
Check the mower deck for bent blades prior to leveling, and remove and replace any bent blades; refer to the Servicing the Cutting Blades before continuing.
Level the mower deck side-to-side first; then you can adjust the front-to-rear slope.
Requirements:
The machine must be on a level surface.
All tires must be properly inflated; refer to Checking the Tire Pressure.
Park the machine on a level surface, disengage the blade-control switch (PTO), and move the motion-control levers outward to the PARK position.
Shut off the engine, remove the key, and wait for all moving parts to stop before leaving the operating position.
Set the height of cut to 76 mm (3 inches).
Carefully rotate the blades side to side.
Measure between the outside cutting edges and the flat surface (Figure 60).
Note: If both measurements are not within 5 mm (3/16 inch), an adjustment is required; refer to Leveling from Side to Side.

Check the front-to-rear blade level any time you install the mower. If the front of the mower is more than 7.9 mm (5/16 inch) lower than the rear of the mower, adjust the blade level.
Park the machine on a level surface, disengage the blade-control switch (PTO), and move the motion-control levers outward to the PARK position.
Shut off the engine, remove the key, and wait for all moving parts to stop before leaving the operating position.
Set the height of cut to 76 mm (3 inches).
Carefully rotate the blades so they are facing front to rear (Figure 61).
Measure from the tip of the front blade to the flat surface and the tip of the rear blade to the flat surface (Figure 61).
Note: If the front blade tip is not 1.6 to 7.9 mm (1/16 to 5/16 inch) lower than the rear blade tip, continue to the Adjusting the Front-to-Rear Blade Slope procedure.

Move to the left side of the machine.
Set the anti-scalp rollers to the top holes or remove them completely for this procedure; refer to Adjusting the Anti-Scalp Rollers.
Set the height-of-cut lever to the 76 mm (3 inch) position; refer to Adjusting the Height of Cut.
Place 2 blocks, each having a thickness of 6.6 cm (2-5/8 inches), under each side of the front edge of the deck but not under the anti-scalp roller brackets (Figure 62).
Place 2 blocks, each having a thickness of 7.3 cm (2-7/8 inches), under the rear edge of the cutting deck skirt, 1 on each side of the cutting deck (Figure 62).

Remove the hairpin cotter and washer from the lower lift-arm pin (Figure 63).

Rotate the height-of-cut plate to a different hole so that it supports the weight of the mower deck after you install the plate (Figure 64).

Install the washer and hairpin cotter (Figure 64).
Repeat steps 6 through 8 for the other side of the machine.
Check the side-to-side level again; repeat this procedure until the measurements are correct.
Continue leveling the mower deck by checking the front-to-rear blade slope; refer to Checking the Front-to-Rear Blade Slope.
Rotate the adjustment nut in the front of the mower (Figure 65).

To raise the front of the mower, tighten the adjustment nut.
To lower the front of the mower, loosen the adjustment nut.
After adjustment, check the front-to-rear slope again, continue adjusting the nut until the front blade tip is 1.6 to 7.9 mm (1/16 to 5/16 inch) lower than the rear blade tip; refer to Checking the Front-to-Rear Blade Slope.
When the front-to-rear blade slope is correct, check the side-to-side level of the mower again; refer to Checking the Side-to-Side Level.
Park the machine on a level surface, disengage the blade-control switch (PTO), and move the motion-control levers outward to the PARK position.
Shut off the engine, remove the key, and wait for all moving parts to stop before leaving the operating position.
Lower the height-of-cut lever to the lowest position.
Remove the hairpin cotter from the front support rod, and remove the rod from the deck bracket (Figure 66).

Carefully lower the front of the mower deck to the ground.
On 1 side of the machine, remove the washer and hairpin cotter from the deck pin (Figure 67).

Remove the lift arm from the deck pin (Figure 67).
Repeat steps 6 and 7 for the other side of the machine.
Slide the mower deck rearward to remove the mower belt from the engine pulley.
Slide the mower deck out from underneath the machine.
Note: Retain all parts for future installation.
Park the machine on a level surface, disengage the blade-control switch (PTO), and move the motion-control levers outward to the PARK position.
Shut off the engine, remove the key, and wait for all moving parts to stop before leaving the operating position.
Slide the mower under the machine.
Lower the height-of-cut lever to the lowest position.
On 1 side of the machine, lift the rear of the mower deck and install the lift arm to the deck pin (Figure 67).
Install the lift arm using the washer and hairpin cotter (Figure 67).
Repeat steps 5 and 6 for the other side of the machine.
Attach the front support rod to the mower deck with the clevis pin and hairpin cotter (Figure 66).
Install the mower belt onto the engine pulley; refer to Replacing the Mower Belt.
| Maintenance Service Interval | Maintenance Procedure |
|---|---|
| Before each use or daily |
|
An uncovered discharge opening could allow the machine to throw objects toward you or bystanders, resulting in serious injury. Also, contact with the blade could occur.
Never operate the machine without the grass deflector, the discharge cover, or the grass-collection system in place.
Remove the nut (3/8 inch) from the rod under the mower (Figure 68).

Slide the rod out of the short stand-off, spring, and grass deflector (Figure 68).
Remove the damaged or worn grass deflector.
Install the new grass deflector (Figure 68).
Slide the straight end of the rod through the rear grass deflector pivot.
Place the spring on the rod, with end wires down, and between the grass deflector brackets.
Slide the rod through the second grass-deflector pivot (Figure 68).
Insert the rod at the front of the grass deflector into the short standoff on the deck.
Secure the rear end of the rod into the mower with a nut (3/8 inch) as shown in Figure 68.
Important: The grass deflector must be spring-loaded in the down position. Lift the deflector up to test that it snaps into the full-down position.
| Maintenance Service Interval | Maintenance Procedure |
|---|---|
| After each use |
|
Important: You can wash the machine with a mild detergent and water. Do not pressure wash the machine. Avoid excessive use of water, especially near the control panel, under the seat, around the engine, hydraulic pumps, and motors.
Wash the underside of the mower deck after each use to prevent grass buildup for improved mulch action and clipping dispersal.
Park the machine on a level surface, disengage the blade-control switch (PTO), and move the motion-control levers outward to the PARK position.
Shut off the engine, remove the key, and wait for all moving parts to stop before leaving the operating position.
Attach the hose coupling to the end of the mower washout fitting, and turn the water on high (Figure 69).
Note: Spread petroleum jelly on the washout fitting O-ring to make the coupling slide on easier and protect the O-ring.

Lower the mower to the lowest height-of-cut.
Sit on the seat and start the engine.
Engage the blade-control switch and let the mower run for 1 to 3 minutes.
Disengage the blade-control switch, shut off the engine, remove the key, and wait for all moving parts to stop.
Turn the water off and remove the coupling from the washout fitting.
Note: If the mower is not clean after 1 washing, soak it and let it stand for 30 minutes. Then repeat the process.
Run the mower again for 1 to 3 minutes to remove excess water.
A broken or missing washout fitting could expose you and others to thrown objects or blade contact. Contact with a blade or thrown debris can cause injury or death.
Replace broken or missing washout fitting immediately, before using machine again.
Never put your hands or feet under the mower or through openings in the machine.
Engine oil, batteries, hydraulic fluid, and engine coolant are pollutants to the environment. Dispose of these according to your state and local regulations.
Shut off the engine, remove the key, and wait for all moving parts to stop before you leave the operator’s position. Allow the machine to cool before adjusting, servicing, cleaning, or storing it.
Do not store the machine or fuel near flames or drain the fuel indoors or inside an enclosed trailer.
Do not store the machine or fuel container where there is an open flame, spark, or pilot light, such as on a water heater or on other appliances.
Park the machine on a level surface, disengage the blade-control switch (PTO), and move the motion-control levers outward to the PARK position.
Shut off the engine, remove the key, and wait for all moving parts to stop before leaving the operating position.
Remove grass clippings, dirt, and grime from the external parts of the entire machine, especially the engine and hydraulic system. Clean dirt and chaff from the outside of the engine cylinder-head fins and blower housing.
Important: You can wash the machine with mild detergent and water. Do not pressure-wash the machine. Avoid excessive use of water, especially near the control panel, engine, hydraulic pumps, and motors.
Check the parking brake operation; refer to Park Position.
Service the air cleaner; refer to Servicing the Air Cleaner.
Grease the machine; refer to Lubrication.
Change the crankcase oil; refer to Changing the Engine Oil and Oil Filter.
Check the tire pressure; refer to Checking the Tire Pressure.
Charge the battery; refer to Charging the Battery.
If storing the machine with the battery installed, disconnect the negative (black) cable from the battery.
Scrape any heavy buildup of grass and dirt from the underside of the mower, then wash the machine with a garden hose.
Note: Run the machine with the blade-control switch (PTO) engaged and the engine at high idle for 2 to 5 minutes after washing.
Check the condition of the blades; refer to Servicing the Cutting Blades.
Prepare the machine for storage for over 30 days as follows:
Add fuel stabilizer/conditioner to fresh fuel in the tank. Follow mixing instructions from the fuel stabilizer manufacturer. Do not use an alcohol-based stabilizer (ethanol or methanol).
Run the engine to distribute conditioned fuel through the fuel system for 5 minutes.
Shut off the engine, allow it to cool, and drain the fuel tank using a pump type syphon or operate engine until it shuts off.
Dispose of fuel properly. Recycle the fuel according to local codes.
Important: Do not store fuel containing stabilizer/conditioner longer than the duration recommended by the fuel-stabilizer manufacturer.
Remove and check the condition of the spark plug(s); refer to Servicing the Spark Plug. With the spark plug(s) removed from the engine, pour 30 ml (2 tablespoons) of engine oil into the spark plug hole. Use the starter to crank the engine and distribute the oil inside the cylinder. Install the spark plug(s). Do not install the wire on the spark plug(s).
Check and tighten all fasteners. Repair or replace any part that is damaged.
Paint all scratched or bare metal surfaces. Paint is available from your Authorized Service Dealer.
Store the machine in a clean, dry garage or storage area. Remove the key from the switch and keep it out of reach of children or other unauthorized users. Cover the machine to protect it and keep it clean.
Fully charge the battery.
Let the battery rest for 24 hours, then check the battery voltage.
Note: If the battery voltage is below 12.6 V, repeat steps 1 and 2.
Disconnect the cables from the battery.
Check the voltage periodically to ensure that the voltage is 12.4 V or higher.
Note: If the battery voltage is below 12.4 V, repeat steps 1 and 2.
If you are storing the battery outside the machine, do the following:
Store the battery in a cool, dry area in an upright position.
Do not stack batteries directly on top of each other, unless they are in cartons.
Do not stack more than 3 batteries (only 2 if the battery type is commercial).
Test a wet battery every 4 to 6 months and charge it, if necessary.
Always test and charge the battery before installation.
| Problem | Possible Cause | Corrective Action |
|---|---|---|
| The fuel tank is showing signs of collapsing or the machine is frequently showing signs of running out of fuel. |
|
|
| The engine overheats. |
|
|
| The starter does not crank. |
|
|
| The engine does not start, starts hard, or fails to keep running. |
|
|
| The engine loses power. |
|
|
| The machine does not drive. |
|
|
| The machine vibrates abnormally. |
|
|
| The cutting height is uneven. |
|
|
| The blades do not rotate. |
|
|
