| Onderhoudsinterval | Onderhoudsprocedure |
|---|---|
| Bij elk gebruik of dagelijks |
|
Deze maaitractor met draaiende messen is bedoeld voor professioneel gebruik. De machine is voornamelijk ontworpen voor het maaien van gras op goed onderhouden particuliere of commerciële gazons. Dit product gebruiken voor andere doeleinden dan het bedoelde gebruik kan gevaarlijk zijn voor u of voor omstanders.
Lees deze informatie zorgvuldig door, zodat u weet hoe u de machine op de juiste wijze moet gebruiken en onderhouden en om schade aan de machine en letsel te voorkomen. U bent verantwoordelijk voor het juiste en veilige gebruik van de machine.
Ga naar www.Toro.com voor documentatie over productveiligheid en bedieningsinstructies, informatie over accessoires, hulp bij het vinden van een dealer of om uw product te registreren.
Als u service, originele Toro onderdelen of aanvullende informatie nodig hebt, kunt u contact opnemen met een erkende servicedealer of met de klantenservice van Toro. U dient hierbij altijd het modelnummer en het serienummer van het product te vermelden. De locatie van het plaatje met het modelnummer en het serienummer van het product is aangegeven op Figuur 1. U kunt de nummers noteren in de ruimte hieronder.
Important: U kunt met uw mobiel apparaat de QR-code (indien aanwezig) op het plaatje met het serienummer scannen om toegang te krijgen tot de garantie, onderdelen en andere productinformatie.

Er worden in deze handleiding twee woorden gebruikt om uw aandacht op bijzondere informatie te vestigen. Belangrijk attendeert u op bijzondere technische informatie en Opmerking duidt algemene informatie aan die bijzondere aandacht verdient.
Het veiligheidssymbool (Figuur 2) komt zowel in deze handleiding als op de machine voor om belangrijke veiligheidsberichten te identificeren die u moet opvolgen om ongevallen te voorkomen. Het symbool zal verschijnen met het woord Gevaar of Waarschuwing.
Gevaar: een direct gevaarlijke situatie die, als deze niet wordt voorkomen, altijd zal leiden tot de dood of ernstig letsel.
Waarschuwing: een mogelijk gevaarlijke situatie die, als deze niet wordt voorkomen, kan leiden tot de dood of ernstig letsel.
Waarschuwing: een mogelijk gevaarlijke situatie die, als deze niet wordt voorkomen, kan leiden tot licht of middelmatig letsel.

Als de machine zonder goed werkende vonkenvanger of goed onderhouden brandveilige motor wordt gebruikt in een bosgebied of op een met dicht struikgewas of gras begroeid terrein, handelt de bestuurder in strijd met de bepalingen van sectie 4442 of 4443 van de Wet op de Openbare Hulpbronnen (Public Resources Code) van de Staat Californië.
De bijgevoegde gebruikershandleiding van de motor biedt informatie over het Amerikaanse Environmental Protection Agency (EPA) en het Californische controlesysteem voor emissies, onderhoud en garantie. U kunt vervangingsonderdelen bestellen via de fabrikant van de motor.
Bruto- en nettokoppel: Het bruto- en nettokoppel van deze motor is door de motorfabrikant in laboratoriumomstandigheden gemeten volgens standaard J1940 of J2723 van de Society of Automotive Engineers (SAE). Omdat bij de configuratie rekening is gehouden met de veiligheids-, emissie- en gebruiksvoorschriften, zal de motor van dit type maaiers in de praktijk veel minder koppel hebben. Raadpleeg de meegeleverde documentatie van de motorfabrikant.
CALIFORNIË
Proposition 65 Waarschuwing
De uitlaatgassen van de dieselmotor van dit product bevatten bestanddelen waarvan bekend is dat ze kanker, geboorteafwijkingen of andere schade aan de voortplantingsorganen kunnen veroorzaken.
Accuklemmen, accupolen en dergelijke onderdelen bevatten lood en loodverbindingen. Van deze stoffen is bekend dat ze kanker en schade aan de voortplantingsorganen veroorzaken. Was altijd uw handen nadat u met deze onderdelen in aanraking bent geweest.
Gebruik van dit product kan leiden tot blootstelling aan chemische stoffen waarvan de Staat Californië weet dat ze kanker, geboorteafwijkingen en andere schade aan het voortplantingssysteem veroorzaken.
Dit product kan handen of voeten afsnijden en voorwerpen uitwerpen. Volg altijd alle veiligheidsinstructies op om ernstig of mogelijk dodelijk letsel te voorkomen.
Lees deze Gebruikershandleiding en zorg ervoor dat u deze begrijpt voordat u de motor start.
Houd omstanders en kinderen uit de buurt.
Laat kinderen of personen die geen instructie hebben ontvangen de machine niet gebruiken of er onderhoudswerkzaamheden aan verrichten. Laat enkel mensen die verantwoordelijk en getraind zijn en die bovendien vertrouwd zijn met de instructies en fysiek ertoe in staat zijn de machine bedienen of er onderhoudswerkzaamheden aan verrichten.
Houd de rolbeugel altijd in de volledig omhoog geklapte en vergrendelde stand en doe de veiligheidsgordel om.
Gebruik de machine niet in de buurt van steile hellingen, greppels, oevers, water of andere gevaren, of op hellingen steiler dan 15°.
Houd handen en voeten uit de buurt van de bewegende onderdelen van de machine.
Gebruik de machine niet als er schermen, veiligheidsschakelaars of andere beveiligingsmiddelen ontbreken of als deze niet naar behoren werken.
Zet de motor af, verwijder het contactsleuteltje en wacht totdat alle bewegende onderdelen tot stilstand zijn gekomen voordat u de bestuurderspositie verlaat. Laat de machine afkoelen voordat u deze afstelt, vult met brandstof, reinigt, stalt of er onderhoudswerkzaamheden aan verricht.

![]() |
Informatieve en veiligheidsstickers zijn gemakkelijk zichtbaar voor de bestuurder en bevinden zich bij plaatsen waar gevaar kan ontstaan. Vervang alle beschadigde of verdwenen stickers. |


























Zorg dat u vertrouwd bent met alle bedieningsorganen voordat u de motor start en de machine gebruikt.

Raadpleeg de Softwaregids voor meer informatie over de bestuurdersinterface waarmee u toegang hebt tot informatie, tellers kunt resetten, systeeminstellingen kunt aanpassen en problemen met het apparaat kunt oplossen.

Het informatiescherm geeft informatie over de werking van de machine weer; raadpleeg de Softwaregids voor meer informatie.
De multifunctionele knoppen bevinden zich aan de onderkant van het paneel. De pictogrammen die worden weergegeven op het informatiescherm boven de knoppen duiden de huidige functie aan. Met de knoppen kunt u het motortoerental selecteren en navigeren door de systeemmenu's.
Raadpleeg de Softwaregids voor meer informatie.
Het ledstatuslampje is meerkleurig om de status van het systeem aan te geven en bevindt zich aan de rechterzijde van het paneel. Tijdens het starten brandt het ledlampje rood, dan oranje en dan groen om de functionaliteit te verifiëren.
Constant groen – geeft de normale bedrijfsactiviteit aan
Knipperend rood – geeft een actieve fout aan
Knipperend groen en oranje – geeft aan dat er een reset van de koppeling vereist is
Raadpleeg de Softwaregids voor meer informatie.
Als er een fout gebeurt, wordt er een foutboodschap weergegeven, het ledlampje wordt rood en het alarm weerklinkt als volgt:
Een snel tjirpend geluid geeft kritieke fouten aan.
Een traag tjirpend geluid geeft minder kritieke fouten aan, zoals vereist onderhoud of onderhoudsintervallen.
Note: Tijdens het starten weerklinkt het alarm kort om te verifiëren of het werkt.
Raadpleeg de Softwaregids voor meer informatie.
De urenteller registreert het aantal uren dat de motor in bedrijf is geweest. De urenteller werkt als de motor loopt. Gebruik deze tijden om regelmatig onderhoudswerkzaamheden te plannen (Figuur 5).
Uren worden weergegeven in het scherm Motor – Uitgeschakeld of het menu Teller bedrijfsuren motor.
Raadpleeg de Softwaregids voor meer informatie.
Start de motor met deze schakelaar. Hij heeft 3 standen: START, LOPEN en UIT.
Note: De LCD-indicators verschijnen wanneer elk bedieningselement voldoet aan de modus ‘veilig om te starten’ (bv. de indicator wordt ingeschakeld wanneer u zich in de stoel bevindt.)
Note: De motor-ECU regelt de gloeibougies tijdens koude starts. Als de temperatuur van de koelvloeistof te laag is, wordt het gloeisymbool op de monitor weergegeven en de startmotor slaat niet aan wanneer u de motor naar de stand STARTEN draait. De gloeibougies activeren in de stand AAN of STARTEN. Zodra het gloeien lang genoeg heeft geduurd voor de huidige temperatuur, verdwijnt het gloeisymbool op de monitor en de motor slaat aan wanneer deze naar de stand STARTEN wordt gedraaid.
Note: U kunt de machine starten met de aftakasschakelaar ingeschakeld, maar u kunt de messen niet inschakelen. U moet de aftakas resetten om de aftakas in te schakelen.
De gashendel regelt het motortoerental en er zijn 3 snelheden: Maximum, Efficiënt en Laag.
Raadpleeg de Softwaregids voor meer informatie.
Met de messchakelaar (aftakas) schakelt u de aandrijving naar de maaimessen in of uit (Figuur 5).
De LCD-indicator verschijnt op het informatiescherm wanneer de aftakasschakelaar uitgeschakeld is.
Note: Machines die uitgerust zijn met de Horizon monitor hebben een koppelingsvriendelijke functie, waardoor de gashendel automatisch het motortoerental gaat verminderen wanneer u de aftakasschakelaar uitschakelt. De aftakasschakelaar in- en uitschakelen verandert het motortoerental tussen de modus MAAIEN en TRANSPORTEREN.
Note: U kunt de machine starten met de aftakasschakelaar ingeschakeld, maar u kunt de messen niet inschakelen. Om de aftakas in te schakelen, moet u de aftakasschakelaar resetten door deze uit te schakelen en dan in te schakelen.
Druk de schakelaar achteruit om het maaidek omhoog te brengen.
Druk de schakelaar vooruit om het maaidek te laten zakken.
De rijhendels worden gebruikt om de motor vooruit en achteruit te laten rijden en om bochten naar links of naar rechts te maken (Figuur 4).
Zet de rijhendels vanuit het midden naar buiten naar de VERGRENDELDE NEUTRAALSTAND wanneer u de machine verlaat (Figuur 22). Zet de rijhendels altijd in de VERGRENDELDE NEUTRAALSTAND als u de machine stopt of onbeheerd achterlaat.
Als u de motor afzet, moet u de parkeerrem in werking stellen om te voorkomen dat de machine per ongeluk in beweging komt.
| 168,2 cm |
| Rolbeugel omhoog of omlaag | 255,5 cm |
| Rolbeugel omhoog | 182,4 cm |
| Rolbeugel omlaag | 129,5 cm |
| Rolbeugel omhoog | 182,4 cm |
| Rolbeugel omlaag | 129,5 cm |
| 112 cm |
| 84 cm |
| 157,2 cm |
Een selectie van door Toro goedgekeurde werktuigen en accessoires is verkrijgbaar voor gebruik met de machine om de mogelijkheden daarvan te verbeteren en uit te breiden. Neem contact op met een erkende servicedealer of een erkende Toro distributeur, of bezoek www.Toro.com voor een lijst van alle goedgekeurde werktuigen en accessoires.
Om de beste prestaties te verkrijgen en er zeker van te zijn dat de machine altijd veilig kan worden gebruikt, moet u ter vervanging uitsluitend originele Toro onderdelen en accessoires gebruiken. Gebruik ter vervanging nooit onderdelen en accessoires van andere fabrikanten, omdat dit gevaarlijk kan zijn. Dit kan ertoe leiden dat de garantie op het product komt te vervallen.
Note: Bepaal de linker- en rechterzijde van de machine vanuit de normale bedieningspositie.
Laat kinderen of personen die geen instructie hebben ontvangen de machine niet gebruiken of er onderhoudswerkzaamheden aan verrichten. Plaatselijke voorschriften kunnen nadere eisen stellen aan de leeftijd van degene die met de machine werkt. Plaatselijke voorschriften kunnen nadere eisen stellen aan de leeftijd van degene die met de machine werkt. De eigenaar is verantwoordelijk voor de instructie van alle bestuurders en technici.
Controleer de omgeving waar u de machine gaat gebruiken. Verwijder alle voorwerpen die de werking van de machine kunnen beïnvloeden of die door de machine kunnen worden uitgeworpen.
Zorg ervoor dat u vertrouwd raakt met de bedieningsorganen en de veiligheidssymbolen, en weet hoe u de machine veilig kunt gebruiken.
Controleer de aanwezigheid en goede werking van de dodemansinrichtingen, veiligheidsschakelaars en schermen. Gebruik de machine uitsluitend als deze naar behoren werkt.
Zet de motor af, verwijder het contactsleuteltje en wacht totdat alle bewegende onderdelen tot stilstand zijn gekomen voordat u de bestuurderspositie verlaat. Laat de machine afkoelen voordat u deze afstelt, vult met brandstof, reinigt, stalt of er onderhoudswerkzaamheden aan verricht.
Controleer voordat u begint te maaien de machine om zeker te zijn dat de maai-eenheden goed werken.
Inspecteer het terrein om na te gaan welke accessoires en werktuigen nodig zijn om de machine veilig en goed te gebruiken.
Draag geschikte kleding en uitrusting, zoals oogbescherming, een lange broek, stevige schoenen met een gripvaste zool en gehoorbescherming. Draag lang haar niet los en draag geen losse kleding of juwelen.
Vervoer geen passagiers op de machine.
Hou omstanders en huisdieren tijdens het werk uit de buurt van de machine. Schakel de machine en het/de werktuig(en) uit indien iemand het werkgebied betreedt.
Gebruik de machine niet tenzij alle schermen en veiligheidsvoorzieningen zoals de geleiders en de volledige grasvanger op hun plaats zitten en goed werken. Vervang versleten of kapotte onderdelen indien nodig.
Brandstof is uiterst ontvlambaar en zeer explosief. Brand of explosie van brandstof kan brandwonden bij u of anderen en materiële schade veroorzaken.
Om te voorkomen dat een statische lading de brandstof tot ontbranding kan brengen, moet u het benzinevat en/of de machine voordat u de tank vult op de grond plaatsen, niet op een voertuig of een ander object.
Vul de brandstoftank op een horizontaal oppervlak en in de open lucht wanneer de motor koud is. Eventueel gemorste brandstof opnemen.
Rook niet als u omgaat met brandstof, en houd brandstof uit de buurt van open vuur en vonken.
Als de motor draait of heet is, mag de brandstoftankdop niet worden verwijderd en mag de tank niet met brandstof worden bijgevuld.
Probeer de motor niet te starten als u brandstof morst. Zorg ervoor dat er geen ontstekingsbronnen in de buurt zijn totdat de brandstofdampen volledig zijn verdwenen.
Brandstof in een goedgekeurd vat of blik en buiten bereik van kinderen bewaren.
Brandstof is schadelijk of dodelijk bij inname. Langdurige blootstelling aan dampen kan leiden tot ernstig letsel en ziekte.
Voorkom dat u dampen lange tijd inademt.
Houd uw handen en gezicht uit de buurt van het vulpistool en de opening van de brandstoftank.
Houd brandstof uit de buurt van ogen en huid.
Sla de machine en de brandstofhouder niet op plaatsen waar open vlammen, vonken of waakvlammen (bv. van een boiler of andere toestellen) aanwezig kunnen zijn.
Vul brandstofvaten niet in een voertuig, vrachtwagen of op een aanhanger met kunststof beplating. Zet brandstofvaten altijd op de grond en uit de buurt van het voertuig voordat u de tank bijvult.
Laad de machine uit de vrachtwagen of aanhanger en vul deze bij met brandstof wanneer ze op de grond staat. Als dit niet mogelijk is, vul dan brandstof bij uit een draagbaar vat in plaats van met een brandstofpistool.
Gebruik de machine uitsluitend als het complete uitlaatsysteem is gemonteerd en naar behoren werkt.
Houd het vulpistool in contact met de rand van de benzinetank of het vat tot het tanken voltooid is. Gebruik geen vergrendeling voor het vulpistool.
Als u brandstof morst op uw kleding dient u zich onmiddellijk om te kleden.
Giet de brandstoftank niet te vol. Plaats de brandstofdop terug en maak hem stevig vast.
Verwijder gras en vuil van de maai-eenheid, de geluiddemper, de aandrijvingen, de grasvanger en de motor om brand te voorkomen. Veeg gemorste olie en brandstof op.
De motor loopt op schone, verse diesel met een minimaal cetaangetal van 40. Koop brandstof in hoeveelheden die binnen 30 dagen kunnen worden gebruikt zodat u altijd verse brandstof heeft.
Gebruik zomerbrandstof (nr. 2-D) bij temperaturen boven -7 °C en winterbrandstof (nr. 1-D of nr. 1-D/2-D-mengsel) bij temperaturen onder -7 °C. Gebruik van winterdieselbrandstof bij lage temperaturen biedt een lager vlampunt en een lager stolpunt. Dit vergemakkelijkt het starten en vermindert de kans van een chemische scheiding van de brandstof als gevolg van lage temperaturen (vorming van was, waardoor de filters verstopt kunnen raken).
Zomerdieselbrandstof gebruiken bij temperaturen boven -7 °C draagt bij aan een langere levensduur van de onderdelen van de pomp.
Important: Gebruik geen kerosine of benzine in plaats van dieselbrandstof. Als u deze waarschuwing niet in acht neemt, kan dit leiden tot beschadiging van de motor.
Deze machine kan ook gebruik maken van een dieselmengsel tot maximaal B20 (20% biodiesel, 80% petrodiesel). Het deel petrodiesel moet een laag of ultralaag zwavelgehalte hebben.
Neem de volgende voorzorgsmaatregelen in acht:
Her deel biodiesel van de brandstof moet voldoen aan de specificatie ASTM D6751 of EN 14214.
Het dieselmengsel moet beantwoorden aan ASTM D975 of EN 590.
Gelakte oppervlakken kunnen worden beschadigd door biodiesel.
Gebruik B5 (biodieselinhoud 5%) of mengsels met een lager percentage in koud weer.
Controleer afdichtingen, slangen en pakkingen, die in contact met brandstof komen, omdat zij in de loop der tijd hierdoor kunnen worden aangetast.
De kans bestaat dat een brandstoffilter na verloop van tijd verstopt raakt, nadat u bent overgestapt op een biodieselmengsel.
Neem contact op met uw leverancier als u informatie over biodiesel wenst.
Parkeer de machine op een horizontaal oppervlak.
Haal de parkeerrem aan.
Zet de motor af en verwijder het sleuteltje.
Reinig het gebied rond de dop van de brandstoftank.
Vul de tank tot aan de onderkant van de vulbuis (Figuur 7).
Note: Vul de brandstoftank niet helemaal vol. Dit geeft de brandstof in de tank ruimte om uit te zetten.

Voer elke dag, voordat u de machine start, de dagelijkse procedures uit beschreven in .
Een nieuwe motor heeft tijd nodig om vol vermogen te ontwikkelen. Maai-eenheden en aandrijfsystemen hebben meer wrijving als zij nieuw zijn, waardoor de motor extra wordt belast. Houd er rekening mee dat een nieuwe machine een inrijperiode van 40 tot 50 bedrijfsuren nodig heeft om vol vermogen te ontwikkelen voor de beste prestaties.
Om lichamelijk of dodelijk letsel te voorkomen als de machine omkantelt: laat de rolbeugel volledig omhoog geklapt en vergrendeld, en doe de veiligheidsgordel om.
Controleer of de stoel goed op de machine is bevestigd.
Er is geen omkantelbeveiliging als de rolbeugel omlaag is geklapt.
Klap de rolbeugel uitsluitend omlaag als dit absoluut noodzakelijk is.
Doe de veiligheidsgordel niet om als de rolbeugel omlaag is geklapt.
Rij langzaam en voorzichtig.
Klap de rolbeugel omhoog zodra de ruimte dit toelaat.
Let goed op dat er voldoende ruimte boven de machine is (denk aan takken, deuropeningen, elektrische kabels) voordat u onder een object rijdt en zorg ervoor dat u dit niet raakt.
Important: Klap de rolbeugel uitsluitend omlaag als dit absoluut noodzakelijk is.
Important: Doe altijd de veiligheidsgordel om als de rolbeugel omhoog is geklapt.
Klap de rolbeugel uit naar de bedrijfsstand en draai aan de knoppen tot ze gedeeltelijk in de groeven gaan (Figuur 9).
Breng de rolbeugel volledig omhoog terwijl u tegen het bovenste gedeelte van de rolbeugel duwt. Hierdoor klikken de pennen op hun plaats zodra de openingen met de pennen zijn uitgelijnd (Figuur 9).
Druk op de rolbeugel en controleer of beide pennen op hun plaats zitten (Figuur 9).

Niet-aangesloten of beschadigde interlockschakelaars kunnen onverwachte gevolgen hebben op de werking van de machine. Dit kan lichamelijk letsel veroorzaken.
Laat de interlockschakelaars ongemoeid.
Controleer elke dag de werking van de interlockschakelaars en vervang beschadigde schakelaars voordat u de machine weer in gebruik neemt.
Het veiligheidssysteem is bedoeld om starten van de motor alleen mogelijk te maken wanneer:
de parkeerrem in werking is gesteld;
de messchakelaar (aftakas) is uitgeschakeld;
de rijhendels in de vergrendelde NEUTRAALSTAND staan;
Het veiligheidssysteem zorgt ervoor dat de motor wordt uitgeschakeld wanneer de rijhendels uit de VERGRENDELDE NEUTRAALSTAND worden gezet als de parkeerrem in werking is gesteld of als u de bestuurdersstoel verlaat terwijl de aftakas is ingeschakeld.
De Horizon monitor is voorzien van indicatoren om de gebruiker op de hoogte te stellen als het veiligheidssysteem in de juiste stand staat. Als het veiligheidssysteem in de juiste stand staat, wordt een indicator weergegeven op het scherm.

| Onderhoudsinterval | Onderhoudsprocedure |
|---|---|
| Bij elk gebruik of dagelijks |
|
Controleer de werking van het veiligheidssysteem telkens voordat u de machine in gebruik neemt. Als het veiligheidssysteem niet werkt zoals hieronder wordt beschreven, moet u het direct laten repareren door een erkende servicedealer.
Neem plaats op de stoel, stel de parkeerrem in werking en schakel de messchakelaar (aftakas) IN. Probeer de motor te starten; de motor mag nu niet gaan draaien.
Neem plaats op de stoel, stel de parkeerrem in werking en schakel de messchakelaar (aftakas) UIT. Beweeg een van beide rijhendels uit de VERGRENDELDE NEUTRAALSTAND. Probeer de motor te starten; de motor mag nu niet gaan draaien. Herhaal voor de andere rijhendel.
Neem plaats op de stoel, stel de parkeerrem in werking, schakel de messchakelaar UIT en zet de rijhendels in de vergrendelde NEUTRAALSTAND. Start nu de motor. Laat de motor lopen en zet de parkeerrem vrij, schakel de messchakelaar (aftakas) in en kom iets overeind uit de bestuurdersstoel. De motor moet afslaan.
Neem plaats op de stoel, stel de parkeerrem in werking, schakel de messchakelaar UIT en zet de rijhendels in de vergrendelde NEUTRAALSTAND. Start nu de motor. Als de motor loopt, centreert u een van beide rijhendels en beweegt u deze (vooruit of achteruit). De motor moet nu stoppen. Herhaal deze procedure bij de andere rijhendel.
Neem plaats op de stoel, schakel de parkeerrem uit, schakel de messchakelaar (aftakas) UIT en zet de rijhendels in de VERGRENDELDE NEUTRAALSTAND. Probeer de motor te starten; de motor mag nu niet gaan draaien.
U kunt de stoel naar voren en naar achteren verschuiven. De stand van de stoel moet zo zijn dat u de machine het best kunt bedienen en dat u comfortabel zit (Figuur 11).

Druk de stoelvergrendeling naar voren om de stoel te ontgrendelen (Figuur 12).

De stoel kan worden versteld zodat u prettig en comfortabel kunt rijden. Zet de stoel in een stand die voor u het meest comfortabel is.
Om de stoel te verstellen, draait u de knop in een van beide richtingen om de meest comfortabele positie te verkrijgen (Figuur 13).

De eigenaar/gebruiker is verantwoordelijk voor ongelukken die persoonlijk letsel of materiële schade kunnen veroorzaken, en hij dient zulke ongelukken te voorkomen.
Geef uw volledige aandacht als u de machine gebruikt. Zorg ervoor dat u met niets anders bezig bent waardoor u kunt worden afgeleid, anders kunnen er letsels ontstaan of kan eigendom worden beschadigd.
Gebruik de machine niet als u ziek, moe of onder de invloed van alcohol of drugs bent.
Contact met het mes kan leiden tot ernstig lichamelijk letsel. Zet de motor af, verwijder het contactsleuteltje en wacht totdat alle bewegende onderdelen tot stilstand zijn gekomen voordat u de bestuurderspositie verlaat. Wanneer u de sleutel naar UIT draait, moet de motor afslaan en moet het mes stoppen. Als dit niet het geval is, mag u de machine niet verder gebruiken en moet u contact opnemen met een erkende servicedealer.
Gebruik de machine uitsluitend als het zicht goed is en bij geschikte weersomstandigheden. Gebruik de machine niet als er kans op bliksem is.
Houd uw handen en voeten uit de buurt van de maai-eenheden. Blijf uit de buurt van de afvoeropening.
Maai niet als de grasgeleider in de geheven stand staat, verwijderd is of gewijzigd is, tenzij een grasvanger of mulchset gemonteerd is en goed werkt.
Maai uitsluitend in de achteruitstand, als dat strikt noodzakelijk is. Kijk altijd naar beneden en achterom voordat u achteruitrijdt.
Wees uiterst voorzichtig bij het naderen van blinde hoeken, struiken, bomen en andere objecten die het zicht kunnen belemmeren.
Stop de maaimessen als u niet daadwerkelijk maait.
Als de maaimachine toch een voorwerp raakt en begint te trillen, moet u meteen de motor afzetten, de contactsleutel verwijderen (indien de machine hiermee is uitgerust) en wachten totdat alle bewegende onderdelen tot stilstand zijn gekomen voordat u de machine op beschadiging controleert. Voer alle noodzakelijke reparaties uit voordat u de machine weer in gebruik neemt.
Verminder uw snelheid en wees voorzichtig als u een bocht maakt of wegen en voetpaden oversteekt met de machine. Verleen altijd voorrang.
Doe het volgende voordat u de bestuurdersstoel verlaat:
Parkeer de machine op een horizontaal oppervlak.
Schakel de aftakas uit en laat de werktuigen zakken.
Haal de parkeerrem aan.
Zet de motor af en verwijder het sleuteltje.
Wacht tot alle bewegende onderdelen tot stilstand zijn gekomen.
Laat de motor enkel draaien in goed verluchte omgevingen. Uitlaatgassen bevatten koolstofmonoxide, dat dodelijk is bij inademing.
Als u de machine verlaat, laat deze dan niet draaien.
Bevestig materiaal dat wordt gesleept uitsluitend aan het sleeppunt aan de machine.
Gebruik de machine niet tenzij alle schermen en veiligheidsvoorzieningen zoals de geleiders en de volledige grasvanger op hun plaats zitten en goed werken. Vervang versleten of kapotte onderdelen indien nodig.
Gebruik alleen door Toro goedgekeurde accessoires en werktuigen.
Deze machine stelt de gebruiker bloot aan geluidsniveaus van meer dan 85 dBA. Bij langdurige blootstelling kan dit leiden tot gehoorbeschadiging.

Verwijder gras en vuil van de maai-eenheid, de aandrijvingen, de geluiddemper en de motor om brand te voorkomen.
Start de motor en zorg er hierbij voor dat uw voeten uit de buurt van de messen zijn.
Let op de uitworp van de maaier en richt deze uit de buurt van mensen. Zorgt dat het afgevoerde materiaal niet tegen een muur of obstakel komt omdat het materiaal naar u terug kan ketsen.
Stop de messen, verminder de snelheid van de machine en wees voorzichtig wanneer u een oppervlak zonder gras oversteekt of wanneer u de machine transporteert van en naar het werkgebied.
Verander de snelheid van de toerenregelaar niet en laat de motor het maximale toerental niet overschrijden.
Kinderen komen vaak naar de machine en het maaien kijken. Ga er nooit van uit dat kinderen op de plaats blijven waar u ze voor laatst zag.
Houd kinderen uit de buurt van het werkgebied en plaats ze onder toezicht van een andere verantwoordelijke volwassene dan de bediener van de maaier.
Wees alert en schakel de machine uit als kinderen het werkgebied betreden.
Voordat u de machine achteruitrijdt of draait, moet u naar beneden en rond u kijken of er geen kleine kinderen in de buurt zijn.
Vervoer geen kinderen op de machine, zelfs wanneer de messen niet bewegen. Kinderen kunnen van de machine vallen en kunnen ernstig letsel oplopen of u verhinderen in het veilig gebruiken van de machine. Als een kind in het verleden op een maaier heeft meegereden, kan het in het maaigebied verschijnen zonder waarschuwing, en kan dan overreden worden door de maaier, bij het vooruit- of achteruitrijden.
De rolbeugel is een integrale veiligheidsvoorziening. Verwijder geen onderdelen van de rolbeugel van de machine.
Zorg dat u de veiligheidsgordel draagt en deze in een noodgeval snel kunt losmaken.
Houd de rolbeugel in de volledig omhooggeklapte en vergrendelde stand en doe altijd de veiligheidsgordel om wanneer de rolbeugel omhooggeklapt is.
Controleer zorgvuldig op objecten boven het hoofd voordat u hieronder rijdt, en raak deze niet.
Vervang beschadigde onderdelen van de rolbeugel. U mag deze niet repareren of aanpassen.
Er is geen omkantelbeveiliging als de rolbeugel omlaag is geklapt.
Wielen die over randen of over steile oevers heen komen of in water komen, kunnen tot gevolg hebben dat de machine omkantelt, hetgeen ernstig of dodelijk letsel kan veroorzaken.
Doe de veiligheidsgordel niet om als de rolbeugel omlaag is geklapt.
Klap de rolbeugel uitsluitend omlaag als dit absoluut noodzakelijk is; klap hem omhoog zodra de ruimte dit toelaat.
Indien de machine omkantelt, moet u de machine naar een erkende servicedealer brengen om de rolbeugel te laten inspecteren.
Gebruik uitsluitend door Toro goedgekeurde accessoires en werktuigen voor de rolbeugel.
Het maaien op hellingen is een belangrijke factor bij ongelukken waarbij de controle over de machine wordt verloren of deze omkantelt. Dit kan ernstig of dodelijk letsel veroorzaken. De bestuurder is verantwoordelijk voor een veilig gebruik van de machine op hellingen. Gebruik van de machine op hellingen vereist altijd extra voorzichtigheid. Doe het volgende voordat u de machine op een helling gaat gebruiken:
Lees de instructies voor gebruik op een helling in de handleiding en op de machine, en zorg dat u deze instructies begrijpt.
Gebruik een hellingsindicator om de hellingshoek bij benadering te bepalen.
Gebruik de maaimachine nooit op hellingen van meer dan 15°.
Onderzoek de toestand van het werkgebied op die dag om te bepalen of de machine veilig kan worden gebruikt op de helling. Gebruik uw gezond verstand en uw beoordelingsvermogen wanneer u dit onderzoek uitvoert. Veranderingen in het terrein, zoals de vochtigheidsgraad, kunnen snel van invloed zijn op de manier waarop de machine reageert op een helling.
Spoor gevaren onderaan de helling op. Gebruik de machine niet in de buurt van steile hellingen, greppels, oevers, water of andere gevaren. De machine kan plotseling omslaan als een wiel over de rand komt of als de rand instort. Houd een veilige afstand (tweemaal de breedte van de machine) tussen de machine en landschapselementen die gevaarlijk kunnen zijn. Gebruik een loopmaaier of een handtrimmer om gras te maaien op deze plaatsen.
Vermijd starten, stoppen of bochten maken op hellingen. Vermijd plotse veranderingen van snelheid of richting; verander traag en geleidelijk van richting.
Gebruik een machine nooit in omstandigheden waarbij u twijfelt over tractie, sturen of stabiliteit. Denk eraan dat de machine tractie kan verliezen doordat u bergafwaarts, op nat gras of dwars op een helling maait. Als de aandrijfwielen tractie verliezen, kunnen ze gaan slippen en kunt u niet meer remmen of sturen. De machine kan schuiven, zelfs als de aandrijfwielen niet draaien.
Verwijder of let op obstakels als sloten, gaten, geulen, hobbels, stenen of andere verborgen gevaren. In hoog gras zijn obstakels niet altijd zichtbaar. De machine kan omslaan op oneffenheden in het terrein.
Wees extra voorzichtig wanneer u de machine gebruikt met accessoires of werktuigen zoals grasopvangsystemen. Deze kunnen de machine minder stabiel maken, waardoor u de controle over de machine kunt verliezen. Volg de instructies voor gebruik van contragewichten op.
Laat het maaidek indien mogelijk neer op de grond wanneer u de machine op een helling gebruikt. Als u het maaidek omhoog brengt op hellingen, kan de machine onstabiel worden.

Stel de parkeerrem altijd in werking wanneer u de machine stopt of deze onbeheerd achterlaat.
Parkeer de machine op een horizontaal oppervlak.


De messchakelaar (aftakas) start en stopt de maaimessen en eventuele bekrachtigde werktuigen.
Note: De messchakelaar (aftakas) inschakelen met half gas of minder zorgt voor overmatige slijtage aan de aandrijfriemen.


Important: Stel de startmotor telkens niet langer dan 5 seconden in werking. Als de motor niet wil starten, moet u na elke poging 15 seconden wachten. Indien u deze instructies niet opvolgt, kan de startmotor doorbranden.
Note: Mogelijk moet u meerdere pogingen doen om de motor voor het eerst te starten nadat u brandstof hebt toegevoegd aan een leeg brandstofsysteem.

Kinderen of omstanders kunnen letsel oplopen als zij de machine verplaatsen of proberen te bedienen terwijl deze onbeheerd staat.
Verwijder altijd het sleuteltje en stel de parkeerrem in werking wanneer u de machine onbeheerd achterlaat.


De aandrijfwielen draaien onafhankelijk en worden aangedreven door hydraulische motoren op elke as. U kunt de wielen aan de ene zijde achteruit laten draaien en tegelijk die aan de andere zijde vooruit, waardoor de machine om zijn as draait in plaats van een bocht te maken. Zo is de machine veel wendbaarder, maar het kan wat tijd vergen eer u gewend bent aan de manier waarop de machine beweegt.
Met de gashendel regelt u de snelheid van de motor, oftewel het toerental (in omwentelingen per minuut). Zet de gashendel op SNEL om de beste prestaties te verkrijgen. Laat de motor tijdens het maaien altijd vol gas draaien.
De machine kan zeer snel ronddraaien. De bestuurder kan de controle over de machine verliezen. Dit kan leiden tot lichamelijk letsel en schade aan de machine.
Wees voorzichtig als u een bocht maakt.
Verminder de snelheid van de machine voordat u een scherpe bocht maakt.
Note: De motor slaat af als u de tractiebediening beweegt terwijl de parkeerrem in werking is gesteld.
Om de machine te stoppen, duwt u de rijhendels naar de NEUTRAAL-stand.
Schakel de parkeerrem uit; zie De handrem uitschakelen.
Zet de hendels in de middelste, ontgrendelde stand.
Om vooruit te rijden, duwt u de rijhendels langzaam naar voren (Figuur 23).

Zet de hendels in de middelste, ontgrendelde stand.
Om achteruit te rijden, trekt u de rijhendels langzaam naar achteren (Figuur 24).

Het maaidek is uitgerust met een scharnierende grasgeleider, die het maaisel zijwaarts en omlaag naar het gazon afvoert.
Als de grasgeleider, afsluiter van de afvoer of de grasvanger niet op de juiste plaats zijn gemonteerd, kunnen u of anderen in aanraking komen met het maaimes of uitgeworpen voorwerpen. Contact met het draaiende maaimes en uitgeworpen voorwerpen kan lichamelijk of dodelijk letsel veroorzaken.
Verwijder de grasgeleider nooit van het maaidek omdat hiermee het maaisel wordt afgevoerd naar het gazon. Een beschadigde grasgeleider moet direct worden vervangen.
Steek nooit uw handen of voeten onder het maaidek.
Probeer nooit het afvoersysteem of de maaimessen te reinigen zonder eerst de messchakelaar (aftakas) UIT te schakelen, het contactsleuteltje op UIT te draaien en het sleuteltje uit het contact te nemen.
Controleer of de grasgeleider omlaag staat.
Stel de maaihoogte in van 25 tot 140 mm in stappen van 6 mm door de gaffelpen in verschillende openingen te plaatsen.
Laat de motor lopen, druk de hefschakelaar naar achteren totdat het maaidek volledig is opgeheven, en laat de schakelaar dan onmiddellijk los.
Draai de maaihoogtepen totdat de rolpen daarin is uitgelijnd met de gleuven in de openingen in de maaihoogtebeugel, en verwijder de pen (Figuur 25).
Plaats de maaihoogtepen in de opening die overeenstemt met de gewenste maaihoogte (Figuur 25).
Raadpleeg de sticker aan de zijkant van de hefplaat voor de maaihoogtes (Figuur 25).
Gebruik de hefschakelaar en verplaats de maaidekhoogte uit de transportstand (of een maaihoogte van 140 mm) en naar beneden naar de geselecteerde hoogte.

Monteer de rollen 1 opening lager voor maximale zweving van het maaidek. De rollen moet een afstand van 6 mm tot de grond behouden. Stel de rollen niet af om het maaidek te ondersteunen.
Parkeer de machine op een horizontaal oppervlak.
Schakel de messchakelaar (aftakas) uit, zet de rijhendels in de VERGRENDELDE NEUTRAALSTAND en stel de parkeerrem in werking.
Zet de motor af, verwijder het contactsleuteltje en wacht totdat alle bewegende onderdelen tot stilstand zijn gekomen voordat u de bestuurderspositie verlaat.
Stel de antiscalpeerrollen af zoals wordt getoond in Figuur 26, Figuur 27, Figuur 28 en Figuur 29.




Voor machines met zijafvoer: draai de flensmoer aan met een torsie van 68 tot 75 N·m.
Voor machines met achterafvoer: draai de flensmoer aan met een torsie van 41 tot 47 N·m.
Monteer de glijders in de laagste stand als de machine wordt gebruikt met een maaihoogte van meer dan 51 mm en in een hogere stand als de machine wordt gebruikt met een maaihoogte van minder dan 51 mm.
Monteer de glijders zoals getoond in Figuur 30.

Deze procedure is alleen van toepassing op machines met de afvoerplaatknop. Bepaalde modellen zijn voorzien van bouten en moeren in plaats van deze afvoerplaatknop en u kunt deze op dezelfde wijze aanpassen.
U kunt de uitworp van de maaier aanpassen aan de maaiomstandigheden. Zorg ervoor dat u de knop en de plaat zodanig plaatst dat u het beste maairesultaat verkrijgt.
Parkeer de machine op een horizontaal oppervlak, schakel de aftakas uit en stel de parkeerrem in werking.
Zet de motor af, verwijder het contactsleuteltje en wacht totdat alle bewegende onderdelen tot stilstand zijn gekomen voordat u de bestuurderspositie verlaat.
Draai de knop los.
Schuif de knop in de gewenste stand.
Draai de knop aan.
De volgende afbeeldingen zijn uitsluitend bedoeld als aanbeveling. De instelling is afhankelijk van de grassoort, het vochtgehalte en de hoogte van het gras.
Note: Als het motorvermogen afneemt en de rijsnelheid van de maaimachine hetzelfde blijft, opent u de plaat.
Dit is de volledig achterwaartse stand. Deze stand wordt aanbevolen in de volgende gevallen:
Maaiomstandigheden met kort, licht gras
Droge omstandigheden
Kleiner maaisel
Werpt maaisel verder weg van de maaimachine

Zet de plaat in deze stand als u het maaisel opvangt. Altijd uitlijnen met de opening van de blazer.

Dit is de volledig voorwaartse stand. Deze stand wordt aanbevolen in de volgende gevallen:
Maaiomstandigheden met hoog, dicht gras
Natte omstandigheden
Vermindert het energieverbruik van de motor
Maakt hogere rijsnelheid mogelijk in zware omstandigheden

De aftakas wordt uitgeschakeld, er weerklinkt een alarm en een staafgrafiek geeft de motortemperatuur weer wanneer de motor een toestand van oververhitting bereikt. De aftakas kan niet worden ingeschakeld tot de motor afgekoeld is en u de aftakas manueel uitschakelt en terug inschakelt.
Note: Als het peil van de motorkoelvloeistof zich onder de indicatorlijn op de overloopfles bevindt wanneer de motor koud is, kan de meter voor de temperatuur van de koelvloeistof niet juist registreren tijdens het gebruik van de machine en/of het akoestische alarm kan niet weerklinken als de motor oververhit raakt.
Voor een optimaal maairesultaat en een maximale luchtcirculatie moet u de gashendel op SNEL zetten. Om het gras goed te maaien is lucht nodig; zet de maaihoogte dus niet te laag en zorg ervoor dat het maaidek niet helemaal door ongemaaid gras is omgeven. Probeer altijd één zijkant van het maaidek vrij van ongemaaid gras te houden, zodat lucht in het maaidek kan worden gezogen.
Laat het gras iets langer dan normaal om te voorkomen dat oneffenheden in het gras volledig worden weggemaaid. In het algemeen kan het best de voorheen gebruikte maaihoogte worden gekozen. Als u gras van meer dan 15 cm lang gaat maaien, kunt u het best in twee keer maaien om een goed maairesultaat te verkrijgen.
Aanbevolen wordt niet meer dan ongeveer één derde van de lengte van het gras af te maaien. Meer afmaaien wordt afgeraden, tenzij het gras dun is, of in de late herfst, wanneer het gras langzamer groeit.
Maai afwisselend in verschillende richtingen, zodat het gras rechtop blijft staan. Dit zorgt ook voor een betere verspreiding van het maaisel, wat de vertering en bemesting ten goede komt.
Het tempo waarmee het gras groeit, varieert per jaargetijde. Om dezelfde maaihoogte te behouden, moet u in het vroege voorjaar vaker maaien. Als de groeisnelheid in de zomer afneemt, maait u minder vaak. Als u langere tijd niet hebt kunnen maaien, maait u eerst op een hoge maaihoogte. Maai 2 dagen later op een lagere maaihoogte.
Om de maairesultaten te verbeteren, moet u in bepaalde omstandigheden bij een lagere rijsnelheid maaien.
Wanneer u op oneffenheden maait, moet u de maaihoogte hoger zetten om een golvend gazon te voorkomen.
Als u de machine tijdens het maaien moet stoppen, kan er een kluit maaisel op uw gazon achterblijven. Om dit te voorkomen kunt u naar een reeds gemaaid oppervlak gaan met de messen ingeschakeld, of u kunt het maaidek uitschakelen terwijl u vooruitgaat.
Verwijder na elk gebruik maaisel en vuil van de onderkant van het maaidek. Als zich gras en vuil in het maaidek ophopen, leidt dat uiteindelijk tot een onbevredigend maairesultaat.
Zorg gedurende het hele maaiseizoen voor een scherp maaimes. Een scherp mes snijdt het gras goed af zonder het te scheuren of te kwetsen. Door scheuren en rafelen wordt het gras bruin aan de randen, waardoor het langzamer groeit en gevoeliger is voor ziekten. Controleer na elk gebruik of de maaimessen scherp zijn en of ze versleten of beschadigd zijn. Vijl regelmatig kerven en inkepingen weg en slijp de messen indien dit nodig is. Als een mes beschadigd of versleten is, moet u het onmiddellijk vervangen door een origineel Toro- mes.
Zet de motor af, verwijder het contactsleuteltje en wacht totdat alle bewegende onderdelen tot stilstand zijn gekomen voordat u de bestuurderspositie verlaat. Laat de machine afkoelen voordat u deze afstelt, vult met brandstof, reinigt, stalt of er onderhoudswerkzaamheden aan verricht.
Verwijder gras en vuil van de maai-eenheid, de geluiddemper, de aandrijvingen, de grasvanger en de motor om brand te voorkomen. Veeg gemorste olie en brandstof op.
Sluit de brandstoftoevoer af en verwijder het sleuteltje voordat u de machine stalt of transporteert.
Gebruik de vrijgavehendels van de aandrijfwielen om het hydrostatisch aandrijfsysteem vrij te zetten, waardoor u de machine kunt duwen zonder dat de motor loopt.
Draai elke omloopklep 1 slag linksom om vrij te zetten; draai elke omloopklep rechtsom om het systeem te resetten (Figuur 34).
Important: Niet te vast draaien. U mag de machine nooit slepen.

Gebruik een aanhanger of vrachtwagen voor zwaar vervoer om de machine te transporteren. Gebruik altijd een oprijplaat over de volledige breedte. Zorg ervoor dat de aanhanger of vrachtwagen is voorzien van alle benodigde remmen, verlichting en aanduidingen die wettelijk vereist zijn. Lees aandachtig alle veiligheidsinstructies. Met behulp van deze informatie kunt u voorkomen dat omstanders of uzelf letsel oplopen. Raadpleeg de lokale vereisten inzake aanhangwagens en de bevestiging van machines.
Rijden op de weg zonder richtingaanwijzers, verlichting, reflectoren of een bord met de aanduiding 'Langzaam rijdend voertuig' is gevaarlijk en kan leiden tot ongelukken die lichamelijk letsel veroorzaken.
Rijd niet met de machine op de openbare weg.
Als een machine wordt geladen op een aanhanger of een vrachtwagen, wordt de kans vergroot dat de machine kantelt. Dit kan ernstig lichamelijk letsel of de dood veroorzaken (Figuur 35).
Gebruik één oprijplaat over de volledige breedte. Gebruik geen afzonderlijke oprijplaten voor elke kant van de machine.
Zorg ervoor dat de hoek van de oprijplaat en de grond of van de oprijplaat en de aanhanger of vrachtwagen niet groter is dan 15 graden.
Zorg ervoor dat de oprijplaat minstens 4 keer zo lang is als de afstand van de laadbak van de vrachtwagen of aanhanger tot de grond. Hierdoor is de hoek die de oprijplaat maakt niet groter dan 15 graden op een vlakke ondergrond.

Als een machine wordt geladen op een aanhanger of een vrachtwagen, wordt de kans vergroot dat de machine kantelt. Dit kan ernstig lichamelijk letsel of de dood veroorzaken.
Ga zeer voorzichtig te werk als u een machine een hellingbaan op-/afrijdt.
Rij de machine achteruit op de oprijplaat en rij er vooruit af.
U mag niet abrupt versnellen of vertragen als u de machine een hellingbaan op- of afrijdt, omdat anders de machine kan kantelen of u de controle over de machine kunt verliezen.
Als u een aanhanger gebruikt, bevestig deze dan aan het sleepvoertuig en sluit de veiligheidskettingen aan.
Sluit indien van toepassing de remmen en verlichting van de aanhanger aan.
Laat de oprijplaat zakken; zorg dat de hellingshoek van de oprijplaat ten opzichte van de grond niet groter is dan 15 graden (Figuur 35).
Rij de machine achteruit op de oprijplaat (Figuur 36).

Zet de motor af, verwijder het sleuteltje en stel de parkeerrem in werking.
Zet de machine vast bij de voorste zwenkwielen en het achterframe; gebruik hierbij spanbanden, kettingen, kabels of touwen (Figuur 37). Raadpleeg de lokale vereisten inzake de bevestiging van machines.

Als u het sleuteltje in het contact laat, bestaat de kans dat iemand de motor per ongeluk start waardoor u en andere omstanders ernstig letsel kunnen oplopen. Verwijder het sleuteltje uit het contact voordat u onderhoudswerkzaamheden uitvoert aan de machine.
Doe het volgende voordat u de bestuurdersstoel verlaat:
Parkeer de machine op een horizontaal oppervlak.
Schakel de aandrijvingen uit.
Haal de parkeerrem aan.
Zet de motor af en verwijder het sleuteltje.
Laat de onderdelen van de machine afkoelen voordat u onderhoudswerkzaamheden uitvoert.
Laat personeel dat niet bekend is met de instructies, nooit onderhoudswerkzaamheden aan de machine uitvoeren.
Houd uw handen en voeten uit de buurt van bewegende onderdelen of hete oppervlakken. Stel indien mogelijk de machine niet af terwijl de motor loopt.
Haal voorzichtig de druk van onderdelen met opgeslagen energie.
Controleer de werking van de parkeerrem regelmatig. Indien nodig moet u deze afstellen en een onderhoudsbeurt geven.
Knoei nooit met de veiligheidsvoorzieningen. Controleer regelmatig of ze goed werken.
Verwijder gras en vuil van de maai-eenheid, de geluiddemper, de aandrijvingen en het motorcompartiment om brand te voorkomen.
Verwijder gemorste olie of brandstof en met brandstof doortrokken rommel.
Vertrouw niet op een hydraulisch systeem of mechanische krik om de machine te ondersteunen; ondersteun de machine altijd met kriksteunen.
Zorg ervoor dat alle onderdelen in goede staat verkeren en alle bevestigingselementen stevig vastzitten, in het bijzonder het bevestigingsmateriaal van de maaimessen. Vervang versleten of beschadigde stickers.
Koppel de accu af voordat u reparaties aan de machine verricht. Maak eerst de minpool van de accu los en daarna de pluspool. Bevestig eerst de pluspool van de accu en daarna de minpool.
Om veilige en optimale prestaties te verkrijgen, moet u ter vervanging alleen originele Toro onderdelen en accessoires gebruiken. Gebruik ter vervanging nooit onderdelen en accessoires van andere fabrikanten, omdat dit gevaarlijk kan zijn. Dit kan ertoe leiden dat de garantie op het product komt te vervallen.
| Onderhoudsinterval | Onderhoudsprocedure |
|---|---|
| Na de eerste 100 bedrijfsuren |
|
| Na de eerste 200 bedrijfsuren |
|
| Bij elk gebruik of dagelijks |
|
| Om de 50 bedrijfsuren |
|
| Om de 100 bedrijfsuren |
|
| Om de 200 bedrijfsuren |
|
| Om de 400 bedrijfsuren |
|
| Om de 500 bedrijfsuren |
|
| Om de 800 bedrijfsuren |
|
| Om de 2000 bedrijfsuren |
|
| Maandelijks |
|
| Jaarlijks |
|
Important: Raadpleeg de Gebruikershandleiding van de motor voor verdere onderhoudsprocedures.
Als u het sleuteltje in het contact laat, bestaat de kans dat iemand de motor per ongeluk start waardoor u en andere omstanders ernstig letsel kunnen oplopen.
Zet de motor af en haal het sleuteltje uit het contact voordat u onderhoud uitvoert.
| Onderhoudsinterval | Onderhoudsprocedure |
|---|---|
| Om de 400 bedrijfsuren |
|
| Jaarlijks |
|
De machine moet vaker worden gesmeerd bij gebruik in zeer stoffige of zanderige omstandigheden.
Type vet: nr. 2 vet op lithium- of molybdeenbasis
Parkeer de machine op een horizontaal oppervlak, schakel de aftakas uit en stel de parkeerrem in werking.
Zet de motor af, verwijder het contactsleuteltje en wacht totdat alle bewegende onderdelen tot stilstand zijn gekomen voordat u de bestuurderspositie verlaat.
Reinig de smeernippels met een doek.
Note: Krab indien nodig de verf van de voorkant van de nippel(s).
Zet een smeerpistool op de nippel.
Spuit vet in de nippels totdat er vet bij de lagers naar buiten komt.
Veeg overtollig vet weg.
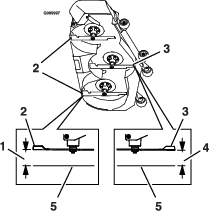
Raadpleeg de volgende tabel voor de locaties van de nippels en een smeerschema.
| Tabel voor smering | |||
|---|---|---|---|
| Locaties van de nippels | Pompbewegingen | Aantal plaatsen | Onderhoudsinterval |
| 1. Aftakas die het maaidek aandrijft | 1 | 3 | Om de 50 bedrijfsuren |
| 2. Draaipunten van spanpoelie van maaidek | 1 | 1 | Om de 400 bedrijfsuren of jaarlijks |
| 3. Lagers van zwenkwielen | 0 | 2 | Jaarlijks |
| 4. Draaipunten van zwenkwiel | 0 | 2 | Om de 400 bedrijfsuren of jaarlijks |
![]() |
| Onderhoudsinterval | Onderhoudsprocedure |
|---|---|
| Om de 50 bedrijfsuren |
|
Note: Verwijder de bodemplaat en breng het maaidek volledig naar beneden voor gemakkelijkere toegang tot de kruiskoppelingen van de aandrijving en de gegleufde schuifverbinding.
Parkeer de machine op een horizontaal oppervlak, schakel de aftakas uit en stel de parkeerrem in werking.
Zet de motor af, verwijder het contactsleuteltje en wacht totdat alle bewegende onderdelen tot stilstand zijn gekomen voordat u de bestuurderspositie verlaat.
Reinig de smeernippels met een doek.
Zet een smeerpistool op de nippel.
Spuit vet in de nippels totdat er vet bij de lagers naar buiten komt.
Veeg overtollig vet weg.

| Onderhoudsinterval | Onderhoudsprocedure |
|---|---|
| Om de 400 bedrijfsuren |
|
| Jaarlijks |
|
Parkeer de machine op een horizontaal oppervlak, schakel de aftakas uit en stel de parkeerrem in werking.
Zet de motor af, verwijder het contactsleuteltje en wacht totdat alle bewegende onderdelen tot stilstand zijn gekomen voordat u de bestuurderspositie verlaat.
Verwijder de stofkap en stel de draaipunten van de zwenkwielen bij. Plaats de stofkap pas terug als het smeren voltooid is; zie Lager van draaipunt van zwenkwiel afstellen.
Verwijder de zeskantige plug.
Draai een smeernippel in de opening.
Pomp smeervet in de smeernippel totdat er vet bij het bovenste lager naar buiten komt.
Trek de smeernippel uit de opening. Monteer de zeskantige plug en de dop.
| Onderhoudsinterval | Onderhoudsprocedure |
|---|---|
| Jaarlijks |
|
Parkeer de machine op een horizontaal oppervlak, schakel de aftakas uit en stel de parkeerrem in werking.
Zet de motor af, verwijder het contactsleuteltje en wacht totdat alle bewegende onderdelen tot stilstand zijn gekomen voordat u de bestuurderspositie verlaat.
Breng de maaier omhoog om eenvoudig toegang te krijgen.
Verwijder het zwenkwiel uit de zwenkwielvorken.
Verwijder de afdichtinghouders uit de wielnaaf.

Verwijder een afstandsmoer van de as van het zwenkwiel.
Note: Er is afdichtkit aangebracht tussen de afstandsmoeren en de as.
Verwijder de as (terwijl de andere afstandsmoer er nog aan bevestigd is) van de wielconstructie.
Wrik de afdichtingen los en inspecteer de lagers op slijtage of beschadigingen. Vervangen indien nodig.
Smeer de lagers met smeervet voor algemene doeleinden.
Plaats 1 lager en 1 nieuwe afdichting in het wiel.
Als beide afstandsmoeren ontbreken op de as, breng dan afdichtkit aan op 1 van de afstandsmoeren en draai deze op de as met de afgeplatte kanten aan de buitenzijde.
Note: Draai de afstandsmoer niet volledig tot het einde van de as. Laat een afstand van ongeveer 3 mm vrij tussen het buitenste oppervlak van de afstandsmoer en het einde van de as binnen de moer.
Plaats de as met de moer in het wiel aan de zijde met de nieuwe afdichting en het lager.
Laat het open uiteinde van het wiel omhoog wijzen en vul het gebied rond de as aan de binnenzijde van het wiel met smeervet voor algemene doeleinden.
Plaats het tweede lager en een nieuwe afdichting in het wiel.
Breng afdichtkit aan op de tweede afstandsmoer en draai deze op de as met de afgeplatte kanten aan de buitenzijde.
Draai de moer aan met een torsie van 8-9 N·m, draai de moer los en draai deze opnieuw vast met een torsie van 2-3 N·m.
Note: Zorg ervoor dat de as niet buiten de moeren steekt.
Plaats de afdichtinghouders op de wielnaaf en steek het wiel in de zwenkwielvork.
Monteer de zwenkwielbout en draai de moer volledig vast.
Important: Controleer de afstelling van het lager regelmatig om schade aan de afdichting en het lager te voorkomen. Draai het zwenkwiel rond. Het wiel mag niet vrij ronddraaien (meer dan 1 of 2 omwentelingen) of zijspeling hebben. Als het wiel blijft doordraaien, moet u de torsie van de afstandsmoer afstellen totdat het wiel lichte weerstand ondervindt. Breng nog een laag afdichtkit aan.
Houd uw kleding, gezicht, handen, voeten en andere lichaamsdelen uit de buurt van de geluiddemper en andere hete oppervlakken. Laat de onderdelen van de motor afkoelen voordat u onderhoudswerkzaamheden uitvoert.
Verander de snelheid van de toerenregelaar niet en laat de motor het maximale toerental niet overschrijden.
| Onderhoudsinterval | Onderhoudsprocedure |
|---|---|
| Om de 400 bedrijfsuren |
|
Parkeer de machine op een horizontaal oppervlak, schakel de aftakas uit en stel de parkeerrem in werking.
Zet de motor af, verwijder het contactsleuteltje en wacht totdat alle bewegende onderdelen tot stilstand zijn gekomen voordat u de bestuurderspositie verlaat.
Controleer de luchtfilterbehuizing op beschadigingen die een luchtlek zouden kunnen veroorzaken.
Vervang een beschadigde luchtfilterbehuizing.
Controleer het luchtinlaatsysteem op lekken, beschadiging of losse slangklemmen.
Geef het luchtfilter en het veiligheidselement een onderhoudsbeurt als u daarom gevraagd wordt (Figuur 40).
Important: Geef het luchtfilter niet te vaak een onderhoudsbeurt.

Zorg ervoor dat het deksel goed vastzit en de luchtfilterbehuizing helemaal afsluit.
Note: Als de schuimrubberen pakking in het deksel beschadigd is, moet u deze vervangen.
Important: Gebruik geen perslucht onder hoge druk, omdat hierdoor vuil via het filter in het inlaatkanaal kan worden geblazen.
Important: Reinig nooit een gebruikt filter omdat dit kan leiden tot beschadiging van de filtermedia.
Important: Een beschadigd filter mag niet worden gebruikt.
Important: Druk niet op het flexibele midden van het filter.

| Onderhoudsinterval | Onderhoudsprocedure |
|---|---|
| Na de eerste 200 bedrijfsuren |
|
| Bij elk gebruik of dagelijks |
|
| Om de 200 bedrijfsuren |
|
| Om de 400 bedrijfsuren |
|
| Jaarlijks |
|
Het carter van de motor is in de fabriek gevuld met olie; het oliepeil moet echter worden gecontroleerd voor- en nadat de motor voor de eerste keer is gestart. Controleer het oliepeil elke dag vóór en na gebruik van de machine.
Carterinhoud voor 25 pk Yanmar dieselmotoren: 4,7 liter met het filter
Carterinhoud voor 37 pk Yanmar dieselmotoren: 6,6 liter met het filter
Verkieslijke motorolie: Toro Premium motorolie
Indien u een andere olie gebruikt, gebruik dan hoogwaardige motorolie met laag asgehalte die minstens voldoet aan de volgende specificaties:
API-onderhoudsclassificatie CJ-4 of hoger
ACEA-onderhoudsclassificatie E6
JASO-onderhoudsclassificatie DH-2
Important: Gebruik van andere olie dan API-classificatie CJ-4 of hoger, ACEA E6, of JASO DH-2 kan het dieselpartikelfilter doen verstoppen of de motor beschadigen.
Gebruik motorolie met de volgende viscositeit:
SAE 10W-30 of 5W-30 (voor alle temperaturen)
SAE 15W-40 (boven -18 °C)
Note: Toro Premium motorolie is verkrijgbaar bij uw verdeler. Raadpleeg de Onderdelencatalogus of een erkende Toro verdeler voor onderdeelnummers.
Parkeer de machine op een horizontaal oppervlak, schakel de aftakas uit en stel de parkeerrem in werking.
Zet de motor af, verwijder het contactsleuteltje en wacht totdat alle bewegende onderdelen tot stilstand zijn gekomen voordat u de bestuurderspositie verlaat.
De motorkap openen.
Controleer het oliepeil zoals wordt getoond in Figuur 42.

Laat indien mogelijk de motor lopen vlak voordat u de olie ververst. Warme olie stroomt gemakkelijker en voert verontreinigingen beter mee.
Parkeer de machine op een horizontaal oppervlak, schakel de aftakas uit en stel de parkeerrem in werking.
Zet de motor af, verwijder het contactsleuteltje en wacht totdat alle bewegende onderdelen tot stilstand zijn gekomen voordat u de bestuurderspositie verlaat.
De motorkap openen.
Ververs de motorolie zoals wordt getoond in Figuur 43.

Vervang het oliefilter van de motor zoals getoond in Figuur 44.

Vul het carter bij met olie; zie Motorolietype.
| Onderhoudsinterval | Onderhoudsprocedure |
|---|---|
| Om de 800 bedrijfsuren |
|
De motorklepspeling controleren. Zie de gebruikershandleiding van de motor.
In bepaalde omstandigheden is brandstof uiterst ontvlambaar en zeer explosief. Brand of explosie van brandstof kan brandwonden bij u of anderen en materiële schade veroorzaken.
Zie Brandstof tanken voor een volledige lijst van voorzorgsmaatregelen met betrekking tot brandstof.
| Onderhoudsinterval | Onderhoudsprocedure |
|---|---|
| Om de 50 bedrijfsuren |
|
Parkeer de machine op een horizontaal oppervlak, schakel de aftakas uit en stel de parkeerrem in werking.
Zet de motor af, verwijder het contactsleuteltje en wacht totdat alle bewegende onderdelen tot stilstand zijn gekomen voordat u de bestuurderspositie verlaat.
Plaats een opvangbak onder het brandstoffilter/de waterafscheider.
Open de aftapplug op de waterafscheider ongeveer één slag om water en andere verontreinigingen weg te laten lopen (Figuur 45).

Sluit de aftapplug als er enkel dieselbrandstof naar buiten komt.
Important: Water of andere verontreinigingen in brandstof kunnen de brandstofpomp en/of andere onderdelen van de motor beschadigen.
| Onderhoudsinterval | Onderhoudsprocedure |
|---|---|
| Om de 400 bedrijfsuren |
|

| Onderhoudsinterval | Onderhoudsprocedure |
|---|---|
| Om de 400 bedrijfsuren |
|
Inspecteer de brandstofleidingen op slijtage, beschadigingen, afgeschuurde plekken of loszittende verbindingen.
Koppel de accu af voordat u reparaties aan de machine verricht. Maak eerst de minpool van de accu los en daarna de pluspool. Bevestig eerst de pluspool van de accu en daarna de minpool.
Laad de accu op in een open, goed geventileerde ruimte, uit de buurt van vonken en open vuur. Haal de oplader uit het stopcontact voordat u de accu aan- of loskoppelt. Draag beschermende kleding en gebruik geïsoleerd gereedschap.
Accuzuur bevat zwavelzuur; deze stof is dodelijk bij inname en veroorzaakt ernstige brandwonden.
U mag accuzuur nooit inslikken en moet elk contact met huid, ogen of kleding vermijden. Draag een veiligheidsbril en rubberhandschoenen om uw ogen en handen te beschermen.
Accupolen of metalen gereedschappen kunnen kortsluiting maken met metalen onderdelen van de machine, waardoor vonken kunnen ontstaan. Hierdoor kunnen accugassen tot ontploffing komen en lichamelijk letsel veroorzaken.
Zorg ervoor dat bij het verwijderen of installeren van de accu de accupolen niet in aanraking komen met metalen onderdelen van de machine.
Voorkom dat metalen gereedschappen kortsluiting veroorzaken tussen de accupolen en metalen onderdelen van de machine.
Als de accukabels verkeerd worden verbonden, kan dit schade aan de machine en de kabels tot gevolg hebben en vonken veroorzaken. Hierdoor kunnen accugassen tot ontploffing komen en lichamelijk letsel veroorzaken.
Maak altijd de minkabel (zwart) van de accu los voordat u de pluskabel (rood) losmaakt.
Sluit altijd de pluskabel (rood) van de accu aan voordat u de minkabel (zwart) aansluit.
Schakel de messchakelaar (aftakas) uit, zet de rijhendels in de VERGRENDELDE NEUTRAALSTAND en stel de parkeerrem in werking.
Zet de motor af, verwijder het contactsleuteltje en wacht totdat alle bewegende onderdelen tot stilstand zijn gekomen voordat u de bestuurderspositie verlaat.
Ontgrendel de stoel en kantel deze omhoog.
Verwijder de accu zoals getoond in Figuur 47.

Note: Plaats de accu in een bak met de accupolen van de hydraulische tank weg.

| Onderhoudsinterval | Onderhoudsprocedure |
|---|---|
| Maandelijks |
|
Bij het opladen produceert de accu gassen die tot ontploffing kunnen komen.
Rook nooit in de buurt van de accu en zorg ervoor dat er geen vonken of vlammen vlakbij de accu komen.
Important: Zorg ervoor dat de accu altijd volledig geladen is (soortelijk gewicht 1.265). Dit is vooral belangrijk om beschadiging van de accu te voorkomen bij temperaturen beneden 0 °C.
Zorg ervoor dat de vuldoppen op de accu zijn geplaatst. Laad de accu 10 tot 15 minuten op bij 25 tot 30 A of 30 minuten bij 10 A.
Zodra de accu volledig is opgeladen, haalt u de acculader uit het stopcontact en maakt u vervolgens de oplaadkabels los van de accuklemmen (Figuur 49).
Monteer de accu in de machine en sluit de accukabels aan; zie Accu monteren.
Note: Gebruik de machine nooit wanneer de accu is losgekoppeld; dit kan beschadigingen aan het elektrische systeem tot gevolg hebben.

De elektrische installatie is beveiligd door middel van zekeringen. Deze behoeven geen onderhoud. Als er een zekering is doorgebrand, moet u echter het onderdeel of circuit controleren op defecten of kortsluiting.
Maak de motorkap open om toegang te krijgen tot de zekeringhouder.
Om een zekering te vervangen, trekt u de zekering omhoog.
Monteer een nieuwe zekering (Figuur 50).

| Onderhoudsinterval | Onderhoudsprocedure |
|---|---|
| Bij elk gebruik of dagelijks |
|
Controleer de veiligheidsgordel op slijtage en sneden en controleer de juiste werking van het terugtreksysteem en de sluiting. Vervang de veiligheidsgordel als deze is beschadigd.
Schakel de messchakelaar (aftakas) uit.
Rijd naar een open, vlak gebied en zet de rijhendels in de VERGRENDELDE NEUTRAALSTAND.
Zet de gashendel halverwege tussen LANGZAAM en SNEL.
Zet beide rijhendels helemaal vooruit tot aan de aanslag in de T-sleuf.
Controleer de sporing van de machine.
Stel de parkeerrem in werking, zet de motor af en verwijder het sleuteltje.
Pas indien nodig de aanslagplaten aan.
Als de machine een afwijking naar rechts heeft, draai dan de bouten los en breng de linker aanslagplaat naar achteren op de linker T-sleuf tot de machine recht rijdt (Figuur 51).
Als de machine een afwijking naar links heeft, draai dan de bouten los en breng de rechter aanslagplaat naar achteren op de rechter T-sleuf tot de machine recht rijdt (Figuur 51).
Zet de aanslagplaat vast (Figuur 51).

Zet de hendels in de lengterichting door deze naar elkaar in de NEUTRAALSTAND te brengen. Schuif de hendels tot ze op één lijn staan en draai vervolgens de bouten vast (Figuur 52).

Als ze moeten worden uitgelijnd, moet u de 2 montagebouten van de rijhendel aan de slecht uitgelijnde kant losmaken (Figuur 53).

Verplaats de rijhendel zodat deze overeenkomt met de tegenoverliggende kant.
Maak de 2 montagebouten van de rijhendel vast (Figuur 53).
| Onderhoudsinterval | Onderhoudsprocedure |
|---|---|
| Om de 50 bedrijfsuren |
|
Aanbevolen bandenspanning achteraan: 1,24 bar.
Note: De zwenkwielbanden zijn semi-pneumatisch en hoeven niet op spanning te worden gehouden.
Een te lage bandenspanning vermindert de zijdelingse stabiliteit van de machine op hellingen. Hierdoor kan de machine omkantelen, waardoor lichamelijk of dodelijk letsel kan ontstaan.
Pomp de banden niet te zacht op.
Controleer de bandenspanning van de achterbanden. Pomp de banden op of laat lucht ontsnappen totdat de banden de juiste spanning hebben.
Important: Zorg ervoor dat alle banden steeds voldoende bandenspanning hebben; hierdoor kan de machine optimale maaiprestaties leveren en goed functioneren.Controleer de luchtdruk in alle banden voordat u de machine gebruikt.

| Onderhoudsinterval | Onderhoudsprocedure |
|---|---|
| Na de eerste 100 bedrijfsuren |
|
Draai de wielmoeren vast met een torsie van 115 tot 142 N·m.
| Onderhoudsinterval | Onderhoudsprocedure |
|---|---|
| Om de 500 bedrijfsuren |
|
Parkeer de machine op een horizontaal oppervlak, schakel de aftakas uit en stel de parkeerrem in werking.
Zet de motor af, verwijder het contactsleuteltje en wacht totdat alle bewegende onderdelen tot stilstand zijn gekomen voordat u de bestuurderspositie verlaat.
Verwijder de stofkap van het zwenkwiel en draai de borgmoer aan (Figuur 55).
Draai de borgmoer aan totdat de veerringen vlak liggen, en draai deze vervolgens een ¼ slag terug om de voorspanning op de lagers correct af te stellen (Figuur 55).
Important: Zorg ervoor dat de veerringen goed zijn geplaatst, zoals getoond in Figuur 55.
Plaats de stofkap (Figuur 55).

| Onderhoudsinterval | Onderhoudsprocedure |
|---|---|
| Om de 50 bedrijfsuren |
|
Gebruik SAE 75W–90 synthetische tandwielolie.
Parkeer de machine op een horizontaal vlak en stel de parkeerrem in werking.
Laat het maaidek zakken tot een maaihoogte van 25 mm.
Schakel de aftakasschakelaar uit, zet de motor uit, verwijder het contactsleuteltje en wacht totdat alle bewegende onderdelen tot stilstand zijn gekomen voordat u de bestuurderspositie verlaat.
Til de voetsteun omhoog zodat de bovenkant van het maaidek zichtbaar is.
Verwijder de peilstok/vulplug op de bovenkant van de tandwielkast en controleer of het peil van de tandwielolie tussen de markeringen op de peilstok staat (Figuur 56).

Als het oliepeil te laag is, vult u voldoende olie bij totdat het peil tussen de markeringen op de peilstok staat.
Important: Giet de tandwielkast niet te vol, anders kan deze beschadigd raken.
| Onderhoudsinterval | Onderhoudsprocedure |
|---|---|
| Na de eerste 200 bedrijfsuren |
|
| Om de 400 bedrijfsuren |
|
Als de vloeistof verontreinigd raakt, moet u contact opnemen met uw Toro verdeler omdat het systeem dient te worden schoongespoeld. Verontreinigde hydraulische vloeistof ziet er in vergelijking met schone vloeistof melkachtig of zwart uit.
Parkeer de machine op een horizontaal vlak en stel de parkeerrem in werking.
Laat het maaidek zakken tot een maaihoogte van 25 mm.
Schakel de aftakasschakelaar uit, zet de motor uit, verwijder het contactsleuteltje en wacht totdat alle bewegende onderdelen tot stilstand zijn gekomen voordat u de bestuurderspositie verlaat.
Til de voetsteun omhoog zodat de bovenkant van het maaidek zichtbaar is.
Verwijder de peilstok/vulplug op de bovenkant van de tandwielkast en controleer of het peil van de tandwielolie tussen de markeringen op de peilstok staat (Figuur 56).
Verwijder de olie via de vulopening met een vacuümapparaat of verwijder de tandwielkast van het maaidek en giet de olie in een opvangbak.
Monteer de tandwielkast (als deze was verwijderd om olie te laten uitlopen).
Vul de tandwielkast met ongeveer 420 ml, totdat het peil tussen de markeringen op de peilstok staat.
Important: Giet de tandwielkast niet te vol, anders kan deze beschadigd raken.
Motorkoelvloeistof inslikken kan vergiftiging veroorzaken; buiten het bereik van kinderen en huisdieren houden.
Als u hete, onder druk staande koelvloeistof over u heen krijgt of in aanraking komt met een hete radiateur of omliggende delen, kunt u ernstige brandwonden oplopen.
Laat de motor altijd minstens 15 minuten afkoelen voordat u de radiateurdop losdraait.
Gebruik een doek als u de radiateurdop verwijdert en draai de dop langzaam open om de stoom te laten ontsnappen.
| Onderhoudsinterval | Onderhoudsprocedure |
|---|---|
| Bij elk gebruik of dagelijks |
|
Aanbevolen koelvloeistof: een oplossing die half uit water, half uit permanente ethyleenglycol-antivries bestaat
Inhoud koelsysteem: 7,6 liter
Parkeer de machine op een horizontaal oppervlak, schakel de aftakas uit en stel de parkeerrem in werking.
Zet de motor af, verwijder het contactsleuteltje en wacht totdat alle bewegende onderdelen tot stilstand zijn gekomen voordat u de bestuurderspositie verlaat.
De motorkap openen.
Controleer het koelvloeistofpeil in de expansietank (Figuur 57).
Note: Het koelvloeistofpeil behoort tussen de markeringen op de zijkant van de tank te staan.

Als het koelvloeistofpeil te laag is, verwijdert u de dop van de expansietank en vult u bij met de gespecificeerde koelvloeistof (Figuur 57).
Important: Niet te vol vullen.
Plaats de dop van de expansietank terug.
Sluit de motorkap.
| Onderhoudsinterval | Onderhoudsprocedure |
|---|---|
| Om de 50 bedrijfsuren |
|
Reinig de radiateur om te voorkomen dat de motor oververhit raakt.
Note: Als het maaidek of de motor wordt uitgeschakeld ten gevolge van oververhitting moet u controleren of er een buitensporig grote hoeveelheid aangekoekt vuil op het radiateurscherm zit.
Parkeer de machine op een horizontaal oppervlak, schakel de aftakas uit en stel de parkeerrem in werking.
Zet de motor af, verwijder het contactsleuteltje en wacht totdat alle bewegende onderdelen tot stilstand zijn gekomen voordat u de bestuurderspositie verlaat.
Draai de motorkap naar voren.
Blaas afval dat vastzit tussen de vinnen van de volledige radiateur uit m.b.v. perslucht, zowel van de bovenkant naar beneden als van de onderkant naar boven.
Als er afval blijft vastzitten, kan het nodig zijn om water te gebruiken van een lagedrukslang.
Ga naar stap 7 als de radiateur schoon is.
Bedek de motor met een stuk karton of een stuk plastic. Spuit water door de vinnen. Blaas erdoor met lagedruklucht van beide richtingen.
Note: Indien er afval blijft vastzitten, moet u deze procedure herhalen tot de radiateur schoon is.
Laat de motorkap zakken.
Start de motor om te controleren of de ventilator goed werkt.
| Onderhoudsinterval | Onderhoudsprocedure |
|---|---|
| Om de 2000 bedrijfsuren |
|
Parkeer de machine op een horizontaal oppervlak, schakel de aftakas uit en stel de parkeerrem in werking.
Zet de motor af, verwijder het contactsleuteltje en wacht totdat alle bewegende onderdelen tot stilstand zijn gekomen voordat u de bestuurderspositie verlaat.
Draai de motorkap naar voren.
Laat de koelvloeistof weglopen wanneer de motor koud is.
Verwijder de radiateurdop, plaats een opvangbak onder de radiateur en verwijder de aftapplug aan de onderkant van de radiateur.
Verwijder de koelvloeistofslang van de oliekoeler en laat de koelvloeistof weglopen van het motorblok (Figuur 58).

Plaats de aftappluggen en slangen terug.
Vul de radiateur met een oplossing die half uit water en half uit ethyleenglycol bestaat.
Note: Het gebruik van Havoline® Xtended Life koelvloeistof is aanbevolen.
Laat wat ruimte (ongeveer 12,7 mm) voor expansie. Vul de overloopfles met dit 50/50 koelvloeistofmengsel aan de linkerkant van de motor indien nodig om het peil te brengen naar de streep op de fles.
Laat de motor draaien tot de thermostaat van de motor opent en de koelvloeistof circuleert door de kern van de radiateur.
Naarmate de lucht uit het motorblok wordt verwijderd en het peil van de koelvloeistof zakt, moet u de radiateur vullen met extra koelvloeistof.
Wanneer de radiateur volledig vol is en er geen koelvloeistof meer kan worden bijgevuld, laat de motor dan blijven draaien en monteer de radiateurdop.
Zorg ervoor dat de dop volledig vastzit door hem stevig naar beneden te drukken terwijl u draait, tot de dop stopt. Zodra de dop geplaatst is, schakelt u de motor uit.
| Onderhoudsinterval | Onderhoudsprocedure |
|---|---|
| Na de eerste 100 bedrijfsuren |
|
| Om de 400 bedrijfsuren |
|
Controleer of de parkeerrem goed is afgesteld. Volg deze procedure ook wanneer u een onderdeel van de rem heeft verwijderd of vervangen.
Parkeer de machine op een horizontaal oppervlak, schakel de aftakas uit en stel de parkeerrem in werking.
Zet de motor af, verwijder het contactsleuteltje en wacht totdat alle bewegende onderdelen tot stilstand zijn gekomen voordat u de bestuurderspositie verlaat.
Breng de achterzijde van de machine omhoog en ondersteun de machine met assteunen.
Verwijder de achterbanden van de machine.
Verwijder eventueel vuil rond de rem.
Zet de aandrijfwielen vrij; raadpleeg De vrijgavehendels van de aandrijfwielen gebruiken.
Meet de lengte van de koppeling (Figuur 59).
Note: Indien de kloppeling is bevestigd in de voorste locatie, moet de lengte 219 mm bedragen. Indien de koppeling is bevestigd in de achterste locatie, moet de lengte 232 mm bedragen.

Meet de lengte van de veer (Figuur 59).
Note: De afstand moet 95 mm bedragen.
Wanneer u de juiste veerlengte bereikt, moet u controleren of er een zichtbare afstand is tussen de draaipen en de schouder.
Zet de parkeerrem vrij en draai de wielnaaf manueel in beide richtingen.
Note: Die wielnaaf dient vrij te kunnen bewegen.
Als de tussenruimte te klein is of de wielnaaf niet vrij kan bewegen, doet u het volgende:
Zet de parkeerrem vrij.
Maak de achterste koppeling los en stel deze af:
Kort de koppeling in om een tussenruimte te maken.
Maak de koppeling langer om de wielnaaf te laten bewegen.
Maak de achterste koppeling vast.
Schakel de parkeerrem in en controleer de tussenruimte.
Herhaal stap 10 tot en met 12 tot er een tussenruimte zichtbaar is en de wielnaaf vrij kan draaien. Herhaal deze procedure voor de andere kant.
Note: De rem moet volledig uitgeschakeld worden wanneer de rem in de vrijgezette stand staat.
Draai de vrijgavehendels van de aandrijfwielen naar de bedrijfsstand; zie De vrijgavehendels van de aandrijfwielen gebruiken.
Plaats de achterbanden en draai de wielmoeren aan met een torsie van 115 tot 142 N·m.
Haal de assteunen weg.
| Onderhoudsinterval | Onderhoudsprocedure |
|---|---|
| Om de 50 bedrijfsuren |
|
Vervang de riem als deze versleten is. Een aantal indicaties van een versleten riem: een gierend geluid tijdens het draaien van de riem, de messen die slippen tijdens het maaien, gerafelde randen en schroeiplekken en scheuren op de riem.
Tekenen dat een riem aan het slijten is, zijn: gieren tijdens het draaien van de riem, slippen van de messen tijdens het maaien, gerafelde randen, schroeiplekken en scheuren. Vervang de riem als u deze zaken constateert.
Parkeer de machine op een horizontaal oppervlak, schakel de aftakas uit en stel de parkeerrem in werking.
Zet de motor af, verwijder het contactsleuteltje en wacht totdat alle bewegende onderdelen tot stilstand zijn gekomen voordat u de bestuurderspositie verlaat.
Breng het maaidek omlaag naar een maaihoogte 76 mm.
De drijfriemkappen verwijderen.
Gebruik een ratelsleutel in de vierkante opening in de arm van de spanpoelie om de druk op de veer te verminderen (Figuur 60).
Verwijder de riem van de poelie van het maaidek.
Leg de nieuwe riem rond de maaipoelies (Figuur 60).

Zorg ervoor dat de uiteinden van de veer zich in de ankergroeven bevinden. Gebruik de ratelsleutel in de vierkante opening om de riem rond de spanpoelie te leggen (Figuur 60).
Plaats de drijfriemkappen terug.
| Onderhoudsinterval | Onderhoudsprocedure |
|---|---|
| Om de 100 bedrijfsuren |
|
Druk met een kracht van 44 N halverwege tussen de poelies op de riem.
Als de speling niet correct is (en dus geen 10 mm bedraagt), moet u de montagebouten van de wisselstroomdynamo losdraaien (Figuur 61).

Pas de riemspanning van de wisselstroomdynamo aan.
Draai de montagebouten vast.
Controleer nogmaals de speling van de riem om zeker van te zijn dat de spanning correct is.
Er zijn twee standen voor de bedieningshendels: hoog en laag. Verwijder de bouten om de hoogte aan te passen voor de bestuurder.
Parkeer de machine op een horizontaal oppervlak, schakel de aftakas uit en stel de parkeerrem in werking.
Zet de motor af, verwijder het contactsleuteltje en wacht totdat alle bewegende onderdelen tot stilstand zijn gekomen voordat u de bestuurderspositie verlaat.
Draai de bouten en flensmoeren van de hendels los (Figuur 62).
Zet de hendels in de lengterichting door deze naar elkaar in de NEUTRAALSTAND te brengen. Schuif de hendels tot ze op één lijn staan en draai vervolgens de bouten vast (Figuur 63).


Als de uiteinden van de hendels elkaar raken, raadpleeg dan Rijhendelmechanisme afstellen.
Herhaal de procedure om de rijhendels af te stellen.
De mechanismen van de pompbediening bevinden zich aan beide zijden van de machine onder de stoel. Draai aan de eindmoer met een dopsleutel van ½" om de machine nauwkeurig af te stellen zodat deze niet beweegt in de neutraalstand. Eventuele aanpassingen moet alleen voor de neutraalstand worden uitgevoerd.
Om het rijhendelmechanisme af te stellen, moet u de motor laten draaien en de aandrijfwielen draaien. Contact met bewegende onderdelen of hete oppervlakken kan lichamelijk letsel veroorzaken.
Houd uw vingers, handen en kleding uit de buurt van draaiende onderdelen en hete oppervlakken.
Parkeer de machine op een horizontaal oppervlak, schakel de aftakas uit en stel de parkeerrem in werking.
Zet de motor af, verwijder het contactsleuteltje en wacht totdat alle bewegende onderdelen tot stilstand zijn gekomen voordat u de bestuurderspositie verlaat.
Druk het maaidekpedaal in, verwijder de maaihoogtepen en laat het maaidek neer op de grond.
Breng de achterkant van de machine omhoog en plaats deze op assteunen (of een gelijkwaardige ondersteuning), net hoog genoeg om de aandrijfwielen vrij te laten ronddraaien.
Verwijder de elektrische aansluiting van de veiligheidsschakelaar die zich onder het onderste kussen van de stoel bevindt.
Note: De schakelaar maakt onderdeel uit van de stoelconstructie.
Koppel tijdelijk een startkabel aan op de polen van de connector van de hoofdkabelboom.
Start de motor, laat deze op vol gas lopen en schakel de parkeerrem uit.
Note: Zorg dat de parkeerrem in werking is gesteld en de rijhendels naar buiten staan voordat u de motor start. U hoeft niet op de stoel te zitten.
Laat de machine minimaal 5 minuten draaien met de rijhendels op volledige snelheid vooruit om de hydraulische vloeistof op bedrijfstemperatuur te brengen.
Note: De rijhendels moeten in de neutraalstand staan als u afstellingswerkzaamheden uitvoert.
Zet de rijhendels in de NEUTRAALSTAND.
Pas de lengte van de stang aan door de dubbele moeren op de stang in de juiste richting te draaien tot de wielen gaan kruipen in de achteruitstand (Figuur 64).

Zet de rijhendels in de ACHTERUITSTAND en oefen lichte druk uit op de hendel zodat de veren de hendels terugduwen in de neutraalstand.
Note: De wielen moeten ophouden met draaien of langzaam kruipen in de achteruitstand.
Schakel de machine uit.
Maak de verbindingsdraad los van de stekker van de kabelboom en sluit de stekker aan op de stoelschakelaar.
Haal de assteunen weg.
Breng het maaidek omhoog en plaats de maaihoogtepen.
Controleer en zorg dat de machine niet kruipt in de neutraalstand als de parkeerrem vrij is gezet.
U kunt de bovenste montagebout van de demper afstellen om de gewenste weerstand van de rijhendel te verkrijgen. Zie Figuur 65 voor de montageopties.

Waarschuw onmiddellijk een arts als er hydraulische vloeistof is geïnjecteerd in de huid. Geïnjecteerde vloeistof moet binnen enkele uren operatief worden verwijderd door een arts.
Controleer of alle hydraulische slangen en leidingen in goede staat verkeren en alle hydraulische aansluitingen en fittings stevig vastzitten voordat u druk zet op het hydraulische systeem.
Houd lichaam en handen uit de buurt van kleine lekgaten of spuitmonden waaruit onder hoge druk hydraulische vloeistof ontsnapt.
U kunt lekken in het hydraulische systeem opsporen met behulp van karton of papier.
Hef alle druk in het hydraulische systeem op veilige wijze op, voordat u werkzaamheden gaat verrichten aan het hydraulische systeem.
Capaciteit hydraulische tank: 15,1 liter
Aanbevolen vloeistof: Toro Premium transmissie-/hydraulische tractorvloeistof (verkrijgbaar in emmers van 19 liter of vaten van 208 liter. Raadpleeg de Onderdelencatalogus of neem contact op met een erkende Toro verdeler voor onderdeelnummers.)
Andere vloeistoffen: Als er geen Toro vloeistof verkrijgbaar is, kan Mobil® 424 hydraulische vloeistof worden gebruikt.
Note: Toro aanvaardt geen enkele aansprakelijkheid voor schade die wordt veroorzaakt door gebruik van verkeerde vervangende vloeistoffen.
Note: Veel hydraulische vloeistoffen zijn bijna kleurloos, zodat het moeilijk is lekkages op te sporen. Er is een rode kleurstof voor de vloeistof in het hydraulisch systeem verkrijgbaar in flesjes van 20 ml. 1 flesje is voldoende voor 15 tot 22 liter hydraulische vloeistof. Bestel onderdeelnummer 44-2500 bij uw erkende Toro-dealer.
| Onderhoudsinterval | Onderhoudsprocedure |
|---|---|
| Bij elk gebruik of dagelijks |
|
Controleer het peil van de hydraulische vloeistof voordat u de motor voor de eerste keer start en daarna dagelijks.
Parkeer de machine op een horizontaal oppervlak, schakel de aftakas uit en stel de parkeerrem in werking.
Zet de rijhendels in de VERGRENDELDE NEUTRAALSTAND en start de motor.
Note: Laat de motor lopen bij het laagst mogelijke toerental om lucht uit het systeem te verwijderen.
Important: Schakel de aftakas niet in.
Breng het maaidek omhoog om de hefcilinders naar buiten te schuiven, zet de motor af en verwijder het sleuteltje.
Til de stoel omhoog om toegang te krijgen tot de hydraulische tank.
Verwijder de dop van de hydraulische tank (Figuur 66).

Verwijder de peilstok en veeg deze af met een schone doek (Figuur 66).
Steek de peilstok in de vulbuis, haal hem er vervolgens weer uit en controleer het vloeistofpeil (Figuur 67).
Note: Als het peil niet tussen de markeringen op de peilstok staat, moet u voldoende hoogwaardige hydraulische vloeistof bijvullen totdat het peil binnen die markeringen komt te staan.
Important: Niet te vol vullen.

Plaats de peilstok terug en schroef de vuldop met de hand vast op de vulbuis.
Controleer alle slangen en aansluitingen op lekkages.
| Onderhoudsinterval | Onderhoudsprocedure |
|---|---|
| Na de eerste 200 bedrijfsuren |
|
| Om de 400 bedrijfsuren |
|
| Om de 800 bedrijfsuren |
|
Schakel de aftakas uit, zet de rijhendels in de VERGRENDELDE NEUTRAALSTAND en stel de parkeerrem in werking.
Zet de gashendel in de stand LANGZAAM, schakel de motor uit, verwijder het contactsleuteltje en wacht totdat alle bewegende delen tot stilstand zijn gekomen voordat u de bestuurdersstoel verlaat.
Zet de stoel omhoog.
Plaats een grote opvangbak onder het hydraulische reservoir, de versnellingskast en de linker en rechter wielmotor (Figuur 68).

Verwijder de aftappluggen van elke zone en laat de hydraulische vloeistof weglopen (Figuur 68).
Reinig de omgeving van het hydraulische filter en verwijder het filter (Figuur 68).
Monteer een nieuw hydraulisch filter en draai het filter rechtsom totdat de rubberen afdichting de filteradapter raakt, draai het filter dan nog ⅔ tot ¾ slag aan.
Plaats de 4 aftapplugs.
Note: De aftappluggen van de wielmotor zijn magnetisch; veeg ze schoon voordat u ze plaatst.
Verwijder de plug van de vulopening aan de bovenkant van elke wielmotor (Figuur 69).
Vul elke wielmotor met ongeveer 1,4 liter Toro Premium transmissie-/hydraulische tractorvloeistof.
Monteer de pluggen van de vulopening.

Verwijder de reservoirdop en de peilstok uit de hydraulische vloeistoftank.
Voeg 7,6 liter vloeistof toe aan het reservoir.
Breng de achterkant van de machine omhoog en plaats deze op assteunen (of een gelijkwaardige ondersteuning) totdat de aandrijfwielen vrij kunnen ronddraaien.
Start de motor en controleer of er lekken zijn.
Laat de motor ongeveer 5 minuten lopen en zet deze daarna af.
Controleer na 2 minuten het peil van de hydraulische vloeistof; zie Het peil van de hydraulische vloeistof controleren.
Controleer op gezette tijden de maaimessen op slijtage of beschadigingen.
Wees voorzichtig als u de messen controleert. Omwikkel de maaimessen of draag handschoenen en wees voorzichtig als u onderhoudswerkzaamheden aan de maaimessen verricht. De maaimessen mogen alleen worden vervangen of geslepen, probeer ze nooit recht te maken of er aan te lassen.
Let op dat bij machines met meerdere maaimessen andere messen kunnen gaan draaien doordat u één mes draait.
Vervang versleten of beschadigde messen en bouten altijd als complete set om een goede balans te behouden.
Om een goed maairesultaat te verkrijgen, moet u de maaimessen scherp houden. Om het slijpen en vervangen te vergemakkelijken, is het handig extra messen in voorraad te hebben.
Parkeer de machine op een horizontaal oppervlak, schakel de aftakas uit en stel de parkeerrem in werking.
Zet de motor af, verwijder het contactsleuteltje en wacht totdat alle bewegende onderdelen tot stilstand zijn gekomen voordat u de bestuurderspositie verlaat.
| Onderhoudsinterval | Onderhoudsprocedure |
|---|---|
| Bij elk gebruik of dagelijks |
|
Controleer de snijranden (Figuur 70).
Als de randen niet scherp zijn of bramen vertonen, moet u het maaimes verwijderen en slijpen; zie De maaimessen slijpen.
Controleer de messen, in het bijzonder het gebogen deel.
Als u scheuren, slijtage of groefvorming in dit deel constateert, moet u direct een nieuw mes monteren (Figuur 70).

Note: De machine moet op een egaal oppervlak staan voor de volgende procedure.
Zet het maaidek op de hoogste maaipositie.
Trek dikke handschoenen of andere adequate handbescherming aan en draai langzaam het mes in een stand die meting mogelijk maakt van de afstand tussen de maairand en het egale oppervlak waarop de machine staat (Figuur 71).

Meet de afstand tussen het uiteinde van het mes en de vlakke ondergrond (Figuur 72).

Draai hetzelfde mes 180 graden, zodat de maairand aan de andere kant nu in dezelfde stand staat (Figuur 73).

Meet de afstand tussen het uiteinde van het mes en de vlakke ondergrond (Figuur 74).
Note: De speling mag niet meer dan 3 mm bedragen.

Als het verschil tussen A en B groter is dan 3 mm, vervang dan het mes door een nieuw mes; zie De maaimessen verwijderen en De maaimessen monteren.
Note: Als een krom mes is vervangen door een nieuw mes en de afstand nog altijd groter is dan 3 mm, dan is het mogelijk dat de mesas verbogen is. Neem contact op met een erkende onderhoudsdealer voor service.
Ga als het verschil binnen de grenzen ligt door met het volgende mes.
Herhaal deze procedure op elk mes.
Vervang messen die een vast voorwerp hebben geraakt of uit balans of krom zijn.
Zet een momentsleutel op de platte kant van de spilas of pak het uiteinde van het mes vast met een doek of een dikke handschoen.
Verwijder de mesbout, de lagerbus en het mes van de spilas (Figuur 75).

Gebruik een vijl om de snijranden aan beide uiteinden van het mes te slijpen (Figuur 76).
Note: Houd daarbij de oorspronkelijke hoek in stand.
Note: Het mes blijft in balans als u van beide snijranden dezelfde hoeveelheid materiaal verwijdert.

Controleer de balans van het mes met een mesbalans (Figuur 77).
Note: Als het mes horizontaal blijft, is het in balans en geschikt voor gebruik.
Note: Als het mes niet in balans is, moet u wat metaal afvijlen van het uiteinde van de vleugel (Figuur 76).

Herhaal dit indien nodig totdat het mes in balans is.
Monteer de lagerbus door het mes met de flens van de lagerbus op de onderste kant van het mes (Figuur 78).

Monteer de lagerbus en het mes in de spilas (Figuur 79).

Breng indien nodig smeermiddel op basis van koper of vet aan op de schroefdraden van de mesbout om te voorkomen dat deze vast komt te zitten. Draai de mesbout met de hand vast.
Plaats een momentsleutel op de platte kant van de spilas en draai de mesbout vast met een torsie van 75 tot 81 N·m.
Note: Zorg ervoor dat het maaidek horizontaal staat voordat u de maaihoogte instelt.
Parkeer de machine op een horizontaal oppervlak, schakel de aftakas uit en stel de parkeerrem in werking.
Zet de motor af, verwijder het contactsleuteltje en wacht totdat alle bewegende onderdelen tot stilstand zijn gekomen voordat u de bestuurderspositie verlaat.
Controleer de bandenspanning van de aandrijfbanden.
Pomp indien nodig de banden op tot 1,24 bar.
Gebruik de hefschakelaar en verplaats de maaidekhoogte uit de transportstand (maaihoogte van 140 mm).

Plaats de pen voor de maaihoogte in de opening voor de maaihoogtestand van 76 mm.
Ontgrendel de transportvergrendeling en laat het dek zakken tot de gewenste maaihoogte.
Meet de afstand van het horizontaal oppervlak tot de voorste rand van het middelste mes (Figuur 81).
Note: De afstand moet 76 mm bedragen..
In de meeste omstandigheden dienen de achterste randen van de zijmessen gelijk te zijn met de voorkant.

U kunt de stelmoer op de hefinrichting van het voorste maaidek draaien om deze nog nauwkeuriger in te stellen (Figuur 82).
Note: Om te verhogen draait u de stelschroef rechtsom en om te verlagen draait u de stelschroef linksom.
Note: Als het afstellingsbereik van de koppelingen van het voorste maaidek niet voldoende is om de maaihoogte goed in te stellen, kunt u de enkelpuntsafstelling gebruiken om de afstelling nauwkeurig uit te voeren.

Meet de hoogte van de rand van het achterste maaimes. Stel de achterste afstellerschroeven indien nodig nauwkeuriger in; gebruik de enkelpuntsafstelling om de afstelling nauwkeurig uit te voeren.
De achterste randen van de zijmessen dienen 76 mm te meten.
Meet en pas aan tot alle 4 zijden op de juiste hoogte zijn ingesteld. Draai alle moeren van de hefarmen vast.
Indien de 4 maaidekafstelschroeven niet genoeg afgesteld zijn om de juiste maaihoogte te bereiken met de gewenste hellingshoek, kunt u het enkelpuntssysteem afstellen (Figuur 83).

Om het enkelpuntssysteem af te stellen, moet u eerst de voorste en achterste montagebout van de maaihoogteplaat losmaken (Figuur 83).
Note: Het maaidek wordt in de fabriek bevestigd in de voorste gaten (Figuur 84). Gebruik indien nodig de achterste gaten voor verdere afstelling wanneer u het maaidek horizontaal stelt.

Als het maaidek te laag is, draai dan de stelbout van het enkelpuntssysteem vast door deze rechtsom te draaien. Als het maaidek te hoog is, draai dan de stelbout van het enkelpuntssysteem los door deze linksom te draaien (Figuur 85).
Note: Draai de stelbout van het enkelpuntssysteem losser of vaster tot de montagebouten van de maaihoogteplaat ten minste ⅓ van de lengte in de sleuven kunnen bewegen. Hierdoor ontstaat er ruimte voor de hoogteafstelling op de 4 maaidekkoppelingen.

Draai de 2 bouten aan de onderzijde van de maaihoogteplaat vast (Figuur 83).
Note: In de meeste omstandigheden moet u de mespunt aan de achterzijde 6,4 mm hoger instellen dan de voorzijde.
Draai de 2 bouten vast met een torsie van 91 tot 113 N·m.
Meet en pas aan tot alle 4 zijden op de juiste hoogte zijn ingesteld. Draai alle moeren van de hefarmen vast.
| Onderhoudsinterval | Onderhoudsprocedure |
|---|---|
| Bij elk gebruik of dagelijks |
|
Important: U mag de motor niet met water schoonmaken. Gebruik perslucht onder lage druk. Zie de gebruikershandleiding van de motor.
Parkeer de machine op een horizontaal oppervlak, schakel de aftakas uit en stel de parkeerrem in werking.
Zet de motor af, verwijder het contactsleuteltje en wacht totdat alle bewegende onderdelen tot stilstand zijn gekomen voordat u de bestuurderspositie verlaat.
Maak schoon rond het vliegwiel, de cilinderkop, de injectoren en de injectiepomp.
Verwijder al het vuil van de omgeving van het uitlaatsysteem.
Veeg overtollig vet of olie rond de motor en het gebied van de uitlaat weg.
| Onderhoudsinterval | Onderhoudsprocedure |
|---|---|
| Bij elk gebruik of dagelijks |
|
Parkeer de machine op een horizontaal oppervlak, schakel de aftakas uit en stel de parkeerrem in werking.
Zet de motor af, verwijder het contactsleuteltje en wacht totdat alle bewegende onderdelen tot stilstand zijn gekomen voordat u de bestuurderspositie verlaat.
Verwijder olie, vervuiling en gras als dit op de machine en het maaidek is opgebouwd, vooral onder de schermen van de maaidekriem, rond de brandstoftank, de motor en bij de uitlaat.
Breng het maaidek omhoog in de TRANSPORTSTAND.
Verwijder grasophopingen aan de onderkant van het maaidek.
Motorolie, accu's, hydraulische vloeistof en motorkoelvloeistof verontreinigen het milieu. Verwijder deze stoffen volgens de plaatselijke voorschriften.
Zet de motor af, verwijder het contactsleuteltje en wacht totdat alle bewegende onderdelen tot stilstand zijn gekomen voordat u de bestuurderspositie verlaat. Laat de machine afkoelen voordat u deze afstelt, reinigt, stalt of er onderhoudswerkzaamheden aan verricht.
U mag de machine of de brandstof niet bewaren in de nabijheid van een open vuur, noch de brandstof binnenshuis of in een afgesloten aanhanger aftappen.
Sla de machine en de brandstofhouder niet op plaatsen waar open vlammen, vonken of waakvlammen (bv. van een boiler of andere toestellen) aanwezig kunnen zijn.
Schakel de messchakelaar (aftakas) uit en stel de parkeerrem in werking.
Zet de motor af, verwijder het contactsleuteltje en wacht totdat alle bewegende onderdelen tot stilstand zijn gekomen voordat u de bestuurderspositie verlaat.
Verwijder maaisel, vuil en vet van de buitenkant van de gehele machine, met name van de motor en het hydraulische systeem. Vuil en kaf van de buitenkant van de cilinder, de koelribben van de cilinderkop en het ventilatorbehuizing verwijderen.
Important: U kunt de machine met een mild reinigingsmiddel en water wassen. Was de machine nooit met een hogedrukreiniger. Gebruik niet te veel water, vooral niet in de buurt van het bedieningspaneel, de motor, de hydraulische pompen en de accu.
Controleer de werking van de parkeerrem; zie De parkeerrem afstellen.
Geef het luchtfilter een onderhoudsbeurt; zie Onderhoud van het luchtfilter.
Smeer de machine; zie Smering.
Ververs de olie in het carter; zie Motorolietype.
Controleer de bandenspanning; zie Bandenspanning controleren.
Vervang het hydraulische filter; zie Hydraulische vloeistof verversen en de filter vervangen.
Laad de accu op; zie De accu opladen.
Schraap dik aangekoekt gras en vuil van de onderkant van de maaimachine. Spoel vervolgens de machine schoon met een tuinslang.
Note: Laat de machine lopen met de aftakas ingeschakeld en de motor op hoog stationair gedurende 2 tot 5 minuten na het wassen.
Controleer de staat van de maaimessen; raadpleeg Onderhoud van de maaimessen.
Wanneer de machine langer dan 30 dagen niet wordt gebruikt, moet deze worden voorbereid op stalling. De machine wordt als volgt voorbereid op stalling:
Voeg een stabilizer/conditioner op aardoliebasis toe aan de brandstof in de tank. Volg de mengvoorschriften van de fabrikant van de stabilizer op. Gebruik geen stabilizer op alcoholbasis (ethanol of methanol).
Note: Stabilizer/conditioner werkt het best als het met verse brandstof wordt gemengd en altijd wordt gebruikt.
Laat de motor vijf minuten lopen om de stabilizer/conditioner door het brandstofsysteem te verspreiden.
Zet de motor af, laat deze afkoelen en laat de brandstoftank leeglopen.
Motor opnieuw starten en laten lopen totdat deze afslaat.
U moet brandstof op de juiste wijze afvoeren. Voer de brandstof af volgens de plaatselijk geldende voorschriften.
Important: Bewaar brandstof die stabilizer/conditioner bevat niet langer dan aanbevolen door de fabrikant van de stabilizer.
Controleer alle bouten, schroeven en moeren en draai deze vast. Repareer of vervang beschadigde delen.
Werk alle krassen en beschadigingen van de lak bij. Bijwerklak is verkrijgbaar bij een erkende servicedealer.
Stal de machine in een schone, droge garage of opslagruimte. Verwijder het sleuteltje uit het contact en bewaar het buiten het bereik van kinderen en onbevoegde personen. Dek de machine af om deze te beschermen en schoon te houden.
| Problem | Possible Cause | Corrective Action |
|---|---|---|
| De startmotor slaat niet aan. |
|
|
| De motor start niet, start moeilijk of slaat af. |
|
|
| De motor verliest vermogen. |
|
|
| De motor raakt oververhit. |
|
|
| De machine trekt naar links of naar rechts (met beide rijhendels volledig vooruit). |
|
|
| De machine drijft niet aan. |
|
|
| De machine trilt abnormaal. |
|
|
| De maaihoogte is ongelijk. |
|
|
| Messen draaien niet. |
|
|



