| Cadenza di manutenzione | Procedura di manutenzione |
|---|---|
| Prima di ogni utilizzo o quotidianamente |
|
Questo tosaerba a lame rotanti con operatore a bordo è pensato per l'utilizzo da parte di operatori professionisti del verde. Il suo scopo è quello di tagliare l'erba di prati ben tenuti di complessi residenziali o proprietà commerciali. L'utilizzo di questo prodotto per scopi non conformi alle funzioni per cui è stato concepito può essere pericoloso per voi e gli astanti.
Leggete attentamente il presente manuale al fine di utilizzare e mantenere correttamente il prodotto ed evitare infortuni e danni. Siete responsabili dell'utilizzo del prodotto in maniera corretta e sicura.
Visitate il sito www.Toro.com per ricevere materiali di formazione sulla sicurezza e il funzionamento dei prodotti, avere informazioni sugli accessori, ottenere assistenza nella ricerca di un rivenditore o registrare il vostro prodotto.
Per assistenza, ricambi originali Toro o ulteriori informazioni, rivolgetevi a un Distributore Toro autorizzato o ad un Centro Assistenza Toro ed abbiate sempre a portata di mano il numero del modello ed il numero di serie del prodotto. La Figura 1 indica la posizione del numero del modello e del numero di serie sul prodotto. Scrivete i numeri negli spazi previsti.
Important: Con il vostro dispositivo mobile potete scansionare il codice QR (se presente) sull’adesivo con il numero di serie per accedere alla garanzia, ai ricambi e ad altre informazioni sul prodotto.

Per evidenziare le informazioni vengono utilizzate due parole. Importante: indica informazioni meccaniche di particolare importanza; Nota: evidenzia informazioni generali di particolare rilevanza.
Il simbolo di avviso di sicurezza (Figura 2) compare sia in questo manuale sia sulla macchina per richiamare la vostra attenzione su importanti messaggi di sicurezza di cui dovrete seguire le indicazioni per evitare incidenti. Questo simbolo verrà accompagnato dalle parole Pericolo, Avvertenza o Attenzione.
Pericolo indica una situazione di pericolo imminente che, se non evitata, determina la morte o gravi infortuni.
Avvertenza indica una situazione di pericolo potenziale che, se non evitata, potrebbe determinare la morte o gravi infortuni.
Attenzione indica una situazione di pericolo potenziale che, se non evitata, potrebbe determinare la morte o lievi infortuni.

Costituisce una trasgressione al Codice delle Risorse Pubbliche della California, Sezione 4442 o 4443, utilizzare o azionare questo motore su terreno forestale, sottobosco o prateria a meno che non sia dotato di parascintille, come definito nella Sezione 4442, mantenuto in efficace stato di funzionamento, o a meno che il motore sia realizzato, attrezzato o mantenuto per la prevenzione di incendi.
Il manuale d'uso del motore allegato fornisce informazioni sull'Environmental Protection Agency (EPA) degli Stati Uniti e sul regolamento del Controllo delle Emissioni dello stato della California riguardante sistemi di emissione, manutenzione e garanzia. I ricambi possono essere ordinati tramite il produttore del motore.
Forza lorda o netta: La forza lorda o netta di questo motore è stata valutata in laboratorio dal produttore del motore in conformità alla norma SAE (Society of Automotive Engineers) J1940 o J2723. La configurazione rispondente ai requisiti di sicurezza, emissioni e funzionamento comporta una sensibile riduzione della coppia effettiva del motore di questa classe di tosaerba. Fate riferimento alle informazioni fornite dal produttore del motore fornite insieme alla macchina.
CALIFORNIA
Avvertenza norma "Proposition 65"
I gas di scarico dei motori Diesel e alcuni dei loro elementi costitutivi sono noti allo Stato della California come cancerogeni e responsabili di difetti congeniti ed altri problemi riproduttivi.
I poli delle batterie, i morsetti e gli accessori attinenti contengono piombo e relativi composti, sostanze chimiche che nello Stato della California sono considerate cancerogene e causa di anomalie della riproduzione. Lavate le mani dopo aver maneggiato la batteria.
L'utilizzo del presente prodotto potrebbe esporre a sostanze chimiche che nello Stato della California sono considerate cancerogene e causa di anomalie congenite o di altre problematiche della riproduzione.
Questo prodotto è in grado di amputare mani e piedi, e di scagliare oggetti. Rispettate sempre tutte le norme di sicurezza per evitare gravi lesioni personali o la morte.
Leggete e comprendete il contenuto di questo Manuale dell'operatore prima di avviare il motore.
Tenente gli astanti e i bambini a distanza.
Non lasciate che bambini o persone non addestrate utilizzino o effettuino interventi di manutenzione sulla macchina. Consentite l'utilizzo della macchina e l'esecuzione di interventi di manutenzione su di essa solo a persone responsabili, addestrate, che abbiano familiarità con le istruzioni e fisicamente capaci.
Tenete sempre il roll bar completamente alzato e bloccato, ed allacciate la cintura di sicurezza.
Non utilizzate la macchina in prossimità di scarpate, fossi, terrapieni o in presenza di acqua o altri pericoli, oppure su terreni con pendenza superiore a 15°.
Non infilate le mani o i piedi accanto alle parti in movimento della macchina.
Non utilizzate la macchina senza che tutti gli schermi, i microinterruttori e gli altri dispositivi di protezione siano in sede e funzionanti.
Spegnete il motore, rimuovete la chiave e attendete l’arresto di tutte le parti in movimento prima di lasciare la posizione dell’operatore. Lasciate raffreddare la macchina prima di eseguire interventi di riparazione, di regolazione, di rifornimento e di pulizia o di rimessarla.

![]() |
Gli adesivi di sicurezza e quelli con le istruzioni sono chiaramente visibili e sono affissi accanto a zone particolarmente pericolose. Sostituite eventuali adesivi danneggiati o mancanti. |


























Prima di avviare il motore e di utilizzare la macchina, familiarizzate con tutti i comandi.

Fate riferimento alla Guida software per informazioni dettagliate sull’interfaccia operatore che vi consente l’accesso alle informazioni, il resettaggio dei contatori, la modifica delle impostazioni del sistema e la risoluzione dei problemi dell’attrezzatura.

La schermata informativa mostra informazioni relative al funzionamento della macchina; fate riferimento alla Guida software per maggiori informazioni.
I pulsanti multifunzionali sono situati nella parte inferiore del pannello. Le icone visualizzate nella schermata informativa sopra i pulsanti indicano la funzione corrente. I pulsanti vi consentono di selezionare la velocità del motore e di navigare tra i menu del sistema.
Fate riferimento alla Guida software per maggiori informazioni.
La spia di stato LED è multicolore per indicare lo stato del sistema ed è situata sul lato destro del pannello. All’avvio, il LED si illumina passando dal rosso all’arancione al verde per verificare la funzionalità.
Verde fisso – indica una normale attività operativa
Rosso lampeggiante – indica un’anomalia in corso
Verde e arancione lampeggiante – indica che è necessario un resettaggio della frizione.
Fate riferimento alla Guida software per maggiori informazioni.
Se si verifica un errore, compare un messaggio di errore, il LED diventa rosso e l’allarme acustico si attiva nel seguente modo:
Un cinguettio rapido indica errori critici.
Un cinguettio lento indica errori meno critici, come intervalli di manutenzione o revisione previsti.
Note: All’avvio, l’allarme si attiva brevemente per verificare la funzionalità.
Fate riferimento alla Guida software per maggiori informazioni.
Il contaore registra il numero di ore di funzionamento del motore, e funziona quando il motore gira. Utilizzate questi tempi per la programmazione della manutenzione ordinaria (Figura 5).
Le ore sono mostrate nella schermata Motore spento o nel menu Contaore motore.
Fate riferimento alla Guida software per maggiori informazioni.
Utilizzate questo interruttore per avviare il motore. Presenta 3 posizioni: AVVIAMENTO, FUNZIONAMENTO e SPEGNIMENTO.
Note: Gli indicatori LCD compaiono quando ogni comando soddisfa la modalità “avvio sicuro” (per esempio, l’indicatore si accende quando siete sul sedile).
Note: La ECU del motore controlla le candelette durante gli avvi a freddo. Se la temperatura del refrigerante è troppo bassa, il simbolo della candela compare sul monitor e il motorino di avviamento non si avvia quando portate il motore in posizione AVVIAMENTO. Le candelette si attivano in posizione ACCESO o AVVIAMENTO. Quando la candela è stata attiva per un tempo sufficientemente lungo per la temperatura corrente, il simbolo della candela scompare sul monitor e il motore si avvia quando viene portato in posizione AVVIAMENTO.
Note: Il sistema vi consente di avviare la macchina con l’interruttore della PDF inserito, ma non innesta le lame. È necessario resettare la PDF per inserirla nuovamente.
L’acceleratore controlla la velocità del motore; ci sono 3 velocità: Massima, Efficace e Bassa.
Fate riferimento alla Guida software per maggiori informazioni.
L'interruttore del comando delle lame (PDF) innesta e disinnesta l'alimentazione alle lame del tosaerba (Figura 5).
L’indicatore LCD compare sulla schermata informativa quando l’interruttore della PDF viene disinserito.
Note: Le macchine dotate di display dell’orizzonte hanno un risparmiatore della frizione, che consente all’acceleratore di ridurre automaticamente la velocità del motore quando disinserite l’interruttore della PDF. L’inserimento e il disinserimento dell’interruttore della PDF modifica l’acceleratore del motore consentendo di passare tra le modalità TOSATURA e TRASFERIMENTO.
Note: Il sistema vi consente di avviare la macchina con l’interruttore della PDF inserito, ma non innesta le lame. L’inserimento della PDF richiede il resettaggio dell’interruttore della PDF, disinserendolo e quindi inserendolo nuovamente.
Premete l’interruttore verso dietro per sollevare il piatto di taglio.
Premete l’interruttore in avanti per abbassare il piatto di taglio.
Utilizzate le leve di comando del movimento per fare marcia avanti, indietreggiare e girare la macchina nella direzione opportuna (Figura 4).
Spostate le leve di comando del movimento verso l'esterno, nella posizione di BLOCCO IN FOLLE quando scendete dalla macchina (Figura 22). Quando fermate la macchina o la lasciate incustodita, mettete sempre le leve di comando del movimento in posizione di BLOCCO IN FOLLE.
Ogni volta che spegnete il motore, inserite il freno di stazionamento per evitare lo spostamento involontario della macchina.
| 168,2 cm |
| Roll bar sollevato o abbassato | 255,5 cm |
| Roll bar sollevato | 182,4 cm |
| Roll bar abbassato | 129,5 cm |
| Roll bar sollevato | 182,4 cm |
| Roll bar abbassato | 129,5 cm |
| 112 cm |
| 84 cm |
| 157,2 cm |
Per ottimizzare e ampliare le applicazioni della macchina, è disponibile una gamma di attrezzi e accessori approvati da Toro per l'uso con la macchina. Richiedete la lista degli attrezzi ed accessori approvati ad un Centro Assistenza Toro o ad un Distributore autorizzati, oppure visitate www.Toro.com
Per garantire prestazioni ottimali e mantenere sempre la macchina in conformità alle norme di sicurezza, utilizzate esclusivamente ricambi e accessori originali Toro. Ricambi e accessori di altri produttori potrebbero risultare pericolosi e il loro impiego potrebbe far decadere la garanzia del prodotto.
Note: Stabilite i lati sinistro e destro della macchina rispetto alla normale posizione di guida.
Non lasciate che bambini o persone non addestrate utilizzino o effettuino interventi di manutenzione sulla macchina. Le normative locali possono imporre limiti all'età dell'operatore. Il proprietario è responsabile della formazione di tutti gli operatori e i meccanici.
Ispezionate l'area dove utilizzerete la macchina e rimuovete tutti gli oggetti che possono interferire con il funzionamento della macchina o che la macchina potrebbe scagliare.
Familiarizzate con il sicuro funzionamento dell'apparecchiatura, dei comandi dell'operatore e degli adesivi di sicurezza.
Verificate che i comandi di presenza dell'operatore, i microinterruttori e le protezioni siano fissati e funzionanti correttamente. Se non funzionano correttamente, non azionate la macchina.
Spegnete il motore, rimuovete la chiave e attendete l’arresto di tutte le parti in movimento prima di lasciare la posizione dell’operatore. Lasciate raffreddare la macchina prima di eseguire interventi di riparazione, di regolazione, di rifornimento e di pulizia o di rimessarla.
Prima della tosatura, ispezionate sempre la macchina per accertarvi che i gruppi di taglio siano in buone condizioni di funzionamento.
Valutate il terreno per determinare l'attrezzatura appropriata ed eventuali attrezzi o accessori necessari per il funzionamento corretto e sicuro della macchina.
Indossate un abbigliamento idoneo, inclusi occhiali di protezione, pantaloni lunghi, calzature antiscivolo robuste e protezioni per le orecchie. Legate i capelli lunghi e non indossate indumenti larghi o gioielli pendenti.
Non trasportate passeggeri sulla macchina.
Tenete gli astanti e gli animali domestici a distanza dalla macchina durante il suo funzionamento. Spegnete la macchina e l'attrezzo (o attrezzi) se qualcuno entra nell'area.
Non azionate la macchina se tutte le protezioni e i dispositivi di sicurezza, come i deflettori e/o l'intero cesto di raccolta, non sono in sede e perfettamente funzionanti. Sostituite i componenti usurati o deteriorati quando necessario.
Il carburante è estremamente infiammabile ed altamente esplosivo. Un incendio o un’esplosione causati dal carburante possono ustionare voi ed altre persone e provocare danni.
Per impedire che una carica elettrostatica faccia incendiare il carburante, posate la tanica e/o la macchina direttamente a terra prima del riempimento, mai in un veicolo o su un oggetto.
Fate il pieno di carburante all'aperto su una superficie piana, in un'area libera e a motore freddo. Tergete il carburante versato.
Non maneggiate il carburante quando fumate o nelle adiacenze di una fiamma libera o di scintille.
Non rimuovete il tappo del carburante né rabboccate il carburante nel serbatoio mentre il motore è in funzione o è caldo.
Se del carburante dovesse fuoriuscire, non tentate di avviare il motore. Evitate di creare una fonte di ignizione fino a quando i vapori di carburante non saranno evaporati.
Conservate il carburante in taniche approvate, e tenetelo lontano dalla portata dei bambini.
Se ingerito, il carburante è nocivo o micidiale. L'esposizione a lungo termine ai vapori di carburante può causare gravi danni e malattie.
Evitate di respirare a lungo i vapori.
Tenete mani e viso a distanza dall'ugello e dall'apertura del serbatoio del carburante.
Tenete il carburante lontano dagli occhi e dalla pelle.
Non depositate la macchina o la tanica del carburante in presenza di fiamme libere, scintille o spie, come vicino a uno scaldabagno o altre apparecchiature.
Non riempite le taniche all'interno di un veicolo o su un autocarro o il pianale di un rimorchio con rivestimento in plastica. Prima del rabbocco, posizionate sempre le taniche di carburante sul pavimento e lontano dal veicolo.
Rimuovete l'attrezzatura dall'autocarro o rimorchio ed effettuate il rifornimento quando si trova a terra. Qualora ciò non sia possibile, fate rifornimento mediante una tanica portatile, anziché da un normale ugello erogatore del carburante.
Non utilizzate la macchina se non è montato l'impianto di scarico completo o se non è in buone condizioni di servizio.
Tenete sempre l'ugello della pompa del carburante a contatto con il bordo del serbatoio del carburante o con il foro della tanica finché non sia stato completato il rifornimento. Non utilizzate un dispositivo di apertura del blocco pompa.
Se vi siete sporcati gli indumenti con il carburante, cambiatevi immediatamente.
Non riempite troppo il serbatoio del carburante. Riposizionate il tappo del carburante e serrate a fondo.
Pulite erba e detriti dagli apparati di taglio, marmitte, trasmissioni, cesti di raccolta e vani motore per contribuire a prevenire gli incendi. Tergete l'olio o il carburante versati.
Il motore usa gasolio pulito e fresco avente un minimo di 40 cetani. Acquistate il carburante in quantità tali che ne consentano il consumo entro 30 giorni in modo da garantirne la freschezza.
Utilizzate gasolio per uso estivo (N. 2-D) a temperature superiori a -7 °C, e gasolio per uso invernale (N. 1-D o miscela N. 1-D/2-D) a temperature inferiori a -7 °C. L'utilizzo di carburante diesel per uso invernale a temperature inferiori fornisce un punto d'infiammabilità e un punto di scorrimento inferiori che facilitano l'avvio e riducono la possibilità di separazione chimica del carburante a causa di temperature più basse (aspetto cereo che può otturare i filtri).
L'utilizzo di carburante diesel per uso estivo sopra i -7 °C contribuisce a una maggiore durata dei componenti della pompa.
Important: Non usate kerosene o benzina al posto del gasolio. L'inosservanza di questo avviso provocherà danni al motore.
Questa macchina può anche funzionare con una miscela di biodiesel fino a B20 (20% biodiesel, 80% gasolio). La parte di gasolio deve avere un contenuto di zolfo basso o molto basso.
Prendete le seguenti precauzioni:
La parte di biodiesel deve essere conforme alle norme ASTM D6751 o EN 14214.
La miscela di carburante deve essere conforme alle norme ASTM D975 o EN 590.
Le superfici verniciate possono essere danneggiate dalle miscele di biodiesel.
In caso di condizioni atmosferiche fredde utilizzate miscele B5 (contenuto di biodiesel pari al 5%) o inferiori.
Monitorate le guarnizioni di tenuta, i flessibili e le guarnizioni a contatto con il carburante, poiché con il tempo potrebbero degradarsi.
Dopo la conversione a miscele di biodiesel può verificarsi una chiusura del filtro del carburante.
Per ulteriori informazioni sul biodiesel contattate il vostro distributore.
Parcheggiate la macchina su terreno pianeggiante.
Inserite il freno di stazionamento.
Spegnete il motore e togliete la chiave.
Pulite attorno al tappo del serbatoio del carburante.
Riempite il serbatoio fino alla base del collo del bocchettone (Figura 7).
Note: Non riempite completamente il serbatoio. Lo spazio consentirà l'espansione del carburante.

Ogni giorno, prima di avviare la macchina, effettuate le procedure Ogni utilizzo/Giornaliere elencate in .
I motori nuovi raggiungono la piena potenza dopo qualche tempo. I piatti di taglio e le trasmissioni, quando sono nuovi, hanno un maggiore attrito e assoggettano il motore ad un maggiore carico. Le macchine nuove hanno bisogno di un rodaggio di 40 o 50 ore prima di sviluppare la piena potenza e dare la migliore performance.
Per evitare lesioni o decesso dovuti a ribaltamento, tenete il roll bar completamente sollevato in posizione di blocco e utilizzate la cintura di sicurezza.
Assicuratevi che il sedile sia fissato alla macchina.
Quando il roll bar è abbassato non vi è altra protezione antiribaltamento.
Abbassate il roll bar soltanto se assolutamente necessario.
Non allacciate la cintura di sicurezza quando il roll bar è abbassato.
Guidate lentamente e con prudenza.
Alzate il roll bar appena l'altezza lo consente.
Controllate attentamente lo spazio libero superiore prima di passare con la macchina sotto qualsiasi oggetto (rami, varchi, fili elettrici) ed evitate urti.
Important: Allacciate sempre la cintura di sicurezza quando il roll bar è alzato.
Sollevate il roll bar nella posizione operativa e ruotate le manopole in modo che si spostino parzialmente nelle scanalature (Figura 9).
Sollevate completamente il roll bar premendo contemporaneamente la parte superiore del roll bar in modo che i perni scattino in posizione non appena saranno allineati ai fori (Figura 9).
Premete il roll bar e assicuratevi che entrambi i perni siano innestati (Figura 9).

Se i microinterruttori di sicurezza sono scollegati o guasti, la macchina può muoversi improvvisamente e causare lesioni personali.
Non manomettete gli interruttori di interblocco.
Ogni giorno, controllate il funzionamento dei microinterruttori, e prima di azionare la macchina sostituite gli interruttori guasti.
Il sistema di microinterruttori di sicurezza è progettato per consentire l'avviamento del motore a condizione che:
il freno di stazionamento sia inserito;
il comando delle lame (PDF) sia disinnestato;
Le leve di comando del movimento siano in posizione di BLOCCO IN FOLLE.
Il sistema di microinterruttori di sicurezza è progettato per spegnere il motore quando si spostano le leve di comando del movimento dalla posizione di BLOCCO IN FOLLE mentre il freno di stazionamento è inserito o se l’operatore si alza dal sedile quando la PTO è inserita.
Il display dell’orizzonte ha degli indicatori per avvisare l'utente quando il componente a interblocchi si trova nella giusta posizione. Quando il componente è in posizione corretta, un indicatore viene visualizzato sullo schermo.

| Cadenza di manutenzione | Procedura di manutenzione |
|---|---|
| Prima di ogni utilizzo o quotidianamente |
|
Collaudate sempre il sistema di microinterruttori di sicurezza prima di utilizzare la macchina. Qualora non funzioni come descritto di seguito, fatelo riparare immediatamente da un Centro Assistenza autorizzato.
Restando seduti sul sedile, innestate il freno di stazionamento e spostate il comando delle lame (PDF) in posizione di ACCENSIONE. Provate ad avviare il motore: non deve avviarsi.
Restando seduti sul sedile, innestate il freno di stazionamento e spostate il comando delle lame (PDF) in posizione di SPEGNIMENTO. Spostate una leva di comando del movimento, a scelta, togliendola dalla posizione di BLOCCO IN FOLLE. Provate ad avviare il motore: non deve avviarsi. Ripetete con l'altra leva di controllo del movimento.
Sedetevi al posto di guida, inserite il freno di stazionamento, spostate il comando delle lame (PDF) in posizione di SPENTO e spostate le leve di comando del movimento in posizione di BLOCCO IN FOLLE. Accendete il motore. Con il motore acceso, disinserite il freno di stazionamento, inserite l'interruttore di comando delle lame (PDF) e alzatevi leggermente dal sedile: il motore dovrebbe spegnersi.
Sedetevi al posto di guida, inserite il freno di stazionamento, spostate il comando delle lame (PDF) in posizione di SPENTO e spostate le leve di comando del movimento in posizione di BLOCCO IN FOLLE. Accendete il motore. Mentre il motore gira, mettete in posizione centrale un controllo del movimento a scelta, e spostate la macchina (avanti o indietro); il motore deve spegnersi. Ripetete con l'altro controllo del movimento.
Sedetevi al posto di guida, disinserite il freno di stazionamento, spostate il comando delle lame (PDF) in posizione di SPENTO e spostate le leve di comando del movimento in posizione di BLOCCO IN FOLLE. Provate ad avviare il motore: non deve avviarsi.
Il sedile può essere spostato avanti e indietro. Posizionate il sedile in modo da poter controllare la macchina con sicurezza e raggiungere comodamente i comandi (Figura 11).

Per sbloccare il sedile spingete in avanti il relativo chiavistello (Figura 12).

Il sedile è regolabile al fine di ottenere il migliore comfort di marcia possibile. Spostate il sedile nella posizione per voi più confortevole.
Per spostarlo, girate la manopola anteriore nella direzione opportuna, fino ad ottenere il migliore comfort (Figura 13).

Il proprietario/operatore è tenuto a evitare incidenti che possano causare lesioni personali o danni materiali.
Prestate la massima attenzione mentre utilizzate la macchina. Non svolgete nessuna attività che vi possa distrarre; in caso contrario potrebbero verificarsi infortuni o danni.
Non utilizzate la macchina se siete malati, stanchi o se siete sotto l'effetto di alcol o droga.
Il contatto con la lama può causare gravi lesioni. Spegnete il motore, rimuovete la chiave e attendete l’arresto di tutte le parti in movimento prima di lasciare la posizione di funzionamento. Girando la chiave in posizione di SPEGNIMENTO il motore dovrebbe spegnersi e la lama fermarsi. In caso contrario, smettete subito di usare la macchina e rivolgetevi a un Centro Assistenza autorizzato.
Utilizzate la macchina solo in condizioni di buona visibilità e meteo idoneo. Non utilizzate la macchina se c'è rischio di fulmini.
Tenete mani e piedi a distanza dagli apparati di taglio. Restate lontani dall'apertura di scarico.
Non tosate mai con il deflettore di scarico sollevato, rimosso o modificato, a meno che non sia presente un sistema di raccolta dell'erba o un kit di mulching correttamente funzionante.
Non tosate in retromarcia a meno che non sia assolutamente necessario. Guardate sempre in basso e dietro prima di azionare la macchina in retromarcia.
Prestate estrema cautela quando vi avvicinate a curve cieche, cespugli, alberi o altri oggetti che possano impedire la vista.
Fermate le lame ogni volta che non state effettuando la tosatura.
Se la macchina colpisce un oggetto o inizia a vibrare, spegnete immediatamente il motore, rimuovete la chiave (se in dotazione) e attendete l’arresto di tutte le parti in movimento prima di verificare la presenza di danni sulla macchina. Effettuate tutte le riparazioni necessarie prima di riprendere le operazioni.
Rallentate e fate attenzione quando eseguite curve o attraversate strade e marciapiedi con la macchina. Date sempre la precedenza.
Prima di abbandonare la posizione di guida, seguite le seguenti istruzioni:
Parcheggiate la macchina su terreno pianeggiante.
Disinnestate la presa di forza e abbassate al suolo l'attrezzatura.
Inserite il freno di stazionamento.
Spegnete il motore e togliete la chiave.
Attendete finché tutte le parti mobili si siano fermate.
Azionate il motore solo in aree ben ventilate. I gas di scarico possono contenere monossido di carbonio, che è letale se inalato.
Non lasciate incustodita la macchina in funzione.
Agganciate alla macchina gli accessori trainati soltanto nel punto di attacco.
Non azionate la macchina se tutte le protezioni e i dispositivi di sicurezza, come i deflettori e/o l'intero cesto di raccolta, non sono in sede e perfettamente funzionanti. Sostituite i componenti usurati o deteriorati quando necessario.
Usate unicamente accessori e attrezzi approvati da Toro.
Questa macchina produce livelli acustici superiori a 85 dBA alle orecchie dell'operatore, e può causare la perdita dell'udito in caso di lunghi periodi di esposizione al rumore.

Pulite erba e detriti dagli apparati di taglio, trasmissioni, marmitte e vani motore per contribuire a prevenire gli incendi.
Avviate il motore tenendo il piede ben lontano dalle lame.
Siate consapevoli del percorso di scarico del tosaerba e indirizzate lo scarico lontano dagli altri. Evitate di scaricare materiale contro una parete o un ostacolo, poiché il materiale può rimbalzare indietro verso di voi.
Arrestate le lame, rallentate e fate attenzione se attraversate superfici diverse dall'erba o trasportate la macchina avanti e indietro dalla zona di lavoro.
Non cambiate la velocità del regolatore del motore e non fate girare il motore a una velocità eccessiva.
I bambini sono spesso attirati dalla macchina e dall'attività di tosatura. Non date mai per scontato che i bambini rimangano dove li avete visti per l'ultima volta.
Tenete i bambini a distanza dall'area di lavoro e sotto l'attenta sorveglianza di un adulto responsabile che non sia l'operatore.
State in guardia e spegnete la macchina se un bambino entra nell'area di lavoro.
Prima di fare marcia indietro o di svoltare, guardate in giù e tutto intorno per controllare che non vi siano bambini.
Non trasportate bambini sulla macchina, anche quando le lame non stanno tagliando. I bambini potrebbero cadere e ferirsi gravemente oppure impedire a voi di usare la macchina in condizioni di sicurezza. I bambini che in passato sono stati trasportati sulla macchina possono apparire all'improvviso nell'area di lavoro ed essere investiti o travolti in retromarcia dalla macchina.
Il ROPS è un dispositivo di sicurezza fondamentale. Non rimuovete alcuno dei componenti del ROPS dalla macchina.
Verificate che la cintura di sicurezza sia allacciata e che possa essere slacciata rapidamente in caso di emergenza.
Tenete il roll bar completamente alzato e bloccato e allacciate sempre la cintura di sicurezza quando è sollevato.
Verificate con cura l’eventuale presenza di oggetti sopraelevati prima di passare sotto di essi e non entrateci in contatto.
Sostituite i componenti del sistema di protezione antiribaltamento (ROPS) danneggiati. Non effettuate riparazioni o modifiche.
Quando il roll bar è abbassato non vi sono altre protezioni antiribaltamento.
Se le ruote cadono da bordi, argini ripidi o nell’acqua può verificarsi un ribaltamento con i pericoli di lesioni e morte che ne conseguono.
Non indossate la cintura di sicurezza quando il roll bar è abbassato.
Abbassate il roll bar soltanto se assolutamente necessario; sollevatelo non appena gli spazi lo permettono.
In caso di ribaltamento, portate la macchina a un Centro assistenza autorizzato per l’ispezione del ROPS.
Utilizzate soltanto accessori e attrezzi approvati da Toro per il ROPS.
Le pendenze sono un importante fattore che influisce sugli incidenti causati da perdita di controllo e ribaltamento, che possono comportare gravi infortuni o la morte. L’operatore è responsabile del funzionamento sicuro in pendenza. L'utilizzo della macchina su qualsiasi pendenza richiede un livello superiore di attenzione. Prima di utilizzare la macchina su una pendenza, effettuate le seguenti procedure:
Rivedete e comprendete le istruzioni per le pendenze nel manuale e sulla macchina.
Utilizzate un indicatore d'angolo per determinare l'angolo approssimativo della pendenza dell'area.
Non utilizzate mai la macchina su pendenze superiori a 15°.
Valutate le condizioni del sito della giornata per determinare se la pendenza è sicura per l'utilizzo della macchina. Basatevi su buon senso e giudizio quando effettuate questa valutazione. I cambiamenti del terreno, come l'umidità, possono determinare un rapido cambiamento del funzionamento in pendenza della macchina.
Individuate i pericoli alla base della pendenza. Non utilizzate la macchina in prossimità di scarpate, fossi, terrapieni o in presenza di acqua o altri pericoli. La macchina potrebbe ribaltarsi improvvisamente nel caso in cui una ruota ne superi il bordo o se il bordo dovesse crollare. Mantenete la distanza di sicurezza (doppia rispetto alla larghezza della macchina) tra la macchina e il pericolo. Utilizzate una macchina a spinta o un decespugliatore manuale per tosare l'erba in queste zone.
Evitate di avviare, arrestare o sterzare con la macchina in pendenza. Evitate di cambiare bruscamente la velocità o la direzione; sterzate in modo lento e graduale.
Non azionate la macchina in condizioni in cui trazione, sterzaggio o stabilità possono essere compromessi. Siate consapevoli del fatto che l'utilizzo della macchina su erba bagnata, trasversalmente su pendenze o in discesa può causare una perdita di trazione della macchina. La perdita di trazione delle ruote motrici può comportare uno slittamento e una perdita di capacità frenante e sterzante. La macchina potrebbe slittare anche se le ruote sono ferme.
Rimuovete o segnalate gli ostacoli, come fossati, buche, solchi, dossi, rocce o altri pericoli nascosti. L'erba alta può nascondere degli ostacoli. Il terreno accidentato può ribaltare la macchina.
Prestate ulteriore attenzione durante l'utilizzo con accessori o attrezzi, come sistemi di raccolta dello sfalcio che possono influire sulla stabilità della macchina e farvi perdere il controllo. Seguite le istruzioni per i contrappesi.
Se possibile, tenete il piatto di taglio abbassato a terra durante l'utilizzo in pendenza. Il sollevamento del piatto di taglio durante l'utilizzo in pendenza può causare l'instabilità della macchina.

Innestate sempre il freno di stazionamento quando spegnete o lasciate incustodita la macchina.
Parcheggiate la macchina su terreno pianeggiante.


Il comando delle lame (PDF) avvia ed arresta le lame del tosaerba e gli accessori elettrici.
Note: Inserendo il comando delle lame (PDF) con l'acceleratore a medio regime o meno causereste l'eccessiva usura delle cinghie di trasmissione.


Important: Non utilizzate il motorino di avviamento per più di 5 secondi alla volta. Se il motore non si avvia, attendete 15 secondi prima di riprovare. La mancata osservanza di queste istruzioni può fare bruciare il motorino di avviamento.
Note: Potrebbero essere necessari svariati tentativi la prima volta che avviate il motore dopo avere aggiunto carburante in un impianto completamente vuoto.

Bambini ed altre persone potrebbero ferirsi se dovessero spostare o cercare di azionare la macchina quando è incustodita.
Togliete sempre la chiave e inserite il freno di stazionamento prima di lasciare incustodita la macchina.


Le ruote motrici girano in modo indipendente, alimentate da motori idraulici su ciascun assale. Potete girare un lato in retromarcia mentre l'altro in marcia avanti, facendo in modo che la macchina giri su se stessa, anziché curvare. Ciò migliora notevolmente la manovrabilità della macchina ma può richiedere un periodo di adattamento al modo in cui si muove.
Il comando dell'acceleratore regola il regime del motore, misurato in giri al minuto. Posizionate il comando dell'acceleratore in posizione MASSIMA per ottenere prestazioni ottimali. Tosate sempre con l'acceleratore sulla massima.
La macchina può girare molto rapidamente. Potete perdere il controllo della macchina e infortunarvi o danneggiare la macchina.
Prestate molta attenzione quando sterzate.
Rallentate prima di prendere curve strette.
Note: Il motore si spegne quando spostate il pedale di controllo della trazione con il freno di stazionamento inserito.
Per spegnere la macchina, tirate le leve di comando della velocità in posizione di FOLLE.
Disinnestate il freno di stazionamento; fate riferimento a Disinnesto del freno di stazionamento.
Spostate le leve verso il centro, in posizione di sblocco.
Per fare marcia avanti spingete lentamente in avanti le leve di controllo del movimento (Figura 23).

Spostate le leve verso il centro, in posizione di sblocco.
Per fare retromarcia tirate lentamente verso dietro le leve di controllo del movimento (Figura 24).

Il tosaerba è dotato di un deflettore incernierato che sparge lo sfalcio ai lati e in basso verso il terreno.
Se il deflettore di sfalcio, il coperchio dello scarico o il cesto di raccolta completo non sono montati, voi ed altre persone correte il rischio di venire a contatto con la lama e con oggetti scagliati dal tosaerba. Il contatto con le lame rotanti e con i detriti scagliati può provocare gravi infortuni o la morte.
Non rimuovete mai il deflettore dello sfalcio dal piatto di taglio perché il deflettore dello sfalcio indirizza il materiale verso il tappeto erboso. Nel caso in cui sia danneggiato, sostituite immediatamente il deflettore.
Non infilate mai le mani o i piedi sotto il piatto di taglio.
Non provate mai a pulire l'area di scarico o le lame del tosaerba a meno che non abbiate spostato l'interruttore di comando delle lame (PDF) in posizione di SPEGNIMENTO, ruotato l'interruttore a chiave in posizione di SPEGNIMENTO e rimosso la chiave dal relativo interruttore.
Accertatevi che il deflettore di sfalcio sia abbassato.
Regolate l’altezza di taglio da 25 mm a 140 mm in incrementi di 6 mm spostando il perno con testa in fori diversi.
A motore acceso, tirate verso dietro l’interruttore di sollevamento del piatto di taglio fino a sollevare completamente il piatto e rilasciate immediatamente l’interruttore.
Girate il perno dell’altezza di taglio fin quando il perno interno non è allineato con gli intagli presenti nei fori della staffa dell’altezza di taglio, e toglietelo (Figura 25).
Inserite il perno dell’altezza di taglio nel foro corrispondente all’altezza di taglio desiderata (Figura 25).
Fate riferimento all’adesivo situato sulla parte laterale della piastra di sollevamento del piatto di taglio per le altezze di taglio (Figura 25).
Utilizzando l’interruttore di sollevamento del piatto di taglio, spostate l’altezza del piatto di taglio dalla posizione di trasferimento (o altezza di taglio di 140 mm) e impostatela all’altezza selezionata.

Per una flottazione massima del piatto di taglio, montate i rulli nel foro più in basso. I rulli dovranno mantenere una distanza di 6 mm dal suolo. Non regolate i rulli per sostenere il piatto di taglio.
Parcheggiate la macchina su terreno pianeggiante.
Disinnestate il comando delle lame (PDF), spostate le leve di comando del movimento in posizione di BLOCCO IN FOLLE e inserite il freno di stazionamento.
Prima di scendere dalla postazione di guida spegnete il motore, togliete la chiave di accensione e attendete che si fermino tutte le parti in movimento.
Regolate i rulli antistrappo come illustrato in Figura 26, Figura 27, Figura 28 e Figura 29.




Per macchine con scarico laterale, serrate il dado flangiato a una coppia compresa tra 68 e 75 N∙m.
Per macchine con scarico posteriore, serrate il dado flangiato a una coppia compresa tra 41 e 47 N∙m.
Montate i pattini nella posizione inferiore durante l'utilizzo ad altezze di taglio superiori a 51 mm e in una posizione superiore durante l'utilizzo ad altezze di taglio inferiori a 51 mm.
Regolate i pattini come illustrato nella Figura 30.

Questa procedura è applicabile solo alle macchine con la manopola del deflettore di flusso. Alcuni modelli hanno dadi e bulloni al posto della manopola del deflettore di flusso che possono essere regolati allo stesso modo.
Potete regolare il flusso di scarico del tosaerba per varie condizioni di falciatura. Posizionate la manopola e il deflettore in modo da ottenere la migliore qualità di taglio.
Parcheggiate la macchina su una superficie pianeggiante, disinnestate l'interruttore di comando delle lame e inserite il freno di stazionamento.
Prima di scendere dalla postazione di guida spegnete il motore, togliete la chiave di accensione e attendete che si arrestino tutte le parti in movimento.
Allentate la manopola.
Fate scorrere la manopola alla posizione desiderata.
Serrate la manopola.
Le seguenti figure sono solo raccomandazioni. Le regolazioni variano secondo il tipo di erba, il tenore di umidità e l’altezza dell’erba.
Note: Se il motore perde potenza e la velocità di trasferimento del tosaerba non è cambiata, aprite il deflettore.
Questa è la posizione posteriore più estrema. Si consiglia l’utilizzo di questa posizione nei seguenti casi:
Erba corta e condizioni di falciatura leggera
Ambienti asciutti
Sfalcio di dimensioni ridotte
Per espellere lo sfalcio lontano dal tosaerba

Utilizzate questa posizione per la raccolta dello sfalcio. Allineatelo sempre con l'apertura del soffiatore.

Questa è la posizione anteriore più estrema. Si consiglia l’utilizzo di questa posizione nei seguenti casi:
Erba alta e fitta
Quando l'erba è bagnata
Riduce il consumo energetico del motore
Consente una velocità di trasporto superiore in condizioni pesanti

La PDF viene disinserita, un allarme acustico si attiva e un grafico a barre mostra la temperatura del motore quando questo raggiunge una condizione di surriscaldamento. La PDF non verrà inserita fino a quando il motore non si sarà raffreddato e avrete manualmente spento la PDF e inserito nuovamente la stessa.
Note: Se il livello del refrigerante del motore è al di sotto della linea dell’indicatore nella vaschetta di raccolta quando il motore è freddo, l’indicatore della temperatura del refrigerante potrebbe non fornire un valore corretto durante il funzionamento e/o l’allarme acustico potrebbe non attivarsi se il motore si surriscalda.
Per ottenere migliori risultati e garantire la massima circolazione dell'aria, regolate il motore in posizione MASSIMA. Per tagliare accuratamente lo sfalcio è necessaria l'aria, quindi non impostate l'altezza di taglio a un livello talmente basso da circondare totalmente il piatto di taglio con erba non tagliata. Cercate sempre di avere un lato del piatto di taglio libero da erba non tagliata, permettendo all'aria di essere aspirata all'interno del piatto di taglio.
Tagliate l'erba a una lunghezza leggermente superiore al normale, per garantire che l'altezza di taglio del piatto non strappi il terreno quando non è regolare. Tuttavia, in genere l'altezza migliore è quella usata in passato. Se l'erba è alta più di 15 cm, è preferibile praticare due passate per garantire una migliore qualità di taglio.
In genere è preferibile tagliare solamente un terzo circa del filo d'erba. Si raccomanda di non superare questa altezza, a meno che l’erba non sia rada, oppure ad autunno inoltrato quando l’erba cresce più lentamente.
Alternate la direzione della tosatura per mantenere l'erba eretta. In tal modo si agevola lo spargimento dello sfalcio, per una migliore decomposizione e fertilizzazione.
L'erba cresce a ritmi diversi in momenti diversi dell'anno. Per mantenere la stessa altezza di taglio, tosate più spesso all'inizio della primavera. Poiché a mezza estate il ritmo di crescita dell'erba rallenta, tagliate l'erba meno di frequente. Qualora l'erba non sia stata tagliata per un periodo prolungato, tagliatela prima a un'altezza di taglio elevata, e di nuovo 2 giorni dopo, riducendo gradualmente l'altezza di taglio.
Per migliorare la qualità del taglio, in determinate condizioni scegliete una velocità di spostamento inferiore.
Durante la tosatura di tappeto erboso disomogeneo, alzate l'altezza di taglio per evitare strappi sul manto erboso.
Se si arresta la marcia avanti della macchina durante la tosatura, sul tappeto erboso potrebbe depositarsi un mucchio di sfalcio. Per evitare questo inconveniente, spostatevi con le lame innestate verso un'area già tosata oppure arrestate il piatto di taglio mentre avanzate.
Eliminate lo sfalcio e la sporcizia dalla parte inferiore del piatto di taglio dopo ogni utilizzo. In caso di accumulo di erba e sporcizia all'interno del piatto di taglio, la qualità di taglio tenderà a diventare insoddisfacente.
Mantenete affilata la lama per l’intera stagione di taglio, al fine di evitare lo strappo e la frammentazione dell'erba. In caso contrario i bordi dell'erba diventano marroni, l'erba cresce più lentamente ed è più soggetta a malattie. Dopo ogni utilizzo controllate che le lame siano affilate e non presentino danni o segni di usura. All'occorrenza, limate eventuali tacche ed affilate le lame. Sostituite immediatamente la lama se è danneggiata o usurata, utilizzando una lama di ricambio originale Toro.
Spegnete il motore, rimuovete la chiave e attendete l’arresto di tutte le parti in movimento prima di lasciare la posizione dell’operatore. Lasciate raffreddare la macchina prima di eseguire interventi di riparazione, di regolazione, di rifornimento e di pulizia o di rimessarla.
Pulite erba e detriti dagli apparati di taglio, marmitte, trasmissioni, cesti di raccolta e vani motore per contribuire a prevenire gli incendi. Tergete l'olio o il carburante versati.
Chiudete il carburante e togliete la chiave prima di rimessare o trasferire la macchina.
Utilizzate le valvole di rilascio delle ruote motrici per rilasciare il sistema di azionamento idrostatico, che vi consente di spingere la macchina senza l’accensione del motore.
Ruotate ogni valvola di bypass in senso antiorario di un giro per rilasciare; ruotate ogni valvola di bypass in senso orario per resettare il sistema (Figura 34).
Important: Non serrate troppo. Non trainate la macchina.

Per trasportare la macchina usate un rimorchio per servizio pesante o un autocarro. Utilizzate una rampa di larghezza massima. Controllate che il rimorchio, o l'autocarro, sia provvisto dei freni, delle luci e dei segnali richiesti per legge. Leggete attentamente tutte le istruzioni di sicurezza. La conoscenza di queste informazioni potrebbe aiutare voi e gli astanti ad evitare infortuni. Fate riferimento alle vostre ordinanze locali per i requisiti di ancoraggio e del rimorchio.
Non guidate su strade o superstrade se non avete le luci di direzione, fari, catarifrangenti o un cartello di veicolo lento; ciò è pericoloso e può causare incidenti e ferite.
Non guidate la macchina su strade pubbliche o superstrade.
Quando si carica la macchina su un trailer o un autocarro si aumenta il rischio di ribaltamento, che può causare gravi ferite ed anche la morte (Figura 35).
Usate solo una rampa di larghezza massima, non singole rampe per ciascun lato della macchina.
Non superate un angolo di 15 gradi fra la rampa e il suolo o fra la rampa e il trailer o l'autocarro.
Assicuratevi che la lunghezza della rampa sia pari ad almeno 4 volte l'altezza del rimorchio o del pianale dell'autocarro da terra. Ciò garantirà che l'angolo della rampa non superi i 15 gradi su terreno pianeggiante.

Quando si carica la macchina su un trailer o un autocarro si aumenta il rischio di ribaltamento, che può causare gravi ferite ed anche la morte.
Prestate la massima attenzione quando guidate la macchina su una rampa.
Risalite in retromarcia le rampe e scendete dalle rampe in marcia avanti.
Evitate accelerazioni o decelerazioni improvvise mentre guidate la macchina su una rampa, dal momento che potrebbero causare una perdita di controllo o il ribaltamento.
Se usate un rimorchio, collegatelo al veicolo trainante per mezzo di catene di sicurezza.
Se del caso, collegate i freni e le luci del rimorchio.
Abbassate la rampa, assicurandovi che l'angolazione tra la rampa e il terreno non superi 15 gradi (Figura 35).
Risalite in retromarcia la rampa (Figura 36).

Spegnete il motore, togliete la chiave e inserite il freno di stazionamento.
Ancorate la macchina in prossimità delle ruote orientabili anteriori e del telaio posteriore con cinghie, catene, cavi o corde (Figura 37). Fate riferimento ai regolamenti locali per i requisiti di ancoraggio.

Se lasciate la chiave nell'interruttore, qualcuno potrebbe accidentalmente avviare il motore e ferire gravemente voi od altre persone. Togliete la chiave dall'interruttore prima di eseguire qualsiasi intervento di manutenzione.
Prima di abbandonare la posizione dell’operatore, seguite le seguenti istruzioni:
Parcheggiate la macchina su terreno pianeggiante.
Disinnestate le trasmissioni.
Inserite il freno di stazionamento.
Spegnete il motore e togliete la chiave.
Lasciate che i componenti della macchina si raffreddino prima di effettuare la manutenzione.
Non lasciate che personale non addestrato effettui interventi di manutenzione sulla macchina.
Tenete mani e piedi a distanza dalle parti in movimento o dalle superfici calde. Se possibile, non eseguite regolazioni mentre il motore è in funzione.
Scaricate con cautela la pressione dai componenti che hanno accumulato energia.
Verificate di frequente il funzionamento del freno di stazionamento. Regolatelo ed effettuate la manutenzione come prescritto.
Non manomettete i dispositivi di sicurezza. Controllatene il funzionamento ad intervalli regolari.
Rimuovete erba e detriti dall'apparato di taglio, dalla marmitta, dalle trasmissioni e dal vano motore per prevenire gli incendi.
Tergete l'olio o il carburante versato e asportate i detriti imbevuti di carburante.
Non fate affidamento sui cric idraulici o meccanici per sostenere la macchina; sostenetela con cavalletti ogni volta che la sollevate.
Mantenete tutti i componenti in buone condizioni operative e tutta la bulloneria serrata, soprattutto i bulloni di fissaggio delle lame. Sostituite tutti gli adesivi consumati o danneggiati.
Scollegate la batteria prima di riparare la macchina. Scollegate prima il morsetto negativo, poi quello positivo. Collegate prima il morsetto positivo, poi quello negativo.
Per garantire prestazioni ottimali, utilizzate solo ricambi e accessori originali Toro. Ricambi e accessori di altri produttori potrebbero risultare pericolosi e il loro impiego potrebbe far decadere la garanzia del prodotto.
| Cadenza di manutenzione | Procedura di manutenzione |
|---|---|
| Dopo le prime 100 ore |
|
| Dopo le prime 200 ore |
|
| Prima di ogni utilizzo o quotidianamente |
|
| Ogni 50 ore |
|
| Ogni 100 ore |
|
| Ogni 200 ore |
|
| Ogni 400 ore |
|
| Ogni 500 ore |
|
| Ogni 800 ore |
|
| Ogni 2000 ore |
|
| Ogni mese |
|
| Ogni anno |
|
Important: Per ulteriori interventi di manutenzione, si rimanda al manuale d'uso del motore.
Se lasciate la chiave nell'interruttore, qualcuno potrebbe accidentalmente avviare il motore e ferire gravemente voi od altre persone.
Spegnete il motore e togliete la chiave dall'interruttore prima di eseguire qualsiasi intervento di manutenzione.
| Cadenza di manutenzione | Procedura di manutenzione |
|---|---|
| Ogni 400 ore |
|
| Ogni anno |
|
Ingrassate più di frequente in ambienti particolarmente polverosi o sabbiosi.
Tipo di grasso: grasso n. 2 al litio o molibdeno
Parcheggiate la macchina su una superficie pianeggiante, disinnestate l'interruttore di comando delle lame e inserite il freno di stazionamento.
Prima di scendere dalla postazione di guida spegnete il motore, togliete la chiave di accensione e attendete che si arrestino tutte le parti in movimento.
Pulite i raccordi d’ingrassaggio con un cencio.
Note: Togliete eventuali tracce di vernice davanti all'ingrassatore (o ingrassatori).
Collegate al raccordo d’ingrassaggio un ingrassatore a pressione.
Pompate del grasso nel raccordo finché non inizia a fuoriuscire dai cuscinetti.
Tergete il grasso superfluo.
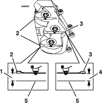
Fate riferimento al seguente grafico per la posizione dei raccordi e il programma di lubrificazione.
| Grafico della lubrificazione | |||
|---|---|---|---|
| Posizione dei raccordi | Pompe | Numero di punti | Intervallo di manutenzione |
| 1. PDF di azionamento del piatto di taglio | 1 | 3 | Ogni 50 ore |
| 2. Perni del tendicinghia del piatto di taglio | 1 | 1 | Ogni 400 ore o annualmente |
| 3. Cuscinetti delle ruote orientabili | 0 | 2 | Annualmente |
| 4. Perni orientabili | 0 | 2 | Ogni 400 ore o annualmente |
![]() |
| Cadenza di manutenzione | Procedura di manutenzione |
|---|---|
| Ogni 50 ore |
|
Note: Per un accesso più agevole ai giunti di trasmissione a U e al giunto scorrevole scanalato, rimuovete il pianale e sollevate completamente il piatto di taglio del tosaerba.
Parcheggiate la macchina su una superficie pianeggiante, disinnestate l'interruttore di comando delle lame e inserite il freno di stazionamento.
Prima di scendere dalla postazione di guida spegnete il motore, togliete la chiave di accensione e attendete che si arrestino tutte le parti in movimento.
Pulite i raccordi d’ingrassaggio con un cencio.
Collegate al raccordo d’ingrassaggio un ingrassatore a pressione.
Pompate del grasso nel raccordo finché non inizia a fuoriuscire dai cuscinetti.
Tergete il grasso superfluo.

| Cadenza di manutenzione | Procedura di manutenzione |
|---|---|
| Ogni 400 ore |
|
| Ogni anno |
|
Parcheggiate la macchina su una superficie pianeggiante, disinnestate l'interruttore di comando delle lame e inserite il freno di stazionamento.
Prima di scendere dalla postazione di guida spegnete il motore, togliete la chiave di accensione e attendete che si arrestino tutte le parti in movimento.
Rimuovete il coperchietto antipolvere e regolate i perni orientabili e non riposizionate il coperchietto prima del termine dell'ingrassaggio; fate riferimento a Regolazione del cuscinetto del braccio orientabile della ruota.
Togliete il tappo esagonale.
Infilate un raccordo d'ingrassaggio nel foro.
Pompate del grasso nel raccordo finché non fuoriesce attorno al cuscinetto superiore.
Togliete il raccordo d'ingrassaggio dal foro. Montate il tappo esagonale ed il cappuccio.
| Cadenza di manutenzione | Procedura di manutenzione |
|---|---|
| Ogni anno |
|
Parcheggiate la macchina su una superficie pianeggiante, disinnestate l'interruttore di comando delle lame e inserite il freno di stazionamento.
Prima di scendere dalla postazione di guida spegnete il motore, togliete la chiave di accensione e attendete che si arrestino tutte le parti in movimento.
Sollevate il tosaerba per accedere alle parti interessate.
Togliete la ruota orientabile dalle forcelle orientabili.
Togliete le protezioni di tenuta dal mozzo della ruota.

Togliete un dado distanziale dal gruppo asse nella ruota orientabile.
Note: Il composto bloccafiletti è stato applicato per bloccare i dadi distanziali sull'asse.
Togliete l'asse (con l'altro dado distanziale ancora collegato) dal gruppo ruota.
Rimuovete le guarnizioni e verificate che i cuscinetti non siano usurati o danneggiati; se necessario sostituiteli.
Tamponate i cuscinetti di grasso universale.
Inserite 1 cuscinetto e 1 nuova guarnizione nella ruota.
Se dal gruppo asse mancano entrambi i dadi distanziali, applicate un composto bloccafiletti a 1 dado distanziale e avvitatelo all'asse con le spianature per la chiave rivolte verso l'esterno.
Note: Non avvitate completamente il dado distanziale all'estremità dell'asse. Lasciate circa 3 mm dalla superficie esterna del dado distanziale all'estremità dell'asse all'interno del dado.
Inserite nella ruota il dado e l'asse assemblati sul lato con il cuscinetto e una nuova guarnizione.
Con l'estremità aperta della ruota rivolta verso l'alto, riempite l'area della ruota attorno all'asse con grasso universale.
Inserite il secondo cuscinetto e una nuova guarnizione nella ruota.
Applicate un composto bloccafiletti al secondo dado distanziale e inseritelo nell'asse con le spianature per la chiave rivolte verso l'esterno.
Serrate il dado a 8–9 N∙m, allentatelo e serrate nuovamente il dado a 2–3 N∙m.
Note: Assicuratevi che l’asse non protenda oltre uno dei dadi.
Installate le protezioni di tenuta sui mozzi della ruota e inserite la ruota nella forcella orientabile.
Installate il bullone orientabile e serrate il dado non completamente.
Important: Per evitare danni alla guarnizione e al cuscinetto, verificate spesso la regolazione del cuscinetto. Fate girare lo pneumatico orientabile. Lo pneumatico non dovrebbe ruotare liberamente (più di 1 o 2 giri) o avere gioco laterale. Se la ruota gira liberamente, regolate il movimento torcente sul dado distanziale fino ad avvertire una leggera resistenza. Applicate un altro strato di composto bloccafiletti.
Tenete mani, piedi, viso, abbigliamento e altre parti del corpo lontano dalla marmitta e altre superfici calde. Lasciate che i componenti della macchina si raffreddino prima di effettuare la manutenzione.
Non cambiate la velocità del regolatore del motore e non fate girare il motore a una velocità eccessiva.
| Cadenza di manutenzione | Procedura di manutenzione |
|---|---|
| Ogni 400 ore |
|
Parcheggiate la macchina su una superficie pianeggiante, disinnestate l'interruttore di comando delle lame (PDF) e inserite il freno di stazionamento.
Prima di scendere dalla postazione di guida spegnete il motore, togliete la chiave di accensione e attendete che si arrestino tutte le parti in movimento.
Verificate che il corpo del filtro dell'aria sia privo di danni che possano causare una fuoriuscita d'aria.
Se il corpo del filtro dell'aria è danneggiato, sostituitelo.
Verificate che il sistema di presa d'aria non sia danneggiato, non accusi perdite e che le fascette stringitubo non siano allentate.
Revisionate il filtro dell’aria e l’elemento di sicurezza quando segnalato (Figura 40).
Important: Non revisionate troppo il filtro dell'aria.

Verificate che il coperchio si chiuda ermeticamente intorno al corpo del filtro.
Note: Se la guarnizione in schiuma nel coperchio è danneggiata, sostituitela.
Important: Evitate di usare aria ad alta pressione, che potrebbe spingere la morchia attraverso il filtro e nella zona di aspirazione.
Important: Si sconsiglia la pulizia del filtro usato, per non danneggiare l'elemento filtrante.
Important: Non usate filtri avariati.
Important: Non premete sulla parte centrale flessibile del filtro.

| Cadenza di manutenzione | Procedura di manutenzione |
|---|---|
| Dopo le prime 200 ore |
|
| Prima di ogni utilizzo o quotidianamente |
|
| Ogni 200 ore |
|
| Ogni 400 ore |
|
| Ogni anno |
|
Al momento della fornitura la coppa del motore contiene dell'olio; controllatene tuttavia il livello prima e dopo il primo avvio del motore. Controllate ogni giorno il livello dell’olio prima di utilizzare la macchina, o ogni volta che la macchina viene utilizzata.
Capacità della coppa dell’olio per motori diesel Yanmar da 18,6 kW (25 cv):4,7 litri con il filtro
Capacità della coppa dell’olio per motori diesel Yanmar da 27,5 kW (37 cv):6,6 litri con il filtro
Olio motore preferenziale: olio motore Toro Premium
In caso di utilizzo di un olio alternativo, utilizzate olio motore di alta qualità e a basso contenuto di cenere che soddisfi o superi le seguenti specifiche:
Categoria API Service CJ-4 o superiori
Categoria ACEA Service E6
Categoria JASO Service DH-2
Important: L’utilizzo di un olio motore diverso dalla classificazione API CJ-4 o superiore, ACEA E6 o JASO DH-2, può causare l'otturazione del filtro antiparticolato o danni al motore.
Utilizzate il seguente grado di viscosità dell'olio motore:
SAE 10W-30 o 5W-30 (tutte le temperature)
SAE 15W-40 (superiore a 0 °C)
Note: L’olio motore Toro Premium è disponibile presso il vostro distributore. Consultate il Catalogo ricambi o rivolgetevi al vostro distributore Toro autorizzato per i relativi numeri.
Parcheggiate la macchina su una superficie pianeggiante, disinnestate l'interruttore di comando delle lame (PDF) e inserite il freno di stazionamento.
Prima di scendere dalla postazione di guida spegnete il motore, togliete la chiave di accensione e attendete che si arrestino tutte le parti in movimento.
Aprite il cofano.
Controllate il livello dell'olio motore come mostrato nella Figura 42.

Se possibile, fate girare il motore poco prima di cambiare l'olio, poiché l'olio caldo scorre più facilmente e trasporta più sostanze contaminanti rispetto all'olio freddo.
Parcheggiate la macchina su una superficie pianeggiante, disinnestate l'interruttore di comando delle lame (PDF) e inserite il freno di stazionamento.
Prima di scendere dalla postazione di guida spegnete il motore, togliete la chiave di accensione e attendete che si arrestino tutte le parti in movimento.
Aprite il cofano.
Cambiate l'olio motore come mostrato in Figura 43.

Sostituite il filtro dell’olio motore come illustrato in Figura 44.

Rabboccate d'olio la relativa coppa; fate riferimento a Specifiche dell'olio motore.
| Cadenza di manutenzione | Procedura di manutenzione |
|---|---|
| Ogni 800 ore |
|
Controllo del gioco tra valvola e motore. Fate riferimento al manuale per l’uso del motore.
In determinate condizioni, il carburante è estremamente infiammabile ed altamente esplosivo. Un incendio o un’esplosione causati dal carburante possono ustionare voi ed altre persone e provocare danni.
Fate riferimento a Rifornimento di carburante per un elenco completo di precauzioni relative al carburante.
| Cadenza di manutenzione | Procedura di manutenzione |
|---|---|
| Ogni 50 ore |
|
Parcheggiate la macchina su una superficie pianeggiante, disinnestate l'interruttore di comando delle lame e inserite il freno di stazionamento.
Prima di scendere dalla postazione di guida spegnete il motore, togliete la chiave di accensione e attendete che si arrestino tutte le parti in movimento.
Collocate una bacinella di spurgo sotto il filtro del carburante/separatore di condensa.
Aprite di circa un giro il tappo di spurgo sul separatore di condensa per permettere lo spurgo dell'acqua e di altre sostanze contaminanti (Figura 45).

Chiudete il tappo di spurgo quando inizia a fuoriuscire solamente gasolio.
Important: La presenza di acqua o di altre sostanza contaminanti nel carburante può danneggiare la pompa del carburante e/o altri componenti del motore.
| Cadenza di manutenzione | Procedura di manutenzione |
|---|---|
| Ogni 400 ore |
|

| Cadenza di manutenzione | Procedura di manutenzione |
|---|---|
| Ogni 400 ore |
|
Controllate i tubi di alimentazione per verificare l’assenza di deterioramenti, danni, sfregamento o allentamento dei raccordi.
Scollegate la batteria prima di riparare la macchina. Scollegate prima il morsetto negativo, poi quello positivo. Collegate prima il morsetto positivo, poi quello negativo.
Caricate la batteria in un'area aperta e ben ventilata, lontano da fiamme e scintille. Togliete la spina del caricabatterie prima di collegare o scollegare la batteria. Indossate indumenti di protezione e adoperare utensili isolati.
L’elettrolito della batteria contiene acido solforico, che è mortale se consumato e causa gravi ustioni.
Non bevete l'elettrolito, e non lasciate che venga a contatto con la pelle, gli occhi o gli indumenti. Indossate occhiali di protezione per proteggere gli occhi, e guanti di gomma per proteggere le mani.
I morsetti della batteria e gli attrezzi metallici possono creare cortocircuiti contro i componenti metallici e provocare scintille Eventuali scintille possono fare esplodere i gas delle batterie e provocare lesioni personali.
Quando la batteria viene smontata o montata, evitate che i morsetti entrino a contatto con le parti metalliche della macchina.
Evitate cortocircuiti fra i morsetti della batteria e le parti metalliche della macchina causati da utensili metallici.
Se il percorso dei cavi della batteria non è corretto, la macchina e i cavi potrebbero danneggiarsi e produrre scintille. Eventuali scintille possono fare esplodere i gas delle batterie e provocare lesioni personali.
Scollegate sempre il cavo negativo (nero) della batteria prima di quello positivo (rosso).
Collegate sempre il cavo positivo (rosso) della batteria prima di quello negativo (nero).
Disinnestate il comando delle lame (PDF), spostate le leve di comando del movimento in posizione di BLOCCO IN FOLLE e inserite il freno di stazionamento.
Prima di scendere dalla postazione di guida spegnete il motore, togliete la chiave di accensione e attendete che si fermino tutte le parti in movimento.
Sbloccate il sedile e reclinatelo.
Rimuovete la batteria come illustrato nella Figura 47.

Note: Posizionate la batteria nel vassoio, con i poli in posizione opposta al serbatoio idraulico.

| Cadenza di manutenzione | Procedura di manutenzione |
|---|---|
| Ogni mese |
|
Durante la ricarica della batteria si sviluppano gas esplosivi.
Non fumate mai nelle adiacenze della batteria e tenetela lontano da scintille e fiamme.
Important: La batteria deve essere sempre completamente carica (gravità specifica 1,265). Ciò è particolarmente importante per evitare danni alla batteria se la temperatura scende al di sotto di 0 ℃.
Assicuratevi che i tappi di riempimento siano montati sulla batteria. Caricate la batteria per 10 o 15 minuti a 25-30 A o per 30 minuti a 10 A.
Quando la batteria è completamente carica, staccate il caricabatterie dalla presa elettrica e scollegate i cavi di ricarica dai poli della batteria (Figura 49).
Montate la batteria nella macchina e collegate i cavi; vedere Montaggio della batteria.
Note: Non usate la macchina se la batteria è scollegata, o danneggerete l'impianto elettrico.

L'impianto elettrico è protetto da fusibili, e non necessita di alcuna manutenzione; tuttavia, nel caso in cui salti un fusibile dovete controllare che non vi sia un cortocircuito e se i componenti funzionano correttamente.
Sbloccate il cofano del motore ed alzatelo per accedere al blocco fusibili.
Per sostituire un fusibile, tiratelo ed estraetelo dall'attacco.
Montate un fusibile nuovo (Figura 50).

| Cadenza di manutenzione | Procedura di manutenzione |
|---|---|
| Prima di ogni utilizzo o quotidianamente |
|
Ispezionate la cintura di sicurezza verificando che non presenti segni di usura o tagli e che il riavvolgitore e la fibbia funzionino correttamente. Se la cintura di sicurezza è danneggiata, sostituitela.
Disattivate il comando delle lame (PDF).
Portate la macchina su un'area aperta e pianeggiante e spostate le leve di comando del movimento in posizione di BLOCCO IN FOLLE.
Portate l'acceleratore al centro tra le posizioni VELOCE e LENTO.
Spostate completamente in avanti entrambe le leve di comando del movimento fino a che entrambe non giungono al punto di arresto nella fessura a T.
Verificate in che modo procede la macchina.
Innestate il freno di stazionamento, spegnete il motore e togliete la chiave.
Regolate quanto occorre le piastre di battuta.
Se la macchina tende a destra, allentate i bulloni e regolate la piastra di battuta sinistra spostandola indietro sulla fessura a T sinistra finché la macchina non procede in linea retta (Figura 51).
Se a macchina tende a sinistra, allentate i bulloni e regolate la piastra di battuta destra spostandola indietro sulla fessura a T destra finché la macchina non procede in linea retta (Figura 51).
Serrate la piastra di battuta (Figura 51).

Allineate le leve latitudinalmente portandole assieme in posizione FOLLE, fatele scorrere finché non sono allineate e serrate i bulloni (Figura 52).

Se è necessario un allineamento, allentate i 2 bulloni per il montaggio della leva di comando del movimento sul lato disallineato (Figura 53).

Spostate la leva di comando del movimento perché raggiunga il lato opposto.
Serrate i 2 bulloni per il montaggio della leva di comando del movimento (Figura 53).
| Cadenza di manutenzione | Procedura di manutenzione |
|---|---|
| Ogni 50 ore |
|
Specifiche della pressione dell’aria degli pneumatici posteriori: 1,24 bar.
Note: Le ruote orientabili sono semi-pneumatiche e non necessitano di alcun controllo della pressione.
La pressione bassa negli pneumatici riduce la stabilità della macchina sui fianchi dei pendii. Ciò può causare un ribaltamento, con conseguenti lesioni personali anche fatali.
La pressione di gonfiaggio degli pneumatici non deve mai essere insufficiente.
Controllo della pressione dell’aria degli pneumatici posteriori. Aggiungete o rimuovete l'aria in base alla necessità per impostare la pressione dell'aria degli pneumatici in base alle relative specifiche.
Important: Per ottenere un'ottima qualità di taglio e le prestazioni previste per questa macchina, mantenete tutti gli pneumatici sempre in pressione.Controllate la pressione dell'aria di tutti gli pneumatici prima di utilizzare la macchina.

| Cadenza di manutenzione | Procedura di manutenzione |
|---|---|
| Dopo le prime 100 ore |
|
Serrate i dadi ad alette delle ruote a un valore compreso tra 115 e 142 N∙m.
| Cadenza di manutenzione | Procedura di manutenzione |
|---|---|
| Ogni 500 ore |
|
Parcheggiate la macchina su una superficie pianeggiante, disinnestate l'interruttore di comando delle lame e inserite il freno di stazionamento.
Prima di scendere dalla postazione di guida spegnete il motore, togliete la chiave di accensione e attendete che si arrestino tutte le parti in movimento.
Togliete il coperchietto antipolvere dalla ruota orientabile e serrate il dado di bloccaggio (Figura 55).
Serrate il dado di bloccaggio finché le rondelle elastiche non sono piatte, quindi allentate di un quarto di giro per mettere a punto il precarico sui cuscinetti (Figura 55).
Important: Verificate che le rondelle elastiche siano correttamente montate, come riportato nella Figura 55.
Montate il coperchietto antipolvere (Figura 55).

| Cadenza di manutenzione | Procedura di manutenzione |
|---|---|
| Ogni 50 ore |
|
Utilizzate lubrificante sintetico per ingranaggi SAE 75W-90.
Parcheggiate la macchina su una superficie pianeggiante e inserite il freno di stazionamento.
Abbassate il piatto di taglio all'altezza di taglio di 25 mm.
Disinserite l’interruttore di controllo della lama, spegnete il motore, togliete la chiave di accensione e attendete che si arrestino tutte le parti in movimento.
Sollevate il poggiapiedi per esporre la parte superiore del piatto di taglio del tosaerba.
Rimuovete l'asta di livello/tappo di riempimento dalla parte superiore della scatola ingranaggi e assicuratevi che il lubrificante sia compreso tra i segni sull'asta di livello.(Figura 56)

Se il livello dell’olio è basso, rabboccate lubrificante fino a raggiungere il livello compreso tra i segni di pieno sull'asta di livello.
Important: Non riempite troppo gli ingranaggi, per non danneggiarli.
| Cadenza di manutenzione | Procedura di manutenzione |
|---|---|
| Dopo le prime 200 ore |
|
| Ogni 400 ore |
|
Nel caso in cui l’olio sia contaminato, rivolgetevi al vostro distributore Toro, che provvederà al lavaggio dell'impianto. L’olio contaminato ha un aspetto lattiginoso o nero rispetto all’olio pulito.
Parcheggiate la macchina su una superficie pianeggiante e inserite il freno di stazionamento.
Abbassate il piatto di taglio all'altezza di taglio di 25 mm.
Disinserite l’interruttore di controllo della lama, spegnete il motore, togliete la chiave di accensione e attendete che si arrestino tutte le parti in movimento.
Sollevate il poggiapiedi per esporre la parte superiore del piatto di taglio del tosaerba.
Rimuovete l'asta di livello/tappo di riempimento dalla parte superiore della scatola ingranaggi e assicuratevi che il lubrificante sia compreso tra i segni sull'asta di livello.(Figura 56)
Estraete l’olio attraverso il foro di riempimento usando un dispositivo di aspirazione o rimuovete la scatola degli ingranaggi dal piatto di taglio e versate l’olio in una bacinella di spurgo.
Installate la scatola degli ingranaggi (qualora fosse stata rimossa per lo spurgo).
Rabboccate con circa 420 ml, finché il livello non raggiunge i segni di pieno sull'asta.
Important: Non riempite troppo gli ingranaggi, per non danneggiarli.
L'ingestione di refrigerante del motore può causare avvelenamento, per cui tenetelo fuori dalla portata di bambini e animali domestici.
Se viene scaricato refrigerante caldo sotto pressione o si tocca il radiatore o le parti adiacenti calde, possono verificarsi gravi ustioni.
Lasciate sempre raffreddare il motore per almeno 15 minuti prima di rimuovere il tappo del radiatore.
Aprite il tappo del radiatore con uno straccio, agendo lentamente per lasciare fuoriuscire il vapore.
| Cadenza di manutenzione | Procedura di manutenzione |
|---|---|
| Prima di ogni utilizzo o quotidianamente |
|
Specifiche del refrigerante: soluzione al 50/50 di acqua e antigelo al glicole etilenico permanente
Capacità del sistema di raffreddamento: 7,6 litri
Parcheggiate la macchina su una superficie pianeggiante, disinnestate l'interruttore di comando delle lame e inserite il freno di stazionamento.
Prima di scendere dalla postazione di guida spegnete il motore, togliete la chiave di accensione e attendete che si arrestino tutte le parti in movimento.
Aprite il cofano.
Controllate il livello di refrigerante nel serbatoio di espansione (Figura 57).
Note: Il livello di refrigerante deve essere compreso tra i segni di pieno sulla parte laterale del serbatoio.

Se il livello del refrigerante è basso, togliete il tappo dal serbatoio di espansione e rabboccate il refrigerante specificato (Figura 57).
Important: Non riempite troppo.
Montate il tappo del serbatoio di espansione.
Chiudete il cofano.
| Cadenza di manutenzione | Procedura di manutenzione |
|---|---|
| Ogni 50 ore |
|
Pulite il radiatore per evitare il surriscaldamento del motore.
Note: Se il motore si spegne a causa di un surriscaldamento, controllate il radiatore alla ricerca di un accumulo eccessivo di detriti.
Parcheggiate la macchina su una superficie pianeggiante, disinnestate l'interruttore di comando delle lame e inserite il freno di stazionamento.
Prima di scendere dalla postazione di guida spegnete il motore, togliete la chiave di accensione e attendete che si fermino tutte le parti in movimento.
Ruotate il gancio in avanti.
Utilizzando aria compressa, soffiate via i detriti bloccati tra le alette di tutto il radiatore, procedendo sia dall’alto verso il basso che dal basso verso l’alto.
Qualora rimangano detriti, potrebbe essere necessario usare acqua da un tubo a bassa pressione.
Se il radiatore è pulito, procedete al passaggio 7.
Coprite il motore con un cartone o un foglio di plastica. Spruzzate acqua tra le alette. Soffiate tra le alette con aria a bassa pressione da entrambe le direzioni.
Note: Qualora rimangano detriti, ripetete l’operazione fino a quando non sarà pulito.
Abbassate il cofano.
Avviate il motore per accertarvi che la ventola funzioni adeguatamente.
| Cadenza di manutenzione | Procedura di manutenzione |
|---|---|
| Ogni 2000 ore |
|
Parcheggiate la macchina su una superficie pianeggiante, disinnestate l'interruttore di comando delle lame e inserite il freno di stazionamento.
Prima di scendere dalla postazione di guida spegnete il motore, togliete la chiave di accensione e attendete che si fermino tutte le parti in movimento.
Ruotate il gancio in avanti.
Spurgate il refrigerante quando il motore è freddo.
Rimuovete il tappo del radiatore, posizionate una bacinella sotto il radiatore e rimuovete il tappo di spurgo nella parte inferiore del radiatore.
Rimuovete il flessibile del refrigerante dal radiatore dell’olio e spurgate il refrigerante dal blocco motore (Figura 58).

Montate i tappi e i flessibili di spurgo.
Rabboccate il radiatore con una miscela al 50/50 di acqua e glicole etilenico.
Note: È consigliato l’uso del refrigerante Havoline® Xtended Life.
Lasciate un po’ di spazio (circa 12,7 mm) per l’espansione. Rabboccate con una miscela al 50/50 di refrigerante la vaschetta di raccolta sul lato sinistro del motore secondo quanto necessario per portare il livello fino alla linea dell’indicatore sulla vaschetta.
Fate girare il motore fino a quando il termostato del motore non si apre e il refrigerante circola attraverso la massa radiante.
Non appena l’aria spurga dal blocco motore e il livello del refrigerante si abbassa, aggiungete altro refrigerante al radiatore.
Quando il radiatore è completamente pieno e non può essere aggiunto altro refrigerante, continuate a far girare il motore e montate il tappo del radiatore.
Accertatevi che il tappo sia perfettamente posizionato premendo con forza durante la rotazione, fino a quando il tappo non si blocca. Una volta montato il tappo, spegnete il motore.
| Cadenza di manutenzione | Procedura di manutenzione |
|---|---|
| Dopo le prime 100 ore |
|
| Ogni 400 ore |
|
Verificate per assicurarvi che il freno di stazionamento sia correttamente regolato. Seguite questa procedura anche ogni volta che avrete rimosso o sostituito un componente del freno.
Parcheggiate la macchina su una superficie pianeggiante, disinnestate l'interruttore di comando delle lame e inserite il freno di stazionamento.
Prima di scendere dalla postazione di guida spegnete il motore, togliete la chiave di accensione e attendete che si arrestino tutte le parti in movimento.
Sollevate il retro della macchina e sostenetela su cavalletti.
Togliete gli pneumatici posteriori dalla macchina.
Togliete i detriti dall'area del freno.
Rilasciate le ruote motrici; fate riferimento a Utilizzo delle valvole di rilascio delle ruote motrici.
Misurate la lunghezza del gruppo attacco (Figura 59).
Note: Se il gruppo attacco è fissato nella posizione anteriore, la lunghezza deve essere di 219 mm; se è fissato nella posizione posteriore, la lunghezza deve essere di 232 mm.

Misurate la lunghezza della molla (Figura 59).
Note: La misura deve essere di 95 mm.
Una volta raggiunta la corretta lunghezza della molla, controllate che vi sia una distanza visibile tra il perno e lo spallamento.
Disinserite il freno di stazionamento e ruotate il mozzo della ruota manualmente in entrambe le direzioni.
Note: Il mozzo della ruota deve muoversi liberamente.
Se è necessaria una distanza o se il mozzo della ruota non si muove liberamente, effettuate le seguenti operazioni:
Disinserite il freno di stazionamento.
Scollegate e regolate il gruppo del tirante posteriore.
Accorciate l'attacco per creare un gioco.
Allungate l'attacco per permettere il movimento del mozzo della ruota.
Collegate il gruppo del tirante posteriore.
Inserite il freno di stazionamento e controllate la distanza.
Ripetete i passaggi da 10 a 12 fino a quando non ottenete una distanza visibile e il mozzo della ruota non ruota liberamente. Ripetete l’operazione per l'altro lato.
Note: Il freno deve essere completamente disinserito quando è in posizione rilasciata.
Ruotate la maniglia di rilascio delle ruote motrici in posizione operativa; fate riferimento a Utilizzo delle valvole di rilascio delle ruote motrici.
Montate gli pneumatici posteriori e serrate i dadi ad alette a una coppia compresa tra 115 e 142 N∙m.
Togliete i cavalletti metallici.
| Cadenza di manutenzione | Procedura di manutenzione |
|---|---|
| Ogni 50 ore |
|
Se la cinghia è usurata, sostituitela. I segni di una cinghia usurata includono stridio durante la rotazione della cinghia, slittamento delle lame durante il taglio dell’erba, bordi sfilacciati, segni di bruciatura e spaccature sulla cinghia.
Se la cinghia emette un sibilo mentre gira, le lame scivolano quando tosate l'erba, i bordi sono usurati per sfregamento o notate dei segni di bruciato o incrinature, è segno che la cinghia del tosaerba è consumata. Sostituite la cinghia se notate uno qualsiasi dei segni sopra riportati.
Parcheggiate la macchina su una superficie pianeggiante, disinnestate l'interruttore di comando delle lame e inserite il freno di stazionamento.
Prima di scendere dalla postazione di guida spegnete il motore, togliete la chiave di accensione e attendete che si arrestino tutte le parti in movimento.
Abbassate il tosaerba all'altezza di taglio di 76 mm.
Togliete i copricinghia.
Inserite un cricchetto nel foro quadrato del braccio di rinvio per allentare la molla del tenditore (Figura 60).
Togliete la cinghia dalla puleggia del piatto di taglio.
Montate la nuova cinghia attorno alle pulegge del tosaerba (Figura 60).

Accertatevi che le estremità della molla siano posizionate nelle scanalature di ancoraggio, e utilizzando il cricchetto nel foro quadrato, montate la cinghia attorno alla puleggia tendicinghia (Figura 60).
Montate i copricinghia.
| Cadenza di manutenzione | Procedura di manutenzione |
|---|---|
| Ogni 100 ore |
|
Applicate una forza di 44 N sulla cinghia dell'alternatore, al centro tra le pulegge.
Se l'inflessione non è di 10 mm, allentate i bulloni di fissaggio dell'alternatore (Figura 61).

Aumentate o riducete la tensione della cinghia dell'alternatore.
Serrate i bulloni di fissaggio.
Controllate di nuovo l'inflessione della cinghia per accertare che sia esatta.
Sono previsti 2 livelli di posizionamento delle leve di controllo, alto e basso. Rimuovete i bulloni per regolare l'altezza per l'operatore.
Parcheggiate la macchina su una superficie pianeggiante, disinnestate l'interruttore di comando delle lame (PDF) e inserite il freno di stazionamento.
Prima di scendere dalla postazione di guida spegnete il motore, togliete la chiave di accensione e attendete che si arrestino tutte le parti in movimento.
Allentate i bulloni e i dadi delle flange montati sulle leve (Figura 62).
Allineate le leve latitudinalmente portandole assieme in posizione FOLLE, fatele scorrere finché non sono allineate e serrate i bulloni (Figura 63).


Se le estremità delle leve sono a contatto, vedere Regolazione della tiranteria di comando del movimento.
Ripetete per regolare le leve di controllo.
Situati sotto ciascun lato della macchina, sotto il sedile, si trovano i tiranti di controllo della pompa. Ruotando il dado terminale con una chiave a brugola profonda ½" è possibile perfezionare la regolazione, in modo che la macchina non si sposti in folle. Qualsiasi regolazione dovrà essere eseguita unicamente per il posizionamento in folle.
Per regolare il controllo del movimento, dovete far girare il motore e ruotare le ruote motrici. Il contatto con parti in movimento o superfici calde può causare infortuni.
Tenete dita, mani e abiti lontano dalle parti rotanti e dalle superfici calde.
Parcheggiate la macchina su una superficie pianeggiante, disinnestate l'interruttore di comando delle lame (PDF) e inserite il freno di stazionamento.
Prima di scendere dalla postazione di guida spegnete il motore, togliete la chiave di accensione e attendete che si arrestino tutte le parti in movimento.
Spingete il pedale di sollevamento del piatto di taglio, rimuovete il perno dell'altezza di taglio e abbassate a terra il piatto di taglio
Sollevate la parte posteriore della macchina e sostenetela con i cavalletti (o supporti equivalenti) a un'altezza sufficiente a consentire alle ruote motrici di ruotare liberamente.
Togliete il connettore elettrico dall'interruttore di sicurezza del sedile, posto sotto il cuscino inferiore del sedile stesso.
Note: L'interruttore fa parte del gruppo del sedile.
Montate provvisoriamente un ponticello sui morsetti del connettore del cablaggio principale.
Avviate il motore, lasciatelo in funzione a pieno regime e disinserite il freno di stazionamento.
Note: Prima di avviare il motore, assicuratevi che il freno di stazionamento sia inserito e che le leve di comando del movimento siano all'esterno. Non dovete essere sul sedile.
Lasciate in funzione la macchina per almeno 5 minuti con le leve di azionamento alla massima velocità di marcia in avanti per portare l'olio idraulico alla temperatura operativa.
Note: Le leve di comando del movimento devono essere in folle quando effettuate eventuali regolazioni.
Portate le leve di comando del movimento in posizione di FOLLE.
Regolate la lunghezza dell'asta di controllo della pompa facendo girare nella direzione opportuna i due dadi sull'asta, finché le ruote si spostano leggermente indietro (Figura 64).

Spostate le leve di comando del movimento in posizione di RETROMARCIA e applicando una leggera pressione alla leva consentite alle molle dell'indicatore di retromarcia di riportare le leve in folle.
Note: Le ruote devono smettere di ruotare o procedere leggermente in marcia indietro.
Spegnete la macchina.
Togliete il ponticello dal connettore del cablaggio preassemblato ed inserite il connettore nell'interruttore del sedile.
Togliete i cavalletti.
Sollevate il piatto e montate il perno dell'altezza di taglio.
Controllate e assicuratevi che la macchina non proceda quando è in folle con il freno di stazionamento disinserito.
Potete regolare il bullone di montaggio dell'ammortizzatore superiore in modo da ottenere la resistenza della leva di comando del movimento che desiderate. Vedere la Figura 65 per le opzioni di montaggio.

Se il fluido penetra nella pelle, rivolgetevi immediatamente a un medico. Il fluido idraulico penetrato sotto la pelle deve essere asportato da un medico entro poche ore.
Prima di mettere l'impianto sotto pressione, accertatevi che tutti i circuiti e i tubi dell'olio idraulico siano in buone condizioni e che tutte le connessioni e i raccordi idraulici siano serrati saldamente.
Tenete corpo e mani lontano da perdite filiformi o da ugelli che emettono fluido idraulico pressurizzato.
Usate carta o cartone per individuare eventuali perdite di fluido idraulico.
Rilasciate in maniera sicura la pressione dall'impianto idraulico prima di eseguire qualunque intervento sull'impianto.
Capacità del serbatoio idraulico: 15,1 litri
Fluido raccomandato: fluido idraulico/della trasmissione per trattorini Toro Premium (reperibile in fustini di 19 litri o in contenitori di 208 litri. Consultate il Catalogo ricambi o rivolgetevi al vostro distributore Toro autorizzato per i relativi numeri).
Fluidi alternativi: in mancanza di fluido Toro, utilizzate fluido idraulico Mobil® 424.
Note: Toro non si assume alcuna responsabilità per danni causati da sostituzioni inappropriate.
Note: Molti fluidi idraulici sono praticamente incolori, e rendono difficile il rilevamento di fuoriuscite. Un additivo con colorante rosso per il fluido dell'impianto idraulico è disponibile in flaconi da 20 ml. Un flacone è sufficiente per 15–22 litri di fluido idraulico. Ordinate il n. cat. 44-2500 dal vostro distributore Toro autorizzato.
| Cadenza di manutenzione | Procedura di manutenzione |
|---|---|
| Prima di ogni utilizzo o quotidianamente |
|
Si consiglia tuttavia di controllare il livello del fluido idraulico prima di avviare il motore per la prima volta, e in seguito ogni giorno.
Parcheggiate la macchina su una superficie pianeggiante, disinnestate l'interruttore di comando delle lame e inserite il freno di stazionamento.
Spostate le leve di comando del movimento in posizione di BLOCCO IN FOLLE e avviate il motore.
Note: Fate girare il motore al minimo per spurgare l’aria presente nell'impianto.
Important: Non innestate la PDF.
Alzate la scocca per prolungare i cilindri di sollevamento, spegnete il motore e togliete la chiave.
Sollevate il sedile per accedere al serbatoio del fluido idraulico.
Togliete il tappo del serbatoio idraulico (Figura 66).

Togliete l'asta di livello ed asciugatela con un panno pulito (Figura 66).
Posizionate l’asta di livello nel collo del bocchettone di riempimento, quindi estraetela e controllate il livello del fluido (Figura 67).
Note: Se il livello non raggiunge la zona della tacca sull'asta, rabboccate con fluido idraulico di alta qualità fino ad alzare il livello fino alla tacca.
Important: Non riempite troppo.

Reinserite il tappo e avvitate saldamente a mano l'asta di livello sul collo del bocchettone di riempimento.
Controllate che i raccordi idraulici e i flessibili non perdano.
| Cadenza di manutenzione | Procedura di manutenzione |
|---|---|
| Dopo le prime 200 ore |
|
| Ogni 400 ore |
|
| Ogni 800 ore |
|
Disinnestate la PDF, spostate le leve di comando del movimento in posizione di BLOCCO IN FOLLE e inserite il freno di stazionamento.
Portate la leva dell'acceleratore in posizione di MINIMA, spegnete il motore, togliete la chiave di accensione e prima di scendere dalla postazione di guida attendete che le parti in movimento si siano fermate.
Sollevate il sedile.
Posizionate una bacinella di spurgo grande sotto il serbatoio idraulico, la scatola della trasmissione e i motori della ruota destra e sinistra (Figura 68).

Rimuovete i tappi di spurgo da ogni zona e procedete allo spurgo del fluido idraulico (Figura 68).
Pulite la zona attorno al filtro del fluido idraulico e rimuovete il filtro (Figura 68).
Montate un nuovo filtro del fluido idraulico e ruotate il filtro in senso orario fino a quando la guarnizione in gomma non viene a contatto con l’adattatore, quindi serrate il filtro da 2/3 a 3/4 di giro.
Montate i 4 tappi di spurgo.
Note: I tappi di spurgo del motore della ruota sono magnetici; puliteli con un panno prima di montarli.
Rimuovete il tappo del foro di riempimento nella parte superiore di ogni motore della ruota (Figura 69).
Rabboccate ogni motore della ruota con circa 1,4 litri di fluido idraulico/della trasmissione per trattorini Toro Premium.
Montate i tappi del foro di riempimento.

Rimuovete il tappo del serbatoio e l’asta di livello dal serbatoio del fluido idraulico.
Aggiungete 7,6 litri di fluido al serbatoio.
Sollevate la parte posteriore della macchina e sostenetela con martinetti (o supporti equivalenti) a un'altezza sufficiente da consentire alle ruote motrici di girare liberamente.
Avviate il motore e verificate che non ci siano fuoriuscite di fluido.
Lasciate girare il motore per 5 minuti circa, poi spegnetelo.
Dopo 2 minuti controllate il livello del fluido idraulico; vedere Controllo del livello del fluido idraulico.
Controllate le lame ad intervalli regolari, per accertare che non siano consumate o danneggiate.
Prestate la massima attenzione quando controllate le lame. Durante gli interventi di manutenzione, avvolgete le lame o indossate guanti adatti allo scopo, prestando molta attenzione. Le lame possono essere solo affilate o sostituite, ma non raddrizzate né saldate.
Su macchine multilama, ricordate che la rotazione di una lama può provocare la rotazione anche di altre lame.
Sostituite in serie lame e bulloni usurati o danneggiati, per mantenere il bilanciamento.
Per garantire una qualità del taglio superiore, mantenete le lame affilate. Per facilitare l'affilatura e la sostituzione, è preferibile tenere una scorta di lame di ricambio.
Parcheggiate la macchina su una superficie pianeggiante, disinnestate l'interruttore di comando delle lame e inserite il freno di stazionamento.
Prima di scendere dalla postazione di guida spegnete il motore, togliete la chiave di accensione e attendete che si arrestino tutte le parti in movimento.
| Cadenza di manutenzione | Procedura di manutenzione |
|---|---|
| Prima di ogni utilizzo o quotidianamente |
|
Controllate i taglienti (Figura 70).
Se i taglienti non sono affilati o presentano intaccature, togliete la lama ed affilatela; vedere Affilatura delle lame.
Controllate le lame, in particolare l'area curva.
Se notate incrinature, usura o scanalature in questa zona, montate immediatamente una nuova lama (Figura 70).

Note: La macchina deve essere posizionata su una superficie pianeggiante per la seguente procedura.
Sollevate il piatto di taglio alla posizione superiore dell'altezza di taglio.
Indossando guanti dalla spessa imbottitura o altre protezioni idonee per le mani, ruotate lentamente la lama in una posizione che consenta di misurare la distanza tra il bordo di taglio e la superficie piana su cui si trova la macchina (Figura 71).

Misurate dalla punta della lama alla superficie piana (Figura 72).

Ruotate la stessa lama di 180 gradi in modo che il tagliente opposto si trovi ora nella stessa posizione (Figura 73).

Misurate dalla punta della lama alla superficie piana (Figura 74).
Note: La varianza non deve essere superiore a 3 mm.

Se la differenza tra A e B è superiore a 3 mm, sostituite la lama con una nuova; fate riferimento a Rimozione delle lame e Montaggio delle lame.
Note: Se viene sostituita una lama curva con una nuova lama e la dimensione ottenuta continua ad essere superiore a 3 mm, il fusello della lama può essere piegato. Rivolgetevi a un Centro Assistenza autorizzato per avere assistenza.
Se la varianza è limitata, spostatevi alla lama successiva.
Ripetete la procedura su ogni lama.
Sostituite le lame se colpiscono un oggetto solido, se sono sbilanciate o piegate.
Posizionate una chiave sulla spianatura dell’albero del fusello, oppure tenete l'estremità della lama con un cencio o un guanto bene imbottito.
Rimuovete il bullone della lama, la boccola e la lama dall’albero del fusello (Figura 75).

Affilate i taglienti da entrambe le estremità della lama con una lima (Figura 76).
Note: Rispettate l’angolazione originale.
Note: La lama conserva il proprio equilibrio soltanto se viene rimossa una quantità uguale di materiale da entrambi i taglienti.

Controllate l’equilibrio della lama posizionandola su un bilanciatore (Figura 77).
Note: Se la lama rimane in posizione orizzontale, è bilanciata e può essere utilizzata.
Note: Se la lama non è bilanciata, limate del metallo soltanto dalla costa (Figura 76).

Ripetete la procedura finché la lama non è perfettamente bilanciata.
Montate la boccola attraverso la lama con la flangia della boccola sul lato inferiore (erba) della lama (Figura 78).

Montate il gruppo boccola/lama nell’albero del mandrino (Figura 79).

Applicate lubrificante o grasso a base di rame sui filetti del bullone della lama come opportuno per evitare il grippaggio. Montate il bullone della lama serrandolo a mano.
Posizionate una chiave sulla spianatura dell’albero del mandrino e serrate il bullone della lama a 75–81 N∙m.
Note: Verificate che il piatto di taglio del tosaerba sia a livello prima di impostare l'altezza di taglio (HOC).
Parcheggiate la macchina su una superficie pianeggiante, disinnestate l'interruttore di comando delle lame e inserite il freno di stazionamento.
Prima di scendere dalla postazione di guida spegnete il motore, togliete la chiave di accensione e attendete che si arrestino tutte le parti in movimento.
Controllate la pressione degli pneumatici delle ruote motrici.
All'occorrenza regolatela a 1,24 bar.
Utilizzando l’interruttore di sollevamento del piatto di taglio, spostate l’altezza del piatto di taglio dalla posizione di trasferimento (altezza di taglio di 140 mm).

Inserite il perno dell’altezza di taglio posizionando l'altezza di taglio a 76 mm.
Rilasciate il blocco di trasferimento in modo che il piatto di taglio possa abbassarsi fino all'altezza impostata.
Misurate da una superficie pianeggiante alla punta anteriore della lama centrale (Figura 81).
Note: La misura deve essere di 76 mm.
Nella maggior parte dei casi, le punte posteriori sulle lame laterali devono essere al livello della parte anteriore.

Mettete a punto il dado di regolazione sul gruppo di sollevamento del piatto di taglio anteriore ruotandolo (Figura 82).
Note: Per aumentare l'altezza, ruotate il dado di regolazione in senso orario; per ridurla, agite in senso antiorario.
Note: Se le articolazioni del piatto di taglio anteriore non sono state regolate in modo da ottenere un’altezza di taglio accurata, potete utilizzare la regolazione da un punto unico per ottimizzare la regolazione stessa.

Misurate l’altezza della punta della lama posteriore. Regolate le viti di regolazione posteriori come necessario; utilizzate la regolazione da un punto unico per ottimizzare la regolazione stessa.
Le punte posteriori delle lame laterali devono misurare 76 mm.
Misurate fino a quando i 4 lati non si trovano all'altezza corretta. Serrate tutti i dadi sui gruppi del braccio di sollevamento del piatto di taglio.
Se le 4 viti di regolazione del piatto di taglio non sono state regolate in modo da ottenere un’altezza di taglio accurata con l’inclinazione desiderata, potete regolare il sistema da un punto unico (Figura 83).

Per regolare il sistema da un punto unico, per prima cosa allentate i bulloni per il montaggio della piastra dell’altezza di taglio anteriore e posteriore (Figura 83).
Note: Il piatto di taglio viene collegato in fabbrica nei fori anteriori (Figura 84). Se necessario, utilizzate i fori posteriori per ulteriori regolazioni durante il livellamento del piatto di taglio del tosaerba.

Se il piatto è troppo basso, serrate il bullone di regolazione da un punto unico ruotandolo in senso orario. Se il piatto è troppo alto, allentate il bullone di regolazione da un punto unico ruotandolo in senso antiorario (Figura 85).
Note: Allentate o serrate il bullone di regolazione da un punto unico quanto basta per spostare i bulloni di montaggio della piastra dell'altezza di taglio di almeno 1/3 della lunghezza della corsa disponibile nelle relative scanalature. Ciò consente di recuperare la regolazione verso l'alto o verso il basso su ognuno dei 4 collegamenti del piatto di taglio.

Serrate i 2 bulloni alla base della piastra dell'altezza di taglio (Figura 83).
Note: Nella maggior parte dei casi, regolate l’estremità della lama posteriore a un’altezza di 6,4 mm maggiore rispetto alla parte anteriore.
Serrate i 2 bulloni a una coppia compresa tra 91 e 113 N∙m.
Misurate fino a quando i 4 lati non si trovano all'altezza corretta. Serrate tutti i dadi sui gruppi del braccio di sollevamento del piatto di taglio.
| Cadenza di manutenzione | Procedura di manutenzione |
|---|---|
| Prima di ogni utilizzo o quotidianamente |
|
Important: Non utilizzate acqua per pulire il motore. Utilizzate aria compressa a bassa pressione. Consultate il manuale per l’uso del motore.
Parcheggiate la macchina su una superficie pianeggiante, disinnestate l'interruttore di comando delle lame (PDF) e inserite il freno di stazionamento.
Prima di scendere dalla postazione di guida spegnete il motore, togliete la chiave di accensione e attendete che si arrestino tutte le parti in movimento.
Pulite l’area attorno al volano, la testata del cilindro, gli iniettori e la pompa degli iniettori.
Pulite tutti i detriti dalla zona dell’impianto di scarico.
Ripulite eventuali tracce di grasso in eccesso o olio nell’area attorno al motore e nella zona di scarico.
| Cadenza di manutenzione | Procedura di manutenzione |
|---|---|
| Prima di ogni utilizzo o quotidianamente |
|
Parcheggiate la macchina su una superficie pianeggiante, disinnestate l'interruttore di comando delle lame (PDF) e inserite il freno di stazionamento.
Prima di scendere dalla postazione di guida spegnete il motore, togliete la chiave di accensione e attendete che si arrestino tutte le parti in movimento.
Pulite eventuali accumuli di olio, detriti o sfalcio presenti sulla macchina e sul piatto di taglio, soprattutto sotto le protezioni della cinghia del piatto di taglio, attorno al serbatoio del carburante, il motore e la zona di scarico.
Sollevate il piatto di taglio del tosaerba in posizione di TRASFERIMENTO.
Pulite eventuali accumuli di erba dal fondo del piatto.
L'olio motore, le batterie, il fluido idraulico e il refrigerante del motore inquinano l'ambiente. Smaltiteli in totale conformità ai regolamenti locali e nazionali.
Spegnete il motore, rimuovete la chiave e attendete l’arresto di tutte le parti in movimento prima di lasciare la posizione dell’operatore. Lasciate raffreddare la macchina prima di eseguire interventi di regolazione, di manutenzione, di pulizia o di rimessarla.
Non rimessate la macchina e non rifornitela di carburante accanto alle fiamme; non spurgate il carburante al chiuso oppure in un rimorchio chiuso.
Non depositate la macchina o la tanica del carburante in presenza di fiamme libere, scintille o spie, come vicino a uno scaldabagno o altre apparecchiature.
Disinnestate l'interruttore di comando delle lame (PDF) e inserite il freno di stazionamento.
Prima di scendere dalla postazione di guida spegnete il motore, togliete la chiave di accensione e attendete che si arrestino tutte le parti in movimento.
Eliminate residui d'erba, morchia e fanghiglia dalle parti esterne della macchina, in particolare dal motore e dall'impianto idraulico. Eliminate morchia e sporcizia dall'esterno del cilindro del motore, dalle alette della testata e dal convogliatore.
Important: La macchina può essere lavata con detersivo neutro ed acqua. Non utilizzate lance ad alta pressione. Non utilizzate una quantità d'acqua eccessiva, in particolare in prossimità della plancia, del motore, delle pompe idrauliche e dei motori.
Verificate il funzionamento del freno di stazionamento; fate riferimento a Regolazione del freno di stazionamento.
Revisionate il filtro dell'aria; vedere Revisione del filtro dell'aria.
Ingrassate la macchina; vedere Lubrificazione.
Cambiate l’olio del carter; vedere Specifiche dell'olio motore.
Controllate la pressione degli pneumatici; vedere Controllo della pressione dei pneumatici.
Cambiate i filtri idraulici; vedere Cambio del fluido idraulico e del filtro.
Cambiate la batteria; vedere Carica della batteria.
Raschiate i depositi di erba e morchia dal sottoscocca, quindi lavate il tosaerba con un flessibile da giardino.
Note: Dopo il lavaggio, fate funzionare la macchina con il controllo della lama (PDF) innestato ed il motore al minimo superiore per 2–5 minuti.
Controllate le condizioni delle lame; vedere Revisione delle lame di taglio.
Preparate la macchina per il rimessaggio in caso di pause di utilizzo superiori a 30 giorni. Preparate la macchina per il rimessaggio come segue.
Aggiungete uno stabilizzatore/additivo a base di petrolio al carburante nel serbatoio. Osservate le istruzioni per la miscelazione riportate dal produttore dello stabilizzatore. Non utilizzare stabilizzatori a base di alcol (etanolo o metanolo).
Note: Lo stabilizzatore/additivo del carburante è più efficace se viene utilizzato sempre insieme a carburante fresco.
Lasciate in funzione il motore per distribuire il carburante condizionato attraverso l'impianto del carburante per 5 minuti.
Spegnete il motore, lasciatelo raffreddare e spurgate i serbatoi carburante.
Avviate il motore e fatelo girare finché non si spegne.
Smaltite il carburante nel rispetto dell'ambiente. Riciclate il carburante nel rispetto delle leggi locali.
Important: Non stoccate il carburante contenente stabilizzatore/additivo più a lungo della durata raccomandata dal produttore dello stabilizzatore.
Controllate e serrate tutti i bulloni, i dadi e le viti. Riparate o sostituite le parti danneggiate.
Ritoccate tutti i graffi e le superfici metalliche sverniciate. La vernice può essere ordinata al Centro di Assistenza autorizzato di zona.
Riponete la macchina in una rimessa o in un deposito pulito ed asciutto. Togliete la chiave dall'interruttore e tenetela fuori dalla portata dei bambini o di altri utenti non autorizzati. Coprite la macchina con un telo per proteggerla e mantenerla pulita.
| Problem | Possible Cause | Corrective Action |
|---|---|---|
| Il motorino di avviamento non si avvia. |
|
|
| Il motore non si avvia, ha difficoltà di avviamento o perde potenza. |
|
|
| Il motore perde potenza. |
|
|
| Il motore si surriscalda. |
|
|
| La macchina tira verso destra o sinistra (con le leve di comando del movimento completamente avanti). |
|
|
| La trazione non funziona. |
|
|
| La macchina inizia a vibrare in modo insolito. |
|
|
| L'altezza di taglio è irregolare. |
|
|
| Le lame non girano. |
|
|



