| Vedlikeholdsintervall | Vedlikeholdsprosedyre |
|---|---|
| For hver bruk eller daglig |
|
Denne plentraktoren med roterende kniver er beregnet på bruk av profesjonelle, innleide operatører. Den er hovedsakelig beregnet på å klippe gress på godt vedlikeholdte plener på private eller kommersielle eiendommer. Hvis du bruker dette produktet til andre formål enn det er beregnet på, kan du utsette deg selv eller andre for fare.
Les denne håndboken nøye, slik at du lærer å bruke og vedlikeholde produktet på riktig måte og unngår person- eller produktskade. Du har ansvar for å bruke produktet på en riktig og sikker måte.
Gå til www.Toro.com for materialer for produktsikkerhet og opplæring i bruk, og informasjon om tilbehør, hjelp til å finne en forhandler eller for å registrere produktet ditt.
Hvis maskinen må repareres, om du trenger originale Toro-deler eller mer informasjon, kan du kontakte et autorisert forhandlerverksted eller Toros kundeserviceavdeling. Ha modell- og serienummer for hånden når du tar kontakt. Figur 1 identifiserer plasseringen av modell- og serienummer på produktet. Skriv inn numrene i tilhørende felt.
Important: Med den mobile enheten skanner du QR-koden på serienummermerket for å få tilgang til garantien, deler og annen produktinformasjon.

I tillegg brukes to ord for å utheve informasjon. Viktig gjør oppmerksom på spesiell mekanisk informasjon og Obs henviser til generell informasjon som er verdt å huske.
Symbolet for sikkerhetsvarsel (Figur 2) vises både i denne håndboken og på maskinen for å identifisere viktige sikkerhetsmeldinger som du må følge for å unngå ulykker. Dette symbolet vises sammen med ordet Fare, Advarsel eller Forsiktig.
Fare indikerer en farlig situasjon som, hvis den ikke unngås, vil resultere i dødsfall eller alvorlig personskade.
Advarsel indikerer en potensielt farlig situasjon som, hvis den ikke unngås, kan resultere i dødsfall eller alvorlig personskade.
Forsiktig indikerer en potensielt farlig situasjon som, hvis den ikke unngås, kan resultere i mindre eller moderat skade.

Det er i strid med Californias Public Resource Code, avsnitt 4442 eller 4443, å bruke denne motoren i skogs-, busk- eller gressområder med mindre motoren er utstyrt med en fungerende gnistfanger, som definert i avsnitt 4442, eller en motor som er beregnet, utstyrt og vedlikeholdt for å unngå brann.
Den vedlagte brukerhåndboken for motoren inneholder informasjon om amerikanske miljømyndigheters (EPA) og Californias utslippskontrollreguleringer for utslippssystemer, vedlikehold og garanti. Du kan bestille nye brukerhåndbøker fra motorprodusenten.
Brutto- eller nettomoment: Motorens brutto- eller nettomoment ble beregnet i laboratorium av motorprodusenten i overensstemmelse med Society of Automotive Engineers (SAE) J1940 eller J2723. Når gresslippere i denne klassen er konfigurert til å overholde sikkerhets-, utslipps- og driftskrav, vil det faktiske dreiemomentet være betydelig lavere. Se motorprodusentens informasjon som følger med maskinen.
CALIFORNIA
Proposition 65-advarsel
Staten California kjenner til at motoreksosen fra dette produktet inneholder kjemikalier som kan forårsake kreft, fosterskader og skade forplantningsevnen på andre måter.
Batteriklemmer og -poler og tilknyttet tilbehør inneholder bly og blysammensetninger. Dette er kjemikalier som kan forårsake kreft og forplantningsskader. Vask hendene etter håndtering.
Bruk av dette produktet kan forårsake eksponering for kjemikalier som staten California vet forårsaker kreft, fødselsdefekter eller annen forplantningsskade.
Dette produktet kan amputere hender og føtter og slynge gjenstander opp i luften. Følg alltid alle sikkerhetsinstruksjoner for å unngå alvorlige skadereller dødsulykker.
Les og forstå innholdet i denne brukerhåndboken før du starter motoren.
Hold tilskuere og barn unna.
Ikke la barn eller personer som ikke er opplært, betjene eller utføre vedlikehold på maskinen. Maskinen skal kun brukes av ansvarlige personer som fått opplæring, er kjent med instruksjonene og er fysisk i stand til å betjene eller utføre vedlikehold på den.
Hold alltid veltebøylen i fullt hevet og låst stilling og bruk sikkerhetsbelte.
Maskinen må ikke brukes nær bratte skrenter, grøfter, voller, vann eller andre farer, eller i skråninger på mer enn 15 grader.
Hold hender og føtter borte fra roterende deler på maskinen.
Bruk aldri maskinen uten at alle vernedeksler, sikkerhetsbrytere og andre sikkerhetsanordninger sitter på plass og fungerer som de skal.
Slå av motoren, ta ut nøkkelen og vente til alle bevegelige deler står stille, før du forlater førerens plass. La maskinen kjøle seg ned før vedlikehold, justering, fylling av drivstoff, rengjøring eller lagring.

![]() |
Sikkerhetsmerker og instruksjoner er lett synlige for føreren og er plassert i nærheten av alle områder som representerer en potensiell fare. Bytt ut alle merker som er ødelagte eller mangler. |


























Gjør deg kjent med alle kontroller før du starter motoren og bruker maskinen.

Se programvarehåndboken for detaljert informasjon som forklarer operatørgrensesnittet som gir deg tilgang til informasjon, tilbakestilling av tellere, endring av systeminnstillinger og feilsøking av utstyret.

Informasjonsskjermen viser informasjon i forhold til maskinbruk. Se programvarehåndboken for mer informasjon.
Flerfunksjonsknappene er plassert nederst på panelet. Ikonene som vises på informasjonsskjermen ovenfor, indikerer den gjeldende funksjonen. Knappene lar deg velge motorhastigheten og navigere gjennom systemmenyene.
Se programvarehåndboken for å få ytterligere informasjon.
LED-statuslampen er flerfarget for å indikere systemets status og er plassert på høyre side av panelet. Under oppstart lyser LED-lampen rødt til oransje til grønt for å bekrefte funksjonaliteten.
Uavbrutt grønt – indikerer normal driftsaktivitet
Blinker rødt – indikerer en aktiv feil
Blinker grønt og oransje – indikerer at det er nødvendig med en clutchtilbakestilling
Se programvarehåndboken for å få ytterligere informasjon.
Hvis det oppstår en feil, vises en feilmelding, LED-lampen blir rød, og alarmen lyder hørbart som følger:
En rask pipelyd indikerer kritiske feil.
En langsom pipelyd indikerer mindre kritiske feil, for eksempel nødvendige vedlikeholds- eller serviceintervaller.
Note: Under oppstarten høres alarmen kort for å bekrefte funksjonaliteten.
Se programvarehåndboken for å få ytterligere informasjon.
Timemåleren registrerer antallet timer som motoren har vært i bruk. Den er i gang når motoren er i gang. Bruk tidene for å planlegge vanlig vedlikehold (Figur 5).
Timer vises i Motor av-skjermen eller i Motortimeteller-menyen.
Se programvarehåndboken for å få ytterligere informasjon.
Bruk denne bryteren til å starte motoren. Den har tre stillinger: START, KJøR og AV.
Note: LCD-indikatorene vises når hver kontroll innfrir «trygt å starte»-modus (f.eks. tennes indikatoren når du setter deg i setet.)
Note: Motorens ECU styrer glødepluggene under kaldstart. Hvis kjølevæsketemperaturen er for lav, vises glødesymbolet på skjermen, og starteren sveiver ikke når du vrir tenningen til START-posisjonen. Glødepluggene aktiveres i På- eller START-posisjon. Når gløden har vært på lenge nok til gjeldende temperatur, forsvinner glødesymbolet på skjermen og motoren sveiver når den vris til START-posisjonen.
Note: Systemet lar deg starte maskinen med kraftuttaksbryteren tilkoblet, men kobler ikke til knivene. Du må tilbakestille kraftuttaksbryteren for å koble inn kraftuttaket.
Gasspaken styrer motorhastigheten, og det er tre hastigheter: maksimum, effektiv og lav.
Se programvarehåndboken for å få ytterligere informasjon.
Knivkontrollbryteren (kraftuttaket, PTO) slår drivkraften til knivene av og på (Figur 5).
LCD-indikatoren vises på informasjonsskjermen når kraftuttaksbryteren er koblet fra.
Note: Maskiner som er utstyrt med Horizon-visningskjerm, har en clutchsparer. Den gjør at gasspaken automatisk reduserer motorhastigheten når du kobler fra kraftuttaksbryteren. Ved å koble inn og ut kraftuttaket endres motorgassen mellom KLIPPE- og TRANSPORT-modus.
Note: Systemet lar deg starte maskinen med kraftuttaksbryteren tilkoblet, men kobler ikke til knivene. Hvis du vil koble inn kraftuttaket, må du tilbakestille kraftuttaket ved å koble det fra først og deretter inn.
Trykk bryteren bakover for å heve klippeenheten.
Trykk bryteren forover for å senke klippeenheten.
Bruk bevegelseskontrollspakene til å kjøre maskinen fremover, rygge og svinge i alle retninger (Figur 4).
Flytt bevegelseskontrollspakene utover fra midten til NøYTRAL, LåST stilling når du forlater maskinen (Figur 22). Sett alltid bevegelseskontrollspakene i NøYTRAL, LåST stillingen når du stanser maskinen eller lar den stå uten tilsyn.
Når du slår av motoren, må du sette parkeringsbremsen på for å forhindre at kjøretøyet skal bevege seg ved et uhell.
| 168,2 cm |
| Veltebøyle opp eller ned | 255,5 cm |
| Veltebøyle oppe | 182,4 cm |
| Veltebøyle nede | 129,5 cm |
| Veltebøyle oppe | 182,4 cm |
| Veltebøyle nede | 129,5 cm |
| 112 cm |
| 84 cm |
| 157,2 cm |
Et utvalg av Toro-godkjent tilbehør som kan brukes sammen med maskinen for å forbedre og utvide dens funksjoner er tilgjengelig. Ta kontakt med en autorisert serviceforhandler eller Toro-forhandler, eller gå til www.Toro.com for å få en liste over godkjent tilbehør og utstyr.
For å oppnå optimal ytelse og holde maskinen i sikkerhetsgodkjent stand bruker du bare ekte Toro-reservedeler og -tilbehør. Reservedeler og tilbehør som er laget av andre produsenter kan være farlige, og de kan derfor føre til at garantien blir ugyldig.
Note: Angi hva som er høyre og venstre side på maskinen ved å stå i normal arbeidsstilling.
Ikke la barn eller personer som ikke er opplært, betjene eller utføre vedlikehold på maskinen. Det kan hende at lokale forskrifter setter en aldersgrense for bruk. Eieren er ansvarlig for opplæring av alle operatører og mekanikere.
Undersøk området hvor du skal bruke maskinen, og fjern alle gjenstander som kan komme i veien for bruken av maskinen eller slynges ut av maskinen.
Gjør deg kjent med sikker bruk av utstyret, driftskontrollene og sikkerhetssymbolene.
Kontroller at dødmannskontrollene, sikkerhetsbryterne og vernedekslene er montert og fungerer som de skal. Ikke bruk maskinen hvis disse ikke fungerer som de skal.
Slå av motoren, ta ut nøkkelen og vente til alle bevegelige deler står stille, før du forlater førerens plass. La maskinen kjøle seg ned før vedlikehold, justering, fylling av drivstoff, rengjøring eller lagring.
Før du klipper, må du alltid undersøke maskinen for å sikre at klippeenhetene fungerer som de skal.
Vurder terrenget for å avgjøre det passende utstyret og eventuelt tilbehør som er nødvendig for å bruke maskinen korrekt og sikkert.
Ha på deg passende klær, inkludert vernebriller, vernebukser, sklisikkert og kraftig fottøy og hørselsvern. Sett opp langt hår, ikke bruk løstsittende klær eller fritthengende smykker.
Ikke ta med deg passasjerer på maskinen.
Hold tilskuere og kjæledyr unna maskinen under drift. Slå av maskinen og tilbehøret hvis noen kommer inn på området.
Ikke bruk maskinen med mindre alle vernedeksler og sikkerhetsanordninger, slik som avlederne og hele gressoppsamleren, sitter på plass og fungerer som de skal. Skift ut slitte eller forringede deler når det er nødvendig.
Drivstoff er svært brannfarlig og eksplosivt. Brann eller eksplosjon forårsaket av drivstoff kan påføre deg og andre brannskader samt ødelegge eiendom.
Når du fyller tanken, må drivstoffkannen og/eller maskinen være plassert direkte på bakken og ikke i et kjøretøy eller på en gjenstand, for å hindre at statisk elektrisitet antenner drivstoffet.
Fyll opp drivstofftanken på et plant underlag utendørs, i et åpent område og når motoren er nedkjølt. Tørk opp eventuelt drivstoffsøl.
Ikke håndter drivstoff når du røyker eller er i nærheten av åpen ild eller gnister.
Ikke ta lokket av drivstofftanken eller fyll på drivstofftanken mens motoren går eller er varm.
Ikke prøv å starte motoren hvis du har sølt drivstoff. Unngå antenningskilder til all drivstoffdamp er forsvunnet.
Drivstoff må oppbevares på en godkjent kanne, utenfor barns rekkevidde.
Drivstoff kan føre til skader eller dødsfall hvis det svelges. Hvis du utsettes for damp fra drivstoff over lengre tid, kan dette føre til alvorlig skade og sykdom.
Unngå innånding av damp fra drivstoff over lengre tid.
Hold hendene og ansiktet unna dysen og drivstofftankåpningen.
Hold drivstoffet unna øyne og hud.
Oppbevar aldri maskinen eller bensinkannen hvor det er åpen ild, gnist eller kontrollampe som på en varmtvannstank eller andre apparater.
Ikke fyll opp kanner inne i en maskin, på en lastebil eller på en tilhenger med plastfôring. Sett alltid kannene på bakken og i god avstand fra kjøretøyet før du fyller drivstoff.
Fjern utstyret fra lastebilen eller tilhengeren, og fyll på drivstoff mens det er på bakken. Hvis dette ikke lar seg gjøre, må du fylle drivstoff med en bærbar kanne heller enn direkte fra drivstoffpumpen.
Ikke bruk maskinen uten at hele eksossystemet er på plass og i fungerende tilstand.
Påfyllingstuten må være i kontakt med kanten på drivstofftanken eller kannens åpning hele tiden, helt til du er ferdig med å fylle. Ikke bruk utstyr for låsing av munnstykket i åpen stilling.
Hvis du søler drivstoff på klærne dine, bytt klær umiddelbart.
Ikke fyll for mye i drivstofftanken. Sett på igjen lokket på drivstofftanken og stram godt til.
Fjern gress og rusk fra klippeenhetene, lyddemperen, drivverket, gressoppsamleren og motorrommet for å unngå at det begynner å brenne. Tørk opp eventuelt olje- eller drivstoffsøl.
Motoren drives på rent, friskt dieseldrivstoff med minimum cetankvalitet på 40. Ikke kjøp mer drivstoff enn det som kan brukes opp i løpet av 30 dager, dette for å sikre at drivstoffet er ferskt.
Bruk dieseldrivstoff av sommertype (nr. 2-D) ved temperaturer over -7 °C og dieseldrivstoff av vintertype (nr. 1-D eller blanding av nr. 1-D/2-D) under -7 °C. Bruk av dieseldrivstoff av vintertype ved lavere temperaturer gir et lavere flammepunkt og flytepunktsegenskaper, noe som gjør det enklere å starte og minsker sjansene for kjemikalieseparasjon i drivstoffet pga. lave temperaturer (voksaktig utseende, kan tilstoppe filtrene).
Bruk dieseldrivstoff av sommertype over -7 °C bidrar til bedret levetid for pumpekomponentene.
Important: Ikke bruk parafin eller bensin i stedet for dieseldrivstoff. Dersom du unnlater å følge denne advarselen kan det skade motoren.
Denne maskinen kan også bruke biodieselblandet drivstoff opptil B20 (20 % biodiesel, 80 % petrodiesel). Petrodieseldelen skal ha lavt eller ultralavt svovelinnhold.
Ta følgende forholdsregler:
Biodieseldelen av drivstoffet oppfyller kravene i spesifikasjonen ASTM D6751 eller EN 14214.
Den blandede dieselsammensetningen må oppfylle kravene i ASTM D975 eller EN 590.
Malte/lakkerte overflater kan skades av biodieselblandinger.
Bruk B5 (biodieselinnhold på 5 %) eller lavere blandinger i kaldt vær.
Hold øye med forseglinger, slanger og pakninger som kommer i kontakt med drivstoffet, da de kan forringes over tid.
Man kan forvente å oppleve tett drivstoffilter en tid etter å ha konvertert til biodieselblandinger.
Kontakt distributøren for ytterligere informasjon om biodiesel.
Parker maskinen på en jevn flate.
Sett på parkeringsbremsen.
Slå av motoren og ta ut nøkkelen.
Rengjør rundt drivstofflokket.
Fyll drivstoff på tanken til nivået når opp til bunnen av påfyllingshalsen (Figur 7).
Note: Tanken må ikke fylles helt opp. Dette tomrommet i tanken gir drivstoffet plass til å utvide seg.

Før du starter maskinen hver dag, må du utføre prosedyrene for hver bruk / daglige prosedyrer, som angitt i .
Nye motorer trenger tid til å utvikle full styrke. Klippeenheter og drivverk har høyere friksjon når de er nye, som fører til ekstra belastning på motoren. Beregn 40 til 50 timers innkjøringstid slik at nye maskiner kan utvikle full styrke og best mulig ytelse.
For å unngå skader eller dødsfall ved velting: Hold veltebøylen i fullt hevet og låst stilling, og bruk sikkerhetsbelte.
Kontroller at setet er godt festet på maskinen.
Det finnes ingen veltebøylebeskyttelse når veltebøylen er nede.
Senk veltebøylen kun når det er helt nødvendig.
Ikke bruk sikkerhetsbelte når veltebøylen er nede.
Kjør sakte og forsiktig.
Hev veltebøylen så fort klaringen tillater dette.
Kontroller nøye at du har klaring hvis du skal kjøre under objekter (for eksempel greiner, døråpninger, elektriske ledninger osv.), slik at du ikke kommer i kontakt med dem.
Important: Bruk alltid sikkerhetsbeltet når veltebøylen er i hevet stilling.
Dra veltebøylen opp til driftsstillingen og vri på knottene til de går delvis inn i rillene (Figur 9).
Dra veltebøylen helt opp mens du skyver den øvre veltebøylen slik at pinnene går i lås når hullene stemmer overens med pinnene (Figur 9).
Skyv veltebøylen, og kontroller at begge pinnene sitter godt (Figur 9).

Hvis sikkerhetssperrebryterne blir frakoblet eller skadet, kan det hende at maskinen virker på en uventet måte som forårsaker personskader.
Ikke rør sperrebryterne.
Sjekk sperrebryterne daglig, og bytt ut ødelagte brytere før du bruker maskinen.
Sikkerhetssperresystemet er konstruert slik at det forhindrer motoren i å starte, hvis ikke:
Parkeringsbremsen er tilkoblet.
Knivkontrollbryteren (kraftoverføring) er utkoblet.
Bevegelseskontrollspakene står i NøYTRAL, LåST stilling.
Sikkerhetssperresystemet stanser også motoren når du flytter bevegelseskontrollspakene fra NøYTRAL-LåST-stillingen med parkeringsbremsen på, eller hvis du reiser deg fra setet mens kraftuttaket er aktivert.
Horizon-visningsskjermen har indikatorer som varsler brukeren når sperrekomponenten er i riktig stilling. En indikator vil vises på skjermen når komponenten er i riktig stilling.

| Vedlikeholdsintervall | Vedlikeholdsprosedyre |
|---|---|
| For hver bruk eller daglig |
|
Sikkerhetssperresystemet må testes hver gang maskinen skal brukes. Hvis systemet ikke fungerer slik som beskrevet nedenfor, må du be et autorisert forhandlerverksted om å reparere det omgående.
Sitt på setet, aktiver parkeringsbremsen og flytt knivkontrollbryteren (kraftuttak) til På-stillingen. Prøv å starte motoren – motoren skal ikke starte.
Sitt på setet, aktiver parkeringsbremsen og flytt knivkontrollbryteren (kraftuttak) til AV-stillingen. Flytt en av bevegelseskontrollspakene ut av NøYTRAL-LåST-stillingen. Prøv å starte motoren – motoren skal ikke starte. Gjenta for den andre kontrollspaken.
Sitt på setet, aktiver parkeringsbremsen, flytt knivkontrollbryteren (kraftuttak) til AV-stillingen, og lås bevegelseskontrollspakene i NøYTRAL-LåST-stillingen. Start motoren. Koble fra parkeringsbremsen, aktiver knivkontrollbryteren (kraftuttak) og reis deg litt opp fra setet mens motoren er i gang. Motoren skal stoppe.
Sitt på setet, aktiver parkeringsbremsen, flytt knivkontrollbryteren (kraftuttak) til AV-stillingen, og lås bevegelseskontrollspakene i NøYTRAL-LåST-stillingen. Start motoren. Flytt kontrollspakene til den midtre, frie stillingen og beveg én av dem (forover eller revers) mens motoren går. Motoren skal stoppe. Gjenta for den andre kontrollspaken.
Sitt på setet, deaktiver parkeringsbremsen, flytt knivkontrollbryteren (kraftuttak) til AV-stillingen, og lås bevegelseskontrollspakene i NøYTRAL-LåST-stillingen. Prøv å starte motoren – motoren skal ikke starte.
Setet kan beveges både forover og bakover. Juster setet til en stilling som er behagelig for deg, og som gir deg best mulig kontroll over maskinen (Figur 11).

Trykk setelåsen forover for å frigjøre setet (Figur 12).

Setet kan justeres for at kjøreturen skal være jevn og komfortabel. Still inn setet i den stillingen som gjør deg mest mulig komfortabel.
Drei den fremre knotten enten til høyre eller venstre for å gi best mulig komfort (Figur 13).

Eieren/brukeren kan forhindre og er ansvarlig for ulykker som kan forårsake personskader eller materielle skader.
Vær alltid fokusert på oppgaven når du bruker maskinen. Ikke delta i aktiviteter som forårsaker distraksjoner, da dette kan føre til personskade eller materiell skade.
Ikke bruk maskinen når du er syk, trett eller påvirket av alkohol eller andre rusmidler.
Dersom kniven berøres, kan det føre til alvorlige personskader. Før du forlater førerplassen må du slå av motoren, ta ut nøkkelen og vente til alle bevegelige deler står stille. Når du dreier nøkkelen til AV-stillingen, skal motoren slås av og kniven stoppe. Hvis de ikke stopper som de skal, skal du umiddelbart slutte å bruke maskinen. Kontakt en autorisert serviceforhandler.
Maskinen skal kun brukes under forhold med god sikt og egnede værforhold. Ikke bruk maskinen hvis det er fare for lynnedslag.
Hold hendene og føttene borte fra klippeenhetene. Hold avstand fra utslippsåpningen.
Klipp aldri med utslippsavlederen hevet, fjernet eller endret med mindre et gressoppsamlingssystem eller kvernesett er montert og fungerer som det skal.
Bruk kun gressklipperen i revers hvis det er helt nødvendig. Se alltid bakover og ned du før du flytter maskinen i revers.
Vær spesielt forsiktig når du nærmer deg hjørner, busker, trær eller andre objekter som kan hindre sikten din.
Stopp knivene når du ikke klipper.
Hvis maskinen treffer en gjenstand eller begynner å vibrere, må du umiddelbart slå av motoren, ta ut nøkkelen (hvis maskinen leveres med nøkkel) og vente til alle deler i bevegelse har stoppet før du undersøker maskinen for skade. Foreta alle nødvendige reparasjoner før du gjenopptar bruk.
Kjør sakte, og vær forsiktig når du svinger og krysser veier og fortau med maskinen. Overhold alltid vikeplikten.
Gjør følgende før du forlater førersetet:
Parker maskinen på flat mark.
Koble ut kraftoverføringen, og senk utstyret.
Sett på parkeringsbremsen.
Slå av motoren og ta ut nøkkelen.
Vent til alle bevegelige deler har stanset.
Kjør motoren kun i godt ventilerte områder. Eksosen inneholder karbonmonoksid, som er dødelig ved innånding.
La aldri maskinen stå uten tilsyn når den er i gang.
Utstyr som skal taues, skal kun festes i koblingspunktet.
Ikke bruk maskinen med mindre alle vernedeksler og sikkerhetsanordninger, slik som avlederne og hele gressoppsamleren, sitter på plass og fungerer som de skal. Skift ut slitte eller forringede deler når det er nødvendig.
Bruk kun tilbehør og utstyr som er godkjent av Toro.
Denne maskinen har en lydstyrke på over 85 dBA ved operatørens øre og kan føre til hørselsskade hvis du utsettes for denne lydstyrken i lengre perioder.

Fjern gress og rusk fra klippeenhetene, drivverk, lyddemperne og motoren for å unngå at det begynner å brenne.
Start motoren med føttene i god avstand fra knivene.
Vær oppmerksom på gressklipperens utslippsbane og rett utslippet bort fra andre personer. Unngå å slippe ut materiale mot en vegg eller hindring, da materialet kan kastes tilbake mot deg.
Stopp knivene, reduser maskinhastigheten og vær forsiktig når du krysser andre overflater enn gress eller ved transport av maskinen til og fra driftsområdet.
Hastigheten til motorregulatoren må ikke endres, og motoren må ikke ruses.
Barn blir ofte nysgjerrige på maskinen og klippingen. Ikke anta at barn blir værende der du så dem sist.
Hold barn unna driftsområdet, og sørg for at en annen ansvarlig voksen holder oppsyn med dem.
Vær oppmerksom og slå av maskinen hvis barn går inn i driftsområdet.
Før du rygger eller svinger maskinen, må du se ned og rundt deg etter små barn.
Ikke ha med barn på maskinen, selv når knivene ikke beveger seg. Barn kan falle av og bli alvorlig skadet, eller de kan hindre deg i å betjene maskinen på en trygg måte. Barn som har fått lov til å sitte på tidligere, kan plutselig komme inn i området der du arbeider og bli overkjørt eller rygget over av maskinen.
Veltebøylebeskyttelsen er en integrert sikkerhetsenhet. Ikke fjern noen av veltebeskyttelseskomponentene fra maskinen.
Sørg for at sikkerhetsbeltet er festet og at du kan frigjøre det raskt i nødstilfeller.
Hold alltid veltebøylen i fullt hevet og låst stilling, og bruk alltid sikkerhetsbelte når veltebøylen er oppe.
Sjekk nøye for gjenstander over deg før du kjører under dem, og ikke rør dem.
Skadde veltebeskyttelseskomponenter skal skiftes ut. Ikke reparer eller gjør endringer på dem.
Advarsel – det finnes ingen veltebøylebeskyttelse når veltebøylen er senket.
Hvis hjulene kjører over kanter, opp bratte bakker eller i vann, kan det føre til velt, som igjen kan resultere i alvorlig skade eller dødsfall.
Ikke bruk sikkerhetsbelte når veltebøylen er nede.
Senk veltebøylen kun når det er helt nødvendig, og hev den så snart det er klaring til det.
I tilfelle et velt, ta maskinen til et autorisert forhandlerverksted for å sjekke veltebeskyttelsen.
Bruk bare Toro-godkjent tilbehør og vedlegg til ROPS.
Skråninger er en ledende årsak til tap av kontroll og velting. Dette kan føre til alvorlige skader eller dødsfall. Føreren har ansvar for sikker bruk i skråninger. Bruk av maskinen i skråninger krever ekstra forsiktighet. Før du bruker maskinen i en skråning, må du gjøre følgende:
Les og forstå instruksjonene for bruk i skråninger i denne brukerhåndboken og på maskinen.
Bruk en vinkelindikator til å fastslå den omtrentlige helningsvinkelen på området.
Kjøretøyet må ikke brukes i skråninger på mer enn 15 grader.
Vurder forholdene på stedet på dagen for å avgjøre om det er trygt å bruke maskinen i skråningen. Bruk alltid sunn fornuft og god dømmekraft når du utfører denne kontrollen. Endringer i terrenget, som for eksempel fuktighet, kan påvirke bruken av maskinen i skråninger.
Identifiser farer ved bunnen av skråningen. Maskinen må ikke brukes ved kanter grøfter, voller, vann eller andre farer. Maskinen kan velte hvis et hjul går over kanten eller hvis kanten gir etter. Hold en sikker avstand (to ganger maskinens bredde) mellom maskinen og eventuelle farer. Bruk en skyvegressklipper eller en håndtrimmer for å klippe gresset i disse områdene.
Ikke start, stopp eller sving maskinen i skråninger. Ikke foreta brå endringer i hastighet eller retning. Sving forsiktig og gradvis.
Ikke bruk en maskin i omstendigheter hvor trekkraften, styringen eller stabiliteten er i tvil. Vær oppmerksom på at bruk av maskinen på vått gress, på tvers av skråninger eller i nedoverbakker kan føre til at maskinen mister veigrepet. Hvis drivhjulene mister taket, kan det føre til at maskinen sklir og at bremse- og styringsevnen reduseres. Maskinen kan gli selv om drivhjulene er stanset.
Fjern eller marker hindringer som grøfter, hull, hjulspor, ujevnheter, steiner eller andre skjulte objekter. Gjenstander kan ligge skjult i høyt gress. Maskinen kan velte i ujevnt terreng.
Vær svært forsiktig når du bruker maskinen med tilbehør eller ekstrautstyr, som for eksempel gressoppsamlingssystemer. Disse kan endre maskinens stabilitet og føre til tap av kontroll. Følg anvisningene for motvekter.
Hvis det lar seg gjøre, hold klippeenheten senket til bakken mens du bruker maskinen i skråninger. Hvis du hever klippeenheten mens du kjører i skråninger, kan det føre til at maskinen blir ustabil.

Parkeringsbremsen må alltid settes på når du stopper eller forlater maskinen.
Parker maskinen på en jevn flate.


Knivkontrollbryteren (kraftuttak) starter og stanser gressklipperens kniver og eventuelt strømdrevet tilleggutstyr.
Note: Hvis du aktiverer knivkontrollbryteren (kraftuttak) med gassen i halv eller mindre stilling, vil det føre til overdreven slitasje på drivremmene.


Important: Ikke hold tenningsnøkkelen vridd rundt i mer enn fem sekunder om gangen. Hvis motoren ikke vil starte, vent 15 sekunder mellom startforsøkene. Hvis du ikke følger disse instruksjonene, kan startmotoren bli ødelagt.
Note: Å starte motoren første gangen etter at drivstoffsystemet har gått helt tomt, kan ta flere forsøk.

Barn og andre personer kan skades hvis de flytter på eller prøver å kjøre maskinen uten oppsyn.
Ta alltid ut tenningsnøkkelen og sett på parkeringsbremsen når du forlater maskinen.


Hjulene ruller uavhengig av hverandre, drevet av hydraulikkmotorer på hver aksel. Du kan sette én side i revers mens du kjører hjulene på den andre siden forover, noe som gjør at maskinen begynner å rotere i stedet for å snu. Dette gjør maskinen langt bedre å manøvrere, men det kan kreve litt tid å bli vant til hvordan den beveger seg.
Gasskontrollen regulerer omdreiningstallet (o/min – omdreininger per minutt). Sett gasskontrollen i HURTIG-stillingen for best ytelse. Arbeid alltid med maksimal gass.
Maskinen kan rotere svært hurtig. Du kan miste kontroll over maskinen og forårsake personskade eller skade på maskinen.
Vær forsiktig når du svinger.
Reduser hastigheten før du foretar skarpe svinger.
Note: Motoren stenges av dersom bevegelseskontrollspakene beveges når parkeringsbremsen er på.
Du kan stoppe maskinen ved å sette bevegelseskontrollspakene i FRI-stillingen.
Koble fra parkeringsbremsen. Se Koble fra parkeringsbremsen.
Flytt spakene til den midtre, frie stillingen.
Skyv bevegelsekontrollspakene forsiktig forover for å gå fremover (Figur 23).

Flytt spakene til den midtre, frie stillingen.
Skyv bevegelseskontrollspakene forsiktig bakover for å gå bakover (Figur 24).

Gressklipperen har en gressavleder med hengsler som sprer det klipte gresset ut fra siden og ned mot bakken.
Hvis ikke gressavlederen, utslippsdekselet eller hele gressoppsamleren sitter på plass, vil du selv eller andre risikere å komme i kontakt med kniven eller gjenstander som blir slengt opp i luften. Kontakt med gressklipperkniver som roterer og gjenstander som slynges opp i luften, kan føre til at noen blir alvorlig skadet eller drept.
Fjern aldri gressavlederen fra klippeenheten fordi gressavlederen leder materiale ned mot bakken. Hvis gressavlederen blir skadet, må den skiftes ut omgående.
Hold hender og føtter borte fra undersiden av gressklipperenheten.
Prøv aldri å rengjøre utslippsområdet eller gressklipperknivene uten at du flytter knivkontrollbryteren (kraftuttaket) til AV-stillingen, vrir tenningsnøkkelen til AV-stillingen og tar ut nøkkelen.
Påse at gressavlederen er i den nedre stillingen.
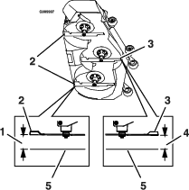
Juster klippehøyden fra 25 til 140 mm i trinn på 6 mm ved å flytte splittpinnen til forskjellige hullplasseringer.
Mens motoren er i gang, trykk løftebryteren for klippeenheten bakover til klippeenheten er hevet helt opp, og slipp bryteren umiddelbart.
Roter klippehøydebolten til valsetappen inni den er på linje med sporene i hullene i klippehøydebraketten, og fjern den (Figur 25).
Sett klippehøydebolten inn i hullet som tilsvarer den ønskede klippehøyden (Figur 25).
Se skiltet på sidene av klippeenhetens løfteplate for klippehøydene (Figur 25).
Bruk løftebryteren for klippeenheten til å flytte klippeenheten ut av transportstillingen (eller 140 mm klippehøyde) og ned til den valgte høyden.

For maksimum klippeenhetsflotasjon installerer du valsene én hullstilling lavere. Valsene skal opprettholde en 6 mm klaring til bakken. Ikke juster valsene for å støtte klippeenheten.
Parker maskinen på en jevn flate.
Koble fra knivkontrollbryteren (kraftuttaket), flytt bevegelseskontrollspakene til NøYTRAL, LåST stilling, og aktiver parkeringsbremsen.
Før du forlater førerplassen må du slå av motoren, ta ut nøkkelen og vente til alle bevegelige deler står stille.
Juster antiskalperingsvalsene som vist i Figur 26, Figur 27, Figur 28 og Figur 29.




For maskiner med sideutslipp trekker du flensmutteren til 68 til 75 Nm.
For maskiner med bakutslipp trekker du flensmutteren til 41 til 47 Nm.
Monter støtteplatene i lavere stilling når du arbeider med klippehøyder over 51 mm, og i høyere stilling når du arbeider med klippehøyder under 51 mm.
Juster støtteplatene, som vist i Figur 30.

Denne prosedyren gjelder kun for maskiner med utstrømningsskjermknotten. Enkelte modeller har muttere og bolter i stedet for utstrømningsskjermknotten som du kan justere på samme måte.
Du kan justere gressklipperens utslippsflyt for forskjellige typer klippeforhold. Plasser knotten og skjermen slik at de gir den beste klippekvaliteten.
Parker maskinen på en jevn overflate, koble fra knivkontrollbryteren, og sett på parkeringsbremsen.
Før du forlater førerplassen må du slå av motoren, ta ut nøkkelen og vente til alle bevegelige deler står stille.
Løsne knotten.
Skyv knotten til ønsket stilling.
Skru knotten godt fast.
De følgende figurene er kun anbefalinger. Justeringene varierer etter gresstype, fuktinnhold og høyde på gresset.
Note: Hvis motorkraften trekker ned og gressklipperens bakkehastighet er den samme kan du åpne skjermen.
Dette er den bakerste stillingen. Foreslått bruk for denne stillingen er som følger:
Klippeforhold med kort, lett gress
Tørre forhold
Mindre avklippet gress
Driver gressrestene lengre vekk fra gressklipperen

Bruk denne stillingen ved oppsamling. Innrett den alltid mot vifteåpningen.

Dette er den fremste stillingen. Foreslått bruk for denne stillingen er som følger:
Klippeforhold med høyt, tett gress
Våte forhold
Reduserer motorens strømforbruk
Muliggjør høyere bakkehastighet under vanskelige forhold

Kraftuttaket kobles fra, en alarm lyder og et søylediagram viser motortemperaturen når den når en overopphetingstilstand. Kraftuttaket kobles ikke til før motoren har kjølt seg ned, og du manuelt kobler fra og til kraftuttaket.
Note: Hvis motorens kjølevæskenivå er under indikatorlinjen på overflytflasken når motoren er kald, kan det hende at kjølevæsketemperaturmåleren ikke registrerer korrekt under drift og/eller at den hørbare alarmen ikke høres hvis motoren overopphetes.
For best plenklipping og maksimal luftsirkulasjon, kjører du motoren i HURTIGSTILLINGEN. Luft er nødvendig for at gresset skal klippes grundig. Klippehøyden må derfor ikke være så lav at klippeenheten er omgitt av uklippet gress. Forsøk alltid å holde den ene siden av klippeenheten unna uklippet gress. Luften kan da trekkes inn i klippeenheten.
Klipp gresset litt lengre enn vanlig for å sikre at klippeenheten ikke skalperer ujevne områder. Klippehøyden som ble brukt tidligere er som regel den beste å bruke. Hvis gresset som klippes er lengre enn 15 cm, kan det være lurt å klippe plenen to ganger for å få et bedre resultat.
Det er best å bare klippe en tredjedel av gressets lengde. Kortere klipping anbefales ikke, bortsett fra hvis gresset er glissent eller det er sent på høsten og gresset vokser saktere.
Dersom du veksler på klipperetningen, holder gresset seg oppreist. Dette bidrar også til å spre det klipte gresset, noe som gir bedre nedbryting og gjødsling.
Gress vokser med varierende hastighet til forskjellige tider på året. For å opprettholde samme klippehøyde, må du klippe gresset oftere tidlig på våren. Midt på sommeren begynner det å vokse saktere, derfor trenger du ikke å klippe det så ofte da. Hvis du er ute av stand til å klippe plenen i en lengre periode, klipper du først med en høy klippehøyde. Vent i 2 dager, og klipp deretter på nytt med en lavere høyde.
Hvis du ønsker forbedret klippekvalitet, kan du redusere bakkehastigheten.
Når du klipper ujevnt, hev klippehøyden for å unngå skalpering av gresset.
Hvis maskinens bevegelse forover må stoppes under klippingen, kan det falle en gressklump ned på plenen. Gå til et tidligere klippet område med knivene koblet inn eller koble ut klippeenheten mens du beveger deg framover for å unngå dette.
Fjern gressrester og skitt fra klippeenhetens underside etter hver bruk. Hvis det er et tykt belegg av gress og smuss under klippeenheten, vil klipperesultatet bli dårlig.
Sørg for å holde kniven skarp hele klippesesongen, fordi en skarp kniv klipper gresset uten å slite av eller frynse gresstråene. Gress som er blitt slitt av eller frynset, vil bli brunt i kantene, noe som vil sinke veksten og øke sykdomsfaren. Sjekk at knivene på klipperen er skarpe og ikke slitte eller ødelagte etter bruk. Fil ned eventuelle hakk og kvess knivene etter behov. Hvis en kniv er ødelagt eller slitt må du straks bytte den ut med en original Toro-kniv.
Slå av motoren, ta ut nøkkelen og vente til alle bevegelige deler står stille, før du forlater førerens plass. La maskinen kjøle seg ned før vedlikehold, justering, fylling av drivstoff, rengjøring eller lagring.
Fjern gress og rusk fra klippeenhetene, lyddemperen, drivverket, gressoppsamleren og motorrommet for å unngå at det begynner å brenne. Tørk opp eventuelt olje- eller drivstoffsøl.
Steng drivstofftilførselen og ta ut nøkkelen før oppbevaring eller transport av maskinen.
Bruk løseventilene på drivhjulene til å frigjøre det hydrostatiske drivsystemet, som gjør det mulig å skyve maskinen uten å kjøre motoren.
Roter hver omløpsventil mot urviseren én omdreining for å frigjøre. Roter hver omløpsventil med urviseren for å tilbakestille systemet (Figur 34).
Important: Ikke stram for mye. Ikke tau maskinen.

Bruk en kraftig tilhenger eller lastebil for å transportere maskinen. Bruk en rampe med full bredde. Sikre at tilhengeren eller lastebilen har alle nødvendige bremser, lys og markeringer som kreves ved lov. Les alle sikkerhetsinstruksjonene nøye. Kunnskap om dette kan forhindre personskader. Se lokale bestemmelser for krav til tilhenger og festing.
Det å kjøre i trafikken uten blinklys, lys, reflekser eller merking for saktegående kjøretøy er farlig og kan føre til ulykker, som igjen forårsaker personskader.
Ikke bruk maskinen på offentlige veier.
Lasting av maskinen på en tilhenger eller lastebil øker muligheten for at den velter og kan føre til alvorlig skader eller dødsulykker (Figur 35).
Bruk en rampe med full bredde. Ikke bruk individuelle ramper for hver side av maskinen.
Ikke overgå en 15 graders vinkel mellom rampen og bakken eller mellom rampen og tilhengeren eller lastbilen.
Påse at rampen er minst fire ganger så lang som høyden til tilhengeren eller lasteplanet i forhold til bakken. Dette sikrer at rampevinkelen ikke overskrider 15 grader på flatt underlag.

Lasting av maskinen på en tilhenger eller lastebil øker muligheten for at den velter og kan føre til alvorlig skader eller dødsulykker.
Vær svært forsiktig når du kjører maskinen på en rampe.
Rygg maskinen opp rampen, og kjør den fremover ned rampen.
Unngå plutselig akselerasjon eller bremsing mens du kjører maskinen på en rampe da det kan føre til tap av kontroll eller en situasjon der maskinen velter.
Hvis du bruker en tilhenger, koble den til tauekjøretøyet og sett på sikkerhetskjettingene.
Koble til tilhengerbremsene og lysene, hvis aktuelt.
Senk rampen og sørg for at vinkelen mellom rampen og bakken ikke overskrider 15 grader (Figur 35).
Rygg maskinen opp på rampen (Figur 36).

Stopp motoren, ta ut nøkkelen og sett på parkeringsbremsen.
Fest maskinen nær de fremre styrehjulene og den bakre rammen med stropper, kjettinger, kabler eller tau (Figur 37). Se lokale bestemmelser for krav om festing.

Dersom du lar tenningsnøkkelen stå i bryteren, kan noen starte motoren uten at det er tilsiktet, noe som kan påføre deg eller personer i nærheten alvorlige skader. Fjern tenningsnøkkelen før du begynner med eventuelt vedlikeholdsarbeid.
Før du forlater førerplassen, gjør følgende:
Parker maskinen på en jevn flate.
Koble fra drivverket.
Sett på parkeringsbremsen.
Slå av motoren og ta ut nøkkelen.
La maskinen kjøle seg ned før du utfører vedlikehold.
Ikke la personer uten opplæring vedlikeholde eller reparere maskinen.
Hold hender og føtter unna bevegelige deler eller varme overflater. Du må aldri foreta justeringer mens motoren går hvis du kan unngå det.
Vær forsiktig når du slipper ut trykket i komponenter med lagret energi.
Kontroller regelmessig at parkeringsbremsen virker. Juster og vedlikehold den etter behov.
Ikke tukle med sikkerhetsenhetene. Kontroller regelmessig at de virker tilfredsstillende.
Fjern gress og rusk fra klippeenheten, lyddemperen, drivverket og motorrommet for å unngå at det begynner å brenne.
Tørk opp olje- eller drivstoffsøl, og fjern rusk som er tilsølt av drivstoff.
Ikke stol på at hydrauliske eller manuelle jekker vil støtte maskinen. Støtt opp maskinen med jekkstøtter når du arbeider under den.
Hold alle delene i god stand, og sørg for at monteringstilbehøret er godt festet, spesielt monteringstilbehøret som fester knivene. Skift ut slitte eller skadde merker.
Koble fra batteriet før du reparerer maskinen. Koble kabelen fra den negative polen først, og deretter den andre kabelen fra den positive polen. Koble til den positive polen først og den negative polen sist.
Bruk utelukkende originale reservedeler og tilbehør fra Toro for å få best mulig ytelse. Reservedeler og tilbehør som er laget av andre produsenter kan være farlige, og de kan derfor føre til at garantien blir ugyldig.
| Vedlikeholdsintervall | Vedlikeholdsprosedyre |
|---|---|
| Etter de 100 første timene |
|
| Etter de 200 første timene |
|
| For hver bruk eller daglig |
|
| Hver 50. driftstime |
|
| Hver 100. driftstime |
|
| Hver 200. driftstime |
|
| Hver 400. driftstime |
|
| Hver 500. driftstime |
|
| Hver 800. driftstime |
|
| Hver 2000. driftstime |
|
| én gang månedlig |
|
| Årlig |
|
Important: Se i brukerhåndboken for flere vedlikeholdsprosedyrer.
Dersom du lar tenningsnøkkelen stå i bryteren, kan noen starte motoren uten at det er tilsiktet, noe som kan påføre deg eller personer i nærheten alvorlige skader.
Slå av motoren og ta ut nøkkelen av bryteren før du utfører vedlikehold.
| Vedlikeholdsintervall | Vedlikeholdsprosedyre |
|---|---|
| Hver 400. driftstime |
|
| Årlig |
|
Den må smøres oftere hvis den brukes på steder med mye støv eller sand.
Smørefettype:Nr. 2 litium- eller molybdenumbasert smørefett
Parker maskinen på en jevn overflate, koble fra knivkontrollbryteren, og sett på parkeringsbremsen.
Før du forlater førerplassen må du slå av motoren, ta ut nøkkelen og vente til alle bevegelige deler står stille.
Tørk av smøreniplene med en fille.
Note: Pass på at du ikke skraper av lakken foran på anordningen(e).
Sett en fettsprøyte på anordningen.
Påfør smørefett i smøreniplene til det tyter ut av lagrene.
Tørk opp overflødig fett.
Se følgende oversikt for monteringssteder og smøreplan.
| Smøringsliste | |||
|---|---|---|---|
| Monteringssteder | Pumper | Antall steder | Serviceintervall |
| 1. Klippeenhetens kraftuttak | 1 | 3 | Hver 50. time |
| 2. Klippeenhetens lederulltapper | 1 | 1 | Hver 400. time eller årlig |
| 3. Styrehjullager | 0 | 2 | Årlig |
| 4. Styrehjultapper | 0 | 2 | Hver 400. time eller årlig |
![]() |
| Vedlikeholdsintervall | Vedlikeholdsprosedyre |
|---|---|
| Hver 50. driftstime |
|
Note: For enklere tilgang til drivakselens U-ledd og spindelens glideskjøt må du fjerne gulvpanelet og senke klippeenheten helt.
Parker maskinen på en jevn overflate, koble fra knivkontrollbryteren, og sett på parkeringsbremsen.
Før du forlater førerplassen må du slå av motoren, ta ut nøkkelen og vente til alle bevegelige deler står stille.
Tørk av smøreniplene med en fille.
Sett en fettsprøyte på anordningen.
Påfør smørefett i smøreniplene til det tyter ut av lagrene.
Tørk opp overflødig fett.

| Vedlikeholdsintervall | Vedlikeholdsprosedyre |
|---|---|
| Hver 400. driftstime |
|
| Årlig |
|
Parker maskinen på en jevn overflate, koble fra knivkontrollbryteren, og sett på parkeringsbremsen.
Før du forlater førerplassen må du slå av motoren, ta ut nøkkelen og vente til alle bevegelige deler står stille.
Fjern støvkoppen og juster styrehjulet, og la støvkoppen være av til smøringen er utført. Se Justere styrehjulslageret.
Fjern kontrollpluggen.
Skru en smørenippel inn i hullet.
Pump fett inn i smørenippelen til det flyter ut rundt topplageret.
Fjern smørenippelen fra hullet. Monter sekskantpluggen og lokket.
| Vedlikeholdsintervall | Vedlikeholdsprosedyre |
|---|---|
| Årlig |
|
Parker maskinen på en jevn overflate, koble fra knivkontrollbryteren, og sett på parkeringsbremsen.
Før du forlater førerplassen må du slå av motoren, ta ut nøkkelen og vente til alle bevegelige deler står stille.
Hev gressklipperen for tilgang.
Fjern styrehjulet fra styrehjulsgaflene.
Fjern beskyttelsespakningene fra hjulnavet.

Fjern en avstandsmutter fra akselenheten i styrehjulet.
Note: Det er brukt gjengeforseglermiddel for å låse avstandsmutrene til akselen.
Fjern akselen (med den andre avstandsmutteren fortsatt montert på den) fra hjulenheten.
Lirk ut pakninger og se etter slitasje eller skade på lagrene, og bytt ut ved behov.
Fyll lagrene med et universalsmøremiddel.
Sett ett lager og én ny pakning inn i hjulet.
Hvis akselenheten mangler begge avstandsmutterene, må du bruke gjengeforseglingsmiddel på én avstandsmutter og gjenge den på akselen med anleggene for skrunøkkelen vendende utover.
Note: Ikke skru avstandsmutteren helt inn på enden av akselen. La det være igjen ca. 3 mm fra avstandsmutterens ytre overflate til enden av akselen inne i mutteren.
Sett den sammenmonterte mutteren og akselen inn på hjulet på den siden hvor den nye pakningen og lageret står.
Fyll området inne i hjulet rundt akselen fullt med universalsmørefett mens den åpne enden på hjulet vender opp.
Sett det andre lageret og en ny pakning på hjulet.
Bruk gjengeforseglingsmiddel på den andre avstandsmutteren, og gjeng den inn på akselen med anleggene for skrunøkkelen vendt utover.
Trekk til mutteren med et moment på 8–9 Nm, løsne mutteren og trekk den til igjen med et moment på 2–3 Nm.
Note: Pass på at akselen ikke stikker ut lengre enn noen av mutrene.
Sett på igjen beskyttelsespakningene over hjulnavet, og sett hjulet inn på styrehjulsgaffelen.
Sett på igjen styrehjulsbolten og stram til mutteren helt.
Important: Kontroller lagerjusteringen ofte for å forhindre skade på pakning og lager. Snurr styrehjulet rundt. Hjulet skal ikke snurre fritt (mer enn 1 eller 2 omdreininger) eller vise tegn til sideslark. Hvis hjulet snurrer helt fritt, må du justere momentet på avstandsmutteren til det blir litt motstand. Påfør ytterligere et lag med gjengeforseglermiddel.
Hold hender, føtter, ansiktet, klær og andre kroppsdeler borte fra lyddemperen og andre varme overflater. La maskinkomponentene kjøle seg ned før du utfører vedlikehold.
Hastigheten til motorregulatoren må ikke endres, og motoren må ikke ruses.
| Vedlikeholdsintervall | Vedlikeholdsprosedyre |
|---|---|
| Hver 400. driftstime |
|
Parker maskinen på en jevn overflate, koble fra knivkontrollbryteren (kraftuttak), og sett på parkeringsbremsen.
Før du forlater førerplassen må du slå av motoren, ta ut nøkkelen og vente til alle bevegelige deler står stille.
Kontroller om luftrenserhuset er skadet, noe som kan forårsake en luftlekkasje.
Skift en ødelagt luftrenser.
Kontroller luftinntakssystemet for lekkasjer, skade eller løse slangeklemmer.
Overhal luftrenserfilteret og sikkerhetselementet når du varsles om det (Figur 40).
Important: Ikke overhal luftfilteret for ofte.

Pass på at dekselet sitter korrekt på og er forseglet rundt luftrenserkroppen.
Note: Hvis skumpakningen i dekselet er skadet, må du bytte det ut.
Important: Unngå bruk av luft under høyt trykk, som kan presse smuss gjennom filteret og inn i inntakstrakten.
Important: Ikke rengjør det brukte filteret, da filtermediet kan bli skadet.
Important: Ikke bruk et ødelagt filter.
Important: Ikke trykk på det elastiske midtpunktet til filteret.

| Vedlikeholdsintervall | Vedlikeholdsprosedyre |
|---|---|
| Etter de 200 første timene |
|
| For hver bruk eller daglig |
|
| Hver 200. driftstime |
|
| Hver 400. driftstime |
|
| Årlig |
|
Motoren leveres med olje i veivhuset. Oljenivået må imidlertid kontrolleres før og etter at motoren startes for første gang. Kontroller oljenivået før bruk av maskinen hver dag eller hver gang du bruker maskinen.
Veivhuskapasitet for 25 HK Yanmar-dieselmotorer: 4,7 l med filteret
Veivhuskapasitet for 37 HK Yanmar-dieselmotorer: 6,6 l med filteret
Foretrukket motorolje: Toro Premium-motorolje
Hvis du bruker en alternativ olje, bruk motorolje av høy kvalitet med lavt askeinnhold som overholder eller overskrider følgende spesifikasjoner:
API-servicekategori CJ-4 eller høyere
ACEA-servicekategori E6
JASO-servicekategori DH-2
Important: Bruk av en annen motorolje enn en med API-klassifisering CJ-4 eller høyere, ACEA E6 eller JASO DH-2 kan føre til at dieselpartikkelfilteret tilstoppes eller forårsaker motorskade.
Bruk følgende viskositetsklasse for motorolje:
SAE 10W-30 eller 5W-30 (alle temperaturer)
SAE 15W-40 (over -18 °C)
Note: Toro Premium-motorolje er tilgjengelig fra din forhandler. Se delekatalogen eller kontakt en autorisert Toro-forhandler for å få oppgitt delenumre.
Parker maskinen på en jevn overflate, koble fra knivkontrollbryteren (kraftuttak), og sett på parkeringsbremsen.
Før du forlater førerplassen må du slå av motoren, ta ut nøkkelen og vente til alle bevegelige deler står stille.
Åpne panseret.
Kontroller motoroljenivået som vist i Figur 42.

Hvis det er mulig, kjør motoren like før du skifter oljen siden varm olje renner bedre og bærer med seg flere urenheter enn kald olje.
Parker maskinen på en jevn overflate, koble fra knivkontrollbryteren (kraftuttak), og sett på parkeringsbremsen.
Før du forlater førerplassen må du slå av motoren, ta ut nøkkelen og vente til alle bevegelige deler står stille.
Åpne panseret.
Skift motoroljen som vist i Figur 43.

Skift motoroljefilteret som vist i Figur 44.

Fyll veivhuset med olje. Se Motoroljespesifikasjoner.
| Vedlikeholdsintervall | Vedlikeholdsprosedyre |
|---|---|
| Hver 800. driftstime |
|
Undersøk motorens ventilklaring. Se motorens brukerhåndbok.
Under visse forhold er drivstoff er meget brannfarlig og svært eksplosivt. Brann eller eksplosjon forårsaket av drivstoff kan påføre deg og andre brannskader samt ødelegge eiendom.
Se Fylle drivstoff for en fullstendig liste over drivstofftilknyttet forholdsregler.
| Vedlikeholdsintervall | Vedlikeholdsprosedyre |
|---|---|
| Hver 50. driftstime |
|
Parker maskinen på en jevn overflate, koble fra knivkontrollbryteren, og sett på parkeringsbremsen.
Før du forlater førerplassen må du slå av motoren, ta ut nøkkelen og vente til alle bevegelige deler står stille.
Plasser et tappefat under drivstoffilteret/vannutskilleren.
Åpne tappeventilen på vannutskilleren ca. én omdreining slik at vann og andre kontaminanter tappes ut (Figur 45).

Steng tappeventilen når det kommer ut rent dieseldrivstoff.
Important: Vannskader eller andre kontaminanter i drivstoff kan skade drivstoffpumpen og/eller andre motorkomponenter.
| Vedlikeholdsintervall | Vedlikeholdsprosedyre |
|---|---|
| Hver 400. driftstime |
|

| Vedlikeholdsintervall | Vedlikeholdsprosedyre |
|---|---|
| Hver 400. driftstime |
|
Kontroller om drivstoffslangene er slitte, ødelagte, tilsmussede eller løse.
Koble fra batteriet før du reparerer maskinen. Koble kabelen fra den negative polen først, og deretter den andre kabelen fra den positive polen. Koble til den positive polen først og den negative polen sist.
Lad opp batteriet på et åpent sted med god ventilasjon og borte fra gnister eller åpen ild. Koble laderen fra strømuttaket før du kobler den til eller fra batteriet. Ha på deg beskyttelsesklær og bruk verktøy som er isolert.
Elektrolytten i batteriet inneholder svovelsyre, en dødelig gift hvis den inntas, og som også kan forårsake alvorlige brannskader.
Ikke drikk elektrolytt, og unngå kontakt med hud, øyne og klær. Bruk vernebriller for å beskytte øynene og gummihansker for å beskytte hendene.
Batteripolene eller metallverktøy kan kortslutte mot metallkomponenter og forårsake gnister. Gnistene kan føre til at batterigassene eksploderer, noe som kan forårsake personskade.
Når du fjerner eller monterer batteriet, må du passe på at batteripolene ikke berører metalldeler på maskinen.
La ikke metallverktøy kortslutte mellom batteripolene og metalldeler på maskinen.
Feilaktig ruting av batterikabler kan skade maskinen og kablene og forårsake gnister. Gnistene kan føre til at batterigassene eksploderer, noe som kan forårsake personskade.
Koble alltid fra den negative (svarte) batterikabelen før du kobler fra den positive (røde) kabelen.
Koble alltid til den positive (røde) batterikabelen før du setter på den negative (svarte) kabelen.
Koble fra knivkontrollbryteren (kraftuttaket), flytt bevegelseskontrollspakene til NøYTRAL, LåST stilling, og aktiver parkeringsbremsen.
Før du forlater førerplassen må du slå av motoren, ta ut nøkkelen og vente til alle bevegelige deler står stille.
Frigjør setelåsen og vipp setet opp.
Fjern batteriet, som vist i Figur 47.

Note: Plasser batteriet med polene vendt bort fra den hydrauliske tanken.

| Vedlikeholdsintervall | Vedlikeholdsprosedyre |
|---|---|
| én gang månedlig |
|
Når batteriet lades, utvikles det gasser som kan eksplodere.
Røyk aldri i nærheten av batteriet, og hold gnister og åpen ild borte fra batteriet.
Important: Batteriet skal alltid være fulladet (1265 egenvekt). Dette er spesielt viktig for å forhindre at batteriet blir ødelagt når temperaturen er under 0 °C.
Sørg for at påfyllingslokkene er montert på batteriet. Lad opp batteriet i 10 til 15 minutter ved 25 til 30 A, eller i 30 minutter ved 10 A.
Når batteriet er helt oppladet, kobler du laderen fra strømuttaket, og deretter laderledningene fra batteripolene (Figur 49).
Monter batteriet i maskinen og koble til batterikablene, se Installere batteriet.
Note: Kjør ikke traktoren med batteriet frakoblet da dette kan føre til elektrisk skade.

Det elektriske systemet er beskyttet av sikringer. Dette er vedlikeholdsfritt. Hvis en sikring går, kontrollerer du om det er kortslutning i en av ledningene.
Åpne og hev motorpanseret for å få tilgang til sikringsblokken.
For å bytte sikring, trekk den ut for å fjerne den.
Sett inn en ny sikring (Figur 50).

| Vedlikeholdsintervall | Vedlikeholdsprosedyre |
|---|---|
| For hver bruk eller daglig |
|
Inspiser sikkerhetsbeltet og se etter slitasje, hakk og at selvopprulleren og spennen fungerer som de skal. Skift ut sikkerhetsbeltet hvis det er skadet.
Koble fra knivkontrollbryteren (kraftuttak).
Kjør ut på et åpent, flatt område, og sett bevegelseskontrollspakene i NøYTRAL-LåST-stillingen.
Flytt gassen slik at den står midt mellom stillingene HURTIG og LANGSOM.
Flytt begge bevegelseskontrollspakene helt fremover til de begge stopper i T-sporet.
Kontroller hvilken vei maskinen trekker.
Sett på parkeringsbremsen, slå av motoren, og ta ut nøkkelen.
Juster stopplatene etter behov.
Hvis maskinen trekker til høyre, må du løsne boltene og justere den venstre stopplaten bakover på det venstre T-sporet til maskinen går rett fremover (Figur 51).
Hvis maskinen trekker til venstre, må du løsne boltene og justere den høyre stopplaten bakover på det høyre T-sporet til maskinen går rett fremover (Figur 51).
Stram til stopplaten (Figur 51).

Innrett foran-til-bak-stilling for spakene ved å bringe dem sammen til NøYTRAL stilling og føre dem til de er innrettet. Stram deretter boltene (Figur 52).

Hvis justering er nødvendig, løsner du de to monteringsboltene for bevegelseskontrollspakene på den feiljusterte siden (Figur 53).

Flytt bevegelseskontrollspaken til den er på linje med den andre.
Trekk til de to monteringsboltene for bevegelseskontrollspaken (Figur 53).
| Vedlikeholdsintervall | Vedlikeholdsprosedyre |
|---|---|
| Hver 50. driftstime |
|
Spesifikasjon for lufttrykk i bakdekk: 1,24 bar.
Note: Styrehjulene foran har delvis luftfylte dekk som ikke trenger justering av lufttrykk.
Et lavt dekktrykk reduserer maskinens stabilitet i skråninger. Dette kan føre til at maskinen velter, som igjen kan føre til skade eller død.
Ikke pump for lite trykk i dekkene.
Kontroller lufttrykket i bakdekkene. Legg til eller fjern luft som nødvendig for å stille inn lufttrykket i dekkene etter spesifikasjonen for dekktrykk.
Important: Pass på at alle dekkene har det samme lufttrykket, slik at kvaliteten på klippingen blir god og maskinen virker riktig.Kontroller lufttrykket i alle dekkene før du bruker maskinen.

| Vedlikeholdsintervall | Vedlikeholdsprosedyre |
|---|---|
| Etter de 100 første timene |
|
Stram hjulhakemutterne til 115–142 Nm.
| Vedlikeholdsintervall | Vedlikeholdsprosedyre |
|---|---|
| Hver 500. driftstime |
|
Parker maskinen på en jevn overflate, koble fra knivkontrollbryteren, og sett på parkeringsbremsen.
Før du forlater førerplassen må du slå av motoren, ta ut nøkkelen og vente til alle bevegelige deler står stille.
Fjern støvhetten fra styringen og trekk til låsemutteren (Figur 55).
Trekk til låsemutteren inntil fjærskivene er flate og gå deretter tilbake ¼ omdreining for å stille forbelastningen på lagrene korrekt (Figur 55).
Important: Påse at fjærskivene er montert korrekt slik det vises i Figur 55.
Sett på støvhetten (Figur 55).

| Vedlikeholdsintervall | Vedlikeholdsprosedyre |
|---|---|
| Hver 50. driftstime |
|
Bruk SAE 75W-90 syntetisk girolje.
Parker maskinen på en jevn overflate og aktiver parkeringsbremsen.
Senk klippeenheten til en klippehøyde på 25 mm.
Før du forlater førerplassen, må du koble fra knivkontrollbryteren, stanse motoren, ta ut nøkkelen og vente til alle bevegelige deler står stille.
Løft fotstøtten for å eksponere toppen av klippeenheten.
Ta ut peilestaven/fyllpluggen fra toppen av girkassen, og kontroller at oljenivået er mellom merkene på peilestaven (Figur 56).

Hvis oljenivået er lavt, fyll på nok olje til at nivået er mellom merkene på peilestaven.
Important: Girkassen må ikke overfylles, den kan ta skade av det.
| Vedlikeholdsintervall | Vedlikeholdsprosedyre |
|---|---|
| Etter de 200 første timene |
|
| Hver 400. driftstime |
|
Hvis oljen blir forurenset, kontakter du en Toro-forhandler fordi systemet da må tømmes. Forurenset olje ser melkeaktig eller svart ut sammenlignet med ren olje.
Parker maskinen på en jevn overflate og aktiver parkeringsbremsen.
Senk klippeenheten til en klippehøyde på 25 mm.
Før du forlater førerplassen, må du koble fra knivkontrollbryteren, stanse motoren, ta ut nøkkelen og vente til alle bevegelige deler står stille.
Løft fotstøtten for å eksponere toppen av klippeenheten.
Ta ut peilestaven/fyllpluggen fra toppen av girkassen, og kontroller at oljenivået er mellom merkene på peilestaven (Figur 56).
Trekk ut oljen gjennom påfyllingsåpningen ved bruk av en vakuumenhet, eller fjern girkassen fra klippeenheten og hell ut oljen i et tappefat.
Monter girkassen (hvis den ble fjernet for tømming).
Fyll på omtrent 420 ml, til nivået er mellom merkene på peilestaven
Important: Girkassen må ikke overfylles, den kan ta skade av det.
Du kan bli forgiftet av å svelge motorkjølevæske. Oppbevares utilgjengelig for barn og kjæledyr.
Utslipp av varm kjølevæske under trykk, eller berøring av en varm radiator og omsluttende deler, kan føre til alvorlige brannsår.
La alltid motoren kjøle seg ned i minst 15 minutter før du fjerner radiatorlokket.
Bruk en klut når du åpner radiatorlokket. Åpne det forsiktig, slik at dampen kan slippe ut.
| Vedlikeholdsintervall | Vedlikeholdsprosedyre |
|---|---|
| For hver bruk eller daglig |
|
Kjølevæskespesifikasjon: en oppløsning, som er halvt om halvt med vann og frostvæske av etylenglykol
Kjølesystemkapasitet: 7,6 l
Parker maskinen på en jevn overflate, koble fra knivkontrollbryteren, og sett på parkeringsbremsen.
Før du forlater førerplassen må du slå av motoren, ta ut nøkkelen og vente til alle bevegelige deler står stille.
Åpne panseret.
Kontroller kjølemiddelnivået i ekspansjonstanken (Figur 57).
Note: Kjølevæskenivået skal være mellom merkene på siden av tanken.

Hvis kjølevæskenivået er lavt, tar du av lokket på ekspansjonstanken og fyller spesifisert kjølevæske (Figur 57).
Important: Ikke fyll på for mye.
Sett på ekspansjonstanklokket.
Lukk panseret.
| Vedlikeholdsintervall | Vedlikeholdsprosedyre |
|---|---|
| Hver 50. driftstime |
|
Rengjør radiatoren for å unngå at motoren overopphetes.
Note: Hvis klippeenheten eller motoren slår seg av på grunn av overoppheting, kontrollerer du om det er mye rusk på radiatoren.
Parker maskinen på en jevn overflate, koble fra knivkontrollbryteren, og sett på parkeringsbremsen.
Før du forlater førerplassen må du slå av motoren, ta ut nøkkelen og vente til alle bevegelige deler står stille.
Drei panseret fremover.
Ved bruk av komprimert luft kan du blåse ut rusk mellom finnene på hele radiatoren, både ovenfra og ned og nedenfra og opp.
Hvis rester blir værende, kan det være nødvendig å bruke vann fra en lavtrykksslange.
Hvis radiatoren er ren, kan du fortsette til trinn 7.
Dekk til motoren med et stykke papp eller plast. Spyl vannet gjennom ribbene. Blås gjennom med lavt trykkluft fra begge retninger.
Note: Hvis rester blir værende, gjentar du til det er rent.
Senk panseret.
Start motoren for å sikre at viften fungerer som den skal.
| Vedlikeholdsintervall | Vedlikeholdsprosedyre |
|---|---|
| Hver 2000. driftstime |
|
Parker maskinen på en jevn overflate, koble fra knivkontrollbryteren, og sett på parkeringsbremsen.
Før du forlater førerplassen må du slå av motoren, ta ut nøkkelen og vente til alle bevegelige deler står stille.
Drei panseret fremover.
Tapp kjølevæsken når motoren er kjølig.
Fjern radiatorhetten, plasser et fat under radiatoren og fjern tappepluggen på bunnen av radiatoren.
Fjern kjølevæskeslangen fra oljekjøleren og tapp kjølevæsken fra motorblokken (Figur 58).

Sett på plass tappepluggene og -slangene.
Fyll radiatoren med en 50/50-blanding av vann og etylenglykol.
Note: Det anbefales å bruke Havoline® Xtended Life-kjølevæske.
Tillat noe rom (ca. 12,7 mm) for ekspansjon. Fyll en 50/50-kjølevæskeblanding på overløpsflasken på venstre side av motoren etter behov for å bringe nivået opp til indikatorlinjen på flasken.
Kjør motoren til motortermostaten åpnes og kjølevæsken sirkulerer gjennom radiatorkjernen.
Etter hvert som luftutrenskninger fra motorblokken og kjølevæskenivået synker, fyll på ekstra kjølevæske i radiatoren.
Når radiatoren er helt full og ingen ekstra kjølevæske kan fylles på, fortsett å kjøre og sett på radiatorhetten.
Påse at hetten er helt på plass ved å trykke godt ned mens du vrir helt til hetten stopper. Når hetten er festet, slår du av motoren.
| Vedlikeholdsintervall | Vedlikeholdsprosedyre |
|---|---|
| Etter de 100 første timene |
|
| Hver 400. driftstime |
|
Kontroller at parkeringsbremsen er riktig justert. Følg denne prosedyren også når du har fjernet eller skiftet ut en bremsekomponent.
Parker maskinen på en jevn overflate, koble fra knivkontrollbryteren, og sett på parkeringsbremsen.
Før du forlater førerplassen må du slå av motoren, ta ut nøkkelen og vente til alle bevegelige deler står stille.
Hev maskinens bakende, og støtt den opp med jekkstøtter.
Ta av bakhjulene på maskinen.
Ta bort alt rusk fra bremseområdet.
Frigjør drivhjulene: Se Bruke drivhjulets løseventiler.
Mål lengden på koblingsenheten (Figur 59).
Note: Hvis koblingsenheten er festet i fremre posisjon, skal lengden være 219 mm. Hvis den er festet i bakre posisjon, skal lengden være 232 mm.

Mål lengden på fjæren (Figur 59).
Note: Målingen skal være 95 mm.
Når du oppnår riktig fjærlengde, må du kontrollere om det er et synlig avstand mellom justeringen og skulderen.
Koble fra parkeringsbremsen, og vri hjulnavet for hånd i begge retninger.
Note: Hjulnavet skal rotere fritt.
Hvis det er nødvendig å skape avstand eller hjulnavet kan rotere fritt, gjør du følgende:
Koble fra parkeringsbremsen.
Koble fra og finjuster den bakre koblingsenheten.
Gjør koblingen kortere for å skape avstand.
Forleng koblingen for å gi rom for hjulnavrotasjon.
Koble til den bakre koblingen igjen.
Sett på parkeringsbremsen og sjekk avstanden.
Gjenta trinn 10 til 12 inntil det finnes synlig avstand og hjulnavet kan rotere fritt. Gjenta prosedyren på motsatt side.
Note: Bremsen skal frakoble fullstendig når bremsen er i den frigitte stillingen.
Vri drivhjulets løsehåndtak til driftsstilling. Se Bruke drivhjulets løseventiler.
Monter bakdekkene du fjernet tidligere. Stram hakemutterne til 115–142 Nm.
Ta bort jekkstøttene.
| Vedlikeholdsintervall | Vedlikeholdsprosedyre |
|---|---|
| Hver 50. driftstime |
|
Skift ut remmen hvis den er slitt. Tegn på en slitt rem omfatter kvining mens remmen roterer, knivene sklir ved klipping av gress og slitte kanter, brente merker og sprekker på/i remmen.
Hvining når remmen roterer, knivene glipper når du klipper gresset, frynsete kanter, brennmerker og sprekker er tegn på at klipperremmen er slitt. Skift remmen hvis noen av disse problemene oppstår.
Parker maskinen på en jevn overflate, koble fra knivkontrollbryteren, og sett på parkeringsbremsen.
Før du forlater førerplassen må du slå av motoren, ta ut nøkkelen og vente til alle bevegelige deler står stille.
Senk gressklipperen til en klippehøyde på 76 mm.
Fjerne remdekslene.
Bruk en skralle i det firkantede hullet i lederullarmen for å redusere spenningen på blindfjæren (Figur 60).
Ta remmen av klippeenhetens remskive.
Fest den nye remmen rundt gressklipperremskivene (Figur 60).

Påse at fjærendene sitter i forankringssporene, og bruk skrallehåndtaket i det firkantede hullet, og monter beltet rundt lederullen (Figur 60).
Monter remdekslene.
| Vedlikeholdsintervall | Vedlikeholdsprosedyre |
|---|---|
| Hver 100. driftstime |
|
Benytt 4,5 kg kraft til generatorremmen midt mellom lederullene.
Hvis du ikke kan trykke den ned 10 mm, løsner du monteringsboltene for generatoren (Figur 61).

Øk eller reduser spenningen til generatorremmen.
Stram monteringsboltene.
Kontroller hvor langt ned du kan trykke beltet, for å kontrollere at spenningen er riktig.
Det er to høydestillinger for kontrollspakene – høy og lav. Fjern boltene for å justere høyden for føreren.
Parker maskinen på en jevn overflate, koble fra knivkontrollbryteren (kraftuttak), og sett på parkeringsbremsen.
Før du forlater førerplassen må du slå av motoren, ta ut nøkkelen og vente til alle bevegelige deler står stille.
Løsne boltene og flensmutrene som er installert i spakene (Figur 62).
Innrett foran-til-bak-stilling for spakene ved å bringe dem sammen til NøYTRAL stilling og føre dem til de er innrettet. Stram deretter boltene (Figur 63).


Dersom endene på spakene slår mot hverandre, se Justere bevegelseskontrolleddene.
Gjenta for å justere kontrollspakene.
Pumpekontrolleddene befinner seg på begge sidene av maskinen, under setet. Du kan finjustere ved å dreie på endemutteren med en ½-tommes pipenøkkel, slik at maskinen ikke beveger seg i når den er i nøytral. Det skal kun gjøres justeringer for nøytralstillingen.
Hvis du vil justere bevegelseskontrollen, må du kjøre motoren og svinge drivhjulene. Kontakt med bevegelige deler eller varme overflater kan føre til personskade.
Hold fingre, hender og bekledning unna roterende komponenter og varme overflater.
Parker maskinen på en jevn overflate, koble fra knivkontrollbryteren (kraftuttak), og sett på parkeringsbremsen.
Før du forlater førerplassen må du slå av motoren, ta ut nøkkelen og vente til alle bevegelige deler står stille.
Tråkk løftepedalen for klippeenheten, ta ut klippehøydepinnen og senk klippeenheten ned på bakken
Hev bakre del av maskinen, og støtt med jekkstøtter (eller tilsvarende støtte) akkurat høyt nok til at drivhjulene kan rotere fritt.
Ta vekk den elektriske koblingen fra setesikkerhetsbryteren som er plassert under seteputen.
Note: Bryteren er en del av seteenheten.
Installer midlertidig en kaldstartsledning over terminalene i hovedledningsnettkonnektoren.
Start motoren, kjør den på full gass, og koble fra parkeringsbremsen.
Note: Påse at parkeringsbremsen er aktivert og at bevegelseskontrollspakene er ute før du starter motoren. Du trenger ikke å være i setet.
Kjør maskinen i minst fem minutter med drivspakene satt til full fart forover å få hydraulikktemperaturen opp til driftstemperatur.
Note: Bevegelseskontrollspakene må være i nøytral stilling mens du utfører justeringene.
Sett bevegelseskontrollspakene i NøYTRAL stilling.
Juster lengden på pumpekontrollstaget ved å vri på de doble muterne på staget i den aktuelle retningen til hjulene kryper noe i revers (Figur 64).

Flytt bevegelseskontrollspakene til REVERS-stillingen og bruk litt lett trykk på spaken mens du lar reversindikatorfjærene føre spakene tilbake til nøytral stilling.
Note: Hjulene skal slutte å bevege seg eller krype noe i revers.
Slå av maskinen.
Fjern kaldstartsledningen fra ledningsnettkonnektoren og koble konnektoren inn i setebryteren.
Ta bort jekkstøttene.
Hev klippeenheten og sett inn igjen klippehøydepinnen.
Kontroller at maskinen ikke beveger seg i fri når parkeringsbremsen er deaktivert.
Du kan justere den øvre dempermonteringsbolten for å oppnå ønsket motstand for bevegelseskontrollspaken. Se Figur 65 for monteringsalternativer.

Oppsøk legehjelp øyeblikkelig hvis olje kommer i direkte kontakt med huden. Innsprøytet væske må fjernes kirurgisk innen få timer av en lege.
Kontroller at alle hydraulikkslanger og ledninger er i god stand, og at alle hydrauliske koblinger og beslag er tette, før det hydrauliske systemet settes under trykk.
Hold kropp og hender borte fra hull eller dyser som sprøyter ut hydraulisk olje under høyt trykk.
Bruk kartong eller papir til å finne lekkasjer.
Før du utfører vedlikehold eller reparasjoner på det hydrauliske systemet, må du forsiktig slippe ut alt trykket.
Hydraulikktankkapasitet: 15,1 l
Anbefalt væske Toro Premium Transmission/Hydraulic Tractor Fluid (tilgjengelig i spann på 19 liter eller fat på 208 liter. Se delekatalogen eller kontakt en autorisert Toro-forhandler for å få oppgitt delenumre.
Alternative væsker: Hvis Toro-væsken ikke er tilgjengelig, kan man bruke Mobil® 424-hydraulikkvæske.
Note: Toro tar ikke ansvar for skade skjedd på grunn av uegnede erstatninger.
Note: Mange hydrauliske væsker er nesten fargeløse, noe som gjør det vanskelig å oppdage lekkasjer. Et rødt fargestoff for hydraulikkvæsken er tilgjengelig på flasker på 20 ml. Én flaske er nok til 15–22 liter med hydraulikkvæske. Bestill delenummer 44-2500 fra en autorisert Toro-forhandler.
| Vedlikeholdsintervall | Vedlikeholdsprosedyre |
|---|---|
| For hver bruk eller daglig |
|
Kontroller hydraulikkvæskenivået før du starter maskinen for første gang, og deretter hver dag.
Parker maskinen på en jevn overflate, koble fra knivkontrollbryteren, og sett på parkeringsbremsen.
Flytt bevegelseskontrollspakene til den NøYTRALE LåSESTILLINGEN og start motoren.
Note: Kjør motoren på lavest mulig turtall for å blåse ut eventuell luft av systemet.
Important: Koble ikke til kraftuttaket.
Hev klippeenheten for å trekke ut løftesylindrene, slå av motoren og ta ut nøkkelen.
Hev setet for å få tilgang til hydraulikkvæsketanken.
Fjern lokket på den hydrauliske tanken (Figur 66).

Ta ut peilestaven og tørk den med en ren fille (Figur 66).
Før peilestaven ned i påfyllingshalsen før du tar den ut og kontroller væskenivået (Figur 67).
Note: Hvis nivået ikke er innenfor det merkede området på peilestaven, fyller du på mer hydraulikkvæske av høy kvalitet til nivået når opp til det merkede området.
Important: Ikke fyll på for mye.

Sett tilbake peilestaven og tre påfyllingslokket fast på påfyllingshalsen med fingrene.
Kontroller om det er lekkasjer i slangene og beslagene.
| Vedlikeholdsintervall | Vedlikeholdsprosedyre |
|---|---|
| Etter de 200 første timene |
|
| Hver 400. driftstime |
|
| Hver 800. driftstime |
|
Koble fra kraftuttaket, flytt bevegelseskontrollspakene til NøYTRAL, LåST stilling, og sett på parkeringsbremsen.
Flytt gasspaken til SAKTE-stillingen, slå av motoren, ta ut nøkkelen og vent til alle bevegelige deler har stanset før du reiser deg.
Hev setet.
Plasser et stort tappefat under hydraulikkreservoaret, girkassen og venstre og høyre hjulmotorer (Figur 68).

Fjern tappepluggene fra hvert område, og la hydraulikkvæsken tappes (Figur 68).
Rengjør rundt hydraulikkvæskefilteret, og fjern filteret (Figur 68).
Monter et nytt hydraulikkvæskefilter og drei filteret med urviseren til gummitetningen kommer i kontakt med filteradapteren. Trekk deretter til filteret med ytterligere ⅔ til ¾ omdreining.
Sett på plass de fire tappepluggene.
Note: Tappepluggene for hjulmotoren er magnetiske. Tørk dem rene før montering.
Fjern pluggen for påfyllingsåpningen fra toppen av hver hjulmotor (Figur 69).
Fyll hver hjulmotor med ca. 1,4 l av Toro Premium Transmission/Hydraulic Tractor Fluid.
Sett på plass pluggene for påyllingsåpningene.

Fjern reservoarhetten og peilestaven fra hydraulikkvæsketanken.
Fyll på 7,6 l med væske i reservoaret.
Hev bakre del av maskinen og støtt med jekkstøtter (eller tilsvarende støtte) akkurat høyt nok til at drivhjulene kan rotere fritt.
Start motoren, og se etter væskelekkasjer.
La motoren gå i ca. fem minutter, og slå den deretter av.
Etter to minutter kan du kontrollere hydraulikkvæskenivået. Se Kontrollere nivået på den hydrauliske væsken.
Inspiser knivene regelmessig for slitasje eller skade.
Vær forsiktig når du kontrollerer knivene. Legg noe rundt knivene eller bruk hansker, og vær svært forsiktig når du håndterer knivene. Bare skift ut eller slip knivene. Du må aldri rette eller sveise dem.
Vær forsiktig hvis maskinen har flere knivblader, da resten av knivene kan begynne å rotere når det ene knivbladet roteres.
Skadde eller slitte knivblader og bolter må skiftes ut i sett for å opprettholde balansen.
Sørg for å få best mulig klipperesultat ved å holde knivene skarpe. Det kan være praktisk å ha en ekstra kniv på for mer effektiv sliping og utskifting.
Parker maskinen på en jevn overflate, koble fra knivkontrollbryteren, og sett på parkeringsbremsen.
Før du forlater førerplassen må du slå av motoren, ta ut nøkkelen og vente til alle bevegelige deler står stille.
| Vedlikeholdsintervall | Vedlikeholdsprosedyre |
|---|---|
| For hver bruk eller daglig |
|
Undersøk kniveggene (Figur 70).
Hvis kniven er sløv eller hvis det er hakk i den, må den tas av og slipes. Se Slipe knivbladene.
Undersøk knivbladene, spesielt buen.
Hvis du finner sprekker, slitasje eller ser at det begynner å dannes spor i denne delen av kniven, må den skiftes ut øyeblikkelig (Figur 70).

Note: Maskinen må stå på en plan overflate for den følgende prosedyren.
Hev klippeenheten til høyeste klippehøydeinnstilling.
Ta på tykke arbeidshansker eller annet hensiktsmessig håndvern og sakte roter kniven som skal måles, til en stilling som gjør det mulig å måle avstanden mellom kniveggen og den plane overflaten maskinen står på (Figur 71).

Mål fra knivtuppen til den flate overflaten (Figur 72).

Roter den samme kniven 180 grader så den motsatte kniveggen nå er i samme stilling (Figur 73).

Mål fra knivtuppen til den flate overflaten (Figur 74).
Note: Avviket skal ikke være større enn 3 mm.

Hvis forskjellen mellom A og B er større enn 3 mm, skift ut kniven med en ny, se Fjerne knivbladene og Montere knivbladene.
Note: Hvis en bøyd kniv skiftes ut med en ny kniv og forskjellen fortsatt overstiger 3 mm, kan det være at knivspindelen er bøyd. Ta kontakt med en autorisert Toro-forhandler for service.
Hvis avviket er innenfor grensene, fortsett til neste kniv.
Gjenta prosedyren for alle knivene.
Bytt ut knivene hvis de treffer en hard gjenstand, eller hvis de er ute av balanse eller bøyd.
Plasser en skrunøkkel på flaten av spindelakselen, eller hold knivenden ved hjelp av en fille eller en tykt polstret hanske.
Fjern knivbolten, hylsen og kniven fra spindelakselen (Figur 75).

Bruk en fil til å slipe eggen i begge ender av kniven (Figur 76).
Note: Oppretthold den opprinnelige vinkelen.
Note: Kniven opprettholder balansen hvis like mye materiale fjernes fra begge kniveggene.

Sjekk knivens balanse ved å legge den på en balanseringsinnretning (Figur 77).
Note: Hvis kniven holder seg i horisontal stilling, har den riktig balanse og kan brukes.
Note: Hvis kniven ikke er i balanse, filer du bort litt av metallet på enden av vingeområdet (Figur 76).

Fortsett med dette helt til kniven er balansert.
Monter hylsen gjennom bladet med hylseflensen på bunnsiden (gressiden) av bladet (Figur 78).

Monter hylse-/bladenheten inn i spindelakselen (Figur 79).

Påfør kobberbasert smøremiddel eller smørefett på trådene til knivbolten etter behov for å unngå fastkjøring. Monter knivbolten, og skru til med fingrene.
Plasser en skrunøkkel på flaten til spindelakselen, og trekk til knivbolten med et moment på 75 til 81 Nm.
Note: Kontroller at klippeenheten er plan før du stiller inn klippehøyden.
Parker maskinen på en jevn overflate, koble fra knivkontrollbryteren, og sett på parkeringsbremsen.
Før du forlater førerplassen må du slå av motoren, ta ut nøkkelen og vente til alle bevegelige deler står stille.
Kontroller dekktrykket for drivhjulene.
Juster til 1,24 bar ved behov.
Bruk løftebryteren for klippeenheten til å flytte klippeenheten ut av transportstillingen (140 mm klippehøyde).

Sett klippehøydebolten inn i plasseringen for 76 mm klippehøyde.
Frigjør transportlåsen og la klippeenheten senkes ned til klippehøyden.
Mål fra en plan overflate til fremre tupp på den midtre kniven (Figur 81).
Note: Riktig avstand skal være 76 mm.
I de fleste forhold skal baktuppene på sideknivene være på linje med de fremre.

Finjuster justeringsmutteren på den fremre klippeenheten ved å vri på den (Figur 82).
Note: Hvis du vil øke høyden, vrir du justeringsmutteren med urviseren. Hvis du vil redusere høyden, vrir du mutteren mot urviseren.
Note: Hvis de fremre klippeenhetsleddene ikke har nok justeringsmulighet til å oppnå riktig klippehøyde, kan du bruke ettrinnsjusteringen for å øke justeringsmuligheten.

Mål den bakre knivtupphøyden. Finjuster de bakre justererne ved behov. Bruk ettrinnsjusteringen for å få mer justering.
De bakre tuppene på sideknivene skal måle 76 mm.
Mål til alle de fire sidene har riktig høyde. Stram til alle mutterne på løftearmenhetene for klippeenheten.
Hvis de fire klippeenhetsjustererne ikke har nok justering til å oppnå nøyaktig klippehøyde med den ønskede raken, kan du justere ettrinnsjusteringsenheten (Figur 83).

For å justere ettrinnsjusteringsenheten må du først løsne monteringsboltene på fremre og bakre klippehøydeplate (Figur 83).
Note: Klippeenheten blir festet i de fremre hullene på fabrikken (Figur 84). Bruk de bakre hullene, om nødvendig, for mer justering når klippeenheten nivelleres.

Hvis klippeenheten er for lav, kan du stramme til ettrinnsjusteringsbolten ved å vri den med urviseren. Hvis klippeenheten er for høy, kan du løsne ettrinnsjusteringsbolten ved å vri den mot urviseren (Figur 85).
Note: Løsne eller stram til ettrinnsjusteringsbolten nok til å flytte klippehøydeplatens monteringsbolter minst ⅓ av den tilgjengelige lengden i sporene. Dette gir litt opp- og nedjusteringsmuligheter for hver av de fire klippeenhetleddene.

Trekk til de to boltene nederst på klippehøydeplaten (Figur 83).
Note: Vanligvis skal den bakre knivtuppen justeres 6,4 mm høyere enn den fremre.
Trekk til de to boltene med et moment på 91–113 Nm.
Mål til alle de fire sidene har riktig høyde. Stram til alle mutterne på løftearmenhetene for klippeenheten.
| Vedlikeholdsintervall | Vedlikeholdsprosedyre |
|---|---|
| For hver bruk eller daglig |
|
Important: Ikke bruk vann til å rengjøre motoren. Bruk bare trykkluft med lavt trykk. Se brukerhåndboken for motoren.
Parker maskinen på en jevn overflate, koble fra knivkontrollbryteren (kraftuttak), og sett på parkeringsbremsen.
Før du forlater førerplassen må du slå av motoren, ta ut nøkkelen og vente til alle bevegelige deler står stille.
Rengjør rundt svinghjulet, topplokket, innsprøytingsdysene og injeksjonspumpen.
Rengjør alle rester fra eksossystemets område.
Tørk av overflødig fett eller olje rundt motoren og eksosområdet.
| Vedlikeholdsintervall | Vedlikeholdsprosedyre |
|---|---|
| For hver bruk eller daglig |
|
Parker maskinen på en jevn overflate, koble fra knivkontrollbryteren (kraftuttak), og sett på parkeringsbremsen.
Før du forlater førerplassen må du slå av motoren, ta ut nøkkelen og vente til alle bevegelige deler står stille.
Fjern eventuell olje, smuss, eller oppsamlet gress på maskinen, spesielt under remdekslet til klippeenheten, rundt drivstofftanken, rundt motoren og i eksossystemområdet.
Hev klippeenheten til TRANSPORT-stillingen.
Rengjør all gressoppbygging fra undersiden av klippeenheten.
Motorolje, batterier, hydraulikkvæske og motorkjølemiddel er forurensende for miljøet. Avhend disse i henhold til nasjonale eller lokale regelverk.
Før du forlater førerplassen, må du slå av motoren, ta ut nøkkelen og vente til alle bevegelige deler står stille. La maskinen kjøle seg ned før justering, vedlikehold, rengjøring eller oppbevaring.
Oppbevar ikke maskinen eller drivstoffet i nærheten av flammer, og tøm ikke ut drivstoffet innendørs eller inne i en lukket tilhenger.
Oppbevar aldri maskinen eller bensinkannen hvor det er åpen ild, gnist eller kontrollampe som på en varmtvannstank eller andre apparater.
Koble fra knivkontrollbryteren (kraftuttaket), og aktiver parkeringsbremsen.
Før du forlater førerplassen må du slå av motoren, ta ut nøkkelen og vente til alle bevegelige deler står stille.
Rengjør hele alle utvendige deler på maskinen for gress, smuss og skitt, spesielt motoren og det hydrauliske systemet. Fjern utvendige gressrester og smuss på motorens sylindertoppribber og viftehus.
Important: Du kan vaske maskinen med skånsomt vaskemiddel og vann. Maskinen må ikke trykkvaskes. Unngå overdreven bruk av vann, spesielt nær kontrollpanelet, motoren og de hydrauliske pumpene og motorene.
Kontroller at parkeringsbremsen virker. Se Justere parkeringsbremsen.
Vedlikehold luftrenseren, se Overhale luftrenseren.
Smør maskinen, se Smøring.
Bytte veivhusolje, se Motoroljespesifikasjoner.
Kontroller trykket i dekkene. Se Kontrollere trykket i dekkene.
Skifte de hydrauliske filtrene. Se Skifte hydraulikkvæske og filter.
Bytt ut batteriet, se Lade batteriet.
Skrap bort oppsamlet gress og skitt fra gressklipperens underside, og spyl den med en hageslange.
Note: Kjør maskinen med knivkontrollbryteren (kraftuttak) innkoblet og motoren på høy tomgang i 2 til 5 minutter etter vask.
Kontroller knivenes tilstand. Se Overhale gressklipperknivene.
Gjør maskinen klar for oppbevaring når det er flere enn 30 dager til du skal bruke den igjen. Slik gjør du maskinen klar for lagring:
Bland et stabiliserings-/kondisjoneringsmiddel med petroleumsbase i drivstoffet på tanken. Følg blandingsinstruksjonene fra produsenten av stabiliseringsmiddelet. Stabiliseringsmidler med alkoholbase (etanol eller metanol) må ikke brukes.
Note: Et stabiliserings-/kondisjoneringsmiddel er mest effektivt når det blandes med ferskt drivstoff og brukes til enhver tid.
Kjør motoren i fem minutter for å fordele det behandlede drivstoffet i drivstoffsystemet.
Slå av motoren, la den kjøles ned og tøm drivstofftanken.
Start motoren og kjør den til den stopper.
Drivstoff må kasseres i henhold til lokale forskrifter. Resirkuler drivstoffet i samsvar med lokale forskrifter.
Important: Ikke oppbevar drivstoff som inneholder stabiliserings-/kondisjoneringsmiddel, lenger enn anbefalt av produsenten av middelet.
Sjekk og stram til alle bolter, mutrer og skruer. Alle skadde eller defekte deler må repareres eller skiftes ut.
Reparer alle riper eller avskallinger i lakken. Du kan kjøpe maling hos ditt autoriserte forhandlerverksted.
Maskinen må oppbevares rent og tørt i en garasje eller på et lager. Ta nøkkelen ut av tenningen og hold den utenfor barns eller andre uautoriserte brukeres rekkevidde. Legg en presenning over maskinen for å beskytte den og holde den ren.
| Problem | Possible Cause | Corrective Action |
|---|---|---|
| Startmotoren kjører ikke. |
|
|
| Motoren vil ikke starte, er vanskelig å starte eller går ikke. |
|
|
| Motoren mister kraft. |
|
|
| Motoren overopphetes. |
|
|
| Maskinen trekker til høyre eller venstre (når bevegelseskontrollspakene er satt rett fremover). |
|
|
| Maskinen kjører ikke. |
|
|
| Maskinen vibrerer unormalt mye. |
|
|
| Klippehøyden er ujevn. |
|
|
| Knivene roterer ikke. |
|
|



