| Intervalo de mantenimiento y servicio | Procedimiento de mantenimiento |
|---|---|
| Cada vez que se utilice o diariamente |
|
Esta segadora de asiento de cuchillas rotativas está diseñada para que la utilicen operadores profesionales contratados. Está diseñada principalmente para segar césped bien mantenido en zonas verdes residenciales o comerciales. El uso de este producto para otros propósitos que los previstos podría ser peligroso para usted y para otras personas.
Lea este manual detenidamente para aprender a utilizar y mantener correctamente su producto, y para evitar lesiones y daños al producto. Usted es responsable de utilizar el producto de forma correcta y segura.
Visite www.Toro.com para buscar materiales de formación y seguridad o información sobre accesorios, para localizar un distribuidor o para registrar su producto.
Cuando necesite asistencia técnica, piezas genuinas Toro o información adicional, póngase en contacto con un Servicio Técnico Autorizado o con Asistencia al Cliente de Toro, y tenga a mano los números de modelo y serie de su producto. Figura 1 identifica la ubicación de los números de modelo y serie en el producto. Escriba los números en el espacio provisto.
Important: Con su dispositivo móvil, puede escanear el código QR (en su caso) de la pegatina del número de serie para acceder a información sobre la garantía, las piezas, y otra información sobre el producto.

Este manual utiliza 2 palabras más para resaltar información. Importante llama la atención sobre información mecánica especial, y Nota resalta información general que merece una atención especial.
El símbolo de advertencia de seguridad (Figura 2) aparece tanto en este manual como en la máquina para identificar mensajes de seguridad importantes que debe observar con el fin de evitar accidentes. Este símbolo aparecerá junto a la palabra Peligro, Advertencia o Precaución.
Peligro indica una situación peligrosa inminente que, si no se evita, provocará la muerte o lesiones graves.
Advertencia indica una situación potencialmente peligrosa que, si no se evita, podría producir la muerte o lesiones graves.
Precaución indica una situación potencialmente peligrosa que, si no se evita, puede producir lesiones menores o moderadas.

El uso o la operación del motor en cualquier terreno forestal, de monte o cubierto de hierba a menos que el motor esté equipado con parachispas (conforme a la definición de la sección 4442) mantenido en buenas condiciones de funcionamiento, o que el motor haya sido fabricado, equipado y mantenido para la prevención de incendios, constituye una infracción de la legislación de California (Sección 4442 o 4443 del California Public Resource Code).
El Manual del propietario del motor adjunto ofrece información sobre las normas de la U.S. Environmental Protection Agency (EPA) y de la California Emission Control Regulation sobre sistemas de emisiones, mantenimiento y garantía. Puede solicitarse un manual nuevo al fabricante del motor.
Par bruto o neto: El par bruto o neto de este motor lo calculó el fabricante del motor con arreglo a lo estipulado en el documento J1940 o J2723 de la Society of Automotive Engineers (Sociedad de Ingenieros del Automóvil – SAE). Debido a que el motor está configurado para cumplir los requisitos de seguridad, emisiones y operación, su potencia real en este tipo de segadora será significativamente menor. Consulte la información del fabricante del motor incluida con la máquina.
CALIFORNIA
Advertencia de la Propuesta 65
Es sabido por el Estado de California que los gases de escape de los motores diesel y algunos de sus componentes causan cáncer, defectos congénitos y otros peligros para la reproducción.
Los bornes, terminales y otros accesorios de la batería contienen plomo y compuestos de plomo, productos químicos reconocidos por el Estado de California como causantes de cáncer y daños reproductivos. Lávese las manos después de manejar el material.
El uso de este producto puede provocar la exposición a sustancias químicas que el Estado de California considera causantes de cáncer, defectos congénitos u otros trastornos del sistema reproductor.
Este producto es capaz de amputar manos y pies y de lanzar objetos al aire. Siga siempre todas las instrucciones de seguridad con el fin de evitar lesiones personales graveso la muerte.
Lea y comprenda el contenido de este Manual del operador antes de arrancar el motor.
Mantenga alejadas a otras personas y a los niños.
No deje que la máquina la utilicen o mantengan niños o personas que no hayan recibido la formación adecuada al respecto. Solo permita que utilicen la máquina personas que sean responsables, que cuenten con la formación adecuada, que estén familiarizadas con las instrucciones y tengan capacidad física para usarla o repararla.
Mantenga siempre la barra antivuelco en la posición de totalmente elevada y bloqueada, y utilice el cinturón de seguridad.
No utilice la máquina cerca de terraplenes, fosas, taludes, agua, u otros peligros, o en pendientes de más de 15°.
No coloque las manos o los pies cerca de componentes en movimiento de la máquina.
No utilice la máquina, a menos que tenga instalados y estén en funcionamiento todos los protectores, los interruptores de seguridad y otros dispositivos de seguridad.
Apague el motor, retire la llave y espere a que se detengan todas las piezas en movimiento antes de abandonar el puesto del operador. Deje que la máquina se enfríe antes de realizar tareas de mantenimiento, ajustes, repostajes y antes de limpiarla o de guardarla.

![]() |
Las calcomanías e instrucciones de seguridad están a la vista del operador y están ubicadas cerca de cualquier zona de peligro potencial. Sustituya cualquier calcomanía que esté dañada o que falte. |


























Familiarícese con todos los controles antes de poner en marcha el motor y trabajar con la máquina.

Consulte la Guía de software para obtener información detallada sobre la interfaz del operador, que permite acceder a información, reiniciar contadores, modificar la configuración del sistema y solucionar problemas con el equipo.

La pantalla de información muestra información relacionada con la operación de la máquina; consulte la Guía de software para obtener más información.
Los botones multifunción están situados en la parte inferior del panel. El icono que aparece en la pantalla de información encima de cada botón indica su función actual. Los botones permiten seleccionar la velocidad del motor y desplazarse por los menús del sistema.
Consulte la Guía de software para obtener más información.
El indicador LED de estado cambia de color para indicar el estado del sistema y está situado en el lado derecho del panel. Durante el arranque, el LED se enciende primero en rojo, luego en naranja y por último en verde para verificar la funcionalidad.
Verde fijo – indica actividad normal
Rojo intermitente – indica que hay un fallo activo
Verde y naranja intermitente: – indica que es necesario efectuar un reinicio del embrague.
Consulte la Guía de software para obtener más información.
Si se produce algún error, se muestra un mensaje de error, el LED cambia a rojo y suena la alarma audible, como se indica a continuación:
Un sonido discontinuo rápido indica la presencia de errores críticos.
Un sonido discontinuo lento indica errores menos importantes, tales como un intervalo de mantenimiento obligatorio.
Note: Durante el arranque, la alarma suena brevemente para verificar su funcionalidad.
Consulte la Guía de software para obtener más información.
El horímetro registra el número de horas de operación de la máquina. Funciona cuando el motor está en marcha. El recuento de horas se utiliza a la hora de programar el mantenimiento regular (Figura 5).
Las horas se muestran en la pantalla de Apagado del motor o en el menú del Horímetro del motor.
Consulte la Guía de software para obtener más información.
Este interruptor se utiliza para arrancar el motor. Tiene tres posiciones: ARRANQUE, MARCHA y DESCONECTADO.
Note: Los indicadores LCD aparecen cuando cada control reúne las condiciones de "arranque seguro" (por ejemplo, el indicador se enciende cuando el asiento está ocupado).
Note: La UCE del motor controla las bujías durante los arranques en frío. Si la temperatura del refrigerante es demasiado baja, el símbolo de la bujía aparece en el monitor y el motor de arranque no gira cuando se gira la llave a la posición de ARRANQUE. Las bujías se activan en la posición de CONECTADO o ARRANQUE. Cuando la bujía se ha enfriado lo suficiente para la temperatura actual, el símbolo de la bujía desaparece del monitor y el motor gira cuando se mueve la llave a la posición de ARRANQUE.
Note: El sistema le permite arrancar la máquina con el mando de la TDF engranado, pero no engrana las cuchillas. Es necesario reiniciar la TDF para engranar la TDF.
El acelerador controla la velocidad del motor, y hay 3 velocidades: Máxima, Eficiente y Baja.
Consulte la Guía de software para obtener más información.
El mando de control de las cuchillas (TDF) engrana y desengrana la transmisión de potencia a las cuchillas de corte (Figura 5).
El indicador LCD aparece en la pantalla de información cuando el mando de la TDF está desengranado.
Note: Las máquinas equipadas con monitor Horizon cuentan con una función de protección del embrague, que permite reducir automáticamente la velocidad del motor cuando se desengrana el mando de la TDF. Al engranar y desengranar el mando de la TDF, se cambia el ajuste del acelerador del motor entre los modos de SIEGA y TRANSPORTE.
Note: El sistema le permite arrancar la máquina con el mando de la TDF engranado, pero no se engranan las cuchillas. Para engranar la TDF es necesario reiniciar el mando de la TDF, poniéndolo primero en la posición de Desengranado y luego en Engranado.
Mueva el interruptor hacia atrás para elevar la carcasa.
Mueva el interruptor hacia adelante para bajar la carcasa.
Utilice las palancas de control de movimiento para conducir la máquina hacia adelante y hacia atrás y para girar en ambos sentidos (Figura 4).
Mueva las palancas de control de movimiento hacia fuera, desde la posición central a la posición de BLOQUEO/PUNTO MUERTO antes de bajarse de la máquina (Figura 22). Ponga siempre las palancas de control de movimiento en posición de BLOQUEO/PUNTO MUERTO cuando pare la máquina o antes de dejarla desatendida.
Cada vez que se apaga el motor, accione el freno de estacionamiento para evitar que la máquina se desplace accidentalmente.
| 168,2 cm |
| Barra antivuelco levantada o bajada | 255,5 cm |
| Barra antivuelco levantada | 182,4 cm |
| Barra antivuelco bajada | 129,5 cm |
| Barra antivuelco levantada | 182,4 cm |
| Barra antivuelco bajada | 129,5 cm |
| 112 cm |
| 84 cm |
| 157,2 cm |
Está disponible una selección de aperos y accesorios homologados por Toro que se pueden utilizar con la máquina a fin de potenciar y aumentar sus prestaciones. Póngase en contacto con su servicio técnico autorizado o con su distribuidor Toro autorizado, o bien visite www.Toro.com para obtener una lista de todos los aperos y accesorios homologados.
Para asegurar un rendimiento óptimo y mantener la certificación de seguridad de la máquina, utilice solamente piezas y accesorios genuinos Toro. Las piezas de repuesto y accesorios de otros fabricantes podrían ser peligrosos, y su uso podría invalidar la garantía del producto.
Note: Los lados derecho e izquierdo de la máquina se determinan desde la posición normal del operador.
No deje que la máquina la utilicen o mantengan niños o personas que no hayan recibido la formación adecuada al respecto. La normativa local puede imponer límites sobre la edad del operador. El propietario es responsable de proporcionar formación a todos los operadores y mecánicos.
Inspeccione la zona en la que va a utilizar la máquina y retire cualquier objeto que pudiera interferir con el funcionamiento de la máquina o que esta pudiera arrojar.
Familiarícese con la operación segura del equipo, los controles del operador y las señales de seguridad.
Compruebe que los controles de presencia del operador, los interruptores de seguridad y los protectores están colocados y que funcionan correctamente. No utilice la máquina si no funcionan correctamente.
Apague el motor, retire la llave y espere a que se detengan todas las piezas en movimiento antes de abandonar el puesto del operador. Deje que la máquina se enfríe antes de realizar tareas de mantenimiento, ajustes, repostajes y antes de limpiarla o de guardarla.
Antes de segar, inspeccione siempre la máquina para asegurarse de que los conjuntos de corte funcionan correctamente.
Evalúe el terreno para determinar el equipo y los aperos o accesorios necesarios para utilizar la máquina debidamente y con seguridad.
Lleve ropa adecuada, incluida protección ocular, pantalones largos, calzado resistente y antideslizante y protección auricular. Si tiene el pelo largo, recójaselo, y no lleve prendas o joyas sueltas.
No lleve pasajeros en la máquina.
Mantenga alejadas a otras personas y a los animales domésticos de la máquina durante su funcionamiento. Apague la máquina y los accesorios si alguien entra en la zona.
No utilice la máquina, a menos que estén colocados y funcionen correctamente todos los protectores y dispositivos de seguridad, como los deflectores y todo el recogedor. Sustituya las piezas desgastadas o deterioradas cuando sea necesario.
El combustible es extremadamente inflamable y altamente explosivo. Un incendio o una explosión provocados por el combustible puede causarle quemaduras a usted y a otras personas así como daños materiales.
Para evitar que una carga estática incendie el combustible, coloque el recipiente y/o la máquina directamente sobre el suelo antes de repostar, no en un vehículo o sobre otro objeto.
Llene el depósito de combustible en el exterior sobre terreno llano, en una zona abierta y con el motor frío. Limpie cualquier combustible derramado.
No maneje combustible si está fumando, ni cerca de una llama desnuda o chispas.
No retire el tapón de combustible ni añada combustible al depósito mientras el motor está en marcha o está caliente.
Si derrama combustible, no intente arrancar el motor. Evite crear una fuente de ignición hasta que se hayan disipado los vapores del combustible.
Almacene el combustible en un recipiente homologado y manténgalo fuera del alcance de los niños.
El combustible es dañino o mortal si es ingerido. La exposición a largo plazo a los vapores puede causar lesiones y enfermedades graves.
Evite la respiración prolongada de los vapores.
Mantenga las manos y el rostro alejados de la boquilla y de la apertura del depósito de combustible.
Mantenga alejado el combustible de los ojos y la piel.
No guarde la máquina o un recipiente de combustible en un lugar donde pudiera haber una llama desnuda, chispas o una llama piloto, por ejemplo en un calentador de agua u otro electrodoméstico.
No llene los recipientes dentro de un vehículo o sobre la plataforma de un camión o remolque con forro de plástico. Coloque los recipientes siempre en el suelo, lejos del vehículo, antes de llenarlos.
Retire el equipo del camión o del remolque y repóstelo en el suelo. Si esto no es posible, reposte usando un recipiente portátil, en vez de usar una boquilla dosificadora de combustible.
No utilice la máquina a menos que esté instalado un sistema completo de escape en buenas condiciones de funcionamiento.
Mantenga la boquilla dosificadora de combustible en contacto con el borde del depósito de combustible o el orificio del recipiente en todo momento hasta que termine de repostar. No utilice dispositivos que mantengan abierta la boquilla.
Si se derrama combustible sobre su ropa, cámbiese de ropa inmediatamente.
No llene el depósito de combustible en exceso. Vuelva a colocar el tapón de combustible y apriételo firmemente.
Limpie la hierba y los residuos de la unidad de corte, el silenciador, las transmisiones, el recogedor y el compartimento del motor para prevenir incendios. Limpie cualquier aceite o combustible derramado.
El motor funciona con combustible diésel nuevo y limpio con un índice de cetano mínimo de 40. Compre el combustible en cantidades que puedan ser consumidas en 30 días para asegurarse de que el combustible es nuevo.
Utilice combustible diésel tipo verano (Nº 2-D) en temperaturas superiores a -7 °C y tipo invierno (Nº 1-D o mezcla de Nº 1-D/2-D) en temperaturas inferiores a -7 °C. El uso de combustible diésel tipo invierno a temperaturas inferiores proporciona un punto de ignición y punto de flujo más bajos, lo que facilita el arranque y reduce la posibilidad de separación química del combustible debido a las temperaturas más bajas (aparición de cera, que puede obstruir los filtros).
El uso de combustible diésel tipo verano por encima de los -7 °C contribuye a extender la vida de los componentes de la bomba.
Important: No utilice queroseno o gasolina en lugar de combustible diésel. El incumplimiento de esta precaución dañará el motor.
Esta máquina puede emplear también un combustible mezclado de biodiésel de hasta B20 (20% biodiésel, 80% petrodiésel). La parte de petrodiésel deberá ser baja o muy baja en azufre.
Tome las siguientes precauciones:
La porción de biodiésel del combustible debe cumplir la especificación ASTM D6751 o EN14214.
La composición del combustible mezclado deberá cumplir con ASTM D975 o EN 590.
Las superficies pintadas podrían sufrir daños por las mezclas de biodiésel.
Utilice B5 (contenido de biodiésel del 5 %) o mezclas menores cuando hace frío.
Vigile los retenes, las mangueras y las juntas que estén en contacto con el combustible porque pueden degradarse con el tiempo.
Es previsible la obturación del filtro del combustible durante un tiempo tras pasarse a las mezclas de biodiésel.
Póngase en contacto con su distribuidor si desea más información acerca del biodiésel.
Aparque la máquina en una superficie nivelada.
Accione el freno de estacionamiento.
Apague el motor y retire la llave.
Limpie alrededor del tapón del depósito de combustible.
Llene el depósito de combustible hasta la parte inferior del cuello de llenado (Figura 7).
Note: No llene completamente el depósito de combustible. El espacio vacío en el depósito permitirá la dilatación de la gasolina.

Antes de arrancar la máquina cada día, realice los procedimientos diarios indicados en .
Los motores nuevos necesitan tiempo para desarrollar toda su potencia. La fricción generada por las carcasas y los sistemas de propulsión de las segadoras es mayor cuando estos son nuevos, lo que supone una carga adicional para el motor. Las máquinas nuevas necesitan un periodo de rodaje de 40–50 horas para desarrollar la máxima potencia y el mejor rendimiento.
Para evitar lesiones o la muerte en caso de un vuelco, mantenga la barra antivuelco en posición totalmente elevada y bloqueada, y utilice el cinturón de seguridad.
Asegúrese de que el asiento está sujeto a la máquina.
No hay protección contra vuelcos cuando la barra antivuelco está bajada.
Baje la barra antivuelco únicamente cuando sea imprescindible.
No use el cinturón de seguridad si la barra antivuelco está bajada.
Conduzca lentamente y con cuidado.
Eleve la barra antivuelco tan pronto como haya espacio suficiente.
Compruebe cuidadosamente que hay espacio suficiente antes de conducir por debajo de cualquier objeto en alto (por ejemplo, ramas, portales, cables eléctricos) y no entre en contacto con ellos.
Important: Utilice siempre el cinturón de seguridad cuando la barra antivuelco está en la posición elevada.
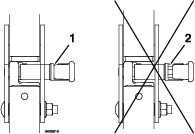
Levante la barra antivuelco a la posición de uso y gire los pomos para que se introduzcan parcialmente en las ranuras (Figura 9).
Levante la barra antivuelco a la posición vertical, presionando sobre la parte superior de la barra para que las clavijas encajen al alinearse con los orificios (Figura 9).
Presione sobre la barra antivuelco para asegurarse de que las clavijas han quedado encajadas (Figura 9).

Si los interruptores de seguridad son desconectados o están dañados, la máquina podría ponerse en marcha inesperadamente, causando lesiones personales.
No manipule los interruptores de seguridad.
Compruebe la operación de los interruptores de seguridad cada día, y sustituya cualquier interruptor dañado antes de operar la máquina.
El sistema de interruptores de seguridad ha sido diseñado para impedir que el motor arranque, a menos que:
El freno de estacionamiento esté puesto.
El mando de control de las cuchillas (TDF) está desengranado.
Las palancas de control de movimiento estén en la posición de BLOQUEO/PUNTO MUERTO.
El sistema de interruptores de seguridad también está diseñado para detener el motor cuando se muevan las palancas de control de tracción desde la posición de BLOQUEO/PUNTO MUERTO con el freno de estacionamiento accionado, o si se levanta del asiento cuando la TDF está engranada.
El monitor Horizon incluye indicadores que notifican al usuario cuando el componente de seguridad está en la posición correcta. Si el componente está en la posición correcta, se muestra un indicador en la pantalla.

| Intervalo de mantenimiento y servicio | Procedimiento de mantenimiento |
|---|---|
| Cada vez que se utilice o diariamente |
|
Compruebe el sistema de interruptores de seguridad cada vez que vaya a trabajar con la máquina. Si el sistema no funciona de la forma que se describe a continuación, póngase en contacto con un Servicio Técnico Autorizado para que lo reparen inmediatamente.
Siéntese en el asiento, accione el freno de estacionamiento y mueva el mando de control de las cuchillas (TDF) a la posición de ENGRANADO. Intente arrancar el motor; el motor no debe arrancar.
Siéntese en el asiento, accione el freno de estacionamiento y mueva el mando de control de las cuchillas (TDF) a la posición de DESENGRANADO. Mueva cualquiera de las palancas de control de movimiento fuera de la posición de BLOQUEO/PUNTO MUERTO. Intente arrancar el motor; el motor no debe arrancar. Repita con la otra palanca de control.
Siéntese en el asiento, ponga el freno de estacionamiento, mueva el mando de control de las cuchillas (TDF) a DESENGRANADO y mueva las palancas de control de movimiento a la posición de BLOQUEO/PUNTO MUERTO. Ahora arranque el motor. Con el motor en marcha, quite el freno de estacionamiento, accione el mando de control de las cuchillas (TDF) y levántese un poco del asiento; el motor debe apagarse.
Siéntese en el asiento, ponga el freno de estacionamiento, mueva el mando de control de las cuchillas (TDF) a DESENGRANADO y mueva las palancas de control de movimiento a la posición de BLOQUEO/PUNTO MUERTO. Ahora arranque el motor. Con el motor en marcha, ponga cualquiera de las palancas de control de movimiento en posición central y muévala (hacia adelante o hacia atrás); el motor debe apagarse. Repita con la otra palanca de control.
Siéntese en el asiento, quite el freno de estacionamiento, mueva el mando de control de las cuchillas (TDF) a DESCONECTADO y mueva las palancas de control de movimiento a la posición de BLOQUEO/PUNTO MUERTO. Intente arrancar el motor; el motor no debe arrancar.
El asiento puede moverse hacia delante y hacia atrás. Coloque el asiento en la posición que le permita controlar mejor la máquina y en la que esté más cómodo (Figura 11).

Para desenganchar el asiento, empuje hacia adelante el enganche del asiento (Figura 12).

El asiento puede ajustarse para que la conducción sea más suave y cómoda. Coloque el asiento en la posición más cómoda para usted.
Para ajustarlo, gire el pomo situado en la parte delantera en cualquier sentido hasta encontrar la posición más cómoda (Figura 13).

El propietario/operador puede prevenir y es responsable de cualquier accidente que pudiera provocar lesiones personales o daños materiales.
Preste toda su atención al utilizar la máquina. No realice ninguna actividad que genere distracciones, de lo contrario pueden producirse lesiones o daños en la propiedad.
No utilice la máquina si está enfermo, cansado o bajo la influencia de alcohol o drogas.
El contacto con la cuchilla puede causar lesiones graves personales. Apague el motor, retire la llave y espere a que se detengan todas las piezas en movimiento antes de abandonar el puesto del operador. Al girar la llave a la posición de DESCONECTADO, el motor debe apagarse y la cuchilla debe pararse. Si no lo hacen, deje de usar la máquina inmediatamente y póngase en contacto con un Servicio Técnico Autorizado.
Utilice la máquina únicamente si existen condiciones meteorológicas y de visibilidad adecuadas. No utilice la máquina cuando exista riesgo de caída de rayos.
Mantenga las manos y los pies alejados de las unidades de corte. Manténgase alejado de la apertura de descarga.
No siegue con el deflector de descarga elevado, retirado o modificado, a menos que tenga colocado y en buenas condiciones de funcionamiento un sistema de recogida de hierba o un kit de mulching.
No corte el césped en marcha atrás a menos que sea absolutamente necesario. Mire siempre hacia abajo y hacia atrás antes de mover la máquina en marcha atrás.
Extreme la precaución al acercarse a esquinas ciegas, arbustos, árboles u otros objetos que puedan dificultar la visión.
Pare las cuchillas si no está segando.
Si la máquina golpea un objeto o empieza a vibrar, apague inmediatamente el motor, retire la llave (si dispone de ella) y espere a que se detengan todas las piezas en movimiento antes de inspeccionar la máquina en busca de daños. Realice todas las reparaciones necesarias antes de volver a utilizar la máquina.
Vaya más despacio y tenga cuidado al girar y al cruzar calles y aceras con la máquina. Ceda el paso siempre.
Antes de abandonar la posición del operador, haga lo siguiente:
Aparque la máquina en una superficie nivelada.
Desengrane la toma de fuerza y baje los accesorios.
Accione el freno de estacionamiento.
Apague el motor y retire la llave.
Espere a que se detengan todas las piezas en movimiento.
Accione el motor únicamente en áreas bien ventiladas. Los gases de escape contienen monóxido de carbono, que resulta letal si se inhala.
No deje nunca desatendida la máquina si está funcionando.
Conecte el equipo remolcado a la máquina únicamente en el punto de enganche.
No utilice la máquina, a menos que estén colocados y funcionen correctamente todos los protectores y dispositivos de seguridad, como los deflectores y todo el recogedor. Sustituya las piezas desgastadas o deterioradas cuando sea necesario.
Utilice solamente accesorios y accesorios homologados por Toro.
Esta máquina produce niveles sonoros que superan los 85 dBA en el oído del operador, que pueden causar pérdidas auditivas en caso de periodos extendidos de exposición.

Limpie la hierba y los residuos de la unidad de corte, las transmisiones, los silenciadores y el motor para prevenir incendios.
Arranque el motor con los pies alejados de las cuchillas.
Esté atento a la ruta de descarga de la segadora y mantenga la descarga alejada de otras personas. Evite la descarga de material contra una pared u obstrucción, ya que el material podría rebotar hacia usted.
Pare las cuchillas, reduzca la velocidad y tenga cuidado al cruzar superficies que no sean de hierba y al transportar la máquina hacia y desde la zona de trabajo.
No cambie la velocidad del regulador del motor ni haga funcionar el motor a una velocidad excesiva.
A menudo los niños se sienten atraídos por la máquina y la actividad de segar. No suponga nunca que los niños van a permanecer en el último lugar en que los vio.
Mantenga a los niños alejados de la zona de trabajo y bajo la atenta mirada de un adulto responsable que no sea el operador.
Manténgase alerta y apague la máquina si acceden niños a la zona de trabajo.
Antes de dar marcha atrás o de girar la máquina, mire hacia abajo y alrededor por si hay niños pequeños.
No transporte a niños en la máquina, aunque las cuchillas no se estén moviendo. Los niños pueden caerse y sufrir lesiones graves o interferir con el funcionamiento seguro de la máquina. Los niños que hayan subido anteriormente a la máquina pueden aparecer de repente en el área de trabajo sin previo aviso para volver a subirse y podrían ser atropellados por la máquina.
El ROPS es un dispositivo de seguridad integrado. No retire ninguno de los componentes del ROPS de la máquina.
Asegúrese de abrocharse el cinturón de seguridad y de que puede desabrocharlo rápidamente en caso de emergencia.
Mantenga la barra antivuelco en la posición de totalmente elevada y bloqueada, y lleve abrochado el cinturón de seguridad siempre que la barra antivuelco esté elevada.
Compruebe con atención si hay obstrucciones en alto antes de conducir por debajo de ellas, y no las toque.
Sustituya los componentes del ROPS dañados. No los repare ni los modifique.
No hay protección contra vuelcos cuando la barra antivuelco está bajada.
Si una rueda pasa por un borde o un terraplén o entra en el agua, puede causar un vuelco, que puede dar lugar a lesiones graves o la muerte.
No lleve el cinturón de seguridad cuando la barra antivuelco está bajada.
Baje la barra antivuelco únicamente cuando sea absolutamente necesario; levántela tan pronto como el espacio lo permita.
En caso de vuelco, lleve la máquina a un Servicio Técnico Autorizado para que inspeccione el ROPS.
Utilice solamente accesorios e implementos homologados por Toro para el ROPS.
Las pendientes son una de las principales causas de accidentes por pérdida de control y vuelcos, que pueden causar lesiones graves o la muerte. El operador es responsable de la seguridad cuando trabaja en pendientes. La conducción de la máquina en pendientes requiere extremar la precaución. Antes de usar la máquina en una pendiente, haga lo siguiente:
Lea y comprenda las instrucciones sobre pendientes del manual y las que están colocadas en la máquina.
Utilice un indicador de ángulo para determinar la inclinación aproximada de la zona.
No utilice la máquina nunca en pendientes de más de 15 grados.
Evalúe las condiciones del lugar de trabajo para determinar si es seguro trabajar en la pendiente con la máquina. Utilice el sentido común y el buen juicio al realizar este evaluación. Cualquier cambio que se produzca en el terreno, como por ejemplo un cambio de humedad, puede afectar rápidamente al uso de la máquina en una pendiente.
Identifique cualquier obstáculo situado en la base de la pendiente. No utilice la máquina cerca de terraplenes, fosas, taludes, agua, u otros peligros. La máquina podría volcar repentinamente si una rueda pasa por el borde de un terraplén o fosa, o si se socava un talud. Mantenga una distancia prudente (el doble de la anchura de la máquina) entre la máquina y cualquier peligro. Utilice una máquina manual o una desbrozadora manual para segar la hierba en estas zonas.
Evite arrancar, parar o girar la máquina en cuestas o pendientes. Evite hacer cambios bruscos de velocidad o de dirección; gire poco a poco, y a baja velocidad.
No utilice la máquina en condiciones que puedan comprometer la tracción, la dirección o la estabilidad de la máquina. Tenga en cuenta que conducir en hierba mojada, atravesar pendientes empinadas, o bajar cuestas puede hacer que la máquina pierda tracción. La transferencia de peso a las ruedas delanteras puede hacer que patinen las ruedas, con pérdida de frenado y de control de dirección. La máquina puede deslizarse incluso con las ruedas motrices inmovilizadas.
Retire o señale cualquier obstáculo, como zanjas, baches, surcos, montículos, rocas u otros peligros ocultos. La hierba alta puede ocultar obstáculos. Un terreno irregular podría hacer volcar la máquina.
Extreme las precauciones al trabajar con accesorios o aperos, como por ejemplo sistemas de recogida de hierba. Estos pueden cambiar la estabilidad de la máquina y causar pérdidas de control. Siga las instrucciones sobre los contrapesos.
Si es posible, mantenga la carcasa bajada al suelo mientras trabaje en pendientes. La elevación de la carcasa mientras se trabaja en pendientes puede hacer que la máquina pierda estabilidad.

Accione siempre el freno de estacionamiento cuando pare la máquina o cuando la deje desatendida.
Aparque la máquina en una superficie nivelada.


El mando de control de las cuchillas (TDF) arranca y detiene las cuchillas de corte y cualquier accesorio conectado.
Note: El uso del mando de control de las cuchillas (TDF) con el acelerador en la posición intermedia o menos producirá un desgaste excesivo en las correas de transmisión.


Important: No haga funcionar el motor de arranque durante más de 5 segundos seguidos. Si el motor no arranca, espere 15 segundos entre intentos. Si no se siguen estas instrucciones, puede quemarse el motor de arranque.
Note: Es posible que tenga que repetir este procedimiento al arrancar el motor por primera vez después de añadir combustible a un sistema de combustible vacío.

Los niños u otras personas podrían resultar lesionados si mueven o intentan operar la máquina mientras está desatendida.
Retire siempre la llave y ponga el freno de estacionamiento cuando deje la máquina sin supervisión.


Las ruedas motrices giran de manera independiente, impulsadas por motores hidráulicos en cada eje. Puede girar un lado de la máquina hacia atrás y al mismo tiempo girar el otro lado hacia adelante, haciendo que la máquina rote sobre su eje en lugar de trazar una curva. Esto mejora mucho la maniobrabilidad de la máquina, pero puede ser necesario un periodo de adaptación si no está familiarizado con este sistema.
El control del acelerador regula la velocidad del motor en rpm (revoluciones por minuto). Ponga el acelerador en posición RáPIDO para conseguir el mejor rendimiento. Siegue siempre con el acelerador en posición rápido.
La máquina puede girar muy rápidamente. Puede perder el control de la máquina y causar lesiones personales o daños a la máquina.
Extreme las precauciones al girar.
Reduzca la velocidad de la máquina antes de hacer giros cerrados.
Note: El motor se apaga si mueve el control de tracción con el freno de estacionamiento accionado.
Para detener la máquina, tire de las palancas de control de movimiento a la posición de PUNTO MUERTO.
Quite el freno de estacionamiento; consulte Desengranaje del freno de estacionamiento.
Mueva las palancas a la posición central desbloqueada.
Para ir hacia adelante, empuje lentamente las palancas de control de movimiento hacia adelante (Figura 23).

Mueva las palancas a la posición central desbloqueada.
Para ir hacia atrás, tire lentamente de las palancas de control de movimiento hacia atrás (Figura 24).

La segadora cuenta con un deflector de hierba abisagrado que dispersa los recortes de hierba a un lado y hacia abajo, hacia el césped.
Si la máquina no tiene correctamente montado un deflector de hierba, una tapa de descarga o un recogedor completo, usted y otras personas están expuestos a contacto con las cuchillas y a residuos lanzados al aire. El contacto con las cuchillas de corte en rotación o con los residuos lanzados al aire causará lesiones o la muerte.
No retire nunca el deflector de hierba de la carcasa de corte porque el deflector de hierba dirige el material hacia abajo, al césped. Si el deflector de hierba sufre daños, sustitúyalo inmediatamente.
No coloque nunca las manos o los pies debajo de la carcasa de corte.
No intente nunca despejar la zona de descarga o las cuchillas de corte sin antes mover el mando de control de las cuchillas (TDF) a la posición de DESENGRANADO, girar la llave de contacto a DESCONECTADO y retirar la llave del interruptor de encendido.
Compruebe que el deflector de hierba está bajado.
La altura de corte se ajusta de 25-140 mm en incrementos de 6 mm colocando el pasador en diferentes orificios.
Con el motor en marcha, presione hacia atrás el interruptor de elevación de la carcasa hasta que la carcasa de corte esté elevada del todo, y suelte el interruptor inmediatamente.
Gire el pasador de altura de corte hasta que el pasador cilíndrico que contiene quede alineado con la ranura del orificio del soporte de altura de corte, y retire el pasador (Figura 25).
Introduzca el pasador de altura de corte en el orificio que corresponde a la altura de corte deseada (Figura 25).
Consulte las alturas marcadas en la pegatina situada en la placa de ajuste de altura (Figura 25).
Usando el interruptor de elevación de la carcasa, baje la carcasa desde la posición de transporte (altura de corte de 140 mm) a la altura de corte seleccionada.

Para obtener la máxima flotación de la carcasa, instale los rodillos en el orificio inmediatamente inferior. Los rodillos deben mantener una altura sobre el suelo de 6 mm. No ajuste los rodillos para que aguanten el peso de la carcasa.
Aparque la máquina en una superficie nivelada.
Desengrane el mando de control de las cuchillas (TDF), ponga las palancas de control de movimiento en posición de BLOQUEO/PUNTO MUERTO y ponga el freno de estacionamiento.
Apague el motor, retire la llave y espere a que se detengan todas las piezas en movimiento antes de abandonar el puesto del operador.
Ajuste los rodillos protectores del césped, tal y como se muestra en la Figura 26, la Figura 27, la Figura 28 y la Figura 29.




En máquinas de descarga lateral, apriete la tuerca con arandela prensada a entre 68 y 75 N∙m.
En máquinas de descarga trasera, apriete la tuerca con arandela prensada a entre 41 y 47 N∙m.
Monte los patines en la posición inferior cuando se utilicen alturas de corte de más de 51 mm y en una posición superior cuando se utilicen alturas de corte de menos de 51 mm.
Ajuste los patines como se muestra en la Figura 30.

Este procedimiento se aplica únicamente a máquinas equipadas con deflector de flujo con pomo. Algunos modelos incluyen tuercas y pernos en lugar del pomo del deflector de flujo y se pueden ajustar del mismo modo.
El flujo de descarga de la segadora puede ajustarse para diferentes condiciones de siega. Coloque el pomo y el deflector en la posición adecuada para obtener la mejor calidad de corte.
Aparque la máquina en una superficie nivelada, desengrane el mando de control de las cuchillas y ponga el freno de estacionamiento.
Apague el motor, retire la llave y espere a que se detengan todas las piezas en movimiento antes de abandonar el puesto del operador.
Afloje el pomo.
Mueva el pomo a la posición deseada.
Apriete el pomo.
Las figuras siguientes son simplemente recomendaciones de uso. Los ajustes varían según el tipo de hierba, el contenido de humedad y la altura de la hierba.
Note: Si la potencia del motor empieza a descender y la velocidad de avance de la segadora es la misma, abra más el deflector.
Esta es la posición más atrasada. Los usos recomendados para esta posición son:
Siega de hierba corta y ligera
En condiciones secas
Recortes de hierba más pequeños
Propulsa los recortes de hierba más lejos de la segadora

Utilice esta posición para ensacar. Alinéelo siempre con la abertura del deflector.

Esta es la posición más adelantada. Los usos recomendados para esta posición son:
Siega de hierba larga y densa
En condiciones húmedas
Reduce el consumo del motor
Permite una mayor velocidad de avance en condiciones pesadas

Si el motor se sobrecalienta, la TDF se desengrana, suena una alarma, y un gráfico de barras muestra la temperatura del motor. La TDF no puede engranarse hasta que el motor se haya enfriado; usted debe parar manualmente la TDF y volver a engranarla.
Note: Si el nivel de refrigerante del motor está por debajo de la línea indicadora del depósito de expansión con el motor frío, el indicador de la temperatura del refrigerante puede no registrar correctamente la temperatura con el motor en marcha, y/o la alarma sonora puede no sonar si el motor se sobrecalienta.
Para aumentar al máximo la calidad de corte y la circulación de aire, haga funcionar el motor en posición RáPIDO. Se requiere aire para cortar bien la hierba, así que no ponga la altura de corte tan baja como para rodear totalmente la carcasa de hierba sin cortar. Trate siempre de tener un lado de la carcasa de corte libre de hierba sin cortar, para permitir la entrada de aire en la carcasa.
Corte la hierba algo más larga de lo habitual para asegurar que la altura de corte de la carcasa de corte no deje “calvas” en terrenos desiguales. Sin embargo, la altura de corte utilizada habitualmente suele ser la mejor. Si la hierba tiene más de 15 cm de alto, es preferible cortar el césped dos veces para asegurar una calidad de corte aceptable.
Es mejor cortar solamente un tercio aproximadamente de la hoja de hierba. No se recomienda cortar más, a menos que la hierba sea escasa o al final del otoño, cuando la hierba crece más despacio.
Alterne la dirección de corte para mantener la hierba erguida. De esta forma también se ayuda a dispersar mejor los recortes sobre el césped y se conseguirá una mejor descomposición y fertilización.
La hierba crece a velocidades distintas según la estación del año. Para mantener la misma altura de corte, siegue con más frecuencia a principios de la primavera. A medida que avanza el verano, la velocidad de crecimiento de la hierba decrece, por ello debe cortarse con menor frecuencia. Si no puede segar durante un período de tiempo prolongado, siegue primero con una altura de corte alta y, después de dos días, vuelva a segar con un ajuste más bajo.
Para mejorar la calidad de corte, utilice una velocidad de avance más baja en determinadas condiciones.
Al segar césped irregular, eleve la altura de corte, para evitar dañar el césped
Si es necesario detener el avance de la máquina mientras se corta el césped, es posible que caiga un montón de recortes sobre el césped. Para evitar esto, diríjase con las cuchillas engranadas a una zona del césped que ya haya sido segada, o desengrane la carcasa de corte al desplazarse hacia adelante.
Limpie los recortes y la tierra de los bajos de la carcasa de corte después de cada uso. Si se acumulan hierba y tierra en el interior de la carcasa de corte, se deteriorará la calidad del corte.
Mantenga las cuchillas afiladas durante toda la temporada de corte, ya que una cuchilla afilada corta limpiamente y sin rasgar o deshilachar las hojas de hierba. Si se rasgan o se deshilachan, los filos de las hojas se secarán, lo cual retardará su crecimiento y favorecerá la aparición de enfermedades. Compruebe después de cada uso que las cuchillas están bien afiladas y que no están desgastadas o dañadas. Elimine cualquier mella con una lima, y afile las cuchillas si es necesario. Si una cuchilla está desgastada o deteriorada, sustitúyala inmediatamente por una cuchilla nueva genuina Toro.
Apague el motor, retire la llave y espere a que se detengan todas las piezas en movimiento antes de abandonar el puesto del operador. Deje que la máquina se enfríe antes de realizar tareas de mantenimiento, ajustes, repostajes y antes de limpiarla o de guardarla.
Limpie la hierba y los residuos de la unidad de corte, el silenciador, las transmisiones, el recogedor y el compartimento del motor para prevenir incendios. Limpie cualquier aceite o combustible derramado.
Cierre el combustible y retire la llave antes de almacenar o transportar la máquina.
Utilice las válvulas de desvío de las ruedas motrices para liberar el sistema de transmisión hidrostática, lo que le permite empujar la máquina sin poner en marcha el motor.
Gire cada válvula de desvío una vuelta en sentido antihorario para liberar el sistema; gire cada válvula de desvío en sentido horario para restablecer el sistema (Figura 34).
Important: No apriete demasiado. No remolque la máquina.

Utilice un remolque para cargas pesadas o un camión para transportar la máquina. Utilice una rampa de ancho completo. Asegúrese de que el remolque o el camión está equipado con todos los frenos, luces y señalizaciones que requiera la ley. Por favor, lea cuidadosamente todas las instrucciones de seguridad. El conocer esta información puede ayudar a evitarle lesiones a usted o a otras personas. Consulte en la normativa local los requisitos aplicables al remolque y al sistema de amarre.
Conducir en una calle o carretera sin señales de giro, luces, marcas reflectantes o un indicador de vehículo lento es peligroso y puede ser causa de accidentes que pueden provocar lesiones personales.
No conduzca la máquina en una calle o carretera pública.
El cargar la máquina en un remolque o un camión aumenta la posibilidad de un vuelco y podría causar lesiones graves o la muerte (Figura 35).
Utilice únicamente una rampa de ancho completo; no utilice rampas individuales para cada lado de la máquina.
No supere un ángulo de 15 grados entre la rampa y el suelo, o entre la rampa y el remolque o camión.
Asegúrese de que la rampa tiene una longitud de al menos cuatro veces la altura de la plataforma del remolque o del camión sobre el suelo. De esta forma se asegura que el ángulo de la rampa no supere los 15 grados en terreno llano.

El cargar la máquina en un remolque o un camión aumenta la posibilidad de un vuelco y podría causar lesiones graves o la muerte.
Extreme las precauciones al manejar la máquina en una rampa.
Suba la máquina por la rampa en marcha atrás y bájela por la rampa conduciendo hacia delante.
Evite acelerar o desacelerar bruscamente al conducir la máquina en una rampa, porque esto podría provocar un vuelco o una pérdida de control.
Si utiliza un remolque, conéctelo al vehículo que lo arrastra y conecte las cadenas de seguridad.
En su caso, conecte los frenos y las luces del remolque.
Baje la rampa, asegurándose de que el ángulo entre la rampa y el suelo no supera los 15 grados (Figura 35).
Suba la máquina por la rampa en marcha atrás (Figura 36).

Apague el motor, retire la llave y ponga el freno de estacionamiento.
Amarre la máquina junto a las ruedas giratorias delanteras y el bastidor trasero con correas, cadenas, cables o cuerdas (Figura 37). Consulte la normativa local respecto a los requisitos de amarre.

Si deja la llave en el interruptor, alguien podría arrancar el motor accidentalmente y causar lesiones graves a usted o a otras personas. Retire la llave del interruptor antes de realizar cualquier operación de mantenimiento.
Antes de dejar el puesto del operador, realice lo siguiente:
Aparque la máquina en una superficie nivelada.
Desengrane las transmisiones.
Accione el freno de estacionamiento.
Apague el motor y retire la llave.
Deje que los componentes de la máquina se enfríen antes de realizar el mantenimiento.
No permita que la máquina sea revisada o reparada por personal que no esté debidamente formado.
Mantenga las manos y los pies alejados de las piezas en movimiento o de las superficies calientes. Si es posible, no haga ajustes mientras el motor está funcionando.
Alivie con cuidado la tensión de aquellos componentes que tengan energía almacenada.
Compruebe frecuentemente el funcionamiento del freno de estacionamiento. Ajústelo y realice el mantenimiento del mismo cuando sea necesario.
No manipule nunca los dispositivos de seguridad. Compruebe regularmente que funcionan correctamente.
Limpie la hierba y los residuos de la unidad de corte, el silenciador, las transmisiones y el compartimento del motor para prevenir incendios.
Limpie cualquier derrame de aceite o combustible y elimine cualquier residuo empapado en combustible.
No dependa de un sistema hidráulico o de gatos mecánicos para soportar la máquina: sopórtela con caballetes siempre que eleve la máquina.
Mantenga todas las piezas en buenas condiciones de funcionamiento, y todos los herrajes bien apretados, sobre todo los herrajes de sujeción de las cuchillas. Sustituya cualquier pegatina desgastada o deteriorada.
Desconecte la batería antes de reparar la máquina. Desconecte primero el terminal negativo y luego el positivo. Conecte primero el terminal positivo y luego el negativo.
Para garantizar un rendimiento óptimo, utilice únicamente piezas de repuesto y accesorios genuinos de Toro. Las piezas de repuesto y accesorios de otros fabricantes podrían ser peligrosos, y su uso podría invalidar la garantía del producto.
| Intervalo de mantenimiento y servicio | Procedimiento de mantenimiento |
|---|---|
| Después de las primeras 100 horas |
|
| Después de las primeras 200 horas |
|
| Cada vez que se utilice o diariamente |
|
| Cada 50 horas |
|
| Cada 100 horas |
|
| Cada 200 horas |
|
| Cada 400 horas |
|
| Cada 500 horas |
|
| Cada 800 horas |
|
| Cada 2000 horas |
|
| Cada mes |
|
| Cada año |
|
Important: Consulte los demás procedimientos de mantenimiento del manual del propietario del motor.
Si deja la llave en el interruptor, alguien podría arrancar el motor accidentalmente y causar lesiones graves a usted o a otras personas.
Apague el motor y retire la llave del interruptor antes de realizar cualquier tarea de mantenimiento.
| Intervalo de mantenimiento y servicio | Procedimiento de mantenimiento |
|---|---|
| Cada 400 horas |
|
| Cada año |
|
Engrase con más frecuencia si la zona de trabajo tiene mucho polvo o arena.
Tipo de grasa: Grasa de litio Nº 2 o grasa de molibdeno
Aparque la máquina en una superficie nivelada, desengrane el mando de control de las cuchillas y ponga el freno de estacionamiento.
Apague el motor, retire la llave y espere a que se detengan todas las piezas en movimiento antes de abandonar el puesto del operador.
Limpie con un trapo los puntos de engrase.
Note: Asegúrese de rascar cualquier pintura de la parte delantera de los acoplamientos.
Conecte una pistola de engrasar al punto de engrase.
Bombee grasa hasta que empiece a rezumar grasa de los cojinetes.
Limpie cualquier exceso de grasa.
Consulte en la tabla siguiente la posición de los engrasadores y el calendario de lubricación.
| Tabla de lubricación | |||
|---|---|---|---|
| Posición de los engrasadores | Bombas | Número de lugares | Intervalo de mantenimiento |
| 1. TDF de la transmisión de la carcasa | 1 | 3 | Cada 50 horas |
| 2. Pivotes del tensor de la carcasa | 1 | 1 | Cada 400 horas o cada año |
| 3. Cojinetes de las ruedas giratorias | 0 | 2 | Cada año |
| 4. Pivotes de las ruedas giratorias | 0 | 2 | Cada 400 horas o cada año |
![]() |
| Intervalo de mantenimiento y servicio | Procedimiento de mantenimiento |
|---|---|
| Cada 50 horas |
|
Note: Para facilitar el acceso a las juntas cardán de la transmisión y a la junta deslizante acanalada, retire la chapa de suelo y baje del todo la carcasa de corte.
Aparque la máquina en una superficie nivelada, desengrane el mando de control de las cuchillas y ponga el freno de estacionamiento.
Apague el motor, retire la llave y espere a que se detengan todas las piezas en movimiento antes de abandonar el puesto del operador.
Limpie con un trapo los puntos de engrase.
Conecte una pistola de engrasar al punto de engrase.
Bombee grasa hasta que empiece a rezumar grasa de los cojinetes.
Limpie cualquier exceso de grasa.

| Intervalo de mantenimiento y servicio | Procedimiento de mantenimiento |
|---|---|
| Cada 400 horas |
|
| Cada año |
|
Aparque la máquina en una superficie nivelada, desengrane el mando de control de las cuchillas y ponga el freno de estacionamiento.
Apague el motor, retire la llave y espere a que se detengan todas las piezas en movimiento antes de abandonar el puesto del operador.
Retire el tapón guardapolvo y ajuste los pivotes de las ruedas; no coloque el tapón guardapolvo hasta que termine de engrasar; consulte Ajuste del cojinete del pivote de las ruedas giratorias.
Retire el tapón hexagonal.
Enrosque un engrasador en el orificio.
Bombee grasa en el engrasador hasta que rezume por el cojinete superior.
Retire el engrasador del orificio. Vuelva a colocar el tapón hexagonal y la tapa.
| Intervalo de mantenimiento y servicio | Procedimiento de mantenimiento |
|---|---|
| Cada año |
|
Aparque la máquina en una superficie nivelada, desengrane el mando de control de las cuchillas y ponga el freno de estacionamiento.
Apague el motor, retire la llave y espere a que se detengan todas las piezas en movimiento antes de abandonar el puesto del operador.
Eleve la segadora para facilitar el acceso.
Retire la rueda giratoria de la horquilla.
Retire los protectores de los retenes del cubo de la rueda.

Retire una tuerca espaciadora del eje de la rueda giratoria.
Note: Las tuercas espaciadoras llevan fijador de roscas para pegarlas al eje.
Retire el eje (con la otra tuerca espaciadora aún montada en el mismo) del conjunto de la rueda.
Retire los retenes haciendo palanca, e inspeccione los cojinetes en busca de señales de desgaste o daños; sustitúyalos si es necesario.
Llene los cojinetes con grasa de propósito general.
Introduzca un cojinete y un retén nuevo en la rueda.
Si en el conjunto del eje faltan ambas tuercas espaciadoras, aplique un fijador de roscas a una tuerca espaciadora y enrósquela en el eje con los segmentos planos hacia fuera.
Note: No enrosque la tuerca espaciadora completamente en el extremo del eje. Deje un espacio de 3 mm aproximadamente entre la superficie exterior de la tuerca espaciadora y el extremo del eje, dentro de la tuerca).
Introduzca el eje con la tuerca montada en él en la rueda, en el lado que contiene el retén nuevo y el cojinete.
Con la cara abierta de la rueda hacia arriba, llene el interior de la rueda alrededor del eje con grasa de propósito general.
Introduzca el segundo cojinete y un retén nuevo en la rueda.
Aplique fijador de roscas a la segunda tuerca espaciadora y enrósquela en el eje con los segmentos planos hacia fuera.
Apriete la tuerca a 8–9 N·m, aflójela, luego apriétela a 2–3 N·m.
Note: Asegúrese de que el eje no sobresale de ninguna de las tuercas.
Instale los retenes sobre el cubo de la rueda e introduzca la rueda en la horquilla.
Instale el perno de la rueda y apriete la tuerca del todo.
Important: Para evitar que se dañen el cojinete y el retén, compruebe el ajuste del cojinete a menudo. Gire la rueda. La rueda no debe girar libremente (más de 1–2 vueltas), ni tener holgura lateral. Si la rueda gira libremente, ajuste el apriete de la tuerca espaciadora hasta que quede ligeramente frenada. Aplique otra capa de fijador de roscas.
Mantenga las manos, los pies, la cara, la ropa y otras partes del cuerpo alejados del silenciador y de otras superficies calientes. Deje que los componentes del motor se enfríen antes de realizar el mantenimiento.
No cambie la velocidad del regulador del motor ni haga funcionar el motor a una velocidad excesiva.
| Intervalo de mantenimiento y servicio | Procedimiento de mantenimiento |
|---|---|
| Cada 400 horas |
|
Aparque la máquina en una superficie nivelada, desengrane el mando de control de las cuchillas (TDF) y ponga el freno de estacionamiento.
Apague el motor, retire la llave y espere a que se detengan todas las piezas en movimiento antes de abandonar el puesto del operador.
Inspeccione la carcasa del limpiador de aire en busca de daños que pudieran causar una fuga de aire.
Cambie la carcasa del limpiador de aire si está dañada.
Compruebe el sistema de admisión para detectar fugas, daños o abrazaderas sueltas.
Revise el filtro del limpiador de aire y el elemento de seguridad si aparece un aviso (Figura 40).
Important: No limpie con demasiada frecuencia el filtro de aire.

Asegúrese de que la tapa está bien asentada y de que hace un buen sello con la carcasa del limpiador de aire.
Note: Si la junta de espuma de la cubierta está dañada, sustitúyala.
Important: Evite utilizar aire a alta presión, porque podría obligar a la suciedad a penetrar a través del filtro a la entrada.
Important: No limpie el filtro usado para evitar dañar el medio filtrante.
Important: No utilice un filtro dañado.
Important: No aplique presión al centro flexible del filtro.

| Intervalo de mantenimiento y servicio | Procedimiento de mantenimiento |
|---|---|
| Después de las primeras 200 horas |
|
| Cada vez que se utilice o diariamente |
|
| Cada 200 horas |
|
| Cada 400 horas |
|
| Cada año |
|
El motor se suministra con aceite en el cárter; no obstante, compruebe el nivel de aceite antes y después de arrancar el motor por primera vez. Compruebe el nivel de aceite antes de utilizar la máquina cada día o cada vez que utilice la máquina.
Capacidad del cárter (motores diésel Yanmar de 18,7 kW): 4,7 litros con el filtro
Capacidad del cárter (motores diésel Yanmar de 27,6 kW: 6,6 litros con el filtro
Aceite de motor preferido: Aceite de motor Toro Premium
Si utiliza un aceite alternativo, utilice un aceite de motor de alta calidad bajo en cenizas que cumpla o supere las especificaciones siguientes:
Categoría de servicio API CJ-4 o superior
Categoría de servicio ACEA E6
Categoría de servicio JASO DH-2
Important: El uso de un aceite de motor que no tenga la clasificación API CJ-4 o superior, ACEA E6 o JASO DH-2 puede hacer que el filtro de partículas diésel se obture o puede provocar daños en el motor.
Utilice el siguiente grado de viscosidad de aceite de motor:
SAE 10W-30 o 5W-30 (todas las temperaturas)
SAE 15W-40 (por encima de los -18 °C)
Note: Su distribuidor dispone de aceite de motor Toro Premium. Consulte el Catálogo de piezas o póngase en contacto con un distribuidor autorizado Toro para obtener los números de pieza.
Aparque la máquina en una superficie nivelada, desengrane el mando de control de las cuchillas (TDF) y ponga el freno de estacionamiento.
Apague el motor, retire la llave y espere a que se detengan todas las piezas en movimiento antes de abandonar el puesto del operador.
Abra el capó.
Compruebe el nivel de aceite del motor, tal y como se muestra en la Figura 42.

Si es posible, haga funcionar el motor justo antes de cambiar el aceite, porque el aceite templado fluye mejor y se lleva más contaminantes que el aceite frío.
Aparque la máquina en una superficie nivelada, desengrane el mando de control de las cuchillas (TDF) y ponga el freno de estacionamiento.
Apague el motor, retire la llave y espere a que se detengan todas las piezas en movimiento antes de abandonar el puesto del operador.
Abra el capó.
Cambie el aceite del motor como se muestra en la Figura 43.

Sustituya el filtro de aceite del motor como se muestra en la Figura 44.

Llene el cárter de aceite; consulte Especificaciones de aceite del motor.
| Intervalo de mantenimiento y servicio | Procedimiento de mantenimiento |
|---|---|
| Cada 800 horas |
|
Compruebe la holgura de las válvulas del motor. Consulte el manual del propietario del motor.
En ciertas condiciones, el combustible es extremadamente inflamable y altamente explosivo. Un incendio o una explosión provocados por el combustible puede causarle quemaduras a usted y a otras personas así como daños materiales.
Consulte Cómo añadir combustible para obtener una lista completa de las precauciones relacionadas con el combustible.
| Intervalo de mantenimiento y servicio | Procedimiento de mantenimiento |
|---|---|
| Cada 50 horas |
|
Aparque la máquina en una superficie nivelada, desengrane el mando de control de las cuchillas y ponga el freno de estacionamiento.
Apague el motor, retire la llave y espere a que se detengan todas las piezas en movimiento antes de abandonar el puesto del operador.
Coloque un recipiente de vaciado debajo del filtro de combustible/separador de agua.
Abra el tapón de vaciado del separador de agua aproximadamente una vuelta para que se vacíen el agua y otros contaminantes (Figura 45).

Cierre el tapón de vaciado cuando salga solamente combustible diésel.
Important: La presencia de agua u otros contaminantes en el combustible puede dañar la bomba de combustible y otros componentes del motor.
| Intervalo de mantenimiento y servicio | Procedimiento de mantenimiento |
|---|---|
| Cada 400 horas |
|

| Intervalo de mantenimiento y servicio | Procedimiento de mantenimiento |
|---|---|
| Cada 400 horas |
|
Compruebe que los tubos de combustible no están deteriorados o dañados, que no rozan y que las conexiones no están sueltas.
Desconecte la batería antes de reparar la máquina. Desconecte primero el terminal negativo y luego el positivo. Conecte primero el terminal positivo y luego el negativo.
Cargue la batería en una zona abierta y bien ventilada, lejos de chispas y llamas. Desenchufe el cargador antes de conectar o desconectar la batería. Lleve ropa protectora y utilice herramientas aisladas.
El electrolito de la batería contiene ácido sulfúrico, que es un veneno mortal si se ingiere y causa quemaduras graves.
No beba electrolito y evite el contacto con la piel, los ojos y la ropa. Lleve gafas de seguridad para proteger sus ojos, y guantes de goma para proteger sus manos.
Los bornes de la batería o una herramienta metálica podrían hacer cortocircuito si entran en contacto con los componentes metálicos de la máquina, causando chispas. Las chispas podrían hacer explotar los gases de la batería, causando lesiones personales.
Al retirar o colocar la batería, no deje que los bornes toquen ninguna parte metálica de la máquina.
No deje que las herramientas metálicas hagan cortocircuito entre los bornes de la batería y las partes metálicas de la máquina.
Un enrutado incorrecto de los cables de la batería podría dañar la máquina y los cables, causando chispas. Las chispas podrían hacer explotar los gases de la batería, causando lesiones personales.
Desconecte siempre el cable negativo (negro) de la batería antes de desconectar el cable positivo (rojo).
Conecte siempre el cable positivo (rojo) de la batería antes de conectar el cable negativo (negro).
Desengrane el mando de control de las cuchillas (TDF), ponga las palancas de control de movimiento en posición de BLOQUEO/PUNTO MUERTO y ponga el freno de estacionamiento.
Apague el motor, retire la llave y espere a que se detengan todas las piezas en movimiento antes de abandonar el puesto del operador.
Desenganche el asiento y levántelo.
Retire la batería según se muestra en la Figura 47.

Note: Coloque la batería en la bandeja, con los bornes frente al depósito de aceite hidráulico.

| Intervalo de mantenimiento y servicio | Procedimiento de mantenimiento |
|---|---|
| Cada mes |
|
El proceso de carga de la batería produce gases que pueden explotar.
No fume nunca cerca de la batería, y mantenga alejados de la batería chispas y llamas.
Important: Mantenga siempre la batería completamente cargada (gravedad específica de 1,265). Esto es especialmente importante para evitar daños en la batería cuando la temperatura está por debajo de los 0 °C.
Asegúrese de que los tapones de llenado están instalados en la batería. Cargue la batería durante 10 a 15 minutos a 25–30 amperios, o durante 30 minutos a 10 amperios.
Cuando la batería esté completamente cargada, desconecte el cargador de la toma de electricidad, luego desconecte los cables del cargador de los bornes de la batería (Figura 49).
Instale la batería en la máquina y conecte los cables de la batería; consulte Instalación de la batería.
Note: No haga funcionar la máquina con la batería desconectada; puede causar daños al sistema eléctrico.

El sistema eléctrico está protegido con fusibles. No requiere mantenimiento; no obstante, si se funde un fusible, compruebe que no hay avería ni cortocircuito en el componente/circuito.
Desenganche el capó del motor y levántelo para tener acceso al bloque de fusibles.
Para cambiar un fusible, tire del mismo para retirarlo.
Instale un fusible nuevo (Figura 50).

| Intervalo de mantenimiento y servicio | Procedimiento de mantenimiento |
|---|---|
| Cada vez que se utilice o diariamente |
|
Inspeccione el cinturón de seguridad en busca de señales de desgaste o cortes, y compruebe el funcionamiento del retractor y de la hebilla. Sustituya el cinturón de seguridad si está dañado.
Desengrane el mando de control de las cuchillas (TDF).
Conduzca hacia un lugar llano y abierto y mueva las palancas de control de movimiento a la posición de BLOQUEO/PUNTO MUERTO.
Ponga la palanca del acelerador en un punto intermedio entre las posiciones de LENTO y RáPIDO.
Mueva ambas palancas de control de movimiento hacia adelante del todo hasta que toquen los topes en la ranura en T.
Compruebe hacia qué lado se desvía la máquina.
Ponga el freno de estacionamiento, apague el motor y retire la llave.
Ajuste las chapas del tope cuanto sea necesario.
Si la máquina se desvía hacia la derecha, afloje los pernos y ajuste la chapa del tope izquierdo hacia atrás en la ranura en T de la izquierda hasta que la máquina avance en línea recta (Figura 51).
Si la máquina se desvía hacia la izquierda, afloje los pernos y ajuste la chapa del tope derecho hacia atrás en la ranura en T de la derecha hasta que la máquina avance en línea recta (Figura 51).
Apriete la chapa del tope (Figura 51).

Alinee las palancas en sentido adelante/atrás acercándolas a la posición de PUNTO MUERTO, y muévalas hasta que estén alineadas; luego apriete los pernos (Figura 52).

Si es necesario alinearlas, afloje los 2 pernos de montaje de la palanca de control de movimiento del lado que está mal alineado (Figura 53).

Mueva la palanca de control de movimiento hasta que coincida con la del otro lado.
Apriete los 2 pernos de montaje de la palanca de control de movimiento (Figura 53).
| Intervalo de mantenimiento y servicio | Procedimiento de mantenimiento |
|---|---|
| Cada 50 horas |
|
Especificación de la presión de aire de los neumáticos traseros: 1,24 bar.
Note: Las ruedas giratorias son semineumáticas y no es necesario revisar la presión del aire.
Si la presión de los neumáticos es baja, se reduce la estabilidad en pendientes laterales. Esto podría causar un vuelco, que podría dar lugar a lesiones personales o la muerte.
No use los neumáticos con presiones menores que las recomendadas.
Compruebe la presión del aire de los neumáticos traseros. Añade o quite aire según sea necesario para establecer la presión correcta de aire de los neumáticos.
Important: Mantenga la presión de todos los neumáticos para asegurar una buena calidad de corte y un rendimiento correcto de la máquina.Compruebe la presión de todos los neumáticos antes de utilizar la máquina.

| Intervalo de mantenimiento y servicio | Procedimiento de mantenimiento |
|---|---|
| Después de las primeras 100 horas |
|
Apriete las tuercas de las ruedas a 115-142 N·m.
| Intervalo de mantenimiento y servicio | Procedimiento de mantenimiento |
|---|---|
| Cada 500 horas |
|
Aparque la máquina en una superficie nivelada, desengrane el mando de control de las cuchillas y ponga el freno de estacionamiento.
Apague el motor, retire la llave y espere a que se detengan todas las piezas en movimiento antes de abandonar el puesto del operador.
Retire el tapón guardapolvo de la rueda giratoria y apriete la contratuerca (Figura 55).
Apriete la contratuerca hasta que las arandelas elásticas estén planas, luego afloje la contratuerca ¼ de vuelta para establecer la pre-carga correcta de los cojinetes (Figura 55).
Important: Asegúrese de que las arandelas elásticas están correctamente instaladas, como se muestra en la Figura 55.
Coloque el tapón guardapolvo (Figura 55).

| Intervalo de mantenimiento y servicio | Procedimiento de mantenimiento |
|---|---|
| Cada 50 horas |
|
Utilice lubricante para engranajes sintético SAE 75W–90.
Aparque la máquina en una superficie nivelada y ponga el freno de estacionamiento.
Baje la carcasa de corte a la posición de altura de corte de 25 mm.
Desengrane el mando de control de las cuchillas, apague el motor, retire la llave y espere a que se detengan todas las piezas en movimiento antes de abandonar el puesto del operador.
Levante el reposapiés para tener acceso a la parte superior de la carcasa de corte.
Retire la varilla/tapón de llenado de la parte superior de la caja de engranajes y asegúrese de que el lubricante está entre las marcas de la varilla (Figura 56).

Si el nivel de aceite es bajo, añada lubricante hasta que el nivel esté entre las marcas de la varilla.
Important: No llene demasiado la caja de engranajes, ya que puede dañarse.
| Intervalo de mantenimiento y servicio | Procedimiento de mantenimiento |
|---|---|
| Después de las primeras 200 horas |
|
| Cada 400 horas |
|
Si el aceite se contamina, póngase en contacto con su Distribuidor Toro, porque el sistema debe ser purgado. El aceite contaminado tiene un aspecto lechoso o negro en comparación con el aceite limpio.
Aparque la máquina en una superficie nivelada y ponga el freno de estacionamiento.
Baje la carcasa de corte a la posición de altura de corte de 25 mm.
Desengrane el mando de control de las cuchillas, apague el motor, retire la llave y espere a que se detengan todas las piezas en movimiento antes de abandonar el puesto del operador.
Levante el reposapiés para tener acceso a la parte superior de la carcasa de corte.
Retire la varilla/tapón de llenado de la parte superior de la caja de engranajes y asegúrese de que el lubricante está entre las marcas de la varilla (Figura 56).
Extraiga el aceite a través del orificio de llenado usando un dispositivo aspirador, o retire la caja de engranajes de la carcasa y vierta el aceite en un recipiente de vaciado.
Instale la caja de engranajes (si se retiró para vaciar el aceite).
Añada aproximadamente 420 ml de lubricante, hasta que el nivel esté entre las marcas de la varilla.
Important: No llene demasiado la caja de engranajes, ya que puede dañarse.
La ingestión del refrigerante del motor puede causar envenenamiento; manténgalo fuera del alcance de niños y animales domésticos.
Una descarga de refrigerante caliente bajo presión, o cualquier contacto con el radiador caliente y los componentes que lo rodean, puede causar quemaduras graves.
Siempre deje que el motor se enfríe durante al menos 15 minutos antes de retirar el tapón del radiador.
Utilice un trapo al abrir el tapón del radiador y ábralo lentamente para permitir la salida del vapor.
| Intervalo de mantenimiento y servicio | Procedimiento de mantenimiento |
|---|---|
| Cada vez que se utilice o diariamente |
|
Especificación del refrigerante: Solución al 50% de agua y anticongelante permanente de etilenglicol
Capacidad del sistema de refrigeración: 7,6 litros
Aparque la máquina en una superficie nivelada, desengrane el mando de control de las cuchillas y ponga el freno de estacionamiento.
Apague el motor, retire la llave y espere a que se detengan todas las piezas en movimiento antes de abandonar el puesto del operador.
Abra el capó.
Compruebe el nivel de refrigerante en el depósito de expansión (Figura 57).
Note: El nivel del refrigerante debe estar entre las marcas del lateral del depósito.

Si el nivel de refrigerante es bajo, retire el tapón del depósito de expansión y añada el refrigerante especificado (Figura 57).
Important: No llene demasiado.
Instale el tapón del depósito de expansión.
Cierre el capó.
| Intervalo de mantenimiento y servicio | Procedimiento de mantenimiento |
|---|---|
| Cada 50 horas |
|
Limpie el radiador para evitar que el motor se sobrecaliente.
Note: Si la carcasa de corte o el motor se paran debido a un calentamiento excesivo, compruebe primero que no haya una acumulación excesiva de residuos en el radiador.
Aparque la máquina en una superficie nivelada, desengrane el mando de control de las cuchillas y ponga el freno de estacionamiento.
Apague el motor, retire la llave y espere a que se detengan todas las piezas en movimiento antes de abandonar el puesto del operador.
Gire el capó hacia adelante.
Utilizando aire comprimido, elimine cualquier residuo de entre las aletas del radiador entero, soplando de arriba abajo y de abajo arriba.
Si aún quedan residuos, puede ser necesario utilizar agua de una manguera de baja presión.
Si el radiador está limpio, vaya al paso 7.
Cubra el motor con un trozo de cartón o con un plástico. Dirija un chorro de agua entre las aletas. Sople con aire a baja presión en ambos sentidos.
Note: Si quedan residuos, repita hasta que esté limpio.
Baje el capó.
Arranque el motor para asegurarse de que el ventilador funciona correctamente.
| Intervalo de mantenimiento y servicio | Procedimiento de mantenimiento |
|---|---|
| Cada 2000 horas |
|
Aparque la máquina en una superficie nivelada, desengrane el mando de control de las cuchillas y ponga el freno de estacionamiento.
Apague el motor, retire la llave y espere a que se detengan todas las piezas en movimiento antes de abandonar el puesto del operador.
Gire el capó hacia adelante.
Drene el refrigerante con el motor frío.
Retire el tapón del radiador, coloque un recipiente debajo del radiador, y retire el tapón de vaciado de la parte inferior del radiador.
Retire la manguera de refrigerante del enfriador de aceite y vacíe el refrigerante del bloque motor (Figura 58).

Instale los tapones y las mangueras de vaciado.
Llene el radiador con una mezcla al 50/50 de agua y anticongelante de etilenglicol.
Note: Se recomienda el uso del refrigerante Havoline® Xtended Life.
Deje sitio (unos 12,7 mm) para la expansión. Añada la mezcla al 50% de refrigerante al depósito de expansión, en el lado izquierdo del motor, hasta que llegue a la línea marcada en el depósito.
Haga funcionar el motor hasta que se abra el termostato del motor y circule refrigerante por el núcleo del radiador.
A medida que se expulse aire del bloque del motor y descienda el nivel de refrigerante, añada más refrigerante al radiador.
Cuando el radiador esté totalmente lleno y no se pueda añadir más refrigerante, coloque el tapón del radiador con el motor todavía en marcha.
Asegúrese de que el tapón está totalmente estanco presionando firmemente hacia abajo mientras gira el tapón, hasta que haga tope. Una vez colocado el tapón, apague el motor.
| Intervalo de mantenimiento y servicio | Procedimiento de mantenimiento |
|---|---|
| Después de las primeras 100 horas |
|
| Cada 400 horas |
|
Compruebe que el freno de estacionamiento está correctamente ajustado. Realice este procedimiento también después de retirar o cambiar cualquier componente del freno.
Aparque la máquina en una superficie nivelada, desengrane el mando de control de las cuchillas y ponga el freno de estacionamiento.
Apague el motor, retire la llave y espere a que se detengan todas las piezas en movimiento antes de abandonar el puesto del operador.
Levante la parte trasera de la máquina y apóyela sobre caballetes.
Retire las ruedas traseras de la máquina.
Elimine cualquier suciedad de la zona de los frenos.
Libere las ruedas motrices; consulte Uso de las válvulas de desvío de las ruedas motrices.
Mida la longitud del conjunto de enganche (Figura 59).
Note: Si el conjunto de enganche está instalado en la posición delantera, la longitud debe ser de 219 mm; si está instalado en la posición trasera, la longitud debe ser de 232 mm.

Mida la longitud del muelle (Figura 59).
Note: Debe medir 95 mm.
Cuando obtenga la longitud correcta del muelle, debe haber un espacio visible entre el soporte de giro y el resalte.
Quite el freno de estacionamiento y gire el cubo de la rueda a mano en ambos sentidos.
Note: El cubo de la rueda debe moverse libremente.
Si se necesita un espacio mayor o si el cubo de la rueda no se mueve libremente, haga lo siguiente:
Quite el freno de estacionamiento.
Desconecte y ajuste el acoplamiento trasero.
Acorte el acoplamiento para crear un espacio.
Alargue el acoplamiento para permitir que el cubo se mueva.
Conecte el conjunto de acoplamiento trasero.
Ponga el freno de estacionamiento y compruebe el espacio.
Repita los pasos 10 a 12 hasta que haya un espacio visible y el cubo de la rueda gire libremente. Repita este procedimiento en el otro lado.
Note: El freno debe desactivarse totalmente cuando el freno está en la posición de liberado.
Gire el asa de liberación de las ruedas motrices a la posición de operación; consulte Uso de las válvulas de desvío de las ruedas motrices.
Instale los neumáticos traseros y apriete las tuercas de las ruedas a 115-142 N·m.
Retire los caballetes.
| Intervalo de mantenimiento y servicio | Procedimiento de mantenimiento |
|---|---|
| Cada 50 horas |
|
Cambie la correa si está desgastada. Las señales de una correa desgastada incluyen chirridos cuando la correa está en movimiento, patinaje de las cuchillas durante la siega, bordes deshilachados, o marcas de quemaduras o grietas.
Si hay chirridos cuando la correa está en movimiento, si las cuchillas patinan durante la siega, si los bordes de la correa están deshilachados, o si tiene marcas de quemaduras o grietas, la correa de la segadora está desgastada. Cambie la correa si existe cualquiera de estas condiciones.
Aparque la máquina en una superficie nivelada, desengrane el mando de control de las cuchillas y ponga el freno de estacionamiento.
Apague el motor, retire la llave y espere a que se detengan todas las piezas en movimiento antes de abandonar el puesto del operador.
Baje la segadora a la posición de altura de corte de 76 mm.
Retire las cubiertas de la correa.
Utilice una llave de carraca en el orificio cuadrado del brazo tensor para aliviar la tensión del muelle tensor (Figura 60).
Retire la correa de la polea de la carcasa de corte.
Pase la correa nueva alrededor de las poleas de la segadora (Figura 60).

Asegúrese de que los extremos del muelle están asentados en las ranuras de anclaje, y usando una llave de carraca en el orificio cuadrado, instale la correa alrededor de la polea tensora (Figura 60).
Instale las cubiertas de las correas.
| Intervalo de mantenimiento y servicio | Procedimiento de mantenimiento |
|---|---|
| Cada 100 horas |
|
Aplique una fuerza de 44 N a la correa del alternador, en el punto intermedio entre las poleas.
Si la desviación no es de 10 mm, afloje los pernos de montaje del alternador (Figura 61).

Aumente o reduzca la tensión de la correa del alternador.
Apriete los pernos de montaje del
Verifique de nuevo la desviación de la correa para asegurarse de que la tensión es la correcta.
Las palancas de control tienen dos ajustes de altura – alto y bajo. Retire los pernos para adaptar la altura al operador.
Aparque la máquina en una superficie nivelada, desengrane el mando de control de las cuchillas (TDF) y ponga el freno de estacionamiento.
Apague el motor, retire la llave y espere a que se detengan todas las piezas en movimiento antes de abandonar el puesto del operador.
Afloje los pernos y las tuercas con arandela prensada de las palancas (Figura 62).
Alinee las palancas en el sentido adelante/atrás acercándolas a la posición de PUNTO MUERTO y muévalas hasta que estén alineadas; luego apriete los pernos (Figura 63).


Si los extremos de las palancas chocan entre sí, consulte Ajuste de los acoplamientos de control de movimiento.
Repita para ajustar las palancas de control.
Los acoplamientos de control de las bombas están situados en cada lado de la máquina, debajo del asiento. Gire la tuerca del extremo con una llave de ½" para hacer ajustes finos a fin de que la máquina no se desplace en punto muerto. Los ajustes deben realizarse para la posición de punto muerto solamente.
Para ajustar el control de movimiento, debe poner en marcha el motor y girar las ruedas motrices. El contacto con piezas en movimiento o superficies calientes puede causar lesiones personales.
Mantenga alejados de los componentes rotativos y de la superficies calientes los dedos, las manos y la ropa.
Aparque la máquina en una superficie nivelada, desengrane el mando de control de las cuchillas (TDF) y ponga el freno de estacionamiento.
Apague el motor, retire la llave y espere a que se detengan todas las piezas en movimiento antes de abandonar el puesto del operador.
Pise el pedal de elevación de la carcasa, retire el pasador de altura de corte y baje la carcasa de corte al suelo
Levante la parte trasera de la máquina y apóyela sobre caballetes a una altura suficiente para permitir que las ruedas motrices giren libremente.
Retire la conexión eléctrica del interruptor de seguridad del asiento, situado debajo del cojín del asiento.
Note: El interruptor forma parte del conjunto del asiento.
Provisionalmente, instale un puente entre los terminales del conector del arnés de cableado principal.
Arranque el motor, hágalo funcionar a su velocidad máxima y quite el freno de estacionamiento.
Note: Antes de arrancar el motor, asegúrese de que el freno de estacionamiento está puesto y que las palancas de control de movimiento están hacia fuera. No es necesario que esté en el asiento.
Haga funcionar la máquina durante al menos 5 minutos con las palancas de accionamiento a velocidad máxima hacia adelante, para que el fluido hidráulico alcance su temperatura normal de operación.
Note: Las palancas de control de movimiento deben estar en punto muerto mientras se realizan ajustes.
Ponga las palancas de control de movimiento en la posición de punto MUERTO.
Ajuste la longitud de las varillas de control de las bombas girando las tuercas dobles de la varilla en el sentido apropiado, hasta que las ruedas se muevan ligeramente en marcha atrás (Figura 64).

Mueva las palancas de control de movimiento a la posición de MARCHA ATRáS y, aplicando una ligera presión a la palanca, deje que los muelles de marcha atrás devuelvan las palancas a punto muerto.
Note: Las ruedas deben dejar de girar o moverse muy lentamente en marcha atrás.
Apague la máquina.
Retire el puente del arnés de cables y enchufe el conector en el interruptor del asiento.
Retire los caballetes.
Eleve la carcasa e instale el pasador de altura de corte.
Compruebe que la máquina no se desplaza en punto muerto con el freno de estacionamiento quitado.
Puede ajustar el perno de montaje superior del amortiguador para obtener la resistencia de la palanca de control de movimiento que desee. Consulte Figura 65 para conocer las opciones de montaje.

Busque atención médica inmediatamente si el fluido penetra en la piel. Un médico deberá eliminar quirúrgicamente el fluido inyectado en pocas horas.
Asegúrese de que todas las mangueras y líneas de fluido hidráulicos están en buenas condiciones de uso, y que todos los acoplamientos y conexiones hidráulicos están apretados, antes de aplicar presión al sistema hidráulico.
Mantenga el cuerpo y las manos alejados de fugas pequeñas o boquillas que liberan fluido hidráulico a alta presión.
Utilice un cartón o un papel para buscar fugas hidráulicas.
Alivie de manera segura toda presión en el sistema hidráulico antes de realizar trabajo alguno en el sistema hidráulico.
Capacidad del depósito hidráulico: 15,1 litros
Fluido recomendado: Toro Premium Transmission/Hydraulic Tractor Fluid (Fluido para transmisiones/fluido hidráulico para tractores de alta calidad) (Disponible en recipientes de 19 litros o en bidones de 208 litros. Consulte el Catálogo de piezas o póngase en contacto con un distribuidor autorizado Toro para obtener los números de pieza.)
Fluidos alternativos: Si no está disponible el fluido Toro, puede utilizarse fluido hidráulico Mobil® 424.
Note: Toro no asume responsabilidad alguna por los daños causados por sustituciones incorrectas.
Note: La mayoría de los fluidos hidráulicos son casi incoloros, por lo que es difícil detectar fugas. Está disponible un aditivo de tinte rojo para el fluido del sistema hidráulico, en botellas de 20 ml. Una botella es suficiente para 15–22 litros de fluido hidráulico. Solicite la pieza Nº 44-2500 a su distribuidor autorizado Toro.
| Intervalo de mantenimiento y servicio | Procedimiento de mantenimiento |
|---|---|
| Cada vez que se utilice o diariamente |
|
Compruebe el nivel del fluido hidráulico antes de arrancar el motor por primera vez y luego a diario.
Aparque la máquina en una superficie nivelada, desengrane el mando de control de las cuchillas y ponga el freno de estacionamiento.
Mueva las palancas de control de movimiento a la posición de BLOQUEO/PUNTO MUERTO y arranque el motor.
Note: Haga funcionar el motor a la velocidad más baja posible para purgar cualquier aire del sistema.
Important: No engrane la toma de fuerza.
Eleve la carcasa para extender los cilindros de elevación, apague el motor y retire la llave.
Levante el asiento para tener acceso al depósito de fluido hidráulico.
Retire el tapón del depósito hidráulico (Figura 66).

Retire la varilla y límpiela con un trapo limpio (Figura 66).
Inserte la varilla en el cuello de llenado, retírela y compruebe el nivel de fluido (Figura 67).
Note: Si el nivel de fluido no está entre las muescas de la varilla, añada suficiente fluido hidráulico de alta calidad para que llegue a la zona de las muescas.
Important: No llene demasiado.

Vuelva a colocar la varilla y enrosque el tapón de llenado en el cuello de llenado con la presión de los dedos solamente.
Compruebe que no hay fugas en ninguna manguera o acoplamiento hidráulico.
| Intervalo de mantenimiento y servicio | Procedimiento de mantenimiento |
|---|---|
| Después de las primeras 200 horas |
|
| Cada 400 horas |
|
| Cada 800 horas |
|
Desengrane la TDF, mueva las palancas de control de movimiento a la posición de BLOQUEO/PUNTO MUERTO, y ponga el freno de estacionamiento.
Mueva la palanca del acelerador a la posición de LENTO, pare el motor, retire la llave y espere a que se detengan todas las piezas en movimiento antes de abandonar el puesto del operador.
Levante el asiento.
Coloque un recipiente de vaciado grande debajo del depósito de fluido hidráulico, el alojamiento de la transmisión y los motores de rueda izquierdo y derecho (Figura 68).

Retire los tapones de vaciado de cada zona y deje que se drene el fluido hidráulico (Figura 68).
Limpie la zona alrededor del filtro de fluido hidráulico y retire el filtro (Figura 68).
Instale un filtro de fluido hidráulico nuevo, y gire el filtro en sentido horario hasta que la junta de goma entre en contacto con el adaptador del filtro; luego apriete el filtro entre ⅔ y ¾ de vuelta más.
Instale los 4 tapones de vaciado.
Note: Los tapones de vaciado de los motores de rueda son magnéticos; límpielos antes de instalarlos.
Retire el tapón del orificio de llenado situado en la parte superior de cada motor de rueda (Figura 69).
Llene cada motor de rueda con aproximadamente 1,4 litros de fluido para transmisiones/fluido hidráulico para tractores Toro Premium.
Instale los tapones en los orificios de llenado.

Retire el tapón y la varilla del depósito de fluido hidráulico.
Añada 7,6 litros de fluido al depósito.
Eleve la parte trasera de la máquina y apóyela sobre caballetes (u otro soporte equivalente) a una altura suficiente para permitir que las ruedas motrices giren libremente.
Arranque el motor y compruebe que no hay fugas de fluido.
Haga funcionar el motor durante unos cinco minutos, luego párelo.
Después de 2 minutos, compruebe el nivel del fluido hidráulico; consulte Comprobación de la tensión de la correa del alternador.
Inspeccione periódicamente las cuchillas, para asegurarse de que no están desgastadas ni dañadas.
Tenga cuidado al comprobar las cuchillas. Envuelva las cuchillas o lleve guantes, y extreme las precauciones al manejar las cuchillas. Las cuchillas únicamente pueden ser cambiadas o afiladas; no las enderece ni las suelde nunca.
En máquinas con múltiples cuchillas, tenga cuidado puesto que girar una cuchilla puede hacer que giren otras cuchillas.
Sustituya las cuchillas o los pernos gastados o dañados en conjuntos completos para no desequilibrar la máquina.
Para garantizar una calidad de corte superior, mantenga afiladas las cuchillas. Para que el afilado y la sustitución sean más cómodos, puede desear tener un stock de cuchillas de repuesto.
Aparque la máquina en una superficie nivelada, desengrane el mando de control de las cuchillas y ponga el freno de estacionamiento.
Apague el motor, retire la llave y espere a que se detengan todas las piezas en movimiento antes de abandonar el puesto del operador.
| Intervalo de mantenimiento y servicio | Procedimiento de mantenimiento |
|---|---|
| Cada vez que se utilice o diariamente |
|
Inspeccione los filos de corte (Figura 70).
Si los filos están romos o tienen muescas, retire la cuchilla y afílela; consulte Afilado de las cuchillas.
Inspeccione las cuchillas, especialmente en la parte curva.
Si observa fisuras, desgaste o la formación de una ranura en esta zona, instale de inmediato una cuchilla nueva (Figura 70).

Note: La máquina debe estar sobre una superficie nivelada para realizar el procedimiento siguiente.
Eleve la carcasa de corte a la posición más alta.
Llevando guantes fuertemente acolchados u otro tipo de protección apropiada para las manos, gire lentamente la cuchilla hasta una posición que permita medir la distancia entre el filo de corte y la superficie nivelada en la que descansa la máquina (Figura 71).

Mida desde la punta de la cuchilla hasta la superficie plana (Figura 72).

Gire la misma cuchilla 180 grados de manera que el otro extremo esté en la misma posición (Figura 73).

Mida desde la punta de la cuchilla hasta la superficie plana (Figura 74).
Note: La diferencia no debe ser superior a 3 mm.

Si la diferencia entre A y B es de más de 3 mm, sustituya la cuchilla por una cuchilla nueva; consulte Cómo retirar las cuchillas y Cómo instalar las cuchillas.
Note: Si se cambia una cuchilla doblada por una nueva y la dimensión obtenida sigue siendo de más de 3 mm, el eje de la cuchilla podría estar doblado. Póngase en contacto con su Servicio Técnico Autorizado para que revise la máquina.
Si la diferencia está dentro de los límites, pase a la cuchilla siguiente.
Repita este procedimiento con cada cuchilla.
Cambie las cuchillas si han golpeado un objeto sólido, o si la cuchilla está desequilibrada o doblada.
Coloque una llave inglesa en la zona plana del eje o sujete el extremo de la cuchilla usando un trapo o un guante grueso.
Retire el perno de la cuchilla, el casquillo y la cuchilla del eje (Figura 75).

Utilice una lima para afilar el filo de corte en ambos extremos de la cuchilla (Figura 76).
Note: Mantenga el ángulo original.
Note: La cuchilla permanece equilibrada si se retira la misma cantidad de material de ambos filos de corte.

Verifique el equilibrio de la cuchilla colocándola sobre un equilibrador de cuchillas (Figura 77).
Note: Si la cuchilla se mantiene horizontal, está equilibrada y puede utilizarse.
Note: Si la cuchilla no está equilibrada, rebaje algo el metal en la parte de la vela solamente (Figura 76).

Repita este procedimiento hasta que la cuchilla esté equilibrada.
Instale el casquillo a través de la cuchilla con la brida del casquillo en el lado inferior (lado del césped) de la cuchilla (Figura 78).

Instale el conjunto de casquillo/cuchilla en el eje (Figura 79).

Aplique lubricante o grasa de cobre a la rosca del perno de la cuchilla según sea necesario para evitar que se agarrote. Instale el perno de la cuchilla con los dedos solamente.
Coloque una llave inglesa en la zona plana del eje y apriete el perno de la cuchilla a 75-81 N∙m.
Note: Asegúrese de que la carcasa de corte está nivelada antes de igualar la altura de corte (ADC).
Aparque la máquina en una superficie nivelada, desengrane el mando de control de las cuchillas y ponga el freno de estacionamiento.
Apague el motor, retire la llave y espere a que se detengan todas las piezas en movimiento antes de abandonar el puesto del operador.
Compruebe la presión de los neumáticos de las ruedas motrices.
Si es necesario, ajústela a 1,24 bar.
Usando el interruptor de elevación de la carcasa, saque la carcasa de la posición de transporte (altura de corte de 140 mm).

Introduzca el pasador de altura de corte en la posición de altura de corte de 76 mm.
Quite el bloqueo de transporte y deje que la carcasa descienda a la altura de corte.
Mida desde la superficie nivelada hasta la punta delantera de la cuchilla central (Figura 81).
Note: La distancia debe ser de 76 mm.
En la mayoría de las condiciones, la punta trasera de las cuchillas laterales debe estar nivelada con la delantera.

Haga pequeños ajustes, si es necesario, girando la tuerca de ajuste del conjunto de elevación delantero de la carcasa (Figura 82).
Note: Para aumentar la altura, gire la tuerca de ajuste en sentido horario; para reducirla, gire la tuerca en sentido antihorario.
Note: Si los acoplamientos delanteros de la carcasa no tienen holgura suficiente para lograr la altura de corte precisa, puede utilizarse el ajuste de un solo punto, que ofrece un recorrido mayor.

Mida la altura de la punta trasera de la cuchilla. Haga pequeños ajustes, si es necesario, en las tuercas de ajuste traseras; utilice el ajuste de un solo punto para aumentar la capacidad de ajuste.
La punta trasera de las cuchillas laterales debe medir 76 mm.
Mida hasta que los 4 lados tengan la altura correcta. Apriete todas las tuercas de los brazos de elevación de la carcasa.
Si las 4 tuercas de ajuste de la carcasa no permiten lograr una altura de corte exacta con la inclinación necesaria, puede ajustar el sistema de ajuste de un solo punto (Figura 83).

Para ajustar el sistema de un solo punto, primero afloje los pernos de montaje delantero y trasero de la placa de altura de corte (Figura 83).
Note: La carcasa de corte viene de fábrica acoplada a los orificios delanteros (Figura 84). Si es necesario, utilice los orificios traseros para obtener un ajuste mayor durante la nivelación de la carcasa de corte.

Si la carcasa está demasiado baja, apriete el perno del ajuste de un solo punto girándolo en el sentido de las agujas del reloj. Si la carcasa está demasiado alta, afloje el perno del ajuste de un solo punto girándolo en el sentido contrario a las agujas del reloj (Figura 85).
Note: Apriete o afloje el perno lo suficiente para desplazar los pernos de montaje de la pletina de altura de corte al menos 1/3 del recorrido posible en las ranuras correspondientes. De esta manera, será posible ajustar algo más en sentido vertical los 4 acoplamientos de la carcasa.

Apriete los 2 pernos en el borde inferior de la placa de ajuste de la altura de corte (Figura 83).
Note: En la mayoría de las condiciones, la punta trasera de la cuchilla debe estar 6,4 mm más alta que la delantera.
Apriete los 2 pernos a 91-113 N·m.
Mida hasta que los 4 lados tengan la altura correcta. Apriete todas las tuercas de los brazos de elevación de la carcasa.
| Intervalo de mantenimiento y servicio | Procedimiento de mantenimiento |
|---|---|
| Cada vez que se utilice o diariamente |
|
Important: No utilice agua para limpiar el motor. Utilice aire comprimido a baja presión. Consulte el manual del propietario del motor.
Aparque la máquina en una superficie nivelada, desengrane el mando de control de las cuchillas (TDF) y ponga el freno de estacionamiento.
Apague el motor, retire la llave y espere a que se detengan todas las piezas en movimiento antes de abandonar el puesto del operador.
Limpie alrededor del volante, la culata, los inyectores y la bomba de inyección.
Elimine cualquier residuo de la zona del sistema de escape.
Limpie cualquier exceso de grasa o aceite de alrededor del motor y del escape.
| Intervalo de mantenimiento y servicio | Procedimiento de mantenimiento |
|---|---|
| Cada vez que se utilice o diariamente |
|
Aparque la máquina en una superficie nivelada, desengrane el mando de control de las cuchillas (TDF) y ponga el freno de estacionamiento.
Apague el motor, retire la llave y espere a que se detengan todas las piezas en movimiento antes de abandonar el puesto del operador.
Elimine cualquier acumulación de aceite, residuos o hierba en la máquina y la carcasa de corte, sobre todo debajo de las cubiertas de las correas de la carcasa, alrededor del depósito de combustible, y alrededor del motor y del sistema de escape.
Eleve la carcasa de corte a la posición de TRANSPORTE.
Elimine cualquier acumulación de hierba de debajo de la carcasa.
El aceite de motor, las baterías, el fluido hidráulico y el refrigerante del motor son contaminantes medioambientales. Elimínelos de acuerdo con la normativa estatal y local.
Apague el motor, retire la llave y espere a que se detengan todas las piezas en movimiento antes de abandonar el puesto del operador. Deje que la máquina se enfríe antes de realizar ajustes, tareas de mantenimiento y de limpieza o de guardarla.
No almacene la máquina o el combustible cerca de llamas, ni drene el combustible en interiores o en un remolque cerrado.
No guarde la máquina o un recipiente de combustible en un lugar donde pudiera haber una llama desnuda, chispas o una llama piloto, por ejemplo en un calentador de agua u otro electrodoméstico.
Desengrane el mando de control de las cuchillas (TDF) y accione el freno de estacionamiento.
Apague el motor, retire la llave y espere a que se detengan todas las piezas en movimiento antes de abandonar el puesto del operador.
Retire los recortes de hierba, la suciedad y la mugre de las piezas externas de toda la máquina, especialmente el motor y el sistema hidráulico. Limpie la suciedad y la broza de la parte exterior del alojamiento de las aletas de la culata de cilindros del motor y del soplador.
Important: La máquina puede lavarse con un detergente suave y agua. No lave la máquina a presión. Evite el uso excesivo de agua, especialmente cerca del panel de control, el motor, las bombas hidráulicas y los motores eléctricos.
Compruebe el funcionamiento del freno de estacionamiento; consulte Ajuste del freno de estacionamiento.
Revise el limpiador de aire; consulte Mantenimiento del limpiador de aire.
Engrase la máquina; consulte Lubricación.
Cambie el aceite del cárter; consulte Especificaciones de aceite del motor.
Compruebe la presión de los neumáticos; consulte Comprobación de la presión de los neumáticos.
Cambie los filtros hidráulicos; consulte Cambio del fluido hidráulico y del filtro.
Cargue la batería; consulte Carga de la batería.
Rasque cualquier acumulación importante de hierba y suciedad de los bajos de la segadora, luego lávelo con una manguera de jardín.
Note: Haga funcionar la máquina con el mando de control de las cuchillas (TDF) engranado y el motor en ralentí alto durante 2 a 5 minutos después del lavado.
Compruebe la condición de las cuchillas; consulte Mantenimiento de las cuchillas de la segadora.
Prepare la máquina para su almacenamiento cuando no la vaya a utilizar durante más de 30 días. Prepare la máquina para el almacenamiento de la manera siguiente:
Agregue un estabilizador/acondicionador a base de petróleo al combustible del depósito. Siga las instrucciones de mezcla del fabricante del estabilizador. No use un estabilizador a base de alcohol (etanol o metanol).
Note: Un estabilizador/acondicionador de combustible es más eficaz cuando se mezcla con combustible fresco y se utiliza en todo momento.
Haga funcionar el motor para distribuir el combustible con acondicionador por todo el sistema de combustible durante 5 minutos.
Pare el motor, deje que se enfríe y drene el depósito de combustible.
Arranque el motor y hágalo funcionar hasta que se pare.
Deseche el combustible adecuadamente. Recicle el combustible según la normativa local.
Important: No guarde combustible que contenga estabilizador/acondicionador durante más tiempo que el recomendado por el fabricante del estabilizador de combustible.
Revise y apriete todos los pernos, tuercas y tornillos. Repare o sustituya cualquier pieza dañada.
Pinte las superficies que estén arañadas o donde esté visible el metal. Puede adquirir la pintura en su Servicio Técnico Autorizado.
Guarde la máquina en un garaje o almacén seco y limpio. Retire la llave del interruptor y guárdela fuera del alcance de niños u otros usuarios no autorizados. Cubra la máquina para protegerla y para conservarla limpia.
| Problem | Possible Cause | Corrective Action |
|---|---|---|
| El motor de arranque no se engrana. |
|
|
| El motor no arranca, arranca con dificultad, o no sigue funcionando. |
|
|
| El motor pierde potencia. |
|
|
| El motor se sobrecalienta. |
|
|
| La máquina se desvía a la derecha o a la izquierda (con las palancas de control de movimiento totalmente hacia adelante). |
|
|
| No es posible conducir la máquina. |
|
|
| La máquina vibra de manera anormal. |
|
|
| La altura de corte no es homogénea. |
|
|
| Las cuchillas no giran. |
|
|



