| Vedligeholdelsesintervaller | Vedligeholdelsesprocedure |
|---|---|
| Hver anvendelse eller dagligt |
|
Denne plænetraktor med roterende skæreknive er beregnet til brug af professionelle, ansatte operatører. Den er primært beregnet til klipning af græs på velholdte plæner på private eller kommercielle ejendomme. Brug af dette produkt til andre formål end den tilsigtede anvendelse kan udsætte dig selv og omkringstående for fare.
Læs denne vejledning omhyggeligt, så du kan lære at betjene og vedligeholde produktet korrekt samt undgå person- og produktskade. Det er dit ansvar at betjene produktet korrekt og sikkert.
Besøg www. Toro.com for at få materialer om produktsikkerhed og oplæring i betjening, oplysninger om tilbehør, hjælp til at finde en forhandler eller for at registrere dit produkt.
Når du har brug for service, originale Toro-dele eller yderligere oplysninger, bedes du kontakte en autoriseret serviceforhandler eller Toros kundeservice samt have produktets model- og serienummer parat. Figur 1 angiver, hvor model- og serienummeret er placeret på produktet. Skriv numrene, hvor der er gjort plads til dette.
Important: Scan QR-koden (hvis udstyret hermed) på serienummermærkaten med din mobilenhed for at få adgang til oplysninger om garanti, reservedele og andre produktoplysninger.

Denne betjeningsvejledning bruger to ord til at fremhæve oplysninger. Vigtigt henleder opmærksomheden på særlige mekaniske oplysninger, og Bemærk angiver generel information, som det er værd at lægge særligt mærke til.
Advarselssymbolet (Figur 2) vises både i denne vejledning og på maskinen for at identificere vigtige sikkerhedsmeddelelser, som du skal følge for at undgå ulykker. Dette symbol vises med ordet Fare, Advarsel eller Forsigtig.
Fare angiver en overhængende farlig situation, som, hvis den ikke undgås, vil resultere i dødsfald eller alvorlig personskade.
Advarsel angiver en potentielt farlig situation, som, hvis den ikke undgås, kan resultere i dødsfald eller alvorlig personskade.
Forsigtig Angiver en potentielt farlig situation, som, hvis den ikke undgås,kan resultere i mindre eller moderat personskade.

Det er en overtrædelse af California Public Resource Code Section 4442 eller 4443 at bruge eller betjene denne motor på et skovbegroet, buskbegroet eller græsbegroet område, medmindre motoren er forsynet med en gnistskærm som defineret i Section 4442, som vedligeholdes og er i god driftsmæssig stand, eller medmindre motoren er bygget, udstyret og vedligeholdt til brandforebyggelse.
Den medfølgende motorvejledning indeholder information om U.S. Environmental Protection Agency (EPA) og California Emission Control Regulation for emissionssystemer, vedligeholdelse og garanti. Nye eksemplarer kan bestilles via motorfabrikanten.
Nettomotormoment: Denne maskines brutto- eller nettomotormoment er fastsat af motorfabrikanten på et laboratorium i henhold til Society of Automotive Engineers (SAE) J1940 eller J2723. Som følge af de ændringer, der er foretaget for at overholde diverse sikkerheds-, emissions- og driftskrav, vil det reelle motormomentet på denne plæneklippertype være betydeligt lavere. Se de oplysninger fra motorproducenten, som følger med maskinen.
CALIFORNIEN
Advarsel i henhold til erklæring nr. 65
Dieselmotorens udstødningsgas og nogle af dens bestanddele er ifølge staten Californien kræftfremkaldende og kan medføre fødselsskader eller andre forplantningsskader.
Batteripoler og tilbehør indeholder bly og blysammensætninger, som ifølge staten Californien er kræftfremkaldende og forårsager forplantningsskader. Vask hænder efter håndtering.
Brug af dette produkt kan medføre eksponering over for kemikalier, der ifølge staten Californien er kræftfremkaldende og giver medfødte defekter eller andre forplantningsskader.
Dette produkt kan afskære hænder og fødder samt udslynge genstande. Følg altid sikkerhedsforskrifterne for at undgå alvorlig personskade eller død.
Læs og forstå indholdet i denne betjeningsvejledning, før du starter motoren.
Hold omkringstående og børn på afstand.
Maskinen må aldrig betjenes eller vedligeholdes af børn eller utrænet personale. Maskinen må kun betjenes eller vedligeholdes af personer, som er ansvarlige, uddannede, fortrolige med anvisningerne og fysisk i stand til det.
Hold altid styrtbøjlen i den fuldt hævede, låste position, og brug sikkerhedsselen.
Betjen ikke maskinen i nærheden af bratte afsatser, grøfter, volde, vand og andre risikoområder eller på skråninger med en hældning på mere end 15°.
Hold hænder og fødder væk fra bevægelige maskinkomponenter.
Betjen ikke maskinen, uden at alle afskærmninger, sikkerhedskontakter og øvrige sikkerhedsanordninger er monteret og fungerer korrekt.
Sluk for motoren, tag nøglen ud, og vent, til alle bevægelige dele er standset, før du forlader førersædet. Lad maskinen køle af, inden du efterser, justerer, påfylder brændstof, rengør den eller stiller den til opbevaring.

![]() |
Sikkerheds- og instruktionsmærkaterne kan nemt ses af operatøren og er placeret tæt på potentielle risikoområder. Beskadigede eller bortkomne mærkater skal udskiftes. |


























Før du starter motoren og anvender maskinen, er det vigtigt, at du er fortrolig med alle maskinens betjeningsanordninger.

Se softwarevejledningen for at få detaljerede oplysninger, som beskriver den brugergrænseflade, der giver dig adgang til oplysninger, nulstilling af tællere, ændring af systemindstillinger og fejlfinding af udstyret.

Informationsskærmen viser oplysninger vedrørende maskinens drift. Se softwarevejledningen for at få flere oplysninger.
Multifunktionsknapperne er placeret i bunden af panelet. De ikoner, der vises på informationsskærmen over knapperne, angiver den aktive funktion. Knapperne giver dig mulighed for at vælge motorhastighed og navigere gennem systemmenuerne.
Se softwarevejledningen for at få flere oplysninger.
Lysdiodestatuslampen bruger forskellige farver til at angive systemets status og er placeret i højre side af panelet. Under opstart lyser lysdiodelampen skiftevis rødt, orange og grønt for at bekræfte funktionaliteten.
Konstant grøn – angiver normal driftsaktivitet
Blinker rødt – angiver en aktiv fejl
Blinker grøn og orange – angiver, at en koblingsnulstilling er påkrævet
Se softwarevejledningen for at få flere oplysninger.
Hvis der opstår en fejl, vises en fejlmeddelelse, lysdiodelampen lyser rødt, og følgende alarm høres:
En kort, skinger lyd angiver kritiske fejl.
En langsom, pibende lyd angiver mindre kritiske fejl, f.eks. ved påkrævede vedligeholdelses- eller serviceintervaller.
Note: Under opstart lyder alarmen kortvarigt for at bekræfte funktionaliteten.
Se softwarevejledningen for at få flere oplysninger.
Timetælleren registrerer, hvor mange timer motoren har kørt. Den kører, når motoren er i gang. Brug disse tal til planlægning af regelmæssig vedligeholdelse (Figur 5).
Timer vises på skærmen Engine-off (motorslukning) eller i menuen Engine Hour Counter (motortimetæller).
Se softwarevejledningen for at få flere oplysninger.
Brug denne kontakt til at starte motoren. Den har 3 positioner: START, RUN (kør) og OFF (fra).
Note: LCD-indikatorerne vises, når de enkelte kontroller opfylder "Safe to start"-tilstanden (indikatoren tændes f.eks., når du sidder i sædet).
Note: Motorens ECU styrer glødetændrørene ved koldstart. Hvis kølevæsketemperaturen er for lav, vises glødesymbolet på monitoren, og starteren tørner ikke, når du sætter motoren i positionen START. Glødetændrørene aktiveres i positionen ON (til) eller START. Når gløden har været tændt længe nok for den aktuelle temperatur, forsvinder glødesymbolet fra monitoren, og motoren tørner, når den sættes i positionen START.
Note: Systemet giver dig mulighed for at starte maskinen med kraftudtagskontakten indkoblet, men indkobler ikke skæreknivene. Du skal nulstille kraftudtaget for at indkoble det.
Gashåndtaget styrer motorhastigheden, og der kan vælges mellem 3 hastigheder: Maximum (maks.), Efficient (effektiv) og Low (lav).
Se softwarevejledningen for at få flere oplysninger.
Kontakten til regulering af skæreknive (kraftudtag) indkobler og udkobler strømmen til skæreknivene (Figur 5).
LCD-indikatoren vises på informationsskærmen, når kraftudtagskontakten udkobles.
Note: Maskiner, der er udstyret med Horizon-displaymonitoren, er udstyret med en koblingssparer, som tillader gashåndtaget at reducere motorhastigheden, når kraftudtagskontakten udkobles. Hvis du indkobler og udkobler kraftudtagskontakten, skifter motorgashåndtaget mellem tilstandene MOW (klipning) og TRANSPORT.
Note: Systemet giver dig mulighed for at starte maskinen med kraftudtagskontakten indkoblet, men indkobler ikke skæreknivene. Hvis kraftudtaget indkobles, skal du nulstille kraftudtagskontakten ved at først at udkoble og derefter indkoble den igen.
Tryk kontakten bagud for at hæve skjoldet.
Tryk kontakten frem for at sænke skjoldet.
Bevægelseshåndtagene bruges til at køre maskinen frem og tilbage og dreje den fra side til side (Figur 4).
Flyt bevægelseshåndtagene udad fra den midterste position til positionen NEUTRAL-LOCK (neutral låseposition), når du stiger ud af maskinen (Figur 22). Sæt altid bevægelseshåndtagene i positionen NEUTRAL-LOCK (neutral låseposition), når du standser maskinen eller efterlader den uden opsyn.
Når du slukker for motoren, skal du aktivere parkeringsbremsen for at undgå, at maskinen bevæger sig ved et uheld.
| 168,2 cm |
| Styrtbøjle hævet eller sænket | 255,5 cm |
| Styrtbøjle hævet | 182,4 cm |
| Styrtbøjle sænket | 129,5 cm |
| Styrtbøjle hævet | 182,4 cm |
| Styrtbøjle sænket | 129,5 cm |
| 112 cm |
| 84 cm |
| 157,2 cm |
Der kan fås en række forskellige Toro-godkendte redskaber og tilbehør til brug sammen med maskinen, som gør den bedre og mere alsidig. Kontakt en autoriseret serviceforhandler eller en autoriseret Toro-forhandler, eller gå ind på www.Toro.com for at få en liste over alt godkendt udstyr og tilbehør.
Brug kun originale Toro-reservedele og tilbehør for at sikre optimal ydelse og sikre, at maskinen fortsat overholder sikkerhedscertificeringen. Reservedele og tilbehør, der er fremstillet af andre producenter, kan være farlige, og brug heraf kan gøre garantien ugyldig.
Note: Maskinens venstre og højre side er som set fra den normale betjeningsposition.
Maskinen må aldrig betjenes eller vedligeholdes af børn eller utrænet personale. Vær opmærksom på, at lokale forskrifter kan angive en mindstealder for operatøren. Ejeren er ansvarlig for at træne alle operatører og mekanikere.
Efterse området, hvor maskinen skal bruges, og fjern alle objekter, som kan forstyrre betjeningen af maskinen, eller som maskinen kan risikere at udslynge.
Bliv fortrolig med anvisningerne for sikker betjening af udstyret samt med betjeningsanordningerne og sikkerhedssymbolerne.
Kontroller, at dødemandsgreb, sikkerhedskontakter og afskærmninger er korrekt fastgjort og fungerer korrekt. Betjen ikke maskinen, hvis de ikke fungerer korrekt.
Sluk for motoren, tag nøglen ud, og vent, til alle bevægelige dele er standset, før du forlader førersædet. Lad maskinen køle af, inden du efterser, justerer, påfylder brændstof, rengør den eller stiller den til opbevaring.
Før du klipper, skal du efterse maskinen for at sikre, at klippeenhederne fungerer korrekt.
Vurder terrænet for at fastsætte det mest passende udstyr og relevante redskaber eller tilbehør, der kræves for at betjene maskinen korrekt og sikkert.
Bær korrekt beklædning, herunder beskyttelsesbriller, lange bukser, skridsikkert, kraftigt fodtøj og høreværn. Sæt langt hår op, og bær ikke løstsiddende tøj eller smykker.
Kør ikke med passagerer på maskinen.
Hold omkringstående og kæledyr på afstand af maskinen, mens den er i drift. Sluk maskinen og redskabet eller redskaberne, hvis nogen kommer ind på området.
Betjen ikke maskinen, medmindre alle afskærmninger og sikkerhedsanordninger, f.eks. deflektorer og hele græsopsamleren, er på plads og fungerer korrekt. Udskift slidte eller beskadigede dele, når det er nødvendigt.
Brændstof er meget brandfarligt og yderst eksplosivt. En brand eller eksplosion forårsaget af brændstof kan give dig eller andre forbrændinger samt medføre tingsskade.
For at undgå, at en statisk ladning antænder brændstoffet, skal beholderen og/eller maskinen placeres direkte på jorden, før de fyldes. De må ikke stå i et køretøj eller på andre genstande.
Fyld brændstoftanken udendørs på en plan grund i et åbent område, og når motoren er kold. Tør eventuelt spildt brændstof op.
Håndter ikke brændstof, mens du ryger eller i nærheden af åben ild eller gnister.
Fjern ikke brændstofdækslet, og fyld ikke brændstof på brændstoftanken, mens motoren kører eller er varm.
Hvis du spilder brændstof, må du ikke forsøge at starte motoren. Foretag dig ikke noget, der kan antænde brændstoffet, før dampene er spredt.
Opbevar brændstof i en godkendt beholder og utilgængeligt for børn.
Brændstof er farligt og kan være dødbringende, hvis det indtages. Længere tids udsættelse for dampe kan forårsage alvorlige skader og sygdomme.
Undgå længere tids indånding af dampe.
Hold hænder og ansigt væk fra dysen og brændstoftankens åbning.
Undgå at få brændstof i øjnene eller på huden.
Opbevar ikke maskinen eller brændstofbeholderen, hvor der er åben ild, gnister eller vågeblus som fx på en vandvarmer eller på andre apparater.
Fyld ikke beholdere i et køretøj eller på en lastbil eller anhænger med plastikforing. Anbring altid beholdere på jorden og et stykke væk fra køretøjet før påfyldning.
Fjern udstyr fra lastbilen eller anhængeren, og fyld brændstof på, mens den er på jorden. Hvis dette ikke er muligt, skal påfyldningen finde sted fra en bærbar beholder i stedet for direkte fra brændstofstanderen.
Betjen ikke maskinen, medmindre hele udstødningssystemet er på plads og i god driftsmæssig stand.
Påfyldningsdysen skal altid være i kontakt med kanten af åbningen i brændstoftanken eller -beholderen, indtil påfyldningen er afsluttet. Brug ikke låseenhed for slangespidsen.
Hvis du spilder brændstof på dit tøj, skal du straks skifte tøj.
Fyld ikke for meget brændstof på brændstoftanken. Sæt brændstofdækslet på igen, og stram det.
Fjern græs og andet affald fra klippeenheden, lydpotten, drevene, græsopsamleren og motorrummet for at forhindre brand. Tør spildt olie eller brændstof op.
Motoren kører på ren, frisk dieselbrændstof med et cetantal på min. 40. Køb brændstof i mængder, der kan bruges inden for 30 dage, for at sikre, at brændstoffet er friskt.
Brug sommerdieselolie (nr. 2-D) ved temperaturer over -7 °C og vinterdieselolie (nr. 1-D eller en blanding af nr. 1-D/2-D) under denne temperatur. Brug af vinterdieselolie ved lavere temperaturer giver et lavere antændelsespunkt og flydepunkt, hvilket gør det lettere at starte og mindsker risikoen for kemisk separation af brændstoffet pga. lavere temperaturer (voksdannelse, som kan tilstoppe filtrene).
Brug af sommerdieselolie over -7 °C bidrager til at forlænge pumpens komponenter.
Important: Brug ikke petroleum eller benzin i stedet for dieselolie. Hvis denne advarsel ikke overholdes, kan motoren blive beskadiget.
Denne maskine kan også bruge et blandet biodieselbrændstof på op til B20 (20 % biodiesel, 80 % petrodiesel). Andelen af petrodiesel bør være lav eller have et ekstra lavt svovlindhold.
Træf følgende forholdsregler:
Andelen af biodiesel skal opfylde specifikationen anført i ASTM D6751 eller EN 14214.
Brændstofsammensætningen skal opfylde ASTM D975 eller EN 590.
Malede overflader kan beskadiges af biodieselblandinger.
Brug B5 (biodieselindhold på 5 %) eller blandinger med et lavere biodieselindhold under kolde vejrforhold.
Efterse tætninger, slanger og pakninger, der kommer i berøring med brændstoffet, da de kan forringes over tid.
Tilstopning af brændstoffilteret kan forventes i tiden efter, at du er gået over til at bruge biodieselblandinger.
Kontakt din forhandler for at få flere oplysninger om biodiesel.
Parker maskinen på en plan overflade.
Aktiver parkeringsbremsen.
Sluk motoren, og tag nøglen ud.
Rengør området rundt om brændstoftankens dæksel.
Fyld brændstoftanken op til bunden af påfyldningsstudsen (Figur 7).
Note: Fyld ikke brændstoftanken helt op. Tomrummet i tanken giver brændstoffet plads til at udvide sig.

Før maskinen startes hver dag, skal procedurerne for Hver anvendelse/Dagligt udføres som beskrevet i .
Det tager tid, før nye motorer kommer op på fuld kraft. Der er større friktion ved nye plæneklipperskjolde og drivsystemer, hvilket betyder større motorbelastning. Giv nye maskiner en indkøringstid på 40 til 50 timer for at komme op på fuld kraft for at opnå den bedste ydelse.
Undgå personskade eller død pga. væltning: Hold styrtbøjlen i den fuldt hævede, låste position, og brug sikkerhedsselen.
Sørg for, at sædet er fastgjort til maskinen.
Du er ikke beskyttet af styrtbøjlen, når styrtbøjlen er i sænket position.
Sænk kun styrtbøjlen, når det er absolut nødvendigt.
Spænd ikke sikkerhedsselen, når styrtbøjlen er i sænket position.
Kør langsomt og forsigtigt.
Hæv styrtbøjlen, lige så snart der er plads til, at den kan hæves.
Kontroller omhyggeligt, om der er fri højde over dit hoved, dvs. om der er fri for grene, døråbninger, elektriske ledninger, før du kører under nogen genstand, og kom ikke i berøring med sådanne.
Important: Brug altid sikkerhedsselen, når styrtbøjlen er i den hævede position.
Hæv styrtbøjlen til betjeningsposition, og drej grebene, så de skubbes delvist ind i rillerne (Figur 9).
Løft styrtbøjlen til helt oprejst position, samtidig med at der skubbes på den øverste del af styrtbøjlen. Derefter springer stifterne på plads, når hullerne placeres ud for stifterne (Figur 9).
Tryk på styrtbøjlen, og kontroller, at begge stifter er indkoblet (Figur 9).

Hvis kontakterne til sikkerhedslåsesystemet frakobles eller bliver beskadigede, kan maskinen fungere uventet og forårsage personskade.
Pil ikke ved sikkerhedskontakterne.
Kontroller dagligt, at sikkerhedskontakterne fungerer, og udskift eventuelle beskadigede kontakter, før du betjener maskinen.
Sikkerhedslåsesystemet er udviklet med henblik på at forhindre motoren i at starte, medmindre:
Parkeringsbremsen er aktiveret.
Kontakten til regulering af skæreknive (kraftudtag) er koblet fra.
Bevægelseshåndtagene er placeret i den NEUTRALE LåSEPOSITION.
Sikkerhedslåsesystemet er også konstrueret til at slukke motoren, når bevægelseshåndtagene flyttes fra positionen NEUTRAL-LOCK (neutral låseposition) med parkeringsbremsen aktiveret, eller hvis du rejser dig fra sædet, når kraftudtaget er indkoblet.
Horizon-displaymonitoren er forsynet med indikatorer, som giver brugeren besked, når låsekomponenten befinder sig i den korrekte position. Når komponenten befinder sig i den korrekte position, vises der en indikator på skærmen.

| Vedligeholdelsesintervaller | Vedligeholdelsesprocedure |
|---|---|
| Hver anvendelse eller dagligt |
|
Kontroller altid sikkerhedslåsesystemet, før du betjener maskinen. Hvis sikkerhedssystemet ikke fungerer som beskrevet i det følgende, skal der straks tilkaldes en autoriseret forhandler til at reparere sikkerhedssystemet.
Sæt dig i sædet, aktiver parkeringsbremsen, og flyt kontakten til regulering af skæreknive (kraftudtag) til positionen ON (til). Prøv at starte motoren – motoren bør ikke starte.
Sæt dig i sædet, aktiver parkeringsbremsen, og flyt kontakten til regulering af skæreknive (kraftudtag) til positionen OFF (fra). Flyt et af bevægelseshåndtagene væk fra positionen NEUTRAL-LOCK (neutral låseposition). Prøv at starte motoren: Motoren bør ikke starte. Gentag for det andet bevægelseshåndtag.
Sæt dig i sædet, aktiver parkeringsbremsen, flyt kontakten til regulering af skæreknivene (kraftudtag) til positionen OFF (fra), og flyt bevægelseshåndtagene til positionen NEUTRAL-LOCK (neutral låseposition). Start derefter motoren. Deaktiver parkeringsbremsen, indkobl kontakten til regulering af skæreknive (kraftudtag), og rejs dig derefter let fra sædet, mens motoren kører. Motoren bør nu slukke.
Sæt dig i sædet, aktiver parkeringsbremsen, flyt kontakten til regulering af skæreknivene (kraftudtag) til positionen OFF (fra), og flyt bevægelseshåndtagene til positionen NEUTRAL-LOCK (neutral låseposition). Start derefter motoren. Mens motoren kører, skal et af bevægelseshåndtagene centreres og flyttes (frem eller tilbage). Motoren bør nu slukke. Gentag fremgangsmåden for det andet bevægelseshåndtag.
Sæt dig i sædet, deaktiver parkeringsbremsen, flyt kontakten til regulering af skæreknivene (kraftudtag) til positionen OFF (fra), og flyt bevægelseshåndtagene til positionen NEUTRAL-LOCK (neutral låseposition). Prøv at starte motoren: Motoren bør ikke starte.
Sædet kan flyttes frem og tilbage. Anbring sædet i den stilling, hvor du har den bedste kontrol over maskinen og sidder mest behageligt (Figur 11).

Skub sædelåsen fremad for at løsne sædet (Figur 12).

Sædet kan justeres for at give en jævn og behagelig kørsel. Indstil sædet til den position, hvor du sidder mest behageligt.
Drej på knappen foran på sædet for at opnå den mest behagelige position (Figur 13).

Ejeren/operatøren kan forhindre og er ansvarlig for ulykker, som kan forårsage personskade eller tingsskade.
Betjening af maskinen kræver din fulde opmærksomhed. Giv dig ikke i kast med aktiviteter, der afleder opmærksomheden, da dette kan medføre person- eller tingsskade.
Betjen ikke maskinen, hvis du er syg, træt eller påvirket af alkohol eller medicin.
Berøring af skærekniven kan medføre alvorlig personskade. Sluk for motoren, tag nøglen ud, og vent, til alle bevægelige dele er standset, før du forlader betjeningspositionen. Når du drejer nøglen til positionenOFF (fra), skal motoren slukkes, og skærekniven bør stoppe. Hvis den ikke standser, bør du straks holde op med at bruge maskinen og kontakte en autoriseret serviceforhandler.
Betjen kun maskinen i god sigtbarhed og gode vejrforhold. Betjen ikke maskinen, når der er risiko for lynnedslag.
Hold dine hænder og fødder væk fra klippeenhederne. Hold dig på afstand af udblæsningsåbningen.
Klip aldrig græs med udblæsningsdeflektoren oppe, fjernet eller ændret, medmindre der er et korrektfungerende græssamlersystem eller kværnsæt monteret.
Slå ikke græs i bakgear, medmindre det er absolut nødvendigt. Kig altid ned og bagud, inden maskinen køres baglæns.
Vær ekstremt forsigtig, når du nærmer dig blinde vinkler, buske, træer eller andre genstande, der kan blokere dit udsyn.
Stop altid skæreknivene, når du ikke klipper.
Hvis maskinen rammer en genstand eller begynder at ryste, skal du straks slukke motoren, tage nøglen ud (hvis den forefindes) og vente, indtil alle bevægelige dele standser, før du efterser maskinen for skader. Foretag alle nødvendige reparationer, inden driften genoptages.
Sænk farten, og vær forsigtig, når du vender og krydser veje og fortove med maskinen. Hold altid tilbage for andre.
Før du forlader betjeningspositionen, skal du gøre følgende:
Parker maskinen på en plan overflade.
Sørg for at udkoble kraftudtaget, og sænk redskaberne.
Aktiver parkeringsbremsen.
Sluk motoren, og tag nøglen ud.
Vent, til alle bevægelige dele standser.
Betjen kun motoren i områder med god udluftning. Udstødningsgasser indeholder kulilte, som er dødbringende, hvis de indåndes.
Efterlad aldrig en kørende maskine uden opsyn.
Bugseret udstyr må kun fastgøres ved anhængertrækket.
Betjen ikke maskinen, medmindre alle afskærmninger og sikkerhedsanordninger, f.eks. deflektorer og hele græsopsamleren, er på plads og fungerer korrekt. Udskift slidte eller beskadigede dele, når det er nødvendigt.
Brug kun tilbehør og redskaber, der er godkendt af Toro.
Denne maskine afgiver støj på mere end 85 dBA ved operatørens ører og kan give nedsat hørelse ved længere tids anvendelse.

Fjern græs og andet affald fra klippeenheden, drevene, lydpotten og motoren for at forhindre brand.
Start motoren, og hold fødderne på god afstand af skæreknivene.
Vær opmærksom på plæneklipperens udblæsningsbane, og ret udblæsningen væk fra andre. Undgå at udkaste materiale mod en mur eller forhindring, da materialet kan rikochettere tilbage mod operatøren.
Stop skæreknivene, sæt farten på maskinen ned, og vær forsigtig, når du krydser andre overflader end græs, eller når du transporterer maskinen til og fra driftsområdet.
Skift ikke motorens regulatorhastighed, og kør ikke motoren ved for høj hastighed.
Børn bliver ofte tiltrukket af maskinen og klippeaktiviteten. Gå aldrig ud fra, at børn bliver på det sted, hvor du sidst så dem.
Hold børn væk fra driftsområdet, og sørg for, at de er under opsyn af en ansvarlig voksen, der ikke er operatør.
Vær agtpågivende, og sluk maskinen, hvis børn kommer ind i driftsområdet.
Før du bakker eller drejer maskinen, skal du kigge ned og hele vejen rundt efter små børn.
Medbring ikke børn på maskinen, selv når skæreknivene ikke bevæger sig. Børn kan falde af og blive alvorligt kvæstet eller forhindre dig i at betjene maskinen på sikker vis. Børn, som tidligere har fået lov til at køre på maskinen, kan uden varsel dukke op i driftsområdet og blive kørt over af maskinen.
Styrtbøjlesystemet er en integreret sikkerhedsanordning. Styrtbøjlekomponenter må ikke fjernes fra maskinen.
Sørg for, at sikkerhedsselen er spændt, og at du kan frigøre den hurtigt i nødstilfælde.
Hold styrtbøjlen i den fuldt hævede og låste position, og brug altid sikkerhedssele, når styrtbøjlen er oppe.
Kontroller omhyggeligt, om der er genstande, der befinder sig over maskinen, før du kører under dem, og undgå sammenstød med dem.
Udskift beskadigede styrtbøjlekomponenter. Du må ikke reparere eller ændre dem.
Styrtbøjlen beskytter dig ikke, når den er sænket.
Hvis hjulene skrider ud over kanter, stejle skrænter eller ned i vand, kan maskinen vælte, hvilket kan forårsage alvorlig personskade eller død.
Brug ikke sikkerhedsselen, når styrtbøjlen er nede.
Sænk kun styrtbøjlen, når det er absolut nødvendigt. Hæv den, lige så snart pladsen tillader det.
I tilfælde af væltning skal maskinen indleveres hos en autoriseret serviceforhandler med henblik på eftersyn af styrtbøjlen.
Anvend kun Toro-godkendt tilbehør og redskaber til styrtbøjlen.
Skråninger er en væsentlig årsag til, at føreren mister herredømmet, eller at maskinen vælter. Sådanne ulykker kan medføre alvorlige personskader, i værste tilfælde med døden til følge. Operatøren er ansvarlig for sikker betjening på skråninger. Det kræver ekstra forsigtighed at betjene maskinen på alle former for skråninger. Før maskinen betjenes på en skråning, skal du gøre følgende:
Gennemgå og forstå instruktionerne vedrørende skråninger i betjeningsvejledningen og på maskinen.
Brug en vinkelindikator til at fastslå områdets omtrentlige hældningsvinkel.
Betjen aldrig maskinen på skråninger med en hældning på mere end 15°.
Evaluer forholdene på stedet på den pågældende dag for at fastslå, om skråningen er sikker at betjene maskinen på. Brug sund fornuft og god dømmekraft, når du foretager denne evaluering. Ændringer i terrænet, såsom fugt, kan hurtigt påvirke maskinens funktion på en skråning.
Identificer farer ved foden af skråningen. Betjen ikke maskinen i nærheden af bratte afsatser, grøfter, volde, vand og andre risikoområder. Maskinen kan pludselig vælte, hvis et hjul kører over kanten, eller hvis en kant skrider sammen. Hold sikker afstand (to gange maskinens bredde) mellem maskinen og enhver form for farekilde. Anvend en håndplæneklipper eller en græstrimmer til at klippe græsset i disse områder.
Undlad at starte, standse eller vende maskinen på skråninger. Undlad at foretage pludselige hastigheds- eller retningsskift. Drej langsomt og gradvist.
Undlad at betjene maskinen under forhold, hvor der er tvivl om traktion, styring eller stabilitet. Vær opmærksom på, at betjening af maskinen på vådt græs, på tværs af skråninger eller ned ad bakke kan medføre, at maskinen mister traktion. Mistet traktion til drivhjulene kan forårsage udskridning og mistet bremse- og styrekontrol. Maskinen kan glide, selvom drivhjulene er stoppet.
Fjern eller afmærk forhindringer, såsom grøfter, huller, hjulspor, bump, sten eller andre skjulte farekilder. Højt græs kan skjule forhindringer. Ujævnt terræn kan få maskinen til at vælte.
Udvis ekstra forsigtighed under arbejde med tilbehør eller redskaber, såsom græssamlersystemer. Disse kan ændre maskinens stabilitet og forårsage mistet herredømme. Følg vejledningerne for modvægte.
Hvis det er muligt, skal skjoldet holdes sænket til jorden under betjening på skråninger. Hævning af skjoldet under betjening på skråninger kan gøre maskinen ustabil.

Aktiver altid parkeringsbremsen, når du standser maskinen eller efterlader den uden opsyn.
Parker maskinen på en plan overflade.


Kontakten til regulering af skæreknivene (kraftudtag) starter og stopper skæreknivene og eventuelle motordrevne redskaber.
Note: Indkobling af kontakten til regulering af skæreknivene (kraftudtag) med gashåndtaget i "midtvejs" position eller mindre, forårsager overdrevent stort slid på drivremmene.


Important: Aktiver ikke starteren i mere end 5 sekunder ad gangen. Hvis motoren ikke starter, skal du vente 15 sekunder mellem forsøgene. Følges disse instruktioner ikke, kan startermotoren brænde sammen.
Note: Der skal muligvis flere forsøg til at starte motoren første gang efter påfyldning af brændstof i et tomt brændstofsystem.

Børn eller andre omkringstående kan komme til skade, hvis de flytter eller forsøger at betjene maskinen, når operatøren ikke er til stede.
Fjern altid nøglen, og aktiver parkeringsbremsen, når du efterlader maskinen uden opsyn.


Drivhjulene drejer uafhængigt af hinanden og drives af hydraulikmotorer på hver aksel. Du kan dreje en side baglæns, mens du drejer den anden fremad, hvilket får maskinen til at rotere i stedet for at dreje. Dette forbedrer maskinens manøvredygtighed væsentligt, men der kan gå et stykke tid, før du vænner dig til, hvordan den bevæger sig.
Gashåndtaget styrer motorens omdrejningstal målt i omdrejninger pr. minut. Indstil gashåndtaget til positionen HURTIG for at opnå den bedste ydelse. Kør altid med fuld kraft ved plæneklipning.
Maskinen kan spinde meget hurtigt. Du kan miste kontrollen over maskinen og forårsage personskade eller beskadige maskinen.
Udvis forsigtighed, når du drejer.
Sæt farten ned, før du foretager skarpe sving.
Note: Motoren slukker, når du flytter traktionskontrolgrebene, mens parkeringsbremsen er aktiveret.
Stands maskinen ved at flytte bevægelseshåndtagene til positionen NEUTRAL.
Deaktiver parkeringsbremsen. Se Deaktivering af parkeringsbremsen.
Flyt håndtagene til den midterste, ulåste position.
Kør fremad ved langsomt at skubbe bevægelseshåndtagene fremad (Figur 23).

Flyt håndtagene til midterpositionen – ulåst position.
Bak ved langsomt at trække bevægelseshåndtagene bagud (Figur 24).

Plæneklipperen er udstyret med en hængslet græsdeflektor, der blæser det afklippede græs til siden og ned mod plænen.
Hvis ikke der er monteret græsdeflektor, udblæsningsdæksel eller komplet græsopsamler, udsætter du dig selv og andre for kontakt med skæreknivene og udslyngede genstande. Kontakt med plæneklipperens roterende skærekniv(e) og udslyngede genstande vil medføre personskade eller død.
Fjern aldrig græsdeflektoren fra plæneklipperskjoldet, da deflektoren leder materialerne ned mod plænen. Hvis græsdeflektoren beskadiges, skal den straks udskiftes.
Placer aldrig hænder eller fødder under plæneklipperskjoldet.
Forsøg aldrig at rense udblæsningsområdet eller skæreknivene, før du har sat kontakten til regulering af skæreknivene (kraftudtag) i positionen OFF (fra), drejet tændingskontakten til positionen OFF og taget nøglen ud af tændingskontakten.
Sørg for, at græsdeflektoren er i sænket position.
Juster klippehøjden fra 25 til 140 mm i trin a 6 mm ved at flytte gaffelbolten til forskellige hulplaceringer.
Mens motoren er i gang, trykkes der bagud på skjoldets løftekontakt, indtil plæneklipperskjoldet er hævet helt. Slip kontakten straks derefter.
Drej klippehøjdepinden, indtil skydestiften inden i den står ud for hakkene i hullerne i klippehøjdejusteringsbeslaget, og tag den af (Figur 25).
Isæt klippehøjdepinden i hullet, der svarer til den ønskede klippehøjde (Figur 25).
Se mærkaten på siden af skjoldløftepladen for at få oplysninger om klippehøjden (Figur 25).
Brug skjoldets løftekontakt til at flytte skjoldhøjden ud af transportpositionen (eller 140 mm klippehøjde) og ned til den valgte højde.

For at opnå maksimal skjoldflotation skal rullerne monteres 1 hulposition lavere. Der skal opretholdes en frihøjde på 6 mm mellem rullerne og jorden. Rullerne må ikke justeres, så de understøtter skjoldet.
Parker maskinen på en plan overflade.
Udkobl kontakten til regulering af skæreknivene (kraftudtag), flyt bevægelseshåndtagene til den NEUTRALE LåSEPOSITION, og aktiver parkeringsbremsen.
Sluk motoren, tag nøglen ud, og vent, til alle bevægelige dele er standset, før du forlader betjeningspositionen.
Juster antiskalperingsrullerne som vist i Figur 26, Figur 27, Figur 28 og Figur 29.




For maskiner med sideudkast skal flangemøtrikken tilspændes med et moment på 68 til 75 Nm.
For maskiner med bagudkast skal flangemøtrikken tilspændes med et moment på 41 til 47 Nm.
Monter gliderne i den nederste position, når du anvender klippehøjder på over 51 mm, og i den øverste position, når du anvender klippehøjder på under 51 mm.
Juster gliderne som vist i Figur 30.

Denne procedure gælder kun maskiner med udblæsningsskærmgreb. Visse modeller har møtrikker og bolte i stedet for udblæsningsskærmgrebet, som du kan justere på samme måde.
Plæneklipperens udblæsning kan justeres til forskellige typer klippeforhold. Placer grebet og skærmen, så den bedste klippekvalitet opnås.
Parker maskinen på en plan overflade, udkobl kontakten til regulering af skæreknivene, og aktiver parkeringsbremsen.
Sluk for motoren, tag nøglen ud, og vent, til alle bevægelige dele er standset, før du forlader betjeningspositionen.
Løsn grebet.
Skub grebet til den ønskede position.
Stram grebet.
Nedenstående tal er alene tænkt som anbefalinger. Justeringerne varierer i henhold til græstype, fugtindhold og græssets højde.
Note: Hvis motoreffekten falder, og plæneklipperens hastighed er den samme, skal skærmen åbnes.
Dette er den bageste position. Den anbefalede anvendelse af denne position er som følger:
Klipning af kort, tyndtvoksende græs
Klipning under tørre forhold
Til mindre afklippede græsstykker.
Blæser det afklippede græs længere væk fra plæneklipperen

Benyt denne position ved opsamling i pose. Placer den altid ud for blæserens åbning.

Dette er den forreste position. Den anbefalede anvendelse af denne position er som følger:
Klipning af højt, tæt græs
Klipning under våde forhold
Sænker motorens strømforbrug
Giver mulighed for øget hastighed ved tunge forhold

Kraftudtaget frakobles, der lyder en alarm, og et søjlediagram viser motortemperaturen, når den når overophedningspunktet. Kraftudtaget indkobles ikke, før motoren er afkølet, og du slukker kraftudtaget manuelt og indkobler det.
Note: Hvis motorens kølevæskestand ligger under indikatorlinjen på ekspansionsbeholderen, når motoren er kold, kan kølevæskens temperaturmåler ikke registrere korrekt under driften, og/eller lydalarmen aktiveres muligvis ikke, hvis motoren overophedes.
For at opnå den bedste græsslåning og maksimal luftcirkulation skal motoren betjenes ved indstillingen HURTIG. Luft er nødvendigt for at kunne klippe græsset ordentligt, og derfor skal du ikke indstille klippehøjden for lavt eller lade plæneklipperskjoldet være helt omgivet af uklippet græs. Forsøg altid at holde 1 side af plæneklipperskjoldet fri for uklippet græs, så den nødvendige luft kan trækkes ind i plæneklipperskjoldet.
Klip ikke græsset helt så kort som normalt, så du kan sikre dig, at plæneklipperskjoldets klippehøjde ikke fjerner græsset helt i ujævnt terræn. Den tidligere anvendte klippehøjde er dog tit den bedste. Når du klipper græs, der er længere end 15 cm, kan det være en fordel at klippe græsset to gange for at sikre en acceptabel klippekvalitet.
Du opnår det bedste resultat ved kun at klippe en tredjedel af græsstråets længde. Det anbefales ikke at klippe mere end dette, medmindre græsbevoksningen er spredt, eller det er sent på efteråret, hvor græsset ikke længere vokser så hurtigt.
Skift mellem klipperetningen for at sikre, at græsset fortsætter med at vokse lodret. Dette medvirker også til at sprede det afklippede græs, hvilket øger nedbrydningen og gødningseffekten.
Græs vokser med forskellig hastighed på forskellige tider af året. Hvis du vil bevare den samme klippehøjde, skal græsset slås oftere i det tidlige forår. Når græssets væksthastighed falder midt på sommeren, skal du ikke slå græsset så tit. Hvis du ikke har mulighed for at slå græs over en længere periode, skal du først slå det med en høj klippehøjde og derefter igen to dage senere med en lavere højdeindstilling.
Klipningskvaliteten kan forbedres ved at køre langsommere under visse forhold.
Når du klipper en ujævn plæne, skal du hæve klippehøjden for at undgå at skalpere plænen.
Hvis fremdriften af maskinen standses, mens græsslåningen er i gang, kan du risikere, at der falder en klump afklippet græs ned på plænen. Dette kan undgås ved at flytte maskinen hen til et tidligere klippet område, mens knivene er aktiveret, eller du kan deaktivere plæneklipperskjoldet, mens du kører fremad.
Fjern afklippet græs og snavs fra undersiden af plæneklipperskjoldet efter hver anvendelse. Hvis græs og snavs ophober sig i plæneklipperskjoldet, bliver kvaliteten af græsslåningen utilfredsstillende med tiden.
Hold skærekniven(e) skarp(e) gennem hele græsslåningssæsonen, da en skarp skærekniv skærer græsset rent af uden at rive det over eller få det til at flosse. Hvis græsset rives over eller flosser, bliver spidserne brune, hvilket hæmmer væksten og øger risikoen for sygdom. Kontroller skæreknivene for skarphed hver gang efter brug samt for slid og beskadigelse. Fil eventuelle hakker ned, og slib skæreknivene, hvis det er nødvendigt. Hvis en skærekniv er beskadiget eller slidt, skal den udskiftes med det samme med en original Toro-kniv.
Sluk for motoren, tag nøglen ud, og vent, til alle bevægelige dele er standset, før du forlader førersædet. Lad maskinen køle af, inden du efterser, justerer, påfylder brændstof, rengør den eller stiller den til opbevaring.
Fjern græs og andet affald fra klippeenheden, lydpotten, drevene, græsopsamleren og motorrummet for at forhindre brand. Tør spildt olie eller brændstof op.
Luk for brændstoftilførslen, og tag nøglen ud, før maskinen opbevares eller transporteres.
Brug drivhjulets udløsningsventiler til at udløse det hydrostatiske drivsystem, som gør det muligt at skubbe maskinen uden at køre motoren.
Drej hver omløbsventil én omgang mod uret for at udløse, og drej hver omløbsventil med uret for at nulstille systemet (Figur 34).
Important: Overspænd ikke. Bugser ikke maskinen.

Brug en robust anhænger eller lastbil til at transportere maskinen. Brug en rampe med fuld bredde. Kontroller, at anhængeren eller lastbilen er udstyret med alle de nødvendige bremser, lys og de nødvendige skilte i henhold til lovgivningen. Læs alle sikkerhedsoplysninger omhyggeligt. Disse oplysninger kan hjælpe dig eller omkringstående personer med at undgå at komme til skade. Følg de lokale forskrifter vedr. krav til anhænger og bindepunkter.
Kørsel på gader og veje uden blinklys, lygter, refleksmarkeringer eller et skilt om langsomtgående køretøj kan føre til ulykker og forårsage personskade.
Kør ikke maskinen på offentlige gader og veje.
Pålæsning af en maskine på en anhænger eller lastbil øger risikoen for at vippe og kan forårsage alvorlig personskade eller død (Figur 35).
Brug kun en rampe med fuld bredde. Brug ikke individuelle ramper til hver side af maskinen.
Overskrid ikke en vinkel på 15 grader mellem rampen og jorden eller mellem rampen og anhænger eller lastbil.
Sørg for, at rampen er mindst fire gange så lang som anhængerens højde eller lastbilens ladhøjde og ned til jorden. Dette sikrer, at rampens vinkel ikke overstiger 15 grader på plan grund.

Pålæsning af en maskine på en anhænger eller lastbil øger risikoen for at vippe og kan forårsage alvorlig personskade eller død.
Vær ekstra forsigtig, når maskinen køres på en rampe.
Bak maskinen op ad rampen, og kør den fremad ned ad rampen.
Undgå pludselig acceleration eller deceleration når maskinen køres op på en rampe. Dette kan forårsage, at man mister kontrollen eller øge risikoen for at vælte.
Hvis du bruger en anhænger, skal du fastgøre den til trækkøretøjet og sætte sikkerhedskæderne på.
Tilslut om nødvendigt anhængerens bremser og lygter.
Sænk rampen, og sørg for, at vinklen mellem rampen og jorden ikke overstiger 15 grader (Figur 35).
Bak maskinen op ad rampen (Figur 36).

Sluk for motoren, tag nøglen ud, og aktiver parkeringsbremsen.
Fastgør maskinen i nærheden af de forreste styrehjul og bagstellet med remme, kæder, kabler eller reb (Figur 37). Der henvises til de lokale regler for bindepunkter.

Hvis du lader nøglen sidde i kontakten, kan andre personer utilsigtet komme til at starte motoren og forårsage alvorlig personskade på dig eller andre omkringstående. Tag nøglen ud af tændingen, før vedligeholdelsesarbejde påbegyndes.
Før du forlader førersædet, skal du gøre følgende:
Parker maskinen på en plan overflade.
Udkobl drevene.
Aktiver parkeringsbremsen.
Sluk motoren, og tag nøglen ud.
Vent, til maskinens komponenter er kølet ned, før du udfører vedligeholdelse.
Lad ikke personer, som ikke er uddannet dertil, udføre service på maskinen.
Hold hænder og fødder væk fra bevægelige dele og varme overflader. Undgå om muligt at foretage justeringer, mens motoren kører.
Tag forsigtigt trykket af komponenter, hvori der er oplagret energi.
Kontroller parkeringsbremsens funktion hyppigt. Juster og efterse den efter behov.
Pil aldrig ved sikkerhedsanordningerne. Efterse regelmæssigt, at de fungerer korrekt.
Fjern græs og andet affald fra klippeenheden, lydpotten, drevene og motorrummet for at forhindre brand.
Tør spildt olie eller brændstof, og fjern snavs vædet med brændstof op.
Brug ikke udelukkende hydrauliske eller mekaniske donkrafte til at understøtte maskinen. Maskinen skal understøttes med donkrafte, når du hæver maskinen.
Hold alle dele i god driftsmæssig stand og alle beslag tilspændt, ikke mindst skæreknivsbeslag. Udskift alle slidte eller beskadigede mærkater.
Frakobl batteriet, før maskinen repareres. Frakobl minuspolen først og pluspolen sidst. Tilslut pluspolen først og minuspolen sidst.
Brug kun originale Toro-reservedele og tilbehør for at sikre optimal ydelse. Reservedele og tilbehør, der er fremstillet af andre producenter, kan være farlige, og brug heraf kan ugyldiggøre garantien.
| Vedligeholdelsesintervaller | Vedligeholdelsesprocedure |
|---|---|
| Efter de første 100 timer |
|
| Efter de første 200 timer |
|
| Hver anvendelse eller dagligt |
|
| For hver 50 timer |
|
| For hver 100 timer |
|
| For hver 200 timer |
|
| For hver 400 timer |
|
| For hver 500 timer |
|
| For hver 800 timer |
|
| For hver 2000 timer |
|
| En gang om måneden |
|
| Årlig |
|
Important: Se betjeningsvejledningen til motoren for at få yderligere oplysninger om procedurer for vedligeholdelse.
Hvis du lader nøglen sidde i kontakten, kan andre personer utilsigtet komme til at starte motoren og forårsage alvorlig personskade på dig eller andre omkringstående.
Sluk motoren, og tag nøglen ud af tændingen, før du foretager vedligeholdelse.
| Vedligeholdelsesintervaller | Vedligeholdelsesprocedure |
|---|---|
| For hver 400 timer |
|
| Årlig |
|
Maskinen skal smøres oftere under meget støvede eller sandede forhold.
Fedttype: Litiumfedt nr. 2 eller molybdænbaseret fedt
Parker maskinen på en plan overflade, udkobl kontakten til regulering af skæreknivene, og aktiver parkeringsbremsen.
Sluk for motoren, tag nøglen ud, og vent, til alle bevægelige dele er standset, før du forlader betjeningspositionen.
Rengør smøreniplerne med en klud.
Note: Sørg for at skrabe eventuel maling af forsiden på niplen(-erne).
Slut en smørepistol til niplen.
Pump fedt ind i delene, indtil der begynder at løbe fedt ud af lejerne.
Tør overskydende smørefedt op.
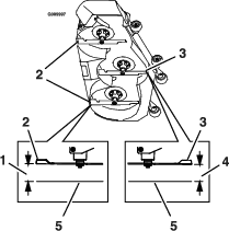
Se følgende diagram for at se nippelplaceringer og smøreskema.
| Smørediagram | |||
|---|---|---|---|
| Nippelplaceringer | Pumper | Antal placeringer | Eftersynsinterval |
| 1. Skjolddrevets kraftudtag | 1 | 3 | Hver 50. time |
| 2. Skjoldets drejetapper | 1 | 1 | Hver 400. time eller en gang om året |
| 3. Styrehjulslejer | 0 | 2 | En gang om året |
| 4. Styrehjulsdrejeled | 0 | 2 | Hver 400. time eller en gang om året |
![]() |
| Vedligeholdelsesintervaller | Vedligeholdelsesprocedure |
|---|---|
| For hver 50 timer |
|
Note: For at få nemmere adgang til drivakslens kardanled og notede kontaktled skal du fjerne vognbunden og sænke plæneklipperskjoldet helt.
Parker maskinen på en plan overflade, udkobl kontakten til regulering af skæreknivene, og aktiver parkeringsbremsen.
Sluk for motoren, tag nøglen ud, og vent, til alle bevægelige dele er standset, før du forlader betjeningspositionen.
Rengør smøreniplerne med en klud.
Slut en smørepistol til niplen.
Pump fedt ind i delene, indtil der begynder at løbe fedt ud af lejerne.
Tør overskydende smørefedt op.

| Vedligeholdelsesintervaller | Vedligeholdelsesprocedure |
|---|---|
| For hver 400 timer |
|
| Årlig |
|
Parker maskinen på en plan overflade, udkobl kontakten til regulering af skæreknivene, og aktiver parkeringsbremsen.
Sluk for motoren, tag nøglen ud, og vent, til alle bevægelige dele er standset, før du forlader betjeningspositionen.
Fjern støvhætten, juster styrehjulenes drejeled, og lad støvhætten være taget af, indtil smøringen er fuldført. Se Justering af styrehjulets tapleje.
Fjern den sekskantede prop.
Skru en fedtfitting ind i hullet.
Pump fedt ind i fittingen, indtil det begynder at løbe ud omkring det øverste leje.
Fjern fedtfittingen fra hullet. Monter den sekskantede prop og hætte.
| Vedligeholdelsesintervaller | Vedligeholdelsesprocedure |
|---|---|
| Årlig |
|
Parker maskinen på en plan overflade, udkobl kontakten til regulering af skæreknivene, og aktiver parkeringsbremsen.
Sluk for motoren, tag nøglen ud, og vent, til alle bevægelige dele er standset, før du forlader betjeningspositionen.
Hæv plæneklipperen med henblik på vedligeholdelse.
Afmonter styrehjulet fra styrehjulsgaflerne
Fjern pakningsafskærmningerne fra hjulnavet.

Fjern en afstandsbøsning fra akselenheden i styrehjulet.
Note: Der er påført gevindlåseklæbemiddel for at låse afstandsmøtrikkerne til akslen.
Fjern akslen (mens den anden afstandsmøtrik stadig er monteret på den) fra hjulsamlingen.
Lirk pakningerne ud, efterse lejerne for slid eller beskadigelse, og udskift dem efter behov.
Pak lejerne med universalfedt.
Sæt ét leje og én ny pakning i hjulet.
Hvis begge afstandsmøtrikker mangler fra akselsamlingen, skal der påføres gevindlåsemasse på en af afstandsmøtrikkerne, som skrues på akslen med nøglefladerne udad.
Note: Skru ikke afstandsmøtrikken hele vejen ned på akslen. Efterlad et mellemrum på cirka 3 mm fra afstandsmøtrikkens udvendige overflade til enden af akslen inde i møtrikken.
Sæt den samlede møtrik og aksel i hjulet på siden med den ny pakning og lejet.
Med den åbne side af hjulet opad fyldes det indvendige område af hjulet rundt om akslen med universalfedt.
Sæt det andet leje og den ny pakning i hjulet.
Påfør gevindlåsemasse på den anden afstandsmøtrik, og skru den på akslen med nøglefladerne udad.
Tilspænd møtrikken med et moment på 8–9 Nm, løsn møtrikken, og tilspænd den derefter til 2–3 Nm.
Note: Sørg for, at akslen ikke rager ud over møtrikkerne.
Sæt pakningsafskærmningerne over hjulnavet, og sæt hjulet i styrehjulsgaflen.
Sæt styrehjulsbolten på, og spænd møtrikken helt.
Important: Efterse lejejusteringen ofte for at forhindre skader på pakninger og lejer. Drej styrehjulsdækket. Dækket må ikke dreje frit (i mere end 1-2 omgange) eller have sidelæns spil. Hvis hjulet drejer frit, skal afstandsmøtrikkens tilspændingsmoment justeres, indtil der opstår en anelse modstand. Påfør endnu et lag gevindlåseklæbemiddel.
Hold hænder og fødder, ansigt og tøj samt andre kropsdele væk fra lydpotten og andre varme overflader. Vent, til motorkomponenterne er kølet ned, før du udfører vedligeholdelsesarbejde.
Skift ikke motorens regulatorhastighed, og kør ikke motoren ved for høj hastighed.
| Vedligeholdelsesintervaller | Vedligeholdelsesprocedure |
|---|---|
| For hver 400 timer |
|
Parker maskinen på en plan flade, udkobl kontakten til regulering af skæreknivene (kraftudtag), og aktiver parkeringsbremsen.
Sluk for motoren, tag nøglen ud, og vent, til alle bevægelige dele er standset, før du forlader betjeningspositionen.
Kontroller luftfilterhuset for skader, som kan medføre en luftlækage.
Udskift et beskadiget luftfilterhus.
Kontroller luftindsugningssystemet for lækager, beskadigelse eller løse slangeklemmer.
Efterse luftfilteret og sikkerhedselementet, når du får en meddelelse om det (Figur 40).
Important: Udfør ikke for mange serviceeftersyn på luftfilteret.

Sørg for, at dækslet sidder korrekt og slutter tæt sammen med luftfilterhuset.
Note: Hvis skumpakningen i dækslet er beskadiget, skal den udskiftes.
Important: Undgå at bruge trykluft med højt tryk, som evt. kan presse snavs gennem filteret og ind i indsugningsrøret.
Important: Rengør ikke det brugte filter for at undgå beskadigelse af filtermediet.
Important: Benyt ikke et beskadiget filter.
Important: Tryk ikke på den bløde del i midten af filteret.

| Vedligeholdelsesintervaller | Vedligeholdelsesprocedure |
|---|---|
| Efter de første 200 timer |
|
| Hver anvendelse eller dagligt |
|
| For hver 200 timer |
|
| For hver 400 timer |
|
| Årlig |
|
Motoren afsendes med olie i krumtaphuset, men oliestanden skal alligevel kontrolleres, før og efter motoren startes første gang. Kontroller oliestanden, inden maskinen betjenes, hver dag eller hver gang, du benytter maskinen.
Krumtaphuskapacitet for 25 HK Yanmar-dieselmotorer: 4,7 l med filteret
Krumtaphuskapacitet for 37 HK Yanmar-dieselmotorer: 6,6 l med filteret
Foretrukken motorolie: Toro Premium-motorolie
Hvis der benyttes en alternativ olie, skal det være motorolie af høj kvalitet med lavt askeindhold, der opfylder eller overstiger følgende specifikationer:
API-servicekategori CJ-4 eller højere
ACEA-servicekategori E6
JASO-servicekategori DH-2
Important: Brug af andre motorolier end API-klassifikation CJ-4 eller højere, ACEA E6 eller JASO DH-2 kan forårsage tilstopning af dieselpartikelfilteret eller beskadige motoren.
Brug motorolie med følgende viskositetsbetegnelse:
SAE 10W-30 eller 5W-30 (alle temperaturer)
SAE 15W-40 (over -18 °C)
Note: Toro Premium-motorolie kan købes hos din forhandler. Reservedelsnumrene kan findes i reservedelskataloget eller oplyses hos en autoriseret Toro-forhandler.
Parker maskinen på en plan flade, udkobl kontakten til regulering af skæreknivene (kraftudtag), og aktiver parkeringsbremsen.
Sluk for motoren, tag nøglen ud, og vent, til alle bevægelige dele er standset, før du forlader betjeningspositionen.
Åbn motorhjelmen.
Kontroller motoroliestanden som vist i Figur 42.

Hvis det er muligt, bør motoren køres, før der skiftes olie, da varm olie flyder lettere og bærer flere kontaminanter end kold olie.
Parker maskinen på en plan flade, udkobl kontakten til regulering af skæreknivene (kraftudtag), og aktiver parkeringsbremsen.
Sluk for motoren, tag nøglen ud, og vent, til alle bevægelige dele er standset, før du forlader betjeningspositionen.
Åbn motorhjelmen.
Skift motorolien som vist i Figur 43.

Skift motoroliefilteret som vist i Figur 44.

Fyld olie på krumtaphuset. Se Motoroliespecifikationer.
| Vedligeholdelsesintervaller | Vedligeholdelsesprocedure |
|---|---|
| For hver 800 timer |
|
Efterse motorventilspillerummet. Se motorens betjeningsvejledning.
Under visse forhold er brændstof meget brandfarligt og yderst eksplosivt. En brand eller eksplosion forårsaget af brændstof kan give dig eller andre forbrændinger samt medføre tingsskade.
Se Påfyldning af brændstof for at få en samlet liste over brændstofrelaterede forholdsregler.
| Vedligeholdelsesintervaller | Vedligeholdelsesprocedure |
|---|---|
| For hver 50 timer |
|
Parker maskinen på en plan overflade, udkobl kontakten til regulering af skæreknivene, og aktiver parkeringsbremsen.
Sluk for motoren, tag nøglen ud, og vent, til alle bevægelige dele er standset, før du forlader betjeningspositionen.
Placer et aftapningskar under brændstoffilteret/vandudskilleren.
Åbn aftapningsproppen på vandudskilleren ved at dreje den ca. én omgang, så vand og snavs kan aftappes (Figur 45).

Luk aftapningsproppen, når der kun kommer dieselbrændstof ud.
Important: Vand eller snavs i brændstoffet kan beskadige brændstofpumpen og/eller andre motorkomponenter.
| Vedligeholdelsesintervaller | Vedligeholdelsesprocedure |
|---|---|
| For hver 400 timer |
|

| Vedligeholdelsesintervaller | Vedligeholdelsesprocedure |
|---|---|
| For hver 400 timer |
|
Efterse brændstofslangerne for slitage, skader eller løse forbindelser.
Frakobl batteriet, før maskinen repareres. Frakobl minuspolen først og pluspolen sidst. Tilslut pluspolen først og minuspolen sidst.
Oplad batterier på et åbent sted med god ventilation, væk fra gnister og åben ild. Træk stikket til opladeren ud af stikkontakten, før du slutter den til eller kobler den fra batteriet. Brug beskyttelsesdragt og isoleret værktøj.
Batterielektrolyt indeholder svovlsyre, der er dødbringende, hvis det indtages, og forårsager alvorlige forbrændinger.
Drik ikke elektrolyt, og undgå kontakt med hud, øjne og tøj. Brug sikkerhedsbriller for at beskytte øjnene og gummihandsker for at beskytte hænderne.
Batteripoler eller metalværktøj kan kortslutte mod maskinens metaldele og forårsage gnister. Gnister kan få batterigasserne til at eksplodere og medføre personskade.
Når batteriet skal fjernes eller monteres, må batteriets poler ikke berøre nogen metaldele på maskinen.
Metalværktøj må ikke kortslutte mellem batteripolerne og maskinens metaldele.
Forkert batterikabelføring kan danne gnister og beskadige maskinen og kablerne. Gnister kan få batterigasserne til at eksplodere og medføre personskade.
Frakobl altid batteriets (sorte) minuskabel, før du frakobler det røde pluskabel.
Tilslut altid batteriets røde pluskabel, før du tilslutter det sorte minuskabel.
Udkobl kontakten til regulering af skæreknivene (kraftudtag), flyt bevægelseshåndtagene til den NEUTRALE LåSEPOSITION, og aktiver parkeringsbremsen.
Sluk motoren, tag nøglen ud, og vent, til alle bevægelige dele er standset, før du forlader betjeningspositionen.
Løsn sædet, og vip det op.
Afmonter batteriet som vist i Figur 47.

Note: Placer batteriet i bakken, så polerne vender væk fra hydrauliktanken.

| Vedligeholdelsesintervaller | Vedligeholdelsesprocedure |
|---|---|
| En gang om måneden |
|
Opladning af batteriet producerer gasser, der kan eksplodere.
Der må aldrig ryges i nærheden af batteriet, og gnister og åben ild skal holdes væk fra batteriet.
Important: Batteriet skal altid være fuldt opladet (en vægtfylde på 1.265). Dette er særlig vigtigt for at forhindre, at batteriet bliver beskadiget, når temperaturen er under 0 °C.
Sørg for, at påfyldningsdækslerne er monteret på batteriet. Oplad batteriet i 10 til 15 minutter ved 25 til 30 A eller 30 minutter ved 10 A.
Når batteriet er fuldt opladet, skal du tage opladeren ud af stikkontakten og dernæst frakoble opladningskablerne fra batteriets poler (Figur 49).
Monter batteriet i maskinen, og tilslut batterikablerne. Se Montering af batteriet.
Note: Kør ikke maskinen med batteriet frakoblet – der kan opstå elektriske skader.

Det elektriske system er beskyttet af sikringer. Det kræver ingen vedligeholdelse, men hvis en sikring springer, skal komponent/kredsløb dog kontrolleres for fejlfunktion eller kortslutning.
Løsn motorhjelmen, og hæv den for at få adgang til sikringsblokken.
En sikring udskiftes ved at trække den ud og fjerne den.
Isæt en ny sikring (Figur 50).

| Vedligeholdelsesintervaller | Vedligeholdelsesprocedure |
|---|---|
| Hver anvendelse eller dagligt |
|
Efterse sikkerhedsselen for slid og flænger, og kontroller, at oprulleren og spændet fungerer korrekt. Udskift sikkerhedsselen, hvis den er beskadiget.
Udkobl kontakten til regulering af skæreknivene (kraftudtag).
Kør til et åbent, plant område, og flyt bevægelseshåndtagene til positionen NEUTRAL-LOCK (neutral låseposition).
Placer gashåndtaget midtvejs mellem positionen FAST (hurtig) og SLOW (langsom).
Flyt begge bevægelseshåndtag hele vejen frem, indtil de begge rammer stoppene i T-rillen.
Kontroller, hvilken vej maskinen sporer.
Aktiver parkeringsbremsen, sluk for motoren, og tag nøglen ud.
Juster stoppladerne efter behov.
Hvis maskinen sporer mod højre, skal boltene løsnes, og den venstre stopplade på venstre T-rille justeres bagud, indtil maskinen sporer lige (Figur 51).
Hvis maskinen sporer mod venstre, skal boltene løsnes, og den højre stopplade på højre T-rille justeres bagud, indtil maskinen sporer lige (Figur 51).
Stram stoppladen (Figur 51).

Juster håndtagenes position på langs ved at sætte håndtagene sammen i positionen NEUTRAL, skubbe til dem, indtil de er placeret korrekt, og derefter stramme boltene (Figur 52).

Hvis der er behov for justering, skal de 2 monteringsbolte på bevægelseshåndtagene løsnes på den fejljusterede side (Figur 53).

Flyt bevægelseshåndtaget hen mod den modsatte side.
Spænd de 2 monteringsbolte på bevægelseshåndtagene (Figur 53).
| Vedligeholdelsesintervaller | Vedligeholdelsesprocedure |
|---|---|
| For hver 50 timer |
|
Lufttrykspecifikation – bagdæk: 1,24 bar.
Note: Styrehjulsdækkene er halvpneumatiske dæk, som ikke kræver vedligeholdelse af dæktrykket.
Lavt dæktryk forringer maskinens stabilitet på bakkeskråninger. Dette kan forårsage væltning, der kan medføre personskade eller død.
Pump ikke for lidt luft i dækkene.
Kontroller lufttrykket i bagdækkene. Tilføj eller fjern luft efter behov for at indstille lufttrykket i dækkene til dæktrykkets specifikation.
Important: Oprethold trykket i alle dæk for at sikre en klipning af god kvalitet og korrekt maskinydeevne.Kontroller dæktrykket i alle dækkene, før maskinen betjenes.

| Vedligeholdelsesintervaller | Vedligeholdelsesprocedure |
|---|---|
| Efter de første 100 timer |
|
Tilspænd hjullåsemøtrikkerne med et moment på 115 til 142 Nm.
| Vedligeholdelsesintervaller | Vedligeholdelsesprocedure |
|---|---|
| For hver 500 timer |
|
Parker maskinen på en plan overflade, udkobl kontakten til regulering af skæreknivene, og aktiver parkeringsbremsen.
Sluk for motoren, tag nøglen ud, og vent, til alle bevægelige dele er standset, før du forlader betjeningspositionen.
Fjern støvhætten fra styrehjulet, og spænd låsemøtrikken (Figur 55).
Spænd låsemøtrikken, indtil fjederskiverne er flade, og skru derefter ¼ omgang ud for at indstille forspændingen på lejerne korrekt (Figur 55).
Important: Sørg for, at fjederskiverne monteres korrekt som vist i Figur 55.
Monter støvhætten (Figur 55).

| Vedligeholdelsesintervaller | Vedligeholdelsesprocedure |
|---|---|
| For hver 50 timer |
|
Brug den syntetiske gearolie SAE 75W–90.
Parker maskinen på et plant underlag, og aktiver parkeringsbremsen.
Sænk plæneklipperskjoldet til en klippehøjdeposition på 25 mm.
Udkobl kontakten til regulering af skæreknive, sluk motoren, tag nøglen ud, og vent, til alle bevægelige dele er standset, før du forlader betjeningspositionen.
Løft fodstøtten, så du kan se plæneklipperskjoldets overside.
Fjern målepinden/påfyldningsproppen, der sidder oven på gearkassen, og kontroller, at oliestanden ligger mellem mærkerne på målepinden (Figur 56).

Hvis oliestanden er lav, skal du påfylde så meget olie, at oliestanden kommer op mellem mærkerne på målepinden.
Important: Fyld ikke for meget på gearkassen, da dette kan beskadige den.
| Vedligeholdelsesintervaller | Vedligeholdelsesprocedure |
|---|---|
| Efter de første 200 timer |
|
| For hver 400 timer |
|
Hvis olien bliver forurenet, skal du kontakte din Toro-forhandler, eftersom systemet skal skylles ud. Forurenet olie ser mælkeagtig eller sort ud sammenlignet med ren olie.
Parker maskinen på et plant underlag, og aktiver parkeringsbremsen.
Sænk plæneklipperskjoldet til en klippehøjdeposition på 25 mm.
Udkobl kontakten til regulering af skæreknive, sluk motoren, tag nøglen ud, og vent, til alle bevægelige dele er standset, før du forlader betjeningspositionen.
Løft fodstøtten, så du kan se plæneklipperskjoldets overside.
Fjern målepinden/påfyldningsproppen, der sidder oven på gearkassen, og kontroller, at oliestanden ligger mellem mærkerne på målepinden (Figur 56).
Træk olien ud gennem påfyldningshullet med en vakuumenhed, eller fjern gearkassen fra skjoldet, og hæld olien ned i et aftapningskar.
Monter gearkassen (hvis den blev fjernet med henblik på aftapning).
Påfyld ca. 420 ml, indtil oliestanden kommer op mellem mærkerne på målepinden.
Important: Fyld ikke for meget på gearkassen, da dette kan beskadige den.
Indtagelse af motorkølevæske kan forårsage forgiftning. Opbevares utilgængeligt for børn og kæledyr.
Udslip af varm kølevæske under tryk eller berøring af den varme køler og de omgivende dele kan forårsage alvorlige forbrændinger.
Lad altid motoren køle af i mindst 15 minutter, før kølerdækslet tages af.
Brug en klud, når kølerdækslet åbnes, og åbn det langsomt, så damp kan slippe ud.
| Vedligeholdelsesintervaller | Vedligeholdelsesprocedure |
|---|---|
| Hver anvendelse eller dagligt |
|
Kølevæskespecifikation: 50/50-opløsning af vand og permanent ethylenglycolfrostvæske
Kølesystemkapacitet: 7,6 l
Parker maskinen på en plan overflade, udkobl kontakten til regulering af skæreknivene, og aktiver parkeringsbremsen.
Sluk for motoren, tag nøglen ud, og vent, til alle bevægelige dele er standset, før du forlader betjeningspositionen.
Åbn motorhjelmen.
Kontroller kølevæskestanden i ekspansionsbeholderen (Figur 57).
Note: Væskestanden skal ligge mellem mærkerne på siden af beholderen.

Hvis kølevæskestanden er lav, skal du fjerne dækslet til ekspansionsbeholderen og påfylde den angivne kølevæske (Figur 57).
Important: Fyld ikke for meget på.
Monter dækslet til ekspansionsbeholderen.
Luk motorhjelmen.
| Vedligeholdelsesintervaller | Vedligeholdelsesprocedure |
|---|---|
| For hver 50 timer |
|
Rengør køleren for at forhindre, at motoren overophedes.
Note: Hvis plæneklipperskjoldet eller motoren slukker pga. overophedning, skal du kontrollere, om der er for mange smudsaflejringer på køleren.
Parker maskinen på en plan overflade, udkobl kontakten til regulering af skæreknivene, og aktiver parkeringsbremsen.
Sluk for motoren, tag nøglen ud, og vent, til alle bevægelige dele er standset, før du forlader betjeningspositionen.
Drej motorhjelmen fremad.
Brug trykluft til at blæse snavs ud, der sidder fast mellem kølerlamellerne, både oppefra og ned og nedefra og op.
Hvis der stadig sidder snavs, kan det være nødvendigt at bruge vand fra en lavtryksslange.
Hvis køleren er ren, skal du gå videre til trin 7.
Dæk motoren til med et stykke pap eller afdækningsplastik. Sprøjt vand gennem lamellerne. Blæs lavtryksluft igennem fra begge retninger.
Note: Hvis der stadig sidder snavs, gentages processen, indtil køleren er ren.
Sænk motorhjelmen.
Start motoren for at sikre, at ventilatoren fungerer korrekt.
| Vedligeholdelsesintervaller | Vedligeholdelsesprocedure |
|---|---|
| For hver 2000 timer |
|
Parker maskinen på en plan overflade, udkobl kontakten til regulering af skæreknivene, og aktiver parkeringsbremsen.
Sluk for motoren, tag nøglen ud, og vent, til alle bevægelige dele er standset, før du forlader betjeningspositionen.
Drej motorhjelmen fremad.
Aftap kølevæsken, når motoren er afkølet.
Afmonter kølerdækslet, anbring et aftapningskar under køleren, og fjern aftapningsproppen i bunden af køleren.
Fjern kølevæskeslangen fra oliekøleren, og aftap kølevæsken ud af motorblokken (Figur 58).

Monter aftapningspropperne og slangerne igen.
Fyld køleren med en 50/50-blanding af vand og ethylenglycol.
Note: Det anbefales at bruge Havoline® Xtended Life-kølevæske.
Sørg for, at der er plads (ca. 12,7 mm) til udvidelse. Tilsæt efter behov 50/50-kølevæskeblandingen til ekspansionsbeholderen på venstre side af motoren for at bringe standen op til indikatorlinjen på beholderen.
Kør motoren, indtil motortermostaten åbnes, og kølevæsken cirkulerer gennem kølerlegemet.
Efterhånden som luft udtømmes af motorblokken, og kølevæskestanden falder, tilsættes yderligere kølemiddel til køleren.
Når køleren er helt fuld, og der ikke kan tilsættes mere kølevæske, skal du fortsætte med at køre motoren og montere kølerdækslet.
Kontroller, at dækslet sidder helt fast, ved at trykke godt ned, mens du drejer det, indtil det ikke kan komme længere. Når dækslet er sat på, skal motoren slukkes.
| Vedligeholdelsesintervaller | Vedligeholdelsesprocedure |
|---|---|
| Efter de første 100 timer |
|
| For hver 400 timer |
|
Kontroller, at parkeringsbremsen er justeret korrekt. Følg også denne procedure, når du har fjernet eller udskiftet en bremsekomponent.
Parker maskinen på en plan overflade, udkobl kontakten til regulering af skæreknivene, og aktiver parkeringsbremsen.
Sluk for motoren, tag nøglen ud, og vent, til alle bevægelige dele er standset, før du forlader betjeningspositionen.
Løft maskinens bagende, og understøt maskinen med donkrafte.
Tag bagdækkene af maskinen.
Fjern eventuelt snavs fra bremseområdet.
Frigør drivhjulene. Se Brug af drivhjulets udløsningsventiler.
Mål forbindelsesenhedens længde (Figur 59).
Note: Hvis forbindelsesenheden fastgøres i forreste position, skal længden være 219 mm. Hvis den fastgøres i bageste position, skal længden være 232 mm.

Mål fjederens længde (Figur 59).
Note: Afstanden skal være 95 mm.
Når du opnår den korrekte fjederlængde, skal du undersøge, om der er en synlig afstand mellem svingtappen og skulderen.
Deaktiver parkeringsbremsen, og drej hjulnavet i begge retninger med håndkraft.
Note: Hjulnavet skal bevæge sig frit.
Hvis der mangler et mellemrum, eller hjulnavet bevæger sig frit, skal du gøre følgende:
Deaktiver parkeringsbremsen.
Afmonter og finindstil den bageste forbindelsessamling.
Forkort forbindelsesleddet, så der opstår et mellemrum.
Forlæng forbindelsesleddet for at gøre plads til, at hjulnavet kan bevæge sig.
Monter den bageste forbindelsessamling.
Aktiver parkeringsbremsen, og kontroller afstanden.
Gentag trin 10 til 12, indtil der opnås synlig afstand, og hjulnavet bevæger sig frit. Gentag proceduren for den anden side.
Note: Bremsen skal frakobles helt, når bremsen er i deaktiveret position.
Drej drivhjulets udløsningshåndtag hen til betjeningspositionen. Se Brug af drivhjulets udløsningsventiler.
Monter bagdækkene, og tilspænd hjullåsemøtrikkerne med et moment på 115 til 142 Nm.
Fjern støttebukkene.
| Vedligeholdelsesintervaller | Vedligeholdelsesprocedure |
|---|---|
| For hver 50 timer |
|
Udskift remmen, hvis den er slidt. Tegnene på en slidt rem omfatter en hvinende lyd, når remmen roterer, glidende skæreknive under plæneklipning og flossede kanter, brændemærker og revner på remmen.
Hvinende lyde når remmen kører rundt, knive der glider, når der klippes græs, flossede remkanter, brændemærker og revner er tegn på, at en drivrem er slidt. Udskift remmen, hvis nogen af disse forhold opstår.
Parker maskinen på en plan overflade, udkobl kontakten til regulering af skæreknivene, og aktiver parkeringsbremsen.
Sluk for motoren, tag nøglen ud, og vent, til alle bevægelige dele er standset, før du forlader betjeningspositionen.
Sænk plæneklipperen til en klippehøjde på 76 mm.
Afmonter remskærmene.
Brug en skralde i det firkantede hul i styrearmen for at fjerne spændingen på styrefjederen (Figur 60).
Fjern remmen fra plæneklipperskjoldetskjoldets remskive.
Monter den nye rem rundt om plæneklipperens remskiver (Figur 60).

Sørg for, at fjederenderne sidder i forankringsrillerne, og brug skralden i det firkantede hul til at montere remmen rundt om styreremskiven (Figur 60).
Monter remskærmene.
| Vedligeholdelsesintervaller | Vedligeholdelsesprocedure |
|---|---|
| For hver 100 timer |
|
Påfør en belastning på 44 N på generatorremmen midtvejs mellem remskiverne.
Hvis afbøjningen ikke er 10 mm, skal generatorens monteringsbolte løsnes (Figur 61).

Øg eller mindsk generatorremmens spænding.
Tilspænd monteringsboltene.
Kontroller remmens afbøjning igen for at sikre, at stramningen er korrekt.
Bevægelseshåndtagene har to højdeindstillinger, høj og lav. Tag boltene ud for at justere højden for operatøren.
Parker maskinen på en plan flade, udkobl kontakten til regulering af skæreknivene (kraftudtag), og aktiver parkeringsbremsen.
Sluk for motoren, tag nøglen ud, og vent, til alle bevægelige dele er standset, før du forlader betjeningspositionen.
Løsn boltene og de flangemøtrikker, der er monteret i håndtagene (Figur 62).
Juster håndtagenes position på langs ved at sætte håndtagene sammen i NEUTRAL position, skubbe til dem, indtil de er placeret korrekt, og stramme boltene (Figur 63).


Se Justering af bevægelseshåndtagenes forbindelse, hvis håndtagenes ender slår imod hinanden.
Gentag proceduren for at justere bevægelseshåndtagene.
Bevægelseshåndtagenes pumpeforbindelse er placeret på hver side af maskinen under sædet. Der kan foretages finjusteringer ved at dreje endemøtrikken med en ½" topnøgle, så maskinen ikke bevæger sig i neutral position. Justeringer må kun foretages for neutral position.
For at justere bevægelseshåndtaget skal du køre motoren og dreje drivhjulene. Kontakt med bevægelige dele eller varme overflader kan forårsage personskader.
Hold fingre, hænder og tøj væk fra roterende komponenter og varme overflader.
Parker maskinen på en plan flade, udkobl kontakten til regulering af skæreknivene (kraftudtag), og aktiver parkeringsbremsen.
Sluk for motoren, tag nøglen ud, og vent, til alle bevægelige dele er standset, før du forlader betjeningspositionen.
Træd pedalen til skjoldløftet ned, fjern klippehøjdesplitten, og sænk plæneklipperskjoldet ned på jorden
Hæv bagenden af maskinen, og støt den på donkrafte (eller lignende støtte), så den er højt nok oppe til, at drivhjulene kan dreje frit.
Tag den elektriske forbindelse ud af sædesikkerhedskontakten, der er placeret under den nederste sædehynde.
Note: Kontakten er en del af sædeenheden.
Monter midlertidigt en kortslutningsledning mellem klemmerne i hovedledningsnetstikket.
Start motoren, sæt den til fuld gas, og deaktiver parkeringsbremsen.
Note: Før motoren startes, skal det sikres, at parkeringsbremsen er aktiveret, og at bevægelseshåndtagene er ude. Du behøver ikke at sidde i sædet.
Lad maskinen køre i mindst 5 minutter med drivhåndtagene placeret i positionen til fuld fart frem for at bringe hydraulikvæsken op på driftstemperatur.
Note: Bevægelseshåndtagene skal være i neutral, når du foretager justeringer.
Flyt bevægelseshåndtagene til NEUTRAL position.
Juster pumpekontrolstangens længder ved at dreje dobbeltmøtrikkerne på stangen i den relevante retning, indtil hjulene kryber en smule i bakgear (Figur 64).

Flyt bevægelseshåndtagene til positionen for BAGLæNS kørsel, mens håndtaget påføres et let tryk, så omstyringsindikatorfjedrene kan bringe håndtagene tilbage til neutral position.
Note: Hjulene bør holde op med at dreje eller krybe en smule i bakgear.
Sluk maskinen.
Fjern kortslutningsledningen fra ledningsnettet, og sæt stikket i sædekontakten.
Fjern støttebukkene.
Hæv skjoldet og monter klippehøjdesplitten.
Kontroller og sørg for, at maskinen ikke går i neutral, når parkeringsbremsen er deaktiveret.
Du kan justere den øverste dæmpermonteringsbolt på støddæmperen for at opnå den ønskede modstand i bevægelseshåndtagene. Se Figur 65 for at få oplysninger om justeringsmuligheder.

Søg straks lægehjælp, hvis der sprøjtes væske ind under huden. Væske sprøjtet ind under huden skal fjernes kirurgisk inden for nogle få timer af en læge.
Sørg for, at alle slanger og rør til hydraulikvæske er i god stand, og at alle hydrauliske forbindelser og fittings slutter tæt, før der sættes tryk på det hydrauliske system.
Hold din krop og hænder væk fra splithulslækager eller dyser, der sprøjter højtrykshydraulikvæske ud.
Brug pap eller papir til at finde eventuelle hydrauliklækager.
Tag hele trykket af det hydrauliske system, før der udføres arbejde på det.
Hydrauliktankkapacitet: 15,1 l
Anbefalet væske:Toro Premium Transmission/Hydraulic Tractor Fluid (fås i spande med 19 liter eller tromler med 208 liter. Reservedelsnumrene kan findes i reservedelskataloget eller oplyses hos en autoriseret Toro-forhandler).
Alternative væsker: Hvis Toro-væsken ikke kan fås, kan Mobil® 424-hydraulikvæske bruges.
Note: Toro påtager sig intet ansvar for skader, der er opstået som følge af brug af forkerte alternative væsker.
Note: Mange hydraulikvæsker er næsten farveløse, hvilket kan gøre det svært at få øje på lækager. Der fås et rødt farvetilsætningsstof til hydrauliksystemets væske i 20 ml-flasker. En flaske er nok til 15 til 22 l hydraulikvæske. Bestil delnr. 44-2500 hos din autoriserede Toro-forhandler.
| Vedligeholdelsesintervaller | Vedligeholdelsesprocedure |
|---|---|
| Hver anvendelse eller dagligt |
|
Kontroller hydraulikvæskestanden, før motoren startes første gang, og derefter dagligt.
Parker maskinen på en plan overflade, udkobl kontakten til regulering af skæreknivene, og aktiver parkeringsbremsen.
Flyt bevægelseshåndtagene til positionen NEUTRAL-LOCK (neutral låseposition), og start motoren.
Note: Kør motoren ved det lavest mulige omdrejningstal, så systemet tømmes for luft.
Important: Du må ikke indkoble kraftudtaget.
Hæv skjoldet for at strække løftecylindrene ud, sluk motoren, og tag tændingsnøglen ud.
Hæv sædet for at få adgang til hydraulikvæsketanken.
Fjern hydrauliktankens dæksel (Figur 66).

Fjern målepinden, og aftør den med en ren klud (Figur 66).
Placer målepinden i påfyldningsstudsen, tag den op igen, og kontroller væskestanden (Figur 67).
Note: Hvis standen ikke ligger inden for det riflede område på målepinden, skal du påfylde så megen hydraulikvæske af høj kvalitet, at væskestanden kommer op i det riflede område.
Important: Fyld ikke for meget på.

Sæt målepinden på plads, og skru påfyldningsdækslet fingerstramt på påfyldningsstudsen.
Kontroller, om der er lækager på slanger og fittings.
| Vedligeholdelsesintervaller | Vedligeholdelsesprocedure |
|---|---|
| Efter de første 200 timer |
|
| For hver 400 timer |
|
| For hver 800 timer |
|
Udkobl kraftudtaget, flyt bevægelseshåndtagene til den NEUTRALE LåSEPOSITION, og aktiver parkeringsbremsen.
Sæt gashåndtaget i positionen SLOW (langsom), sluk for motoren, tag nøglen ud, og vent, til alle bevægelige dele er standset, før du forlader betjeningspositionen.
Hæv sædet.
Anbring et stort aftapningskar under hydraulikbeholderen, gearkassen samt venstre og højre hjulmotor (Figur 68).

Fjern aftapningspropperne fra hvert område, og lad hydraulikvæsken løbe ud (Figur 68).
Rengør området omkring hydraulikvæskefilteret, og tag filteret af (Figur 68).
Monter et nyt hydraulikvæskefilter, og drej filteret med uret, indtil gummipakningen berører filteradapteren, og stram derefter filteret yderligere ⅔ til ¾.
Monter de 4 aftapningspropper.
Note: Aftapningspropperne til hjulmotorerne er magnetiske. Tør dem af, før de monteres.
Fjern påfyldningshulproppen fra toppen af hver hjulmotor (Figur 69).
Fyld hver hjulmotor med ca. 1,4 l Toro Premium Transmission/Hydraulic Tractor Fluid.
Monter påfyldningshulpropperne.

Fjern beholderdækslet og målepinden fra hydraulikvæskebeholderen.
Hæld 7,6 l væske i beholderen.
Hæv bagenden af maskinen, og støt den på donkrafte (eller lignende støtte), så den er højt nok oppe til, at drivhjulene kan dreje frit.
Start motoren, og kontroller, om der er væskelækager.
Lad motoren køre i ca. fem minutter, og sluk den derefter.
Kontroller hydraulikvæskestanden efter to minutter. Se Kontrol af hydraulikvæskestanden.
Efterse jævnligt skæreknivene for slid og skader.
Vær forsigtig, når du efterser knivene. Pak skæreknivene ind, eller bær handsker, og vær forsigtig når du efterser skæreknivene. Du må kun udskifte eller slibe skæreknivene. De må aldrig rettes ud eller svejses.
På maskiner med flere skæreknive skal du udvise forsigtighed, da én skæreknivs rotation kan få andre skæreknive til at rotere.
Udskift slidte eller beskadigede skæreknive og bolte sætvis for at bevare afbalanceringen.
For at sikre en god klippekvalitet skal skæreknivene holdes skarpe. Det kan være praktisk at have en eller flere ekstra skæreknive ved hånden i forbindelse med slibning og udskiftning.
Parker maskinen på en plan overflade, udkobl kontakten til regulering af skæreknivene, og aktiver parkeringsbremsen.
Sluk for motoren, tag nøglen ud, og vent, til alle bevægelige dele er standset, før du forlader betjeningspositionen.
| Vedligeholdelsesintervaller | Vedligeholdelsesprocedure |
|---|---|
| Hver anvendelse eller dagligt |
|
Efterse skærekanterne (Figur 70).
Hvis kanterne ikke er skarpe, eller hvis de har hakker, skal skæreknivene afmonteres og slibes. Se Slibning af skæreknivene.
Efterse skæreknivene, især det buede område.
Hvis skæreknivene er beskadiget eller slidt, eller hvis der er antydning af en revne i dette område, skal der straks monteres nye skæreknive (Figur 70).

Note: Maskinen skal stå på en plan overflade, når følgende procedure udføres.
Hæv plæneklipperskjoldet til den højeste klippehøjde.
Bær tykt polstrede handsker eller anden tilstrækkelig håndbeskyttelse, drej langsomt skærekniven til en position, der gør det muligt for dig at måle afstanden mellem skærekanten og den plane flade, som maskinen befinder sig på (Figur 71).

Mål fra spidsen af skærekniven til den plane overflade (Figur 72).

Drej samme skærekniv 180 grader, så den modsatte skærekant nu befinder sig i samme position (Figur 73).

Mål fra spidsen af skærekniven til den plane overflade (Figur 74).
Note: Forskellen bør ikke være større end 3 mm.

Hvis forskellen mellem A og B er større end 3 mm, udskiftes skærekniven med en ny skærekniv. Se Afmontering af skæreknivene og Montering af skæreknivene.
Note: Hvis en bøjet skærekniv udskiftes med en ny skærekniv, og forskellen stadig er over 3 mm, er knivspindlen muligvis bøjet. Kontakt en autoriseret serviceforhandler med henblik på eftersyn.
Hvis forskellen er inden for det tilladte, skal du gå videre til næste skærekniv.
Gentag proceduren på hver skærekniv.
Udskift skæreknivene, hvis de rammer et solidt objekt, eller hvis skærekniven er ude af balance eller bøjet.
Anbring en skruenøgle på spindelakslens flade, eller hold skæreknivens ende med en klud eller en tyk polstret handske.
Fjern skæreknivsbolten, bøsningen og skærekniven fra spindelakslen (Figur 75).

Anvend en fil til at slibe begge ender af skærekniven (Figur 76).
Note: Bevar den oprindelige vinkel.
Note: Skærekniven bevarer balancen, hvis der fjernes den samme mængde materiale på begge skærekanter.

Kontroller knivens balance ved at placere den på en afbalanceringsenhed (Figur 77).
Note: Hvis skærekniven forbliver i en vandret position, er kniven afbalanceret og kan benyttes.
Note: Hvis kniven ikke er afbalanceret, skal der slibes lidt mere metal af sejlområdet (Figur 76).

Gentag denne procedure, indtil skærekniven er afbalanceret.
Monter bøsningen gennem skærekniven med bøsningsflangen på skæreknivens underside (græsside) (Figur 78).

Monter bøsningen og skærekniven på spindelakslen (Figur 79).

Påfør kobberbaseret smøremiddel eller smørefedt på gevindene på skæreknivsbolten efter behov for at forhindre, at den sidder fast. Monter skæreknivsbolten fingerstramt.
Anbring en skruenøgle på spindelakslens flade, og tilspænd skæreknivsbolten med et moment på 75 til 81 Nm.
Note: Sørg for, at plæneklipperskjoldet er nivelleret, før klippehøjden tilpasses.
Parker maskinen på en plan overflade, udkobl kontakten til regulering af skæreknivene, og aktiver parkeringsbremsen.
Sluk for motoren, tag nøglen ud, og vent, til alle bevægelige dele er standset, før du forlader betjeningspositionen.
Kontroller dæktrykket på drivdækkene.
Juster om nødvendigt trykket til 1,24 bar.
Brug skjoldets løftekontakt til at flytte skjoldet ud af transportpositionen (140 mm klippehøjde).

Sæt klippehøjdepinden i klippehøjdeplaceringen på 76 mm.
Åbn transportlåsen, og lad skjoldet blive sænket til klippehøjde.
Mål fra den plane overflade til den forreste spids af midterste skærekniv (Figur 81).
Note: Afstanden skal være 76 mm.
Under de fleste forhold skal de bageste spidser på sideskæreknivene være i niveau med fronten.

Finindstil justermøtrikken på forreste skjoldløfteenhed ved at dreje den (Figur 82).
Note: Drej justermøtrikken med uret for at øge højden, og drej den mod uret for at mindske højden.
Note: Hvis de forreste skjoldforbindelser ikke har tilstrækkelig justering til at opnå korrekt klippehøjde, kan du bruge enkeltpunktsjusteringen for at opnå yderligere justering.

Mål højden på bageste skæreknivspids. Finjuster de bageste justeringsanordninger efter behov. Brug enkeltpunktsjusteringen for at opnå større justering.
De bageste spidser på sideskæreknivene skal måle 76 mm.
Mål, indtil alle fire sider har den korrekte højde. Stram alle møtrikkerne på skjoldløftearmsenhederne.
Hvis de fire skjoldjusteringsanordninger ikke er justeret tilstrækkeligt til at opnå den korrekte klippehøjde med den ønskede rive, kan du justere enkeltpunktsystemet (Figur 83).

For at justere enkeltpunktsystemet skal du starte med at løsne monteringsboltene på forreste og bageste klippehøjdeplade (Figur 83).
Note: Plæneklipperskjoldet er fra fabrikkens side fastgjort i de forreste huller (Figur 84). Hvis det er nødvendigt, skal du bruge de bageste huller til yderligere justering af plæneklipperskjoldets nivellering.

Hvis skjoldet er for lavt, skal bolten til enkeltpunktsjusteringen drejes med uret, så den strammes. Hvis skjoldet er for højt, skal bolten til enkeltpunktsjusteringen drejes mod uret, så den løsnes (Figur 85).
Note: Løsn eller stram bolten til enkeltpunktsjusteringen så meget, at klippehøjdepladens monteringsbolte kan flyttes mindst ⅓ af længden af den tilgængelige vandring i deres riller. Dette genetablerer en del op- og nedjustering på hver af de fire skjoldforbindelser.

Stram de 2 bolte nederst på klippehøjdepladen (Figur 83).
Note: I de fleste tilfælde skal den bageste skæreknivspids indstilles 6,4 mm højere end den forreste.
Tilspænd de to bolte med et moment på 91 til 113 Nm.
Mål, indtil alle fire sider har den korrekte højde. Stram alle møtrikkerne på skjoldløftearmsenhederne.
| Vedligeholdelsesintervaller | Vedligeholdelsesprocedure |
|---|---|
| Hver anvendelse eller dagligt |
|
Important: Brug ikke vand til at rengøre motoren. Brug trykluft ved lavt tryk. Se betjeningsvejledningen til motoren.
Parker maskinen på en plan flade, udkobl kontakten til regulering af skæreknivene (kraftudtag), og aktiver parkeringsbremsen.
Sluk for motoren, tag nøglen ud, og vent, til alle bevægelige dele er standset, før du forlader betjeningspositionen.
Rengør rundt om svinghjulet, topstykket, indsprøjtningsdyserne og indsprøjtningspumpen.
Fjern alt snavs fra området omkring udstødningssystemet.
Tør alt overskydende fedt eller olie op omkring motoren og udstødningsområdet.
| Vedligeholdelsesintervaller | Vedligeholdelsesprocedure |
|---|---|
| Hver anvendelse eller dagligt |
|
Parker maskinen på en plan flade, udkobl kontakten til regulering af skæreknivene (kraftudtag), og aktiver parkeringsbremsen.
Sluk for motoren, tag nøglen ud, og vent, til alle bevægelige dele er standset, før du forlader betjeningspositionen.
Fjern olie, snavs eller ophobet græs fra maskinen og plæneklipperen, særligt under skjoldremmens skærme, omkring brændstoftanken og omkring motoren og udstødningsområdet.
Hæv plæneklipperskjoldet til positionen TRANSPORT.
Fjern ophobet græs fra undersiden af skjoldet.
Motorolie, batterier, hydraulikvæske og motorkølervæske forurener miljøet. Bortskaf dem i henhold til den lokale gældende lovgivning.
Sluk motoren, tag nøglen ud, og vent, til alle bevægelige dele er standset, før du forlader førersædet. Lad maskinen køle af, inden du justerer, efterser, rengør eller stiller den til opbevaring.
Opbevar ikke maskinen eller brændstof i nærheden af flammer, og dræn ikke brændstoffet indendørs eller i en lukket anhænger.
Opbevar ikke maskinen eller brændstofbeholderen, hvor der er åben ild, gnister eller vågeblus som f.eks på en vandvarmer eller på andre apparater.
Udkobl kontakten til regulering af skæreknivene (kraftudtag), og aktiver parkeringsbremsen.
Sluk for motoren, tag nøglen ud, og vent, til alle bevægelige dele er standset, før du forlader betjeningspositionen.
Fjern afklippet græs og snavs fra alle maskinens ydre dele, særligt motoren og det hydrauliske system. Fjern snavs og avner fra motorens køleribber og blæserhuset.
Important: Du kan vaske maskinen med et mildt rengøringsmiddel og vand. Udsæt ikke maskinen for højtryksrensning. Undgå overdreven brug af vand, særligt i nærheden af kontrolpanelet, motoren og hydraulikpumperne.
Kontroller parkeringsbremsefunktionen. Se Justering af parkeringsbremsen.
Udfør serviceeftersyn af luftfilteret. Se Eftersyn af luftfilteret.
Smør maskinen. Se Smøring.
Skift krumtaphusolien. Se Motoroliespecifikationer.
Kontroller dæktrykket. Se Kontrol af dæktrykket.
Skift hydraulikfiltrene. Se Udskiftning af hydraulikvæsken og -filteret.
Oplad batteriet. Se Opladning af batteriet.
Skrab enhver større ophobning af græs og snavs af plæneklipperens underside, og vask derefter plæneklipperen med en haveslange.
Note: Kør maskinen med kontakten til regulering af skæreknivene (kraftudtag) indkoblet og motoren ved høj tomgangshastighed i 2 til 5 minutter efter vask.
Kontroller skæreknivenes tilstand. Se Serviceeftersyn af skæreknivene.
Klargør maskinen til opbevaring, hvis den ikke skal bruges i mere end 30 dage. Klargør maskinen til opbevaring på følgende måde.
Tilsæt en petroleumsbaseret stabilisator til brændstoffet i tanken. Følg blandingsvejledningen fra stabilisatorfabrikanten. Anvend ikke alkoholbaseret stabilisator (ethanol eller metanol).
Note: Brændstofstabilisator er mest effektivt, når det blandes med frisk brændstof og altid anvendes.
Lad motoren køre i 5 minutter for at fordele brændstoffet i brændstofsystemet.
Sluk for motoren, lad den køle af, og dræn brændstoftanken.
Start motoren igen, og lad den køre, indtil den stopper.
Brændstof skal bortskaffes på forsvarlig vis. Genbrug olien i overensstemmelse med gældende retningslinjer.
Important: Opbevar ikke brændstof med stabilisator længere tid end anbefalet af brændstofstabilisatorens producent.
Kontroller og stram alle bolte, møtrikker og skruer. Reparer eller udskift alle beskadigede dele.
Mal alle ridsede eller blotlagte metaloverflader. Maling kan købes hos en autoriseret serviceforhandler.
Opbevar maskinen i en ren, tør garage eller på et passende sted. Tag nøglen ud af tændingskontakten, og opbevar den utilgængeligt for børn og andre uautoriserede brugere. Tildæk maskinen for at beskytte den og holde den ren.
| Problem | Possible Cause | Corrective Action |
|---|---|---|
| Starteren tørner ikke. |
|
|
| Motoren starter ikke, er svær at starte eller sætter ud. |
|
|
| Motoren mister kraft. |
|
|
| Motoren overopheder. |
|
|
| Maskinen trækker til venstre eller højre (med bevægelseshåndtagene helt fremad). |
|
|
| Maskinen kører ikke. |
|
|
| Maskinen vibrerer unormalt. |
|
|
| Klippehøjden er ujævn. |
|
|
| Knivene roterer ikke. |
|
|



