| Wartungsintervall | Wartungsmaßnahmen |
|---|---|
| Bei jeder Verwendung oder täglich |
|
Dieser Aufsitzer mit Sichelmessern sollte von Landschaftsbauern und geschulten Lohnarbeitern verwendet werden. Er ist hauptsächlich für das Mähen von Gras auf gepflegten Grünflächen in Privat- oder öffentlichen Anlagen gedacht. Wenn diese Maschine für einen anderen Zweck als vorgesehen eingesetzt wird, kann das für Sie und andere Personen gefährlich sein.
Lesen Sie diese Informationen sorgfältig durch, um sich mit dem ordnungsgemäßen Einsatz und der Wartung des Geräts vertraut zu machen und Verletzungen und eine Beschädigung des Geräts zu vermeiden. Sie tragen die Verantwortung für einen ordnungsgemäßen und sicheren Einsatz des Geräts.
Besuchen Sie Toro.com, hinsichtlich Produktsicherheit und Schulungsunterlagen, Zubehörinformationen, Standort eines Händlers, oder Registrierung des Produkts.
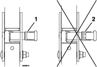
Wenden Sie sich an Ihren autorisierten Service-Vertragshändler oder Kundendienst, wenn Sie eine Serviceleistung, Toro Originalersatzteile oder zusätzliche Informationen benötigen. Halten Sie hierfür die Modell- und Seriennummern Ihres Produkts griffbereit. In Bild 1 ist angegeben, wo an dem Produkt die Modell- und die Seriennummer angebracht sind. Tragen Sie hier die Modell- und Seriennummern des Geräts ein.
Important: Scannen Sie mit Ihrem Mobilgerät den QR-Code (falls vorhanden) auf dem Seriennummernaufkleber, um auf Garantie-, Ersatzteil- oder andere Produktinformationen zuzugreifen.

In dieser Anleitung werden zwei Begriffe zur Hervorhebung von Informationen verwendet. Wichtig weist auf spezielle mechanische Informationen hin, und Hinweis hebt allgemeine Informationen hervor, die Ihre besondere Beachtung verdienen.
Dieses Sicherheitswarnsymbol (Bild 2) wird sowohl in diesem Handbuch als auch an der Maschine verwendet, um wichtige Sicherheitshinweise zu kennzeichnen, die zur Vermeidung von Unfällen befolgt werden müssen. Dieses Symbol wird mit dem Signalwort Gefahr, Warnung oder Vorsicht dargestellt.
Gefahr: bezeichnet eine unmittelbar drohende Gefahr. Wenn sie nicht gemieden wird, sind Tod oder schwerste Verletzungen die Folge.
Warnung: bezeichnet eine möglicherweise drohende Gefahr. Wenn sie nicht gemieden wird, können Tod oder schwerste Verletzungen die Folge sein.
Vorsicht: bezeichnet eine möglicherweise drohende Gefahr. Wenn sie nicht gemieden wird, können leichte oder geringfügige Verletzungen die Folge sein.

Entsprechend dem California Public Resource Code Section 4442 oder 4443 ist der Einsatz des Motors in bewaldeten oder bewachsenen Gebieten ohne richtig gewarteten und funktionsfähigen Funkenfänger, wie in Section 4442 definiert, oder ohne einen Motor verboten, der nicht für die Brandvermeidung konstruiert, ausgerüstet und gewartet ist.
Die beiliegende Motoranleitung enthält Angaben zu den Emissionsbestimmungen der US Environmental Protection Agency (EPA) und den Kontrollvorschriften von Kalifornien zu Emissionsanlagen, der Wartung und Garantie. Sie können einen Ersatz beim Motorhersteller anfordern.
Brutto- oder Nettodrehmoment: Das Brutto- oder Nettodrehmoment dieses Motors wurden vom Motorhersteller im Labor gemäß SAE J1940 oder J2723 ermittelt. Der tatsächliche Motordrehmoment bei dieser Klasse der Mäher ist bei einer Konfiguration zur Einhaltung der Sicherheits-, Emissions- und Betriebsanforderungen wesentlich geringer. Weitere Informationen finden Sie in der Motorbedienungsanleitung des Herstellers, die mit der Maschine ausgeliefert wurde.
KALIFORNIEN
Warnung zu Proposition 65
Die Dieselauspuffgase und einige Bestandteile wirken laut den Behörden des Staates Kalifornien krebserregend, verursachen Geburtsschäden oder andere Defekte des Reproduktionssystems
Batteriepole, -klemmen und -zubehör enthalten Blei und Bleibestandteile. Dies sind Chemikalien, die laut den Behörden des Staates Kalifornien krebserregend sind und zu Erbschäden führen können. Waschen Sie sich nach dem Umgang mit diesen Materialien die Hände.
Bei Verwendung dieses Produkts sind Sie ggf. Chemikalien ausgesetzt, die laut den Behörden des Staates Kalifornien krebserregend wirken, Geburtsschäden oder andere Defekte des Reproduktionssystems verursachen.
Dieses Produkt kann Hände und Füße amputieren und Gegenstände aufschleudern. Befolgen Sie zum Vermeiden von schweren oder tödlichen Verletzungen immer alle Sicherheitshinweise.
Lesen und verstehen Sie vor dem Anlassen des Motors den Inhalt dieser Bedienungsanleitung.
Halten Sie Unbeteiligte und Kinder fern.
Kinder oder nicht geschulte Personen dürfen die Maschine weder verwenden noch warten. Lassen Sie nur Personen zu, die verantwortungsbewusst, geschult, mit den Anweisungen vertraut, und körperlich in der Lage sind, die Maschine zu bedienen und zu warten.
Stellen Sie den Überrollbügel immer ganz auf und arretieren ihn. Legen Sie den Sicherheitsgurt an.
Setzen Sie die Maschine nicht in der Nähe von Abhängen, Gräben, Böschungen, Gewässern oder anderen Gefahrenstellen sowie an Hanglagen mit einem Gefälle von mehr als 15° ein.
Halten Sie Hände und Füße von beweglichen Teilen fern.
Bedienen Sie die Maschine niemals, wenn nicht alle Schutzvorrichtungen, Sicherheitsschalter und Abdeckungen angebracht und funktionstüchtig sind.
Stellen Sie vor dem Verlassen der Bedienerposition den Motor ab, ziehen den Schlüssel ab, und warten, bis alle beweglichen Teile zum Stillstand gekommen sind. Lassen Sie die Maschine abkühlen, bevor Sie sie warten, einstellen, betanken, reinigen, oder einlagern.

![]() |
Die Sicherheits- und Bedienungsaufkleber sind für den Bediener gut sichtbar und befinden sich in der Nähe der möglichen Gefahrenbereiche. Tauschen Sie beschädigte oder verloren gegangene Aufkleber aus. |














Nur 152 cm Mähwerke mit Seitenauswurf

Nur 183 cm Mähwerke mit Seitenauswurf












Machen Sie sich vor dem Start des Motors und der Verwendung der Maschine mit allen Bedienelementen vertraut.

Ausführliche Informationen über die Bedienerschnittstelle, mit der Sie auf Informationen zugreifen, Zähler zurücksetzen, Systemeinstellungen ändern und Störungen am Gerät beheben können, finden Sie in der Softwareanleitung.

Der Informationsbildschirm zeigt Informationen zum Betrieb der Maschine an; weitere Informationen finden Sie in der Softwareanleitung.
Die Multifunktionstasten befinden sich im unteren Bereich des Bedienfelds. Die auf dem Informationsbildschirm oberhalb der Tasten angezeigten Symbole zeigen die aktuelle Funktion an. Mit den Tasten können Sie die Motordrehzahl wählen und durch die Systemmenüs navigieren.
Weitere Informationen finden Sie in der Softwareanleitung.
Die LED-Statusleuchte ist zur Anzeige des Systemstatus mehrfarbig und befindet sich auf der rechten Seite des Bedienfelds. Während des Starts leuchtet die LED rot, dann orange bis grün, um die Funktionsfähigkeit zu überprüfen.
Grün: zeigt die normale Betriebsaktivität an
Rot blinkend: zeigt einen aktiven Fehler an
Grün und orange blinkend: zeigt an, dass eine Rückstellung der Kupplung erforderlich ist
Weitere Informationen finden Sie in der Softwareanleitung.
Wenn ein Fehler auftritt, wird eine Fehlermeldung angezeigt, die LED leuchtet rot, und ein Alarmton ertönt wie folgt:
Ein schneller Piepton weist auf kritische Fehler hin.
Ein langsamer Piepton weist auf weniger kritische Fehler hin, wie etwa erforderliche Wartungs- oder Serviceintervalle.
Note: Während des Starts ertönt der Alarm kurz, um die Funktionalität zu überprüfen.
Weitere Informationen finden Sie in der Softwareanleitung.
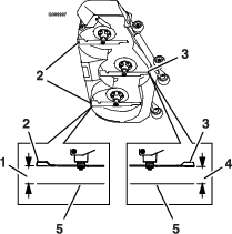
Der Betriebsstundenzähler zeichnet die Stunden auf, die der Motor gelaufen ist. Er läuft, wenn der Motor läuft. Richten Sie Ihre regelmäßigen Wartungsmaßnahmen nach dieser Angabe (Bild 6).
Die Stunden werden auf dem Bildschirm Motor-Aus oder im Menü Betriebsstundenzähler Motor angezeigt.
Weitere Informationen finden Sie in der Softwareanleitung.
Lassen Sie den Motor mit dem Zündschalter an. Es hat drei Stellungen: START, LAUF und AUS.
Note: Die LCD-Anzeigen werden eingeblendet, wenn jedes Bedienelement den Zustand Sicherer Start“ erfüllt (z. B. die Anzeige leuchtet auf, wenn Sie sich auf dem Sitz befinden).
Note: Das Motorsteuergerät steuert die Glühkerzen beim Kaltstart. Wenn die Kühlmitteltemperatur zu niedrig ist, wird auf dem Monitor das Glühkerzensymbol angezeigt und der Anlasser startet nicht, wenn Sie das Zündschloss in die START-Stellung drehen. Die Glühkerzen aktivieren sich in der EIN- oder START-Stellung. Sobald die Glühkerzen die erforderliche Abkühl-Temperatur erreicht haben, verschwindet das Glühkerzensymbol auf dem Monitor und der Motor startet, wenn Sie das Zündschloss in die START-Stellung drehen.
Die Gasbedienung steuert die Motordrehzahl, es gibt drei Geschwindigkeiten: Maximal, Effizient und Niedrig.
Weitere Informationen finden Sie in der Softwareanleitung.
Mit dem Zapfwellenantriebsschalter kuppeln Sie die Schnittmesser ein oder aus (Bild 5).
Die LCD-Anzeige wird auf dem Informationsbildschirm eingeblendet, wenn der Zapfwellenschalter ausgeschaltet ist.
Note: Maschinen, die mit dem Horizon-Monitor ausgestattet sind, verfügen über einen Kupplungsschutz, der es ermöglicht, die Motordrehzahl automatisch zu reduzieren, wenn Sie den Zapfwellenschalter ausschalten. Durch Ein- und Ausschalten des Zapfwellenschalters wird die Motordrossel zwischen den Betriebszuständen MäHEN und TRANSPORT umgeschaltet.
Note: Das System ermöglicht es Ihnen, die Maschine bei eingeschaltetem Zapfwellenschalter zu starten, die Messer werden jedoch nicht eingekuppelt. Zum Einschalten der Zapfwelle müssen Sie den Zapfwellenschalter zurücksetzen, indem Sie ihn aus- und dann wieder einschalten.
Drücken Sie den Schalter nach hinten, um das Mähwerk anzuheben.
Drücken Sie den Schalter nach vorne, um das Mähwerk abzusenken.
Mit den Fahrantriebshebeln fahren Sie die Maschine vorwärts, rückwärts und wenden (Bild 4).
Schieben Sie die Fahrantriebshebel von der Mitte nach außen in die ARRETIERTE NEUTRAL-Stellung, wenn Sie von der Maschine absteigen (Bild 22). Stellen Sie die Fahrantriebshebel immer in die ARRETIERTE NEUTRAL-Stellung, wenn Sie die Maschine anhalten oder unbeaufsichtigt lassen.
Wenn Sie den Motor abstellen, aktivieren Sie die Feststellbremse, sodass sich die Maschine nicht aus Versehen bewegt.
| 152 cm Mähwerk | 183 cm Mähwerk | |
| Ohne Mähwerk | 141,2 cm | 152,4 cm |
| Hochgeklapptes Ablenkblech | 156 cm | 186,4 cm |
| Abgesenktes Ablenkblech | 184,9 cm | 215,6 cm |
| 152 cm Mähwerk | 183 cm Mähwerk | |
| Überrollbügel auf- oder heruntergeklappt | 244,9 cm | 253 cm |
| Überrollbügel, hochgeklappt | 182,4 cm |
| Überrollbügel, zusammengeklappt | 129,5 cm |
| 112 cm |
| 152 cm Mähwerk | 183 cm Mähwerk |
| 101,3 cm | 120,7 cm |
| 152 cm Mähwerk | 183 cm Mähwerk |
| 146,3 cm | 154,7 cm |
Ein Sortiment an Originalanbaugeräten und -zubehör von Toro wird für diese Maschine angeboten, um den Funktionsumfang des Geräts zu erhöhen und zu erweitern. Wenden Sie sich an Ihren offiziellen Toro-Vertragshändler oder navigieren Sie auf www.Toro.com für eine Liste der zugelassenen Anbaugeräte und des Zubehörs.
Verwenden Sie, um die optimale Leistung und Sicherheit zu gewährleisten, nur Originalersatzteile und -zubehörteile von Toro. Ersatzteile und Zubehör anderer Hersteller können gefährlich sein und eine Verwendung könnte die Garantie ungültig machen.
Note: Bestimmen Sie die linke und rechte Seite der Maschine anhand der üblichen Einsatzposition.
Kinder oder nicht geschulte Personen dürfen die Maschine weder verwenden noch warten. Örtliche Vorschriften bestimmen u. U. das Mindestalter von Benutzern. Der Besitzer ist für die Schulung aller Bediener und Mechaniker verantwortlich.
Prüfen Sie den Arbeitsbereich der Maschine und entfernen Sie alle Objekte, die sich auf den Einsatz der Maschine auswirken oder von ihr aufgeschleudert werden könnten.
Machen Sie sich mit dem sicheren Betrieb der Maschine sowie den Bedienelementen und Sicherheitssymbolen vertraut.
Prüfen Sie, ob alle Sitzkontaktschalter, Sicherheitsschalter, und Schutzvorrichtungen montiert und funktionsfähig sind. Verwenden Sie die Maschine nur, wenn sie richtig funktioniert.
Stellen Sie vor dem Verlassen der Bedienerposition den Motor ab, ziehen den Schlüssel ab, und warten, bis alle beweglichen Teile zum Stillstand gekommen sind. Lassen Sie die Maschine abkühlen, bevor Sie sie warten, einstellen, betanken, reinigen, oder einlagern.
Überprüfen Sie vor dem Mähen die Maschine und stellen Sie sicher, dass die Schneideinheiten ordnungsgemäß funktionieren.
Beurteilen Sie das Gelände, um festzulegen, welche Anbaugeräte und Zubehör erforderlich sind, um die Maschine ordnungsgemäß und sicher bedienen zu können.
Tragen Sie geeignete Kleidung, u. a. eine Schutzbrille, lange Hosen, rutschfeste Arbeitsschuhe und einen Gehörschutz. Binden Sie lange Haare hinten zusammen und tragen Sie keinen Schmuck oder weite Kleidung.
Nehmen Sie nie Mitfahrer auf der Maschine mit.
Halten Sie Unbeteiligte und Haustiere während der Verwendung der Maschine fern. Schalten Sie die Maschine und das/die Anbaugerät(e) ab, wenn jemand den Bereich betritt.
Betreiben Sie die Maschine nur, wenn alle Schutzvorrichtungen und Sicherheitseinrichtungen, wie z. B. die Ablenkbleche und die gesamte Grasfangeinrichtung, vorhanden sind und ordnungsgemäß funktionieren. Ersetzen Sie verschlissene oder beschädigte Teile, wenn nötig.
Kraftstoff ist extrem leicht entflammbar und hochexplosiv. Feuer und Explosionen durch Kraftstoff können Verbrennungen und Sachschäden verursachen.
Um zu verhindern, dass sich der Kraftstoff durch statische Aufladung entzündet, entfernen Sie die Maschine vom Lkw oder Anhänger und betanken Sie sie auf dem Boden, entfernt von allen Fahrzeugen. Wenn dies nicht möglich ist, stellen Sie einen tragbaren Kraftstoffbehälter auf den Boden, entfernt von allen Fahrzeugen, und befüllen Sie ihn. Betanken Sie die Maschine dann aus dem Kraftstoffbehälter und nicht von einer Zapfsäule aus.
Füllen Sie den Kraftstofftank im Freien auf ebener Fläche auf, wenn der Motor kalt ist. Wischen Sie verschütteten Kraftstoff auf.
Rauchen Sie nicht beim Umgang mit Kraftstoff, und gehen Sie nicht in der Nähe von offenem Feuer oder Funken mit Kraftstoff um.
Entfernen Sie nie den Tankdeckel oder füllen Kraftstoff in den Tank, wenn der Motor läuft oder heiß ist.
Wenn Kraftstoff verschüttet wurde, nicht versuchen, den Motor zu starten. Vermeiden Sie, eine Zündquelle zu erzeugen, bis die Kraftstoffdämpfe verdunstet sind.
Bewahren Sie Kraftstoff in vorschriftsmäßigen Kanistern auf. Die Kanister sollten nicht für Kinder zugänglich sein.
Kraftstoff ist bei Verschlucken gesundheitsschädlich oder tödlich. Wenn eine Person langfristig Benzindünsten ausgesetzt ist, kann dies zu schweren Verletzungen und Krankheiten führen.
Vermeiden Sie das langfristige Einatmen von Benzindünsten.
Halten Sie Ihre Hände und Ihr Gesicht von der Düse und der Öffnung des Kraftstofftanks fern.
Halten Sie Kraftstoff von Augen und der Haut fern.
Lagern Sie weder die Maschine noch den Kraftstoffkanister in der Nähe von offenen Flammen, Funken oder Zündflammen wie z. B. bei einem Heizkessel oder sonstigen Geräten.
Setzen Sie die Maschine nicht ohne vollständig montierte und betriebsbereite Auspuffanlage ein.
Der Stutzen der Zapfsäule sollte den Rand des Benzinkanisters oder die Behälteröffnung beim Auftanken ständig berühren. Verwenden Sie kein Gerät mit einem entriegelt geöffneten Stutzen.
Wechseln Sie sofort Ihre Kleidung, wenn Kraftstoff darauf verschüttet wird.
Füllen Sie den Tank nicht zu voll. Tauschen Sie den Tankdeckel aus und ziehen ihn fest.
Entfernen Sie Gras und Schmutz von den Mähwerken, den Auspuff, Antriebe, Grasfangeinrichtungen und dem Motorraum, um einem Brand vorzubeugen. Wischen Sie Öl- und Kraftstoffverschüttungen auf.
Der Motor wird mit sauberem, frischem Dieselkraftstoff mit einem Cetanwert von mindestens 40 betrieben. Besorgen Sie, um immer frischen Kraftstoff sicherzustellen, nur so viel Kraftstoff, wie sie innerhalb von 30 Tagen verbrauchen können.
Verwenden Sie bei Temperaturen über -7 °C Sommerdiesel (Nr. 2-D) und bei Temperaturen unter -7 °C Winterdiesel (Nr. 1-D oder Nr. 1-D/2-D-Mischung). Der Einsatz von Winterdiesel bei niedrigeren Temperaturen vermittelt niedrigere Flamm- und Fließpunktmerkmale, was das Anlassen verbessert und die Gefahr einer chemischen Trennung des Kraftstoffes (wachsiges Erscheinungsbild, Filterverstopfung) infolge niedriger Temperaturen verhindert.
Die Verwendung von Sommerdiesel über -7 °C erhöht die Lebensdauer der Pumpenteile.
Important: Verwenden Sie nie Kerosin oder Benzin anstelle von Dieselkraftstoff. Das Nichtbefolgen dieser Vorschrift führt zu Motorschäden.
Diese Maschine kann auch mit einem Kraftstoff eingesetzt werden, der bis zu B20 mit Biodiesel vermischt ist (20 % Biodiesel, 80 % Benzindiesel). Der Benzindieselteil muss einen extrem niedrigen Schwefelgehalt haben.
Befolgen Sie die nachstehenden Sicherheitsvorkehrungen:
Der Biodieselanteil des Kraftstoffs muss die Spezifikationen ASTM D6751 oder EN 14214 erfüllen.
Die Zusammensetzung des gemischten Kraftstoffes sollte ASTM D975 oder EN 590 erfüllen.
Biodieselmischungen können lackierte Oberflächen beschädigen.
Verwenden Sie B5 (Biodieselgehalt von 5 %) oder eine geringere Mischung in kaltem Wetter.
Prüfen Sie Dichtungen und Schläuche, die mit Kraftstoff in Kontakt kommen, da sie sich nach längerer Zeit abnutzen können.
Nach der Umstellung auf Biodieselmischungen wird der Kraftstofffilter für einige Zeit verstopfen.
Weitere Informationen zu Biodieselmischungen erhalten Sie vom Vertragshändler.
Stellen Sie die Maschine auf einer ebenen Fläche ab.
Aktivieren Sie die Feststellbremse.
Stellen Sie den Motor ab und ziehen Sie den Schlüssel ab.
Reinigen Sie den Bereich um den Tankdeckel.
Füllen Sie den Kraftstofftank bis zur Unterseite des Füllstutzens (Bild 7).
Note: Füllen Sie den Kraftstofftank nicht ganz auf. In diesem freien Platz im Tank kann sich der Kraftstoff ausdehnen.

Täglich vor dem Start der Maschine die folgende tägliche Prüfroutine gemäß durchführen:
Neue Motoren brauchen etwas Zeit, bevor sie die ganze Leistung erbringen. Neue Mähwerke und Antriebssysteme haben eine höhere Reibung und belasten den Motor mehr. Die Einfahrzeit für neue Maschinen beträgt ungefähr 40 bis 50 Stunden. Danach erbringt der Motor die ganze Leistung und beste Performance.
Zur Vermeidung von ggf. tödlichen Verletzungen durch Überschlagen lassen Sie den Überrollbügel in der hochgeklappten und arretierten Stellung und legen den Sicherheitsgurt an.
Stellen Sie sicher, dass der Sitz an der Maschine befestigt ist.
Es besteht kein Überrollschutz, wenn der Überrollbügel abgesenkt ist.
Senken Sie den Überrollbügel nur ab, wenn es wirklich erforderlich ist.
Legen Sie bei abgesenktem Überrollbügel keinen Sicherheitsgurt an.
Fahren Sie langsam und vorsichtig.
Richten Sie den Überrollbügel sofort wieder auf, wenn die Höhe es zulässt.
Achten Sie sorgfältig auf die lichte Höhe (wie z. B. zu Ästen, Pforten, Stromkabeln), bevor Sie unter irgendeinem Hindernis durchfahren, damit Sie diese nicht berühren.
Important: Senken Sie den Überrollbügel nur ab, wenn es wirklich erforderlich ist.
Important: Legen Sie immer den Sicherheitsgurt an, wenn der Überrollbügel aufgeklappt ist.
Heben Sie den Überrollbügel in die Betriebsstellung an und drehen die Handräder, bis sie sich teilweise in den Schlitzen bewegen (Bild 9).
Klappen Sie den Überrollbügel ganz hoch und drücken Sie gleichzeitig auf den oberen Überrollbügel, damit die Stifte einrasten, wenn die Löcher mit den Stiften ausgefluchtet sind (Bild 9).
Drücken Sie auf den Überrollbügel, um sicherzustellen, dass beide Stifte einrasten (Bild 9).

Wenn die Sicherheitsschalter abgeklemmt oder beschädigt werden, könnte sich die Maschine unerwartet in Betrieb setzen und jemanden verletzen.
An den Sicherheitsschaltern dürfen keine Veränderungen vorgenommen werden.
Prüfen Sie deren Funktion täglich und tauschen Sie alle defekten Schalter vor der Inbetriebnahme der Maschine aus.
Die Sicherheitsschalter verhindern das Anlassen des Motors, außer in folgenden Situationen:
Die Feststellbremse ist aktiviert.
Der Zapfwellenantriebsschalter ist ausgekuppelt.
Die Fahrantriebshebel sind in der ARRETIERTEN NEUTRAL-Stellung.
Die Sicherheitsschalter sind gleichfalls so ausgelegt, dass sie den Motor abstellen, wenn die Fahrantriebshebel bei aktivierter Feststellbremse aus der ARRETIERTEN NEUTRAL-Stellung bewegt werden, oder wenn Sie bei aktiviertem Zapfwellenantrieb vom Sitz aufstehen.
Der Horizon-Monitor hat Anzeigen, die den Bediener darauf hinweisen, dass der Sicherheitsschalter in der richtigen Stellung ist. Die korrekte Stellung der Komponente wird am Bildschirm angezeigt.

| Wartungsintervall | Wartungsmaßnahmen |
|---|---|
| Bei jeder Verwendung oder täglich |
|
Testen Sie die Sicherheitsschalter vor jedem Einsatz der Maschine. Lassen Sie, wenn die Sicherheitsschalter nicht wie nachstehend beschrieben funktionieren, diese unverzüglich von einem Vertragshändler reparieren.
Setzen Sie sich auf den Sitz, aktivieren die Feststellbremse und stellen den Zapfwellenantriebsschalter in die EIN-Stellung. Versuchen Sie, den Motor anzulassen. Der Motor darf nicht anspringen.
Setzen Sie sich auf den Sitz, aktivieren die Feststellbremse und stellen den Zapfwellenantriebsschalter in die AUS-Stellung. Schieben Sie einen der Fahrantriebshebel aus der ARRETIERTEN NEUTRAL-Stellung. Versuchen Sie, den Motor anzulassen. Der Motor darf nicht anspringen. Wiederholen Sie die Schritte für den anderen Fahrantriebshebel.
Setzen Sie sich auf den Sitz, aktivieren die Feststellbremse, stellen den Zapfwellenantriebsschalter in die AUS-Stellung und schieben die Fahrantriebshebel in die ARRETIERTE NEUTRAL-Stellung. Lassen Sie dann den Motor an. Lösen Sie bei laufendem Motor die Feststellbremse, aktivieren den Zapfwellenantriebsschalter und stehen etwas vom Sitz auf; der Motor sollte abgestellt werden.
Setzen Sie sich auf den Sitz, aktivieren die Feststellbremse, stellen den Zapfwellenantriebsschalter in die AUS-Stellung und schieben die Fahrantriebshebel in die ARRETIERTE NEUTRAL-Stellung. Lassen Sie dann den Motor an. Zentrieren Sie bei laufendem Motor einen der Fahrantriebshebel und bewegen ihn (vorwärts oder rückwärts); der Motor muss dann abstellen. Wiederholen Sie das Verfahren für den anderen Fahrantriebshebel.
Setzen Sie sich auf den Sitz, lösen die Feststellbremse, stellen den Zapfwellenantriebsschalter in die AUS-Stellung und schieben die Fahrantriebshebel in die ARRETIERTE NEUTRAL-Stellung. Versuchen Sie, den Motor anzulassen. Der Motor darf nicht anspringen.
Der Sitz kann nach vorne und hinten geschoben werden. Stellen Sie den Sitz so ein, dass Sie die Maschine optimal steuern können und komfortabel sitzen (Bild 11).

Drücken Sie den Sitzriegel nach vorne, um den Sitz zu entriegeln (Bild 12).

Der Sitz kann zur Optimierung des Sitzkomforts verstellt werden. Stellen Sie den Sitz in eine für Sie bequemen Stellung.
Drehen Sie das Handrad zum Verstellen an der Vorderseite solange, bis der gewünschte Komfort erreicht ist (Bild 13).

Der Besitzer bzw. Bediener ist für Unfälle oder Verletzungen von Dritten sowie Sachschäden verantwortlich und kann diese verhindern.
Konzentrieren Sie sich immer bei der Verwendung der Maschine. Tun Sie nichts, was Sie ablenken könnte, sonst können Verletzungen oder Sachschäden auftreten.
Setzen Sie die Maschine nicht ein, wenn Sie müde oder krank sind oder unter Alkohol- oder Drogeneinfluss stehen.
Kontakt mit den Messern kann zu schweren Verletzungen führen. Stellen Sie vor dem Verlassen der Bedienungsposition den Motor ab, ziehen Sie den Schlüssel ab und warten Sie, bis alle beweglichen Teile zum Stillstand gekommen sind. Wenn Sie den Schlüssel in die AUS-Position stellen, sollte der Motor abgestellt und das Messer gestoppt werden. Wenn dies nicht der Fall ist, setzen Sie die Maschine nicht mehr ein und wenden Sie sich sofort an einen offiziellen Vertragshändler.
Setzen Sie die Maschine nur bei guten Sichtverhältnissen und geeigneten Witterungsbedingungen ein. Verwenden Sie die Maschine nie bei möglichen Gewittern.
Berühren Sie die Schneideinheiten nicht mit Händen und Füßen. Bleiben Sie immer von der Auswurföffnung fern.
Mähen Sie nicht mit angehobenem, entferntem, oder geändertem Ablenkblech, es sei denn, es ist ein Grasauffangsystem oder ein Mulch-Kit angebaut und funktioniert einwandfrei.
Mähen Sie nur im Rückwärtsgang, wenn es unbedingt erforderlich ist. Blicken Sie immer nach unten und hinten, bevor Sie die Maschine rückwärts bewegen.
Seien Sie extrem vorsichtig, wenn Sie sich unübersichtlichen Kurven, Sträuchern, Bäumen und anderen Objekten nähern, die Ihre Sicht behindern können.
Stellen Sie die Messer ab, wenn Sie nicht mähen.
Stellen Sie den Motor sofort ab, wenn der Mäher auf einen Gegenstand aufprallt oder anfängt zu vibrieren, ziehen Sie den Schlüssel (falls vorhanden) ab und warten Sie, bis alle beweglichen Teile zum Stillstand gekommen sind, bevor Sie den Mäher auf eventuelle Beschädigungen untersuchen. Führen Sie alle erforderlichen Reparaturen durch, ehe Sie die Maschine wieder in Gebrauch nehmen.
Fahren Sie beim Wenden und beim Überqueren von Straßen und Gehsteigen mit der Maschine langsam und vorsichtig. Geben Sie immer Vorfahrt.
Vor dem Verlassen der Bedienposition:
Stellen Sie die Maschine auf einer ebenen Fläche ab.
Kuppeln Sie die Zapfwelle aus und senken Sie die Anbaugeräte ab.
Aktivieren Sie die Feststellbremse.
Stellen Sie den Motor ab und ziehen Sie den Schlüssel ab.
Warten Sie, bis alle beweglichen Teile zum Stillstand gekommen sind.
Betreiben Sie den Motor nur in gut belüfteten Bereichen. Die Abgase enthalten Kohlenmonoxid, das beim Einatmen tödlich ist.
Lassen Sie niemals eine laufende Maschine unbeaufsichtigt zurück.
Befestigen Sie gezogene Anbaugeräte nur an der Anhängevorrichtung an der Maschine.
Betreiben Sie die Maschine nur, wenn alle Schutzvorrichtungen und Sicherheitseinrichtungen, wie z. B. die Ablenkbleche und die gesamte Grasfangeinrichtung, vorhanden sind und ordnungsgemäß funktionieren. Ersetzen Sie verschlissene oder beschädigte Teile, wenn nötig.
Verwenden Sie nur von Toro zugelassene(s) Zubehör und Anbaugeräte.
Der Geräuschpegel dieser Maschine beträgt am Ohr des Bedieners mehr als 85 dBA, und dies kann bei einem längeren Einsatz Gehörschäden verursachen.

Entfernen Sie Gras und Schmutz vom Mähwerk, Antrieben, Auspuff und Motor, um einem Brand vorzubeugen.
Starten Sie den Motor, halten Sie dabei Ihre Füße von den Mähmessern fern.
Achten Sie auf den Auswurfbereich des Mähers und halten Sie den Auswurfkanal nie in Richtung umstehender Personen. Vermeiden Sie, Material gegen eine Wand oder ein Hindernis auszuwerfen, da das Material zum Ihnen zurückprallen kann.
Stellen Sie das Messer ab und fahren Sie langsam, wenn Sie Bereiche (außer Grasflächen) überqueren oder die Maschine zwischen den Einsatzbereichen transportieren.
Ändern Sie nicht die Geschwindigkeit des Drehzahlreglers oder überdrehen Sie den Motor.
Kinder werden häufig von Rasenmähern und vom Mähen angezogen. Gehen Sie nie davon aus, dass Kinder dort bleiben, wo Sie sie zuletzt gesehen haben.
Halten Sie Kinder aus dem Mähbereich fern und unter Aufsicht eines verantwortlichen Erwachsenen, der die Maschine nicht bedient.
Seien Sie wachsam und schalten Sie die Maschine aus, wenn Kinder den Arbeitsbereich betreten.
Bevor Sie mit der Maschine zurücksetzen oder wenden, schauen Sie nach unten und überall nach kleinen Kindern.
Nehmen Sie keine Kinder auf der Maschine mit, auch wenn sich die Messer nicht bewegen. Kinder können herunterfallen und sich schwer verletzen oder Sie bei der sicheren Bedienung der Maschine stören. Kinder, die vorher mitgenommen wurden, können den Mähbereich ohne Vorwarnung betreten und von der Maschine beim Vorwärtsfahren oder Rückwärtsfahren überfahren werden.
Der Überrollschutz ist eine integrierte Sicherheitseinrichtung. Entfernen Sie die Komponenten des Überrollschutzes nicht von der Maschine.
Stellen Sie sicher, dass Sie Ihren Sicherheitsgurt angelegt haben und ihn in einem Notfall schnell lösen können.
Stellen Sie den Überrollbügel immer vollständig auf und arretieren ihn. Legen Sie bei aufgestelltem Überrollbügel immer den Sicherheitsgurt an.
Überprüfen Sie sorgfältig auf über Kopf liegende Gegenstände, bevor Sie unter sie hindurchfahren, und vermeiden Sie Kontakt.
Tauschen Sie beschädigte Teile des Überrollschutzes aus. Führen Sie keine Reparaturen oder Modifikationen daran aus.
Es besteht kein Überrollschutz, wenn der Überrollbügel abgesenkt ist.
Räder, die über Kanten, über steile Ufer oder in Gewässer gelangen, können zu einem Überschlag führen, der zu schweren Verletzungen oder zum Tod führen kann.
Legen Sie keinen Sicherheitsgurt an, wenn der Überrollbügel abgesenkt ist.
Senken Sie den Überrollbügel nur ab, wenn es wirklich erforderlich ist. Stellen Sie den Überrollbügel unverzüglich wieder auf, wenn die Höhe es zulässt.
Bringen Sie die Maschine nach einem Überschlag zu einem autorisierten Vertragshändler zur Inspektion des Überrollschutzes.
Verwenden Sie für den Überrollschutz nur von Toro zugelassenes Zubehör und Anbaugeräte.
Hanglagen sind eine wesentliche Ursache für den Verlust der Kontrolle und Umkippunfälle, die zu schweren ggf. tödlichen Verletzungen führen können. Der Bediener ist für den sicheren Einsatz auf abschüssigem Gelände verantwortlich. Das Einsetzen der Maschine an jeder Hanglage erfordert große Vorsicht. Vor dem Einsatz der Maschine an einer Hanglage tun Sie Folgendes:
Lesen und verstehen Sie die Anweisungen zu Hanglagen in der Anleitung und auf der Maschine.
Ermitteln Sie das ungefähre Gefälle des Bereichs mit einem Neigungsmesser.
Setzen Sie die Maschine nie an Gefällen ein, die mehr als 15° aufweisen.
Prüfen Sie die Geländebedingungen an dem jeweiligen Tag, um zu ermitteln, ob die Maschine sicher auf der Hanglage eingesetzt werden kann. Setzen Sie immer gesunden Menschenverstand ein, wenn Sie diese Festlegung machen. Änderungen im Gelände, z. B. Feuchtigkeit, können den Betrieb der Maschine auf einer Hanglage schnell beeinträchtigen.
Achten Sie auf Gefahren unten am Hang. Setzen Sie die Maschine nicht in der Nähe von Abhängen, Gräben, Böschungen, Gewässern oder anderen Gefahrenstellen ein. Die Maschine könnte plötzlich umkippen, wenn ein Rad über eine Kante fährt oder die Kante nachgibt. Halten Sie einen Sicherheitsabstand (zweimal die Breite der Maschine) zwischen der Maschine und jeder Gefahrenstelle ein. Mähen Sie diese Bereiche mit einem handgeführten Rasenmäher oder einem handgeführten Freischneider.
Vermeiden Sie das Anfahren, Anhalten oder Wenden der Maschine an Hanglagen. Vermeiden Sie plötzliche Geschwindigkeits- oder Richtungsänderungen. Fahren Sie langsam und allmählich in eine Kurve.
Setzen Sie die Maschine nicht in Bedingungen ein, in denen der Antrieb, die Lenkung oder Stabilität in Frage gestellt wird. Beim Arbeiten auf nassem Gras, Überqueren von steilen Hanglagen oder beim Fahren hangabwärts kann die Maschine die Bodenhaftung verlieren. Wenn die Antriebsräder die Bodenhaftung verlieren, kann die Maschine rutschen und zu einem Verlust der Bremsleistung und Lenkung führen. Die Maschine kann weiter rutschen, auch wenn die Räder stehen.
Entfernen oder markieren Sie Hindernisse, u. a. Gräben, Löcher, Rillen, Bodenwellen, Steine oder andere verborgene Gefahren. Hohes Gras kann Hindernisse verdecken. Die Maschine könnte sich in unebenem Terrain überschlagen.
Passen Sie besonders auf, wenn Sie die Maschine mit Zubehör oder Anbaugeräten einsetzen, u. a. Heckfangsysteme. Diese Geräte können die Stabilität der Maschine ändern und zu einem Verlust der Fahrzeugkontrolle führen. Halten Sie die Anweisungen für Gegengewichte ein.
Halten Sie beim Einsatz der Maschine an Hanglagen die Mähwerke falls möglich abgesenkt. Das Anheben der Mähwerke beim Einsatz an Hanglagen kann zu einer Instabilität der Maschine führen.

Aktivieren Sie die Feststellbremse immer, wenn Sie die Maschine anhalten oder unbeaufsichtigt lassen.
Stellen Sie die Maschine auf einer ebenen Fläche ab.


Mit dem Zapfwellenantriebsschalter kuppeln Sie die Schnittmesser und angetriebene Anbaugeräte ein oder aus.
Note: Wird der Zapfwellenantriebsschalter bei einer mittleren oder geringeren Stellung des Gasbedienungshebels eingekuppelt, führt dies zu einem extremen Verschleiß der Treibriemen.


Important: Lassen Sie den Anlasser niemals länger als 5 Sekunden lang ununterbrochen drehen. Wenn der Motor nicht anspringt, lassen Sie den Anlasser 15 Sekunden zwischen weiteren Versuchen abkühlen. Das Nichtbefolgen dieser Vorschrift kann zum Durchbrennen des Anlassers führen.
Note: Unter Umständen müssen Sie mehrmals versuchen, den zum ersten Mal Motor anzulassen, wenn Sie Kraftstoff in die leere Kraftstoffanlage gefüllt haben.

Kinder und Unbeteiligte können verletzt werden, wenn Sie die unbeaufsichtigt zurückgelassene Maschine bewegen oder einsetzen.
Ziehen Sie immer den Schlüssel ab und aktivieren Sie die Feststellbremse, wenn Sie die Maschine unbeaufsichtigt lassen.
Warten Sie, bis das Symbol für die empfohlene Motorabkühlzeit (D in Bild 21) aus der Anzeige verschwindet, bevor Sie den Motor abstellen.


Die Antriebsräder drehen sich unabhängig und werden von Hydraulikmotoren an jeder Achse angetrieben. Daher kann eine Seite rückwärts und die andere vorwärts fahren, sodass sich die Maschine dreht statt wendet. Dies verbessert die Manövrierfähigkeit der Maschine, bedeutet jedoch ggf. eine gewisse Anpassung, bis Sie damit vertraut sind.
Sie können die Motordrehzahl mit dem Gasbedienungshebel einstellen, die in U/min (Umdrehungen pro Minute) gemessen wird. Stellen Sie die Gasbedienung auf die Stellung SCHNELL, um eine optimale Leistung zu erhalten. Mähen Sie immer mit Vollgas.
Die Maschine kann sich sehr schnell drehen. Sie können die Kontrolle über die Maschine verlieren, was zu Verletzungen und Maschinenschäden führen kann.
Wenden Sie nur vorsichtig.
Reduzieren Sie vor scharfen Wendungen die Geschwindigkeit.
Note: Der Motor stellt ab, wenn Sie die Fahrantriebshebel bei aktivierter Feststellbremse bewegen.
Ziehen Sie die Fahrantriebshebel zum Anhalten der Maschine in die NEUTRAL-Stellung.
Lösen Sie die Feststellbremse.
Stellen Sie die Fahrantriebshebel in die mittlere, nicht arretierte Stellung.
Drücken Sie die Fahrantriebshebel langsam nach vorne, um vorwärtszufahren (Bild 23).

Stellen Sie die Fahrantriebshebel in die mittlere, nicht arretierte Stellung.
Ziehen Sie zum Rückwärtsfahren die Fahrantriebshebel langsam nach hinten (Bild 24).

Das Mähwerk hat ein schwenkbares Ablenkblech, das Schnittgut zur Seite und nach unten auf die Grünfläche lenkt.
Wenn ein Ablenkblech, eine Auswurfkanalabdeckung oder ein Fangsystem nicht montiert sind, sind der Bediener und Unbeteiligte der Gefahr eines Kontakts mit dem Messer und ausgeschleuderten Gegenständen ausgesetzt. Kontakt mit dem drehenden Mähmesser oder ausgeschleuderten Gegenständen führt zu Verletzungen (möglicherweise tödlichen Verletzungen).
Entfernen Sie nie das Ablenkblech vom Mähwerk, da das Ablenkblech Material nach unten auf die Grünfläche lenkt. Wechseln Sie das Ablenkblech sofort aus, wenn es beschädigt ist.
Stecken Sie nie Hände oder Füße unter das Mähwerk.
Versuchen Sie nie, den Auswurfbereich oder die Schnittmesser zu räumen, ohne den Zapfwellenantriebsschalter in die AUS-Stellung zu schieben, das Zündschloss in die AUS-Stellung zu drehen und den Schlüssel aus dem Zündschloss zu ziehen.
Stellen Sie sicher, dass das Ablenkblech nach unten abgesenkt ist.
Stellen Sie die Schnitthöhe von 25 bis 140 mm in 6 mm-Schritten ein, indem Sie den Lastösenbolzen in die verschiedenen Lochpositionen stecken.
Drücken Sie den Mähwerkhubschalter bei laufendem Motor nach hinten, bis das Mähwerk ganz angehoben ist, und lassen Sie den Schalter sofort los.
Drehen Sie den Schnitthöhenstift so lange, bis der Anschlagstift mit den Schlitzen in den Löchern in der Schnitthöhenhalterung ausgefluchtet ist. Nehmen Sie ihn dann ab (Bild 25).
Führen Sie den Schnitthöhenstift in das Loch ein, das der gewünschten Schnitthöhe entspricht (Bild 25).
Die Schnitthöhen finden Sie auf dem Aufkleber an der Seite der Mähwerkhubplatte (Bild 25).
Heben mittels dem Schalter zum Anheben des Mähwerks das Mähwerk aus der Transportstellung (oder 140 mm Schnitthöhe) und senken Sie es auf die gewählte Höhe ab.

Installieren Sie die Rollen für die maximale Schwebehöhe des Mähwerks um ein Loch tiefer. Die Rollen sollten einen Abstand von 6 mm zum Boden einhalten. Stellen Sie die Rollen nicht so ein, dass sie das Mähwerk stützen.
Stellen Sie die Maschine auf eine ebene Fläche.
Kuppeln Sie den Zapfwellenantriebsschalter aus, stellen die Fahrantriebshebel in die ARRETIERTE NEUTRAL-Stellung und aktivieren die Feststellbremse.
Stellen Sie vor dem Verlassen der Bedienungsposition den Motor ab, ziehen den Schlüssel ab und warten, bis alle beweglichen Teile zum Stillstand gekommen sind.
Stellen Sie die Antiskalpierrollen ein, wie in Bild 26, Bild 27 und Bild 28 abgebildet.



Ziehen Sie die Bundmutter auf ein Drehmoment von 68 bis 75 N∙m an.
Diese Schritte gelten nur für Maschinen mit Handrad für Richtungsablenkblech. An bestimmten Modellen finden Sie Muttern und Schrauben statt einem Handrad für Richtungsablenkblech, die jedoch alle gleich eingestellt werden können.
Die Auswurfrichtung des Mähwerks kann den unterschiedlichen Mähbedingungen angepasst werden. Stellen Sie das Handrad und das Ablenkblech so ein, um den besten Schnitt zu erhalten.
Parken Sie die Maschine auf einer ebenen Fläche, kuppeln Sie den Zapfwellenantriebsschalter aus und aktivieren Sie die Feststellbremse.
Stellen Sie vor dem Verlassen der Bedienungsposition den Motor ab, ziehen Sie den Schlüssel ab und warten Sie, bis alle beweglichen Teile zum Stillstand gekommen sind.
Lösen Sie das Handrad.
Schieben Sie das Handrad in die gewünschte Position.
Ziehen Sie das Handrad fest.
Die folgenden Bilder enthalten nur Empfehlungen. Die Einstellungen sind je nach Grassorte, Feuchtigkeitsgehalt und Grashöhe anders.
Note: Wenn die Motorleistung abfällt, und die Fahrgeschwindigkeit konstant ist, öffnen Sie das Ablenkblech.
Dies ist die hinterste Position. Diese Stellung sollte folgendermaßen eingesetzt werden:
Kurzes, dünnes Gras
Trockenes Gras
Kleineres Schnittgut
Schnittgut wird weiter vom Mähwerk herausgeschleudert

Verwenden Sie diese Stellung mit dem Fangsystem. Immer mit der Gebläseöffnung ausfluchten.

Dies ist die vorderste Position. Diese Stellung sollte folgendermaßen eingesetzt werden:
Hohes, dichtes Gras
Nasse Bedingungen
Verringert die Leistungsaufnahme des Motors
Ergibt bessere Fahrgeschwindigkeiten in schwierigen Konditionen

Die Zapfwelle kuppelt aus, ein Alarm ertönt, und ein Balkendiagramm zeigt die Motortemperatur an, wenn sie einen Überhitzungszustand erreicht. Die Zapfwelle wird erst zugeschaltet, wenn der Motor abgekühlt ist und Sie die Zapfwelle manuell abschalten und einkuppeln.
Note: Wenn der Motorkühlmittelstand bei kaltem Motor unter der Anzeigelinie auf dem Überlaufgefäß liegt, erfasst die Kühlmitteltemperaturanzeige während des Betriebs diese möglicherweise nicht korrekt und/oder der akustische Alarm ertönt nicht, wenn sich der Motor überhitzt.
Lassen Sie den Motor für ein optimales Mähen und eine maximale Luftzirkulation in der SCHNELL-Stellung laufen. Zum gründlichen Zerhäckseln des Schnittguts wird Luft benötigt. Stellen Sie daher die Schnitthöhe nicht so niedrig ein, dass das Mähwerk vollständig von ungeschnittenem Gras umgeben ist. Versuchen Sie immer, eine Seite des Mähwerks von ungeschnittenem Gras frei zu halten, damit Luft in das Mähwerk angesaugt werden kann.
Mähen Sie das Gras etwas länger als normal, um sicherzustellen, dass die Schnitthöhe des Mähwerks keine Bodenunebenheiten skalpiert. Meist ist aber die in der Vergangenheit verwendete Schnitthöhe die beste. Mähen Sie den Rasen zweimal, wenn Sie Gras schneiden, das länger als 15 cm ist, damit Sie eine gute Schnittqualität sicherstellen.
Sie sollten nur ungefähr ein Drittel des Grashalms abschneiden. Wir empfehlen Ihnen nicht, mehr abzuschneiden, außer bei spärlichem Graswuchs oder im Spätherbst, wenn das Gras langsamer wächst.
Wechseln Sie die Mährichtung, damit das Gras aufrecht stehen bleibt. Dadurch wird auch das Schnittgut besser verteilt, was wiederum die Zersetzung und Düngung verbessert.
Gras wächst zu verschiedenen Zeiten während der Saison unterschiedlich schnell. Mähen Sie zum Beibehalten derselben Schnitthöhe zu Beginn des Frühlings häufiger. Sie können jedoch nicht so häufig mähen, wenn die Wachstumsrate des Grases im Sommer abnimmt. Mähen Sie zunächst, wenn der Rasen längere Zeit nicht gemäht wurde, bei einer höheren Schnitthöheneinstellung und dann zwei Tage später mit einer niedrigeren Einstellung noch einmal.
Fahren Sie zur Verbesserung der Schnittqualität bei bestimmten Konditionen langsamer.
Heben Sie die Schnitthöhe an, um sicherzustellen, dass Sie eine unebene Grünfläche nicht abschürfen.
Wenn Sie die Maschine beim Mähen im Vorwärtsgang anhalten müssen, kann ein Schnittgutklumpen auf den Rasen fallen. Sie können dies vermeiden, wenn Sie mit eingekuppelten Schnittmessern auf einen bereits gemähten Bereich fahren, oder Sie können das Mähwerk auskuppeln, während Sie vorwärts fahren.
Entfernen Sie nach jedem Einsatz Schnittgut und Schmutz von der Unterseite des Mähwerks. Wenn sich im Mähwerk Gras und Schmutz ansammelt, verschlechtert sich letztendlich die Schnittqualität.
Sorgen Sie während der ganzen Mähsaison für ein scharfes Schnittmesser, weil ein scharfes Messer sauber schneidet, ohne die Grashalme abzureißen oder zu zerfetzen. Abgerissene Grashalme werden an den Kanten braun. Dadurch reduziert sich das Wachstum, und die Anfälligkeit des Rasens für Krankheiten steigt. Prüfen Sie die Schnittmesser nach jeder Verwendung auf Schärfe und Anzeichen von Abnutzung oder Schäden. Feilen Sie alle Auskerbungen aus und schärfen Sie ggf. die Messer. Wenn ein Messer beschädigt oder abgenutzt ist, ersetzen Sie es nur durch Toro-Originalersatzmesser.
Aktivieren Sie vor dem Verlassen der Bedienerposition die Feststellbremse, stellen den Motor ab, ziehen Sie den Schlüssel ab und warten Sie, bis alle beweglichen Teile zum Stillstand gekommen sind. Lassen Sie die Maschine abkühlen, bevor Sie sie warten, einstellen, betanken, reinigen, oder einlagern.
Entfernen Sie Gras und Schmutz von den Mähwerken, den Auspuff, Antriebe, Grasfangeinrichtungen und dem Motorraum, um einem Brand vorzubeugen. Wischen Sie Öl- und Kraftstoffverschüttungen auf.
Stellen Sie die Kraftstoffzufuhr ab und ziehen Sie den Schlüssel ab, bevor Sie die Maschine einlagern oder transportieren.
Hände können mit den sich drehenden Antriebskomponenten unter dem Motorchassis in Berührung kommen; dies kann zu schweren Verletzungen führen.
Stellen Sie den Motor ab, ziehen Sie den Zündschlüssel ab und warten Sie, bis alle drehenden Teile zum Stillstand gekommen sind, bevor Sie die Ablassventile des Antriebsrads berühren.
Der Motor- und Hydraulikantrieb kann sehr heiß werden. Wenn Sie einen heißen Motor- oder Hydraulikantrieb anfassen, können Sie schwere Verbrennungen erhalten.
Lassen Sie den Motor und die Hydraulikantriebe ganz abkühlen, bevor Sie die Ablassventile des Antriebrads berühren.
Die Maschine könnte sich unbeabsichtigt bewegen, während die Bypasshebel nach vorne in den Schlitz eingerastet sind, und Sie oder Unbeteiligte verletzen.
Verriegeln Sie die Bypasshebel nach dem Bewegen der Maschine nach hinten.
Parken Sie die Maschine auf einer ebenen Fläche, kuppeln Sie den Zapfwellenantriebsschalter aus und aktivieren Sie die Feststellbremse.
Stellen Sie vor dem Verlassen der Bedienungsposition den Motor ab, ziehen Sie den Schlüssel ab und warten Sie, bis alle beweglichen Teile zum Stillstand gekommen sind.
Verwenden Sie die Ablassventile des Antriebsrads, um das hydrostatische Antriebssystem freizugeben, so dass Sie die Maschine schieben können, ohne dass der Motor läuft.
Drehen Sie jedes Sicherheitsventil zum Öffnen um eine Umdrehung gegen den Uhrzeigersinn; drehen Sie jedes Sicherheitsventil im Uhrzeigersinn, um das System zurückzusetzen (Bild 32).
Important: Ziehen Sie sie nicht zu fest. Schleppen Sie die Maschine nicht ab.

Verwenden Sie einen robusten Anhänger oder Pritschenwagen zum Transportieren der Maschine. Verwenden Sie eine durchgehende Rampe. Stellen Sie sicher, dass der Anhänger oder Lastwagen mit den/der gesetzlich erforderlichen Bremsen, Beleuchtung und Kennzeichnungen ausgestattet ist. Bitte lesen Sie alle Sicherheitsanweisungen sorgfältig. Durch Kenntnis dieser Informationen können Sie sich und Unbeteiligte vor Verletzungen schützen. Ziehen Sie in Bezug auf Anforderungen für Anhänger und Befestigungen geltende Vorschriften zurate.
Das Fahren auf Straßen und Wegen ohne Blinker, Lampen, Reflektoren oder einen Aufkleber für langsame Fahrzeuge ist gefährlich und kann zu Unfällen mit Verletzungsgefahr führen.
Fahren Sie die Maschine nicht auf einer öffentlichen Straße oder einem öffentlichen Fahrweg.
Das Laden einer Maschine auf einen Anhänger oder einen Lastwagen erhöht die Umkippgefahr und könnte schwere oder tödliche Verletzungen verursachen (Bild 33).
Verwenden Sie nur eine durchgehende Rampe; verwenden Sie nicht einzelne Rampen für jede Seite der Maschine.
Überschreiten Sie nicht einen Winkel von 15 Grad zwischen Rampe und Boden oder zwischen Rampe und Anhänger oder Pritschenwagen.
Stellen Sie sicher, dass die Rampe mindestens viermal länger ist als der Abstand des Anhängers oder der Ladepritsche des Pritschenwagens vom Boden. Dies stellt sicher, dass der Rampenwinkel auf ebener Fläche nicht größer als 15 Grad ist.

Das Laden einer Maschine auf einen Anhänger oder einen Lastwagen erhöht die Umkippgefahr und kann schwere oder tödliche Verletzungen verursachen.
Passen Sie besonders beim Bedienen der Maschine auf einer Rampe auf.
Sie sollten immer rückwärts eine Rampe hochfahren und vorwärts von ihr herunterfahren.
Vermeiden Sie plötzliche Geschwindigkeitsänderung beim Fahren der Maschine auf einer Rampe, da Sie dadurch die Kontrolle verlieren könnten und Umkippgefahr besteht.
Bei der Verwendung eines Anhängers diesen an das Zugfahrzeug anhängen und die Sicherheitsketten verbinden.
Falls zutreffend die Anhängerbremsen und Lichter anschließen.
Senken Sie die Rampe ab und stellen Sie sicher, dass der Winkel zwischen der Rampe und dem Boden höchstens 15 Grad beträgt (Bild 33).
Fahren Sie die Maschine rückwärts die Rampe hoch (Bild 34).

Stellen Sie den Motor ab, ziehen den Schlüssel ab und aktivieren die Feststellbremse.
Vergurten Sie die Maschine in der Nähe der vorderen Laufräder und dem hinteren Rahmen mit Riemen, Ketten, Kabeln oder Seilen (Bild 35). Ziehen Sie in Bezug auf Anforderungen für Befestigungen geltende Vorschriften zurate.

Wenn Sie den Schlüssel im Zündschloss lassen, könnte eine andere Person den Motor versehentlich anlassen und Sie und Unbeteiligte schwer verletzen. Ziehen Sie den Schlüssel aus dem Zündschloss, bevor Sie Wartungsarbeiten durchführen.
Bevor Sie den Fahrerstand verlassen, gehen Sie wie folgt vor:
Stellen Sie die Maschine auf einer ebenen Fläche ab.
Kuppeln Sie die Antriebe aus.
Aktivieren Sie die Feststellbremse.
Stellen Sie den Motor ab und ziehen Sie den Schlüssel ab.
Lassen Sie alle Maschinenteile abkühlen, ehe Sie mit Wartungsarbeiten beginnen.
Die Maschine sollte nie von ungeschulten Personen gewartet werden.
Halten Sie Ihre Hände und Füße von den beweglichen Teilen oder heißen Oberflächen fern. Bei laufendem Motor sollten keine Einstellungsarbeiten vorgenommen werden.
Lassen Sie den Druck aus Maschinenteilen mit gespeicherter Energie vorsichtig ab.
Prüfen Sie die Funktion der Feststellbremse häufig. Stellen Sie die diese bei Bedarf nach oder warten Sie diese.
Modifizieren Sie auf keinen Fall die Sicherheitsvorkehrungen. Prüfen Sie ihre einwandfreie Funktion in regelmäßigen Abständen.
Entfernen Sie Gras und Schmutz von den Mähwerken, den Auspuff, Antriebe, Grasfangeinrichtungen und dem Motorraum, um einem Brand vorzubeugen.
Wischen Sie verschüttetes Öl oder verschütteten Kraftstoff auf und entsorgen Sie mit Kraftstoff getränkte Rückstände.
Stützen Sie die Maschine nicht mit einem Hydrauliksystem oder Wagenheber ab, sondern verwenden Sie Achsständer, wenn Sie die Maschine anheben.
Halten Sie alle Teile der Maschine in gutem Betriebszustand. Alle Befestigungen, insbesondere die Befestigungselemente der Messer, müssen fest angezogen sein. Tauschen Sie abgenutzte oder beschädigte Aufkleber aus.
Klemmen Sie das Minuskabel von der Batterie ab, bevor sie die Maschine reparieren.
Um eine optimale Leistung zu gewährleisten, verwenden Sie nur Original Ersatzteile und Zubehör von Toro. Ersatzteile und Zubehör anderer Hersteller können gefährlich sein und eine Verwendung könnte die Garantie ungültig machen.
| Wartungsintervall | Wartungsmaßnahmen |
|---|---|
| Nach 100 Betriebsstunden |
|
| Nach 200 Betriebsstunden |
|
| Bei jeder Verwendung oder täglich |
|
| Alle 50 Betriebsstunden |
|
| Alle 100 Betriebsstunden |
|
| Alle 200 Betriebsstunden |
|
| Alle 400 Betriebsstunden |
|
| Alle 500 Betriebsstunden |
|
| Alle 800 Betriebsstunden |
|
| Alle 2000 Betriebsstunden |
|
| Monatlich |
|
| Jährlich |
|
Important: Weitere Informationen zu Wartungsarbeiten finden Sie in der Motorbedienungsanleitung.
Wenn Sie den Schlüssel im Zündschloss lassen, könnte eine andere Person den Motor versehentlich anlassen und Sie und Unbeteiligte schwer verletzen.
Stellen Sie den Motor ab und ziehen Sie den Schlüssel vom Schalter ab, bevor Sie Wartungsarbeiten durchführen.
| Wartungsintervall | Wartungsmaßnahmen |
|---|---|
| Alle 400 Betriebsstunden |
|
| Jährlich |
|
Bei extrem staubigen oder sandigen Einsatzbedingungen sollten Sie häufiger einschmieren.
Schmierfettsorte: Nr. 2 Fett auf Lithium- oder Molybdänbasis
Parken Sie die Maschine auf einer ebenen Fläche, kuppeln Sie den Zapfwellenantriebsschalter aus und aktivieren Sie die Feststellbremse.
Stellen Sie vor dem Verlassen der Bedienungsposition den Motor ab, ziehen Sie den Schlüssel ab und warten Sie, bis alle beweglichen Teile zum Stillstand gekommen sind.
Reinigen Sie die Schmiernippel mit einem Lappen.
Note: Kratzen Sie bei Bedarf Lack vorne von den Nippeln ab.
Bringen Sie die Fettpresse am Nippel an.
Fetten Sie die Schmiernippel ein, bis das Fett beginnt, aus den Lagern auszutreten.
Wischen Sie überflüssiges Fett ab.
Die Schmiernippelpositionen und einen Zeitplan für das Schmieren finden Sie in der folgenden Tabelle.
| Schmiertabelle | |||
|---|---|---|---|
| Schmiernippelpositionen | Pumpen | Anzahl der Stellen | Kundendienstintervall |
| 1. Zapfwelle Mähwerksantrieb | 1 | 3 | Alle 50 Betriebsstunden |
| 2. Spannscheibengelenk Mähwerk | 1 | 1 | Alle 400 Stunden oder jährlich |
| 3. Lager der Lenkrollen | 0 | 2 | Jährlich |
| 4. Schwenkrollen | 0 | 2 | Alle 400 Stunden oder jährlich |
![]() |
| Wartungsintervall | Wartungsmaßnahmen |
|---|---|
| Alle 50 Betriebsstunden |
|
Note: Entfernen Sie für einen leichteren Zugang zu den Jochgelenke des Antriebs und die Keilnut-Gleitverbindung die Bodenwanne und senken Sie das Mähwerk vollständig ab.
Parken Sie die Maschine auf einer ebenen Fläche, kuppeln Sie den Zapfwellenantriebsschalter aus und aktivieren Sie die Feststellbremse.
Stellen Sie vor dem Verlassen der Bedienungsposition den Motor ab, ziehen Sie den Schlüssel ab und warten Sie, bis alle beweglichen Teile zum Stillstand gekommen sind.
Reinigen Sie die Schmiernippel mit einem Lappen.
Bringen Sie die Fettpresse am Nippel an.
Fetten Sie die Schmiernippel ein, bis das Fett beginnt, aus den Lagern auszutreten.
Wischen Sie überflüssiges Fett ab.

| Wartungsintervall | Wartungsmaßnahmen |
|---|---|
| Alle 400 Betriebsstunden |
|
| Jährlich |
|
Parken Sie die Maschine auf einer ebenen Fläche, kuppeln Sie den Zapfwellenantriebsschalter aus und aktivieren Sie die Feststellbremse.
Stellen Sie vor dem Verlassen der Bedienungsposition den Motor ab, ziehen Sie den Schlüssel ab und warten Sie, bis alle beweglichen Teile zum Stillstand gekommen sind.
Nehmen Sie den Staubdeckel ab und stellen Sie die Laufradschwenkarme ein. Setzen Sie den Staubdeckel erst nach dem Einfetten wieder auf, siehe Anpassung des Laufradschwenkarm-Lagers.
Drehen Sie die Sechskantschraube heraus.
Führen Sie einen Schmiernippel in die Öffnung ein.
Pumpen Sie Fett in den Schmiernippel, bis das Fett um das obere Lager herum austritt.
Nehmen Sie den Schmiernippel aus dem Loch. Drehen Sie die Sechskantschraube und Kappe wieder ein.
| Wartungsintervall | Wartungsmaßnahmen |
|---|---|
| Jährlich |
|
Parken Sie die Maschine auf einer ebenen Fläche, kuppeln Sie den Zapfwellenantriebsschalter aus und aktivieren Sie die Feststellbremse.
Stellen Sie vor dem Verlassen der Bedienungsposition den Motor ab, ziehen Sie den Schlüssel ab und warten Sie, bis alle beweglichen Teile zum Stillstand gekommen sind.
Heben Sie das Mähwerk an, um es zugänglich zu machen.
Nehmen Sie das Laufrad von den Laufradgabeln ab.
Entfernen Sie die Dichtungsabdeckungen von der Radnabe.

Nehmen Sie eine der Distanzstückmuttern von der Achse im Laufrad ab.
Note: Die Distanzstückmuttern sind mit einem Gewindesperrmittel an der Achse befestigt.
Nehmen Sie die Achse vom Rad ab (die andere Distanzstückmutter befindet sich noch auf der Achse).
Drücken Sie die Dichtungen heraus und prüfen Sie die Lager auf Abnutzung oder Beschädigung und tauschen Sie diese ggf. aus.
Füllen Sie die Lager mit Allzweckfett.
Setzen Sie ein Lager und eine neue Dichtung in das Rad ein.
Wenn beide Distanzstückmuttern an der Achse fehlen, tragen Sie Gewindesperrmittel auf eine Distanzstückmutter auf und schrauben Sie sie so auf die Achse, dass die Flachschraubenschlüssel nach außen zeigen.
Note: Schrauben Sie die Distanzstückmutter nicht ganz auf das Ende der Achse. Lassen Sie ungefähr 3 mm von der äußeren Oberfläche der Distanzstückmutter bis zum Ende der Achse in der Mutter.
Setzen Sie die montierte Mutter und Achse auf der Seite mit dem Lager und einer neuen Dichtung in das Rad ein.
Das offene Ende des Rads sollte nach oben zeigen; füllen Sie dann den Bereich im Rad um die Achse mit Allzweckschmiermittel.
Setzen Sie das zweite Lager und eine neue Dichtung in das Rad ein.
Tragen Sie Gewindesperrmittel auf die zweite Distanzstückmutter auf und schrauben Sie sie so auf die Achse, dass die Flachschraubenschlüssel nach außen zeigen.
Ziehen Sie die Mutter bis auf 8-9 N∙m an, lösen sie und ziehen sie dann erneut bis auf 2-3 N∙m an.
Note: Stellen Sie sicher, dass die Achse nicht über eine Mutter herausragt.
Setzen Sie die Dichtungsschutzvorrichtungen auf die Radnabe auf und setzen Sie das Rad in die Laufradgabel.
Setzen Sie die Laufradschraube ein und ziehen Sie die Mutter fest.
Important: Sie sollten die Lagereinstellung oft prüfen, um eine Beschädigung der Dichtung und des Lagers zu vermeiden. Drehen Sie den Laufradreifen. Der Reifen sollte sich nicht ungehindert drehen (mehr als eine oder zwei Umdrehungen) oder sich seitlich verschieben. Wenn sich das Rad ungehindert dreht, stellen Sie die Spannung der Distanzstückmutter ein, bis etwas Widerstand besteht. Tragen Sie eine weitere Schicht des Gewindesperrmittels auf.
Berühren Sie den Auspuff und andere heiße Oberflächen nicht den Händen, Füßen, dem Gesicht und anderen Körperteilen sowie mit Kleidungsstücken. Lassen Sie alle Motorteile abkühlen, ehe Sie mit Wartungsarbeiten beginnen.
Ändern Sie nicht die Geschwindigkeit des Drehzahlreglers bzw. überdrehen Sie nicht den Motor.
| Wartungsintervall | Wartungsmaßnahmen |
|---|---|
| Alle 400 Betriebsstunden |
|
Stellen Sie die Maschine auf eine ebene Fläche, kuppeln Sie den Zapfwellenantriebsschalter aus und aktivieren Sie die Feststellbremse.
Stellen Sie vor dem Verlassen der Bedienungsposition den Motor ab, ziehen Sie den Schlüssel ab und warten Sie, bis alle beweglichen Teile zum Stillstand gekommen sind.
Prüfen Sie das Luftfiltergehäuse auf Beschädigungen, die eventuell zu einem Luftaustritt führen können.
Ersetzen Sie ein beschädigtes Luftfiltergehäuse.
Prüfen Sie die Ansauganlage auf undichte Stellen, Beschädigungen oder lose Schlauchklemmen.
Warten Sie den Luftfilter und den Sicherheitseinsatz, wenn Sie darauf hingewiesen werden (Bild 38).
Important: Warten Sie den Luftfilter nicht zu häufig.

Stellen Sie sicher, dass die Abdeckung richtig angebracht ist und das Luftfiltergehäuse abdichtet.
Note: Wechseln Sie die Schaumdichtung in der Abdeckung aus, wenn sie beschädigt ist.
Important: Verwenden Sie keine hohe Druckluft, da Schmutz durch den Filter in den Einlass gedrückt werden könnte.
Important: Reinigen Sie den gebrauchten Filter nicht, um eine Beschädigung des Filtermediums zu vermeiden.
Important: Verwenden Sie nie beschädigte Filter.
Important: Drücken Sie nie auf die flexible Mitte des Filters.

| Wartungsintervall | Wartungsmaßnahmen |
|---|---|
| Nach 200 Betriebsstunden |
|
| Bei jeder Verwendung oder täglich |
|
| Alle 200 Betriebsstunden |
|
| Alle 400 Betriebsstunden |
|
| Jährlich |
|
Der Motor wird ab Werk mit Öl im Kurbelgehäuse ausgeliefert. Überprüfen Sie jedoch den Ölstand, bevor Sie den Motor zum ersten Mal anlassen und dann danach nochmals. Überprüfen Sie den Ölstand täglich bzw. vor jeder Verwendung der Maschine.
Kurbelgehäusekapazität für 20.1 kW (25 PS) Yanmar Dieselmotoren: 4,7 l mit Filter
Kurbelgehäusekapazität für 27,5 kW (37 PS) Yanmar Dieselmotoren: 6,6 l mit Filter
Bevorzugtes Motoröl: Toro Premium Motoröl
Öltyp: Verwenden Sie qualitativ hochwertiges Öl mit niedrigem Kohlenstoffgehalt, dass die folgenden Spezifikationen erfüllt oder übersteigt:
API-Klassifikation CJ-4 oder höher
ACEA-Klassifikation E6
JASO-Klassifikation DH-2
Important: Wenn Sie Motoröl verwenden, das nicht die API-Klassifizierung CJ-4 oder höher, ACEA E6 oder JASO DH-2 erfüllt, kann der Dieselpartikelfilter verstopfen und den Motor beschädigen.
Verwenden Sie Motoröl mit der folgenden Motorölviskosität:
SAE 10W-30 oder 5W-30 (alle Temperaturen)
SAE 15W-40 (über -18° C)
Note: Toro Premium Motoröl ist bei Ihrem Vertragshändler erhältlich. Die Bestellnummern finden Sie im Ersatzteilkatalog oder wenden Sie sich an Ihren offiziellen Toro-Vertragshändler.
Stellen Sie die Maschine auf eine ebene Fläche, kuppeln Sie den Zapfwellenantriebsschalter aus und aktivieren Sie die Feststellbremse.
Stellen Sie vor dem Verlassen der Bedienungsposition den Motor ab, ziehen Sie den Schlüssel ab und warten Sie, bis alle beweglichen Teile zum Stillstand gekommen sind.
Öffnen der Motorhaube.
Kontrollieren Sie den Ölstand wie in Bild 40 gezeigt.

Lassen Sie den Motor unmittelbar vor dem Ölwechsel laufen, weil warmes Öl besser abfließt und mehr Schmutzstoffe mit sich führt als kaltes Öl.
Stellen Sie die Maschine auf eine ebene Fläche, kuppeln Sie den Zapfwellenantriebsschalter aus und aktivieren Sie die Feststellbremse.
Stellen Sie vor dem Verlassen der Bedienungsposition den Motor ab, ziehen Sie den Schlüssel ab und warten Sie, bis alle beweglichen Teile zum Stillstand gekommen sind.
Öffnen der Motorhaube.
Wechseln Sie das Motoröl wie in Bild 41 gezeigt.

Tauschen Sie den Ölfilter wie in Bild 42 dargestellt.

Füllen Sie das Kurbelgehäuse mit Öl, siehe Motorölspezifikationen.
| Wartungsintervall | Wartungsmaßnahmen |
|---|---|
| Alle 800 Betriebsstunden |
|
Prüfen Sie den Abstand des Motorventils. Weitere Informationen finden Sie in der Betriebsanleitung für den Motor.
Unter bestimmten Bedingungen ist Kraftstoff extrem leicht entflammbar und hochexplosiv. Feuer und Explosionen durch Kraftstoff können Verbrennungen und Sachschäden verursachen.
Siehe Kraftstoffsicherheit für eine vollständige Liste der Vorsichtsmaßnahmen im Zusammenhang mit dem Kraftstoff.
| Wartungsintervall | Wartungsmaßnahmen |
|---|---|
| Alle 50 Betriebsstunden |
|
Parken Sie die Maschine auf einer ebenen Fläche, kuppeln Sie den Zapfwellenantriebsschalter aus und aktivieren Sie die Feststellbremse.
Stellen Sie vor dem Verlassen der Bedienungsposition den Motor ab, ziehen Sie den Schlüssel ab und warten Sie, bis alle beweglichen Teile zum Stillstand gekommen sind.
Stellen Sie eine Auffangwanne unter den Kraftstofffilter/Wasserabscheider.
Öffnen Sie die Ablassschraube am Wasserabscheider um ca. eine Umdrehung, damit das Wasser und andere Verunreinigungen ablaufen können (Bild 43).

Schließen Sie das Ablassventil, wenn Dieselkraftstoff austritt.
Important: Wasser oder andere Verunreinigungen im Kraftstoff können die Kraftstoffpumpe und/oder andere Motorkomponenten beschädigen.
| Wartungsintervall | Wartungsmaßnahmen |
|---|---|
| Alle 400 Betriebsstunden |
|

| Wartungsintervall | Wartungsmaßnahmen |
|---|---|
| Alle 400 Betriebsstunden |
|
Prüfen Sie die Kraftstoffleitungen auf Verschleiß, Beschädigung, Abreibungen oder lockere Anschlüsse.
Klemmen Sie das Minuskabel von der Batterie ab, bevor sie die Maschine reparieren.
Laden Sie den Akku in offenen, gut gelüfteten Bereichen und nicht in der Nähe von Funken und offenem Feuer. Stecken Sie das Ladegerät aus, ehe Sie die Batterie anschließen oder abklemmen. Tragen Sie Schutzkleidung und verwenden Sie isoliertes Werkzeug.
Die Akkuflüssigkeit enthält Schwefelsäure, die ein tödliches Gift ist und starke chemische Verbrennungen verursacht.
Trinken Sie nie Elektrolyt und vermeiden Sie den Kontakt mit Haut, Augen und Kleidungsstücken. Tragen Sie eine Schutzbrille, um Ihre Augen zu schützen sowie Gummihandschuhe, um Ihre Hände zu schützen.
Batteriepole und Metallwerkzeuge können an metallischen Teilen Kurzschlüsse verursachen, was Funken erzeugen kann. Funken können zum Explodieren der Gase im Akku führen und Verletzungen verursachen.
Beim Aus- und Einbau des Akkus verhindern, dass Akkupole mit Metallteilen der Maschine in Kontakt kommen.
Vermeiden Sie Kurzschlüsse zwischen metallischen Werkzeugen, den Akkupolen und metallischen Maschinenteilen.
Das unsachgemäße Verlegen der Akkukabel kann zu Schäden an der Maschine führen, und die Kabel können Funken erzeugen. Funken können zum Explodieren der Batteriegase führen, was Verletzungen zur Folge haben kann.
Trennen Sie immer das Minuskabel (Schwarz) ab, bevor Sie das Pluskabel (Rot) abtrennen.
Schließen Sie immer das Pluskabel (Rot) an, bevor Sie das Minuskabel (Schwarz) anschließen.
Kuppeln Sie den Zapfwellenantriebsschalter aus, stellen die Fahrantriebshebel in die ARRETIERTE NEUTRAL-Stellung und aktivieren die Feststellbremse.
Stellen Sie vor dem Verlassen der Bedienungsposition den Motor ab, ziehen den Schlüssel ab und warten, bis alle beweglichen Teile zum Stillstand gekommen sind.
Entriegeln Sie den Sitz und kippen Sie ihn nach vorne.
Nehmen Sie die Batterie heraus, wie in Bild 45 abgebildet.

Note: Legen Sie die Batterie so in das Fach, dass die Anschlussklemmen auf der anderen Seite des Hydraulikbehälters sind.

| Wartungsintervall | Wartungsmaßnahmen |
|---|---|
| Monatlich |
|
Beim Laden des Akkus werden Gase erzeugt, die explodieren können.
Rauchen Sie nie in der Nähe des Akkus und halten Sie Funken und offenes Feuer von des Akkus fern.
Important: Halten Sie die Batterie immer vollständig geladen (Dichte 1.265). Dies ist besonders wichtig zum Verhüten von Batterieschäden, wenn die Temperatur unter 0 °C fällt.
Stellen Sie sicher, dass die Einfüllverschlusskappen auf die Batterie aufgeschraubt sind. Laden Sie die Batterie 10-15 Minuten lang mit 25 A bis 30 A oder 30 Minuten lang mit 10 A auf.
Wenn die Batterie ganz aufgeladen ist, ziehen Sie den Stecker des Ladegeräts aus der Dose. Klemmen Sie dann die Klemmen des Ladegeräts von den Batteriepolen ab (Bild 47).
Setzen Sie die Batterie in die Maschine ein und klemmen Sie die Batteriekabel an; siehe Einbauen der Batterie.
Note: Lassen Sie die Maschine nie mit abgeklemmter Batterie laufen, sonst können elektrische Schäden entstehen.

Das Elektrosystem ist mit Sicherungen gesichert. Es sind keine Wartungsarbeiten erforderlich. Überprüfen Sie jedoch das/den entsprechende(n) Bauteil/Stromkreis auf Kurzschluss, wenn eine Sicherung durchbrennt.
Entriegeln Sie die Motorhaube und heben Sie sie an, um an den Sicherungsblock zu gelangen.
Ziehen Sie die Sicherungen zum Wechseln heraus.
Setzen Sie eine neue Sicherung ein (Bild 48).

| Wartungsintervall | Wartungsmaßnahmen |
|---|---|
| Bei jeder Verwendung oder täglich |
|
Prüfen Sie den Sicherheitsgurt auf Zeichen von Abnutzung und Risse und prüfen Sie auch den Rücklauf und die Schnalle. Ersetzen Sie einen beschädigten Sicherheitsgurt.
Kuppeln Sie den Zapfwellenantriebsschalter aus.
Fahren Sie auf eine ebene Fläche und stellen Sie die Fahrantriebshebel in die ARRETIERTE NEUTRAL-Stellung.
Bewegen Sie den Gasbedienungshebel in die Mittelstellung zwischen LANGSAM und SCHNELL.
Schieben Sie die beiden Fahrantriebshebel ganz nach vorne, bis beide die Anschläge im T-Schlitz berühren.
Stellen Sie fest, nach welcher Seite die Maschine zieht.
Aktivieren Sie die Feststellbremse, stellen Sie den Motor ab und ziehen Sie den Zündschlüssel ab.
Stellen Sie die Anschlagplatten nach Bedarf ein.
Wenn die Maschine nach rechts zieht, lösen Sie die Schrauben und versetzen die linke Anschlagsplatte am linken T-Schlitz nach hinten, bis die Maschine geradeaus fährt (Bild 49).
Wenn die Maschine nach links zieht, lösen Sie die Schrauben und versetzen die rechte Anschlagsplatte am rechten T-Schlitz nach hinten, bis die Maschine geradeaus fährt (Bild 49).
Ziehen Sie die Anschlagsplatte fest (Bild 49).

Fluchten Sie die Hebel in Längsrichtung aus. Bringen Sie die Hebel zuerst in der NEUTRAL-Stellung zusammen und schieben Sie die Hebel dann so lange, bis sie ausgefluchtet sind. Ziehen Sie dann die Schrauben an (Bild 50).

Wenn eine Ausrichtung erforderlich ist, lösen Sie die beiden Befestigungsschrauben des Fahrantriebshebels auf der falsch ausgerichteten Seite (Bild 51).

Bewegen Sie den Fahrantriebshebel so, dass er auf die gegenüberliegende Seite trifft.
Ziehen Sie die beiden Befestigungsschrauben des Fahrantriebshebels fest (Bild 51).
| Wartungsintervall | Wartungsmaßnahmen |
|---|---|
| Alle 50 Betriebsstunden |
|
Reifenluftdruck Hinterräder: 1,24 bar.
Note: Die Laufräder sind halbpneumatische Reifen, deren Luftdruck nicht geprüft werden muss.
Ein niedriger Reifendruck reduziert die Maschinenstabilität an den Seiten von Hängen. Das kann zu einem Überschlagen führen und schwere oder tödliche Körperverletzungen zur Folge haben kann.
Stellen Sie den Reifendruck nicht zu niedrig ein.
Prüfen Sie den Reifendruck in den Hinterrädern. Stellen Sie den Luftdruck in den Reifen auf den empfohlenen Wert ein.
Important: Achten Sie auf einen korrekten Reifendruck in allen Reifen, um eine gute Schnittqualität und optimale Maschinenleistung zu gewährleisten.Prüfen Sie den Reifendruck in allen Reifen, bevor Sie die Maschine verwenden.

| Wartungsintervall | Wartungsmaßnahmen |
|---|---|
| Nach 100 Betriebsstunden |
|
Ziehen Sie die Radmuttern auf ein Drehmoment von 115 bis 142 N∙m an.
| Wartungsintervall | Wartungsmaßnahmen |
|---|---|
| Alle 500 Betriebsstunden |
|
Parken Sie die Maschine auf einer ebenen Fläche, kuppeln Sie den Zapfwellenantriebsschalter aus und aktivieren Sie die Feststellbremse.
Stellen Sie vor dem Verlassen der Bedienungsposition den Motor ab, ziehen Sie den Schlüssel ab und warten Sie, bis alle beweglichen Teile zum Stillstand gekommen sind.
Entfernen Sie den Staubdeckel vom Laufrad und ziehen Sie die Sicherungsmutter an (Bild 53).
Ziehen Sie die Sicherungsmutter so weit fest, dass die Federscheiben flach liegen und schrauben dann um Viertelumdrehung zurück, um die Lager richtig vorzuspannen (Bild 53).
Important: Achten Sie darauf, dass die Federscheiben richtig eingesetzt sind, siehe Bild 53.
Setzen Sie den Staubdeckel auf (Bild 53).

| Wartungsintervall | Wartungsmaßnahmen |
|---|---|
| Alle 50 Betriebsstunden |
|
Verwenden Sie SAE 75W–90 synthetischen Getriebeschmierstoff.
Parken Sie die Maschine auf einer ebenen Fläche und aktivieren Sie die Feststellbremse.
Senken Sie das Mähwerk auf eine Schnitthöhe von 25 mm ab.
Kuppeln Sie den Zapfwellenantriebsschalter aus, stellen den Motor ab, ziehen den Zündschlüssel ab und verlassen den Sitz erst, wenn alle beweglichen Teile zum Stillstand gekommen sind.
Heben Sie die Fußplattform an, um die Oberseite des Mähwerks freizulegen.
Nehmen Sie den Peilstab bzw. die Füllschraube oben am Getriebe ab und stellen Sie sicher, dass der Ölstand zwischen den Markierungen am Peilstab liegt (Bild 54).

Wenn der Ölstand zu niedrig ist, gießen Sie nur so viel Öl ein, dass der Stand zwischen den Markierungen am Peilstab liegt.
Important: Füllen Sie das Getriebe nicht zu voll, da es beschädigt werden kann.
| Wartungsintervall | Wartungsmaßnahmen |
|---|---|
| Nach 200 Betriebsstunden |
|
| Alle 400 Betriebsstunden |
|
Setzen Sie sich mit Ihrem Toro-Vertragshändler in Verbindung, wenn das Öl verunreinigt ist, um die Anlage spülen zu lassen. Verunreinigtes Öl sieht im Vergleich zu sauberem Öl milchig oder schwarz aus.
Parken Sie die Maschine auf einer ebenen Fläche und aktivieren Sie die Feststellbremse.
Senken Sie das Mähwerk auf eine Schnitthöhe von 25 mm ab.
Kuppeln Sie den Zapfwellenantriebsschalter aus, stellen den Motor ab, ziehen den Zündschlüssel ab und verlassen den Sitz erst, wenn alle beweglichen Teile zum Stillstand gekommen sind.
Heben Sie die Fußplattform an, um die Oberseite des Mähwerks freizulegen.
Nehmen Sie den Peilstab bzw. die Füllschraube oben am Getriebe ab und stellen Sie sicher, dass der Ölstand zwischen den Markierungen am Peilstab liegt (Bild 54).
Saugen Sie das Öl durch den Einfüllstutzen mit Hilfe einer Vakuumvorrichtung ab oder entfernen Sie das Getriebe vom Mähwerk, und lassen Sie das Öl in eine Auffangwanne laufen.
Installieren Sie das Getriebe (falls es zur Entleerung ausgebaut wurde).
Füllen Sie ungefähr 420 ml Öl nach, bis der Stand zwischen den Markierungen am Peilstab liegt.
Important: Füllen Sie das Getriebe nicht zu voll, da es beschädigt werden kann.
Ein Verschlucken von Motorkühlmittel kann zu Vergiftungen führen; Kinder und Haustiere sollten keinen Zugang zum Kühlmittel haben.
Ablassen von heißem, unter Druck stehendem Kühlmittel bzw. eine Berührung des heißen Kühlers und benachbarter Teile kann zu schweren Verbrennungen führen.
Lassen Sie den Motor immer für mindestens 15 Minuten abkühlen, bevor Sie den Kühlerdeckel abnehmen.
Verwenden Sie beim Öffnen des Kühlerdeckels einen Lappen und öffnen den Kühler langsam, damit Dampf ohne Gefährdung austreten kann.
| Wartungsintervall | Wartungsmaßnahmen |
|---|---|
| Bei jeder Verwendung oder täglich |
|
Kühlmittelsorte: Eine 50:50-Lösung aus Wasser und permanentem Ethylenglykol-Frostschutzmittel.
Fassungsvermögen des Kühlsystems: 7,6 l
Parken Sie die Maschine auf einer ebenen Fläche, kuppeln Sie den Zapfwellenantriebsschalter aus und aktivieren Sie die Feststellbremse.
Stellen Sie vor dem Verlassen der Bedienungsposition den Motor ab, ziehen Sie den Schlüssel ab und warten Sie, bis alle beweglichen Teile zum Stillstand gekommen sind.
Öffnen der Motorhaube.
Prüfen Sie den Kühlmittelstand im Ausdehnungsgefäß (Bild 55).
Note: Er muss sich zwischen den Markierungen an der Seite des Gefäßes befinden.

Wenn der Kühlmittelstand zu niedrig ist, schrauben Sie den Deckel des Ausdehnungsgefäßes ab, und füllen Sie nach angegebene Kühlmittel nach (Bild 55).
Important: Füllen Sie nicht zu viel ein.
Setzen Sie den Deckel des Ausdehnungsgefäßes auf.
Schließen Sie die Motorhaube.
| Wartungsintervall | Wartungsmaßnahmen |
|---|---|
| Alle 50 Betriebsstunden |
|
Reinigen Sie den Kühler, damit sich der Motor nicht überhitzt.
Note: Wenn das Mähwerk oder der Motor aufgrund einer Überhitzung abgeschaltet wird, prüfen Sie den Kühler auf starke Ablagerungen oder viele Rückstände.
Parken Sie die Maschine auf einer ebenen Fläche, kuppeln Sie den Zapfwellenantriebsschalter aus und aktivieren Sie die Feststellbremse.
Stellen Sie vor dem Verlassen der Bedienungsposition den Motor ab, ziehen Sie den Schlüssel ab und warten Sie, bis alle beweglichen Teile zum Stillstand gekommen sind.
Kippen Sie die Motorhaube nach vorne.
Blasen Sie festsitzenden Schmutz zwischen den Lamellen des gesamten Kühlers mit Druckluft aus, und zwar sowohl von oben nach unten als auch von unten nach oben.
Wenn Schmutzreste zurückbleiben, müssen Sie diese ggf. mit Wasser aus einem Niederdruckschlauch ausspülen.
Wenn der Kühler sauber ist, fahren Sie mit Schritt 7 fort.
Decken Sie den Motor mit einem Stück Pappkarton oder einer Plastikfolie ab. Spritzen Sie Wasser durch die Lamellen. Mit Niederdruckluft von beiden Richtungen durchblasen.
Note: Wenn Schmutzreste zurückbleiben, wiederholen Sie den Vorgang, bis der Kühler sauber ist.
Senken Sie die Motorhaube ab.
Starten Sie den Motor, um sicherzustellen, dass der Kühllüfter ordnungsgemäß funktioniert.
| Wartungsintervall | Wartungsmaßnahmen |
|---|---|
| Alle 2000 Betriebsstunden |
|
Parken Sie die Maschine auf einer ebenen Fläche, kuppeln Sie den Zapfwellenantriebsschalter aus und aktivieren Sie die Feststellbremse.
Stellen Sie vor dem Verlassen der Bedienungsposition den Motor ab, ziehen Sie den Schlüssel ab und warten Sie, bis alle beweglichen Teile zum Stillstand gekommen sind.
Kippen Sie die Motorhaube nach vorne.
Lassen Sie das Kühlmittel ab, wenn der Motor abgekühlt ist.
Nehmen Sie den Kühlerdeckel ab, stellen Sie eine Auffangwanne unter den Kühler und entfernen Sie die Ablassschraube am Boden des Kühlers.
Entfernen Sie den Kühlmittelschlauch vom Ölkühler und lassen Sie das Kühlmittel aus dem Motorblock ab (Bild 56).

Installieren Sie die Ablassschrauben und Schläuche.
Füllen Sie den Kühler mit einem 50/50-Gemisch aus Wasser und Ethylenglykol auf.
Note: Die Verwendung von Havoline® Xtended Life Kühlmittel wird empfohlen.
Lassen Sie etwas Platz (ca. 12,7 mm) für die Ausdehnung. Fügen Sie der Überlaufflasche auf der linken Seite des Motors nach Bedarf 50/50 Kühlmittelgemisch hinzu, um den Füllstand auf die Anzeigelinie auf der Flasche zu bringen.
Lassen Sie den Motor laufen, bis sich das Motorthermostat öffnet und das Kühlmittel durch den Kühlerkern zirkuliert.
Wenn die Luft aus dem Motorblock austritt und der Kühlmittelstand sinkt, fügen Sie dem Kühler zusätzliches Kühlmittel zu.
Wenn der Kühler vollständig gefüllt ist und kein zusätzliches Kühlmittel zugeführt werden kann, lassen Sie den Motor weiterlaufen und setzen Sie den Kühlerdeckel auf.
Stellen Sie sicher, dass der Deckel vollständig sitzt, indem Sie ihn während des Drehens fest nach unten drücken, bis der Deckel anschlägt. Stellen Sie den Motor ab, sobald der Deckel angebracht ist.
| Wartungsintervall | Wartungsmaßnahmen |
|---|---|
| Nach 100 Betriebsstunden |
|
| Alle 400 Betriebsstunden |
|
Stellen Sie sicher, dass die Feststellbremse richtig eingestellt ist. Führen Sie die Schritte auch aus, wenn Sie eine Bremskomponente entfernen oder ersetzen.
Parken Sie die Maschine auf einer ebenen Fläche, kuppeln Sie den Zapfwellenantriebsschalter aus und aktivieren Sie die Feststellbremse.
Stellen Sie vor dem Verlassen der Bedienungsposition den Motor ab, ziehen Sie den Schlüssel ab und warten Sie, bis alle beweglichen Teile zum Stillstand gekommen sind.
Heben Sie das Heck der Maschine an und stützen es auf Stützböcken ab.
Nehmen Sie die Hinterräder von der Maschine ab.
Entfernen Sie Rückstände vom Bremsbereich.
Lösen Sie die Antriebsräder, siehe Verwenden der Ablassventile des Antriebsrads.
Messen Sie die Länge des Zuglenkers (Bild 57).
Note: Wenn der Zuglenker in der vorderen Stellung angebracht wird, sollte die Länge 219 mm betragen; wenn er in der hinteren Stellung angebracht wird, sollte die Länge 232 mm betragen.

Messen Sie die Länge der Feder (Bild 57).
Note: Der Wert sollte 95 mm betragen.
Wenn Sie die richtige Federlänge erreicht haben, prüfen Sie, ob ein sichtbarer Spalt zwischen der Stellschraube und dem Ansatz vorhanden ist.
Lösen Sie die Feststellbremse und drehen Sie die Radnabe von Hand in beide Richtungen.
Note: Die Radnabe sollte sich frei bewegen lassen.
Wenn ein Spalt erforderlich ist oder die Radnabe sich frei bewegen lässt, gehen Sie wie folgt vor:
Lösen Sie die Feststellbremse.
Schließen Sie das hintere Gestänge ab und stellen es genau ein.
Verkürzen Sie die Lenker, um einen Abstand zu schaffen.
Verlängern Sie den Lenker, um eine Radnabenbewegung zu ermöglichen.
Schließen Sie das hintere Gestänge an.
Aktivieren Sie die Feststellbremse und prüfen Sie den Abstand.
Wiederholen Sie die Schritte 10 bis 12, bis Sie einen sichtbaren Abstand haben und die Radnabe sich ungehindert dreht. Wiederholen Sie diesen Schritt auf der anderen Seite.
Note: Die Bremse sollte vollständig gelöst sein, wenn die Bremse in der gelösten Stellung ist.
Drehen Sie den Griff zum Lösen des Antriebsrads auf die Betriebsstellung, siehe Verwenden der Ablassventile des Antriebsrads.
Montieren Sie die Hinterreifen und ziehen Sie die Radmuttern auf ein Drehmoment von 115 bis 142 N∙m an.
Entfernen Sie die Stützböcke.
| Wartungsintervall | Wartungsmaßnahmen |
|---|---|
| Alle 50 Betriebsstunden |
|
Ersetzen Sie einen abgenutzten Riemen. Anzeichen eines abgenutzten Riemens sind u. a. das Quietschen des Riemens, wenn er sich dreht, das Schlüpfen der Messer beim Mähen, zerfranste Ränder, Versengen und Risse im Riemen.
Das Quietschen des Riemens, wenn er sich dreht, das Schlüpfen der Messer beim Mähen, zerfranste Ränder, Versengen und Risse – dies alles sind Hinweise auf einen abgenutzten Mähwerk-Treibriemen. Tauschen Sie den Treibriemen aus, wenn Sie einen dieser Umstände feststellen.
Parken Sie die Maschine auf einer ebenen Fläche, kuppeln Sie den Zapfwellenantriebsschalter aus und aktivieren Sie die Feststellbremse.
Stellen Sie vor dem Verlassen der Bedienungsposition den Motor ab, ziehen Sie den Schlüssel ab und warten Sie, bis alle beweglichen Teile zum Stillstand gekommen sind.
Senken Sie das Mähwerk auf eine Schnitthöhe von 76 mm ab.
Entfernen Sie die Riemenabdeckungen (Bild 58).

Setzen Sie eine Ratsche in das rechteckige Loch im Spannarm ein, um die Spannung an der Spannscheibenfeder zu lösen (Bild 59).
Ziehen Sie den Riemen von den Riemenscheiben des Mähwerks ab.
Legen Sie den neuen Riemen um die Riemenscheibe des Mähers (Bild 59).

Stellen Sie sicher, dass die Federenden in den Ankernuten sitzen, und legen Sie den Riemen mit Hilfe der Ratsche im rechteckigen Loch um die Umlenkrolle (Bild 59).
Bringen Sie die Riemenabdeckungen wieder an (Bild 60).

| Wartungsintervall | Wartungsmaßnahmen |
|---|---|
| Alle 100 Betriebsstunden |
|
Wenden Sie eine Kraft von 44 N zwischen den Riemenscheiben auf den Lichtmaschinenriemen an.
Lockern Sie bei einer Durchbiegung von mehr oder weniger als 10 mm die Befestigungsschrauben der Lichtmaschine (Bild 61).

Erhöhen oder verringern Sie die Spannung des Lichtmaschinenriemens.
Ziehen Sie die Befestigungsschrauben fest.
Prüfen Sie die Riemenspannung noch einmal auf korrekte Einstellung.
Die Fahrantriebshebel haben zwei Höhenstellungen: hoch und niedrig. Entfernen Sie die Schrauben, um die Höhe auf den Bediener anzupassen.
Stellen Sie die Maschine auf eine ebene Fläche, kuppeln Sie den Zapfwellenantriebsschalter aus und aktivieren Sie die Feststellbremse.
Stellen Sie vor dem Verlassen der Bedienungsposition den Motor ab, ziehen Sie den Schlüssel ab und warten Sie, bis alle beweglichen Teile zum Stillstand gekommen sind.
Lösen Sie die Schrauben und die Bundmuttern, die in den Hebeln installiert sind (Bild 62).
Fluchten Sie die Hebel in Längsrichtung aus. Bringen Sie die Hebel zuerst in der NEUTRAL-Stellung zusammen und schieben Sie die Hebel dann so lange, bis sie ausgefluchtet sind. Ziehen Sie dann die Schrauben an (Bild 63).


Wenn sich die Enden der Hebel berühren, finden Sie weitere Informationen unter Einstellen des Fahrsteuergestänges.
Wiederholen Sie die Schritte, um die Fahrantriebshebel einzustellen.
Die Pumpensteuergestänge befinden sich unter dem Sitz an beiden Seiten der Maschine. Drehen Sie die Endmutter mit einem ½"-Schraubenschlüssel, um einzustellen, dass sich die Maschine nicht in der Neutral-Stellung bewegt. Sie sollten nur die Neutral-Stellung einstellen.
Um die Fahrsteuerung einzustellen, müssen Sie den Motor laufen lassen und die Antriebsräder drehen. Der Kontakt mit beweglichen Teilen oder heißen Oberflächen kann zu Verletzungen führen.
Halten Sie Finger, Hände und Kleidungsstücke von sich drehenden Bestandteilen und von heißen Oberflächen fern.
Stellen Sie die Maschine auf eine ebene Fläche, kuppeln Sie den Zapfwellenantriebsschalter aus und aktivieren Sie die Feststellbremse.
Stellen Sie vor dem Verlassen der Bedienungsposition den Motor ab, ziehen Sie den Schlüssel ab und warten Sie, bis alle beweglichen Teile zum Stillstand gekommen sind.
Treten Sie auf das Mähwerkhubpedal, entfernen Sie den Schnitthöhen-Einstellstift und senken Sie das Mähwerk auf den Boden ab
Heben Sie das Heck der Maschine etwas an und stützen Sie es mit Achsständern oder Ähnlichem ab, sodass sich die Antriebsräder gerade ungehindert drehen.
Klemmen Sie den elektrischen Anschluss vom Sitzsicherheitsschalter ab, der sich unter dem unterem Sitzkissen befindet.
Note: Der Schalter ist Teil des Sitzes.
Schließen Sie vorübergehend ein Überbrückungskabel an den Klemmen des Hauptkabelbaums an.
Lassen Sie den Motor mit Vollgas laufen und lösen Sie die Feststellbremse.
Note: Stellen vor dem Anlassen des Motors sicher, dass die Feststellbremse aktiviert ist und die Fahrantriebshebel außen sind. Sie müssen nicht auf dem Sitz sitzen.
Lassen Sie die Maschine für mindestens fünf Minuten mit Vollgas laufen, um das Hydrauliköl auf die Betriebstemperatur zu erwärmen.
Note: Während Sie Einstellungen vornehmen, müssen sich die Fahrantriebshebel in der Neutral-Stellung befinden.
Stellen Sie die Fahrantriebshebel in die NEUTRAL-Stellung.
Stellen Sie die Länge der Pumpenschaltstange ein, indem Sie die Doppelmuttern an der Stange so weit in die entsprechende Richtung drehen, bis sich die Räder leicht zurückdrehen (Bild 64).

Stellen Sie die Fahrantriebshebel in die RüCKWäRTS-Stellung und üben Sie etwas Druck auf den Hebel aus, damit die Federn die Hebel wieder in die Neutral-Stellung bringen.
Note: Die Räder sollten sich nicht mehr drehen oder leicht rückwärts drehen.
Schalten Sie die Maschine ab.
Ziehen Sie das Überbrückungskabel vom Kabelbaum ab und schließen Sie den Stecker an den Sitzschalter an.
Entfernen Sie die Stützböcke.
Heben Sie das Mähwerk an und setzen Sie den Schnitthöhenstift ein.
Stellen Sie sicher, dass die Maschine nicht in der Neutral-Stellung bei aktivierter Feststellbremse kriecht.
Sie können die obere Befestigungsschraube des Stoßdämpfers einstellen, um gewünschten Widerstand des Fahrantriebshebels zu erhalten. Siehe Bild 65 für die Befestigungsoptionen.

Suchen Sie beim Einspritzen unter die Haut sofort einen Arzt auf. In die Haut eingedrungene Flüssigkeit muss sie innerhalb weniger Stunden von einem Arzt entfernt werden.
Stellen Sie sicher, dass alle Hydraulikschläuche und -leitungen in gutem Zustand und alle Hydraulikverbindungen und -anschlussstücke fest angezogen sind, bevor Sie die Hydraulikanlage unter Druck setzen.
Halten Sie Ihren Körper und Ihre Hände von Nadellöchern und Düsen fern, aus denen Hydrauliköl unter hohem Druck ausgestoßen wird.
Gehen Sie hydraulischen Undichtheiten nur mit Pappe oder Papier nach.
Lassen Sie den Druck in der Hydraulikanlage auf eine sichere Art und Weise ab, bevor Sie irgendwelche Arbeiten an der Hydraulikanlage durchführen.
Fassungsvermögen des Hydraulikölbehälters: 15,1 l
Empfohlenes Hydrauliköl: Toro Premium Getriebe-/Hydrauliköl (erhältlich in Eimern mit 19 l oder Fässern mit 208 l). Die Bestellnummern finden Sie im Ersatzteilkatalog oder wenden Sie sich an Ihren offiziellen Toro-Vertragshändler.
Ersatzöle: Wenn das Öl von Toro nicht verfügbar ist, können Sie Mobil® 424 Hydrauliköl verwenden.
Note: Toro übernimmt keine Verantwortung für Schäden, die durch falsche Ersatzmittel entstehen.
Note: Viele Hydraulikölsorten sind fast farblos, was das Erkennen von undichten Stellen erschwert. Als Beimischmittel für die Hydraulikanlage können Sie ein rotes Färbmittel in 20 ml Flaschen beziehen. Eine Flasche reicht für 15-22 l Hydrauliköl. Bestellen Sie Bestellnummer 44-2500 vom offiziellen Toro Vertragshändler.
| Wartungsintervall | Wartungsmaßnahmen |
|---|---|
| Bei jeder Verwendung oder täglich |
|
Prüfen Sie den Hydraulikölstand vor dem ersten Anlassen des Motors und dann täglich.
Parken Sie die Maschine auf einer ebenen Fläche, kuppeln Sie den Zapfwellenantriebsschalter aus und aktivieren Sie die Feststellbremse.
Stellen Sie die Fahrantriebshebel in die ARRETIERTE NEUTRAL-Stellung und lassen Sie den Motor an.
Note: Lassen Sie den Motor mit der niedrigsten Drehzahl laufen, um die Anlage zu entlüften.
Important: Kuppeln Sie die Zapfwelle nicht ein.
Heben Sie das Mähwerk an, um die Hubzylinder auszufahren, stellen den Motor ab und ziehen den Schlüssel ab.
Heben Sie den Sitz an, um an den Hydraulikbehälter zu gelangen.
Nehmen Sie den Deckel des Hydraulikbehälters ab (Bild 66).

Nehmen Sie den Peilstab heraus und wischen Sie ihn mit einem sauberen Lappen ab (Bild 66).
Stecken Sie den Peilstab in den Einfüllstutzen und ziehen ihn wieder heraus, um den Ölstand zu prüfen (Bild 67).
Note: Wenn der Ölstand nicht im gekerbten Bereich des Peilstabs liegt, füllen Sie Hochqualitätshydrauliköl ein, damit der Stand im gekerbten Bereich liegt.
Important: Füllen Sie nicht zu viel ein.

Schrauben Sie den Peilstabdeckel handfest auf den Einfüllstutzen.
Prüfen Sie alle Schläuche und Anschlussstücke auf Dichtheit.
| Wartungsintervall | Wartungsmaßnahmen |
|---|---|
| Nach 200 Betriebsstunden |
|
| Alle 400 Betriebsstunden |
|
| Alle 800 Betriebsstunden |
|
Kuppeln Sie die Zapfwelle aus, stellen die Fahrantriebshebel in die ARRETIERTE NEUTRAL-Stellung und aktivieren die Feststellbremse.
Schieben Sie den Gasbedienungshebel in die LANGSAM-Stellung, stellen Sie den Motor ab, ziehen Sie den Schüssel ab und verlassen Sie den Sitz erst, wenn alle beweglichen Teile zum Stillstand gekommen sind.
Klappen Sie den Sitz hoch.
Stellen Sie eine große Auffangwanne unter den Hydraulikölbehälter, das Getriebegehäuse und den linken und rechten Radmotor (Bild 68).

Entfernen Sie die Ablassschraube aus jedem Bereich und lassen Sie das Hydrauliköl ablaufen (Bild 68).
Reinigen Sie den Bereich um den Hydraulikölfilter und nehmen Sie den Filter ab (Bild 68).
Schrauben Sie den neuen Hydraulikölfilter im Uhrzeigersinn ein, bis die Gummidichtung den Filteradapter berührt. Ziehen Sie den Filter dann um eine weitere Zweidrittel- bis Dreiviertelumdrehung an.
Setzen Sie die vier Ablassschrauben wieder ein.
Note: Die Ablassschrauben des Radmotors sind magnetisch; wischen Sie sie vor der Installation sauber.
Entfernen Sie die Füllschraube an der Oberseite jedes Radmotors (Bild 69).
Füllen Sie jeden Radmotor mit ca. 1,4 l Toro Premium Getriebe-/Hydrauliköl auf.
Setzen Sie die Füllschrauben wieder ein.

Entfernen Sie den Behälterdeckel und den Peilstab vom Hydrauliköltank.
Füllen Sie 7,6 l Getriebeöl in den Behälter ein.
Heben Sie das Heck der Maschine etwas an, stützen Sie es mit Achsständern oder Ähnlichem ab, sodass sich die Antriebsräder gerade ungehindert drehen.
Lassen Sie den Motor an und prüfen Sie auf undichte Stellen.
Lassen Sie den Motor für ungefähr 5 Minuten laufen, und stellen Sie ihn dann ab.
Prüfen Sie den Stand des Hydrauliköls nach zwei Minuten, siehe Prüfen des Hydraulikölstands.
Prüfen Sie die Messer regelmäßig auf Abnutzung oder Beschädigungen.
Prüfen Sie die Messer vorsichtig. Wickeln Sie die Messer in einen Lappen ein oder tragen Handschuhe; gehen Sie bei der Wartung der Messer mit besonderer Vorsicht vor. Wechseln oder schärfen Sie die Messer, sie dürfen keinesfalls geglättet oder geschweißt werden.
Denken Sie bei Maschinen mit mehreren Schnittmessern daran, dass ein rotierendes Schnittmesser das Mitdrehen anderer Schnittmesser verursachen kann.
Tauschen Sie abgenutzte oder defekte Messer und -schrauben als komplette Sätze aus, um die Wucht der Messer beizubehalten.
Halten Sie, damit eine optimale Schnittqualität sichergestellt wird, die Schnittmesser scharf. Halten Sie Ersatzschnittmesser zum Schärfen und Austauschen bereit.
Parken Sie die Maschine auf einer ebenen Fläche, kuppeln Sie den Zapfwellenantriebsschalter aus und aktivieren Sie die Feststellbremse.
Stellen Sie vor dem Verlassen der Bedienungsposition den Motor ab, ziehen Sie den Schlüssel ab und warten Sie, bis alle beweglichen Teile zum Stillstand gekommen sind.
| Wartungsintervall | Wartungsmaßnahmen |
|---|---|
| Bei jeder Verwendung oder täglich |
|
Untersuchen Sie die Schnittkanten (Bild 70).
Entfernen Sie das Messer und schärfen Sie es, wenn die Kanten nicht scharf sind oder Kerben aufweisen; siehe Schärfen der Messer.
Prüfen Sie die Schnittmesser, insbesondere im gebogenen Bereich.
Wenn Sie Risse, Verschleiß oder Rillenbildung in diesem Bereich feststellen, sollten Sie sofort ein neues Schnittmesser einbauen (Bild 70).

Note: Für die folgenden Schritte muss die Maschine auf einer ebenen Fläche stehen.
Heben Sie das Mähwerk auf die höchste Schnitthöhe an.
Tragen Sie dicke Handschuhe oder andere angemessene Handschuhe und drehen Sie das Messer langsam in eine Stellung, in der das Messen des Abstands zwischen der Schnittkante und der ebenen Fläche der Maschine möglich ist (Bild 71).

Messen Sie von der Messerspitze bis zu ebenen Fläche (Bild 72).

Drehen Sie dasselbe Messer um 180 Grad, sodass die andere Schnittkante jetzt in derselben Stellung ist (Bild 73).

Messen Sie von der Messerspitze bis zu ebenen Fläche (Bild 74).
Note: Die Differenz sollte höchstens 3 mm betragen.

Wenn die Differenz zwischen A und B größer als 3 mm ist, wechseln Sie das Messer aus, siehe Entfernen der Messer und Einbauen der Messer.
Note: Wenn Sie ein verbogenes Messer durch ein neues ersetzen und der Wert weiterhin über 3 mm liegt, ist die Messerspindel ggf. verbogen. Wenden Sie sich für den Kundendienst an den offiziellen Vertragshändler.
Wenn die Abweichung innerhalb der Beschränkungen liegt, fahren Sie mit dem nächsten Messer fort.
Wiederholen Sie die Schritte für jedes Messer.
Wechseln Sie die Messer aus, wenn sie auf ein festes Objekt aufgeprallt sind oder nicht ausgewuchtet oder verbogen sind.
Halten Sie das flache Ende der Spindelwelle mit einem Schraubenschlüssel oder halten Sie die Messerseite mit einem Lappen oder einem dick wattierten Handschuh.
Entfernen Sie die Messerschraube, Buchse und das Messer von der Spindelwelle (Bild 75).

Schärfen Sie die Schnittkante an beiden Enden des Schnittmessers mit einer Feile (Bild 76).
Note: Behalten Sie den ursprünglichen Winkel bei.
Note: Das Mähmesser behält seine Auswuchtung bei, wenn von beiden Schnittkanten die gleiche Materialmenge entfernt wird.

Prüfen Sie die Auswuchtung des Schnittmessers auf einer Ausgleichsmaschine (Bild 77).
Note: Wenn das Schnittmesser in seiner horizontalen Position bleibt, ist es ausgewuchtet und kann wiederverwendet werden.
Note: Feilen Sie, wenn das Schnittmesser nicht ausgewuchtet ist, vom Flügelbereich des Messers etwas Metall ab (Bild 76).

Wiederholen Sie diesen Vorgang, bis das Messer ausgewuchtet ist.
Montieren Sie eine Buchse durch das Messer, wobei der Bund der Buchse auf der unteren (Gras-)Seite des Messers liegen muss (Bild 78).

Montieren Sie die Buchsen-/Messerbaugruppe auf der Spindelwelle (Bild 79).

Geben Sie nach Bedarf Schmiermittel oder Fett auf Kupferbasis auf das Gewinde der Messerschraube, um ein Verklemmen zu verhindern. Ziehen Sie die Messerschraube handfest an.
Verwenden Sie einen Schraubenschlüssel auf dem flachen Ende der Spindelwelle, um die Messerschraube auf 75 bis 81 N∙m festzuziehen.
Note: Stellen Sie sicher, dass das Mähwerk nivelliert ist, bevor Sie die Schnitthöhe abstimmen.
Parken Sie die Maschine auf einer ebenen Fläche, kuppeln Sie den Zapfwellenantriebsschalter aus und aktivieren Sie die Feststellbremse.
Stellen Sie vor dem Verlassen der Bedienungsposition den Motor ab, ziehen Sie den Schlüssel ab und warten Sie, bis alle beweglichen Teile zum Stillstand gekommen sind.
Prüfen Sie den Reifendruck in den Antriebsreifen.
Falls erforderlich, auf 1,24 bar nachfüllen.
Heben mittels dem Schalter zum Anheben des Mähwerks das Mähwerk aus der Transportstellung (140 mm Schnitthöhe)

Stecken Sie den Schnitthöhen-Einstellstift für das Mähwerk in das Loch für die Schnitthöhe von 76 mm.
Lösen Sie den Transportriegel und senken Sie das Mähwerk auf die Schnitthöhe ab.
Heben Sie den Auswurfkanal an.
Messen Sie den Abstand zwischen dem Boden (ebene Fläche) bis zur vorderen Spitze des mittleren Messers (Bild 81).
Note: Das Maß sollte 76 mm betragen.
Unter den meisten Bedingungen sollten die hinteren Spitzen der Seitenmesser 6,4 mm höher eingestellt werden als die vorderen Spitzen.

Drehen Sie die Einstellmutter am Frontmähwerkhub, um eine genaue Einstellung zu erreichen (Bild 82).
Note: Drehen Sie die Einstellmutter nach rechts, um die Höhe zu vergrößern oder nach links, um die Höhe zu verringern.
Note: Wenn die Frontmähwerklenker nicht genug eingestellt sind, um eine genaue Schnitthöhe zu ergeben, können Sie sie mit der zentralen Einstellung noch weiter einstellen.

Messen Sie die Höhe der hinteren Messerspitze. Stellen Sie die hinteren Einsteller nach Bedarf ein; verwenden Sie die zentrale Einstellschraube, um mehr Einstellmöglichkeiten zu erhalten.
Die hinteren Spitzen der seitlichen Messer sollten 83 mm betragen.
Messen Sie, bis alle vier Seiten die richtige Höhe haben. Ziehen Sie alle Muttern an den Mähwerkhubarmen an.
Senken Sie den Auswurfkanal ab.
Wenn die vier Einstellvorrichtungen des Mähwerks nicht ausreichend eingestellt sind, um die genaue Schnitthöhe mit dem gewünschten Rechen zu erreichen, können Sie die die zentrale Einstellsystem (Bild 83) einstellen.

Um das zentrale Einstellsystem einzustellen, lösen Sie zunächst die vorderen und hinteren Befestigungsschrauben für die Höhenverstellplatte (Bild 83).

Wenn das Mähwerk zu niedrig ist, drehen Sie die zentrale Einstellschraube nach rechts, um sie anzuziehen. Wenn das Mähwerk zu hoch ist, drehen Sie die zentrale Einstellschraube nach links, um sie zu lösen (Bild 85).
Note: Lösen oder ziehen Sie die zentrale Einstellschraube so an, dass Sie die Befestigungsschrauben der Schnitthöhenplatte um mindestens ein Drittel des in den Schlitzen verfügbaren Spiels bewegen können. Damit erhalten Sie eine geringe Einstellung nach oben oder unten an jedem der vier Mähwerklenker.

Ziehen Sie die zwei Schrauben unten an der Schnitthöhenplatte an (Bild 83).
Note: Meistens sollte die Messerspitze hinten 6,4 mm höher sein als vorne.
Ziehen Sie die beiden Schrauben auf ein Drehmoment von 91-113 N∙m an.
Messen Sie, bis alle vier Seiten die richtige Höhe haben. Ziehen Sie alle Muttern an den Mähwerkhubarmen an.
Eine nicht abgedeckte Auswurföffnung kann zum Ausschleudern von Gegenständen auf den Bediener oder Unbeteiligte führen. Das kann schwere Verletzungen zur Folge haben. Außerdem könnte es auch zum Kontakt mit dem Messer kommen.
Setzen Sie die Maschine nur ein, wenn Sie eine Mulchplatte, eine Grasleitvorrichtung oder eine Fangvorrichtung montiert haben.
Entfernen Sie die Sicherungsmutter, Schraube, Feder und das Distanzstück, mit denen das Ablenkblech an den Schwenkhalterungen befestigt ist (Bild 86).
Entfernen Sie defekte oder abgenutzte Ablenkbleche (Bild 86).

Legen Sie das Distanzstück und die Feder auf das Ablenkblech.
Setzen Sie ein J-förmiges Federende hinter die Kante des Mähwerks.
Note: Achten Sie darauf, dass ein J-förmiges Federende hinter der Mähwerkkante befestigt ist, bevor Sie die Schraube einsetzen, wie in Bild 86 abgebildet.
Setzen Sie die Schraube und Mutter ein.
Führen Sie das J-förmige Hakenende der Feder um das Ablenkblech (Bild 86).
Important: Das Grasablenkblech muss sich drehen können. Heben Sie das Ablenkblech in die ganz geöffnete Stellung an und stellen Sie sicher, dass es sich in die ganz untere Stellung dreht.
| Wartungsintervall | Wartungsmaßnahmen |
|---|---|
| Bei jeder Verwendung oder täglich |
|
Important: Reinigen Sie den Motor nicht mit Wasser. Verwenden Sie Niederdruck-Druckluft. Weitere Informationen finden Sie in der Betriebsanleitung für den Motor.
Stellen Sie die Maschine auf eine ebene Fläche, kuppeln Sie den Zapfwellenantriebsschalter aus und aktivieren Sie die Feststellbremse.
Stellen Sie vor dem Verlassen der Bedienungsposition den Motor ab, ziehen Sie den Schlüssel ab und warten Sie, bis alle beweglichen Teile zum Stillstand gekommen sind.
Reinigen Sie das Schwungrad, den Zylinderkopf, die Einspritzdüsen und die Einspritzpumpe.
Entfernen Sie Rückstände vom Motorraum und von der Auspuffanlage.
Wischen Sie übermäßiges Schmiermittel oder Öl im Motorraum und am Auspuff ab.
| Wartungsintervall | Wartungsmaßnahmen |
|---|---|
| Bei jeder Verwendung oder täglich |
|
Stellen Sie die Maschine auf eine ebene Fläche, kuppeln Sie den Zapfwellenantriebsschalter aus und aktivieren Sie die Feststellbremse.
Stellen Sie vor dem Verlassen der Bedienungsposition den Motor ab, ziehen Sie den Schlüssel ab und warten Sie, bis alle beweglichen Teile zum Stillstand gekommen sind.
Reinigen Sie die Maschine und das Mähwerk von Öl, Schmutz oder Grasablagerungen, insbesondere unter den Riemenabdeckungen des Mähwerks, im Bereich des Kraftstofftanks sowie im Motor- und Auspuffbereich.
Heben Sie das Mähwerk in die TRANSPORT-Stellung an.
Entfernen Sie Grasablagerungen von der Unterseite des Mähwerks und im Ablenkblech am Auswurf.
Motoröl, Akkus, Hydrauliköl und Motorkühlmittel belasten die Umwelt. Entsorgen Sie diese Mittel entsprechend den in Ihrem Gebiet gültigen Vorschriften.
Stellen Sie vor dem Verlassen der Bedienerposition den Motor ab, ziehen Sie den Schlüssel ab und warten Sie, bis alle beweglichen Teile zum Stillstand gekommen sind. Lassen die Maschine abkühlen, bevor Sie sie einstellen, warten, reinigen, oder einlagern.
Lagern Sie die Maschine bzw. den Kraftstoff nicht in der Nähe von offenem Feuer bzw. lassen Sie den Kraftstoff nicht in einem geschlossenen Raum oder Anhänger ab.
Lagern Sie weder die Maschine noch den Kraftstoffkanister in der Nähe von offenen Flammen, Funken oder Zündflammen wie z. B. bei einem Heizkessel oder sonstigen Geräten.
Kuppeln Sie den Zapfwellenantriebsschalter aus und aktivieren die Feststellbremse.
Stellen Sie vor dem Verlassen der Bedienungsposition den Motor ab, ziehen Sie den Schlüssel ab und warten Sie, bis alle beweglichen Teile zum Stillstand gekommen sind.
Entfernen Sie Schnittgut und Schmutz von den äußeren Teilen der Maschine, insbesondere vom Motor und der Hydraulikanlage. Entfernen Sie Schmutz und Häcksel außen an den Zylinderkopfrippen des Motors und am Gebläsegehäuse.
Important: Sie können die Maschine mit einem milden Reinigungsmittel und Wasser waschen. Reinigen Sie die Maschine nicht mit einem Hochdruckreiniger. Vermeiden Sie den Einsatz von zu viel Wasser, insbesondere in der Nähe des Armaturenbretts, des Motors, der Hydraulikpumpen und -motoren.
Prüfen Sie die Funktion der Feststellbremse; siehe Einstellen der Feststellbremse.
Warten Sie den Luftfilter; siehe Warten des Luftfilters.
Schmieren Sie die Maschine ein; siehe Schmierung.
Wechseln Sie das Öl im Kurbelgehäuse; siehe Warten des Motoröls.
Prüfen Sie den Reifendruck; siehe Prüfen des Reifendrucks.
Wechseln Sie die Hydraulikfilter aus; siehe Wechseln des Hydrauliköls und des Hydraulikfilters.
Laden Sie die Batterie auf; siehe Aufladen der Batterie.
Schaben Sie starke Schnittgut- und Schmutzablagerungen von der Unterseite des Mähwerks ab und reinigen Sie das Mähwerk dann mit einem Gartenschlauch.
Note: Lassen Sie die Maschine mit eingekuppeltem Zapfwellenantriebsschalter und Motor mit hoher Drehzahl für 2-5 Minuten nach dem Reinigen laufen.
Prüfen Sie den Zustand der Messer; siehe Warten der Schnittmesser.
Bereiten Sie die Maschine bei einer Stilllegung von mehr als 30 Tagen zur Einlagerung vor. Bereiten Sie die Maschine wie im Anschluss beschrieben für die Einlagerung vor:
Geben Sie einen Stabilisator bzw. Konditioniermittel auf Mineralölbasis dem Benzin im Tank zu. Befolgen Sie dabei die Mischanweisungen des Herstellers des Stabilisators. Verwenden Sie keinen Stabilisator auf Alkoholbasis (Ethanol oder Methanol).
Note: Ein Kraftstoffstabilisator wirkt am effektivsten, wenn er frischem Benzin beigemischt und ständig verwendet wird.
Lassen Sie den Motor für fünf Minuten laufen, um den stabilisierten Kraftstoff in der Kraftstoffanlage zu verteilen.
Stellen Sie den Motor ab und lassen ihn abkühlen; lassen Sie den Kraftstoff aus dem Tank ablaufen.
Starten Sie den Motor und lassen Sie ihn laufen, bis er abstellt.
Entsorgen Sie Kraftstoff vorschriftsmäßig. Entsorgen Sie den Kraftstoff entsprechend den örtlich geltenden Vorschriften.
Important: Kraftstoff, der Stabilisator/Konditionier enthält, nicht länger als vom Hersteller des Kraftstoffstabilisators empfohlen lagern.
Prüfen Sie alle Muttern und Schrauben, und ziehen Sie diese bei Bedarf nach. Reparieren Sie alle beschädigten und defekten Teile oder wechseln sie aus.
Bessern Sie alle zerkratzten oder abgeblätterten Metallflächen aus. Die passende Farbe erhalten Sie bei Ihrem Toro Vertragshändler.
Lagern Sie die Maschine in einer sauberen, trockenen Garage oder an einem anderen geeigneten Ort ein. Ziehen Sie den Schlüssel aus dem Zündschloss und bewahren Sie ihn außerhalb der Reichweite von Kindern und anderen unbefugten Personen auf. Decken Sie die Maschine ab, damit sie geschützt ist und nicht verstaubt.
| Problem | Possible Cause | Corrective Action |
|---|---|---|
| Der Anlasser läuft nicht. |
|
|
| Der Motor springt nicht an, kann nur schwer angelassen werden, oder stellt ab. |
|
|
| Der Motor verliert an Leistung. |
|
|
| Der Motor wird zu heiß. |
|
|
| Die Maschine zieht (bei ganz nach vorne gedrückten Fahrantriebshebeln) nach links oder rechts. |
|
|
| Die Maschine fährt nicht. |
|
|
| Die Maschine weist abnormale Vibrationen auf. |
|
|
| Die Schnitthöhe ist unregelmäßig. |
|
|
| Die Schnittmesser drehen sich nicht. |
|
|



