| Maintenance Service Interval | Maintenance Procedure |
|---|---|
| Before each use or daily |
|
This rotary-blade, riding lawn mower is intended to be used by professional, hired operators. It is designed primarily for cutting grass on well-maintained lawns on residential or commercial properties. Using this product for purposes other than its intended use could prove dangerous to you and bystanders.
Read this information carefully to learn how to operate and maintain your product properly and to avoid injury and product damage. You are responsible for operating the product properly and safely.
Visit www.Toro.com for product safety and operation training materials, accessory information, help finding a dealer, or to register your product.
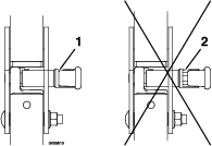
Whenever you need service, genuine Toro parts, or additional information, contact an Authorized Service Dealer or Toro Customer Service and have the model and serial numbers of your product ready. Figure 1 identifies the location of the model and serial numbers on the product. Write the numbers in the space provided.
Important: With your mobile device, you can scan the QR code (if equipped) on the serial number decal to access warranty, parts, and other product information.

This manual uses 2 words to highlight information. Important calls attention to special mechanical information and Note emphasizes general information worthy of special attention.
The safety-alert symbol (Figure 2) appears both in this manual and on the machine to identify important safety messages that you must follow to avoid accidents. This symbol will appear with the word Danger, Warning, or Caution.
Danger indicates an imminently hazardous situation which, if not avoided, will result in death or serious injury.
Warning indicates a potentially hazardous situation which, if not avoided, could result in death or serious injury.
Caution indicates a potentially hazardous situation which, if not avoided, may result in minor or moderate injury.

It is a violation of California Public Resource Code Section 4442 or 4443 to use or operate the engine on any forest-covered, brush-covered, or grass-covered land unless the engine is equipped with a spark arrester, as defined in Section 4442, maintained in effective working order or the engine is constructed, equipped, and maintained for the prevention of fire.
The enclosed engine owner's manual is supplied for information regarding the US Environmental Protection Agency (EPA) and the California Emission Control Regulation of emission systems, maintenance, and warranty. Replacements may be ordered through the engine manufacturer.
Gross or Net Torque: The gross or net torque of this engine was laboratory rated by the engine manufacturer in accordance with the Society of Automotive Engineers (SAE) J1940 or J2723. As configured to meet safety, emission, and operating requirements, the actual engine torque on this class of mower will be significantly lower. Please refer to the engine manufacturer’s information included with the machine.
CALIFORNIA
Proposition 65 Warning
Diesel engine exhaust and some of its constituents are known to the State of California to cause cancer, birth defects, and other reproductive harm.
Battery posts, terminals, and related accessories contain lead and lead compounds, chemicals known to the State of California to cause cancer and reproductive harm. Wash hands after handling.
Use of this product may cause exposure to chemicals known to the State of California to cause cancer, birth defects, or other reproductive harm.
This product is capable of amputating hands and feet and of throwing objects. Always follow all safety instructions to avoid serious personal injury or death.
Read and understand the contents of this Operator’s Manual before starting the engine.
Keep bystanders and children away.
Do not allow children or untrained people to operate or service the machine. Allow only people who are responsible, trained, familiar with the instructions, and physically capable to operate or service the machine.
Always keep the roll bar in the fully raised and locked position and use the seat belt.
Do not operate the machine near drop-offs, ditches, embankments, water, or other hazards, or on slopes greater than 15°.
Do not put your hands or feet near moving components of the machine.
Do not operate the machine without all guards, safety switches, and other safety protective devices in place and functioning properly.
Shut off the engine, remove the key, and wait for all moving parts to stop before leaving the operator’s position. Allow the machine to cool before servicing, adjusting, fueling, cleaning, or storing it.

![]() |
Safety decals and instructions are easily visible to the operator and are located near any area of potential danger. Replace any decal that is damaged or missing. |














60-inch side-discharge decks only

72-inch side-discharge decks only












Become familiar with all the controls before you start the engine and operate the machine.

Refer to the Software Guide for detailed information explaining the operator interface that allows you to access information, reset counters, modify system settings, and troubleshoot the equipment.

The information screen displays information relative to machine operation; refer to the Software Guide for more information.
The multi-functional buttons are located at the bottom of the panel. The icons displayed on the information screen above the buttons indicate the current function. The buttons allow you to select the engine speed and navigate through system menus.
Refer to the Software Guide for more information.
The LED status light is multi-colored to indicate the system status and is located on the right side of the panel. During startup, the LED illuminates red to orange to green to verify functionality.
Solid green—indicates normal operating activity
Blinking red—indicates an active fault
Blinking green and orange— indicates that a clutch reset is required
Refer to the Software Guide for more information.
If an error occurs, an error message displays, the LED turns red, and the alarm sounds audibly as follows:
A fast chirp sound indicates critical errors.
A slow chirping sound indicates less critical errors, such as required maintenance or service intervals.
Note: During startup, the alarm sounds briefly to verify functionality.
Refer to the Software Guide for more information.
The hour meter records the number of hours the engine has operated. It operates when the engine is running. Use these times for scheduling regular maintenance (Figure 6).
Hours are displayed in Engine-Off screen or in the Engine Hour Counter menu.
Refer to the Software Guide for more information.
Use the key switch to start the engine. It has 3 positions: START, RUN, and OFF.
Note: The LCD indicators appear when each control meets the “safe to start” mode (e.g., the indicator turns on when you are in the seat).
Note: The engine ECU controls the glow plugs during cold starts. If the coolant temperature is too low, the glow symbol displays on the monitor and the starter does not crank when you turn the engine to the START position. The glow plugs activate in the ON or START position. Once the glow has been on long enough for the coolant temperature, the glow symbol on the monitor disappears and the engine cranks when turned to the START position.
The throttle controls the engine speed, and there are 3 speeds: Maximum, Efficient, and Low.
Refer to the Software Guide for more information.
The blade-control switch (PTO) engages and disengages power to the mower blades (Figure 5).
The LCD indicator appears on the information screen when the PTO switch is disengaged.
Note: Machines equipped with the Horizon Display Monitor have a clutch saver, which allows the throttle to automatically reduce the engine speed when you disengage the PTO switch. Engaging and disengaging the PTO switch changes the engine throttle between MOW and TRANSPORT mode.
Note: The system allows you to start the machine with the PTO switch engaged, but does not engage the blades. Engaging the PTO requires you to reset the PTO switch by disengaging, then engaging it.
Press the switch rearward to raise the deck.
Press the switch forward to lower the deck.
Use the motion-control levers to drive the machine forward, reverse, and turn either direction (Figure 4).
Move the motion-control levers outward from the center to the NEUTRAL-LOCK position when exiting the machine (Figure 22). Always position the motion-control levers into the NEUTRAL-LOCK position when you stop the machine or leave it unattended.
Whenever you shut off the engine, engage the parking brake to prevent accidental movement of the machine.
| 60-inch Deck | 72-inch Deck | |
| Without the deck | 141.2 cm (55-5/8 inches) | 152.4 cm (60 inches) |
| Deflector up | 156 cm (61-3/8 inches) | 186.4 cm (73-3/8 inches) |
| Deflector down | 184.9 cm (72-13/16 inches) | 215.6 cm (84-7/8 inches) |
| 60-inch Deck | 72-inch Deck | |
| Roll bar up or down | 244.9 cm (96-3/8 inches) | 253 cm (99-5/8 inches) |
| Roll bar up | 182.4 cm (71-13/16 inches) |
| Roll bar down | 129.5 cm (51 inches) |
| 112 cm (44-1/8 inches) |
| 60-inch Deck | 72-inch Deck |
| 101.3 cm (39-7/8 inches) | 120.7 cm (47-1/2 inches) |
| 60-inch Deck | 72-inch Deck |
| 146.3 cm (57-5/8 inches) | 154.7 cm (60-7/8 inches) |
A selection of Toro approved attachments and accessories is available for use with the machine to enhance and expand its capabilities. Contact your Authorized Service Dealer or authorized Toro distributor or go to www.Toro.com for a list of all approved attachments and accessories.
To ensure optimum performance and continued safety certification of the machine, use only genuine Toro replacement parts and accessories. Replacement parts and accessories made by other manufacturers could be dangerous, and such use could void the product warranty.
Note: Determine the left and right sides of the machine from the normal operating position.
Do not allow children or untrained people to operate or service the machine. Local regulations may restrict the age of the operator. The owner is responsible for training all operators and mechanics.
Inspect the area where you will use the machine, and remove all objects that could interfere with the operation of the machine or that the machine could throw.
Become familiar with the safe operation of the equipment, operator controls, and safety signs.
Check that operator-presence controls, safety switches, and guards are attached and working properly. Do not operate the machine unless they are functioning properly.
Shut off the engine, remove the key, and wait for all moving parts to stop before leaving the operator’s position. Allow the machine to cool before servicing, adjusting, fueling, cleaning, or storing it.
Before mowing, inspect the machine to ensure that the cutting assemblies are working properly.
Evaluate the terrain to determine the appropriate equipment and any attachments or accessories required to operate the machine properly and safely.
Wear appropriate clothing, including eye protection; long pants; substantial, slip-resistant footwear; and hearing protection. Tie back long hair and do not wear loose clothing or loose jewelry.
Do not carry passengers on the machine.
Keep bystanders and pets away from the machine during operation. Shut off the machine and attachment(s) if anyone enters the area.
Do not operate the machine unless all guards and safety devices, such as the deflectors and the entire grass catcher, are in place and functioning properly. Replace worn or deteriorated parts when necessary.
Fuel is extremely flammable and highly explosive. A fire or explosion from fuel can burn you and others and can damage property.
To prevent a static charge from igniting the fuel, remove the machine from the truck or trailer and refuel it on the ground, away from all vehicles. If this is not possible, place a portable fuel container on the ground, away from all vehicles, and fill it; then refuel the machine from the fuel container rather than from a fuel-dispenser nozzle.
Fill the fuel tank outdoors on level ground, in an open area, and when the engine is cold. Wipe up any fuel that spills.
Do not handle fuel when smoking or around an open flame or sparks.
Do not remove the fuel cap or add fuel to the tank while the engine is running or hot.
If you spill fuel, do not attempt to start the engine. Avoid creating a source of ignition until the fuel vapors have dissipated.
Store fuel in an approved container and keep it out of the reach of children.
Fuel is harmful or fatal if swallowed. Long-term exposure to vapors can cause serious injury and illness.
Avoid prolonged breathing of vapors.
Keep your hands and face away from the nozzle and the fuel-tank opening.
Keep fuel away from your eyes and skin.
Do not store the machine or fuel container where there is an open flame, spark, or pilot light, such as on a water heater or on other appliances.
Do not operate the machine without the entire exhaust system in place and in proper working condition.
Keep the fuel-dispenser nozzle in contact with the rim of the fuel tank or container opening at all times until fueling is complete. Do not use a nozzle lock-open device.
If you spill fuel on your clothing, change your clothing immediately.
Do not overfill the fuel tank. Replace the fuel cap and tighten it securely.
Clean grass and debris from the cutting unit, muffler, drives, grass catcher, and engine compartment to help prevent fires. Clean up oil or fuel spills.
The engine runs on clean, fresh diesel fuel with a minimum cetane rating of 40. Purchase fuel in quantities that can be used within 30 days to ensure fuel freshness.
Use summer-grade diesel fuel (No. 2-D) at temperatures above -7°C (20°F) and winter-grade diesel fuel (No. 1-D or No. 1-D/2-D blend) below -7°C (20°F). Use of winter-grade diesel fuel at lower temperatures provides lower flash point and pour point characteristics, therefore easing startability and lessening chances of chemical separation of the fuel due to lower temperatures (wax appearance, which may plug filters).
Using summer-grade diesel fuel above -7°C (20°F) contributes toward longer life of the pump components.
Important: Do not use kerosene or gasoline instead of diesel fuel. Failure to observe this caution will damage the engine.
This machine can also use a biodiesel blended fuel of up to B20 (20% biodiesel, 80% petrodiesel). The petrodiesel portion should be ultra low sulfur.
Observe the following precautions:
The biodiesel portion of the fuel meet specification ASTM D6751 or EN14214.
The blended fuel composition should meet ASTM D975 or EN590.
Painted surfaces may be damaged by biodiesel blends.
Use B5 (biodiesel content of 5%) or lesser blend in cold weather.
Monitor seals, hoses, gaskets in contact with fuel as they may degrade over time.
Fuel filter plugging may be expected for a time after converting to biodiesel blends.
Contact your distributor for more information on biodiesel.
Park the machine on a level surface.
Engage the parking brake.
Shut off the engine and remove the key.
Clean around the fuel-tank cap.
Fill the fuel tank to the bottom of the filler neck (Figure 7).
Note: Do not fill the fuel tank completely full. The empty space in the tank allows the fuel to expand.

Before starting the machine each day, perform the Each Use/Daily procedures listed in .
New engines take time to develop full power. Mower decks and drive systems have higher friction when new, placing additional load on the engine. Allow 40 to 50 hours of break-in time for new machines to develop full power and best performance.
To avoid injury or death from rollover, keep the roll bar in the fully raised, locked position and use the seat belt.
Ensure that the seat is secured to the machine.
There is no rollover protection when the roll bar is in the down position.
Lower the roll bar only when absolutely necessary.
Do not wear the seat belt when the roll bar is in the down position.
Drive slowly and carefully.
Raise the roll bar as soon as clearance permits.
Check carefully for overhead clearances (i.e., branches, doorways, electrical wires) before driving under any objects and do not contact them.
Important: Always use the seat belt with the roll bar in the raised position.
Raise the roll bar to the operating position and rotate the knobs until they move partially into the grooves (Figure 9).
Raise the roll bar to the full upright position while pushing on the upper roll bar so that the pins snap into position when the holes align with the pins (Figure 9).
Push on the roll bar and ensure that both pins are engaged (Figure 9).

If the safety-interlock switches are disconnected or damaged, the machine could operate unexpectedly, causing personal injury.
Do not tamper with the interlock switches.
Check the operation of the interlock switches daily and replace any damaged switches before operating the machine.
The safety-interlock system is designed to prevent the engine from starting unless:
The parking brake is engaged.
The blade-control switch (PTO) is disengaged.
The motion-control levers are in the NEUTRAL-LOCK position.
The safety-interlock system also is designed to shut off the engine when the motion-control levers are moved from the NEUTRAL-LOCK position with the parking brake engaged or if you rise from the seat when the PTO is engaged.
The Horizon Display Monitor has indicators to notify the user when the interlock component is in the correct position. When the component is in the correct position, an indicator displays on the screen.

| Maintenance Service Interval | Maintenance Procedure |
|---|---|
| Before each use or daily |
|
Test the safety-interlock system before you use the machine each time. If the safety system does not operate as described below, have an Authorized Service Dealer repair the safety system immediately.
Sit on the seat, engage the parking brake, and move the blade-control switch (PTO) to the ON position. Try starting the engine; the engine should not start.
Sit on the seat, engage the parking brake, and move the blade-control switch (PTO) to the OFF position. Move either motion-control lever out of the NEUTRAL-LOCK position. Try starting the engine; the engine should not start. Repeat for the other control lever.
Sit on the seat, engage the parking brake, move the blade-control switch (PTO) to the OFF position, and move the motion-control levers to the NEUTRAL-LOCK position. Now start the engine. While the engine is running, disengage the parking brake, engage the blade-control switch (PTO), and rise slightly from the seat; the engine should shut off.
Sit on the seat, engage the parking brake, move the blade-control switch (PTO) to the OFF position, and move the motion-control levers to the NEUTRAL-LOCK position. Now start the engine. While the engine is running, center either motion control and move (forward or reverse); the engine should shut off. Repeat for other motion control.
Sit on the seat, disengage the parking brake, move the blade-control switch (PTO) to the OFF position, and move the motion-control levers to the NEUTRAL-LOCK position. Try starting the engine; the engine should not start.
The seat can move forward and backward. Position the seat where you have the best control of the machine and are most comfortable (Figure 11).

To unlatch the seat, push the seat latch forward (Figure 12).

The seat is adjustable to provide a smooth and comfortable ride. Position the seat where you are most comfortable.
To adjust it, turn the knob in front either direction to provide the best comfort (Figure 13).

The owner/operator can prevent and is responsible for accidents that may cause personal injury or property damage.
Use your full attention while operating the machine. Do not engage in any activity that causes distractions; otherwise, injury or property damage may occur.
Do not operate the machine while ill, tired, or under the influence of alcohol or drugs.
Contacting the blade can result in serious personal injury. Shut off the engine, remove the key, and wait for all moving parts to stop before leaving the operating position. When you turn the key to the OFF position, the engine should shut off and the blade should stop. If not, stop using your machine immediately and contact an Authorized Service Dealer.
Operate the machine only in good visibility and appropriate weather conditions. Do not operate the machine when there is the risk of lightning.
Keep your hands and feet away from the cutting units. Keep clear of the discharge opening.
Do not mow with the discharge deflector raised, removed, or altered unless there is a grass-collection system or mulch kit in place and working properly.
Do not mow in reverse unless it is absolutely necessary. Always look down and behind you before moving the machine in reverse.
Use extreme care when approaching blind corners, shrubs, trees, or other objects that may block your view.
Stop the blades whenever you are not mowing.
If the machine strikes an object or starts to vibrate, immediately shut off the engine, remove the key (if equipped), and wait for all moving parts to stop before examining the machine for damage. Make all necessary repairs before resuming operation.
Slow down and use caution when making turns and crossing roads and sidewalks with the machine. Always yield the right-of-way.
Before you leave the operating position, do the following:
Park the machine on a level surface.
Disengage the power takeoff and lower the attachments.
Engage the parking brake.
Shut off the engine and remove the key.
Wait for all moving parts to stop.
Operate the engine only in well-ventilated areas. Exhaust gases contain carbon monoxide, which is lethal if inhaled.
Never leave a running machine unattended.
Attach towed equipment to the machine only at the hitch point.
Do not operate the machine unless all guards and safety devices, such as the deflectors and the entire grass catcher, are in place and functioning properly. Replace worn or deteriorated parts when necessary.
Use only accessories and attachments approved by Toro.
This machine produces sound levels in excess of 85 dBA at the operator’s ear and can cause hearing loss through extended periods of exposure.

Clean grass and debris from the cutting unit, drives, muffler, and engine to help prevent fires.
Start the engine with your feet well away from the blades.
Be aware of the mower discharge path and direct the discharge away from others. Avoid discharging material against a wall or obstruction because the material may ricochet back toward you.
Stop the blades, slow down the machine, and use caution when crossing surfaces other than grass or when transporting the machine to and from the operating area.
Do not change the engine governor speed or overspeed the engine.
Children are often attracted to the machine and the mowing activity. Never assume that children will remain where you last saw them.
Keep children out of the operating area and under the watchful care of a responsible adult other than the operator.
Be alert and shut off the machine if children enter the operating area.
Before backing up or turning the machine, look down and all around for small children.
Do not carry children on the machine, even when the blades are not moving. Children could fall off and be seriously injured or prevent you from safely operating the machine. Children who have been given rides in the past could appear in the operating area without warning and be run over or backed over by the machine.
The ROPS is an integral safety device. Do not remove any of the ROPS components from the machine.
Ensure that the seat belt is attached and that you can release it quickly in an emergency.
Keep the roll bar in the fully raised and locked position and always wear your seat belt whenever the roll bar is up.
Check carefully for overhead objects before you drive under them, and do not contact them.
Replace damaged ROPS components. Do not repair or alter them.
There is no rollover protection when the roll bar is down.
Wheels dropping over edges, over steep banks, or into water can cause a rollover, which may result in serious injury or death.
Do not wear the seat belt when the roll bar is down.
Lower the roll bar only when absolutely necessary; raise it as soon as clearance permits.
In the event of a rollover, take the machine to an Authorized Service Dealer to inspect the ROPS.
Use only Toro approved accessories and attachments for the ROPS.
Slopes are a major factor related to loss of control and rollover accidents, which can result in severe injury or death. The operator is responsible for safe slope operation. Operating the machine on any slope requires extra caution. Before using the machine on a slope, do the following:
Review and understand the slope instructions in the manual and on the machine.
Use an angle indicator to determine the approximate slope angle of the area.
Never operate on slopes greater than 15°.
Evaluate the site conditions of the day to determine if the slope is safe for machine operation. Use common sense and good judgment when performing this evaluation. Changes in the terrain, such as moisture, can quickly affect the operation of the machine on a slope.
Identify hazards at the base of the slope. Do not operate the machine near drop-offs, ditches, embankments, water, or other hazards. The machine could suddenly roll over if a wheel goes over the edge or the edge collapses. Keep a safe distance (twice the width of the machine) between the machine and any hazard. Use a walk-behind machine or a hand trimmer to mow the grass in these areas.
Avoid starting, stopping, or turning the machine on slopes. Avoid making sudden changes in speed or direction; turn slowly and gradually.
Do not operate a machine under any conditions where traction, steering, or stability is in question. Be aware that operating the machine on wet grass, across slopes, or downhill may cause the machine to lose traction. Loss of traction to the drive wheels may result in sliding and a loss of braking and steering. The machine can slide even if the drive wheels are stopped.
Remove or mark obstacles such as ditches, holes, ruts, bumps, rocks, or other hidden hazards. Tall grass can hide obstacles. Uneven terrain could overturn the machine.
Use extra care while operating with accessories or attachments, such as grass-collection systems. These can change the stability of the machine and cause a loss of control. Follow directions for counterweights.
If possible, keep the deck lowered to the ground while operating on slopes. Raising the deck while operating on slopes can cause the machine to become unstable.

Always engage the parking brake when you stop the machine or leave it unattended.
Park the machine on a level surface.


The blade-control switch (PTO) starts and stops the mower blades and any powered attachments.
Note: Engaging the blade-control switch (PTO) with the throttle position at half or less causes excessive wear to the drive belts.


Important: Do not engage the starter for more than 5 seconds at a time. If the engine fails to start, wait 15 seconds between attempts. Failure to follow these instructions can burn out the starter motor.
Note: You may need multiple attempts to start the engine the first time after adding fuel to an empty fuel system.

Children or bystanders may be injured if they move or attempt to operate the machine while it is unattended.
Always remove the key and engage the parking brake when leaving the machine unattended.
Wait until the recommended engine cool-down time symbol (D of Figure 21) disappears from the display before shutting off the engine.


The drive wheels turn independently, powered by hydraulic motors on each axle. You can turn 1 side in reverse while you turn the other forward, causing the machine to spin rather than turn. This greatly improves the machine maneuverability but may require some time for you to adapt to how it moves.
The throttle control regulates the engine speed as measured in rpm (revolutions per minute). Place the throttle control in the FAST position for best performance. Always operate in the full throttle position when mowing.
The machine can spin very rapidly. You may lose control of the machine and cause personal injury or damage to the machine.
Use caution when making turns.
Slow the machine down before making sharp turns.
Note: The engine shuts off when you move the traction-control with the parking brake engaged.
To stop the machine, pull the motion-control levers to the NEUTRAL position.
Disengage the parking brake.
Move the motion-control levers to the center, unlocked position.
To go forward, slowly push the motion-control levers forward (Figure 23).

Move the motion-control levers to the center, unlocked position.
To go in reverse, slowly pull the motion-control levers rearward (Figure 24).

The mower has a hinged grass deflector that disperses clippings to the side and down toward the turf.
Without a grass deflector, discharge cover, or a complete grass-catcher assembly mounted in place, you and others are exposed to blade contact and thrown debris. Contact with rotating mower blade(s) and thrown debris will cause injury or death.
Never remove the grass deflector from the mower deck because the grass deflector routes material down toward the turf. If the grass deflector is ever damaged, replace it immediately.
Never put your hands or feet under the mower deck.
Never try to clear the discharge area or mower blades unless you move the blade-control switch (PTO) to the OFF position, rotate the key switch to the OFF position, and remove the key from the key switch.
Make sure that the grass deflector is in the down position.
Adjust the height of cut from 25 to 140 mm (1 to 5-1/2 inches) in 6 mm (1/4 inch) increments by moving the clevis pin into different hole locations.
With the engine running, push the deck-lift switch rearward until the mower deck is fully raised, and release the switch immediately.
Rotate the height-of-cut pin until the roll pin in it lines up with the slots in the holes in the height-of-cut bracket and remove it (Figure 25).
Insert the height-of-cut pin into the hole corresponding to the desired cutting height (Figure 25).
Refer to the decal on the side of the deck-lift plate for the heights of cut (Figure 25).
Using the deck-lift switch, move the deck height out of the transport position (or 5-1/2 inches (140 mm) cutting height) and down to the selected height.

For maximum deck flotation, install the rollers 1 hole position lower. Rollers should maintain a 6 mm (1/4 inch) clearance to the ground. Do not adjust the rollers to support the deck.
Park the machine on a level surface.
Disengage the blade-control switch (PTO), move the motion-control levers to the NEUTRAL-LOCK position, and engage the parking brake.
Shut off the engine, remove the key, and wait for all moving parts to stop before leaving the operating position.
Adjust the anti-scalp rollers as shown in Figure 26, Figure 27, and Figure 28.



Torque the flange nut to 68 to 75 N∙m (50 to 55 ft-lb).
This procedure applies only to machines with the flow baffle knob. Certain models have nuts and bolts instead of the flow baffle knob that you can adjust the same way.
You can adjust the mower discharge flow for different types of mowing conditions. Position the knob and baffle to give the best quality of cut.
Park the machine on a level surface, disengage the blade-control switch, and engage the parking brake.
Shut off the engine, remove the key, and wait for all moving parts to stop before leaving the operating position.
Loosen the knob.
Slide the knob to the desired position.
Tighten the knob.
The following figures are recommendations only. Adjustments vary by grass type, moisture content, and the height of the grass.
Note: If the engine power draws down and the mower ground speed is the same, open the baffle.
This is the fully-rear position. The suggested use for this position is as follows:
Short, light grass mowing conditions
Dry conditions
Smaller grass clippings
Propels grass clippings farther away from the mower

Use this position when bagging. Always align it with the blower opening.

This is the fully-forward position. The suggested use for this position is as follows:
Tall, dense grass mowing conditions
Wet conditions
Lowers the engine-power consumption
Allows increased ground speed in heavy conditions

The PTO disengages, an alarm sounds, and a bar graph displays the engine temperature when it reaches an overheat condition. The PTO does not engage until the engine has cooled and you manually shut off the PTO and engage it.
Note: If the engine-coolant level is below the indicator line on the overflow bottle when the engine is cold, the coolant temperature gauge may not register correctly during operation and/or the audible alarm may not sound if the engine overheats.
For best mowing and maximum air circulation, operate the engine at the FAST position. Air is required to thoroughly cut grass clippings, so do not set the height-of-cut so low as to totally surround the mower deck in uncut grass. Always try to have 1 side of the mower deck free from uncut grass, which allows air to be drawn into the mower deck.
Cut grass slightly longer than normal to ensure that the cutting height of the mower deck does not scalp any uneven ground. However, the cutting height used in the past is generally the best one to use. When cutting grass longer than 15 cm (6 inches) tall, you may want to cut the lawn twice to ensure an acceptable quality of cut.
It is best to cut only about a third of the grass blade. Cutting more than that is not recommended unless grass is sparse, or it is late fall when grass grows more slowly.
Alternate the mowing direction to keep the grass standing straight. This also helps disperse clippings, which enhances decomposition and fertilization.
Grass grows at different rates at different times of the year. To maintain the same cutting height, mow more often in early spring. As the grass growth rate slows in mid summer, mow less frequently. If you cannot mow for an extended period, first mow at a high cutting height, then mow again 2 days later at a lower height setting.
To improve cut quality, use a slower ground speed in certain conditions.
When mowing uneven turf, raise the cutting height to avoid scalping the turf.
If you must stop the forward motion of the machine while mowing, a clump of grass clippings may drop onto your lawn. To avoid this, move onto a previously cut area with the blades engaged or you can disengage the mower deck while moving forward.
Clean clippings and dirt from the underside of the mower deck after each use. If grass and dirt build up inside the mower deck, cutting quality will eventually become unsatisfactory.
Maintain a sharp blade throughout the cutting season because a sharp blade cuts cleanly without tearing or shredding the grass blades. Tearing and shredding turns grass brown at the edges, which slows growth and increases the chance of disease. Check the mower blades after each use for sharpness, and for any wear or damage. File down any nicks and sharpen the blades as necessary. If a blade is damaged or worn, replace it immediately with a genuine Toro replacement blade.
Engage the parking brake, shut off the engine, remove the key, and wait for all moving parts to stop before leaving the operator’s position. Allow the machine to cool before servicing, adjusting, fueling, cleaning, or storing it.
Clean grass and debris from the cutting unit, muffler, drives, grass catcher, and engine compartment to help prevent fires. Clean up oil or fuel spills.
Shut off the fuel and remove the key before storing or transporting the machine.
Hands may become entangled in the rotating drive components below the engine deck, which could result in serious injury.
Shut off the engine, remove the key, and allow all moving parts to stop before accessing the drive-wheel release valves.
The engine and hydraulic-drive units can become very hot. Touching a hot engine or hydraulic-drive units can cause severe burns.
Allow the engine and hydraulic-drive units to cool completely before accessing the drive-wheel release valves.
The machine could unintentionally move while the bypass levers are locked forward in the slot and injure you or bystanders.
Lock the bypass levers rearward after moving the machine.
Park the machine on a level surface, disengage the blade-control switch, and engage the parking brake.
Shut off the engine, remove the key, and wait for all moving parts to stop before leaving the operating position.
Use the drive-wheel release valves to release the hydrostatic drive system, which allows you to push the machine without the running the engine.
Rotate each bypass valve counterclockwise 1 turn to release; rotate each bypass valve clockwise to reset the system (Figure 32).
Important: Do not overtighten. Do not tow the machine.

Use a heavy-duty trailer or truck to transport the machine. Use a full-width ramp. Ensure that the trailer or truck has all the necessary brakes, lighting, and marking as required by law. Please carefully read all the safety instructions. Knowing this information could help you or bystanders avoid injury. Refer to your local ordinances for trailer and tie-down requirements.
Driving on the street or roadway without turn signals, lights, reflective markings, or a slow-moving-vehicle emblem is dangerous and can lead to accidents, causing personal injury.
Do not drive the machine on a public street or roadway.
Loading a machine onto a trailer or truck increases the possibility of tip-over and could cause serious injury or death (Figure 33).
Use only a full-width ramp; do not use individual ramps for each side of the machine.
Do not exceed a 15-degree angle between the ramp and the ground or between the ramp and the trailer or truck.
Ensure that the length of the ramp is at least 4 times as long as the height of the trailer or truck bed to the ground. This ensures that the ramp angle does not exceed 15 degrees on flat ground.

Loading a machine onto a trailer or truck increases the possibility of tip-over and could cause serious injury or death.
Use extreme caution when operating a machine on a ramp.
Back the machine up the ramp and drive it forward down the ramp.
Avoid sudden acceleration or deceleration while driving the machine on a ramp as this could cause a loss of control or a tip-over situation.
If using a trailer, connect it to the towing vehicle and connect the safety chains.
If applicable, connect the trailer brakes and lights.
Lower the ramp, ensuring that the angle between the ramp and the ground does not exceed 15 degrees (Figure 33).
Back the machine up the ramp (Figure 34).

Shut off the engine, remove the key, and engage the parking brake.
Tie down the machine near the front caster wheels and the rear frame with straps, chains, cable, or ropes (Figure 35). Refer to local regulations for tie-down requirements.

If you leave the key in the switch, someone could accidently start the engine and seriously injure you or other bystanders. Remove the key from the switch before you perform any maintenance.
Before you leave the operator’s position, do the following:
Park the machine on a level surface.
Disengage the drives.
Engage the parking brake.
Shut off the engine and remove the key.
Allow machine components to cool before performing maintenance.
Do not allow untrained personnel to service the machine.
Keep your hands and feet away from moving parts or hot surfaces. If possible, do not make adjustments with the engine running.
Carefully release pressure from components with stored energy.
Check the parking brake operation frequently. Adjust and service it as required.
Never tamper with safety devices. Check their proper operation regularly.
Clean grass and debris from the cutting unit, muffler, drives, grass catcher, and engine compartment to prevent fires.
Clean up oil or fuel spills and remove fuel-soaked debris.
Do not rely on hydraulic or mechanical jacks to support the machine; support the machine with jack stands whenever you raise the machine.
Keep all parts in good working condition and all hardware tightened, especially the blade-attachment hardware. Replace all worn or damaged decals.
Disconnect the cable from the negative terminal of the battery before repairing the machine.
To ensure optimum performance, use only genuine Toro replacement parts and accessories. Replacement parts and accessories made by other manufacturers could be dangerous, and such use could void the product warranty.
| Maintenance Service Interval | Maintenance Procedure |
|---|---|
| After the first 100 hours |
|
| After the first 200 hours |
|
| Before each use or daily |
|
| Every 50 hours |
|
| Every 100 hours |
|
| Every 200 hours |
|
| Every 400 hours |
|
| Every 500 hours |
|
| Every 800 hours |
|
| Every 2,000 hours |
|
| Monthly |
|
| Yearly |
|
Important: Refer to your engine owner's manual for additional maintenance procedures.
If you leave the key in the switch, someone could accidently start the engine and seriously injure you or other bystanders.
Shut off the engine and remove the key from the switch before you perform any maintenance.
| Maintenance Service Interval | Maintenance Procedure |
|---|---|
| Every 400 hours |
|
| Yearly |
|
Grease more frequently when operating conditions are extremely dusty or sandy.
Grease Type: No. 2 lithium or molybdenum grease
Park the machine on a level surface, disengage the blade-control switch, and engage the parking brake.
Shut off the engine, remove the key, and wait for all moving parts to stop before leaving the operating position.
Clean the grease fittings with a rag.
Note: Make sure that you scrape any paint off the front of the fitting(s).
Connect a grease gun to the fitting.
Pump grease into the fittings until grease begins to ooze out of the bearings.
Wipe up any excess grease.
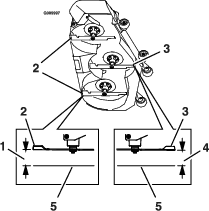
Refer to the following chart for fitting locations and lubrication schedule.
| Lubrication Chart | |||
|---|---|---|---|
| Fitting Locations | Pumps | Number of Places | Service Interval |
| 1. Deck-drive PTO | 1 | 3 | Every 50 hours |
| 2. Deck-idler pivots | 1 | 1 | Every 400 hours or yearly |
| 3. Caster-wheel bearings | 0 | 2 | Yearly |
| 4. Caster pivots | 0 | 2 | Every 400 hours or yearly |
![]() |
| Maintenance Service Interval | Maintenance Procedure |
|---|---|
| Every 50 hours |
|
Note: For easier access to the drive U-joints and splined slip joint, remove the floor pan and fully lower the mower deck.
Park the machine on a level surface, disengage the blade-control switch, and engage the parking brake.
Shut off the engine, remove the key, and wait for all moving parts to stop before leaving the operating position.
Clean the grease fittings with a rag.
Connect a grease gun to the fitting.
Pump grease into the fittings until grease begins to ooze out of the bearings.
Wipe up any excess grease.

| Maintenance Service Interval | Maintenance Procedure |
|---|---|
| Every 400 hours |
|
| Yearly |
|
Park the machine on a level surface, disengage the blade-control switch, and engage the parking brake.
Shut off the engine, remove the key, and wait for all moving parts to stop before leaving the operating position.
Remove the dust cap and adjust the caster pivots and keep the dust cap off until greasing is done; refer to Adjusting the Caster-Pivot Bearing.
Remove the hex plug.
Thread a grease fitting into the hole.
Pump grease into the fitting until it oozes out around the top bearing.
Remove the grease fitting from the hole. Install the hex plug and cap.
| Maintenance Service Interval | Maintenance Procedure |
|---|---|
| Yearly |
|
Park the machine on a level surface, disengage the blade-control switch, and engage the parking brake.
Shut off the engine, remove the key, and wait for all moving parts to stop before leaving the operating position.
Raise the mower for access.
Remove the caster wheel from the caster forks.
Remove the seal guards from the wheel hub.

Remove a spacer nut from the axle assembly in the caster wheel.
Note: Thread-locking compound has been applied to lock the spacer nuts to the axle.
Remove the axle (with the other spacer nut still assembled to it) from the wheel assembly.
Pry out seals and inspect bearings for wear or damage and replace if necessary.
Pack the bearings with a general-purpose grease.
Insert 1 bearing and 1 new seal into the wheel.
If the axle assembly is missing both spacer nuts, apply a thread-locking compound to 1 spacer nut and thread it onto the axle with the wrench flats facing outward.
Note: Do not thread the spacer nut all of the way onto the end of the axle. Leave approximately 3 mm (1/8 inch) from the outer surface of the spacer nut to the end of the axle inside the nut.
Insert the assembled nut and axle into the wheel on the side with the new seal and bearing.
With the open end of the wheel facing up, fill the area inside the wheel around the axle full of general-purpose grease.
Insert the second bearing and new seal into the wheel.
Apply a thread-locking compound to the second spacer nut, and thread it onto the axle with the wrench flats facing outward.
Torque the nut to 8 to 9 N∙m (75 to 80 in-lb), loosen the nut, then torque it to 2 to 3 N∙m (20 to 25 in-lb).
Note: Make sure that the axle does not extend beyond either nut.
Install the seal guards over the wheel hub, and insert the wheel into the caster fork.
Install the caster bolt and tighten the nut fully.
Important: To prevent seal and bearing damage, check the bearing adjustment often. Spin the caster tire. The tire should not spin freely (more than 1 or 2 revolutions) or have any side play. If the wheel spins freely, adjust the torque on the spacer nut until there is a slight amount of drag. Apply another layer of thread-locking compound.
Keep your hands, feet, face, other body parts, and clothing away from the muffler and other hot surfaces. Allow engine components to cool before performing maintenance.
Do not change the engine governor speed or overspeed the engine.
| Maintenance Service Interval | Maintenance Procedure |
|---|---|
| Every 400 hours |
|
Park the machine on a level surface, disengage the blade-control switch (PTO), and engage the parking brake.
Shut off the engine, remove the key, and wait for all moving parts to stop before leaving the operating position.
Check the air-cleaner body for damage, which could possibly cause an air leak.
Replace a damaged air-cleaner body.
Check the air-intake system for leaks, damage, or loose hose clamps.
Service the air-cleaner filter and safety element when alerted (Figure 38).
Important: Do not over-service the air filter.

Ensure that the cover seats correctly and seals with the air-cleaner body.
Note: If the foam gasket in the cover is damaged, replace it.
Important: Avoid using high-pressure air, which could force dirt through the filter into the intake tract.
Important: Do not clean the used filter to avoid damaging the filter media.
Important: Do not use a damaged filter.
Important: Do not apply pressure to the flexible center of the filter.

| Maintenance Service Interval | Maintenance Procedure |
|---|---|
| After the first 200 hours |
|
| Before each use or daily |
|
| Every 200 hours |
|
| Every 400 hours |
|
| Yearly |
|
The engine ships with oil in the crankcase; however, check the oil level before and after you first start the engine. Check the oil level before operating the machine each day or each time you use the machine.
Crankcase capacity for 25 HP Yanmar Diesel Engines: 4.7 L (5 US qt) with the filter
Crankcase capacity for 37 HP Yanmar Diesel Engines: 6.6 L (7 US qt) with the filter
Preferred engine oil: Toro Premium Engine Oil
If using an alternate oil, use high-quality, low-ash engine oil that meets or exceeds the following specifications:
API service category CJ-4 or higher
ACEA service category E6
JASO service category DH-2
Important: Using engine oil other than API classification CJ-4 or higher, ACEA E6, or JASO DH-2 may cause the diesel particulate filter to plug or cause engine damage.
Use the following engine oil viscosity grade:
SAE 10W-30 or 5W-30 (all temperatures)
SAE 15W-40 (above 0° F)
Note: Toro Premium Engine oil is available from your distributor. See the Parts Catalog or contact an authorized Toro distributor for part numbers.
Park the machine on a level surface, disengage the blade-control switch (PTO), and engage the parking brake.
Shut off the engine, remove the key, and wait for all moving parts to stop before leaving the operating position.
Open the hood.
Check the engine-oil level as shown in Figure 40.

If possible, run the engine just before changing the oil because warm oil flows better and carries more contaminants than cold oil.
Park the machine on a level surface, disengage the blade-control switch (PTO), and engage the parking brake.
Shut off the engine, remove the key, and wait for all moving parts to stop before leaving the operating position.
Open the hood.
Change the engine oil as shown in Figure 41.

Replace the engine-oil filter as shown in Figure 42.

Fill the crankcase with oil; refer to Engine-Oil Specifications.
| Maintenance Service Interval | Maintenance Procedure |
|---|---|
| Every 800 hours |
|
Inspect the engine-valve clearance. Refer to the engine owner’s manual.
In certain conditions, fuel is extremely flammable and highly explosive. A fire or explosion from fuel can burn you and others and can damage property.
Refer to Fuel Safety for a complete list of fuel related precautions.
| Maintenance Service Interval | Maintenance Procedure |
|---|---|
| Every 50 hours |
|
Park the machine on a level surface, disengage the blade-control switch, and engage the parking brake.
Shut off the engine, remove the key, and wait for all moving parts to stop before leaving the operating position.
Place a drain pan below the fuel filter/water separator.
Open the drain plug on the water separator approximately 1 turn to allow water and other contaminates to drain (Figure 43).

Close the drain plug when only diesel fuel comes out.
Important: Water or other contaminants in fuel can damage the fuel pump and/or other engine components.
| Maintenance Service Interval | Maintenance Procedure |
|---|---|
| Every 400 hours |
|

| Maintenance Service Interval | Maintenance Procedure |
|---|---|
| Every 400 hours |
|
Inspect the fuel lines for deterioration, damage, chaffing, or loose connections.
Disconnect the cable from the negative terminal of the battery before repairing the machine.
Charge the battery in an open, well-ventilated area, away from sparks and flames. Unplug the charger before connecting or disconnecting the battery. Wear protective clothing and use insulated tools.
Battery electrolyte contains sulfuric acid, which is fatal if consumed and causes severe burns.
Do not drink electrolyte and avoid contact with skin, eyes or clothing. Wear safety glasses to shield your eyes and rubber gloves to protect your hands.
Battery terminals or metal tools could short against metal machine components, causing sparks. Sparks can cause the battery gasses to explode, resulting in personal injury.
When removing or installing the battery, do not allow the battery terminals to touch any metal parts of the machine.
Do not allow metal tools to short between the battery terminals and metal parts of the machine.
Incorrect battery cable routing could damage the machine and cables causing sparks. Sparks can cause the battery gasses to explode, resulting in personal injury.
Always disconnect the negative (black) battery cable before disconnecting the positive (red) cable.
Always connect the positive (red) battery cable before connecting the negative (black) cable.
Disengage the blade-control switch (PTO), move the motion-control levers to the NEUTRAL-LOCK position, and engage the parking brake.
Shut off the engine, remove the key, and wait for all moving parts to stop before leaving the operating position.
Unlatch the seat and tilt the seat up.
Remove the battery as shown in Figure 45.

Note: Position the battery in the tray with the terminal posts opposite from the hydraulic tank.

| Maintenance Service Interval | Maintenance Procedure |
|---|---|
| Monthly |
|
Charging the battery produces gasses that can explode.
Never smoke near the battery and keep sparks and flames away from battery.
Important: Always keep the battery fully charged (1.265 specific gravity). This is especially important to prevent battery damage when the temperature is below 0°C (32°F).
Make sure that the filler caps are installed in battery. Charge battery for 10 to 15 minutes at 25 to 30 A or 30 minutes at 10 A.
When the battery is fully charged, unplug the charger from the electrical outlet, then disconnect the charger leads from the battery posts (Figure 47).
Install the battery in the machine and connect the battery cables, refer to Installing the Battery.
Note: Do not run the machine with the battery disconnected, electrical damage may occur.

The electrical system is protected by fuses. It requires no maintenance, however, if a fuse blows check component/circuit for malfunction or short.
Unlatch the engine hood and raise the engine hood to gain access to the fuse block.
To replace the fuses, pull out on the fuse to remove it.
Install a new fuse (Figure 48).

| Maintenance Service Interval | Maintenance Procedure |
|---|---|
| Before each use or daily |
|
Inspect the seat belt for wear, cuts, and proper operation of the retractor and buckle. Replace the seat belt if it is damaged.
Disengage the blade-control switch (PTO).
Drive to an open flat area, move the motion-control levers to the NEUTRAL-LOCK position.
Move the throttle midway between the FAST and SLOW positions.
Move both motion-control levers all the way forward until they both hit the stops in the T-slot.
Check which way the machine tracks.
Engage the parking brake, shut off the engine, and remove the key.
Adjust the stop plates as needed.
If the machine tracks to the right, loosen the bolts and adjust the left stop plate rearward on the left T-slot until the machine tracks straight (Figure 49).
If the machine tracks to the left, loosen the bolts and adjust the right stop plate rearward on the right T-slot until the machine tracks straight (Figure 49).
Tighten the stop plate (Figure 49).

Align the levers in the front-to-rear position by bringing the levers together to the NEUTRAL position, and slide them until they are aligned, then tighten the bolts (Figure 50).

If alignment is needed, loosen the 2 motion-control lever mounting bolts on the misaligned side (Figure 51).

Move motion-control lever to meet the opposite side.
Tighten the 2 motion-control lever mounting bolts (Figure 51).
| Maintenance Service Interval | Maintenance Procedure |
|---|---|
| Every 50 hours |
|
Rear tire air pressure specification: 124 kPa (18 psi).
Note: The caster tires are semi-pneumatic tires and do not require air pressure maintenance.
Low tire pressure decreases machine side-hill stability. This could cause a rollover, which may result in personal injury or death.
Do not under-inflate the tires.
Check the air pressure in the rear tires. Add or remove air as needed to set the air pressure in the tires to the tire air pressure specification.
Important: Maintain pressure in all tires to ensure a good quality of cut and proper machine performance.Check the air pressure in all the tires before operating the machine.

| Maintenance Service Interval | Maintenance Procedure |
|---|---|
| After the first 100 hours |
|
Torque the wheel lug nuts to 115 to 142 N∙m (85 to 105 ft-lb).
| Maintenance Service Interval | Maintenance Procedure |
|---|---|
| Every 500 hours |
|
Park the machine on a level surface, disengage the blade-control switch, and engage the parking brake.
Shut off the engine, remove the key, and wait for all moving parts to stop before leaving the operating position.
Remove the dust cap from the caster and tighten the locknut (Figure 53).
Tighten the locknut until the spring washers are flat, and then back off a 1/4 turn to properly set the preload on the bearings (Figure 53).
Important: Make sure that the spring washers are installed correctly as shown in Figure 53.
Install the dust cap (Figure 53).

| Maintenance Service Interval | Maintenance Procedure |
|---|---|
| Every 50 hours |
|
Use SAE 75W-90 synthetic gear lube.
Park the machine on a level surface and engage the parking brake.
Lower the mower deck to the 25 mm (1 inch) height of cut.
Disengage the blade-control switch, shut off the engine, remove the key, and wait for all moving parts to stop before leaving the operating position.
Lift the footrest to expose the top of the mower deck.
Remove the dipstick/fill plug from the top of the gearbox and ensure that the lubricant is between the marks on the dipstick (Figure 54).

If the oil level is low, add enough lubricant until the level is between the marks on the dipstick.
Important: Do not overfill the gearbox; overfilling the gearbox may damage it.
| Maintenance Service Interval | Maintenance Procedure |
|---|---|
| After the first 200 hours |
|
| Every 400 hours |
|
If the oil becomes contaminated, contact your Toro Distributor because the system must be flushed. Contaminated oil looks milky or black when compared to clean oil.
Park the machine on a level surface and engage the parking brake.
Lower the mower deck to the 25 mm (1 inch) height of cut.
Disengage the blade-control switch, shut off the engine, remove the key, and wait for all moving parts to stop before leaving the operating position.
Lift the footrest to expose the top of the mower deck.
Remove the dipstick/fill plug from the top of the gearbox and ensure that the lubricant is between the marks on the dipstick (Figure 54).
Extract the oil through the fill port using a vacuum device or remove the gearbox from the deck and pour out the oil into a drain pan.
Install the gearbox (if it was removed to drain).
Add approximately 420 ml (14 fl oz), until the level is between the marks on the dipstick
Important: Do not overfill the gearbox; overfilling the gearbox may damage it.
Swallowing engine coolant can cause poisoning; keep out of reach from children and pets.
Discharge of hot, pressurized coolant or touching a hot radiator and surrounding parts can cause severe burns.
Always allow the engine to cool at least 15 minutes before removing the radiator cap.
Use a rag when opening the radiator cap, and open the cap slowly to allow steam to escape.
| Maintenance Service Interval | Maintenance Procedure |
|---|---|
| Before each use or daily |
|
Coolant specification: 50/50 solution of water and permanent ethylene-glycol antifreeze
Cooling-system capacity: 7.6 L (8 US qt)
Park the machine on a level surface, disengage the blade-control switch, and engage the parking brake.
Shut off the engine, remove the key, and wait for all moving parts to stop before leaving the operating position.
Open the hood.
Check the level of the coolant in the expansion tank (Figure 55).
Note: The coolant level should be between the marks on the side of the tank.

If coolant level is low, remove the expansion-tank cap, and add the specified coolant (Figure 55).
Important: Do not overfill.
Install the expansion-tank cap.
Close the hood.
| Maintenance Service Interval | Maintenance Procedure |
|---|---|
| Every 50 hours |
|
Clean the radiator to prevent the engine from overheating.
Note: If the mower deck or engine shuts off due to overheating, check the radiator for excessive buildup of debris.
Park the machine on a level surface, disengage the blade-control switch, and engage the parking brake.
Shut off the engine, remove the key, and wait for all moving parts to stop before leaving the operating position.
Rotate the hood forward.
Using compressed air, blow out debris stuck between the fins of the entire radiator, both from the top down and bottom up.
If debris remains, it may be necessary to use water from a low-pressure hose.
If the radiator is clean, proceed to step 7.
Cover the engine with a piece of cardboard or a plastic sheet. Squirt water through the fins. Blow through with low-pressure air from both directions.
Note: If debris remains, repeat until clean.
Lower the hood.
Start the engine to ensure that the fan functions properly.
| Maintenance Service Interval | Maintenance Procedure |
|---|---|
| Every 2,000 hours |
|
Park the machine on a level surface, disengage the blade-control switch, and engage the parking brake.
Shut off the engine, remove the key, and wait for all moving parts to stop before leaving the operating position.
Rotate the hood forward.
Drain the coolant when the engine is cool.
Remove the radiator cap, place a pan under the radiator, and remove the drain plug at the bottom of the radiator.
Remove the coolant hose from the oil cooler and drain the coolant from the engine block (Figure 56).

Install the drain plugs and hoses.
Fill radiator with a 50/50 mix of water and ethylene glycol.
Note: The use of Havoline® Xtended Life coolant is recommended.
Allow some room (approximately 12.7 mm (1/2 inch)) for expansion. Add 50/50 coolant mix to the overflow bottle on the left side of the engine as required to bring the level up to the indicator line on the bottle.
Operate engine until the engine thermostat opens and the coolant is circulating through the radiator core.
As air purges from the engine block and the coolant level drops, add additional coolant to the radiator.
When the radiator is completely full and no additional coolant can be added, continue running and install the radiator cap.
Ensure that the cap is completely seated by pressing down firmly while turning, until the cap stops. Once the cap is installed, shut off the engine.
| Maintenance Service Interval | Maintenance Procedure |
|---|---|
| After the first 100 hours |
|
| Every 400 hours |
|
Check to ensure that parking brake is adjusted properly. Follow this procedure also whenever you have removed or replaced a brake component.
Park the machine on a level surface, disengage the blade-control switch, and engage the parking brake.
Shut off the engine, remove the key, and wait for all moving parts to stop before leaving the operating position.
Raise the rear of the machine up and support the machine with jack stands.
Remove the rear tires from the machine.
Remove any debris from the brake area.
Release the drive wheels; refer to Using the Drive-Wheel Release Valves.
Measure the length of the link assembly (Figure 57).
Note: If the link assembly is attached in the front position, the length should be 219 mm (8-5/8 inches); if it is attached in the rear position, the length should be 232 mm (9-1/8 inches).

Measure the length of the spring (Figure 57).
Note: The measurement should be 95 mm (3-3/4 inches).
When you achieve the correct spring length, check to see if there is a visible gap between the trunion and the shoulder.
Disengage the parking brake and turn the wheel hub by hand in both directions.
Note: The wheel hub should move freely.
If a gap is needed or the wheel hub does move freely, do the following:
Disengage the parking brake.
Disconnect and fine-tune the rear linkage assembly.
Shorten the link to create a gap.
Lengthen the link to allow wheel hub movement.
Connect the rear linkage assembly.
Engage the parking brake and check the gap.
Repeat steps 10 through 12 until a visible gap is achieved and the wheel hub rotates freely. Repeat this procedure for the other side.
Note: The brake should fully disengage when the brake is in the released position.
Rotate the drive wheel release handle to the operating position; refer to Using the Drive-Wheel Release Valves.
Install the rear tires and torque the lug nuts to 115 to 142 N∙m (85 to 105 ft-lb).
Remove the jack stands.
| Maintenance Service Interval | Maintenance Procedure |
|---|---|
| Every 50 hours |
|
Replace the belt if it is worn. The signs of a worn belt include squealing while the belt is rotating; the blades slipping while cutting grass; and frayed edges, burn marks, and cracks on the belt.
Squealing when the belt is rotating, blades slipping when cutting grass, frayed belt edges, burn marks and cracks are signs of a worn mower belt. Replace the belt if any of these conditions are evident.
Park the machine on a level surface, disengage the blade-control switch, and engage the parking brake.
Shut off the engine, remove the key, and wait for all moving parts to stop before leaving the operating position.
Lower the mower to the 76 mm (3 inches) height of cut.
Remove the belt covers (Figure 58).

Use a ratchet in the square hole in the idler arm to remove tension on the idler spring (Figure 59).
Remove the belt from the mower-deck pulley.
Install the new belt around the mower pulleys (Figure 59).

Ensure that the spring ends are seated in the anchor grooves, and using the ratchet in the square hole, install the belt around the idler pulley (Figure 59).
Install the belt covers (Figure 60).

| Maintenance Service Interval | Maintenance Procedure |
|---|---|
| Every 100 hours |
|
Apply 44 N (10 lb) of force to the alternator belt, midway between the pulleys.
If the deflection is not 10 mm (3/8 inch), loosen the alternator mounting bolts (Figure 61).

Increase or decrease the alternator-belt tension.
Tighten the mounting bolts.
Check the deflection of the belt again to ensure that the tension is correct.
There are 2 height positions for the control levers—high and low. Remove the bolts to adjust the height for the operator.
Park the machine on a level surface, disengage the blade-control switch (PTO), and engage the parking brake.
Shut off the engine, remove the key, and wait for all moving parts to stop before leaving the operating position.
Loosen the bolts and flange nuts installed in the levers (Figure 62).
Align the levers in the front-to-rear position by bringing the levers together to the NEUTRAL position, and slide them until they are aligned, then tighten the bolts (Figure 63).


If the ends of the levers hit against each other, refer to Adjusting the Motion-Control Linkage.
Repeat to adjust the control levers.
Located on either side of the machine, below the seat, are the pump-control linkages. Rotating the end nut with a 1/2-inch deep socket wrench allows fine tuning adjustments so that the machine does not move in neutral. Any adjustments should be made for neutral positioning only.
To adjust the motion control, you must run the engine and turn the drive wheels. Contact with moving parts or hot surfaces may cause personal injury.
Keep your fingers, hands, and clothing clear of rotating components and hot surfaces.
Park the machine on a level surface, disengage the blade-control switch (PTO), and engage the parking brake.
Shut off the engine, remove the key, and wait for all moving parts to stop before leaving the operating position.
Push the deck-lift pedal, remove the height-of-cut pin, and lower the mower deck to the ground
Raise the rear of the machine up and support it with jack stands (or equivalent support) just high enough to allow the drive wheels to turn freely.
Remove the electrical connection from the seat safety switch, located under the bottom cushion of the seat.
Note: The switch is a part of the seat assembly.
Temporarily install a jumper wire across the terminals in the connector of the main wire harness.
Start the engine, run it at full throttle, and disengage the parking brake.
Note: Before starting the engine, ensure that the parking brake is engaged and that the motion-control levers are out. You do not have to be in the seat.
Run the machine at least 5 minutes with the drive levers at full forward speed to bring the hydraulic fluid up to the operating temperature.
Note: The motion-control levers must be in neutral while you are making any adjustments.
Bring the motion-control levers into the NEUTRAL position.
Adjust the pump control rod lengths by rotating the double nuts on the rod in the appropriate direction until the wheels slightly creep in reverse (Figure 64).

Move the motion-control levers to the REVERSE position and while applying slight pressure to the lever, allow the reverse-indicator springs to bring the levers back to neutral.
Note: The wheels should stop turning or slightly creep in reverse.
Shut off the machine.
Remove the jumper wire from the wire harness and plug the connector into the seat switch.
Remove the jack stands.
Raise the deck and install the height-of-cut pin.
Check and ensure that the machine does not creep in neutral with the parking brake disengaged.
You can adjust the top damper-mounting bolt to obtain the desired motion-control lever resistance. Refer to Figure 65 for mounting options.

Seek immediate medical attention if fluid is injected into skin. Injected fluid must be surgically removed within a few hours by a doctor.
Ensure that all hydraulic-fluid hoses and lines are in good condition and all hydraulic connections and fittings are tight before applying pressure to the hydraulic system.
Keep your body and hands away from pinhole leaks or nozzles that eject high-pressure hydraulic fluid.
Use cardboard or paper to find hydraulic leaks.
Safely relieve all pressure in the hydraulic system before performing any work on the hydraulic system.
Hydraulic-tank capacity: 15.1 L (16 US qt)
Recommended fluid: Toro Premium Transmission/Hydraulic Tractor Fluid (available in 5-gallon pails or 55-gallon drums. See the Parts Catalog or contact an authorized Toro distributor for part numbers.)
Alternate fluids: If the Toro fluid is not available, Mobil® 424 hydraulic fluid may be used.
Note: Toro does not assume responsibility for damage caused by improper substitutions.
Note: Many hydraulic fluids are almost colorless, making it difficult to spot leaks. A red dye additive for the hydraulic-system fluid is available in 20 ml (2/3 fl oz) bottles. 1 bottle is sufficient for 15 to 22 L (4 to 6 gallons) of hydraulic fluid. Order Part Number 44-2500 from your authorized Toro distributor.
| Maintenance Service Interval | Maintenance Procedure |
|---|---|
| Before each use or daily |
|
Check the hydraulic-fluid level before you first start the engine and daily thereafter.
Park the machine on a level surface, disengage the blade-control switch, and engage the parking brake.
Move the motion-control levers to the NEUTRAL-LOCK position and start the engine.
Note: Run the engine at the lowest possible rpm to purge any air in the system.
Important: Do not engage the PTO.
Raise the deck to extend the lift cylinders, shut off the engine, and remove the key.
Raise the seat to access the hydraulic-fluid tank.
Remove the hydraulic-tank cap (Figure 66).

Remove the dipstick and wipe it with a clean rag (Figure 66).
Place the dipstick into the filler neck, remove it, and check the fluid level (Figure 67).
Note: If the level is not within the notched area of the dipstick, add enough high-quality hydraulic fluid to raise the level to within the notched area.
Important: Do not overfill.

Replace the dipstick and thread the fill cap finger-tight onto the filler neck.
Check all hoses and fittings for leaks.
| Maintenance Service Interval | Maintenance Procedure |
|---|---|
| After the first 200 hours |
|
| Every 400 hours |
|
| Every 800 hours |
|
Disengage the PTO, move the motion-control levers to the NEUTRAL-LOCK position, and engage the parking brake.
Move the throttle lever to the SLOW position, shut off the engine, remove the key, and wait for all moving parts to stop before leaving the operating position.
Raise the seat.
Place a large drain pan under the hydraulic reservoir, transmission case, and the left and right wheel motors (Figure 68).

Remove the drain plugs from each area and allow the hydraulic fluid to drain (Figure 68).
Clean the area around the hydraulic-fluid filter and remove the filter (Figure 68).
Install a new hydraulic-fluid filter and turn the filter clockwise until the rubber seal contacts the filter adapter, then tighten the filter an additional 2/3 to 3/4 turn.
Install the 4 drain plugs.
Note: The wheel motor drain plugs are magnetic; wipe them clean before installing.
Remove the fill-port plug on the top of each wheel motor (Figure 69).
Fill each wheel motor with approximately 1.4 L (1.5 US qt) of Toro Premium Transmission/Hydraulic Tractor Fluid.
Install the fill-port plugs.

Remove the reservoir cap and dipstick from the hydraulic-fluid tank.
Add 7.6 L (8 US qt) of fluid to the reservoir.
Raise the rear of machine up and support it with jack stands (or equivalent support) just high enough to allow the drive wheels to turn freely.
Start the engine and check for fluid leaks.
Allow the engine to run for about 5 minutes, then shut it off.
After 2 minutes, check the level of the hydraulic fluid; refer to Checking the Hydraulic-Fluid Level.
Inspect the blades periodically for wear or damage.
Use care when checking the blades. Wrap the blades or wear gloves, and use caution when servicing the blades. Only replace or sharpen the blades; never straighten or weld them.
On multi-bladed machines, take care as rotating one blade can cause other blades to rotate.
Replace worn or damaged blades and bolts in sets to preserve balance.
To ensure a superior quality of cut, keep the blades sharp. For convenient sharpening and replacement, you may want to keep extra blades on hand.
Park the machine on a level surface, disengage the blade-control switch, and engage the parking brake.
Shut off the engine, remove the key, and wait for all moving parts to stop before leaving the operating position.
| Maintenance Service Interval | Maintenance Procedure |
|---|---|
| Before each use or daily |
|
Inspect the cutting edges (Figure 70).
If the edges are not sharp or have nicks, remove and sharpen the blade; refer to Sharpening the Blades.
Inspect the blades, especially in the curved area.
If you notice any cracks, wear, or a slot forming in this area, immediately install a new blade (Figure 70).

Note: The machine must be on a level surface for the following procedure.
Raise the mower deck to the highest height-of-cut position.
While wearing thickly padded gloves, or other adequate hand protection, slowly rotate the blade into a position that allows you to measure the distance between the cutting edge and the level surface the machine is on (Figure 71).

Measure from the tip of the blade to the flat surface (Figure 72).

Rotate the same blade 180 degrees so that the opposing cutting edge is now in the same position (Figure 73).

Measure from the tip of the blade to the flat surface (Figure 74).
Note: The variance should be no more than 3 mm (1/8 inch).

If the difference between A and B is greater than 3 mm (1/8 inch), replace the blade with a new blade; refer to Removing the Blades and Installing the Blades.
Note: If a bent blade is replaced with a new blade, and the dimension obtained continues to exceed 3 mm (1/8 inch), the blade spindle could be bent. Contact an Authorized Service Dealer for service.
If the variance is within constraints, move to the next blade.
Repeat this procedure on each blade.
Replace the blades if they hit a solid object, or if the blade is out of balance or bent.
Place a wrench on the flat of the spindle shaft or hold the blade end using a rag or thickly padded glove.
Remove the blade bolt, bushing, and blade from the spindle shaft (Figure 75).

Use a file to sharpen the cutting edge at both ends of the blade (Figure 76).
Note: Maintain the original angle.
Note: The blade retains its balance if the same amount of material is removed from both cutting edges.

Check the balance of the blade by putting it on a blade balancer (Figure 77).
Note: If the blade stays in a horizontal position, the blade is balanced and can be used.
Note: If the blade is not balanced, file some metal off the end of the sail area only (Figure 76).

Repeat this procedure until the blade is balanced.
Install the bushing through the blade with the bushing flange on the bottom (grass) side of the blade (Figure 78).

Install the bushing/blade assembly into the spindle shaft (Figure 79).

Apply copper-based lubricant or grease to the threads of the blade bolt as needed to prevent seizing. Install the blade bolt finger-tight.
Place a wrench on the flat of the spindle shaft and torque the blade bolt to 75 to 81 N∙m (55 to 60 ft-lb).
Note: Ensure that the mower deck is level before matching the height of cut (HOC).
Park the machine on a level surface, disengage the blade-control switch, and engage the parking brake.
Shut off the engine, remove the key, and wait for all moving parts to stop before leaving the operating position.
Check tire pressure of the drive tires.
If needed, adjust to 124 kPa (18 psi).
Using the deck-lift switch, move the deck height out of the transport position (140 mm/5-1/2 inches cutting height).

Insert the height-of-cut pin into the 76 mm (3 inches) height-of-cut location.
Release the transport lock and allow the deck to lower to the cutting height.
Raise the discharge deflector.
Measure from the level surface to the front tip of the center blade (Figure 81).
Note: The measurement should read 76 mm (3 inches).
In most conditions, the back tips on the side blades should be adjusted to 6.4 mm (1/4 inch) higher than the front.

Fine-tune the adjustment nut on the front deck lift assembly by turning it (Figure 82).
Note: To increase the height, turn the adjustment nut clockwise; to decrease, turn it counterclockwise.
Note: If the front deck links do not have enough adjustment to achieve accurate cutting height, you can use the single-point adjustment to gain more adjustment.

Measure the rear blade tip height. Fine-tune the rear adjusters as required; use the single-point adjustment to gain more adjustment.
The rear tips of the side blades should measure 83 mm (3-1/4 inches).
Measure until all 4 sides are the correct height. Tighten all the nuts on the deck-lift arm assemblies.
Lower the discharge deflector.
If the 4 deck adjusters do not have enough adjustment to achieve the accurate height of cut with the desired rake, you can adjust the single-point system (Figure 83).

To adjust the single-point system, first loosen the front and rear height-of-cut plate mounting bolts (Figure 83).

If the deck is too low, tighten the single-point adjustment bolt by rotating it clockwise. If the deck is too high, loosen the single-point adjustment bolt by rotating it counterclockwise (Figure 85).
Note: Loosen or tighten the single-point adjustment bolt enough to move the height-of-cut plate mounting bolts at least 1/3 the length of the available travel in their slots. This regains some up and down adjustment on each of the 4 deck links.

Tighten the 2 bolts at the bottom of the height-of-cut plate (Figure 83).
Note: For most conditions, adjust the black blade tip 6.4 mm (1/4 inch) higher than the front.
Torque the 2 bolts to 91 to 113 N∙m (67 to 83 ft-lb).
Measure until all 4 sides are the correct height. Tighten all the nuts on the deck lift arm assemblies.
An uncovered discharge opening could allow the machine to throw objects toward you or bystanders, resulting in serious injury. Also, contact with the blade could occur.
Never operate the machine unless you install a mulch plate, discharge deflector, or grass collection system.
Remove the locknut, bolt, spring, and spacer holding the deflector to the pivot brackets (Figure 86).
Remove the damaged or worn grass deflector (Figure 86).

Place the spacer and the spring onto grass deflector.
Place 1 J-hook end of the spring behind the deck edge.
Note: Make sure that 1 J-hook end of the spring is installed behind the deck edge before installing the bolt as shown in Figure 86.
Install the bolt and the nut.
Place 1 J-hook end of the spring around the grass deflector (Figure 86).
Important: The grass deflector must be able to rotate. Lift the deflector up to the full open position and ensure that it rotates into the full down position.
| Maintenance Service Interval | Maintenance Procedure |
|---|---|
| Before each use or daily |
|
Important: Do not use water to clean the engine. Use low-pressure compressed air. See the engine owner's manual.
Park the machine on a level surface, disengage the blade-control switch (PTO), and engage the parking brake.
Shut off the engine, remove the key, and wait for all moving parts to stop before leaving the operating position.
Clean around the flywheel, cylinder head, injectors, and injector pump.
Clean all debris from the exhaust system area.
Wipe up any excessive grease or oil around the engine and exhaust area.
| Maintenance Service Interval | Maintenance Procedure |
|---|---|
| Before each use or daily |
|
Park the machine on a level surface, disengage the blade-control switch (PTO), and engage the parking brake.
Shut off the engine, remove the key, and wait for all moving parts to stop before leaving the operating position.
Clean off any oil, debris, or grass build-up on the machine and mower deck, especially under the deck-belt shields, around the fuel tank, and around the engine and exhaust area.
Raise the mower deck to the TRANSPORT position.
Clean out any grass build-up from the underside of deck and in the discharge deflector.
Engine oil, batteries, hydraulic fluid, and engine coolant are pollutants to the environment. Dispose of these according to your state and local regulations.
Shut off the engine, remove the key, and wait for all moving parts to stop before you leave the operator’s position. Allow the machine to cool before adjusting, servicing, cleaning, or storing it.
Do not store the machine or fuel near flames or drain the fuel indoors or inside an enclosed trailer.
Do not store the machine or fuel container where there is an open flame, spark, or pilot light, such as on a water heater or on other appliances.
Disengage the blade-control switch (PTO), and engage the parking brake.
Shut off the engine, remove the key, and wait for all moving parts to stop before leaving the operating position.
Remove grass clippings, dirt, and grime from the external parts of the entire machine, especially the engine and hydraulic system. Clean dirt and chaff from the outside of the engine cylinder head fins and blower housing.
Important: You can wash the machine with mild detergent and water. Do not pressure wash the machine. Avoid excessive use of water, especially near the control panel, engine, hydraulic pumps, and motors.
Check the parking brake operation; refer to Adjusting the Parking Brake.
Service the air cleaner; refer to Servicing the Air Cleaner.
Grease the machine; refer to Lubrication.
Change the crankcase oil; refer to Servicing the Engine Oil.
Check the tire pressure; refer to Checking the Tire Pressure.
Change the hydraulic filters; refer to Changing the Hydraulic Fluid and Filter.
Charge the battery; refer to Charging the Battery.
Scrape any heavy buildup of grass and dirt from the underside of the mower, then wash the mower with a garden hose.
Note: Run the machine with the blade-control switch (PTO) engaged and the engine at high idle for 2 to 5 minutes after washing.
Check the condition of the blades; refer to Servicing the Cutting Blades.
Prepare the machine for storage when non-use occurs over 30 days. Prepare the machine for storage as follows:
Add a petroleum-based stabilizer/conditioner to fuel in the tank. Follow mixing instructions from the stabilizer manufacturer. Do not use an alcohol-based stabilizer (ethanol or methanol).
Note: A fuel stabilizer/conditioner is most effective when mixed with fresh fuel and used at all times.
Run the engine to distribute conditioned fuel through the fuel system for 5 minutes.
Shut off the engine, allow it to cool, and drain the fuel tank.
Start the engine and run it until it stops.
Dispose of fuel properly. Recycle the fuel according to local codes.
Important: Do not store fuel containing stabilizer/conditioner longer than the duration recommended by the fuel-stabilizer manufacturer.
Check and tighten all bolts, nuts, and screws. Repair or replace any part that is damaged.
Paint all scratched or bare metal surfaces. Paint is available from your Authorized Service Dealer.
Store the machine in a clean, dry garage or storage area. Remove the key from the switch and keep it out of reach of children or other unauthorized users. Cover the machine to protect it and keep it clean.
| Problem | Possible Cause | Corrective Action |
|---|---|---|
| The starter does not crank. |
|
|
| The engine does not start, starts hard, or fails to keep running. |
|
|
| The engine loses power. |
|
|
| The engine overheats. |
|
|
| The machine pulls to the left or right (with the motion-control levers fully forward). |
|
|
| The machine does not drive. |
|
|
| The machine vibrates abnormally. |
|
|
| The cutting height is uneven. |
|
|
| The blades do not rotate. |
|
|



