Vedligeholdelse
Advarsel
Hvis maskinen ikke vedligeholdes korrekt, kan det føre til for tidligt maskinsystemsvigt og muligvis til skade på dig eller omkringstående.
Hold maskinen i god vedligeholdelses- og driftsmæssig stand som angivet i disse anvisninger.
Note: Maskinens venstre og højre side er som set fra den normale betjeningsposition.
Sikkerhed under vedligeholdelsesarbejde
-
Før du forlader førersædet, skal du gøre følgende:
-
Parker maskinen på en plan flade.
-
Udkobl klippeenheden/-erne.
-
Sørg for, at traktionen er i neutral.
-
Aktiver parkeringsbremsen.
-
Sluk for maskinen, og tag nøglen ud (hvis udstyret hermed).
-
Vent på, at al bevægelse standser.
-
-
Vent, til maskinens komponenter er kølet ned, før du udfører vedligeholdelsesarbejde.
-
Udfør så vidt muligt ikke vedligeholdelsesarbejde, mens maskinen kører. Hold afstand til bevægelige dele.
-
Hvis maskinen skal køre for at udføre en vedligeholdelsesjustering, skal du holde hænder, fødder, tøj og alle kropsdele væk fra klippeenheden, redskaber og bevægelige dele. Hold omkringstående på afstand.
-
Fjern græs og andet overskydende materiale fra klippeenheden, drevet, motoren og batteriet for at forhindre brand.
-
Hold alle dele i god driftsmæssig stand. Udskift alle slidte, beskadigede eller manglende dele og mærkater. Hold alle beslag tilspændte for at sikre, at maskinen er i sikker driftsmæssig stand.
-
Efterse græsopsamlerens komponenter hyppigt, og udskift dem, når det er nødvendigt.
-
Brug kun originale Toro-reservedele for at sørge for en sikker, optimal ydeevne på maskinen. Reservedele, der er fremstillet af andre producenter, kan være farlige, og brug heraf kan ugyldiggøre produktgarantien.
-
Kontakt en autoriseret Toro-forhandler, hvis det bliver nødvendigt med større reparationer, eller hvis du har brug for anden hjælp.
Skema over anbefalet vedligeholdelse
| Vedligeholdelsesintervaller | Vedligeholdelsesprocedure |
|---|---|
| Efter hver anvendelse |
|
| For hver 750 timer |
|
Kontrolliste for daglig vedligeholdelse
Important: Kopier denne side til rutinemæssig brug.
| Vedligeholdelsespunkter | I ugen: | ||||||
|---|---|---|---|---|---|---|---|
| Man. | Tirs. | Ons. | Tors. | Fre. | Lør. | Søn. | |
| Kontroller, at bremselåshåndtaget fungerer korrekt. | |||||||
| Kontroller for usædvanlige lyde under drift. | |||||||
| Kontroller afstanden mellem knivcylinderen og bundkniven. | |||||||
| Kontroller justeringen af klippehøjden. | |||||||
| Reparer beskadiget maling. | |||||||
| Rengør maskinen. | |||||||
| Eftersyn foretaget af: | ||
| Punkt | Dato | Oplysninger |
Tiltag forud for vedligeholdelse
Klargøring af maskinen til vedligeholdelse
Advarsel
Mens du justerer eller udfører vedligeholdelse på maskinen, kan en anden person starte maskinen. Utilsigtet start af maskinen kan påføre dig eller andre omkringstående alvorlig fysisk skade.
Slip traktionsbøjlen, aktiver parkeringsbremsen, tag nøglen ud, og frakobl batteriet, før du udfører nogen form for vedligeholdelse.
Udfør følgende inden serviceeftersyn, rengøring eller justering af maskinen:
-
Parker maskinen på en plan flade.
-
Aktiver parkeringsbremsen.
-
Sluk for maskinen.
-
Vent, indtil alle bevægelige dele er standset inden serviceeftersyn, opbevaring eller reparationer.
-
Frakobl batteriet ved at trække T-håndtagsstikket ud af hovedstrømforsyningsstikket (Figur 30).

Vedligeholdelse af elektrisk system
Sikkerhed i forbindelse med det elektriske system
-
Frakobl batteriet, før maskinen repareres.
-
Oplad batteriet på et åbent sted med god ventilation, væk fra gnister og åben ild. Træk stikket til opladeren ud af stikkontakten, før du slutter den til eller kobler den fra batteriet. Brug beskyttelsesdragt og isoleret værktøj.
Eftersyn af batteripakken
Mærkaterne er de eneste dele i batteripakken, som brugeren kan reparere. Hvis du forsøger at åbne batteripakkens eller hovedstyreenhedens hovedrum, bortfalder garantien. Hvis der opstår problemer med batteripakken, skal du henvende dig til din autoriserede Toro-forhandler for at få hjælp.
Advarsel
Batteripakken indeholder høj spænding, der kan give forbrændinger eller elektrisk stød.
-
Forsøg aldrig at åbne batteripakken.
-
Undlad at anbringe noget i stikket på batteripakken, ud over ledningsnetstikket, der blev leveret med produktet.
-
Udvis ekstrem forsigtighed, når du håndterer en batteripakke, hvis kasse er revnet.
-
Brug kun den oplader, der er beregnet til batteripakken
Bortskaffelse af batteriet
Lithium-ion-batteriet skal bortskaffes eller genbruges i overensstemmelse med lokale og nationale forskrifter.
Vedligeholdelse af batteriopladeren
Important: Alle reparationer af elektriske dele må udelukkende udføres af en autoriseret Toro-forhandler.
Operatøren kan udføre meget lidt vedligeholdelse ud over at beskytte opladeren mod beskadigelse og vejrforhold.
Vedligeholdelse af batteriopladerens ledninger
-
Rengør ledningerne med en let fugtig klud efter hver brug.
-
Rul ledningerne sammen, når de ikke anvendes.
-
Undersøg regelmæssigt ledningerne for beskadigelse, og udskift dem med Toro-godkendte reservedele efter behov.
Rengøring af batteriopladerens kasse
Rengør kassen med en let fugtig klud efter hver brug.
Udskiftning af sikringer
Hvis maskinen ikke kan tændes selv efter opladning, skal du kontrollere dens sikringer som følger:
-
Sluk for maskinen, og frakobl batteriet.
-
Fjern de 4 skruer (Figur 31), der fastgør batteripakkens dæksel, og afmonter dækslet.

-
Kontroller sikringerne i sikringsblokken (Figur 32).

-
Hvis der er sprungne sikringer, skal du udskifte dem med sikringer med korrekt spænding og amperetal. Se traktionsenhedens servicevejledning for at finde delnumre på specifikke sikringer.
Important: Alle sikringer på maskinen er normeret til 80 V. Brug ikke 12 V-sikringer beregnet til køretøjer.
Anerkendelse af batteriets grænsefladepanel
Et grænsefladepanel på batteriet udsender lys, der angiver batteriets tilstand, herunder batteriets ladestatus, opladningstilstand, fejl og batteriopdateringer. Kontakt din autoriserede Toro-forhandler for at få flere oplysninger om batteriets grænsefladepanel.
Vedligeholdelse af drivsystem
Udskiftning af transmissionsolien
| Vedligeholdelsesintervaller | Vedligeholdelsesprocedure |
|---|
Note: Se Figur 33 for at få oplysninger om denne procedure.

-
Fjern udluftningsanordningen og adapterenheden fra transmissionen.
-
Få en anden person til at vippe maskinen bagud, og placer en bakke under transmissionen.
Note: Brug bakken til at opsamle transmissionsvæsken.
-
Fjern aftapningsproppen fra transmissionen, og lad væsken løbe ud.
-
Monter aftapningsproppen.
-
Tilspænd aftapningsproppen med et moment på 4 til 5 Nm.
-
Tilsæt 473 ml Dexron VI syntetisk transmissionsvæske via adapteranordningen.
-
Monter udluftningsanordningen og adapterenheden, og tilspænd den med et moment på 12 til 15 Nm.
Vedligeholdelse af betjeningsanordningssystem
Justering af drifts-/parkeringsbremsen
Juster drifts-/parkeringsbremsen, hvis den glider under drift.
-
Deaktiver parkeringsbremsen.
-
Mål frigangen for enden af parkeringsbremsens håndtag (Figur 34).
Frigangen ved håndtaget bør ligge mellem 12,7 og 25,4 mm. Hvis frigangen ikke ligger inden for dette område, skal du gå til trin 3 for at justere bremsekablet.

-
Udfør følgende trin for at justere bremsekabelspændingen:
-
For at øge kabelspændingen skal du løsne kablets forreste kontramøtrik og stramme den bageste kontramøtrik (Figur 35). Gentag trin 2, og juster spændingen om nødvendigt.
-
For at mindske kabelspændingen skal du løsne den bageste kontramøtrik og stramme kablets forreste kontramøtrik (Figur 35). Gentag trin 2, og juster spændingen om nødvendigt.
-

Vedligeholdelse af klippeenhederne
Skæreknivssikkerhed
-
Vær forsigtig, når du efterser klippeenheden på knivcylinderen. Brug handsker, og vær forsigtig, når der foretages eftersyn af knivcylinderen.
-
En slidt eller beskadiget skærekniv eller bundkniv kan gå itu, og et stykke kan blive kastet mod dig eller omkringstående, hvilket kan medføre alvorlig personskade eller død.
-
Efterse regelmæssigt skære- og bundknivene for kraftig slitage eller skader.
-
Vær forsigtig, når du efterser skæreknivene. Brug handsker, og vær forsigtig, når du efterser skæreknive. Du må kun udskifte eller baglappe skære- og bundknivene. De må aldrig rettes ud eller svejses.
-
Når du servicerer skæreknivene, skal du være opmærksom på, at du stadig kan flytte skæreknivene, når du har frakoblet strømmen.
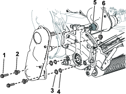
Montering af klippeenheden (model 04835 og 04845)
-
Flyt støttebenet til KLIPPEENHEDENS DRIFTSSTILLING.
-
Fjern de skruer og møtrikker, der fastgør knivcylinderdrevet til sidepladen (Figur 36).

-
Fjern knivcylinderdrevet, de flade spændeskiver, fjederskiverne og afstandsbøsningerne fra sidepladen (Figur 36).
-
Ret klippeenheden ind efter stellet.
-
Brug 4 unbrakoskruer til at fastgøre klippeenheden på stellet (Figur 37).

-
Brug de tidligere afmonterede unbrakoskruer, spændeskiver og afstandsbøsninger til at fastgøre knivcylinderdrevet på klippeenhedens sideplade (Figur 38).
Sørg for, at knivcylindersamlingens drivaksel er monteret på transmissionens drivakselkobling (Figur 38).

Montering af klippeenheden (model 04865)
-
Flyt støttebenet til KLIPPEENHEDENS DRIFTSSTILLING.
-
Ret klippeenheden ind efter stellet.
-
Flyt affjedringslåsene ned for at fastgøre klippeenheden til maskinen (Figur 39).

-
Flyt muffen ud af transmissionens koblingsakselrille, og sæt sekskantrøret i klippeenhedens koblingsaksel (Figur 39).
-
Monter græsopsamleren.
Afmontering af klippeenheden (model 04835 og 04845)
Afmontering af klippeenheden (model 04865)
Note: Sekskantrøret frakobles, hvis du aktiverer knivcylinderdrevet, når klippeenheden fjernes.
-
Flyt støttebenet til KLIPPEENHEDENS DRIFTSSTILLING.
-
Afmonter græsopsamleren (hvis udstyret hermed).
-
Flyt muffen (Figur 42) til transmissionsakselrillen.
Note: Dette udløser fjederens spænding.
-
Skub sekskantrøret af klippeenhedens koblingsaksel (Figur 42).

-
Flyt affjedringslåsene op for at frigøre klippeenheden fra maskinen (Figur 42).
-
Fjern klippeenheden fra stellet.
Baglapning af klippeenheden
For at baglappe klippeenheden skal du udføre én af følgende muligheder:
-
Monter sættet til baglappeadgang (model 139-4342), og brug en baglappemaskine. Kontakt en autoriseret Toro-forhandler for at anskaffe dette sæt.
-
Brug InfoCenter til at aktivere baglapningstilstand.
Vælg BACKLAP (baglapning) fra SERVICEMENUEN for at aktivere baglapningstilstand. Følg vejledningen i InfoCenter for at baglappe klippeenheden.
Note: Når bøjlen slippes, deaktiveres baglapningstilstanden. Du kan bruge bøjlelåsegaflen (leveres i posen med løse dele) til at fastgøre bøjlen i den aktive position.Fjern bøjlelåsegaflen, når baglapningen er fuldført.

Rengøring
Rengøring af maskinen
| Vedligeholdelsesintervaller | Vedligeholdelsesprocedure |
|---|---|
| Efter hver anvendelse |
|
Vask maskinen med et mildt rengøringsmiddel og vand efter hver brug. Udsæt ikke maskinen for højtryksrensning. Undgå overdreven brug af vand, særligt i nærheden af skiftegrebspladen, Infocenteret, strømcenteret og maskinens strømstik. Rengør motoren for at yde korrekt køling under drift. Sørg også for, at batteripakken er så ren som muligt, så den forbliver hvid. Det vil reflektere sollyset og beskytte batteriet mod overophedning i solen.
Important: Brug ikke brakvand eller sekundavand til at rengøre maskinen.
Important: Opbevar eller parker altid maskinen i skyggen, da varmen fra solen reducerer batteripakkens levetid.


, der betyder
Forsigtig, Advarsel eller Fare – personlig sikkerhedsanvisning,
for at nedsætte risikoen for personskade. Hvis disse forskrifter
ikke følges, kan det medføre personskade eller død.


























)








