| Intervalo de mantenimiento y servicio | Procedimiento de mantenimiento |
|---|---|
| Cada vez que se utilice o diariamente |
|
Esta máquina es un equipo utilitario de asiento, diseñado para ser usado por operadores profesionales contratados en aplicaciones comerciales. Está diseñado principalmente para acondicionar trampas de arena en campos de golf y zonas verdes comerciales bien mantenidos. El uso de este producto para otros propósitos que los previstos podría ser peligroso para usted y para otras personas.
Lea este manual detenidamente para aprender a utilizar y mantener correctamente su producto, y para evitar lesiones y daños al producto. Usted es responsable de utilizar el producto de forma correcta y segura.
Visite www.Toro.com para buscar materiales de formación y seguridad o información sobre accesorios, para localizar un distribuidor o para registrar su producto.
Cuando necesite asistencia técnica, piezas genuinas Toro o información adicional, póngase en contacto con un Servicio Técnico Autorizado o con Asistencia al Cliente Toro, y tenga a mano los números de modelo y serie de su producto. Figura 1 identifica la ubicación de los números de modelo y serie en el producto. Escriba los números en el espacio provisto.
Important: Con su dispositivo móvil, puede escanear el código QR (si dispone del mismo) de la placa del número de serie para acceder a información sobre la garantía, las piezas, y otra información sobre el producto.

Este manual identifica peligros potenciales y contiene mensajes de seguridad identificados por el símbolo de alerta de seguridad (Figura 2), que señala un peligro que puede causar lesiones graves o la muerte si usted no sigue las precauciones recomendadas.

Este manual utiliza 2 palabras para resaltar información. Importante llama la atención sobre información mecánica especial, y Nota resalta información general que merece una atención especial.
Este producto cumple todas las directivas europeas aplicables; si desea más detalles, consulte la Declaración de Conformidad (Declaration of Conformity – DOC) de cada producto.
El uso o la operación del motor en cualquier terreno forestal, de monte o cubierto de hierba a menos que el motor esté equipado con parachispas (conforme a la definición de la sección 4442) correctamente mantenido en buenas condiciones de funcionamiento, o que el motor haya sido fabricado, equipado y mantenido para la prevención de incendios, constituye una infracción de la legislación de California (California Public Resource Code Section 4442 o 4443).
Puesto que en algunas zonas existen normas locales, estatales o federales que requieren el uso de un parachispas en el motor de esta máquina, está disponible un parachispas como opción. Si usted desea adquirir un parachispas, póngase en contacto con su Distribuidor Toro Autorizado.
El manual del propietario del motor (adjunto) ofrece información sobre las normas de la US Environmental Protection Agency (EPA) y de la California Emission Control Regulation sobre sistemas de emisiones, mantenimiento y garantía. Puede solicitarse un manual nuevo al fabricante del motor.
Si esta máquina está equipada con un dispositivo telemático, consulte a su distribuidor Toro autorizado para obtener instrucciones sobre cómo activar el dispositivo.
CALIFORNIA
Advertencia de la Propuesta 65
Los gases de escape de este producto contienen productos químicos que el Estado de California sabe que causan cáncer, defectos congénitos u otros peligros para la reproducción.
Los bornes, terminales y otros accesorios de la batería contienen plomo y compuestos de plomo, productos químicos reconocidos por el Estado de California como causantes de cáncer y daños reproductivos. Lávese las manos después de manejar el material.
El uso de este producto puede provocar la exposición a sustancias químicas que el Estado de California considera causantes de cáncer, defectos congénitos u otros trastornos del sistema reproductor.
Este producto puede producir lesiones personales. Siga siempre todas las instrucciones de seguridad con el fin de evitar lesiones personales graves.
Lea y comprenda el contenido de este Manual del operador antes de arrancar el motor. Asegúrese de que todas las personas que utilicen este producto sepan cómo utilizarlo y comprendan las advertencias.
Dedique toda su atención al manejo de la máquina. No realice ninguna actividad que pudiera distraerle; de lo contrario, podrían producirse lesiones o daños materiales.
No ponga las manos o los pies cerca de los componentes móviles de la máquina.
No haga funcionar la máquina si no están colocados y funcionando todos los protectores y dispositivos de seguridad.
Mantenga la máquina alejada de otras personas mientras está en movimiento.
Mantenga a los niños alejados de la zona de trabajo. Nunca permita que la máquina sea utilizada por niños.
Pare la máquina y apague el motor antes de realizar tareas de mantenimiento o de repostar la máquina.
El uso o mantenimiento incorrecto de esta máquina puede
causar lesiones. Para reducir el peligro de lesiones, cumpla estas
instrucciones de seguridad y preste atención siempre al símbolo
de alerta de seguridad
, que significa: Cuidado, Advertencia o Peligro
– instrucción relativa a la seguridad personal. El incumplimiento
de estas instrucciones puede dar lugar a lesiones personales o la
muerte.
![]() |
Las pegatinas de seguridad e instrucciones están a la vista del operador y están ubicadas cerca de cualquier zona de peligro potencial. Sustituya cualquier calcomanía que esté dañada o que falte. |












Note: Los lados derecho e izquierdo de la máquina se determinan desde la posición normal del operador.
Note: Retire y deseche todos los soportes y fijaciones de transporte.
Si conduce la máquina sin tener instalada la tabla de transporte o un implemento, la máquina puede volcar y causar lesiones personales o daños materiales.
Conduzca la máquina únicamente si tiene instalada la tabla de transporte o un implemento homologado.
Antes de poder instalar un implemento en la máquina, es necesario retirar la tabla de transporte.
Aparque la máquina en una superficie nivelada, mueva la palanca de cambios a la posición de PUNTO MUERTO, ponga el freno de estacionamiento, apague el motor y retire la llave.
Retire los pernos, las tuercas y las arandelas que sujetan la tabla de transporte a la parte trasera de la máquina (Figura 3).

Deseche las fijaciones y la tabla de transporte.
Piezas necesarias en este paso:
| Implemento y piezas relacionadas (se venden por separado) | – |
Si conduce la máquina sin tener instalado un implemento, puede volcar y causar lesiones personales o daños materiales.
Conduzca la máquina únicamente si tiene instalado un implemento homologado.
Aparque la máquina en una superficie nivelada, mueva la palanca de cambios a la posición de PUNTO MUERTO, ponga el freno de estacionamiento, apague el motor y retire la llave.
Consulte las Instrucciones de instalación del implemento si desea más información sobre cómo instalar el implemento.
Piezas necesarias en este paso:
| Contrapesos delanteros (según las necesidades de cada implemento) | – |
Si se instalan implementos en la máquina, será necesario añadir más peso a la máquina según lo especificado para mejorar el rendimiento de la tracción.
Utilice la tabla siguiente para determinar el peso adicional necesario. La máquina viene con 4 contrapesos. Cada implemento viene con los contrapesos adicionales correspondientes, si los necesita.
Consulte Instalación y retirada de los contrapesos.
| Implemento | Número de contrapesos |
|---|---|
| Rastrillo de dientes flexibles | 4 |
| Rastrillo de dientes flexibles con cepillo de acabado | 6 |
| Placa escarificadora | 6 |
| Placa escarificadora con estera niveladora para acabados | 8 |
Piezas necesarias en este paso:
| Perno (5/16" x ¾") | 1 |
| Tuerca (5/16") | 2 |
Corte la brida que fija los cables de la batería al bastidor, y deseche la brida (Figura 4).

Retire la cubierta de plástico rojo del borne positivo de la batería (Figura 5).

Retire el protector rojo del extremo del cable positivo de la batería, y utilice un perno (5/16" x ¾") y una tuerca (5/16") para conectar el cable positivo al borne positivo de la batería.
Coloque el protector rojo sobre el borne y las fijaciones.
Retire la cubierta de plástico negro del borne negativo de la batería.
Utilice un perno (5/16" x ¾") y una tuerca (5/16") para conectar el cable negativo al borne negativo de la batería.
Piezas necesarias en este paso:
| Barra antivuelco | 1 |
| Perno | 4 |
| Contratuerca con arandela prensada | 4 |
| Arandela de muelle | 4 |
| Soporte | 2 |
Retire la barra antivuelco de la caja.
Coloque la barra antivuelco en la máquina como se muestra en la Figura 6.

Instale los soportes en el bastidor de la máquina.
Important: Asegúrese de que el cable del acelerador y el cable del estárter están apartados, para que no queden atrapados por la barra antivuelco o un soporte.
Alinee los taladros de los soportes, la barra antivuelco y el bastidor.
Instale un perno con una arandela de muelle en cada orificio.
Important: Asegúrese de que cada arandela de muelle está posicionada con el lado convexo orientado hacia la cabeza del perno, como se muestra en la Figura 7.

Instale una contratuerca con arandela prensada en cada perno y apriete cada una de ellas a 102 N∙m.
Puede adquirir un horímetro inalámbrico en su distribuidor autorizado.
Consulte la guía del Sistema de horímetro inalámbrico.
Aparque la máquina en una superficie nivelada, baje el implemento, accione el freno de estacionamiento, apague el motor y retire la llave.
Retire el panel de control (Figura 8).

Localice el puente del horímetro inalámbrico.
Note: El puente está etiquetado.
Conecte el horímetro inalámbrico.
Amarre el horímetro inalámbrico al arnés de cables existente para evitar un exceso de movimiento dentro de la consola.
Instale el panel de control.
Piezas necesarias en este paso:
| Perno (N.º 10" × 9/16") | 2 |
| Tuerca (N.º 10) | 2 |
| Dispositivo telemático | 1 |
| Soporte | 1 |
| Tornillo (5/16" × ¼") | 2 |
| Arnés de cables de la telemática | 1 |
| Brida | 2 |
Utilice 2 pernos (n.º 10 × 9/16") y 2 tuercas (n.º 10) para sujetar el dispositivo telemático al soporte.

Utilice 2 tornillos (5/16" × ¼") para sujetar el soporte y la abrazadera en R a la barra antivuelco.

Conecte el conector de telemática al conector del arnés de cables de la telemática.

Conecte el arnés de cables de la telemática al arnés de cables de la máquina.

Utilice bridas para sujetar los arneses a la barra antivuelco.



Utilice las palancas de control (Figura 14) para conducir la máquina hacia adelante y hacia atrás, y para girar en ambos sentidos.
El interruptor de encendido (Figura 15), que se utiliza para arrancar y apagar el motor, tiene 3 posiciones: PARADA, MARCHA y ARRANQUE. Gire la llave en sentido horario a la posición ARRANQUE para arrancar el motor. Suelte la llave cuando el motor arranque. La llave se desplazará automáticamente a la posición de MARCHA. Para apagar el motor, gire la llave en sentido antihorario a la posición de DESCONECTADO.
Para arrancar el motor cuando está frío, cierre el estárter del carburador tirando del control del estárter (Figura 15) hacia arriba, a la posición de Cerrado. Después de que el motor arranque, regule el estárter para que el motor siga funcionando suavemente. Lo antes posible, abra el estárter moviendo el control hacia abajo a la posición de ABIERTO.
Note: Si el motor está caliente, no será necesario usar el estárter, o sólo muy poco.
La palanca del acelerador (Figura 15) controla la velocidad del motor. Mueva la palanca del acelerador hacia adelante, hacia la posición de RáPIDO, para aumentar la velocidad del motor. Muévala hacia atrás a la posición de LENTO para reducir la velocidad del motor.
Note: La palanca del acelerador no puede apagar el motor.
Para elevar el implemento, presione la parte superior del interruptor del implemento (Figura 16); para bajar el implemento, presione la parte inferior del interruptor del implemento.

Note: La máquina dispone de un cilindro de elevación de doble efecto. Puede aplicar una presión descendente al implemento para determinadas condiciones de operación.
Para accionar el freno de estacionamiento (Figura 14), tire hacia atrás de la palanca del freno de estacionamiento. Para quitarlo, empuje la palanca hacia adelante.
El horímetro (Figura 15) muestra el número total de horas de operación de la máquina. El horímetro funciona cuando el interruptor de encendido está en la posición de CONECTADO, siempre que la batería esté totalmente cargada (13,8 V o más) o cuando usted está sentado en el asiento, activando así el interruptor del asiento.
Puede adquirir un horímetro inalámbrico en su Distribuidor Autorizado Toro. Para instalarlo, consulte Instalación de un horímetro inalámbrico.
Siéntese en el asiento, mueva la palanca situada delante del asiento (Figura 17) a la izquierda, y deslice el asiento hasta la posición deseada. Suelte la palanca para bloquear la posición el asiento.

Note: Las especificaciones y el diseño están sujetos a modificación sin previo aviso.
| Máquina solamente | Con rastrillo de dientes flexibles | Con placa escarificadora | Con placa escarificadora con y estera para acabados | |
|---|---|---|---|---|
| Peso | 399 kg* | 417 kg** | 439 kg** | 445 kg** |
| Anchura | 147 cm | 213 cm | 182 cm | 198 cm |
| Longitud | 186 cm | 226 cm | 215 cm | 297 cm |
| Altura | 185 cm | |||
| Distancia entre ejes | 147 cm | |||
* con 4 pesos, depósito de combustible vacío, sin operador
** con implemento y contrapesos, depósito de combustible vacío, sin operador
Está disponible una selección de implementos y accesorios homologados por Toro que se pueden utilizar con la máquina a fin de potenciar y aumentar sus prestaciones. Póngase en contacto con su Servicio Técnico Autorizado o visite www.Toro.com para obtener una lista de todos los implementos y accesorios homologados.
La mejor manera de proteger su inversión y obtener un rendimiento óptimo de sus equipos Toro es contar siempre con piezas genuinas de Toro. Cuando se trata de la fiabilidad, las piezas de repuesto de Toro están diseñadas con las mismas especificaciones de ingeniería que nuestros equipos. Para su tranquilidad, exija piezas genuinas Toro.
Note: Los lados derecho e izquierdo de la máquina se determinan desde la posición normal del operador.
Aparque la máquina en una superficie nivelada, accione el freno de estacionamiento, apague el motor, retire la llave y espere a que se detenga todo movimiento antes de abandonar la máquina.
No deje nunca que la máquina la utilicen o mantengan niños o personas que no hayan recibido la formación adecuada. La normativa local puede imponer límites sobre la edad del operador. El propietario es responsable de proporcionar formación a todos los operarios y mecánicos.
Familiarícese con la operación segura del equipo, los controles del operador y las señales de seguridad.
Sepa cómo parar rápidamente la máquina y el motor.
Compruebe que los controles de presencia del operador, los interruptores de seguridad y los protectores de seguridad están colocados y que funcionan correctamente. No utilice la máquina si no funcionan correctamente.
Antes de utilizar la máquina, inspecciónela siempre para asegurarse de que los componentes y las fijaciones se encuentren en buenas condiciones de funcionamiento. Sustituya los componentes y las fijaciones desgastados o dañados.
Inspeccione la zona en la que va a utilizar la máquina y retire cualquier objeto que pudiera arrojar la máquina.
Extreme las precauciones al manejar combustible. Es inflamable y sus vapores son explosivos.
Apague cualquier cigarrillo, cigarro, pipa u otra fuente de ignición.
Utilice solamente un recipiente de combustible homologado.
No retire el tapón de combustible ni rellene de combustible el depósito mientras el motor está en marcha o está caliente.
No añada ni drene combustible en un lugar cerrado.
No guarde la máquina o un recipiente de combustible en un lugar donde pudiera haber una llama desnuda, chispas o una llama piloto, por ejemplo en un calentador de agua u otro electrodoméstico.
Si se derrama combustible, no intente arrancar el motor; evite crear fuentes de ignición hasta que los vapores del combustible se hayan disipado.
Los motores nuevos necesitan tiempo para desarrollar toda su potencia. Los sistemas de tracción generan mayor fricción cuando son nuevos, lo que supone una carga adicional para el motor.
Las primeras 8 horas de funcionamiento deben considerarse como periodo de rodaje.
Puesto que las primeras horas de operación son de vital importancia para la fiabilidad futura de la máquina, debe vigilar de cerca su rendimiento y sus funciones para poder observar y corregir pequeñas dificultades que podrían convertirse en problemas importantes. Inspeccione la máquina frecuentemente durante el rodaje, buscando señales de fugas de aceite, fijaciones sueltas o cualquier otra señal de funcionamiento anómalo.
Cuando los siguientes implementos están instalados en la máquina, se requieren contrapesos adicionales para mejorar el rendimiento de la tracción. Utilice la tabla siguiente para determinar el peso adicional necesario. La máquina viene con 4 contrapesos. Cada implemento viene con los contrapesos adicionales correspondientes, si los necesita.
| Implemento | Número de contrapesos |
|---|---|
| Rastrillo de dientes flexibles | 4 |
| Rastrillo de dientes flexibles con cepillo de acabado | 6 |
| Placa escarificadora | 6 |
| Placa escarificadora con estera niveladora para acabados | 8 |
Retire los 2 pernos y las 2 tuercas que sujetan los contrapesos existentes a la parte delantera de la máquina (Figura 18).
Note: Si la máquina está equipada con el kit de luces, retire la tuerca y el perno que sujetan la luz delantera a la máquina. Guarde todas las piezas; consulte las Instrucciones de instalación del kit de luces.

Añada o retire contrapesos según sea necesario.
Sujete los contrapesos con los 2 pernos y las 2 tuercas.
Para la mayoría de los implementos, utilice los pernos existentes.
La estera niveladora para acabados incluye 2 pernos más largos para sujetar los contrapesos adicionales que necesita.
Note: Si la máquina está equipada con el kit de luces, instale la luz delantera introduciendo el perno a través de los contrapesos, y sujételo con la tuerca; consulte las Instrucciones de instalación del kit de luces.
Capacidad del depósito de combustible: 17 litros.
Combustible recomendado:
Para obtener los mejores resultados, utilice solamente gasolina fresca (comprada hace menos de 30 días), sin plomo, de 87 o más octanos (método de cálculo (R+M)/2).
Etanol: Es aceptable el uso de gasolina con hasta el 10% de etanol (gasohol) o el 15% de MTBE (éter metil tert-butílico) por volumen. El etanol y el MTBE no son lo mismo. No está autorizado el uso de gasolina con el 15 % de etanol (E15) por volumen. No utilice nunca gasolina que contenga más del 10% de etanol por volumen, como por ejemplo la E15 (contiene el 15% de etanol), la E20 (contiene el 20% de etanol) o la E85 (contiene el 85% de etanol). El uso de gasolina no autorizada puede causar problemas de rendimiento o daños en el motor que pueden no estar cubiertos por la garantía.
No utilice gasolina que contenga metanol.
No guarde combustible en el depósito de combustible o en recipientes de combustible durante el invierno a menos que haya añadido un estabilizador.
No añada aceite a la gasolina.
Aparque la máquina en una superficie nivelada, baje el implemento, mueva las palancas de control a la posición de BLOQUEO/PUNTO MUERTO, ponga el freno de estacionamiento, apague el motor y retire la llave.
Limpie la zona alrededor del tapón del depósito de combustible (Figura 19).

Retire el tapón del depósito de combustible.
Llene el depósito hasta unos 25 mm por debajo de la parte superior del depósito (la parte inferior del cuello de llenado). No lo llene demasiado.
Coloque el tapón.
Para evitar el riesgo de incendio, limpie cualquier combustible que se haya derramado.
Realice los siguientes procedimientos diarios antes de utilizar la máquina:
• Comprobación del sistema de interruptores de seguridad
• Comprobación del nivel de aceite del motor
• Comprobación de la presión de los neumáticos
El propietario/operador puede prevenir, y es responsable de, cualquier accidente que pueda causar lesiones personales o daños materiales.
Lleve ropa adecuada, incluyendo protección ocular, calzado resistente y antideslizante, pantalón largo, y protección auditiva. Si tiene el pelo largo, recójaselo, y no lleve joyas o bisutería sueltas.
No utilice la máquina si está enfermo, cansado o bajo la influencia de alcohol o drogas.
Nunca lleve pasajeros en la máquina y mantenga a otras personas y a animales domésticos alejados de la máquina durante el funcionamiento.
Utilice la máquina solamente en condiciones óptimas de visibilidad y evite baches u otros peligros ocultos.
Evite utilizar la máquina sobre hierba mojada. Una reducción en la tracción podría hacer que la máquina derrape.
Antes de arrancar el motor, asegúrese de que todas las transmisiones están en punto muerto, de que el freno de estacionamiento está accionado y de que usted se encuentra en la posición del operador.
Mire hacia atrás y hacia abajo antes de conducir hacia atrás para asegurarse de que el camino está despejado.
Tenga cuidado al acercarse a esquinas ciegas, arbustos, árboles u otros objetos que puedan dificultar la visión.
No utilice la máquina cerca de terraplenes, fosas o taludes. La máquina podría volcar repentinamente si una rueda pasa por un borde o si el borde se desploma.
Pare la máquina e inspeccione el implemento después de golpear un objeto, o si se produce una vibración anormal en la máquina. Realice todas las reparaciones necesarias antes de volver a utilizar la máquina.
Vaya más despacio y tenga cuidado al girar y al cruzar calles y aceras con la máquina. Ceda el paso siempre.
No haga funcionar nunca un motor en un lugar cerrado donde no puedan liberarse los gases de escape.
No deje nunca desatendida la máquina si está en marcha.
Antes de abandonar el puesto del operador, haga lo siguiente:
Aparque la máquina en una superficie nivelada.
Baje los implementos.
Accione el freno de estacionamiento.
Apague el motor y retire la llave.
Espere a que se detengan todas las piezas móviles.
No utilice la máquina cuando exista riesgo de caída de rayos.
No utilice la máquina como vehículo de remolque.
Cuando sea necesario, humedezca las superficies antes del acondicionado para reducir al mínimo la generación de polvo.
Utilice solamente los accesorios, implementos y las piezas de repuesto aprobados por Toro.
No retire el ROPS de la máquina.
Asegúrese de abrocharse el cinturón de seguridad y de que puede desabrocharlo rápidamente en una emergencia.
Compruebe cuidadosamente que no haya obstrucciones en altura, y si las hay, no entre en contacto con ellos.
Mantenga el ROPS en condiciones seguras de funcionamiento, inspeccionándolo periódicamente en busca de daños y manteniendo bien apretadas todas las fijaciones de montaje.
Si el ROPS está dañado, cámbielo. No lo repare ni lo modifique.
El ROPS es un dispositivo de seguridad integrado.
Lleve siempre el cinturón de seguridad.
Establezca sus propios procedimientos y reglas para trabajar en pendientes. Estos procedimientos deben incluir un estudio del lugar de trabajo para determinar en qué cuestas o pendientes es seguro trabajar con la máquina. Utilice siempre el sentido común y el buen juicio al realizar este estudio.
Las pendientes son una de las principales causas de accidentes por pérdida de control y vuelcos, que pueden causar lesiones graves o la muerte. El operador es responsable de la seguridad cuando trabaja en pendientes. El uso de la máquina en cualquier pendiente exige un cuidado especial.
Las pendientes son una de las principales causas de accidentes por pérdida de control y vuelcos, que pueden causar lesiones graves o la muerte. El uso de la máquina en cualquier pendiente exige un cuidado especial.
Utilice la máquina a una velocidad menor cuando esté en una pendiente.
Si no se siente cómodo usando la máquina en una pendiente, no lo haga.
Esté alerta a agujeros, surcos, montículos, rocas u otros objetos ocultos. Un terreno irregular puede hacer que la máquina vuelque. La hierba alta puede ocultar obstáculos.
Seleccione una velocidad de avance baja para que no tenga que parar o cambiar de marcha mientras esté en la pendiente.
Puede producirse un vuelco antes de que los neumáticos pierdan tracción.
Evite utilizar la máquina sobre hierba mojada. Los neumáticos pueden perder la tracción, incluso si los frenos están disponibles y funcionan correctamente.
Evite arrancar, parar o girar la máquina en una pendiente.
Haga todos los movimientos en cuestas y pendientes de forma lenta y gradual. No cambie repentinamente la velocidad o la dirección de la máquina.
No utilice la máquina cerca de terraplenes, fosas, taludes o masas de agua. La máquina podría volcar repentinamente si una rueda pasa por el borde de un terraplén o fosa, o si se socava un talud. Establezca un área de seguridad entre la máquina y cualquier peligro (equivalente al doble del ancho de la máquina).
Mueva las palancas de control a la posición de BLOQUEO/PUNTO MUERTO (Figura 20).

Accione el freno de estacionamiento; consulte Accionamiento del freno de estacionamiento.
Tire de la palanca del estárter hacia arriba, a la posición de CONECTADO (si el motor está frío) y mueva la palanca del acelerador a la posición de LENTO.
Important: Si utiliza la máquina en temperaturas inferiores a los 0 °C, deje que la máquina se caliente antes de usarla. Esto evita daños en el sistema hidráulico.
Inserte la llave en el interruptor de encendidoy gírela en sentido horario para arrancar el motor. Suelte la llave cuando el motor arranque. Regule el estárter para que el motor siga funcionando suavemente.
Important: Para evitar que se sobrecaliente el motor de arranque, no mantenga la llave en la posición de ARRANQUE durante más de 10 segundos. Después de 10 segundos de arranque continuo, espere 60 segundos antes de utilizar el motor de arranque de nuevo.
Para apagar el motor, mueva el control del acelerador a la posición de LENTO y gire la llave a la posición de DESCONECTADO. Retire la llave del interruptor para evitar un arranque accidental.
Note: En una emergencia, simplemente gire la llave a la posición de DESCONECTADO.
Accione siempre el freno de estacionamiento cuando pare la máquina o cuando la deje desatendida.
El freno de estacionamiento puede no sujetar la máquina si está aparcada en una pendiente, y pueden producirse lesiones personales o daños materiales.
No deje el vehículo aparcado en pendientes sin calzar o bloquear las ruedas.
Para accionar el freno de estacionamiento, tire de la palanca hacia arriba (Figura 21).

Para quitar el freno de estacionamiento, presione la palanca hacia abajo (Figura 22).

Si los interruptores de seguridad son desconectados o están dañados, la máquina podría ponerse en marcha inesperadamente, causando lesiones personales.
No manipule los interruptores de seguridad.
Compruebe la operación de los interruptores de seguridad cada día, y sustituya cualquier interruptor dañado antes de utilizar la máquina.
El sistema de interruptores de seguridad ha sido diseñado para impedir que el motor arranque, a menos que:
El freno de estacionamiento esté puesto.
Las palancas de control estén en la posición de BLOQUEO/PUNTO MUERTO
El sistema de interruptores de seguridad también para el motor si se mueven las palancas de control fuera de la posición de BLOQUEO/PUNTO MUERTO sin que el operador esté sentado en el asiento, o con el freno de estacionamiento puesto.
El horímetro tiene una serie de símbolos que indican si el componente de seguridad está en la posición correcta. Cuando el componente está en la posición correcta, aparece un triángulo en el lugar correspondiente (Figura 23).

Note: El interruptor de seguridad de la toma de fuerza (TDF) no se utiliza en esta máquina.
| Intervalo de mantenimiento y servicio | Procedimiento de mantenimiento |
|---|---|
| Cada vez que se utilice o diariamente |
|
Si el sistema de interruptores de seguridad no funciona de la forma que se describe a continuación, póngase en contacto con un distribuidor autorizado Toro para que lo repare inmediatamente.
Siéntese en el asiento, mueva las palancas de control a la posición de PUNTO MUERTO, y ponga el freno de estacionamiento.
Arranque el motor.
Levántese del asiento y mueva cada palanca de control lentamente hacia adelante y hacia atrás.
El motor debe apagarse en 1 a 3 segundos después de mover la palanca de control en cualquier dirección. Si no es así, corrija el problema. Repita los pasos 2 a 3 con la otra palanca de control.
Siéntese en el asiento y ponga el freno de estacionamiento. Mueva cualquiera de las palancas de control fuera de la posición de BLOQUEO/PUNTO MUERTO. Intente arrancar el motor; el motor no debe arrancar. Repita este paso con la otra palanca de control.
El uso de la máquina exige atención para evitar vuelcos o pérdidas del control.
Tenga cuidado al entrar y salir de trampas de arena.
Extreme las precauciones alrededor de zanjas, arroyos y otros obstáculos.
Extreme las precauciones cuando utilice la máquina en una pendiente pronunciada.
Reduzca la velocidad al hacer giros cerrados y al girar en pendientes.
Evite arrancar o detener la máquina de forma repentina.
No pase de marcha atrás a marcha adelante sin antes detener el vehículo completamente.
La máquina puede girar muy rápidamente. Si usted utiliza las palancas de control de forma incorrecta, puede perder el control de la máquina y lesionar a alguien o dañar la máquina u otros objetos.
Extreme las precauciones al girar.
Reduzca la velocidad de la máquina antes de hacer giros cerrados.

Note: El motor se apaga si se mueven las palancas de control con el freno de estacionamiento accionado.
Quite el freno de estacionamiento; consulte Desactivación del freno de estacionamiento.
Mueva las palancas de control a la posición central de desbloqueo.
Para ir hacia adelante, empuje lentamente las palancas de control hacia adelante (Figura 25).
Para detener la máquina, mueva las palancas de control a la posición de PUNTO MUERTO.

Asegúrese de que el implemento está en la posición deseada.
Mueva las palancas de control a la posición central de desbloqueo.
Para ir hacia atrás, mire hacia atrás y tire lentamente de las palancas de control hacia atrás (Figura 26).

Lea toda esta sección sobre el rastrillado antes de rastrillar una trampa de arena. Los ajustes necesarios dependen de muchos factores. La textura y la profundidad de la arena, la humedad, la presencia de malas hierbas y el grado de compactación son todos factores que pueden variar de un campo a otro, o incluso de una trampa a otra en el mismo campo. Haga los ajustes necesarios en el rastrillo para obtener los mejores resultados para su caso particular.
Practique el rastrillado en una trampa amplia y llana. Practique operaciones como arrancar y detenerse, girar, elevar y bajar el rastrillo, entrar y salir de la trampa de arena, etc. Practique con una velocidad del motor moderada y una velocidad de avance lenta. Este entrenamiento ayuda a aumentar la confianza del operador en el manejo de la máquina.
El patrón de rastrillado recomendado para una trampa de arena es el que se muestra en la Figura 27. Este patrón evita solapes innecesarios, reduce la compactación al mínimo y deja un dibujo sencillo y atractivo en la arena. Este es el método de rastrillado más eficaz; sin embargo, es importante variar el patrón de rastrillado con regularidad para reducir la posibilidad de crear un efecto ondulado persistente.

Entre en la trampa en línea recta por la dimensión más larga, donde el talud es menos pronunciado. Conduzca siguiendo la línea central de la trampa casi hasta el final, haga un giro lo más cerrado posible en cualquier sentido, y vuelva junto a la primera pasada. Siga una espiral hacia fuera como se muestra en la Figura 27, y salga de la trampa en ángulo recto por una zona llana.
Deje los taludes cortos y empinados y las pequeñas zonas de difícil acceso; pueden retocarse después con un rastrillo de mano.
Consejos de rastrillado
Si la arena tiene la profundidad suficiente, puede rastrillar hasta el mismo borde de la trampa en zonas llanas.
Si la transición de arena a césped es paulatina, no se acerque demasiado a los bordes para no remover la tierra subyacente.
No rastrille demasiado cerca de un talud corto y empinado. La arena simplemente fluirá al fondo de la trampa.
Puede ser necesario retocar con un rastrillo de mano en taludes empinados, zonas pequeñas de difícil acceso, etc.
Al entrar en la trampa, no baje el rastrillo hasta que esté por encima de la arena. De esta manera se evita arrastrar recortes de hierba u otros residuos hacia la trampa. Baje el rastrillo con la máquina en marcha.
Al salir de la trampa, empiece a levantar el rastrillo cuando la rueda delantera salga de la trampa. Al salir la máquina, el rastrillo se irá levantando y no arrastrará arena al césped.
Con experiencia y práctica, el operador pronto comprenderá la sincronización necesaria para entrar y salir de la trampa correctamente.
Limpie la hierba y los residuos del silenciador y del compartimento del motor para prevenir incendios. Limpie cualquier aceite o combustible derramado.
Aparque la máquina en una superficie nivelada, accione el freno de estacionamiento, apague el motor, retire la llave y espere a que se detenga todo movimiento antes de abandonar la máquina.
Espere a que se enfríe el motor antes de guardar la máquina en un recinto cerrado.
Cierre el combustible antes de almacenar o transportar la máquina.
No guarde nunca la máquina o un recipiente de combustible cerca de una llama desnuda, chispa o llama piloto, por ejemplo en un calentador de agua u otro electrodoméstico.
Mantenga todas las piezas de la máquina en buenas condiciones de funcionamiento y todas las fijaciones bien apretadas.
Realice el mantenimiento de los cinturones y límpielos cuando sea necesario.
Sustituya cualquier calcomanía desgastada o deteriorada.
El motor y las transmisiones hidrostáticas pueden alcanzar temperaturas muy altas y causar quemaduras graves.
Deje que el motor y las transmisiones hidrostáticas se enfríen por completo antes de acceder a las palancas de las válvulas de desvío.
Important: No remolque la máquina grandes distancias o a alta velocidad. Esto podría dañar la máquina. Puede remolcar la máquina lentamente desde la superficie acondicionada hasta un remolque cercano.
Las palancas de las válvulas de desvío están situadas en la parte superior de cada transmisión hidrostática.
Important: Asegúrese de que las palancas de las válvulas de desvío están en posición totalmente hacia adelante antes de utilizar la máquina, para evitar graves daños en el sistema hidráulico.
Aparque la máquina en una superficie nivelada, baje el implemento, mueva las palancas de control a la posición de BLOQUEO/PUNTO MUERTO, ponga el freno de estacionamiento, apague el motor y retire la llave.
Desde debajo de la máquina, gire las palancas de las válvulas de desvío (Figura 28 y Figura 29) hacia dentro, orientadas hacia el centro de la máquina (Figura 30), y quite el freno de estacionamiento; consulte Uso del freno de estacionamiento.
Note: Esto permite que el fluido hidráulico se desvíe alrededor de las bombas, dejando que las ruedas giren libremente.



Cuando haya terminado de empujar o remolcar la máquina, mueva las palancas de las válvulas de desvío hasta que estén orientados hacia la parte delantera de la máquina, para poder conducir la máquina (Figura 30).
Conducir en una calle o carretera sin señales de giro, luces, marcas reflectantes o un indicador de vehículo lento es peligroso y puede ser causa de accidentes que pueden provocar lesiones personales.
No conduzca la máquina en una calle o carretera pública.
Si utiliza un remolque, conéctelo al vehículo de remolque y conecte las cadenas de seguridad.
En su caso, conecte los frenos del remolque.
Cargue la máquina en el remolque o camión.
Mueva las palancas de control a la posición de BLOQUEO/PUNTO MUERTO, ponga el freno de estacionamiento, apague el motor y retire la llave.
Utilice los puntos de amarre de la máquina (Figura 31) para sujetar la máquina firmemente al vehículo de transporte con correas, cadenas, cables o cuerdas.

Extreme las precauciones al cargar o descargar la máquina en o desde un remolque o un camión. Utilice una rampa de ancho completo que sea más ancha que la máquina durante este procedimiento.
Important: No utilice rampas estrechas individuales en cada lado de la máquina.
El remolque o el camión y la rampa deben estar lo más nivelados posible al cargar la máquina para evitar que el implemento se quede atrapado cuando la máquina se desplace desde la tierra a la rampa.
Si se carga la máquina en o cerca de una pendiente, coloque el remolque o el camión pendiente abajo, con la rampa extendida pendiente arriba, para reducir al mínimo el ángulo de la rampa.
La carga de la máquina en un vehículo de transporte aumenta el riesgo de vuelco, y podría causar graves lesiones o incluso la muerte.
Extreme las precauciones al utilizar la máquina en una rampa.
Asegúrese de que el sistema ROPS está instalado y sujeto y utilice el cinturón de seguridad al cargar o descargar la máquina. Asegúrese de que hay espacio suficiente entre el ROPS y el techo si usa un remolque cerrado.
Utilice únicamente una rampa de ancho completo; no utilice rampas individuales para cada lado de la máquina.
Evite acelerar o desacelerar bruscamente al conducir la máquina en una rampa, porque esto podría provocar un vuelco o una pérdida de control.
Asegúrese de que hay un implemento instalado y en la posición elevada antes de cargar la máquina en un vehículo de transporte.

Note: Los lados derecho e izquierdo de la máquina se determinan desde la posición normal del operador.
Si deja la llave en el interruptor de encendido, alguien podría arrancar el motor accidentalmente y causar lesiones graves a usted o a otras personas.
Retire la llave del interruptor de encendido antes de realizar cualquier tarea de mantenimiento.
Antes de ajustar, limpiar, reparar o abandonar la máquina, siga estos pasos:
Aparque la máquina en una superficie nivelada.
Mueva el interruptor del acelerador a la posición de ralentí bajo.
Baje el implemento.
Asegúrese de que la tracción está en punto muerto.
Accione el freno de estacionamiento.
Apague el motor y retire la llave.
Espere a que se detengan todas las piezas móviles.
Deje que se enfríen los componentes de la máquina antes de realizar cualquier tarea de mantenimiento.
Si es posible, no realice tareas de mantenimiento con el motor en marcha. Manténgase alejado de las piezas en movimiento.
Utilice caballetes para apoyar la máquina o los componentes cuando sea necesario.
Alivie con cuidado la tensión de aquellos componentes que tengan energía almacenada.
| Intervalo de mantenimiento y servicio | Procedimiento de mantenimiento |
|---|---|
| Después de las primeras 8 horas |
|
| Después de las primeras 50 horas |
|
| Cada vez que se utilice o diariamente |
|
| Cada 100 horas |
|
| Cada 200 horas |
|
| Cada 250 horas |
|
| Cada 300 horas |
|
| Cada 400 horas |
|
| Cada 800 horas |
|
Important: El manual del propietario del motor puede contener procedimientos de mantenimiento adicionales.
Duplique esta página para su uso rutinario.
| Elemento a comprobar | Para la semana de: | ||||||
|---|---|---|---|---|---|---|---|
| Lun. | Mar. | Miér. | Jue. | Vie. | Sáb. | Dom. | |
| Compruebe el funcionamiento de los interruptores de seguridad. | |||||||
| Compruebe el funcionamiento del freno de estacionamiento. | |||||||
| Compruebe el funcionamiento de las palancas de control. | |||||||
| Compruebe el nivel de combustible. | |||||||
| Compruebe el nivel de aceite del motor. | |||||||
| Compruebe la condición del filtro de aire. | |||||||
| Limpie las aletas de refrigeración del motor. | |||||||
| Compruebe que no hay ruidos extraños en el motor. | |||||||
| Compruebe que no hay ruidos extraños durante el uso. | |||||||
| Compruebe el nivel de fluido hidráulico. | |||||||
| Compruebe que las mangueras hidráulicas no están dañadas. | |||||||
| Compruebe que no hay fugas de fluidos. | |||||||
| Compruebe la presión de los neumáticos. | |||||||
| Compruebe la operación de los instrumentos. | |||||||
| Lubrique todos los engrasadores.1 | |||||||
| Retoque cualquier pintura dañada. | |||||||
| 1. Inmediatamente después de cada lavado, aunque no corresponda a uno de los intervalos citados. | |||||||
| Anotación para áreas problemáticas | ||
| Inspección realizada por: | ||
| Elemento | Fecha | Información |
Los gatos mecánicos o hidráulicos pueden no aguantar el peso de la máquina y pueden dar lugar a lesiones graves.
Utilice caballetes para apoyar la máquina.
Consulte en la Figura 33 los puntos de apoyo.

| Intervalo de mantenimiento y servicio | Procedimiento de mantenimiento |
|---|---|
| Cada 100 horas |
|
Tipo de grasa: Grasa de litio N.º 2
Lubrique los engrasadores situados en el buje de la rueda delantera, el tensor de la correa y el elevador del implemento, como se indica a continuación:
Aparque la máquina en una superficie nivelada, baje el implemento, mueva las palancas de control a la posición de BLOQUEO/PUNTO MUERTO, ponga el freno de estacionamiento, apague el motor y retire la llave.
Limpie el engrasador para evitar que penetre materia extraña en el cojinete o casquillo.
Conecte una pistola de engrasar y bombee grasa en el engrasador.
Limpie cualquier exceso de grasa.
Apague el motor antes de comprobar el aceite o añadir aceite al cárter.
No cambie la velocidad del regulador ni haga funcionar el motor a una velocidad excesiva.
| Intervalo de mantenimiento y servicio | Procedimiento de mantenimiento |
|---|---|
| Cada vez que se utilice o diariamente |
|
Puede adquirir aceite de motor Toro Premium en su distribuidor autorizado Toro.
Capacidad del cárter: 1,8 litros
Utilice aceite de motor de 4 tiempos que cumpla o supere las especificaciones siguientes:
Categoría de servicio API SJ, SL, SM o superior
Viscosidad: SAE 30; consulte otras viscosidades en la tabla siguiente (Figura 37):
Important: El uso de aceites multigrado, por ejemplo 10W-30, aumenta el consumo de aceite. Compruebe el nivel de aceite con más frecuencia si usa uno de estos aceites.

Aparque la máquina en una superficie nivelada, baje el implemento, mueva las palancas de control a la posición de BLOQUEO/PUNTO MUERTO, ponga el freno de estacionamiento, apague el motor y retire la llave.
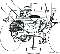
Retire la varilla (Figura 38) y límpiela con un trapo limpio (Figura 39).


Introduzca la varilla en el tubo de llenado, sin enroscarlo en el orificio.
Retire la varilla del tubo y verifique el nivel de aceite. Si el nivel de aceite es bajo, vierta lentamente sólo la cantidad de aceite suficiente en el tubo de llenado para que el nivel llegue a la marca superior de la varilla
Important: Mantenga el nivel del aceite del motor entre los límites superior e inferior de la varilla. El uso del motor con demasiado aceite de motor, o demasiado poco, puede provocar el fallo del motor.
Coloque la varilla firmemente.
Important: La varilla debe estar introducida a fondo en el tubo para sellar correctamente el cárter del motor. El no sellar el cárter puede causar daños en el motor.
| Intervalo de mantenimiento y servicio | Procedimiento de mantenimiento |
|---|---|
| Después de las primeras 8 horas |
|
| Cada 100 horas |
|
Puede adquirir aceite de motor Toro Premium en su distribuidor autorizado Toro.
Capacidad del cárter: 1,66 litros con cambio de filtro
Utilice aceite de motor de 4 tiempos que cumpla o supere las especificaciones siguientes:
Categoría de servicio API SJ, SL, SM o superior
Viscosidad: SAE 30; consulte otras viscosidades en la tabla siguiente (Figura 40):
Important: El uso de aceites multigrado, por ejemplo 10W-30, aumenta el consumo de aceite. Compruebe el nivel de aceite con más frecuencia si usa uno de estos aceites.

Ponga el motor en marcha durante unos minutos para calentar el aceite.
Aparque la máquina en una superficie nivelada, baje el implemento, mueva las palancas de control a la posición de BLOQUEO/PUNTO MUERTO, ponga el freno de estacionamiento, apague el motor y retire la llave.
Retire el tapón de vaciado (Figura 42) y deje que el aceite se drene en un recipiente apropiado. Cuando el aceite deje de fluir, coloque el tapón de vaciado.
Note: Inserte un trozo de papel o cartulina en el orificio de vaciado de aceite para dirigir el aceite lejos de la placa de montaje del motor (Figura 41).


Retire la varilla y límpiela con un paño limpio (Figura 43).

Vierta aceite limpio en el tubo de llenado.
Arranque el motor, déjelo en marcha durante unos 3 minutos, y asegúrese de que no hay fugas.
Pare el motor.
Compruebe el nivel de aceite y añada más aceite si es necesario.
Vuelva a colocar la varilla.
Elimine el aceite usado según la normativa local.
| Intervalo de mantenimiento y servicio | Procedimiento de mantenimiento |
|---|---|
| Después de las primeras 8 horas |
|
| Cada 100 horas |
|
Ponga el motor en marcha durante unos minutos para calentar el aceite.
Aparque la máquina en una superficie nivelada, baje el implemento, mueva las palancas de control a la posición de BLOQUEO/PUNTO MUERTO, ponga el freno de estacionamiento, apague el motor y retire la llave.
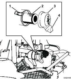
Drene el aceite del motor; consulte Cambio del aceite del motor.
Coloque un recipiente debajo del filtro de aceite, y gire el filtro en sentido antihorario para retirarlo (Figura 44).

Aplique una capa ligera de aceite limpio a la junta del filtro nuevo.
Instale el filtro nuevo girándolo a mano hasta que la junta entre en contacto con el adaptador del filtro, luego apriete ¾ de vuelta más.
Important: No apriete el filtro demasiado.
Compruebe el nivel de aceite; consulte Comprobación del nivel de aceite del motor.
Si es necesario, añada aceite por el tubo de llenado.
Arranque el motor, déjelo en marcha durante unos 3 minutos, y asegúrese de que no hay fugas.
Apague el motor.
Compruebe el nivel de aceite y añada más aceite si es necesario.
Note: El filtro absorbe cierta cantidad de aceite, así que el nivel de aceite puede disminuir al instalar un filtro nuevo.
Vuelva a colocar la varilla.
Elimine el aceite usado según la normativa local.
| Intervalo de mantenimiento y servicio | Procedimiento de mantenimiento |
|---|---|
| Cada 200 horas |
|
| Cada 400 horas |
|
Note: El cambiar el filtro antes de que sea necesario sólo aumenta la posibilidad de que entre suciedad en el motor al retirar el filtro.
Aparque la máquina en una superficie nivelada, baje el implemento, mueva las palancas de control a la posición de BLOQUEO/PUNTO MUERTO, ponga el freno de estacionamiento, apague el motor y retire la llave.
Abra los enganches que sujetan la tapa del limpiador de aire a la carcasa del limpiador de aire (Figura 45).

Retire la tapa de la carcasa del limpiador de aire.
Retire el filtro de aceite usado e instale el filtro nuevo.
Note: Asegúrese de que el filtro nuevo no ha sido dañado durante el transporte, comprobando el extremo sellante del filtro y la carcasa. No utilice el elemento si está dañado. Introduzca el filtro nuevo presionando el borde exterior del elemento para asentarlo en el cartucho. No aplique presión al centro flexible del filtro.
Note: No limpie el elemento usado porque puede dañarse el medio filtrante.
Limpie el orificio de expulsión de suciedad situado en la tapa extraíble.
Coloque la tapa con el orificio de expulsión de suciedad orientado hacia abajo.
Cierre los enganches.
Compruebe todo el sistema de admisión en busca de fugas, daños o abrazaderas sueltas.
| Intervalo de mantenimiento y servicio | Procedimiento de mantenimiento |
|---|---|
| Cada 100 horas |
|
Tipo: NGK BPR4ES (o equivalente)
Distancia entre electrodos: 0,76 mm
Note: Las bujías suelen durar mucho tiempo; no obstante debe comprobarlas si el motor no funciona correctamente.
Aparque la máquina en una superficie nivelada, baje el implemento, mueva las palancas de control a la posición de BLOQUEO/PUNTO MUERTO, ponga el freno de estacionamiento, apague el motor y retire la llave.
Limpie la zona alrededor de cada bujía para que no caiga suciedad en los cilindros cuando se retiren las bujías.

Desconecte los cables de las bujías y retire las bujías de las culatas.
Compruebe el estado del electrodo lateral, el electrodo central y el aislamiento para verificar que no están dañados.
Important: Cambie las bujías si están agrietadas, obstruidas, sucias o si funcionan mal. No limpie los electrodos, porque cualquier arenilla que entre en el cilindro puede dañar el motor.
En cada bujía, ajuste la distancia entre el electrodo central y el electrodo lateral a 0,76 mm; consulte Figura 47. Tras ajustar correctamente los electrodos, instale las bujías con la junta correspondiente y apriételas a 22 N∙m.

| Intervalo de mantenimiento y servicio | Procedimiento de mantenimiento |
|---|---|
| Cada 300 horas |
|
Este procedimiento debe realizarse con las herramientas correctas. Encargue el mantenimiento a su proveedor de motores Kawasaki, a menos que disponga del equipo correcto y de una capacitación mecánica suficiente.
| Intervalo de mantenimiento y servicio | Procedimiento de mantenimiento |
|---|---|
| Cada 300 horas |
|
Este procedimiento debe realizarse con las herramientas correctas. Encargue el mantenimiento a su proveedor de motores Kawasaki, a menos que disponga del equipo correcto y de una capacitación mecánica suficiente.
| Intervalo de mantenimiento y servicio | Procedimiento de mantenimiento |
|---|---|
| Cada 200 horas |
|
| Cada 400 horas |
|
Aparque la máquina en una superficie nivelada, baje el implemento, mueva las palancas de control a la posición de BLOQUEO/PUNTO MUERTO, ponga el freno de estacionamiento, apague el motor y retire la llave.
Retire las fijaciones que sujetan el conjunto del asiento a la máquina.

Desconecte el filtro del cartucho de carbón (Figura 49).

Conecte el filtro nuevo al cartucho de carbón.
Instale la placa de apoyo del asiento y el asiento.
| Intervalo de mantenimiento y servicio | Procedimiento de mantenimiento |
|---|---|
| Cada 800 horas |
|
El tubo de combustible incorpora un filtro en línea. Cámbielo como se indica a continuación:
Aparque la máquina en una superficie nivelada, baje el implemento, mueva las palancas de control a la posición de BLOQUEO/PUNTO MUERTO, ponga el freno de estacionamiento, apague el motor y retire la llave.
Afloje la abrazadera en el lado del carburador del filtro y retire el tubo de combustible del filtro (Figura 50 y Figura 51).


Coloque un recipiente debajo del filtro, afloje la otra abrazadera y retire el filtro.
Deslice las abrazaderas sobre los extremos de los tubos de combustible.
Conecte los tubos a presión al filtro de combustible nuevo y sujételos con las abrazaderas.
Note: Instale el filtro nuevo con la flecha del filtro apuntando en la dirección opuesta al depósito de combustible (hacia el carburador).
Desconecte la batería antes de realizar reparaciones en la máquina. Desconecte primero el terminal negativo y luego el positivo. Conecte primero el terminal positivo y luego el negativo.
Cargue la batería en una zona abierta y bien ventilada, lejos de chispas y llamas. Desenchufe el cargador antes de conectar o desconectar la batería.
Lleve ropa protectora y utilice herramientas aisladas.
Elimine cualquier corrosión de los bornes de la batería, y asegúrese de que las conexiones están bien apretadas antes de arrancar la máquina con una batería externa.
Important: La corrosión y las conexiones sueltas pueden causar picos de voltaje no deseados en cualquier momento durante el procedimiento de arranque externo, y estos podrían dañar el motor.No intente nunca arrancar la máquina desde otra batería si los bornes de la batería están sueltos o corroídos.
Cualquier intento de arrancar una batería agrietada, congelada, con bajo nivel de electrolito o que tenga una celda abierta o cortocircuitada podría provocar una explosión y causar lesiones personales graves.
No arranque una batería descargada si existe cualquiera de estas condiciones.
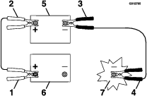
La batería externa debe ser una batería de ácido-plomo de 12,6 voltios o más, en buenas condiciones y completamente cargada. Utilice cables pasa-corriente de la sección correcta, que no sean demasiado largos a fin de reducir la caída de voltaje entre los dos sistemas. Asegúrese de que los cables están codificados por color o etiquetados con la polaridad correcta.
Note: Asegúrese de que los tapones de ventilación están apretados y nivelados. Coloque un paño húmedo, si tiene uno, sobre los tapones de ventilación de cada batería. Asegúrese de que las máquinas no se tocan y que ambos sistemas eléctricos están desconectados y tienen el mismo voltaje nominal. Estas instrucciones son aplicables únicamente a sistemas con negativo a tierra.
Conecte el cable positivo (+) al borne positivo (+) de la batería descargada que está conectado al motor de arranque o al solenoide, como se indica en la Figura 52.

Conecte el otro extremo del cable positivo al borne positivo de la batería externa.
Conecte el cable negativo (–) al otro borne (negativo) de la batería externa.
Haga la conexión final al bloque motor (no al borne negativo de la batería) de la máquina con la batería descargada, en un lugar alejado de la batería, y apártese (Figura 53).

Arranque el motor y retire los cables en el orden inverso de la conexión.
Note: Desconecte primero el cable que está conectado al bloque motor (cable negro).
Aparque la máquina en una superficie nivelada, baje el implemento, mueva las palancas de control a la posición de BLOQUEO/PUNTO MUERTO, ponga el freno de estacionamiento, apague el motor y retire la llave.
El bloque de fusibles (Figura 54) se encuentra cerca del panel de control.

Para cambiar un fusible, tire del mismo para retirarlo del bloque de fusibles, e instale un fusible nuevo
Important: Utilice siempre un fusible del mismo tipo y amperaje que el que está sustituyendo; si no, podría dañar el sistema eléctrico. La calcomanía situada en la parte trasera del asiento indica la función y el amperaje de cada fusible.
El proceso de carga de la batería produce gases que pueden explosionar, causando graves lesiones a usted o a otras personas.
No fume cerca de la batería, y mantenga alejada de la batería cualquier chispa o llama.
Important: Mantenga siempre la batería completamente cargada. Esto es especialmente importante para evitar daños a la batería cuando la temperatura está por debajo de los 0 °C.
Aparque la máquina en una superficie nivelada, baje el implemento, mueva las palancas de control a la posición de BLOQUEO/PUNTO MUERTO, ponga el freno de estacionamiento, apague el motor y retire la llave.
Cargue la batería durante 10 a 15 minutos a 25-30 amperios, o durante 30 minutos a 10 amperios.
Cuando la batería esté completamente cargada, desconecte el cargador del suministro eléctrico, y desconecte los cables del cargador de los bornes de la batería (Figura 55).
Instale la batería en la máquina y conecte los cables de la batería; consulte Instalación de la batería.
Important: No haga funcionar la máquina con la batería desconectada; puede causar daños al sistema eléctrico.

Si la batería ya no mantiene la carga, cámbiela; consulte Retirada de la batería y Instalación de la batería.
Aparque la máquina en una superficie nivelada, baje el implemento, mueva las palancas de control a la posición de BLOQUEO/PUNTO MUERTO, ponga el freno de estacionamiento, apague el motor y retire la llave.
Retire las tuercas de orejeta y las arandelas que sujetan la pletina de sujeción de la batería (Figura 56).

Desconecte el cable negativo de tierra (negro) del borne de la batería.
Un enrutado incorrecto de los cables de la batería podría dañar la máquina y los cables, causando chispas. Las chispas podrían hacer explosionar los gases de la batería, causando lesiones personales.
Desconecte siempre el cable negativo (negro) de la batería antes de desconectar el cable positivo (rojo).
Conecte siempre el cable positivo (rojo) de la batería antes de conectar el cable negativo (negro).
Los bornes de la batería o una herramienta metálica podrían hacer cortocircuito si entran en contacto con los componentes metálicos de la máquina, causando chispas. Las chispas podrían hacer explosionar los gases de la batería, causando lesiones personales.
Al retirar o colocar la batería, no deje que los bornes toquen ninguna parte metálica de la máquina.
No deje que las herramientas metálicas hagan cortocircuito entre los bornes de la batería y las partes metálicas de la máquina.
Retire el protector de borne rojo del borne positivo (+) de la batería y retire el cable positivo (rojo).
Retire la batería.
Coloque la batería en la bandeja.

Conecte primero el cable positivo (rojo) al borne positivo (+) de la batería, y apriete la tuerca sobre el perno.
Important: El cable rojo puede estar cubierto por una funda. El cable positivo es el que lleva el protector rojo.
Conecte el cable negativo de tierra (negro) al borne negativo (–) de la batería y apriete la tuerca sobre el perno.
Deslice el protector de borne rojo sobre el borne positivo (+) de la batería.
Instale la pletina de sujeción, y sujétela con las tuercas de orejeta y las arandelas.
| Intervalo de mantenimiento y servicio | Procedimiento de mantenimiento |
|---|---|
| Cada 100 horas |
|
Aparque la máquina en una superficie nivelada, baje el implemento, mueva las palancas de control a la posición de BLOQUEO/PUNTO MUERTO, ponga el freno de estacionamiento, apague el motor y retire la llave.
Mantenga limpia la parte superior de la batería. Si la máquina se guarda en un sitio con temperaturas extremadamente altas, la batería se descargará más rápidamente que si la máquina se guarda en un sitio con temperaturas más bajas.
Mantenga limpia la parte superior de la batería lavándola con un cepillo mojado en una solución de amoniaco o bicarbonato sódico. Enjuague la superficie con agua después de limpiarla. No retire el tapón de llenado durante la limpieza de la batería.
Los cables de la batería deben estar bien apretados en los bornes para proporcionar un buen contacto eléctrico.
Si hay corrosión en los bornes de la batería, desconecte los cables (primero el cable negativo (–)) y rasque por separado los bornes y las abrazaderas. Conecte los cables (primero el cable positivo (+)) y aplique una capa de vaselina a los bornes.
| Intervalo de mantenimiento y servicio | Procedimiento de mantenimiento |
|---|---|
| Cada vez que se utilice o diariamente |
|
Aparque la máquina en una superficie nivelada, baje el implemento, accione el freno de estacionamiento, apague el motor y retire la llave.
Compruebe la presión de los neumáticos antes de utilizar la máquina (Figura 58).
Presión: 0,48 bar

| Intervalo de mantenimiento y servicio | Procedimiento de mantenimiento |
|---|---|
| Después de las primeras 8 horas |
|
| Cada 100 horas |
|
Aparque la máquina en una superficie nivelada, baje el implemento, accione el freno de estacionamiento, apague el motor y retire la llave.
Apriete las tuercas de las ruedas (Figura 58) a entre 61 y 75 N∙m.
Conduzca hacia un lugar llano y abierto, y mueva las palancas de control a la posición de BLOQUEO/PUNTO MUERTO.
Ponga la palanca del acelerador en un punto intermedio entre las posiciones de RáPIDO y LENTO.
Mueva ambas palancas de control hacia adelante del todo hasta que toquen los topes en la ranura en T.
Compruebe hacia qué lado se desvía la máquina.
Aparque la máquina en una superficie nivelada, baje el implemento, mueva las palancas de control a la posición de BLOQUEO/PUNTO MUERTO, ponga el freno de estacionamiento, apague el motor y retire la llave.
Dependiendo de la dirección en que se desvía la máquina, haga lo siguiente:
Si se desvía hacia la derecha, afloje los pernos y ajuste la placa de tope izquierdo hacia atrás hasta que la máquina avance en línea recta (Figura 59).
Si se desvía hacia la izquierda, afloje los pernos y ajuste la placa de tope derecho hacia atrás, hasta que la máquina avance en línea recta (Figura 59).

Apriete los pernos para sujetar la placa de tope (Figura 59).
Important: Asegúrese de que cada palanca de control se para contra la placa de tope y no contra el tope interno de la transmisión.
Aparque la máquina en una superficie nivelada, baje el implemento, mueva las palancas de control a la posición de BLOQUEO/PUNTO MUERTO, ponga el freno de estacionamiento, apague el motor y retire la llave.
Levante la parte trasera de la máquina y apóyela sobre caballetes; consulte Izado de la máquina.
Los gatos mecánicos o hidráulicos pueden no aguantar el peso de la máquina y pueden dar lugar a lesiones graves.
Utilice caballetes para apoyar la máquina.
Presione con una llave de carraca en el orificio cuadrado del brazo tensor para contrarrestar el muelle tensor (Figura 60), y retire la correa de la polea tensora.

Desenganche el muelle tensor del brazo tensor y del bastidor (Figura 60).
Retire la tuerca que sujeta el conjunto tensor al bastidor (Figura 61).

Retire el perno que sujeta la polea tensora antigua al brazo tensor, e instale una polea nueva (Figura 62).

Retire la correa de las poleas de transmisión y de la polea del motor.
Instale la correa nueva alrededor de la polea del motor y de las 2 poleas de transmisión.
Instale el muelle en el brazo tensor y en el bastidor (Figura 60).
Presione con una llave de carraca en el orificio cuadrado del brazo tensor para extender temporalmente el muelle tensor, y alinee la correa con la polea tensora.
Las palancas de control tienen dos ajustes de altura: alto y bajo.
Aparque la máquina en una superficie nivelada, baje el implemento, mueva las palancas de control a la posición de BLOQUEO/PUNTO MUERTO, ponga el freno de estacionamiento, apague el motor y retire la llave.
Afloje los pernos y las tuercas con arandela prensada que sujetan las palancas (Figura 63).

Ajuste la posición delante/detrás de las palancas acercándolas a la posición de PUNTO MUERTO y deslizándolas hasta que queden alineadas (Figura 64).

Apriete los pernos y las tuercas con arandela prensada para fijar la posición de las palancas.
Girando las tuercas dobles del acoplamiento de la palanca de control, podrá afinar el ajuste hasta que la máquina no se desplace en punto muerto. Haga los ajustes para la posición de punto muerto solamente.
Para ajustar el acoplamiento de la palanca de control, el motor debe estar en marcha y las ruedas motrices deben poder girar. El contacto con piezas en movimiento o superficies calientes puede causar lesiones personales.
Mantenga las manos, los pies, la ropa y otras partes del cuerpo alejados de las piezas giratorias y las superficies calientes.
Aparque la máquina en una superficie nivelada, baje el implemento, mueva las palancas de control a la posición de BLOQUEO/PUNTO MUERTO, ponga el freno de estacionamiento, apague el motor y retire la llave.
Levante las 3 ruedas de la máquina del suelo y apoye la máquina sobre caballetes a una altura suficiente para permitir que las ruedas motrices giren libremente; consulte Izado de la máquina.
Los gatos mecánicos o hidráulicos pueden no aguantar el peso de la máquina y pueden dar lugar a lesiones graves.
Utilice caballetes para apoyar la máquina.
Presione hacia abajo sobre el asiento, o coloque un peso sobre el asiento para hacer presión sobre el interruptor de seguridad.
Arranque el motor y mueva el acelerador a la posición de Rápido.
Deje de presionar el asiento (o retire el peso).
Quite el freno de estacionamiento.
En un lado de la máquina, gire lentamente las tuercas dobles del acoplamiento (Figura 65) hasta que la rueda de ese lado empiece a girar, luego gire las tuercas en el sentido contrario hasta que la rueda gira en el sentido contrario.
Note: Las palancas de control deben estar en la posición de PUNTO MUERTO mientras se realizan los ajustes necesarios.

Gire las tuercas dobles otra vez en el otro sentido hasta que estén en el punto intermedio entre las dos posiciones.
Repita los pasos 7 y 8 en el otro lado.
Apague el motor.
Retire los caballetes y baje la máquina con cuidado al suelo.
Vuelva a arrancar el motor y asegúrese de que la máquina no se desplaza en punto muerto con el freno de estacionamiento quitado.
Puede ajustar la posición del perno superior de montaje del amortiguador para variar la resistencia de la palanca de control.
Aparque la máquina en una superficie nivelada, baje el implemento, mueva las palancas de control a la posición de BLOQUEO/PUNTO MUERTO, ponga el freno de estacionamiento, apague el motor y retire la llave.
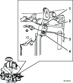
Para tener acceso a los pernos de montaje del amortiguador, retire los pernos que sujetan las placas de tope al bastidor (Figura 66).

Retire la contratuerca, mueva el perno de montaje del amortiguador a la posición deseada e instale la contratuerca. Consulte las opciones de montaje en la Figura 67.
Note: Apriete la contratuerca a 22,6 N∙m. El perno debe sobresalir de la contratuerca después de apretarlo.

Ajuste la dirección; consulte Ajuste de la dirección.
Si prefiere una mayor o menor resistencia lateral en las palancas de control al moverlas a y desde la posición de BLOQUEO/PUNTO MUERTO, puede ajustarlas de la manera siguiente:
Aparque la máquina en una superficie nivelada, baje el implemento, mueva las palancas de control a la posición de BLOQUEO/PUNTO MUERTO, ponga el freno de estacionamiento, apague el motor y retire la llave.
Afloje la contratuerca (Figura 68).

Apriete o afloje la tuerca con arandela prensada hasta obtener el tacto deseado.
Para aumentar la resistencia, apriete la tuerca con arandela prensada.
Para reducir la resistencia, afloje la tuerca con arandela prensada.
Apriete la contratuerca.
Repita este procedimiento en la otra palanca de control.
El funcionamiento correcto del acelerador depende del ajuste correcto del control del acelerador. Antes de ajustar el carburador, asegúrese de que el control del acelerador funciona correctamente.
Aparque la máquina en una superficie nivelada, baje el implemento, mueva las palancas de control a la posición de BLOQUEO/PUNTO MUERTO, ponga el freno de estacionamiento, apague el motor y retire la llave.
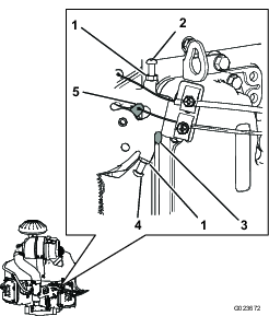
Afloje el tornillo de la abrazadera que sujeta la funda del cable del acelerador al motor (Figura 69).

Mueva el control del acelerador hacia adelante a la posición de Rápido.
Tire hacia arriba de la funda del cable del estárter (Figura 69) hasta que el cable del acelerador apenas tenga holgura, y apriete el tornillo de la abrazadera.
Apriete el tornillo de la abrazadera, y compruebe la velocidad del motor:
Ralentí alto: 2750 a 2950 rpm
Ralentí bajo: 1450 a 1650 rpm
Aparque la máquina en una superficie nivelada, baje el implemento, mueva las palancas de control a la posición de BLOQUEO/PUNTO MUERTO, ponga el freno de estacionamiento, apague el motor y retire la llave.
Afloje el tornillo de la abrazadera que sujeta la funda del cable del estárter al motor (Figura 69).
Presione el control del estárter hacia abajo a la posición de ABIERTO; consulte Control del estárter.
Asegúrese de que la válvula del estárter del carburador está totalmente abierta.
Tire hacia arriba de la funda del cable del estárter (Figura 69) hasta que el cable del estárter apenas tenga holgura, y apriete el tornillo de la abrazadera.
Asegúrese de que la válvula del estárter se desplaza a la posición de totalmente Cerrado al tirar del control del estárter hacia fuera, y a la posición de totalmente Abierto al presionar el control del estárter hacia abajo.
El motor debe estar en marcha durante el ajuste del carburador y del control de velocidad del regulador del motor. El contacto con piezas en movimiento o superficies calientes puede causar lesiones personales.
Asegúrese de que las palancas de control están en la posición de BLOQUEO/PUNTO MUERTO y ponga el freno de estacionamiento antes de realizar este procedimiento.
Mantenga las manos, los pies, la ropa y otras partes del cuerpo alejados de las piezas en movimiento, el tubo de escape y otras superficies calientes.
Ajuste de la velocidad de ralentí bajo como se indica a continuación:
Arranque el motor y déjelo funcionar a velocidad media durante unos cinco minutos para que se caliente.
Mueva el control del acelerador a la posición de LENTO.
Empuje hacia abajo el extremo del muelle del brazo del regulador (Figura 70).

Ajuste el tornillo de tope del carburador (Figura 71) hasta que la velocidad de ralentí sea de 1350 a 1550 rpm.
Note: Compruebe la velocidad con un tacómetro.

Deje que el brazo del regulador vuelva a su posición original.
Afloje la contratuerca del tornillo de ajuste de la velocidad de ralentí bajo.
Ajuste el tornillo de ajuste de la velocidad de ralentí bajo hasta que la velocidad de ralentí sea de 1450 a 1650 rpm.
Apriete la contratuerca.
Ajuste la velocidad de ralentí alto como se indica a continuación:
Important: No ajuste la velocidad de ralentí alto con el limpiador de aire desmontado.
Arranque el motor y deje que se caliente bien.
Afloje unas vueltas la contratuerca del tornillo de ajuste de la velocidad de ralentí alto.
Mueva el control del acelerador hasta que la velocidad de ralentí sea de 2750 a 2950 rpm.
Apriete el tornillo de ajuste de ralentí alto hasta que apenas toque la pestaña de la palanca de control de la velocidad.

Apriete la contratuerca.
Busque atención médica inmediatamente si el fluido penetra en la piel. Un médico deberá eliminar quirúrgicamente el fluido inyectado en pocas horas.
Asegúrese de que todas las mangueras y líneas de fluido hidráulico están en buenas condiciones de uso, y que todos los acoplamientos y conexiones hidráulicos están apretados, antes de aplicar presión al sistema hidráulico.
Mantenga el cuerpo y las manos alejados de fugas pequeñas o de boquillas que liberan fluido hidráulico a alta presión.
Utilice un cartón o un papel para buscar fugas hidráulicas.
Alivie de manera segura toda la presión del sistema hidráulico antes de realizar trabajo alguno en el sistema hidráulico.
Cada vez que se repare o se cambie un componente hidráulico, debe cambiar los filtros de fluido hidráulico y comprobar el sistema hidráulico para verificar su funcionamiento.
Important: Asegúrese de que los depósitos hidráulicos y el filtro del colector están llenos de fluido en todo momento durante la comprobación del sistema hidráulico.
Aparque la máquina en una superficie nivelada, baje el implemento, mueva las palancas de control a la posición de BLOQUEO/PUNTO MUERTO, ponga el freno de estacionamiento, apague el motor y retire la llave.
Levante las 3 ruedas de la máquina del suelo y apoye la máquina sobre caballetes a una altura suficiente para permitir que las ruedas motrices giren libremente; consulte Izado de la máquina.
Los gatos mecánicos o hidráulicos pueden no aguantar el peso de la máquina y pueden dar lugar a lesiones graves.
Utilice caballetes para apoyar la máquina.
Arranque el motor y ajuste el acelerador para que el motor funcione a ralentí bajo.
Mueva las palancas de control hacia adelante del todo y observe si las ruedas motrices giran suavemente.
Mueva las palancas de control hacia atrás del todo y observe si las ruedas motrices giran suavemente.
Pulse el interruptor del implemento hasta que la biela del cilindro de elevación haya entrado y salido varias veces.
Si la biela no se mueve en 10–15 segundos o si la bomba emite sonidos anormales, apague el motor inmediatamente y determine la causa o el problema.
Inspeccione las condiciones siguientes y realice las reparaciones necesarias o consulte a su Distribuidor Autorizado Toro:
La correa está desmontada o gravemente desgastada.
El nivel de fluido es inadecuado.
Hay un filtro de fluido hidráulico suelto.
La bomba de carga está desgastada.
El filtro de la válvula de alivio está desgastado.
Hay un problema con el interruptor o con el cableado.
La válvula de solenoide está obstruida.
| Intervalo de mantenimiento y servicio | Procedimiento de mantenimiento |
|---|---|
| Cada vez que se utilice o diariamente |
|
Important: Para mayor precisión, compruebe el nivel de fluido hidráulico sólo cuando el motor y el sistema hidráulico están fríos.
Los depósitos de la máquina se llenan en la fábrica con fluido hidráulico de alta calidad. El mejor momento para comprobar el fluido hidráulico es cuando el fluido está frío. La máquina debe estar configurada para el transporte. Si el nivel del fluido está por debajo de la parte superior de la zona horizontal de la mirilla, situada en la parte trasera de los depósitos hidráulicos (Figura 73), añada fluido hasta que llegue a un nivel aceptable. No llene demasiado los depósitos. Si el nivel del fluido está en la parte superior de la zona horizontal de la mirilla, no es necesario añadir más fluido. El fluido de recambio recomendado es:
Tipo de fluido: Toro Premium Transmission/Hydraulic Tractor Fluid, Toro Premium Universal Tractor Fluid, o Mobilfluid® 424
Capacidad:
Lado izquierdo—1,9 litros
Lado derecho—2,0 litros
Aceites alternativos: Si el fluido especificado no está disponible, puede utilizarse otro fluido hidráulico universal para tractores (UTHF), pero debe ser únicamente un producto convencional a base de petróleo, no un fluido sintético o biodegradable. Las especificaciones de todas las propiedades materiales deben estar dentro de los intervalos citados a continuación, y el fluido debe cumplir las normas industriales citadas. Consulte a su proveedor de fluido para determinar si el fluido cumple estas especificaciones.
Note: Toro no asume responsabilidad alguna por daños causados por sustitutos no adecuados, así que usted debe utilizar solamente productos de fabricantes responsables que respalden sus recomendaciones.
| Propiedades de materiales: | |
| Viscosidad, ASTM D445 | cSt a 40 °C: 55 a 62 |
| Índice de viscosidad ASTMD2270 | 140 a 152 |
| Punto de descongelación, ASTMD97 | -37 °C a -43 °C |
| Especificaciones industriales: API GL-4, AGCO Powerfluid 821 XL, Ford New Holland FNHA-2-C-201.00, Kubota UDT, John Deere J20C, Vickers 35VQ25 y Volvo WB-101/BM. | |
Note: Muchos fluidos hidráulicos son casi incoloros, por lo que es difícil detectar fugas. Está disponible un aditivo de tinte rojo para el fluido hidráulico, en botellas de 20 ml. Una botella es suficiente para 15 a 22 litros de fluido hidráulico. Solicite la Pieza 44-2500 a su Distribuidor Autorizado Toro.
Aparque la máquina en una superficie nivelada, baje el implemento, accione el freno de estacionamiento, apague el motor y retire la llave.
Compruebe el nivel del fluido hidráulico mirando por el orificio del soporte de cada uno de los depósitos de fluido.
Note: El nivel de fluido debe llegar a la parte inferior de cada orificio, como se muestra en la Figura 73.

Si el nivel de fluido es bajo en cualquiera de los depósitos, añada fluido como se indica a continuación:
Limpie la zona alrededor de los tapones de los depósitos de fluido para evitar que entren residuos en el sistema (Figura 73).
Retire los tapones de los depósitos.
Llene lentamente los depósitos con fluido hidráulico apropiado hasta que el nivel llegue al borde inferior de los orificios de los soportes.
Important: Para evitar contaminar el sistema, limpie la parte superior del recipiente de fluido antes de abrirlo. Asegúrese de que el vertedor y el embudo están limpios.
Important: No llene demasiado los depósitos.
Instale los tapones en los depósitos.
| Intervalo de mantenimiento y servicio | Procedimiento de mantenimiento |
|---|---|
| Después de las primeras 50 horas |
|
| Cada 250 horas |
|
| Cada 400 horas |
|
Capacidad:
Lado izquierdo—1,9 litros
Lado derecho—2,0 litros
Tipo de fluido: Toro Premium Transmission/Hydraulic Tractor Fluid, Toro Premium Universal Tractor Fluid, o Mobilfluid® 424
Aparque la máquina en una superficie nivelada, baje el implemento, mueva las palancas de control a la posición de BLOQUEO/PUNTO MUERTO, ponga el freno de estacionamiento, apague el motor y retire la llave.
Coloque un recipiente debajo del tapón de vaciado de la transmisión hidrostática izquierda.
Retire el tapón de vaciado en el lado de la bomba y el tapón de vaciado en el lado de los engranajes (Figura 74) y deje que el aceite se drene completamente.

Retire el tapón del filtro, y retire el filtro de la transmisión (Figura 75).

Instale un filtro nuevo, e instale el tapón del filtro.
Repita los pasos 2 a 5 en la transmisión hidrostática derecha.
Limpie la zona alrededor del filtro del colector, que está situado en el lado derecho de la máquina.
Coloque un recipiente debajo del filtro del colector (Figura 76).

Afloje lentamente el filtro del colector hasta que el fluido fluya por la junta y gotee.
Retire el filtro cuando se pare el flujo de fluido.
Lubrique la junta del filtro de recambio con fluido hidráulico limpio, e instálelo a mano hasta que la junta entre en contacto con la superficie de montaje.
Apriete el filtro ¾ de vuelta más.
Llene cada depósito de fluido hidráulico con fluido hidráulico nuevo hasta que el nivel llegue a la parte inferior de la mirilla del soporte del depósito.
Important: No llene demasiado el sistema hidráulico. Consulte Comprobación del nivel de fluido hidráulico.
Note: Para que el fluido salga más rápidamente del sistema, puede retirar el tapón (Figura 77) de la parte superior de cada transmisión hidrostática. Cuando el fluido empiece a salir del orificio, instale el tapón y siga llenando el depósito hasta que el fluido llegue al nivel correcto.
Important: Compruebe que los tapones están firmemente colocados y sujetos antes de arrancar el motor.

Arranque el motor y déjelo funcionar. Accione el cilindro de elevación hasta que se extienda y se retraiga.
Compruebe que puede conducir la máquina hacia adelante y hacia atrás.
Apague el motor, compruebe el nivel de fluido del depósito y añada fluido si es necesario.
Compruebe las conexiones en busca de fugas, y compruebe que el sistema hidráulico funciona correctamente; consulte Comprobación del sistema hidráulico.
Elimine correctamente el fluido usado.
| Intervalo de mantenimiento y servicio | Procedimiento de mantenimiento |
|---|---|
| Cada vez que se utilice o diariamente |
|
Cada día, compruebe que las líneas y mangueras hidráulicas no tienen fugas, que no están dobladas, que los soportes no están sueltos, y que no hay desgaste, elementos sueltos, o deterioro causado por agentes ambientales o químicos. Haga todas las reparaciones necesarias antes de operar la máquina.
| Intervalo de mantenimiento y servicio | Procedimiento de mantenimiento |
|---|---|
| Cada vez que se utilice o diariamente |
|
Cuando termine de usarla, aparque la máquina en una superficie nivelada, baje el implemento, mueva las palancas de control a la posición de BLOQUEO/PUNTO MUERTO, ponga el freno de estacionamiento, apague el motor y retire la llave.
Lave la máquina a fondo con una manguera de jardín, sin boquilla, para que la presión excesiva del agua no contamine ni dañe juntas y cojinetes.
Asegúrese de que las aletas de refrigeración y la zona de alrededor de la entrada de aire de refrigeración están libres de residuos. Después de limpiar la máquina, compruebe que no hay fugas de fluido hidráulico, o daños o desgaste en los componentes mecánicos e hidráulicos.
Aparque la máquina en una superficie nivelada, mueva la palanca de cambios a la posición de PUNTO MUERTO, ponga el freno de estacionamiento, apague el motor y retire la llave.
Limpie a fondo la máquina, los implementos y el motor.
Compruebe la presión de los neumáticos. Infle los neumáticos a 0,48 bar.
Compruebe que todas las fijaciones están bien apretadas; apriételas si es necesario.
Aplique grasa o aceite a todos los engrasadores y puntos de pivote. Limpie cualquier exceso de lubricante.
Lije suavemente y aplique pintura de retoque a cualquier zona pintada que esté rayada, desconchada u oxidada.
Cambie el aceite del motor y el filtro; consulte Cambio del aceite del motor.
Acondicione el sistema de combustible de la siguiente manera:
Agregue un estabilizador/acondicionador a base de petróleo al combustible del depósito. Siga las instrucciones de mezcla del fabricante del estabilizador. No use un estabilizador a base de alcohol (etanol o metanol).
Puede adquirir estabilizador de combustible Toro en su Distribuidor Autorizado Toro.
Important: No almacene combustible que contenga estabilizador/acondicionador durante más tiempo del recomendado por el fabricante del estabilizador de combustible.
Note: Un estabilizador/acondicionador de combustible es más eficaz cuando se mezcla con combustible nuevo y se utiliza siempre.
Haga funcionar el motor durante cinco minutos para distribuir el combustible con acondicionador por todo el sistema de combustible.
Apague el motor, deje que se enfríe y vacíe el depósito de combustible usando un sifón tipo bomba. Elimine correctamente el combustible; recíclelo observando la normativa local.
Arranque el motor y hágalo funcionar hasta que se apague.
Accione el estárter.
Arranque el motor y déjelo en marcha hasta que no vuelva a arrancar.
Limpie y revise a fondo el conjunto del limpiador de aire. Consulte Mantenimiento del limpiador de aire.
Selle la entrada del limpiador de aire y la salida del tubo de escape con cinta impermeabilizante.
Compruebe que la varilla de aceite y el tapón del depósito de combustible están colocados firmemente.
Preparación de la batería y los cables:
Retire los terminales de los bornes de la batería.
Limpie la batería, los terminales y los bornes con un cepillo de alambre y una solución de bicarbonato.
Aplique una capa de grasa Grafo 112X (No. de Pieza Toro 505) o de vaselina a los terminales de los cables y a los bornes de la batería para evitar la corrosión.
Cargue la batería lentamente durante 24 horas cada 60 días para evitar el sulfatado de plomo de la batería.
Note: La gravedad específica de una batería totalmente cargada es de 1,250.
Note: Guarde la batería en un ambiente fresco para evitar un deterioro rápido de la carga. Para evitar que la batería se congele, asegúrese de que está totalmente cargada.
| Problem | Possible Cause | Corrective Action |
|---|---|---|
| El motor de arranque no se engrana. |
|
|
| El motor no arranca, arranca con dificultad, o no sigue funcionando |
|
|
| El motor pierde potencia. |
|
|
| El motor se sobrecalienta. |
|
|
| La máquina se desvía a la derecha o a la izquierda (con las palancas totalmente hacia adelante). |
|
|
| No es posible conducir la máquina. |
|
|
| La máquina vibra de manera anormal. |
|
|