Wartung
Warnung:
Eine falsche Wartung kann zu einem frühzeitigen Ausfall der Maschinensysteme führen und Sie oder Unbeteiligte verletzen.
Warten Sie die Maschine regelmäßig und in einem guten Zustand, gemäß diesen Anweisungen.
Note: Bestimmen Sie die linke und rechte Seite der Maschine anhand der üblichen Betriebsposition.
Wartungssicherheit
-
Bevor Sie den Fahrerstand verlassen, gehen Sie wie folgt vor:
-
Parken Sie die Maschine auf einer ebenen Fläche.
-
Kuppeln Sie das Mähwerk aus.
-
Stellen Sie sicher, dass der Fahrantrieb in der Leerlauf-Stellung ist.
-
Aktivieren Sie die Feststellbremse.
-
Stellen Sie die Maschine ab und ziehen Sie den Zündschlüssel ab (sofern vorhanden).
-
Warten Sie, bis alle beweglichen Teile zum Stillstand gekommen sind.
-
-
Lassen Sie alle Maschinenteile abkühlen, bevor Sie mit Wartungsarbeiten beginnen.
-
Führen Sie Wartungsarbeiten möglichst nicht bei laufendem Motor durch. Fassen Sie keine beweglichen Teile an.
-
Berühren Sie die Schneideinheit, Anbaugeräte und alle beweglichen Teile nicht mit den Händen, Füßen und Kleidungsstücken, wenn die Maschine zum Durchführen von Wartungseinstellungen in Betrieb sein muss. Halten Sie Unbeteiligte in einem sicheren Abstand zur Maschine.
-
Entfernen Sie Gras und Schmutz vom Mähwerk, Antrieb, Motor und des Akkus, um einem Brand vorzubeugen.
-
Halten Sie alle Teile in gutem Zustand. Ersetzen Sie abgenutzte, beschädigte oder fehlende Teile und Aufkleber. Halten Sie alle Befestigungselemente fest angezogen, damit die Maschine in einem sicheren Betriebszustand bleibt.
-
Überprüfen Sie die Grasfangkomponenten regelmäßig und tauschen Sie sie bei Bedarf aus.
-
Verwenden Sie, um die optimale Leistung und Sicherheit Ihrer Maschine zu gewährleisten, nur Originalersatzteile und -zubehörteile von Toro. Ersatzteile anderer Hersteller können gefährlich sein und eine Verwendung könnte die Garantie ungültig machen.
-
Wenn größere Reparaturen anfallen oder Sie Hilfe benötigen, wenden Sie sich an einen autorisierten Toro-Vertragshändler.
Empfohlener Wartungsplan
| Wartungsintervall | Wartungsmaßnahmen |
|---|---|
| Nach jeder Verwendung |
|
| Alle 750 Betriebsstunden |
|
Checkliste – tägliche Wartungsmaßnahmen
Important: Kopieren Sie diese Seite für regelmäßige Verwendung.
| Wartungsprüfpunkt | Für KW: | ||||||
|---|---|---|---|---|---|---|---|
| Mo | Di | Mi | Do | Fr | Sa | So | |
| Überprüfen Sie die Funktion des Feststellbremshebels. | |||||||
| Achten Sie auf ungewöhnliche Betriebsgeräusche. | |||||||
| Prüfen Sie die Einstellung der Spindel zum Untermesser. | |||||||
| Prüfen Sie die Schnitthöheneinstellung. | |||||||
| Bessern Sie alle Lackschäden aus. | |||||||
| Reinigen Sie die Maschine. | |||||||
| Inspiziert durch: | ||
| Punkt | Datum | Informationen |
Verfahren vor dem Ausführen von Wartungsarbeiten
Vorbereiten der Maschine für die Wartung
Warnung:
Während Sie die Maschine warten oder einstellen, könnte jemand die Maschine starten. Ein versehentliches Anlassen der Maschine könnte Sie oder andere unbeteiligte Personen verletzen.
Lösen Sie die Antriebsbügel, aktivieren Sie die Feststellbremse, ziehen Sie den Schlüssel ab und klemmen Sie den Akku ab, bevor Sie Wartungsarbeiten durchführen.
Führen Sie die folgenden Schritte aus, bevor Sie die Reinigungs-, Wartungs- oder Einstellarbeiten an der Maschine durchführen:
-
Parken Sie die Maschine auf einer ebenen Fläche.
-
Aktivieren Sie die Feststellbremse.
-
Schalten Sie die Maschine ab.
-
Warten Sie, bis alle beweglichen Teile zum Stillstand gekommen sind, bevor Sie die Wartungs- und Reparaturarbeiten an der Maschine durchführen oder diese aufbewahren.
-
Trennen Sie den Akku ab, indem Sie den T-Holmanschluss vom Hauptstromanschluss abziehen (Bild 34).

Warten der elektrischen Anlage
Hinweise zur Sicherheit der Elektroanlage
-
Klemmen Sie vor dem Durchführen von Reparaturen an der Maschine den Akku ab.
-
Laden Sie den Akku nur in offenen, gut gelüfteten Bereichen und nicht in der Nähe von Funken und offenem Feuer. Trennen Sie das Ladegerät ab, ehe Sie den Akku anschließen oder abklemmen. Tragen Sie Schutzkleidung und verwenden Sie isoliertes Werkzeug.
Warten des Akkupacks
Am Akkupack können nur die Aufkleber instandgehalten werden. Wenn Sie versuchen, das Hauptabteil oder das Hauptsteuergerät des Akkupacks zu öffnen, erlischt die Garantie. Wenn Sie Probleme mit dem Akkupack haben, wenden Sie sich an Ihren autorisierten Toro-Vertragshändler.
Warnung:
Das Akkupack enthält eine hohe Spannung, die bei Ihnen zu Verbrennungen oder einem Stromschlag führen kann.
-
Versuchen Sie nie, das Akkupack zu öffnen.
-
Stecken Sie nur den Kabelbaumanschluss, der dem Produkt beilag, in den Anschluss am Akkupack.
-
Passen Sie besonders auf, wenn Sie ein Akkupack mit einem gerissenen Gehäuse handhaben.
-
Verwenden Sie nur das Ladegerät, das für das Akkupack konzipiert ist.
Entsorgen des Akkus
Der Lithium-Ionen-Akku muss in Übereinstimmung mit den örtlichen und staatlichen Vorschriften entsorgt oder recycelt werden.
Wartung des Akkuladegeräts
Important: Alle elektrischen Reparaturen dürfen nur von einem autorisierten Toro-Vertragshändler ausgeführt werden.
Der Bediener kann keine Wartungsarbeiten, außer dem Schutz des Ladegeräts vor Beschädigungen und vor dem Wetter ausführen.
Wartung des Akku-Ladekabels
-
Reinigen Sie die Kabel nach jeder Verwendung mit einem feuchten Lappen.
-
Wickeln Sie das Kabel auf, wenn es nicht verwendet wird.
-
Prüfen Sie die Kabel regelmäßig auf Beschädigungen und tauschen sie ggf. mit von Toro genehmigten Ersatzteilen aus.
Reinigung des Akkuladegerätes
Reinigen Sie das Gehäuse nach jeder Verwendung mit einem feuchten Lappen.
Wechseln der Sicherungen
Wenn die Maschine selbst nach dem Laden nicht eingeschaltet werden kann, prüfen Sie die Sicherungen wie folgt:
-
Schalten Sie die Maschine aus und schließen Sie das Akkupack ab.
-
Entfernen Sie die vier Schrauben (Bild 35) der Akkupackabdeckung und nehmen Sie die Abdeckung ab.

-
Prüfen Sie die Sicherungen im Sicherungsblock (Bild 36).

-
Wenn eine Sicherung durchgebrannt ist, wechseln Sie sie mit einer Sicherung (passende Spannung und Stromstärke) aus. Die Teilenummern der Sicherungen finden Sie in der Wartungsanleitung der Zugmaschine.
Important: Alle Sicherungen in der Maschine sind für 80 V zugelassen. Verwenden Sie keine KFZ-Sicherungen mit 12 V.
Bestätigung des Akkuschnittstellenfelds
Ein Schnittstellenfeld am Akku weist Leuchten zur Anzeige des Akkustatus einschließlich Ladestatus, Ladezustand, Fehlern und Akku-Updates auf. Wenden Sie sich an Ihren autorisierten Toro-Vertragshändler, um weitere Informationen zum Akkuschnittstellenfeld zu erhalten.
Warten des Antriebssystems
Wechseln des Getriebeöls
| Wartungsintervall | Wartungsmaßnahmen |
|---|
Note: Weitere Informationen zu dieser Vorgehensweise finden Sie auf Bild 37.

-
Entfernen Sie die Entlüftungs- und Adapterbaugruppe vom Getriebe.
-
Lassen Sie eine andere Person die Maschine nach hinten kippen und legen Sie eine Wanne unter das Getriebe.
Note: Verwenden Sie die Wanne zum Auffangen des Getriebeöls.
-
Entfernen Sie die Ablassschraube vom Getriebe und lassen das Öl vollständig ablaufen.
-
Setzen Sie die Ablassschraube ein.
-
Ziehen Sie die Schraube auf ein Drehmoment von 4 bis 5 N∙m an.
-
Füllen Sie 473 ml des synthetischen Getriebeöls Dexron VI durch die Entlüftungsöffnung in das Getriebe ein.
-
Installieren Sie die Entlüftungs- und Adapterbaugruppe und ziehen Sie sie auf ein Drehmoment von 12 bis 15 N∙m an.
Warten der Bedienelementanlage
Einstellen der Betriebs-/Feststellbremse
Stellen Sie die Betriebs-/Feststellbremse ein, wenn sie während des Betriebs rutscht.
-
Lösen Sie die Feststellbremse.
-
Messen Sie das Spiel am Ende des Feststellbremsgriffs (Bild 38).
Das Spiel des Feststellbremsgriffs sollte zwischen 12,7 und 25,4 mm betragen. Wenn das Spiel nicht innerhalb dieser Werte liegt, fahren Sie mit Schritt 3 fort, um den Bremszug einzustellen.

-
Stellen Sie die Spannung des Bremszugs mit den folgenden Schritten ein:
-
Lösen Sie die vordere Kabelklemmmutter und ziehen Sie die hintere Klemmmutter an, um die Spannung des Bremszugs zu erhöhen (Bild 39). Schritt 2 wiederholen und ggf. die Spannung anpassen.
-
Lösen Sie die hintere Kabelklemmmutter und ziehen Sie die vordere Klemmmutter an, um die Spannung des Bremszugs zu verringern (Bild 39). Schritt 2 wiederholen und ggf. die Spannung anpassen.
-

Warten des Mähwerks
Sicherheitshinweise Schnittmesser
-
Gehen Sie bei der Kontrolle der Spindeln des Mähwerks besonders vorsichtig vor. Gehen Sie bei der Wartung der Spindeln äußerst vorsichtig vor und tragen Sie Handschuhe.
-
Ein abgenutztes oder beschädigtes Messer oder Untermesser kann zerbrechen und Teile davon herausgeschleudert werden, und Sie oder Unbeteiligte treffen und schwere oder tödliche Verletzungen verursachen.
-
Prüfen Sie die Messer und Untermesser regelmäßig auf Abnutzung oder Beschädigungen.
-
Kontrollieren Sie die Messer vorsichtig. Lassen Sie bei der Wartung dieser Teile große Vorsicht walten, und tragen Sie Handschuhe. Die Spindeln und Untermesser sollten nur ersetzt oder geläppt werden; sie dürfen keinesfalls geglättet oder geschweißt werden.
-
Beachten Sie bei der Wartung der Messer, dass Sie die Messer auch nach dem Trennen der Stromversorgung noch bewegen können.
Anbau des Mähwerks (Modell 04835 und 04845)
-
Stellen Sie den Ständer in die WARTUNGSPOSITION DES MäHWERKS.
-
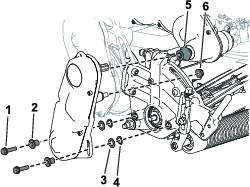
Entfernen Sie die Befestigungsmittel, mit denen die Spindelantriebsbaugruppe an der Seitenplatte befestigt ist (Bild 40).

-
Entfernen Sie die Spindelantriebsbaugruppe, Unterlegscheiben, Federscheiben und Distanzstücke von der Seitenplatte (Bild 40).
-
Richten Sie das Mähwerk am Rahmen aus.
-
Verwenden Sie die vier Bundkopfschrauben, um das Mähwerk am Rahmen zu befestigen (Bild 41).

-
Verwenden Sie die zuvor entfernten Zylinderschrauben, Unterlegscheiben und Distanzstücke, um die Spindelantriebsbaugruppe an der Seitenplatte des Mähwerks zu befestigen (Bild 42).
Stellen Sie sicher, dass die Spindelantriebswelle an der Kupplung der Getriebeantriebswelle befestigt ist (Bild 42).

Montieren des Mähwerks (Modell 04865)
-
Stellen Sie den Ständer in die WARTUNGSPOSITION DES MäHWERKS.
-
Richten Sie das Mähwerk am Rahmen aus.
-
Bewegen Sie die Aufhängeriegel nach unten, um das Mähwerk an der Maschine zu befestigen (Bild 43).

-
Bewegen Sie den Bund aus der Nut der Kupplungswelle des Getriebes und führen Sie das Sechskantrohr in die Kupplungswelle des Mähwerks ein (Bild 43).
-
Einbauen des Grasfangkorbs.
Entfernen des Mähwerks(Modelle 04835 und 04845)
-
Stellen Sie den Ständer in die WARTUNGSPOSITION DES MäHWERKS.
-
Nehmen Sie den Grasfangkorb ab (falls eingehängt).
-
Entfernen Sie die Spindelantriebswelle vom Mähwerk (Bild 44) und behalten Sie die Befestigungselemente auf.

-
Entfernen Sie die Bundkopfschrauben, mit denen das Mähwerk am Rahmen befestigt ist (Bild 45).

-
Entfernen Sie das Mähwerk vom Rahmen.
Entfernen des Mähwerks (Modell 04865)
Note: Das Sechskantrohr kuppelt aus, wenn Sie beim Entfernen des Mähwerks den Spindelantrieb einkuppeln.
-
Stellen Sie den Ständer in die WARTUNGSPOSITION DES MäHWERKS.
-
Nehmen Sie den Grasfangkorb ab (falls eingehängt).
-
Schieben Sie den Bund (Bild 46) in die Nut der Getriebewelle.
Note: Dadurch wird die Spannung der Feder gelöst.
-
Schieben Sie das Sechskantrohr von der Kupplungswelle des Mähwerks herunter (Bild 46).

-
Klappen Sie die Aufhängeriegel nach oben, um das Mähwerk von der Maschine zu lösen (Bild 46).
-
Entfernen Sie das Mähwerk vom Rahmen.
Läppen des Mähwerks
Führen Sie eine der folgenden Möglichkeiten aus, um das Mähwerk zu läppen:
-
Installieren Sie das Zugangskit Läppeinheit (Modell 139-4342) und verwenden Sie eine Läpp-Maschine. Wenden Sie sich an Ihren autorisierten Toro-Vertragshändler, um dieses Kit zu erwerben.
-
Verwenden Sie das InfoCenter, um die Läppfunktion aufzurufen.
Um die Läppfunktion aufzurufen, wählen Sie BACKLAP [Läppen] aus dem Menü SERVICE aus. Folgen Sie den Anweisungen des InfoCenters, um das Mähwerk zu läppen.
Note: Sobald Sie den Bügel loslassen, wird die Läppfunktion deaktiviert. Sie können die Bügelfanggabel (im Beutel mit den losen Teilen enthalten) verwenden, um den Bügel in der eingerasteten Position zu sichern.Entfernen Sie die Bügelfanggabel, wenn Sie mit dem Läppen des Mähwerks fertig sind.

Reinigung
Reinigen der Maschine
| Wartungsintervall | Wartungsmaßnahmen |
|---|---|
| Nach jeder Verwendung |
|
Reinigen Sie die Maschine nach jedem Einsatz mit einem milden Reinigungsmittel und Wasser. Waschen Sie die Maschine nicht mit einem Hochdruckreiniger. Verwenden Sie nicht zu viel Wasser, besonders in der Nähe der Ganghebelplatte, des InfoCenter, dem Kraftzentrum und dem Maschinennetzstecker. Reinigen Sie den Motor, um ihn richtig beim Einsatz zu kühlen. Halten Sie auch das Akkupack so sauber wie möglich, damit es eine weiße Farbe beibehält. Das Sonnenlicht wird dann reflektiert und verhindert ein Überhitzen des Akkus in der Sonne.
Important: Verwenden Sie zur Reinigung der Maschine kein Brack- oder wiederaufbereitetes Wasser.
Important: Lagern bzw. parken Sie die Maschine immer an einem Ort ohne direkte Sonneneinstrahlung, da die Wärme von der Sonne die Nutzungsdauer des Akkupacks verkürzt.




, es bedeutet
Vorsicht, Warnung oder Gefahr – Sicherheitshinweis“.
Wenn Sie diese Anweisungen nicht einhalten, kann es zu Verletzungen
ggf. tödlichen Verletzungen kommen.


























)
























(Off), um die Einstellungen ohne Eingabe eines
PIN-Codes anzuzeigen und zu ändern.
(Ein), stellen Sie den PIN-Code ein und stellen
den Schlüssel im Zündschloss in die AUS-Stellung und dann in die EIN-Stellung.

oben rechts auf dem Bildschirm angezeigt.





