유지보수
경고
장비를 적절히 정비하지 않으면 장비 시스템이 일찍 고장나게 되어, 작업자나 지나가는 사람에게 해를 줄 가능성이 있습니다.
이 지침에서 지시하는 대로 장비를 잘 정비하여 양호하게 작동하는 상태를 유지하십시오.
Note: 정상 운전 위치에서 장비의 좌측과 우측을 판단하십시오.
유지관리 안전성
-
운전석을 떠나기 전에 다음 절차를 수행하십시오.
-
평평한 곳에 장비를 주차합니다.
-
커팅 유닛을 해제합니다.
-
트랙션 레버를 중립으로 놓습니다.
-
주차 브레이크를 겁니다.
-
장비를 끄고 키를 뺍니다(꽂혀 있는 경우).
-
모든 움직임이 멈출 때까지 기다립니다.
-
-
장비를 관리하기 전에 장비 구성 부품을 식히십시오.
-
가능하면, 장비 작동 중에 유지보수를 수행하지 마십시오. 움직이는 부품에서 떨어지십시오.
-
장비가 작동하는 상태에서 유지보수 조정을 수행해야 하는 경우에는 손, 발, 옷 및 기타 신체 부위가 커팅 유닛, 부착 장치 또는 움직이는 부품에 닿지 않게 하십시오. 주변 사람들을 모두 물러나게 하십시오.
-
커팅 유닛, 드라이브, 모터 및 배터리에 붙어 있는 잔디와 부스러기를 제거하여 화재를 예방하십시오.
-
모든 부품을 정상적 작동 조건으로 유지하십시오. 닳거나 손상되거나 없는 부품과 데칼은 교체하십시오. 장비가 안전한 작업 상태를 유지하도록 모든 하드웨어를 견고하게 고정하십시오.
-
잔디 수거 부품을 자주 점검하고 필요 시 교체하십시오.
-
장비가 안전하게 최적 성능으로 작동하게 하려면, 순정 Toro 교체 부품만 사용하십시오. 다른 제조사에서 만든 교체 부품은 위험할 수 있으며, 그러한 제품을 사용하면 제품 보증이 무효가 될 수 있습니다.
-
중요한 수리나 도움이 필요할 경우에는 Toro 공식 판매 대리점에 문의하십시오.
권장 유지보수 일정
| 유지보수 서비스 간격 | 유지보수 절차 |
|---|---|
| 매번 사용 후 |
|
| 매 750시간 |
|
일일 유지보수 점검 목록
Important: 이 페이지를 복사하여 사용하십시오.
| 유지보수 점검 항목 | 요일: | ||||||
|---|---|---|---|---|---|---|---|
| 월 | 화 | 수 | 목 | 금 | 토 | 일 | |
| 브레이크 잠금 레버의 작동 점검. | |||||||
| 엔진 작동 소음 이상 점검. | |||||||
| 릴-베드나이프 조정 점검. | |||||||
| 예고 조정 점검. | |||||||
| 벗겨진 페인트 복원. | |||||||
| 장비 청소. | |||||||
| 검사자: | ||
| 항목 | 날짜 | 정보 |
사전 유지보수 절차
장비의 유지보수 준비
경고
장비를 정비하거나 조정하는 동안, 누군가가 장비를 시동할 수 있습니다. 우연히 장비가 시동되면 작업자나 옆에 있는 다른 사람이 심하게 다칠 수 있습니다.
트랙션 베일을 풀고, 주차 브레이크를 걸고, 키를 배고, 배터리를 분리한 후에 유지보수를 수행하십시오.
정비, 청소 또는 장비 조정을 하기 전에 다음을 수행하십시오.
-
평평한 곳에 장비를 주차합니다.
-
주차 브레이크를 겁니다.
-
장비를 끕니다.
-
모든 움직이는 부품이 정지할 때까지 기다린 다음 정비, 보관 또는 수리합니다.
-
주전원 전원 공급 커넥터의 T-핸들 커넥터를 꺼짐 위치로 당겨서 배터리를 분리합니다(그림 34).

전기 시스템 유지보수
전기 시스템 안전
-
장비를 수리하기 전에 배터리를 분리하십시오.
-
배터리는 개방되고 환기가 잘 되며, 불꽃 및 화염에서 멀리 떨어진 곳에서 충전하십시오. 배터리를 연결 또는 분리하기 전에 충전기를 빼십시오. 보호복을 입고 절연 공구를 사용하십시오.
배터리 팩 정비
배터리 팩에서 사용자가 정비할 수 있는 유일한 부품을 라벨입니다. 배터리 팩의 주요 구성품이나 마스터 컨트롤러를 열려고 시도하는 경우, 보증이 무효화됩니다. 배터리 팩에 문제가 있는 경우, Toro 공식 판매대리점에 도움을 요청하십시오.
경고
배터리 팩에는 고압이 포함되어 있으며 화상이나 감전 사고를 유발할 수 있습니다.
-
배터리 팩을 개방하지 마십시오.
-
제품과 함께 제공된 와이어 하니스 커넥터 이외에 배터리 팩 커넥터에 아무 것도 놓지 마십시오.
-
케이스에 금인 간 배터리 팩을 취급할 때 매우 조심하십시오.
-
배터리 팩을 위해 설계된 충전기만을 사용하십시오
배터리 폐기
리튬 이온 배터리는 현지 및 연방 규정에 따라 폐기하거나 재활용해야 합니다.
배터리 충전기 유지보수
Important: Toro 공인 판매대리점만이 일체의 전기 수리 작업을 수행해야 합니다.
운영자는 손상이나 기후로부터 보호하는 것 이외에 거의 유지보수 작업을 할 수 없습니다.
배터리 충전기 코드 유지보수
-
매번 사용한 후에 약간 젖은 천으로 코드를 청소하십시오.
-
사용하지 않을 때에는 코드를 감아 두십시오.
-
코드의 손상 여부를 정기적으로 검사하고 필요 시 Toro가 승인한 부품으로 교체하십시오.
배터리 충전기 케이스 청소
매번 사용한 후에 약간 젖은 천으로 케이스를 청소하십시오.
퓨즈 교체
배터리 인터페이스 패널 인식하기
배터리의 인터페이스 패널에는 충전 상태, 고장, 배터리 업데이트 등 배터리 상태를 나타내는 표시등이 있습니다. 배터리 인터페이스 패널에 대한 자세한 내용은 Toro 공식 판매대리점에 문의하십시오.
구동 시스템 유지보수
변속기 오일 교체
| 유지보수 서비스 간격 | 유지보수 절차 |
|---|
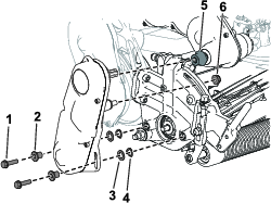
Note: 이 절차는 그림 37을 참조하십시오.

-
변속기에서 브리더 통기구 및 어댑터 어셈블리를 제거합니다.
-
장비 후방에 있는 지원 팁을 참조하여 팬을 변속기 하부에 배치합니다.
Note: 팬을 사용하여 변속기 오일을 수집합니다.
-
변속기에서 드레인 플러그를 분리하고 오일이 완전히 배출되게 합니다.
-
드레인 플러그를 설치합니다.
-
드레인 플러그를 4 ~ 5 N∙m 토크로 조입니다.
-
어댑터 통기구를 통해 Dexron VI 합성 변속기 오일 473 ml를 보충합니다.
-
브리더 통기구 및 어댑터 어셈블리을 설치하고 12 ~ 15 N∙m 토크로 조입니다.
제어 시스템 유지보수
주 브레이크/주차 브레이크 조정
작업 중 미끄러지면 주 브레이크/주차 브레이크를 조정합니다.
-
주차 브레이크를 해제합니다.
-
주차 브레이크 핸들 단부의 유격을 측정하십시오(그림 38).
핸들 유격은 12.7~25.4 mm 사이여야 합니다. 유격이 이 범위를 벗어나면 3 단계를 진행하여 브레이크 케이블을 조정하십시오.

-
다음 절차를 통해 브레이크 케이블의 장력을 조정합니다.

커팅 유닛 유지보수
블레이드 안전성
-
릴 커팅 유닛을 점검할 때에는 주의하십시오. 릴을 정비할 때에는 장갑을 착용하고 주의를 기울여야 합니다.
-
마모되거나 손상된 블레이드나 베드나이프가 깨져 조각이 운전자나 주변에 있는 사람에게로 날아가 중상 또는 사망을 유발할 수 있습니다.
-
블레이드 및 베드나이프의 과도한 마모 또는 손상 상태를 주기적으로 검사하십시오.
-
블레이드를 점검할 때에는 주의하십시오. 정비할 때에는 장갑을 착용하고 주의를 기울여야 합니다. 브레이드 및 베드나이프를 교체하거나 이면 연마 작업만 하십시오. 곧게 펴거나 용접하지 마십시오.
-
블레이드를 정비할 때, 전원을 차단한 후에도 블레이드가 여전히 움직일 수 있음에 유의하십시오.
커팅 유닛 장착(모델 04835 및 04845)
-
커팅 유닛 정비 위치로 킥스탠드를 이동합니다.
-
릴 드라이브 어셈블리를 측면판에 고정하는 하드웨어를 분리합니다(그림 40).

-
측면 플레이트에서 릴 드라이브 어셈블리, 평면 와셔, 스프링 와셔 및 스페이서를 제거합니다(그림 40).
-
커팅 유닛과 프레임을 정렬합니다.
-
4개의 소켓 헤드 나사를 사용하여 커팅 유닛을 프레임에 고정합니다(그림 41).

-
앞에서 제거한 소켓 헤드 나사, 와셔 및 스페이서를 사용하여 릴 드라이브 어셈블리를 커팅 유닛 측면 플레이트에 고정합니다(그림 42).
릴 드라이브 어셈블리 구동축을 변속기 구동축 커플러에 장착합니다(그림 42).

커팅 유닛 장착(04865 모델)
커팅 유닛 분리(모델 04835 및 04845)
커팅 유닛 분리(04865 모델)
커팅 유닛의 이면 연마
커팅 유닛을 이면 연마할 경우 다음 옵션 중 하나를 따르십시오,
-
액세스 백랩 키트(모델 139-4342)을 설치하고 장비를 이면 연마합니다. 이 키트를 구하려면 Toro 공식 판매 대리점에 문의하십시오.
-
InfoCenter를 사용하여 백랩 모드로 들어갑니다.
백랩 모드로 들어가려면 SERVICE(정비) 메뉴에서 BACKLAP(백랩)을 선택합니다. InfoCenter 프롬프트를 따라 커팅 유닛을 이면 연마합니다.
Note: 베일이 해제되면 백랩 모드가 해제됩니다. 베일 캐치 포크를 사용하여(별도 포장백에 배송됨) 베일을 체결 위치에 고정할 수 있습니다.이면 연마를 완료한 후 베일 캐치 포크를 제거하십시오.

청소
장비 청소
| 유지보수 서비스 간격 | 유지보수 절차 |
|---|---|
| 매번 사용 후 |
|
매번 사용 후 연성 세제와 물로 장비를 세척할 수 있습니다. 장비를 누르면서 닦지 마십시오. 특히, 시프트 레버 플레이트, InfoCenter, 파워 센터, 장비 전원 커넥터 부근에서 물을 과도하게 사용하지 마십시오. 모터를 청소하여 작동 중 적절한 냉각을 제공하십시오. 또한, 배터리 팩을 최대한 청결하게 유지하여 백색을 유지하도록 하십시오. 백색을 유지하면 햇빛을 반사하여 햇빛으로 배터리가 과열되지 않게 합니다.
Important: 염수나 재생수를 사용하여 장비를 청소하지 마십시오.
Important: 햇빛으로 가열되면 배터리 팩 수명이 줄어들 수 있으므로 항상 직사광선을 피해서 장비를 보관하거나 주차하십시오.




)에 항상 유의하십시오.
이 지침을 따르지 않으면 사람이 다치거나 사망하는 사고가 발생할 수 있습니다.


























)
























(꺼짐)로 변경합니다.
(켜짐)로 변경하고, PIN 코드를 설정하고,
점화 스위치의 키를 OFF(꺼짐) 위치로 돌린 다음 ON(켜짐) 위치로 다시 돌립니다.

이 표시됩니다.









