| 整備間隔 | 整備手順 |
|---|---|
| 使用するごとまたは毎日 |
|
この機械は乗用型の多目的作業用機械であり、専門業務に従事するプロのオペレータが運転操作することを前提として製造されています。この製品は、集約的で高度な管理を受けているゴルフ場やスポーツフィールド、商用目的で使用される芝生に対する管理を行うことを主たる目的として製造されております。このマシンは本来の目的から外れた使用をすると運転者本人や周囲の人間に危険な場合があります。
この説明書を読んで製品の運転方法や整備方法を十分に理解し、他人に迷惑の掛からない、適切で安全な方法でご使用ください。この製品を適切かつ安全に使用するのはお客様の責任です。
製品の安全や取り扱い講習、アクセサリなどに関する情報、代理店についての情報の入手、お買い上げ製品の登録などをネットで行っていただくことができます:www.Toro.com
整備について、また純正部品についてなど、分からないことはお気軽に弊社代理店またはカスタマーサービスにおたずねください。お問い合わせの際には、必ず製品のモデル番号とシリアル番号をお知らせください。図 1にモデル番号とシリアル番号を刻印した銘板の取り付け位置を示します。いまのうちに番号をメモしておきましょう。
Important: シリアル番号デカルについている QR コード(無い場合もあります)をモバイル機器でスキャンすると、製品保証、パーツその他の製品情報にアクセスできます。

この説明書では、危険についての注意を促すための警告記号(図 2)を使用しております。これらは死亡事故を含む重大な人身事故を防止するための注意ですから、必ずお守りください。

この他に2つの言葉で注意を促しています。重要 は製品の構造などについての注意点を、注はその他の注意点を表しています。
この製品は、関連するEU規制に適合しています。詳細については、DOC シート(規格適合証明書)をご覧ください。
カリフォルニア州の森林地帯・潅木地帯・草地などでこの機械を使用する場合には、エンジンに同州公共資源法第4442章に規定される正常に機能するスパークアレスタが装着されていること、エンジンに対して森林等の火災防止措置をほどこされていることが義務づけられており、これを満たさない機械は、第4442章または4443章違犯となります。
エンジンの保守整備のため、および米国環境保護局(EPA)並びにカリフォルニア州排ガス規制に関連してエンジンマニュアルを同梱しております。エンジンマニュアルはエンジンのメーカーから入手することができます。
このマシンにテレマティクスデバイスが装備されている場合、Toro認定代理店にお問い合わてデバイスをアクティベートしてください。
|
電磁適合性認証 |
|
国内: このデバイスはFCC規則の付則15に準拠しています。動作には次の2つの条件が適用されます。(1) このデバイスは有害な干渉を引き起こしてはならない、(2) このデバイスは、望ましくない動作を引き起こす可能性のある干渉を含め、受信する可能性のあるあらゆる干渉を受け入れる必要がある。 |
|
FCC ID: APV-3640LB IC: 5843C-3640LB |
|
この機器はテストされ、FCC規則の付則15に従ってクラスBデジタルデバイスの制限内に準拠していることが確認されています。これらの制限は、住宅設備における有害な干渉に対する合理的な保護を提供するように作られています。この機器は無線周波数エネルギーを生成、使用、および放射する可能性があるため、指示に従って設置および使わないと、無線通信に有害な干渉を引き起こす場合があります。ただし、特定の設置環境で干渉が発生しないという保証はありません。この機器がラジオまたはテレビの受信に有害な干渉を引き起こすかどうかは、機器の電源をオフにしてからまたオンにすることで判断できますが、ユーザーは次のいくつかの手段で干渉を解決することをが推奨されます。
|
|
アルゼンチン |
![]() |
|
オーストラリア |
![]() |
|
モロッコ |
|
|---|---|
|
AGREE PAR L’ANRT MAROC |
|
|
Numero d’agrement: |
MR00004789ANRT20024 |
|
Delivre d’agrement: |
2024/11/04 |
|
ニュージーランド |
|
|
|
韓国 |
![]() |
カリフォルニア州
第65号決議による警告
カリフォルニア州では、ディーゼルエンジンの排気には発癌性や先天性異常などの原因となる物質が含まれているとされております。
バッテリーやバッテリー関連製品には鉛が含まれており、カリフォルニア州では発ガン性や先天性異常を引き起こす物質とされています。取り扱い後は手をよく洗ってください。
米国カリフォルニア州では、この製品を使用した場合、ガンや先天性異常などを誘発する物質に触れる可能性があるとされております。
この機械は手足を切断したり物をはね飛ばしたりする能力があります。重大な人身事故を防ぐため、すべての注意事項を厳守してください。
エンジンを始動する前に必ずこのオペレーターズマニュアルをお読みになり、内容をよく理解してください。
このマシンを運転する時は常に十分な注意を払ってください。運転中は運転操作に集中してください;注意散漫は事故の大きな原因となります。
ガードなどの安全保護機器が正しく機能していない時は、運転しないでください。
回転部に手足を近づけないよう注意してください。排出口の近くに手足などを近づけないでください。
作業場所に、無用の大人、子供、ペットなどを近づけないでください。子供に運転させないでください。
エンジンを停止させ、キーを抜き取り、各部の動作が完全に停止したのを確認してから運転位置を離れる。調整、整備、洗浄、格納などは、マシンが十分に冷えてから行ってください。
間違った使い方や整備不良は人身事故などの原因となります。事故を防止するため、以下に示す安全上の注意や安全注意標識
のついている遵守事項は必ずお守りください 「注意」、「警告」、および「危険」
の記号は、人身の安全に関わる注意事項を示しています。これらの注意を怠ると死亡事故などの重大な人身事故が発生する恐れがあります。
![]() |
危険な部分の近くには、見やすい位置に安全ラベルや指示ラベルを貼付しています。破損したりはがれたりした場合は新しいラベルを貼付してください。 |





キャブのみのモデル















デカル 144-3952: CE 領域内で使用するマシンに対し、(CE キットの 取り付け要領書に説明がある通り)デカル 139-6215 の上から貼り付ける(モデル 31900 と 31901 のみ)。

後輪ハブをパレットに固定しているネジを取り外す。
ドライブシャフトをリアタイヤに固定しているケーブルタイを切断する。
出荷台から後輪を外す。
ROPS を上げる;ROPSを立てるを参照。
ROPS バーの上辺中央部を使ってホイストで機体を吊り上げる。
機体下部にある出荷用のスキッドを外す。
機体後部の機体の後側を浮かす場合に示す位置にジャッキスタンドを2台配置する。
ジャッキスタンドの上に機体を下ろす。
Note: この作業は、昇降アームを正しく取り付けるために必ず行う必要があります。
ジャッキスタンドをフロントサイドフレームチューブの下に置き、前輪を持ち上げる。 機体の前側を浮かす場合を参照方。
ホイールラグナットをゆるめて外す(図 10)。

各ホイールハブから車輪を取り外す(図 10)。
この作業に必要なパーツ
| 右昇降アーム | 1 |
| 左昇降アーム | 1 |
| 大きいピン | 2 |
| ボルト(⅜" x 2¾") | 2 |
| ナット(⅜") | 4 |
| 小さいピン | 2 |
| ボルト(⅜" x 1¼") | 2 |
| グリスフィッティング | 2 |
Note: 昇降アームの取り付けは、必要に応じて 2 人で行ってください。
出荷用スキッドから昇降アームを取り出す。
大きいピン 2 本を使用して昇降アームをマシンのフレームに取り付ける(図 5)。

大きいピンにグリスフィッティングを取り付ける(図 5)。
大きいピンをフレームに取り付ける;ボルト(⅜" x 2¾")2本とナット(⅜")2個を使用する(図 6)。

以下の手順で、昇降アームに昇降シリンダを取り付ける:
油圧マニホルドの下にオイルを受ける容器をおく(図 7に示す)。
Note: 昇降シリンダを手で縮めるために、少量の油圧オイルを抜く必要があります。

油圧マニホルドのポート C1 に接続されているホースのスイベルナットをゆるめる(図 8)。

ポンチを使って、シリンダロッドの穴と昇降アームの穴を揃える(図 9)。
Note: 穴をそろえるにはアームを完全に上昇させてください。

ボルト(⅜ x 1¼")2本、ナット(⅜")2個、小さいピン 2 本を使用して、昇降アームをシリンダに固定する(図 9)。
ホースのスイベルナット(ポートC1)(図 8)を 41 N∙m(4.2 kg.m = 30 ft-lb)にトルク締めする。
Note: ホースをねじってしまわないように、補助レンチを使い丁寧に締め付けてください。
アタッチメントピンジョイントと昇降アームピンジョイントにグリスを注入する;ベアリングとブッシュのグリスアップを参照。
先ほど外したラグナットを使って、タイヤをホイールハブに固定する(図 10)。

ラグナットをトルク締めする;ホイールナットのトルク締めを参照。
この作業に必要なパーツ
| 固定ブラケット | 1 |
| ボルト(⅜" x 3¼") | 2 |
| ナット(⅜") | 2 |
ロープ掛けブラケットをプラットフォームに取り付ける;ボルト(⅜" x 2¼")3本とナット (⅜")2 個を使用する(図 11)。

この作業に必要なパーツ
| 運転席キット(別売;弊社代理店にご相談ください) | 1 |
運転席を取り付ける;運転席キットの 取り付け要領書を参照。
バッテリーを接続する; バッテリーを接続するを参照。
この作業に必要なパーツ
| オプションアタッチメント(別売;弊社代理店にご相談ください) | 1 |
| ソケットヘッドねじ(⅜") | 2 |
| ワッシャ(⅜") | 2 |
| フランジロックナット(⅜") | 2 |
Important: マシンに取り付けているアタッチメントを別のものに換える時には、後部ウェイトの数の調整が必要になる場合があります。代理店にご確認ください。
前アタッチメント(カッティングユニット、フレール、プラウブレード、ブロアなど)を取り付ける;以下の手順の他、アタッチメントのオペレーターズマニュアルを参照。
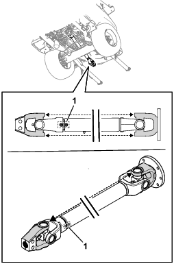
駆動シャフトを支えながら、駆動シャフトのヨークをステアリングバルブマウントブラケット(図 14)に固定しているキャップスクリュとロックナットを外し、駆動シャフトを慎重に外す。
Note: キャップスクリュとロックナットは廃棄する。

PTO シャフトが整列していることを確認する;PTO 駆動シャフトの整列を参照。
一人が運転席に座ってキーを ON にしてアタッチメントの昇降スイッチで昇降アームを降下させる操作を行い、もう一人が手で昇降アームを押し下げる。
昇降アームの穴にアタッチメントの穴を合わせる;アタッチメントの 取り付け手順書を参照。
駆動シャフトのヨークについているスプラインを、アタッチメントの入力シャフトに合わせて(図 15)、ヨークをシャフトに取り付ける。

ソケットヘッドキャップスクリュ(⅜ x 2¼")にワッシャ(⅜")を通し、駆動シャフトのヨークの穴(図 16)に通して、フランジロックナット(⅜")で固定する。

ソケットヘッドキャップスクリュ(⅜ x 2¼")にワッシャ(⅜")を通し、駆動シャフトのヨークの穴(図 16)に逆方向から通して、フランジロックナット(⅜")で固定する。
各ロックナットを交互に少しずつ、61 N∙m(6.2kg.m = 45 ft-lb)までトルク締めする。
初めてエンジンを始動する前に、以下の液量の点検を行ってください:
エンジンオイルの量を点検する;エンジンオイルの量を点検するを参照。
冷却液の量を点検する;冷却系統と冷却液の量を点検するを参照。
ブレーキオイルの量を点検する;油圧オイルの量を点検するを参照。
タイヤ空気圧を点検する;タイヤ空気圧を点検するを参照。
Important: マシンの性能を適切に発揮させ、また質の高い刈り込みを実現するために、すべてのタイヤの空気圧を正しく維持してください。タイヤ空気圧は規定値以下に下げてはならない。
この作業に必要なパーツ
| CE キット(別売;弊社代理店にご相談ください) | 1 |
CE 基準適用地域でこの機械を運転する場合には、 CE キットを取り付けてください;取り付け方法は取り付け要領書を参照してください。
この作業に必要なパーツ
| ウェイト:19 kg (モデルにより異なる) | |
| ウェイト:6 kg (モデルにより異なる) |
出荷時に各マシンに取り付けられたウェイトは以下の表で確認できます:
| モデル | 出荷時装着の後部ウェイト |
| 31902A | なし |
| 31903A | 5 個(それぞれ 19 kg)と2個(それぞれ 6 kg) |
使用するアタッチメントによって、マシン後方にウェイトの取り付けが必要になります。ご確認ください。モデル31902Aでは、スロープパフォーマンスを向上させるためにリアウェイトを追加することもできる。
ウェイトの最少必要数は、後ウェイトの最少必要個数の表に掲載されています。
スロープパフォーマンスを向上させるには、登坂性能向上のために必要となるウェイト表に記載されている各ウェイトの数を追加する
適切なROPSパフォーマンスを確保するには、この表に記載されている数を超えるウェイトを追加しないこと。
Note: CE キット搭載機では、そのキットの取り付け要領書に、トラクションユニットとアタッチメントの組み合わせごとに必要となるウェイトが掲載されています。適正数の後部ウェイト(斜面に対して標準的な或いは登坂性能向上用の)を搭載してください。
| トラクションユニットのモデル番号 | アタッチメントのモデル番号または名称 | 必要なウェイトの個数 | ||
|---|---|---|---|---|
| 19 kg (42 lb) | 6 kg (15 lb) | 合計 | ||
![]() | ![]() |
|||
| 31902A | 31970, 31971, 31974 | 0 | 0 | 0 |
| 31970, 31971, 31974 とサンシェード | 0 | 0 | 0 | |
| 31972, 31973, 31975 | 0 | 0 | 0 | |
| 31972, 31973, 31975 とサンシェード | 1 | 0 | 1 | |
| 02835 | 1 | 0 | 1 | |
| 02835 とサンシェード | 1 | 0 | 1 | |
| M-B 回転ボウキ | 1 | 0 | 1 | |
| 31903A | 31970, 31971 | 5 | 2 | 7 |
| 31972, 31973 | ||||
| 02835 | ||||
| MSC23345 | ||||
| M-B 回転ボウキ | ||||
| アースキン除雪機 | ||||
| トラクションユニットのモデル番号 | アタッチメントのモデル番号または名称 | 必要なウェイトの個数 | ||
|---|---|---|---|---|
| 19 kg (42 lb) | 6 kg (15 lb) | 合計 | ||
![]() | ![]() |
|||
| 31902A | 31970, 31971, 31974 | 4 | 0 | 4 |
| 31970 とサンシェード | 4 | 0 | 4 | |
| 31971, 31974 とサンシェード | 3 | 0 | 3 | |
| 31972, 31973, 31975 | 3 | 1 | 4 | |
| 31972, 31973, 31975 とサンシェード | 2 | 0 | 2 | |
| 02835 | 2 | 2 | 4 | |
| 02835 とサンシェード | 1 | 0 | 1 | |
後部ウェイトの取り付けが必要な場合は、弊社代理店からウェイトをご購入の上、以下の手順に従って取り付けを行ってください:
ウェイトロック棒をバンパーに固定している金具をゆるめる。

必要な数のウェイトを追加する。
ウェイトロック棒の固定金具を締めてウェイトをバンパーに固定する。
以下のパーツを、代理店から入手する。
| パーツ名 | 数量 | パーツ番号 |
| ねじ(⅜" x 3-½") | 2 | 116-4701 |
| ワッシャ | 2 | 125-9676 |
| ナット(⅜") | 2 | 104-8301 |
新しい金具を使ってウェイトをバンパーに固定する(図 18)。

以下の作業は、標準のロータリーカッティングユニット以外のアタッチメント(例えば除雪機、ブレード、フレール)を取り付ける時のみ行ってください。
油圧マニホルドについている重量移動バルブを調整することにより、アタッチメントの重量をトラクションユニットに移動させる油圧の大きさを変更することができます。調整の目安は、不整地を走行したときにアタッチメントのバウンドが一番少なくなるように、また、平地でアタッチメントを下降させた時にドスンと落ちてしまったり下降が速すぎたりしないのが適切です。
凹凸のある場所でアタッチメントを使用する時の地表追従性を向上させたい場合には、重量移動(油圧の大きさ)が 小さくなるように油圧マニホルドで調整します。
Note: アタッチメントについているキャスタや除雪機のそりが浮いてしまうのは、重量移動(油圧の大きさ)が大きすぎるのが原因です。
平らなターフを刈り込んでいる時に軸刈りしたり、左右の刈り上がりが同じでなかったり、除雪機の前端のエッジが路面に食い込みすぎるような場合は、重量移動(油圧の大きさ)を大きくしてください。
Note: 重量移動の油圧を大きくすると、アタッチメントに掛かっている重量がトラクションユニットに移るので、トラクションユニットの走行力が高くなります。
重量移動用の油圧の調整は以下の手順で行います:
10 分間の運転を行う。
Note: これで油圧オイルが温まります。
平らな場所に駐車し、アタッチメントを降下させ、駐車ブレーキを掛け、エンジンを停止させてキーを抜き取る。
マシン下部にある昇降マニホルドを探し出す(図 19)。

テストポート(G1 というラベル;図 20を参照)に圧力計を取り付ける。

昇降マニホルドの側面で、テストポート(G1 というラベル;図 20を参照)についているキャップを外す。
重量移動スプール(LC というラベル;図 20を参照)についているジャムナットをゆるめる。
エンジンを始動し、ハイアイドルにセットする。
六角のソケットレンチでスプールのカウンタバランスバルブを調整し、希望する圧力がゲージに表示されればよい;各アタッチメントの重量移動の推奨圧力表を参照のこと。
調整ねじを右に回すと圧力が増加する。
調整ねじを左に回すと圧力が減少する。
| アタッチメント | 重量移動圧力 |
|---|---|
| ロータリーカッティングユニット | 17.2 bar(17.6 kg/cm2 = 250 psi) |
| フレールモア(モデル No. 02835) | 13.79 bar(14.1 kg/cm2 = 200 psi) |
| ロータリー除雪機 | 17.24 bar(17.6 kg/cm2 = 250 psi) |
| 除雪ブレード(モデル No. MSC23345 および STB13567B) | 13.79 bar(14.1 kg/cm2 = 200 psi) |
| 回転ホウキ(1.5 m) | 17.24 bar(17.6 kg/cm2 = 250 psi) |
エンジンを止め、キーを抜き取る。
重量移動スプールの端についているジャムナットを 13-16 N∙m(1.4-1.8 kg.m = 10-12 ft-lb)に締め付ける。
テストポートにキャップを取り付ける。
テストポートから圧力計を外す。

Note: 運転前に座席調整を行ってください。調整方法については運転席キットの取り付け要領書を参照してください。
走行ペダル(図 22)は前進と後退を行うペダルです。
前進走行: つま先でペダル上部を踏み込む。
後退走行: つま先でペダル下部を踏み込む。
Note: かかとを運転台の上に置き、つま先でペダルを操作すると安定した運転ができます。
走行速度はペダルの踏み込み具合で調整します。移動時に最高速度で走行するには、スロットルを 高速位置にした状態でペダルを一杯に踏み込んでください。前進最高速度は以下の通りです:
モデル 31902A: 23 km/h
モデル 31903A: 19 km/h
深いターフを刈る時や上り坂など負荷が大きい時には、エンジンの回転速度が落ちない程度までペダルの踏み込みを「軽く」してやります(スロットルはもちろん高速位置)。エンジンの速度が急に落ちはじめたら、ペダルの踏み込みを少しゆるめてやるとエンジンの速度が回復してきます。

ハンドルを引き寄せたい場合には、チルトステアリングレバー(図 22)を踏み込んでステアリングタワーを手前に傾けてください。ハンドルがちょうど良い角度になったら、レバーから足を離します。
エンジンを停止させたら、車体が不意に動き出さないよう、必ず駐車ブレーキ(図16)を掛けてください。
駐車ブレーキを掛ける:ハンドルを引き上げて 入 位置にする。

駐車ブレーキを解除する:ハンドル上部についているボタンを親指で押し込んで切位置にする。
Note: レバーは一番下まで下げてください。下がっていないと走行ペダルを踏み込んだ時にエンジンが停止します。
コンソール上の機器(図 24)については次項を参照してください。

アタッチメントを最高位置(すなわち移動走行位置)に上げたり、最低位置(すなわち作動位置)に降ろしたりするスイッチです。
アタッチメントを上昇させる:スイッチ後部を押す。
アタッチメントを下降させる:スイッチ前部を押す。
現場から現場へ移動する時には、必ずアタッチメントを移動走行位置にしてください。マシンを使用していない時には、必ずアタッチメントを作動位置に降ろしておいてください。
PTO を接続する:スイッチを引き出す。
PTO を解除する:スイッチを押し入れる。
PTO 駆動のアタッチメントが作動位置にある時(地表面に降下しており、駆動シャフトが接続されている状態)で作業準備が整っている時以外は、PTO スイッチを入れないでください。
Note: PTO スイッチが ON の状態で運転席から離れるとエンジンは自動停止します;PTOのリセット方法を参照。
キースイッチには 3 つの位置があります: OFF、ON/PREHEAT、STARTです。
エンジンの始動や停止に使用します [エンジンの始動手順またはエンジンの停止手順を参照] あるいはディスプレイ画面を確認 [ディスプレイ画面の情報についてを参照]。
このスイッチではエンジンの回転速度を調整します。
エンジン回転数を上げる:スイッチ前部を一回押すごとにエンジン回転数が 100 rpm 上がる。スイッチを押して保持すると最高速度まで上昇する。
エンジン回転数を下げる:スイッチ後部を一回押すごとにエンジン回転数が 100 rpm 下がる。スイッチを押して保持すると最低速度(アイドル)まで上昇する。
ディスプレイ画面は、マシンの運転状態、故障診断などの情報を表示します。
詳細は ディスプレイ画面の情報について を参照してください。
ディスプレイ画面のボタンの使い方を参照。
Note: 仕様および設計は予告なく変更される場合があります。

| 内容 | 図 26 記号 | 寸法または重量 | |
| 高さ(ROPS を立てた状態) | D | 200 cm | |
| 高さ(ROPS を下げた状態) | C | 111 cm | |
| 高さ(キャブ搭載) | J | 226 cm | |
| 全長(リアウェイト未装着時)[型式31902A] | 搭載したアタッチメントを含む | F | 最長 312 cm |
| トラクションユニットのみ | H | 最長 253 cm | |
| 全長(リアウェイト装着時)[型式31903A] | 搭載したアタッチメントを含む | G | 最長 332 cm |
| トラクションユニットのみ | I | 最長 272 cm | |
| 全幅 | B | 仕様を参照。 | |
| ホイールベース(長さ) | E | 132 cm | |
| 前輪トレッド幅 | A | 136 cm | |
| 後輪トレッド幅 | 128 cm | ||
| 地上高 | 21 cm | ||
| 正味重量 (モデル31902A) | 860 kg (1,896 lb) | ||
| 正味重量 (モデル31903A) | 1,132 kg (2,496 lb) | ||
搭載されているカッティングユニットの幅については以下の表をご覧ください:
| カッティングユニット | 幅 |
| モデル 31970 | 198 cm |
| モデル 31971 | 168cm |
| モデル 31972 | 228 cm |
| モデル 31973 | 198 cm |
| モデル 31974 | 158 cm |
| モデル 31975 | 188 cm |
| モデル 02835(フレール) | 218 cm |
トロが認定した各種のアタッチメントやアクセサリがそろっており、マシンの機能をさらに広げることができます。詳細は弊社の正規サービスディーラ、または代理店へお問い合わせください;弊社のウェブサイト www.Toro.com でもすべての認定アタッチメントとアクセサリをご覧になることができます。
機械の性能を完全に引き出し、かつ安全にお使いいただくために、交換部品やアクセサリは純正品をお使いください。他社の部品やアクセサリを御使用になると危険な場合があり、製品保証を受けられなくなる場合がありますのでおやめください。
子供やトレーニングを受けていない大人には、絶対に運転や整備をさせないでください。地域によってはマシンのオペレータに年齢制限を設けていることがありますのでご注意ください。オーナーは、オペレータ全員にトレーニングを受講させる責任があります。
安全な運転操作、各部の操作方法や安全標識などに十分慣れておきましょう。
エンジンを停止させ、キーを抜き取り、各部の動作が完全に停止したのを確認してから運転位置を離れる。調整、整備、洗浄、格納などは、マシンが十分に冷えてから行ってください。
エンジンの緊急停止方法に慣れておきましょう。
オペレータコントロールやインタロックスイッチなどの安全装置が正しく機能しているか、また安全ガードなどが外れたり壊れたりしていないか点検してください。これらが正しく機能しない時には機械を使用しないでください。
使用前に必ず、ブレード、ブレードボルト、刈り込みアセンブリの点検を行ってください。バランスを狂わせないようにするため、ブレードを交換するときにはボルトもセットで交換してください。
これから機械で作業する場所をよく確認し、機械に巻き込まれそうなものはすべて取り除きましょう。
燃料の取り扱いに際しては安全に特にご注意ください。燃料は引火性が高く、気化すると爆発する可能性があります。
燃料取り扱い前に、引火の原因になり得るタバコ、パイプなど、すべての火気を始末してください。
燃料の保管は必ず認可された容器で行ってください。
エンジン回転中などエンジンが高温の時には、燃料タンクのふたを開けたり給油したりしないでください。
締め切った場所では燃料の補給や抜き取りをしないでください。
ガス湯沸かし器のパイロット火やストーブなど裸火や火花を発するものがある近くでは、マシンや燃料容器を保管・格納しないでください。
燃料がこぼれたら、エンジンを始動せずにマシンを別の場所に動かし、気化した燃料ガスが十分に拡散するまで引火の原因となるものを近づけないでください。
毎回の運転開始前に以下の点検を行ってください。
エアクリーナのインジケータ; エアクリーナの整備を参照。
エンジンオイル;エンジンオイルの量を点検するを参照
冷却液;冷却系統と冷却液の量を点検するを参照
フードのスクリーンとラジエター;冷却フィンの点検を参照
油圧オイルの量; 油圧オイルの量を点検するを参照
PTO シャフトのグリスポイント; ベアリングとブッシュのグリスアップを参照。
| 整備間隔 | 整備手順 |
|---|---|
| 使用するごとまたは毎日 |
|
タイヤの規定空気圧:138 kPa(1.4 kg/cm2 = 20 psi)
タイヤ空気圧が不足すると、斜面で機体が不安定になり、転倒など、生命に関わる重大な人身事故を起こしやすくなる。
タイヤ空気圧は規定値以下に下げてはならない。
前後のタイヤとも規定値に調整してください。必要に応じタイヤに空気を入れるか抜くかして適正圧に調整してください。
Important: マシンの性能を適切に発揮させ、また質の高い刈り込みを実現するために、すべてのタイヤの空気圧を正しく維持してください。運転を行う前に、全部のタイヤの空気圧を調整してください。

Important: 超低イオウ軽油以外の燃料は使用しないでください。以下の注意を守らないと、エンジンを破損させる場合があります。
絶対に、ディーゼル燃料の代わりに灯油やガソリンを使わないでください。
絶対に、灯油やガソリンをディーゼル燃料に混入しないでください。
絶対に、内面に亜鉛メッキされている容器で燃料を保管しないでください。
燃料用添加剤を使用しないでください。
不純物のない新しい軽油またはバイオディーゼル燃料を使用してください。
燃料の劣化を防止するため、180日間程度で使いきれる量を購入するようにしてください。
セタン値: 40 以上
イオウ含有率 超低イオウ(<15ppm)
気温が -7℃ 以上では夏用燃料(2号軽油)を使用しますが、気温が -7℃ 以下の季節には冬用燃料(1号軽油または1号と2号の混合)を使用してください。
Note: 低温下で冬用ディーゼル燃料を使うと、発火点や流動点が下がってエンジンが始動しやすくなるばかりでなく、燃料の成分分離(ワックス状物質の沈殿)によるフィルタの目詰まりを防止できるなどの利点があります。気温が -7° 以上の季節には夏用燃料を使用する方が、燃料ポンプの寿命を延ばします。
このマシンはバイオディーゼル燃料を混合したB20燃料(バイオディーゼル燃料が20%、通常軽油が80%)を使用することができます。
イオウ含有率 超低イオウ(<15ppm)
バイオディーゼル燃料の仕様: ASTM D6751 または EN14214
ブレンド燃料の仕様:ASTM D975、EN590 または JIS K2204
Important: ただし、混合されている軽油のイオウ含有量は極低レベルである必要があります。
以下の注意を守ってお使いください。
着色したターフを汚す可能性があります。
寒い地方ではB5(バイオディーゼル燃料が5%)またはそれ以下の製品を使用すること。
時間経過による劣化がありうるので、シール部分、ホース、ガスケットなど燃料に直接接する部分をまめに点検してください。
バイオディーゼル混合燃料に切り替えてからしばらくの間は燃料フィルタが目詰まりを起こす可能性があります。
バイオディーゼル燃料について、より詳細な情報は弊社正規代理店におたずねください。
燃料タンク容量:45 リットル
Note: 可能であれば、一日の運転が終了したあとに燃料を補給しておくようにしてください。このようにすると燃料タンク内部に水がたまるのを低減することができます。
平らな場所に駐車し、駐車ブレーキを掛け、エンジンを停止し、キーを抜き取る(図 28)。
燃料タンクのキャップを取る。
燃料タンクに付いている燃料計が「満」を示すまで、所定の燃料を入れる。
燃料タンクのキャップを締める。

| 整備間隔 | 整備手順 |
|---|---|
| 使用するごとまたは毎日 |
|
インタロックシステムは、走行ペダルが「ニュートラル」位置、PTOスイッチが OFF 位置にない限りエンジンが始動(クランキングも)できないようにする安全装置です。さらに、以下の状態ではエンジンが停止します:
PTO スイッチが ON なのにオペレータが席を離れた。
走行ペダルが踏み込まれているのにオペレータが席にいない。
駐車ブレーキが掛かっている状態で走行ペダルが踏まれた。
インタロックスイッチは安全装置であり、これを取り外すと予期せぬ人身事故が起こり得る。
インタロックスイッチをいたずらしないこと。
作業前にインタロックスイッチの動作を点検し、不具合があれば作業前に交換修理すること。
PTO スイッチを OFF 位置にして走行ペダルから足を離す。
キーを START 位置に回す。エンジンがクランキングした場合は、3へ進む。
Note: クランキングない場合はインタロックシステムが故障している。
エンジンが掛かった状態で運転席から立ち上がり、PTO スイッチを ON にする。エンジンが 2 秒以内に停止すれば正常である。エンジンが停止した場合は、ステップ4 へ進む。
Important: エンジンが停止しない場合はインタロックシステムが故障している。トロ社代理店に連絡する。
エンジンが掛かっていてPTOがOFF位置にある状態で、運転席から立ち上がって走行ペダルを踏み込む。エンジンが 2 秒以内に停止すれば正常である。エンジンが停止した場合は、5 へ進む。
Important: エンジンが停止しない場合はインタロックシステムが故障している。トロ社代理店に連絡する。
駐車ブレーキを掛ける。エンジンが掛かっていてPTOがON位置にある状態で、走行ペダルを踏み込む。エンジンが 2 秒以内に停止すれば正常である。エンジンが停止すればインタロックは正常であるからマシンの使用を続けてよい。
Important: エンジンが停止しない場合はインタロックシステムが故障している。トロ社代理店に連絡する。
マシンが転倒すると死亡を含む重大な人身事故になる可能性がある。
ROPS は常時立てた位置にロックしておくこと。
シートベルトを着用すること。
ROPS を下げた状態では、ROPS による安全保護は機能しない。
不整地や斜面を走行する時には、必ずROPS(横転保護バー)を立てておくこと。
どうしても必要な時以外には ROPS を下げないこと。
ROPS を下げた状態で乗車する時にはシートベルトをしないでください。
運転はゆっくり慎重におこなうこと。
頭上の障害物がなくなったら直ちに ROPS を立てること。
頭上の安全(木の枝、門、電線など)に注意し、これらに機械や頭をぶつけないように注意すること。
ディスプレイ画面は、マシンについての状態(運転状態、故障診断など)の情報を表示します。メイン情報画面が 2 つ(図 31)、メインメニュー画面が 1 つあります。

ディスプレイ画面のボタン(図 32に掲載)を使って、2 つのメイン画面を行き来し、またメインメニューにアクセスします。

メインメニューにアクセスする:ディスプレイ画面ボタンを押し続けるとメニュー項目が表示される。
メニュー上で項目を選択する:ディスプレイ画面ボタンを素早く二度押す。
ボタンを短く押すことで選択を行うこともできます(例えば、ヤードポンド法表示とメートル法表示の切り替えを設定画面で行えます)。
前の画面に戻る(たとえば、設定画面からメインメニュー画面に戻る時や、メインメニュー画面からメイン情報画面に戻りたい場合)には:ディスプレイ画面ボタンを押し続けると前の画面が表示される。
次のメニュー項目にスクロール(ダウン)するには:ディスプレイ画面ボタンを一回押す。
| メニュー項目 | 内容 |
| FAULTS(不具合) | 最近に記録された不具合内容を見ることができます。サービスマニュアルに不具合 メニューとその内容の詳細が解説されています。または弊社ディストリビュータにお問い合わせください。 |
| SERVICE(整備) | 使用時間積算記録、動作回数、DPF再生などの情報を見ることができます。Service(整備)の表を参照。 |
| DIAGNOSTICS(診断機能) | マシンにおいて現在発生している不具合やそのデータが表示されます。これらを利用して手早い故障探究を行うことができます。特にマシンの制御装置の ON/OFF 状態やコントロールレベル(センサーの値など)が分かるので便利です。 |
| SETTINGS(設定) | インフォセンターの表示や機械の設定を変更することができます。Settings(設定)の表を参照。 |
| ABOUT (マシンについて) | モデル番号、シリアル番号、ソフトウェアのバージョンなどを確認することができます。About(マシンについて)の表を参照。 |
| メニュー項目 | 内容 |
| HOURS | キー、エンジン、PTO が ON であった合計時間。 |
| COUNTS | エンジン始動回数と PTO 起動回数。 |
| DPF REGENERATION | DPF の設定を変えることができます:DPF(ディーゼル微粒子フィルタ)とその再生についてを参照。 |
| メニュー項目 | 内容 |
| UNITS(単位) | 表示される項目の単位を選択することができます。ヤードポンド系またはメートル系から選択します。 |
| LANGUAGE(言語) | 表示に使用する言語を選択することができます。 |
| BACKLIGHT(バックライト) | 表示の明るさを調整します |
| CONTRAST(コントラスト) | 表示のコントラストを調整します |
| PROTECTED MENUS(保護項目) | 権限を付与された人が PIN コードを入力することにより保護メニュー(スロープセンサーの設定と不具合コードのログの消去)にアクセスすることができます。 |
| PROTECT SETTINGS(保護設定) | 無効に設定すると、 PIN コード無しでアクセスできます。 |
旋回モード![]() | ターンアラウンド モードを有効または無効にします。この設定はフレイルモアで使われます。詳細については、フレールの取扱説明書を参照してください。 |
SLOPE SENSOR INSTALLED(スロープセンサー取り付け済み)![]() | スロープセンサーが取り付けられているかを表示します。機体からスロープセンサーを取り外した場合は、この設定を無効に設定し、「スロープセンサーとの通信なし」エラーが出ないようにします。 |
| 低RPM PTO作動 | 低RPM PTO作動モードをオンまたはオフにします。この設定はフレイルモアで使われます。詳細については、フレールの取扱説明書を参照してください。 |
保護メニューで保護されます
― アクセスには PIN の入力が必要です
| メニュー項目 | 内容 |
| DECK | カッティングユニットの 入力・出力がアクティブかどうかを示します。 |
| PTO | PTO がアクティブかどうかを示します。 |
| ENGINE | エンジンの 入力・出力がアクティブかどうかを示します。 |
| メニュー項目 | 内容 |
| MODEL | マシンのモデル番号を表示します。 |
| SN | マシンのシリアル番号を表示します。 |
| S/W REV | マスターコントローラのソフトウェアの改訂番号を表示します。 |
| CEモード | CEモードが有効か無効かを示します。 |
各アイコンについての説明を以下の表に挙げます:
![]() | エンジン速度 |
![]() | エンジンの不具合 |
![]() | アワーメータ |
![]() | エアインテークヒーターが作動中 |
![]() | オペレータが着席している必要があります |
![]() | 駐車ブレーキが掛かったままです |
![]() | ニュートラル |
![]() | PTOが入っています |
![]() | PTOが入っていません |
![]() | カッティングユニットが下降中であることを示します |
![]() | カッティングユニットが上昇中であることを示します |
![]() | PIN 暗証コード |
![]() | バッテリー |
![]() | 冷却水温度 |
![]() | リセットスタンバイ再生要求 |
| 駐車またはリカバリ再生要求 | |
![]() | 駐車またはリカバリスタンバイ再生進行中 |
![]() | 排ガス高温警告 |
![]() | NOx コントロール診断の不具合;管理棟に帰って Toro 正規代理店に連絡すること。 |
Note: 出荷時に設定されている デフォルト PIN は 1234 です。
PIN を変更後、PIN を忘れてしまった場合には、弊社ディストリビュータにご相談ください。
SETTINGS(設定)を選択。
PROTECTED MENUS(保護メニュー)を選択。
PIN コードを入力するには、ディスプレイ画面ボタンを何度か押して最初の桁へ入力します。その後ボタン素早く二度押すと次の桁へ移動します。
四桁すべての入力が終了したら、ディスプレイ画面ボタンを一回押して PIN コードを決定します。
正しい PIN コードの場合には全部のメニュー画面の右上に PIN アイコンが表示されます。
オーナーやオペレータは自分自身や他の安全に責任があり、オペレータやユーザーの注意によって物損事故や人身事故を防止することができます。
作業にふさわしい服装をし、安全めがね、長ズボン、頑丈で滑りにくい安全な靴、および聴覚保護具を着用してください。長い髪は束ねてください。ゆるい装飾品やだぶついた服は身に着けないでください。ほこりの多い作業環境ではマスクを着用してください。
疲れている時、病気の時、アルコールや薬物を摂取した時は運転しないでください。
このマシンを運転する時は常に十分な注意を払ってください。運転中は運転操作に集中してください;注意散漫は事故の大きな原因となります。
エンジンを掛ける前に、全部の駆動装置がニュートラルであること、駐車ブレーキが掛かっていることを確認し、運転席に着席してください。
人を乗せないでください。また、作業中は周囲から人、特に子供を十分に遠ざけてください。
運転は、穴や障害物を確認できる十分な照明のもとで行ってください。
ぬれた芝の刈り込みは避けてください。接地力が落ちてスリップする危険が高くなります。
回転部に手足を近づけないよう注意してください。排出口の近くに手足などを近づけないでください。
バックするときには、足元と後方の安全に十分な注意を払ってください。
見通しの悪い曲がり角や、茂み、立ち木などの障害物の近くでは安全に十分注意してください。
刈り込み中以外は必ずブレードの回転を止めておいてください。
異物をはね飛ばしたときや機体に異常な振動を感じたときにはまずマシンを停止し、キーを抜き取り、各部の動きが完全に止まってからよく点検してください。異常を発見したら、作業を再開する前にすべて修理してください。
旋回するときや道路や歩道を横切るときなどは、減速し周囲に十分な注意を払ってください。常に道を譲る心掛けを。
刈高を変更する時は、必ずカッティングユニットを停止させ、エンジンを止め、キーを抜き取り、機会が完全に停止するまで待ってください(運転席で刈高を変更できる場合はこの限りでありません)。
エンジンは換気の十分確保された場所で運転してください。排気ガスには致死性ガスである一酸化炭素が含まれています。
マシンを作動させたままで絶対に機体から離れないでください。
運転席を離れる前に:
平らな場所に駐車する。
PTOの接続を解除し、アタッチメントを下降させる。
駐車ブレーキを掛ける。
エンジンを止め、キーを抜き取る。
全ての動きが停止するのを待つ。
運転は良好な視界のもとで行ってください。落雷の危険がある時には運転しないでください。
この機械を牽引用車両として使用しないでください。
アクセサリ、アタッチメント、交換部品は、必ずトロの純正品をお使いください。
クルーズコントロール(が装備されている場合)は、広く、平坦で障害物のない場所で、マシンが一定の速度で連続走行できる場合にのみ使用してください。
ROPS(横転保護バー)は効果の高い重要な安全装置です。
POPS 構成物は一切機体から外さないでください。
シートベルトが機体に固定されていることを確認してください。
ベルトを腰の低い位置に当て、運転席の反対側にあるバックルに固定してください。
シートベルトを外すには、ベルトを押さえてバックルについているボタンを押します。ベルトがうまく引き込まれるように手でガイドしてください。緊急時にはベルトを迅速に外せるよう、練習しておいてください。
頭上の障害物に注意し、これらに衝突しないように注意してください。
ROPS自体に損傷がないか、また、取り付け金具がゆるんでいないか、定期的に十分に点検を行い、万一の際に確実に役立つようにしておいてください。
ROPS が破損した場合は新しいものに交換してください。修理したり改造しての使用はしないでください。
トロが取り付けたキャブは ROPS を兼ねています。
運転時には必ずシートベルトを着用してください。
運転するときには必ずROPS(横転保護バー)を運転位置に立て、シートベルトを着用してください。
どうしても必要なわずかの時間以外には ROPS を降ろさないでください。。ROPS を下げた状態で乗車する時にはシートベルトをしないでください。
ROPS を折りたたんでしまうと、転倒時に安全保護ができなくなることを十分認識してください。
作業場所を必ず事前に確認してください。法面、段差、水などがある現場では、必ず ROPS を立てて運転してください。
斜面はスリップや転倒などを起こしやすく、これらは重大な人身事故につながります。斜面での安全運転はオペレータの責任です。どんな斜面であっても、通常以上に十分な注意が必要です。
斜面については、実地の測定を含めてオペレータ自身が調査を行い、安全に作業ができるかどうかを判断してください。この調査においては、常識を十分に働かせてください。
以下に掲載している斜面での運転上の注意点やその場合の天候条件および場所の条件などを良く読み、作業日当日の現場のコンディションが作業に適当かどうか判断してください。同じ斜面上であっても、地表面の条件が変われば運転条件が変わります。
斜面での発進・停止・旋回は避けてください。急に方向を変えたり急な加速やブレーキ操作をしないでください。旋回は速度を落としてゆっくりと行ってください。
走行、ステアリング、安定性などに疑問がある場合には運転しないでください。
隠れた穴、わだち、盛り上がり、石などの見えない障害は、取り除く、目印を付けるなどして警戒してください。深い芝生に隠れて障害物が見えないことがあります。不整地ではマシンが転倒する可能性があります。
ぬれ芝、急斜面など滑りやすい場所で運転すると滑って制御できなくなる危険があります。駆動力を失うと、スリップを起こしたりブレーキや舵取りができなくなる恐れがあります。
段差、溝、盛り土、水などの近では安全に十二分の注意を払ってください。万一車輪が段差や溝に落ちたり、地面が崩れたりすると、マシンが瞬時に転倒し、非常に危険です。必ず安全距離を確保してください。
斜面に入る前に、安全の判断をしてください。乗用の刈り込み機械で斜面を刈り込むことに危険が感じられる場合は歩行型の機械をお使いください。
斜面では可能なかぎりカッティングユニットを地表面まで下げておいてください。斜面上でカッティングユニットを上昇させると機体が不安定になる恐れがあります。
集草装置などのアタッチメントを取り付けての作業には十分な注意を払ってください。アタッチメントによってマシンの安定性が変わり、安全限界が変わる場合がありますからご注意ください。
DPF はエンジンの排気から煤(すす)を除去するものです。
DPF はエンジンの排気の高温と触媒を利用して再生され、すすを完全燃焼させて灰にします。
DPF に煤がたまらないようにするには、以下のような注意が必要です:
DPF の自動再生を助けるために、可能な時はいつでもエンジンをフルスロットルで運転する。
適切なエンジンオイルを使用する。
エンジンはできるだけアイドリングさせない。
超低イオウ軽油以外の燃料は使用しない。
つねに DPF のことを頭に入れて機械の操作や保守整備を行ってください。エンジンに負荷がかかった状態であれば、通常は DPF の再生に必要な高温の排気となります。
Important: エンジンを低速で回している時間が長いと、DPF にすすがたまります。アイドリングや低速回転での使用をできるだけ短くしましょう。
DPF 再生中の排気は高温(およそ 600°C)になる。高温の排気は人体に悪影響を及ぼす恐れがある。
締め切った場所でエンジンを運転しないこと。
排気系統の周囲に可燃物を放置しないこと。
高音の排気で周囲を汚損しないように注意すること。
高温になっている排気系統各部に触れないこと。
排気管の近くに立たないこと。
| アイコン | アイコンの意味 |
![]() | • 駐車再生またはリカバリ再生アイコン:再生が必要 |
| • 直ちに再生を行ってください | |
![]() | • 再生を了解しました |
![]() | • 再生実行中。排気温度上昇しています |
![]() | • 再生中断が選択されました |
![]() | • NOx 制御システムの不具合;整備が必要 |
| 再生の種類 | DPF 再生の条件 | DPF 再生動作の内容 |
|---|---|---|
| リセット | 100 運転時間ごとに実行される | インフォセンターに排気高温アイコン が表示された場合には、再生が進行中。 |
| 通常使用中に、フィルタ内部のすすの蓄積が所定量を超えた場合にも実行されます。 | ||
| • リセット再生中は、フィルタの再生を確実に行うためにエンジン制御コンピュータがエンジンを高速回転させます。 | ||
| • リセット再生中はエンジンを停止させないでください。 |
| 再生の種類 | DPF 再生の条件 | DPF 再生動作の内容 |
|---|---|---|
| 駐車再生 | 通常運転中に行われる DPF の自動再生が十分でないと判断された時に実行されます。 | • リセットスタンバイ/駐車再生またはリカバリ再生アイコン またはが表示された場合。 |
| オペレータが駐車再生を実施した場合にも実行されます。 | ||
| 再生中止が行われて DPF の自動再生が行われなくなった場合にも実行される可能性があります。 | • リカバリ再生が必要にならないように、できるだけ早く停車再生を行う。 | |
| 不適切な燃料やエンジンオイルを使用した場合にも必要になる。 | • 駐車再生に要する時間は 30-60 分間。 | |
| • 燃料タンク内の燃料残量が 1/2 以上であることを確認して行う。 | ||
| • 駐車再生は、駐車して行うことが必要。 | ||
| リカバリ | 駐車再生の要求が無視されたために DPF の詰まりが極限に達した場合に実行されます。 | • リセットスタンバイ/駐車再生またはリカバリ再生アイコン が表示された場合に必要です。 |
| • 駐車再生に要する時間は 3 時間。 | ||
| • 燃料タンク内の燃料残量が ½ 以上であることを確認して行う。 | ||
| • この再生は、駐車して行うことが必要。 |
メインメニューからSERVICE(整備)メニューに入る。
DPF REGENERATIONを選択。
DPF Regenerationメニューからスクロールして LAST REGEN(最近の再生)メニューに入る。
LAST REGEN で、最後の再生(リセット、駐車、リカバリ)後に何時間エンジンを使用したかを確認する。
リセット再生では、エンジンからの排気温度が高くなります。立ち木の周囲、背の高い草地、植込みの内部など、排気が高温になると問題が発生しやすい場所を刈り込む時には再生禁止 INHIBIT REGEN 設定を行っておくことができます。
Note: 締め切った室内で整備作業を行う場合には、必ず INHIBIT REGEN に設定しておきます。
Note: リセット再生が必要な状態になったのに、リセット再生を「しない」に設定した状態になっている場合、15 分ごとにインフォセンター上にアドバイスが表示されます。
Important: エンジンを一度停止すると、エンジン再起動時には、再生禁止設定は解除されて OFF になります。
DPF Regenerationメニューからスクロールして INHIBIT REGEN(再生禁止)メニューに入る。
INHIBIT REGEN を選択。
再生禁止設定を OFF から ON に変更する。
再生に必要な量の燃料が燃料タンクにあることを確認する:
駐車再生:燃料タンク内の燃料残量が ¼ 以上であることを確認する。
リカバリ再生:燃料タンク内の燃料残量が ½ 以上であることを確認する。
マシンを可燃物のない屋外に移動させる。
平らな場所に駐車する。
PTO を解除し、全部のアタッチメントを下降させる。
駐車ブレーキを掛ける。
スロットルを低速アイドル位置にセットする。
キャブ装着車では、エアコンが OFF であることを確認する。
駐車再生が要求された場合には、インフォセンターに表示される手順に従ってください。
Important: エンジンの速度設定を上げたり、駐車ブレーキを解除したりすると、DPF 再生はキャンセルされます。
DPF Regenerationメニューからスクロールして PARKED REGEN(駐車再生)またはRECOVERY REGEN(リカバリ再生)に入る。
PARKED REGEN または RECOVERY REGEN を選択。
燃料レベル確認 VERIFY FUEL LEVEL 画面で、燃料タンクの残量が ¼ 以上(駐車再生の場合)または ½ 以上(リカバリ再生の場合)あることを確認し、燃料残量に問題がなければディスプレイ画面ボタンのアイコンを押して続行する。
駐車再生またはリカバリ再生画面で、ディスプレイ画面ボタンを押して再生を開始する。
チェックリスト(DPF checklist)画面で、駐車ブレーキが掛かっていること、エンジン速度が低速アイドルセットされていることを確認し、ディスプレイ画面ボタンアイコンを押して操作を続行する。
INITIATE DPF REGEN(DPF 再生開始)へ来たら、ディスプレイ画面ボタンアイコンを選択して続行。
インフォセンターの画面に、INITIATING DPF REGEN(再生開始中)と表示される。
Note: 必要であれば、ディスプレイ画面ボタンを長押しすると再生をキャンセルすることができます。
インフォセンターの画面には、終了までの時間が表示される。
インフォセンターはホーム画面になり、再生受け付け済みアイコン
が表示される。
Note: DPF 再生中は、インフォセンターに高温排気アイコン
が表示されます。
駐車再生やリカバリ再生が終了すると、インフォセンターにアトバイスが表示される。どのボタンでも押せばホーム画面に戻る。
Note: 再生に失敗した場合には、アドバイスに従って、まずどのキーでも良いから押してホーム画面へ戻る。
実行中の駐車再生やリカバリ再生をキャンセルするには、PARKED REGEN CANCEL または RECOVERY REGEN CANCEL を実行します。
DPF Regenerationメニューからスクロールして PARKED REGEN(駐車再生)またはRECOVERY REGEN(リカバリ再生)に入る。
次画面アイコンを押して駐車再生を中止またはリカバリ再生を中止する。
運転席に座って、シートベルトを締める。
駐車ブレーキが ON、PTO が OFF であることを確認する。
キースイッチを ON/PREHEAT 位置に回して予熱を行う。
Note: タイマにより約6秒間の予熱が自動的に行われます。
キーを START 位置に回すとエンジンがクランキングする。クランキングは 15 秒間以上連続で行わないこと。エンジンが始動したらキーは ON/PREHEAT 位置に戻る。
Note: 予熱をもう一度行う場合はキーを一旦 OFF 位置に戻し、そこからON/PREHEAT位置に回す。必要に応じてこの操作を繰り返す。
スロットルをアイドル速度または中速にセットしてエンジンのウォームアップを行う。
Note: PTO スイッチが ON の状態で運転席から離れるとエンジンは自動停止します。
以下の方法でPTOをリセットしてください:
PTO スイッチを押し込む。
エンジンを始動する;エンジンの始動手順を参照。
PTO スイッチを引き上げる。
フレールモア(モデル 02835)を搭載する場合には必ず旋回モードを有効にしてください。
旋回モードを有効にしておくことにより、刈り込み列の最後で旋回を行うときにモアをターフ面から軽く上昇させることができます。障害物を避けるのにも有効です。
フレールモアを 動作位置に下降させた状態の時、アタッチメント昇降スイッチを後方に押してすぐに手を離と、フレールをわずかに上昇しますので、旋回動作を手早く行うことができます。旋回終了後、昇降スイッチを押すとフレールが地表面まで下降して刈り込みを再開することができます。
スロットルコントロールでエンジンの回転速度を下げる。
PTO スイッチをOFF 位置にする。
キーをOFF 位置にして抜き取る。
エンジンを停止させ、キーを抜き取り、各部の動作が完全に停止したのを確認してから運転位置を離れる。調整、整備、洗浄、格納などは、機体が十分に冷えてから行ってください。
火災防止のため、カッティングユニット、マフラー、エンジンの周囲に、草や木の葉、ホコリなどが溜まらないようご注意ください。オイルや燃料がこぼれた場合はふき取ってください。
カッティングユニットを上昇位置にして機械から離れる場合、ロック装置がある場合には、必ずユニットをロックしてください。
閉めきった場所に本機を保管する場合は、エンジンが十分冷えていることを確認してください。
格納保管中やトレーラでの輸送中は、燃料バルブ装着車ではバルブを閉じておいてください。
ガス湯沸かし器のパイロット火やストーブなど裸火や火花を発するものがある近くでは、絶対に機械や燃料容器を保管・格納しないでください。
必要に応じてシートベルトの清掃と整備を行ってください。
故障時に機体を牽引したり押したりして移動させる必要が出た場合には、走行ポンプのバイパスバルブを開く必要があります。移動速度は 4.8 k/h 未満とし、移動距離は出来る限り短くしてください。
Important: この速度を超えると、油圧ポンプに重大な障害が発生する恐れがあります。長い距離を移動しなければならない場合は、トレーラで搬送してください。
バイパスバルブはマシン下部からアクセスします。

14 mmのメガネレンチを使ってバイパスバルブを緩め、バルブを3回転以内で開く。
Important: バルブをバイパス位置にセットしたままでエンジンを始動しないでください。
緊急移動が済んだら、バイパスバルブを閉めて、12 N·m (2.1 kg.m = 9 ft-lb)にトルク締めする。
トレーラやトラックに芝刈り機を積み降ろすときには安全に十分注意してください。
積み込みには、機体と同じ幅のある歩み板を使用してください。
車体が落下しないように確実に固定してください。
格納保管中やトレーラで輸送中は、キーを抜き取っておいてください。
Note: 前後左右は運転位置からみた方向です。
Note: www.Toro.com から、この機械に関する配線図と油圧回路図をダウンロードすることができます。弊社ホームページからマニュアルへのリンクをご活用ください。
運転席を離れる前に:
平らな場所に駐車する。
PTOの接続を解除し、アタッチメントを下降させる。
駐車ブレーキを掛ける。
エンジンを止め、キーを抜き取る。
全ての動きが停止するのを待つ。
始動スイッチにキーをつけたままにしておくと、誰でもいつでもエンジンを始動させることができ、危険である。整備作業の前には必ずキーを抜いておくこと。
保守作業は、各部が十分冷えてから行ってください。
カッティングユニットを上昇位置にして機械から離れる場合、ロック装置がある場合には、必ずユニットをロックしてください。
可能な限り、エンジンを回転させながらの整備はしない。可動部に近づかない。
機体の下で作業する場合には、必ずジャッキスタンドで機体を確実に支える。
機器類を取り外すとき、スプリングなどの力が掛かっている場合がある。
各部品が良好な状態にあること、ボルトナット類、特にブレード取り付け用のボルト類に問題がないか常に点検してください。
読めなくなったデカルは貼り替えてください。
マシンの性能を完全に引き出し、かつ安全にお使いいただくために、交換部品は純正品をお使いください。他社の部品を御使用になると危険な場合があり、製品保証を受けられなくなる場合がありますのでおやめください。
| 整備間隔 | 整備手順 |
|---|---|
| 使用開始後最初の 1 時間 |
|
| 使用開始後最初の 10 時間 |
|
| 使用開始後最初の 50 時間 |
|
| 使用開始後最初の 1000 時間 |
|
| 使用するごとまたは毎日 |
|
| 50運転時間ごと |
|
| 100運転時間ごと |
|
| 200運転時間ごと |
|
| 250運転時間ごと |
|
| 400運転時間ごと |
|
| 500運転時間ごと |
|
| 800運転時間ごと |
|
| 1000運転時間ごと |
|
| 2000運転時間ごと |
|
| 毎月 |
|
| 1年ごと |
|
| 2年ごと |
|
Important: エンジンの整備に関しての詳細は、付属のエンジンマニュアルを参照してください。
このページをコピーして使ってください。
| 点検項目 | 第 週 | ||||||
|---|---|---|---|---|---|---|---|
| 月 | 火 | 水 | 木 | 金 | 土 | 日 | |
| インタロックの動作を点検する。 | |||||||
| ROPS が完全に立てた状態でロックされているかどうか点検する。 | |||||||
| 駐車ブレーキの動作を確認する。 | |||||||
| 燃料残量を確認する。 | |||||||
| エンジンオイルの量を点検する。 | |||||||
| 冷却液の量を点検する。 | |||||||
| 燃料・水セパレータの水を抜く。 | |||||||
| エアフィルタの状態インジケータの表示を確認する。3 | |||||||
| クーラとラジエターのスクリーンを点検する。 | |||||||
| エンジンから異常音がないか点検する。1. | |||||||
| 運転操作時の異常音 | |||||||
| 油圧ホースの磨耗損傷を点検する。 | |||||||
| オイル漏れなど。 | |||||||
| タイヤ空気圧を点検する | |||||||
| 計器類の動作を確認する。 | |||||||
| グリスアップを行なう。2 | |||||||
| 塗装傷のタッチアップを行う。 | |||||||
| シートベルトを点検する。 | |||||||
|
1エンジンの始動困難、大量の煙、咳き込むような走りなどが見られる場合はグロープラグと噴射ノズルを点検する。 2車体を水洗いした時は整備間隔に関係なく直後に行う。 3インジケータが赤になっていないかどうかを見る。 |
|||||||
| 要注意個所の記録 | ||
| 点検担当者名: | ||
| 内容 | 日付 | 記事 |
機械式や油圧式のジャッキが外れると重大な人身事故が発生する。
機体をジャッキアップしたら、ジャッキスタンドで支える。
マシンを浮かす作業は機械式または油圧式のジャッキ以外では行わない。
Important: ジャッキとフレームの間にケーブルや油圧ラインがないことを確認する。

マシンが動かないように、後輪 2 つともに輪止めを掛ける。
所定のジャッキアップポイントにジャッキを確実にセットする。
マシン前側を浮かせたら、適切なジャッキスタンドを入れて機体を支える。
Important: ジャッキとフレームの間にケーブルや油圧ラインがないことを確認する。

マシンが動かないように、前輪 2 つともに輪止めを掛ける。
所定のジャッキアップポイントにジャッキを確実にセットする。
Important: 四輪駆動車では、フレーム近くに油圧ラインがあります。マシンをジャッキで持ち上げた時に油圧ラインを傷つけないよう、十分に注意してください。
マシン前側を浮かせたら、適切なジャッキスタンドを入れて機体を支える。
| 整備間隔 | 整備手順 |
|---|---|
| 使用するごとまたは毎日 |
|
| 50運転時間ごと |
|
定期的に、全部の潤滑個所にNo.2汎用リチウム系グリスを注入します。
Important: 機体を水洗いしたときは直ちにグリスアップしてください。
エンジンオイルの点検や補充は、エンジンを止めキーを抜き取った状態で行ってください。
エンジンのガバナの設定を変えたり、エンジンの回転数を上げすぎたりしないでください。
オイルのタイプ:以下の条件を満たす、低灰分の高品質エンジンオイルを使用してください:
API 規格: CJ-4 またはそれ以上
ACEA 規格: E6
JASO 規格:DH-2
エンジンオイルの容量: 約 6.2 リットル(フィルタ含む)。
粘度:以下の粘度のエンジンオイルを使用してください:
推奨オイル:SAE 15W-40(-18℃(0°F)
他に使用可能なオイル:SAE 10W-30 または 5W-30(全温度帯)
Toro のプレミアムエンジンオイル(15W-40 または 10W-30)を代理店にてお求めいただくことができます。
| 整備間隔 | 整備手順 |
|---|---|
| 使用するごとまたは毎日 |
|
エンジンオイルを点検する最もよいタイミングは、その日の仕事を始める直前、エンジンがまだ冷えているうちです。既にエンジンを始動してしまった場合には、一旦エンジンを停止し、オイルが戻ってくるまで約 10 分間程度待ってください。
油量がディップスティックのADDマークにある場合は、FULLマークまで補給してください。オイルを入れすぎないように注意してください。
Important: エンジンオイルの量は毎日点検してください。油量がディップスティックの FULL マークより上にある場合は、オイルが燃料で薄められている可能性があります。油量がFULL マークより上にある場合は、エンジンオイルを交換してください。
Important: エンジンオイルの量がディップスティックの上限マークと下限マークの間にあるように管理してください。多すぎても少なすぎてもエンジンに悪影響が出ます。
| 整備間隔 | 整備手順 |
|---|---|
| 使用するごとまたは毎日 |
|
| 250運転時間ごと |
|
エアクリーナ本体にリーク原因となる傷がないか点検してください。フィルタボディが破損している場合には交換してください。吸気部に、リーク、破損、ホースのゆるみなどを点検してください。
エアクリーナの整備はインジケータ(図 51)が赤色になってから行ってください。早めにエレメントを交換しても意味がありません。むしろフィルタを外したときにエンジン内部に異物を入れてしまう危険が大きくなります。

Important: カバーがボディに隙間なく密着していること、ラッチが確実に掛かっていることを確認してください。
軽油は条件次第で簡単に引火爆発する。発火したり爆発したりすると、やけどや火災などを引き起こす。
燃料の取り扱い中は禁煙を厳守し、火花や炎を絶対に近づけない。
| 整備間隔 | 整備手順 |
|---|---|
| 50運転時間ごと |
|
図 53に示すようにして、燃料/水セパレータから水を流し出す。

高圧ポンプに通じるフィルタとラインにプライミングを行う;燃料系統からのエア抜きを参照。
| 整備間隔 | 整備手順 |
|---|---|
| 400運転時間ごと |
|
図 53に示すように燃料/水フィルタを交換する。

高圧ポンプに通じるフィルタとラインにプライミングを行う;燃料系統からのエア抜きを参照。
| 整備間隔 | 整備手順 |
|---|---|
| 400運転時間ごと |
|
燃料フィルタのヘッドの周囲をきれいに拭く(図 55)。

フィルタを外してフィルタヘッドの取り付け部をきれいに拭く(図 55)。
フィルタのガスケットにきれいなエンジンオイルを塗る;詳細についてはエンジンマニュアルを参照。
空のフィルタキャニスタを、ガスケットが取り付け部に当るまで手でねじ込み、そこからさらに1/2回転締め付ける。
高圧ポンプに通じるフィルタとラインにプライミングを行う;燃料系統からのエア抜きを参照。
エンジンを始動し、燃料フィルタヘッドの周囲に漏れがないか点検する。
| 整備間隔 | 整備手順 |
|---|---|
| 1年ごと |
|
燃料系統が汚染された時や、マシンを長期にわたって格納する場合も同様です。タンクの清掃にはきれいな燃料を使用してください。
| 整備間隔 | 整備手順 |
|---|---|
| 400運転時間ごと |
|
| 2年ごと |
|
劣化・破損状況やゆるみが発生していないかを調べてください。
以下の後には燃料システムのエア抜きを行ってください。
燃料フィルタの交換。
水セパレータからの水抜き(毎回の使用後)。
燃料切れ
燃料ホースの交換など燃料システムに空気が侵入する作業。
燃料システムのプライミング手順は以下の通りです:
Important: スタータを回してエンジンをクランキングさせてのプライミングはしないでください。
燃料タンクに燃料が入っていることを確認する。
ポンプの磨耗や損傷を防ぐために、次の手順を実行してフィルタと高圧ポンプへのラインにプライミングを行う。
キーを ON 位置に回して15-20秒間待つ。
キーを OFF 位置に回して30-40秒間待つ。
Note: これにより ECU の電源がOFF になります。
キーを ON 位置に回して15-20秒間待つ。
フィルタやホースからオイル漏れしていないか点検する。
エンジンを始動し、漏れがないか点検する。
マシンの整備や修理を行う前に、バッテリーの接続を外してください。バッテリーの接続を外すときにはマイナスケーブルを先に外し、次にプラスケーブルを外してください。接続するときにはプラスを先に接続し、次にマイナスを接続してください。
バッテリーの充電は、火花や火気のない換気の良い場所で行ってください。バッテリーと充電器の接続や切り離しを行うときは、充電器をコンセントから抜いておいてください。また、安全な服装を心がけ、工具は確実に絶縁されたものを使ってください。
| 整備間隔 | 整備手順 |
|---|---|
| 50運転時間ごと |
|
バッテリーは、機体左側の燃料タンクの隣にあります。バッテリーにアクセスするには、フードを開け、バッテリーカバーを固定しているつまみねじを外してカバーを取り除く(図 56)。
Note: ねじはロッキングワッシャがついていて外れません。

バッテリーの端子に金属製品や車体の金属部分が触れるとショートを起こして火花が発生する。それによって水素ガスが爆発を起こし人身事故に至る恐れがある。
バッテリーの取り外しや取り付けを行うときには、端子と金属を接触させないように注意する。
バッテリーの端子と金属を接触させない。
バッテリーケーブルの接続手順が不適切であるとケーブルがショートを起こして火花が発生する。それによって水素ガスが爆発を起こし人身事故に至る恐れがある。
ケーブルを取り外す時は、必ずマイナス(黒)ケーブルから取り外す。
バッテリーはリテーナ(図 59)でトレイに固定されています。バッテリーの取り出しはリテーナ金具をゆるめて行い、バッテリーを取り付けたらリテーナ金具で固定してください。
Note: バッテリーにアクセスするには バッテリーへのアクセスを参照してください。バッテリーを取り付ける時にカバーを交換してください。

| 整備間隔 | 整備手順 |
|---|---|
| 50運転時間ごと |
|
Important: 電気系統を保護するため、本機に溶接作業を行う時には、バッテリーのマイナスケーブルの接続を外してください。
50 運転時間ごとまたは1週間に1度、バッテリーを点検してください。端子や周囲が汚れていると自然放電しますので、バッテリーが汚れないようにしてください。
バッテリーにアクセスする; バッテリーへのアクセスを参照。
プラス端子から絶縁カバーを外してバッテリーを点検する。バッテリーが汚れている場合には以下の手順で清掃する:
重曹と水でケース全体を洗う。
腐食防止のために両方の端子部にワセリン(Grafo 112X: P/N 505-47)を薄く塗る。
プラス端子に絶縁ゴムカバーを取り付ける。
バッテリーカバーを閉じる。
トラクションユニットのヒューズにアクセスするには、コンソールカバーを外します(図 60)。
Note: トラクションユニットのヒューズのデカルはコンソールカバーの反対側にあります。

トラクションユニットのヒューズブロックに、トラクションユニットの各ヒューズの機能を示します(図 61)。

| A | B | |
| 1 | キャブ(10 A) | ディスプレイ装置用電源(15 A) |
| 2 | 未使用 | ディスプレイ装置コントローラ用キー RUN 入力回路(10 A) |
| 3 | エアライドシート (15 A) | 始動回路用(10 A) |
| 4 | USB ポート、アワーメータ、テレマディックス、拡張ポート (20 A) | イグニッションスイッチ電源(15 A) |
キャブのヒューズは助手席の上方にありますヒューズボックスのカバーを外せばアクセスできます(図 62)。

キャブのヒューズブロックに、トラクションユニットの各ヒューズの機能を示します(図 63)。

| A | |
| 1 | 凝縮器ファン;エアコンクラッチ (25 A) |
| 2 | ワイパー (20 A) |
| 3 | ファンと室内照明 (40 A) |
| 4 | 未使用 |
冷却液を飲み込むと中毒を起こす;冷却液は子供やペットが触れない場所に保管すること。
高温高圧の冷却液を浴びたり、高温のラジエター部分に触れたりすると大火傷をする恐れがある。
エンジン停止後、少なくとも15分間程度待って、エンジンが冷えてからキャップを開けること。
キャップを開けるときはウェスなどを使い、高温の水蒸気を逃がしながらゆっくりと開けること。
マシンを運転するときには、必ず所定のカバーを取り付けておくこと。
手、指、衣服などを、ファンやベルトに近づけないように注意すること。
出荷時に、冷却液タンクに、所定の長寿命冷却液(水とエチレングリコールの 50/50 混合液ベース)を入れてあります。
Important: 長寿命冷却液の仕様表の内容に合致する市販の冷却液以外は使用しないでください。従来タイプ(緑色)の無機酸技術(IAT)の冷却は使用しないでください。また、長寿命冷却液と従来タイプを混合しないでください。
|
エチレングリコールタイプ |
腐食防止タイプ |
|
長寿命不凍液 |
有機酸技術(OAT;Organic-acid technology) |
|
Important: 従来の(緑色)冷却液(IAT:無機酸技術製品)と長寿命冷却液は、目で見た時の色で区別することはできません。長寿命冷却液は、以下の色で着色されている場合があります:赤、ピンク、オレンジ、イエロー、ブルー、青緑、紫、緑。必ず仕様に合致する長寿命冷却液を使用してください。 |
|
|
ATSM International |
SAE International |
|
D3306, D4985 |
J1034, J814, 1941 |
Important: 冷却液濃度:原液と水の 50/50 混合液。
好ましい方法:原液と蒸留水を混合する。
他の好ましい方法:蒸留水が入手できない場合は、原液でなく、希釈済みの冷却液を購入する。
最低限度守るべき方法:蒸留水も希釈済み製品も入手できない場合には、飲料水で原液を希釈する。
| 整備間隔 | 整備手順 |
|---|---|
| 使用するごとまたは毎日 |
|
| 2000運転時間ごと |
|
エンジンが冷えている時に、冷却液のレベルが補助タンクの側面についている COLD マークよりも高くなければ適正(図 67)。エンジンが暖かい時に、冷却液のレベルが FULL (HOT) マークよりも高くなければ適正。
エンジンが冷えた状態で冷却液のレベルが COLD マークよりも高い場合は、運転中にタンクから漏れ出ていく可能性があります。
エンジンが冷えている時に、補助タンクで冷却液の量を確認する。

低温時の冷却液が COLD 以下の場合は、補助タンクのキャップを開けて適切な冷却液(冷却液の仕様を参照)を COLD マークまで補給する。
Important: 水だけの使用や、アルコール系、メタノール系の冷却液の使用は避けてください。COLD マーク以上に入れないでください。
補助タンクのキャップを取り付けて終了。
| 整備間隔 | 整備手順 |
|---|---|
| 50運転時間ごと |
|
| 250運転時間ごと |
|
ラジエターの冷却フィンの清掃は圧縮空気で行ってください。機体内部から外部にむかってエアを吹き付けます(図 69)。
Important: フィンの清掃には水を使用しないでください。

曲がっているフィンは真っ直ぐに修正してください。
| 整備間隔 | 整備手順 |
|---|---|
| 200運転時間ごと |
|
| 2年ごと |
|
冷却ホースにオイル漏れ、ねじれ、支持部のゆるみ、磨耗、フィッティングのゆるみ、風雨や薬品による劣化などがないか十分に点検してください。修理不十分のまま運転しないでください。
| 整備間隔 | 整備手順 |
|---|---|
| 400運転時間ごと |
|
機体前部の下にジャッキスタンドを置く;機体の前側を浮かす場合を参照。
前輪を取り外します。
駐車ブレーキを解除位置にする;駐車ブレーキを参照。
ブレーキドラム(図 70)を手で外す。
ブレーキドラムを手で外している時に抵抗が感じられる場合は、調整は不要。
ブレーキドラムを手で外している時に抵抗が感じられない場合は、調整が必要;駐車ブレーキの調整を参照。

前ホイールを取り付けてラグナットをトルク締めする;ホイールナットのトルク締めを参照。
| 整備間隔 | 整備手順 |
|---|---|
| 使用開始後最初の 10 時間 |
|
| 使用開始後最初の 50 時間 |
|
| 100運転時間ごと |
|
プーリとプーリとの中間部を 約4.5 kg の力で押した時に、10 mm 程度のたわみがあれば適正です。
たわみが 10 mm でない場合には以下の手順で調整してください:
オルタネータの取り付けボルトをゆるめる(図 63)。

適当な張りに調整してボルトを締める。
ベルトのたわみが適切に調整されたことを確認する。

平らな場所に駐車し、カッティングユニットを降下させ、駐車ブレーキを掛け、エンジンを停止させてキーを抜き取る。
アタッチメントのギアボックスから PTO シャフトを外す;各アタッチメントのオペレーターズマニュアルを参照。
クラッチワイヤーハーネスコネクターをマシンのワイヤーハーネスから外す。

金属製リテーナーとクラッチからゴム製バンパーを取り外す (図 74)。
一人がラチェットでベルトの張りをゆるめ、もう一人がベルトを外す;ポンププーリ、アイドラプーリ、エンジンプーリからベルトを外す。
古いベルトを取り外すには、ベルトをクラッチの上でPTOシャフトの前方に移動させる。
PTO シャフトに沿って、クラッチ、そしてエンジンのプーリにベルトを掛ける。
一人がラチェットでアイドラプーリを下に引き出す。
もう一人がベルトを、エンジンプーリ、アイドラプーリ、ポンププーリに取り付ける(図 73)。
アイドラアームからラチェットを外す。
ゴム製バンパーを金属製リテーナーに取り付け、バンパーをクラッチに固定する。
機体のワイヤハーネスに、クラッチ用ワイヤハーネスのコネクタを接続うする。
PTOシャフトをアタッチメントギヤボックスに取り付ける。
| 整備間隔 | 整備手順 |
|---|---|
| 200運転時間ごと |
|
オペレータの体格に合わせて走行ペダルの調整を行うことができるほか、前進速度を小さくしたい場合もこのペダルで調整します。
走行ペダルを前進一杯に押し込む(図 76)。
Note: ポンプがフルストロークに達する前に、ペダルストップに当たることが必要です。

走行ペダルがストップに接触しない、または走行速度を今よりも遅くしたい場合には、以下を行う:
レンチでペダルストップを押さえる(図 76)。
フットレストプレートの底部についているジャムナットをゆるめる(図 77)。

走行ペダルを前進一杯にする(図 76)。
ペダルストップを押さえておいて、フットレストプレートの上側にあるジャムナット(図 76)を調整して走行ぺダルをストップに接触させる。
ペダルストップを左に1回転させて、フットレストプレート上側のジャムナットよりも上側の長さを長くする。
Note: ペダルストップを短くすると前進速度が大きくなります。
ペダルストップを押さえた状態でフットレストプレート底部のジャムナット(図 76 と 図 77)を37-45 N·m (3.7-4.6 kg.m = 27-33 ft-lb) にトルク締めする。
ポンプがフルストロークに達する前にペダルストップに当たることを確認する。
Note: ポンプがフルストロークに達する前に、ペダルストップに当たってしまう場合は、ステップ 1~7をもう一度行う。
万一、油圧オイルが体内に入ったら、直ちに専門医の治療を受けてください。万一、油圧オイルが体内に入った場合には、この種の労働災害に経験のある施設で数時間以内に外科手術を受ける必要があります。
油圧装置を作動させる前に、全部のラインコネクタが適切に接続されていること、およびラインやホースの状態が良好であることを確認してください。
油圧のピンホールリークやノズルからは作動油が高圧で噴出しているので、絶対に手などを近づけないでください。
リークの点検には新聞紙やボール紙を使用すること。
油圧関係の整備を行う時は、内部の圧力を確実に解放すること。
油圧オイルタンクに約 22.7 リットルの高品質油圧オイルを満たして出荷しています。初めての運転の前に必ず油量を確認し、その後は毎日点検してください;油圧オイルの量を点検するを参照。
交換用の推奨油圧オイル:Toro PX Extended Life Hydraulic Fluid(19 リットル缶または208 リットル缶)。
Note: 推奨オイルを使用するとオイルやフィルタ交換の回数を減らすことができます。
使用可能な他のオイル:Toro PX Extended Life Hydraulic Fluidが入手できない場合は、以下に挙げる特性条件および産業規格を満たす石油系の油圧オイルを使用することができます。合成オイルは使用しないでください。オイルの専門業者と相談の上、適切なオイルを選択してください:
Note: 不適切なオイルの使用による損害については弊社は責任を持ちかねますので、品質の確かな製品をお使い下さる様お願いいたします。
| 物性: | ||
| 粘度, ASTM D445 | cSt @ 40°C 44-48 | |
| 粘性インデックス ASTM D2270 | 140 以上 | |
| 流動点 ASTM D97 | -37°C--45°C | |
| 産業規格: | Eaton Vickers 694 (I-286-S, M-2950-S/35VQ25 or M-2952-S) | |
Note: 多くの油圧オイルはほとんど無色透明であり、そのためオイル洩れの発見が遅れがちです。油圧オイル用の着色剤(20 ml 瓶)をお使いいただくと便利です。1瓶で 15-22 リットルのオイルに使用できます。P/N44-2500 を、弊社代理店からご購入ください。
Important: トロ・プレミアム合成生分解油圧作動液は、トロ社がこの製品への使用を認めた唯一の合成生分解オイルです。このオイルは、トロ社の油圧装置で使用しているエラストマーに悪影響を与えず、また広範囲な温度帯での使用が可能です。このオイルは通常の鉱物性オイルと互換性がありますが、十分な生分解性を確保し、オイルそのものの性能を十分に発揮させるためには、通常オイルと混合せず、完全に入れ替えて使用することが望まれます。この生分解オイルは、モービル代理店にて 19 リットル缶または 208 リットル缶でお求めになれます。
| 整備間隔 | 整備手順 |
|---|---|
| 使用するごとまたは毎日 |
|
平らな場所に駐車し、カッティングユニットを降下させ、駐車ブレーキを掛け、エンジンを停止させてキーを抜き取る。
油圧タンクからプラグを取り外す(図 78)。

油圧オイルタンクからディップスティックを抜き、ウェスで一度きれいに拭く(図 78)。
油圧タンクにディップスティックを差し込む。
ディップスティックを抜いて油量を点検する(図 79)。
カッティングユニットを装着している場合:オイル量がディップスティックについている下側の 2 本のマークの間であれば適切(A:図 79)。その下のマークより上でもOK。
油圧駆動式アタッチメント用ホースキットを搭載している場合:オイル量がディップスティックについている上側の 2 本のマークの間であれば適切(B:図 79)。

オイル量が不足している場合(取り付けているアタッチメントにより最適量が異なる;ステップ5を参照)所定の油圧オイルを補充する。オイル量が所定の 2 本のマークの間に来るまでステップ3-5を繰り返す。
油圧タンクにディップスティックを差し込んで固定する。
プラグは手締めする。
Important: 工具で締めないこと。
オイル漏れがないか、油圧ホースとフィッティング全部を点検する。
| 整備間隔 | 整備手順 |
|---|---|
| 使用開始後最初の 1000 時間 |
|
| 800運転時間ごと |
|
| 1000運転時間ごと |
|
| 2000運転時間ごと |
|
油圧オイルが汚染されてしまった場合は油圧系統全体を洗浄する必要がありますので、Toro の正規代理店にご連絡ください。汚染されたオイルは乳液状になったり黒ずんだ色になったりします。
Important: フィルタは Toro の純正品を使ってください;本機のパーツカタログを参照。純正品以外のフィルタを使用すると関連機器の保証が適用されなくなる場合があります。
平らな場所に駐車し、カッティングユニットを降下させ、駐車ブレーキを掛け、エンジンを停止させてキーを抜き取る。
油圧オイルタンクの下に大きなオイル回収容器をおく。
油圧オイルタンクのキャップとディップスティックを外す。
タンクの底面にあるドレンプラグ(図 80)を外し、流れ出すオイルを容器に受ける。

フィルタ取り付け部周辺をウェスできれいにぬぐう。
フィルタの下に廃油受けを置き(図 80)フィルタを外して排出されるオイルを回収する。
新しいフィルタのガスケットに薄くオイルを塗布し中にオイルを入れる。
フィルタの取り付け部がきれいであることを確認し、ガスケットがフィルタヘッドに当たるまで手で回して取り付け、そこから更に 1/2 回転増し締めする。
油圧オイルタンクに油圧オイルを入れる;油圧オイルの量を点検する を参照。
Important: 指定された銘柄のオイル以外は使用しないでください。他のオイルを使用するとシステムを損傷する可能性があります。
オイルが完全に抜けたらドレンプラグを取り付ける。
ディップスティックとキャップを取り付ける。
エンジンを始動し、以下の順序で油圧制御装置を全部操作して、油圧回路全体にオイルを行き渡らせる。
走行ペダルを操作して前進と後退を行う。
ハンドルを右一杯、左一杯に操作する。
昇降アームスイッチを操作してアタッチメント(たとえばカッティングユニット)を上下させる。
オイル漏れがないか点検して、エンジンを停止する。
タンクの中の油圧オイルの量を点検する;油圧オイルの量を点検する を参照。
| 整備間隔 | 整備手順 |
|---|---|
| 使用するごとまたは毎日 |
|
| 2年ごと |
|
油圧ライン油圧ホースにオイル漏れ、ねじれ、支持部のゆるみ、磨耗、フィッティングのゆるみ、風雨や薬品による劣化などがないか毎日点検してください。修理不十分のまま運転しないでください。
Important: キャブシールの周辺に注意してください(図 81)。圧力洗浄機を使用する場合は、洗浄機のノズルをキャブから少なくとも 60cm 離して洗浄してください。キャブシールや後方のオーバーハング部にはジェットを直接当てないでください。

キャブについている凝縮器フィルタは、刈りかすや木の葉などの大きな異物をキャブの凝縮器や恐縮器ファンに入れないようにするためのものです。
スクリーンカバーを真っ直ぐ下に引き出す。
凝縮器フィルタを水で洗浄する。
Note: 高圧洗浄機を使わないでください。
Important: 破れている場合や汚れがひどい場合はフィルタを交換する。
フィルタが十分に乾いてから元通りに取り付ける。
フィルタスクリーンを回転させてラッチをラッチ取り付けアセンブリにロックする(図 83)。

Note: ウインドウォッシャー液のタンクは機体右側、エンジンの隣にあります。
タンクからキャップを取る(図 85)。

タンクにウォッシャー液を入れる。
タンクにキャップを取り付ける。
エンジンを停止させ、キーを抜き取り、各部の動作が完全に停止したのを確認してから運転位置を離れる。調整、整備、洗浄、格納などは、マシンが十分に冷えてから行ってください。
ガス湯沸かし器のパイロット火やストーブなど裸火や火花を発するものがある近くでは、マシンや燃料容器を保管・格納しないでください。
Important: 塩分を含んだ水や処理水は機体の洗浄に使用しないでください。
平らな場所に駐車し、駐車ブレーキを掛け、エンジンを停止し、キーを抜き取り、可動部が完全に停止したのを確認する。
機体、カッティングユニット、エンジンをていねいに洗浄する。
Important: 損傷防止のため、電装部分やキャブのゴム製シールには圧力洗浄機の水を当てないでください。
タイヤ空気圧を点検調整する;タイヤ空気圧を点検するを参照。
油圧ラインとホースを点検する;必要に応じて修理交換する。
ブレーキオイルの量を点検する;油圧オイルの量を点検するを参照。
カッティングユニットのブレードを外して研磨とバランス調整を行う。
ボルトナット類にゆるみながいか点検し、必要な締め付けを行う。
すべてのグリスフィッティングとピボットポイントに潤滑を行う。余分のグリスやオイルはふき取る。
塗装のはがれている部分に軽く磨きをかけ、タッチアップする。金属部の変形を修理する。