Manutenção
Aviso
Não efetuar a manutenção adequada da máquina pode resultar em falha prematura dos sistemas da máquina, causando possíveis danos a si ou a quem estiver por perto.
Mantenha a máquina com uma boa manutenção e em bom funcionamento, conforme indicado nestas instruções.
Note: Determine os lados direito e esquerdo da máquina a partir da posição normal de utilização.
Segurança de manutenção
-
Antes de sair da posição de operador, faça o seguinte:
-
Coloque a máquina numa superfície nivelada.
-
Desengate a(s) unidade(s) de corte.
-
Certifique-se de que a tração está em Ponto morto.
-
Engate o travão de estacionamento.
-
Desligue a máquina e retire a chave (se equipada).
-
Aguarde que todo o movimento pare.
-
-
Deixe os componentes da máquina arrefecerem antes de proceder à manutenção.
-
Se possível, não faça manutenção com a máquina em funcionamento. Mantenha-se longe das peças móveis.
-
Se for necessário colocar a máquina em funcionamento para executar qualquer ajuste, deverá manter as mãos, pés, roupa e outras partes do corpo longe da unidade de corte, acessórios e quaisquer peças em movimento. Mantenha as pessoas afastadas.
-
Elimine todos os vestígios de relva e detritos da unidade de corte, transmissões, motor e bateria de modo a evitar qualquer risco de incêndio.
-
Mantenha todas as peças em boas condições de funcionamento. Substitua todos os autocolantes e peças gastos, danificados ou em falta. Mantenha todas as ferragens firmemente apertados para se assegurar de que a máquina funcionará em perfeitas condições.
-
Verifique frequentemente os componentes do recetor de relva e substitua quando necessário.
-
Para assegurar um desempenho ótimo e seguro da máquina, utilize apenas peças sobressalentes originais Toro. As peças de substituição de outros fabricantes podem ser perigosas e a sua utilização pode anular a garantia do produto.
-
Se for necessário efetuar reparações de vulto ou se alguma vez necessitar de assistência, contacte um distribuidor Toro autorizado.
Plano de manutenção recomendado
| Intervalo de assistência | Procedimento de manutenção |
|---|---|
| Após cada utilização |
|
| A cada 750 horas |
|
Lista de manutenção diária
Important: Copie esta página para uma utilização de rotina.
| Verificações de manutenção | Para a semana de: | ||||||
|---|---|---|---|---|---|---|---|
| 2ª f. | 3ª f. | 4ª f. | 5ª f. | 6ª f. | Sáb. | Dom. | |
| Verifique o funcionamento da alavanca de bloqueio do travão. | |||||||
| Verifique todos os ruídos estranhos de funcionamento. | |||||||
| Verifique o ajuste do cilindro à lâmina de corte. | |||||||
| Verifique o ajuste da altura do corte. | |||||||
| Retoque a pintura danificada. | |||||||
| Limpeza da máquina. | |||||||
| Inspeção executada por: | ||
| Item | Data | Informação |
Procedimentos a efectuar antes da manutenção
Preparação da máquina para a manutenção
Aviso
Quando está a fazer a manutenção ou ajuste da máquina, alguém pode ligar a máquina. O arranque inicial da máquina poderia causar ferimentos graves a si ou outras pessoas na área.
Liberte a barra da tracção, acione o travão de estacionamento, remova a chave e desligue a bateria antes de efetuar qualquer manutenção.
Antes de fazer manutenção, limpeza ou qualquer ajuste na máquina, realize o seguinte:
-
Coloque a máquina numa superfície nivelada.
-
Engate o travão de estacionamento.
-
Desligue a máquina.
-
Espere que todas as peças em movimento parem antes de realizar assistência, guardar ou fazer reparações.
-
Desligue a bateria puxando o conector do cabo T do conector de alimentação principal (Figura 34).

Manutenção do sistema eléctrico
Segurança do sistema elétrico
-
Desligue a bateria antes de reparar a máquina.
-
Carregue a bateria num local aberto e bem ventilado, longe de faíscas e chamas. Desligue o carregador antes de ligar ou desligar a bateria. Vista roupa de proteção e use ferramentas isoladas.
Manutenção da bateria
As únicas partes que podem ser reparadas na bateria são as etiquetas. Se tentar abrir o compartimento principal da bateria ou o controlador principal, anula a garantia. Se tiver problemas com a bateria, contacte o representante autorizado Toro para obter ajuda.
Aviso
A bateria contém alta voltagem que o pode queimar ou eletrocutar.
-
Não tente abrir a bateria.
-
Não insira nada no conector da bateria além do conector da cablagem fornecido com o produto.
-
Tenha cuidado extremo ao lidar com uma bateria com caixa rachada.
-
Utilize apenas o carregador concebido para a bateria
Eliminação da bateria
A bateria de iões de lítio tem de ser eliminada ou reciclada de acordo com os regulamentos locais ou estatais.
Manutenção do carregador de baterias
Important: Todas as reparações elétricas devem ser realizadas apenas por um distribuidor Toro autorizado.
O operador pode realizar muito poucas tarefas de manutenção além de proteger o carregador de danos e condições climatéricas.
Manutenção dos cabos do carregador de baterias
-
Limpe os cabos com um pano ligeiramente humedecido após cada utilização.
-
Enrole o cabo quando não estiver a ser utilizado.
-
Examine periodicamente os cabos em relação a danos e substitua-os sempre que necessário com peças aprovadas Toro.
Limpeza da caixa do carregador de baterias
Limpe a caixa com um pano ligeiramente humedecido após cada utilização.
Substituição dos fusíveis
Se a máquina não ligar, mesmo após carregá-la, verifique os fusíveis da máquina da seguinte forma:
-
Desligue a máquina e desligue a bateria.
-
Retire os quatro parafusos (Figura 35) que prendem a cobertura da bateria e remova-a.

-
Instale os fusíveis de no bloco de fusíveis (Figura 36).

-
Se algum dos fusíveis estiver rebentado, substitua-o por um fusível com voltagem e amperagem corretas. Consulte o Manual de manutenção da unidade de tração para obter os números de peça específicos dos fusíveis.
Important: Todos os fusíveis da máquina são de 80 volts. Não utilize fusíveis automóveis de 12 V.
Reconhecimento do painel de interface da bateria
Um painel de interface da bateria emite uma luz que indica o estado da bateria, incluindo o estado de carregamento, o estado da bateria, avarias e atualizações. Consulte o seu distribuidor autorizado da Toro para mais informações sobre o painel de interface da bateria.
Manutenção do sistema de transmissão
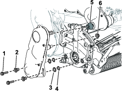
Substituir o fluido da transmissão
| Intervalo de assistência | Procedimento de manutenção |
|---|
Note: Consulte Figura 37 para obter este procedimento.

-
Remova a ventilação do respiro e estrutura do adaptador da transmissão.
-
Peça a um assistente que faça a máquina inclinar para trás e colocar uma bandeja por baixo da transmissão.
Note: Utilize a bandeja para recolher o fluido de transmissão.
-
Retire o tampão de escoamento da transmissão e deixe o óleo drenar completamente.
-
Instale o tampão de drenagem.
-
Aperte o tampão com uma força de 4 a 5 N·m.
-
Adicione 473 ml de fluido de transmissão sintético Dexron VI através da ventilação do adaptador.
-
Instale a ventilação do respiro e estrutura do adaptador () e aperte com 12 a 15 N·m.
Manutenção do sistema de controlo
Ajuste do travão de serviço/estacionamento
Ajuste o travão de serviço/estacionamento se derrapar durante a operação.
-
Desengate o travão de estacionamento.
-
Meça a folga no fim do cabo do travão de estacionamento (Figura 38).
A folga deve ser entre 12,7 e 25,4 mm. Se a folga não estiver dentro deste intervalo, proceda para o passo 3 para ajustar o cabo do travão.

-
Efetue os passos seguintes para ajustar a tensão do cabo do travão:
-
Para aumentar a tensão do cabo, desaperte a porca de retenção frontal do cabo e aperte a porca de retenção traseira (Figura 39). Repita o passo 2 e ajuste a tensão, se necessário.
-
Para diminuir a tensão do cabo, desaperte a porca de retenção traseira e aperte a porca de retenção frontal (Figura 39). Repita o passo 2 e ajuste a tensão, se necessário.
-

Manutenção da unidade de corte
Segurança da lâmina
-
Tome todas as precauções necessárias quando efetuar a verificação da unidade de corte. Use luvas e tenha cuidado durante a sua manutenção.
-
Uma lâmina ou lâmina de corte desgastada ou danificada pode partir-se, podendo levar à projeção de um fragmento contra o utilizador ou alguém que esteja por perto e provocar lesões graves ou até mesmo a morte.
-
Inspecione periodicamente se as lâminas e as lâminas de corte apresentam sinais de desgaste excessivo ou danos.
-
Tenha cuidado quando verificar as lâminas. Use luvas e tenha cuidado durante a sua manutenção. Substitua ou retifique as lâminas ou lâminas de corte, não as endireite nem solde.
-
Ao efetuar a manutenção das lâminas, tenha em atenção que pode movê-las mesmo depois de desligar a alimentação.
Instalação da unidade de corte (modelos 04835 e 04845)
-
Mova o apoio para a posição SERVIçO DA UNIDADE DE CORTE.
-
Remova as ferragens que prendem o conjunto da transmissão do cilindro à placa lateral (Figura 40).

-
Remova o conjunto da transmissão do cilindro, anilhas planas, anilhas de mola e espaçadores da placa lateral (Figura 40).
-
Alinhe a unidade de corte com a estrutura.
-
Utilize quatro parafusos de cabeça sextavada interior para prender a unidade de corte à estrutura (Figura 41).

-
Utilize os parafusos de cabeça sextavada interior, anilhas e espaçadores previamente removidos para prender o conjunto da transmissão do cilindro à placa lateral da unidade de corte (Figura 42).
Certifique-se de que o veio da transmissão do cilindro está instalado no acoplador do veio de transmissão (Figura 42).

Instalação da unidade de corte (modelo 04865)
-
Mova o apoio para a posição SERVIçO DA UNIDADE DE CORTE.
-
Alinhe a unidade de corte com a estrutura.
-
Mova os trincos da suspensão para baixo para prender a unidade de corte à máquina (Figura 43).

-
Mova o anel para fora da ranhura do veio da união da transmissão e insira o tubo hexagonal no veio da união da unidade de corte (Figura 43).
-
Instale o cesto da relva.
Remoção da unidade de corte(Modelos 04835 e 04845)
-
Mova o apoio para a posição SERVIçO DA UNIDADE DE CORTE.
-
Retire o cesto de relva (se instalado).
-
Remova o conjunto da transmissão do cilindro da unidade de corte (Figura 44) e guarde as ferragens.

-
Retire os parafusos de cabeça sextavada interior que prendem a unidade de corte à estrutura (Figura 45).

-
Retire a unidade de corte da estrutura.
Remoção da unidade de corte (modelo 04865)
Note: O tubo hexagonal desengata se engata a transmissão do cilindro quando a unidade de corte é removida.
-
Mova o apoio para a posição SERVIçO DA UNIDADE DE CORTE.
-
Retire o cesto de relva (se instalado).
-
Mova o anel (Figura 46) para a ranhura da união da unidade de corte.
Note: Isto liberta a tensão da mola.
-
Deslize o tubo hexagonal para fora do veio da união da unidade de corte (Figura 46).

-
Mova os trincos da suspensão para cima para libertar a unidade de corte da máquina (Figura 46).
-
Retire a unidade de corte da estrutura.
Retificação da unidade de corte
Para retificar a unidade de corte, realize uma das seguintes opções:
-
Instale o Kit de retificação de acesso (Modelo 139-4342) e utilize uma máquina de retificação. Contacte o distribuidor Toro autorizado para adquirir este kit.
-
Utilize o InfoCenter para entrar no modo de retificação..
Para entrar no modo de retificação, selecione RETIFICAçãO no menu MANUTENçãO. Siga as instruções do InfoCenter para retificar a unidade de corte..
Note: Assim que a barra for libertada, o modo de retificação é desativado. Pode utilizar o garfo de captura da barra (enviado no saco de peças soltas) para fixar a barra na posição engatada.Retire o garfo de captura da barra depois de ter completado a retificação.

Limpeza
Limpeza da máquina
| Intervalo de assistência | Procedimento de manutenção |
|---|---|
| Após cada utilização |
|
Depois de cada utilização, pode lavar a máquina com água e um detergente suave. Não lave a máquina com sistemas de lavagem de pressão. Evite a utilização excessiva de água, especialmente próximo da placa da alavanca da transmissão, do InfoCenter, do centro de potência, e do conector de alimentação da máquina. Limpe o motor para permitir um arrefecimento adequado durante o funcionamento. Mantenha, também, a bateria o mais limpa possível de forma a manter uma cor branca. Isto reflete a luz solar e impede o aquecimento excessivo das baterias ao sol.
Important: Não utilize água salobra ou recuperada para limpar a máquina.
Important: Armazene ou estacione sempre a máquina afastada da luz solar direta, uma vez que o aquecimento do sol reduz a duração da bateria.




, que indica:
Cuidado, Aviso ou Perigo – instruções de segurança
pessoal. O não cumprimento destas instruções
pode resultar em ferimentos pessoais ou mesmo em morte.


























)
























(Off).
(On),
defina o código PIN, e rode a chave na ignição
para a posição OFF e depois
para a posição ON.

surge no canto superior direito do ecrã.





