Entretien
Programme d'entretien recommandé
| Périodicité d'entretien | Procédure d'entretien |
|---|---|
| Après les 8 premières heures de fonctionnement |
|
| Après les 100 premières heures de fonctionnement |
|
| À chaque utilisation ou une fois par jour |
|
| Toutes les 25 heures |
|
| Toutes les 50 heures |
|
| Toutes les 100 heures |
|
Limpieza del ensacador
| Périodicité d'entretien | Procédure d'entretien |
|---|---|
| À chaque utilisation ou une fois par jour |
|
Limpie la rejilla antes de cada uso (más a menudo si la hierba está mojada).
-
Desengrane la toma de fuerza y ponga el freno de estacionamiento.
-
Pare el motor, retire la llave y espere a que se detengan todas las piezas en movimiento antes de abandonar el puesto del operador.
-
Abra el ensacador.
-
Limpie las rejillas de residuos.
-
Cierre el ensacador.
Limpieza del sistema de recogida
| Périodicité d'entretien | Procédure d'entretien |
|---|---|
| À chaque utilisation ou une fois par jour |
|
-
Lave el interior y el exterior del capó del ensacador, el tubo, y los bajos del cortacésped. Utilice un detergente suave para automóviles para eliminar la suciedad.
-
Asegúrese de eliminar la hierba apelmazada de todas las piezas.
-
Después de lavar todas las piezas, deje que se sequen del todo.
Note: Con todas las piezas instaladas, arranque el motor y deje funcionar la máquina durante 1 minuto para facilitar el secado.
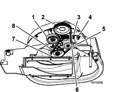
Inspección de la correa de soplador
| Périodicité d'entretien | Procédure d'entretien |
|---|---|
| Après les 8 premières heures de fonctionnement |
|
| Toutes les 25 heures |
|
Compruebe que las correas no tienen grietas, bordes deshilachados, marcas de quemaduras u otros daños. Sustituya cualquier correa dañada.
Sustitución de la correa del soplador en cortacéspedes de 152 cm y 183 cm (60" y 72")
-
Desengrane la TDF, mueva las palancas de control de movimiento a la posición de BLOQUEO/PUNTO MUERTO, y ponga el freno de estacionamiento.
-
Pare el motor, retire la llave y espere a que se detengan todas las piezas en movimiento antes de abandonar el puesto del operador.
-
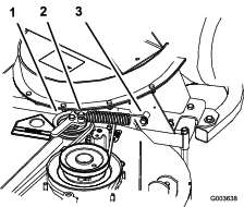
Tire hacia atrás de la polea tensora tensada con muelle para aliviar la tensión de la correa (Figure 39).
-
Retire la correa del ensacador de la polea del cortacésped y luego de las poleas del soplador.
-
Pase la correa nueva alrededor de las poleas del soplador y de la polea de la carcasa de corte (Figure 39).

-
Instale el muelle como se muestra en la Figure 40.

-
Tire hacia atrás de la polea tensada con muelle y pase la correa por la polea (Figure 39).
Sustitución de la correa del soplador en cortacéspedes de 122 cm y 132 cm (48" y 52")
-
Desengrane la TDF, mueva las palancas de control de movimiento a la posición de BLOQUEO/PUNTO MUERTO, y ponga el freno de estacionamiento.
-
Pare el motor, retire la llave y espere a que se detengan todas las piezas en movimiento antes de abandonar el puesto del operador.
-
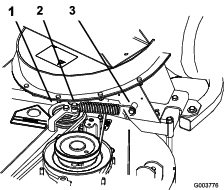
Afloje el perno-guía de la correa (Figure 41).
-
Retire la correa existente del soplador.
-
Instale la correa nueva alrededor de la polea del soplador (Figure 41).
-
Instale la correa entre la polea tensora fija y el perno de guía de la correa.
-
Apriete el perno-guía de la correa (Figure 41).

-
Instale el muelle como se muestra en la Figure 42.

-
Coloque la correa sobre la polea tensora tensada con muelle (Figure 41).
Comprobación y ajuste del cierre del soplador
Cierre el conjunto del soplador para ver si los cierres están correctamente ajustados. Afloje o apriete los pernos de manera que los cierres sujeten firmemente el conjunto del soplador contra la carcasa de corte, pero que puedan ser liberados a mano.

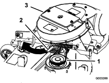
Engrasado del brazo tensor y del pivote de la palanca
| Périodicité d'entretien | Procédure d'entretien |
|---|---|
| Toutes les 50 heures |
|
| Toutes les 100 heures |
|
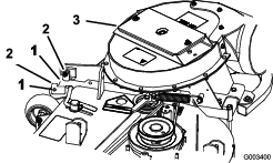
Engrase el brazo tensor de la correa del soplador (Figure 44).

En cortacéspedes de 152 cm y 183 cm (60" y 72") únicamente, engrase el pivote de la palanca (Figure 45).

Inspección del sistema de recogida
| Périodicité d'entretien | Procédure d'entretien |
|---|---|
| Après les 8 premières heures de fonctionnement |
|
| Toutes les 100 heures |
|
-
Desengrane la TDF, mueva las palancas de control de movimiento a la posición de BLOQUEO/PUNTO MUERTO, y ponga el freno de estacionamiento.
-
Pare el motor, retire la llave y espere a que se detengan todas las piezas en movimiento antes de abandonar el puesto del operador.
-
Compruebe el tubo superior, el tubo inferior, el ensacador, y el conjunto del soplador.
Note: Cambie estos componentes si están agrietados o rotos.
-
Compruebe el bastidor del ensacador.
Note: Cambie cualquier pieza agrietada o rota.
-
Apriete todos los pernos, tuercas y tornillos.
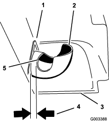
Ajuste del cierre de la puerta en carcasas de 152 cm y 183 cm (60" y 72")
-
Desengrane la TDF, mueva las palancas de control de movimiento a la posición de BLOQUEO/PUNTO MUERTO, y ponga el freno de estacionamiento.
-
Pare el motor, retire la llave y espere a que se detengan todas las piezas en movimiento antes de abandonar el puesto del operador.
-
Con la puerta cerrada, afloje las tuercas y ajuste los tornillos de tope hasta que el brazo de contacto quede en posición vertical (Figure 46).
-
Ajuste la longitud de las varillas de acoplamiento de la bisagra hasta que la puerta se cierre por completo con una fuerza razonable sobre la palanca (Figure 46).
Note: Alargue las varillas para reducir la resistencia. Acorte las varillas para aumentar la resistencia
Note: Asegúrese de ajustar ambos lados a la misma distancia. Con la puerta cerrada, las varillas deben estar ligeramente apretadas para evitar ruidos y vibraciones.
-
Apriete las tuercas.

Ajuste de la apertura de la puerta en cortacéspedes de 152 cm y 183 cm (60" y 72")
Note: Realice este procedimiento después de ajustar el cierre de la puerta.
Ajuste el acoplamiento de la palanca para obtener la apertura máxima de la puerta (Figure 47 y Figure 48).
Note: Alargue el acoplamiento para que la puerta se abra más. Acorte el acoplamiento para que la puerta se abra menos.
Note: La apertura máxima de la puerta se produce cuando el brazo de contacto llega al tope. Este tope no es ajustable, y evita que la puerta se abra demasiado.


Ajuste de los cierres en cortacéspedes de 152 cm y 183 cm (60" y 72")
Note: Ajuste las posiciones de apertura y cierre de la puerta antes de ajustar los cierres.
-
Desengrane la TDF, mueva las palancas de control de movimiento a la posición de BLOQUEO/PUNTO MUERTO, y ponga el freno de estacionamiento.
-
Pare el motor, retire la llave y espere a que se detengan todas las piezas en movimiento antes de abandonar el puesto del operador.
-
Cierre la puerta.
-
Asegúrese de que los cierres se enganchan completamente y que tocan la varilla de cierre que está soldada a la puerta (Figure 49).
Note: Los cierres deben quedar apretados contra la varilla de cierre. Deben tener holgura suficiente para moverse un poco.

Ajuste de la posición de la palanca en cortacéspedes de 122 cm y 132 cm (48" y 52")
Los brazos izquierdo y derecho de la palanca acodada deben estar situados a una distancia uniforme del tubo superior del bastidor.
-
Desengrane la TDF, mueva las palancas de control de movimiento a la posición de BLOQUEO/PUNTO MUERTO, y ponga el freno de estacionamiento.
-
Pare el motor, retire la llave y espere a que se detengan todas las piezas en movimiento antes de abandonar el puesto del operador.
-
Retire la chapa lateral de ambos lados del ensacador (Figure 50).

-
Compruebe la distancia entre las palancas acodadas izquierda y derecha y el tubo superior del bastidor.
Note: Estas dimensiones deben ser iguales en ambos lados.
-
Para obtener la misma distancia, afloje el perno de cabeza Allen del buje de la palanca acodada derecha (Figure 51).
-
Coloque los brazos de la palanca acodada a la misma distancia del tubo superior del bastidor.
-
Apriete el perno de cabeza Allen e instale las chapas laterales.

Ajuste del cierre de la puerta en cortacéspedes de 122 cm y 132 cm (48" y 52")
-
Desengrane la TDF, mueva las palancas de control de movimiento a la posición de BLOQUEO/PUNTO MUERTO, y ponga el freno de estacionamiento.
-
Pare el motor, retire la llave y espere a que se detengan todas las piezas en movimiento antes de abandonar el puesto del operador.
-
Con la puerta cerrada, compruebe que está ligeramente apretada contra el bastidor.
-
Si es necesario realizar ajustes, ajuste las tuercas.
Note: Alargue las varillas para reducir la resistencia. Acorte las varillas para aumentar la resistencia.
Note: Asegúrese de ajustar ambos lados a la misma distancia. Con la puerta cerrada, las varillas deben estar ligeramente apretadas para evitar ruidos y vibraciones.
-
Apriete las tuercas.

Ajuste de la apertura de la puerta en cortacéspedes de 122 cm y 132 cm (48" y 52")
Realice este procedimiento después de ajustar el cierre de la puerta.
-
Retire la chapa lateral de ambos lados del ensacador (Figure 53).

-
Abra la puerta.
-
Compruebe la distancia entre el tubo superior del bastidor de la puerta y el borde inferior del capó moldeado (Figure 54).
Note: La distancia debe ser de 3.2 mm a 9.6 mm (⅛" a ⅜").

-
Si es necesario realizar un ajuste, ajuste los topes de la bisagra en ambos lados hasta que la distancia entre el tubo superior del bastidor de la puerta y el borde inferior del capó moldeado sea de 3.2 mm a 9.6 mm (⅛" a ⅜").
Note: Asegúrese de ajustar los topes de bisagra de la derecha y la izquierda a la misma distancia.
-
Apriete las tuercas e instale las chapas laterales.

Ajuste del freno de estacionamiento
| Périodicité d'entretien | Procédure d'entretien |
|---|---|
| Après les 100 premières heures de fonctionnement |
|
Consulte el Manual del operador de la máquina para ajustar el freno de estacionamiento.
Inspección de las cuchillas del cortacésped
-
Inspeccione las cuchillas del cortacésped regularmente, y siempre que una cuchilla haya golpeado algún objeto extraño.
-
Si las cuchillas están muy desgastadas o dañadas, instale cuchillas nuevas. Consulte en el Manual del operador del cortacésped los procedimientos completos de mantenimiento de las cuchillas.
Instalación de las cuchillas del cortacésped.
En la mayoría de las condiciones de siega, las cuchillas de alta elevación estándar proporcionarán el mejor rendimiento de ensacado.
Se recomienda el uso de la cuchilla Atomic de Toro para el ensacado de hojas en condiciones secas. En condiciones secas con mucho polvo, las cuchillas de baja o media elevación reducen la expulsión de polvo y tierra, sin dejar de proporcionar un caudal de aire eficaz para el ensacado.
Póngase en contacto con un Distribuidor de Servicio Autorizado, que dispone de las cuchillas correctas para diferentes condiciones de siega.
Consulte el Manual del operador del cortacésped si necesita más información sobre la instalación de las cuchillas.
Instalación del deflector de hierba
Attention
Si el hueco de descarga se deja destapado, el cortacésped podría arrojar objetos hacia usted o hacia otras personas y causar lesiones graves. También podría producirse un contacto con la cuchilla.
-
No utilice nunca el cortacésped sin tener instalado una tapa, una placa de picado o un conducto de hierba y bolsa de recortes.
-
Compruebe que el deflector de hierba está bajado.
-
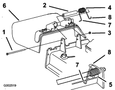
Retire la contratuerca, el perno, el muelle y el espaciador que sujetan el deflector a los soportes de pivote (Figure 56).
-
Retire el deflector de hierba dañado o desgastado.
-
Coloque el espaciador y el muelle en el deflector de hierba.
Note: Coloque el extremo en L del muelle detrás del reborde de la carcasa.
Note: Asegúrese de colocar el extremo en L del muelle detrás del reborde de la carcasa antes de instalar el perno, según muestra Figure 56.
-
Instale el perno y la tuerca.
-
Coloque el extremo en J del muelle alrededor del deflector de hierba (Figure 56).
Important: El deflector de hierba debe poder bajar a su posición. Levante el deflector para verificar que puede bajar del todo.





































