Mantenimiento
Calendario recomendado de mantenimiento
| Intervalo de mantenimiento y servicio | Procedimiento de mantenimiento |
|---|---|
| Después de las primeras 8 horas |
|
| Después de las primeras 100 horas |
|
| Cada vez que se utilice o diariamente |
|
| Cada 25 horas |
|
| Cada 50 horas |
|
| Cada 100 horas |
|
Nettoyage de la grille du système de ramassage
| Intervalo de mantenimiento y servicio | Procedimiento de mantenimiento |
|---|---|
| Cada vez que se utilice o diariamente |
|
Nettoyez la grille avant chaque utilisation (plus fréquemment si l'herbe est humide).
-
Désengagez la prise de force (PDF) et serrez le frein de stationnement.
-
Avant de quitter la position de conduite, coupez le moteur, retirez la clé de contact et attendez l'arrêt de toutes les pièces mobiles.
-
Ouvrez le système de ramassage.
-
Nettoyez les débris éventuellement accumulés sur la grille.
-
Fermez le système de ramassage.
Nettoyage du système de ramassage
| Intervalo de mantenimiento y servicio | Procedimiento de mantenimiento |
|---|---|
| Cada vez que se utilice o diariamente |
|
-
Lavez l'intérieur et l'extérieur du tube et du capot du système de ramassage, ainsi que le dessous du tablier de coupe. Utilisez un détergent automobile doux pour éliminer les saletés.
-
Veillez à bien débarrasser toutes les pièces de l'herbe agglomérée.
-
Après avoir lavé toutes les pièces, faites-les sécher complètement.
Note: Une fois toutes les pièces remises en place, mettez le moteur en marche et laissez-le tourner pendant une minute pour aider au séchage.
Contrôle de la courroie de ventilateur
| Intervalo de mantenimiento y servicio | Procedimiento de mantenimiento |
|---|---|
| Después de las primeras 8 horas |
|
| Cada 25 horas |
|
Vérifiez si les courroies sont fissurées, présentent des bords effilochés, des traces de brûlures ou d'autres dommages. Remplacez les courroies endommagées.
Remplacement de la courroie de ventilateur sur les tondeuses de 152 et 183 cm (60 et 72 po)
-
Désengagez la PDF, amenez les leviers de commande de déplacement à la position de VERROUILLAGE AU POINT MORT et serrez le frein de stationnement.
-
Avant de quitter la position d'utilisation, coupez le moteur, enlevez la clé de contact et attendez l'arrêt complet de toutes les pièces mobiles.
-
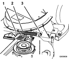
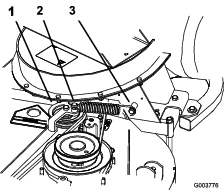
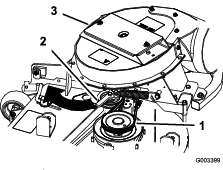
Tirez sur la poulie de tension à ressort pour détendre la courroie (Figura 39).
-
Enlevez la courroie du système de ramassage existante de la poulie du tablier de coupe puis des poulies de ventilateur.
-
Montez la nouvelle courroie autour des poulies de ventilateur et de la poulie du tablier de coupe (Figura 39).

-
Installez le ressort comme montré à la Figura 40.

-
Tirez en arrière la poulie de tension rappelée par ressort et chaussez la courroie dessus (Figura 39).
Remplacement de la courroie de ventilateur sur les tondeuses de 122 et 132 cm (48 et 52 po)
-
Désengagez la PDF, amenez les leviers de commande de déplacement à la position de VERROUILLAGE AU POINT MORT et serrez le frein de stationnement.
-
Avant de quitter la position d'utilisation, coupez le moteur, enlevez la clé de contact et attendez l'arrêt complet de toutes les pièces mobiles.
-
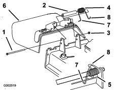
Desserrez le boulon du guide-courroie (Figura 41).
-
Retirez la courroie de ventilateur existante.
-
Faites passer la courroie neuve autour de la poulie de ventilateur (Figura 41).
-
Montez la courroie entre la poulie de tension fixe et le boulon du guide-courroie.
-
Serrez le boulon du guide-courroie (Figura 41).

-
Installez le ressort comme montré à la Figura 42.

-
Placez la courroie sur la poulie de tension rappelée par ressort (Figura 41).
Contrôle et réglage du verrou de ventilateur
Fermez le ventilateur pour vérifier que les verrous sont correctement réglés. Vissez ou dévissez les boulons de sorte que les verrous maintiennent fermement le ventilateur contre le tablier de coupe, mais qu'ils puissent néanmoins être déverrouillés manuellement.

Graissage du bras de la poulie de tension et du pivot de poignée
| Intervalo de mantenimiento y servicio | Procedimiento de mantenimiento |
|---|---|
| Cada 50 horas |
|
| Cada 100 horas |
|
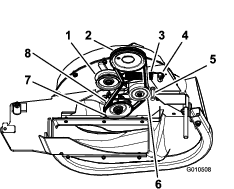
Graissez le bras de tension de la courroie de ventilateur (Figura 44).

Sur les tondeuses de 152 et 183 cm (60 et 72 po), graissez le pivot de poignée (Figura 45).

Contrôle du système de ramassage
| Intervalo de mantenimiento y servicio | Procedimiento de mantenimiento |
|---|---|
| Después de las primeras 8 horas |
|
| Cada 100 horas |
|
-
Désengagez la PDF, amenez les leviers de commande de déplacement à la position de VERROUILLAGE AU POINT MORT et serrez le frein de stationnement.
-
Avant de quitter la position d'utilisation, coupez le moteur, enlevez la clé de contact et attendez l'arrêt complet de toutes les pièces mobiles.
-
Contrôlez le tube supérieur, le tube inférieur, le système de ramassage et l'ensemble ventilateur.
Note: Remplacez-les s'ils sont fendus ou cassés.
-
Vérifiez le cadre du système de ramassage.
Note: Remplacez toute pièce fissurée ou cassée.
-
Serrez tous les écrous, boulons et vis.
Réglage de la trappe fermée (tondeuses de 152 cm et 183 cm [60 po et 72 po])
-
Désengagez la PDF, amenez les leviers de commande de déplacement à la position de VERROUILLAGE AU POINT MORT et serrez le frein de stationnement.
-
Avant de quitter la position d'utilisation, coupez le moteur, enlevez la clé de contact et attendez l'arrêt complet de toutes les pièces mobiles.
-
Fermez la trappe, desserrez les écrous et ajustez les boulons d'arrêt de sorte que le bras de contact soit droit et vertical (Figura 46).
-
Réglez la longueur des biellettes d'articulation pour assurer la fermeture complète de la trappe et à exercer une force raisonnable sur la poignée (Figura 46).
Note: Allongez les biellettes pour réduire la force nécessaire. Raccourcissez les biellettes pour augmenter la force nécessaire.
Note: Les côtés droit et gauche doivent être réglés à la même distance. Lorsque la trappe est fermée, les biellettes doivent être légèrement serrées pour minimiser les vibrations.
-
Resserrez les écrous.

Réglage de la trappe ouverte (tondeuses de 152 cm et 183 cm [60 po et 72 po])
Note: Effectuez cette procédure après avoir réglé la fermeture de la trappe.
Réglez la biellette de la poignée pour permettre l'ouverture maximale de la trappe (Figura 47 et Figura 48).
Note: Allongez la biellette de la poignée pour ouvrir la trappe plus largement. Raccourcissez la biellette pour réduire l'ouverture de la trappe.
Note: L'ouverture maximale de la trappe est limitée par le bras de contact qui rencontre la butée. La butée n'est pas réglable et évite de trop ouvrir la trappe.


Réglage des verrous (tondeuses de 152 cm et 183 cm [60 po et 72 po])
Note: Réglez les positions d'ouverture et de fermeture de la trappe avant de régler les verrous.
-
Désengagez la PDF, amenez les leviers de commande de déplacement à la position de VERROUILLAGE AU POINT MORT et serrez le frein de stationnement.
-
Avant de quitter la position d'utilisation, coupez le moteur, enlevez la clé de contact et attendez l'arrêt complet de toutes les pièces mobiles.
-
Fermez la trappe.
-
Assurez-vous que les verrous sont complètement engagés et touchent la tige soudée à la trappe (Figura 49).
Note: Les verrous doivent être tout contre la tige de verrouillage. Ils doivent avoir suffisamment de jeu pour bouger.

Réglage de la position du bras (tondeuses de 122 cm et 132 cm [48 po et 52 po])
Pour assurer un fonctionnement correct, les leviers coudés droit et gauche doivent être à la même position par rapport au tube supérieur du cadre.
-
Désengagez la PDF, amenez les leviers de commande de déplacement à la position de VERROUILLAGE AU POINT MORT et serrez le frein de stationnement.
-
Avant de quitter la position d'utilisation, coupez le moteur, enlevez la clé de contact et attendez l'arrêt complet de toutes les pièces mobiles.
-
Déposez la plaque latérale de chaque côté du système de ramassage (Figura 50).

-
Vérifiez la distance entre les leviers coudés droit et gauche et le tube supérieur du cadre.
Note: Ces dimensions doivent être les mêmes des deux côtés.
-
Si ce n'est pas le cas, desserrez la vis Allen sur le moyeu du levier droit (Figura 51).
-
Positionnez les leviers à distance égale du tube supérieur du cadre.
-
Serrez la vis Allen et posez les plaques latérales.

Réglage de la trappe fermée (tondeuses de 152 cm et 183 cm [48 po et 52 po])
-
Désengagez la PDF, amenez les leviers de commande de déplacement à la position de VERROUILLAGE AU POINT MORT et serrez le frein de stationnement.
-
Avant de quitter la position d'utilisation, coupez le moteur, enlevez la clé de contact et attendez l'arrêt complet de toutes les pièces mobiles.
-
La trappe étant fermée, vérifiez qu'elle est parfaitement appliquée contre le cadre.
-
Ajustez le serrage des écrous si un réglage est nécessaire.
Note: Allongez les biellettes pour réduire la force nécessaire. Raccourcissez les biellettes pour augmenter la force nécessaire.
Note: Les côtés droit et gauche doivent être réglés à la même distance. Lorsque la trappe est fermée, les biellettes doivent être légèrement serrées pour minimiser les vibrations.
-
Resserrez les écrous.

Réglage de la trappe ouverte (tondeuses de 152 cm et 183 cm [48 po et 52 po])
Effectuez cette procédure après avoir réglé la trappe fermée.
-
Déposez la plaque latérale de chaque côté du système de ramassage (Figura 53).

-
Ouvrez la trappe.
-
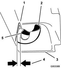
Vérifiez la distance entre le tube supérieur du cadre de la trappe et le rebord inférieur du capot moulé (Figura 54).
Note: La distance doit être comprise entre 3,2 et 9,6 mm (⅛ et ⅜ po).

-
Si un réglage est nécessaire, ajustez les butées d'articulation de chaque côté pour obtenir une distance de 3,2 à 9,6 mm (⅛ à ⅜ po) entre le tube supérieur du cadre de la trappe et le bord inférieur du capot moulé.
Note: Les butées d'articulation droite et gauche doivent être réglées à la même distance.
-
Serrez les écrous et posez les plaques latérales.

Réglage du frein de stationnement
| Intervalo de mantenimiento y servicio | Procedimiento de mantenimiento |
|---|---|
| Después de las primeras 100 horas |
|
Reportez-vous au Manuel de l'utilisateur de la machine pour la procédure de réglage du frein de stationnement.
Contrôle des lames du tablier de coupe
-
Examinez les lames régulièrement, ainsi qu'après avoir heurté un obstacle.
-
Remplacez les lames si elles sont très usées ou endommagées. Pour la procédure complète d'entretien des lames, reportez-vous au Manuel de l'utilisateurde la tondeuse.
Montage des lames de la tondeuse
Dans la plupart des conditions de tonte, les lames standard « haute levée » offriront la meilleure performance de ramassage.
La lame Toro Atomic est recommandée pour ramasser les feuilles sèches. Dans des conditions sèches et poussiéreuses, les lames « moyenne levée » ou « basse levée » produisent moins de poussière et de saleté tout en assurant un débit d'air suffisant pour un ramassage efficace.
Renseignez-vous auprès d'un réparateur agréé pour connaître les lames qui conviennent aux différentes conditions de tonte.
Pour plus de renseignements sur le montage des lames, reportez-vous au Manuel de l'utilisateur de la machine.
Montage du déflecteur d'herbe
Advertencia
Si l'ouverture d'éjection est ouverte, la tondeuse peut projeter des objets dans votre direction ou celles d'autres personnes et causer des blessures graves. Un contact avec la lame est également possible.
-
N'utilisez jamais la tondeuse sans l'équiper d'une plaque d'obturation, d'un déflecteur de déchiquetage, ou d'une goulotte et d'un système de ramassage.
-
Vérifiez que le déflecteur d'herbe est abaissé.
-
Retirez le contre-écrou, le boulon, le ressort et l'entretoise qui fixent le déflecteur aux supports de pivot (Figura 56).
-
Enlevez le déflecteur d'herbe s'il est endommagé ou usé.
-
Placez une entretoise et un ressort sur le déflecteur d'herbe.
Note: L'extrémité en L du ressort doit se trouver derrière le bord du tablier.
Note: Prenez soin de placer l'extrémité en L du ressort derrière le bord du tablier avant de mettre le boulon en place, comme montré à la Figura 56.
-
Remettez le boulon et l'écrou.
-
Placez l'extrémité en J du ressort autour du déflecteur d'herbe (Figura 56).
Important: Le déflecteur d'herbe doit pouvoir s'abaisser en position. Soulevez le déflecteur pour vérifier qu'il s'abaisse complètement.





































