Wartung
Empfohlener Wartungsplan
| Wartungsintervall | Wartungsmaßnahmen |
|---|---|
| Nach acht Betriebsstunden |
|
| Bei jeder Verwendung oder täglich |
|
| Alle 25 Betriebsstunden |
|
| Alle 50 Betriebsstunden |
|
| Alle 100 Betriebsstunden |
|
Reinigen des Abdeckungsgitters
| Wartungsintervall | Wartungsmaßnahmen |
|---|---|
| Bei jeder Verwendung oder täglich |
|
Die Gitter muss vor jeder Verwendung gereinigt werden. Bei nassem Gras müssen sie häufiger gereinigt werden.
-
Kuppeln Sie den Zapfwellenantrieb (ZWA) aus und aktivieren Sie die Feststellbremse.
-
Stellen Sie vor dem Verlassen der Bedienungsposition den Motor ab, ziehen Sie den Schlüssel ab und warten Sie, bis alle beweglichen Teile zum Stillstand gekommen sind.
-
Öffnen Sie die Abdeckung des Heckfangsystems.
-
Entfernen Sie den Schmutz vom Gitter.
-
Schließen Sie die Abdeckung des Heckfangsystems.
Reinigen des Heckfangsystems und der Grasfangkörbe
| Wartungsintervall | Wartungsmaßnahmen |
|---|---|
| Bei jeder Verwendung oder täglich |
|
Das Heckfangsystem muss täglich gereinigt werden.
-
Reinigen Sie die Abdeckung des Heckfangsystems, das Rohr, und die Unterseite des Mähwerks innen und außen. Festsitzenden Schmutz können Sie mit einem milden Autoshampoo entfernen.
-
Sie sollten auf jeden Fall alle Teile von festgeklebtem Gras befreien.
-
Lassen Sie alle Teile nach dem Reinigen gut austrocknen.
Note: Montieren Sie alle Teile und starten Sie dann den Motor. Lassen Sie ihn für eine Minute laufen, um das Trocknen zu beschleunigen.
Prüfen des Gebläseriemens
| Wartungsintervall | Wartungsmaßnahmen |
|---|---|
| Nach acht Betriebsstunden |
|
| Alle 25 Betriebsstunden |
|
Prüfen Sie die Riemen auf Risse, zerfranste Ränder, Versengungsanzeichen und irgendwelche anderen Defekte. Tauschen Sie beschädigte Riemen aus.
Austauschen des Gebläseriemens für Maschinen mit 152-cm- und 183-cm-Mähwerken
-
Kuppeln Sie die Zapfwelle aus, stellen die Fahrantriebshebel in die ARRETIERTE NEUTRAL-Stellung und aktivieren die Feststellbremse.
-
Stellen Sie vor dem Verlassen der Bedienungsposition den Motor ab, ziehen Sie den Schlüssel ab und warten Sie, bis alle beweglichen Teile zum Stillstand gekommen sind.
-
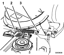
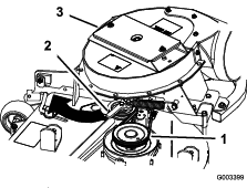
Ziehen Sie an der gefederten Spannscheibe, um die Riemenspannung zu lösen (Bild 42).
-
Nehmen Sie den vorhandenen Heckfangsystem-Riemen von der Mähwerkriemenscheibe und dann von den Gebläseriemenscheiben ab.
-
Verlegen Sie einen neuen Riemen um die Gebläseriemenscheiben und die Mähwerkriemenscheibe (Bild 42).

-
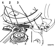
Setzen Sie die Feder ein, siehe Bild 43.

-
Ziehen Sie die gefederte Spannscheibe zurück und verlegen den Riemen auf der gefederten Spannscheibe (Bild 42).
Austauschen des Gebläseriemens für Maschinen mit 122-cm- und 132-cm-Mähwerken
-
Kuppeln Sie die Zapfwelle aus, stellen die Fahrantriebshebel in die ARRETIERTE NEUTRAL-Stellung und aktivieren die Feststellbremse.
-
Stellen Sie vor dem Verlassen der Bedienungsposition den Motor ab, ziehen Sie den Schlüssel ab und warten Sie, bis alle beweglichen Teile zum Stillstand gekommen sind.
-
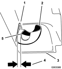
Lockern Sie die Schraube der Riemenführung (Bild 44).
-
Nehmen Sie den Gebläseriemen ab.
-
Legen Sie den neuen Riemen um die Riemenscheibe am Gebläse (Bild 44).
-
Verlegen Sie den Riemen zwischen der fixierten Spannscheibe und der Schraube der Riemenführung.
-
Ziehen Sie die Schraube der Riemenführung (Bild 44) an.

-
Setzen Sie die Feder ein, siehe Bild 45.

-
Verlegen Sie den Riemen auf die gefederte Spannscheibe (Bild 44).
Prüfen und Einstellen des Gebläseriegels
Schließen Sie das Gebläse, um die richtige Ausrichtung der Riegel zu prüfen. Lösen oder ziehen Sie die Schrauben so an, dass die Riegel das Gebläse eng am Mähwerk halten, jedoch mit der Hand gelöst werden können.

Einfetten des Spannscheibenarms
| Wartungsintervall | Wartungsmaßnahmen |
|---|---|
| Alle 50 Betriebsstunden |
|
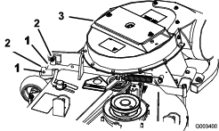
Fetten Sie den Spannscheibenarm des Heckfangsystems (Bild 47) alle 50 Stunden ein.

Prüfen des Heckfangsystems
| Wartungsintervall | Wartungsmaßnahmen |
|---|---|
| Nach acht Betriebsstunden |
|
| Alle 100 Betriebsstunden |
|
-
Kuppeln Sie die Zapfwelle aus, stellen die Fahrantriebshebel in die ARRETIERTE NEUTRAL-Stellung und aktivieren die Feststellbremse.
-
Stellen Sie vor dem Verlassen der Bedienungsposition den Motor ab, ziehen Sie den Schlüssel ab und warten Sie, bis alle beweglichen Teile zum Stillstand gekommen sind.
-
Prüfen Sie das obere und untere Rohr, die Abdeckung des Heckfangsystems und das Gebläse. Tauschen Sie diese Teile aus, wenn sie Risse aufweisen oder kaputt sind.
-
Prüfen Sie die Grasfangkörbe, den Rahmen des Heckfangsystems und das Gitter. Ersetzen Sie beschädigte oder kaputte Teile.
-
Ziehen Sie alle Schrauben und Muttern an.
Prüfen der Schnittmesser
-
Prüfen Sie die Schnittmesser regelmäßig, besonders wenn ein Messer einen Fremdkörper berührt.
-
Montieren Sie neue Messer, wenn die Messer sehr abgenutzt oder beschädigt sind. Komplette Anweisungen zur Schnittmesserwartung finden Sie in der Bedienungsanleitung der Maschine.
Einbauen der Mähwerkmesser
Für die meisten Mähbedingungen ergeben die normalen High-Lift-Messer die beste Leistung beim Heckfangsystem.
Das Toro Atomic-Messer wird beim Aufnehmen von Blättern mit dem Heckfangsystem in trockenen Situationen empfohlen. Bei trockenen und staubigen Bedingungen verringern die Medium-Lift- oder Low-Lift-Messer die Menge des ausgestoßenen Staubs und Schmutzes und geben ausreichenden Luftstrom im Heckfangsystem.
Wenden Sie sich an einen offiziellen Vertragshändler hinsichtlich der richtigen Messer für verschiedene Mähkonditionen.
Weitere Informationen zum Einbauen der Messer finden Sie in der Bedienungsanleitung der Maschine.
Austauschen des Ablenkblechs
Warnung:
Ein nicht abgedeckte Auswurföffnung kann zum Ausschleudern von Gegenständen auf den Bediener oder Unbeteiligte führen. Das kann schwere Verletzungen zur Folge haben. Außerdem könnte es auch zum Kontakt mit dem Messer kommen.
-
Setzen Sie den Rasenmäher nur dann ein, wenn Sie ein Abdeckblech, eine Mulchplatte oder einen Auswurfkanal mit Fangvorrichtung montiert haben.
-
Stellen Sie sicher, dass das Ablenkblech nach unten abgesenkt ist.
-
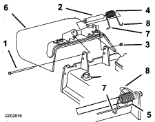
Entfernen Sie die Sicherungsmutter, Schraube, Feder und das Distanzstück, mit denen das Ablenkblech an den Drehhalterungen befestigt ist (Bild 48).
-
Entfernen Sie defekte oder abgenutzte Ablenkbleche.
-
Legen Sie das Distanzstück und die Feder auf das Ablenkblech. Positionieren Sie das L-Ende der Feder hinter der Kante des Mähwerks.
Note: Stellen Sie sicher, dass sich das L-Ende der Feder hinter der Mähwerkkante befindet, bevor Sie die Schraube einsetzen, siehe Bild 48
-
Setzen Sie die Schraube und Mutter ein.
-
Führen Sie das J-förmige Hakenende der Feder um das Ablenkblech (Bild 48).
Important: Das Ablenkblech muss sich in Position absenken lassen. Heben Sie das Ablenkblech an, um nachzuprüfen, ob es vollständig in die abgesenkte Stellung herunterfährt.
















































