Vedligeholdelse
Skema over anbefalet vedligeholdelse
| Vedligeholdelsesintervaller | Vedligeholdelsesprocedure |
|---|---|
| Efter de første 8 timer |
|
| Hver anvendelse eller dagligt |
|
| For hver 25 timer |
|
| For hver 50 timer |
|
| For hver 100 timer |
|
Rengøring af hjelmskærmen
| Vedligeholdelsesintervaller | Vedligeholdelsesprocedure |
|---|---|
| Hver anvendelse eller dagligt |
|
Skærmen skal rengøres, hver gang maskinen bruges. Når græsset er vådt, skal den rengøres oftere.
-
Udkobl kraftudtaget, og aktiver parkeringsbremsen.
-
Sluk for motoren, tag nøglen ud, og vent, til alle bevægelige dele er standset, før du forlader betjeningspositionen.
-
Åbn opsamlerhjelmen.
-
Fjern snavset fra skærmen.
-
Luk opsamlerhjelmen.
Rengøring af opsamleren og poserne
| Vedligeholdelsesintervaller | Vedligeholdelsesprocedure |
|---|---|
| Hver anvendelse eller dagligt |
|
Opsamleren skal rengøres dagligt.
-
Vask inder- og ydersiden af opsamlerhjelmen, poserne, røret og undersiden af plæneklipperskjoldet. Brug en mild bilshampoo til at fjerne snavs.
-
Sørg for at fjerne sammenklumpet græs fra alle dele.
-
Lad alle delene tørre grundigt efter vask.
Note: Start, og kør maskinen i et minut, når alle delene er monteret. Derved tørrer de hurtigere.
Eftersyn af blæserremmen
| Vedligeholdelsesintervaller | Vedligeholdelsesprocedure |
|---|---|
| Efter de første 8 timer |
|
| For hver 25 timer |
|
Kontroller remmene for revner, flossede kanter, brændemærker eller andre skader. Udskift beskadigede remme.
Udskiftning af blæserremmen på 153 cm og 183 cm maskiner
-
Udkobl kraftudtaget, flyt bevægelseshåndtagene til positionen NEUTRAL-LOCKED (neutral låseposition), og aktiver parkeringsbremsen.
-
Sluk for motoren, tag nøglen ud, og vent, til alle bevægelige dele er standset, før du forlader betjeningspositionen.
-
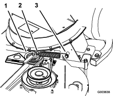
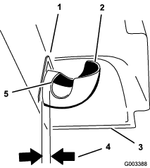
Træk i den fjederbelastede styreremskive for at løsne remspændingen (Figur 42).
-
Fjern den eksisterende opsamlerrem fra plæneklipperskjoldet og derefter blæserremskiverne.
-
Monter den nye rem omkring blæserremskiverne og koblingsremskiven (Figur 42).

-
Monter fjederen som vist i Figur 43.

-
Træk tilbage i den fjederbelastede styreremskive, og monter remmen på den fjederbelastede styreremskive (Figur 42).
Udskiftning af blæserremmen på 122 cm og 132 cm maskiner
-
Udkobl kraftudtaget, flyt bevægelseshåndtagene til positionen NEUTRAL-LOCKED (neutral låseposition), og aktiver parkeringsbremsen.
-
Sluk for motoren, tag nøglen ud, og vent, til alle bevægelige dele er standset, før du forlader betjeningspositionen.
-
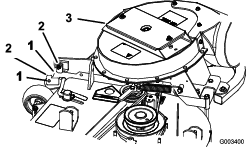
Løsn remmens styrebolt (Figur 44).
-
Fjern den eksisterende blæserrem.
-
Monter den nye rem på blæserremskiven (Figur 44).
-
Monter remmen mellem den faste styreremskive og remmens styrebolt.
-
Stram remmens styrebolt (Figur 44).

-
Monter fjederen som vist i Figur 45.

-
Monter remmen på den fjederbelastede remskive (Figur 44).
Kontrol og justering af blæserklinken
Luk blæserenheden for at se, om låsene er justeret korrekt. Løsn eller stram boltene, så låsene holder blæserenheden sikkert fast mod plæneklipperskjoldet, men så den kan løsnes med hånden.

Smøring af styrearmen
| Vedligeholdelsesintervaller | Vedligeholdelsesprocedure |
|---|---|
| For hver 50 timer |
|
Smør opsamlerremmens styrearm (Figur 47) hver 50. time.

Eftersyn af opsamleren
| Vedligeholdelsesintervaller | Vedligeholdelsesprocedure |
|---|---|
| Efter de første 8 timer |
|
| For hver 100 timer |
|
-
Udkobl kraftudtaget, flyt bevægelseshåndtagene til positionen NEUTRAL-LOCKED (neutral låseposition), og aktiver parkeringsbremsen.
-
Sluk for motoren, tag nøglen ud, og vent, til alle bevægelige dele er standset, før du forlader betjeningspositionen.
-
Kontroller det øverste rør, det nederste rør, opsamlerhjelmen og blæserenheden. Udskift disse dele, hvis de er revnet eller gået i stykker.
-
Kontroller poserne, opsamleren, opsamlerrammen og skærmen. Udskift alle revnede eller beskadigede dele.
-
Stram alle møtrikker, bolte og skruer.
Eftersyn af skæreknivene
-
Efterse skæreknivene jævnligt, og når en skærekniv rammer et fremmedlegeme.
-
Hvis skæreknivene er meget slidte eller beskadigede, skal der monteres nye skæreknive. Se betjeningsvejledning til maskinen for at få oplysninger om komplet skæreknivvedligeholdelse.
Montering af plæneklipperens skæreknive
Under de fleste klippeforhold giver skæreknive i standardhøjden den bedste opsamlingskapacitet.
Toro Atomic-skærekniven anbefales til opsamling af blade under tørre forhold. Under tørre, støvede forhold vil middelplaceringen eller den lave placering af knivene mindske støv og udblæsning af jord, mens de leverer en effektiv luftgennemstrømning i opsamleren.
Kontakt en autoriseret forhandler for at få de rette skæreknive til de forskellige klippeforhold.
Se maskinens betjeningsvejledning for at få yderligere oplysninger om montering af skæreknive.
Udskiftning af græsdeflektoren
Advarsel
En utildækket udblæsningsåbning kan resultere i, at der udkastes genstande mod dig eller omkringstående, hvilket kan medføre alvorlig personskade. Der kan også opstå kontakt med skærekniven.
-
Betjen aldrig plæneklipperen uden at have monteret en dækplade, en kværnafskærmning eller en græssliske og et græsfang.
-
Sørg for, at græsdeflektoren er i sænket position.
-
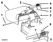
Fjern låsemøtrikken, bolten, fjederen og afstandsbøsningen, som fastholder græsdeflektoren til akselbeslagene (Figur 48).
-
Fjern den beskadigede eller slidte græsdeflektor.
-
Placer afstandsklodsen og fjederen på græsdeflektoren. Placer fjederens L-formede ende bag skjoldets kant.
Note: Sørg for, at fjederens L-formede ende monteres bag skjoldets kant, før bolten monteres som vist i Figur 48
-
Montering af bolt og møtrik.
-
Placer fjederens J-formede ende omkring græsdeflektoren (Figur 48).
Important: Græsdeflektoren skal kunne sænkes ned på plads. Løft deflektoren op for at kontrollere, at den kan sænkes helt ned.
















































