Manutenção
Plano de manutenção recomendado
| Intervalo de assistência | Procedimento de manutenção |
|---|---|
| Após as pimeiras 8 horas |
|
| Em todas as utilizações ou diariamente |
|
| A cada 25 horas |
|
| A cada 50 horas |
|
| A cada 100 horas |
|
Limpar o filtro do capot
| Intervalo de assistência | Procedimento de manutenção |
|---|---|
| Em todas as utilizações ou diariamente |
|
Os filtros têm de ser limpos antes de cada utilização. Com relva molhada, têm de ser limpos com maior frequência.
-
Desengate a tomada de força (PTO) e acione o travão de estacionamento.
-
Desligue o motor, retire a chave e aguarde até que todas as partes em movimento parem antes de sair da posição de operação.
-
Abra o capot da tremonha.
-
Limpe os detritos do filtro.
-
Feche o capot da tremonha.
Limpeza do depósito de recolha e dos sacos
| Intervalo de assistência | Procedimento de manutenção |
|---|---|
| Em todas as utilizações ou diariamente |
|
O saco tem de ser limpo diariamente.
-
Lave o interior e o exterior do capot do depósito de recolha, os sacos, o tubo e a parte inferior da plataforma do cortador. Utilize um detergente automóvel suave para remover a sujidade.
-
Certifique-se de que remove relva comprimida de todas as peças.
-
Depois de lavar todas as peças, deixe-as secar completamente.
Note: Com todas as peças instaladas, ligue e deixe funcionar a máquina durante um minuto para ajudar à secagem.
Inspeção da correia do soprador
| Intervalo de assistência | Procedimento de manutenção |
|---|---|
| Após as pimeiras 8 horas |
|
| A cada 25 horas |
|
Verifique se existem rachas, extremidades desfiadas, marcas de queimaduras e outros danos nas correias. Substitua as correias danificadas.
Substituição da correia do soprador Máquinas de 152 cm e 183 cm
-
Desengate a tomada de força, desloque as alavancas de controlo do movimento para a posição de BLOQUEADAS EM PONTO MORTO e engate o travão de estacionamento.
-
Desligue o motor, retire a chave, espere até todas as peça móveis pararem e só depois saia da posição de operação.
-
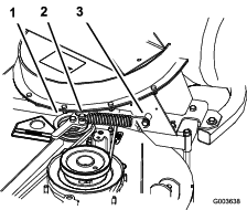
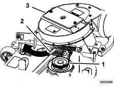
Empurre a polia intermédia da mola para trás para aliviar a tensão da correia (Figura 42).
-
Remova a correia do depósito de recolha existente da polia da plataforma do cortador e, em seguida, as polias do soprador.
-
Instale a nova correia em torno das polias do soprador e da polia da plataforma do cortador (Figura 42).

-
Instale a mola como se mostra na Figura 43.

-
Puxe a polia intermédia da mola para trás e instale a correia na polia intermédia da mola (Figura 42).
Substituir a correia do soprador de máquinas de 122 cm e 132 cm
-
Desengate a tomada de força, desloque as alavancas de controlo do movimento para a posição de BLOQUEADAS EM PONTO MORTO e engate o travão de estacionamento.
-
Desligue o motor, retire a chave, espere até todas as peça móveis pararem e só depois saia da posição de operação.
-
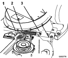
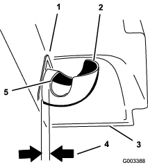
Desaperte o parafuso guia da correia (Figura 44).
-
Retire a correia existente do soprador.
-
Instale a nova correia em redor da polia do soprador (Figura 44).
-
Instale a correia entre a polia intermédia fixa e o parafuso guia da correia.
-
Aperte o parafuso guia da correia (Figura 44).

-
Instale a mola como se mostra na Figura 45.

-
Instale a correia na polia intermédia da mola (Figura 44).
Verificar e ajustar o trinco do soprador
Feche a estrutura do soprador para ver se as patilhas estão corretamente ajustadas. Desaperte ou aperte os parafusos de forma a que as patilhas suportem firmemente a estrutura do soprador contra a plataforma do cortador, mas que possam ser libertadas manualmente.

Lubrificação do braço intermédio
| Intervalo de assistência | Procedimento de manutenção |
|---|---|
| A cada 50 horas |
|
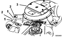
Lubrifique o braço intermédio da correia do depósito de recolha (Figura 47).

Inspeção do depósito de recolha
| Intervalo de assistência | Procedimento de manutenção |
|---|---|
| Após as pimeiras 8 horas |
|
| A cada 100 horas |
|
-
Desengate a tomada de força, desloque as alavancas de controlo do movimento para a posição de BLOQUEADAS EM PONTO MORTO e engate o travão de estacionamento.
-
Desligue o motor, retire a chave, espere até todas as peça móveis pararem e só depois saia da posição de operação.
-
Verifique o tubo superior, o tubo inferior, o capot do depósito de recolha e o conjunto do soprador. Substitua estas peças, se estiverem rachadas ou partidas.
-
Verifique os sacos, a estrutura do depósito de recolha e o filtro. Substitua quaisquer peças que estejam rachadas ou partidas.
-
Aperte todas as porcas e parafusos.
Inspeção das lâminas do cortador
-
Inspecione as lâminas do cortador regularmente e sempre que uma lâmina bater num objeto estranho.
-
Se as lâminas estiverem gastas ou danificadas, instale as novas lâminas. Consulte o Manual do utilizador da máquina para obter informações completas sobre a manutenção da lâmina.
Instalar as lâminas do cortador
Na maioria das condições de corte, as lâminas de grande elevação normais oferecem o melhor desempenho de recolha.
A lâmina atómica Toro é recomendada para recolha de folhas em condições secas. Em condições secas e poeirentas, as lâminas de elevação média ou baixa reduzem a poeira e sujidade projetada oferecendo um fluxo de ar de recolha eficaz.
Contacte um representante de assistência autorizado para obter as lâminas adequadas para as diferentes condições de corte.
Consulte o Manual do utilizador da máquina para obter informações adicionais sobre como instalar as lâminas.
Substituição do defletor de relva
Aviso
Uma abertura de descarga sem proteção pode fazer com que o cortador de relva projete objetos na direção do utilizador ou outras pessoas e provocar ferimentos graves. Além disso, as pessoas estão em risco porque podem ser atingidas pela lâmina.
-
Nunca utilize o cortador de relva a não ser que monte uma placa de cobertura, uma placa de "mulch", ou uma calha e recetor de relva.
-
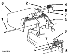
Certifique-se de que o defletor de relva está em baixo.
-
Retire a porca de bloqueio, o parafuso, a mola e a cunha que fixam o defletor aos apoios de articulação (Figura 48).
-
Se o defletor de relva estiver danificado ou gasto, retire-o.
-
Coloque o espaçador e a mola no defletor de relva. Coloque extremidade em L por trás da extremidade da plataforma.
Note: Certifique-se de que a extremidade em L de mola está montada por trás da extremidade da plataforma antes de colocar o parafuso como apresentado em Figura 48
-
Coloque o parafuso e a porca.
-
Coloque a extremidade em gancho J da mola em torno do defletor de relva (Figura 48).
Important: O defletor de relva tem de ser capaz de descer. Suba o defletor para testar se desce por completo.
















































