Vedlikehold
Anbefalt vedlikeholdsplan
| Vedlikeholdsintervall | Vedlikeholdsprosedyre |
|---|---|
| Etter de 8 første timene |
|
| For hver bruk eller daglig |
|
| Hver 25. driftstime |
|
| Hver 50. driftstime |
|
| Hver 100. driftstime |
|
Rengjøre dekselskjermen
| Vedlikeholdsintervall | Vedlikeholdsprosedyre |
|---|---|
| For hver bruk eller daglig |
|
Skjermene må rengjøres før bruk. I vått gress må de rengjøres oftere.
-
Deaktiver kraftuttaket og sett på parkeringsbremsen.
-
Før du forlater førerplassen, må du stanse motoren, ta ut nøkkelen og vente til alle bevegelige deler står stille.
-
Åpne oppsamlerdekselet.
-
Fjern rusk fra skjermen.
-
Steng oppsamlerdekselet.
Rengjøre oppsamler og poser
| Vedlikeholdsintervall | Vedlikeholdsprosedyre |
|---|---|
| For hver bruk eller daglig |
|
Oppsamleren må rengjøres daglig.
-
Vask inn- og utsiden av oppsamlerdekselet, poser, rør og klippeenhetens underside. Bruk et mildt rengjøringsmiddel for biler på smuss.
-
Påse at du fjerner gresstufser fra alle deler.
-
La delene tørke godt etter vask.
Note: Når alle delene er montert, slår du på maskinen i ett minutt for at tørkingen skal gå raskere.
Inspisere vifteremmen
| Vedlikeholdsintervall | Vedlikeholdsprosedyre |
|---|---|
| Etter de 8 første timene |
|
| Hver 25. driftstime |
|
Kontroller at remmene ikke har sprekker, frynsete kanter, brennmerker eller annen skade. Skift ut ødelagte remmer.
Skifte vifteremmen for 153 cm og 183 cm maskiner
-
Koble fra kraftuttaket, flytt bevegelseskontrollspakene til den NøYTRALE LåSESTILLINGEN, og sett på parkeringsbremsen.
-
Før du forlater førerplassen må du slå av motoren, ta ut nøkkelen og vente til alle bevegelige deler står stille.
-
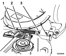
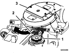
Trekk den fjærbelastede lederullen bakover slik at remspenningen løsner (Figur 42).
-
Fjern først eksisterende oppsamlerrem fra remskiven på klippeenheten og deretter vifteremskivene.
-
Monter den nye remmen rundt vifteremskivene og remskiven på gressklipperen (Figur 42).

-
Monter fjæren som vist i Figur 43.

-
Skyv den fjærbelastede lederullen bakover, og fest remmen til den fjærbelastede lederullen (Figur 42).
Skifte vifterem på 122 cm og 132 cm maskiner
-
Koble fra kraftuttaket, flytt bevegelseskontrollspakene til den NøYTRALE LåSESTILLINGEN, og sett på parkeringsbremsen.
-
Før du forlater førerplassen må du slå av motoren, ta ut nøkkelen og vente til alle bevegelige deler står stille.
-
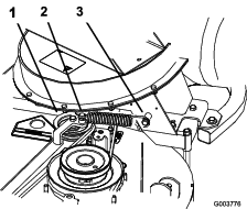
Løsne remførerbolten (Figur 44).
-
Fjern den eksisterende vifteremmen.
-
Fest den nye remmen rundt vifteremskiven (Figur 44).
-
Monter beltet mellom den faste lederullarmen og remførerbolten.
-
Stram remførerbolten (Figur 44).

-
Monter fjæren som vist i Figur 45.

-
Monter remmen på den fjærbelastede lederullen (Figur 44).
Kontrollere og justere viftelåsen
Steng vifteenheten for å se om låsene er riktig justert. Løsne eller stram boltene slik at låsene holder vifteenheten stramt mot klippeenheten, men at den fremdeles kan frigjøres manuelt.

Smøre lederullarmen
| Vedlikeholdsintervall | Vedlikeholdsprosedyre |
|---|---|
| Hver 50. driftstime |
|
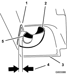
Smør oppsamlerremmens lederullarm (Figur 47) hver 50. time.

Inspisere oppsamleren
| Vedlikeholdsintervall | Vedlikeholdsprosedyre |
|---|---|
| Etter de 8 første timene |
|
| Hver 100. driftstime |
|
-
Koble fra kraftuttaket, flytt bevegelseskontrollspakene til den NøYTRALE LåSESTILLINGEN, og sett på parkeringsbremsen.
-
Før du forlater førerplassen må du slå av motoren, ta ut nøkkelen og vente til alle bevegelige deler står stille.
-
Kontroller øvre rør, nedre rør, oppsamlerdeksel og vifteenheten. Skift ut disse delene hvis de er sprukne eller ødelagte.
-
Kontroller poser, oppsamlerramme og skjerm. Erstatt deler som er sprukket eller ødelagt.
-
Stram alle løse skruer, bolter og muttere.
Undersøke knivbladene
-
Inspiser knivbladene regelmessig og hver gang en kniv treffer en gjenstand.
-
Monter nye kniver hvis knivene er svært slitt eller skadet. Se i maskinens brukerhåndbok for mer informasjon om vedlikehold av knivene.
Montere gressklipperkniver
I de fleste tilfeller er det standard kniver for klipping av høyt gress som gir best ytelse av oppsamler.
Toro Atomic-kniven anbefales for oppsamling av løv under tørre forhold. På tørre, støvete områder er det bedre å bruke kniver med middels eller lav høyde, da disse reduserer mengden støv og smuss som blåser ut, samtidig som de gir effektiv luftstrømning.
Ta kontakt med en autorisert forhandler hvis du lurer på hvilke kniver som egner seg best.
Se maskinens brukerhåndbok for mer informasjon om montering av knivene.
Skifte gressavlederen
Advarsel
En utildekket utslippsåpning kan føre til at gressklipperen slynger objekter mot deg eller andre i nærheten, noe som kan resultere i alvorlig skade. Det kan også oppstå kontakt med kniven.
-
Du må aldri bruke gressklipperen uten at du har montert en dekkplate, kvernplate eller en gressutløpssjakt og -oppsamler.
-
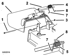
Påse at gressavlederen er i den nedre stillingen.
-
Fjern låsemutteren, bolten, fjæren og avstandsstykket som holder avlederen festet til svingboltbrakettene (Figur 48).
-
Fjern den skadde eller slitte gressavlederen.
-
Plasser avstandsstykket og fjæren opp på gressavlederen. Plasser L-enden av fjæren bak kanten på enheten.
Note: Påse at L-enden av fjæren er montert bak enhetskanten før du monterer bolten som vist i Figur 48
-
Monter bolt og mutter.
-
Plasser J-krokenden av fjæren rundt gressavlederen (Figur 48).
Important: Gressavlederen må kunne senkes ned i den nedre stillingen. Løft avlederen for å teste at den kan senkes ned til den nederste stillingen.
















































