Underhåll
Rekommenderat underhåll
| Underhållsintervall | Underhållsförfarande |
|---|---|
| Efter de första 8 timmarna |
|
| Varje användning eller dagligen |
|
| Var 25:e timme |
|
| Var 50:e timme |
|
| Var 100:e timme |
|
Rengöra huvskärmen
| Underhållsintervall | Underhållsförfarande |
|---|---|
| Varje användning eller dagligen |
|
Skärmarna måste rengöras före varje användning. Om du klipper vått gräs behöver de rengöras oftare.
-
Koppla ur kraftuttaget (PTO) och dra åt parkeringsbromsen.
-
Stäng av motorn, ta ut nyckeln och vänta tills alla rörliga delar har stannat innan du lämnar förarplatsen.
-
Öppna uppsamlarhuven.
-
Ta bort skräpet från skärmen.
-
Stäng uppsamlarhuven.
Rengöra uppsamlaren och påsarna
| Underhållsintervall | Underhållsförfarande |
|---|---|
| Varje användning eller dagligen |
|
Uppsamlaren måste rengöras dagligen.
-
Tvätta uppsamlarhuvens insida och utsida, påsar, rör och klippdäckets undersida. Använd ett milt fordonstvättmedel för att avlägsna smuts.
-
Se till att du får bort allt ihopklumpat gräs från alla delar.
-
Låt samtliga delar torka ordentligt efter rengöring.
Note: Starta och kör maskinen i en minut för att påskynda torkningen när du har monterat alla delar.
Kontrollera blåsarremmen
| Underhållsintervall | Underhållsförfarande |
|---|---|
| Efter de första 8 timmarna |
|
| Var 25:e timme |
|
Kontrollera att remmarna inte är spruckna eller har fransiga kanter, brännmärken eller andra skador. Byt ut skadade remmar.
Byta ut blåsarremmen på 153 och 183 cm breda maskiner
-
Koppla ur kraftuttaget, för rörelsereglagespakarna till det NEUTRALA LåSLäGET och koppla in parkeringsbromsen.
-
Stäng av motorn, ta ut nyckeln och vänta tills alla rörliga delar har stannat innan du kliver ur förarsätet.
-
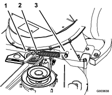
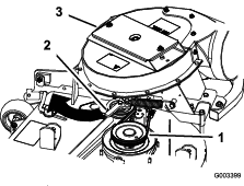
Dra den fjäderbelastade mellanremskivan bakåt för att minska remspänningen (Figur 42).
-
Ta bort den befintliga uppsamlarremmen från klippdäcksskivan och sedan från blåsarremskivorna.
-
Montera den nya remmen runt blåsarremskivorna och klippdäcksskivan (Figur 42).

-
Montera fjädern enligt Figur 43.

-
Dra den fjäderbelastade remskivan bakåt och montera remmen på den (Figur 42).
Byta ut blåsarremmen på 122 och 132 cm breda maskiner
-
Koppla ur kraftuttaget, för rörelsereglagespakarna till det NEUTRALA LåSLäGET och koppla in parkeringsbromsen.
-
Stäng av motorn, ta ut nyckeln och vänta tills alla rörliga delar har stannat innan du kliver ur förarsätet.
-
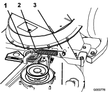
Lossa på remstyrningens skruv (Figur 44).
-
Ta bort den befintliga blåsarremmen.
-
Montera den nya remmen runt blåsarremskivan (Figur 44).
-
Montera remmen mellan den fasta mellanremskivan och remstyrningens skruv.
-
Dra åt remstyrningens skruv (Figur 44).

-
Montera fjädern enligt Figur 45.

-
Montera remmen på den fjäderbelastade mellanremskivan (Figur 44).
Kontrollera och justera blåsarens spärr
Stäng blåsarenheten för att se att spärrarna har justerats korrekt. Lossa eller dra åt skruvarna så att spärrarna håller fast blåsarenheten ordentligt mot klippdäcket, men ändå kan lossas manuellt.

Smörja mellandrevsarmen
| Underhållsintervall | Underhållsförfarande |
|---|---|
| Var 50:e timme |
|
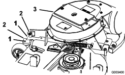
Smörj uppsamlarens mellandrevsarm (Figur 47) var 50:e arbetstimme.

Kontrollera uppsamlaren
| Underhållsintervall | Underhållsförfarande |
|---|---|
| Efter de första 8 timmarna |
|
| Var 100:e timme |
|
-
Koppla ur kraftuttaget, för rörelsereglagespakarna till det NEUTRALA LåSLäGET och koppla in parkeringsbromsen.
-
Stäng av motorn, ta ut nyckeln och vänta tills alla rörliga delar har stannat innan du kliver ur förarsätet.
-
Kontrollera det övre och nedre röret, uppsamlarhuven och blåsarenheten. Byt ut dessa delar om de är spruckna eller trasiga.
-
Kontrollera påsarna, uppsamlarramen och skärmen. Ersätt spruckna eller trasiga delar.
-
Dra åt alla skruvar och muttrar.
Kontrollera gräsklipparknivarna
-
Kontrollera gräsklipparknivarna regelbundet samt om en kniv slår emot någonting.
-
Om knivarna är slitna eller skadade ska nya knivar monteras. Se maskinens bruksanvisning för fullständigt underhållsförfarande för knivar.
Montera klipparknivarna
I de flesta fall ger vanliga höglyftsknivar bäst uppsamlingsresultat.
Toro Atomic-kniven rekommenderas för uppsamling av torra löv. Vid torra och dammiga arbetsförhållanden minskar mellanlyfts- och låglyftsknivarna utblås av damm och smuts samtidigt som ett effektivt uppsamlingsluftflöde erhålls.
Kontakta en auktoriserad återförsäljare för att få rätt sorts knivar för olika klippförhållanden.
Mer information om montering av knivar finns i maskinens bruksanvisning.
Byta ut gräsriktaren
Varning
Om utkastaröppningen inte är täckt kan gräsklipparen slunga ut föremål i riktning mot föraren eller kringstående och därmed orsaka allvarliga skador. Det skulle också kunna medföra kontakt med knivarna.
-
Kör aldrig gräsklipparen utan en täckplåt, mullplåt eller gräsutkastare och gräsuppsamlare.
-
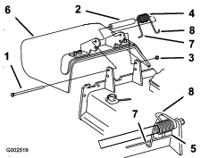
Se till att gräsriktaren är i nedfällt läge.
-
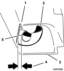
Ta bort låsmuttern, bulten, fjädern och distansbrickan som håller fast gräsriktaren på tappfästena (Figur 48).
-
Demontera den skadade eller slitna gräsriktaren.
-
Sätt distansbrickan och fjädern på gräsriktaren. Placera fjäderns L-formade ände bakom däckkanten.
Note: Se till att fjäderns L-formade ände sitter bakom däckkanten innan du monterar skruven enligt Figur 48.
-
Montera bulten och muttern.
-
Placera fjäderns J-formade ände runt gräsriktaren (Figur 48).
Important: Det måste gå att sänka ned gräsriktaren i sitt läge. Lyft upp riktaren för att kontrollera att den går ned helt.
















































