Onderhoud
Aanbevolen onderhoudsschema
| Onderhoudsinterval | Onderhoudsprocedure |
|---|---|
| Na de eerste 8 bedrijfsuren |
|
| Na de eerste 100 bedrijfsuren |
|
| Bij elk gebruik of dagelijks |
|
| Om de 25 bedrijfsuren |
|
| Om de 50 bedrijfsuren |
|
| Om de 100 bedrijfsuren |
|
Het grasvangerscherm reinigen
| Onderhoudsinterval | Onderhoudsprocedure |
|---|---|
| Bij elk gebruik of dagelijks |
|
Reinig het scherm voor elk gebruik (en vaker bij nat gras).
-
Schakel de aftakas uit en stel de parkeerrem in werking.
-
Zet de motor af, verwijder het contactsleuteltje en wacht totdat alle bewegende onderdelen tot stilstand zijn gekomen voordat u de bestuurderspositie verlaat.
-
Open de grasvanger.
-
Verwijder het vuil van het scherm.
-
Sluit de grasvanger.
Het opvangsysteem reinigen
| Onderhoudsinterval | Onderhoudsprocedure |
|---|---|
| Bij elk gebruik of dagelijks |
|
-
Reinig de binnenzijde en buitenzijde van de kap van de grasvanger, de buis en de onderzijde van het maaidek. Gebruik een mild reinigingsmiddel voor auto's om vuil te verwijderen.
-
Let erop dat u aangekoekt gras van alle onderdelen verwijdert.
-
Laat alle onderdelen na het reinigen grondig drogen.
Note: Nadat alle onderdelen gemonteerd zijn, kunt u de machine starten en een minuut laten lopen om de machine sneller te laten drogen.
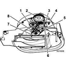
De riem van de blazer inspecteren
| Onderhoudsinterval | Onderhoudsprocedure |
|---|---|
| Na de eerste 8 bedrijfsuren |
|
| Om de 25 bedrijfsuren |
|
Controleer de riemen op scheuren, gerafelde randen, schroeiplekken of andere schade. Vervang beschadigde riemen.
De blazerriem vervangen bij maaiers van 152 cm en 183 cm
-
Schakel de aftakas uit, zet de rijhendels in de VERGRENDELDE NEUTRAALSTAND en stel de parkeerrem in werking.
-
Zet de motor af, verwijder het contactsleuteltje en wacht totdat alle bewegende onderdelen tot stilstand zijn gekomen voordat u de bestuurderspositie verlaat.
-
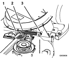
Trek aan de veerbelaste spanpoelie om de riemspanning te verminderen (Figuur 40).
-
Verwijder de bestaande riem van de grasvanger van de maaidekpoelie en vervolgens van de blazerpoelies.
-
Plaats de nieuwe riem rond de blazerpoelies en de maaidekpoelie (Figuur 40).

-
Bevestig de veer zoals wordt getoond in Figuur 41.

-
Trek de veerbelaste spanpoelie terug en plaats de riem op de veerbelaste spanpoelie (Figuur 40).
De blazerriem vervangen bij maaiers van 122 cm en 132 cm
-
Schakel de aftakas uit, zet de rijhendels in de VERGRENDELDE NEUTRAALSTAND en stel de parkeerrem in werking.
-
Zet de motor af, verwijder het contactsleuteltje en wacht totdat alle bewegende onderdelen tot stilstand zijn gekomen voordat u de bestuurderspositie verlaat.
-
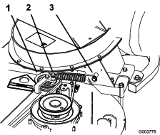
Draai de bout van de riemgeleider los (Figuur 42).
-
Verwijder de bestaande blazerriem.
-
Leg de nieuwe riem rond de poelie van de blazer (Figuur 42).
-
Monteer de riem tussen de vaste spanpoelie en de riemgeleiderbout.
-
Draai de bout van de riemgeleider vast (Figuur 42).

-
Bevestig de veer zoals wordt getoond in Figuur 43.

-
Monteer de riem op de veerbelaste spanpoelie (Figuur 42).
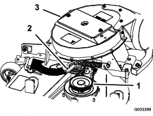
De vergrendeling van de blazer controleren en aanpassen
Sluit de blazer om te kijken of de vergrendelingen juist zijn aangepast. Draai de bouten vaster of losser zodat de vergrendelingen de blazer stevig tegen het maaidek houden, maar deze nog wel met de hand kan worden losgemaakt.

Arm van de spanpoelie en draaipunt van de handgreep smeren
Het opvangsysteem inspecteren
| Onderhoudsinterval | Onderhoudsprocedure |
|---|---|
| Na de eerste 8 bedrijfsuren |
|
| Om de 100 bedrijfsuren |
|
-
Schakel de aftakas uit, zet de rijhendels in de VERGRENDELDE NEUTRAALSTAND en stel de parkeerrem in werking.
-
Zet de motor af, verwijder het contactsleuteltje en wacht totdat alle bewegende onderdelen tot stilstand zijn gekomen voordat u de bestuurderspositie verlaat.
-
Controleer de bovenste buis, onderste buis, grasvanger en blazer.
Note: Vervang deze onderdelen als zij gebarsten of gebroken zijn.
-
Controleer het frame van de grasvanger.
Note: Vervang onderdelen die gebarsten of gebroken zijn.
-
Draai alle moeren, bouten en schroeven goed aan.
Instellen van de gesloten klep bij maaiers van 152 cm en 183 cm
-
Schakel de aftakas uit, zet de rijhendels in de VERGRENDELDE NEUTRAALSTAND en stel de parkeerrem in werking.
-
Zet de motor af, verwijder het contactsleuteltje en wacht totdat alle bewegende onderdelen tot stilstand zijn gekomen voordat u de bestuurderspositie verlaat.
-
Met de klep gesloten: draai de moeren los, stel de aanslagbouten zo in dat de contactarm recht naar boven en beneden loopt (Figuur 47).
-
Stel de lengte van de scharnierdelen zo in dat de klep geheel sluit met een redelijke kracht op de handgreep (Figuur 47).
Note: Maak de scharnieren langer om de kracht te verminderen. Maak de scharnieren korter om de kracht te vergroten.
Note: Zorg ervoor dat de linkerzijde en de rechterzijde op dezelfde afstand zijn ingesteld. Als de klep is gesloten, moeten de scharnieren redelijk strak zitten om rammelen te voorkomen.
-
Draai de moeren vast.

Instellen van de open klep bij maaiers van 152 cm en 183 cm
Note: Voer deze instelling uit nadat de klep is ingesteld zodat deze geheel sluit.
Stel de koppeling van de handgreep zo in dat de klep zo ver mogelijk opent (Figuur 48 en Figuur 49).
Note: Verleng de koppeling van de handgreep om de klep verder te kunnen openen. Verkort de koppeling van de handgreep om de klep minder ver te kunnen openen
Note: De opening hangt af van het moment waarop de contactarm de aanslag raakt. De aanslag kan niet worden versteld en voorkomt dat de klep te ver wordt geopend.


Instellen van de vergrendelingen bij maaiers van 152 cm en 183 cm
Note: Stel eerst de posities van de open en gesloten klep in, steel de vergrendelingen pas daarna in.
-
Schakel de aftakas uit, zet de rijhendels in de VERGRENDELDE NEUTRAALSTAND en stel de parkeerrem in werking.
-
Zet de motor af, verwijder het contactsleuteltje en wacht totdat alle bewegende onderdelen tot stilstand zijn gekomen voordat u de bestuurderspositie verlaat.
-
Sluit de klep.
-
Controleer of de vergrendelingen volledig ingrijpen en contact maken met de vergrendelstang die op de klep is gelast (Figuur 50).
Note: De vergrendelingen moeten strak tegen de vergrendelstang drukken. Ze moeten los genoeg zitten on te kunnen bewegen.

Instellen van de arm bij maaiers van 122 cm en 132 cm
Om goed te functioneren moeten de linker en rechter tuimelaar-armen gelijk worden geplaatst t.o.v. de bovenste framebuis.
-
Schakel de aftakas uit, zet de rijhendels in de VERGRENDELDE NEUTRAALSTAND en stel de parkeerrem in werking.
-
Zet de motor af, verwijder het contactsleuteltje en wacht totdat alle bewegende onderdelen tot stilstand zijn gekomen voordat u de bestuurderspositie verlaat.
-
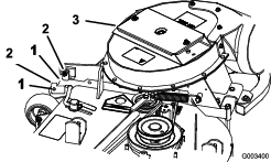
Verwijder de zijplaat van beide zijden van de grasvanger (Figuur 51).

-
Meet de afstand tussen de linker en rechter tuimelaars en de bovenste framebuis.
Note: Deze afstand moet hetzelfde zijn aan beide zijden.
-
Om deze gelijk in te stellen moet u de inbusbout op de naaf van de rechter tuimelaar losdraaien (Figuur 52).
-
Plaats de tuimelaar-armen op dezelfde afstand van de bovenste framebuis.
-
Draai de inbusbout vast en monteer de zijplaten.

Instellen van de gesloten klep bij maaiers van 48 cm en 52 cm
-
Schakel de aftakas uit, zet de rijhendels in de VERGRENDELDE NEUTRAALSTAND en stel de parkeerrem in werking.
-
Zet de motor af, verwijder het contactsleuteltje en wacht totdat alle bewegende onderdelen tot stilstand zijn gekomen voordat u de bestuurderspositie verlaat.
-
Controleer terwijl de klep gesloten is of deze goed strak tegen het frame ligt.
-
Als dit versteld moet worden, verdraait u de moeren.
Note: Maak de scharnieren langer om de kracht te verminderen. Maak de scharnieren korter om de kracht te laten toenemen.
Note: Zorg ervoor dat de linkerzijde en de rechterzijde op dezelfde afstand zijn ingesteld. Als de klep is gesloten, moeten de scharnieren redelijk strak zitten om rammelen te voorkomen.
-
Draai de moeren vast.

Instellen van de open klep bij maaiers van 48 cm en 52 cm
Doe dit na het instellen van de gesloten klep.
-
Verwijder de zijplaat van beide zijden van de grasvanger (Figuur 54).

-
Open de klep.
-
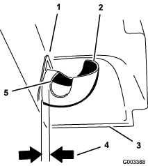
Controleer de afstand tussen de bovenste buis van het klepframe en de onderste lip van de kap (Figuur 55).
Note: De afstand moet 3,2 mm tot 9,6 mm bedragen.

-
Indien dit bijgesteld moet worden: verstel de scharnieraanslagen aan beide zijden zodat de afstand tussen de bovenste buis van het klepframe en de onderste lip van de kap tussen de 3,2 mm en 9,6 mm bedraagt.
Note: Zorg ervoor dat de aanslagen aan de linkerzijde en de rechterzijde op dezelfde afstand zijn ingesteld.
-
Draai de moeren vast en bevestig de zijplaten.

De parkeerrem afstellen
| Onderhoudsinterval | Onderhoudsprocedure |
|---|---|
| Na de eerste 100 bedrijfsuren |
|
Zie de Gebruikershandleiding van de machine voor het afstellen van de parkeerrem.
De maaimessen controleren
-
Controleer de maaimessen regelmatig, en altijd als het mes een vreemd voorwerp heeft geraakt.
-
Als de messen sterk zijn versleten of beschadigd, moet u nieuwe messen monteren. Raadpleeg de Gebruikershandleiding van de maaimachine voor het volledige onderhoud van de messen.
Maaimessen monteren
Onder de meeste maaiomstandigheden bieden de standaardmessen met een hoge vleugel (High Lift) de beste grasvangresultaten.
Het Toro Atomic-mes wordt aanbevolen voor het opvangen van bladeren in droge omstandigheden. Als het droog is, met veel stof, verminderen Medium Lift of Low Lift maaimessen de hoeveelheid stof en aarde die wordt rondgeblazen, terwijl de luchtstroom voldoende blijft voor de goede werking van de grasvanger.
Neem contact op met een erkende servicedealer voor informatie over de juiste messen in verschillende maaiomstandigheden.
Raadpleeg de Gebruikershandleiding van de maaier voor meer informatie over het monteren van de messen.
Grasgeleider monteren
Waarschuwing
Als de uitworpopening niet afgedekt is, kan de maaimachine voorwerpen uitwerpen naar u of naar anderen; dit kan ernstig letsel veroorzaken. Daarnaast kunt u ook in contact komen met het mes.
-
Gebruik de maaimachine nooit zonder afdekplaat, mulchplaat of een graskanaal en een grasvanger.
-
Controleer of de grasgeleider omlaag staat.
-
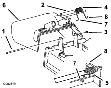
Verwijder de borgmoer, bout, veer en het afstandsstuk waarmee de bevestigingen van de grasgeleider vastzitten op de draaibeugels (Figuur 57).
-
Verwijder een beschadigde of versleten grasgeleider.
-
Plaats een afstandsstuk en de veer op de grasgeleider.
Note: Plaats het L-vormige eind van de veer achter de rand van het maaidek.
Note: Zorg ervoor dat het L-vormige eind van de veer is gemonteerd achter de rand van het maaidek voordat u de bout plaatst zoals wordt aangegeven in Figuur 57
-
Monteer de bout en de moer.
-
Plaats het J-vormige haakuiteinde van de veer om de grasgeleider (Figuur 57).
Important: De grasgeleider moet volledig omlaag kunnen klappen. Til de grasgeleider omhoog om te controleren of deze volledig omlaag klapt.


















































