Entretien
Programme d'entretien recommandé
| Périodicité d'entretien | Procédure d'entretien |
|---|---|
| Après les 8 premières heures de fonctionnement |
|
| Après les 100 premières heures de fonctionnement |
|
| À chaque utilisation ou une fois par jour |
|
| Toutes les 25 heures |
|
| Toutes les 50 heures |
|
| Toutes les 100 heures |
|
Nettoyage du filtre du système de ramassage
| Périodicité d'entretien | Procédure d'entretien |
|---|---|
| À chaque utilisation ou une fois par jour |
|
Nettoyez la grille avant chaque utilisation (plus fréquemment si l'herbe est humide).
-
Désengagez la prise de force (PDF) et serrez le frein de stationnement.
-
Avant de quitter la position de conduite, coupez le moteur, retirez la clé de contact et attendez l'arrêt de toutes les pièces mobiles.
-
Ouvrez le système de ramassage.
-
Nettoyez les débris éventuellement accumulés sur la grille.
-
Fermez le système de ramassage.
Nettoyage du système de ramassage
| Périodicité d'entretien | Procédure d'entretien |
|---|---|
| À chaque utilisation ou une fois par jour |
|
-
Lavez l'intérieur et l'extérieur du capot du système de ramassage, des tubes ainsi que le dessous du plateau de coupe. Utilisez un détergent automobile doux pour éliminer les saletés.
-
Veillez à bien débarrasser toutes les pièces de l'herbe agglomérée.
-
Après avoir lavé toutes les pièces, laissez-les complètement sécher.
Note: Une fois toutes les pièces remises en place, mettez le moteur en marche et laissez-le tourner pendant une minute pour aider au séchage.
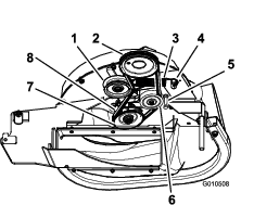
Contrôle de la courroie du ventilateur
| Périodicité d'entretien | Procédure d'entretien |
|---|---|
| Après les 8 premières heures de fonctionnement |
|
| Toutes les 25 heures |
|
Vérifiez si les courroies sont fissurées, présentent des bords effilochés, des traces de brûlures ou d'autres dommages. Remplacez les courroies endommagées.
Remplacement de la courroie de ventilateur sur les tondeuses de 152 et 183 cm
-
Désengagez la PDF, amenez les leviers de commande de déplacement à la position de VERROUILLAGE AU POINT MORT et serrez le frein de stationnement.
-
Avant de quitter la position d'utilisation, coupez le moteur, enlevez la clé de contact et attendez l'arrêt complet de toutes les pièces mobiles.
-
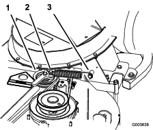
Tirez sur la poulie de tension rappelée par ressort pour détendre la courroie (Figure 40).
-
Retirez la courroie existante du système de ramassage sur la poulie du plateau de coupe puis les poulies de ventilateur.
-
Montez la nouvelle courroie autour des poulies du ventilateur et de la poulie du plateau de coupe (Figure 40).

-
Montez le ressort comme montré à la Figure 41.

-
Tirez en arrière la poulie de tension rappelée par ressort et chaussez la courroie dessus (Figure 40).
Remplacement de la courroie de ventilateur sur les tondeuses de 122 et 132 cm
-
Désengagez la PDF, amenez les leviers de commande de déplacement à la position de VERROUILLAGE AU POINT MORT et serrez le frein de stationnement.
-
Avant de quitter la position d'utilisation, coupez le moteur, enlevez la clé de contact et attendez l'arrêt complet de toutes les pièces mobiles.
-
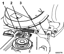
Desserrez le boulon du guide-courroie (Figure 42).
-
Retirez la courroie de ventilateur existante.
-
Faites passer la courroie neuve autour de la poulie de ventilateur (Figure 42).
-
Montez la courroie entre la poulie de tension fixe et le boulon du guide-courroie.
-
Serrez le boulon du guide-courroie (Figure 42).

-
Montez le ressort comme montré à la Figure 43.

-
Placez la courroie sur la poulie de tension rappelée par ressort (Figure 42).
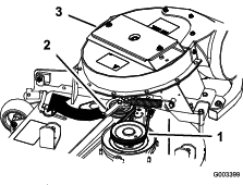
Contrôle et réglage du verrou du ventilateur
Fermez le ventilateur pour vérifier que les verrous sont réglés correctement. Desserrez ou serrez les boulons de sorte que les verrous maintiennent le ventilateur fermement appuyé contre le plateau de coupe, mais puissent néanmoins être déverrouillés à la main.

Graissage du bras de poulie de tension et du pivot de poignée
| Périodicité d'entretien | Procédure d'entretien |
|---|---|
| Toutes les 50 heures |
|
| Toutes les 100 heures |
|
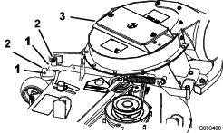
Graissez le bras de la poulie de tension du ventilateur (Figure 45).

Sur les tondeuses de 152 et 183 cm, graissez le pivot de poignée (Figure 46).

Contrôle du système de ramassage
| Périodicité d'entretien | Procédure d'entretien |
|---|---|
| Après les 8 premières heures de fonctionnement |
|
| Toutes les 100 heures |
|
-
Désengagez la PDF, amenez les leviers de commande de déplacement à la position de VERROUILLAGE AU POINT MORT et serrez le frein de stationnement.
-
Avant de quitter la position d'utilisation, coupez le moteur, enlevez la clé de contact et attendez l'arrêt complet de toutes les pièces mobiles.
-
Contrôlez le tube supérieur, le tube inférieur, le système de ramassage et le ventilateur.
Note: Remplacez-les s'ils sont fendus ou cassés.
-
Contrôlez le cadre du système de ramassage.
Note: Remplacez les pièces fissurées ou cassées.
-
Serrez tous les écrous, boulons et vis.
Réglage du volet fermé – tondeuses de 152 cm et 183 cm
-
Désengagez la PDF, amenez les leviers de commande de déplacement à la position de VERROUILLAGE AU POINT MORT et serrez le frein de stationnement.
-
Avant de quitter la position d'utilisation, coupez le moteur, enlevez la clé de contact et attendez l'arrêt complet de toutes les pièces mobiles.
-
Le volet étant fermé, desserrez les écrous et ajustez les boulons d'arrêt de sorte que le bras de contact soit droit et vertical (Figure 47).
-
Réglez la longueur des biellettes d'articulation pour assurer la fermeture complète du volet et qu'une force raisonnable soit exercée sur la poignée (Figure 47)
Note: Allongez les biellettes pour réduire la force. Raccourcissez les biellettes pour augmenter la force nécessaire.
Note: Les côtés droit et gauche doivent être réglés à la même distance. Lorsque le volet est fermé, les biellettes doivent être légèrement serrées pour minimiser les vibrations.
-
Resserrez les écrous.

Réglage du volet ouvert – tondeuses de 152 cm et 183 cm
Note: Effectuez cette procédure après avoir réglé le volet pour qu'il se ferme complètement.
Réglez la biellette de la poignée pour permettre l'ouverture maximale du volet (Figure 48 et Figure 49).
Note: Allongez la biellette pour augmenter l'ouverture du volet. Raccourcissez la biellette pour réduire l'ouverture du volet.
Note: L'ouverture maximale du volet est contrôlée par le bras de contact qui vient heurter la butée. La butée n'est pas réglable et empêche l'ouverture excessive de la porte.


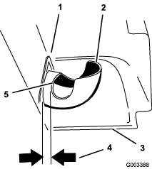
Réglage des verrous – tondeuses de 152 cm et 183 cm
Note: Réglez les positions d'ouverture et de fermeture du volet avant de régler les verrous.
-
Désengagez la PDF, amenez les leviers de commande de déplacement à la position de VERROUILLAGE AU POINT MORT et serrez le frein de stationnement.
-
Avant de quitter la position d'utilisation, coupez le moteur, enlevez la clé de contact et attendez l'arrêt complet de toutes les pièces mobiles.
-
Fermez la porte.
-
Vérifiez que les verrous sont complètement engagés et touchent la tige de verrouillage soudée sur le volet (Figure 50).
Note: Les verrous doivent être tout contre la tige de verrouillage. Ils doivent avoir suffisamment de jeu pour bouger.

Réglage de la position du bras – tondeuses de 122 cm et 132 cm
Pour assurer un fonctionnement correct, les leviers coudés droit et gauche doivent être à la même position par rapport au tube supérieur du bâti.
-
Désengagez la PDF, amenez les leviers de commande de déplacement à la position de VERROUILLAGE AU POINT MORT et serrez le frein de stationnement.
-
Avant de quitter la position d'utilisation, coupez le moteur, enlevez la clé de contact et attendez l'arrêt complet de toutes les pièces mobiles.
-
Enlevez la plaque latérale de chaque côté du système de ramassage (Figure 51).

-
Vérifiez la distance entre les leviers coudés droit et gauche et le tube supérieur du bâti.
Note: Elle doit être identique des deux côtés.
-
Si ce n'est pas le cas, desserrez la vis Allen sur le moyeu du levier droit (Figure 52).
-
Positionnez les leviers à distance égale du tube supérieur du bâti.
-
Serrez la vis Allen et posez les plaques latérales.

Réglage du volet fermé – tondeuses de 122 cm et 132 cm
-
Désengagez la PDF, amenez les leviers de commande de déplacement à la position de VERROUILLAGE AU POINT MORT et serrez le frein de stationnement.
-
Avant de quitter la position d'utilisation, coupez le moteur, enlevez la clé de contact et attendez l'arrêt complet de toutes les pièces mobiles.
-
Le volet étant fermé, vérifiez qu'il est légèrement appuyé contre le cadre.
-
Ajustez le serrage des écrous si un réglage est nécessaire.
Note: Allongez les biellettes pour réduire la force. Raccourcissez les biellettes pour augmenter la force.
Note: Les côtés droit et gauche doivent être réglés à la même distance. Lorsque le volet est fermé, les biellettes doivent être légèrement serrées pour minimiser les vibrations.
-
Resserrez les écrous.

Réglage du volet ouvert – tondeuses de 122 cm et 132 cm
Effectuez cette procédure après avoir réglé le volet fermé.
-
Enlevez la plaque latérale de chaque côté du système de ramassage (Figure 54).

-
Ouvrez le volet.
-
Vérifiez la distance entre le tube supérieur du cadre du volet et le bord inférieur du capot moulé (Figure 55).
Note: La distance doit être comprise entre 3,2 mm et 9,6 mm

-
Si un réglage est nécessaire, ajustez les butées d'articulation de chaque côté pour obtenir une distance de 3,2 à 9,6 mm entre le tube supérieur du cadre de volet et le bord inférieur du capot moulé.
Note: Les butées d'articulation droite et gauche doivent être réglées à la même distance.
-
Serrez les écrous et posez les plaques latérales.

Réglage du frein de stationnement
| Périodicité d'entretien | Procédure d'entretien |
|---|---|
| Après les 100 premières heures de fonctionnement |
|
Reportez-vous au Manuel de l'utilisateur de la machine pour la procédure de réglage du frein de stationnement.
Contrôle des lames de coupe
-
Examinez les lames régulièrement, ainsi qu'après avoir heurté un obstacle.
-
Remplacez les lames si elles sont très usées ou endommagées. Pour la procédure complète d'entretien des lames, reportez-vous au Manuel de l'utilisateur de la tondeuse.
Montage des lames du plateau de coupe
Dans la plupart des conditions de tonte, les lames standard « haute levée » offrent les meilleures performances de ramassage.
La lame Toro Atomic est recommandée pour le ramassage des feuilles sèches. Dans des conditions sèches et poussiéreuses, les lames « moyenne levée » ou « basse levée » produisent moins de poussière et de saleté tout en assurant un débit d'air suffisant pour un ramassage efficace.
Renseignez-vous auprès d'un concessionnaire-réparateur agréé pour connaître les lames qui conviennent aux différentes conditions de tonte.
Pour plus d'informations sur le montage des lames, reportez-vous au Manuel de l'utilisateur de la tondeuse.
Montage du déflecteur d'herbe
Attention
Si l'ouverture d'éjection n'est pas fermée, la tondeuse peut projeter des objets dans votre direction ou celles d'autres personnes et causer des blessures graves ou mortelles. Un contact avec la lame est également possible.
-
N'utilisez jamais la tondeuse sans avoir installé une plaque d'obturation, un déflecteur de mulching ou une goulotte d'éjection et un système de ramassage d'herbe.
-
Vérifiez que le déflecteur d'herbe est abaissé.
-
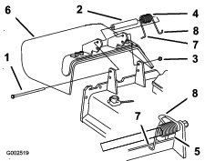
Retirez le contre-écrou, le boulon, le ressort et l'entretoise qui fixent le déflecteur aux supports de pivot (Figure 57).
-
Déposez le déflecteur d'herbe s'il est endommagé ou usé.
-
Placez une entretoise et un ressort sur le déflecteur d'herbe.
Note: L'extrémité en L du ressort doit se trouver derrière le bord du plateau.
Note: Prenez soin de placer l'extrémité en L du ressort derrière le bord du plateau avant de mettre le boulon en place, comme montré à la Figure 57
-
Remettez le boulon et l'écrou en place.
-
Accrochez l'extrémité en J du ressort au déflecteur d'herbe (Figure 57).
Important: Le déflecteur d'herbe doit pouvoir s'abaisser en position. Soulevez le déflecteur pour vérifier qu'il s'abaisse complètement.
















































