Entretien
Programme d'entretien recommandé
| Périodicité d'entretien | Procédure d'entretien |
|---|---|
| Après les 8 premières heures de fonctionnement |
|
| À chaque utilisation ou une fois par jour |
|
| Toutes les 25 heures |
|
| Toutes les 50 heures |
|
| Toutes les 100 heures |
|
Nettoyage de la grille du capot
| Périodicité d'entretien | Procédure d'entretien |
|---|---|
| À chaque utilisation ou une fois par jour |
|
Les grilles doivent être nettoyées avant chaque utilisation. Nettoyez-les plus fréquemment si l'herbe est humide.
-
Désengagez la prise de force (PDF) et serrez le frein de stationnement.
-
Avant de quitter la position d'utilisation, coupez le moteur, retirez la clé de contact et attendez l'arrêt complet de toutes les pièces mobiles.
-
Ouvrez le capot du système de ramassage.
-
Nettoyez les débris éventuellement accumulés sur la grille.
-
Fermez le capot du système de ramassage.
Nettoyage du système de ramassage et des bacs
| Périodicité d'entretien | Procédure d'entretien |
|---|---|
| À chaque utilisation ou une fois par jour |
|
Le système de ramassage doit être nettoyé chaque jour.
-
Lavez l'intérieur et l'extérieur du capot du système de ramassage, des bacs et du tube, ainsi que le dessous du plateau de coupe. Utilisez un détergent automobile doux pour éliminer les saletés.
-
Veillez à bien débarrasser toutes les pièces de l'herbe agglomérée.
-
Après avoir lavé toutes les pièces, laissez-les complètement sécher.
Note: Une fois toutes les pièces remises en place, mettez le moteur en marche et laissez-le tourner pendant une minute pour aider au séchage.
Contrôle de la courroie du ventilateur
| Périodicité d'entretien | Procédure d'entretien |
|---|---|
| Après les 8 premières heures de fonctionnement |
|
| Toutes les 25 heures |
|
Vérifiez si les courroies sont fissurées, présentent des bords effilochés, des traces de brûlures ou d'autres dommages. Remplacez les courroies endommagées.
Remplacement de la courroie de ventilateur sur les tondeuses de 152 et 183 cm
-
Désengagez la PDF, amenez les leviers de commande de déplacement à la position de BLOCAGE DU POINT MORT et serrez le frein de stationnement.
-
Avant de quitter la position d'utilisation, coupez le moteur, retirez la clé et attendez l'arrêt complet de toutes les pièces mobiles.
-
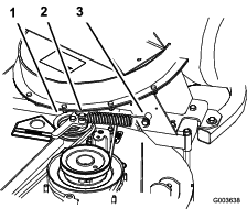
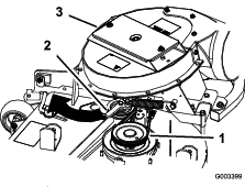
Tirez sur la poulie de tension rappelée par ressort pour détendre la courroie (Figure 41).
-
Retirez la courroie existante du système de ramassage sur la poulie du plateau de coupe puis les poulies de ventilateur.
-
Montez la nouvelle courroie autour des poulies du ventilateur et de la poulie du plateau de coupe (Figure 41).

-
Montez le ressort comme montré à la Figure 42.

-
Tirez en arrière la poulie de tension rappelée par ressort et chaussez la courroie dessus (Figure 41).
Remplacement de la courroie de ventilateur sur les tondeuses de 122 et 132 cm
-
Désengagez la PDF, amenez les leviers de commande de déplacement à la position de BLOCAGE DU POINT MORT et serrez le frein de stationnement.
-
Avant de quitter la position d'utilisation, coupez le moteur, retirez la clé et attendez l'arrêt complet de toutes les pièces mobiles.
-
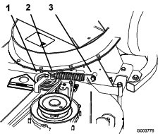
Desserrez le boulon du guide-courroie (Figure 43).
-
Retirez la courroie de ventilateur existante.
-
Faites passer la courroie neuve autour de la poulie de ventilateur (Figure 43).
-
Montez la courroie entre la poulie de tension fixe et le boulon du guide-courroie.
-
Serrez le boulon du guide-courroie (Figure 43).

-
Montez le ressort comme montré à la Figure 44.

-
Placez la courroie sur la poulie de tension rappelée par ressort (Figure 43).
Contrôle et réglage du verrou du ventilateur
Fermez le ventilateur pour vérifier que les verrous sont réglés correctement. Desserrez ou serrez les boulons afin que les verrous maintiennent le ventilateur fermement appuyé contre le plateau de coupe, mais puissent néanmoins être déverrouillés à la main.

Graissage du bras de tension
| Périodicité d'entretien | Procédure d'entretien |
|---|---|
| Toutes les 50 heures |
|
Graissez le bras de tension de la courroie du système de ramassage (Figure 46) toutes les 50 heures.

Contrôle du système de ramassage
| Périodicité d'entretien | Procédure d'entretien |
|---|---|
| Après les 8 premières heures de fonctionnement |
|
| Toutes les 100 heures |
|
-
Désengagez la PDF, amenez les leviers de commande de déplacement à la position de BLOCAGE DU POINT MORT et serrez le frein de stationnement.
-
Avant de quitter la position d'utilisation, coupez le moteur, retirez la clé et attendez l'arrêt complet de toutes les pièces mobiles.
-
Contrôlez le tube supérieur, le tube inférieur, le capot du système de ramassage et le ventilateur. Remplacez-les s'ils sont fendus ou cassés.
-
Contrôlez les bacs, le cadre du système de ramassage et la grille. Remplacez les pièces fissurées ou cassées.
-
Serrez tous les écrous, boulons et vis.
Contrôle des lames de coupe
-
Examinez les lames régulièrement, ainsi qu'après avoir heurté un obstacle.
-
Remplacez les lames si elles sont très usées ou endommagées. Pour la procédure complète d'entretien des lames, reportez-vous au Manuel de l'utilisateur de la machine.
Montage des lames du plateau de coupe
Dans la plupart des conditions de tonte, les lames standard « haute levée » assurent les meilleures performances de ramassage.
La lame Toro Atomic est recommandée pour le ramassage des feuilles sèches. Dans des conditions sèches et poussiéreuses, les lames « moyenne levée » ou « basse levée » produisent moins de poussière et de saleté tout en assurant un débit d'air suffisant pour un ramassage efficace.
Renseignez-vous auprès d'un concessionnaire-réparateur agréé pour connaître les lames qui conviennent aux différentes conditions de tonte.
Pour plus de renseignements sur le montage des lames, reportez-vous au Manuel de l'utilisateur de la machine.
Remplacement du déflecteur d'herbe
Attention
Si l'ouverture d'éjection n'est pas fermée, la tondeuse peut projeter des objets dans votre direction ou celle d'autres personnes et causer des blessures graves. Un contact avec la lame est également possible.
-
N'utilisez jamais la tondeuse sans avoir installé une plaque d'obturation, un déflecteur de mulching ou une goulotte d'éjection et un système de ramassage d'herbe.
-
Vérifiez que le déflecteur d'herbe est abaissé.
-
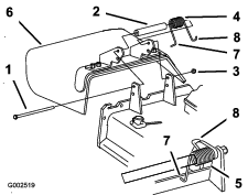
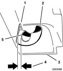
Retirez le contre-écrou, le boulon, le ressort et l'entretoise qui fixent le déflecteur aux supports de pivot (Figure 47).
-
Déposez le déflecteur d'herbe s'il est endommagé ou usé.
-
Placez une entretoise et un ressort sur le déflecteur d'herbe. L'extrémité en L du ressort doit se trouver derrière le bord du plateau.
Note: Prenez soin de placer l'extrémité en L du ressort derrière le bord du plateau avant de mettre le boulon en place, comme montré à la Figure 47.
-
Remettez le boulon et l'écrou en place.
-
Accrochez l'extrémité en J du ressort au déflecteur d'herbe (Figure 47).
Important: Le déflecteur d'herbe doit pouvoir s'abaisser en position. Soulevez le déflecteur pour vérifier qu'il s'abaisse complètement.







































