Wartung
Empfohlener Wartungsplan
| Wartungsintervall | Wartungsmaßnahmen |
|---|---|
| Nach acht Betriebsstunden |
|
| Nach 100 Betriebsstunden |
|
| Bei jeder Verwendung oder täglich |
|
| Alle 25 Betriebsstunden |
|
| Alle 50 Betriebsstunden |
|
| Alle 100 Betriebsstunden |
|
Reinigen des Gitters am Heckfangsystem
| Wartungsintervall | Wartungsmaßnahmen |
|---|---|
| Bei jeder Verwendung oder täglich |
|
Reinigen Sie das Gitter vor jedem Gebrauch (bei nassem Gras öfter).
-
Kuppeln Sie den Zapfwellenantrieb (ZWA) aus und aktivieren Sie die Feststellbremse.
-
Stellen Sie vor dem Verlassen des Fahrersitzes den Motor ab, ziehen Sie den Schlüssel ab und warten Sie, bis alle rotierenden Teile zum Stillstand gekommen sind.
-
Öffnen Sie das Heckfangsystem.
-
Befreien Sie das Gitter von Schmutz.
-
Schließen Sie das Heckfangsystem.
Reinigen des Heckfangsystems
| Wartungsintervall | Wartungsmaßnahmen |
|---|---|
| Bei jeder Verwendung oder täglich |
|
-
Waschen Sie die Heckfangsystemhaube, das Rohr, und die Unterseite des Mähwerks innen und außen. Festsitzenden Schmutz können Sie mit einem milden Autoshampoo entfernen.
-
Sie sollten auf jeden Fall alle Teile von festgeklebtem Gras befreien.
-
Lassen Sie alle Teile nach dem Waschen gut austrocknen.
Note: Montieren Sie alle Teile und starten Sie dann den Motor. Lassen Sie ihn für eine Minute laufen, um das Trocknen zu beschleunigen.
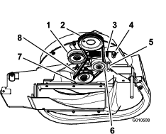
Prüfen des Gebläseriemens
| Wartungsintervall | Wartungsmaßnahmen |
|---|---|
| Nach acht Betriebsstunden |
|
| Alle 25 Betriebsstunden |
|
Prüfen Sie die Riemen auf Risse, zerfranste Ränder, Versengungsanzeichen und irgendwelche anderen Defekte. Tauschen Sie beschädigte Riemen aus.
Austauschen des Gebläseriemens für Rasenmäher mit 152 cm und 183 cm
-
Kuppeln Sie die Zapfwelle aus, stellen die Fahrantriebshebel in die ARRETIERTE NEUTRAL-STELLUNG und aktivieren die Feststellbremse.
-
Stellen Sie vor dem Verlassen des Fahrersitzes den Motor ab, ziehen Sie den Schlüssel ab und warten Sie, bis alle beweglichen Teile zum Stillstand gekommen sind.
-
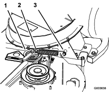
Ziehen Sie an der gefederten Spannscheibe, um die Riemenspannung zu lösen (Bild 40).
-
Nehmen Sie den vorhandenen Heckfangsystem-Riemen von der Mähwerkriemenscheibe und dann von den Gebläseriemenscheiben ab.
-
Verlegen Sie einen neuen Riemen um die Gebläseriemenscheiben und die Mähwerkriemenscheibe (Bild 40).

-
Setzen Sie die Feder ein, siehe Bild 41.

-
Ziehen Sie die gefederte Spannscheibe zurück und verlegen den Riemen auf der gefederten Spannscheibe (Bild 40).
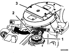
Austauschen des Gebläseriemens für 122 cm und 132 cm Mähwerke
-
Kuppeln Sie die Zapfwelle aus, stellen die Fahrantriebshebel in die ARRETIERTE NEUTRAL-STELLUNG und aktivieren die Feststellbremse.
-
Stellen Sie vor dem Verlassen des Fahrersitzes den Motor ab, ziehen Sie den Schlüssel ab und warten Sie, bis alle beweglichen Teile zum Stillstand gekommen sind.
-
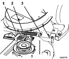
Lösen Sie die Schraube der Riemenführung (Bild 42).
-
Nehmen Sie den Gebläseriemen ab.
-
Legen Sie den neuen Riemen um die Riemenscheibe am Gebläse (Bild 42).
-
Verlegen Sie den Riemen zwischen der fixierten Spannscheibe und der Schraube der Riemenführung.
-
Ziehen Sie die Schraube der Riemenführung fest (Bild 42).

-
Setzen Sie die Feder ein, siehe Bild 43.

-
Verlegen Sie den Riemen auf die gefederte Spannscheibe (Bild 42).
Prüfen und Einstellen des Gebläseriegels
Schließen Sie das Gebläse, um die richtige Ausrichtung der Riegel zu prüfen. Lösen oder ziehen Sie die Schraube so an, dass die Riegel das Gebläse eng am Mähwerk halten, jedoch mit der Hand gelöst werden können.

Einfetten des Spannarms und des Griffscharniers
Prüfen des Heckfangsystems
| Wartungsintervall | Wartungsmaßnahmen |
|---|---|
| Nach acht Betriebsstunden |
|
| Alle 100 Betriebsstunden |
|
-
Kuppeln Sie die Zapfwelle aus, stellen die Fahrantriebshebel in die ARRETIERTE NEUTRAL-STELLUNG und aktivieren die Feststellbremse.
-
Stellen Sie vor dem Verlassen des Fahrersitzes den Motor ab, ziehen Sie den Schlüssel ab und warten Sie, bis alle beweglichen Teile zum Stillstand gekommen sind.
-
Prüfen Sie das obere und untere Rohr, das Heckfangsystem und das Gebläse.
Note: Tauschen Sie diese Teile aus, wenn sie Risse aufweisen oder kaputt sind.
-
Prüfen Sie den Rahmen des Heckfangsystems.
Note: Ersetzen Sie beschädigte oder kaputte Teile.
-
Ziehen Sie alle Schrauben und Muttern an.
Einstellen der geschlossenen Klappe für 152 cm und 183 cm Mähwerke
-
Kuppeln Sie die Zapfwelle aus, stellen die Fahrantriebshebel in die ARRETIERTE NEUTRAL-STELLUNG und aktivieren die Feststellbremse.
-
Stellen Sie vor dem Verlassen des Fahrersitzes den Motor ab, ziehen Sie den Schlüssel ab und warten Sie, bis alle beweglichen Teile zum Stillstand gekommen sind.
-
Lösen Sie die Muttern. Die Anschlagschrauben müssen bei geschlossener Klappe so eingestellt werden, dass der Kontaktarm ausgestreckt ist und nach unten zeigt (Bild 47).
-
Stellen Sie die Länge der Scharnierglieder so ein, dass die Klappe vollständig schließt und eine angemessene Kraft auf den Griff wirkt (Bild 47).
Note: Verlängern Sie die Lenker, um die Kraft zu verringern. Verkürzen Sie die Lenker, um die Kraft zu erhöhen.
Note: Achten Sie darauf, dass Sie die linke und rechte Seite gleich einstellen. Bei geschlossener Klappe sollten die Lenker etwas fest sein, damit sie nicht klappern.
-
Ziehen Sie die Muttern fest.

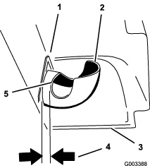
Einstellen der offenen Klappe für 152 cm und 183 cm Mähwerke
Note: Führen Sie diesen Vorgang nach dem Einstellen der geschlossenen Klappen durch.
Stellen Sie den Grifflenker so ein, dass sich die Klappe so weit wie möglich öffnen lässt (Bild 48 und Bild 49).
Note: Verlängern Sie den Grifflenker, um die Klappe noch mehr zu öffnen. Verkürzen Sie den Grifflenker, um die Klappe weniger stark zu öffnen.
Note: Die Klappenöffnung wird vom Kontaktarm, der den Anschlag berührt, gesteuert. Der Anschlag kann nicht eingestellt werden und verhindert, dass sich die Klappe zu sehr öffnet.


Einstellen der Zugstangen für 152 cm und 183 cm Mähwerke
Note: Stellen Sie die Positionen der offenen und der geschlossenen Klappe ein, bevor Sie die Zugstange einstellen.
-
Kuppeln Sie die Zapfwelle aus, stellen die Fahrantriebshebel in die ARRETIERTE NEUTRAL-STELLUNG und aktivieren die Feststellbremse.
-
Stellen Sie vor dem Verlassen des Fahrersitzes den Motor ab, ziehen Sie den Schlüssel ab und warten Sie, bis alle beweglichen Teile zum Stillstand gekommen sind.
-
Schließen Sie die Klappe.
-
Stellen Sie sicher, dass die Zugstangen ganz einrasten und die Verriegelungsstange berühren, die an der Klappe angeschweißt ist (Bild 50).
Note: Die Zugstangen müssen fest an der Verriegelungsstange anliegen. Sie müssen locker genug sein, um sich zu bewegen oder zu wackeln.

Einstellen der Armposition für 122 cm und 132 cm Mähwerke
Der Abstand des linken und rechten Hebelarms zum oberen Rahmenrohr muss für eine richtige Funktion gleich sein.
-
Kuppeln Sie die Zapfwelle aus, stellen die Fahrantriebshebel in die ARRETIERTE NEUTRAL-STELLUNG und aktivieren die Feststellbremse.
-
Stellen Sie vor dem Verlassen des Fahrersitzes den Motor ab, ziehen Sie den Schlüssel ab und warten Sie, bis alle beweglichen Teile zum Stillstand gekommen sind.
-
Nehmen Sie die Seitenplatten vom Heckfangsystem ab (Bild 51).

-
Prüfen Sie den Abstand zwischen dem linken und rechten Hebelarm und dem oberen Rahmenrohr.
Note: Dieser Wert muss an beiden Seiten gleich sein.
-
Lösen Sie die Inbusschraube an der Nabe des rechten Hebelarms, um den Abstand einzustellen (Bild 52).
-
Positionieren Sie die Hebelarme so, dass der Abstand zum oberen Rahmenrohr gleich ist.
-
Ziehen Sie die Inbusschraube fest und montieren Sie die Seitenplatten.

Einstellen der geschlossenen Klappe für 122 cm und 132 cm Mähwerke
-
Kuppeln Sie die Zapfwelle aus, stellen die Fahrantriebshebel in die ARRETIERTE NEUTRAL-STELLUNG und aktivieren die Feststellbremse.
-
Stellen Sie vor dem Verlassen des Fahrersitzes den Motor ab, ziehen Sie den Schlüssel ab und warten Sie, bis alle beweglichen Teile zum Stillstand gekommen sind.
-
Prüfen Sie bei geschlossener Klappe, dass sie gut am Rahmen aufliegt.
-
Stellen Sie ggf. die Muttern ein.
Note: Verlängern Sie die Lenker, um die Kraft zu verringern. Verkürzen Sie die Lenker, um die Kraft zu erhöhen.
Note: Achten Sie darauf, dass Sie die linke und rechte Seite gleich einstellen. Bei geschlossener Klappe sollten die Lenker etwas fest sein, damit sie nicht klappern.
-
Ziehen Sie die Muttern fest.

Einstellen der offenen Klappe für 122 cm und 132 cm Mähwerke
Führen Sie dies nach dem Einstellen der geschlossenen Klappen durch.
-
Nehmen Sie die Seitenplatten vom Heckfangsystem ab (Bild 54).

-
Öffnen Sie die Klappe.
-
Prüfen Sie den Abstand zwischen dem oberem Rohr des Klappenrahmens und der unteren Lippe der geformten Abdeckung (Bild 55).
Note: Der Abstand sollte zwischen 3,2 mm und 9,6 mm liegen.

-
Stellen Sie die Scharnieranschläge ggf. an beiden Seiten so ein, dass der Abstand zwischen dem oberen Rohr des Klappenrahmens und der unteren Lippe der geformten Abdeckung zwischen 3,2 mm und 9,6 mm liegt.
Note: Achten Sie darauf, dass Sie den linken und rechten Scharnieranschlag gleich einstellen.
-
Ziehen Sie die Muttern an und montieren Sie die Seitenplatten.

Einstellen der Feststellbremse
| Wartungsintervall | Wartungsmaßnahmen |
|---|---|
| Nach 100 Betriebsstunden |
|
Weitere Informationen zur Feststellbremse Ihrer Maschine finden Sie in der Bedienungsanleitung.
Prüfen der Schnittmesser
-
Prüfen Sie die Schnittmesser regelmäßig, besonders wenn ein Messer einen Fremdkörper berührt.
-
Montieren Sie neue Messer, wenn die Messer sehr abgenutzt oder beschädigt sind. Komplette Anweisungen zur Schnittmesserwartung finden Sie in der Bedienungsanleitung des Mähwerks.
Einbauen der Mähwerkmesser
Für die meisten Mähbedingungen ergeben die normalen High-Lift-Messer die beste Leistung beim Heckfangsystem.
Das Toro Atomic-Messer wird beim Aufnehmen von Blättern mit dem Heckfangsystem in trockenen Situationen empfohlen. Bei trockenen und staubigen Bedingungen verringern die Medium-Lift- oder Low-Lift-Messer die Menge des ausgestoßenen Staubs und Schmutzes und geben ausreichenden Luftstrom im Heckfangsystem.
Wenden Sie sich an einen offiziellen Vertragshändler hinsichtlich der richtigen Messer für verschiedene Mähkonditionen.
Weitere Informationen zum Einbauen der Messer finden Sie in der Bedienungsanleitung.
Montieren des Ablenkblechs
Warnung:
Eine nicht abgedeckte Auswurföffnung kann zum Ausschleudern von Gegenständen auf den Bediener oder Unbeteiligte führen. Das kann schwere Verletzungen zur Folge haben. Außerdem könnte es auch zum Kontakt mit dem Messer kommen.
-
Setzen Sie den Rasenmäher nur dann ein, wenn Sie ein Abdeckblech, eine Mulchplatte oder einen Auswurfkanal mit Fangvorrichtung montiert haben.
-
Stellen Sie sicher, dass das Ablenkblech nach unten abgesenkt ist.
-
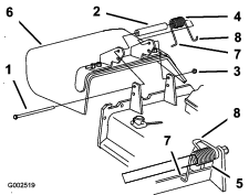
Entfernen Sie die Sicherungsmutter, Schraube, Feder und das Distanzstück, mit denen das Ablenkblech an den Drehhalterungen befestigt ist (Bild 57).
-
Entfernen Sie defekte oder abgenutzte Ablenkbleche.
-
Legen Sie das Distanzstück und die Feder auf das Ablenkblech.
Note: Positionieren Sie das L-Ende der Feder hinter der Kante des Mähwerks.
Note: Stellen Sie sicher, dass sich das L-Ende der Feder hinter der Mähwerkkante befindet, bevor Sie die Schraube einsetzen, siehe Bild 57
-
Setzen Sie die Schraube und Mutter ein.
-
Führen Sie das J-förmige Hakenende der Feder um das Ablenkblech (Bild 57).
Important: Das Ablenkblech muss sich in Position absenken lassen. Heben Sie das Ablenkblech an, um nachzuprüfen, ob es vollständig in die abgesenkte Stellung herunterfährt.


















































