Manutenzione
Programma di manutenzione raccomandato
| Cadenza di manutenzione | Procedura di manutenzione |
|---|---|
| Dopo le prime 8 ore |
|
| Dopo le prime 100 ore |
|
| Prima di ogni utilizzo o quotidianamente |
|
| Ogni 25 ore |
|
| Ogni 50 ore |
|
| Ogni 100 ore |
|
Pulizia della griglia dell'insaccatrice
| Cadenza di manutenzione | Procedura di manutenzione |
|---|---|
| Prima di ogni utilizzo o quotidianamente |
|
Pulite la griglia prima di ogni uso (con maggiore frequenza in caso di erba bagnata).
-
Disinnestate la presa di forza e innestate il freno di stazionamento.
-
Prima di scendere dalla postazione di guida spegnete il motore, togliete la chiave di accensione e attendete che si fermino tutte le parti in movimento.
-
Aprite l'insaccatrice.
-
Togliete i detriti dalla griglia.
-
Chiudete l’insaccatrice.
Pulizia del sistema di raccolta
| Cadenza di manutenzione | Procedura di manutenzione |
|---|---|
| Prima di ogni utilizzo o quotidianamente |
|
-
Lavate, dentro e fuori, il cofano dell’insaccatrice, il tubo e il sottoscocca del tosaerba. Rimuovete la morchia con un detersivo neutro per automobili.
-
Non dimenticate di eliminare l’erba feltrata da tutti i componenti.
-
Dopo avere lavato tutti i componenti, lasciateli asciugare completamente.
Note: Quando avete montato tutti i componenti, avviate la macchina e lasciatela in moto per un minuto, perché si asciughi meglio.
Ispezione della cinghia del soffiatore.
| Cadenza di manutenzione | Procedura di manutenzione |
|---|---|
| Dopo le prime 8 ore |
|
| Ogni 25 ore |
|
Verificate che non ci siano incrinature, bordi usurati per sfregamento, segni di bruciato o altri danni. Sostituite le cinghie avariate.
Sostituzione della cinghia del soffiatore per piatti di taglio da 152 cm e 183 cm
-
Disinnestate la PDF, spostate le leve di controllo del movimento in posizione di BLOCCO IN FOLLE e inserite il freno di stazionamento.
-
Prima di scendere dal posto di guida dell'operatore, spegnete il motore, togliete la chiave di accensione e attendete che si fermino tutte le parti in movimento.
-
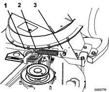
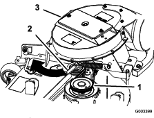
Tirate indietro la puleggia tendicinghia a molla, per allentare la tensione della cinghia (Figura 40).
-
Togliete la cinghia del sistema di raccolta dalla puleggia del piatto di taglio del tosaerba e poi dalle pulegge del soffiatore.
-
Montate la nuova cinghia attorno alle pulegge del soffiatore e alla puleggia del piatto di taglio del tosaerba (Figura 40).

-
Montate la molla come illustra Figura 41.

-
Tirate indietro la puleggia tendicinghia a molla e installate la cinghia nella puleggia tendicinghia a molla (Figura 40).
Sostituzione della cinghia del soffiatore per tosaerba da 48 pollici e 52 pollici
-
Disinnestate la PDF, spostate le leve di controllo del movimento in posizione di BLOCCO IN FOLLE e inserite il freno di stazionamento.
-
Prima di scendere dal posto di guida dell’operatore, spegnete il motore, togliete la chiave di accensione e attendete che si fermino tutte le parti in movimento.
-
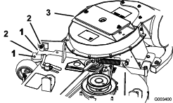
Allentate il bullone del guidacinghia (Figura 42).
-
Togliete la cinghia del soffiatore.
-
Montate la nuova cinghia sulla puleggia del soffiatore (Figura 42).
-
Montate la cinghia tra la puleggia di rinvio fissa e il bullone del guidacinghia.
-
Serrate il bullone del guidacinghia (Figura 42).

-
Montate la molla come illustra Figura 43.

-
Installate la cinghia sulla puleggia tendicinghia a molla (Figura 42).
Controllo e regolazione del dispositivo di fermo del soffiatore
Chiudete il gruppo soffiatore per vedere se i dispositivi di fermo sono regolati correttamente. Allentate o serrate i bulloni in modo che i dispositivi di fermo tengano saldamente il gruppo soffiatore contro il piatto di taglio, ma possano essere rilasciati manualmente.

Ingrassaggio del braccio di rinvio e del perno dell'impugnatura
| Cadenza di manutenzione | Procedura di manutenzione |
|---|---|
| Ogni 50 ore |
|
| Ogni 100 ore |
|
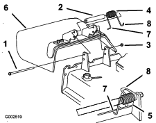
Ingrassate il braccio di rinvio della cinghia del soffiatore (Figura 45).

Solo per tosaerba da 60 pollici e 72 pollici, ingrassate il perno dell’impugnatura (Figura 46).

Ispezione del sistema di raccolta
| Cadenza di manutenzione | Procedura di manutenzione |
|---|---|
| Dopo le prime 8 ore |
|
| Ogni 100 ore |
|
-
Disinnestate la PDF, spostate le leve di controllo del movimento in posizione di BLOCCO IN FOLLE e inserite il freno di stazionamento.
-
Prima di scendere dal posto di guida dell’operatore, spegnete il motore, togliete la chiave di accensione e attendete che si fermino tutte le parti in movimento.
-
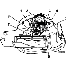
Controllate il tubo superiore, il tubo inferiore, l'insaccatrice e il gruppo soffiatore.
Note: Se sono incrinati o rotti, sostituiteli.
-
Controllate il telaio dell'insaccatrice.
Note: Se un qualunque componente è rotto o incrinato, sostituitelo.
-
Serrate tutti i dadi, i bulloni e le viti.
Regolazione dello sportello chiuso per tosaerba da 60 pollici e 72 pollici
-
Disinnestate la PDF, spostate le leve di controllo del movimento in posizione di BLOCCO IN FOLLE e inserite il freno di stazionamento.
-
Prima di scendere dal posto di guida dell’operatore, spegnete il motore, togliete la chiave di accensione e attendete che si fermino tutte le parti in movimento.
-
Con lo sportello chiuso, allentate i dadi e regolate i bulloni di arresto in modo che il braccio di contatto sia diritto in su o in giù (Figura 47).
-
Regolate la lunghezza degli attacchi cerniera in modo che lo sportello si chiuda completamente e ci sia una forza ragionevole sulla maniglia (Figura 47).
Note: Allungate gli attacchi per ridurre la forza. Accorciate gli attacchi per aumentare la forza.
Note: Assicuratevi che entrambi i lati sinistro e destro siano regolati alla stessa distanza. Con lo sportello chiuso, gli attacchi devono essere leggermente serrati per ridurre al minimo il rumore.
-
Serrate i dadi.

Regolazione dello sportello aperto per tosaerba da 60 pollici e 72 pollici
Note: Eseguite questa procedura dopo avere regolato la chiusura completa dello sportello.
Regolate l’attacco impugnatura in modo tale che lo sportello si apra il più possibile (Figura 48 e Figura 49).
Note: Allungate l'attacco impugnatura per aprire maggiormente lo sportello. Accorciate l’attacco impugnatura per una minore apertura dello sportello
Note: L'apertura massima dello sportello è controllata dal contatto tra il braccio e l'arresto. L'arresto non è regolabile ed evita che lo sportello venga aperto troppo.


Regolazione dei dispositivi di fermo per tosaerba da 60 pollici e 72 pollici
Note: Regolate le posizioni dello sportello aperto e dello sportello chiuso prima della regolazione dei dispositivi di fermo.
-
Disinnestate la PDF, spostate le leve di controllo del movimento in posizione di BLOCCO IN FOLLE e inserite il freno di stazionamento.
-
Prima di scendere dal posto di guida dell’operatore, spegnete il motore, togliete la chiave di accensione e attendete che si fermino tutte le parti in movimento.
-
Chiudete lo sportello.
-
Assicuratevi che i dispositivi di fermo siano perfettamente innestati e l'asta di fermo sia ben serrata allo sportello (Figura 50).
Note: I dispositivi di fermo devono essere premuti contro l’asta di fermo. Devono essere lenti abbastanza per consentire il movimento o l’ondulazione.

Regolazione della posizione del braccio per tosaerba da 48 pollici e 52 pollici
Affinché funzionino correttamente, i bracci delle leve a squadra sinistra e destra devono essere posizionati alla stessa distanza dal tubo superiore del telaio.
-
Disinnestate la PDF, spostate le leve di controllo del movimento in posizione di BLOCCO IN FOLLE e inserite il freno di stazionamento.
-
Prima di scendere dal posto di guida dell’operatore, spegnete il motore, togliete la chiave di accensione e attendete che si fermino tutte le parti in movimento.
-
Rimuovete la piastra laterale da entrambi i lati del sistema di raccolta (Figura 51).

-
Verificate la distanza tra le leve a squadra sinistra e destra e il tubo superiore del telaio.
Note: Questa quota deve essere la stessa su entrambi i lati.
-
Per ottenere distanze uguali, allentate il bullone a testa cava esagonale presente sul mozzo della leva a squadra destra. (Figura 52).
-
Posizionate i bracci delle leve a squadra alla stessa distanza dal tubo superiore del telaio.
-
Serrate il bullone a testa cava esagonale e montate le piastre laterali.

Regolazione dello sportello chiuso per tosaerba da 48 pollici e 52 pollici
-
Disinnestate la PDF, spostate le leve di controllo del movimento in posizione di BLOCCO IN FOLLE e inserite il freno di stazionamento.
-
Prima di scendere dal posto di guida dell’operatore, spegnete il motore, togliete la chiave di accensione e attendete che si fermino tutte le parti in movimento.
-
Verificate e assicuratevi che lo sportello, quando è chiuso, sia leggermente premuto contro il telaio.
-
Se è necessario eseguire una regolazione, regolate i dadi.
Note: Allungate gli attacchi per ridurre la forza. Accorciate gli attacchi per aumentare la forza.
Note: Assicuratevi che entrambi i lati sinistro e destro siano regolati alla stessa distanza. Con lo sportello chiuso, gli attacchi devono essere leggermente serrati per ridurre al minimo il rumore.
-
Serrate i dadi.

Regolazione dello sportello aperto per tosaerba da 48 pollici e 52 pollici
Eseguite questa regolazione dopo avere regolato lo sportello chiuso.
-
Rimuovete la piastra laterale da entrambi i lati del sistema di raccolta (Figura 54).

-
Aprite lo sportello.
-
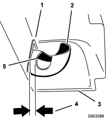
Verificate la distanza tra il tubo superiore del telaio dello sportello e il bordo inferiore del cofano sagomato. (Figura 55).
Note: La distanza dovrebbe essere compresa tra 3,2 mm (1/8 pollici) e 9,6 mm (3/8 pollici).

-
Se è necessaria una regolazione, regolate i fermi delle cerniere su entrambi i lati, in modo tale che la distanza tra il tubo superiore del telaio dello sportello e il bordo inferiore del cofano sagomato sia compresa tra 3,2 mm (1/8 pollici) e 9,6 mm (3/8 pollici).
Note: Assicuratevi che i fermi delle cerniere su entrambi i lati, sinistro e destro, siano regolati alla stessa distanza.
-
Serrate i dadi e montate le piastre laterali.

Regolazione del freno di stazionamento
| Cadenza di manutenzione | Procedura di manutenzione |
|---|---|
| Dopo le prime 100 ore |
|
Fate riferimento al Manuale dell’operatore della macchina per la regolazione del freno di stazionamento.
Controllo delle lame del tosaerba
-
Controllate periodicamente le lame del tosaerba ed ogni volta che una lama colpisce un corpo estraneo.
-
Sostituite con delle lame nuove le lame usurate o danneggiate. Per la manutenzione completa delle lame si rimanda al Manuale dell'operatore del tosaerba.
Installazione delle lame del tosaerba
Nella maggior parte delle condizioni di tosatura, le lame per alto sollevamento offriranno le migliori performance di raccolta.
La lama Toro Atomic è consigliata per la raccolta di foglie quando è asciutto. In condizioni asciutte e polverose, le lame per sollevamento medio o basso riducono la polvere e i detriti fornendo al tempo stesso un efficace flusso d'aria di insaccamento.
Per ottenere le lame adatte a diverse condizioni di tosatura, rivolgetevi a un Centro Assistenza autorizzato.
Per ulteriori informazioni sull'installazione delle lame, si rimanda al Manuale dell'operatore del tosaerba.
Montaggio del deflettore dell’erba
Avvertenza
Lasciando scoperta l’apertura di scarico si permette al tosaerba di scagliare oggetti in direzione dell’operatore o di altre persone e causare gravi lesioni. è inoltre possibile venire a contatto con la lama.
-
Non utilizzate mai il tosaerba se non avete montato una piastra di copertura, una piastra di mulching, o un camino di scarico ed un raccoglitore.
-
Accertatevi che il deflettore di sfalcio sia abbassato.
-
Togliete il dado di bloccaggio, il bullone, la molla e il distanziale che fissano il deflettore alle staffe orientabili del tosaerba (Figura 57).
-
Togliete il deflettore dell’erba tagliata se è danneggiato o consumato.
-
Inserite il distanziale e la molla sul deflettore di sfalcio.
Note: Inserite l’estremità a L della molla dietro il bordo del piatto di taglio.
Note: Verificate che l'estremità a L della molla si trovi dietro il bordo del piatto di taglio prima di montare il bullone, come illustrato nella Figura 57
-
Montate il bullone e il dado.
-
Infilate l'estremità a gancio J della molla attorno al deflettore di sfalcio (Figura 57).
Important: Il deflettore deve potersi abbassare nella posizione prevista. Alzate il deflettore e verificate che quando scatta si abbassi completamente.
















































