Underhåll
Rekommenderat underhåll
| Underhållsintervall | Underhållsförfarande |
|---|---|
| Efter de första 8 timmarna |
|
| Efter de första 100 timmarna |
|
| Varje användning eller dagligen |
|
| Var 25:e timme |
|
| Var 50:e timme |
|
| Var 100:e timme |
|
Rengöra uppsamlingsskärmen
| Underhållsintervall | Underhållsförfarande |
|---|---|
| Varje användning eller dagligen |
|
Rengör skärmen före varje användningstillfälle (oftare i vått gräs).
-
Koppla ur kraftuttaget (PTO) och dra åt handbromsen.
-
Stäng av motorn, ta ur nyckeln och vänta tills alla rörliga delar har stannat innan du stiger ur förarsätet.
-
Öppna uppsamlaren.
-
Ta bort skräpet från skärmen.
-
Stäng uppsamlaren.
Rengöra uppsamlingssystemet
| Underhållsintervall | Underhållsförfarande |
|---|---|
| Varje användning eller dagligen |
|
-
Tvätta uppsamlarhuvens insida och utsida, rör och klipparens undersida. Använd ett milt fordonstvättmedel för att avlägsna smuts.
-
Se till att du får bort allt ihopklumpat gräs från alla delar.
-
Låt samtliga delar torka ordentligt efter rengöring.
Note: Starta och kör maskinen i en minut för att påskynda torkningen när du har monterat alla delar.
Kontrollera blåsarremmen
| Underhållsintervall | Underhållsförfarande |
|---|---|
| Efter de första 8 timmarna |
|
| Var 25:e timme |
|
Se till att remmarna inte är spruckna, har fransiga kanter, brännmärken eller andra skador. Byt ut skadade remmar.
Byta ut blåsarremmen för gräsklippare på 152 och 183 cm
-
Koppla ur kraftuttaget, för rörelsereglagen till det NEUTRALA LåSLäGET och dra åt parkeringsbromsen.
-
Stanna motorn, ta ur nyckeln och vänta tills alla rörliga delar har stannat innan du kliver ur förarsätet.
-
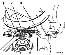
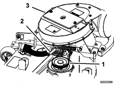
Dra den fjäderbelastade mellanremskivan bakåt för att minska remspänningen (Figur 40).
-
Ta bort den befintliga uppsamlarremmen från klippdäcksskivan och sedan från blåsarremskivorna.
-
Montera den nya remmen runt blåsarremskivorna och klippdäcksskivan (Figur 40).

-
Montera fjädern enligt Figur 41.

-
Dra den fjäderbelastade remskivan bakåt och montera remmen på den (Figur 40).
Byta ut blåsarremmen för gräsklippare på 122 och 132 cm
-
Koppla ur kraftuttaget, för rörelsereglagen till det NEUTRALA LåSLäGET och dra åt parkeringsbromsen.
-
Stanna motorn, ta ur nyckeln och vänta tills alla rörliga delar har stannat innan du kliver ur förarsätet.
-
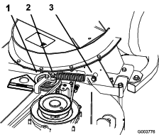
Lossa remstyrningens bult (Figur 42).
-
Ta bort den befintliga blåsarremmen.
-
Montera den nya remmen runt blåsarremskivan (Figur 42).
-
Montera remmen mellan den fasta mellanremskivan och remstyrningens skruv.
-
Dra åt remstyrningens bult (Figur 42).

-
Montera fjädern enligt Figur 43.

-
Montera remmen på den fjäderbelastade mellanremskivan (Figur 42).
Kontrollera och justera blåsarens spärr
Stäng blåsarenheten för att se att spärrarna har justerats korrekt. Lossa eller dra åt skruvarna så att blåsarenheten sitter ordentligt mot klippdäcket med hjälp av spärrarna, men kan lossas manuellt.

Smörja mellandrevsarmen och handtagets vridpunkt
Kontrollera uppsamlingssystemet
| Underhållsintervall | Underhållsförfarande |
|---|---|
| Efter de första 8 timmarna |
|
| Var 100:e timme |
|
-
Koppla ur kraftuttaget, för rörelsereglagen till det NEUTRALA LåSLäGET och dra åt parkeringsbromsen.
-
Stanna motorn, ta ur nyckeln och vänta tills alla rörliga delar har stannat innan du kliver ur förarsätet.
-
Kontrollera det övre och nedre röret, uppsamlaren och blåsarenheten.
Note: Byt ut dessa delar om de är spruckna eller trasiga.
-
Kontrollera uppsamlarramen.
Note: Ersätt spruckna eller trasiga delar.
-
Dra åt alla muttrar, bultar och skruvar.
Justera den stängda luckan för gräsklippare på 152 och 183 cm
-
Koppla ur kraftuttaget, för rörelsereglagen till det NEUTRALA LåSLäGET och dra åt parkeringsbromsen.
-
Stanna motorn, ta ur nyckeln och vänta tills alla rörliga delar har stannat innan du kliver ur förarsätet.
-
Lossa muttrarna och justera stoppbultarna när luckan är stängd så att kontaktarmen står rakt (Figur 47).
-
Justera gångjärnslänkarnas längd så att luckan stängs helt och en rimlig kraft appliceras på handtaget (Figur 47).
Note: Förläng länkarna för att minska den kraft som behövs. Korta in länkarna för att öka kraften
Note: Säkerställ att både vänster och höger sida justeras lika mycket. När luckan är stängd ska länkarna sitta relativt fast för att minimera skramlandet.
-
Dra åt muttrarna.

Justera den öppna luckan för gräsklippare på 152 och 183 cm
Note: Utför den här proceduren efter att du har justerat luckan så att den är helt stängd.
Justera handtagets länk så att luckan öppnas så mycket som möjligt (Figur 48 och Figur 49).
Note: Förläng handtagets länk för att öppna luckan mer. Korta in handtagets länk för att öppna luckan mindre
Note: Hur långt luckan öppnas styrs av när kontaktarmen träffar stoppet. Stopet är fast och förhindrar att luckan öppnas för mycket.


Justera spärrarna för gräsklippare på 152 och 183 cm
Note: Justera lägena för öppen och stängd lucka innan du justerar spärrarna.
-
Koppla ur kraftuttaget, för rörelsereglagen till det NEUTRALA LåSLäGET och dra åt parkeringsbromsen.
-
Stanna motorn, ta ur nyckeln och vänta tills alla rörliga delar har stannat innan du kliver ur förarsätet.
-
Stäng luckan.
-
Säkerställ att spärrarna går i helt och vidrör spärrstången som svetsats fast i luckan (Figur 50).
Note: Spärrarna måste sitta tätt intill spärrstången. De måste vara så pass lösa att de kan röra sig eller vickas.

Justera armpositionen för gräsklippare på 122 och 132 cm
För att korrekt användning ska säkerställas måste vänster och höger vinkelhävarm placeras på samma avstånd från det övre ramröret.
-
Koppla ur kraftuttaget, för rörelsereglagen till det NEUTRALA LåSLäGET och dra åt parkeringsbromsen.
-
Stanna motorn, ta ur nyckeln och vänta tills alla rörliga delar har stannat innan du kliver ur förarsätet.
-
Ta bort sidoplåten på båda sidorna av uppsamlaren (Figur 51).

-
Kontrollera avståndet mellan vänster och höger vinkelhävarm och det övre ramröret.
Note: Avståndet måste vara samma på båda sidor.
-
För att göra avstånden lika stora lossar du insexskruven på navet på den högra vinkelhävarmen (Figur 52).
-
Placera vinkelhävarmarna på samma avstånd från det övre ramröret.
-
Dra åt insexskruven och montera sidoplåtarna.

Justera den stängda luckan för gräsklippare på 122 och 132 cm
-
Koppla ur kraftuttaget, för rörelsereglagen till det NEUTRALA LåSLäGET och dra åt parkeringsbromsen.
-
Stanna motorn, ta ur nyckeln och vänta tills alla rörliga delar har stannat innan du kliver ur förarsätet.
-
Stäng luckan och kontrollera att den ligger relativt tätt mot ramen när den är stängd.
-
Justera muttrarna om den behöver justeras.
Note: Förläng länkarna för att minska den kraft som behövs. Korta in länkarna för att öka den kraft som behövs.
Note: Säkerställ att både vänster och höger sida justeras lika mycket. När luckan är stängd ska länkarna sitta relativt fast för att minimera skramlandet.
-
Dra åt muttrarna.

Justera den öppna luckan för gräsklippare på 122 och 132 cm
Utför denna åtgärd efter att du har justerat den stängda luckan.
-
Ta bort sidoplåten på båda sidorna av uppsamlaren (Figur 54).

-
Öppna luckan.
-
Kontrollera avståndet mellan det övre röret på luckans ram och nederkanten på den formgjutna huven (Figur 55).
Note: Avståndet ska vara mellan 3,2 mm och 9,6 mm.

-
Om justering krävs justerar du gångjärnsstoppen på båda sidorna för att uppnå ett avstånd på mellan 3,2 mm och 9,6 mm mellan det övre röret på luckans ram och nederkanten på den formgjutna huven.
Note: Säkerställ att både vänster och höger gångjärnsstopp justeras lika mycket.
-
Dra åt muttrarna och montera tillbaka sidoplåtarna.

Justera parkeringsbromsen
| Underhållsintervall | Underhållsförfarande |
|---|---|
| Efter de första 100 timmarna |
|
Information om hur du justerar parkeringsbromsen finns i maskinens bruksanvisning.
Kontrollera gräsklipparknivarna
-
Kontrollera gräsklipparknivarna regelbundet samt om en kniv slår emot någonting.
-
Om knivarna är slitna eller skadade ska nya knivar monteras. Se klipparens bruksanvisning för fullständigt underhållsförfarande för knivar.
Montera klipparknivarna
I de flesta fall ger vanliga höglyftsknivar bäst uppsamlingsresultat.
Toro Atomic-kniven rekommenderas för uppsamling av torra löv. Vid torra och dammiga arbetsförhållanden minskar mellanlyfts- och låglyftsknivarna utblås av damm och smuts samtidigt som ett effektivt uppsamlingsluftflöde erhålls.
Kontakta en auktoriserad återförsäljare för att få rätt sorts knivar för olika klippförhållanden.
Mer information om montering av knivar finns i klipparens bruksanvisning.
Montera gräsriktaren
Varning
Om utkastaröppningen inte är täckt kan gräsklipparen slunga ut föremål i riktning mot föraren eller andra personer och därmed orsaka allvarliga skador. Det skulle också kunna medföra kontakt med knivarna.
-
Kör aldrig gräsklipparen utan en täckplåt, mullplåt eller gräsutkastare och gräsuppsamlare.
-
Se till att gräsriktaren är i nedfällt läge.
-
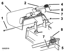
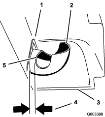
Ta bort låsmuttern, bulten, fjädern och distansbrickan som håller fast gräsriktaren på tappfästena (Figur 57).
-
Demontera den skadade eller slitna gräsriktaren.
-
Sätt distansbrickan och fjädern på gräsriktaren.
Note: Placera fjäderns L-formade ände bakom däckkanten.
Note: Se till att fjäderns L-formade ände sitter bakom däckkanten innan du monterar skruven enligt Figur 57
-
Montera bulten och muttern.
-
Placera fjäderns J-formade ände runt gräsriktaren (Figur 57).
Important: Det måste gå att sänka ned gräsriktaren i sitt läge. Lyft upp riktaren för att kontrollera att den går ned helt.


















































