Manutenção
Plano de manutenção recomendado
| Intervalo de assistência | Procedimento de manutenção |
|---|---|
| Após as pimeiras 8 horas |
|
| Após as pimeiras 100 horas |
|
| Em todas as utilizações ou diariamente |
|
| A cada 25 horas |
|
| A cada 50 horas |
|
| A cada 100 horas |
|
Limpeza do filtro do depósito de recolha
| Intervalo de assistência | Procedimento de manutenção |
|---|---|
| Em todas as utilizações ou diariamente |
|
Limpe o filtro antes de cada utilização (mais frequentemente no caso de relva húmida).
-
Desengate a tomada de força (PTO) e acione o travão de estacionamento.
-
Desligue o motor, retire a chave e aguarde até que todas as partes em movimento parem antes de sair da posição de operação.
-
Abra o depósito de recolha de relva.
-
Limpe os detritos do filtro.
-
Feche o depósito de recolha de relva.
Limpar o sistema de recolha
| Intervalo de assistência | Procedimento de manutenção |
|---|---|
| Em todas as utilizações ou diariamente |
|
-
Lave o interior e exterior do capot do depósito de recolha, tubo e a parte inferior do cortador. Utilize um detergente automóvel suave para remover a sujidade.
-
Certifique-se de que remove relva comprimida de todas as peças.
-
Depois de lavar todas as peças, deixe-as secar completamente.
Note: Com todas as peças instaladas, ligue e deixe funcionar a máquina durante um minuto para ajudar à secagem.
Inspeção da correia do soprador
| Intervalo de assistência | Procedimento de manutenção |
|---|---|
| Após as pimeiras 8 horas |
|
| A cada 25 horas |
|
Verifique se existem rachas, extremidades desfiadas, marcas de queimaduras e outros danos nas correias. Substitua as correias danificadas.
Substituição da correia do soprador Para cortadores de 152 cm e 182 cm
-
Desengate a tomada de força, desloque as alavancas de controlo do movimento para a POSIçãO DE BLOQUEADAS EM PONTO MORTO e aplique o travão de estacionamento.
-
Desligue o motor, retire a chave e aguarde até que todas as partes em movimento parem antes de sair da posição de operação.
-
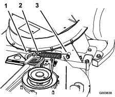
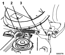
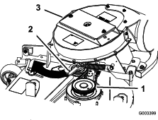
Empurre a polia intermédia da mola para trás para aliviar a tensão da correia (Figura 40).
-
Remova a correia do depósito de recolha existente da polia da plataforma do cortador e, em seguida, as polias do soprador.
-
Instale a nova correia em torno das polias do soprador e da polia da plataforma do cortador (Figura 40).

-
Instale a mola como se mostra na Figura 41.

-
Puxe a polia intermédia da mola para trás e instale a correia na polia intermédia da mola (Figura 40).
Substituir a correia do soprador de máquinas de 122 cm e 132 cm
-
Desengate a tomada de força, desloque as alavancas de controlo do movimento para a POSIçãO DE BLOQUEADAS EM PONTO MORTO e aplique o travão de estacionamento.
-
Desligue o motor, retire a chave e aguarde até que todas as partes em movimento parem antes de sair da posição de operação.
-
Desaperte o parafuso guia da correia (Figura 42).
-
Retire a correia existente do soprador.
-
Instale a nova correia em redor da polia do soprador (Figura 42).
-
Instale a correia entre a polia intermédia fixa e o parafuso guia da correia.
-
Aperte o parafuso guia da correia (Figura 42).

-
Instale a mola como se mostra na Figura 43.

-
Instale a correia na polia intermédia da mola (Figura 42).
Verificar e ajustar o trinco do soprador
Feche a estrutura do soprador para ver se as patilhas estão corretamente ajustadas. Desaperte ou aperte os parafusos de forma a que as patilhas suportem firmemente a estrutura do soprador contra a plataforma do cortador mas que possam ser libertadas manualmente.

Lubrificar o braço intermédio e a articulação da pega
| Intervalo de assistência | Procedimento de manutenção |
|---|---|
| A cada 50 horas |
|
| A cada 100 horas |
|
Lubrifique o braço intermédio da correia do soprador (Figura 45).

Apenas para cortadores de 152 cm e 182 cm, lubrifique a articulação da pega (Figura 46).

Inspecionar o sistema de recolha
| Intervalo de assistência | Procedimento de manutenção |
|---|---|
| Após as pimeiras 8 horas |
|
| A cada 100 horas |
|
-
Desengate a tomada de força, desloque as alavancas de controlo do movimento para a POSIçãO DE BLOQUEADAS EM PONTO MORTO e aplique o travão de estacionamento.
-
Desligue o motor, retire a chave e aguarde até que todas as partes em movimento parem antes de sair da posição de operação.
-
Verifique o tubo superior, tubo inferior, depósito de recolha e a estrutura do soprador.
Note: Substitua estas peças, se estiverem rachadas ou partidas.
-
Verifique a estrutura do depósito de recolha.
Note: Substitua quaisquer peças que estejam rachadas ou partidas.
-
Aperte todas as porcas e parafusos.
Ajustar a porta fechada para cortadores de 152 e 182 cm
-
Desengate a tomada de força, desloque as alavancas de controlo do movimento para a POSIçãO DE BLOQUEADAS EM PONTO MORTO e aplique o travão de estacionamento.
-
Desligue o motor, retire a chave e aguarde até que todas as partes em movimento parem antes de sair da posição de operação.
-
Com a porta fechada, desaperte as porcas e ajuste os parafusos do batente de forma a que o braço de contacto fique direito para cima e para baixo (Figura 47).
-
Ajuste o comprimento das ligações da dobradiça de forma a que a porta feche completamente e existe força razoável na pega (Figura 47).
Note: Aumente o comprimento das ligações para reduzir a força. Diminua o comprimento das ligações para aumentar a força.
Note: Certifique-se de que as extremidades esquerda e direita são ajustadas à mesma distância. Com a porta fechada, as ligações devem ser ligeiramente apertadas para minimizar o ruído.
-
Aperte as porcas.

Ajustar a porta aberta para cortadores de 152 e 182 cm
Note: Execute este procedimento depois de ajustar a porta para fechar completamente.
Ajuste a ligação da pega de forma a que a porta abra o mais possível (Figura 48 e Figura 49).
Note: Aumente o comprimento do manípulo para abrir mais a porta. Reduza a ligação da pega para abrir menos a porta
Note: A abertura da porta é controlada pelo braço de contacto a bater no batente. O batente não é ajustável e evita que a porta seja demasiado aberta.


Ajustar os trincos para cortadores de 152 e 182 cm
Note: Ajustar as posições de porta aberta e fechada antes de ajustar os trincos.
-
Desengate a tomada de força, desloque as alavancas de controlo do movimento para a POSIçãO DE BLOQUEADAS EM PONTO MORTO e aplique o travão de estacionamento.
-
Desligue o motor, retire a chave e aguarde até que todas as partes em movimento parem antes de sair da posição de operação.
-
Feche a porta.
-
Assegure-se de que os trincos engatam completamente e que entram em contacto com a barra do trinco soldada à porta (Figura 50).
Note: Os trincos têm de estar bem apertados em relação à barra do trinco. Têm de estar soltos o suficiente para moverem ou mexerem.

Ajustar a posição do braço para cortadores de 152 e 182 cm
Os braços esquerdo e direito da manivela da correia têm de ser colocados de forma igual a partir do tubo da estrutura superior para uma utilização adequada.
-
Desengate a tomada de força, desloque as alavancas de controlo do movimento para a POSIçãO DE BLOQUEADAS EM PONTO MORTO e aplique o travão de estacionamento.
-
Desligue o motor, retire a chave e aguarde até que todas as partes em movimento parem antes de sair da posição de operação.
-
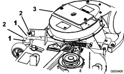
Retire a placa lateral de ambos os lados do depósito de recolha de relva (Figura 51).

-
Verifique a distância entre as manivelas da correia esquerda e direita e o tubo da estrutura superior.
Note: Estas dimensões têm de ser as mesmas em ambos os lados.
-
Para fazer com que as distâncias sejam iguais, desaperte o parafuso de cabeça Allen no cubo da manivela da correia direita (Figura 52).
-
Posicione os braços da manivela da correia à mesma distância a partir do tubo da estrutura superior.
-
Aperte o parafuso de cabeça Allen e instale as placas laterais.

Ajustar a porta fechada para cortadores de 152 e 182 cm
-
Desengate a tomada de força, desloque as alavancas de controlo do movimento para a POSIçãO DE BLOQUEADAS EM PONTO MORTO e aplique o travão de estacionamento.
-
Desligue o motor, retire a chave e aguarde até que todas as partes em movimento parem antes de sair da posição de operação.
-
Com a porta fechada, verifique e assegure-se de que está ligeiramente apertada contra a estrutura quando fechada.
-
Se for necessário ajuste, ajuste as porcas.
Note: Aumente o comprimento das ligações para reduzir a força. Diminua o comprimento das ligações para aumentar a força.
Note: Certifique-se de que as extremidades esquerda e direita são ajustadas à mesma distância. Com a porta fechada, as ligações devem ser ligeiramente apertadas para minimizar o ruído.
-
Aperte as porcas.

Ajustar a porta aberta para cortadores de 152 e 182 cm
Execute este procedimento depois de ajustar a porta fechada.
-
Retire a placa lateral de ambos os lados do depósito de recolha de relva (Figura 54).

-
Abra a porta.
-
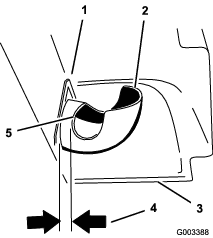
Verifique a distância entre o tubo superior da estrutura da porta e a aba inferior do capot moldado (Figura 55).
Note: A distância deve ser entre 3,2 mm e 9,6 mm.

-
Se for necessário ajuste, ajuste os batentes da dobradiça em ambos os lados de forma a que a distância entre o tubo superior da estrutura da porta e a aba inferior do capot moldado está entre 3,2 mm e 9,6 mm.
Note: Certifique-se de que ambos os batentes esquerdo e direito da dobradiça são ajustados à mesma distância.
-
Aperte as porcas e instale as placas laterais.

Ajuste do travão de estacionamento
| Intervalo de assistência | Procedimento de manutenção |
|---|---|
| Após as pimeiras 100 horas |
|
Consulte o Manual do utilizador da máquina para ajustar o travão de estacionamento.
Inspeção das lâminas do cortador
-
Inspecione as lâminas do cortador regularmente e sempre que uma lâmina bater num objeto estranho.
-
Se as lâminas estiverem gastas ou danificadas, instale as novas lâminas. Consulte o Manual do utilizador do cortador para obter informações completas sobre a manutenção da lâmina.
Instalação das lâminas do cortador
Na maioria das condições de corte, as lâminas de grande elevação normais oferecem o melhor desempenho de recolha.
A lâmina atómica Toro é recomendada para recolha de folhas em condições secas. Em condições secas e poeirentas as lâminas de elevação média ou baixa reduzem a poeira e sujidade projetadas oferecendo um fluxo de ar de recolha eficaz.
Contacte um representante de assistência autorizado para obter as lâminas adequadas para as diferentes condições de corte.
Consulte o Manual do utilizador do cortador para obter informações adicionais sobre como instalar as lâminas.
Instalação do defletor de relva
Aviso
Uma abertura de descarga sem proteção pode fazer com que o cortador de relva projete objetos na direção do utilizador ou outras pessoas e provocar ferimentos graves. Além disso, as pessoas estão em risco porque podem ser atingidas pela lâmina.
-
Nunca utilize o cortador de relva a não ser que monte uma placa de cobertura, uma placa de "mulch", ou uma calha e recetor de relva.
-
Certifique-se de que o defletor de relva está em baixo.
-
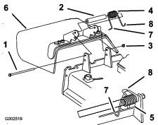
Retire a porca de bloqueio, o parafuso, a mola e a cunha que fixam o defletor aos apoios de articulação (Figura 57).
-
Se o defletor de relva estiver danificado ou gasto, retire-o.
-
Coloque o espaçador e a mola no defletor de relva.
Note: Coloque extremidade em L por trás da extremidade da plataforma.
Note: Certifique-se de que a extremidade em L de mola está montada por trás da extremidade da plataforma antes de colocar o parafuso como apresentado em Figura 57
-
Coloque o parafuso e a porca.
-
Coloque a extremidade em gancho J da mola em torno do defletor de relva (Figura 57).
Important: O defletor de relva tem de ser capaz de descer. Suba o defletor para testar se desce por completo.
















































