Vedlikehold
Anbefalt vedlikeholdsplan
| Vedlikeholdsintervall | Vedlikeholdsprosedyre |
|---|---|
| Etter de 8 første timene |
|
| Etter de 100 første timene |
|
| For hver bruk eller daglig |
|
| Hver 25. driftstime |
|
| Hver 50. driftstime |
|
| Hver 100. driftstime |
|
Rengjøre oppsamlerskjermen
| Vedlikeholdsintervall | Vedlikeholdsprosedyre |
|---|---|
| For hver bruk eller daglig |
|
Rengjør skjermen før hver bruk (oftere i vått gress).
-
Deaktiver kraftuttaket og aktiver parkeringsbremsen.
-
Før du forlater førersetet må du stanse motoren, ta ut nøkkelen og vente til alle deler har sluttet å bevege seg.
-
Åpne oppsamleren.
-
Fjern rusk fra skjermen.
-
Lukk oppsamleren.
Rengjøre oppsamlingssystemet
| Vedlikeholdsintervall | Vedlikeholdsprosedyre |
|---|---|
| For hver bruk eller daglig |
|
-
Vask inn- og utsiden av oppsamlerpanseret, røret og undersiden av gressklipperen. Bruk et mildt rengjøringsmiddel for biler på smuss.
-
Påse at du fjerner gresstufser fra alle deler.
-
La delene tørke godt etter vask.
Note: Når alle delene er montert, slår du på maskinen i ett minutt for at tørkingen skal gå raskere.
Inspisere vifteremmen
| Vedlikeholdsintervall | Vedlikeholdsprosedyre |
|---|---|
| Etter de 8 første timene |
|
| Hver 25. driftstime |
|
Kontroller at remmene ikke har sprekker, frynsete kanter, brennmerker eller annen skade. Skift ut ødelagte remmer.
Skifte vifteremmen for 153 og 183 cm gressklippere
-
Koble fra kraftuttaket, flytt bevegelseskontrollspakene til NøYTRAL LåSESTILLING og bruk parkeringsbremsen.
-
Før du forlater førersetet, må du stanse motoren, ta ut nøkkelen og vente til alle bevegelige deler står stille.
-
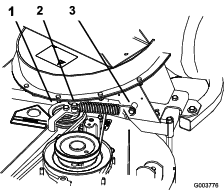
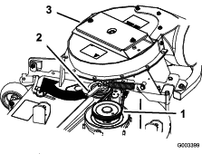
Trekk den fjærbelastede lederullen bakover slik at remspenningen løsner (Figur 40).
-
Fjern først eksisterende oppsamlerrem fra remskiven på klippeenheten og deretter vifteremskivene.
-
Monter den nye remmen rundt vifteremskivene og remskiven på gressklipperen (Figur 40).

-
Monter fjæren som vist i Figur 41.

-
Skyv den fjærbelastede lederullen bakover, og fest remmen til den fjærbelastede lederullen (Figur 40).
Skifte vifterem for 122 og 132 cm gressklippere
-
Koble fra kraftuttaket, flytt bevegelseskontrollspakene til NøYTRAL LåSESTILLING og bruk parkeringsbremsen.
-
Før du forlater førersetet, må du stanse motoren, ta ut nøkkelen og vente til alle bevegelige deler står stille.
-
Løsne remførerbolten (fig.Figur 42).
-
Fjern den eksisterende vifteremmen.
-
Fest den nye remmen rundt vifteremskiven (Figur 42).
-
Monter beltet mellom den faste lederullarmen og remførerbolten.
-
Stram remførerbolten (Figur 42).

-
Monter fjæren som vist i Figur 43.

-
Monter remmen på den fjærbelastede lederullen (Figur 42).
Kontrollere og justere viftelåsen
Steng vifteenheten for å se om låsene er riktig justert. Løsne eller stram boltene slik at låsene holder viften stramt opp mot klippeenheten, men slik at det fremdeles er mulig å frigjøre den manuelt.

Smøre lederullarmen og håndtakstappen
Inspisere oppsamlingssystemet
| Vedlikeholdsintervall | Vedlikeholdsprosedyre |
|---|---|
| Etter de 8 første timene |
|
| Hver 100. driftstime |
|
-
Koble fra kraftuttaket, flytt bevegelseskontrollspakene til NøYTRAL LåSESTILLING og bruk parkeringsbremsen.
-
Før du forlater førersetet, må du stanse motoren, ta ut nøkkelen og vente til alle bevegelige deler står stille.
-
Kontroller øvre rør, nedre rør, oppsamler og vifteenheten.
Note: Skift ut disse delene hvis de er sprukne eller ødelagte.
-
Monter oppsamlerrammen.
Note: Erstatt deler som er sprukket eller ødelagt.
-
Stram alle muttere, bolter og skruer.
Justere den lukkede døren for 153 og 183 cm gressklippere
-
Koble fra kraftuttaket, flytt bevegelseskontrollspakene til NøYTRAL LåSESTILLING og bruk parkeringsbremsen.
-
Før du forlater førersetet, må du stanse motoren, ta ut nøkkelen og vente til alle bevegelige deler står stille.
-
Løsne mutterne med døren lukket, og juster stoppboltene slik at kontaktarmen står rett opp og ned (Figur 47).
-
Juster lengden på hengselsplatene slik at døren lukkes helt og det ikke er for mye trykk på håndtaket (Figur 47).
Note: Forleng platene for å redusere kraften. Gjør platene mindre for å øke kraften
Note: Sørg for at både venstre og høyre side er justert til samme avstand. Platene skal være ganske stramme for å unngå for mye skrangling.
-
Trekk til mutterene.

Justere den åpne døren for 153 og 183 cm gressklippere
Note: Utfør denne prosedyren etter at du har justert døren til å lukkes helt.
Juster håndtaksplaten slik at døren kan åpnes så mye som mulig (Figur 48 og Figur 49).
Note: Forleng håndtaksplaten slik at døren åpnes mer. Gjør håndtaksplaten kortere for mindre døråpning
Note: Hvor langt døren kan åpnes, styres ved at kontaktarmen treffer stopperen. Du kan ikke justere stopp, da denne hindrer at du åpner døren for mye.


Justere låsene for 153 og 183 cm gressklippere
Note: Juster posisjonen til den åpne og lukkede døren før du justerer låsene.
-
Koble fra kraftuttaket, flytt bevegelseskontrollspakene til NøYTRAL LåSESTILLING og bruk parkeringsbremsen.
-
Før du forlater førersetet, må du stanse motoren, ta ut nøkkelen og vente til alle bevegelige deler står stille.
-
Lukk døra.
-
Kontroller at låsene er aktivert og at de er i kontakt med låsestaget som er sveiset til døra (Figur 50).
Note: Låsene må ligge tett mot låsestaget. De må være løse nok til å kunne bevege seg eller ha litt klaring.

Justere armposisjon for 122 og 132 cm gressklippere
Venstre og høyre vinkelarmer må være like langt plassert fra det øvre rammerøret for riktig bruk.
-
Koble fra kraftuttaket, flytt bevegelseskontrollspakene til NøYTRAL LåSESTILLING og bruk parkeringsbremsen.
-
Før du forlater førersetet, må du stanse motoren, ta ut nøkkelen og vente til alle bevegelige deler står stille.
-
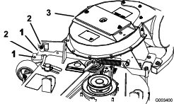
Fjern sideplaten fra begge sidene av oppsamleren (Figur 51).

-
Kontroller avstanden mellom venstre og høyre vinkelarmer og det øvre rammerøret.
Note: Disse målene må være like på begge sider.
-
For å gjøre avstandene like, løsner du unbrakoskruene på navet til høyre vinkelarm (Figur 52).
-
Posisjoner vinkelarmene til samme avstand fra det øvre rammerøret.
-
Stram til bolten på unbrakoskruen og monter sideplatene.

Justere den lukkede døren for 122 og 132 cm gressklippere
-
Koble fra kraftuttaket, flytt bevegelseskontrollspakene til NøYTRAL LåSESTILLING og bruk parkeringsbremsen.
-
Før du forlater førersetet, må du stanse motoren, ta ut nøkkelen og vente til alle bevegelige deler står stille.
-
Med døren lukket må du kontrollere og påse at den ligger litt tett mot rammen når den er lukket.
-
Juster mutterne ved behov.
Note: Forleng platene for å redusere kraften. Gjør platene mindre for å øke kraften.
Note: Sørg for at både venstre og høyre side er justert til samme avstand. Platene skal være ganske stramme for å unngå for mye skrangling.
-
Trekk til mutterene.

Justere den åpne døren for 122 og 132 cm gressklippere
Utfør dette etter at du har justert den lukkede døren.
-
Fjern sideplaten fra begge sider av oppsamleren (Figur 54).

-
Åpne døren.
-
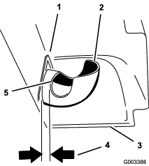
Kontroller avstanden mellom det øvre røret i dørrammen og den nedre kanten på det støpte dekselet (Figur 55).
Note: Avstanden skal være mellom 3,2 mm og 9,6 mm.

-
Hvis justering er nødvendig, justerer du hengselstoppene på begge sider slik at avstanden mellom den øvre slangen til dørrammen og den nedre kanten på det støpte dekselet er mellom 3,2 mm og 9,6 mm.
Note: Sørg for at både venstre og høyre hengselstopp er justert til samme avstand.
-
Stram til mutterne og monter sideplatene.

Justere parkeringsbremsen
| Vedlikeholdsintervall | Vedlikeholdsprosedyre |
|---|---|
| Etter de 100 første timene |
|
Se maskinens brukerhåndbok når du justerer parkeringsbremsen.
Undersøke knivbladene
-
Inspiser knivbladene regelmessig og hver gang en kniv treffer en gjenstand.
-
Monter nye kniver hvis knivene er svært slitt eller skadet. Se brukerhåndboken for gressklipperen for mer informasjon om vedlikehold av knivene.
Montere gressklipperkniver
I de fleste tilfeller er det standardknivene for klipping av høyt gress som gir best ytelse av oppsamler.
Toro Atomic-kniven anbefales for oppsamling av løv under tørre forhold. På tørre, støvete områder er det bedre å bruke kniver med middels eller lav høyde, da disse reduserer mengden støv og smuss som blåser ut, samtidig som de gir effektiv luftstrømning for oppsamling.
Ta kontakt med en autorisert forhandler hvis du lurer på hvilke kniver som egner seg best.
Se brukerhåndboken for gressklipperen for mer informasjon om montering av knivene.
Montere gressavlederen
Advarsel
En utildekket utslippsåpning kan føre til at gressklipperen slynger objekter mot deg eller andre i nærheten, noe som kan resultere i alvorlig skade. Det kan også oppstå kontakt med kniven.
-
Du må aldri bruke gressklipperen uten at du har montert en dekkplate, kvernplate eller en gressutløpssjakt og -oppsamler.
-
Påse at gressavlederen er i den nedre stillingen.
-
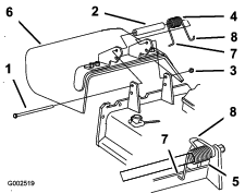
Fjern låsemutteren, bolten, fjæren og avstandsstykket som holder avlederen festet til svingboltbrakettene (Figur 57).
-
Fjern den skadde eller slitte gressavlederen.
-
Plasser avstandsstykket og fjæren oppå gressavlederen.
Note: Plasser L-enden av fjæren bak kanten på enheten.
Note: Påse at L-enden av fjæren er montert bak enhetskanten før du monterer bolten som vist i Figur 57
-
Monter bolt og mutter.
-
Plasser J-krokenden av fjæren rundt gressavlederen (Figur 57).
Important: Gressavlederen må kunne senkes ned i den nedre stillingen. Løft avlederen for å teste at den kan senkes ned til den nederste stillingen.


















































