Vedligeholdelse
Skema over anbefalet vedligeholdelse
| Vedligeholdelsesintervaller | Vedligeholdelsesprocedure |
|---|---|
| Efter de første 8 timer |
|
| Efter de første 100 timer |
|
| Hver anvendelse eller dagligt |
|
| For hver 25 timer |
|
| For hver 50 timer |
|
| For hver 100 timer |
|
Rengøring af opsamlerskærmen
| Vedligeholdelsesintervaller | Vedligeholdelsesprocedure |
|---|---|
| Hver anvendelse eller dagligt |
|
Rengør skærmen før hver brug (oftere i vådt græs).
-
Udkobl kraftudtaget, og aktiver parkeringsbremsen.
-
Stop motoren, fjern nøglen, og vent, til alle bevægelige dele er standset, før du forlader betjeningspositionen.
-
Åbn opsamleren.
-
Fjern snavset fra skærmen.
-
Luk opsamleren.
Rengøring af opsamlingssystemet
| Vedligeholdelsesintervaller | Vedligeholdelsesprocedure |
|---|---|
| Hver anvendelse eller dagligt |
|
-
Vask inder- og ydersiden af opsamlerhjelmen, rørene og undersiden af plæneklipperen. Brug en mild bilshampoo til at fjerne snavs.
-
Sørg for at fjerne sammenklumpet græs fra alle dele.
-
Lad alle delene tørre grundigt efter vask.
Note: Start, og kør maskinen i et minut, når alle delene er monteret. Derved tørrer de hurtigere.
Eftersyn af blæserremmen
| Vedligeholdelsesintervaller | Vedligeholdelsesprocedure |
|---|---|
| Efter de første 8 timer |
|
| For hver 25 timer |
|
Kontroller remmene for revner, flossede kanter, brændemærker eller andre skader. Udskift beskadigede remme.
Udskiftning af blæserremmen på plæneklippere på 152 cm og 183 cm
-
Udkobl kraftudtaget, flyt bevægelseshåndtagene til den NEUTRALE LåSEposition, og aktiver parkeringsbremsen.
-
Stop motoren, fjern nøglen, og vent, til alle bevægelige dele er standset, før du forlader betjeningspositionen.
-
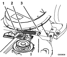
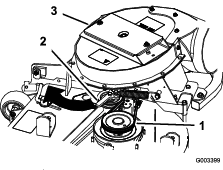
Træk i den fjederbelastede styreremskive for at løsne remspændingen (Figur 40).
-
Fjern den eksisterende opsamlerrem fra plæneklipperskjoldet og derefter blæserremskiverne.
-
Monter den nye rem omkring blæserremskiverne og koblingsremskiven (Figur 40).

-
Monter fjederen som vist i Figur 41.

-
Træk tilbage i den fjederbelastede styreremskive, og monter remmen på den fjederbelastede styreremskive (Figur 40).
Udskiftning af blæserremmen på plæneklippere på 122 cm og 132 cm
-
Udkobl kraftudtaget, flyt bevægelseshåndtagene til den NEUTRALE LåSEposition, og aktiver parkeringsbremsen.
-
Stop motoren, fjern nøglen, og vent, til alle bevægelige dele er standset, før du forlader betjeningspositionen.
-
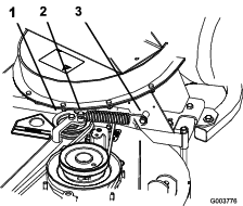
Løsn remmens styrebolt (Figur 42).
-
Fjern den eksisterende blæserrem.
-
Monter den nye rem på blæserremskiven (Figur 42).
-
Monter remmen mellem den faste styreremskive og remmens styrebolt.
-
Stram remmens styrebolt (Figur 42).

-
Monter fjederen som vist i Figur 43.

-
Monter remmen på den fjederbelastede remskive (Figur 42).
Kontrol og justering af blæserklinken
Luk blæserenheden for at se, om låsene er justeret korrekt. Løsn eller stram boltene, så låsene holder blæserenheden fast mod plæneklipperskjoldet, men kan løsnes ved håndkraft.

Smøring af styrearmen og håndtagets drejeled
Eftersyn af opsamlingssystemet
| Vedligeholdelsesintervaller | Vedligeholdelsesprocedure |
|---|---|
| Efter de første 8 timer |
|
| For hver 100 timer |
|
-
Udkobl kraftudtaget, flyt bevægelseshåndtagene til den NEUTRALE LåSEposition, og aktiver parkeringsbremsen.
-
Stop motoren, fjern nøglen, og vent, til alle bevægelige dele er standset, før du forlader betjeningspositionen.
-
Kontroller det øverste rør, det nederste rør, opsamleren og blæserenheden.
Note: Udskift disse dele, hvis de er revnet eller gået i stykker.
-
Kontroller opsamlerrammen.
Note: Udskift alle revnede eller beskadigede dele.
-
Tilspænd alle møtrikker, bolte og skruer.
Justering af den lukkede dør for plæneklippere på 152 cm og 183 cm
-
Udkobl kraftudtaget, flyt bevægelseshåndtagene til den NEUTRALE LåSEposition, og aktiver parkeringsbremsen.
-
Stop motoren, fjern nøglen, og vent, til alle bevægelige dele er standset, før du forlader betjeningspositionen.
-
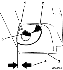
Når døren er lukket, løsnes møtrikkerne, og stopboltene justeres, så kontaktarmen er lige op og ned (Figur 47).
-
Juster længden på hængselleddene, så døren kan lukkes helt, og der er rimelig kraft på håndtaget (Figur 47).
Note: Forlæng leddene for at reducere kraften. Forkort leddene for at forøge kraften
Note: Sørg for, at både venstre og højre side er justeret med den samme afstand. Når døren er lukket, skal leddene være strammet en smule for at minimere svingning.
-
Stram møtrikkerne.

Justering af den åbne dør for plæneklippere på 152 cm og 183 cm
Note: Udfør denne procedure efter justering af døren for at lukke den helt.
Juster håndtagsleddet, så døren kan åbnes så meget som muligt (Figur 48 og Figur 49).
Note: Forlæng håndtagsleddet for at åbne døren mere. Forkort håndtagsleddet for at åbne døren mindre
Note: Kontaktarmen, der trykker på stoppet, styrer, hvor meget døren kan åbnes. Stoppet kan ikke justeres og forhindrer døren i at blive åbnet for meget.


Justering af låsene for plæneklippere på 152 cm og 183 cm
Note: Juster den åbne og lukkede dørposition, inden du justerer låsene.
-
Udkobl kraftudtaget, flyt bevægelseshåndtagene til den NEUTRALE LåSEposition, og aktiver parkeringsbremsen.
-
Stop motoren, fjern nøglen, og vent, til alle bevægelige dele er standset, før du forlader betjeningspositionen.
-
Luk døren.
-
Sørg for, at låsene låser helt og er i berøring med låsestangen, der er svejset på døren (Figur 50).
Note: Låsene skal sidde tæt op mod låsestangen. De skal sidde løst nok til at kunne bevæges eller vrikkes.

Justering af armens position for plæneklippere på 122 cm og 132 cm
Venstre og højre vinkelarm skal positioneres lige langt fra det øverste stelrør for at sikre korrekt brug.
-
Udkobl kraftudtaget, flyt bevægelseshåndtagene til den NEUTRALE LåSEposition, og aktiver parkeringsbremsen.
-
Stop motoren, fjern nøglen, og vent, til alle bevægelige dele er standset, før du forlader betjeningspositionen.
-
Fjern sidepladen fra begge sider af opsamleren (Figur 51).

-
Kontroller afstanden mellem venstre og højre vinkelarm og det øverste stelrør.
Note: Disse mål skal være ens på begge sider.
-
For at gøre afstandene ens skal du løsne unbrakobolten på navet på den højre vinkelarm (Figur 52).
-
Placer vinkelarmene i samme afstand fra det øverste stelrør.
-
Spænd unbrakobolten, og monter sidepladerne.

Justering af den lukkede dør for plæneklippere på 122 cm og 132 cm
-
Udkobl kraftudtaget, flyt bevægelseshåndtagene til den NEUTRALE LåSEposition, og aktiver parkeringsbremsen.
-
Stop motoren, fjern nøglen, og vent, til alle bevægelige dele er standset, før du forlader betjeningspositionen.
-
Når døren er lukket, skal det kontrolleres og sikres, at den sidder en smule stramt mod stellet, når den er lukket.
-
Juster møtrikkerne, hvis der er behov for justering.
Note: Forlæng leddene for at reducere kraften. Forkort leddene for at forøge kraften.
Note: Sørg for, at både venstre og højre side er justeret med den samme afstand. Når døren er lukket, skal leddene være strammet en smule for at minimere svingning.
-
Stram møtrikkerne.

Justering af den åbne dør for plæneklippere på 122 cm og 132 cm
Dette udføres efter justering af den lukkede dør.
-
Fjern sidepladen fra begge sider af opsamleren (Figur 54).

-
Åbn døren.
-
Kontroller afstanden mellem dørrammens øverste rør og den nederste kant på den støbte motorhjelm (Figur 55).
Note: Afstanden skal være mellem 3,2 mm og 9,6 mm.

-
Juster om nødvendigt hængselstoppene på begge sider, så afstanden mellem dørrammens øverste rør og den nederste kant på den støbte motorhjelm er på mellem 3,2 mm og 9,6 mm.
Note: Sørg for, at både venstre og højre hængselstop justeres med den samme afstand.
-
Spænd møtrikkerne, og monter sidepladerne.

Justering af parkeringsbremsen
| Vedligeholdelsesintervaller | Vedligeholdelsesprocedure |
|---|---|
| Efter de første 100 timer |
|
Se maskinens betjeningsvejledning for at justere parkeringsbremsen.
Eftersyn af skæreknivene
-
Efterse skæreknivene jævnligt, og når en skærekniv rammer et fremmedlegeme.
-
Hvis skæreknivene er meget slidte eller beskadigede, skal der monteres nye skæreknive. Se din plæneklippers betjeningsvejledning for at få oplysninger om komplet skæreknivvedligeholdelse.
Montering af plæneklipperens skæreknive
Under de fleste klippeforhold giver skæreknivenes standardplacering med højt løft den bedste opsamlingskapacitet.
Toro Atomic-skærekniven anbefales til opsamling af blade under tørre forhold. Under tørre, støvede forhold vil skæreknivenes middelplacering eller lave placering mindske støv og udblæsning af jord, mens de leverer en effektiv luftgennemstrømning i opsamleren.
Kontakt en autoriseret forhandler for at få de rette skæreknive til de forskellige klippeforhold.
Se plæneklipperens betjeningsvejledning for at få yderligere oplysninger om montering af skæreknive.
Montering af græsdeflektoren
Advarsel
En utildækket udblæsningsåbning kan medføre, at der udkastes genstande mod dig eller andre, hvilket kan medføre alvorlig personskade. Der kan også opstå kontakt med skærekniven.
-
Betjen aldrig plæneklipperen uden at have monteret en dækplade, en kværnafskærmning eller en græssliske og et græsfang.
-
Sørg for, at græsdeflektoren er i sænket position.
-
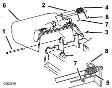
Fjern låsemøtrikken, bolten, fjederen og afstandsbøsningen, som fastholder græsdeflektoren til akselbeslagene (Figur 57).
-
Fjern den beskadigede eller slidte græsdeflektor.
-
Placer afstandsbøsningen og fjederen på græsdeflektoren.
Note: Placer fjederens L-formede ende bag skjoldets kant.
Note: Sørg for, at fjederens L-formede ende monteres bag skjoldets kant, før bolten monteres som vist i Figur 57
-
Montering af bolt og møtrik.
-
Placer fjederens J-formede ende omkring græsdeflektoren (Figur 57).
Important: Græsdeflektoren skal kunne sænkes ned på plads. Løft deflektoren op for at kontrollere, at den kan sænkes helt ned.


















































