| Intervalo de mantenimiento y servicio | Procedimiento de mantenimiento |
|---|---|
| Cada vez que se utilice o diariamente |
|
Esta máquina es una máquina multiuso de asiento, diseñada para ser usada por operadores profesionales contratados en aplicaciones comerciales. Está diseñada principalmente para el cuidado de césped bien mantenido en parques, campos deportivos y zonas verdes comerciales. El uso de este producto para otros propósitos que los previstos podría ser peligroso para usted y para otras personas.
Lea este manual detenidamente para aprender a utilizar y mantener correctamente su producto, y para evitar lesiones y daños al producto. Usted es responsable de utilizar el producto de forma correcta y segura.
Visite www.Toro.com para buscar materiales de formación y seguridad o información sobre accesorios, para localizar un distribuidor o para registrar su producto.
Cuando necesite asistencia técnica, piezas genuinas Toro o información adicional, póngase en contacto con un Servicio Técnico Autorizado o con Asistencia al Cliente de Toro, y tenga a mano los números de modelo y serie de su producto. Figura 1 identifica la ubicación de los números de modelo y serie en el producto. Escriba los números en el espacio provisto.
Important: Con su dispositivo móvil, puede escanear el código QR de la calcomanía del número de serie (en su caso) para acceder a información sobre la garantía, las piezas, y otra información sobre el producto.

Este manual identifica peligros potenciales y contiene mensajes de seguridad identificados por el símbolo de alerta de seguridad (Figura 2), que señala un peligro que puede causar lesiones graves o la muerte si usted no sigue las precauciones recomendadas.

Este manual utiliza 2 palabras más para resaltar información. Importante llama la atención sobre información mecánica especial, y Nota resalta información general que merece una atención especial.
Este producto cumple todas las directivas europeas aplicables; si desea más detalles, consulte la Declaración de Conformidad (Declaration of Conformity – DOC) de cada producto.
El uso o la operación del motor en cualquier terreno forestal, de monte o cubierto de hierba a menos que el motor esté equipado con parachispas (conforme a la definición de la sección 4442) mantenido en buenas condiciones de funcionamiento, o que el motor haya sido fabricado, equipado y mantenido para la prevención de incendios, constituye una infracción de la legislación de California (Sección 4442 o 4443 del California Public Resource Code).
El Manual del propietario del motor adjunto ofrece información sobre las normas de la U.S. Environmental Protection Agency (EPA) y de la California Emission Control Regulation sobre sistemas de emisiones, mantenimiento y garantía. Puede solicitarse un manual nuevo al fabricante del motor.
Si la máquina está equipada con un dispositivo telemático, consulte a su distribuidor autorizado Toro para obtener instrucciones para activar el dispositivo.
CALIFORNIA
Advertencia de la Propuesta 65
Es sabido por el Estado de California que los gases de escape de los motores diesel y algunos de sus componentes causan cáncer, defectos congénitos y otros peligros para la reproducción.
Los bornes, terminales y otros accesorios de la batería contienen plomo y compuestos de plomo, productos químicos reconocidos por el Estado de California como causantes de cáncer y daños reproductivos. Lávese las manos después de manejar el material.
El uso de este producto puede provocar la exposición a sustancias químicas que el Estado de California considera causantes de cáncer, defectos congénitos u otros trastornos del sistema reproductor.
Este producto es capaz de amputar manos y pies y de lanzar objetos al aire. Siga siempre todas las instrucciones de seguridad con el fin de evitar lesiones personales graves.
Lea y comprenda el contenido de este manual del operador antes de arrancar el motor.
Preste toda su atención al utilizar la máquina. No realice ninguna actividad que genere distracciones, de lo contrario pueden producirse lesiones o daños en la propiedad.
No utilice la máquina a menos que tenga instalados y estén en funcionamiento todos los protectores y otros dispositivos de seguridad.
Mantenga las manos y los pies alejados de las piezas en movimiento. Manténgase alejado de la apertura de descarga.
Mantenga a otras personas, especialmente a los niños, alejadas del área de operación. Nunca permita a los niños utilizar la máquina.
Apague el motor, retire la llave y espere a que se detenga todo movimiento antes de dejar el puesto del operador. Deje que la máquina se enfríe antes de realizar ajustes, tareas de mantenimiento y de limpieza o de guardarla.
El uso o mantenimiento incorrecto de esta máquina puede
causar lesiones. Para reducir el peligro de lesiones, cumpla estas
instrucciones de seguridad y preste atención siempre al símbolo
de alerta de seguridad
, que significa: Cuidado, Advertencia o Peligro
– instrucción relativa a la seguridad personal. El incumplimiento
de estas instrucciones puede dar lugar a lesiones personales o la
muerte.
![]() |
Las calcomanías e instrucciones de seguridad están a la vista del operador y están ubicadas cerca de cualquier zona de peligro potencial. Sustituya cualquier calcomanía que esté dañada o que falte. |





Modelo con cabina solamente















Pegatina 144-3952: Fijar sobre la pegatina 139-6215 (como se muestra en las Instrucciones de instalación del Kit CE) para su uso en países que requieran cumplimiento CE (Modelos 31900 y 31901 solamente).

Retire los tornillos que sujetan los cubos de las ruedas traseras al palet.
Corte la brida que sujeta el árbol de transmisión a las ruedas traseras.
Retire las ruedas traseras del palet de transporte.
Eleve la barra antivuelco; consulte Elevación de la barra antivuelco.
Conecte una grúa a la parte superior central de la barra antivuelco y eleve la máquina.
Retire el palet de transporte de la parte inferior de la máquina.
Coloque 2 gatos fijos debajo de la zona trasera de la máquina, como se muestra en la Elevación de la parte trasera de la máquina.
Baje la máquina sobre los gatos fijos.
Piezas necesarias en este paso:
| Rueda trasera | 2 |
| Tuerca de rueda | 8 |
Utilice 4 tuercas para sujetar la rueda al cubo de la rueda (Figura 3).

Apriete las tuercas de las ruedas; consulte Apriete de las tuercas de las ruedas.
Note: Debe realizar este procedimiento para instalar correctamente los brazos de elevación.
Coloque gatos fijos debajo de los tubos delanteros de los bastidores laterales para elevar las ruedas delanteras; consulte Elevación de la parte delantera de la máquina.
Afloje y retire las tuercas de las ruedas (Figura 10).

Retire las ruedas de los cubos de las ruedas (Figura 10).
Piezas necesarias en este paso:
| Brazo de elevación derecho | 1 |
| Brazo de elevación izquierdo | 1 |
| Pasador grande | 2 |
| Perno (⅜" × 2¾") | 2 |
| Tuerca (⅜") | 4 |
| Pasador pequeño | 2 |
| Perno (⅜" × 1¼") | 2 |
| Engrasador | 2 |
Note: Solicite la ayuda de otra persona para instalar los brazos de elevación, si es necesario.
Retire los brazos de elevación del palet de transporte.
Utilice 2 pasadores grandes para instalar los brazos de elevación en el bastidor de la máquina (Figura 5).

Instale los engrasadores en los pasadores grandes (Figura 5).
Utilice 2 tuercas (⅜") y 2 pernos (⅜" x 2¾") para sujetar los pasadores grandes al bastidor (Figura 6).

Realice los pasos siguientes para sujetar los cilindros hidráulicos a los brazos de elevación:
Coloque un recipiente de vaciado debajo del distribuidor hidráulico (ilustrado en la Figura 7).
Note: Será necesario purgar una pequeña cantidad de fluido hidráulico para retraer manualmente los cilindros de elevación.

Afloje la tuerca giratoria de la manguera conectada al orificio C1 del distribuidor hidráulico (Figura 8).

Utilice un botador para alinear los orificios de las varillas de los cilindros con los orificios de los brazos de elevación (Figura 9).
Note: Eleve a fondo el brazo de elevación para facilitar la alineación.

Utilice 2 pernos (⅜" × 1¼"), 2 tuercas (⅜") y 2 pasadores pequeños para sujetar los brazos de elevación a los cilindros (Figura 9).
Apriete la tuerca giratoria de la manguera del orificio C1 (Figura 8) a 41 N∙m.
Note: Utilice una llave inglesa de respaldo para evitar que se tuerza la manguera.
Engrase las articulaciones de los pasadores de enganche y las articulaciones de los pasadores de los brazos de elevación; consulte Engrasado de cojinetes y casquillos.
Utilice las tuercas que retiró anteriormente para sujetar las ruedas a los cubos de las ruedas (Figura 10).

Apriete las tuercas de las ruedas; consulte Apriete de las tuercas de las ruedas.
Piezas necesarias en este paso:
| Placa de amarre | 1 |
| Perno (⅜" × 3¼") | 2 |
| Tuerca (⅜") | 2 |
Utilice 2 pernos (⅜" x 3¼") y 2 tuercas (⅜") para sujetar la placa de amarre a la plataforma (Figura 11).

Piezas necesarias en este paso:
| Kit de asiento (se adquiere por separado; consulte a su distribuidor autorizado Toro) | 1 |
Instale el asiento; consulte las Instrucciones de instalación del Kit de asiento.
Piezas necesarias en este paso:
| Volante | 1 |
| Cubierta | 1 |
Retire el volante del calzo de transporte (Figura 12).

Retire la tuerca Nyloc y la arandela de la columna de dirección.
Note: Asegúrese de que el collar de espuma permanece en el eje de dirección (Figura 12).
Deslice el volante y la arandela sobre la columna de dirección (Figura 12).
Mientras sostiene el volante, utilice la tuerca nyloc para sujetar el volante al eje. Apriete la tuerca Nyloc a 27–35 N·m.
Monte la tapa en el volante (Figura 12).
Piezas necesarias en este paso:
| Parachoques | 1 |
| Perno (⅜" × 2¾") | 2 |
| Perno (⅜" × 3¼") | 4 |
| Tuerca (⅜") | 6 |
Retire el parachoques del palet de transporte.
Sujete provisionalmente el área superior del parachoques en el bastidor de la máquina usando 4 pernos (⅜" x 3¼") y 4 tuercas (⅜"), tal y como se muestra en la Figura 13.

Sujete provisionalmente el parachoques bajo el bastidor de la máquina usando 2 pernos (⅜" × 2-¾") y 2 tuercas (⅜"), tal y como se muestra en la Figura 13.
Apriete los herrajes a entre 37 y 45 N∙m.
Conecte la batería; consulte Conexión de la batería.
Piezas necesarias en este paso:
| Accesorio opcional (se adquiere por separado; consulte a su distribuidor Toro autorizado) | 1 |
| Tornillo Allen (⅜") | 2 |
| Arandela (⅜") | 2 |
| Contratuerca con arandela prensada (⅜") | 2 |
Important: Al cambiar de accesorio, confirme con el distribuidor Toro autorizado el número correcto de pesos traseros para el accesorio concreto.
Instale el accesorio delantero (por ejemplo, unidad de corte, desbrozadora, pala de quitanieves o soplador); siga estos pasos y consulte las instrucciones de instalación adicionales del Manual del operador del accesorio.
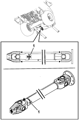
Mientras sostiene el árbol de transmisión, retire el tornillo de caperuza y la contratuerca que fijan la horquilla del árbol de transmisión al soporte de montaje de la válvula de dirección (Figura 14), y baje con cuidado el árbol de transmisión.
Note: Deseche el tornillo de caperuza y la contratuerca.

Asegúrese de que el árbol de la TDF esté alineado; consulte Alineación del árbol de la TDF.
Haga que un ayudante se siente en el asiento, gire la llave a la posición de CONECTADO y utilice el interruptor de elevación del accesorio para bajar los brazos de elevación mientras presiona hacia abajo sobre los brazos de elevación.
Alinee los taladros en el brazo de elevación con los taladros en el brazo del accesorio, tal y como se describe en las Instrucciones de instalación del accesorio.
Alinee las acanaladuras de la horquilla del árbol de transmisión con las acanaladuras del eje de entrada del accesorio (Figura 15) y deslice la horquilla sobre el eje.

Monte un tornillo de caperuza de cabeza allen (⅜" x 2¼") a través de una arandela (⅜") y del taladro en la horquilla del árbol de transmisión (Figura 16) y fije el tornillo de caperuza con una contratuerca con arandela prensada (⅜").

Monte un tornillo de caperuza de cabeza allen (⅜" x 2¼") a través de una arandela (⅜") y del taladro en la horquilla del árbol de transmisión desde la dirección opuesta (Figura 16) y fije el tornillo de caperuza con una contratuerca con arandela prensada (⅜").
Apriete las contratuercas en incrementos hasta 61 N∙m en un patrón alterno.
Antes de arrancar el motor por primera vez, realice las siguientes comprobaciones de los niveles de fluido:
Compruebe el nivel de aceite del motor; consulte Comprobación del nivel de aceite del motor.
Compruebe el nivel de refrigerante; consulte Comprobación del sistema de refrigeración y del nivel del refrigerante.
Compruebe el nivel de fluido hidráulico; consulte Comprobación del nivel de fluido hidráulico.
Compruebe la presión de los neumáticos; consulte Comprobación de la presión de aire de los neumáticos.
Important: Mantenga la presión correcta en todos los neumáticos para asegurar una buena calidad de corte y un rendimiento correcto de la máquina. No use los neumáticos con presiones menores que las recomendadas.
Piezas necesarias en este paso:
| Kit CE (se adquiere por separado; consulte a su distribuidor autorizado Toro) | 1 |
Si utiliza esta máquina en un país que cumpla con las normas CE, instale el kit CE; consulte las Instrucciones de instalación del kit.
Piezas necesarias en este paso:
| Peso – 19 kg [el número varía según el modelo] | |
| Peso – 6 kg [el número varía según el modelo] |
Consulte en la tabla siguiente el peso suministrado con cada máquina:
| Modelo | Peso trasero suministrado |
| 31902A | 0 pesos |
| 31903A | 5 pesos (19 kg cada uno) y 2 pesos (6 kg cada uno) |
Asegúrese de que la máquina dispone de la cantidad mínima de peso trasero según la unidad de tracción y la combinación de accesorios. En el caso del modelo 31902A, también puede añadir más peso trasero para mejorar el rendimiento en pendientes.
Para determinar la cantidad mínima necesaria de pesos, consulte la tabla Peso trasero mínimo necesario.
Para lograr un rendimiento mejorado en pendientes, añada la cantidad de cada tipo de pesos que se indica en la tabla Peso trasero necesario para lograr un rendimiento mejorado en pendientes.
Para garantizar un rendimiento adecuado del ROPS, no añada más pesos de los que se indican en esta tabla.
Note: Si se ha instalado un kit CE, consulte las Instrucciones de instalación del kit para conocer cuál es la pegatina de pendientes adecuada para la unidad de tracción y la combinación de accesorios. Asegúrese de que se añade la cantidad correcta de peso trasero (es decir, el peso para cumplir la norma de pendientes necesaria, o bien el peso para lograr un rendimiento mejorado en pendientes).
| Número de modelo de la unidad de tracción | Número de modelo o nombre del accesorio | Número necesario de pesos | ||
|---|---|---|---|---|
| 19 kg (42 lb) | 6 kg (15 lb) | Total | ||
![]() | ![]() |
|||
| 31902A | 31970, 31971, 31974 | 0 | 0 | 0 |
| 31970, 31971, 31974 y toldo | 0 | 0 | 0 | |
| 31972, 31973, 31975 | 0 | 0 | 0 | |
| 31972, 31973, 31975 y toldo | 1 | 0 | 1 | |
| 02835 | 1 | 0 | 1 | |
| 02835 y toldo | 1 | 0 | 1 | |
| Barredora rotativa M-B | 1 | 0 | 1 | |
| 31903A | 31970, 31971 | 5 | 2 | 7 |
| 31972, 31973 | ||||
| 02835 | ||||
| MSC23345 | ||||
| Barredora rotativa M-B | ||||
| Lanzanieves Erskine | ||||
| Número de modelo de la unidad de tracción | Número de modelo o nombre del accesorio | Número necesario de pesos | ||
|---|---|---|---|---|
| 19 kg (42 lb) | 6 kg (15 lb) | Total | ||
![]() | ![]() |
|||
| 31902A | 31970, 31971, 31974 | 4 | 0 | 4 |
| 31970 y toldo | 4 | 0 | 4 | |
| 31971, 31974 y toldo | 3 | 0 | 3 | |
| 31972, 31973, 31975 | 3 | 1 | 4 | |
| 31972, 31973, 31975 y toldo | 2 | 0 | 2 | |
| 02835 | 2 | 2 | 4 | |
| 02835 y toldo | 1 | 0 | 1 | |
Si necesita añadir peso trasero, póngase en contacto con su distribuidor autorizado Toro para obtener pesos adicionales y consulte los siguientes procedimientos de instalación:
Afloje las fijaciones que sujetan la varilla de sujeción de los pesos al parachoques.

Añada la cantidad necesaria de pesos.
Apriete las fijaciones de la varilla de sujeción para sujetar los pesos al parachoques.
Consulte a su distribuidor autorizado Toro para pedir las piezas siguientes:
| Nombre de la pieza | Cantidad | Número de pieza |
| Tornillo (⅜" x 3½") | 2 | 116-4701 |
| Arandela | 2 | 125-9676 |
| Tuerca (⅜") | 2 | 104-8301 |
Utilice las fijaciones para sujetar los pesos al parachoques (Figura 18).

Realice este procedimiento únicamente si va a instalar un accesorio que no sea el conjunto de unidades de corte rotativas estándar (por ejemplo, lanzanieves, pala o desbrozadora).
La presión hidráulica utilizada para transferir el peso del accesorio a la unidad de tracción puede modificarse ajustando la válvula de transferencia de peso del distribuidor hidráulico. Para obtener el mejor rendimiento, ajuste la válvula de transferencia de peso para minimizar los rebotes del accesorio en terrenos irregulares, pero sin que el manejo del accesorio resulte pesado en terreno llano o baje demasiado deprisa.
Para mejorar las prestaciones de seguimiento del terreno del accesorio cuando se utiliza la máquina sobre terrenos irregulares, reduzca la presión de transferencia de peso (presión hidráulica) en el distribuidor hidráulico.
Note: Si las ruedas giratorias del accesorio o el borde delantero del lanzanieves flotan por encima del suelo, la presión hidráulica de la válvula de transferencia de peso es demasiado alta.
Al segar césped plano, aumente la presión de transferencia de peso en el distribuidor hidráulico si la unidad de corte deja calvas en el césped, si la calidad de corte no es uniforme de un lado a otro, o si el borde delantero de un lanzanieves rasca el suelo con demasiada fuerza.
Note: El aumento de la presión de transferencia de peso también transfiere el peso del accesorio a las ruedas de la unidad de tracción, mejorando así la tracción de la unidad de tracción.
Ajuste la presión de transferencia de peso de la siguiente manera:
Haga funcionar la máquina durante 10 minutos.
Note: Esto calentará el fluido hidráulico.
Aparque la máquina en una superficie nivelada, baje el accesorio, ponga el freno de estacionamiento, apague el motor y retire la llave del interruptor.
Localice el distribuidor de elevación desde debajo de la máquina (Figura 19).

Conecte un manómetro al punto de prueba (marcado G1; consulteFigura 20).

En el lateral del distribuidor de elevación, retire el tapón del punto de prueba (marcado G1; consulteFigura 20).
Afloje la contratuerca del extremo de la válvula de transferencia de peso (marcado LC; consulte Figura 20).
Arranque el motor y ponga el acelerador en RALENTí ALTO.
Utilice una llave allen para ajustar la válvula de contrapeso de la válvula de transferencia de peso hasta que el manómetro indique la presión deseada; consulte la presión recomendada del accesorio en la tabla siguiente.
Gire el tornillo de ajuste en sentido horario para aumentar la presión.
Gire el tornillo de ajuste en sentido antihorario para reducir la presión.
| Accesorio | Presión de transferencia de peso |
|---|---|
| Unidad de corte rotativa | 17,24 bar |
| Cortacésped desbrozador (N.º de modelo 02835) | 13,79 bar |
| Lanzanieves | 17,24 bar |
| Pala quitanieves (N.º de modelo MSC23345 y STB13567B) | 13,79 bar |
| Barredora rotativa (1,5 m) | 17,24 bar |
Apague el motor y retire la llave.
Apriete la contratuerca del extremo de la válvula de transferencia de peso, y apriete la tuerca a 13–16 N·m.
Instale el tapón en el punto de prueba.
Retire el manómetro del punto de prueba.

Note: Ajuste la posición del asiento antes de utilizar la máquina. Consulte las instrucciones de ajuste del asiento en las Instrucciones de instalación del kit de asiento.
Pise el pedal de tracción (Figura 22) para desplazarse hacia adelante o hacia atrás.
Para mover la máquina hacia adelante: Pise la parte superior del pedal con los dedos de los pies.
Para mover la máquina hacia atrás: Pise la parte inferior del pedal con los dedos de los pies.
Note: Puede mantener un movimiento constante apoyando el talón en la plataforma y pisando el pedal con los dedos de los pies.
La velocidad de avance es proporcional al recorrido del pedal. Para obtener la velocidad máxima de avance, debe pisar a fondo el pedal de tracción con el acelerador en la posición de RáPIDO. La velocidad máxima hacia adelante es la siguiente:
Modelo 31902A: 23 km/h
Modelo 31903A: 19 km/h
Para obtener la máxima potencia con una carga pesada o para subir una cuesta, ponga el acelerador en la posición de RáPIDO y pise ligeramente el pedal de tracción, con el fin de mantener altas las revoluciones del motor. Si la velocidad del motor empieza a decaer rápidamente, suelte un poco el pedal de tracción para aumentar la velocidad del motor.

Para inclinar el volante hacia usted, presione hacia abajo la palanca de dirección inclinable (Figura 22) y tire de la columna de dirección hacia usted. Suelte la palanca cuando la columna de dirección esté en una posición que le permita manejar cómodamente el volante.
Cada vez que apague el motor, ponga el freno de estacionamiento (Figura 16) para evitar que la máquina se desplace accidentalmente.
Para poner el freno de estacionamiento: Tire de la palanca hacia arriba a la posición de PUESTO.

Para quitar el freno de estacionamiento: Utilice el dedo pulgar para presionar el botón de la parte superior de la palanca, y baje la palanca a la posición de QUITADO.
Note: Si la palanca no está totalmente bajada, la máquina se apaga cuando se engrana el pedal de tracción.
Consulte las secciones siguientes para ver una descripción de los controles de la consola (Figura 24).

El interruptor de elevación del accesorio eleva el accesorio a la posición más alta (es decir, la posición de TRANSPORTE) y baja el accesorio a la posición más baja (es decir, a la posición de OPERACIóN).
Para elevar el accesorio: Presione la parte trasera del interruptor.
Para bajar el accesorio: Presione la parte delantera del interruptor.
Eleve el accesorio a la posición de TRANSPORTE cada vez que transporte la máquina entre lugares de trabajo. Baje el accesorio a la posición de OPERACIóN si no va a utilizar la máquina.
Para engranar la TDF: Tire hacia arriba del interruptor.
Para desengranar la TDF: Presione hacia abajo el interruptor.
La única vez que debe engranar la TDF es cuando el accesorio impulsado por la TDF está en la posición de OPERACIóN (bajado al suelo con el árbol de transmisión conectado) y usted está listo para empezar a trabajar.
Note: Si abandona el asiento del operador con el mando de la TDF en la posición de ENGRANADO, el motor se apagará automáticamente; consulte Reinicio de la TDF.
El interruptor de encendido tiene tres posiciones: DESCONECTADO, CONECTADO/PRECALENTAMIENTO y ARRANQUE.
Utilice el interruptor para arrancar o apagar el motor [consulte Cómo arrancar el motor o Apagado del motor] o para revisar la información de la pantalla [consulte Descripción de la información de la pantalla].
Utilice el interruptor para ajustar la velocidad del motor.
Para aumentar la velocidad del motor: Pulse y suelte la parte delantera del interruptor para aumentar la velocidad en 100 rpm. Mantenga pulsado para aumentar la velocidad hasta la cantidad máxima.
Para reducir la velocidad del motor: Pulse la parte trasera del interruptor para reducir la velocidad en 100 rpm. Mantenga pulsado para reducir la velocidad hasta la cantidad mínima (ralentí).
La pantalla muestra información sobre su máquina, como por ejemplo el estado operativo, diferentes diagnósticos y otra información.
Consulte Descripción de la información de la pantalla para obtener más información sobre la pantalla.
Consulte Uso del botón de la pantalla.

Utilice el interruptor (Figura 25) para activar o desactivar el limpiaparabrisas.
Gire el mando de control del ventilador (Figura 25) para regular la velocidad del ventilador.
Gire el mando de control de la temperatura (Figura 25) para regular la temperatura de aire de la cabina.
Note: Las especificaciones y diseños están sujetos a modificación sin previo aviso.

| Descripción | Figura 26 referencia | Dimensión o peso | |
| Altura con la barra antivuelco elevada | D | 200 cm | |
| Altura con la barra antivuelco bajada | C | 111 cm | |
| Altura con cabina | J | 226 cm | |
| Longitud total (sin pesos traseros) [modelo 31902A] | Con accesorio instalado | F | Máximo de 312 cm |
| Unidad de tracción solamente | H | Máximo de 253 cm | |
| Longitud total (pesos traseros equipados) [modelo 31903A] | Con accesorio instalado | G | Máximo de 332 cm |
| Unidad de tracción solamente | I | Máximo de 272 cm | |
| Anchura total | B | Consulte Especificaciones. | |
| Distancia entre ejes | E | 132 cm | |
| Ancho del dibujo de las ruedas delanteras | A | 136 cm | |
| Ancho del dibujo de las ruedas traseras | 128 cm | ||
| Separación del suelo | 21 cm | ||
| Peso neto (modelo 31902A) | 860 kg (1.896 lb) | ||
| Peso neto (modelo 31903A) | 1.132 kg (2.496 lb) | ||
Consulte en la tabla siguiente las medidas de anchura según el equipamiento de su unidad de corte:
| Unidad de corte | Anchura |
| Modelo 31970 | 198 cm |
| Modelo 31971 | 168 cm |
| Modelo 31972 | 228 cm |
| Modelo 31973 | 198 cm |
| Modelo 31974 | 158 cm |
| Modelo 31975 | 188 cm |
| Modelo 02835 (desbrozadora) | 218 cm |
Está disponible una selección de aperos y accesorios homologados por Toro que se pueden utilizar con la máquina a fin de potenciar y aumentar sus prestaciones. Póngase en contacto con su servicio técnico autorizado o con su distribuidor Toro autorizado, o bien visite www.Toro.com para obtener una lista de todos los aperos y accesorios homologados.
Para garantizar un rendimiento óptimo, utilice únicamente piezas de repuesto y accesorios genuinos de Toro. Las piezas de repuesto y accesorios de otros fabricantes podrían ser peligrosos, y su uso podría invalidar la garantía del producto
No deje nunca que la máquina sea utilizada o mantenida por niños o por personas que no hayan recibido la formación adecuada al respecto. La normativa local puede imponer límites sobre la edad del operador. El propietario es responsable de proporcionar formación a todos los operadores y mecánicos.
Familiarícese con la operación segura del equipo, los controles del operador y las señales de seguridad.
Apague el motor, retire la llave y espere a que se detenga todo movimiento antes de dejar el puesto del operador. Deje que la máquina se enfríe antes de realizar ajustes, tareas de mantenimiento y de limpieza o de guardarla.
Sepa cómo parar la máquina y apagar el motor rápidamente.
Compruebe que los controles de presencia del operador, los interruptores de seguridad y los protectores están colocados y que funcionan correctamente. No utilice la máquina si no funcionan correctamente.
Antes de segar, inspeccione siempre la máquina para asegurarse de que las cuchillas, los pernos de las cuchillas y los conjuntos de corte están en buenas condiciones de funcionamiento. Sustituya las cuchillas o los pernos gastados o dañados en conjuntos completos para no desequilibrar la máquina.
Inspeccione la zona en la que va a utilizar la máquina y retire cualquier objeto que pudiera ser arrojado por la máquina.
Extreme las precauciones al manejar el combustible. Es inflamable y sus vapores son explosivos.
Apague cualquier cigarrillo, cigarro, pipa u otra fuente de ignición.
Utilice solamente un recipiente de combustible homologado.
No retire la tapa de combustible ni llene el depósito de combustible si el motor está en marcha o está caliente.
No añada ni drene combustible en un lugar cerrado.
No guarde la máquina o un recipiente de combustible en un lugar donde pudiera haber una llama desnuda, chispas o una llama piloto, por ejemplo en un calentador de agua u otro electrodoméstico.
Si se derrama combustible, no intente arrancar el motor; evite crear fuentes de ignición hasta que los vapores del combustible se hayan disipado.
Compruebe los sistemas siguientes de la máquina cada día antes de utilizar la máquina:
Indicador del limpiador de aire; consulte Mantenimiento del limpiador de aire
Aceite del motor; consulte Comprobación del nivel de aceite del motor
Sistema de refrigeración; consulte Comprobación del sistema de refrigeración y del nivel del refrigerante
Rejilla del capó y radiador; consulte Comprobación de las aletas de refrigeración
Nivel de fluido hidráulico; consulte Comprobación del nivel de fluido hidráulico
Puntos de engrase del árbol de la TDF; consulte Engrasado de cojinetes y casquillos
| Intervalo de mantenimiento y servicio | Procedimiento de mantenimiento |
|---|---|
| Cada vez que se utilice o diariamente |
|
Especificación de la presión de aire de los neumáticos: 1,38 bar.
Si la presión de los neumáticos es baja, se reduce la estabilidad en pendientes laterales. Esto podría causar un vuelco, que podría dar lugar a lesiones personales o la muerte.
No use los neumáticos con presiones menores que las recomendadas.
Compruebe la presión de los neumáticos delanteros y traseros. Añade o quite aire según sea necesario para establecer la presión correcta de aire de los neumáticos.
Important: Mantenga la presión de todos los neumáticos para asegurar una buena calidad de corte y un rendimiento correcto de la máquina.Compruebe la presión de todos los neumáticos antes de utilizar la máquina.

Important: Utilice solamente combustible diésel con contenido ultrabajo en azufre.El incumplimiento de las siguientes precauciones puede dañar el motor.
No utilice nunca queroseno o gasolina en lugar de combustible diésel.
No mezcle nunca queroseno o aceite de motor usado con el combustible diésel.
No mantenga nunca el combustible en envases chapados con zinc en el interior.
No utilice aditivos para el combustible.
Utilice únicamente combustible diésel o biodiésel limpio y nuevo.
Compre el combustible en cantidades que puedan ser consumidas en 180 días para asegurarse de que el combustible es nuevo.
Número de octanos: 40 o más
Contenido de azufre: Azufre ultrabajo (<15 ppm)
Utilice combustible diésel tipo verano (N.º 2-D) a temperaturas superiores a -7 °C y combustible tipo invierno (N.º 1-D o mezcla de N.º 1-D/2-D) a temperaturas inferiores a -7 °C.
Note: El uso de combustible tipo invierno a bajas temperaturas proporciona un punto de inflamación menor y características de flujo en frío que facilitan el arranque y reducen la obturación del filtro del combustible.El uso de combustible tipo verano con temperaturas por encima de los -7 °C contribuirá a alargar la vida útil de la bomba de combustible y a incrementar la potencia en comparación con el combustible tipo invierno.
Esta máquina puede emplear también un combustible mezclado de biodiésel de hasta B20 (20 % biodiésel, 80 % diésel de petróleo).
Contenido de azufre: Azufre ultrabajo (<15 ppm)
Especificación de combustible biodiésel: ASTM D6751 o EN 14214
Especificación de combustible mezclado: ASTM D975, EN 590 o JIS K2204
Important: La parte de diésel de petróleo deberá tener un contenido ultrabajo en azufre.
Observe las siguientes precauciones:
Las mezclas de biodiésel pueden dañar las superficies pintadas.
Utilice B5 (contenido de biodiésel del 5 %) o mezclas menores cuando hace frío.
Vigile los retenes, las mangueras y las juntas que estén en contacto con el combustible porque pueden degradarse con el tiempo.
Pueden producirse atascos en los filtros de combustible durante un periodo después de la conversión a mezclas de biodiésel.
Póngase en contacto con su Distribuidor Autorizado Toro si desea obtener más información sobre el biodiésel.
Capacidad del depósito de combustible: 45 litros
Note: Si es posible, llene el depósito de combustible después de cada uso; de esta manera se minimiza la acumulación de condensación dentro del depósito de combustible.
Aparque la máquina en una superficie nivelada (Figura 28), ponga el freno de estacionamiento, apague el motor y retire la llave
Desenrosque el tapón del depósito de combustible.
Llene el depósito de combustible con el combustible especificado hasta que el dial del indicador de combustible indique que el depósito está lleno.
Enrosque el tapón en el depósito de combustible.

| Intervalo de mantenimiento y servicio | Procedimiento de mantenimiento |
|---|---|
| Cada vez que se utilice o diariamente |
|
El propósito del sistema de interruptores de seguridad es impedir que el motor gire o arranque a menos que el pedal de tracción esté en punto muerto y la TDF esté en la posición de DESENGRANADO. Además, el motor debe pararse cuando ocurra lo siguiente:
El mando de la TDF está en la posición de ENGRANADO y usted no está en el asiento.
El pedal de tracción está pisado, pero usted no está en el asiento.
El pedal de tracción está pisado y el freno de estacionamiento está puesto.
Si los interruptores de seguridad son desconectados o están dañados, la máquina podría ponerse en marcha inesperadamente, causando lesiones personales.
No manipule los interruptores de seguridad.
Compruebe la operación de los interruptores de seguridad cada día, y sustituya cualquier interruptor dañado antes de operar la máquina.
Mueva el mando de la TDF a la posición de DESENGRANADO y retire el pie del pedal de tracción.
Gire la llave de encendido a la posición de ARRANQUE. Si el motor gira, vaya al paso 3.
Note: Si el motor no gira, puede haber un problema con el sistema de interruptores de seguridad.
Con el motor en marcha, levántese del asiento y ponga el mando de la TDF en la posición de ENGRANADO. El motor debe pararse en 2 segundos como máximo. Si el motor se para, vaya al paso 4.
Important: Si el motor no se para, hay un problema con el sistema de interruptores de seguridad. Consulte a su distribuidor autorizado Toro.
Con el motor en marcha y con el mando de la TDF en la posición de DESENGRANADO, levántese del asiento y pise el pedal de tracción. El motor debe pararse en 2 segundos como máximo. Si el motor se para, vaya al paso 5.
Important: Si el motor no se para, hay un problema con el sistema de interruptores de seguridad. Consulte a su distribuidor autorizado Toro.
Ponga el freno de estacionamiento. Con el motor en marcha y con el mando de la TDF en la posición de ENGRANADO, pise el pedal de tracción. El motor debe pararse en 2 segundos como máximo. Si el motor se para, el interruptor funciona correctamente; el sistema de seguridad está preparado para la operación de la máquina.
Important: Si el motor no se para, hay un problema con el sistema de interruptores de seguridad. Consulte a su distribuidor autorizado Toro.
Un vuelco puede causar lesiones o la muerte.
Mantenga la barra antivuelco en la posición de elevada y bloqueada.
Utilice el cinturón de seguridad.
No hay protección contra vuelcos cuando la barra antivuelco está bajada.
No utilice la máquina en terrenos irregulares o en pendientes con la barra antivuelco bajada.
Baje la barra antivuelco únicamente cuando sea imprescindible.
No lleve el cinturón de seguridad cuando la barra antivuelco está bajada.
Conduzca lentamente y con cuidado.
Eleve la barra antivuelco tan pronto como haya espacio suficiente.
Compruebe cuidadosamente que hay espacio suficiente antes de conducir por debajo de cualquier objeto en alto (por ejemplo, ramas, portales o cables eléctricos) y no entre en contacto con ellos.
Important: Baje la barra antivuelco únicamente cuando sea imprescindible.
Aparque la máquina en una superficie nivelada, ponga el freno de estacionamiento, baje la unidad de corte, apague el motor y retire la llave.
Retire las chavetas y los pasadores de la barra antivuelco (Figura 29).
Baje la barra antivuelco y sujétela con los pasadores y las chavetas (Figura 29).


Aparque la máquina en una superficie nivelada, ponga el freno de estacionamiento, baje la carcasa de corte, apague el motor y retire la llave del interruptor de encendido.
Retire las chavetas y los pasadores de la barra antivuelco (Figura 30).
Eleve la barra antivuelco y sujétela con los pasadores y las chavetas (Figura 30).

La pantalla muestra información sobre su máquina, como por ejemplo el estado operativo, diferentes diagnósticos y otra información sobre la máquina. Hay dos pantallas principales de información (Figura 31) y una pantalla con el menú principal.

Utilice el botón de la pantalla (ilustrado en la Figura 32) para cambiar entre las 2 pantallas principales de información y para acceder al menú principal.

Para acceder al menú principal: Mantenga pulsado el botón de la pantalla hasta que los elementos de menú aparezcan en la pantalla.
Para seleccionar un elemento de menú: Pulse el botón de la pantalla dos veces seguidas.
También puede realizar esta acción para cambiar una opción (por ejemplo, cambiar entre unidades inglesas y métricas en la pantalla AJUSTES).
Para volver a la pantalla anterior (por ejemplo, para volver a la pantalla MENú PRINCIPAL desde la pantalla AJUSTES, o para volver a las pantallas principales de información desde la pantalla del MENú PRINCIPAL): mantenga pulsado el botón de la pantalla hasta que aparezca la pantalla anterior.
Para desplazarse hacia abajo al siguiente elemento de menú: Pulse una vez el botón de la pantalla.
| Elemento del menú | Descripción |
| FAULTS (Fallos) | Contiene una lista de los fallos recientes de la máquina. Consulte el Manual de mantenimiento o a su Distribuidor Autorizado Toro si desea más información sobre el menú FAULTS (Fallos). |
| MANTENIMIENTO | Contiene información sobre la máquina como horas de uso, totales y regeneración del DPF. Consulte la tabla Sevice (Mantenimiento). |
| DIAGNOSTICS (Diagnósticos) | Muestra diversos estados y datos actuales de la máquina. Puede utilizar esta información para identificar y resolver algunos problemas, ya que indica rápidamente los controles de la máquina que están activados/desactivados y muestra los niveles de control (por ejemplo, los valores de los sensores). |
| AJUSTES | Permite personalizar y modificar las variables de configuración de la pantalla del InfoCenter. Consulte la tabla Ajustes. |
| ABOUT (Acerca de) | Muestra el número de modelo, el número de serie y la versión del software de su máquina. Consulte la tabla About (Acerca de). |
| Elemento del menú | Descripción |
| HOURS | Indica el número total de horas en las que la llave, el motor y la TDF han estado encendidos o activados. |
| COUNTS | Indica el número de arranques del motor y de la TDF. |
| DPF REGENERATION | Permite controlar los ajustes del DPF; consulte ¿En qué consiste el filtro de partículas diésel y la regeneración?. |
| Elemento del menú | Descripción |
| UNIDADES | Controla las unidades utilizadas en la pantalla. Las opciones de menú son Inglés o Métrico. |
| IDIOMA | Controla el idioma utilizado en la pantalla. |
| RETROILUMINACIóN | Controla el brillo de la pantalla. |
| CONTRASTE | Controla el contraste de la pantalla. |
| MENúS PROTEGIDOS | Permite a una persona autorizada por su empresa con código PIN acceder a los menús protegidos (es decir, el ajuste del sensor de pendientes y la posibilidad de despejar el registro de fallos). |
| PROTEGER AJUSTES | Cuando está deshabilitado, puede acceder a los ajustes protegidos sin introducir el código PIN. |
GIRO![]() | Activa o desactiva el modo de giro. Este ajuste se utiliza con la segadora desbrozadora; consulte el Manual del operador de la desbrozadora para obtener más información. |
SENSOR DE PENDIENTES INSTALADO![]() | Indica si está instalado o no un sensor de pendientes. Si se retira un sensor de pendientes de la máquina, este ajuste puede deshabilitarse para eliminar el fallo de comunicación del sensor de pendientes. |
| TDF DE BAJAS REVOLUCIONES | Activa o desactiva el modo de TDF de bajas revoluciones. Este ajuste se utiliza con la segadora desbrozadora; consulte el Manual del operador de la desbrozadora para obtener más información. |
Protegido
en menús protegidos – accesible solo al introducir el
PIN
| Elemento del menú | Descripción |
| DECK | Indica si las entradas/salidas de las unidades de corte están activadas. |
| PTO | Indica si la TDF está activada. |
| ENGINE | Indica si las entradas/salidas del motor están activadas. |
| Elemento del menú | Descripción |
| MODEL | Muestra el número de modelo de la máquina. |
| SN | Muestra el número de serie de la máquina. |
| S/W REV (Versión de SW) | Indica la versión del software del controlador maestro. |
| MODO CE | Indica si el modo CE está activado o desactivado. |
La tabla siguiente incluye una descripción de cada icono de la pantalla:
![]() | Velocidad del motor |
![]() | Fallo del motor |
![]() | Contador de horas |
![]() | El calentador del aire de entrada está activado |
![]() | El operador debe sentarse en el asiento |
![]() | El freno de estacionamiento está puesto |
![]() | Punto muerto |
![]() | La TDF está engranada |
![]() | La TDF está deshabilitada |
![]() | Indica que las unidades de corte se están bajando |
![]() | Indica que las unidades de corte se están elevando |
![]() | Contraseña PIN |
![]() | Batería |
![]() | Temperatura del refrigerante |
![]() | Solicitud de regeneración en espera o de restablecimiento |
| Solicitud de regeneración de recuperación o con la máquina aparcada | |
![]() | Se está procesando una regeneración en espera de recuperación o con la máquina aparcada. |
![]() | Alta temperatura de los gases de escape |
![]() | Funcionamiento deficiente del diagnóstico de control de NOx; lleve la máquina al taller y póngase en contacto con su distribuidor Toro autorizado. |
Note: El código PIN predeterminado de fábrica de la máquina es “1234".
Si ha cambiado el código PIN y lo ha olvidado, póngase en contacto con su Distribuidor Autorizado Toro para obtener ayuda.
Seleccione la opción AJUSTES.
Seleccione la opción MENúS PROTEGIDOS.
Para introducir el código PIN, pulse el botón de la pantalla hasta que aparezca el dígito apropiado, luego pulse rápidamente el botón de la pantalla dos veces para desplazarse al dígito siguiente.
Después de introducir los cuatro dígitos, pulse el botón de la pantalla una vez para introducir el código PIN.
Si el código PIN se ha introducido correctamente, el icono PIN aparecerá en la parte superior derecha de todas las pantallas de menú.
El propietario/operador puede prevenir y es responsable de cualquier accidente que pudiera provocar lesiones personales o daños materiales.
Lleve ropa adecuada, incluida protección ocular, pantalones largos, calzado resistente y antideslizante y protección auricular. Si tiene el pelo largo, recójaselo, y no lleve prendas o joyas sueltas. Lleve una mascarilla en condiciones de mucho polvo.
No utilice la máquina si está enfermo, cansado o bajo la influencia de alcohol o drogas.
Preste toda su atención al utilizar la máquina. No realice ninguna actividad que genere distracciones, de lo contrario pueden producirse lesiones o daños en la propiedad.
Antes de arrancar el motor, asegúrese de que todas las transmisiones están en punto muerto, de que el freno estacionamiento está accionado y de que usted se encuentra en la posición del operador.
No lleve pasajeros en la máquina y mantenga a otras personas alejadas de la zona de trabajo.
Utilice la máquina únicamente con buena visibilidad para evitar agujeros y peligros ocultos.
Evite segar la hierba mojada. La reducción de la tracción podría hacer que la máquina se resbalara.
Mantenga las manos y los pies alejados de las piezas en movimiento. Manténgase alejado de la apertura de descarga.
Mire hacia atrás y hacia abajo antes de poner marcha atrás para asegurarse de que el camino está despejado.
Tenga cuidado al acercarse a esquinas ciegas, arbustos, árboles u otros objetos que puedan dificultar la visión.
Pare las cuchillas si no está segando.
Detenga la máquina, retire la llave y espere a que todas las piezas en movimiento se detengan antes de inspeccionar el accesorio después de golpear un objeto o si se produce una vibración anormal en la máquina. Realice todas las reparaciones necesarias antes de volver a utilizar la máquina.
Vaya más despacio y tenga cuidado al girar y al cruzar calles y aceras con la máquina. Ceda el paso siempre.
Desengrane la transmisión de la unidad de corte, apague el motor, retire la llave y espere a que se detenga todo movimiento antes de ajustar la altura de corte (a menos que pueda ajustarse desde la posición del operador).
Accione el motor únicamente en áreas bien ventiladas. Los gases de escape contienen monóxido de carbono, que resulta letal si se inhala.
No deje nunca desatendida la máquina si está funcionando.
Antes de dejar el puesto del operador, realice lo siguiente:
Aparque la máquina en una superficie nivelada.
Desengrane la toma de fuerza y baje los accesorios.
Accione el freno de estacionamiento.
Apague el motor y retire la llave.
Espere a que se detenga todo movimiento.
Utilice la máquina únicamente con buena visibilidad. No utilice la máquina cuando exista riesgo de caída de rayos.
No utilice la máquina como un vehículo de remolcado.
Utilice solamente los accesorios, los aperos y las piezas de repuesto aprobados por Toro.
Utilice el control de crucero (si está instalado) únicamente cuando pueda utilizar la máquina en una zona abierta, llana y libre de obstáculos, y donde la máquina pueda desplazarse a una velocidad constante sin interrupción.
El ROPS es un dispositivo de seguridad integrado y eficaz.
No retire ninguno de los componentes del ROPS de la máquina.
Asegúrese de que el cinturón de seguridad está sujeto a la máquina.
Tire del cinturón sobre el regazo y conéctelo a la hebilla en el otro lado del asiento.
Para desabrochar el cinturón de seguridad, sujete el cinturón, pulse el botón de la hebilla para soltar el cinturón y guié el cinturón hasta el orificio de recogida automática. Asegúrese de que puede desabrochar rápidamente el cinturón de seguridad en caso de emergencia.
Compruebe detenidamente si hay obstrucciones sobre la máquina y no entre en contacto con ellas.
Mantenga el ROPS en condiciones seguras de funcionamiento, inspeccionándolo periódicamente en busca de daños y manteniendo bien apretados todas las fijaciones de montaje.
Sustituya los componentes del ROPS dañados. No los repare ni los modifique.
Una cabina instalada por Toro es una barra antivuelco.
Lleve puesto siempre el cinturón de seguridad.
Si la barra antivuelco es plegable, manténgala en la posición elevada y bloqueada y lleve puesto el cinturón de seguridad mientras utilice la máquina con la barra antivuelco elevada.
Una barra antivuelco plegable puede bajarse temporalmente, pero sólo cuando sea necesario. No lleve el cinturón de seguridad cuando la barra antivuelco está bajada.
Sepa que no hay protección contra vuelcos cuando la barra antivuelco está plegada.
Inspeccione la zona de siega, y no baje nunca una barra antivuelco plegable en zonas donde existan pendientes, taludes o agua.
Las pendientes son una de las principales causas de accidentes por pérdida de control y vuelcos, que pueden causar lesiones graves o la muerte. Usted es responsable de la seguridad cuando trabaja en pendientes. La conducción de la máquina en pendientes requiere extremar la precaución.
Evalúe las condiciones del lugar de trabajo para determinar si es seguro trabajar en la pendiente con la máquina; puede ser necesario realizar un estudio detallado de la zona. Aplique siempre el sentido común y un buen criterio a la hora de realizar esta valoración.
Consulte las instrucciones sobre el uso de la máquina en pendientes indicadas a continuación para determinar si puede utilizar la máquina con las condiciones del día y del lugar concretos. Los cambios en el terreno pueden producir un cambio en el funcionamiento de la máquina en pendientes.
Evite arrancar, parar o girar la máquina en cuestas o pendientes. Evite realizar cambios bruscos de velocidad o de dirección. Realice giros de forma lenta y gradual.
No utilice la máquina en condiciones que puedan comprometer la tracción, la dirección o la estabilidad de la máquina.
Retire o señale obstrucciones como terraplenes, baches, surcos, montículos, rocas u otros peligros ocultos. La hierba alta puede ocultar obstrucciones. Un terreno irregular podría hacer volcar la máquina.
Tenga en cuenta que conducir en hierba mojada, atravesar pendientes empinadas, o bajar cuestas puede hacer que la máquina pierda tracción. La pérdida de tracción de las ruedas motrices puede hacer que la máquina patine, así como sufrir pérdida de frenado o de dirección.
Extreme las precauciones cuando utilice la máquina cerca de terraplenes, fosas, taludes, obstáculos de agua u otros obstáculos. La máquina podría volcar repentinamente si una rueda pasa por el borde de un terraplén o fosa, o si se socava un talud. Establezca un área de seguridad entre la máquina y cualquier peligro.
Identifique peligros situados en la base de la pendiente. Si hay algún peligro, siegue la pendiente con una máquina controlada por un peatón.
Si es posible, mantenga la(s) unidad(es) de corte bajada(s) hasta el suelo al utilizar la máquina en pendientes. Si la(s) unidad(es) de corte se eleva(n) en pendientes, la máquina puede desestabilizarse.
Extreme las precauciones cuando utilice sistemas de recogida de hierba u otros accesorios. Estos pueden cambiar la estabilidad de la máquina y causar pérdidas de control.
El filtro de partículas diésel (DPF) elimina el hollín del sistema de escape del motor.
El proceso de regeneración del DPF utiliza el calor de los gases de escape del motor, incrementado por el catalizador, para reducir a cenizas el hollín acumulado.
Para mantener limpio el DPF, recuerde lo siguiente:
Haga funcionar el motor a la velocidad máxima del motor cuando sea posible para potenciar la limpieza automática del DPF.
Utilice el aceite de motor correcto.
Minimice el tiempo durante el cual el motor está en ralentí.
Utilice únicamente combustible diésel ultra bajo en azufre.
Utilice y mantenga la máquina teniendo en cuenta la función del DPF. El motor bajo carga produce normalmente una temperatura suficiente en los gases de escape para la regeneración del DPF.
Important: Minimice el tiempo durante el cual el motor está en ralentí o a baja velocidad, para ayudar a reducir la acumulación de hollín en el DPF.
La temperatura de los gases de escape es alta (alrededor de 600 °C durante la regeneración del DPF. El gas de escape caliente puede dañarle a usted o a otras personas.
No ponga en marcha el motor en un lugar cerrado.
Asegúrese de que no haya materiales inflamables alrededor del sistema de escape.
Asegúrese de que los gases de escape calientes no entren en contacto con superficies que podrían ser dañadas por el calor.
No toque ningún componente caliente del sistema de escape.
No se sitúe cerca del tubo de escape de la máquina.
| Icono | Definición del icono |
![]() | • Icono de regeneración estacionaria o de recuperación – regeneración solicitada. |
| • Realice la regeneración inmediatamente. | |
![]() | • Indica el reconocimiento de una regeneración |
![]() | • Indica que hay una regeneración en progreso y que la temperatura del escape es elevada |
![]() | • Está seleccionado Inhibir regeneración |
![]() | • Funcionamiento defectuoso del sistema de control de NOx; la máquina necesita mantenimiento. |
| Tipo de regeneración | Condiciones que producen la regeneración del DPF | Descripción del funcionamiento del DPF |
|---|---|---|
| Regeneración de restablecimiento | Se produce cada 100 horas | • Cuando aparece el icono de alta temperatura
de los gases de escape en el InfoCenter, se encuentra en curso una regeneración. |
| Se produce también si en el uso normal del motor se sobrepasa la acumulación permitida de hollín dentro del filtro. | ||
| • Durante la regeneración de reinicio, la computadora del motor mantiene una velocidad elevada del motor para asegurar la regeneración del filtro. | ||
| • Evite apagar el motor durante la regeneración de reinicio. |
| Tipo de regeneración | Condiciones que producen la regeneración del DPF | Descripción del funcionamiento del DPF |
|---|---|---|
| Con la máquina aparcada | Se produce porque la computadora determina que la limpieza automático del DPF no ha sido suficiente. | • Cuando se muestra el icono de
regeneración de reinicio-standby/estacionaria o de recuperación o se solicita una regeneración. |
| También se produce si se inicia una regeneración estacionaria | ||
| Puede ocurrir porque se ha iniciado la inhibición de la regeneración, lo que ha deshabilitado la limpieza automática del DPF | • Realice una regeneración con la máquina aparcada lo antes posible para evitar que sea necesaria una regeneración de recuperación. | |
| Puede producirse por utilizar el combustible o el aceite del motor incorrecto | • Una regeneración con la máquina aparcada tarda en realizarse entre 30 y 60 minutos. | |
| • El depósito debe disponer al menos de 1/2 de combustible. | ||
| • Debe aparcar la máquina para realizar una regeneración con la máquina aparcada. | ||
| Regeneración de recuperación | Se produce porque la solicitud de recuperación estacionaria ha sido ignorada, lo que ha permitido una obstrucción crítica del DPF | • Cuando se muestra el icono de regeneración
de reinicio-standby/estacionaria o de recuperación se solicita una regeneración. |
| • Una regeneración de recuperación tarda en realizarse hasta 3 horas. | ||
| • El depósito debe disponer como mínimo de la mitad de capacidad de combustible. | ||
| • Debe aparcar la máquina para realizar la regeneración de recuperación. |
Navegue al menú MANTENIMIENTO desde el menú principal.
Seleccione la opción DPF REGENERATION (Regeneración del DPF).
Vaya al menú Regeneración del DPF, y desplácese a la opción LAST REGEN (Última regeneración).
Utilice el campo LAST REGEN (Última regeneración) para determinar cuántas horas se ha utilizado la máquina desde la última regeneración de restablecimiento, con la máquina aparcada o de recuperación.
La regeneración de restablecimiento produce una gran cantidad de gases de escape del motor. Si va a utilizar la máquina alrededor de árboles, maleza, hierba alta u otros materiales o plantas sensibles a la temperatura, puede utilizar el ajuste INHIBIT REGEN (Inhibir regeneración) para impedir que la computadora del motor realice una regeneración de reinicio.
Note: La opción INHIBIT REGEN (Inhibir regeneración) se utiliza siempre cuando se realizan operaciones de mantenimiento en la máquina en un lugar cerrado.
Note: Si usted configura el InfoCenter para que inhiba la regeneración, el InfoCenter muestra un aviso cada 15 minutos mientras el motor solicita una regeneración de reinicio.
Important: Al apagar el motor y volver a encenderlo, el ajuste de Inhibit Regen (Inhibir regeneración) se encuentra de forma predeterminada en OFF (Desconectado).
Acceda al menú DPF Regeneration (Regeneración del DPF) y desplácese hacia abajo, hasta la opción INHIBIT REGEN (Inhibir regeneración).
Seleccione la opción INHIBIT REGEN (Inhibir regeneración).
Cambie Inhibir regeneración de Desactivado a Activado.
Asegúrese de que la máquina tiene combustible en el depósito para el tipo de regeneración que vaya a realizar:
Regeneración estacionaria: Asegúrese de tener ¼ de depósito de combustible antes de realizar la regeneración estacionaria.
Regeneración de recuperación: Asegúrese de que el depósito dispone de al menos la mitad de combustible.
Lleve la máquina al exterior, a una zona alejada de materiales combustibles o objetos que podrían resultar dañados por el calor.
Aparque la máquina en una superficie nivelada.
Desengrane la TDF y baje los accesorios (en su caso).
Accione el freno de estacionamiento.
Ajuste el acelerador a la posición de RALENTí bajo.
Asegúrese de que el aire acondicionado está apagado (máquinas equipadas con cabina solamente).
Cuando la computadora del motor solicita una regeneración estacionaria, siga los mensajes del InfoCenter.
Important: El ordenador de la máquina cancela la regeneración del DPF si aumenta la velocidad del motor desde el ralentí bajo o se quita el freno de estacionamiento.
Acceda al menú de Regeneración del DPF, y vaya a la opción PARKED REGEN (Regeneración estacionaria) o la opción RECOVERY REGEN (Regeneración de recuperación).
Seleccione PARKED REGEN (Regeneración estacionaria) o RECOVERY REGEN (Regeneración de recuperación).
En la pantalla VERIFY FUEL LEVEL (Verificar nivel de combustible), verifique que dispone de un ¼ de combustible en el depósito si va a realizar una regeneración con la máquina aparcada, o bien la mitad de combustible en el depósito si va a realizar la regeneración de recuperación y, a continuación, pulse el botón de la pantalla para continuar.
En el menú Parked Regen (Regeneración estacionaria) o en el menú Recovery Regen (Regeneración de recuperación), pulse el botón de la pantalla para iniciar la regeneración.
En la pantalla de la lista de comprobación del DPF, compruebe que el freno de estacionamiento está puesto y que la velocidad del motor está ajustada a ralentí bajo, y presione el botón de la pantalla para continuar.
En la pantalla INITIATE DPF REGEN (Iniciar regeneración de DPF), pulse el botón de la pantalla para continuar.
El InfoCenter muestra el mensaje INITIATING DPF REGEN (Iniciando regeneración del DPF).
Note: Si es necesario, mantenga pulsado el botón de la pantalla para cancelar el proceso de regeneración.
El InfoCenter muestra el mensaje con el tiempo necesario para completar la regeneración.
El InfoCenter muestra la pantalla de inicio y aparece
el icono de Regeneración aceptada
.
Note: Mientras se ejecuta la regeneración del DPF, el InfoCenter
muestra el icono de temperatura alta de los gases de escape
.
Cuando la computadora del motor finaliza una regeneración estacionaria o de recuperación, el InfoCenter muestra un aviso. Pulse cualquier botón para salir de la pantalla de inicio.
Note: Si la regeneración no se completa, siga el aviso, y pulse cualquier tecla para salir a la pantalla de Inicio.
Utilice PARKED REGEN CANCEL (Cancelar regeneración estacionaria) o RECOVERY REGEN CANCEL (Cancelar regeneración de recuperación) para cancelar un proceso activo de regeneración estacionaria o de recuperación.
Vaya al menú Regeneración del DPF, y vaya a la opción PARKED REGEN (Regeneración estacionaria) o RECOVERY REGEN (Regeneración de recuperación).
Pulse Pantalla siguiente para cancelar una Regeneración estacionaria o una Regeneración de recuperación.
Siéntese en el asiento y abroche el cinturón de seguridad.
Asegúrese de que el freno de estacionamiento está puesto y que la TDF está desengranada.
Precaliente el motor girando el interruptor de encendido a la posición de CONECTADO/PRECALENTAMIENTO.
Note: Un temporizador automático controla el precalentamiento durante 6 segundos.
Gire la llave a la posición de ARRANQUE, haga girar el motor durante no más de 15 segundos, y deje que la llave vuelva a la posición de CONECTADO/PRECALENTAMIENTO.
Note: Si se requiere un precalentamiento adicional, ponga la llave en DESCONECTADO y luego en la posición ENCENDIDO/PRECALENTAMIENTO. Repita este procedimiento tantas veces como sea necesario.
Mueva el acelerador a la posición de ralentí o velocidad baja, y deje funcionar el motor hasta que se caliente.
Note: Si el operador abandona el asiento con el mando de la TDF en la posición de ENGRANADO, el motor se apagará automáticamente.
Utilice el procedimiento siguiente para reiniciar la TDF:
Presione hacia abajo el mando de la TDF.
Arranque el motor; consulte Cómo arrancar el motor.
Tire hacia arriba del mando de la TDF.
Accione el modo de giro siempre que instale la segadora desbrozadora (Modelo 02835).
Con el modo de giro, puede elevar rápidamente la segadora desbrozadora por encima del césped al realizar un giro rápido al final de una pasada de corte o mientras sortea obstáculos.
Al bajar la segadora desbrozadora a la posición OPERACIóN, puede presionar rápidamente y soltar el interruptor de elevación del accesorio hacia atrás para elevar ligeramente la desbrozadora cuando realice un giro rápido. Una vez que haya finalizado el giro, presione el interruptor de elevación para volver a bajar la desbrozadora al suelo y reanudar la siega.
Utilice el control del acelerador para reducir la velocidad del motor.
Mueva el interruptor de la toma de fuerza a la posición de DESENGRANADO.
Gire el interruptor de encendido a la posición de DESCONECTADO y retire la llave del interruptor.
Apague el motor, retire la llave y espere a que se detenga todo movimiento antes de dejar el puesto del operador. Deje que la máquina se enfríe antes de realizar ajustes, tareas de mantenimiento y de limpieza o de guardarla.
Limpie la hierba y los residuos de las unidades de corte, las transmisiones, los silenciadores y el compartimento del motor para prevenir incendios. Limpie cualquier aceite o combustible derramado.
Si las unidades de corte están en la posición de transporte, utilice el bloqueo mecánico positivo (si está disponible) antes de dejar la máquina desatendida.
Espere a que se enfríe el motor antes de guardar la máquina en un recinto cerrado.
Retire la llave y cierre el combustible (si está equipado) antes de guardar o transportar la máquina.
No guarde nunca la máquina o un recipiente de combustible cerca de una llama desnuda, chispa o llama piloto, por ejemplo en un calentador de agua u otro electrodoméstico.
Realice el mantenimiento de los cinturones y límpielos cuando sea necesario
La unidad de corte puede girarse desde la posición de TRANSPORTE (A en la Figura 33) a la posición de MANTENIMIENTO (B en la Figura 33). Utilice la posición de MANTENIMIENTO para revisar las cuchillas de la unidad de corte o limpiar debajo de la unidad de corte; consulte el Manual del operador de la unidad de corte.
Realice este procedimiento para girar la unidad de corte desde la posición de TRANSPORTE a la posición de MANTENIMIENTO.
Si deja la llave en el interruptor, alguien podría arrancar el motor accidentalmente y causar lesiones graves a usted o a otras personas.
Retire la llave del interruptor y no arranque el motor con la unidad de corte en la posición de MANTENIMIENTO.
Aparque la máquina en una superficie nivelada.
Presione el interruptor de elevación para elevar la unidad de corte a la posición de TRANSPORTE.
Ponga el freno de estacionamiento, apague el motor y retire la llave.
Retire los pasadores de las placas de altura de corte (Figura 34).

Gire la unidad de corte (Figura 35) hasta que el cierre se enganche en el soporte de amarre (Figura 36).
La unidad de corte pesa mucho.
Pida la ayuda de otra persona para elevar la unidad de corte.


Realice este procedimiento para girar la unidad de corte desde la posición de MANTENIMIENTO a la posición de TRANSPORTE.
Desenganche el cierre de la unidad de corte del soporte de amarre (Figura 37) girando ligeramente la unidad de corte hacia adelante (Figura 35) y tirando hacia adelante de la palanca del cierre.

Gire la unidad de corte lentamente hacia abajo hasta que el pasador entre en contacto con la placa del brazo de elevación (A en la Figura 38).

Presione hacia abajo con el pie sobre la unidad de corte, luego tire hacia fuera del pasador (B en la Figura 38) para dejar que la unidad de corte se asiente en la posición de TRANSPORTE.
Introduzca los pasadores de ajuste de la altura de corte a través de las placas de altura de corte y las cadenas.
Si debe remolcar o empujar la máquina, ajuste la bomba de tracción para que desvíe el fluido hidráulico. Traslade la máquina a una velocidad inferior a 4,8 km/h y solo una distancia muy corta.
Important: Si supera los límites de remolcado, se pueden producir daños graves en la bomba hidráulica.Si es necesario trasladar la máquina a una distancia considerable, transpórtela en un remolque.
Acceso a la válvula de desvío desde debajo de la máquina.

Utilice una llave de estrella de 14 mm (9/16") para aflojar la válvula de desvío y, a continuación, abra la válvula no más de 3 vueltas.
Important: No arranque ni haga funcionar el motor con la válvula en la posición de desvío.
Después de remolcar y antes de arrancar el motor, apriete la válvula de desvío a 12 N·m.
Tenga cuidado al cargar o descargar la máquina en/desde un remolque o un camión.
Utilice rampas de ancho completo para cargar la máquina en un remolque o un camión.
Amarre la máquina firmemente.
Retire la llave antes de almacenar o transportar la máquina.
Note: Los lados derecho e izquierdo de la máquina se determinan desde la posición normal del operador.
Note: Para descargar una copia gratuita del esquema eléctrico o hidráulico, visite www.toro.com y busque su máquina en el enlace Manuales de la página de inicio.
Antes de dejar el puesto del operador, realice lo siguiente:
Aparque la máquina en una superficie nivelada.
Desengrane la toma de fuerza y baje los accesorios.
Accione el freno de estacionamiento.
Apague el motor y retire la llave.
Espere a que se detenga todo movimiento.
Si deja la llave en el interruptor, alguien podría arrancar el motor accidentalmente y causar lesiones graves a usted o a otras personas. Retire la llave del interruptor antes de realizar cualquier operación de mantenimiento.
Deje que los componentes de la máquina se enfríen antes de realizar el mantenimiento.
Si las unidades de corte están en la posición de transporte, utilice el bloqueo mecánico positivo (si está disponible) antes de dejar la máquina desatendida.
Si es posible, no realice tareas de mantenimiento con el motor en marcha. Manténgase alejado de las piezas en movimiento.
Apoye la máquina con caballetes siempre que trabaje debajo de la máquina.
Alivie con cuidado la tensión de aquellos componentes que tengan energía almacenada.
Mantenga todas las piezas en buen estado de funcionamiento y todos los herrajes bien apretados, sobre todo los accesorios de las cuchillas.
Sustituya cualquier calcomanía desgastada o deteriorada.
Para garantizar un rendimiento seguro y óptimo de la máquina, utilice únicamente piezas de repuesto genuinas Toro. Las piezas de repuesto de otros fabricantes podrían ser peligrosas y su uso podría invalidar la garantía del producto.
| Intervalo de mantenimiento y servicio | Procedimiento de mantenimiento |
|---|---|
| Después de la primera hora |
|
| Después de las primeras 10 horas |
|
| Después de las primeras 50 horas |
|
| Después de las primeras 1000 horas |
|
| Cada vez que se utilice o diariamente |
|
| Cada 50 horas |
|
| Cada 100 horas |
|
| Cada 200 horas |
|
| Cada 250 horas |
|
| Cada 400 horas |
|
| Cada 500 horas |
|
| Cada 800 horas |
|
| Cada 1000 horas |
|
| Cada 2000 horas |
|
| Cada mes |
|
| Cada año |
|
| Cada 2 años |
|
Important: Consulte los procedimientos adicionales de mantenimiento del manual del propietario del motor.
Duplique esta página para su uso rutinario.
| Elemento a comprobar | Para la semana de: | ||||||
|---|---|---|---|---|---|---|---|
| Lun. | Mar. | Miér. | Jue. | Vie. | Sáb. | Dom. | |
| Compruebe el funcionamiento de los interruptores de seguridad. | |||||||
| Compruebe que el ROPS está en posición totalmente elevada y bloqueada. | |||||||
| Compruebe el funcionamiento del freno de estacionamiento. | |||||||
| Compruebe el nivel de combustible. | |||||||
| Compruebe el nivel de aceite del motor. | |||||||
| Compruebe el nivel de fluido del sistema de refrigeración. | |||||||
| Drene el separador de agua/combustible. | |||||||
| Compruebe el indicador del filtro de aire.3 | |||||||
| Compruebe que el radiador y la rejilla están libres de residuos. | |||||||
| Compruebe que no hay ruidos extraños en el motor.1. | |||||||
| Compruebe que no hay ruidos extraños de operación. | |||||||
| Compruebe que las mangueras hidráulicas no están dañadas. | |||||||
| Compruebe que no haya fugas de fluidos. | |||||||
| Compruebe la presión de los neumáticos. | |||||||
| Compruebe la operación de los instrumentos. | |||||||
| Lubrique todos los engrasadores.2 | |||||||
| Retoque la pintura dañada. | |||||||
| Inspeccione el cinturón de seguridad. | |||||||
|
1Compruebe la bujía y las boquillas de los inyectores en caso de dificultad para arrancar el motor, exceso de humo o si el motor funciona de forma irregular 2Inmediatamente después de cada lavado, aunque no corresponda a los intervalos citados 3Si el indicador se muestra rojo |
|||||||
| Anotación para áreas problemáticas: | ||
| Inspección realizada por: | ||
| Elemento | Fecha | Información |
Los gatos mecánicos o hidráulicos pueden no aguantar el peso de la máquina y pueden dar lugar a lesiones graves.
Utilice caballetes para apoyar la máquina una vez elevada.
Utilice únicamente gatos mecánicos o hidráulicos para elevar la máquina.
Important: Asegúrese de que no hay cables ni componentes hidráulicos entre el gato y el bastidor.

Calce las dos ruedas traseras para evitar que la máquina se mueva.
Coloque el gato firmemente debajo del punto de apoyo deseado.
Después de elevar la parte delantera de la máquina, coloque un soporte fijo debajo del bastidor de la máquina para soportar el peso de la máquina.
Important: Asegúrese de que no hay cables ni componentes hidráulicos entre el gato y el bastidor.

Calce las dos ruedas delanteras para evitar que la máquina se mueva.
Coloque el gato firmemente debajo del punto de apoyo deseado.
Important: Las máquinas con tracción a 4 ruedas tienen líneas hidráulicas situadas cerca del bastidor. Asegúrese de colocar el gato de manera que las líneas hidráulicas no resulten dañadas al elevar la máquina.
Después de elevar la parte delantera de la máquina, coloque un soporte fijo debajo del bastidor de la máquina para soportar el peso de la máquina.
| Intervalo de mantenimiento y servicio | Procedimiento de mantenimiento |
|---|---|
| Cada vez que se utilice o diariamente |
|
| Cada 50 horas |
|
La máquina tiene engrasadores que deben ser lubricados regularmente con grasa de litio Nº 2.
Important: Lubrique la máquina inmediatamente después de cada lavado.
Brazo de la polea tensora (Figura 43)

Árbol de transmisión de la toma de fuerza (Figura 44)
Important: Engrase el árbol de transmisión antes de cada uso o a diario.

Pasador de giro del eje (Figura 45)

Parte delantera de la máquina (Figura 46):
Bujes pivotantes del accesorio (2)
Casquillos de los cilindros de elevación (2)
Pasadores de giro de los brazos de elevación (2)

Parte trasera de la máquina (Figura 47):
Rótula del cilindro hidráulico (2)
Bujes de las manguetas (2)

Apague el motor y retire la llave antes de comprobar el aceite o añadir aceite al cárter.
No cambie la velocidad del regulador ni haga funcionar el motor a una velocidad excesiva.
Tipo de aceite: Utilice aceite de motor de alta calidad bajo en cenizas que cumpla o supere las especificaciones siguientes:
Categoría de servicio API CJ-4 o superior
Categoría de servicio ACEA E6
Categoría de servicio JASO DH-2
Capacidad del cárter: 6,2 litros aproximadamente con el filtro.
Viscosidad: Utilice aceite de motor con la viscosidad siguiente:
Aceite preferido: SAE 15W-40 (por encima de los -18 °C °C)
Aceite alternativo: SAE 10W-30 o 5W-30 (todas las temperaturas)
Su distribuidor autorizado Toro dispone de aceite para motores Toro Premium, de viscosidad 15W-40 o 10W-30.
| Intervalo de mantenimiento y servicio | Procedimiento de mantenimiento |
|---|---|
| Cada vez que se utilice o diariamente |
|
El mejor momento para comprobar el aceite del motor es cuando el motor está frío, antes de arrancarlo al principio de la jornada. Si el motor ya ha estado en marcha, deje que el aceite se drene al cárter durante al menos 10 minutos antes de comprobar el nivel.
Si el nivel del aceite está en o por debajo de la marca "añadir" de la varilla, añada aceite hasta que el nivel llegue a la marca "lleno". No llene el motor con demasiado aceite.
Important: Compruebe el aceite del motor cada día. Si el nivel del aceite está en o por debajo de la marca Lleno de la varilla, el aceite del motor puede diluirse con combustible. Si el nivel de aceite del motor está por encima de la marca Lleno, cambie el aceite del motor.
Important: Mantenga el nivel del aceite del motor entre los límites superior e inferior en el indicador de la varilla. El motor puede fallar si se acciona con aceite insuficiente o en exceso.
Abra el capó; consulte Abra el capó.
Compruebe el nivel de aceite del motor; consulte Figura 48.

| Intervalo de mantenimiento y servicio | Procedimiento de mantenimiento |
|---|---|
| Cada 500 horas |
|
Arranque el motor y déjelo funcionar durante unos cinco minutos para que el aceite se caliente.
Con la máquina aparcada sobre una superficie nivelada, ponga el freno de estacionamiento, apague el motor, retire la llave y espere a que se detengan todas las piezas en movimiento antes de abandonar el puesto del operador.
Cambie el aceite del motor, según se muestra en Figura 49.

Cambie el filtro del aceite del motor, tal y como se muestra en la Figura 50.
Note: Apriete hasta que la junta del filtro de aceite entre en contacto con el motor; luego apriete ¾ de vuelta más.

| Intervalo de mantenimiento y servicio | Procedimiento de mantenimiento |
|---|---|
| Cada vez que se utilice o diariamente |
|
| Cada 250 horas |
|
Inspeccione la carcasa del limpiador de aire en busca de daños que pudieran causar una fuga de aire. Cambie el cuerpo si está dañado. Compruebe el sistema de admisión en busca de fugas, daños o abrazaderas sueltas
Revise el elemento del limpiador de aire únicamente cuando el indicador de restricción (Figura 51) lo requiera. El cambiar el elemento del limpiador de aire antes de que sea necesario aumenta la posibilidad de que entre suciedad en el motor al retirar el elemento.

Important: Asegúrese de que la tapa está correctamente asentada y hace un buen sello con la carcasa del limpiador de aire y que los cierres están correctamente cerrados.
Bajo ciertas condiciones el combustible diésel y los vapores del combustible son extremadamente inflamables y explosivos. Un incendio o explosión de combustible puede quemarle a usted y a otras personas y causar daños materiales.
No fume nunca mientras maneja el combustible y aléjese de llamas desnudas o lugares donde los vapores del combustible puedan incendiarse con chispas.
| Intervalo de mantenimiento y servicio | Procedimiento de mantenimiento |
|---|---|
| Cada 50 horas |
|
Drene el agua del separador de agua/combustible tal y como se muestra en la Figura 53.

Cebe el filtro y las tuberías de la bomba de alta presión; consulte Cebado del sistema de combustible.
| Intervalo de mantenimiento y servicio | Procedimiento de mantenimiento |
|---|---|
| Cada 400 horas |
|
Cambie el separador de combustible/agua como se muestra en la Figura 53.

Cebe el filtro y las tuberías de la bomba de alta presión; consulte Cebado del sistema de combustible.
| Intervalo de mantenimiento y servicio | Procedimiento de mantenimiento |
|---|---|
| Cada 400 horas |
|
Limpie la zona alrededor de la cabeza del filtro de combustible (Figura 55).

Retire el filtro y limpie la superficie de montaje de la cabeza del filtro (Figura 55).
Lubrique la junta del filtro con aceite de motor limpio; consulte el manual del usuario del motor si necesita más información.
Instale el cartucho filtrante seco a mano hasta que la junta entre en contacto con el cabezal del filtro, luego gírelo media vuelta más.
Cebe el filtro y las tuberías de la bomba de alta presión; consulte Cebado del sistema de combustible.
Arranque el motor y compruebe que no hay fugas de combustible alrededor de la cabeza del filtro.
| Intervalo de mantenimiento y servicio | Procedimiento de mantenimiento |
|---|---|
| Cada año |
|
Drene y limpie el depósito si se contamina el sistema de combustible o antes de almacenar la máquina durante un periodo prolongado. Utilice combustible diésel limpio para enjuagar el depósito.
| Intervalo de mantenimiento y servicio | Procedimiento de mantenimiento |
|---|---|
| Cada 400 horas |
|
| Cada 2 años |
|
Compruebe que los tubos de combustible no están deteriorados o dañados, y que las conexiones no están sueltas.
Cebe el sistema de combustible después de que se produzcan los siguientes casos:
Sustitución del filtro de combustible.
Drenaje del separador de agua tras cada uso o a diario.
Si se ha quedado sin combustible.
Sustitución de una manguera de combustible o apertura del sistema de combustible por cualquier motivo.
Para cebar el sistema de combustible, realice los siguientes procedimientos:
Important: No utilice el sistema de arranque del motor para hacer girar el motor con el fin de cebar el sistema de combustible.
Asegúrese de que hay combustible en el depósito.
Siga estos pasos para cebar el filtro y los tubos hasta la bomba de alta presión para evitar desgate o daños en la bomba:
Gire la llave de contacto a la posición de CONECTADO entre 15 y 20 segundos.
Gire la llave de contacto a la posición de DESCONECTADO entre 30 y 40 segundos.
Note: De este modo, la ECU puede apagarse.
Gire la llave de contacto a la posición de CONECTADO entre 15 y 20 segundos.
Compruebe que no hay fugas alrededor del filtro y las mangueras.
Arranque el motor e inspeccione si se producen fugas.
Desconecte la batería antes de reparar la máquina. Desconecte primero el terminal negativo y luego el positivo. Conecte primero el terminal positivo y luego el negativo.
Cargue la batería en una zona abierta y bien ventilada, lejos de chispas y llamas. Desenchufe el cargador antes de conectar o desconectar la batería. Lleve ropa protectora y utilice herramientas aisladas.
| Intervalo de mantenimiento y servicio | Procedimiento de mantenimiento |
|---|---|
| Cada 50 horas |
|
La batería está junto al depósito de combustible en el lado izquierdo de la máquina. Para acceder a la batería, levante el capó, desenrosque el tornillos de apriete manual que sujeta la tapa sobre la batería, y retire la tapa (Figura 56).
Note: Una arandela de freno retiene el tornillo.

Los bornes de la batería o una herramienta metálica podrían hacer cortocircuito si entran en contacto con los componentes metálicos, causando chispas. Las chispas podrían hacer explotar los gases de la batería, causando lesiones personales.
Al retirar o colocar la batería, no deje que los bornes toquen ninguna parte metálica de la máquina.
No deje que las herramientas metálicas hagan cortocircuito entre los bornes de la batería y las partes metálicas de la máquina.
Un enrutado incorrecto de los cables de la batería podría dañar la máquina y los cables, causando chispas. Las chispas podrían hacer explotar los gases de la batería, causando lesiones personales.
Desconecte siempre el cable negativo (negro) de la batería antes de desconectar el cable positivo (rojo).
Un enrutado incorrecto de los cables de la batería podría dañar la máquina y los cables, causando chispas. Las chispas podrían hacer explotar los gases de la batería, causando lesiones personales.
Conecte siempre el cable positivo (rojo) de la batería antes de conectar el cable negativo (negro).
Una pieza de retención (Figura 59) sujeta la batería en la bandeja. Afloje las fijaciones de la pieza de retención para retirar la batería; apriételas al instalar la batería.
Note: Para acceder a la batería, consulte Acceso a la batería. Vuelva a colocar la tapa al instalar la batería.

| Intervalo de mantenimiento y servicio | Procedimiento de mantenimiento |
|---|---|
| Cada 50 horas |
|
Important: Antes de efectuar soldaduras en la máquina, desconecte el cable negativo de la batería para evitar daños al sistema eléctrico.
Compruebe la condición de la batería cada semana o cada 50 horas de operación. Mantenga limpios los bornes y toda la carcasa de la batería, porque una batería sucia se descargará lentamente.
Acceda a las baterías; consulte Acceso a la batería.
Retire el aislante de goma del borne positivo e inspeccione la batería. Si la batería está sucia, complete los siguientes pasos:
Lave toda la caja con una solución de bicarbonato y agua.
Aplique una capa de grasa Grafo 112X (Nº de Pieza Toro 505-47) a los conectores de los cables y a los bornes de la batería para evitar la corrosión.
Deslice el aislador de goma sobre el borne positivo.
Cierre la tapa de la batería.
Retire la cubierta de la consola para tener acceso a los fusibles de la unidad de tracción (Figura 60).
Note: La pegatina de los fusibles de la unidad de tracción está situada en el otro lado de la cubierta de la consola.

Consulte en la tabla Bloque de fusibles de la unidad de tracción la descripción de cada fusible del bloque de fusibles de la unidad de tracción (Figura 61):

| A | B | |
| 1 | Cabina (10 A) | Alimentación de la pantalla (15 A) |
| 2 | Ranura abierta | Entrada llave/marcha para el controlador de la pantalla (10 A) |
| 3 | Asiento con suspensión neumática (15 A) | Circuito de arranque (10 A) |
| 4 | Puerto USB, horímetro, telemática, puerto de expansión (20 A) | Potencia interruptor encendido (15 A) |
Los fusibles de la cabina están situados encima del asiento del pasajero. Para acceder a los fusibles, retire la tapa de la caja de fusibles (Figura 62).

Consulte en la tabla Bloque de fusibles de la cabina la descripción de cada fusible del bloque de fusibles de la unidad de tracción (Figura 63):

| A | |
| 1 | Ventilador del condensador; embrague del aire acondicionado (25 A) |
| 2 | Lavaparabrisas (20 A) |
| 3 | Ventilador y luz interior (40 A) |
| 4 | Ranura abierta |
| Intervalo de mantenimiento y servicio | Procedimiento de mantenimiento |
|---|---|
| Después de la primera hora |
|
| Después de las primeras 10 horas |
|
| Cada 200 horas |
|
Especificación del par de apriete de las tuercas de las ruedas:102–108 N·m
Apriete las tuercas de las ruedas delanteras y traseras (máquinas con tracción a 4 ruedas solamente) al par especificado usando el patrón ilustrado en la Figura 64 y la Figura 65.
Si separa el extremo telescópico del árbol de la TDF del extremo del embrague, asegúrese de que las marcas de pintura estén alineadas y de que la llave se alinee con el acanalamiento que falta en el extremo del embrague (Figura 66) al instalar el extremo telescópico. Las horquillas de los extremos también deben alinearse tal y como se muestra en la Figura 66.
Important: Si el árbol de transmisión no está alineado, puede producirse un desequilibrio grave en el sistema de la transmisión.

La ingestión del refrigerante del motor puede causar envenenamiento; manténgalo fuera del alcance de niños y animales domésticos.
Una descarga de refrigerante caliente bajo presión, o cualquier contacto con el radiador caliente y los componentes que lo rodean, puede causar quemaduras graves.
Siempre deje que el motor se enfríe durante al menos 15 minutos antes de retirar el tapón del radiador.
Utilice un trapo al abrir el tapón del radiador y ábralo lentamente para permitir la salida del vapor.
No haga funcionar la máquina sin que las cubiertas estén colocadas.
Mantenga los dedos, las manos y las prendas de vestir alejados del ventilador y de la correa de transmisión en movimiento.
El depósito de refrigerante se llena en fábrica con una solución al 50 % de agua y refrigerante de etilenglicol de larga duración.
Important: Utilice solamente refrigerantes comerciales que cumplan las especificaciones relacionadas en la Tabla de estándares de refrigerantes de larga vida.No utilice refrigerante IAT (tecnología de ácido inorgánico) convencional (verde) en su máquina. No mezcle refrigerante convencional con refrigerante de larga vida.
|
Tipo de refrigerante de etilenglicol |
Tipo de inhibidor de corrosión |
|
Anticongelante de larga duración |
Tecnología de ácido orgánico (OAT) |
|
Important: No confíe en el color del refrigerante para identificar la diferencia entre refrigerante IAT (tecnología de ácido inorgánico) convencional (verde) y refrigerante de larga vida.Los fabricantes de refrigerante pueden teñir los refrigerantes de larga duración con uno de los siguientes colores: rojo, rosa, naranja, amarillo, azul, verde azulado, violeta o verde. Utilice refrigerante que cumpla las especificaciones de la Tabla de estándares de refrigerantes de larga vida. |
|
|
ATSM International |
SAE International |
|
D3306 y D4985 |
J1034, J814, y 1941 |
Important: La concentración del refrigerante debe ser una mezcla al 50% de refrigerante y agua.
Preferencia: Al hacer la mezcla a partir de un refrigerante concentrado, mézclelo con agua destilada.
Alternativa a la preferencia: Si no se dispone de agua destilada, utilice un refrigerante premezclado en lugar de un concentrado.
Requisito mínimo: Si no dispone de agua destilada ni tampoco de refrigerante premezclado, mezcle refrigerante concentrado con agua potable limpia.
| Intervalo de mantenimiento y servicio | Procedimiento de mantenimiento |
|---|---|
| Cada vez que se utilice o diariamente |
|
| Cada 2000 horas |
|
Cuando el motor está frío, el nivel de refrigerante no debe estar por encima de la marca FRíO del lateral del depósito de expansión (Figura 67). Cuando el motor está caliente, el nivel de refrigerante no debe estar por encima de la marca LLENO (CALIENTE).
Si el refrigerante está por encima de la marca FRíO cuando el motor está frío, pueden producirse fugas del depósito cuando el motor se caliente durante el uso.
Con el motor frío, compruebe el nivel de refrigerante del depósito de expansión.

Si el refrigerante no está visible en o por debajo de la marca FRíO cuando está frío, retire el tapón del depósito de expansión y añada el refrigerante de recambio recomendado [consulte Especificación del refrigerante] según sea necesario para que el nivel llegue a la marca FRíO.
Important: No use agua sola o refrigerantes a base de alcohol.No llene por encima de la marca FRíO del depósito.
Instale el tapón del depósito de expansión.
| Intervalo de mantenimiento y servicio | Procedimiento de mantenimiento |
|---|---|
| Cada 50 horas |
|

Abra el capó; consulte Abra el capó.
Utilice aire comprimido para limpiar la rejilla del capó (Figura 68). Dirija el chorro de aire hacia fuera de la máquina.
| Intervalo de mantenimiento y servicio | Procedimiento de mantenimiento |
|---|---|
| Cada 50 horas |
|
| Cada 250 horas |
|
Utilice aire comprimido para limpiar las aletas del radiador. Dirija el chorro de aire hacia fuera de la máquina (Figura 69).
Important: No utilice agua para limpiar las aletas.

Enderece cualquier aleta que esté doblada.
| Intervalo de mantenimiento y servicio | Procedimiento de mantenimiento |
|---|---|
| Cada 200 horas |
|
| Cada 2 años |
|
Inspeccione las mangueras del sistema de refrigeración para comprobar que no tienen fugas, que no están dobladas, que los soportes no están sueltos, y que no hay desgaste, fijaciones sueltas, o deterioro causado por agentes ambientales o químicos. Haga todas las reparaciones necesarias antes de utilizar la máquina.
| Intervalo de mantenimiento y servicio | Procedimiento de mantenimiento |
|---|---|
| Cada 400 horas |
|
Coloque gatos fijos debajo de la parte delantera de la máquina; consulte Elevación de la parte delantera de la máquina.
Retire las ruedas delanteras.
Ponga el freno de estacionamiento en la posición de DESENGRANADO; consulte Freno de estacionamiento.
Retire los tambores de freno (Figura 70) a mano.
Si nota resistencia al retirar los tambores de freno a mano, no es necesario ajustarlos.
Si no nota resistencia al retirar los tambores de freno a mano, es necesario ajustarlos; consulte Ajuste del freno de estacionamiento.

Instale las ruedas delanteras y apriete las tuercas; consulte Apriete de las tuercas de las ruedas.
Calce las ruedas.
Asegúrese de que el freno de estacionamiento está quitado.
Localice el soporte del cable de freno (Figura 71), debajo del lado izquierdo de la máquina, cerca de la rueda izquierda.

Afloje las contratuercas superiores hasta que aparezca un espacio de 3,2 mm a 4,8 mm.
Tire hacia abajo de un cable hasta que la contratuerca superior entre en contacto con el soporte.
Apriete la contratuerca inferior.
Repita los pasos 5 y 6 con el otro cable.
Compruebe el del freno de estacionamiento; consulte Comprobación del freno de estacionamiento.
| Intervalo de mantenimiento y servicio | Procedimiento de mantenimiento |
|---|---|
| Después de las primeras 10 horas |
|
| Después de las primeras 50 horas |
|
| Cada 100 horas |
|
Una tensión correcta de la correa permite una desviación de 10 mm al aplicar una fuerza de 4,5 kg a la correa en el punto intermedio entre las poleas.
Si la desviación no es de 10 mm, siga estos pasos:
Afloje el perno de montaje del alternador (Figura 63).

Aumente o reduzca la tensión de la correa del alternador y apriete el perno.
Verifique de nuevo la desviación de la correa para asegurarse de que la tensión es la correcta.
| Intervalo de mantenimiento y servicio | Procedimiento de mantenimiento |
|---|---|
| Cada 100 horas |
|
Inspeccione la correa de tracción en busca de señales de desgaste o daños excesivos.
Cambie la correa si está excesivamente desgastada o dañada; consulte Sustitución de la correa de tracción.

Aparque la máquina en una superficie nivelada, baje la unidad de corte, accione el freno de estacionamiento, apague el motor y retire la llave.
Desconecte el árbol de la TDF de la caja de engranajes del accesorio; consulte el Manual del operador del accesorio.
Desenchufe el conector del arnés de cables del embrague del arnés de cables de la máquina.

Retire el tope de goma del retenedor metálico y el embrague (Figura 74).
Haga que otra persona utilice una llave de carraca para aliviar la tensión de la correa, luego retire la correa de la polea de la bomba, la polea tensora y la polea del motor.
Para retirar la correa antigua, mueva la correa sobre el embargue y hacia adelante sobre el árbol de la TDF.
Mueva la correa por el árbol de la TDF, por encima del embrague y sobre la polea del motor.
Haga que otra persona utilice una llave de carraca para tirar hacia abajo de la polea tensora.
Enrute la correa sobre la polea del motor, la polea tensora y la polea de la bomba (Figura 73).
Retire la llave de carraca del brazo tensor.
Instale el tope de goma en el retenedor metálico y fije el tope en el embrague.
Enchufe el conector del arnés de cables del embrague en el arnés de cables de la máquina.
Instale el árbol de la TDF en la caja de engranajes del accesorio.
| Intervalo de mantenimiento y servicio | Procedimiento de mantenimiento |
|---|---|
| Cada 200 horas |
|
Deje que el motor se enfríe.
Levante el capó del motor.
Ajuste la holgura hasta que pueda deslizar una galga de 0,3 mm entre la guarnición del embrague y la placa de fricción con una ligera presión (Figura 75).
Note: La holgura puede reducirse girando las tuercas de ajuste en sentido horario (Figura 75). La holgura máxima es de 0,6 mm. Ajuste las 3 holguras a 0,4 mm.

Después de ajustar la holgura en las 3 posiciones, vuelva a comprobar las 3 posiciones.
Note: El ajuste de una de las posiciones puede afectar al ajuste de las demás.
El pedal de tracción puede ajustarse para mejorar el confort del operador o para reducir la velocidad máxima de avance de la máquina.
Pise el pedal de tracción a fondo (hacia adelante) (Figura 76).
Note: El pedal de tracción debe entrar en contacto con el tope del pedal de tracción antes de que la bomba alcance su carrera máxima.

Si el pedal de tracción no toca el tope del pedal de tracción, o si desea reducir la velocidad de avance de la máquina, haga lo siguiente:
Sujete el tope del pedal de tracción (Figura 76) con una llave inglesa.
Afloje la contratuerca situada por debajo de la placa del reposapiés (Figura 77).

Mueva el pedal de tracción en la posición de velocidad máxima hacia adelante (Figura 76).
Mientras sujeta el tope del pedal de tracción, ajuste la contratuerca situada encima de la placa del reposapiés (Figura 76) hasta que el pedal de tracción entre en contacto con el tope.
Alargue el tope del pedal de tracción girando el tope una vuelta completa en sentido antihorario para alejarlo de la contratuerca situada encima de la placa del reposapiés.
Note: Si se acorta la posición del tope del pedal de tracción, aumentará la velocidad de avance de la máquina.
Mientras sujeta el tope del pedal de tracción, apriete la contratuerca situada debajo de la placa del reposapiés (Figura 76 y Figura 77) a entre 37 y 45 N∙m.
Compruebe que el pedal de tracción entra en contacto con el tope del pedal de tracción antes de que la bomba alcance su carrera máxima.
Note: Si el pedal de tracción no entra en contacto con el tope del pedal de tracción, repita los pasos 1 a 7.
Busque atención médica inmediatamente si el fluido penetra en la piel. Un médico deberá eliminar quirúrgicamente el fluido inyectado en pocas horas.
Asegúrese de que todas las mangueras y líneas de fluido hidráulicos están en buenas condiciones de uso, y que todos los acoplamientos y conexiones hidráulicos están apretados, antes de aplicar presión al sistema hidráulico.
Mantenga el cuerpo y las manos alejados de fugas pequeñas o boquillas que liberan fluido hidráulico a alta presión.
Utilice un cartón o un papel para buscar fugas hidráulicas.
Alivie de manera segura toda presión en el sistema hidráulico antes de realizar trabajo alguno en el sistema hidráulico.
El depósito de la máquina se llena en fábrica con aproximadamente 22,7 litros de fluido hidráulico de alta calidad. Compruebe el nivel del fluido hidráulico antes de arrancar el motor por primera vez y luego a diario; consulte Comprobación del nivel de fluido hidráulico.
Fluido de recambio recomendado: fluido hidráulico Toro PX Extended Life, disponible en recipientes de 19 litros o en bidones de 208 litros.
Note: Una máquina que utilice el fluido de recambio recomendado necesita menos cambios de filtro y de fluido.
Fluidos hidráulicos alternativos: si no se encuentra disponible el fluido hidráulico Toro PX Extended Life, puede utilizar otro fluido hidráulico convencional basado en petróleo cuyas especificaciones referentes a todas las propiedades materiales estén dentro de los intervalos relacionados a continuación y que cumpla las normas industriales. No utilice fluidos sintéticos. Consulte a su distribuidor de lubricantes para identificar un producto satisfactorio.
Note: Toro no asume responsabilidad alguna por daños causados por sustituciones no adecuadas, por lo que debe utilizar solamente productos de fabricantes reputados que respalden sus recomendaciones.
| Propiedades de materiales: | ||
| Viscosidad, ASTM D445 | cSt a 40 °C 44 a 48 | |
| Índice de viscosidad ASTM D2270 | 140 o más | |
| Punto de descongelación, ASTM D97 | -37 °C a -45 °C | |
| Especificaciones industriales: | Eaton Vickers 694 (I-286-S, M-2950-S/35VQ25 o M-2952-S) | |
Note: La mayoría de los fluidos hidráulicos son casi incoloros, por lo que es difícil detectar fugas. Está disponible un aditivo de tinte rojo para el fluido hidráulico, en botellas de 20 ml. Una botella es suficiente para 15 a 22 litros de fluido hidráulico. Solicite la pieza Nº 44-2500 a su distribuidor autorizado Toro.
Important: El fluido hidráulico biodegradable Toro Premium Synthetic es el único fluido sintético biodegradable homologado por Toro. Este fluido es compatible con los elastómeros usados en los sistemas hidráulicos Toro, y es apropiado para un amplio intervalo de temperaturas. Este fluido es compatible con aceites minerales convencionales, pero para obtener la máxima biodegradabilidad y rendimiento es necesario purgar el sistema hidráulico completamente de fluido convencional. Su distribuidor Toro autorizado dispone de este aceite en recipientes de 19 litros o en bidones de 208 litros.
| Intervalo de mantenimiento y servicio | Procedimiento de mantenimiento |
|---|---|
| Cada vez que se utilice o diariamente |
|
Aparque la máquina en una superficie nivelada, baje la unidad de corte, accione el freno de estacionamiento, apague el motor y retire la llave.
Retire el tapón del depósito hidráulico (Figura 78).

Retire la varilla del depósito hidráulico y límpiela con un trapo limpio (Figura 78).
Introduzca la varilla en el depósito hidráulico.
Retire la varilla y compruebe el nivel de fluido (Figura 79).
Si tiene una unidad de corte equipada: el nivel de fluido hidráulico está en el nivel apropiado cuando el fluido aparece entre las dos marcas inferiores de la varilla (A en la Figura 79). También es aceptable que el nivel de fluido esté por encima de las marcas inferiores.
Si tiene instalado el kit de Mangueras para accesorios de accionamiento hidráulico: el nivel de fluido hidráulico está en el nivel correcto cuando el fluido aparece entre las dos marcas superiores de la varilla (B en la Figura 79).

Si el nivel de fluido está por debajo de la marca inferior correspondiente (según el accesorio instalado; consulte el paso 5) de la varilla, añada fluido hidráulico del tipo especificado al depósito. Repita los pasos 3 a 5 hasta que el nivel de fluido esté entre las 2 marcas correspondientes de la varilla.
Introduzca la varilla y el tapón en el depósito hidráulico.
Apriete el tapón a mano.
Important: No utilice una herramienta para apretar el tapón.
Compruebe que no hay fugas en ninguna manguera o acoplamiento hidráulico.
| Intervalo de mantenimiento y servicio | Procedimiento de mantenimiento |
|---|---|
| Después de las primeras 1000 horas |
|
| Cada 800 horas |
|
| Cada 1000 horas |
|
| Cada 2000 horas |
|
Si el fluido hidráulico se contamina, póngase en contacto con su distribuidor Toro local; el sistema debe ser purgado. El fluido contaminado tiene un aspecto lechoso o negro en comparación con el fluido limpio.
Important: Utilice filtros de recambio Toro; consulte el Catálogo de piezas de la máquina. El uso de cualquier otro filtro puede anular la garantía de algunos componentes.
Aparque la máquina en una superficie nivelada, baje la unidad de corte, accione el freno de estacionamiento, apague el motor y retire la llave.
Coloque un recipiente de drenaje grande debajo del depósito de fluido hidráulico.
Retire el tapón y la varilla del depósito hidráulico.
Retire el tapón de vaciado (Figura 80) de la parte inferior del depósito y deje que se drene el aceite hidráulico al recipiente.

Limpie la zona de montaje del filtro.
Coloque un recipiente recipiente de vaciado debajo del filtro (Figura 80), retire el filtro y deje que se drene el aceite restante en el recipiente.
Lubrique la junta del filtro nuevo y llene el filtro de fluido hidráulico.
Asegúrese de que la zona de montaje del filtro está limpia, enrosque el filtro hasta que la junta toque la placa de montaje, y luego apriete el filtro media vuelta más.
Llene el depósito hidráulico con fluido hidráulico; consulte Comprobación del nivel de fluido hidráulico.
Important: Utilice solamente los fluidos hidráulicos especificados. Otros fluidos podrían causar daños en el sistema.
Coloque el tapón de vaciado cuando el fluido hidráulico se haya drenado.
Instale la varilla y el tapón del depósito.
Arranque el motor y accione todos los controles hidráulicos en el orden siguiente para distribuir el fluido hidráulico por todo el sistema:
Utilice el pedal de tracción para desplazar la máquina hacia adelante y hacia atrás.
Utilice el volante para mover los neumáticos hasta los topes derecho e izquierdo.
Utilice el interruptor de elevación para elevar y bajar el accesorio (por ejemplo, la unidad de corte).
Compruebe que no hay fugas y apague el motor.
Compruebe el nivel de fluido hidráulico del depósito; consulte Comprobación del nivel de fluido hidráulico.
| Intervalo de mantenimiento y servicio | Procedimiento de mantenimiento |
|---|---|
| Cada vez que se utilice o diariamente |
|
| Cada 2 años |
|
Inspeccione a diario las líneas y mangueras hidráulicas para comprobar que no tienen fugas, que no están dobladas, que los soportes no están sueltos, y que no hay desgaste, elementos sueltos, o deterioro causado por agentes ambientales o químicos. Haga todas las reparaciones necesarias antes de utilizar la máquina.
Important: Tenga cuidado alrededor de las juntas de la cabina (Figura 81). Si está utilizando un lavador a presión, mantenga la vara al menos a 0,6 m de distancia de la máquina. No dirija el chorro de la lavadora a presión directamente sobre las juntas de la cabina o por debajo del reborde trasero.

| Intervalo de mantenimiento y servicio | Procedimiento de mantenimiento |
|---|---|
| Cada 400 horas |
|
Retire los pomos y las rejillas del reborde trasero de la cabina (Figura 82).

Retire los filtros de aire de la cabina.
Limpie los filtros con aire comprimido limpio y libre de aceite.
Important: Si cualquiera de los dos filtros está agujereado, desgarrado o tiene otros desperfectos, cámbielo.
Utilice los pomos y las rejillas para instalar los filtros en la cabina (Figura 82).
El propósito del filtro del condensador de la cabina es evitar que entren residuos grandes como hierba y hojas en el condensador y en los ventiladores del condensador de la cabina.
Tire hacia abajo de la tapa de la rejilla.
Limpie el filtro del condensador con agua.
Note: No utilice un sistema de lavado a presión.
Important: Si el filtro está agujereado, desgarrado o tiene otros desperfectos, cámbielo.
Deje que el filtro se seque antes de instalarlo en la máquina.
Gire la rejilla del filtro sobre las pestañas hasta que el cierre se enganche en el soporte (Figura 83).

Note: Consulte el número de pieza de la lámpara correspondiente en el Catálogo de piezas.
Note: El depósito de fluido del limpiaparabrisas está situado junto al motor, en el lado derecho de la máquina.
Retire el tapón (Figura 85) del depósito.

Llene el depósito con líquido para limpiaparabrisas.
Vuelva a colocar el tapón del depósito.
Apague el motor, retire la llave y espere a que se detenga todo movimiento antes de dejar el puesto del operador. Deje que la máquina se enfríe antes de realizar ajustes, tareas de mantenimiento y de limpieza o de guardarla.
No guarde la máquina o un recipiente de combustible en un lugar donde pudiera haber una llama desnuda, chispas o una llama piloto, por ejemplo en un calentador de agua u otro electrodoméstico.
Important: No utilice agua reciclada o salada para limpiar la máquina.
Aparque la máquina en una superficie nivelada; ponga el freno de estacionamiento; apague el motor; retire la llave y espere a que se detenga todo movimiento antes de abandonar la máquina.
Limpie a fondo la máquina, la unidad de corte y el motor.
Important: No utilice agua a alta presión cerca de los controles eléctricos o las juntas de la cabina, porque esto puede causar daños.
Compruebe y ajuste la presión de los neumáticos; consulte Comprobación de la presión de aire de los neumáticos.
Compruebe las líneas y mangueras hidráulicas; repárelas si es necesario.
Compruebe el nivel de fluido hidráulico; consulte Comprobación del nivel de fluido hidráulico.
Retire, afile, equilibre e instale las cuchillas de la unidad de corte.
Compruebe que no hay cierres sueltos, apretándolos si es necesario.
Lubrique todos los puntos de engrase y aplique aceite a los puntos de giro. Limpie cualquier exceso de lubricante.
Lije suavemente y aplique pintura de retoque a cualquier zona pintada que esté rayada, desconchada u oxidada. Repare cualquier desperfecto de la carrocería.